31977L0536[1]
A Tanács irányelve (1977. június 28.) a kerekes mezőgazdasági vagy erdészeti traktorok borulás hatása elleni védőszerkezeteire vonatkozó tagállami jogszabályok közelítéséről
A TANÁCS IRÁNYELVE
(1977. június 28.)
a kerekes mezőgazdasági vagy erdészeti traktorok borulás hatása elleni védőszerkezeteire vonatkozó tagállami jogszabályok közelítéséről
(77/536/EGK)
AZ EURÓPAI KÖZÖSSÉGEK TANÁCSA,
tekintettel az Európai Gazdasági Közösséget létrehozó szerződésre és különösen annak 100. cikkére,
tekintettel a Bizottság javaslatára,
tekintettel az Európai Parlament véleményére ( 1 ),
tekintettel a Gazdasági és Szociális Bizottság véleményére ( 2 ),
mivel a műszaki követelmények, amelyeknek a nemzeti jog alapján a traktoroknak meg kell felelniük, többek között a traktorok borulás hatása elleni védőszerkezetekre és ezek traktorhoz erősítésére vonatkoznak;
mivel ezek a követelmények tagállamonként különböznek egymástól; mivel ezért szükséges, hogy minden tagállam ugyanazokat a követelményeket fogadja el a meglévő szabályokat kiegészítve, vagy azok helyett, különösen azért, hogy valamennyi traktortípus számára lehetővé tegyék az EGK-típus-jóváhagyási eljárást, ami a kerekes mezőgazdasági vagy erdészeti traktorok típusjóváhagyására vonatkozó tagállami jogszabályok közelítéséről szóló, 1974. március 4-i 74/150/EGK tanácsi irányelv ( 3 ) tárgya;
mivel a borulás hatása elleni védőszerkezetekre és ezek traktorra erősítésére vonatkozó összehangolt típus-jóváhagyási eljárás lehetővé teszi minden tagállam részére, hogy ellenőrizze a szerkezet és a vizsgálati követelmények megfelelőségét, továbbá tájékoztassa a többi tagállamot a vizsgálat eredményeiről a borulás hatása elleni védőszerkezetre és ezeknek a traktorra erősítésére vonatkozó EGK-típusbizonyítvány másolatának megküldésével, mivel a jóváhagyott típusnak megfelelően gyártott valamennyi szerkezetet adott EGK-típus-jóváhagyási jellel jelölnek, aminek eredményeképpen a többi tagállamban a szerkezet műszaki vizsgálatát nem kell elvégezni;
mivel a borulás hatása elleni védőszerkezet többi elemére és jellemzőire vonatkozó közös követelményeket, különösen azokat, amelyek a méretekre, az ajtókra, a biztonsági üvegekre és a traktor borulásakor a folyamatos átfordulást megakadályozó szerkezetre, valamint az utasok védelmére vonatkoznak egy későbbi időpontban határozzák meg;
mivel az összehangolt követelmények elsődleges célja a biztonság javítása a közutakon és az egész Közösségben a munkavégzés során; mivel ezért szükséges ezen irányelv hatálya alá tartozó traktorokra bevezetni azt a kötelezettséget, hogy el legyenek látva a borulás hatása elleni védőszerkezetekkel;
mivel a traktorokra vonatkozó nemzeti jogszabályok közelítése magában foglalja a tagállamok közös követelmények szerint elvégzett vizsgálatainak kölcsönös elismerését,
ELFOGADTA EZT AZ IRÁNYELVET:
1. cikk
(1) Minden tagállam biztosítja a borulás hatása elleni védőszerkezetek és ezek traktorhoz erősítésének EGK-alkatrész-típusjóváhagyását, amennyiben az megfelel az I., II., III., IV. és V. mellékletben előírt szerkezeti és vizsgálati követelményeknek.
(2) Az EGK-alkatrész-típusjóváhagyást biztosító tagállam megteszi az igazoláshoz szükséges intézkedéseket és amennyiben szükséges, együttműködik a többi tagállam illetékes hatóságaival annak érdekében, hogy a gyártott modellek megfeleljenek a jóváhagyott típusnak. A vizsgálatok helyszíni ellenőrzéssel történnek.
2. cikk
A tagállamok a VI. melléklet szerinti EGK-alkatrész-típus-jóváhagyási jelet adnak a traktor vagy a borulás hatása elleni védőszerkezet gyártójának vagy meghatalmazott képviselőjének az olyan borulás hatása elleni védőszerkezet minden típusára és a traktorra erősítésére vonatkozóan, amelyre az 1. cikk szerint a típusjóváhagyást megadták.
A tagállamok megtesznek minden megfelelő intézkedés annak érdekében, hogy megelőzzék a zavart okozó jelek használatát, amelyek alapján az 1. cikk szerinti borulás hatása elleni védőszerkezetek összetéveszthetők más berendezésekkel.
3. cikk
(1) A tagállamok nem tilthatják meg a borulás hatása elleni védőszerkezetek és ezeknek a traktorhoz erősítő szerkezetének forgalomba hozatalát a szerkezetükre való hivatkozással, amennyiben azok EGK-alkatrész-típus-jóváhagyási jellel rendelkeznek.
(2) Mindemellett egy tagállam visszautasíthatja az EGK-alkatrész-típus-jóváhagyási jellel ellátott borulás hatása elleni védőszerkezet forgalomba hozatalát, ha az lényegesen eltér a jóváhagyott típustól.
Ez a tagállam haladéktalanul értesíti a többi tagállamot és a Bizottságot a megtett intézkedéseiről, részletesen meghatározva döntésének okát.
4. cikk
Minden tagállam illetékes hatósága egy hónapon belül elküldi a VII. melléklet szerinti EGK-alkatrész-típusjóváhagyás másolatát a többi tagállam illetékes hatóságának a borulás hatása elleni védőszerkezet minden olyan típusára vonatkozóan, amelyre a jóváhagyást megadták vagy megtagadták.
5. cikk
(1) Amennyiben az a tagállam, amelyik az EGK-alkatrész-típusjóváhagyást megadta, megállapítja, hogy több, ugyanazzal az EGK-alkatrész-típus-jóváhagyási jellel ellátott borulás hatása elleni védőszerkezet és ezeknek a traktorhoz erősítése nem felel meg a jóváhagyott típusnak, megteszi a szükséges intézkedést annak biztosítására, hogy a gyártott darabok a jóváhagyottal megegyezzenek. E tagállam illetékes hatóságai tájékoztatják a többi tagállam illetékes hatóságait a megtett intézkedésekről, amelyek jelentős és ismételt hiányosság esetén egészen az EGK-alkatrész-típusjóváhagyás visszavonásáig terjedhetnek. Az említett hatóságok ugyanilyen intézkedéseket tesznek, ha egy másik tagállam illetékes hatóságai értesítik őket az ilyen jellegű meg nem egyezésről.
(2) A tagállamok illetékes hatóságai egy hónapon belül értesítik egymást bármely EGK-alkatrész-típusjóváhagyás visszavonásáról és ennek okairól.
6. cikk
Ezen irányelv végrehajtása során elfogadott rendelkezés alapján hozott döntés a borulás hatása elleni védőszerkezetek EGK-alkatrész-típusjóváhagyásának megtagadásáról vagy visszavonásáról, illetve azok forgalomba hozatalának vagy használatának megtiltásáról, részletesen megindokolja a döntéshez vezető okokat. Az érintett felet a döntésről értesíteni kell és ezzel egyidejűleg tájékoztatni kell a tagállamokban hatályban lévő jogszabályok szerinti jogorvoslatról és a határidőkről, amelyeken belül a jogorvoslattal élhet.
7. cikk
A tagállamok nem tagadhatják meg a traktorok EGK-típusjóváhagyásának vagy nemzeti típusjóváhagyásának megadását a borulás hatása elleni védőszerkezetre vagy ennek a traktorra erősítő szerkezetére hivatkozva, amennyiben azokat ellátták az EGK-alkatrész-típus-jóváhagyási jellel és megfelelnek a VIII. melléklet követelményeinek.
8. cikk
A tagállamok nem tagadhatják meg a traktorok értékesítését, nyilvántartásba vételét, forgalomba helyezését, vagy használatát a borulás hatása elleni védőszerkezetre vagy ennek a traktorra erősítésére hivatkozva, amennyiben azokat ellátták az EGK-alkatrész-típus-jóváhagyási jellel és megfelelnek a VIII. melléklet követelményeinek.
9. cikk
Ezt az irányelvet a 74/150/EGK irányelv 1. cikkében meghatározott, az alábbi jellemzőkkel rendelkező traktorokra kell alkalmazni:
- a hátsó tengely alatti szabad magasság legfeljebb 1000 mm,
- rögzített vagy állítható nyomtáv a hajtótengelyek egyikén legalább 1150 mm,
- felszerelhetőség többpontos függesztőberendezéssel (munkaeszközök részére), felszerelhetőség vonórúddal,
- az 1,5 és 6 tonna közötti tömeg a 74/150/EGK irányelv I. melléklete 2.4. pontjának megfelelően, az ezen irányelvvel összhangban felszerelt borulás hatása elleni védőszerkezettel és a gyártó által ajánlott legnagyobb kerékabroncsokkal együtt.
10. cikk
Az EGK-típusjóváhagyással kapcsolatban a 9. cikkben említett traktort fel kell szerelni olyan borulás hatása elleni védőszerkezettel, amely megfelel az I., II., III. és IV. melléklet előírásainak.
11. cikk
A mellékletekben leírt követelményeknek a műszaki fejlődéshez történő hozzáigazításához szükséges módosításait a 74/150/EGK tanácsi irányelv 13. cikkében szabályozott eljárásnak megfelelően fogadják el.
12. cikk
(1) A tagállamok hatályba léptetik azokat az rendelkezéseket, amelyek szükségesek ahhoz, hogy ennek az irányelvnek az értesítéstől számított 18 hónapon belül megfeleljenek, és erről haladéktalanul tájékoztatják a Bizottságot.
(2) A tagállamok közlik a Bizottsággal nemzeti joguknak azokat a főbb rendelkezéseit, amelyeket az ezen irányelv által szabályozott területen fogadnak el.
13. cikk
Ennek az irányelvnek a tagállamok a címzettjei.
A MELLÉKLETEK JEGYZÉKE
I. MELLÉKLET: | Az EGK-alkatrész-típusjóváhagyásának feltételei |
II. MELLÉKLET: | A borulás hatása elleni védőszerkezetek szilárdságának és traktorra erősítésének vizsgálati feltételei |
III. MELLÉKLET: | Vizsgálati eljárások |
IV. MELLÉKLET: | Ábrák |
V. MELLÉKLET: | Minta a vizsgálati jelentésre |
VI. MELLÉKLET: | Jelölések |
VII. MELLÉKLET: | Az EGK-típusbizonyítvány mintája |
VIII. MELLÉKLET: | Az EGK-típusjóváhagyás feltételei |
IX. MELLÉKLET: | Melléklet a traktortípus EGK-típusbizonyítványához a borulás hatása elleni védőszerkezetek szilárdságával és a traktorra erősítésével kapcsolatban |
I. MELLÉKLET
AZ EGK ALKATRÉSZ-TÍPUSJÓVÁHAGYÁSÁNAK FELTÉTELEI
1. FOGALOMMEGHATÁROZÁS
1.1. A borulás hatása elleni védőszerkezet: (védőfülke vagy keret) a traktoron az a szerkezeti elem, amelynek alapvető célja, hogy megelőzze vagy korlátozza azokat a veszélyeket, amelyek a vezetőt érhetik, ha a traktor üzemszerű használata közben felborul.
1.2. Az 1.1. pont szerinti szerkezeteket az jellemzi, hogy borulás esetén elegendő szabadtér marad benne a vezető védelmére.
2. ÁLTALÁNOS KÖVETELMÉNYEK
2.1. A borulás hatása elleni védőszerkezeteket és traktorra erősítésüket úgy kell megtervezni és kialakítani, hogy teljesüljön az 1. pontban megadott alapvető cél.
2.2. A követelményt a III. mellékletben megadott két vizsgálati módszer valamelyikével kell ellenőrizni. Az alkalmazott módszernek figyelembe kell vennie a traktor tömegét az alábbiak szerint:
- azoknál a traktoroknál, amelyeknek a tömegét a 9. cikk határozza meg - IIIB. melléklet
- azoknál a traktoroknál, amelyeknek a tömege meghaladja az 1,5 tonnát, de nem több 3,5 tonnánál - IIIA. melléklet
- a megfordítható vezetőhellyel (azaz megfordítható üléssel és kormánykerékkel) vagy további ülésekkel felszerelt traktorokat illetően csak a III. melléklet B. részében leírt vizsgálati módszert lehet alkalmazni.
3. AZ EGK-ALKATRÉSZ-TÍPUS-JÓVÁHAGYÁSI KÉRELEM
3.1. A borulás hatása elleni védőszerkezet szilárdságára és a traktorra erősítés szilárdságára vonatkozóan az EGK-alkatrész-típus-jóváhagyási kérelmet a traktor vagy a védőszerkezet gyártója, vagy meghatalmazott képviselője nyújtja be.
3.2. Az EGK-alkatrész-típus-jóváhagyási kérelemhez három példányban mellékelni kell az alábbi dokumentumokat és adatokat:
- a borulás hatása elleni védőszerkezet általános elrendezési rajzát vagy a rajzon megadott léptéknek megfelelően vagy a védőszerkezet fő méreteinek megadásával. E rajznak főként a rögzítés részleteit kell bemutatnia,
- a felerősítés részleteit oldalról és hátulról bemutató fényképeket,
- a borulás hatása elleni védőszerkezet rövid leírásait, beleértve a szerkezetet, a traktorra erősítés részleteit, és - szükség esetén - a burkolattal kapcsolatos részleteket, a ki- és beszállás, valamint a kimenekülés módját, a belső párnázással kapcsolatos részleteket, a folyamatos borulás megakadályozására szolgáló sajátosságokat, valamint a fűtés és a szellőztetés részleteit,
- a szerkezeti részekhez felhasznált anyagokat, beleértve a csatlakoztató és a rögzítőcsavarokat is (lásd V. mellékletet).
3.3. Az alkatrész-típus-jóváhagyási vizsgálat végrehajtásáért felelős műszaki szolgálatnak át kell adni egy olyan traktort, amely annak a traktortípusnak a mintája, amelyre a jóváhagyandó védőszerkezetet tervezték. A traktorra fel kell szerelni a borulás hatása elleni védőszerkezetet.
3.4. Az EGK-alkatrész-típusjóváhagyás birtokosa kérheti a jóváhagyás kiterjesztését más traktortípusokra is. Az eredeti EGK-típusjóváhagyást megadó illetékes hatóság megadja a jóváhagyás kiterjesztését is, amennyiben a jóváhagyott védőszerkezet és azok a traktortípus(ok), amely(ek)re a kiterjesztést igénylik, megfelel(nek) az alábbi feltételeknek:
- a II. melléklet 1.3. pontja szerinti ellensúly nélküli traktor tömege nem haladja meg 5 %-nál nagyobb mértékben a vizsgálathoz használt referenciatömeget,
- a felerősítés módja és a traktor azon alkatrészei, amelyekhez a felerősítés történik, azonosak,
- az olyan alkatrészek, mint a sárvédők és a motorháztetők, amelyek segíthetik a borulás hatása elleni védőszerkezet működését, azonosak,
- az ülés helyzete nem változott meg./változatlan maradt.
4. JELÖLÉSEK
4.1. A jóváhagyott típusnak megfelelő borulás hatása elleni védőszerkezetet az alábbi jelölésekkel kell ellátni:
4.1.1. védjegy vagy kereskedelmi név;
4.1.2. a VI. mellékletben található mintának megfelelő alkatrész-típus-jóváhagyási jel;
4.1.3. a védőszerkezet sorozatszáma;
4.1.4. annak (azoknak) a traktor(ok)nak a gyártmánya és típusa(i), amely(ek)re a védőszerkezetet tervezték.
4.2. Mindezeket az adatokat fel kell tüntetni egy kisméretű adattáblán.
4.3. A szóban forgó jelöléseknek láthatóknak, olvashatóknak és kitörölhetetleneknek kell lenniük.
II. MELLÉKLET
A BORULÁS HATÁSA ELLENI VÉDŐSZERKEZETEK SZILÁRDSÁGÁNAK ÉS TRAKTORRA ERŐSÍTÉSÉNEK VIZSGÁLATI FELTÉTELEI
1. ÁLTALÁNOS KÖVETELMÉNYEK
1.1. Vizsgálat célja
Egyedi berendezések felhasználásával olyan vizsgálatok végrehajtása, amelyekkel helyettesíteni lehet a védőszerkezetre ható terheléseket a traktor felborulásakor. Ezek a III. mellékletben leírt vizsgálatok lehetővé teszik a védőszerkezet, a traktorra erősítés, valamint az összes - vizsgálati terhelést átadó - traktoralkatrész szilárdságának megfigyelését.
1.2. Vizsgálati előkészület
1.2.1. A borulás hatása elleni védőszerkezetet olyan típusú traktoron kell vizsgálni, amelyre tervezték, és azt a traktor gyártójának és/vagy a borulás hatása elleni védőszerkezet gyártójának előírásai szerint kell felerősíteni a traktorra.
1.2.2. A vizsgálatokhoz a traktorra fel kell szerelni az összes olyan sorozatgyártású alkatrészt, amely hatással lehet a borulás hatása elleni védőszerkezet szilárdságára, illetve amelyre szükség lehet a szilárdságvizsgálathoz.
Annak érdekében, hogy vizsgálni lehessen e melléklet 4.1. pontja szerinti megfelelőségüket fel kell szerelni azokat az alkatrészeket is, amelyek veszélyek forrásai lehetnek a védett belső zónában.
1.2.3. A vizsgálatokat a traktor álló helyzetében kell végrehajtani.
1.3. A traktor tömege
A lengőtömeg esési magasságának és a nyomóerő kiszámítására szolgáló képletben (lásd a III. melléklet A és B részében) szereplő mért tömeg (W) legalább a 74/150/EGK irányelv I. mellékletének 2.4. pontjában meghatározott tömeggel kell megegyeznie (a kiegészítő tartozékok nélkül, de a hűtőfolyadékkal, a kenőanyaggal, a tüzelőanyaggal, a szerszámok és a járművezető tömegével együtt) hozzáadva a borulás hatása elleni védőszerkezet tömegét és levonva 75 kg-t. Nem kell figyelembe venni a választható első és hátsó póttömeget, a gumiabroncs tömegét, a felszerelt eszközöket, berendezéseket vagy egyéb különleges alkatrészt.
2. KÉSZÜLÉK ÉS BERENDEZÉS
2.1. Lengőtömeg
2.1.1. A lengőtömeget két lánccal vagy drótkötéllel kell felerősíteni úgy, hogy a felfüggesztési pontok legalább 6 méter magasan legyenek a talaj felett. Olyan eszközökről kell gondoskodni, amelyekkel megvalósítható a tömeg esési magasságának, valamint a tömeg és a tartóláncok vagy tartókötelek közötti szög egymástól független beállítása.
2.1.2. A lengőtömeg 2000 ± 20 kg, a 100 kg-ot meg nem haladható láncok vagy drótkötelek nélkül. Az ütközési felület oldalhosszúsága 680 ± 20 mm legyen (lásd a IV. melléklet 4. ábráját). A súlyt úgy kell kitölteni, hogy a súlypontjának helye állandó maradjon.
2.1.3. Olyan eszközről kell gondoskodni, amellyel a súly az egyes vizsgálatokhoz megadott magasságba inga módjára visszahúzható. Egy gyorskioldó mechanizmussal lehetővé kell tenni a súly lefelé lendülését, anélkül hogy megváltozna a tartóláncokhoz vagy drótkötelekhez viszonyított dőlése.
2.2. Az inga tartói
Az inga forgáspontjait mereven kell rögzíteni, hogy az elmozdulás egyik irányban se legyen nagyobb, mint az esési magasság 1 %-a.
2.3. Rögzítések
2.3.1. A traktort tartó- és feszítőeszközökkel rögzíteni kell a nem rugalmas padlózatba mereven rögzített rögzítő sínekhez. A sínek megfelelő távolságban legyenek, hogy a traktor a IV. melléklet 5., 6. és 7. ábrája szerint rögzíthető legyen. A traktor kerekeinek és az alkalmazott tengelybakoknak merev alapon kell állniuk.
2.3.2. A rögzítő eszközök és a síncsatlakozók fajtájától függetlenül a traktort a megadott méretű drótkötéllel kell rögzíteni.
A drótkötél sodrata körkörös, rendelkeznie kell rostmaggal, és szerkezeti felépítése az ISO 2408-as szabvány szerinti 6 x 19. A drótkötél névleges átmérője 13 mm.
2.3.3. A fordítható hátsótengelyű traktor központi tengelycsapját kell alátámasztani, és rögzíteni kell az első, hátsó és oldalsó ütéseknek, valamint a nyomóvizsgálatoknak megfelelően. Ezenkívül az oldalirányú ütésvizsgálathoz még oldalról is meg kell támasztani. Az első és hátsó kerekeknek nem szükséges egy vonalban lenniük, ha ez megkönnyíti a megfelelő drótkötél csatlakoztatását.
2.4. Kerékkitámasztás és gerenda
2.4.1. Az oldalirányú ütések során gerendát kell használni kerék kitámasztásához a IV. melléklet 7. ábrája szerint.
2.4.2. Egy kb. 150 mm-es élhosszúságú, négyzet keresztmetszetű puhafa gerendát kell a talajhoz erősíteni annak érdekében, hogy a IV. melléklet 5., 6. és 7. ábrájának megfelelően megtámassza a gumiabroncsokat az ütéssel ellentétes oldalon.
2.5. Támaszok és rögzítések fordítható hátsótengelyű traktorokhoz
2.5.1. A fordítható hátsótengelyű traktorok esetén kiegészítő támaszokat és rögzítéseket kell alkalmazni annak érdekében, hogy a traktornak az a része, amelyre a borulás hatása elleni védőszerkezetet felerősítették, olyan merev legyen, mint maga a traktor.
2.5.2. Az ütés- és nyomóvizsgálatokhoz további részleteket a III. melléklet tartalmaz.
2.6. Nyomóberendezés
A IV. melléklet 8. ábrája szerinti nyomóberendezést kell alkalmazni, hogy egy kb. 250 mm széles, merev gerendán keresztül lefelé irányuló erőt fejtsen ki a borulás hatása elleni védőszerkezetre. A gerendát kardáncsukló köti össze a terhelést kifejtő mechanizmussal. Megfelelő tengelybakot kell alkalmazni, hogy ne a traktor gumiabroncsai vegyék fel a nyomóerőt.
2.7. Mérőberendezés
2.7.1. A III. melléklet A. és B. részében megadott vizsgálatokhoz olyan eszközt kell felhasználni, amelynek mozgó súrlódó eleme szorosan illeszkedik egy vízszintes rúdra, és amellyel oldalirányú ütésvizsgálatkor megmérhető a különbség a legnagyobb pillanatnyi alakváltozás és a maradandó alakváltozás között.
2.7.2. A III. melléklet A. részében megadott vizsgálatokhoz laboratóriumi vizsgálat után méréseket kell végrehajtani annak megállapítására, hogy a védőszerkezet melyik része hatolt be a III. melléklet A. részének 2. pontjában megadott szabadtérbe.
2.7.3. A III. melléklet B. részében meghatározott vizsgálatokhoz olyan eszközökre van szükség - beleértve esetleg a fényképezőgépeket is -, amellyekkel a laboratóriumi vizsgálatok után megállapítható, hogy a védőszerkezet valamely része behatolt-e, illetve érintkezésbe került-e a III. melléklet B részének 2. pontja szerinti szabadtérbe.
2.8. Mérettűrések
A következő tűrések érvényesek az alábbi vizsgálatok során végrehajtott mérésekre:
2.8.1. a vizsgálat során mért lineáris méretekre (a 2.8.2. pont kivételével): a védőszerkezet és a traktor méretei, a túlélési tér és a gumiabroncs alakváltozása, ha a traktort rögzítették az ütésvizsgálatokhoz: ± 3 mm;
2.8.2. az ütővizsgálatokhoz beállított lengőtömeg magasságánál: ± 6 mm;
2.8.3. a traktor mért tömegénél: ± 20 kg;
2.8.4. a függőleges nyomóvizsgálatokhoz alkalmazott terhelésnél: ± 2 %;
2.8.5. a súlytartó láncok vagy drótkötelek szögénél az ütési pontban: ± 2°.
3. VIZSGÁLATOK
3.1. Általános követelmények
3.1.1. Vizsgálatok sorrendje
3.1.1.1. A vizsgálatok jegyzéke és sorrendje a következő. A tételszámok azok a sorszámok, amelyek alatt a vizsgálatok leírása található a III. melléklet A és B részében:
1. ütésvizsgálat hátulról: | 1.1; |
2. függőleges nyomóvizsgálat a védőszerkezet hátsó részén: | 1.4; |
3. ütésvizsgálat elölről: | 1.2; |
4. ütésvizsgálat oldalról: | 1.3; |
5. függőleges nyomóvizsgálat a védőszerkezet első részén: | 1.5. |
3.1.1.2. Amennyiben a vizsgálat során a vizsgálóberendezés bármely része elmozdul vagy eltörik, akkor a vizsgálatot meg kell ismételni.
3.1.1.3. A vizsgálat során a traktoron vagy a borulás hatása elleni védőszerkezeten nem végezhetők javítások vagy beállítások.
3.1.1. 4 A vizsgálat során a traktor sebességváltójának üres, a fékeknek kiengedett állapotban kell lenniük.
3.1.1.5. A megfordítható vezetőhellyel (azaz megfordítható üléssel és kormánykerékkel) felszerelt traktorok esetében az első ütközés hosszirányú, és a traktor legnagyobb tömegű részét (a traktor tömegének több mint 50 %-a) éri. Ezt nyomóvizsgálat követi ugyanazon a részen. A második ütközés a traktor legkisebb tömegű részét éri, a harmadik ütközés pedig oldalról történik. Végül második nyomóvizsgálatra kerül sor a traktor legkisebb tömegű részén.
3.1.2. Nyomtáv
A hátsó kerekek nyomtávját úgy kell beállítani, hogy amennyire lehetséges a borulás hatása elleni védőszerkezet a vizsgálatok során ne támaszkodjon a gumiabroncsokra.
3.1.3. A veszélyt nem okozó alkatrészek eltávolítása
A vizsgálatra átadott traktort el kell látni a vezető védelmében szerepet játszó (beleértve az időjárás elleni védelmet is) összes alkatrésszel és a borulás hatása elleni védőszerkezet minden részével. Megengedhető a biztonsági üvegből vagy más hasonló anyagból készült első, oldalsó és hátsó ablakok, valamint a leválasztható lapok, szerkezetek és tartozékok eltávolítása akkor, ha ezek nem szilárdítják a szerkezetet és ha nem jelentenek veszélyt a boruláskor.
3.1.4. Az ütések iránya
Az oldalirányú ütésnek a traktor azon oldalára kell hatnia, amelyen a legnagyobb alakváltozás várható. A hátsó ütésnek az oldalütés helyétől legtávolabbi sarokra kell hatnia, az elülső ütésnek pedig arra a sarokra, amelyik a legközelebb van az oldalütéshez.
3.1.5. Abroncsnyomások és alakváltozások
A gumiabroncsokat nem lehet vízzel feltölteni. A különböző vizsgálatok alatt leszorított gumiabroncsok nyomásának és belapulásának az alábbi táblázat szerint kell alakulnia:
Gumiabroncsnyomás (bar) | Belapulás (mm) | |||||
Radiál abroncsok | Diagonál abroncsok | elöl | hátul | |||
elöl | hátul | elöl | hátul | |||
Négykerék-hajtás, az első és hátsó kerekek azonos méretűek | 1,20 | 1,20 | 1,00 | 1,00 | 25 | 25 |
Segéd mellsőkerék-hajtás, az első kerekek kisebbek, mint a hátsó kerekek | 1,80 | 1,20 | 1,50 | 1,00 | 20 | 25 |
Kétkerék-hajtás | 2,40 | 1,20 | 2,00 | 1,00 | 15 | 25 |
4. AZ EREDMÉNYEK KIÉRTÉKELÉSE
4.1. Az alkatrészek EGK-alkaltrésztípusjóváhagyási vizsgálatának alávetett borulás hatása elleni védőszerkezet megfelel a szilárdsági követelményeknek, amennyiben az alábbi feltételek teljesülnek:
4.1.1. törésektől és repedésektől mentes a III. melléklet A. és B. részének 3.1. pontjának megfelelően;
4.1.2. a III. melléklet A. része szerinti vizsgálatoknál: a szabadtér egyetlen része sincs a borulás hatása elleni védőszerkezeten kívül;
A III. melléklet B. része szerinti vizsgálatoknál: a borulás hatása elleni védőszerkezet az ütési vagy nyomópróbák során nem hatol a szabadtérbe, illetve ez utóbbinak egyetlen része sincs a borulás hatása elleni védőszerkezeten kívül (a III. melléklet B. részének 3.2. pontjának megfelelően);
4.1.3. a III. melléklet A. része szerinti vizsgálatoknál: a legnagyobb pillanatnyi alakváltozás és a maradandó alakváltozás között, a III. melléklet A része 3.3. pontjában megadott különbség nem haladja meg a 15 cm-t;
A III. melléklet B. része szerinti vizsgálatoknál: az oldalirányú ütésvizsgálat során a legnagyobb pillanatnyi alakváltozás és a maradó alakváltozás között, a III. melléklet B. része 3.3. pontjában megadott különbség nem haladja meg a 25 cm-t.
4.2. Nincs egyéb olyan szerkezeti elem, ami veszélyt jelentene a vezetőre, például olyan típusú üveg, amely veszélyes formában törik, a tetőrész nem megfelelő kipárnázása, vagy egyéb olyan rész, amelybe a vezető a fejét beütheti.?
5. VIZSGÁLATI JELENTÉS
5.1. a VII. melléklet szerinti EGK-alkatrész-típusbizonyítványhoz mellékelni kell a vizsgálati jelentést. A jelentésnek formailag meg kell egyeznie az V. mellékletben megadottakkal. A jelentésnek a következőket kell tartalmaznia:
5.1.1. a borulás hatása elleni védőszerkezet alakjának és szerkezetének általános leírását, beleértve az anyagokat és szerelvényeket is; a borulás hatása elleni védőszerkezettel felszerelt traktor külső méreteit, a fő belső méreteket; a kormánykeréktől számított legkisebb térközt; a kormánykerék és a borulás hatása elleni védőszerkezet oldalai közötti oldalirányú távolságot; a védőszerkezet tetejének magasságait az ülés vagy az ülés referenciapontja felett és a padló felett (amennyiben van ilyen); az ajtókkal és a vészkijárattal kapcsolatos adatokat, ahogy ezt a borulás hatása elleni védőszerkezet részei meghatározzák; a fűtő- és - adott esetben - a szellőzőrendszer adatait.
5.1.2. a különleges berendezések adatait, így például a traktor folyamatos borulását megakadályozó eszközökét.
5.1.3. a vezető fej- vagy vállsérüléseinek csökkentésére szolgáló vagy hangszigetelő belső párnázás rövid leírását.
5.1.4. a szélvédő és az alkalmazott üvegek típusát.
5.2. A jelentésből pontosan ki kell derülnie, hogy a vizsgálat során a traktor mely típusát alkalmazták (gyártmány, típus, kereskedelmi leírás stb.), továbbá hogy a védőszerkezetet milyen egyéb traktorokra szánták.
5.3. Az EGK-alkatrész-típusjóváhagyás más traktortípusokra is történő kiterjesztése esetén a jelentésben pontosan utalni kell az eredeti EGK-alkatrész-típusjóváhagyásra, továbbá tartalmaznia kell az I. melléklet 3.4. pontjában megállapított követelményekre vonatkozó adatokat.
III. MELLÉKLET
VIZSGÁLATI ELJÁRÁSOK
A - I. VIZSGÁLATI MÓDSZER
1. ÜTÉS- ÉS NYOMÓVIZSGÁLATOK
1.1. Ütés hátulról
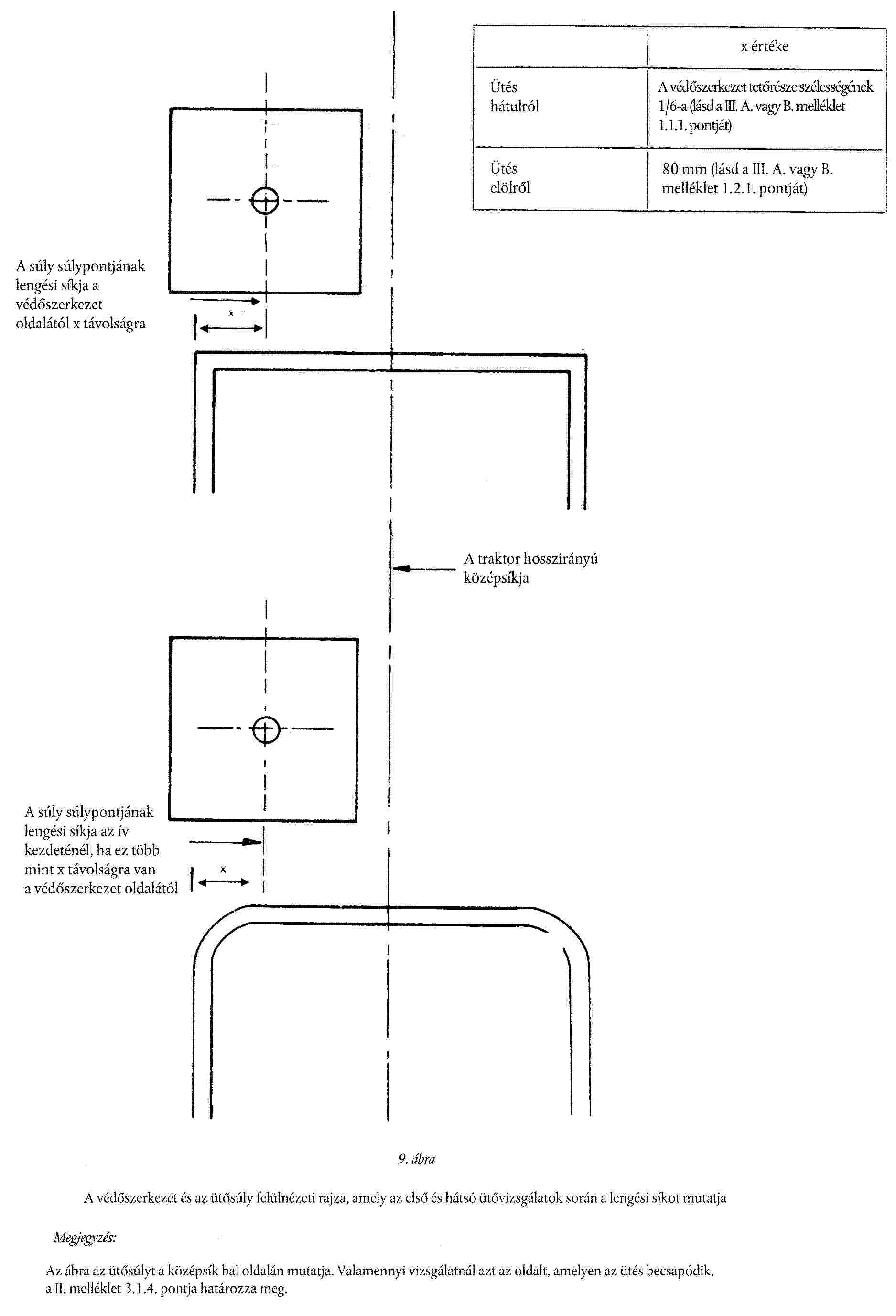
1.1.1. A traktort a súlyhoz képest oly módon kell elhelyezni, hogy a borulás hatása elleni védőszerkezetet akkor találja el, amikor a súly ütközési felülete és a tartóláncok vagy drótkötelek a függőleges síkkal 20 fokos szöget zárnak be, kivéve ha az érintkezési pontban az alakváltozás során a borulás hatása elleni védőszerkezet nagyobb szögben állna a függőlegeshez képest. Ebben az esetben a súly ütközési felületét kiegészítő eszközökkel úgy kell beállítani, hogy párhuzamos legyen a borulás hatása elleni védőszerkezettel az ütközési pontban fellépő legnagyobb alakváltozás pillanatában, és a tartóláncok vagy drótkötelek továbbra is 20 fokos szöget zárjanak be a függőlegeshez képest. Meg kell tenni a szükséges intézkedéseket ahhoz, hogy a súly ne forduljon el az érintkezési pont körül. A súly felfüggesztési magasságát úgy kell beállítani, hogy tömegközéppontjának pályája áthaladjon az érintkezési ponton.
A védőszerkezeten olyan pontot kell választani ütközési pontként, amely a traktor esetleges hátrafelé borulásakor először érintené a talajt; rendes körülmények között a felső szélét. A súly súlypontja a védőszerkezet felső szélességének egy hatodával legyen beljebb attól a függőleges síktól, amely párhuzamos a traktor középsíkjával és a védőszerkezet felső részének külső oldalát érinti.
Amennyiben a védőszerkezet hátsó részének íve nagyobb távolságban kezdődik a szóban forgó függőleges síkhoz képest, mint a fentiek szerint számított 1/6 rész, akkor az ütésnek az ívelt rész kezdőpontjában kell hatnia, vagyis abban a pontban, ahol az ív tangenciálisan csatlakozik a traktor középsíkjára merőleges egyeneshez (lásd IV. melléklet 9. ábráját).
Amennyiben egy kinyúló rész a súly szempontjából kedvezőtlen helyen van, akkor egy megfelelő vastagságú és szélességű, kb. 300 mm hosszú acéllapot kell hozzáerősíteni e részhez úgy, hogy az acéllap ne befolyásolja a védőszerkezet szilárdságát.
1.1.2. A rendes (merev) alvázú traktorokat rögzíteni kell. A rögzítések csatlakoztatási pontja kb. 2 méterrel a hátsó tengely mögött és 1,5 méterrel az első tengely előtt legyen. A rögzítések abban a síkban legyenek, amelyben az inga tömegközéppontja leng, vagy egynél több rögzítés alkalmazásával el kell érni, hogy az eredő erő a IV. melléklet 5. ábra szerinti síkban hasson.
A rögzítéseket úgy kell megfeszíteni, hogy a gumiabroncsok alakváltozása elől és hátul is a II. melléklet 3.1.5. pontjában foglaltaknak megfeleljen. A rögzítés után egy 150-mm-es élhosszúságú, négyzet keresztmetszetű fagerendát kell a hátsó kerekek első részénél rögzíteni, szorosan nekifeszítve azt a kerekeknek.
1.1.3. Fordítható hátsótengelyű traktorok mindkét tengelyét rögzíteni kell. A traktor azon részének tengelyét, amelyre a borulás hatása elleni védőszerkezet fel van erősítve, a IV. melléklet 5. ábráján jelzett módon hátsó tengelyként kell kezelni. Ezt követően a csuklópontot alá kell támasztani egy 100 mm-es élhosszúságú, négyzet keresztmetszetű hasábbal, és drótkötéllel szilárdan rögzíteni kell a talajhoz erősített sínekhez.
1.1.4. A súlyt addig kell hátrahúzni, amíg súlypontjának magassága az ütközési pont fölött az alábbi képlettel számított nagyságú lesz:

ahol H az esési magasság mm-ben, és W a traktor tömege a II. melléklet 1.3. pontjában megadottak szerint.
A súlyt ezután el kell engedni, hogy a védőszerkezethez ütődjön.
1.2. Ütés elölről
1.2.1. A traktort a súlyhoz képest oly módon kell elhelyezni, hogy az a védőszerkezetet akkor találja el, amikor a súly ütközési felülete és a tartóláncok vagy drótkötelek a függőlegeshez képest 20 fokos szöget zárnak be, kivéve azt az esetet, ha a védőszerkezet az érintkezési pontban az alakváltozás során a függőlegeshez képest nagyobb szögben áll. Ebben az esetben a tömeg ütközési felületét kiegészítő eszközökkel úgy kell beállítani, hogy az párhuzamos legyen a védőszerkezettel, az ütési pontban a legnagyobb alakváltozás időpontjában, a tartóláncok vagy acélsodronykötelek továbbra is 20 fokos szöget zárjanak be a függőlegeshez képest. Meg kell tenni a szükséges intézkedéseket ahhoz, hogy a súly ne forduljon el az érintkezési pont körül. A súly felfüggesztési magasságát úgy kell beállítani, hogy súlypontjának pályája haladjon át az érintkezési ponton.
A védőszerkezetnek ütközési pontként olyan pontot kell választani, amely előre haladáskor a traktor esetleges oldalra borulásakor először érintené a talajt; rendes esetben a felső szélét. A súly súlypontjának helye legfeljebb 80 mm-re legyen a függőleges síktól, amely párhuzamos a traktor középsíkjával és érinti a borulás hatása elleni védőszerkezet felső részének legszélső pontját.
Amennyiben azonban a védőszerkezet elülső részének íve 80 mm-nél nagyobb távolságban kezdődik befelé a fenti függőleges síkhoz képest, akkor az ütésnek az ívelt rész kezdőpontjában kell hatnia, vagyis abban a pontban, ahol az ív tangenciálisan csatlakozik a traktor középsíkjára merőleges egyeneshez (lásd IV. melléklet 9. ábráját).
1.2.2. A merev alvázú traktorokat a IV. melléklet 6. ábrája szerint kell rögzíteni. A rögzítések csatlakoztatási pontjainak kb. 2 méterrel a hátsó tengely mögött, illetve 1,5 méterrel az első tengely előtt kell lenniük.
A rögzítéseket úgy kell megfeszíteni, hogy az első és hátsó gumiabroncsok alakváltozása megfeleljen a II. melléklet 3.1.5. pontja szerinti követelményeknek. A rögzítés után egy 150 mm-es élhosszúságú, négyzet keresztmetszetű fagerendát kell a hátsó kerekek első részénél rögzíteni, szorosan nekifeszítve a kerekeknek.
1.2.3. A fordítható hátsótengelyű traktorok mindkét tengelyét rögzíteni kell. A traktor azon részének tengelyét, amelyre a borulás hatása elleni védőszerkezet fel van erősítve, a IV. melléklet 6. ábrája szerint mellső tengelyként kell kezelni. Ezt követően a csuklópontot alá kell támasztani egy kb. 100 mm-es élhosszúságú, négyzet keresztmetszetű hasábbal, és drótkötelekkel szilárdan rögzíteni kell a talajhoz erősített sínekhez.
1.2.4. A súlyt addig kell hátrahúzni, hogy súlypontjának az alábbi képlettel számított magassága az ütközési pont felett legyen:

1.3. Oldalirányú ütés
1.3.1. A traktort a lengőtömeghez képest oly módon kell elhelyezni, hogy az a védőszerkezetet akkor találja el, amikor a tömeg ütközési felülete és a tartóláncok vagy drótkötelek függőlegesek, kivéve azt az esetet, ha az alakváltozás során a védőszerkezet az érintkezési pontban a függőlegeshez képest eltérő szögben áll. Ebben az esetben a tömeg ütközési felületét kiegészítő eszközökkel oly módon kell beállítani, hogy az párhuzamos legyen a védőszerkezettel az ütközési pontban a legnagyobb alakváltozás időpontjában, a tartóláncok vagy drótkötelek pedig merőlegesek maradnak az ütés irányára. A súly felfüggesztési magasságát oly módon kell beállítani, hogy a súlypontjának pályája áthaladjon az érintkezési ponton.
Ütközési pontként a védőszerkezetnek azt a pontját kell választani, amely a traktor esetleges oldalra borulásakor először érintené a talajt; normális esetben a felső szélét. Az ütközés helyének - kivéve ha biztos, hogy az élnek valamely más része ütközik elsőként a talajhoz - olyan síkban kell lennie, amely merőleges a traktor középsíkjára és áthalad a középhelyzetbe állított ülés közepén. Meg kell tenni a szükséges intézkedéseket ahhoz, hogy a súly ne forduljon el az érintkezési pont körül.
1.3.2. A merev alvázú traktorok esetében minden tengelyt, amely merev helyzetben van a védőszerkezethez képest, rögzíteni kell az ütés oldalán. Kétkerék-meghajtású traktorok esetében ez a IV. melléklet 7. ábrájának megfelelően általában a hátsó tengely. A drótköteleknek közvetlenül a tengelyek alatt lévő rögzítő pontokból kiindulva át kell haladniuk a tengely felett és ezt követően a tengely előtt illetve mögött 1,5 méterre lévő rögzítési pontokhoz kell kapcsolódniuk. A rögzítéseket úgy kell megfeszíteni, hogy a lekötés oldalán a gumiabroncs alakváltozása a II. melléklet 3.1.5. pontjában megadottak szerint alakuljon. A rögzítés után támaszként egy fagerendát kell elhelyezni a súllyal ellentétes kerék mögé, és hozzá kell erősíteni a talajhoz úgy, hogy az ütési próba során a IV. melléklet 7. ábrája szerint szorosan nekifeszüljön a keréktárcsának. A gerenda hosszát oly módon kell megválasztani, hogy a kerékhez nyomott helyzetben 30° ± 3° szöget zárjon be a vízszinteshez képest. Hosszúsága 20-25-szöröse, szélessége 3-szorosa legyen a vastagságnak. Meg kell akadályozni mindkét tengely oldalirányú elmozdulását, ezért az ütéssel ellentétes oldalon a talajhoz erősített gerendákat kell a kerék külső oldalának szorítani.
1.3.3. Fordítható hátsótengelyű traktorok esetében olyan rögzítést kell alkalmazni, amely a nem fordítható hátsótengelyű traktorokhoz hasonlóan a traktor védőszerkezetet hordozó részét mereven rögzíti a talajhoz.
A fordítható hátsótengelyű traktorok mindkét tengelyét a talajhoz kell erősíteni. A traktornak a védőszerkezetet hordozó részén levő tengelyt és a kerekeket a IV. melléklet 7. ábráján megadott módon kell rögzíteni és megtámasztani. A csuklópontot alá kell támasztani egy legalább 100 mm-es élhosszúságú, négyzet keresztmetszetű fagerendával és a talajhoz erősített sínekhez kell rögzíteni. A csuklópontot ferdén is meg kell támasztani, és a támaszt a talajhoz kell erősíteni. Így ugyanaz a hatás érhető el, mint a merev alvázú traktorok hátsó kerekéhez helyezett támasz esetében.
1.3.4. A súlyt addig kell hátrahúzni, hogy súlypontjának az alábbi képlettel számított magassága az ütközési pont fölött legyen:

1.4. Nyomóvizsgálat a védőszerkezet hátsó részén
A traktort a II. melléklet 2.6. pontban meghatározott és a IV. melléklet 8. és 10. ábráján szemléltetett berendezésbe oly módon kell beállítani, hogy a gerenda hátsó része a védőszerkezet teherhordó részének leghátsó felső része fölé kerüljön és a traktor középső hosszirányú síkja középhelyzetben legyen azok között a pontok között, amelyeken a nyomóerő a gerendára hat.
A tengelybakokat úgy kell a tengelyek alá elhelyezni, hogy a gumiabroncsokra ne hasson a nyomóerő. Az alkalmazott erő a II. melléklet 1.3. pontja szerint a traktor tömege kétszeresének megfelelő legyen. Szükség lehet a traktor elülső részének lekötésére is.
1.5. Nyomóvizsgálat a védőszerkezet elülső részén
1.5.1. Ez a vizsgálat azonos a hátsó nyomóvizsgálattal, eltekintve attól, hogy a gerenda első élének a borulás hatása elleni védőszerkezet legelső felső része felett kell lennie.
1.5.2. Amennyiben a védőszerkezet tetejének első része nem képes felvenni a teljes terhelést, akkor azt addig kell fenntartani, amíg a tető annyira deformálódik, hogy egybeesik azzal a síkkal, amely összeköti a védőszerkezet felső részét a traktornak azzal az első részével, amely képes a felborult jármű tömegét megtartani. Ezt követően meg kell szüntetni az erőt, és a traktor helyzetét úgy kell megváltoztatni, hogy a gerenda a védőszerkezet azon pontja fölé kerüljön, amely a traktor hátsó részét abban az esetben tartja, ha IV. melléklet 10. ábrája szerint teljesen felborult. Ekkor rá kell adni a traktorra a teljes terhelést.
2. SZABADTÉR
2.1. A "szabadtér" az alábbi síkok által határolt tér, amikor a traktor vízszintes felületen áll:
- vízszintes sík, 95 cm-rel a terhelt ülés felett;
- a traktor középsíkjára merőleges függőleges sík, ami 10 cm-re az ülés hátsó része mögött van;
- a traktor középsíkjával párhuzamos függőleges sík, ami 25 cm-re balra van az ülés közepéhez képest;
- a traktor középsíkjával párhuzamos függőleges sík, ami 25 cm-re jobbra van az ülés közepéhez képest;
- a traktor középsíkjára merőleges vízszintes ferde sík, ami 95 cm-rel van a terhelt ülés felett, és 45 cm-rel az ülés háttámlája előtt (figyelembe véve az ülés szokásos, előre és hátra irányuló mozgását is). Ez a ferde sík a kormánykerék előtt halad, és a legközelebbi pontja 4 cm-nyire van a kormánykerék peremétől.
2.2. Az ülés hátsó részének meghatározásakor figyelmen kívül kell hagyni a rajta lévő párnázatot. A traktor rendes használata közben az ülés a lehető leghátsó helyzetében, és a legmagasabb beállításában van, ha a magasság függetlenül állítható. Állítható ülésfelfüggesztés esetén az ülésnek 75 kg terheléssel középhelyzetben kell lennie.
3. VÉGREHAJTANDÓ MÉRÉSEK
3.1. Repedések és törések
Minden vizsgálat után szemrevételezéssel ellenőrizni kell az összes szerkezeti elemet, a rögzítő és az összekötő tartókat, és meg kell állapítani, hogy keletkeztek-e rajtuk törések vagy repedések. A jelentéktelen részek kis repedései figyelmen kívül hagyhatók.
3.2. Szabadtér
3.2.1. Minden vizsgálat során ellenőrizni kell, hogy a védőszerkezet valamelyik része nem hatolt-e be a vezetőülés körüli, e melléklet 2. pontja szerint meghatározott szabadtérbe.
3.2.2. Meg kell vizsgálni, hogy a szabadtér valamely része nincs-e a védőszerkezet védelmén kívül. Akkor tekinthető a szabadtér valamely része a borulás hatása elleni védőszerkezet védelmi övezetén kívülinek, ha valamely része érintkezésbe kerülne a sík talajjal, amikor a traktor arra az oldalra borul, amelyre az ütést mérték. Ezért azt is feltételezni kell, hogy az első és hátsó gumiabroncs és a nyomtávbeállítás a gyártó által megengedett legkisebb méretű ill. mértékű.
3.3. Legnagyobb pillanatnyi alakváltozás
Az oldalirányú vizsgálat során meg kell állapítani, hogy mekkora a különbség a legnagyobb pillanatnyi és a maradandó alakváltozás között a terhelt ülés felett 950 mm-es magasságban. A II. melléklet 2.7.1. pontjában leírt rúd egyik végét rá kell csatlakoztatni a borulás hatása elleni védőszerkezet felső részéhez, míg a másik végét a függőleges tetőtartón lévő furaton kell átdugni. A rúdon lévő csúszógallér ütés utáni helye jelzi a legnagyobb pillanatnyi alakváltozást.
3.4. Maradandó alakváltozás
Az utolsó nyomóvizsgálat után fel kell jegyezni a védőszerkezet maradandó alakváltozását. Ebből a célból a vizsgálat kezdete előtt fel kell jegyezni a védőszerkezet fő elemeinek az üléshez viszonyított helyzetét.
B - II. VIZSGÁLATI MÓDSZER
1. ÜTÉS ÉS NYOMÓVIZSGÁLATOK
1.1. Ütés hátulról
1.1.1. A traktort a súlyhoz képest oly módon kell elhelyezni, hogy az a védőszerkezetet akkor találja el, amikor a súly ütközési felülete és a tartóláncok vagy drótkötelek a függőleges síkkal 20 fokos szöget zárnak be, kivéve ha a borulás hatása elleni védőszerkezet az alakváltozás során az érintkezési pontban meghaladja ezt az értéket. Ebben az esetben a súly ütközési felületét kiegészítő eszközökkel úgy kell beállítani, hogy párhuzamos legyen a borulás hatása elleni védőszerkezettel az ütközési pontban fellépő legnagyobb alakváltozás pillanatában, és a tartóláncok vagy drótkötelek továbbra is 20 fokos szöget zárjanak be a függőlegeshez képest. Meg kell tenni a szükséges intézkedést ahhoz, hogy a súly ne forduljon el a felütközési pont körül. A súly felfüggesztési magasságát úgy kell beállítani, hogy tömegközéppontjának pályája áthaladjon az érintkezési ponton.
A védőszerkezeten olyan pontot kell választani ütközési pontként, amely a traktor esetleges hátrafelé borulásakor először érintené a talajt; rendes esetben a felső szélét. A lengőtömeg tömegközéppontja a védőszerkezet felső szélességének egyhatodával található beljebb attól a függőleges síktól, amely párhuzamos a traktor középsíkjával és a védőszerkezet felső részének külső oldalát érinti.
Amennyiben a borulás hatása elleni védőszerkezet hátsó részének íve nagyobb távolságban kezdődik a szóban forgó függőleges síktól, akkor az ütésnek az ív kezdőpontjában kell hatnia, vagyis abban a pontban, ahol az ív tangenciálisan érinti a traktor középsíkjára merőleges egyenest (lásd IV. melléklet 9. ábráját).
Amennyiben egy kinyúló rész a súly szempontjából kedvezőtlen helyen van, akkor egy megfelelő vastagságú és szélességű, kb. 300 mm hosszú acéllapot kell e részhez erősíteni úgy, hogy az acéllap ne befolyásolja a védőszerkezet szilárdságát.
1.1.2. A merev alvázú traktorokat rögzíteni kell. A rögzítések csatlakoztatási pontja kb. 2 méterrel a hátsó tengely mögött és 1,5 méterrel az első tengely előtt legyen. A rögzítések abban a síkban vannak, amelyben az inga tömegközéppontja leng, vagy egynél több rögzítés alkalmazásával el kell érni, hogy az eredő erő a IV. melléklet 5. ábrája szerinti síkban hasson.
A rögzítéseket úgy kell megfeszíteni, hogy az első és hátsó gumiabroncsok alakváltozása a II. melléklet 3.1.5. pontban foglaltaknak megfeleljen. A rögzítés után egy 150 mm-es élhosszúságú négyzet keresztmetszetű fagerendát kell a hátsó kerekek első részénél rögzíteni, szorosan nekifeszítve azt a kerekeknek.
1.1.3. Fordítható hátsótengelyű traktorok mindkét tengelyét rögzíteni kell. A traktor azon részének a tengelyét, amelyre a borulás hatása elleni védőszerkezet fel van erősítve, a IV. melléklet 5. ábráján jelzett módon hátsó tengelyként kell kezelni. Ezt követően a csuklópontot alá kell támasztani egy 100 mm-es élhosszúságú, négyzet keresztmetszetű hasábbal, és drótkötéllel szilárdan rögzíteni kell a talajhoz erősített sínekhez.
1.1. 4 A súlyt addig kell hátrahúzni, amíg súlypontjának magassága az ütközési pont fölött az alábbi képlettel számított nagyságú lesz:

vagy

ahol:
H = az esési magasság milliméterben
W = a traktor tömege a II. melléklet 1.3. pontjában megadottak szerint
L = a traktor legnagyobb tengelytávja milliméterben
I = a hátsó tengely tehetetlenségi nyomatéka a kerekek eltávolítása után kilogramm/négyzetméterben (kg/m2) kifejezve
Ezután a súlyt el kell engedni, hogy a védőszerkezetnek ütődjön.
1.1.5. A hátulról történő ütés vizsgálatát nem lehet alkalmazni olyan traktorok esetében, amelyek tömegének legalább 50 %-a a II. melléklet 1.3. pontjában megadottak szerint az első tengelyre esik.
1.2. Ütés elölről
1.2.1. A traktort a lengőtömeghez képest oly módon kell elhelyezni, hogy az a védőszerkezetet akkor találja el, amikor a lengőtömeg ütközési felülete és a tartóláncok vagy drótkötelek a függőleges síkkal 20 fokos szöget zárnak be, kivéve azt az esetet, ha a védőszerkezet az érintkezési pontban az alakváltozás során a függőlegeshez képest nagyobb szögben áll. Ebben az esetben a tömeg ütközési felületét kiegészítő eszközökkel úgy kell beállítani, hogy az párhuzamos legyen a védőszerkezettel, az ütési pontban a legnagyobb alakváltozás időpontjában, a tartóláncok vagy acélsodronykötelek továbbra is 20 fokos szöget zárjanak be a függőlegeshez képest. Meg kell tenni a szükséges intézkedéseket, hogy a súly ne forduljon el az érintkezési pont körül. A súly felfüggesztési magasságát úgy kell beállítani, hogy tömegközéppontjának a pályája áthaladjon az érintkezési ponton.
A védőszerkezetnek ütközési pontként olyan pontot kell választani, amely előre haladáskor a traktor esetleges oldalra borulásakor először érintené a talajt; rendes esetben a felső szélét. A súly súlypontjának helye legfeljebb 80 mm-re legyen attól a függőleges síktól, amely párhuzamos a traktor középsíkjával és érinti a borulás hatása elleni védőszerkezet felső részének legszélső pontját.
Amennyiben azonban a borulás hatása elleni védőszerkezet elülső részének íve 80 mm-nél nagyobb távolságban kezdődik befelé a fenti függőleges síkhoz képest, akkor az ütésnek az ívelt rész kezdeténél kell hatnia, vagyis abban a pontban, ahol az ív tangenciálisan csatlakozik a traktor középsíkjára merőleges egyeneshez (lásd a IV. melléklet 9. ábráját).
1.2.2. A merev alvázú traktorokat a IV. melléklet 6. ábrája szerint kell rögzíteni. A rögzítések csatlakoztatási pontjának kb. 2 méterrel a hátsó tengely mögött, illetve 1,5 méterrel az első tengely előtt kell lenniük.
A rögzítőköteleket úgy kell megfeszíteni, hogy az első és a hátsó gumiabroncsok alakváltozása megfeleljen a II. melléklet 3.1.5. pontja szerinti követelményeknek. A rögzítőkötelek megfeszítése után egy 150 mm élhosszúságú, négyzet keresztmetszetű fagerendát kell a hátsó kerekek mögött rögzíteni, szorosan nekifeszítve a kerekeknek.
1.2.3. A fordítható hátsótengelyű traktorok mindkét tengelyét rögzíteni kell. A traktor azon részének tengelyét, amelyre a borulás hatása elleni védőszerkezet fel van erősítve, a IV. melléklet 6. ábrája szerint első tengelyként kell kezelni. Ezt követően a csuklópontot alá kell támasztani egy legalább 100 mm élhosszúságú, négyzet keresztmetszetű gerendával és drótkötelekkel szilárdan rögzíteni kell a talajhoz erősített sínekhez.
1.2.4. A súlyt addig kell hátrahúzni, hogy súlypontjának az alábbi képlettel számított magassága az ütközési pont felett legyen:

1.3. Oldalirányú ütés
1.3.1. A traktort a lengőtömeghez képest oly módon kell elhelyezni, hogy az a védőszerkezetet akkor találja el, amikor a tömeg ütközési felülete és a tartóláncok vagy drótkötelek függőlegesek, kivéve azt az esetet, ha az alakváltozás során a védőszerkezet az érintkezési pontban a függőlegeshez képest nagyobb szögben áll. Ebben az esetben a tömeg ütközési felületét kiegészítő eszközökkel oly módon kell beállítani, hogy az párhuzamos legyen a védőszerkezettel az ütközési pontban a legnagyobb alakváltozás időpontjában, a tartóláncok vagy drótkötelek pedig merőlegesek maradnak az ütés irányára. A súly felfüggesztési magasságát oly módon kell beállítani, hogy tömegközéppontjának pályája áthaladjon az érintkezési ponton.
Ütközési pontként a védőszerkezetnek azt a pontját kell választani, amely a traktor esetleges oldalra borulásakor először érintené a talajt; normális esetben a felső szélét. Az ütközés helyének - kivéve ha biztos, hogy az élnek valamely más része ütközik elsőként a talajhoz - egy olyan síkban kell lennie, amely merőleges a traktor középsíkjára és áthalad a középhelyzetbe állított ülés közepén. Meg kell tenni a szükséges intézkedéseket annak érdekében, hogy a súly ne forduljon el az érintkezési pont körül. Megfordítható vezetőhellyel (azaz megfordítható üléssel és kormánykerékkel) felszerelt traktorok esetében az ütközési pontot a traktor szimmetriasíkjának és az arra merőleges síknak a metszésvonalára vonatkozóan kell meghatározni, a két ülés referenciapontjától egyenlő távolságra levő ponton átmenő egyenes vonallal.
1.3.2. A merev alvázú traktorok esetében minden tengelyt, amely merev helyzetben van a védőszerkezethez képest, rögzíteni kell az ütés oldalán. Kétkerék-meghajtású traktorok esetében ez a IV. melléklet 7. ábrájának megfelelően általában a hátsó tengely. A rögzítőköteleknek közvetlenül a tengelyek alatt lévő rögzítő pontokból kiindulva át kell haladnia a tengely felett, és ezt követően a tengely előtt illetve mögött 1,5 méternyire lévő rögzítőpontokhoz kell kapcsolni. A rögzítőköteleket úgy kell megfeszíteni, hogy a rögzítés oldalán a gumiabroncs alakváltozása a II. melléklet 3.1.5. pontjában megadottak szerint alakuljon. A rögzítés végrehajtása után egy fagerendát kell támaszként elhelyezni a súllyal ellentétes oldalon lévő kerék mögé, és hozzá kell erősíteni a talajhoz úgy, hogy az ütéspróba során a IV. melléklet 7. ábrája szerint szorosan nekifeszüljön a keréktárcsához. A gerenda hosszát oly módon kell megválasztani, hogy a kerékhez nyomott helyzetben 30 ± 3°-os szöget zárjon be a vízszinteshez képest. A hossza 20-25-szöröse, a szélessége 2-3-szorosa legyen a vastagságának. Meg kell akadályozni mindkét tengely oldalirányú elmozdulását, és ezért az ütéssel ellentétes oldalon a talajhoz erősített gerendát kell a kerék külső oldalához szorítani.
1.3.3. Fordítható hátsótengelyű traktorok esetében olyan rögzítést kell alkalmazni, amely a traktor védőszerkezetet hordozó részét a nem fordítható hátsótengelyű traktorokhoz hasonlóan mereven rögzíti a talajhoz.
Fordítható hátsótengelyű traktorok mindkét tengelyét a talajhoz kell rögzíteni. A traktornak a védőszerkezetet hordozó részén levő tengelyét és a kerekeket a IV. melléklet 7. ábráján megadott módon kell rögzíteni és megtámasztani. A csuklópontot alá kell támasztani egy legalább 100 mm-es élhosszúságú, négyzet keresztmetszetű gerendával és a talajhoz erősített sínekhez kell erősíteni. A csuklópontot ferdén is meg kell támasztani, és a támaszt a talajhoz kell erősíteni. Így ugyanaz a hatás érhető el, mint a merev alvázú traktorok hátsó kerekéhez helyezett támasz esetében.
1.3.4. A súlyt addig kell hátrahúzni, hogy súlypontjának az alábbi képlettel számított magassága az ütközési pont felett legyen:

1.4. Nyomóvizsgálat a védőszerkezet hátsó részén
A traktort a II. melléklet 2.6. pontjában meghatározott és a IV. melléklet 8. és 10. ábráján szemléltetett berendezésbe oly módon kell beállítani, hogy a gerenda hátsó része a borulás hatása elleni védőszerkezet terheléshordozó részének leghátsó felső része fölé kerüljön és a traktor középső hosszirányú síkja középhelyzetben legyen azok között a pontok között, amelyeken a nyomóerő a gerendára hat.
Tengelybakokat úgy kell a tengelyek alá elhelyezni, hogy a gumiabroncsokra ne hasson a nyomóerő. Az alkalmazott erő a II. melléklet 1.3. pontja szerint a traktor tömege kétszeresének megfelelő legyen. Szükség lehet a traktor elülső részének lekötésére is.
1.5. Nyomóvizsgálat a védőszerkezet elülső részén
1.5.1. Ez a vizsgálat azonos a hátsó nyomóvizsgálattal, eltekintve attól, hogy a gerenda első élének a borulás hatása elleni védőszerkezet legelső felső része felett kell lennie.
1.5.2. Amennyiben a védőszerkezet tetejének első része nem képes felvenni a teljes terhelést, akkor azt addig kell fenntartani, amíg a tető annyira deformálódik, hogy egybeesik azzal a síkkal, amely összeköti a védőszerkezet felső részét a traktornak azzal az első részével, amely képes a felborult jármű tömegét megtartani. Ezt követően meg kell szüntetni az erőt, és a traktor helyzetét úgy kell megváltoztatni, hogy a gerenda a borulás hatása elleni védőszerkezet azon pontja fölé kerüljön, amely a traktor hátsó részét abban az esetben tartja, ha a traktor a IV. melléklet 10. ábrája szerint teljesen felborul; a teljes terhelést ekkor kell a traktorra ráadni.
2. SZABADTÉR
2.1. A szabadteret a IV. melléklet 3. ábrája szemlélteti és a traktor hosszirányába haladó a 2.3. pontban leírt referenciaponton valamint a kormánykerék középpontján átmenő függőleges referenciasík alapján határozzák meg. Biztosítani kell, hogy az ütközés során a referenciasík az üléssel és a kormánykerékkel együtt vízszintesen eltolódhasson, azonban maradjon merőleges a traktor, illetve a borulás hatása elleni védőszerkezet aljához képest, ha az rugalmasan van felszerelve.
Amennyiben a kormánykerék állítható, akkor az ülve történő vezetéshez tartozó állásnak megfelelő helyzetben kell lennie.
2.2. A szabadtér határait az alábbiak határozzák meg:
2.2.1. a referenciasík két oldalán 250 mm távolságban lévő függőleges síkok, amelyek az ülés referenciapontjától számított 300 mm-es magasságig nyúlnak felfelé;
2.2.2. a 2.2.1. pont szerinti síkok felső élétől kezdődő párhuzamos síkok, amelyek az ülés referenciapontja feletti legfeljebb 900 mm-es magasságig nyúlnak, és ferdék olyan módon, hogy az ütés felőli oldalon levő sík felső éle legalább 100 mm távolságban van a referenciasíktól;
2.2.3. a vízszintes sík 900 mm-rel az ülés referenciapontja felett;
2.2.4. a referenciasíkra merőleges ferde sík, amely magában foglal egy pontot, amely közvetlenül az ülés referenciapontja felett van 900 mm magasságban, és magában foglalja az ülésszerkezet leghátsó pontját is az ülés felfüggesztéssel együtt;
2.2.5. a referenciasíkra merőleges függőleges sík, amely lefelé nyúlik az ülés leghátsó pontjától;
2.2.6. 120 mm sugarú, a referenciasíkra merőleges hengeres felület, amely érintőlegesen csatlakozik a 2.2.3. és 2.2.4. pontok szerinti síkokhoz;
2.2.7. 900 mm sugarú, a referenciasíkra merőleges hengeres felület, amely a 2.2.3. pont szerinti síkhoz tangenciálisan csatlakozik az ülés referenciapontja előtt 150 mm-re lévő pontban és e ponttól 400 mm-re előrenyúlik;
2.2.8. a referenciasíkra merőleges ferde sík, amely a 2.2.7. pont szerinti felület elülső éléhez csatlakozik és a kormánykeréktől előre 40 mm-es távolságban húzódik. Magas kormánykerék esetében e helyett a sík helyett a 2.2.7. pont szerinti felülethez érintőlegesen csatlakozó sík;
2.2.9. a referenciasíkra merőleges függőleges sík, ami 40 mm-rel a kormánykerék előtt van;
2.2.10. az ülés referenciapontját átszelő vízszintes sík;
2.2.11. a megfordítható vezetőhellyel (vagyis megfordítható üléssel és kormánykerékkel) rendelkező traktorok esetében a távolságot a kormánykerék és az ülés két helyzete által meghatározott két távolság kombinációjával határozzák meg;
2.2.12. iyan traktorok esetében, amelyek további ülésekkel szerelhetők fel, a vizsgálat alapja a valamennyi ülésbeszerelési lehetőség vonatkozásában az ülés-referenciapontokat körülvevő szabadtér kombinált távolsága. A borulás hatása elleni védőszerkezet nem hatolhat be a különböző ülés-referenciapontok körüli szabadtérbe;
2.2.13. amennyiben a vizsgálat elvégzése után új üléshelyzetet javasolnak, számítást kell végezni annak meghatározására, hogy az új ülés referenciapontja körüli szabadtér teljes mértékben a korábban megállapított szabadtéren belül található. Amennyiben nem ez a helyzet áll fenn, új vizsgálat szükséges.
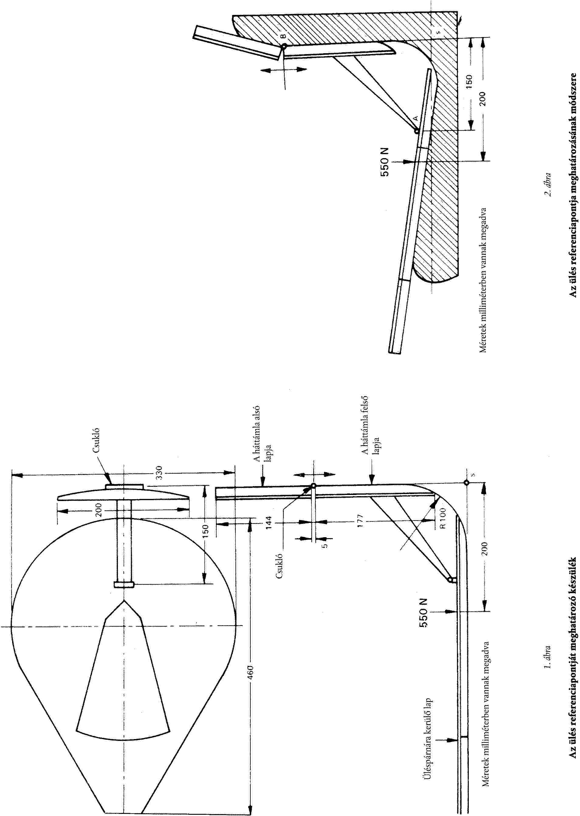
2.3. Az ülés helyzete és az ülés referenciapontja
2.3.1. A szabadtér 2.1. pont szerinti meghatározásához a vízszintesen állítható ülés leghátsó helyzetében kell lennie. Amennyiben az ülés a vízszintes helyzetétől függetlenül függőleges irányban is állítható, akkor a függőleges tartomány közepére kell beállítani.
A referenciapontot a IV. melléklet 1. és 2. ábráján meghatározott berendezéssel kell meghatározni az ülésen elhelyezkedő személy tömegének helyettesítésével. A készülék részei: az üléspárnára kerülő lap és az ülés háttámlájához tartozó lapok. A háttámla alsó lapja az ülőcsont (A), illetve a keresztcsont (B) tájékán csuklósan csatlakozik. A B pont magassági helyzete állítható.
2.3.2. A referenciapont az ülés hosszirányú középsíkjának az a pontja, amelyben az alsó háttámla érintősíkja és egy vízszintes sík metszi egymást. Ez a vízszintes sík az ülőfelület alsó felületét 150 mm-rel metszi a fent említett érintő előtt.
2.3.3. Amennyiben az ülés felfüggesztése a vezető súlyának megfelelően állítható, akkor az ülést úgy kell beállítani, hogy a dinamikus tartományának a középpontjában legyen.
A készüléket az ülésre kell helyezni. Ezután 550 N erővel kell terhelni az A csuklópont előtt 50 mm-rel miközben a háttámlalapokat enyhén, érintőlegesen a háttámlához kell nyomni.
2.3.4. Amennyiben nem határozható meg érintő a háttámla egyes részeihez (az ágyéktáj felett és alatt), akkor a következőket kell tenni:
2.3.4.1. Ahol nem határozható meg érintő az alsó részhez: a háttámlalap alsó részét függőlegesen a háttámlához kell nyomni;
2.3.4.2. Ahol nem határozható meg érintő a felső részhez: a B csuklót 230 mm magasságban rögzíteni kell az ülés referenciapontja felett, ha a háttámlalap alsó része függőleges. Ekkor a háttámlalap két részét érintőlegesen könnyedén a háttámlához kell nyomni.
3. VÉGREHAJTANDÓ MÉRÉSEK
3.1. Repedések és törések
Minden vizsgálat után szemrevételezéssel ellenőrizni kell a traktor valamennyi szerkezeti elemét, a rögzítő és összekötő tartókat a törések vagy repedések szempontjából. A jellegtelen részek kis repedései figyelmen kívül hagyhatók.
3.2. Szabadtér
3.2.1. Minden vizsgálat során ellenőrizni kell, hogy a védőszerkezet valamely része nem hatolt-e be a vezetőülés körüli, a 2.1. és 2.2. pontban meghatározott szabadtérbe.
3.2.2. Meg kell vizsgálni, hogy a szabadtér valamely része a védőszerkezet védelmén kívül került-e. Akkor tekinthető a szabadtér valamely része a borulás hatása elleni védőszerkezet védelmi övezetén kívülinek, ha valamely része érintkezésbe kerül a sík talajjal, amikor a traktor arra az oldalra borul, amelyre az ütést mérik. E vizsgálatnál a gyártó által megadott legkisebb gumiabroncs méretet és a nyomtávot kell figyelembe venni.
3.3. Legnagyobb pillanatnyi alakváltozás
Az oldalirányú ütésvizsgálat során meg kell állapítani, hogy mekkora a különbség a legnagyobb pillanatnyi és a maradandó alakváltozás között az ülés referenciapontja felett 900 mm-es magasságban és az ülés előtt 150 mm-re levő pontban. A II. melléklet 2.7.1. pontja szerinti rúd egyik végét rá kell csatlakoztatni a borulás hatása elleni védőszerkezet felső részéhez, amíg másik végét a függőleges tetőtartón lévő furaton kell átdugni. A rúdon levő csúszógallér ütés utáni helye jelzi a legnagyobb pillanatnyi alakváltozást.
3.4. Maradandó alakváltozás
Az utolsó nyomóvizsgálat után fel kell jegyezni a védőszerkezet maradandó alakváltozását. Ezért a vizsgálat kezdete előtt fel kell jegyezni a védőszerkezet fő elemeinek az ülés referenciapontjához viszonyított helyzetét.
IV. MELLÉKLET
ÁBRÁK









V. MELLÉKLET




VI. MELLÉKLET
JELÖLÉSEK
AZ EGK-ALKATRÉSZ-TÍPUS-JÓVÁHAGYÁSI JEL EGY NÉGYSZÖG ÉS BENNE EGY KIS "E" BETŰ, MAJD UTÁNA AZ ALKATRÉSZ-TÍPUSJÓVÁHAGYÁST KIADÓ TAGÁLLAM MEGKÜLÖNBÖZTETŐ BETŰJELE(I) VAGY SZÁMA:
1 Németország esetében;
2 Franciaország esetében;
3 Olaszország esetében;
4 Hollandia esetében;
6 Belgium esetében;
9 Spanyolország esetében;
11 az Egyesült Királyság esetében;
13 Luxemburg esetében;
18 Dánia esetében;
EL Görögország esetében;
IRL Írország esetében;
P Portugália esetében;
12 Ausztria esetében;
17 Finnország esetében;
5 Svédország esetében;
8 a Cseh Köztársaság esetében;
29 Észtország esetében;
CY Ciprus esetében;
32 Lettország esetében;
36 Litvánia esetében;
7 Magyarország esetében;
MT Málta esetében;
20 Lengyelország esetében;
26 Szlovénia esetében;
27 Szlovákia esetében;
34 Bulgária esetében;
19 Románia esetében;
A négyszög közelében fel kell tüntetni az EGK-alkatrész-típusjóváhagyás számát is, amely az EGK-alkatrész-típusbizonyítvány számának felel meg, amelyet a borulás hatása elleni védőszerkezet adott típusának szilárdságával és a traktorra szerelés módjával kapcsolatban adtak ki.

Példa az EGK-alkatrész-típus-jóváhagyási jelre.
A fenti típus-jóváhagyási jellel ellátott borulás hatása elleni védőszerkezetet Németországban (e 1) hagyták jóvá 1471 sz. alatt.
VII. MELLÉKLET

VIII. MELLÉKLET
AZ EGK-TÍPUSJÓVÁHAGYÁS FELTÉTELEI
1. A TRAKTOR GYÁRTÓJA VAGY MEGHATALMAZOTT KÉPVISELŐJE KÉRELMEZI A TRAKTOR EGK-TÍPUSJÓVÁHAGYÁSÁT A BORULÁS HATÁSA ELLENI VÉDŐSZERKEZET SZILÁRDSÁGA ÉS A TRAKTORRA ERŐSÍTÉSÉNEK SZILÁRDSÁGA TEKINTETÉBEN.
2. A típus-jóváhagyási vizsgálatokat végrehajtó műszaki szolgálatnak át kell adni a jóváhagyandó traktortípus egy példányát, amelyre a jóváhagyandó védőszerkezetet és csatlakozóját felszerelték.
3. Az EGK-alkatrész-típus-jóváhagyási vizsgálatokat végző műszaki szolgálat ellenőrzi, hogy a jóváhagyott típusú védőszerkezet megfelelő-e ahhoz a traktortípushoz, amelyhez a típusjóváhagyást kérték. Különösen azt vizsgálja, hogy a védőszerkezet felerősítése megfelel-e annak, amelyet az EGK-típusjóváhagyás megadásakor vizsgáltak.
4. Az EGK-típusjóváhagyás birtokosa kérheti az engedély kiterjesztését a más védőszerkezet-típusokra is.
5. Az illetékes hatóságok az alábbi feltételekkel adják meg a jóváhagyás kiterjesztését:
5.1. a borulás hatása elleni védőszerkezet új típusa és a traktorra történő felerősítése megkapta az EGK-alkatrész-típusjóváhagyást.
5.2. arra a traktortípusra tervezték, amelyre az EGK-típusjóváhagyás kiterjesztését kérik.
5.3. a védőszerkezet traktorra erősítése megfelel annak, amelyet az EGK-alkatrész-típusjóváhagyás megadásakor vizsgáltak.
6. Az EGK-típusbizonyítványhoz minden típusjóváhagyás vagy típusjóváhagyás-kiterjesztés megadásakor vagy megtagadásakor mellékelni kell egy, a IX. mellékletben bemutatott bizonyítványt.
7. Amennyiben a traktortípusra vonatkozó EGK-típus-jóváhagyási kérelmet ugyanakkor nyújtották be, mint amikor az adott traktortípusra szerelendő védőszerkezet EGK-alkatrész-típusjóváhagyását is kérelmezik, akkor e melléklet 2. és 3. pontjában megadott ellenőrzéseket nem kell végrehajtani.
IX. MELLÉKLET

( 1 ) HL C 76., 1975.4.7., 37. o.
( 2 ) HL C 263., 1975.11.17., 58. o.
( 3 ) HL L 84., 1974.3.28., 10. o.
Lábjegyzetek:
[1] A dokumentum eredetije megtekinthető CELEX: 31977L0536 - https://eur-lex.europa.eu/legal-content/HU/ALL/?uri=CELEX:31977L0536&locale=hu Utolsó elérhető, magyar nyelvű konszolidált változat CELEX: 01977L0536-20070101 - https://eur-lex.europa.eu/legal-content/HU/ALL/?uri=CELEX:01977L0536-20070101&locale=hu