32004D0090[1]
A Bizottság határozata (2003. december 23.) a gyalogosok és más veszélyeztetett úthasználók gépjárművel való ütközést megelőző, illetve annak során történő védelméről és a 70/156/EGK tanácsi irányelv módosításáról szóló, 2003/102/EK európai parlamenti és tanácsi irányelv 3. cikke végrehajtásához szükséges műszaki előírásokról (az értesítés a C(2003) 5041. számú dokumentummal történt)
A BIZOTTSÁG HATÁROZATA
(2003. december 23.)
a gyalogosok és más veszélyeztetett úthasználók gépjárművel való ütközést megelőző, illetve annak során történő védelméről és a 70/156/EGK tanácsi irányelv módosításáról szóló, 2003/102/EK európai parlamenti és tanácsi irányelv 3. cikke végrehajtásához szükséges műszaki előírásokról
(az értesítés a C(2003) 5041. számú dokumentummal történt)
(EGT vonatkozású szöveg)
(2004/90/EK)
AZ EURÓPAI KÖZÖSSÉGEK BIZOTTSÁGA,
tekintettel az Európai Közösséget létrehozó szerződésre,
tekintettel a gyalogosok és más veszélyeztetett úthasználók gépjárművel való ütközést megelőző, illetve annak során történő védelméről és a 70/156/EGK tanácsi irányelv módosításáról szóló, 2003/102/EK európai parlamenti és tanácsi irányelvre ( 1 ), és különösen annak 3. cikkére,
mivel:
(1) A 2003/102/EK irányelv vizsgálatok és határértékek formájában meghatározza a gépjárművek közösségi típusjóváhagyásának gyalogosvédelemre vonatkozó alapkövetelményeit.
(2) Az irányelv szerint annak érdekében, hogy a tagállamok illetékes hatóságai azt egységesen alkalmazzák, az irányelv I. mellékletének 3.1., illetve 3.2. pontjában meghatározott vizsgálatok elvégzéséhez szükséges műszaki előírásokat meg kell határozni.
(3) E vizsgálatok az Európai Fokozott Járműbiztonsági Bizottság (EEVC) által elvégzett tudományos munkára épülnek; mivel a végrehajtásukhoz szükséges műszaki előírásokat is az EEVC ajánlásaira kell alapozni,
ELFOGADTA EZT A HATÁROZATOT:
1. cikk
A 2003/102/EK irányelv I. mellékletének 3.1., illetve 3.2. pontjában meghatározott vizsgálatok végrehajtásához szükséges műszaki előírásokat e határozat melléklete tartalmazza.
2. cikk
Ezt a határozatot 2004. január 1-jétől kell alkalmazni.
3. cikk
Ennek a határozatnak a tagállamok a címzettjei.
MELLÉKLET
TARTALOMJEGYZÉK
I. RÉSZ | ||
1. | Általános | |
2. | Fogalommeghatározások | |
II. RÉSZ | ||
I. FEJEZET | Általános feltételek | |
II. FEJEZET | A lábformájú próbatestnek a lökhárítóval való ütközéses vizsgálata | |
III. FEJEZET | A csípõformájú próbatestnek a lökhárítóval való ütközéses vizsgálata | |
IV. FEJEZET | A csípõformájú próbatestnek a motorházfedél elülsõ élével való ütközéses vizsgálata | |
V. FEJEZET | A gyermek/kisméretû felnõtt fejformájú próbatestnek a motorházfedél felsõ felületével való ütközéses vizsgálata | |
VI. FEJEZET | A felnõtt fejformájú próbatestnek a szélvédõvel való ütközéses vizsgálata | |
VII. FEJEZET | A gyermek és felnõtt fejformájú próbatestnek a motorházfedél felsõ felületével való ütközéses vizsgálata | |
I. FÜGGELÉK | ||
1. | Tanúsítási elõírások | |
2. | Lábformájú próbatest | |
3. | Csípõformájú próbatest | |
4. | Fejformájú próbatest |
I. RÉSZ
1. Általános
Amikor valamely járművön az e részben leírt méréseket végzik, a járművet a normál menethelyzetébe kell helyezni a 2.3. pontban leírtak szerint. Ha a járművet valamely hűtőre szerelt alakkal vagy más olyan szerkezettel szerelték fel, amely kisebb nyomásra visszahajlik vagy visszahúzódik, a mérés előtt vagy alatt ilyen terhelést kell alkalmazni. A járműnek minden olyan elemét, amely alakját vagy helyzetét megváltoztathatja, mint például a kiemelkedő fényszórók, a felfüggesztés elemein vagy a gyalogosok védelmére szolgáló aktív eszközökön kívül olyan alakba vagy helyzetbe kell állítani, amelyet a vizsgáló intézetek a gyártóval folytatott konzultáció után a mérések elvégzéséhez leginkább helyénvalónak tartanak.
2. Fogalommeghatározások
E határozat alkalmazásában:
2.1. "Járműtípus": olyan járművek összessége, amelyek az A-oszlopok előtti részen nem különböznek egymástól olyan lényeges jellemzők tekintetében, mint:
- a szerkezet,
- a fő méretek,
- a jármű külső felületeinek anyaga,
- az alkatrészek elrendezése (külső vagy belső),
olyan mértékben, hogy az a II. részben előírt ütközéses vizsgálatok eredményeit kedvezőtlenül befolyásolná.
Az M1 kategóriából származtatott N1 kategóriájú járművek azok az N1 kategóriájú járművek, amelyek az A-oszlopok előtti részen ugyanolyan általános szerkezetűek és formájúak, mint a korábban meglévő M1 kategóriájú jármű.
2.2. "Elsődleges referenciajelek": a jármű felépítményén lévő bemélyedések, felületek, jelek és jelzések és azonosító jelek. A jármű gyártója határozza meg az alkalmazott referenciajel típusát és az egyes jelek függőleges (Z) helyzetét a talajhoz képest a 2.3. pontban meghatározott üzemi feltételek szerint. E jeleket úgy kell kiválasztani, hogy lehetővé tegyék a jármű elülső és hátulsó menetmagasságának és a jármű helyzetének könnyű ellenőrzését.
Amennyiben az elsődleges referenciajelek ± 25 mm-re vannak a függőleges (Z) tengely tervezési helyzetétől, akkor a tervezési helyzetet kell a normál menetmagasságnak tekinteni. Ha ez a feltétel nem teljesül, vagy a járművet kell a tervezési helyzete szerinti magasságba állítani, vagy minden további mérést úgy kell kiigazítani és a vizsgálatokat úgy kell elvégezni, mintha a jármű a tervezési helyzetében lenne.
2.3. "Normál menethelyzet": a jármű azon állapota, amikor a talajon menetkész állapotban van, a gumiabroncsokat a javasolt nyomásra pumpálták fel, az első kerekek egyenes helyzetben vannak, a járművet a működéséhez szükséges összes folyadékkal teljesen feltöltötték, a jármű gyártója által szállított minden szériafelszerelés a helyén van, a járművezető ülését, illetve az első utasülést egyenként 75 kg tömeggel terhelték, és a felfüggesztést a gyártó útmutatásai szerint, 40 km/óra, vagy 35 km/óra menetsebességre állították be, a normál menetfeltételeknek megfelelően (az utóbbi különösen az aktív felfüggesztéssel vagy az automatikus magasságszabályozással rendelkező járműveknél).
2.4. "A talaj referenciavonala": a talajszinttel párhuzamos vízszintes sík, amely a normál menethelyzetben nyugalmi állapotban lévő, sík felületen, kézifékkel rögzített jármű számára a talajszintet képviseli.
2.5. "Lökhárító": a jármű elülső alsó részének külső szerkezeti eleme. Magában foglalja mindazokat a szerkezeteket, melyek célja a jármű védelme valamely más járművel történő kis sebességű frontális ütközés esetén, valamint az e szerkezetre felszerelt bármilyen kiegészítő. A lökhárító referenciamagasságát és oldalsó határait a 2.5.1-2.5.5. pontban meghatározott sarkok és lökhárító-referenciavonalak határozzák meg.
2.5.1. "Lökhárító felső referenciavonala": a gyalogos, illetve a lökhárító közötti jellegzetes érintkezési pontok felső határa. Ez egy 700 mm hosszú egyenes mérőrúd és a lökhárító felső érintkezési pontja közötti mértani vonal, amikor a mérőrudat a jármű függőleges hosszanti síkjával párhuzamosan helyezik el, és 20o-os szögben hátrafelé megdöntik, miközben keresztirányban végigvezetik a jármű elülső felületén úgy, hogy folyamatosan érintkezik a lökhárító felületével és a talajjal (lásd az 1a. ábrát).
Ha szükséges, a mérőrudat meg kell rövidíteni, hogy ne érintkezzen a lökhárító fölötti szerkezeti elemekkel.
2.5.2. "A lökhárító alsó referenciavonala": a gyalogos és a lökhárító közötti jellegzetes érintkezési pontok alsó határa. Ez egy 700 mm hosszú egyenes mérőrúd és a lökhárító alsó érintkezési pontja közötti mértani vonal, amikor a mérőrudat a jármű függőleges hosszanti síkjával párhuzamosan helyezik el, 25o-os szögben előre megdöntik, miközben keresztirányban végigvezetik a jármű elülső felületén úgy, hogy folyamatosan érintkezik a lökhárító felületével és a talajjal (lásd az 1b. ábrát).
2.5.3. "A lökhárító magassága felül": a talaj és a lökhárító 2.5.1. pontban meghatározott felső referenciavonala közötti függőleges távolság, a jármű normál menethelyzetében mérve.
2.5.4. "A lökhárító magassága alul": a talaj és a lökhárító 2.5.2. pontban meghatározott alsó referenciavonala közötti függőleges távolság, a jármű normál menethelyzetében mérve.
2.5.5. "A lökhárító sarokpontja": a jármű és egy olyan függőleges sík közötti érintkezési pont, amely a jármű függőleges hosszanti síkjával 60o-os szöget zár be, és érinti a lökhárító külső felületét (lásd a 2. ábrát).
2.5.6. "A lökhárító harmada": a 2.5.5. pontban meghatározott "a lökhárító sarokpontjai" közötti, a lökhárító külső kontúrját követő, rugalmas mérőszalaggal mért mértani vonal egyharmada.
2.6. "A lökhárító kinyúlása": a jármű bármely hosszanti profiljára nézve a lökhárító 2.5.1. pontban meghatározott felső referenciavonala és a motorházfedél 2.9.2. pontban meghatározott elülső élének referenciavonala közötti vízszintes távolság.
2.7. "Elülső felső felület": a szélvédő és az A-oszlopok előtt található valamennyi külső szerkezeti elem felső felülete. Ez magában foglalja többek között a motorházfedelet, a sárvédőket, a széljáratot, az ablaktörlő tengelyét és a szélvédő alsó keretét.
2.8. "1 000 mm-es kifejtett hossz": az a mértani vonal, amelyet az elülső felső felületen egy 1 000 mm hosszú rugalmas mérőszalag egyik vége ír le, amikor azt a jármű függőleges hosszanti síkjában a motorházfedél elülső részén és a lökhárítón vezetik végig. A mérőszalagot a művelet során kifeszítve kell tartani úgy, hogy egyik vége a talajjal érintkezzen függőlegesen a lökhárító elülső éle alatt, és a másik vége az elülső felső felülettel érintkezzék (lásd a 3. ábrát). A járműnek normál menethelyzetben kell lennie.
Hasonló eljárást kell folytatni megfelelő hosszúságú mérőszalagok segítségével az 1 500 mm-es és a 2 100 mm-es kifejtett hossz meghatározásához.
2.9. "Motorházfedél felső felülete": az a), b) és c) pont szerinti egyenesek által határolt terület a következők szerint:
a) a motorházfedél 2.9.2. pontban meghatározott elülső élének referenciavonala;
b) a motorházfedél 2.9.4. pontban meghatározott oldalsó referenciavonala;
c) a motorházfedél 2.9.7. pontban meghatározott hátsó referenciavonala.
2.9.1. "Motorházfedél elülső éle": a jármű elülső felső részén található külső szerkezeti elem, amely magában foglalja a motorházfedelet és a sárvédőket, a fényszóróház felső és oldalsó részeit és bármely egyéb csatlakozó elemet. Az elülső él helyzetét meghatározó referenciavonalat annak a talajtól mért magassága, és a lökhárítótól (a lökhárító kinyúlásától) a 2.6., 2.9.2. és 2.9.3. pont szerint meghatározott vízszintes távolsága határozza meg.
2.9.2. "A motorházfedél elülső élének referenciavonala": egy 1 000 mm hosszú egyenes mérőrúd és a motorházfedél elülső felülete közötti mértani vonal, amikor a mérőrudat a jármű függőleges hosszanti síkjával párhuzamosan helyezik el, hátrafelé 50o-os szögben megdöntik, miközben a mérőrúd alsó vége a talajtól 600 mm-re van, és azt végigvezetik a jármű elülső felületén úgy, hogy folyamatosan érintkezik a motorházfedél elülső élével (lásd a 4. ábrát). Olyan járműveknél, amelyeknél a motorházfedél felső felülete lényegében 50o-os szöget zár be úgy, hogy az egyenes mérőrúd egy egyenes mentén felfekszik, vagy több helyen is érintkezik, a referenciavonalat úgy kell meghatározni, hogy a mérőrúd 40o-os szöget zárjon be. Az olyan kialakítású járműveknél, amelyeknél az egyenes mérőrúd alsó vége meghatározott oldalsó pozícióban először a járművel érintkezik, az adott helyzetben e pontot kell a motorházfedél elülső éle referenciavonalának tekinteni. Az olyan kialakítású járműveknél, amelyeknél az egyenes mérőrúd felső vége meghatározott oldalsó pozícióban először a járművel érintkezik, az adott oldalsó helyzetben a 2.8. pontban meghatározott 1 000 mm-es kifejtett hossz mértani vonalát kell a motorházfedél elülső éle referenciavonalának tekinteni.
Ha az eljárás során az egyenes mérőrúd érintkezésbe lép a lökhárító felső élével, akkor azt is a motorházfedél elülső élének kell tekinteni.
2.9.3. "Motorházfedél elülső élének magassága": a jármű bármely szakaszára a talaj és a 2.9.2. pontban meghatározott motorházfedél elülső élének referenciavonala közötti függőleges távolság, miközben a jármű normál menethelyzetben található.
2.9.4. "Motorházfedél oldalsó referenciavonala": egy 700 mm hosszú egyenes mérőrúd és a motorházfedél oldala közötti legmagasabb érintkezési pontok mértani vonala, amikor a mérőrudat a jármű függőleges keresztirányú síkjával párhuzamosan, 45o-os szögben befelé megdöntik, és hosszirányban végigvezetik a motorházfedél felső felületének oldalán, és az végig érintkezik a karosszéria felületével (lásd az 5. ábrát).
2.9.5. "Sarok-referenciapont": a motorházfedél elülső élének referenciavonalának és a motorházfedél oldalsó referenciavonalának metszéspontja (lásd a 6. ábrát).
2.9.6. "A motorházfedél elülső élének harmada": a 2.9.5. pontban meghatározott sarok-referenciapontok között az elülső él külső kontúrját követő rugalmas mérőszalaggal mért mértani vonal, amelyet három egyenlő részre osztottak.
2.9.7. "Motorházfedél hátsó referenciavonala": egy gömb és a 2.7. pontban meghatározott felület közötti leghátsó érintkezési pontok mértani vonala, amikor a gömböt keresztirányban végigvezetik a motorházfedél felső felületén, miközben folyamatosan érintkezik a szélvédővel (lásd a 7. ábrát). Az eljáráshoz az ablaktörlőlapátokat és karokat el kell távolítani. Az irányelv I. mellékletének 3.1. pontjában leírt vizsgálatoknál a gömb átmérője 165 mm. Az irányelv I. mellékletének 3.2. pontjában leírt vizsgálatoknál a gömb átmérője 165 mm, ha a jármű középvonalán az alsó szélvédőkeret 2.8. pontban meghatározott kifejtett hossza a talajtól legalább 1 500 mm vagy ennél nagyobb, és a gömb átmérője 130 mm, ha ez a kifejtett hossz 1 500 mm-nél kisebb. Ha a motorházfedél hátsó referenciavonalának kifejtett hossza a talajtól több mint 2 100 mm, a motorházfedél hátsó referenciavonalát a 2.8. pontban meghatározott 2 100 mm-es kifejtett hossz vonala határozza meg. Ha a motorházfedél hátsó referenciavonala és a motorházfedél oldalsó referenciavonalai nem metszik egymást, a motorházfedél hátsó referenciavonalát a 2.9.9. pontban leírt eljárásnak megfelelően ismételten meg kell határozni.
2.9.8. "A motorházfedél felső felületének harmada": a motorházfedélnek a 2.9.4. pontban meghatározott oldalsó referenciavonalai közötti szakasz harmada, amelyet a motorházfedél felső felületének külső kontúrján rugalmas mérőszalaggal mértek.
2.9.9. "A motorházfedél hátsó referenciavonalának és oldalsó referenciavonalának metszéspontja": ha a motorházfedél hátsó és oldalsó referenciavonala nem metszik egymást, abban az esetben motorházfedél hátsó referenciavonalának végső szakaszát egy 100 mm sugarú, félkör alakú sablon segítségével újra meg kell határozni. A sablont vékony, rugalmas, bármilyen irányban egyenletesen hajlítható anyagból kell készíteni. Lehetőség szerint a sablon viselje el a kettős vagy komplex görbületet törés és gyűrődés nélkül. A javasolt anyag vékony műanyaglap habosított hátfelülettel, amely lehetővé teszi, hogy a sablon ne csússzon meg a jármű felületén. A sablont egy síkfelületen elhelyezve, a 8. ábra szerint négy ponton - "A"-tól "D"-ig - jelölni kell.
A sablont úgy kell a járművön elhelyezni, hogy az "A" és "B" pontok az oldalsó referenciavonalon feküdjenek. A sablont fokozatosan hátrafelé kell csúsztatni mindaddig, amíg a sablon íve érintkezésbe lép a motorházfedél hátsó referenciavonalával, biztosítva, hogy ez a két pont végig az oldalsó referenciavonalon maradjon. A folyamat során a sablont meg kell görbíteni, hogy az a lehető legszorosabban kövesse a jármű motorházfedele felső felületének külső kontúrját anélkül, hogy eltörne vagy meggyűrődne. Ha a sablon és a motorházfedél hátsó referenciavonala közti érintkezési pont kívül esik a sablon "C" és "D" pontjai által meghatározott íven, abban az esetben a motorházfedél hátsó referenciavonalát a 9. ábrának megfelelően úgy kell módosítani, hogy az kövesse a sablon ívét, amíg a motorházfedél oldalsó referenciavonalát eléri.
Ha a sablon "A" és "B" pontjai egyidejűleg nem maradhatnak a motorházfedél oldalsó referenciavonalán, miközben a sablon íve érinti a motorházfedél hátsó referenciavonalát, vagy a motorházfedél hátsó referenciavonala és a sablon érintkezési pont belül esik a "C" és "D" pontjai által meghatározott íven, abban az esetben további sablonokat kell alkalmazni, amelyek sugarát 20 mm-es lépésekben növelni kell mindaddig, ameddig a fenti feltételek teljesülnek.
Ha a motorházfedél hátsó referenciavonalát újra meghatározták, e referenciavonal az összes vizsgálat alapjául szolgál, és az eredeti vonalat nem kell figyelembe venni.
2.10. "A fej terhelési kritériuma (HPC)": a fej terhelésének mértéke, és az alábbi egyenlet segítségével számítható ki, a t1-t2 időintervallumban a gyorsulásmérő által jelzett legnagyobb gyorsulás alapján:

ahol "a" az eredő gyorsulás "g"-ben, és t1, illetve t2 az a (másodpercben kifejezett) két időbeli pillanat az ütközés során, amely meghatározza azt az időintervallumot, amikor a HPC értéke a legnagyobb. A legnagyobb érték számításánál azokat a HPC-értékeket, amelyeknél a (t1-t2) időintervallum nagyobb, mint 15 ms, figyelmen kívül kell hagyni.
2.11. "Szélvédő": a járműnek a 76/649/EGK irányelv I. melléklete összes vonatkozó követelményének megfelelő üvegezett elülső felülete.
2.11.1. "Szélvédő hátsó referenciavonala": egy gömb és a 2.11. pontban meghatározott szélvédő közötti érintkezési pontok mértani vonala, amikor a 165 mm átmérőjű gömböt keresztirányban végigvezetik a szélvédő felső keretén, beleértve az esetleges díszítőelemet, miközben az végig érintkezik a szélvédővel (lásd a 10. ábrát).
1a. ábra
A lökhárító felső referenciavonlának (BR) meghatározása

1b. ábra
A lökhárító alsó referenciavonlának (LBR) meghatározása

2. ábra
A lökhárító sarokpontjának meghtározása

3. ábra
A kifejtett hossz meghtározása

4. ábra
A motorházfedél elülső éle referenciavonlának meghatározása

5. ábra
A motorházfedél oldalsó referenciavonlának meghatározása

6. ábra
referencia sarokpont meghatározása; a motorházfedél elülső éle referenciavonlának és oldalsó referenciavonlának metszéspontja

7. ábra
A motorházfedél hátsó referenciavonlának meghatározása

8. ábra
A motorházfedél hátsó és oldalsó referenciavonalainak ősszekőtésére alkalmazott sablonterv és jelőlések

9. ábra
A motorházfedél hátsó sarkának felülnézete-a motorházfedél hátsó referenciavonala befejező szakaszának üjra-meghatározása félkőr alaskú sablon segitésével

10. ábra
A szélvédő hátsó referenciavonlának meghatározása

II. RÉSZ
I. FEJEZET
Általános feltételek
1. Teljes jármű
1.1. A teljes járműveken végzett vizsgálatoknál be kell tartani az 1.1.1., 1.1.2. és 1.1.3. pontban részletezett feltételeket.
1.1.1. A járműnek normál menethelyzetben kell lennie, és azt vagy biztonságosan megemelt bakra kell szerelni, vagy rögzített kézifékkel sík felületre kell állítani.
1.1.2. A megfelelő vizsgálat előtt a veszélyeztetett úthasználók védelmét szolgáló összes berendezést rendeltetésszerűen aktiválni kell, illetve annak aktívnak kell maradnia a vizsgálat alatt. A jóváhagyást kérelmező feladata annak igazolása, hogy a berendezések a tervezettnek megfelelően működnek a gyalogossal való ütközés során.
1.1.3. A járműnek minden olyan elemét, amely megváltoztathatja alakját vagy helyzetét, mint például a kiemelkedő fényszórók, a gyalogosvédelmet szolgáló aktív berendezések kivételével olyan alakra vagy helyzetbe kell állítani, amit a vizsgáló intézetek a gyártóval konzultálva a vizsgálat céljára a legmegfelelőbbnek tartanak.
2. Jármű részrendszerei
2.1. Amikor a járműnek csak valamely részrendszerét biztosítják a vizsgálatokra, annak meg kell felelnie a 2.1.1., 2.1.2., 2.1.3. és 2.1.4. pontban részletezett feltételeknek.
2.1.1. A jármű szerkezetének minden olyan részét, és a jármű motorházfedele alatti, illetve a szélvédő mögötti alkatrészeket, amelyek részesei lehetnek a veszélyeztetett úthasználóval való frontális ütközésnek, be kell vonni a vizsgálatba, hogy a jármű összes, ütközésben érintett alkatrészének viselkedését és egymásra hatását szemléltessék.
2.1.2. A jármű részrendszerét a jármű normál menethelyzetében szilárdan fel kell szerelni.
2.1.3. A megfelelő vizsgálat előtt a veszélyeztetett úthasználók védelmét szolgáló összes berendezést rendeltetésszerűen aktiválni kell, illetve annak aktívnak kell maradnia a vizsgálat alatt. A jóváhagyást kérelmező feladata annak igazolása, hogy a berendezések a tervezettnek megfelelően működnek a gyalogossal való ütközés során.
2.1.4. A járműnek minden olyan alkatrészét, amely megváltoztathatja alakját vagy helyzetét, mint például a kiemelkedő fényszórók, a gyalogosvédelmet szolgáló aktív berendezések kivételével olyan alakra vagy helyzetbe kell állítani, amelyet a vizsgáló intézetek a gyártóval konzultálva a vizsgálat céljára a legmegfelelőbbnek tartanak.
II. FEJEZET
A lábformájú próbatestnek a lökhárítóval való ütközéses vizsgálata
1. Hatály
E vizsgálati eljárás megfelel a 2003/102/EK irányelv I. mellékletének 3.1. és 3.2. pontjában foglalt előírásoknak.
2. Általános
2.1. A lökhárítóval való ütközéses vizsgálatoknál a lábformájú próbatest az ütközés pillanatában szabadon leng. A próbatestet a járműtől olyan távolságra kell a szabad lengéshez gyorsítani, hogy a próbatest visszatérése során a katapultberendezéssel történő ütközés a vizsgálati eredményeket ne befolyásolja.
2.2. A próbatest katapultálható nagynyomású levegővel, hidraulikával vagy rugóerővel, vagy bármilyen más, ugyanolyan eredményt biztosító módon.
3. Vizsgálati előírások
3.1. A vizsgálat célja a 2003/102/EK irányelv I. mellékletének 3.1.1.1. és 3.2.1.1. pontjában meghatározott követelmények teljesítésének igazolása.
3.2. Legalább három olyan vizsgálatot kell végezni, amelynek során a lábformájú próbatest a lökhárítóval ütközik, egyet-egyet a lökhárító középső, illetve két külső harmadán olyan helyzetben, amely előreláthatóan a legnagyobb valószínűséggel sérülést okoz. Amennyiben a lökhárító szerkezete a teljes vizsgált területen változik, a vizsgálatokat a különféle szerkezetekre el kell végezni. A kiválasztott vizsgálati pontoknak egymástól legalább 132 mm távolságra, és a lökhárító sarokpontjaitól befelé legalább 66 mm távolságra kell lenniük. Ezeket a legkisebb távolságokat feszesen tartott, rugalmas mérőszalaggal kell a jármű külső felületén meghatározni. A laboratóriumok által vizsgált helyzeteket a vizsgálati jelentésben jelölni kell.
3.3. A gyártók eltérő szabályozást kérhetnek, hogy a leszerelhető vonóhorgot a vizsgálat idejére elhagyhassák.
3.4. Vizsgálati módszer
3.4.1. Vizsgálóberendezés
3.4.1.1. A lábformájú próbatest két, habosított műanyaggal burkolt merev csődarabból áll, amelyek a combcsontot (combi rész) és a lábszárat (sípcsonti rész) képviselik, és amelyeket alakítható szimulált térdcsukló köt össze. A próbatest teljes hossza 926 ± 5 mm, előírt vizsgálati tömege 13,4 ± 0,2 kg, és meg kell felelnie e fejezet 4. pontjának és e rész 1. ábrájának. A próbatesthez a katapultálás érdekében rögzített konzolok, csigák stb. az 1. ábrában bemutatott méreteket megnövelhetik.
3.4.1.2. A térdhajlítási szögnek és a térd nyírási elmozdulásának mérésére megfelelő mérésiadat-rögzítőt kell beépíteni. A sípcsont ütközéssel ellentétes oldalára, a térdcsuklóhoz közel egytengelyű gyorsulásmérőt kell felszerelni úgy, hogy érzékeny tengelye az ütközés irányában legyen.
3.4.1.3. A mérőműszerek CFC-válaszértéke az ISO 6487:2000 szabványban meghatározottak szerint minden mérésiadat-rögzítőre 180. Az ISO 6487:2000 szabványban meghatározott CAC-válaszérték 50o a térdhajlítási szögre, 10 mm a nyírási elmozdulásra, és 500 g a gyorsulásra. Ez nem írja elő, hogy a próbatest maga legyen képes ilyen elhajlásra, illetve megfelelő nyírási elmozdulásokra.
3.4.1.4. A próbatestnek teljesítenie kell az I. függelék 2. pontjában meghatározott előírásokat; azt fel kell szerelni ugyanabból a tételből származó deformálható térdelemekkel, mint amiket a tanúsítási vizsgálatok során felhasználtak. A próbatestet legfeljebb négy, ugyanabból a gyártási tételből származó (a habosított műanyag egy tömbjéből vagy kötegéből kivágott) Confor habosított műanyag "hús" anyagból készült lappal kell burkolni, feltéve hogy az ilyen lapokból származó habosított műanyagot használták fel a dinamikus tanúsítási vizsgálatnál, és e lapok egyedi tömege a tanúsítási vizsgálatnál alkalmazott lap tömegétől legfeljebb ± 2 %-kal tér el. A tanúsított próbatestet legfeljebb 20 ütközéses vizsgálat után ismét tanúsítani kell. Minden vizsgálathoz új, plasztikusan alakítható térdelemet kell használni. A próbatestet akkor is újra kell tanúsítani, ha több mint egy év telt el az előző tanúsítás óta, vagy ha a próbatest bármelyik mérésiadat-rögzítőjének kimeneti értéke bármelyik ütközésnél meghaladja a meghatározott CAC-értéket.
3.4.1.5. A próbatestet a katapultra a 2.1., illetve a 2.2. pontban meghatározottak szerint kell felszerelni, gyorsítani és kioldani.
3.4.2. Vizsgálati eljárás
3.4.2.1. A jármű vagy részrendszere állapotának meg kell felelnie e rész I. fejezete előírásainak. A vizsgálati berendezés és a jármű, illetve a részrendszer stabilizált hőmérsékletének 20 °C ± 4 °C-nak kell lennie.
3.4.2.2. A lökhárítón a vizsgálatokat a 3.2. pontban meghatározott helyeken kell elvégezni.
3.4.2.3. Az ütközés sebességvektora irányának vízszintesnek és a jármű hosszanti függőleges síkjával párhuzamosnak kell lennie. Az első ütközés pillanatában a sebességvektor iránya a vízszinteshez és a hosszanti síkhoz képest ± 2o-kal térhet el.
A próbatest tengelye hossz- és keresztirányban ± 2o-os tűréshatárral térhet el a vízszintes síktól. A vízszintes hossz- és keresztirányú síkok egymáshoz képest derékszögűek (lásd a 3. ábrát).
3.4.2.4. A próbatest alsó végének a lökhárítóval való első ütközés pillanatában ± 10 mm-es tűréshatárral a talaj referenciasíkjában kell lennie (lásd a 2. ábrát).
A katapultrendszer magasságának beállításakor figyelembe kell venni a gravitációs erő hatását a próbatest szabadlengésének időtartama során.
Az első ütközés pillanatában a térdcsukló megfelelő működésének érdekében a próbatestnek ± 5o-os tűréshatárral tartania kell a függőleges tengelyhez képest tervezett irányát (lásd a 3. ábrát).
3.4.2.5. Az első ütközés pillanatában a próbatest középvonala a kiválasztott ütközési ponttól legfeljebb ± 10 mm-rel térhet el.
3.4.2.6. A jármű és a próbatest közötti érintkezés során a próbatest nem érintkezhet a talajjal vagy bármilyen más olyan tárggyal, amely nem része a járműnek.
3.4.2.7. Ütközéskor a próbatest ütközési sebessége 11,1 ± 0,2 m/s. A gravitációs erő hatását akkor kell figyelembe venni, ha az ütközési sebességet az első ütközés pillanatát megelőző mérésekből nyerik.
4. Lábformájú próbatest
4.1. A combcsont és a sípcsont átmérője 70 ± 1 mm, és mindkettőt el kell látni habosított műanyag "hús" és "bőr" burkolattal. A habosított műanyag "hús" 25 mm vastagságú Confor CF-45 típusú habosított műanyag. A "bőr" neoprén habosított műanyagból készül, mindkét oldalán 0,5 mm vastag nejlonszövettel burkolva, teljes vastagsága 6 mm.
4.2. A "térd középpontja" az a pont, ahol a térd ténylegesen meghajlik.
A "combcsont": mindazok az elemek vagy elemrészek (beleértve a "húst", illetve "bőr" burkolatot, a lökéscsillapítót, a mérőműszereket és a próbatest katapultálása érdekében rögzített konzolokat, csigákat stb.), amelyek a térd középpontja felett helyezkednek el.
A "sípcsont": mindazok az elemek vagy elemrészek (beleértve a "húst", illetve "bőr" burkolatot, a lökéscsillapítót, a mérőműszereket és a próbatest katapultálása érdekében rögzített konzolokat, csigákat stb.), amelyek a térd középpontja alatt helyezkednek el. Meg kell jegyezni, hogy a sípcsont itt meghatározott tömegét a lábfej stb. figyelembevételével határozták meg.
4.3. A combcsont és a sípcsont teljes tömege 8,6 ± 0,1 kg, illetve 4,8 ± 0,1 kg, és a próbatest teljes tömege 13,4 ± 0,2 kg.
A combcsont, illetve a sípcsont súlypontja a térd középpontjától 217 ± 10 mm-re, illetve 233 ± 10 mm-re van.
A combcsont és a sípcsont tehetetlenségi nyomatéka a vízszintes tengelyre, amely áthalad a combcsont, illetve a sípcsont súlypontján és amely merőleges az ütközés irányára, 0,127 ± 0,010 kg/m2, illetve 0,120 ± 0,010 kg/m2.
4.4. A sípcsont ütközéssel ellentétes oldalára egytengelyű gyorsulásmérőt kell felszerelni a térdcsukló középpontja alatt 66 ± 5 mm-re, amelynek érzékeny tengelye az ütközés irányában van.
4.5. A próbatestet fel kell szerelni a combcsont és sípcsont közötti hajlítási szög és a nyírási elmozdulás méréséhez szükséges mérőműszerekkel.
4.6. A nyírási elmozdulási rendszerre lökésgátlót kell felszerelni, amely a próbatest hátsó oldalán vagy azon belül bármely ponton rögzíthető. A lökésgátlónak olyan tulajdonságokkal kell rendelkeznie, hogy a próbatest megfeleljen mind a statikus, mind a dinamikus nyírási elmozdulási követelményeknek, és megakadályozza a nyírási elmozdulási rendszer túlzott rezgését.
1. ábra
Lábformájú, habosított múanyaggal és neopréen "börrel" burkolt próbatest

2. ábra
Vizsgálat lábformájú próbatesttel teljes jármúvön, normá menethelyzetben (balra), illevetve állított teljes jármúvön vagy alrendszeren (jobbra)

3. ábra
A lábformájú próbatest kitérési szögének türéshatárai az első ütközéskor

III. FEJEZET
A csípőformájú próbatestnek a lökhárítóval való ütközéses vizsgálata
1. Hatály
E vizsgálati eljárás megfelel a 2003/102/EK irányelv I. mellékletének 3.1. és 3.2. pontjában foglalt előírásoknak.
2. Általános
2.1. A lökhárítóval való ütközéses vizsgálatoknál a csípőformájú próbatestet nyomatékhatárolóval kell a katapultberendezésre szerelni, hogy megakadályozzák a vezetőrendszernek a nagy egyoldalú terhelés okozta károsodását. A vezetőrendszert kis súrlódású vezetőelemekkel kell ellátni, amelyek a tengelyirányútól eltérő terheléstől függetlenül biztosítják, hogy a próbatest a járművel való érintkezéskor ne térjen el a meghatározott ütközési iránytól. A vezetők minden más irányban megakadályozzák az elmozdulást, beleértve a bármilyen tengely körüli forgómozgást.
2.2. A próbatest katapultálható nagynyomású levegővel, hidraulikával vagy rugóerővel vagy bármilyen más, ugyanolyan eredményt biztosító módon.
3. Vizsgálati előírások
3.1. A vizsgálat célja a 2003/102/EK irányelv I. melléklete 3.1.1.2. és 3.2.1.2. pontjában meghatározott követelmények teljesítésének igazolása.
3.2. A csípőformájú próbatestnek a lökhárítóval való ütközéses vizsgálatát e rész II. fejezetének 3.2. pontjában meghatározott vizsgálati helyzetekben kell elvégezni, ha a vizsgálati helyzetben a lökhárító alsó magassága több mint 500 mm, és a gyártó a lábformájú próbatesttel végzett vizsgálat helyett a csípőformájú próbatesttel végzett vizsgálatot választja. Kivételes esetekben és kizárólag az irányelv I. mellékletének 3.1.1.2. pontja szerinti vizsgálatra, a gyártók eltérő szabályozást kérhetnek a lökhárító 500 mm-nél kisebb alsó magassága esetén is.
3.3. A gyártók eltérő szabályozást kérhetnek, hogy a leszerelhető vonóhorgot a vizsgálat idejére elhagyhassák.
3.4. Vizsgálati módszer
3.4.1. Vizsgálóberendezés
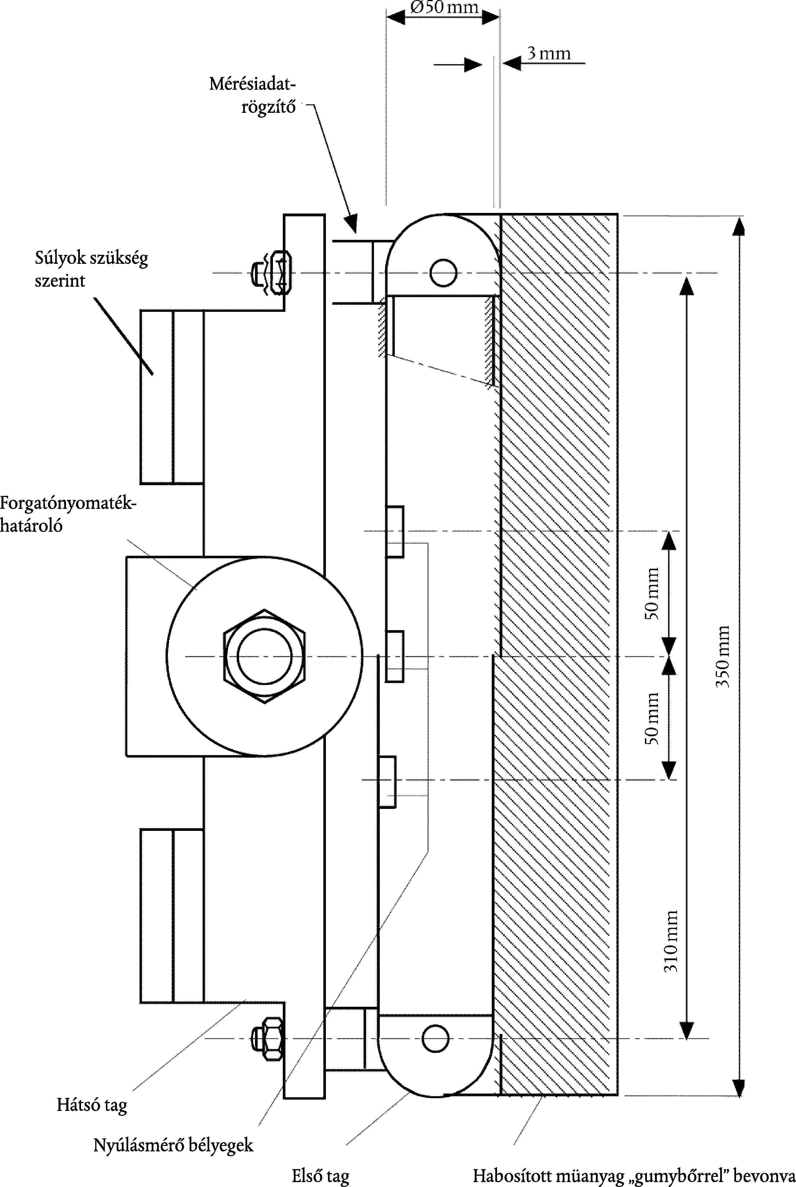
3.4.1.1. A csípőformájú próbatest merev, az ütközési oldalon habosított műanyaggal burkolt, 350 ± 5 mm hosszú, és meg kell felelnie e fejezet 4. pontjának és e rész 4a. ábrájának.
3.4.1.2. A csípőformájú próbatest két végén fellépő erők mérésére két független mérésiadat-rögzítőt kell felszerelni, valamint a csípőformájú próbatest középpontjában, illetve a középvonaltól mindkét oldalán 50-50 mm-re a hajlítónyomatékokat mérő nyúlásmérő bélyegeket kell elhelyezni (lásd a 4a. ábrát).
3.4.1.3. A mérőműszerek CFC-válaszértéke az ISO 6487:2000 szabványban meghatározottak szerint minden mérésiadat-rögzítőre 180. Az ISO 6487:2000 szabványban meghatározott CAC-válaszérték 10 kN az erő rögzítésére, és 1 000 Nm a hajlítónyomaték mérésére.
3.4.1.4. A csípőformájú próbatestnek teljesítenie kell az I. függelék 3. pontjában meghatározott előírásokat, és olyan habosított műanyaggal kell burkolni, amelyet a dinamikus tanúsítási vizsgálatokra használt műanyaglapból vágtak ki. A tanúsított próbatestet legfeljebb 20 ütközéses vizsgálat után ismét tanúsítani kell (e határérték nem vonatkozik a meghajtó és vezető elemekre). A próbatestet akkor is újra kell tanúsítani, ha több mint egy év telt el az előző tanúsítás óta, vagy ha a próbatest bármelyik mérésiadat-rögzítőjének kimeneti értéke bármelyik ütközésnél meghaladja a meghatározott CAC-értéket.
3.4.1.5. A csípőformájú próbatestet a katapultra a 2.1., illetve a 2.2. pontban meghatározottak szerint kell felszerelni, gyorsítani és kioldani.
3.4.2. Vizsgálati eljárás
3.4.2.1. A jármű vagy részrendszere állapotának meg kell felelnie e rész I. fejezete előírásainak. A vizsgálati berendezés és a jármű, illetve részrendszere stabilizált hőmérséklete 20 °C ± 4 °C.
3.4.2.2. A lökhárítón a vizsgálatokat a 3.2. pontban meghatározott helyeken kell elvégezni.
3.4.2.3. Az ütközés irányának vízszintesnek és a jármű hossztengelyével párhuzamosnak kell lennie úgy, hogy a csípőformájú próbatest tengelye az első ütközés pillanatában függőleges legyen. Az erre a két irányra vonatkozó tűréshatár ± 2o. Az első ütközés pillanatában a próbatest középvonalának ± 10 mm tűréshatárral a lökhárító felső és alsó referenciavonal közötti távolság felénél kell lennie, és oldalirányban a kiválasztott ütközési ponttól legfeljebb ± 10 mm-rel térhet el.
3.4.2.4. A lökhárítóval való ütközéskor a csípőformájú próbatest ütközési sebességének 11,1 ± 0,2 m/s-nek kell lennie.
4. A csípőformájú próbatest
4.1. A csípőformájú próbatest teljes tömege, beleértve azokat a meghajtó, illetve vezető elemeket, amelyek az ütközéskor a próbatest tényleges részét képezik, 9,5 kg ± 0,1 kg. A csípőformájú próbatest tömege ettől az értéktől ± 1 kg-mal eltérhet, feltéve hogy az alábbi képletnek megfelelően az előírt ütközési sebességet is kiigazítják:

ahol:
V = ütközési sebesség (m/s)
M = tömeg (kg), ± 1 %-nál jobb pontossággal.
4.2. Az elülső rész és az adatrögzítő csoport előtt lévő egyéb elemek össztömege, beleértve az adatrögzítő aktív elemei előtt lévő részeket, de a habosított műanyag és a "bőr" kivételével, 1,9 ± 0,05 kg.
4.3. A habosított műanyag bevonat két, 25 mm vastagságú ConforTM CF-45 típusú habosított műanyag lemez. A "bőr" 1,5 mm vastagságú, szálerősítésű gumilap. A habosított műanyag és a gumi "bőr" együttes tömege 0,6 ± 0,1 kg (ebbe nem tartoznak bele az esetleges erősítések, szerelvények stb., amelyek segítségével a gumi "bőr" szegélyét a próbatest hátsó részéhez erősítik). A habosított műanyagot és a gumi "bőrt" hátrafelé vissza kell hajtani, és a gumi "bőrt" a hátsó részhez távtartók segítségével úgy kell rögzíteni, hogy oldalai párhuzamosak maradjanak. A habosított műanyagnak olyan méretűnek és formájúnak kell lennie, hogy elegendő rés maradjon a habosított műanyag és az első rész mögötti elemek között, hogy el lehessen kerülni a lényeges átterhelést a habosított műanyag és az ilyen elemek között.
4.4. Az első részt fel kell szerelni nyúlásmérő bélyegekkel a hajlítónyomaték három külön csatornán történő méréséhez, a 4a. ábrának megfelelően. A nyúlásmérő bélyegeket a próbatest első részének hátoldalán kell elhelyezni. A két külső nyúlásmérő bélyegnek a próbatest szimmetriatengelyétől számított 50 ± 1 mm-re kell lennie. A középső nyúlásmérő bélyeget a szimmetriatengelyen kell elhelyezni, ± 1 mm tűréshatárral.
4.5. A nyomatékhatárolót úgy kell beállítani, hogy a próbatest első része hossztengelye ± 2o tűréshatárral merőleges legyen a vezetőrendszer tengelyére, és a csukló súrlódási forgatónyomatékát legalább 650 Nm-re kell beállítani.
4.6. A próbatest azon részei súlypontjának, amelyek ténylegesen a nyomatékhatároló előtt vannak, beleértve az esetlegesen felszerelt súlyokat, ± 10 mm tűréshatárral a próbatest hossztengelyében kell lennie.
4.7. A terhelésiadat-rögzítők középtengelye közötti távolság 310 ± 1 mm, a próbatest elülső részének átmérője 50 ± 1 mm.
4a. ábra
Csípőformájú próbatest

IV. FEJEZET
A csípőformájú próbatestnek a motorházfedél elülső élével való ütközéses vizsgálata
1. Hatály
E vizsgálati eljárás megfelel a 2003/102/EK irányelv I. mellékletének 3.1. és 3.2. pontjában foglalt előírásoknak.
2. Általános
2.1. A motorházfedél elülső élével való ütközéses vizsgálatokhoz a csípőformájú próbatestet nyomatékhatárolóval kell a katapultberendezésre szerelni, hogy megakadályozzák a vezetőrendszernek a nagy egyoldalú terhelés okozta károsodását. A vezetőrendszert kis súrlódású vezetőelemekkel kell ellátni, amelyek a tengelyirányútól eltérő terheléstől függetlenül biztosítják, hogy a próbatest a járművel való érintkezéskor ne térjen el a meghatározott ütközési iránytól. A vezetőelemeknek minden más irányban meg kell akadályozniuk az elmozdulást, beleértve a bármilyen tengely körüli forgómozgást.
2.2. A próbatest katapultálható nagynyomású levegővel, hidraulikával vagy rugóerővel vagy bármilyen más, ugyanolyan eredményt biztosító módon.
3. Vizsgálati előírások
3.1. A vizsgálat célja a 2003/102/EK irányelv I. mellékletének 3.1.3. és 3.2.3. pontjában meghatározott követelmények teljesítésének igazolása.
3.2. A csípőformájú próbatestnek a motorházfedél elülső élével való ütközéses vizsgálatát legalább három alkalommal kell elvégezni, egyet-egyet a motorházfedél elülső éle közepén, illetve két külső harmadán olyan helyzetben, amely előreláthatóan a legnagyobb valószínűséggel sérülést okoz. Azonban minden harmad vizsgálati pontját úgy kell kiválasztani, hogy az ütközésre a 3.4.2.7. pontban meghatározott előírt kinetikus energia meghaladja a 200 J-t, ha van ilyen pont. Amennyiben a szerkezet a teljes vizsgált területen változik, a vizsgálatokat a különféle szerkezetekre el kell végezni. A kiválasztott vizsgálati pontoknak egymástól legalább 150 mm távolságra, és a lökhárító sarokpontjaitól befelé legalább 75 mm-re kell lenniük. Ezeket a legkisebb távolságokat feszesen tartott, rugalmas mérőszalaggal kell a jármű külső felületén meghatározni. A laboratóriumok által vizsgált helyeket a vizsgálati jelentésben meg kell jelölni.
3.3. A sorozatban gyártott járművek elején található alkatrészeknek a helyükön kell lenniük.
3.4. Vizsgálati módszerek
3.4.1. Vizsgálóberendezés
3.4.1.1. A csípőformájú próbatest merev, az ütközési oldalon habosított műanyaggal burkolt, 350 ± 5 mm hosszú, és meg kell felelnie e fejezet 4. pontjának és e rész 4b. ábrájának.
3.4.1.2. A csípőformájú próbatest tömege a jármű elülső részének alakjától függ, és azt a 3.4.2.7. pont szerint kell meghatározni.
3.4.1.3. A csípőformájú próbatest két végén fellépő erők mérésére két független mérésiadat-rögzítőt kell felszerelni, valamint a csípőformájú próbatest középpontjában, illetve a középvonaltól mindkét oldalán 50-50 mm-re a hajlítónyomatékokat mérő nyúlásmérő bélyegeket kell elhelyezni (lásd a 4b. ábrát).
3.4.1.4. A mérőműszerek CFC-válaszértéke az ISO 6487:2000 szabványban meghatározottak szerint minden mérésiadat-rögzítőre 180. Az ISO 6487:2000 szabványban meghatározott CAC-válaszérték 10 kN az erő rögzítésére, és 1 000 Nm a hajlítónyomaték mérésére.
3.4.1.5. A csípőformájú próbatestnek teljesítenie kell az I. függelék 3. pontjában meghatározott előírásokat, és olyan habosított műanyaggal kell burkolni, amelyet a dinamikus tanúsítási vizsgálatokra használt műanyaglapból vágtak ki. A tanúsított próbatestet legfeljebb 20 ütközéses vizsgálat után ismét tanúsítani kell (ez a határérték nem vonatkozik a meghajtó és vezető elemekre). A próbatestet akkor is újra kell tanúsítani, ha több mint egy év telt el az előző tanúsítás óta, vagy ha a próbatest bármelyik mérésiadat-rögzítőjének kimeneti értéke bármelyik ütközésnél meghaladja a meghatározott CAC-értéket.
3.4.1.6. A csípőformájú próbatestet a katapultra a 2.1., illetve a 2.2. pontban meghatározottak szerint kell felszerelni, gyorsítani és kioldani.
3.4.2. Vizsgálati eljárás
3.4.2.1. A jármű vagy részrendszere állapotának meg kell felelnie e rész I. fejezete előírásainak. A vizsgálati berendezés és a jármű, illetve részrendszere stabilizált hőmérsékletének 20 °C ± 4 °C-nak kell lennie.
3.4.2.2. A motorházfedél elülső élénél a vizsgálatokat a 3.2. pontban meghatározott helyeken, a sarok-referenciapontok között kell elvégezni.
3.4.2.3. A csípőformájú próbatestet úgy kell elhelyezni, hogy a katapultberendezés középvonala és az ütköző csípőformájú próbatest hossztengelye a jármű függőleges hosszirányú középsíkjával párhuzamos legyen. Az ezen irányokra vonatkozó tűréshatár ± 2o. Az első ütközés pillanatában a próbatest középvonalának ± 10 mm tűréshatárral egybe kell esnie a motorházfedél elülső élének referenciavonalával (lásd az 5. ábrát), és oldalirányban a kiválasztott ütközési ponttól legfeljebb ± 10 mm-rel térhet el.
3.4.2.4. Az előírt ütközési sebességet, az ütközés irányát és a csípőformájú próbatest tömegét a 3.4.2.6., illetve a 3.4.2.7. pont szerint kell megállapítani. Az ütközési sebesség tűréshatára ± 0,2, az ütközés irányának tűréshatára ± 2o. A gravitációs erő hatását akkor kell figyelembe venni, ha az ütközési sebességet az első ütközés pillanatát megelőző mérésekből nyerik. A csípőformájú próbatest tömegét ± 1 %-nál nagyobb pontossággal kell mérni, és ha a mért érték eltér az előírt értéktől, az előírt sebességet a 3.4.2.7. pontban meghatározottak szerint ki kell igazítani.
3.4.2.5. A jármű alakjának meghatározása:
3.4.2.5.1. A lökhárító felső referenciavonalának helyzetét az I. rész 2.5.1. pontjában meghatározottak szerint kell megállapítani.
3.4.2.5.2. A motorházfedél elülső élének referenciavonalát az I. rész 2.9.2. pontjában meghatározottak szerint kell megállapítani.
3.4.2.5.3. A motorházfedél elülső élének vizsgálandó szakaszára a motorházfedél elülső éle magasságát és a lökhárító kinyúlását az I. rész 2.9.3. és 2.6. pontjában meghatározottak szerint kell megállapítani.
3.4.2.6. Az előírt ütközési sebességet és az ütközés irányát a motorházfedél elülső éle magasságának és a lökhárító kinyúlásának a 3.4.2.5. pontban meghatározott értékeinek függvényében, a 6. és 7. ábrában megadott diagramok leolvasásával kell megállapítani.
3.4.2.7. A csípőformájú próbatest össztömege magában foglalja azokat a meghajtó, illetve vezető elemeket is, amelyek az ütközéskor a próbatest tényleges részét képezik, beleértve a külön súlyokat.
A csípőformájú próbatest tömegének értéke az alábbi képlettel számítható ki:

ahol:
M = tömeg [kg]
E = ütközési energia [J]
V = sebesség [m/s].
Az előírt sebesség a 3.4.2.6. pontban számított érték, míg az energia értékét a motorházfedél elülső éle magasságának és a lökhárító kinyúlásának a 3.4.2.5. pontban meghatározott értékeinek függvényében, a 8. ábrában megadott diagramok leolvasásával kell megállapítani.
A csípőformájú próbatest tömege ettől az értéktől ± 1 kg-mal eltérhet, feltéve hogy a fenti képlet segítségével az előírt ütközési sebességet is megváltoztatják, hogy a próbatest kinetikus energiája változatlan megmaradjon.
3.4.2.8. A csípőformájú próbatest 3.4.2.7. pontban meghatározott tömegének eléréséhez szükséges súlyok elhelyezhetők a próbatest hátsó részén a 4b. ábra szerint, vagy a vezetőrendszer azon elemein, amelyek az ütközés során a próbatest tényleges részét képezik.
4. Csípőformájú próbatest
4.1. Az elülső rész és az adatrögzítő csoport előtt lévő egyéb elemek össztömege, beleértve az adatrögzítő aktív elemei előtt lévő részeket, de a habosított műanyag és a "bőr" kivételével 1,95 ± 0,05 kg.
4.2. A habosított műanyag bevonat két, 25 mm vastagságú Confor CF-45 típusú habosított műanyag lemez. A "bőr" 1,5 mm vastagságú, szálerősítésű gumilap. A habosított műanyag és a gumi "bőr" együttes tömege 0,6 ± 0,1 kg (ebbe nem tartoznak bele az esetleges erősítések, szerelvények stb., amelyek segítségével a gumi "bőr" szegélyét a próbatest hátsó részéhez erősítik). A habosított műanyagot és a gumi "bőrt" hátrafelé vissza kell hajtani, és a gumi "bőrt" a hátsó részhez távtartók segítségével úgy kell rögzíteni, hogy oldalai párhuzamosak maradjanak. A habosított műanyagnak olyan méretűnek és formájúnak kell lennie, hogy elegendő rés maradjon a habosított műanyag és az első rész mögötti elemek között, hogy el lehessen kerülni a lényeges átterhelést a habosított műanyag és az ilyen elemek között.
4.3. Az első részt fel kell szerelni nyúlásmérő bélyegekkel a hajlítónyomaték három külön csatornán történő méréséhez, a 4b. ábrának megfelelően. A nyúlásmérő bélyegeket a próbatest első részének hátoldalán kell elhelyezni. A két külső nyúlásmérő bélyeg a próbatest szimmetriatengelyétől számított 50 ± 1 mm-re legyen. A középső nyúlásmérő bélyeget a szimmetriatengelyen kell elhelyezni, ± 1 mm tűréshatárral.
4.4. A nyomatékhatárolót úgy kell beállítani, hogy a próbatest első része hossztengelye ± 2o tűréshatárral merőleges legyen a vezetőrendszer tengelyére, és a csukló súrlódási forgatónyomatékát legalább 650 Nm-re kell beállítani.
4.5. A próbatest azon részei súlypontjának, amelyek ténylegesen a nyomatékhatároló előtt vannak, beleértve az esetlegesen felszerelt súlyokat, ± 10 mm tűréshatárral a próbatest hossztengelyében kell lennie.
4.6. A terhelésiadat-rögzítők középtengelye közötti távolságnak 310 ± 1 mm-nek, a próbatest első része átmérőjének 50 ± 1 mm-nek kell lennie.
4b. ábra
Csípőformájú próbatest

5. ábra
A csípőformájú próbatestnek a motorházfedél elülső élével való ütközéses vizsgálata

6. ábra
A csípőformájú próbatest becsapódasi sebessége a motorházfedél elülső élével történő ütközésnél a jármü alalkjának függvényében

Megejegyzések:
1. Vízszintesen interpolálni kell a között.
2. A 20 km/h alatti beállításnál 20 km/h sebességnel kell végezni a vizsgálatot.
3. A 40 km/h feletti beállításnál 40 km/h sebességnel kell végezni a vizsgálatot.
4. Negatív lökhárítókinyúlás esetén úgy kell végezni a vizsgálatot, mintha a lökhárító kinyúlása 0 lenne
5. 400 mm-t meghaladó lökhárítókinyúlás esetén úgy kell végezni a vizsgálatot, mintha a lökhárítókinyúlás 400 mm lenne
7. ábra
A csípőformájú próbatest becsapódasi szöge a motorházfedél elülső élével történő ütközésnél a jármü alalkjának függvényében

Magyarázat:
A = lökhárító kinyúlása 0 mm
B = lökhárító kinyúlása 50 mm
C = lökhárító kinyúlása 150 mm
Megejegyzések:
1. Függőlegesen interpolálni kell a görbék között.
2. Negatív lökhárítókinyúlás esetén úgy kell végezni a vizsgálatot, mintha a lökhárítókinyúlás 0 lenne.
3. 150 mm-t meghaladó lökhárítókinyúlás esetén úgy kell végezni a vizsgálatot, mintha a lökhárítókinyúlás 150 mm lenne.
4. 1 050 mm-t meghaladó lökhárítókinyúlás esetén úgy kell végezni a vizsgálatot, mintha a lökhárítókinyúlás 1 050 mm lenne.
8. ábra
A csípőformájú próbatest mozgási energiája a motorházfedél elülső élével történő ütközésnél a jármü alalkjának függvényében

Magyarázat:
A = lökhárító kinyúlása 50 mm
B = lökhárító kinyúlása 100 mm
C = lökhárító kinyúlása 150 mm
D = lökhárító kinyúlása 250 mm
E = lökhárító kinyúlása 350 mm
Megejegyzések:
1. Függőlegesen interpolálni kell a görbék között.
2. 50 mm alatti lökhárítókinyúlás esetén úgy kell végezni a vizsgálatot, mintha a lökhárítókinyúlás 50 mm lenne.
3. 350 mm-t meghaladó lökhárítókinyúlás esetén úgy kell végezni a vizsgálatot, mintha a lökhárítókinyúlás 350 mm lenne.
4. 1 050 mm-t meghaladó lökhárítókinyúlás esetén úgy kell végezni a vizsgálatot, mintha a lökhárítókinyúlás 1 050 mm lenne.
5. Ha a szükséges kinetikus energia meghaladja a 700 J-t, a vizsgálatot 700 J mellett kell végezni.
6. Ha a szükséges kinetikus energia 200 J vagy annál kevesebb, mincs vizsgálatra.
V. FEJEZET
A gyermek/kisméretű felnőtt fejformájú próbatestnek a motorházfedél felső felületével való ütközéses vizsgálata
1. Hatály
E vizsgálati eljárás megfelel a 2003/102/EK irányelv I. mellékletének 3.1. pontjában foglalt előírásoknak.
2. Általános
2.1. A motorházfedél felső felületével való ütközéses vizsgálatoknál a fejformájú próbatest az ütközés pillanatában szabadon leng. A próbatestet a járműtől olyan távolságra kell a szabad lengéshez gyorsítani, hogy a próbatest visszatérése során a katapultberendezéssel történő ütközés a vizsgálati eredményeket ne befolyásolja.
2.2. A próbatest katapultálható nagynyomású levegővel, hidraulikával vagy rugóerővel vagy bármilyen más, ugyanolyan eredményt biztosító módon.
3. Vizsgálati előírások
3.1. A vizsgálat célja a 2003/102/EK irányelv I. mellékletének 3.1.2. pontjában meghatározott követelmények teljesítésének igazolása.
3.2. A fejformájú próbatesttel a vizsgálatokat a motorházfedélnek az I. rész 2.9. pontjában meghatározott felső felületén kell elvégezni. A fejformájú próbatesttel legalább 18 vizsgálatot kell elvégezni, 6-6 vizsgálatot az I. rész 2.9.8. pontjában leírtak szerint a motorházfedél felső felületének középső, illetve külső harmadán, olyan helyzetben, amely előreláthatóan a legnagyobb valószínűséggel sérülést okoz. Amennyiben a szerkezet a teljes vizsgált területen változik, a vizsgálatokat a különféle szerkezetekre el kell végezni.
A legalább 18 vizsgálat közül legalább 12 vizsgálatot a 3.3. pontban meghatározott "motorházfedél A zóna" területen belül, és legalább 6 vizsgálatot a "motorházfedél B zóna" területen belül kell elvégezni.
A vizsgálati pontokat úgy kell megválasztani, hogy a próbatest ne csak érintse a motorházfedelet, majd nagyobb mozgási energiával a szélvédővel vagy valamely A-oszloppal ütközzön. A gyermek/kisméretű felnőtt fejformájú próbatesthez kiválasztott vizsgálati pontoknak egymástól legalább 165 mm-re kell lenniük, és legalább 82,5 mm-re a motorházfedél oldalsó referenciavonalaitól, továbbá legalább 82,5 mm-re a motorházfedél hátsó referenciavonala előtt. A gyermek/kisméretű felnőtt fejformájú próbatestnél az egyes kiválasztott vizsgálati pontokat a motorházfedél elülső élének referenciavonalától legalább 165 mm-rel hátrafelé kell elhelyezni, kivéve ha oldalirányban 165 mm-en belül nincs olyan pont a motorházfedél elülső élének vizsgálati területén, amely, ha azt választják a csípőformájú próbatestnek a motorházfedél elülső élével való ütközéses vizsgálatához, több mint 200 J ütközési kinetikus energiát igényelne.
E legkisebb távolságokat a jármű külső felülete mentén kifeszített rugalmas mérőszalaggal kell meghatározni. Ha a vizsgálati helyek egy bizonyos számát a sérülésokozási potenciáljuk sorrendjében választották ki, és a fennmaradó vizsgálati terület túl kicsi ahhoz, hogy a vizsgálati pontok közötti legkisebb távolság fenntartásával további vizsgálati helyet lehessen kiválasztani, abban az esetben a 18 vizsgálatnál kevesebb is végezhető. A laboratóriumok által vizsgált helyeket a vizsgálati jelentésben jelölni kell.
Azonban a vizsgálatokat végző műszaki szolgálatoknak annyi vizsgálatot kell elvégezniük, amennyi annak biztosításához szükséges, hogy a jármű teljesíti a fej terhelési kritériuma (HPC) 1 000 határértékét a "motorházfedél A zóna" és a 2 000 határértéket a "motorházfedél B zóna" tekintetében, különösen a két zóna határához közeli pontokon.
3.3. "Motorházfedél A zóna" és "motorházfedél B zóna"
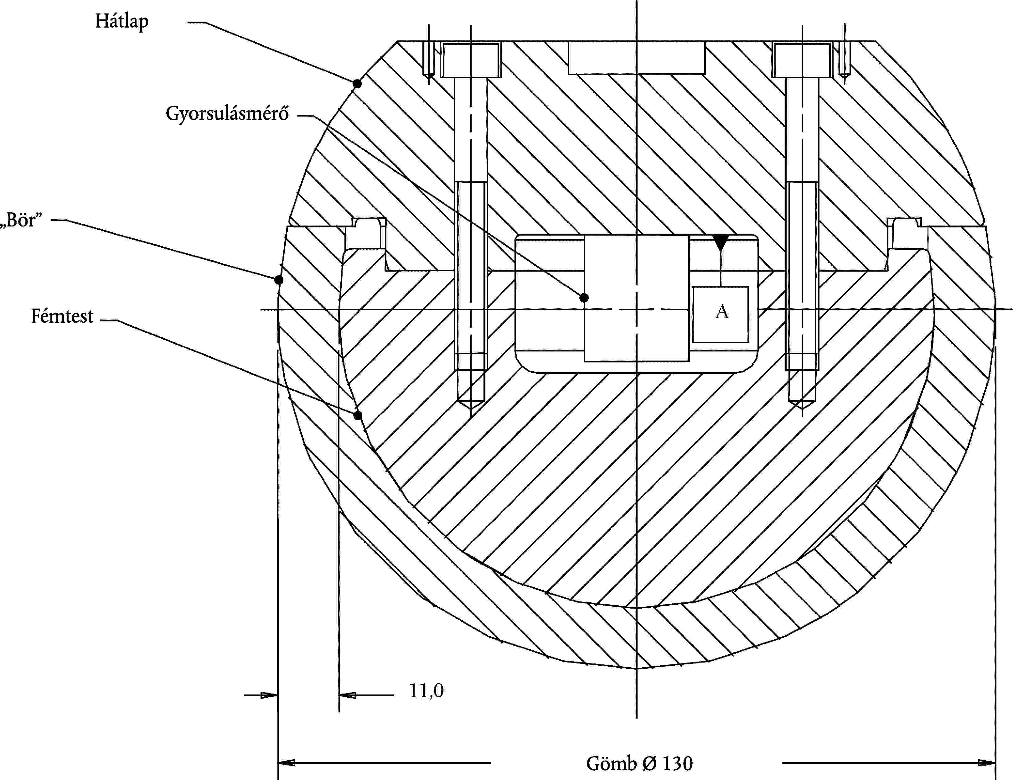
3.3.1. A gyártónak kell megjelölnie a motorházfedél azon zónáit, ahol a fej terhelési kritériuma (HPC) nem haladhatja meg az 1 000-t (motorházfedél A zóna), illetve a 2 000-t (motorházfedél B zóna), az irányelv I. melléklete 3.1.2. pontjában megállapított műszaki előírások szerint (lásd a 9. ábrát). [Kép #1]

Kép #1
3.3.2. A "motorházfedél felső felülete" ütközési területének, valamint a "motorházfedél A zónájának" és a "motorházfedél B zónájának" behatárolása a gyártó által biztosított felülnézeti rajzon alapszik, amely a motorházfedelet a vízszintes nulla síkkal párhuzamos nézetben mutatja. A gyártónak a jármű egyes területeinek megjelöléséhez elegendő számú x és y koordinátát kell megadnia, figyelembe véve a jármű külső kontúrját a "z" irányban.
3.3.3. A "motorházfedél A zónájának" és a "motorházfedél B zónájának" területei több részből állhatnak, az ilyen részek száma nem korlátozott.
3.3.4. A vizsgálati terület felülete, valamint a "motorházfedél A zónája" és a "motorházfedél B zónája" területe a gyártó által biztosított tervrajzadatok alapján a motorházfedélnek a jármű feletti vízszintes nulla síkkal párhuzamos vízszintes síkra történő kivetítésével határozható meg.
3.4. Vizsgálati módszer
3.4.1. Vizsgálóberendezés
3.4.1.1. A gyermek/kisméretű felnőtt fejformájú próbatest merev, szintetikus "bőr" bevonattal ellátott gömb, amely megfelel e fejezet 4. pontjának, illetve e rész 10. ábrájának. A próbatest átmérője 165 ± 1 mm, a 10. ábrának megfelelően. A próbatest össztömege 3,5 ± 0,07 kg.
3.4.1.2. A gömb középpontjába egy háromtengelyű (vagy három egytengelyű) gyorsulásmérőt kell felszerelni.
3.4.1.3. A mérőműszerek CFC-válaszértéke az ISO 6487:2000 szabványban meghatározottak szerint 1 000. Az ISO 6487:2000 szabványban meghatározott CAC-válaszérték 500 g a gyorsulásra.
3.4.1.4. A gyermek/kisméretű felnőtt fejformájú próbatestnek teljesítenie kell az I. függelék 4. pontjában meghatározott előírásokat. A tanúsított próbatestet legfeljebb 20 ütközéses vizsgálat után ismét tanúsítani kell. A próbatestet akkor is újra kell tanúsítani, ha több mint egy év telt el az előző tanúsítás óta, vagy ha a próbatest bármelyik mérésiadat-rögzítőjének kimeneti értéke bármelyik ütközésnél meghaladja a meghatározott CAC-értéket.
3.4.1.5. A próbatestet a katapultra a 2.1., illetve a 2.2. pontban meghatározottak szerint kell felszerelni, gyorsítani és kioldani.
3.4.2. Vizsgálati eljárás
3.4.2.1. A jármű vagy részrendszere állapotának meg kell felelnie e rész I. fejezete előírásainak. A vizsgálati berendezés és a jármű, illetve a részrendszer stabilizált hőmérsékletének 20 °C ± 4 °C-nak kell lennie.
3.4.2.2. A vizsgálatokat a motorházfedélen a 3.2. és a 3.4.2.3. pontban meghatározott területeken kell elvégezni.
A motorházfedél hátsó felületével való ütközéses vizsgálatoknál a fejformájú próbatest nem érintkezhet a szélvédővel vagy az A-oszloppal a motorházfedéllel való ütközés előtt.
3.4.2.3. A 3.4.1. pontban meghatározott gyermek/kisméretű felnőtt fejformájú próbatestet kell használni a motorházfedél felső felületével való ütközéses vizsgálatoknál úgy, hogy az első érintkezési pontok az 1 000 mm-es kifejtett hossz, illetve a motorházfedélnek az I. rész 2.9.7. pontjában meghatározott hátsó referenciavonala által határolt területre essenek.
A becsapódás irányát a 3.4.2.4. pont, és az ütközési sebességet a 3.4.2.6. pont határozza meg.
3.4.2.4. Az ütközés irányának a járműnek a vizsgálati ponton átmenő függőleges hosszirányú síkjában kell lennie. Ennek az iránynak a tűréshatára ± 2o. A vizsgálatokban az ütközés iránya a motorházfedélre lefelé és hátrafelé mutasson, mintha a jármű a talajon lenne. A gyermek/kisméretű felnőtt fejformájú próbatestnek a motorházfedéllel való ütközéses vizsgálatánál az ütközés szögének 50o ± 2o-nak kell lennie a talaj referenciasíkjához képest. A gravitációs erő hatását akkor kell figyelembe venni, ha az ütközési szöget az első ütközés pillanatát megelőző mérésekből nyerik.
3.4.2.5. Az első ütközés pillanatában a fejformájú próbatest első ütközési pontja a kiválasztott ütközési ponttól legfeljebb ± 10 mm-rel térhet el.
3.4.2.6. A fejformájú próbatest ütközési sebességének a motorházfedéllel történő ütközéskor 9,7 ± 0,2 m/s-nek kell lennie. A gravitációs erő hatását akkor kell figyelembe venni, ha az ütközési sebességet az első ütközés pillanatát megelőző mérésekből nyerik.
4. Gyermek/kisméretű felnőtt fejformájú próbatest
4.1. A gyermek/kisméretű felnőtt fejformájú próbatest alumíniumból készült, homogén konstrukciójú gömb.
4.2. A gömböt 13,9 ± 0,5 mm vastagságú szintetikus "bőrrel" kell burkolni, amely a gömb felületének legalább a felét fedi.
4.3. A gyermek/kisméretű felnőtt fejformájú próbatest súlypontjának, beleértve a műszereket is, ± 5 mm tűréshatárral a gömb középpontjában kell lennie. A súlyponton keresztülhaladó és az ütközés irányára merőleges tengelyen a tehetetlenségi nyomaték 0,010 ± 0,0020 kg/m2.
4.4. A gömbben egy bemélyítés teszi lehetővé egy háromtengelyű vagy három egytengelyű gyorsulásmérő felszerelését. A gyorsulásmérőket a 4.4.1., illetve 4.4.2. pont szerint kell elhelyezni.
4.4.1. Az egyik gyorsulásmérő érzékeny tengelye merőleges az A rögzítési felületre (10. ábra), és szeizmikus tömegét egy 1 mm sugarú és 20 mm hosszúságú hengeres tűrési mezőbe kell elhelyezni. A tűrési mező középvonala merőleges a rögzítési felületre, és középpontja egybeesik a fejformájú próbatest gömbjének középpontjával.
4.4.2. A további gyorsulásmérők érzékeny tengelye egymásra merőleges, és párhuzamos az A rögzítési felülettel; szeizmikus tömegüket 10 mm sugarú, gömb alakú tűrési mezőbe kell elhelyezni. A tűrési mező középpontja egybeesik a fejformájú próbatest gömbjének középpontjával.
10. ábra
Gyemek/kisméretű felnött fejformájú próbatest (méretek mm-ben)

VI. FEJEZET
A felnőtt fejformájú próbatestnek a szélvédővel való ütközéses vizsgálata
1. Hatály
E vizsgálati eljárás megfelel a 2003/102/EK irányelv I. mellékletének 3.1. pontjában foglalt előírásoknak.
2. Általános
2.1. A motorházfedél felső felületével való ütközéses vizsgálatoknál a fejformájú próbatest az ütközés pillanatában szabadon leng. A próbatestet a járműtől olyan távolságra kell a szabad lengéshez gyorsítani, hogy a próbatest visszatérése során a katapultberendezéssel történő ütközés a vizsgálati eredményeket ne befolyásolja.
2.2. A próbatest katapultálható nagynyomású levegővel, hidraulikával vagy rugóerővel vagy bármilyen más, ugyanolyan eredményt biztosító módon.
3. Vizsgálati előírások
3.1. A vizsgálat célja a 2003/102/EK irányelv I. melléklete 3.1.4. pontjában meghatározott követelmények teljesítésének igazolása.
3.2. A felnőtt formájú próbatesttel a vizsgálatokat a szélvédőn kell elvégezni. A fejformájú próbatesttel legalább 5 vizsgálatot kell elvégezni olyan helyzetben, amely előreláthatóan a legnagyobb valószínűséggel sérülést okoz.
A fejformájú próbatestnek a szélvédővel való ütközéses vizsgálatánál a kiválasztott vizsgálati pontok közötti távolságnak legalább 165 mm-nek kell lennie, és a vizsgálati pontoknak legalább 82,5 mm-rel a szélvédőnek a 77/649/EGK irányelvben meghatározott peremétől, és legalább 82,5 mm-rel szélvédőnek az I. rész 2.11.1. pontjában meghatározott hátsó referenciavonala előtt kell lenniük (lásd a 11. ábrát).
E legkisebb távolságokat a jármű külső felülete mentén kifeszített rugalmas mérőszalaggal kell meghatározni. Ha a vizsgálati pontok egy bizonyos számát a sérülésokozási potenciáljuk sorrendjében választották ki, és a fennmaradó vizsgálandó terület túl kicsi ahhoz, hogy a vizsgálati pontok közötti legkisebb távolság fenntartásával további vizsgálati helyet lehessen kiválasztani, abban az esetben 5 vizsgálatnál kevesebb is végezhető. A laboratóriumok által vizsgált helyeket a vizsgálati jelentésben jelölni kell.
3.3. A 3.2. pontban leírt területen belül minden pontra ugyanazok a vizsgálati követelmények vonatkoznak.
3.4. Vizsgálati módszer
3.4.1. Vizsgálóberendezés
3.4.1.1. A felnőtt fejformájú próbatest merev, szintetikus "bőr" bevonattal ellátott gömb, amely megfelel e fejezet 4. pontjának és e rész 12. ábrájának. Átmérője 165 ± 1 mm a 12. ábra szerint. A próbatest össztömege, beleértve a műszereket is, 4,8 ± 0,1 kg.
3.4.1.2. A gömb középpontjába egy háromtengelyű (vagy három egytengelyű) gyorsulásmérőt kell felszerelni.
3.4.1.3. A mérőműszerek CFC-válaszértéke az ISO 6487:2000 szabványban meghatározottak szerint 1 000. Az ISO 6487:2000 szabványban meghatározott CAC-válaszérték 500 g a gyorsulásra.
3.4.1.4. A gyermek/kisméretű felnőtt fejformájú próbatestnek teljesítenie kell az I. függelék 4. pontjában meghatározott előírásokat. A tanúsított próbatestet legfeljebb 20 ütközéses vizsgálat után ismét tanúsítani kell. A próbatestet akkor is újra kell tanúsítani, ha több mint egy év telt el az előző tanúsítás óta, vagy ha a próbatest bármelyik mérésiadat-rögzítőjének kimeneti értéke bármelyik ütközésnél meghaladja a meghatározott CAC-értéket.
3.4.1.5. A fejformájú próbatestet a katapultra a 2.1., illetve a 2.2. pontban meghatározottak szerint kell felszerelni, gyorsítani és kioldani.
3.4.2. Vizsgálati eljárás
3.4.2.1. A jármű vagy részrendszere állapotának meg kell felelnie e rész I. fejezete előírásainak. A vizsgálati berendezés és a jármű, illetve a részrendszer stabilizált hőmérsékletének 20 °C ± 4 °C-nak kell lennie.
3.4.2.2. A vizsgálatokat a szélvédőn a 3.2. pontban meghatározott területeken kell elvégezni.
3.4.2.3. A 3.4.1. pontban meghatározott felnőtt fejformájú próbatestet kell használni a szélvédőn elvégzett vizsgálatoknál úgy, hogy az első érintkezési pontok a 3.4.2.2. pontban meghatározott határokon belül legyenek.
Az ütközés irányát a 3.4.2.4. pont, az ütközési sebességet a 3.4.2.6. pont határozza meg.
3.4.2.4. Az ütközés irányának a járműnek a vizsgálati ponton átmenő függőleges hosszirányú síkjában kell lennie. Ennek az iránynak a tűréshatára ± 2o. A vizsgálatokban az ütközés irányának a motorházfedélre lefelé és hátrafelé kell mutatnia, mintha a jármű a talajon lenne. Az ütközés szögének 35o ± 2o-nak kell lennie a talaj referenciasíkjához képest. A gravitációs erő hatását akkor kell figyelembe venni, ha az ütközési szöget az első ütközés pillanatát megelőző mérésekből nyerik.
3.4.2.5. Az első ütközés pillanatában a fejformájú próbatest első ütközési pontja a kiválasztott ütközési ponttól legfeljebb ± 10 mm-rel térhet el.
3.4.2.6. A fejformájú próbatest ütközési sebessége a motorházfedéllel történő ütközéskor 9,7 ± 0,2 m/s. A gravitációs erő hatását akkor kell figyelembe venni, ha az ütközési sebességet az első ütközés pillanatát megelőző mérésekből nyerik.
4. A felnőtt fejformájú próbatest
4.1. A felnőtt fejformájú próbatest alumíniumból készült, homogén konstrukciójú gömb.
4.2. A gömböt 13,9 ± 0,5 mm vastagságú szintetikus "bőrrel" kell burkolni, amely a gömb felületének legalább a felét fedi.
4.3. A felnőtt fejformájú próbatest súlypontjának, beleértve a műszereket is, ± 5 mm tűréshatárral a gömb középpontjában kell lennie. A súlyponton keresztülhaladó és az ütközés irányára merőleges tengelyen a tehetetlenségi nyomaték 0,0125 ± 0,0010 kg/m2.
4.4. A gömbben egy bemélyítés teszi lehetővé egy háromtengelyű vagy három egytengelyű gyorsulásmérő felszerelését. A gyorsulásmérőket a 4.4.1., illetve 4.4.2. pontnak megfelelően kell elhelyezni.
4.4.1. Az egyik gyorsulásmérő érzékeny tengelye merőleges az A rögzítési felületre (12. ábra), és szeizmikus tömegét egy 1 mm sugarú és 20 mm hosszúságú hengeres tűrési mezőbe kell elhelyezni. A tűrési mező középvonala merőleges a rögzítési felületre, és középpontja egybeesik a fejformájú próbatest gömbjének középpontjával.
4.4.2. A további gyorsulásmérők érzékeny tengelye egymásra merőleges, és párhuzamos az A rögzítési felülettel; szeizmikus tömegüket 10 mm sugarú, gömb alakú tűrési térbe kell elhelyezni. A tűrési mező középpontja egybeesik a fejformájú próbatest gömbjének középpontjával.
11. ábra
Szélvédő ütközési zóna

12. ábra
Felnőtt fejformájú próbatest (méretek mm-ben)

VII. FEJEZET
A gyermek és felnőtt fejformájú próbatestnek a motorházfedél felső felületével való ütközéses vizsgálata
1. Hatály
E vizsgálati eljárás megfelel a 2003/102/EK irányelv I. mellékletének 3.2. pontjában foglalt előírásoknak.
2. Általános
2.1. A motorháztető felső felületével való ütközéses vizsgálatoknál a fejformájú próbatestek az ütközés pillanatában szabadon lengenek. A próbatesteket a járműtől olyan távolságra kell a szabad lengéshez gyorsítani, hogy a próbatestek visszatérése során a katapultberendezéssel történő ütközés a vizsgálati eredményeket ne befolyásolja.
2.2. A próbatest katapultálható nagynyomású levegővel, hidraulikával vagy rugóerővel vagy bármilyen más, ugyanolyan eredményt biztosító módon.
3. Vizsgálati előírások
3.1. A vizsgálat célja a 2003/102/EK irányelv I. melléklete 3.2.2. és 3.2.4. pontjában meghatározott követelmények teljesítésének igazolása.
3.2. A fejformájú próbatesttel a vizsgálatokat a motorházfedélnek az I. rész 2.9. pontjában meghatározott felső felületén kell elvégezni. A vizsgálatokat a motorházfedélnek a 3.4.2.3. pontban meghatározott felső felülete elülső részén, a 3.4.1.1. pontban meghatározott gyermek fejformájú próbatesttel kell elvégezni. A motorházfedél felső felületének 3.4.2.4. pontban meghatározott hátsó részén a vizsgálatokat a 3.4.1.1. pontban meghatározott felnőtt fejformájú próbatesttel kell elvégezni. Legalább 9 vizsgálatot kell elvégezni minden egyes fejformájú próbatesttel, 3-3 vizsgálatot az I. rész 2.9.8. pontjában leírt, a motorházfedél első és hátsó középső, illetve külső harmadán, olyan helyzetben, amely előreláthatóan a legnagyobb valószínűséggel sérülést okoz. Amennyiben a szerkezet a teljes vizsgált területen változik, a vizsgálatokat a különféle szerkezetekre el kell végezni.
3.3. A felnőtt fejformájú próbatesthez kiválasztott vizsgálati pontoknak egymástól legalább 165 mm-re kell lenniük, és legalább 82,5 mm-re a motorházfedél oldalsó referenciavonalaitól, és legalább 82,5 mm-re a motorházfedél hátsó referenciavonala előtt. A vizsgálati pontokat úgy kell megválasztani, hogy a próbatest ne csak érintse a motorházfedelet, majd nagyobb mozgási energiával a szélvédővel vagy valamely A-oszloppal ütközzön. A gyermek fejformájú próbatestnél a kiválasztott vizsgálati pontoknak egymástól legalább 130 mm-re kell lenniük, legalább 65 mm-rel a motorházfedél oldalsó referenciavonalaitól, és legalább 65 mm-re a motorházfedél hátsó referenciavonala előtt. A gyermek fejformájú próbatestnél minden kiválasztott vizsgálati pontot a motorházfedél elülső élének referenciavonalától legalább 130 mm-re hátrafelé kell elhelyezni, kivéve ha oldalirányban 130 mm-en belül nincs olyan pont a motorházfedél elülső élének vizsgálati területén, amely, ha azt választják a csípőformájú próbatestnek a motorházfedél elülső élével való ütközéses vizsgálatához, több mint 200 J ütközési kinetikus energiát igényelne.
E legkisebb távolságokat a jármű külső felülete mentén feszesen tartott rugalmas mérőszalaggal kell meghatározni. Ha a vizsgálati helyek egy bizonyos számát a sérülésokozási potenciáljuk sorrendjében választották ki, és a fennmaradó vizsgálati terület túl kicsi ahhoz, hogy a vizsgálati pontok közötti legkisebb távolság fenntartásával további vizsgálati helyet lehessen kiválasztani, abban az esetben 9 vizsgálatnál kevesebb is elvégezhető. A laboratóriumok által vizsgált helyeket jelölni kell a vizsgálati jelentésben.
3.4. Vizsgálati módszer
3.4.1. Vizsgálóberendezés
3.4.1.1. A felnőtt és a gyermek fejformájú próbatestek merev, szintetikus "bőr" bevonattal ellátott gömbök, amelyek megfelelnek e fejezet 4. pontjának és e rész 13., illetve 14. ábrájának. A felnőtt fejformájú próbatest átmérője 165 ± 1 mm, a gyermek fejformájú próbatesté 130 ± 1 mm, a 13. illetve a 14. ábra szerint. A műszereket is magában foglaló próbatest össztömege 4,8 ± 0,1 kg a felnőtt fejformájú próbatestnél, és 2,5 ± 0,05 kg a gyermek fejformájú próbatestnél.
3.4.1.2. A gyermek és a felnőtt fejformájú próbatest középpontjába egy háromtengelyű (vagy három egytengelyű) gyorsulásmérőt kell felszerelni.
3.4.1.3. A mérőműszerek CFC-válaszértéke az ISO 6487:2000 szabványban meghatározottak szerint 1 000. Az ISO 6487:2000 szabványban meghatározott CAC-válaszérték 500 g a gyorsulásra.
3.4.1.4. A gyermek/kisméretű felnőtt fejformájú próbatestnek teljesítenie kell az I. függelék 4. pontjában meghatározott előírásokat. A tanúsított próbatest legfeljebb 20 ütközésnél használható újratanúsítás előtt. A tanúsított próbatestet legfeljebb 20 ütközéses vizsgálat után ismét tanúsítani kell. A próbatestet akkor is újra kell tanúsítani, ha több mint egy év telt el az előző tanúsítás óta, vagy ha a próbatest bármelyik mérésiadat-rögzítőjének kimeneti értéke bármelyik ütközésnél meghaladja a meghatározott CAC-értéket.
3.4.1.5. A fejformájú próbatestet a katapultra a 2.1., illetve a 2.2. pontban meghatározottak szerint kell felszerelni, gyorsítani és kioldani.
3.4.2. Vizsgálati eljárás
3.4.2.1. A jármű vagy részrendszere állapotának meg kell felelnie e rész I. fejezete előírásainak. A vizsgálati berendezés és a jármű, illetve a részrendszer stabilizált hőmérsékletének 20 °C ± 4 °C-nak kell lennie.
3.4.2.2. A vizsgálatokat a motorházfedélen a 3.2., 3.4.2.3. és 3.4.2.4. pontban meghatározott területeken kell elvégezni.
A motorházfedél felső felületének hátsó részére irányuló vizsgálatoknál a fejformájú próbatest nem érintkezhet a szélvédővel vagy az A-oszloppal a motorházfedéllel való ütközés előtt.
3.4.2.3. A 3.4.1. pontban meghatározott gyermek fejformájú próbatestet kell alkalmazni a motorházfedél felső felületének elülső részére irányuló vizsgálatoknál úgy, hogy az első érintkezési pontok az 1 000 mm-es, illetve 1 500 mm-es kifejtett hossz, illetve a motorházfedélnek az I. rész 2.9.7. pontjában meghatározott hátsó referenciavonala által határolt területre essenek.
Az ütközés irányát a 3.4.2.5. pont, és az ütközés sebességét a 3.4.2.7. pont határozza meg.
3.4.2.4. A 3.4.1. pontban meghatározott felnőtt fejformájú próbatestet kell használni a motorházfedél felső felületének hátsó részére irányuló vizsgálatoknál úgy, hogy az első érintkezési pontok az 1 500 mm-es, illetve 2 100 mm-es kifejtett hossz, illetve a motorházfedélnek az I. rész 2.9.7. pontjában meghatározott hátsó referenciavonala által határolt területre essenek.
Az ütközés irányát a 3.4.2.5. pont, és az ütközési sebességet a 3.4.2.7. pont határozza meg.
3.4.2.5. Az ütközés irányának a járműnek a vizsgálati ponton átmenő függőleges hosszirányú síkjában kell lennie. Ennek az iránynak a tűréshatára ± 2o. A vizsgálatokban az ütközés irányának a motorházfedélre lefelé és hátrafelé kell mutatnia, mintha a jármű a talajon lenne. A gyermek fejformájú próbatesttel végzett vizsgálatoknál az ütközés szöge 50o ± 2o a talaj referenciasíkjához képest. A felnőtt fejformájú próbatestekkel végzett vizsgálatoknál az ütközés szöge 65o ± 2o a talaj referenciasíkjához képest. A gravitációs erő hatását akkor kell figyelembe venni, ha az ütközési szöget az első ütközés pillanatát megelőző mérésekből nyerik.
3.4.2.6. Az első ütközés pillanatában a fejformájú próbatest első ütközési pontja a kiválasztott ütközési ponttól legfeljebb ± 10 mm-rel térhet el.
3.4.2.7. A fejformájú próbatest ütközési sebessége a motorházfedéllel történő ütközéskor 11,1 ± 0,2 m/s. A gravitációs erő hatását akkor kell figyelembe venni, ha az ütközési szöget az első ütközés pillanatát megelőző mérésekből nyerik.
4. Fejformájú próbatestek
4.1. Felnőtt fejformájú próbatest
4.1.1. A felnőtt fejformájú próbatest alumíniumból készült, homogén konstrukciójú gömb.
4.1.2. A gömböt 13,9 ± 0,5 mm vastagságú szintetikus "bőrrel" kell burkolni, amely a gömb felületének legalább a felét fedi.
4.1.3. A felnőtt fejformájú próbatest súlypontjának, beleértve a műszereket is, ± 5 mm tűréshatárral a gömb középpontjában kell lennie. A súlyponton keresztülhaladó és az ütközés irányára merőleges tengelyen a tehetetlenségi nyomaték 0,0125 ± 0,0010 kg/m2.
4.1.4. A gömbben egy bemélyítés teszi lehetővé egy háromtengelyű vagy három egytengelyű gyorsulásmérő felszerelését. A gyorsulásmérőket a 4.1.4.1., illetve 4.1.4.2. pontnak megfelelően kell elhelyezni.
4.1.4.1. Az egyik gyorsulásmérő érzékeny tengelye merőleges az A rögzítési felületre (13. ábra), és szeizmikus tömegét egy 1 mm sugarú és 20 mm hosszúságú hengeres tűrési mezőbe kell elhelyezni. A tűrési mező középvonala merőleges a rögzítési felületre, és középpontja egybeesik a fejformájú próbatest gömbjének középpontjával.
4.1.4.2. A további gyorsulásmérők érzékeny tengelye egymásra merőleges, és párhuzamos az A rögzítési felülettel; szeizmikus tömegüket 10 mm sugarú, gömb alakú tűrési térbe kell elhelyezni. A tűrési mező középpontja egybeesik a fejformájú próbatest gömbjének középpontjával.
4.2. Gyermek fejformájú próbatest
4.2.1. A gyermek fejformájú próbatest alumíniumból készült, homogén konstrukciójú gömb.
4.2.2. A gömböt 11,0 ± 0,5 mm vastagságú szintetikus "bőrrel" kell burkolni, amely a gömb felületének legalább a felét fedi.
4.2.3. A gyermek fejformájú próbatest súlypontjának, beleértve a műszereket is, ± 5 mm tűréshatárral a gömb középpontjában kell lennie. A súlyponton keresztülhaladó és az ütközés irányára merőleges tengelyen a tehetetlenségi nyomaték 0,0036 ± 0,0003 kg/m2.
4.2.4. A gömbben egy bemélyítés teszi lehetővé egy háromtengelyű vagy három egytengelyű gyorsulásmérő felszerelését. A gyorsulásmérőket a 4.2.4.1, illetve 4.2.4.2. pontnak megfelelően kell elhelyezni.
4.2.4.1. Az egyik gyorsulásmérő érzékeny tengelye merőleges az A rögzítési felületre (14. ábra), és szeizmikus tömegét egy 1 mm sugarú és 20 mm hosszúságú hengeres tűrési mezőbe kell elhelyezni. A tűrési mező középvonala merőleges a rögzítési felületre, és középpontja egybeesik a fejformájú próbatest gömbjének a középpontjával.
4.2.4.2. A fennmaradó gyorsulásmérők érzékeny tengelye egymásra merőleges, és párhuzamos az A rögzítési felülettel; szeizmikus tömegüket 10 mm sugarú, gömb alakú tűrési mezőbe kell elhelyezni. A tűrési mező középpontja egybeesik a fejformájú próbatest gömbjének középpontjával.
13. ábra
Felnőtt fejformájú próbatest (méretek mm-ben)

14. ábra
Gyermek fejformájú próbatest (méretek mm-ben)

I. függelék
A PRÓBATESTEK TANÚSÍTÁSA
1. Tanúsítási előírások
1.1. A II. részben részletezett vizsgálatokban felhasznált próbatesteknek meg kell felelniük a vonatkozó teljesítmény-előírásoknak.
A 2. pont határozza meg a lábformájú próbatestre, a 3. pont a csípőformájú próbatestre és a 4. pont a elnőtt, gyermek és gyermek/kisméretű felnőtt fejformájú próbatestre vonatkozó előírásokat.
2. Lábformájú próbatest
2.1. Statikus vizsgálatok
2.1.1. A lábformájú próbatestnek teljesítenie kell a 2.1.2. pontban meghatározott előírásokat, amennyiben a 2.1.4. pontban meghatározott vizsgálatot végzik, és a 2.1.3. pontban meghatározott előírásokat, amennyiben a 2.1.5. pontban meghatározott vizsgálatokat végzik.
Mindkét vizsgálatnál a próbatestnek, a térdcsukló megfelelő működése érdekében, ± 2o-os tűréshatárral tartania kell a hossztengelyére előírt helyzetét.
A tanúsítás során a próbatest stabilizált hőmérsékletének 20 °C ± 2 °C-nak kell lennie. Az ISO 6487:2000 szabványban meghatározott CAC-válaszérték 50o a térdhajlítási szögre, és 500 N a támadóerőre, amikor a próbatestet a 2.1.4. pont szerinti hajlító terhelés éri, és 10 mm a nyírási elmozdulásra, és 10 kN a támadóerőre, amikor a próbatestet a 2.1.5. pont szerinti nyíró terhelés éri. Mindkét vizsgálatnál engedélyezett az aluláteresztő alkalmazása, hogy kiszűrje a magasabb zavaró frekvenciákat amennyiben a próbatest reakciójának mérését lényegesen nem befolyásolja.
2.1.2. Amikor a próbatestet a 2.1.4. pont szerinti hajlítási terhelésnek vetik alá, a támadóerő és a hajlítási szög viszonyának az 1. ábrán bemutatott határokon belül kell lennie. A 15,0o-os elhajláshoz szükséges energia 100 ± 7 J.
2.1.3. A próbatest 2.1.5. pont szerinti nyírási terhelésekor a támadóerő és nyírási elmozdulás viszonyának a 2. ábrán bemutatott határokon belül kell lennie.
2.1.4. A habosított műanyag-, illetve "bőr" burkolat nélküli lábformájú próbatest sípcsonti részét szilárdan rögzíteni kell egy vízszintes felülethez, a 3. ábra szerint. A súrlódás okozta hibák elkerülése érdekében a combcsonti részt vagy a ráhelyezett fémcsövet nem lehet megtámasztani. A fémcső és más elemek tömege miatt a térdcsukló középpontjában keletkező hajlítónyomaték nem haladhatja meg a 25 Nm-et.
A fémcsőre a térdcsukló középpontjától számított 2,0 ± 0,01 m távolságban vízszintes irányú, derékszögben ható erőt kell kifejteni, és fel kell jegyezni az ebből eredő térdhajlítási szöget. A terhelést addig kell növelni, amíg a térdhajlítási szög meghaladja a 22o-ot.
Az energia számítása úgy történik, hogy az erőt a radban kifejezett hajlítási szögre vonatkozóan integrálni kell, megszorozva az emelőkar 2,0 ± 0,01 m hosszával.
2.1.5. A habosított műanyag-, illetve "bőr" burkolat nélküli próbatest sípcsontrészét szilárdan rögzíteni kell egy vízszintes felülethez, miközben a combcsontot szilárdan rögzített fémcsővel hosszabbítják meg, amit a térdcsukló középpontjától 2,0 m-re megtámasztanak, a 4. ábra szerint.
A combcsontra a térdcsukló középpontjától 50 mm távolságra vízszintes erőt kell kifejteni, és a térd ebből eredő nyírási elmozdulását fel kell jegyezni. A terhelést mindaddig növelni kell, ameddig a térd nyírási elmozdulása nem haladja meg a 8,0 mm-t, vagy a terhelés nem haladja meg a 6,0 kN-t.
2.2. Dinamikus vizsgálatok
2.2.1. A lábformájú próbatestnek teljesítenie kell a 2.2.2. pontban meghatározott előírásokat, amikor a 2.2.4. pontban meghatározott vizsgálatokat végzik.
A próbatest stabilizált hőmérsékletének a tanúsítás során 20 °C ± 2 °C-nak kell lennie.
2.2.2. Amikor a próbatestet a 2.2.4. pont szerint egyenesen vezetett tanúsító próbatesttel ütközik, a sípcsont felső végén mért legnagyobb gyorsulás nem lehet kevesebb, mint 120 g, és nem lehet több, mint 250 g. A legnagyobb hajlítási szög nem lehet kevesebb, mint 6,2o, és nem lehet több, mint 8,2o. A legnagyobb nyírási elmozdulás nem lehet kevesebb, mint 3,5 mm, és nem lehet több mint 6,0 mm.
Mindig a tanúsító próbatesttel történő első ütközésből származó mérési eredmények érvényesek, és nem a befogási fázisban kapott értékek. A próbatest vagy a tanúsító próbatest befogására alkalmazott rendszert úgy kell elrendezni, hogy a befogási fázis időben ne essen egybe az első ütközéssel. A befogó rendszer nem okozhatja, hogy a mérésiadat-rögzítő kimeneti értékei meghaladják a meghatározott CAC-értéket.
2.2.3. A mérőműszer ISO 6487:2000 szabványban meghatározott válaszértéke CFC 180 minden mérésiadat-rögzítőnél. Az ISO 6487:2000 szabványban meghatározott CAC-válaszértékek 50o a térdhajlítási szögre, 10 mm a nyírási elmozdulásra, és 500 g a gyorsulásra. Ez nem jelenti azt, hogy a próbatest maga legyen képes ilyen elhajlásra, illetve nyírási elmozdulásokra.
2.2.4. Vizsgálati eljárás
2.2.4.1. A habosított műanyaggal és "bőrrel" burkolt próbatestet három, 1,5 ± 0,2 mm átmérőjű, és legalább 2,0 m hosszúságú huzallal vízszintesen fel kell függeszteni, az 5a. ábra szerint. A próbatestet úgy kell felfüggeszteni, hogy hossztengelye ± 0,5o tűréshatárral vízszintes legyen, és ± 2o tűréshatárral merőlegest képezzen a tanúsító próbatest mozgásirányával. A próbatestnek, a térdcsukló helyes működése érdekében, ± 2o tűréshatárral meg kell őriznie a hossztengelye mentén előírt helyzetét. A próbatestnek a rászerelt huzalok rögzítéseivel együtt teljesítenie kell a II. rész II. fejezetének 3.4.1.1. pontja szerinti előírásokat.
2.2.4.2. A tanúsító próbatest tömege 9,0 ± 0,05 kg; e tömeg magában foglalja azon meghajtó és vezető elemeket is, amelyek az ütközés során a próbatest tényleges részei. A tanúsító próbatest méreteit, beleértve a frontfelületet is, az 5b. ábra mutatja. A tanúsító próbatest felülete alumíniumból készül, külső felületi érdességének 2,0 mikrométernél kisebbnek kell lennie.
A vezetőrendszert kis súrlódású vezetőelemekkel kell ellátni, amelyek a tengelyirányútól eltérő terheléstől függetlenül biztosítják, hogy a próbatest a járművel való érintkezéskor ne térjen el a meghatározott ütközési iránytól. A vezetők minden más irányban megakadályozzák az elmozdulást, beleértve a bármilyen tengely körüli forgómozgást.
2.2.4.3. A próbatestet korábban nem használt habosított műanyag burkolattal kell tanúsítani.
2.2.4.4. A próbatest habosított műanyag burkolatát a szerelés előtt, alatt és után nem lehet túlzott igénybevételnek kitenni, és nem lehet deformálni.
2.2.4.5. A tanúsító próbatestet vízszintesen 7,5 ± 0,1 m/s sebességgel kell az álló helyzetű próbatestbe katapultálni, az 5a. ábra szerint. A tanúsító próbatestet úgy kell elhelyezni, hogy középvonala a sípcsont középvonalát a térd középvonalától 50 mm-re metssze, vízszintes és függőleges irányban egyaránt ± 3 mm tűréshatárral.
3. Csípőformájú próbatest
3.1. A csípőformájú próbatestnek teljesítenie kell a 3.2. pontban meghatározott előírásokat, amikor a 3.3. pontban meghatározott vizsgálatokat végzik
A tanúsítás során a próbatest stabilizált hőmérsékletének 20 °C ± 2 °C-nak kell lennie.
3.2. Előírások
3.2.1. Amikor a próbatestet egy álló helyzetben lévő hengeres ingának katapultálják, az egyes mérésiadat-rögzítők által mért erő legnagyobb értéke nem lehet kevesebb 1,20 kN-nél, és nem haladhatja meg az 1,55 kN-t, és a felső, illetve az alsó mérésiadat-rögzítőnél mért erők legnagyobb értékének különbsége nem haladhatja meg a 0,10 kN-t. Ezenkívül a nyúlásmérő bélyegekkel mért legnagyobb hajlítónyomaték nem lehet kevesebb, mint 190 Nm, és nem lehet több, mint 250 Nm a középponti helyzetre, és nem lehet kevesebb, mint 160 Nm, és nem lehet több, mint 220 Nm a külső helyzetekre. A felső és az alsó hajlítónyomatékok maximuma közötti különbség nem lehet több, mint 20 Nm.
Mindig az inga első ütközéséből származó mérési eredmények az érvényesek, és nem a befogási fázisban mért értékeket. A próbatest, illetve az inga befogására alkalmazott rendszert úgy kell elrendezni, hogy a befogási fázis időben ne essék egybe az első ütközéssel. A befogó rendszer nem okozhatja, hogy a mérésiadat-rögzítő kimeneti értékei meghaladják a meghatározott CAC-értéket.
3.2.2. A mérőműszerek ISO 6487:2000 szabványban meghatározott válaszértéke CFC 180 minden mérésiadat-rögzítőre. Az ISO 6487:2000 szabványban meghatározott CAC-válaszértékek 10 kN az erő rögzítésére, és 1 000 Nm a hajlítónyomaték mérésére.
3.3. Vizsgálati eljárás
3.3.1. A próbatestet nyomatékhatárolóval kell a katapultberendezésre szerelni. A nyomatékhatárolót úgy kell beállítani, hogy a próbatest első része hossztengelye ± 2o tűréshatárral merőleges legyen a vezetőrendszer tengelyére, és a csukló súrlódási forgatónyomatékát legalább 650 Nm-re kell beállítani. A vezetőrendszert el kell látni kis súrlódású vezető elemekkel, amelyek csak az ütközés megadott irányában teszik lehetővé a próbatest elmozdulását, amikor az ingával érintkezésbe kerül.
3.3.2. A próbatest tömegét 12 ± 0,1 kg-ra kell beállítani, amely tömeg magában foglalja azokat a meghajtó és vezető elemeket is, amelyek a próbatest tényleges részét képezik az ütközés során.
3.3.3. A próbatest azon részei súlypontjának, amelyek ténylegesen a nyomatékhatároló csukló előtt vannak, beleértve a felszerelt külön súlyokat, ± 10 mm tűréshatárral a próbatest hossztengelyébe kell esnie.
3.3.4. A próbatestet korábban még nem használt habosított műanyag burkolattal kell tanúsítani.
3.3.5. A próbatest habosított műanyag burkolata szerelés előtt, alatt vagy után nem tehető ki túlzott igénybevételnek, és nem deformálható.
3.3.6. A próbatestet függőlegesen álló első résszel vízszintesen 7,1 ± 0,1 m/s sebességgel kell az álló helyzetben lévő ingának katapultálni, a 6. ábra szerint.
3.3.7. Az ingaként alkalmazott csődarab tömegének 3 ± 0,03 kg-nak, külső átmérőjének 150 ± 1 mm-nek, és falvastagságának 3 ± 0,15 mm-nek kell lennie. Az inga csöve teljes hosszának 275 ± 25 mm-nek kell lennie. Az ngacsőnek hidegen hengerelt, varratmentes acélból kell készülnie (fém felületi bevonat a korrózió elleni védelem céljára megengedett), külső felületi érdességének 2,0 mikrométernél kisebbnek kell lennie. Az ingát két 1,5 ± 0,2 mm átmérőjű és legalább 2,0 m hosszúságú huzalra kell felfüggeszteni. Az inga felületének tisztának és száraznak kell lennie. Az inga csövét úgy kell elhelyezni, hogy a henger hossztengelye ± 2o tűréshatárral a próbatest elülső részére merőleges (azaz vízszintes) legyen, valamint a próbatest mozgásának irányára ± 2o tűréshatárral merőleges legyen, illetve az inga csövének középpontja a próbatest első része középpontjával oldalirányban és függőlegesen ± 5 mm tűréssel szemben helyezkedjen el.
4. Fejformájú próbatestek
4.1. A gyermek, gyermek/kisméretű felnőtt és a felnőtt fejformájú próbatesteknek teljesíteniük kell a 4.2. pontban meghatározott előírásokat, amikor a 4.3. pontban meghatározott vizsgálatokat végzik.
A próbatestek stabilizált hőmérsékletének a tanúsítás során 20 °C ± 2 °C-nak kell lennie.
4.2. Előírások
4.2.1. Amikor a gyermek fejformájú próbatest a 4.3. pont szerint egyenesen vezetett tanúsító próbatesttel ütközik, a legnagyobb ebből eredő, egy háromtengelyű (vagy három egytengelyű), a fejformájú próbatestben lévő gyorsulásmérő által mért gyorsulás nem lehet kevesebb 405 g-nél, és nem lehet több 495 g-nél. Az ebből adódó gyorsulás-idő görbének egymodálisnak kell lennie.
4.2.2. Amikor a gyermek/kisméretű felnőtt fejformájú próbatest a 4.3. szerint egyenesen vezetett tanúsító próbatesttel ütközik, a legnagyobb ebből eredő, egy háromtengelyű (vagy három egytengelyű), a fejformájú próbatestben lévő gyorsulásmérő által mért gyorsulás nem lehet kevesebb 290 g-nél és nem lehet több 350 g-nél. Az ebből adódó gyorsulás-idő görbének egymodálisnak kell lennie.
4.2.3. Amikor a felnőtt fejformájú próbatest 4.3. pont szerint egyenesen vezetett tanúsító próbatesttel ütközik, a legnagyobb ebből eredő, egy háromtengelyű (vagy három egytengelyű), a fejformájú próbatestben lévő gyorsulásmérő által mért gyorsulás nem lehet kevesebb 337,5 g-nél, és nem lehet több 412,5 g-nél. Az ebből adódó gyorsulás-idő görbének egymodálisnak kell lennie.
4.2.4. A mérőműszer ISO 6487:2000 szabványban meghatározott válaszérték CFC 1 000. Az ISO 6487:2000 szabványban meghatározott CAC-válaszérték 1 000 g a gyorsulásra.
4.3. Vizsgálati eljárás
4.3. 1 A fejformájú próbatesteket a 7. ábra szerint fel kell függeszteni. A fejformájú próbatestet úgy kell felfüggeszteni, hogy hátsó felülete a vízszintessel 25o és 90o közötti szöget zárjon be, a 7. ábra szerint.
4.3.2. A tanúsító próbatest tömege 1,0 ± 0,01 kg. E tömeg magában foglalja azon meghajtó és vezető elemeket, amelyek az ütközés során a próbatest tényleges részét képezik. A lineáris vezetőrendszert fel kell szerelni kis súrlódású vezetőkkel, amelyek nem tartalmaznak semmilyen forgó alkatrészt. A tanúsító próbatest sík ütközőfelületének átmérője 70 ± 1 mm; annak peremét 5 ± 0,5 mm sugárral le kell kerekíteni. A tanúsító próbatest első része alumíniumból készül, külső felületi érdességének 2,0 mikrométernél kisebbnek kell lennie.
4.3.3. A tanúsító próbatestet vízszintesen 7,0 ± 0,1 m/s sebességgel kell az álló gyermek, illetve gyermek/kisméretű felnőtt fejformájú próbatestbe katapultálni, és 10,0 ± 0,1 m/s sebességgel kell az álló felnőtt fejformájú próbatestbe katapultálni. A tanúsító próbatestet úgy kell elhelyezni, hogy a fejformájú próbatest súlypontja a tanúsító próbatest középvonalában helyezkedjen el, oldalirányúban és vízszintesen ± 5 mm tűréshatárral.
4.3.4. A vizsgálatot valamennyi fejformájú próbatesten három különböző ütközési helyen kell elvégezni. Az éppen alkalmazott és/vagy sérült "bőrt" ezeken a helyeken vizsgálni kell.
1. táblázat: A fejformájú próbatestek válaszértékei
Próbatest és tömeg | Tanúsítási sebesség[m/s] | Gyorsulás alsó határa[g] | Gyorsulás felsõ határa[g] |
Gyermek 2,5 kg | 7 | 405 | 495 |
Gyermek/kisméretû felnõtt 3,5 kg | 7 | 290 | 350 |
Felnõtt 4,8 kg | 10 | 337,5 | 412,5 |
1. ábra
Lábformájú próbatest statikus tanúsító vizsgálata: erőszϋkséglet a szögelfordulá függvényében

2. ábra
Lábformájú próbatest statikus tanúsító vizsgálata: erőszϋkséglet a szögelfordulá függvényében

3. ábra
Lábformájú próbatest statikus tanúsító vizsgálata: kísérleti elrendezés a térdesucko elfordulásáhos (felülnézet)

4. ábra
Lábformájú próbatest statikus tanúsító vizsgálata: kísérleti elrendezés a térdesuckó hatására (felülnézet)

5a. ábra
Lábformájú próbatest dinamikus tanúsító vizsgálata: kísérleti elrendezés (felső abra oldalnézetben, alső ábra felülnézetben)

5b. ábra
Lábformájú próbatest dinamikus tanúsító vizsgálata: tanúsító próbatest homlokfelületének kialatása

Megjegyzések:
1. A nyeredarab kialakítható, teljes körhént, majd az ábra szerint hettévághotó.
2. Az árnyékolt terület eltávolítható, hogy kiadja a bemutattot alakzatot.
3. Minden méretnéla tűrés ± 1,0 mm.
Anyag: alumíniumötvőzet.
6. ábra
Csíformájú próbatest dinamikus tanúsító vizsgálata: kísérleti elrendezés

7. ábra
Fejformájú próbatest dinamikus tanúsító vizsgálata: kísérleti elrendezés

( 1 ) HL L 321., 2003.12.6., 15. o.
Lábjegyzetek:
[1] A dokumentum eredetije megtekinthető CELEX: 32004D0090 - https://eur-lex.europa.eu/legal-content/HU/ALL/?uri=CELEX:32004D0090&locale=hu Utolsó elérhető, magyar nyelvű konszolidált változat CELEX: 02004D0090-20040204 - https://eur-lex.europa.eu/legal-content/HU/ALL/?uri=CELEX:02004D0090-20040204&locale=hu