32014R1300[1]
A Bizottság 1300/2014/EU rendelete ( 2014. november 18. ) az uniós vasúti rendszernek a fogyatékossággal élő és a csökkent mozgásképességű személyek általi hozzáférhetőségével kapcsolatos átjárhatósági műszaki előírásokról
A BIZOTTSÁG 1300/2014/EU RENDELETE
(2014. november 18.)
az uniós vasúti rendszernek a fogyatékossággal élő és a csökkent mozgásképességű személyek általi hozzáférhetőségével kapcsolatos átjárhatósági műszaki előírásokról
(EGT-vonatkozású szöveg)
1. cikk
Tárgy
Ez a rendelet megállapítja az uniós vasúti rendszernek a fogyatékossággal élő és a csökkent mozgásképességű személyek általi hozzáférhetőségével kapcsolatos átjárhatósági műszaki előírásokat, a mellékletben meghatározottak szerint.
2. cikk
Hatály
(1) Az ÁME-t a 2008/57/EK irányelv II. mellékletének 2. pontjában és e rendelet mellékletének 2.1. pontjában meghatározott infrastruktúra, üzemeltetés és forgalomirányítás, telematikai alkalmazások és járművek alrendszerre kell alkalmazni. Az ÁME ezeknek az alrendszereknek az összes olyan vonatkozását szabályozza, amelyek jelentőséggel bírnak a fogyatékossággal élő és a csökkent mozgásképességű személyek szempontjából.
(2) Az ÁME-t a következő hálózatokra kell alkalmazni:
a) a 2008/57/EK irányelv I. mellékletének 1.1. pontjában meghatározott hagyományos transzeurópai vasúti rendszer hálózata;
b) a 2008/57/EK irányelv I. mellékletének 2.1. pontjában meghatározott nagy sebességű transzeurópai vasúti rendszer hálózata;
c) a hálózat minden más része.
Az ÁME nem vonatkozik a 2008/57/EK irányelv 1. cikkének (3) bekezdésében említett esetekre.
(3) Az ÁME vonatkozik az Unió vasúti rendszerének az (1) bekezdésben említett minden olyan új infrastruktúra vagy járművek alrendszerére, amelyet a 12. cikkben előírt alkalmazási időpontot követően helyeznek üzembe, figyelemmel a melléklet 7.1.1. és 7.1.2. pontjára.
(4) Az ÁME nem vonatkozik az Unió vasúti rendszerének az (1) bekezdésben említett olyan meglévő infrastruktúra vagy járművek alrendszerére, amelynek üzembe helyezése a 12. cikkben előírt alkalmazási időpontban valamely tagállam hálózatán (vagy annak egy részén) belül már megtörtént.
(5) Az ÁME-t alkalmazni kell azonban az Unió vasúti rendszerének az (1) bekezdésben említett, meglévő infrastruktúrájára és járműveire, amelyeken a 2008/57/EK irányelv 20. cikke szerinti felújítást vagy korszerűsítést végeznek, tekintettel e rendelet 8. cikkére és e rendelet mellékletének 7.2. pontjára.
3. cikk
Megfelelőségértékelés
(1) A melléklet 6. szakaszában meghatározott, kölcsönös átjárhatóságot lehetővé tevő rendszerelemek és alrendszerek megfelelőségértékelési eljárásainak a 2010/713/EU bizottsági határozattal ( 1 ) létrehozott modulokon kell alapulniuk.
(2) A kölcsönös átjárhatóságot lehetővé tevő rendszerelemek típus- vagy tervvizsgálati tanúsítványa ötéves időtartamig érvényes. Ezen időszak alatt azonos típusú új rendszerelemek újabb megfelelőségértékelés nélkül helyezhetők üzembe.
(3) A (2) bekezdésben említett, a 2008/164/EK határozat követelményeinek megfelelően kibocsátott tanúsítványok az eredetileg meghatározott lejárati időpontig érvényben maradnak anélkül, hogy új megfelelőségértékelésre lenne szükség. A tanúsítvány megújítása érdekében a típus vagy terv újbóli értékelését kizárólag az e rendelet mellékletében meghatározott új vagy módosított követelményekhez képest kell elvégezni.
(4) A 2008/164/EK bizottsági határozat követelményeinek fényében értékelt univerzális mosdómodulok újbóli értékelését nem kell elvégezni, amennyiben azokat az 1302/2014/EU bizottsági határozatban ( 2 ) (LOC&PAS ÁME) meghatározott meglévő konstrukciójú járművekbe szánják.
4. cikk
Különleges esetek
(1) A melléklet 7.3. szakaszában említett különleges esetek tekintetében a kölcsönös átjárhatóságnak a 2008/57/EK irányelv 17. cikkének (2) bekezdése szerinti hitelesítéséhez teljesítendő feltételek az e rendelet hatálya alá tartozó alrendszer üzembe helyezését engedélyező tagállamban használt, alkalmazandó műszaki szabályok.
(2) 2015. július 1-jéig valamennyi tagállam tájékoztatja a többi tagállamot és a Bizottságot a következőkről:
a) az (1) bekezdésben említett műszaki szabályok;
b) az (1) bekezdésben említett nemzeti szabályok alkalmazása érdekében elvégzendő megfelelőségértékelési és hitelesítési eljárások;
c) a melléklet 7.3. pontjában szereplő különleges esetek tekintetében a megfelelőségértékelési és hitelesítési eljárások végrehajtására a 2008/57/EK irányelv 17. cikke (3) bekezdésének megfelelően kijelölt szervezetek.
5. cikk
A megvalósítás előrehaladott állapotában lévő projektek
A 2008/57/EK irányelv 9. cikke (3) bekezdésének megfelelően az e rendelet hatálybalépését követő egy éven belül minden tagállam megküldi a Bizottságnak a területén megvalósítás alatt álló, előrehaladott fázisban lévő projektek listáját.
6. cikk
Innovatív megoldások
(1) A technológiai fejlődés olyan innovatív megoldásokat tehet szükségessé, amelyek nem felelnek meg a mellékletben meghatározott előírásoknak, vagy amelyekre vonatkozóan a mellékletben szereplő értékelési módszerek nem alkalmazhatók.
(2) Az innovatív megoldások érinthetik az infrastruktúra és a járművek alrendszert, azok részeit és kölcsönös átjárhatóságot lehetővé tevő rendszerelemeit.
(3) Amennyiben innovatív megoldás alkalmazására érkezik javaslat, a gyártó vagy annak unióbeli hivatalos képviselője köteles nyilatkozni arról, hogy a szóban forgó megoldás miben tér el a mellékletben meghatározott ÁME rendelkezéseitől, és köteles ezt elemzésre benyújtani a Bizottsághoz. A Bizottság a javasolt innovatív megoldásról kikérheti az Ügynökség véleményét, és adott esetben konzultációt folytathat az érintett felekkel.
(4) A Bizottság véleményt nyilvánít a javasolt innovatív megoldásról. Pozitív vélemény esetén ki kell dolgozni az érintett innovatív megoldás alkalmazhatósága érdekében az ÁME-ba felveendő, a működésre és a kapcsolódási pontokra vonatkozó megfelelő előírásokat, valamint értékelési módszert, amelyeket a későbbi felülvizsgálat során be kell építeni az ÁME-ba. Negatív vélemény esetében a javasolt innovatív megoldás nem alkalmazható.
(5) Az ÁME felülvizsgálatáig a Bizottság pozitív véleményét a 2008/57/EK irányelv alapvető követelményeinek való megfelelés igazolására elfogadható eszköznek kell tekinteni, és azt az alrendszer és projektek értékeléséhez fel lehet használni.
7. cikk
Eszközleltár
(1) Minden tagállam biztosítja, hogy eszközleltárt készítsenek és alkalmazzanak az alábbi célokból:
a) a hozzáférhetőség korlátainak azonosítása;
b) a felhasználók tájékoztatása;
c) a hozzáférhetőséggel kapcsolatos előrelépés figyelemmel kísérése és értékelése.
(2) Az Ügynökség olyan munkacsoportot hoz létre és működtet, melynek feladata az eszközleltárhoz gyűjtendő adatok minimális szerkezetére és tartalmára vonatkozó ajánlásra történő javaslattétel. Az Ügynökség ajánlást nyújt be a Bizottsághoz, beleértve a tartalomra, adatformátumra, funkcionális és műszaki kialakításra, üzemmódra, adatbevitelre és konzultációra, az önértékelés szabályaira és az adatszolgáltatásért felelős szervezetek kijelölésére vonatkozó ajánlást. A leginkább életképes megoldás azonosítása érdekében az ajánlásnak figyelembe kell vennie az összes vizsgált műszaki megoldás becsült költségét és hasznait. Az ajánlásnak az eszközleltár elkészítésének időzítésére vonatkozóan is javaslatot kell tartalmaznia.
(3) A melléklet 7. fejezetét a (2) bekezdésben említett ajánlás alapján a 2008/57/EK irányelv 6. cikkének megfelelően frissíteni kell.
(4) Az eszközleltárnak legalább a következőkre ki kell terjednie:
a) az állomásoknak a melléklet 2.1.1. pontjában meghatározott, utasok közlekedésére kijelölt, nyilvános területei;
b) a melléklet 2.1.2. pontjában meghatározott járművek.
(5) Az eszközleltárt frissíteni kell az új infrastruktúrára és járművekre, valamint a meglévő infrastruktúrán és járműveken végzett felújítási vagy karbantartási munkálatokra vonatkozó adatok beépítése érdekében.
7a. cikk
A hozzáférhetőségi adatok gyűjtése, karbantartása és cseréje
(1) 2019. június 16. után kilenc hónapon belül minden tagállam meghatározza a hozzáférhetőségi adatok gyűjtéséért, karbantartásáért és cseréjéért felelős szervezeteket.
(2) A tagállamok kérhetik a Bizottságtól e határidő meghosszabbítását. A határidő kizárólag kivételes, megfelelően indokolt esetekben és korlátozott időre hosszabbítható meg. Indokolt esetnek tekintendő különösen, ha az Európai Unió Vasúti Ügynöksége az e rendelet hatálybalépésétől számított két hónapon belül nem bocsátja rendelkezésre teljes mértékben működőképes formában az e rendelet mellékletében meghatározott adatgyűjtő eszközt és üzemmódokat.
(3) Minden állomás esetében ki kell jelölni egy, a hozzáférhetőségi adatok cseréjéért felelős szervezetet.
(4) Az adatok gyűjtésének és átalakításának az e rendelet hatálybalépését követő 36 hónapon belül be kell fejeződnie.
(5) Mindaddig, amíg a 454/2011/EU bizottsági rendelet ( 3 ) I. mellékletének 7.2., 7.3. és 7.4. pontjában említett adatcsere-architektúra nem teljesen működőképes, a hozzáférhetőségi adatok gyűjtése ezen adatoknak az Európai Unió Vasúti Ügynöksége által üzemeltetett, az európai vasútállomások hozzáférhetőségi adatait tartalmazó adatbázisba (ERSAD) való átvitele révén történik.
8. cikk
Nemzeti végrehajtási tervek
(1) A tagállamok a hozzáférhetőség valamennyi azonosított korlátjának fokozatos megszüntetése céljából nemzeti végrehajtási terveket fogadnak el, amelyek legalább a melléklet C. függelékében felsorolt információkat tartalmazzák.
(2) A nemzeti végrehajtási terveket a meglévő nemzeti tervekre - és ha rendelkezésre áll - a 7. cikkben említett eszközleltárra, vagy bármely más releváns és megbízható információforrásra kell alapozni.
A nemzeti tervek hatályát és végrehajtásának ütemét a tagállamok határozzák meg.
(3) A nemzeti végrehajtási tervet legalább 10 éves időszakra kell elkészíteni, és azt rendszeresen - legalább ötévente - naprakésszé kell tenni.
(4) A nemzeti végrehajtási terveknek stratégiát kell tartalmazniuk, amely magában foglal egy, az állomások és a járműegységek felújításra vagy korszerűsítésre való kijelölésének kritériumait és prioritásait megállapító rangsorolási szabályt. A stratégiát a pályahálózat-működtetővel (pályahálózat-működtetőkkel), állomásüzemeltetővel (állomásüzemeltetőkkel), vasúttársasággal (vasúttársaságokkal) és szükség szerint más helyi hatóságokkal (ideértve a helyi közlekedési hatóságokat) együttműködésben kell kialakítani. Konzultálni kell a felhasználók - a fogyatékossággal élő és a csökkent mozgásképességű személyeket is ideértve - érdek-képviseleti szerveivel.
(5) Minden tagállamban a (4) bekezdésben említett rangsorolási szabálynak kell felváltania a melléklet B. függelékében meghatározott szabályt, amelyet a nemzeti végrehajtási tervnek az adott tagállamban történő elfogadásáig kell alkalmazni.
(6) A tagállamok legkésőbb 2017. január 1-ig bejelentik a Bizottságnak nemzeti végrehajtási tervüket. A Bizottság weboldalán közzéteszi a nemzeti végrehajtási terveket és azoknak a (9) bekezdéssel összhangban bejelentett, későbbi felülvizsgált változatait, és a tagállamokat a 2008/57/EK irányelvvel létrehozott bizottság útján tájékoztatja azokról.
(7) A Bizottság a bejelentési eljárás befejeződésétől számított hat hónapon belül elkészíti a nemzeti végrehajtási tervekben szereplő stratégiák összehasonlító áttekintését. A Bizottság ezen áttekintés alapján és a 9. cikkben említett tanácsadó bizottsággal együttműködésben közös prioritásokat és kritériumokat határoz meg az ÁME végrehajtásának előmozdítására. Ezeket a prioritásokat a 2008/57/EK irányelv 6. cikke szerinti felülvizsgálati eljárás során be kell építeni a melléklet 7. fejezetébe.
(8) A tagállamoknak a felülvizsgált ÁME elfogadásától számított tizenkét hónapon belül felül kell vizsgálniuk nemzeti végrehajtási tervüket a (7) bekezdésben említett prioritások fényében.
(9) A tagállamoknak a (8) bekezdésben említett, felülvizsgált nemzeti végrehajtási tervüket és a nemzeti végrehajtási terv (3) bekezdésben említett bármely más naprakésszé tételét legkésőbb az annak jóváhagyását követő négy héten belül be kell jelenteniük a Bizottságnak.
9. cikk
Tanácsadó testület
(1) A Bizottság tanácsadó testületet hoz létre, hogy az segítséget nyújtson számára az ÁME végrehajtásának figyelemmel kísérésében. A tanácsadó testület elnöki tisztét a Bizottság tölti be.
(2) A tanácsadó testület legkésőbb 2015. február 1-jén létrejön, és az alábbiakból áll:
a) a részt venni kívánó tagállamok;
b) a vasúti ágazat érdek-képviseleti szervei;
c) a felhasználók érdek-képviseleti szervei;
d) az Európai Vasúti Ügynökség.
(3) A tanácsadó testület feladatai körébe tartoznak az alábbiak:
a) az eszközleltárra vonatkozó minimális adatszerkezet kialakításának figyelemmel kísérése;
b) a tagállamok támogatása eszközleltáruk és végrehajtási terveik elkészítésében;
c) segítségnyújtás a Bizottságnak az ÁME végrehajtásának figyelemmel kísérésében;
d) a bevált gyakorlatok megosztásának elősegítése;
e) segítségnyújtás a Bizottságnak az ÁME végrehajtása tekintetében a közös prioritások és kritériumok meghatározásában, a 8. cikkben említettek szerint;
f) adott esetben ajánlások tétele a Bizottságnak, különösen az ÁME végrehajtásának erősítése céljából.
(4) A Bizottság a 2008/57/EK irányelvvel létrehozott bizottság útján folyamatosan tájékoztatja a tagállamokat a tanácsadó testület tevékenységéről.
10. cikk
Záró rendelkezések
Az ÁME-nek való teljes megfelelés azon projektek esetében kötelező, amelyek uniós pénzügyi támogatásban részesültek a meglévő járművek vagy részeik felújítása vagy korszerűsítése céljából vagy a meglévő infrastruktúra - különösen az állomások vagy alkotóelemeik, illetve a peronok vagy alkotóelemeik - felújítása vagy korszerűsítése céljából.
11. cikk
Hatályon kívül helyezés
A 2008/164/EK határozat 2015. január 1-jével hatályát veszti.
Ugyanakkor ezt követően is alkalmazandó az alábbiakra:
a) az említett határozatnak megfelelően engedélyezett alrendszerek;
b) új, felújított vagy korszerűsített alrendszerekre vonatkozó projektek, amelyek megvalósítása e rendelet kihirdetésének időpontjában előrehaladott fázisban van, vagy amelyek olyan szerződés tárgyát képezik, amely e rendelet kihirdetésekor folyamatban van;
c) az e rendelet mellékletének 7.1.2. pontjában említett, meglévő konstrukciójú új járművekre vonatkozó projektek.
12. cikk
Hatálybalépés
Ez a rendelet az Európai Unió Hivatalos Lapjában való kihirdetését követő huszadik napon lép hatályba.
Ezt a rendeletet 2015. január 1-jétől kell alkalmazni. Ugyanakkor üzembehelyezési engedély már 2015. január 1-je előtt is kiadható az e rendelet mellékletében meghatározott ÁME alapján.
Ez a rendelet teljes egészében kötelező és közvetlenül alkalmazandó valamennyi tagállamban.
MELLÉKLET
1. BEVEZETÉS
Ezen ÁME célja, hogy fokozza a vasúti közlekedés hozzáférhetőségét a fogyatékossággal élő és a csökkent mozgásképességű személyek számára.
1.1. Műszaki hatály
Ezen ÁME műszaki hatályát a rendelet 2. cikkének (1) bekezdése határozza meg.
1.2. Területi hatály
Ezen ÁME területi hatályát a rendelet 2. cikkének (2) bekezdése határozza meg.
2. AZ ALRENDSZEREK ALKALMAZÁSI KÖRE ÉS FOGALOMMEGHATÁROZÁSOK
2.1. Az alrendszerek alkalmazási köre
2.1.1. Az infrastruktúra alrendszer tekintetében megállapított alkalmazási kör
Ezen ÁME az állomások utasok közlekedésére szolgáló összes nyilvános területére vonatkozik, amelyek a vasúttársaság, a pályahálózat-működtető vagy az állomásüzemeltető kezelésében vannak. Ebbe beletartozik a tájékoztatás, a jegyvásárlás és szükség esetén a jegyek érvényesítése, és a vonatra való várakozás lehetősége.
2.1.2. A jármű alrendszer tekintetében megállapított alkalmazási kör
Ezt az ÁME-t a mozdonyokra és személyszállító járművekre vonatkozó (LOC&PAS) ÁME hatálya alá tartozó, személyek szállítására szolgáló járművekre kell alkalmazni.
2.1.3. Az üzemeltetési vonatkozások alrendszere tekintetében megállapított alkalmazási kör
Ez az ÁME olyan eljárásokra vonatkozik, amelyek lehetővé teszik az infrastruktúra és járművek alrendszer következetes üzemeltetését olyan esetekben, amikor az utasok fogyatékossággal élő és/vagy csökkent mozgásképességű személyek.
2.1.4. A személyszállítási telematikai alkalmazások alrendszer tekintetében megállapított alkalmazási kör
Ez az ÁME vonatkozik az állomásokon és a járműveken található vizuális és hangos utastájékoztató rendszerekre.
2.2. "A fogyatékossággal élő és a csökkent mozgásképességű személy" kifejezés meghatározása
"A fogyatékossággal élő és a csökkent mozgásképességű személy": minden olyan személy, akinek olyan állandó vagy időleges fizikai, mentális, intellektuális vagy érzékszervi károsodása van, amely különféle akadályokkal együttesen hátráltathatja a más utasokkal egyenértékű, teljes körű és tényleges közlekedést, illetve akinek a mobilitása a közlekedés során életkora folytán korlátozott.
Ezen ÁME hatálya nem terjed ki a nagyméretű tárgyak (például kerékpárok vagy terjedelmes poggyász) szállítására.
2.3. Egyéb fogalommeghatározások
A járművekre vonatkozó fogalommeghatározások tekintetében lásd a LOC&PAS ÁME 2.2. pontját.
Hozzáférhetőségi adatok
A hozzáférhetőségi adatok a személyforgalmi vasútállomások hozzáférhetőségével kapcsolatban összegyűjtendő, karbantartandó és cserélendő információkat, azaz a személyforgalmi vasútállomások jellemzőinek és berendezéseinek leírását jelentik. Ezt a leírást adott esetben az állomás ezen ÁME-nek való megfelelésével kapcsolatos információk egészítik ki.
Akadálymentes útvonal
Az akadálymentes útvonal az utasok közlekedésére szánt két vagy több, a 2.1.1. pontban meghatározott nyilvános terület közötti összeköttetés. Az ilyen útvonalat minden fogyatékossággal élő és csökkent mozgásképességű személy igénybe tudja venni. Ennek elérésére az útvonalat fel lehet osztani annak érdekében, hogy jobban megfeleljen a fogyatékossággal élő és a csökkent mozgásképességű személyek igényeinek. Az akadálymentes útvonal valamennyi részének együttese képezi a fogyatékossággal élő és a csökkent mozgásképességű személyek számára elérhető útvonalat.
Lépcsőmentes útvonal
A lépcsőmentes útvonal az akadálymentes útvonal egyik szakasza, amely megfelel a mobilitásukban korlátozott személyek szükségleteinek. Az ilyen útvonalon a szintkülönbségeket kiiktatják, vagy ha ez nem lehetséges, rámpákkal vagy felvonókkal hidalják át.
"Tapintható jelzések" és "tapintható kezelőszervek"
A "tapintható jelzések" és "tapintható kezelőszervek" kiálló piktogramokat, karaktereket vagy Braille-írást tartalmazó jelzések vagy kezelőszervek.
Állomásüzemeltető
Az állomás üzemeltetője a vasútállomás vezetéséért felelős tagállami szervezeti egység, amely egyben a pályahálózat-működtető is lehet.
Biztonsági tájékoztatás
A biztonsági tájékoztatás az utasoknak adott olyan tájékoztatás, amely lehetővé teszi számukra, hogy előre tudják, hogyan viselkedjenek vészhelyzet esetén.
Biztonsági utasítások
A biztonsági utasítások az utasoknak vészhelyzet esetén annak érdekében adott utasítások, hogy megértsék, mit kell tenniük.
Szintbeli hozzáférés
A peronról a jármű ajtónyílásához vezető olyan szintbeli hozzáférés, amelyről igazolható, hogy:
- az említett ajtó küszöbe (vagy az ajtó kinyúló hídeleme) és a peron közötti rés bizonyítottan nem nagyobb, mint vízszintesen 75 mm, függőlegesen pedig 50 mm, és
- a járműben nincs belső lépcső az ajtónyílás és az előtér között.
3. ALAPVETŐ KÖVETELMÉNYEK
A következő táblázatok ismertetik a 2008/57/EK irányelv III. mellékletében meghatározott alapvető követelményeket, amelyeket az ezen ÁME 4. szakaszának előírásai teljesítenek az ÁME hatálya tekintetében.
A táblázatban fel nem sorolt követelmények ezen ÁME hatályán belül nem bírnak jelentőséggel.
1. táblázat
Az infrastruktúra alrendszerre vonatkozó alapvető követelmények
| Infrastruktúra | Hivatkozás a 2008/57/EK irányelv III. mellékletében szereplő alapvető követelményekre | ||||||
| Az ÁME területének eleme | Az e melléklet hivatkozási pontja | Biztonság | Megbízhatóság és rendelkezésre állás | Egészség | Környezetvédelem | Műszaki összeegyeztethetőség | Hozzáférés biztosítása (1) |
| Parkolási lehetőségek a fogyatékossággal élő és a csökkent mozgásképességű személyek számára | 4.2.1.1. | 2.1.2. | |||||
| Akadálymentes útvonal | 4.2.1.2. | 2.1.1. | 2.1.2. | ||||
| Ajtók és bejáratok | 4.2.1.3. | 1.1.1. 2.1.1. | 2.1.2. | ||||
| Padlófelületek | 4.2.1.4. | 2.1.1. | 2.1.2. | ||||
| Átlátszó akadályok kiemelése | 4.2.1.5. | 2.1.1. | 2.1.2. | ||||
| Mosdók és pelenkázóhelyiségek | 4.2.1.6. | 1.1.5. 2.1.1. | 2.1.2. | ||||
| Bútorok és szabadon álló eszközök | 4.2.1.7. | 2.1.1. | 2.1.2. | ||||
| Jegyértékesítő és információs pultok és ügyfélszolgálati pontok | 4.2.1.8. | 2.1.1. | 2.7.3. | 2.7.1. | 2.1.2. 2.7.5. | ||
| Megvilágítás | 4.2.1.9. | 2.1.1. | 2.1.2. | ||||
| Vizuális tájékoztatás: jelzőtáblák, piktogramok, nyomtatott vagy dinamikus információk | 4.2.1.10. | 2.7.1. | 2.1.2. 2.7.5. | ||||
| Szóbeli tájékoztatás | 4.2.1.11. | 2.1.1. | 2.7.3. | 2.7.1. | 2.1.2. 2.7.5. | ||
| A peronok szélessége és pereme | 4.2.1.12. | 2.1.1. | 2.1.2. | ||||
| A peronok vége | 4.2.1.13. | 2.1.1. | 2.1.2. | ||||
| Fel- és leszállást segítő eszközök a peronokon | 4.2.1.14. | 1.1.1. | 2.1.2. | ||||
| Szintbeli vágányátjárók az állomásokon | 4.2.1.15. | 2.1.1. | 2.1.2. | ||||
| (1) Alapvető követelmény a 2008/57/EK irányelv III. mellékletének módosításáról szóló, 2013. március 11-i 2013/9/EU bizottsági irányelvből (HL L 68., 2013.3.12., 55. o.). | |||||||
2. táblázat
A járművek alrendszerre vonatkozó alapvető követelmények
| Járművek | Hivatkozás a 2008/57/EK irányelv III. mellékletében szereplő alapvető követelményekre | ||||||
| Az ÁME területének eleme | Az e melléklet hivatkozási pontja | Biztonság | Megbízhatóság és rendelkezésre állás | Egészség | Környezetvédelem | Műszaki összeegyeztethetőség | Hozzáférés biztosítása |
| Ülések | 4.2.2.1. | 1.3.1. | 2.4.5. | ||||
| Kerekesszékek számára kialakított helyek | 4.2.2.2. | 2.4.1. | 2.4.5. | ||||
| Ajtók | 4.2.2.3. | 1.1.1. 1.1.5. 2.4.1. | 1.2. | 2.4.5. | |||
| Megvilágítás | 4.2.2.4. | 2.4.1. | 2.4.5. | ||||
| Mosdók | 4.2.2.5. | 2.4.1. | 2.4.5. | ||||
| Közlekedők | 4.2.2.6. | 1.3.1. | 2.4.5. | ||||
| Ügyfél-tájékoztatás | 4.2.2.7. | 2.4.1. | 2.7.3. | 2.7.1. | 2.4.5. 2.7.5. | ||
| Szintkülönbségek | 4.2.2.8. | 1.1.5. | 2.4.5. | ||||
| Fogódzók | 4.2.2.9. | 1.1.5. | 2.4.5. | ||||
| Kerekesszékkel megközelíthető hálófülkék | 4.2.2.10. | 2.4.1. | 2.4.5. | ||||
| A lépcső pozíciója a járműre való fel- és leszálláshoz | 4.2.2.11. | 1.1.1. | 2.4.2. | 1.5. 2.4.3. | 2.4.5. | ||
| Fel- és leszállást segítő eszközök | 4.2.2.12. | 1.1.1. | 1.5. 2.4.3. | 2.4.5. | |||
4. AZ ALRENDSZEREK JELLEMZÉSE
4.1. Bevezetés
(1) A 2008/57/EK irányelv tárgyát képező uniós vasúti rendszer, amelynek az alrendszerek a részét képezik, olyan integrált rendszer, amelynek egységességét ellenőrizni kell. Ezt az egységességet különösen az egyes alrendszerek műszaki előírásai, a felsőbb szintű rendszerhez való kapcsolódási pontjai és az üzemeltetési és karbantartási szabályok szempontjából kell ellenőrizni.
(2) Az alrendszer funkcionális és műszaki előírásai és annak kapcsolódási pontjai, amelyek leírása a 4.2. és 4.3. pontban található, nem teszik kötelezővé meghatározott technológiák vagy műszaki megoldások alkalmazását, kivéve, ha ez szigorúan szükséges az uniós vasúthálózat átjárhatóságához. Az átjárhatóság innovatív megoldásai azonban új előírásokat és/vagy új vizsgálati módszereket tehetnek kötelezővé. A műszaki újítás lehetővé tétele érdekében ezen előírások és vizsgálati módszerek kidolgozása a rendelet 6. cikkében ismertetett folyamat szerint történik.
(3) Az összes vonatkozó alapvető követelmény figyelembevételével a fogyatékossággal élő és a csökkent mozgásképességű személyek általi hozzáférhetőséggel kapcsolatos alapvető paramétereket az infrastruktúra és járművek alrendszerre vonatkozóan ezen ÁME 4.2. pontja tartalmazza. Az üzemeltetési követelmények és kötelezettségek az üzemeltetésre vonatkozó (OPE) ÁME-ben és ezen ÁME 4.4. pontjában találhatók.
4.2. Funkcionális és műszaki előírások
4.2.1. Infrastruktúra alrendszer
(1) A 3. szakasz alapvető követelményeire figyelemmel az infrastruktúra alrendszernek a fogyatékossággal élő és a csökkent mozgásképességű személyek hozzáférésével összefüggő funkcionális és műszaki előírásait az alábbiak szerint alakították ki:
- Parkolási lehetőségek a fogyatékossággal élő és a csökkent mozgásképességű személyek számára
- Akadálymentes útvonalak
- Ajtók és bejáratok
- Padlófelületek
- Átlátszó akadályok kiemelése
- Mosdók és pelenkázóhelyiségek
- Bútorok és szabadon álló eszközök
- Jegyértékesítő és információs pultok és ügyfélszolgálati pontok
- Megvilágítás
- Vizuális tájékoztatás: jelzőtáblák, piktogramok, nyomtatott vagy dinamikus információk
- Szóbeli tájékoztatás
- A peronok szélessége és pereme
- A peronok vége
- A peronokon tárolt fel- és leszállást segítő eszközök
- Szintbeli átjárók
(2) A 4.2.1.1-4.2.1.15. pontban meghatározott alapvető paraméterek az infrastruktúra alrendszer 2.1.1. pontban meghatározott hatályára vonatkoznak; ezek a paraméterek két kategóriára oszthatóak:
- azok, amelyek esetében a műszaki adatok - így a peronokra vonatkozó paraméterek és a peronok elérhetőségének módja - meghatározásra várnak. Ebben az első esetben az alapvető paramétereket konkrétan ismertetik, és részletezésre kerülnek azok a műszaki adatok, amelyeknek a követelmény teljesítése érdekében meg kell felelni,
- azok a paraméterek, amelyekre nem kell meghatározni műszaki adatokat, ilyenek a rámpákra vonatkozó értékek vagy a parkolóhelyek jellemzői. Ebben a második esetben az alapvető paraméter funkcionális követelményként kerül meghatározásra, amely többféle műszaki megoldás alkalmazásával teljesíthető.
Az alábbi 3. táblázat megadja a kategóriát az alapvető paraméterek mindegyikéhez.
3. táblázat
Az alapvető paraméterek kategóriái
| Alapvető paraméter | Megadott műszaki adatok | Csak funkcionális követelmény |
| Parkolási lehetőségek a fogyatékossággal élő és a csökkent mozgásképességű személyek számára | A teljes 4.2.1.1. pont | |
| Akadálymentes útvonal | Az útvonal elhelyezkedése Az akadálymentes útvonal szélessége Küszöb Kettős fogódzó A felvonó típusa A Braille-jelek magassága | Részletes jellemzők |
| 4.2.1.3. pont (2) bekezdés: Ajtó szélessége 4.2.1.3. pont (4) bekezdés: Az ajtónyitó eszköz magassága | 4.2.1.3. pont (1) bekezdés 4.2.1.3 (3) | |
| Padlófelületek | A teljes 4.2.1.4. pont | |
| A teljes 4.2.1.5. pont | ||
| Mosdók és pelenkázóhelyiségek | A teljes 4.2.1.6. pont | |
| Bútorok és szabadon álló eszközök | A teljes 4.2.1.7. pont | |
| Jegyértékesítő és információs pultok és ügyfélszolgálati pontok | 4.2.1.8 (5): Átjáró a jegyellenőrző automatákhoz | 4.2.1.8. pont (1)–(4) bekezdés 4.2.1.8. pont (6) bekezdés |
| Megvilágítás | 4.2.1.9. pont (3) bekezdés: Világítás a peronokon | 4.2.1.9. pont (1) bekezdés, 4.2.1.9. pont (2) bekezdés, 4.2.1.9. (4) bekezdés: Világítás más helyeken |
| Vizuális tájékoztatás: jelzőtáblák, piktogramok, nyomtatott vagy dinamikus információk | A megadandó tájékoztatás részletessége A tájékoztatás elhelyezkedése | A vizuális tájékoztatás részletes jellemzői |
| Szóbeli tájékoztatás | A teljes 4.2.1.11. pont | |
| A peronok szélessége és pereme | A teljes 4.2.1.12. pont | |
| A peronok vége | A teljes 4.2.1.13. pont | |
| A peronokon tárolt fel- és leszállást segítő eszközök | A teljes 4.2.1.14. pont | |
| Szintbeli vágányátjárók az állomásokon utasok számára | A teljes 4.2.1.15. pont |
4.2.1.1. Parkolási lehetőségek a fogyatékossággal élő és a csökkent mozgásképességű személyek számára
(1) Ahol az állomás külön parkolóval rendelkezik, a parkolóhelyen belül egy megközelíthető bejárathoz a lehető legközelebb kellő számú és adaptált parkolóhelyet kell fenntartani azoknak a fogyatékossággal élő és a csökkent mozgásképességű személyeknek, akik az ilyen parkolóhelyek használatára jogosultak.
4.2.1.2. Akadálymentes útvonal
(1) Olyan akadálymentes útvonalakat kell biztosítani, amelyek összekötik az infrastruktúra következő nyilvános területeit (azok megléte esetén):
- más csatlakozó közlekedési eszközök megállóhelyei az állomás területén belül (például taxi, busz, villamos, metró, komp stb.)
- parkolók
- megközelíthető be- és kijáratok
- információs pultok
- vizuális és hangos tájékoztató rendszerek
- jegyértékesítő helyek
- ügyfélszolgálat
- váróterületek
- mosdóhelyiségek
- peronok
(2) Az akadálymentes útvonalaknak a lehető legrövidebbnek kell lenniük.
(3) Az akadálymentes útvonalak padlófelülete és talajfelülete csak csekély mértékben tükröződhet.
4.2.1.2.1. Vízszintes mozgás
(1) Minden akadálymentes útvonalnak, gyaloghídnak és aluljárónak legalább 160 cm szabad szélességgel kell rendelkeznie, a 4.2.1.3. (2) (ajtók), 4.2.1.12. (3) (peronok) és 4.2.1.15. (2) (szintbeli átjárók) pontban meghatározott területek kivételével.
(2) Amennyiben vízszintes útvonalon küszöböket helyeznek el, azoknak színben el kell térniük a közvetlen környezetüktől és nem lehetnek 2,5 cm-nél magasabbak.
4.2.1.2.2. Függőleges mozgás
(1) Amennyiben az akadálymentes útvonal szintkülönbséget foglal magában, lépcsőmentes útvonalat kell biztosítani, amelyet a mozgásukban korlátozott személyek a lépcső helyett használhatnak.
(2) Az akadálymentes útvonalon lévő lépcsők minimális szélessége 160 cm kell, hogy legyen a fogódzók között mérve. Legalább az első és utolsó lépcsőfokot elütő színű csíkkal kell jelölni, és legalább az első lefelé vezető lépcsőfok előtt tapintható információt hordozó burkolati figyelmeztető jelzéseket kell elhelyezni.
(3) Ahol nincsenek felvonók, rámpákat kell biztosítani a fogyatékossággal élő és a csökkent mozgásképességű, a lépcsőt használni képtelen személyek számára. Ezeknek mérsékelt lejtésűnek kell lenniük. A rámpákon meredek lejtés csak rövid távolságon megengedett.
(4) A lépcsőket és a rámpákat mindkét oldalon kétszintű fogódzókkal kell ellátni.
(5) Ahol nincsenek rámpák, legalább 2. típusú felvonókról kell gondoskodni, amelyek megfelelnek az A. függelék 1. hivatkozásában említetteknek. Az 1. típusú felvonók csak a felújítás vagy korszerűsítés alatt álló állomásokon megengedettek.
(6) A mozgólépcsőket és mozgó járdákat az A. függelék 2. hivatkozásában említett előírásokkal összhangban kell megtervezni.
(7) Az akadálymentes útvonalon szintbeli vágányátjárók akkor lehetnek, ha azok megfelelnek a 4.2.1.15. pont követelményeinek.
4.2.1.2.3. Az útvonalak azonosítása
(1) Az akadálymentes útvonalakat egyértelműen azonosítani kell látható tájékoztatással a 4.2.1.10. pontban részletezettek szerint.
(2) A látáskorlátozott személyeknek legalább tapintható és elütő színű burkolati jelzéssel kell tájékoztatást nyújtani az akadálymentes útvonalakról. Ez a pont nem vonatkozik a parkolókba vezető és onnan induló akadálymentes útvonalakra.
(3) Ezeken felül vagy ezek helyett megengedettek a távirányítással működő hangjelző berendezéseket vagy telefonos alkalmazásokat használó műszaki megoldások. Helyettesítő felhasználás esetében e megoldásokat innovatív megoldásként kell kezelni.
(4) Ha fogódzók vagy falak vannak elérhető közelségben a peronhoz vezető akadálymentes útvonal mentén, a fogódzón vagy a falon 145 és 165 cm közötti magasságban rövid tájékoztatást kell feltüntetni (pl. a peron száma vagy útiránnyal kapcsolatos információ) Braille-írással vagy prizmás betűkkel és számokkal.
4.2.1.3. Ajtók és bejáratok
(1) Ez a pont minden olyan ajtóra és bejáratra vonatkozik, amelyek az akadálymentes útvonalon helyezkednek el, az olyan mosdókba vezető ajtók kivételével, amelyeket nem a fogyatékossággal élő és a csökkent mozgásképességű személyeknek szántak.
(2) Az ajtóknak legalább 90 cm nettó hasznos szélességgel kell rendelkezniük, és a fogyatékossággal élő és a csökkent mozgásképességű személyek által működtethetőnek kell lenniük.
(3) Manuális, félautomata és automata ajtók használata megengedett.
(4) Az ajtónyitó eszközöket 80 cm és 110 cm magasság között kell elhelyezni.
4.2.1.4. Padlófelületek
(1) Minden padlóbevonatnak, talajfelületnek és a lépcsők járófelületének csúszásmentesnek kell lennie.
(2) Az állomásépületeken belül nem lehetnek 0,5 cm-t meghaladó egyenetlenségek a járófelületek padlójának bármely pontján, a küszöbök, a vízelvezető csatornák és a tapintható burkolati jelzések kivételével.
4.2.1.5. Átlátszó akadályok kiemelése
(1) Az utasok által használt útvonalak átlátszó akadályait - például üvegajtókat és üvegfalakat - jelezni kell. Ezeknek a jelzéseknek ki kell emelniük az átlátszó akadályokat. E jelzések nem kötelezők, ha az utasok más módon, például fogódzóval vagy folyamatos padokkal védve vannak az ütközéstől.
4.2.1.6. Mosdók és pelenkázóhelyiségek
(1) Ha az állomáson mosdóról gondoskodnak, legalább egy férfiak és nők számára egyaránt használható fülkének kerekesszékkel megközelíthetőnek kell lennie.
(2) Ha az állomáson mosdóról gondoskodnak, férfiak és nők számára egyaránt megközelíthető pelenkázóhelyiséget is kell biztosítani.
4.2.1.7. Bútorok és szabadon álló eszközök
(1) Az állomáson minden bútordarabnak és szabadon álló berendezésnek el kell ütnie a hátterétől, és lekerekített élekkel kell rendelkeznie.
(2) Az állomás területén belül úgy kell elhelyezni a bútorokat és a szabadon álló berendezéseket (beleértve a kinyúló konzolos és felfüggesztett elemeket), hogy ne akadályozzák a vak vagy látáskorlátozott utasokat, és bottal észlelhetőek legyenek.
(3) Minden olyan peronon, ahol az utasok számára megengedett, hogy a vonatra várjanak, és minden váróterületen legalább egy, ülőhelyekkel felszerelt területet és a kerekesszék számára helyet kell biztosítani.
(4) Amennyiben ez a terület az időjárástól védett, annak kerekesszéket használók által hozzáférhetőnek kell lennie.
4.2.1.8. Jegyértékesítő és információs pultok és ügyfélszolgálati pontok
(1) Ahol az akadálymentes útvonal mentén manuális jegyértékesítő és információs pultokat és ügyfélszolgálati pontokat biztosítanak, legalább egy pultnak hozzáférhetőnek kell lennie a kerekesszéket használók és az alacsony termetűek számára, és legalább egy pultot fel kell szerelni hallástámogató indukciós hurokrendszerrel.
(2) Ha üvegfal van az utas és a jegyértékesítő pultnál dolgozó személy között, ennek vagy eltávolíthatónak kell lennie, vagy ha nem eltávolítható, kétirányú távbeszélő rendszert kell felszerelni. Minden ilyen üvegfalnak átlátszó üvegből kell lennie.
(3) Ha olyan elektronikus eszközöket szerelnek fel, amelyek megjelenítik az árakat az értékesítőnek, az ilyen eszközöket úgy kell felszerelni, hogy a jegyet vásárló személy is lássa az árakat.
(4) Ahol jegyértékesítő automatákat biztosítanak az állomáson található akadálymentes útvonalon, legalább egy ilyen automatának olyan kezelőfelülettel kell rendelkeznie, amely hozzáférhető a kerekesszéket használók és az alacsony termetűek számára.
(5) Ha jegyellenőrző automatákat szerelnek fel, legalább egy automata átjárójának legalább 90 cm szélesnek kell lennie, és képesnek kell lennie egy legfeljebb 1 250 mm hosszú kerekesszék és használója befogadására. Korszerűsítés vagy felújítás esetében a legalább 80 cm-es szélesség megengedett.
(6) Ha forgókereszteket használnak, teljes üzemidőben legalább egy forgókereszt nélküli megközelítési pontot kell biztosítani a fogyatékossággal élő és a csökkent mozgásképességű személyek számára.
4.2.1.9. Megvilágítás
(1) Az állomás külső területei megvilágítása szintjének megfelelőnek kell lennie ahhoz, hogy el lehessen igazodni, és ki kell emelnie a szintkülönbségeket, ajtókat és bejáratokat.
(2) Az akadálymentes útvonal megvilágítási szintjét az utasok vizuális tennivalóihoz kell igazítani. Külön figyelmet kell fordítani a szintkülönbségekre, a jegyértékesítő helyekre és automatákra, az információs pultokra és az információs kijelzőkre.
(3) A peronokat az A. függelék 3. és 4. hivatkozásában említett előírások szerint kell megvilágítani.
(4) A vészvilágításnak megfelelő fényviszonyokat kell nyújtania a kiürítéshez és a tűzoltó, illetve biztonsági berendezések azonosításához.
4.2.1.10. Vizuális tájékoztatás: jelzőtáblák, piktogramok, nyomtatott vagy dinamikus információk
(1) A következő információkat kell megjeleníteni:
- Biztonsági tájékoztatás és biztonsági utasítások
- Figyelmeztető, tiltó és kötelező jelzések
- A vonatok indulásával kapcsolatos tájékoztatás
- Az állomás létesítményeinek és az azokhoz vezető útvonalaknak az azonosítása, ha vannak
(2) A vizuális tájékoztatáshoz használt betűknek, szimbólumoknak és piktogramoknak a háttértől elütőnek kell lenniük.
(3) Jelzőtáblákat minden olyan ponton biztosítani kell, ahol az utasoknak útvonalat kell választaniuk, illetve az útvonalon szakaszosan. A jelzéseket, ábrákat és piktogramokat következetesen kell alkalmazni az egész útvonalon.
(4) A vonatok indulására vonatkozó információknak (beleértve a célállomást, a köztes megállókat, a vágány számát és az időpontot) az állomáson legalább egy helyszínen legfeljebb 160 cm-es magasságban elérhetőnek kell lenniük. Ez a követelmény vonatkozik a nyomtatott vagy dinamikus információkra, attól függően, hogy melyiket biztosítják.
(5) A szöveghez használt betűtípusnak könnyen olvashatónak kell lennie.
(6) Az összes biztonsági, figyelmeztető, kötelező és tiltó jelzésnek tartalmaznia kell piktogramokat.
(7) Tapintható tájékoztató jeleket kell elhelyezni az alábbi helyeken:
- a mosdókban a használattal kapcsolatos tájékoztatás és adott esetben a segélyhívások érdekében,
- a felvonókban, az A. függelék 1. hivatkozásában említett előírásokkal összhangban.
(8) A számjegyekkel megadott időt 24 órás formátumban kell feltüntetni.
(9) A következő konkrét grafikus szimbólumokat és piktogramokat a kerekesszék szimbólumával kell ellátni az N. függelékkel összhangban:
- útbaigazító tájékoztatás a kerekesszékkel használható útvonalak felé,
- a kerekesszékkel megközelíthető mosdók és más berendezések jelzése, ha ilyenek vannak,
- ha a peronon tájékoztatás található a vonat összetételéről, a kerekesszékes felszállási hely jelzése.
Az ábrákat más ábrákkal együtt is lehet használni (például: felvonó, mosdó stb.).
(10) Ahol indukciós hurkok vannak elhelyezve, azokat az N. függelékben leírtak szerinti jellel kell ellátni.
(11) A kerekesszékkel megközelíthető mosdókban, ahol le-, illetve felhajtható fogódzókat biztosítanak, grafikus ábráról kell gondoskodni, amely mutatja a fogódzó felemelt és leengedett állását.
(12) Egy adott helyen legfeljebb öt piktogramot lehet egymás mellé helyezni egy olyan irányjelző nyíllal együtt, amely egyetlen irányt mutat.
(13) A kijelzőknek meg kell felelniük az 5.3.1.1. pont követelményeinek. Ebben a pontban a "kijelző" alatt értendő a dinamikus információk minden megjelenítése.
4.2.1.11. Szóbeli tájékoztatás
(1) A szóbeli tájékoztatás STI-PA szintjének legalább 0,45-nek kell lennie az A. függelék 5. hivatkozásában említett előírásoknak megfelelően.
4.2.1.12. A peronok szélessége és pereme
(1) A peron biztonsági sávja a peron vágány felőli pereménél kezdődik, és meghatározása szerint ez az a terület, ahol az utasok vonat áthaladásakor vagy érkezésekor nem állhatnak.
(2) Lehetőség van arra, hogy a peron szélessége annak teljes hosszában változó legyen.
(3) A peron akadályok nélküli szélessége legalább a biztonsági sáv szélessége plusz két, egyenként 80 cm széles ellentétes irányú közlekedősáv (160 cm). Ez a méret 90 cm-re csökkenhet a peron végeinél.
(4) A 160 cm-es közlekedősávon belül megengedettek az akadályok. Ezen a ponton nem minősülnek akadálynak a jelzőrendszerhez szükséges berendezések és a biztonsági berendezések. Az akadályok és a biztonsági sáv közötti legkisebb távolság a következő táblázat szerint alakul:
4. táblázat
Az akadályok legkisebb távolsága a biztonsági sávtól
| Az akadály hosszúsága (a peron szélével párhuzamosan mérve) | A biztonsági sávtól mért legkisebb távolság |
| < 1 m (1. megjegyzés) – kisméretű akadály | 80 cm |
| 1 m < 10 m-ig – nagyméretű akadály | 120 cm |
| 1. megjegyzés: ha két kisméretű akadály között a peron szélével párhuzamosan mérve a távolság 2,4 m-nél kisebb, azokat egyetlen nagyméretű akadálynak kell tekinteni. 2. megjegyzés: A nagyméretű akadály biztonsági sávtól számított e legkisebb távolságán belül további kisméretű akadályok lehetnek, amennyiben a kisméretű akadályokra vonatkozó követelmények (a biztonsági sávtól való legkisebb távolság és a következő kisméretű akadálytól számított távolság) teljesülnek. | |
(5) Ha a vonaton vagy a peronon lévő kisegítő berendezések lehetővé teszik a kerekesszékkel való fel- és leszállást, 150 cm (akadálymentes) szabad területet kell hagyni a berendezés szélétől abba az irányba, ahol a kerekesszékkel a peron szintjén felszállnak vagy ahova a peron szintjére leszállnak, ahol az ilyen berendezéseket valószínűleg használják. Az új állomásoknak meg kell felelniük ennek a követelménynek minden olyan vonat esetében, amelynek a megállását tervezik a peronnál.
(6) A biztonsági sávnak a peron vágányoldali peremétől távolabb eső határát látható jelöléssel és tapintható burkolati jelzéssel kell ellátni.
(7) A látható jelölésnek egy elütő színű, csúszásmentes és legalább 10 cm széles figyelmeztető vonalnak kell lennie.
(8) A tapintható burkolati jelzésnek két típusa létezik:
- a biztonsági sáv szélén veszélyt jelző, figyelemfelhívó mintázat,
- a peron biztonságos oldalán a haladási irányt jelölő, útmutató mintázat.
(9) A peron vágányoldali pereme anyagának el kell ütnie a rés sötétjétől.
4.2.1.13. A peronok vége
(1) A peron végét olyan gáttal kell felszerelni, amely megakadályozza a bejutást, vagy pedig azt látható jelöléssel és a veszélyre utaló tapintható információt hordozó burkolati figyelmeztető jelzéssel kell megjelölni.
4.2.1.14. A peronokon tárolt fel- és leszállást segítő eszközök
(1) Peronrámpa használata esetén annak meg kell felelnie az 5.3.1.2. pont követelményeinek.
(2) Peronfelvonó használata esetén annak meg kell felelnie az 5.3.1.3. pont követelményeinek.
(3) Biztonságos tárolási módról kell gondoskodni annak biztosítása érdekében, hogy a fel- és leszállást segítő eszközök, ideértve a mozgatható rámpákat is, tárolás közben ne jelentsenek akadályt, illetve veszélyt az utasok számára.
4.2.1.15. Peronra vezető vágányátjárók utasok számára
(1) Az állomásokon a nemzeti szabályok szerint megengedett a lépcsőmentes vagy az akadálymentes útvonal részeként szintbeli vágányátjárók alkalmazása.
(2) Ha a szintbeli vágányátjárókat más útvonalak mellett alkalmazzák a lépcsőmentes útvonal részeként, a következőknek kell megfelelni:
- az átjárók szélessége legalább 120 cm (10 m-nél rövidebb hossz esetében) vagy 160 cm (legalább 10 m-es hosszúság esetében) legyen,
- az átjárók lejtése mérsékelt legyen; a rámpákon meredek lejtés csak rövid távolságon megengedett,
- azokat úgy kell megtervezni, hogy a kerekesszék M. függelékben meghatározott legkisebb kereke ne tudjon beszorulni az átjáró felülete és a sín közé,
- amennyiben a szintbeli átjárók bejárata labirintkorláttal van felszerelve annak érdekében, hogy a vágányokon ne lehessen véletlenül/ellenőrizetlenül áthaladni, a gyalogjáró szélessége egyenes vonalban és a törésben lehet 120 cm-nél kisebb, de legalább 90 cm; ez elegendő a kerekesszék-használó számára a manőverezéshez.
(3) Ha a szintbeli vágányátjárókat az akadálymentes útvonal részeként, valamennyi utas számára egyetlen megoldásként alkalmazzák, azoknak(azokat):
- meg kell felelniük a fenti összes előírásnak,
- látható és tapintható jelzéssel kell ellátni az átjáró felülete kezdetének és végének azonosításához,
- felügyelni kell, vagy pedig a nemzeti szabályok szerint biztosítani kell a vak vagy látáskorlátozott személyek biztonságos áthaladását szolgáló berendezést, és/vagy szintbeli átjárót kell üzemeltetni a látáskorlátozott személyek biztonságos áthaladása érdekében.
(4) Ha a fenti követelmények bármelyike nem teljesíthető, a szintbeli átjáró nem minősül a lépcsőmentes vagy akadálymentes útvonal részének.
4.2.2. Járművek alrendszer
(1) A 3. szakasz alapvető követelményeire figyelemmel a jármű alrendszernek a fogyatékossággal élő és a csökkent mozgásképességű személyek hozzáférésével összefüggő funkcionális és műszaki előírásait az alábbiak szerint alakították ki:
- Ülések
- Kerekesszékek számára kialakított helyek
- Ajtók
- Megvilágítás
- Mosdók
- Közlekedők
- Ügyfél-tájékoztatás
- Szintkülönbségek
- Fogódzók
- Kerekesszékkel megközelíthető hálófülkék
- A lépcső pozíciója a járműre való fel- és leszálláshoz
4.2.2.1. Ülések
4.2.2.1.1. Általános rendelkezések
(1) A folyosó használata közben a személyes stabilitás érdekében használható kapaszkodókat vagy függőleges fogódzókat, illetve más berendezéseket kell biztosítani a folyosó mentén elhelyezett összes ülésen, kivéve, ha azok függőleges helyzetben 200 mm-en belül vannak az alábbiaktól:
- az ellentétes irányban álló másik ülés támlája, amelyre a személyes stabilitás érdekében használható kapaszkodókat vagy függőleges fogódzókat, illetve más berendezéseket szereltek,
- fogódzó vagy válaszfal.
(2) A kapaszkodókat és a személyes stabilitás érdekében használható más berendezéseket a padló fölött - a kapaszkodó használható részének középpontjától mérve - 800 és 1 200 mm közötti magasságban kell elhelyezni; ezek nem nyúlhatnak be a közlekedőbe, és színben el kell ütniük az üléstől.
(3) A rögzített hosszanti irányú ülőhelyeken fogódzókat kell elhelyezni a személyes stabilitás érdekében. Az ilyen fogódzók legfeljebb 2 000 mm-re lehetnek egymástól, 800 és 1 200 mm közötti magasságban kell elhelyezni őket a padló szintje fölött, és színben el kell ütniük a jármű belsejében lévő környezetüktől.
(4) A kapaszkodóknak és más tárgyaknak nem lehetnek éles széleik.
4.2.2.1.2. Megkülönböztetett ülések
4.2.2.1.2.1. Általános rendelkezések
(1) Fix szerelvényenként vagy egyes járművenként és osztályonként az ülések legalább 10 százalékát a fogyatékossággal élő és a csökkent mozgásképességű személyek által használható megkülönböztetett ülésnek kell kijelölni.
(2) A megkülönböztetett üléseket és az azokat tartalmazó járműveket az N. függelékkel összhangban lévő jelekkel kell ellátni. Közölni kell a többi utassal, hogy az ilyen üléseket igény esetén hozzáférhetővé kell tenniük az arra jogosultak számára.
(3) A megkülönböztetett üléseknek az utastérben kell lenniük, a külső ajtókhoz közel. A kétszintes járműveken vagy vonatokon megkülönböztetett ülések mindkét szinten lehetnek.
(4) A megkülönböztetett ülések felszereltsége szintjének meg kell egyeznie legalább az azonos típusú általános ülések felszereltségével.
(5) Amennyiben meghatározott típusú üléseket karfákkal látnak el, a megkülönböztetett ülésekre felhajtható karfákat kell szerelni. Ez alól kivételt képeznek a jármű oldalfala, vagy fülke esetében a válaszfalak mellett található karfák. A felhajtható karfáknak az ülés támlájával egy síkba állíthatóknak kell lenniük, hogy az ülés vagy a mellette lévő bármelyik megkülönböztetett ülés akadálytalanul megközelíthető legyen.
(6) A megkülönböztetett ülések nem lehetnek felhajtható ülések.
(7) Valamennyi megkülönböztetett ülésnek és a használója számára rendelkezésre álló területnek meg kell felelnie a H. függelék H1-H4. ábrájának.
(8) A megkülönböztetett ülések teljes hasznos ülőfelületének legalább 450 mm szélesnek kell lennie (lásd a H1. ábrát).
(9) Az összes megkülönböztetett ülés ülőlapja felső síkjának 430 és 500 mm között kell lennie a padlószint fölött az ülés elülső szélén.
(10) Az egyes ülések fölötti tiszta belmagasságnak legalább 1 680 mm-nek kell lennie a padlószinttől mérve, az olyan kétszintes vonatok kivételével, amelyeken poggyásztartókat szerelnek az ülések fölé. Ilyen esetben 1 520 mm csökkentett belmagasság megengedett a poggyásztartók alatti megkülönböztetett ülések esetében, feltéve, ha a megkülönböztetett üléseknek legalább az 50 %-a esetében a belmagasság 1 680 mm.
(11) Ahol hátrahajtható üléseket helyeznek el, a méretek a teljesen függőlegesre állított ülések esetén érvényesek.
4.2.2.1.2.2. Egy irányban álló ülések
(1) Ahol egy irányban álló megkülönböztetett üléseket helyeznek el, az egyes ülések előtti térnek meg kell felelnie a H2. ábrának.
(2) Az üléstámla elülső felülete és az előtte lévő ülés leghátsó pontján áthaladó függőleges sík közötti távolságnak legalább 680 mm-nek kell lennie, figyelembe véve, hogy az ülés kötelező dőlését az ülés közepén kell mérni, 70 mm-re az ülőlap és a háttámla találkozási pontja fölött.
(3) Legalább 230 mm távolságnak kell lennie az ülőlap elülső széle és az előtte lévő ülés azonos függőleges síkja között.
4.2.2.1.2.3. Egymással szemben lévő ülések
(1) Ahol egymással szemben lévő megkülönböztetett üléseket helyeznek el, az ülőlapok elülső szélei között legalább 600 mm távolságnak kell lennie (lásd a H3 ábrát). Ezt a távolságot meg kell tartani akkor is, ha a szemben lévő ülések egyike nem megkülönböztetett ülés.
(2) Ahol az egymással szemben lévő megkülönböztetett üléseket asztallal szerelik fel, legalább 230 mm vízszintes távolságnak kell lennie az ülőlap elülső széle és az asztal elülső éle között (lásd a H4. ábrát). Amennyiben a szemben lévő ülések egyike nem megkülönböztetett ülés, az asztaltól való távolsága csökkenthető, feltéve, hogy az üléspárnák első széle közötti távolság 600 mm marad. Az e bekezdésnek való megfelelés tekintetében nem kell figyelembe venni az oldalfalra szerelt olyan asztalokat, amelyek hossza nem nyúlik túl az ablak melletti ülés középvonalán.
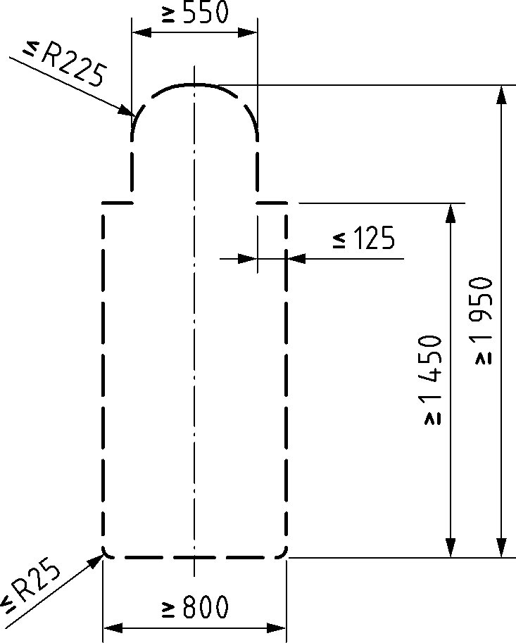
4.2.2.2. Kerekesszékek számára kialakított helyek
(1) Az egység hosszától függően - a mozdonyt vagy a motorkocsit leszámítva - legalább az alábbi táblázatnak megfelelő számú hozzáférhető helyet kell biztosítani a kerekesszékek számára:
5. táblázat
A kerekesszékek számára kialakított helyek legkisebb száma az egység hossza szerint
| Egység hossza | A kerekesszékek számára kialakított helyek száma egységenként |
| Kevesebb mint 30 m | 1 hely kerekesszékek számára |
| 30–205 méter | 2 hely kerekesszékek számára |
| 205 m felett 300 méterig | 3 hely kerekesszékek számára |
| Több mint 300 méter | 4 hely kerekesszékek számára |
(2) A stabilitás biztosítása érdekében a kerekesszékek számára kialakított helyeket úgy kell megtervezni, hogy a kerekesszék vagy a menetiránnyal szemben, vagy annak háttal álljon.
(3) A kerekesszék számára kialakított hely teljes hosszában a szélességnek 700 mm-nek kell lennie a padló szintjétől legalább 1 450 mm-es magasságig, további 50 mm szélességet ráhagyva a kezek számára minden olyan oldalon, amelyen a kerekesszéket használó keze számára rendelkezésre álló szabad terület korlátozott (pl. fal vagy szerkezet miatt) a padlószint feletti 400 mm-800 mm közötti sávban (ha a kerekesszék egyik oldala a folyosó mellett van, erre az oldalra nem érvényes a további 50 mm-es követelmény, mivel az már eleve szabad terület).
(4) A kerekesszék számára kialakított hely hátsó vége és a következő felület közötti legkisebb hosszanti távolságnak meg kell felelnie az I. függelék I1-I3. ábrájának.
(5) A kijelölt helyen nem lehet akadály a jármű padlója és mennyezete között a felső poggyásztartó, a 4.2.2.9. pont követelményei szerint a jármű falához vagy mennyezetéhez rögzített vízszintes fogódzó vagy asztal kivételével.
(6) A kerekesszék számára kialakított hely hátsó vége legalább 700 mm széles szerkezet vagy más elfogadható szerelvény. A szerkezetnek vagy a szerelvénynek olyan magasnak kell lennie, hogy megakadályozza, hogy a támlájával a szerkezet vagy a szerelvény felé néző kerekesszék hátrabillenjen.
(7) A kerekesszék számára kialakított helyen felhajtható üléseket lehet felszerelni, de ezek összecsukott állapotban nem csökkenthetik a kerekesszék számára kialakított hely méreteit.
(8) Nem megengedett a kerekesszék számára kialakított helyen vagy közvetlenül előtte állandó berendezés - pl. kerékpártartó horog vagy síléctartó - felszerelése.
(9) Legalább egy ülést elérhetővé kell tenni a kerekesszék számára kijelölt minden hely mellett vagy azzal szemben a kerekesszéket használó személy kísérője számára. Ennek az ülésnek ugyanolyan kényelmesnek kell lennie, mint a többi utasülésnek, és a folyosó másik oldalán is elhelyezhető.
(10) A kétszintes vonatok kivételével a 250 km/h-t meghaladó legnagyobb tervezési sebességű vonatokon a kerekesszék számára kialakított helyet elfoglaló kerekesszék-használó számára lehetőséget kell biztosítani, hogy átüljön egy felhajtható karfával felszerelt utasülésre. Az átülést a kerekesszék-használó önállóan hajtja végre. Ebben az esetben megengedett, hogy a kísérő ülése másik sorba kerüljön. Ezt a követelményt legfeljebb a kerekesszékek számára kijelölt, az 5. táblázatban meghatározott számú helyre kell alkalmazni.
(11) A kerekesszék számára kialakított helyet olyan segélyhívó eszközzel kell ellátni, amelynek veszély esetén lehetővé kell tennie, hogy a kerekesszék használója tájékoztassa azt a személyt, aki megfelelő intézkedéseket tehet.
(12) A segélyhívó eszközt a kerekesszéket használó személy által kényelmesen elérhető tartományban, az L. függelék L1. ábráján feltüntetett módon kell elhelyezni.
(13) A segélyívó eszközt nem szabad keskeny résbe helyezni, amely megakadályozza a tenyérrel való azonnali működtetést, de védeni kell a nem szándékos használat ellen.
(14) A segélyhívó eszköz kezelőfelületének az 5.3.2.6. pontban meghatározottnak kell lennie.
(15) A kerekesszék számára kialakított helyen vagy közvetlenül mellette el kell helyezni az N. függeléknek megfelelő jelet, amely azonosítja a kerekesszék helyét.
4.2.2.3. Ajtók
4.2.2.3.1. Általános rendelkezések
(1) Ez a követelmény csak a vonat másik nyilvános területére átjárást biztosító ajtókra vonatkozik, a mosdók ajtóinak kivételével.
(2) Az utazóközönség használatára szolgáló manuális működtetésű ajtók be- és kireteszelésekor a nyitószerkezet tenyérrel való működtetéséhez szükséges erő legfeljebb 20 N lehet.
(3) Az ajtónyitóknak, akár manuálisak, akár nyomógombok vagy más eszközök, színben el kell ütniük attól a felülettől, amelyre felszerelték őket.
(4) Az utasok rendelkezésére álló kezelőfelületnek meg kell felelnie az 5.3.2.1. pont előírásainak.
(5) Ha a nyitó és a záró szerkezet egymás fölé van szerelve, a felső gombnak mindig a nyitást kell vezérelnie.
4.2.2.3.2. Külső ajtók
(1) Minden, az utasok által használandó külső ajtónak nyitott állapotban legalább nettó 800 mm hasznos szélességűnek kell lennie.
(2) A 250 km/h-nál alacsonyabb tervezési sebességű vonatokon a 2.3. pontban meghatározott, szintbeli hozzáférést biztosító, kerekesszékkel történő használatra szánt ajtóknak nyitott állapotban legalább 1 000 mm nettó hasznos szélességűnek kell lenniük.
(3) Minden, az utasok által használandó külső ajtót kívülről úgy kell jelölni, hogy azok elüssenek a jármű azokat övező oldalának többi részétől.
(4) A kerekesszékkel való megközelítésre kijelölt külső ajtóknak a legközelebb kell lenniük a kerekesszékek számára kialakított helyekhez.
(5) A kerekesszékkel való megközelítésre kijelölt ajtókat egyértelműen meg kell jelölni az N. függelék szerinti jellel.
(6) A jármű belsejében a külső ajtók helyét egyértelműen meg kell jelölni az ajtó melletti padlóburkolattól elütő környező padlófelülettel.
(7) A vonaton belül és kívül lévők számára egyértelműen hallható hangjelzéssel kell jelezni az ajtó nyitható állapotát. Ennek a figyelmeztető hangjelzésnek legalább öt másodpercig kell tartania, kivéve, ha az ajtót működtetik, amely esetben 3 másodperc után elhallgathat.
(8) Amikor a vonatvezető vagy a vonatszemélyzet más tagja egy ajtót automatikusan vagy távvezérléssel kinyit, a figyelmeztető jelzésnek 3 másodpercig kell tartania attól a pillanattól kezdve, amikor az ajtó kezd kinyílni.
(9) Automatikusan vagy távvezérléssel záródó ajtó működtetése előtt figyelmeztető hangjelzést és figyelmeztető fényjelzést kell adni a vonaton belül és kívül tartózkodók számára. A hangjelzésnek az ajtó bezáródása előtt legalább 2 másodperccel meg kell kezdődnie, és az ajtó záródása alatt folyamatosan szólnia kell.
(10) Az ajtó figyelmeztető hangjelzéseinek hangforrását a kezelőszerv közelében, vagy ha nincs ilyen, akkor az ajtónyílás mellett kell elhelyezni.
(11) A fényjelzésnek a vonaton belül és kívülről is láthatónak kell lennie, és azt olyan módon kell elhelyezni, hogy az előtérben tartózkodó utasok lehetőleg ne takarják el.
(12) Az utastér ajtaja figyelmeztető hangjelzésének a G. függelék előírásainak kell megfelelnie.
(13) Az ajtó aktiválási módja lehet a vonat személyzete általi, félautomata (azaz az utas által nyomógombbal történő működtetés) vagy automata.
(14) Az ajtónyitót az ajtószárnyon vagy amellett kell elhelyezni.
(15) A peronról működtethető külső ajtónyitó közepének legalább 800 és legfeljebb 1 200 mm magasságban kell lennie a perontól függőlegesen mérve minden olyan peron esetében, amelyre a vonatot tervezték. Ha a vonatot egységes peronmagasságra tervezték, a külső ajtónyitó közepének legalább 800 és legfeljebb 1 100 mm magasságban kell lennie az adott peronmagasságtól függőlegesen mérve.
(16) A külső ajtók belső ajtónyitójának legalább 800 és legfeljebb 1 100 mm magasságban kell lennie a jármű padlószintjétől mérve.
4.2.2.3.3. Belső ajtók
(1) A belső automata és félautomata ajtókon olyan eszközöket kell elhelyezni, amelyek megakadályozzák, hogy az utasok beszoruljanak az ajtók működtetése közben.
(2) A kerekesszékes utasok által használható belső ajtók legkisebb nettó hasznos szélességének 800 mm-nek kell lennie.
(3) A manuális ajtók működtetéséhez szükséges erő nem haladhatja meg a 60 N-t.
(4) A belső ajtók nyitószerkezetének legalább 800 és legfeljebb 1 100 mm magasságban kell lennie a jármű padlószintjétől mérve.
(5) A járművek közötti automatikus összekötő ajtóknak vagy egyszerre párban kell működniük, vagy a második ajtónak automatikusan észlelnie kell a felé mozgó személyt és ki kell nyílnia.
(6) Ha az ajtó felületének több mint 75 %-a átlátszó anyagból készül, azt látható jelöléssel kell jelezni.
4.2.2.4. Megvilágítás
(1) Az utastér átlagos megvilágításának minimumértéke az A. függelék 6. hivatkozásában említett előírás 4.1.2. pontja szerinti. Az ezen értékek egységességével kapcsolatos követelmények az ennek az ÁME-nek való megfelelés tekintetében nem alkalmazandók.
4.2.2.5. Mosdók
(1) Ha vonatba mosdókat szerelnek be, legalább egy univerzális mosdónak a kerekesszék számára kialakított helyről megközelíthetőnek kell lennie.
(2) A normál mosdónak meg kell felelnie az 5.3.2.2. pont és 5.3.2.3. pont követelményeinek.
(3) Az univerzális mosdónak meg kell felelnie az 5.3.2.2. pont és 5.3.2.4. pont követelményeinek.
(4) Ha a vonatba mosdókat szerelnek be, pelenkázóhelyiségről is gondoskodni kell. Ha nem biztosítanak külön gyermekszobát, vagy ha ilyen külön gyermekszoba van, de kerekesszéket használók számára nem hozzáférhető, az univerzális mosdón belül egy asztalt kell biztosítani. Az asztalnak meg kell felelnie az 5.3.2.5. pont követelményeinek.
4.2.2.6. Közlekedők
(1) A jármű bejáratától az alábbiak minősülnek közlekedő szakasznak:
- a járművön a J. függelék J1. ábrája szerint átvezető folyosó,
- egyetlen vonatszerelvény csatlakozó járművei között a J. függelék J2. ábrája szerint vezető folyosó,
- a kerekesszékkel megközelíthető ajtóktól, a kerekesszékek számára kialakított helyektől és a kerekesszékkel hozzáférhető területektől, ideértve a hálófülkéket és az univerzális mosdókat, ha vannak, elvezető és hozzájuk vezető, a J. függelék J3. ábrája szerinti folyosók.
(2) A legkisebb belmagasságra vonatkozó követelményt nem kell igazolni:
- a kétszintű járművek egyik területén sem,
- az egyszintes járművek átjáróin és ajtók melletti területein.
Ezeken a területen elfogadható a strukturális korlátokból (szelvény, fizikai tér) adódó, alacsonyabb belmagasság.
(3) Legalább 1 500 mm átmérőjű fordulóhelyet kell biztosítani a kerekesszék számára kialakított hely mellett és olyan helyeken, ahol a kerekesszékkel meg kell fordulni. A kerekesszék számára kialakított hely a fordulóhely része lehet.
(4) Ha a kerekesszéket használónak irányt kell változtatnia, mindkét folyosó közlekedője szélességének meg kell felelnie a K. függelék K1. táblázatának.
4.2.2.7. Ügyfél-tájékoztatás
4.2.2.7.1. Általános rendelkezések
(1) A következő információkat kell megjeleníteni:
- biztonsági tájékoztatás és biztonsági utasítások,
- hangos biztonsági utasítások fényjelzésekkel kombinálva vészhelyzet esetén,
- figyelmeztető, tiltó és kötelező jelzések,
- a vonat útvonalára vonatkozó információk, beleértve a késésre és a nem tervezett megállásra vonatkozó tájékoztatást,
- a vonaton lévő létesítmények helyével kapcsolatos tájékoztatás.
(2) A vizuális tájékoztatásnak el kell ütnie a hátterétől.
(3) A szöveghez használt betűtípusnak könnyen olvashatónak kell lennie.
(4) A számjegyekkel megadott időt 24 órás formátumban kell feltüntetni.
4.2.2.7.2. Jelzések, piktogramok és tapintható információk
(1) Az összes biztonsági, figyelmeztető, kötelező és tiltó jelzésnek tartalmaznia kell piktogramokat, és az A. függelék 7. hivatkozásában említett előírás szerint kell azokat megtervezni.
(2) Egy adott helyen legfeljebb öt piktogramot lehet egymás mellé helyezni egy olyan irányjelző nyíllal együtt, amely egyetlen irányt mutat.
(3) A következő egyedi piktogramokat a kerekesszék szimbólumával kell ellátni az N. függelékkel összhangban:
- útbaigazító tájékoztatás a kerekesszékkel megközelíthető berendezések felé,
- a kerekesszékkel megközelíthető ajtó helyének jelzése a vonaton kívül,
- kerekesszék számára kialakított hely jelzése a vonaton,
- az univerzális mosdók jelzése.
Az ábrákat más ábrákkal együtt is lehet használni (például: kocsi száma, mosdó, stb.).
(4) Ahol indukciós hurkok vannak elhelyezve, azokat az N. függelékben leírtaknak megfelelő piktogrammal kell ellátni.
(5) Az univerzális mosdókban, ahol le-, illetve felhajtható fogódzókat biztosítanak, piktogramról kell gondoskodni, amely mutatja a fogódzó felemelt és leengedett állását.
(6) Ha a járművön helyjegyes ülések vannak, a jármű (helyfoglalási rendszerben használt) számát vagy betűjelét minden ajtó külső oldalán vagy azok mellett meg kell jeleníteni. A legalább 70 mm-es magasságú karakterekkel megjelenített számnak vagy betűnek az ajtó nyitott és zárt állapotában is láthatónak kell lennie.
(7) Ha az üléseket számok vagy betűk azonosítják, az ülés számát vagy betűjelét legalább 12 mm magas karakterekkel meg kell jeleníteni az összes ülésen vagy mellette. Az ilyen számoknak és betűknek a hátterüktől elütő színűeknek kell lenniük.
(8) Tapintható tájékoztató jeleket kell elhelyezni az alábbi helyeken:
- a mosdókban, a kerekesszékkel megközelíthető hálófülkében, a használattal kapcsolatos tájékoztatás és adott esetben a segélyhívások érdekében,
- járművekben, az utasok felszállására szolgáló ajtók ajtónyitó/-záró gombjai és a segélyhívók esetében.
4.2.2.7.3. Dinamikus vizuális tájékoztatás
(1) A végállomást vagy az útvonalat ki kell jelezni a vonat külső, peron felé néző oldalán, legalább egy, az utasok felszállására szolgáló ajtó mellett és legalább a vonat minden második járművén.
(2) Ahol a vonatok olyan rendszerben működnek, amely az állomás peronján legalább 50 méterenként dinamikus vizuális tájékoztatást ad, és a vonat elején is kijelzik a végállomást vagy az útvonalat, nem kötelező minden jármű oldalán tájékoztatást adni.
(3) Minden egyes járműben ki kell jelezni a vonat végállomását vagy útvonalát.
(4) A vonat következő megállóját úgy kell kijelezni, hogy az egyes járművekben található utasülések legalább 51 %-áról - ideértve a megkülönböztetett ülések 51 %-át - és a kerekesszék számára kialakított összes helyről olvasható legyen.
(5) Ezt az információt az érintett állomásra való megérkezés előtt legalább 2 perccel ki kell jelezni. Ha a következő állomás kevesebb mint két perc tervezett menetidőre van, a következő állomást az előző állomásról való elinduláskor azonnal ki kell jelezni.
(6) Nem kell megfelelni az arra vonatkozó követelménynek, hogy a végállomás és a következő megálló kijelzése az utasülések 51 %-áról látható legyen, ha a vonat részben vagy egészben legfeljebb 8 üléses fülkékre van osztva, amelyeket folyosó köt össze. A tájékoztatásnak azonban láthatónak kell lennie a fülkén kívül a folyosón álló személy és a kerekesszék számára kialakított helyet elfoglaló utas számára.
(7) A következő megálló ugyanazon a kijelzőn is megjeleníthető, mint a végállomás. A vonat megállása után azonban azonnal vissza kell váltania a végállomás kijelzésére.
(8) Ha a rendszer automatizált, lehetőséget kell biztosítani a téves vagy félrevezető tájékoztatás törlésére vagy kijavítására.
(9) A belső és külső kijelzőknek meg kell felelniük az 5.3.2.7. pont követelményeinek. Ebben a pontban a "kijelző" alatt értendő a dinamikus információk minden megjelenítése.
4.2.2.7.4. Dinamikus hangos tájékoztatás
(1) A vonatot fel kell szerelni hangosbeszélő rendszerrel, amelyet a vonatvezető vagy a személyzet más, az utasok felé meghatározott felelősséggel rendelkező tagja általi rutinjellegű vagy vészhelyzeti tájékoztatásra kell használni.
(2) A hangosbeszélő rendszer működhet manuális, automatizált vagy előre programozott módon. Ha a hangosbeszélő rendszer automatizált, lehetőséget kell biztosítani a téves vagy félrevezető tájékoztatás törlésére vagy kijavítására.
(3) A hangosbeszélő rendszernek képesnek kell lennie minden megálláskor, illetve megállást követő elinduláskor a vonat végállomásának és következő megállójának bejelentésére.
(4) A hangosbeszélő rendszernek képesnek kell lennie a vonat következő megállójának legalább két perccel a megállóhoz való megérkezés előtt történő bejelentésére. Ha a következő állomás kevesebb mint két perc tervezett menetidőre van, a következő állomást az előző állomásról való elinduláskor azonnal be kell jelenteni.
(5) A szóbeli tájékoztatás STI-PA szintjének legalább 0,45-nek kell lennie az A. függelék 5. hivatkozásában említett előírásoknak megfelelően. A hangosbeszélő rendszernek minden ülőhelyen és kerekesszék számára kialakított helyen meg kell felelnie e követelménynek.
4.2.2.8. Szintkülönbségek
(1) A belső (azaz nem a külső megközelítésre szolgáló) lépcsők legnagyobb magassága 200 mm és legkisebb mélysége 280 mm a lépcső hossztengelyén. Kétszintes vonatokon ez az érték 270 mm-re csökkenthető a felső és az alsó szint megközelítésére szolgáló lépcsőkön.
(2) Legalább az első és utolsó lépcsőfokot a lépcsőfokok peremének elülső és felső felületén teljesen végigérő, 45-55 mm szélességű, elütő színű csíkkal kell jelezni.
(3) A háromnál több lépcsőfokból álló lépcsőket mindkét oldalon kétszintű fogódzókkal kell ellátni. A magasabb fogódzót a padlószint fölött 850 és 1 000 mm közötti magasságban kell elhelyezni. Az alacsonyabb fogódzót a padlószint fölött 500 és 750 mm közötti magasságban kell elhelyezni.
(4) Az egy-három lépcsőfokból álló lépcsőket mindkét oldalon legalább egy fogódzóval vagy a személyes stabilitás érdekében használható más kapaszkodóval kell ellátni.
(5) A fogódzóknak meg kell felelniük a 4.2.2.9. pontnak.
(6) Nem szabad lépcsőket elhelyezni a kerekesszékkel megközelíthető külső ajtó előtere, a kerekesszék számára kialakított hely, az univerzális hálófülke és az univerzális mosdó között, az ajtóküszöbök kivételével, amelynek magassága nem haladhatja meg a 15 mm-t, kivéve, ha a lépcső kiváltására felvonó biztosított. A felvonónak meg kell felelnie az 5.3.2.10. pont követelményeinek.
(7) A járművön belüli rámpák legnagyobb lejtése nem haladhatja meg a következő értékeket:
6. táblázat
A járműveken belüli rámpák legnagyobb lejtése
| A rámpa hossza | Legnagyobb lejtés (fok) | Legnagyobb lejtés (%) |
| A kerekesszékkel megközelíthető külső ajtó előtere, a kerekesszék számára kialakított hely, az univerzális hálófülke és az univerzális mosdó közötti útvonalak | ||
| Egyszintes kocsikban legfeljebb 840 mm | 6,84 | 12 |
| Kétszintes kocsikban legfeljebb 840 mm | 8,5 | 15 |
| > 840 mm | 3,58 | 6,25 |
| A vonat más területein | ||
| > 1 000 mm | 6,84 | 12 |
| 600 mm és 1 000 mm között | 8,5 | 15 |
| Kevesebb mint 600 mm | 10,2 | 18 |
| Megjegyzés: Ezeket a lejtéseket egyenes és vízszintes pályán álló jármű mellett kell mérni. | ||
4.2.2.9. Fogódzók
(1) A járműre szerelt összes fogódzónak kör keresztmetszetűnek kell lennie 30-40 mm külső átmérővel, és legalább 45 mm távolságban kell lennie - a rögzítése kivételével - bármely mellette lévő felülettől.
(2) Ha egy fogódzó hajlított, a belső görbületi sugárnak legalább 50 mm-nek kell lennie.
(3) Az összes fogódzónak a hátterétől elütő színűnek kell lennie.
(4) A külső ajtókat fogódzókkal kell ellátni mindkét oldalon, amelyeket belülre, a jármű külső falához a lehető legközelebb kell felszerelni. Kivétel lehet ez alól az ajtó azon oldala, amelyet fedélzeti felvonóval vagy hasonló eszközzel szereltek fel.
(5) A fogódzók:
- olyan függőleges fogódzók, amelyek az összes külső ajtó esetében az első lépcsőfok küszöbe fölött 700 és 1 200 mm közötti magasságig terjednek,
- további fogódzók a felszállásra használható első lépcsőfok fölött 800 és 900 mm közötti magasságban és a lépcső élének vonalával párhuzamosan, ha kettőnél több belépési lépcső van.
(6) Amennyiben az átjáró 1 000 mm-nél keskenyebb és 2 000 mm-nél hosszabb, fogódzókat vagy kapaszkodókat kell felszerelni az utasok általi használatra szolgáló, járművek közötti átjáróban vagy amellett.
(7) Amennyiben az átjáró legalább 1 000 mm széles, az átjáróban fogódzókat vagy kapaszkodókat kell felszerelni.
4.2.2.10. Kerekesszékkel megközelíthető hálófülkék
(1) Ha a vonat hálófülkékkel van felszerelve az utasok számára, az egyik járműben legalább egy kerekesszékkel megközelíthető hálófülkéről kell gondoskodni.
(2) Ha több járműben is van hálófülke a vonat utasai számára, legalább két kerekesszékkel megközelíthető hálófülkéről kell gondoskodni a vonaton.
(3) Ha egy vasúti járműben kerekesszékkel megközelíthető hálófülkét biztosítanak, a jármű ezen ajtajának és a kerekesszékkel megközelíthető hálófülke ajtajának külső oldalán ezt jelezni kell az N. függelék szerinti jellel.
(4) A kerekesszékkel megközelíthető hálófülke belső méretének figyelembe kell vennie a 4.2.2.6. pont követelményeit, figyelemmel mindazokra a teendőkre, amelyeket a kerekesszék használója a hálófülkében várhatóan végez.
(5) A hálófülkét legalább két olyan segélyhívó eszközzel kell ellátni, amely működtetésekor jelzést küld annak a személynek, aki megfelelő intézkedéseket tehet, nem feltétlenül kell kommunikációt kezdeményezni.
(6) A segélyhívó eszköz kezelőfelületének az 5.3.2.6. pontban meghatározottnak kell lennie.
(7) Az egyik segélyhívót a padló fölött - a padlószinttől a kezelőszerv középpontjáig függőlegesen mérve - legfeljebb 450 mm magasan kell elhelyezni. Az alsó segélyhívó eszközt úgy kell elhelyezni, hogy a kezelőszerv elérhető legyen egy padlón fekvő személy számára.
(8) A másik segélyhívónak - a jármű padlószintjétől a kezelőszerv középpontjáig függőlegesen mérve - legalább 600 és legfeljebb 800 mm magasságban kell lennie.
(9) Ezt a két segélyhívót a hálófülke eltérő függőleges felületein kell elhelyezni.
(10) A segélyhívó eszköznek ki kell tűnnie a hálófülkén belüli összes többi kezelőszerv közül, és azoktól, valamint a hátterétől elütő színűnek kell lennie.
4.2.2.11. A lépcső pozíciója a járműre való fel- és leszálláshoz
4.2.2.11.1. Általános követelmények
(1) A pályán középpontosan álló, menetkész állapotú, új kerekekkel felszerelt jármű mindkét oldalán lévő minden egyes, utasok felszállására szolgáló ajtó lépcsője élének középső részén elhelyezkedő pontnak bizonyítottan az alábbi 1. ábrán a "lépcső helye"-ként megjelölt felületen kell elhelyezkednie.
1. ábra [Kép #1]

Kép #1
(2) A bq0, δh, δν+ és δν- értéke azon peron típusától függ, amelynél való megállásra a járművet tervezték. Ezeket az értékeket következőképpen kell megadni:
- bq0-t azon pálya nyomtávja alapján kell kiszámítani, amelyen való üzemre a járművet tervezték, az A. függelék 8. hivatkozásában említett előírásnak megfelelően. A nyomtávokat az INF ÁME 4.2.3.1. fejezete határozza meg.
- A δh, δν+ és δν- értékét a 7-9. táblázat adja meg.
7. táblázat az 550 mm magas peronoknál normál üzem közben megálló összes járműre:
7. táblázat
A δh, δν+ és δν- érték 550 mm magas peron esetében
| δh mm | δν+ mm | δν– mm | |
| egyenes, vízszintes pályán | 200 | 230 | 160 |
| 300 m görbületi sugarú pályán | 290 | 230 | 160 |
8. táblázat a 760 mm magas peronoknál normál üzem közben megálló összes járműre:
8. táblázat
A δh, δν+ és δν- érték 760 mm magas peron esetében
| δh mm | δν+ mm | δν- mm | |
| egyenes, vízszintes pályán | 200 | 230 | 160 |
| 300 m görbületi sugarú pályán | 290 | 230 | 160 |
9. táblázat a mind a 760 mm magas, mind az 550 mm magas peronoknál normál üzem közben megálló, két vagy több fel- és leszállási lépcsővel rendelkező összes járműre:
Egy lépcső esetében a fenti 7. táblázat értékeit kell alkalmazni, a jármű belseje felé vezető következő lépcsőre pedig - 760 mm-es névleges peronmagasság esetében - a következő értékeke vonatkoznak:
9. táblázat
A δh, δν+ és δν- érték 760 mm magas peronról a második lépcső esetében
| δh mm | δν+ mm | δν- mm | |
| egyenes, vízszintes pályán | 380 | 230 | 160 |
| 300 m görbületi sugarú pályán | 470 | 230 | 160 |
(3) A LOC&PAS ÁME 4.2.12. pontjában előírt műszaki dokumentációban fel kell tüntetni az elméleti peron magasságára és vízszintes távolságára vonatkozó azon információt, amelynek eredményeképpen az elméleti peron és az egyenes, vízszintes pályán álló jármű legalacsonyabb lépcsője élének középvonalában levő ponttól számítva függőlegesen 230 mm távolság (δν+ ), vízszintesen 200 mm távolság (δh ) adódik.
4.2.2.11.2. Fel- és leszállásra szolgáló lépcsők
(1) A fel- és leszállásra szolgáló összes lépcsőfoknak csúszásmentesnek kell lennie, és a nettó hasznos szélességének azonosnak kell lennie az ajtó szélességével.
(2) A fel- és leszállásra szolgáló belső lépcsőknek legalább 240 mm mélynek kell lenniük a lépcsőfokok függőleges szélei között, magasságuk pedig legfeljebb 200 mm lehet. A lépcsőfokok magasságát legfeljebb 230 mm-re lehet növelni, ha az bizonyítottan eggyel csökkenti a szükséges lépcsőfokok számát.
(3) A lépcsőfokok emelkedési magasságának azonosnak kell lennie.
(4) Legalább az első és utolsó lépcsőfokot a lépcsőfokok peremének elülső és felső felületén legalább a lépcső szélességének 80 %-át elérő, 45-55 mm közötti szélességű, elütő színű csíkkal kell jelezni. Hasonló csíknak kell jelölnie az egységbe való belépés előtti utolsó lépcsőfok első felületét.
(5) A rögzített vagy mozgó külső lépcső legnagyobb magassága 230 mm lehet a lépcsőfokok között, és legalább 150 mm-es mélységgel kell rendelkeznie.
(6) Ha lépcsődeszka van felszerelve, és az az ajtóküszöb meghosszabbítása a járművön kívül, és nincs szintkülönbség a lépcsődeszka és a jármű padlója között, akkor az - ezen előírás alkalmazásában - nem tekintendő lépcsőnek. Az ajtóküszöb és a jármű külsejének padlószintje között minimális, legfeljebb 60 mm-es szintesés is megengedett az ajtó vezetése és tömítése érdekében, és az nem tekintendő lépcsőfoknak.
(7) A jármű előterének megközelítését legfeljebb 4 lépcsőfokkal kell megoldani, amelyek közül az egyik lehet külső.
(8) A normál üzem közben 380 mm magasság alatti, meglévő peronoknál történő megállásra tervezett olyan járműveknél, amelyeken az utasok fel- és leszállására szolgáló ajtók a forgóváz felett vannak, nem kell teljesíteni a fenti (2) és (5) pontot, amennyiben igazolható, hogy ezáltal a lépcsőmagasság elosztása egyenletesebb.
4.2.2.12. Fel- és leszállást segítő eszközök
(1) Biztonságos tárolórendszerről kell gondoskodni annak biztosítása érdekében, hogy a használaton kívüli fel- és leszállást segítő eszközök, ideértve a mozgatható rámpákat, ne ütközzenek az utas kerekesszékével vagy mozgást segítő eszközével, illetve hirtelen fékezéskor ne jelentsenek veszélyt az utasra nézve.
(2) A járműben a következű típusú fel- és leszállást segítő eszközök lehetnek jelen a 4.4.3. pontban meghatározott szabályok szerint:
4.2.2.12.1. Mozgatható lépcső és hídelem
(1) A mozgatható lépcső a járműbe épített, az ajtó küszöbének szintjénél alacsonyabb, teljesen automatikus visszahúzható eszköz, amelyet az ajtó nyitása és zárása aktivál.
(2) A hídelem a járműbe épített, az ajtó küszöbének szintjéhez a lehető legközelebb lévő, teljesen automatikus visszahúzható eszköz, amelyet az ajtó nyitása és zárása aktivál.
(3) A szelvényezési szabályok által megengedett mértéken túlnyúló mozgatható lépcső vagy hídelem esetében a vonatnak mozdulatlannak kell lennie a lépcső vagy az elem kinyújtásakor.
(4) A mozgatható lépcső vagy hídelem kinyúlásának be kell fejeződnie, mielőtt az ajtó kinyílása lehetővé tenné az utasoknak az áthaladást, és fordítva, a lépcső visszahúzódása csak akkor kezdődhet meg, ha az ajtó kinyílása már nem teszi lehetővé az utasok áthaladását.
(5) A mozgatható lépcsőknek és hídelemeknek meg kell felelniük az 5.3.2.8. pont követelményeinek.
4.2.2.12.2. Vonaton lévő rámpa
(1) A vonaton lévő rámpa olyan eszköz, amelyet a jármű ajtóküszöbe és a peron között helyeznek el. A rámpa lehet manuális, félautomata vagy automata.
(2) A vonaton lévő rámpáknak meg kell felelniük az 5.3.2.9. pont követelményeinek.
4.2.2.12.3. Vonaton lévő felvonó
(1) A vonaton lévő felvonó a jármű ajtajába beépített eszköz, amely képes leküzdeni a jármű padlója és az állomás peronja közötti maximális szintkülönbséget a működtetés helyén.
(2) Amikor a felvonó használaton kívüli helyzetben van, az ajtó legkisebb hasznos szélességének a 4.2.2.3.2. pont szerintinek kell lennie.
(3) A vonaton lévő felvonóknak meg kell felelniük az 5.3.2.10. pont követelményeinek.
4.3. A kapcsolódási pontok működési és műszaki előírásai
4.3.1. Kapcsolódási pontok az infrastruktúra alrendszerrel
10. táblázat
Kapcsolódási pontok az infrastruktúra alrendszerrel
| Kapcsolódási pontok az infrastruktúra alrendszerrel | |||
| A mozgáskorlátozott személyekre vonatkozó ÁME | Infrastruktúra ÁME | ||
| Paraméter | Pont | Paraméter | Pont |
| A lépcső pozíciója a járműre való fel- és leszálláshoz | 4.2.2.11. | Peronok | 4.2.9. |
| Különleges esetek a lépcső járműre való fel- és leszálláshoz alkalmas pozíciója tekintetében | 7.3.2.6. | A peronokhoz kapcsolódó különleges esetek | 7.7. |
4.3.2. Kapcsolódási pontok a járművek alrendszerrel
11. táblázat
Kapcsolódási pont a járművek alrendszerrel
| Kapcsolódási pont a járművek alrendszerrel | |||
| A mozgáskorlátozott személyekre vonatkozó ÁME | A mozdonyokra és személyszállító járművekre vonatkozó ÁME | ||
| Paraméter | Pont | Paraméter | Pont |
| Járművek alrendszer | 4.2.2. | Személyszállítási elemek | 4.2.5. |
4.3.3. Kapcsolódási pontok a személyszállítási telematikai alkalmazások alrendszerrel
12. táblázat
Kapcsolódási pont a személyszállítási telematikai alkalmazások alrendszerrel
| Kapcsolódási pontok a személyszállítási telematikai alkalmazások alrendszerrel | |||
| A mozgáskorlátozott személyekre vonatkozó ÁME | A személyszállítási telematikai alkalmazásokra vonatkozó ÁME | ||
| Paraméter | Pont | Paraméter | Pont |
| Az állomás megközelíthetősége Segítség a vonatra való fel- és leszálláshoz | 4.4.1. | A fogyatékossággal élő és a csökkent mozgásképességű személyek szállításával és a számukra történő segítségnyújtással kapcsolatos információk kezelése | 4.2.6. |
| Segítség a vonatra való fel- és leszálláshoz | 4.4.2. | A fogyatékossággal élő és a csökkent mozgásképességű személyek szállításával és a számukra történő segítségnyújtással kapcsolatos információk kezelése | 4.2.6. |
| Megközelítés és foglalás | 4.4.2. | A rendelkezésre állás/foglalás kezelése | 4.2.9. |
| Vizuális tájékoztatás | 4.2.1.10. | Az állomásterületen történő tájékoztatás kezelése | 4.2.12. |
| Szóbeli tájékoztatás | 4.2.1.11. | Az állomásterületen történő tájékoztatás kezelése | 4.2.12. |
| Ügyfél-tájékoztatás | 4.2.2.7. | A járműterületen történő tájékoztatás kezelése | 4.2.13. |
4.4. Üzemeltetési szabályok
Az alábbi üzemeltetési szabályok nem képezik az alrendszerek értékelésének részét.
Ezen ÁME nem határoz meg üzemeltetési szabályokat a veszélyhelyzetek esetén történő evakuálásra vonatkozóan, hanem csak a vonatkozó műszaki követelményeket tartalmazza. Az infrastruktúrára és a járművekre vonatkozó műszaki követelmények célja az összes utas, köztük a fogyatékossággal élő és a csökkent mozgásképességű személyek evakuálásának megkönnyítése.
4.4.1. Infrastruktúra alrendszer
A 3. szakasz alapvető követelményeire figyelemmel az infrastruktúra alrendszer tekintetében specifikus, a fogyatékossággal élő és a csökkent mozgásképességű személyek hozzáférésével összefüggő üzemeltetési szabályok az alábbiak:
- Általános rendelkezések
A pályahálózat-működtetőnek vagy az állomásüzemeltetőnek írásban rögzített szabályzattal kell rendelkeznie, amely biztosítja, hogy az utasokat kiszolgáló infrastruktúrája a teljes üzemidőben ezen ÁME műszaki követelményeinek megfelelően hozzáférhető legyen a fogyatékossággal élő és a csökkent mozgásképességű személyek minden kategóriája számára. A szabályzatnak továbbá adott esetben összeegyeztethetőnek kell lennie a létesítményt használni kívánó bármely vasúttársaság szabályzatával (lásd a 4.4.2. pontot). A szabályzatot a személyzetnek szóló megfelelő tájékoztatással, eljárásokkal és képzéssel kell végrehajtani. Az infrastruktúrával kapcsolatos szabályzatnak tartalmaznia kell a következő helyzetekre vonatkozó üzemeltetési szabályokat, de nem korlátozódhat azokra:
- Az állomás megközelíthetősége
Üzemeltetési szabályokat kell alkotni annak érdekében, hogy az összes állomás megközelíthetőségi szintjével kapcsolatos információk hozzáférhetők legyenek.
- Személyzet nélküli állomások - Jegyértékesítés a látáskorlátozott utasok számára
Üzemeltetési szabályokat kell alkotni és végrehajtani az olyan személyzet nélküli állomásokra vonatkozóan, ahol a jegyértékesítés automaták útján történik (lásd a 4.2.1.8. pontot). Ilyen esetekben mindig elérhetőnek kell lennie a látáskorlátozott utasok számára hozzáférhető alternatív jegyértékesítési módnak (például amely lehetővé teszi a vonaton vagy a célállomáson történő jegyvásárlást).
- Jegyellenőrzés - Forgókeresztek
Amennyiben a jegyellenőrzés forgókereszttel történik, olyan üzemeltetési szabályokat kell létrehozni, amelyek lehetővé teszik a fogyatékossággal élő és a csökkent mozgásképességű személyek párhuzamos áthaladását az ilyen ellenőrző pontokon. Ez a számukra hozzáférhető lehetőség biztosítja a megközelítést a kerekesszékek számára, és lehet a személyzet által kezelt vagy automatikus.
- Világítás a peronokon
Megengedett a peronvilágítás lekapcsolása azokon a peronokon, amelyeken vonat nem várható.
- Vizuális és szóbeli tájékoztatás - Az egységesség elérése
Üzemeltetési szabályokat kell létrehozni az alapvető vizuális és szóbeli tájékoztatás egységességének biztosítása érdekében (lásd: 4.2.1.10. és a 4.2.1.11. pontot). A bejelentéseket bemondó személyzetnek szabványos eljárásokat kell követnie az alapvető információk teljes következetességének elérése érdekében.
Az útbaigazítási rendszerek nem tartalmazhatnak hirdetéseket.
Megjegyzés: A tömegközlekedési szolgáltatásokról szóló általános tájékoztatás e pont alkalmazásában nem tekintendő hirdetésnek.
- Igény szerinti szóbeli utastájékoztató rendszer
Amennyiben az alapvető szóbeli tájékoztatást nem az állomás hangosbeszélő rendszerén keresztül biztosítják (lásd a 4.2.1.11. pontot), üzemeltetési szabályokat kell létrehozni alternatív tájékoztató rendszer biztosítása érdekében, amelyen keresztül az utasok számára hallható módon is el tud jutni ugyanaz az információ az állomáson (pl. személyzet által ellátott vagy automata telefonos információs szolgáltatás révén).
- Peronok - A kerekesszékes fel- és leszállást segítő eszközök működési területe
A vasúttársaság és a pályahálózat-működtető vagy az állomásüzemeltető együttesen határozza meg a peronnak az(oka)t a területét (területeit), ahol az eszközt valószínűleg használni fogják, figyelembe véve a vonatok összetételének változásait.
Üzemeltetési szabályokat kell bevezetni a vonatok e működési terület(ek) helyének megfelelő, lehetőség szerinti megállási pontjának meghatározására.
- A manuális és elektromos, kerekesszékek fel- és leszállást segítő eszközeinek biztonságossága
Üzemeltetési szabályokat kell létrehozni a fel- és leszállást segítő eszközök állomásszemélyzet általi működtetésére vonatkozóan (lásd a 4.2.1.14. pontot).
Üzemeltetési szabályt kell létrehozni a kerekesszék-felvonókra szerelt, eltávolítható korlátok személyzet általi működtetésére vonatkozóan (lásd a 4.2.1.14 pontot).
Üzemeltetési szabályokat kell létrehozni annak biztosítása érdekében, hogy a személyzet biztonságosan működtetni tudja a fel- és leszállást segítő rámpákat azok üzembe és üzemen kívül helyezése, rögzítése, megemelése és lesüllyesztése tekintetében (lásd a 4.2.1.14. pontot).
- Segítség a vonatra való fel- és leszálláshoz
Üzemeltetési szabályokat kell létrehozni annak biztosítása érdekében, hogy a személyzet tudatában legyen annak, hogy a fogyatékossággal élő és a csökkent mozgásképességű személyeknek segítségre lehet szükségük a vonatra való fel- és leszálláshoz, és szükség esetén biztosítania kell az ilyen segítséget.
A fogyatékossággal élő és a csökkent mozgásképességű személyeknek történő segítségnyújtás feltételeit a 1371/2007/EK rendelet ( 4 ) szabályozza.
- Felügyelt szintbeli átjárók
Ahol a felügyelt szintbeli átjárók megengedettek, üzemeltetési szabályokat kell létrehozni annak biztosítása érdekében, hogy a személyzet a felügyelt szintbeli átjáróknál megfelelő segítséget tudjon nyújtani a fogyatékossággal élő és a csökkent mozgásképességű személyek részére, ideértve annak jelzését is, hogy mikor biztonságos áthaladni a vágányon.
4.4.2. Járművek alrendszer
A 3. szakasz alapvető követelményeire figyelemmel a járművek alrendszer tekintetében specifikus, a fogyatékossággal élő és a csökkent mozgásképességű személyek hozzáférésével összefüggő üzemeltetési szabályok az alábbiak:
- Általános rendelkezések
A vasúttársaságnak írásban rögzített szabályzattal kell rendelkeznie, amely biztosítja, hogy az utasokat kiszolgáló járművei a teljes üzemidőben ezen ÁME műszaki követelményeinek megfelelően hozzáférhetőek legyenek. Továbbá a szabályzatnak kompatibilisnek kell lennie adott esetben a pályahálózat-működtető vagy az állomásüzemeltető szabályzatával (lásd a 4.4.1. pontot). A szabályzatot a személyzetnek szóló megfelelő tájékoztatással, eljárásokkal és képzéssel kell végrehajtani. A járművekre vonatkozó szabályzatnak tartalmaznia kell a következő helyzetekre vonatkozó üzemeltetési szabályokat, de nem korlátozódhat azokra:
- A megkülönböztetett ülések megközelítése és lefoglalása
A "megkülönböztetett" besorolású ülések esetében két állapot létezik: i. nem lefoglalt és ii. lefoglalt (lásd a 4.2.2.1.2. pontot). Az i. esetben az üzemeltetési szabályok a többi utas felé irányulnak (azaz jelzés történik), miáltal arra kérik őket, hogy biztosítsanak elsőbbséget a fogyatékossággal élő és a csökkent mozgásképességű személyeknek, akik a meghatározás szerint jogosultak az ilyen ülések használatára, és hogy a foglalt megkülönböztetett üléseket adott esetben át kell adni. A ii. esetben a vasúttársaságnak üzemeltetési szabályokat kell létrehoznia annak biztosítása érdekében, hogy a jegyfoglalási rendszer méltányos legyen a fogyatékossággal élő és a csökkent mozgásképességű személyek tekintetében. Az ilyen szabályoknak biztosítaniuk kell, hogy a megkülönböztetett ülések csak a fogyatékossággal élő és a csökkent mozgásképességű személyek által legyenek lefoglalhatók az indulás előtt meghatározott felszabadítási időszakig. Ezen időpont után a megkülönböztetett üléseket a teljes utazóközönség számára hozzáférhetővé teszik, a fogyatékossággal élő és a csökkent mozgásképességű személyeket is ideértve.
- A segítő kutyák szállítása
Üzemeltetési szabályokat kell megállapítani arra vonatkozóan, hogy a segítő kutyával utazó, fogyatékossággal élő és/vagy csökkent mozgásképességű személynek ne kelljen pótdíjat fizetnie.
- A kerekesszékek számára kialakított helyek megközelítése és lefoglalása
A megkülönböztetett ülések megközelítésére és lefoglalására vonatkozó szabályokat a kerekesszékek számára kialakított helyekre is alkalmazni kell azzal, hogy elsőbbséget csak a kerekesszéket használók élveznek. Emellett az üzemeltetési szabályoknak rendelkezniük kell a kísérő (nem csökkent mozgásképességű) személyek i. nem lefoglalt és ii. lefoglalt üléseiről a kerekesszék számára kialakított hely mellett vagy azzal szemben.
- Az univerzális hálófülkék megközelítése és lefoglalása
A megkülönböztetett ülésekre vonatkozó foglalási szabályokat az univerzális hálófülkékre is alkalmazni kell (lásd a 4.2.2.10. pontot). Az üzemeltetési szabályoknak azonban meg kell akadályozniuk az univerzális hálófülkék foglalás nélküli használatát (azaz mindig előzetes foglalásra van szükség).
- A külső ajtók vonatszemélyzet általi aktiválása
Üzemeltetési szabályokat kell létrehozni a külső ajtók vonatszemélyzet általi aktiválási folyamatára vonatkozóan az összes utas (köztük a fogyatékossággal élő és a csökkent mozgásképességű személyek) biztonsága érdekében (lásd: 4.2.2.3.2. szakasz).
- Segélyhívó eszköz a kerekesszék számára kialakított helyen, az univerzális mosdóban vagy a kerekesszékkel megközelíthető hálófülkében
Üzemeltetési szabályokat kell létrehozni a vonatszemélyzet megfelelő reakcióját és cselekvését biztosítandó arra az esetre, ha a segélyhívót aktiválják (lásd a 4.2.2.2., a 4.2.2.5. és a 4.2.2.10. pontot). A reakciónak és cselekvésnek nem kell bármely eredetű segélyhívás esetén azonosnak lennie.
- Hangos biztonsági utasítások vészhelyzet esetén
Üzemeltetési szabályokat kell létrehozni a hangos biztonsági utasításoknak vészhelyzetben az utasok számára történő továbbítása érdekében (lásd a 4.2.2.7.4. pontot). E szabályoknak tartalmazniuk kell az utasítások jellegét és azok továbbítását.
- Vizuális és hangos tájékoztatás - A hirdetések szabályozása
Hozzáférhetőnek kell lennie a vonat működési útvonala vagy hálózata részletes adatainak (a vasúttársaságnak kell eldöntenie, hogy milyen módon teszi hozzáférhetővé ezt az információt).
Az útbaigazítási rendszerek nem tartalmazhatnak hirdetéseket.
Megjegyzés: A tömegközlekedési szolgáltatásokról szóló általános tájékoztatás e pont alkalmazásában nem tekintendő hirdetésnek.
- Automatikus tájékoztató rendszerek - A téves vagy félrevezető tájékoztatás manuális helyesbítése
Üzemeltetési szabályokat kell létrehozni a téves automatikus tájékoztatás vonatszemélyzet általi ellenőrzésére és helyesbíthetőségére (lásd a 4.2.2.7. pontot).
- A végállomás és a következő megállóhely bejelentésére vonatkozó szabályok
Üzemeltetési szabályokat kell létrehozni annak biztosítása érdekében, hogy a következő megállóhelyet legkésőbb 2 perccel a megérkezést megelőzően bejelentsék (lásd a 4.2.2.7. pontot).
- A vonat összetételére vonatkozó szabályok, amelyek lehetővé teszik a kerekesszékes fel- és leszállást segítő eszközök használatát a peronok kialakításának megfelelően
Üzemeltetési szabályokat kell létrehozni, amelyek oly módon veszik figyelembe a vonatok változó összetételét, hogy biztonságos zónákat lehessen megállapítani a kerekesszékes fel- és leszállást segítő eszközök használatához a vonatok megállási pontjai tekintetében.
- A manuális és elektromos, kerekesszékek fel- és leszállást segítő eszközeinek biztonságossága
Üzemeltetési szabályokat kell létrehozni a fel- és leszállást segítő eszközöknek a vonat vagy az állomás személyzete általi működtetésére vonatkozóan. Manuális eszközök esetében eljárásoknak kell biztosítaniuk, hogy a személyzet részéről minimális fizikai erőfeszítés legyen szükséges. Elektromos eszközök esetében eljárásoknak kell biztosítaniuk a hibátlan vészhelyzeti működést áramkimaradás esetére. Üzemeltetési szabályt kell megállapítani a kerekesszék-felvonókra szerelt eltávolítható korlátoknak a vonat vagy az állomás személyzete általi működtetésére vonatkozóan.
Üzemeltetési szabályokat kell létrehozni annak biztosítása érdekében, hogy a vonat vagy az állomás személyzete biztonságosan működtetni tudja a fel- és leszállást segítő rámpákat azok üzembe és üzemen kívül helyezése, rögzítése, megemelése és lesüllyesztése tekintetében.
- Segítség a vonatra való fel- és leszálláshoz
Üzemeltetési szabályokat kell létrehozni annak biztosítása érdekében, hogy a személyzet tudatában legyen annak, hogy a fogyatékossággal élő és a csökkent mozgásképességű személyeknek segítségre lehet szükségük a vonatra való fel- és leszálláshoz, és szükség esetén biztosítania kell az ilyen segítséget.
A fogyatékossággal élő és a csökkent mozgásképességű személyeknek történő segítségnyújtás feltételeit a 1371/2007/EK rendelet szabályozza.
Peronok - A kerekesszékes fel- és leszállást segítő eszközök működési területe
A vasúttársaság és a pályahálózat-működtető vagy az állomásüzemeltető együttesen határozza meg a peronnak azt a területét, ahol az eszközt valószínűleg használni fogják, és igazolják annak alkalmasságát. Ennek a területnek kompatibilisnek kell lennie azokkal a meglévő peronokkal, ahol a vonat valószínűleg megáll.
A fentiek következménye, hogy a vonat megállási pontját egyes esetekben módosítani kell a követelménynek való megfelelés érdekében.
Üzemeltetési szabályokat kell létrehozni, amelyek figyelembe veszik a vonatok összetételének változásait (lásd a 4.2.1.12. pontot) oly módon, hogy a vonatok megállási pontja a fel- és leszállást segítő eszköz működési területéhez képest legyen meghatározható.
- A mozgatható lépcső vészhelyzeti üzembe helyezése
Üzemeltetési szabályokat kell létrehozni a hídelemek vészhelyzeti üzembe és üzemen kívül helyezésére vonatkozóan áramkimaradás esetére.
- Az ennek az ÁME-nek megfelelő és nem megfelelő járművekből összeállított szerelvények üzemeltetése
Amikor megfelelő és nem megfelelő járművekből állítanak össze vonatszerelvényt, üzemeltetési eljárásokat kell létrehozni annak biztosítása érdekében, hogy a vonaton legalább két olyan kerekesszék számára kialakított hely legyen, amely megfelel ennek az ÁME-nek. Ha a vonaton vannak mosdók, azt is biztosítani kell, hogy a kerekesszéket használó személy számára hozzáférhető legyen egy univerzális mosdó.
Az ilyen jármű-kombinációk esetében eljárásokat kell létrehozni annak biztosítása érdekében, hogy az útvonalra vonatkozó látható és hangos tájékoztatás minden járművön elérhető legyen.
Elfogadható, ha ilyen körülmények között a dinamikus tájékoztató rendszerek és a kerekesszékek számára kialakított helyek/univerzális mosdók/kerekesszékkel megközelíthető hálófülkék segélyhívói nem feltétlenül működnek teljes mértékben.
- Az ennek az ÁME-nek megfelelő járművekből összeállított vonatok
Amikor a 6.2.7. ponttal összhangban egyenként értékelt járművekből vonatokat állítanak össze, üzemeltetési szabályokat kell megállapítani annak biztosítása érdekében, hogy a teljes vonat megfeleljen ezen ÁME 4.2. pontjának.
4.4.3. Fel- és leszállást segítő eszközök, valamint segítségnyújtás biztosítása
A pályahálózat-működtető vagy az állomásüzemeltető és a vasúttársaság megállapodik a fel- és leszállást segítő eszközök biztosításáról és kezeléséről, illetve a 1371/2007/EK rendelet szerinti segítségnyújtásról és alternatív személyszállításról annak meghatározása érdekében, hogy melyik fél feladata a fel- és leszállást segítő eszközök és az alternatív személyszállítás üzemeltetése. A pályahálózat-működtető (vagy az állomásüzemeltető(k)) és a vasúttársaság biztosítja, hogy a felelősségek általuk egyeztetett megosztása a leginkább működőképes átfogó megoldás.
Az ilyen megállapodások meghatározzák:
- az állomások azon peronjait, ahol a pályahálózat-működtetőnek vagy az állomásüzemeltetőnek kell üzemeltetnie fel- és leszállást segítő eszközöket, és azokat a járműveket, amelyekkel ezek használhatók,
- az állomások azon peronjait, ahol a vasúttársaságnak kell üzemeltetnie fel- és leszállást segítő eszközöket, és azokat a járműveket, amelyekkel ezek használhatók,
- azokat a járműveket, amelyek tekintetében a vasúttársaságnak kell üzemeltetnie fel- és leszállást segítő eszközöket, és az állomások azon peronjait, ahol ezek használhatók,
- azokat a járműveket, amelyek tekintetében a pályahálózat-működtetőnek vagy az állomásüzemeltetőnek kell üzemeltetnie fel- és leszállást segítő eszközöket, és az állomások azon peronjait, ahol ezek használhatók,
- az alternatív személyszállítás biztosításának feltételeit, amennyiben:
- a peron nem érhető el akadálymentes útvonalon, vagy
- nem nyújtható segítség a fel- és leszállást segítő eszköz peron és jármű közötti használatához.
4.5. Karbantartási szabályok
4.5.1. Infrastruktúra alrendszer
A pályahálózat-működtető vagy az állomásüzemeltető eljárásainak rendelkezéseket kell tartalmazniuk a fogyatékossággal élő és a csökkent mozgásképességű személyeknek nyújtott alternatív segítségről az ilyen személyeket kiszolgáló berendezések karbantartása, cseréje vagy javítása esetére.
4.5.2. Járművek alrendszer
Ha a fogyatékossággal élő és a csökkent mozgásképességű személyek által használható valamely berendezés meghibásodik (a tapintható jelzéseket is ideértve), a vasúttársaságnak biztosítania kell, hogy legyenek eljárásai a berendezésnek az esemény bejelentésétől számított 6 munkanapon belüli megjavítására vagy cseréjére.
4.6. Szakmai képesítések
Ezen ÁME hatálya alá tartozó, az 1.1. pontban meghatározott műszaki hatály és az üzemeltetési szabályokat felsoroló 4.4. pont szerinti infrastruktúra vagy járművek alrendszer működtetéséért és karbantartásáért felelős személyzet szakmai képesítései a következők:
a vonatkísérési feladatokat ellátó, az állomáson az utasoknak szolgáltatásokat és segítséget nyújtó és jegyértékesítő személyzet szakmai képzésének ki kell terjednie a fogyatékossággal szembeni tudatosságra és az egyenlőségre, ideértve a fogyatékossággal élő és a csökkent mozgásképességű személyek sajátos igényeit.
Az infrastruktúra vagy a járművek karbantartásáért és üzemeltetéséért felelős mérnökök és vezetők szakmai képzésének ki kell terjednie a fogyatékossággal kapcsolatos tudatosságra és az egyenlőségre, ideértve a fogyatékossággal élő és a csökkent mozgásképességű személyek sajátos igényeit.
4.7. Egészségvédelmi és biztonsági feltételek
Ezen ÁME alkalmazási körében nincsenek meghatározott követelmények sem az infrastruktúra vagy a járművek alrendszer üzemeltetéséért felelős személyzet, sem az ÁME végrehajtásának egészségvédelmi és biztonsági feltételeire vonatkozóan.
4.8. Infrastruktúra- és járműnyilvántartás
4.8.1. Infrastruktúra-nyilvántartás
A 2011/633/EU bizottsági végrehajtási határozat ( 5 ) sorolja fel az infrastruktúra azon jellemzőit, amelyeket a "vasúti infrastruktúra-nyilvántartásban" rögzíteni kell.
4.8.2. Járműnyilvántartás
A 2011/665/EU bizottsági végrehajtási határozat ( 6 ) sorolja fel a járművek azon jellemzőit, amelyeket az "engedélyezett járműtípusok európai nyilvántartásában" rögzíteni kell.
5. KÖLCSÖNÖS ÁTJÁRHATÓSÁGOT LEHETŐVÉ TEVŐ RENDSZERELEMEK
5.1. Fogalommeghatározás
A 2008/57/EK irányelv 2. cikkének f) pontja szerint a "kölcsönös átjárhatóságot lehetővé tevő rendszerelemek" a berendezések olyan elemi rendszerelemei, rendszerelemcsoportjai, szerkezeti részegységei vagy egésze, amelyeket beszereltek vagy beszerelni terveznek a vasúti rendszer kölcsönös átjárhatóságát közvetlenül vagy közvetve meghatározó valamely alrendszerbe. A "rendszerelem" fogalma materiális és immateriális javakat - például szoftvert - egyaránt magában foglal.
5.2. Innovatív megoldások
Az ezen ÁME 4.1. pontjában kifejtettek szerint az innovatív megoldások új előírásokat, illetve új értékelési módszereket igényelhetnek. Ezeket az előírásokat és értékelési módszereket a rendelet 6. cikkében ismertetett eljárással kell kidolgozni.
5.3. A rendszerelemek jellemzőinek felsorolása
A kölcsönös átjárhatóságot lehetővé tevő rendszerelemekkel a 2008/57/EK irányelv vonatkozó rendelkezései foglalkoznak, és ezek az alábbiakban felsorolva találhatók.
5.3.1. Infrastruktúra
Az alábbi elemek tekinthetők az infrastruktúra kölcsönös átjárhatóságot lehetővé tevő rendszerelemeinek:
5.3.1.1. Képernyők
(1) A kijelzőknek olyan méretűnek kell lenniük, hogy elférjen azokon az állomás neve vagy az üzenetek szövege. Az állomások nevét vagy az üzenetek szövegének szavait legalább 2 másodpercig ki kell jelezni.
(2) Ha (vagy vízszintes, vagy függőleges) gördülő kijelzőt használnak, minden egyes teljes szót legalább 2 másodpercig kell megjeleníteni, és a vízszintes görgetési sebesség nem haladhatja meg a másodpercenkénti 6 karaktert.
(3) A kijelzőket a következő képlet szerinti legnagyobb olvashatósági távolsággal meghatározott használati területre kell tervezni és értékelni:
Olvasási távolság (mm-ben) 250-nel osztva = betűméret (például: 10 000 mm/250 = 40 mm).
5.3.1.2. Peronrámpák
(1) A rámpákat az általuk legfeljebb 18 %-os lejtővel áthidalható legnagyobb függőleges távolsággal meghatározott használati területre kell tervezni, és eszerint kell értékelni.
(2) A rámpáknak az M. függelékben részletesen meghatározott jellemzőkkel bíró kerekesszékek kiszolgálásra kell képesnek lenniük.
(3) A rámpának legalább 300 kg teherbírásúnak kell lennie az eszköz közepén, egy 660 × 660 mm-es területen elosztva.
(4) Ha a rámpa elektromos működésű, rendelkeznie kell vészhelyzeti manuális működtetéssel áramkimaradás esetére.
(5) A rámpa felületének csúszásmentesnek kell lennie, és legalább 760 mm effektív szabad szélességgel kell rendelkeznie.
(6) Az 1 000 mm-nél keskenyebb szabad szélességgel rendelkező rámpák peremeit mindkét szélükön meg kell emelni, nehogy a mozgást segítő eszköz kerekei lecsússzanak arról.
(7) A rámpa két végén lévő kiállásokat le kell kerekíteni, és nem lehetnek 20 mm-nél magasabbak. Ezeket elütő színű veszélyjelző csíkokkal kell ellátni.
(8) A rámpát biztonságos rögzítési mechanizmussal kell felszerelni, hogy ne mozduljon el a be- és kiszállás közbeni használatkor.
(9) A rámpákat elütő jelzésekkel kell ellátni.
5.3.1.3. Peronfelvonók
(1) A felvonókat az általuk áthidalható legnagyobb függőleges távolsággal meghatározott használati területre kell tervezni, és eszerint kell értékelni.
(2) A felvonóknak az M. függelékben részletesen meghatározott jellemzőkkel bíró kerekesszékek kiszolgálásra kell képesnek lenniük.
(3) A felvonónak legalább 300 kg teherbírásúnak kell lennie az eszköz közepén, egy 660 × 660 mm-es területen elosztva.
(4) A felvonó felületének csúszásmentesnek kell lennie.
(5) A felvonó padlójának legalább 800 mm szabad szélességűnek és 1 200 mm hosszúnak kell lennie. Az M. függelék szerint a láb számára további 50 mm-t kell biztosítani a felvonó padlója feletti 100 mm magasságtól, figyelembe véve a befelé és kifelé haladó kerekesszéket használókat egyaránt.
(6) A felvonó padlója és a kocsi padlója közötti rést áthidaló hídelemnek legalább 760 mm szélességűnek kell lennie.
(7) Ahol van, a felvonó üzembe és üzemen kívül helyezésére, talajszintre engedésére és felemelésére szolgáló működtető eszközöket a kezelő folyamatos manuális nyomásával kell működtetni, és nem szabad, hogy lehetőség legyen a peronfelvonó helytelen sorrendű működtetésére, amikor az foglalt.
(8) A felvonónak áramkimaradás esetére lehetőséget kell biztosítania az üzembe helyezésre és a talajszintre engedésre, ha foglalt, és a felemelésre és üzemen kívül helyezésre, ha üres.
(9) A felvonó padlójának egyetlen része sem mozoghat 150 mm/s-nál nagyobb sebességgel a benne tartózkodó leengedésekor és felemelésekor, és 600 mm/s-nál nagyobb sebességgel üzembe vagy üzemen kívül helyezés közben (kivéve, ha az manuálisan történik).
(10) Foglalt állapotban a felvonó padlójának legnagyobb vízszintes és függőleges gyorsulása nem haladhatja meg a 0,3 g-t.
(11) A felvonó padlóját akadályokkal kell ellátni, nehogy a kerekesszék bármelyik kereke leguruljon róla működés közben.
(12) Egy mozgatható akadálynak vagy állandó konstrukciós elemnek kell akadályoznia, hogy a kerekesszék átguruljon a járműhöz legközelebbi peremen, amíg a felvonó nincs teljesen megemelt pozícióban.
(13) Legalább 25 mm magas akadállyal kell ellátni a felvonó padlójának minden olyan oldalát, amely megemelt pozícióban túlnyúlik a járművön. Az ilyen akadályok nem zavarhatják a folyosóra való be- és kihajtási manővereket.
(14) A felvonó talajra engedett állapotában rakodórámpaként funkcionáló rakodóperem akadályának (a külső akadálynak) elegendőnek kell lennie ahhoz, hogy megemelt vagy lezárt állapotban megakadályozza az elektromos kerekesszéket abban, hogy átguruljon rajta vagy tönkretegye azt, vagy erre kiegészítő rendszert kell biztosítani.
(15) A felvonónak lehetővé kell tennie, hogy a kerekesszék használója befelé vagy kifelé nézzen.
(16) A felvonót elütő jelöléssel kell ellátni.
5.3.2. Járművek
A járművek esetében az alábbiak tekinthetők kölcsönös átjárhatóságot lehetővé tevő rendszerelemeknek:
5.3.2.1. Az ajtónyitó kezelőfelülete
(1) Az ajtónyitón vagy körülötte vizuális jelzésnek kell jeleznie, hogy az mikor működtethető, és annak tenyérrel, 15 N-t meg nem haladó erővel működtethetőnek kell lennie.
(2) Az ajtónyitónak érintéssel (például: tapintható jelzéssel) azonosíthatónak kell lennie; a jelzésnek a működést is jelölnie kell.
5.3.2.2. Normál és univerzális mosdók: közös paraméterek
(1) A mosdófülkén belüli vagy kívüli bármely ajtókilincs, retesz vagy ajtónyitó szerkezet középpontjának legalább 800 mm-re és legfeljebb 1 100 mm-re kell lennie a mosdóajtó küszöbe fölött.
(2) Látható és tapintható (vagy hallható) módon kell a mosdón belül és kívül jelezni, ha az ajtó be van reteszelve.
(3) A mosdófülkén belüli bármely ajtónyitó szerkezetnek vagy más berendezésnek legfeljebb 20 N erővel működtethetőnek kell lennie (a pelenkázóasztal és a segélyhívó eszköz kivételével).
(4) Minden kezelőszervnek, az öblítőrendszert is ideértve, a háttérfelülettől elütő színűnek és tapintással azonosíthatónak kell lennie.
(5) Egyértelmű, pontos tájékoztatást kell adni az összes kezelőszerv használatáról piktogramok segítségével, és annak tapinthatónak is kell lennie.
(6) A vécéülőkének és -fedélnek, és minden fogódzónak a háttérfelülettől elütő színűnek kell lennie.
5.3.2.3. Normál mosdó
(1) A normál mosdót nem úgy tervezték, hogy kerekesszékkel megközelíthető legyen.
(2) Az ajtó legkisebb hasznos szélességének 500 mm-nek kell lennie.
(3) A 4.2.2.9. pont szerinti rögzített függőleges és/vagy vízszintes fogódzót kell elhelyezni a vécéülőke és a mosdótálca mellett.
5.3.2.4. Univerzális mosdó
(1) Az univerzális mosdó olyan mosdó, amelyet arra terveztek, hogy az összes utas által használható legyen, a fogyatékossággal élő és a csökkent mozgásképességű személyeket is ideértve.
(2) Az univerzális mosdó használati területét az értékeléséhez használt módszer határozza meg (A vagy B, a 6.1.3.1. pont szerint).
(3) A mosdó ajtajának legalább 800 mm nettó hasznos szélességűnek kell lennie. Automata vagy félautomata ajtó esetében lehetségesnek kell lenni a részleges nyitásnak, hogy a kerekesszéket használó segítője távozhasson, majd újból beléphessen a mosdómodulba.
(4) Az ajtó külső felületét az N. függelék szerinti jellel kell ellátni.
(5) A mosdófülkén belül elegendő területnek kell lennie ahhoz, hogy az M. függelék meghatározása szerinti kerekesszékkel a vécéülőke mellé lehessen manőverezni, hogy lehetővé váljon - oldal- és keresztirányban is - a kerekesszéket használó személy vécéülőkére való áthelyezése.
(6) A vécéülőke előtt legalább 700 mm, az ülőke profilját követő szabad helyet kell hagyni.
(7) A vécéülőke mindkét oldalán a 4.2.2.9. pontnak megfelelő vízszintes fogódzót kell elhelyezni úgy, hogy az legalább a vécéülőke elülső éléig elérjen.
(8) A kerekesszékkel megközelíthető oldalon olyan csuklószerkezettel kell ellátni a fogódzót, hogy lehetővé váljon a kerekesszéket használó személynek a vécéülőkére és vissza való akadálytalan áthelyezése.
(9) A lehajtott vécéülőke felületének 450 mm és 500 mm közötti magasságban kell lennie a padlószint fölött.
(10) A kerekesszéket használó személy számára valamennyi berendezésnek elérhetőnek kell lennie.
(11) A mosdófülkét legalább két olyan segélyhívó eszközzel kell ellátni, amely működtetésekor jelzést küld annak a személynek, aki megfelelő intézkedéseket tehet, nem feltétlenül kell kommunikációt kezdeményezni.
(12) A segélyhívó eszköz kezelőfelületének az 5.3.2.6. pontban meghatározottnak kell lennie.
(13) Az egyik segélyhívót a padló fölött - a padlószinttől a kezelőszerv középpontjáig függőlegesen mérve - legfeljebb 450 mm magasan kell elhelyezni. Az alsó segélyhívó eszközt úgy kell elhelyezni, hogy a kezelőszerv elérhető legyen egy padlón fekvő személy számára.
(14) A másik segélyhívónak a jármű padlószintjétől a kezelőszerv középpontjáig függőlegesen mérve legalább 800 és legfeljebb 1 100 mm magasságban kell lennie.
(15) Ezt a két segélyhívó eszközt a fülke két különböző függőleges felületén kell elhelyezni, hogy több pozícióból is elérhetők legyenek.
(16) A segélyhívó kezelőszervének ki kell tűnnie a mosdón belüli összes többi kezelőszerv közül, és azoktól, illetve a háttértől elütő színűnek kell lennie.
(17) Pelenkázóasztal megléte esetében annak leengedett pozícióban 800 és 1 000 mm közötti magasságban kell lennie a padlószinttől.
5.3.2.5. Pelenkázóasztal
(1) A pelenkázóasztal hasznos felületének legalább 500 mm szélességűnek és 700 mm hosszúnak kell lennie.
(2) Az asztalt úgy kell megtervezni, hogy megakadályozza a csecsemő véletlen leesését, ne legyenek éles peremei, és legalább 80 kg súlyt elbírjon.
(3) Egy kézzel felhajthatónak kell lennie; az ehhez szükséges erő nem haladhatja meg a 25 N-t.
5.3.2.6. A segélyhívó kezelőfelülete
A segélyhívó:
(1) jelölése zöld vagy sárga hátterű jelzéssel (az A. függelék 10. hivatkozásában említett előírás szerint) és egy csengőt vagy telefont ábrázoló fehér ábrával történik, ez a jel lehet a gombon, a foglalaton vagy lehet külön piktogram is,
(2) tapintható ábrákat tartalmaz,
(3) a működését jelző látható és hangjelzést bocsát ki,
(4) szükség esetén további használati tájékoztatást nyújt.
(5) kialakításának olyannak kell lennie, hogy tenyérrel működtethető legyen, és a működtetése ne igényeljen 30 N-t meghaladó erőt.
5.3.2.7. Belső és külső kijelzők
(1) Az állomások nevét (amely lehet rövidített) vagy az üzenetek szövegének szavait legalább 2 másodpercig ki kell jelezni.
(2) Ha (vagy vízszintes, vagy függőleges) gördülő kijelzőt használnak, minden egyes teljes szót legalább 2 másodpercig kell megjeleníteni, és a vízszintes átlagos görgetési sebesség nem haladhatja meg a másodpercenkénti 6 karaktert.
(3) A szöveghez használt betűtípusnak könnyen olvashatónak kell lennie.
(4) Az elülső külső kijelzőkön legalább 70 mm, az oldalsó kijelzőkön pedig legalább 35 mm magas nagybetűket és számokat kell használni.
(5) A belső kijelzőket a következő képlet szerinti legnagyobb olvashatósági távolsággal meghatározott használati területre kell tervezni, és eszerint kell értékelni:
13. táblázat
Járművek belső kijelzőinek használati területe
| Olvasási távolság | A nagybetűk és számok magassága |
| < 8 750 mm | (olvasási távolság/250) mm |
| 8 750 –10 000 mm-ig | 35 mm |
| > 10 000 mm | (olvasási távolság/285) mm |
5.3.2.8. Fel- és leszállást segítő eszközök: mozgatható lépcsők és hídelemek
(1) A mozgatható lépcsőket vagy hídelemeket azon ajtó szélességével meghatározott használati terület tekintetében kell megtervezni és értékelni, amelybe beleillenek.
(2) Az eszköz mechanikai erősségének az A. függelék 11. hivatkozásában említett előírásoknak kell megfelelnie.
(3) Megfelelő mechanizmust kell felszerelni a berendezés stabilitásának biztosítására használati és használaton kívüli pozícióban.
(4) A berendezés felületének csúszásmentesnek kell lennie, és a effektív szabad szélességének azonosnak kell lennie az ajtó szélességével.
(5) Az eszközt az A. függelék 11. hivatkozásában említett előírásokkal összhangban kell akadályérzékelővel felszerelni.
(6) Az eszköznek módot kell biztosítania az üzembe és üzemen kívül helyezésre, ha a lépcső áramellátása megszűnik.
5.3.2.9. Fel- és leszállást segítő eszközök: vonaton lévő rámpák
(1) A rámpákat az általuk legfeljebb 18 %-os lejtővel áthidalható legnagyobb függőleges távolsággal meghatározott használati területre kell tervezni, és eszerint kell értékelni.
(2) A rámpáknak legalább 300 kg teherbírásúnak kell lennie a rámpa közepén, egy 660 × 660 mm-es területen elosztva.
(3) A megközelítési rámpát vagy a személyzetnek kell manuálisan pozícióba állítania, vagy a személyzet, illetve az utas által működtetett félautomata eszközökkel.
(4) Ha a rámpa elektromos működésű, rendelkeznie kell vészhelyzeti manuális működtetéssel áramkimaradás esetére.
(5) A rámpa felületének csúszásmentesnek kell lennie, és legalább 760 mm effektív szabad szélességgel kell rendelkeznie.
(6) Az 1 000 mm-nél keskenyebb szabad szélességgel rendelkező rámpák peremeit mindkét szélükön meg kell emelni, nehogy a mozgást segítő eszköz kerekei lecsússzanak arról.
(7) A rámpa két végén lévő kiállásokat le kell kerekíteni, és nem lehetnek 20 mm-nél magasabbak. Ezeket elütő színű veszélyjelző csíkokkal kell ellátni.
(8) Amikor fel- vagy leszállásra használják, a rámpát rögzíteni kell, hogy ne mozduljon el a terhelésváltozás miatt.
(9) A félautomata rámpákat fel kell szerelni olyan eszközzel, amely képes az adott lépcsőfok mozgásának leállítására, ha annak elülső széle mozgás közben hozzáér bármely tárgyhoz vagy személyhez.
(10) A rámpákat elütő jelzésekkel kell ellátni.
5.3.2.10. Fel- és leszállást segítő eszközök: vonaton lévő felvonók
(1) A felvonókat az általuk áthidalható legnagyobb függőleges távolsággal meghatározott használati területre kell tervezni, és eszerint kell értékelni.
(2) A felvonó felületének csúszásmentesnek kell lennie. A felvonó padlójának legalább 760 mm szabad szélességűnek és 1 200 mm hosszúnak kell lennie. Az M. függelék szerint a láb számára további 50 mm-t kell biztosítani a felvonó padlója feletti 100 mm magasságtól, figyelembe véve a befelé és kifelé haladó kerekesszéket használókat egyaránt.
(3) A felvonó padlója és a kocsi padlója közötti rést áthidaló hídelemnek legalább 720 mm szélességűnek kell lennie.
(4) A felvonónak legalább 300 kg teherbírásúnak kell lennie a felvonó padlója közepén, egy 660 × 660 mm-es területen elosztva.
(5) Ahol van, a felvonó üzembe és üzemen kívül helyezésére, talajszintre engedésére és felemelésére szolgáló működtető eszközöket folyamatos manuális nyomással kell működtetni, és nem szabad, hogy lehetőség legyen a peronfelvonó helytelen sorrendű működtetésére, amikor az foglalt.
(6) A felvonónak áramkimaradás esetére lehetőséget kell biztosítania az üzembe helyezésre és a talajszintre engedésre, ha foglalt, és a felemelésre és üzemen kívül helyezésre, ha üres.
(7) A felvonó padlójának egyetlen része sem mozoghat 150 mm/s-nál nagyobb sebességgel a benne tartózkodó leengedésekor és felemelésekor, és 600 mm/s-nál nagyobb sebességgel üzembe vagy üzemen kívül helyezés közben (kivéve, ha az manuálisan történik).
(8) Foglalt állapotban a felvonó padlójának legnagyobb vízszintes és függőleges gyorsulása nem haladhatja meg a 0,3 g-t.
(9) A felvonó padlóját akadályokkal kell ellátni, nehogy a kerekesszék bármelyik kereke leguruljon róla működés közben.
(10) Egy mozgatható akadálynak vagy állandó konstrukciós elemnek kell akadályoznia, hogy a kerekesszék átguruljon a járműhöz legközelebbi peremen, amíg a felvonó nincs teljesen megemelt pozícióban.
(11) Legalább 25 mm magas akadállyal kell ellátni a felvonó padlójának minden olyan oldalát, amely megemelt pozícióban túlnyúlik a járművön. Az ilyen akadályok nem zavarhatják a folyosóra való be- és kihajtási manővereket.
(12) A felvonó talajra engedett állapotában rakodórámpaként funkcionáló rakodóperem akadályának (a külső akadálynak) elegendőnek kell lennie ahhoz, hogy megemelt vagy lezárt állapotban megakadályozza az elektromos kerekesszéket abban, hogy átguruljon rajta vagy tönkretegye azt, vagy erre kiegészítő rendszert kell biztosítani.
(13) A felvonónak lehetővé kell tennie, hogy a kerekesszék használója befelé vagy kifelé nézzen.
(14) A felvonót elütő jelöléssel kell ellátni.
6. MEGFELELŐSÉGI ÉS/VAGY ALKALMAZHATÓSÁGI ÉRTÉKELÉS
A megfelelőség és az alkalmazhatóság értékelésére és az EK-hitelesítésre vonatkozó eljárási modulokat a 2010/713/EU határozat ismerteti.
6.1. Kölcsönös átjárhatóságot lehetővé tevő rendszerelemek
6.1.1. Megfelelőségértékelés
A gyártónak vagy az Unió területén székhellyel rendelkező meghatalmazott képviselőjének a 2008/57/EK irányelv 13. cikkének (1) bekezdésével összhangban álló EK megfelelőségi nyilatkozatot vagy alkalmazhatósági nyilatkozatot kell kiállítania a kölcsönös átjárhatóságot lehetővé tevő valamely rendszerelem forgalmazásának megkezdése előtt.
A kölcsönös átjárhatóságot lehetővé tevő egyes rendszerelemek megfelelőségi értékelését az adott rendszerelemre ezen ÁME 6.1.2. pontjában meghatározott modul(ok) szerint kell elvégezni:
6.1.2. A modulok alkalmazása
Az alábbi táblázat sorolja fel az átjárhatóságot lehetővé tevő rendszerelemek EK-megfelelőségi tanúsításának moduljait:
14. táblázat
A kölcsönös átjárhatóságot lehetővé tevő rendszerelemek EK-megfelelőségi tanúsítására szolgáló modulok
| CA. modul | Belső gyártásellenőrzés |
| CA1. modul | Belső gyártásellenőrzés, valamint termékellenőrzés egyedi vizsgálatok útján |
| CA2. modul | Belső gyártásellenőrzés és véletlenszerű időközönként végzett termékellenőrzés |
| CB. modul | EK-típusvizsgálat |
| CC. modul | Belső gyártásellenőrzésen alapuló típusmegfelelőség |
| CD. modul | A gyártási folyamat minőségirányítási rendszerén alapuló típusmegfelelőség |
| CF. modul | Típusmegfelelőség a termékellenőrzés alapján |
| CH. modul | A teljes minőségirányítási rendszeren alapuló megfelelőség |
| CH1. modul | A teljes minőségirányítási rendszeren és tervvizsgálaton alapuló megfelelőség |
| CV. modul | Típushitelesítés üzemi tapasztalatok alapján (használatra való alkalmasság) |
A gyártónak vagy az Unió területén székhellyel rendelkező meghatalmazott képviselőjének az értékelendő rendszerelemnek megfelelően ki kell választania a következő táblázatban feltüntetett modulok egyikét vagy modulkombinációkat.
15. táblázat
A kölcsönös átjárhatóságot lehetővé tevő rendszerelemek EK-megfelelőségi tanúsítására szolgáló modulkombinációk
| E melléklet pontja | Értékelendő rendszerelemek | CA. modul | CA1. vagy CA2. modul (*1) | CB. + CC. modul | CB. + CD. modul | CB. + CF. modul | CH. modul (*1) | CH1. modul |
| 5.3.1.1. | Képernyők | X | X | X | X | X | ||
| 5.3.1.2. és 5.3.1.3. | Peronrámpák és peronfelvonók | X | X | X | X | X | ||
| 5.3.2.1. | Az ajtónyitó kezelőfelülete | X | X | X | ||||
| 5.3.2.2., 5.3.2.3. és 5.3.2.4. | Mosdómodulok | X | X | X | X | X | ||
| 5.3.2.5. | Pelenkázóasztal | X | X | X | ||||
| 5.3.2.6. | Segélyhívók | X | X | X | ||||
| 5.3.2.7. | Belső és külső kijelzők | X | X | X | X | X | ||
| 5.3.2.8.–5.3.2.10. | Fel- és leszállást segítő eszközök | X | X | X | X | X | ||
| (*1) A CA1., CA2. vagy CH. modult csak azon termékek esetében lehet használni, amelyeket a termékekre vonatkozó ÁME alkalmazása előtt kialakított és a termék forgalomba hozatala céljából felhasznált tervek szerint gyártottak le, feltéve, hogy a gyártó igazolja a bejelentett szervezet előtt, hogy a tervvizsgálatokat és a típusvizsgálatot a korábbi kérelmek esetében hasonló körülmények között végezték el, és azok megfelelnek ezen ÁME követelményeinek; ennek igazolását dokumentálni kell, és ugyanolyan szintű igazolásnak minősül, mint a CB. modul vagy a CH1. modul szerint végzett tervvizsgálat. | ||||||||
Amennyiben az értékeléshez sajátos eljárást kell alkalmazni, ezt a 6.1.3. pont adja meg.
6.1.3. Sajátos értékelési eljárások
6.1.3.1. Univerzális mosdómodul
A mosdófülkén belüli azon területet, amely lehetővé teszi az M. függelék meghatározása szerinti kerekesszékkel a vécéülőke mellé történő manőverezést, hogy lehetővé váljon - oldal- és keresztirányban is - a kerekesszéket használó személy vécéülőkére való áthelyezése, az A. függelék 9. hivatkozásában említett előírásban ismertetett A. módszer alkalmazásával kell értékelni.
Más lehetőségként, ha az A. módszer nem használható, megengedett az A. függelék 9. hivatkozásában említett előírásban ismertetett B. módszer alkalmazása. Ez a lehetőség csak a következő esetekben biztosított:
- olyan járművek esetében, amelyeknél a rendelkezésre álló padlószélesség 2 400 mm alatti,
- a meglévő járművek felújítása vagy korszerűsítése esetében.
6.1.3.2. Mosdómodul és univerzális mosdómodul
Amennyiben a mosdómodul vagy az univerzális mosdómodul nem független fülkeként került beépítésre, jellemzőiket az alrendszer szintjén kell értékelni.
6.2. Alrendszerek
6.2.1. EK-hitelesítés (általános előírások)
Az alrendszerekre a 2008/57/EK irányelv 18. cikkében és VI. mellékletében ismertetett EK-hitelesítési eljárásokat kell alkalmazni.
Az EK-hitelesítési eljárást az ezen ÁME 6.2.2. pontjában meghatározott modul(ok) alapján kell elvégezni.
Az infrastruktúra alrendszer vonatkozásában, ha a kérelmező igazolja, hogy az alrendszer vagy az alrendszer részeinek vizsgálata vagy értékelése a terv korábbi alkalmazásai tekintetében sikeres volt vagy azokkal megegyezik, a bejelentett szervezet az EK-hitelesítéshez figyelembe veszi e vizsgálatok és értékelések eredményét.
A jóváhagyási folyamatot és az értékelés tartalmát a kérelmezőnek és a bejelentett szervezetnek egymás között kell meghatároznia ezen ÁME követelményeivel és az ezen ÁME 7. szakaszában megállapított szabályokkal összhangban.
6.2.2. Az alrendszerek EK-hitelesítésére szolgáló eljárások (modulok)
Az alábbi táblázat sorolja fel az alrendszerek EK-hitelesítésére szolgáló modulokat:
16. táblázat
Az alrendszerek EK-hitelesítésére szolgáló modulok
| SB. modul | EK-típusvizsgálat |
| SD. modul | A gyártási folyamat minőségirányítási rendszerén alapuló EK-hitelesítés |
| SF. modul | A termékellenőrzésen alapuló EK-hitelesítés |
| SG. modul | Az egyedi termékellenőrzésen alapuló EK-hitelesítés |
| SH1. modul | A teljes minőségirányítási rendszeren és tervvizsgálaton alapuló EK-hitelesítés |
A kérelmezőnek választania kell egyet a 17. táblázatban lévő modulok és modulkombinációk közül.
17. táblázat
Az alrendszerek EK-hitelesítésére szolgáló modulkombinációk
| Értékelendő alrendszer | SB.+SD. modul | SB.+SF. modul | SG. modul | SH1. modul |
| Járművek alrendszer | X | X | X | |
| Infrastruktúra alrendszer | X | X |
A vonatkozó szakaszok során értékelendő alrendszer jellemzőit ezen ÁME E. függeléke tünteti fel, az E.1. táblázat az infrastruktúra és az E.2. táblázat a járművek alrendszer esetében. A kérelmezőnek meg kell erősítenie, hogy az általa létrehozott valamennyi alrendszer megfelel a típusnak.
6.2.3. Sajátos értékelési eljárások
6.2.3.1. A kerekesszékről való átülésre szolgáló ülés
Az átülésre szolgáló ülések biztosítására vonatkozó követelmény értékelése annak ellenőrzésére szorítkozik, hogy ilyen ülések vannak-e és azokat felszerelték-e felhajtható karfákkal. Különösen nem értékelendő az átülés módja.
6.2.3.2. A lépcső pozíciója a járműre való fel- és leszálláshoz
Ezt a követelményt a jármű tervrajzain feltüntetett névleges értékek, illetve a jármű tervezett megállói szerinti, vonatkozó peron(ok) névleges értékei felhasználásával végzett számítással kell ellenőrizni. A padló utasok be- és kiszállásra szolgáló ajtónál lévő végét lépcsőfoknak kell tekinteni.
6.2.4. Műszaki megoldások, amelyek megfelelősége már a tervezési fázisban feltételezett
Ezen ÁME vonatkozásában az infrastruktúra alrendszer a következő ismétlődő részalkotóelemek sorozata együttesének tekinthető:
- Parkolók
- Ajtók és bejáratok, átlátszó akadályok jelölésükkel együtt
- Tapintható információt tartalmazó burkolati jelzések, az akadálymentes útvonal mentén elhelyezett tapintható tájékoztatás
- Fogódzókkal felszerelt rámpák és lépcsők
- Bútorok felszerelése és kiemelése
- Jegyértékesítő vagy tájékoztató pultok
- Jegyárusító és -ellenőrző automaták
- Vizuális tájékoztatás: jelzőtáblák, piktogramok, dinamikus információk
- Peronok, beleértve azok végeit és peremét, fedett helyek és váróterületek, ha vannak
- Szintbeli átjárók
Az infrastruktúra alrendszer e részalkotóelemei tekintetében a megfelelés vélelme értékelhető a tervezési szakaszban, konkrét projektek előtt vagy azoktól függetlenül. A bejelentett szervezet a tervezési szakaszban időközi ellenőrzésekre vonatkozó tanúsítványt adhat ki.
6.2.5. A karbantartás értékelése
A 2008/57/EK irányelv 18. cikkének (3) bekezdése alapján a bejelentett szervezet felel az üzemeltetés és a karbantartás tekintetében kért dokumentációt is tartalmazó műszaki dokumentáció összeállításáért.
A bejelentett szervezet csak azt ellenőrzi, hogy megadták-e az üzemeltetés és a karbantartás tekintetében kért, ezen ÁME 4.5. pontjában meghatározott dokumentációt. A bejelentett szervezet nem köteles hitelesíteni a megadott dokumentációban lévő adatokat.
6.2.6. Az üzemeltetési szabályok értékelése
Új vagy felülvizsgált biztonsági engedély vagy biztonsági tanúsítvány kiadása előtt a 2004/49/EK irányelv 10. és 11. cikkével összhangban a vasúttársaságoknak és pályahálózat-működtetőknek biztonságirányítási rendszerükön belül kell igazolniuk az ezen ÁME követelményeinek való megfelelést.
Ezen ÁME alkalmazásában a bejelentett szervezet még akkor sem ellenőriz egyetlen üzemeltetési szabályt sem, ha az fel van sorolva a 4.4. pontban.
6.2.7. Általános üzemre használni kívánt egységek értékelése
Amikor a járművet önálló járművekként szállítják, nem pedig fix egységenként, az ilyen járműveket értékelni kell ezen ÁME vonatkozó pontjai alapján, elfogadva, hogy nem minden ilyen jármű rendelkezik kerekesszékek számára fenntartott hellyel, azokkal megközelíthető berendezésekkel vagy univerzális mosdóval.
A bejelentett szervezet nem ellenőrzi a járműtípus vonatkozásában azt a felhasználási területet, amely az értékelendő egységgel együtt biztosítja, hogy a vonat teljes mértékben megfeleljen az ÁME-nek.
Miután az ilyen egység megkapta a forgalomba helyezési engedélyt, a vasúttársaság felel annak biztosításáért, hogy a vonat más megfelelő járművekből való összeállításakor ezen ÁME 4.2. pontja a vonat szintjén teljesül, az OPE ÁME 4.2.2.5. pontjában (vonat összeállítása) meghatározott szabályoknak megfelelően.
7. AZ ÁME VÉGREHAJTÁSA
7.1. Az ezen ÁME alkalmazása új infrastruktúrára és járművekre
7.1.1. Új infrastruktúra
Ez az ÁME a hatálya alá tartozó összes új állomásra vonatkozik.
Ez az ÁME nem vonatkozik az olyan új állomásokra, amelyekre az ÁME alkalmazási időpontjában az építési engedélyt már kiadták, vagy amelyek már aláírt, vagy valamely tendereljárás végső fázisában lévő építési beruházási szerződés tárgyát képezik. Ezekben az esetekben azonban alkalmazni kell a mozgáskorlátozott személyekre vonatkozó 2008-as ÁME-t ( 7 ), annak meghatározott hatályán belül. Azon állomásprojektek esetében, amelyekre a mozgáskorlátozott személyekre vonatkozó 2008. évi ÁME-t kell alkalmazni, megengedett (de nem kötelező) a felülvizsgált változat egészének vagy adott szakaszainak alkalmazása; amennyiben az alkalmazás adott szakaszokra korlátozódik, a kérelmezőnek indokolnia kell és dokumentumokkal alá kell támasztania, hogy az alkalmazandó követelmények továbbra is következetesek, és ezt a bejelentett szervnek jóvá kell hagynia.
Amennyiben az utasforgalom számára hosszú ideig zárva tartó állomásokat újból üzembe helyezik, ezt a 7.2. pont szerint lehet felújításként vagy korszerűsítésként kezelni.
Az állomásüzemeltető konzultációkat szervez a környék irányításáért felelős vezetéssel minden új állomás építése esetében, hogy lehetővé tegye a hozzáférhetőséggel kapcsolatos követelmények teljesülését nem csak az állomáson, hanem az állomás megközelíthetőségét illetően is. Multimodális állomások esetében a többi közlekedési hatósággal is konzultálni kell a más közlekedési módokhoz kialakítandó vasúti összeköttetés tekintetében.
7.1.2. Új járművek
Ez az ÁME az alkalmazási körébe tartozó és az ezen ÁME alkalmazásának napja után üzembe helyezett járművek minden egységére vonatkozik, kivéve amennyiben a mozdonyokra és személyszállító járművekre vonatkozó ÁME 7.1.1.2. "Átmeneti időszak" vagy a 7.1.3.1. "Járművek alrendszer" pontja alkalmazandó.
7.2. Az ezen ÁME alkalmazása meglévő infrastruktúrára és járművekre
7.2.1. Az elérni kívánt rendszerre történő fokozatos átállás lépései
Ez az ÁME felújítás vagy korszerűsítés esetén vonatkozik az alrendszerekre.
Ezen ÁME nem vonatkozik az olyan felújított vagy korszerűsített állomásokra, amelyekre az ÁME alkalmazási időpontjában az építési engedélyt már kiadták, vagy amelyek abban az időpontban már aláírt, vagy valamely tendereljárás végső fázisában lévő építési beruházási szerződés tárgyát képezik.
Ez az ÁME nem vonatkozik az annak alkalmazási időpontjában már aláírt szerződés tárgyát képező vagy valamely tendereljárás végső fázisában lévő, felújított vagy korszerűsített járművekre.
Meglévő infrastruktúra és járművek tekintetében az ÁME átfogó célja az ÁME-nek való megfelelés a hozzáférhetőség meglévő akadályainak azonosításával és fokozatos megszüntetésével történő elérése.
A tagállamok biztosítják, hogy e rendelet céljainak elérése érdekében az eszközleltárakat megszervezzék és a végrehajtási terveket elfogadják.
7.2.1.1. Eszközleltár - infrastruktúra
7.2.1.1.1. Funkcionális és műszaki kialakítás
Az eszközleltár funkciói a következők:
1. a hozzáférhetőség meglévő akadályainak és korlátainak azonosítása;
2. gyakorlati tájékoztatás nyújtása a felhasználók számára;
3. a hozzáférhetőséggel kapcsolatos előrelépés figyelemmel kísérése és értékelése.
A hozzáférhetőségi adatok cseréjére szolgáló architektúráról a 454/2011/EU rendelet (telematikai alkalmazásokra vonatkozó ÁME) rendelkezik.
A hozzáférhetőségi adatok formázására és cseréjére a következő szabványok vonatkoznak:
1. CEN/TS 16614-1:2014 Tömegközlekedés - Hálózati és menetrendi adatok cseréje (NeTEx) - 1. rész: A tömegközlekedési hálózati topológiákkal kapcsolatos adatcsere formátuma 2014.5.14.
2. EN 12896-1:2016 Tömegközlekedés. Referencia-adatmodell. Általános fogalmak (Transmodel)
A tervezett különleges felhasználás tekintetében az O. függelék 1. hivatkozásában említett műszaki dokumentáció tartalmaz egy harmonizált egyedi Transmodel-profilt.
7.2.1.1.2. A hozzáférhetőségi adatok bevitelére és az azokkal kapcsolatos önértékelésre vonatkozó szabályok
A hozzáférhetőségi adatok bevitelére és az azokkal kapcsolatos önértékelésre a következő szabályok vonatkoznak:
1. az eszközökkel kapcsolatos hozzáférhetőségi adatokat gyűjtő szervezeteknek tevékenységükben nem kell függetlennek lenniük az eszközök napi kezelésétől;
2. a hozzáférhetőségi adatoknak az (EU) 2019/772 bizottsági végrehajtási rendelet ( 8 ) hatálybalépését követően végzett első gyűjtése során az állomások ezen ÁME-nek való megfelelése nem értékeltként is bejegyezhető a leltárba;
3. amennyiben egy állomáson vagy annak elemein egy ezen ÁME-hez kapcsolódó nemzeti végrehajtási tervben előírt korszerűsítést, felújítást vagy bármilyen munkálatokat végeznek, a megfelelő hozzáférhetőségi adatokat - beleértve adott esetben az ezen ÁME-nek való megfelelés státuszát - frissíteni kell;
4. az ezen ÁME-nek való megfelelés státusza az ezen ÁME 6.2.4. pontjában leírt, időközi ellenőrzésre vonatkozó tanúsítvány alapján is frissíthető;
5. a berendezések műszaki állapotát nem szükséges rögzíteni a leltárban.
Az adatgyűjtő eszközt, amelynek üzemmódjait az O. függelék 2. hivatkozásában szereplő műszaki dokumentáció ismerteti, a Bizottság rendelkezésére kell bocsátani.
Amennyiben rendelkezésre állnak strukturált hozzáférhetőségi adatok, és azok átalakíthatók a harmonizált profilnak megfelelő formátumúra, alternatív megoldásként - az átalakításukat követően - ezek az adatok is továbbíthatók. A meglévő hozzáférhetőségi adatok átalakításának módszertanát és a kommunikációs protokollt az O. függelék 3. hivatkozásában szereplő műszaki dokumentáció rögzíti.
7.2.1.1.3. Adatlekérési szabályok
Az ERSAD esetében:
1. a nyilvánosságnak szóló információkat az Európai Unió Vasúti Ügynöksége által üzemeltetett nyilvános weboldalon keresztül kell hozzáférhetővé tenni;
2. a nyilvántartásba vett nemzeti hatóságok számára lehetővé kell tenni a tagállam szempontjából lényeges valamennyi hozzáférhetőségi adat lekérését;
3. a Bizottság és az Ügynökség számára minden hozzáférhetőségi adat lekérését lehetővé kell tenni.
Az Ügynökség által üzemeltetett ERSAD adatbázis nem kapcsolható össze más adatbázisokkal.
7.2.1.1.4. A felhasználói visszajelzések kezelésére vonatkozó szabályok
A felhasználók visszajelzései a következő formát ölthetik:
1. felhasználói szövetségek - köztük a fogyatékossággal élő személyeket képviselő szervezetek - intézményi visszajelzései: használhatók a meglévő struktúrák, feltéve, hogy azok a fogyatékossággal élő és a csökkent mozgásképességű személyek szervezeteinek képviselőit is magukban foglalják, és a megfelelő - nem feltétlenül a nemzeti - szinten tükrözik az adott helyzetet. A felhasználói visszajelzések benyújtására vonatkozó eljárást úgy kell megszervezni, hogy abban e szervezetek egyenlő feltételek mellett vehessenek részt;
2. egyéni visszajelzések: a honlap látogatói számára lehetőséget kell biztosítani arra, hogy bejelentsék az egyes állomások hozzáférhetőségével kapcsolatban észlelt helytelen információkat, továbbá észrevételeik beérkezéséről visszaigazolást kell küldeni részükre.
Az adatok gyűjtéséért, karbantartásáért és cseréjéért felelős szervezeteknek mindkét esetben megfelelően figyelembe kell venniük a felhasználóktól kapott visszajelzéseket.
7.2.2. Az ÁME alkalmazása meglévő infrastruktúrára
Az infrastruktúra tekintetében az ÁME-nek való megfelelés kötelező a felújított vagy korszerűsített részek vonatkozásában. Az ÁME azonban elismeri, hogy a megörökölt vasúti rendszer jellemzői miatt a meglévő infrastruktúra megfelelősége a hozzáférhetőség fokozatos javítása útján érhető el.
E fokozatos megközelítés mellett a meglévő infrastruktúra tekintetében elérni kívánt rendszer lehetővé teszi a következő kivételeket:
- Amennyiben az akadálymentes útvonal meglévő gyaloghidakból, lépcsőkből és aluljárókból készül, ideértve az ajtókat, felvonókat és jegyellenőrző berendezéseket, ezek méreteinek vonatkozásában nem kötelezőek a szélességre vonatkozó követelmények.
- A peron legkisebb szélességére vonatkozó követelménynek való megfelelés nem kötelező a meglévő állomások esetében, ha a nem megfelelőség oka meghatározott, valószínűleg mozdíthatatlan peronakadályok (pl. szerkezeti oszlopok, lépcsőházak, felvonók stb.) vagy meglévő vágányok jelenléte.
- Amennyiben egy meglévő állomást vagy annak egy részét műemlék épületként tartanak nyilván és védenek nemzeti jogszabályokkal, megengedett ezen ÁME követelményeinek kiigazítása annak érdekében, hogy az ne ütközzön a nemzeti műemlékvédelmi jogszabályokba.
7.2.3. Az ezen ÁME alkalmazása meglévő járművekre
A járművek tekintetében az ezen ÁME-nek való megfelelést a felújított vagy korszerűsített részek vonatkozásában az F. függelék ismerteti.
7.3. Különleges esetek
7.3.1. Általános rendelkezések
A 7.3.2. pontban felsorolt különleges esetek az egyes tagállamok adott hálózatain szükséges és engedélyezett egyedi rendelkezéseket ismertetik.
Az ilyen különleges esetek osztályozása:
- "P" esetek : állandó ("permanent") esetek
- "T" esetek : ideiglenes ("temporary") esetek, amelyek tekintetében tervezett a célrendszer jövőben való elérése
7.3.2. Különleges esetek felsorolása
7.3.2.1. Megkülönböztetett ülések (4.2.2.1. pont)
Németország és Dánia különleges "P" esete
Az ülések 10 %-ának kell megkülönböztetett ülésnek lennie. Az önkéntes és kötelező helyfoglalással rendelkező vonatokon az ilyen megkülönböztetett ülések legalább 20 %-át piktogrammal kell ellátni, a megkülönböztetett ülések többi 80 %-ának előre lefoglalhatónak kell lennie.
Olyan vonatokon, ahol nem lehetséges a helyfoglalás, minden megkülönböztetett ülést sajátos piktogrammal kell ellátni a 4.2.2.1.2.1. ponttal összhangban.
7.3.2.2. Kerekesszékek számára kialakított helyek (4.2.2.2. pont)
Franciaország különleges "P" esete (csak az Île-de-France hálózat)
A kerekesszékek számára kialakított helyek száma kettőre korlátozott az Île-de-France expresszhálózat A, B, C, D és E vonalain történő használatra szánt minden egység esetében, hosszától függetlenül.
7.3.2.3. Külső ajtók (4.2.2.3.2. pont)
Franciaország különleges "P" esete (csak az Île-de-France hálózat)
A rövid megállási és állomások közötti utazási idő miatt nem szükséges hangjelzés az utasok fel- és leszállására szolgáló ajtó nyitható állapotának jelzésére, az Île-de-France expresszhálózat A, B, C, D és E vonalain történő használatra szánt minden egység esetében.
7.3.2.4. Közlekedők (4.2.2.6. pont)
Nagy-Britannia, Észak-Írország és Írország különleges "P" esete
A korlátozott űrszelvény, a pálya görbülete és így a jármű korlátozott szélessége miatt megengedett, hogy a 4.2.2.6. pont (1. alpontja) csak a megkülönböztetett ülések hozzáférhetősége tekintetében teljesüljön.
Ez a különleges eset nem akadályozza az ÁME-nek megfelelő vasúti járműveket abban, hogy a nemzeti hálózatot használják.
7.3.2.5. Szintkülönbségek (4.2.2.8. pont)
Franciaország különleges "P" esete (csak az Île-de-France hálózat)
A kétszintes vonatok esetében a belső (és nem a külső megközelítésre szolgáló) lépcsők legnagyobb magassága 208 mm és legkisebb mélysége 215 mm, a lépcső hossztengelyén mérve.
7.3.2.6. A lépcső pozíciója a járműre való fel- és leszálláshoz (4.2.2.11. pont)
Észtország, Lettország és Litvánia különleges "P" esete valamennyi olyan jármű tekintetében, amely normál üzem közben 200 mm magas peronoknál áll meg
Ilyen esetben a δh δν+ és δν- értéke az alábbi táblázat szerint alakul
18. táblázat
A δh, δν+ és δν- értéke Észtország, Lettország és Litvánia különleges esetében
| δh mm | δν+ mm | δν- mm | |
| egyenes, vízszintes pályán | 200 | 400 | n. a. |
Finnország különleges "P" esete
A finnországi vonalakon történő használathoz egy további lépcső szükséges. Ennek az első használható lépcsőnek olyannak kell lennie, hogy a járművek legnagyobb szerkesztési szelvénye megfeleljen az A. függelék 14. hivatkozásában említett előírások követelményeinek, és a δh, δν+ és δν- értéke a következő táblázat szerint alakuljon:
19. táblázat
A δh, δν+ és δν- értéke Finnország különleges esetében
| δh mm | δν+ mm | δν- mm | |
| egyenes, vízszintes pályán | 200 | 230 | 160 |
| 300 m görbületi sugarú pályán | 410 | 230 | 160 |
Németország különleges "P" esete valamennyi olyan jármű tekintetében, amely normál üzem közben 960 mm magas peronoknál áll meg
Ilyen esetben a δh δν+ és δν- értéke az alábbi táblázat szerint alakul:
20. táblázat
A δh, δν+ és δν- értéke Németország különleges esetében
| δh mm | δν+ mm | δν- mm | |
| egyenes, vízszintes pályán | 200 | 230 | 230 |
| 300 m görbületi sugarú pályán | 290 | 230 | 230 |
Ausztria és Németország különleges "P" esete valamennyi olyan jármű tekintetében, amely normál üzem közben olyan peronoknál áll meg, amelyek magassága nem éri el az 550 mm-t
Ebben az esetben a 4.2.2.11.1. (2) pontban szereplő követelmények mellett lépcsőt kell biztosítani, és a δh, δν+ és δν- értékeknek az alábbi táblázat szerint kell alakulniuk:
21. táblázat
A δh, δν+ és δν- értéke Ausztria és Németország különleges esetében
| δh mm | δν+ mm | δν- mm | |
| egyenes, vízszintes pályán | 200 | 310 | n. a. |
| 300 m görbületi sugarú pályán | 290 | 310 | n. a. |
Írország különleges "P" esete valamennyi olyan jármű tekintetében, amely normál üzem közben 915 mm magas peronoknál áll meg
Ilyen esetben a δh, δν+ és δν- értéke az alábbi táblázat szerint alakul:
22. táblázat
A δh, δν+ és δν- értéke Írország különleges esetében
| δh mm | δν+ mm | δν- mm | |
| egyenes, vízszintes pályán | 275 | 250 | — |
| 300 m görbületi sugarú pályán | 275 | 250 | — |
Portugália különleges "P" esete az 1 668 mm-es nyomtávú hálózat tekintetében
Az 1 668 mm-es nyomtávú hálózaton történő üzemeltetésre szánt járművek esetében az első használható lépcsőnek meg kell felelnie 4.2.2.11.1. pontban ((5) alpont, 9. táblázat) meghatározott értékeknek, beleértve a kölcsönösen átjárható nyomtávok szerint tervezett, 1 668 mm-es vagy 1 435 mm-es nyomtávú, háromsínes vágányon (1 668 és 1 435 ) futó járműveket.
Az 1 668 mm-es névleges nyomtávú hálózaton megengedettek a sín futófelülete felett 685 mm vagy 900 mm magasságú peronok.
Az új (elővárosi vonalakon közlekedő) járművek bejárati ajtóküszöbeinek konstrukcióját a 900 mm magas peronokról való megközelíthetőségre kell optimalizálni.
Spanyolország különleges "P" esete az 1 668 mm-es nyomtávú hálózat tekintetében
Az 1 668 mm-es nyomtávú spanyol vasútvonalakra szánt járművek tekintetében az első használható lépcső helyzete a következő táblázatokban megadott méretek szerint alakul, a vonal űrszelvényétől és a peron magasságától függően:
23. táblázat
Spanyolország különleges esete - a δh, δν+, δν- és bq0 értéke egyenes vízszintes pályán
| Egyenes, vízszintes pályán | ||||
| Lépcső helyzete | A vonal űrszelvénye | |||
| GEC16 vagy GEB16 | GHE16 | Háromsínes vágány (1. megjegyzés) | ||
| 760 vagy 680 mm | 550 mm | |||
| δh mm | 275 | 275 | 255 | 316,5 |
| δν+ mm | 230 | |||
| δν- mm | 160 | |||
| bq0 | 1 725 | 1 725 | 1 705 | 1 766,5 |
24. táblázat
Spanyolország különleges esete - a δh, δν+, δν- és bq0 értéke 300 méteres görbületi sugarú pályán
| 300 m görbületi sugarú pályán | ||||
| Lépcső helyzete | A vonal űrszelvénye | |||
| GEC16 vagy GEB16 | GHE16 | Háromsínes vágány (1. megjegyzés) | ||
| 760 vagy 680 mm | 550 mm | |||
| δh mm | 365 | 365 | 345 | 406,5 |
| δν+ mm | 230 | |||
| δν- mm | 160 | |||
| bq0 | 1 737,5 | 1 737,5 | 1 717,5 | 1 779 |
| 1. megjegyzés: Ezeket az értékeket kell alkalmazni, amennyiben a közös vágány a peronhoz legközelebbi pozícióban helyezkedik el. Ha a közös vágány a perontól legtávolabbi helyzetben helyezkedik el, az első használható lépcső helyzete illeszkedni fog a megfelelő intézkedésekhez a vonal űrszelvényétől és a peron magasságától függően, a kétsínes 1 668 mm-es nyomtávnak megfelelő oszlopban megadottak szerint. | ||||
Az Egyesült Királyság különleges "P" esete valamennyi olyan jármű tekintetében, amely normál üzem közben 915 mm névleges magasságú peronoknál áll meg
Megengedett, hogy a jármű utasok fel- és leszállására szolgáló lépcsőit úgy tervezzék meg, hogy az egyesült királyságbeli 915 mm-es névleges magasságú peronnál álló vonat esetében a következő értékek teljesüljenek:
A δh, δν+ és δν- értéke az alábbi táblázat szerint alakul:
25. táblázat
A δh, δν+ és δν- értéke az Egyesült Királyság különleges esetében
| δh mm | δν+ mm | δν- mm | |
| egyenes, vízszintes pályán | 200 | 230 | 160 |
| 300 m görbületi sugarú pályán | 290 | 230 | 160 |
Vagy ehelyett az e célra bejelentett nemzeti műszaki szabályokban meghatározott helyzet.
A. függelék
Az ÁME-ben hivatkozott szabványok vagy normatív dokumentumok
| ÁME | Normatív dokumentum | |||
| Hivatkozás | Értékelendő jellemzők | E melléklet pontja | Dokumentumszám | Kötelező rendelkezések |
| 1 | A felvonó méretei Tapintható jelzések | 4.2.1.2.2. 4.2.1.10. | EN 81-70:2003+A1:2004 | 5.3.1. pont 1. táblázat E 4. melléklet |
| 2 | Mozgólépcsők és mozgójárdák kialakítása | 4.2.1.2.2. | EN 115-1:2008+A1:2010 | |
| 3 | Világítás a peronokon | 4.2.1.9. | EN 12464-2:2014 | 5.12. táblázat, az 5.12.16. és 5.12.19. pont kivételével |
| 4 | Világítás a peronokon | 4.2.1.9. | EN 12464-1:2011 | 5.53.1. pont |
| 5 | Beszédátviteli mutató, állomások és járművek | 4.2.1.11. 4.2.2.7.4. | EN 60268-16:2011 | B. melléklet |
| 6 | Megvilágítás a járművekben | 4.2.2.4. | EN 13272:2012 | 4.1.2. pont |
| 7 | Biztonsági, figyelmeztető, kötelező és tiltó jelzések | 4.2.2.7.2. | ISO 3864-1:2011 | Összes |
| 8 | A bq0 számítása | 4.2.2.11.1. | EN 15273-1:2013 | H.2.1.1. pont |
| 9 | Az univerzális mosdómodul értékelése | 6.1.3.1. | TS 16635:2014 | Összes |
| 10 | Színek meghatározása | 5.3.2.6. | ISO 3864-1:2011 ISO 3864-4:2011 | 11. fejezet |
| 11 | A fel- és leszállást segítő eszköz mechanikai erőssége Akadályérzékelés | 5.3.2.8. 5.3.2.8. | FprEN 14752:2014 | 4.2.2. pont 5.4. pont |
| 12 | A kerekesszékkel megközelíthető területeket azonosító jel ábrája | N. függelék, N3 | ISO 7000:2004 ISO 7001:2007 | 0100 ábra PIPF 006 ábra |
| 13 | Az indukciós hurkokat jelző jel ábrája | N. függelék, N3 | ETSI EN 301 462 (2000-03) | 4.3.1.2. |
| 14 | Finnország különleges esete | 7.3.2.6. | EN 15273-2:2013 | F. melléklet |
B. függelék
Ideiglenes rangsorolási szabály az állomások korszerűsítésére/felújítására
Azon felújított vagy korszerűsített állomásoknak, amelyek egy 12 hónapos időszakra vonatkozóan a fel- és leszálló utasok teljes számát tekintve átlag napi 1 000 -nél kevesebb utast szolgálnak ki, nem kötelező olyan felvonóval és/vagy rámpával rendelkezniük, amelyekre egyébként szükség lenne, ha ugyanazon az útvonalon 50 km-en belül egy másik állomás teljesen megfelelő akadálymentes utat biztosít. Ilyen körülmények között az állomások tervezésekor gondoskodni kell egy felvonó és/vagy rámpák későbbi elhelyezhetőségéről annak biztosítása érdekében, hogy az állomás megközelíthető legyen a fogyatékossággal élő és a csökkent mozgásképességű személyek számára. A nemzeti szabályokat kell alkalmazni annak megszervezésére, hogy a fogyatékossággal élő és a csökkent mozgásképességű személyeket a nem hozzáférhető állomás és az azonos útvonalon lévő következő megközelíthető állomás között általuk hozzáférhető módon szállítsák.
C. függelék
Nemzeti végrehajtási tervben megadandó információk
Háttér
- Helyzetfelmérés (tények és számadatok - társadalmi adatok - a mobilitási igények és mobilitási hiányosságok alakulása)
- Jogszabályi háttér
- A nemzeti végrehajtási terv kidolgozásának módszertana (azok a szervezetek és helyi közlekedési hatóságok, amelyekkel konzultáció folyt, kapcsolódási pont más nemzeti végrehajtási tervekkel stb.).
Jelenlegi állapot
- A leltárak áttekintése: állomások
- A leltárak áttekintése: járművek
- A leltárak áttekintése: üzemeltetési szabályok
A stratégia meghatározása
- Rangsorolási szabály
- Az alrendszerek tervben való kezelésének kritériumai
Műszaki és üzemeltetési eszközök
- Az állomások és járművek felújításának és korszerűsítésének mértéke
- A hozzáférhetőség akadályainak felszámolását célzó minden más munka, amely kívül esik a 2008/57/EK irányelv 20. cikkének hatályán
- Üzemeltetési intézkedések (segítségnyújtás) alkalmazása a hozzáférhetőség megmaradó hiányának ellensúlyozására
Finanszírozás
- Kereszthivatkozások a szerződéses megállapodásokra (2012/34/EU irányelv 30. cikke ( 9 )) és közbeszerzési szerződések (1370/2007/EK rendelet ( 10 ))
- Egyéb források
További intézkedések és visszacsatolás
- Az eszközleltár naprakésszé tétele és a célkitűzésekkel való összevetése
- A terv naprakésszé tétele
D. függelék
A kölcsönös átjárhatóságot lehetővé tevő rendszerelemek értékelése
D.1. HATÁLY
Ez a függelék a kölcsönös átjárhatóságot lehetővé tevő rendszerelemek megfelelőségének és alkalmazhatóságának értékelésével foglalkozik.
D.2. JELLEMZŐK
A kölcsönös átjárhatóságot lehetővé tevő rendszerelemeknek a tervezés, fejlesztés és a gyártás különböző fázisaiban vizsgálandó jellemzői a D.1. táblázatban "X"-szel vannak jelölve.
D. 1. táblázat
A kölcsönös átjárhatóságot lehetővé tevő rendszerelemek értékelése
| 1 | 2 | 3 | 4 | 5 |
| A kölcsönös átjárhatóságot lehetővé tevő rendszerelemek és értékelendő jellemzők | Értékelés a következő fázisban: | |||
| Tervezési és fejlesztési fázis | Gyártási fázis | |||
| A tervezés felülvizsgálata és/vagy tervvizsgálat | A gyártási folyamat felülvizsgálata | Típusvizsgálat | A típusnak való megfelelőség igazolása | |
| 5.3.1.1. Kijelzők | X | X | X | |
| 5.3.1.2. Peronrámpák | X | X | X | |
| 5.3.1.3. Peronfelvonók | X | X | X | |
| 5.3.2.1. Az ajtónyitó kezelőfelülete | X | X | X | |
| 5.3.2.2. és 5.3.2.3. Normál mosdók | X | X | X | |
| 5.3.2.2. és 5.3.2.4. Univerzális mosdók | X | X | X | |
| 5.3.2.5. Pelenkázóhely | X | X | X | |
| 5.3.2.6. Segélyhívó eszköz | X | X | X | |
| 5.3.2.7. Kijelzők | X | X | X | |
| 5.3.2.8. Mozgatható lépcső és hídelem | X | X | X | |
| 5.3.2.9. Vonaton lévő rámpa | X | X | X | |
| 5.3.2.10. Vonaton lévő felvonók | X | X | X | |
E. függelék
Az alrendszerek értékelése
E.1. HATÁLY
Ez a függelék az alrendszerek megfelelőségének értékelését írja le.
E.2. JELLEMZŐK ÉS MODULOK
Az alrendszernek a tervezés, fejlesztés és gyártás különböző fázisaiban értékelendő jellemzőit "X" jelzi az E.1. táblázatban az infrastruktúra alrendszer és az E.2. táblázatban a járművek alrendszer esetében.
E.1. táblázat
Az infrastruktúra alrendszer értékelése (egyetlen egységként létrehozva és szállítva)
| 1 | 2 | 3 |
| Értékelendő jellemzők | Tervezési és fejlesztési fázis | Építési fázis |
| A tervezés felülvizsgálata és/vagy tervvizsgálat | Helyszín vizsgálata | |
| Parkolási lehetőségek a fogyatékossággal élő és a csökkent mozgásképességű személyek számára | X | (X) (*1) |
| Akadálymentes útvonalak | X | (X) (*1) |
| Az útvonalak azonosítása | X | (X) (*1) |
| Ajtók és bejáratok | X | (X) (*1) |
| Padlófelületek | X | (X) (*1) |
| Átlátszó akadályok | X | (X) (*1) |
| Mosdók | X | (X) (*1) |
| Bútorok és szabadon álló eszközök | X | (X) (*1) |
| Jegykezelés/Pult vagy jegyértékesítő automata/Információs pult/Jegyellenőrző automata/Forgókeresztek/Ügyfélszolgálati pontok | X | (X) (*1) |
| Megvilágítás | X | X |
| Vizuális tájékoztatás: jelzőtáblák, piktogramok, dinamikus információk | X | (X) (*1) |
| Szóbeli tájékoztatás | X | X |
| A peronok szélessége és pereme | X | (X) (*1) |
| A peronok vége | X | (X) (*1) |
| Szintbeli vágányátjárók az állomásokon | X | (X) (*1) |
| (*1) Megvalósulási terveket kell biztosítani vagy pedig helyszíni vizsgálatot kell végezni, ha a kivitelezés eltér a tervezési szabályoktól vagy a bevizsgált tervektől. | ||
E.2. táblázat
A járművek alrendszer értékelése (sorozatgyártott termékként létrehozva és szállítva)
| 1 | 2 | 3 | 4 | |
| Értékelendő jellemzők | Tervezési és fejlesztési fázis | Gyártási fázis | ||
| A tervezés felülvizsgálata és/vagy tervvizsgálat | Típusvizsgálat | Rutinvizsgálat | ||
| Ülések | ||||
| Általános rendelkezések | X | X | ||
| Megkülönböztetett ülések, általános | X | |||
| Egy irányban álló ülések | X | X | ||
| Egymással szemben lévő ülések | X | X | ||
| Kerekesszékek számára kialakított helyek | X | X | ||
| Ajtók | ||||
| Általános rendelkezések | X | X | ||
| Külső ajtók | X | X | ||
| Belső ajtók | X | X | ||
| Megvilágítás | X | |||
| Mosdók | X | |||
| Közlekedők | X | |||
| Ügyfél-tájékoztatás | ||||
| Általános rendelkezések | X | X | ||
| Jelzések, piktogramok és tapintható információk | X | X | ||
| Dinamikus vizuális tájékoztatás | X | X | ||
| Dinamikus hangos tájékoztatás | X | X | ||
| Szintkülönbségek | X | |||
| Fogódzók | X | X | ||
| Kerekesszékkel megközelíthető hálófülkék | X | X | ||
| A lépcső pozíciója a járműre való fel- és leszálláshoz | ||||
| Általános követelmények | X | |||
| Fel- és leszállásra szolgáló lépcsők | X | |||
| Fel- és leszállást segítő eszközök | X | X | X | |
F. függelék
A járművek felújítása vagy korszerűsítése
A járműveknek felújítás vagy korszerűsítés esetében meg kell felelniük ezen ÁME követelményeinek; az ÁME tartalmának való megfelelés nem kötelező a következő esetekben:
Szerkezetek
A megfelelés nem kötelező, ha a munka a (külső vagy belső) ajtók portáljainak, az alvázaknak, az ütközőbakoknak, a járművek karosszériájának, a járművek túlfutás elleni védelmének szerkezeti változtatását vagy általánosságban bármely olyan munkát igényel, amely szükségessé tenné a jármű szerkezeti integritásának újraértékelését.
Ülések
Az ülések támláin lévő fogódzókra vonatkozó 4.2.2.1. pontnak való megfelelés csak akkor kötelező, ha az egész járműben felújítják vagy korszerűsítik az ülések szerkezeteit.
A megkülönböztetett ülések és a környező hely méretének biztosítására vonatkozó 4.2.2.1.2. pontnak való megfelelés csak akkor kötelező, ha az egész vonaton belül megváltoztatják az ülések elrendezését, és ez elérhető a vonat meglévő kapacitásának csökkentése nélkül. Az utóbbi esetben a meglévő kapacitás megmaradása mellett lehetséges maximális számú megkülönböztetett ülést kell biztosítani.
Nem kötelező megfelelni a megkülönböztetett ülések fölötti belmagasságra vonatkozó követelményeknek, ha a korlátozó tényező olyan poggyásztartó, amelyet szerkezetileg nem változtatnak meg a felújítási vagy korszerűsítési munka során.
Kerekesszékek számára kialakított helyek
A kerekesszékek számára kialakított helyek biztosítása csak akkor szükséges, ha a teljes vonatszerelvényben megváltoztatják az ülések elrendezését. Ha azonban nem lehet módosítani a bejárati ajtót vagy a közlekedőket, hogy kerekesszékkel megközelíthetők legyenek, a kerekesszék számára kialakított helyről nem kell gondoskodni, ha megváltoztatják az ülések elrendezését. Meglévő járművekben a kerekesszékek számára kialakított helyek elrendezhetőek az I. függelék I4. ábrája szerint.
A kerekesszék számára kialakított helyen nem kötelező segélyhívóról gondoskodni, ha a jármű nem rendelkezik olyan elektromos kommunikációs rendszerrel, amelyhez hozzáilleszthető ilyen eszköz.
Az átülésre szolgáló ülés biztosítása csak akkor kötelező, ha nem igényli a kerekesszék számára kialakított hely kialakításának módosítását.
Külső ajtók
A külső ajtók helyzetének elütő színű padlóburkolattal való megjelölésére vonatkozó követelményeknek csak akkor kell megfelelni, ha felújítják vagy korszerűsítik a padlóburkolatot.
Az ajtó nyitására és zárására figyelmeztető jelzésekre vonatkozó követelményeknek csak akkor kell megfelelni, ha felújítják vagy korszerűsítik az ajtóvezérlő rendszert.
Az ajtónyitók pozíciójára és megvilágítására vonatkozó követelményeknek csak akkor kell teljes mértékben megfelelni, ha felújítják vagy korszerűsítik az ajtóvezérlő rendszert, és ha az ajtónyitók áthelyezhetők a jármű szerkezetének vagy az ajtónak a módosítása nélkül. Ilyen esetben azonban a felújított vagy korszerűsített ajtónyitókat a lehető legközelebb kell felszerelni a megfelelő pozícióhoz.
Belső ajtók
Az ajtónyitó működtetési erejére és pozíciójára vonatkozó követelményeknek csak akkor kell megfelelni, ha felújítják vagy korszerűsítik az ajtót és az ajtó mechanizmusát és/vagy a vezérlését.
Megvilágítás
A követelménynek való megfelelés nem kötelező, ha az elektromos rendszer bizonyíthatóan nem rendelkezik elegendő kapacitással ahhoz, hogy elbírja a további terhelést, vagy ha az ilyen megvilágítás nem helyezhető el az ajtó szerkezetének (ajtónyílás, stb. ...) megváltoztatása nélkül.
Mosdók
A teljesen megfelelő univerzális mosdóról csak akkor kötelező gondoskodni, ha teljesen felújítják vagy korszerűsítik a meglévő mosdókat, helyeket alakítanak ki a kerekesszékek számára, és ha a megfelelő univerzális mosdó elhelyezhető a jármű szerkezetének megváltoztatása nélkül.
Az univerzális mosdókban nem kötelező segélyhívóról gondoskodni, ha a jármű nem rendelkezik olyan elektromos kommunikációs rendszerrel, amelyhez hozzáilleszthető ilyen eszköz.
Közlekedők
A 4.2.2.6. pont követelményeinek való megfelelés csak akkor kötelező, ha az egész járműben megváltoztatják az ülések elrendezését, és helyeket alakítanak ki a kerekesszékek számára.
Az egymás mögötti járművek közötti átjárókra vonatkozó követelményeknek csak akkor kell megfelelni, ha felújítják vagy korszerűsítik az átjárót.
Tájékoztatás
A 4.2.2.7. pontban az útvonallal kapcsolatos tájékoztatásra vonatkozó követelménynek nem kötelező megfelelni felújítás vagy korszerűsítés esetén. Amennyiben azonban automatikus útvonaljelző rendszert telepítenek a felújítási vagy korszerűsítési program keretében, annak meg kell felelnie e pont követelményeinek.
A 4.2.2.7. pont más részeinek való megfelelés akkor kötelező, ha felújítják vagy korszerűsítik a jelzéseket vagy a belső burkolatokat.
Szintkülönbségek
A 4.2.2.8. pont követelményeinek való megfelelés nem kötelező felújítás vagy korszerűsítés esetén azzal a kivétellel, hogy elütő figyelmeztető csíkot kell elhelyezni a lépcsőfokok élein, amikor felújítják vagy korszerűsítik a járófelület anyagait.
Fogódzók
A 4.2.2.9. pont követelményeinek való megfelelés csak akkor kötelező, ha felújítják vagy korszerűsítik a meglévő fogódzókat.
Kerekesszékkel megközelíthető hálófülkék
A kerekesszékkel megközelíthető hálófülkékkel kapcsolatos követelményeknek való megfelelés csak akkor kötelező, ha felújítják vagy korszerűsítik a meglévő hálófülkéket.
A kerekesszékkel megközelíthető hálófülkékben nem kötelező segélyhívóról gondoskodni, ha a jármű nem rendelkezik olyan elektromos kommunikációs rendszerrel, amelyhez hozzáilleszthető ilyen eszköz.
A lépcsők pozíciói, a lépcsők és a fel- és leszállást segítő eszközök
A 4.2.2.11. és 4.2.2.12. pont követelményeinek való megfelelés nem kötelező felújítás vagy korszerűsítés esetén azzal a kivétellel, hogy ha mozgatható lépcsők vagy más beépített fel- és leszállást segítő eszközök vannak felszerelve, azoknak meg kell felelniük ezen ÁME említett pontja vonatkozó alpontjainak.
Ha azonban a felújítás vagy a korszerűsítés során helyet alakítanak ki a kerekesszék számára a 4.2.2.3. ponttal összhangban, akkor kötelező valamilyen fajta fel- és leszállást segítő eszközről gondoskodni a 4.4.3. ponttal összhangban.
G. függelék
Az utastér külső ajtajának figyelmeztető hangjelzései
Ajtónyitás - jellemzők
- Lassan (másodpercenként legfeljebb 2-szer) pulzáló 2 hang egymást követően kibocsátva
- Frekvenciák
- 2 200 Hz ± 100 Hz
- és:
- 1 760 Hz ± 100 Hz
- A hangnyomás szintje
- Az alábbiakkal meghatározandó:
- a környezeti zajt legalább 5dB LAeq-vel meghaladó, de legfeljebb 70dB LAeq,T (+ 6/- 0) szintre beállított adaptív figyelmeztető hangjelző eszköz
- vagy 70dB LAeq,T (+ 6/- 0) szintre beállított nem adaptív eszköz
- A belső mérés az előtér középpontjában, a padlószint fölött 1,5 m magasságban történik (T = a hangesemény teljes időtartama) mérőtömb használatával (vízszintesen, majd függőlegesen) és a leolvasott értékek átlagolásával.
- Külső mérés, a jármű oldalfalán lévő ajtó középvonalától 1,5 m-re, a peron szintje felett 1,5 m-rel (T = a hangesemény teljes időtartama) mérőtömb használatával (vízszintesen) és a leolvasott értékek átlagolásával.
Ajtózárás - jellemzők
- Gyorsan (másodpercenként 6-10-szer) pulzáló hang
- Frekvencia
- 1 900 Hz ± 100 Hz
- A hangnyomás szintje
- Az alábbiakkal meghatározandó:
- a környezeti zajt legalább 5dB LAeq-vel meghaladó, de legfeljebb 70dB LAeq,T (+ 6/- 0) szintre beállított adaptív figyelmeztető hangjelző eszköz
- vagy 70dB LAeq,T (+ 6/- 0) szintre beállított nem adaptív eszköz
- A belső mérés az előtér középpontjában, a padlószint fölött 1,5 m magasságban történik (T = a hangesemény teljes időtartama) mérőtömb használatával (vízszintesen, majd függőlegesen) és a leolvasott értékek átlagolásával.
- Külső mérés, a jármű oldalfalán lévő ajtó középvonalától 1,5 m-re, a peron szintje felett 1,5 m-rel (T = a hangesemény teljes időtartama) mérőtömb használatával (vízszintesen) és a leolvasott értékek átlagolásával.
Az utastér ajtaja figyelmeztető hangjelzéseinek (nyitás és zárás) belső mérési módszerei
- A vizsgálatokat az előtérben kell elvégezni egy több mikrofonból álló (a kürt vezetőfülkében hallható zajának a zaj alrendszerre vonatkozó ÁME-ről szóló 2006/66/EK határozat szerinti mérésére tervezett) mérőtömb átlagolt leolvasott eredményeinek használatával; a mérőtömb egy 250 mm sugarú körben nyolc, egyenlő távolságra elhelyezett mikrofonból áll.
- A vizsgálatot vízszintes elrendezésű mérőtömb használatával kell elvégezni (az összes mikrofon a padló felett azonos magasságra található, a G1. ábra szerint). Az értékeléshez a 8 mikrofonból leolvasott értékek átlagát kell használni.
G1. ábra
Vízszintes elrendezésű mérőtömb

Az utastér ajtaja figyelmeztető hangjelzéseinek (nyitás és zárás) külső mérési módszerei
- A vizsgálatokat egy több mikrofonból álló (a kürt vezetőfülkében hallható zajának a zaj alrendszerre vonatkozó ÁME-ről szóló 2006/66/EK határozat ( 11 ) szerinti mérésére tervezett) mérőtömb átlagolt leolvasott eredményeinek használatával kell végezni; a mérőtömb egy 250 mm sugarú körben nyolc, egyenlő távolságra elhelyezett mikrofonból áll.
- A külső vizsgálathoz a feltételezett peronmagasságnak ahhoz az útvonalhoz kell igazodnia, amelyen való üzemelésre a járművet tervezték (ha a tervezett útvonalon több peronmagasság is van, a legalacsonyabbat kell használni, azaz ha a tervezett útvonalon 760 és 550 mm-es peronmagasság is van, a vizsgálatot az alacsonyabbra kell elvégezni, amely az 550 mm-es).
- A vizsgálatot vízszintes elrendezésű mérőtömb használatával kell elvégezni (az összes mikrofon a peron felett azonos magasságban található). Az értékeléshez a 8 mikrofonból leolvasott értékek átlagát kell használni.
Adaptív figyelmeztető hangjelző eszköz használatakor az eszköznek figyelmeztető jel kibocsátása előtt meg kell határoznia a környezeti zajszintet. Az 500 Hz-5 000 Hz közötti frekvenciatartományt kell figyelembe venni.
A megfelelés igazolására szolgáló méréseket a vonat három ajtajánál kell elvégezni.
Megjegyzés: a zárt vizsgálathoz az ajtónak teljesen nyitva kell lennie, a nyitott vizsgálathoz pedig teljesen bezárva.
H. függelék
Megkülönböztetett ülések ábrái
Jelmagyarázat a H1-H4. ábrához
1Az ülőfelület mérési szintje
2Az egymással szemben álló ülések távolsága
3Ülés feletti belmagasság
H1. ábra
A megkülönböztetett ülések feletti belmagasság

H2. ábra
Egy irányba néző megkülönböztetett ülések

H3. ábra
Egymással szemben lévő megkülönböztetett ülések

H4. ábra
Egymással szembe néző megkülönböztetett ülések felhajtott asztallal

I. függelék
A kerekesszékek számára kialakított helyek ábrái
I1. ábra
Egymással szemben elrendezett, kerekesszék számára kialakított helyek

1Szerkezet a kerekesszék számára kialakított hely végén
2Az utasülés ülőlapjának elülső széle
3Kerekesszék számára kialakított hely
I2. ábra
Egy irányban elrendezett, kerekesszék számára kialakított helyek

1Szerkezet a kerekesszék számára kialakított hely végén
2Az előző utasülés háta
3Kerekesszék számára kialakított hely
I3. ábra
Kettő, egymással szembe néző, kerekesszék számára kialakított hely

1Szerkezet a kerekesszék számára kialakított hely végén
2A kerekesszék számára kialakított helyek közötti tér legalább 250 mm
3Kerekesszék számára kialakított hely
I4. ábra
Két, egymás melletti, kerekesszék számára kialakított hely (csak a felújított/korszerűsített járművekre vonatkozik)

1Szerkezet a kerekesszék számára kialakított hely végén
2Szerkezet a kerekesszék számára kialakított hely előtt
3Kerekesszék számára kialakított dupla hely
J. függelék
A közlekedők ábrái
J1. ábra
A közlekedő minimális szélessége a padlószinttől 1 000 mm magasságig

1A közlekedő hosszmetszete
2Felülnézet a padlószinttől 25-975 mm magassági tartományban
J2. ábra
Egyetlen vonatszerelvény csatlakozó járművei között legkisebb közlekedő profilja

J3. ábra
A kerekesszékek számára kialakított helyekhez és vissza vezető legkisebb közlekedő profilja

K. függelék
A járművekben a kerekesszékkel megközelíthető területek esetében a folyosók szélességére vonatkozó táblázat
K1. táblázat
| A folyosó szélessége (mm) | 1 200 | 1 100 | 1 000 | 900 | 850 | 800 |
| Az ajtó hasznos szélessége, vagy a merőleges folyosó szélessége (mm) | 800 | 850 | 900 | 1 000 | 1 100 | 1 200 |
L. függelék
A kerekesszéket használók karhossz-tartománya
L1. ábra
Kerekesszékben ülő személy karhossz-tartománya

1kényelmes karhossz-tartomány
2az ülés referenciapontja
M. függelék
Vonattal szállítható kerekesszék
M.1. HATÁLY
Ez a függelék a vonaton szállítható kerekesszékek maximális tervezési határait határozza meg.
M.2. JELLEMZŐK
Minimális műszaki követelmények:
Alapméretek
- 700 mm szélesség plusz 50 mm mindkét oldalon a kéz számára mozgás közben
- 1 200 mm hossz plusz 50 mm a láb számára
Kerekek
- A legkisebb keréknek egy vízszintesen 75 mm, függőlegesen 50 mm méretű hézagot kell áthidalnia.
Magasság
- Max. 1 375 mm, amely lefedi a férfi használók sokaságának 95 %-át
Fordulókör
- 1 500 mm
Tömeg
- A kerekesszék és a benne tartózkodó személy össztömege teljes terhelés mellett 300 kg (esetleges csomaggal együtt) olyan elektromos kerekesszék esetében, amelynél nincs szükség segítségnyújtásra a fel- és leszállást segítő eszközön való áthaladáshoz.
- A kerekesszék és a benne tartózkodó személy össztömege teljes terhelés mellett 200 kg (esetleges csomaggal együtt) kézi kerekesszék esetében.
Az akadályok legyőzhető magassága és hasmagasság
- Az akadályok legyőzhető magassága: 50 mm (max.)
- Hasmagasság legalább 60 mm 10°-os emelkedési szöggel az előrehaladáshoz (a lábtámasz alatt)
Maximális biztonságos lejtő, amelyen a kerekesszék stabil marad:
- dinamikus stabilitással kell rendelkeznie minden irányban 6 fokos szögig,
- statikus stabilitással kell rendelkeznie minden irányban (behúzott fékkel is) 9 fokos szögben.
N. függelék
A csökkent mozgásképességű személyekkel kapcsolatos jelzések
N.1. HATÁLY
Ez a függelék meghatározza az infrastruktúrán és a járműveken egyaránt használandó speciális jelzéseket.
N.2. A JELEK MÉRETEI
Az infrastruktúra csökkent mozgásképességű személyekre vonatkozó jelzéseinek méretét a következő képlettel kell kiszámítani:
- Olvasási távolság mm-ben, osztva 250-nel, szorozva 1,25-dal = a keret mérete mm-ben, ahol keretet használnak.
A járműveken belül használt, csökkent mozgásképességű személyekre vonatkozó jelek minimális oldalmérete 60 mm, a mosdók vagy gyermekszoba berendezéseire utaló jelek kivételével, amelyek lehetnek kisebbek.
A járművek külsején használt, csökkent mozgásképességű személyekre vonatkozó jelek minimális oldalmérete 85 mm.
N.3. A JELEKEN HASZNÁLATOS ÁBRÁK
A 4.2.1.10. pontban előírt jelek háttere sötétkék, az ábra pedig fehér. A sötétkék szín kontrasztértéke a fehérhez képest 0,6.
Amennyiben ezek a jelek sötétkék elemre kerülnek, megengedett az ábra és a háttér színének felcserélése (azaz sötétkék ábra fehér háttéren).
A kerekesszék nemzetközi jele
A kerekesszékkel hozzáférhetőn területek azonosítására szolgáló jel az A. függelék 12. hivatkozásában említett előírásoknak megfelelő ábrát tartalmaz.
Az indukciós hurok jele
Az indukciós hurkok elhelyezésére utaló jel az A. függelék 13. hivatkozásában említett előírásoknak megfelelő ábrát tartalmaz.
Megkülönböztetett ülések jele
A megkülönböztetett ülések helyének azonosítására szolgáló jel az N1. ábrának megfelelő szimbólumot tartalmaz.
N1. ábra
A megkülönböztetett ülések szimbóluma

O. függelék
A műszaki dokumentációk felsorolása
| Hivatkozás száma | Cím |
| 1. | Az állomások leírására szolgáló harmonizált, egyedi, a hálózati és menetrendi adatok cseréjére szolgáló (NeTEx-) profil. |
| 2. | Az adatgyűjtő eszköz üzemmódjai |
| 3. | A meglévő hozzáférhetőségi adatok átalakításának módszertana, beleértve a külső kapcsolódási pont és a kommunikációs protokoll leírását. |
( 1 ) A Bizottság 2010. november 9-i 2010/713/EU határozata az Európai Parlament és a Tanács 2008/57/EK irányelve alapján elfogadott, az átjárhatósági műszaki előírások keretében alkalmazandó megfelelőségértékelési, alkalmazhatósági és EK-hitelesítési eljárások moduljairól (HL L 319, 2010.12.4., 1. o.).
( 2 ) A Bizottság 2014. november 18-i 1302/2014/EU határozata az Európai Unió vasúti rendszerének "járművek - mozdonyok és személyszállító járművek" alrendszerére vonatkozó átjárhatósági műszaki előírásról (Lásd a Hivatalos Lap 228. oldalán).
( 3 ) A Bizottság 454/2011/EU rendelete (2011. május 5.) a transzeurópai vasúti rendszer személyszállítási szolgáltatások telematikai alkalmazásai alrendszerére vonatkozó átjárhatósági műszaki előírásról (HL L 123., 2011.5.12., 11. o.).
( 4 ) Az Európai Parlament és a Tanács 2007. október 23-i 1371/2007/EK rendelete a vasúti személyszállítást igénybe vevő utasok jogairól és kötelezettségeiről (HL L 315., 2007.12.3., 14. o.)
( 5 ) A Bizottság 2011. szeptember 15-i 2011/633/EU végrehajtási határozata a vasúti infrastruktúra nyilvántartásának közös előírásairól (HL L 256., 2011.10.1., 1. o.).
( 6 ) A Bizottság 2011. október 4-i 2011/665/EU végrehajtási határozata az engedélyezett vasútijármű-típusok európai nyilvántartásáról (HL L 264., 2011.10.8., 32. o.).
( 7 ) A Bizottság 2007. december 21-i 2008/164/EK határozata a hagyományos és nagysebességű transzeurópai vasúti rendszerben a mozgáskorlátozott személyekkel kapcsolatos kölcsönös átjárhatóság műszaki előírásairól (HL L 64., 2008.3.7., 72. o.).
( 8 ) A Bizottság (EU) 2019/772 végrehajtási rendelete (2019. május 16.) az 1300/2014/EU bizottsági rendeletnek az eszközleltár tekintetében a hozzáférhetőség korlátainak azonosítása, a felhasználók tájékoztatása, valamint a hozzáférhetőséggel kapcsolatos előrelépés figyelemmel kísérése és értékelése céljából történő módosításáról (HL L 139 I., 2019.5.27., 1. o.).
( 9 ) Az Európai Parlament és a Tanács 2012. november 21-i 2012/34/EU irányelve az egységes európai vasúti térség létrehozásáról (HL L 342., 2012.12.14., 32. o.).
( 10 ) Az Európai Parlament és a Tanács 2007. október 23-i 1370/2007/EK rendelete a vasúti és közúti személyszállítási közszolgáltatásról, valamint az 1191/69/EGK és az 1107/70/EGK tanácsi rendelet hatályon kívül helyezéséről (HL L 315., 2007.12.3., 1. o.).
( 11 ) A Bizottság 2005. december 23-i 2006/66/EK határozata a transzeurópai hagyományos vasúti rendszer "járművek - zaj" alrendszerére vonatkozó átjárhatósági műszaki előírásról (HL L 37., 2006.2.8., 1. o.).
Lábjegyzetek:
[1] A dokumentum eredetije megtekinthető CELEX: 32014R1300 - https://eur-lex.europa.eu/legal-content/HU/ALL/?uri=CELEX:32014R1300&locale=hu Utolsó elérhető, magyar nyelvű konszolidált változat CELEX: 02014R1300-20230126 - https://eur-lex.europa.eu/legal-content/HU/ALL/?uri=CELEX:02014R1300-20230126&locale=hu