31994L0020[1]
Az Európai Parlament és a Tanács 94/20/EK irányelve (1994. május 30.) a gépjárművek és pótkocsijaik mechanikus kapcsolószerkezeteiről, valamint ezeknek a gépjárművekre történő felszereléséről
AZ EURÓPAI PARLAMENT ÉS A TANÁCS 94/20/EK IRÁNYELVE
(1994. május 30.)
a gépjárművek és pótkocsijaik mechanikus kapcsolószerkezeteiről, valamint ezeknek a gépjárművekre történő felszereléséről
AZ EURÓPAI PARLAMENT ÉS AZ EURÓPAI UNIÓ TANÁCSA,
tekintettel az Európai Gazdasági Közösséget létrehozó szerződésére és különösen annak 100a cikkére,
tekintettel a Bizottság javaslatára ( 1 ),
tekintettel a Gazdasági és Szociális Bizottság állásfoglalására ( 2 ),
a Szerződés 189b cikkének eljárása szerint ( 3 ),
mivel a belső piac olyan belső határok nélküli térséget, amelyben biztosított az áruk, a személyek, a szolgáltatások és a tőke szabad forgalma; mivel ennek megfelelő intézkedéseket kell hozni;
mivel azok a műszaki követelmények, amelyeknek a gépjárműveknek és a pótkocsiknak az egyes államok jogszabályai szerint meg kell felelniük, többek között ezeknek a járműveknek a kapcsolószerkezeteit is érintik;
mivel ezek a követelmények tagállamonként eltérőek; mivel ezért szükséges, hogy valamennyi tagállam vagy kiegészítésként, vagy a hatályos nemzeti szabályok helyett ugyanazokat a követelményeket vezesse be, hogy különösen a gépjárművek és pótkocsijaik típusjóváhagyására vonatkozó tagállami jogszabályok közelítéséről szóló, 1970. február 6-i 70/156/EGK tanácsi irányelv szerinti EGK-típusjóváhagyási eljárást valamennyi járműtípusra alkalmazni lehessen ( 4 );
mivel ez az irányelv a 70/156/EGK tanácsi irányelvben meghatározott EGK-típusjóváhagyási eljárás szabályozására irányuló külön irányelv; mivel a 70/156/EGK irányelvben szereplő, a járművek rendszereire, alkatrészeire és önálló műszaki egységeire vonatkozó rendelkezések így erre az irányelvre is érvényesek;
mivel a közúti forgalom fokozott biztonsága és a gépjárművek, valamint pótkocsik nemzetközi forgalomban való jobb cserélhetősége tekintetében fontos, hogy valamennyi olyan jármű, amely járműszerelvényt vagy nyerges gépjárművet képez, szabványos és harmonizált mechanikus kapcsolószerkezettel legyen felszerelve;
mivel ajánlatos az 55 sz. EGB-előírás (EGB: az Egyesült Nemzetek Európai Gazdasági Bizottsága) rendelkezéseit követni, amelyek egységes követelményeket fogalmaznak meg az összetett járművek kapcsolószerkezeteivel szemben; mivel az 55. sz. előírás mellékletét képezi a gépjárműalkatrészek és -tartozékok minőségének jóváhagyására vonatkozó egységes feltételek elfogadásáról és a minőségi jóváhagyás kölcsönös elismeréséről szóló, 1958. március 20-án aláírt egyezménynek;
mivel a mechanikus kapcsolószerkezetek egységes méretei elsősorban a nemzetközi ISO-szabványok figyelembevételével kerültek kialakításra, hogy a járműszerelvényt vagy nyerges járművet képező járművek esetében biztosítható legyen az egyes járművek cserélhetősége, és garantálni lehessen a tagállamokban a szabad áruforgalmat,
ELFOGADTA EZT AZ IRÁNYELVET:
1. cikk
Ezen irányelv alkalmazásában:
- "jármű": a 70/156/EGK irányelv 2. cikkében található fogalommeghatározás szerint valamennyi, a közúti forgalomban való részvételre rendelt, teljes vagy nem teljes, legalább négykerekű és a 25 km/órát meghaladó legnagyobb tervezési sebességű gépjármű és pótkocsijaik, a sínjárművek, mezőgazdasági traktorok és munkagépek kivételével,
- "mechanikus kapcsolószerkezet típusa": olyan kapcsolóegység, amelyre megadható a típusjóváhagyás a 70/156/EGK irányelv 2. cikke alapján.
2. cikk
A tagállamok
- egy jármű vonatkozásában nem tagadhatják meg az EGK-, illetve nemzeti típusjóváhagyást, és nem tagadhatják vagy tilthatják meg a jármű értékesítését, a forgalomba hozatal engedélyezését, az üzembe helyezést vagy a használatot a jármű mechanikus kapcsolószerkezettel való fakultatív ellátását érintő okból,
- egy mechanikus kapcsolószerkezet vonatkozásában nem tagadhatják meg az EGK-, illetve nemzeti alkatrésztípus-jóváhagyást, és nem tilthatják meg a jármű értékesítését vagy használatát,
ha a mellékletekben megfogalmazott követelmények teljesülnek.
3. cikk
A tagállamok elfogadják és kihirdetik azokat a törvényi, rendeleti és közigazgatási rendelkezéseket, amelyek szükségesek ahhoz, hogy ennek az irányelvnek az elfogadását követő legfeljebb 18 hónapon belül megfeleljenek. Erről haladéktalanul értesítik a Bizottságot.
Amikor a tagállamok elfogadják ezeket az intézkedéseket, azokban hivatkozni kell erre az irányelvre, vagy azokhoz hivatalos kihirdetésük alkalmával ilyen hivatkozást kell fűzni. A hivatkozás módját a tagállamok határozzák meg.
A tagállamok az ennek az irányelvnek az elfogadása utáni 18. hónapot követően alkalmazzák ezeket az előírásokat.
4. cikk
Ennek az irányelvnek a tagállamok a címzettjei.
A MELLÉKLETEK JEGYZÉKE
I. MELLÉKLET | Hatály, fogalommeghatározások, az EGK-típusjóváhagyás kérelmezése és megadása, az engedély kiterjesztése, megfelelő gyártás |
II. MELLÉKLET | EGK-jóváhagyási jel minta |
III. MELLÉKLET | A mechanikus kapcsolószerkezetek EGK-típusjóváhagyására vonatkozó adatközlő lap |
IV. MELLÉKLET | A mechanikus kapcsolószerkezetekre vonatkozó EGK-típusbizonyítvány |
V. MELLÉKLET | A mechanikus kapcsolószerkezetekre vonatkozó követelmények |
VI. MELLÉKLET | A mechanikus kapcsolószerkezetek vizsgálata |
VII. MELLÉKLET | A mechanikus kapcsolószerkezetek járművekre való felszerelésére vonatkozó előírások |
VIII. MELLÉKLET | Jármű EGK-típusjóváhagyására vonatkozó adatközlő lap |
IX. MELLÉKLET | EGK-járműtípusbizonyítvány |
I. MELLÉKLET
1. HATÁLY
1.1. Ez az irányelv a gépjárművek és pótkocsijaik közötti mechanikus kapcsolószerkezetekre és ezeknek a szerkezeteknek az 1. cikkben leírt közúti járművekre való felszerelésére érvényes.
1.2. Ez az irányelv azokat a követelményeket tartalmazza, amelyeket az egymással összekapcsolt járművek kapcsolószerkezeteinek teljesíteniük kell annak érdekében,
- hogy a gépjárművekből és különböző típusú vontatott járművekből álló összetett közúti járművek esetében biztosítsák a megfelelőséget,
- hogy az egymással összekapcsolt járművek biztonságos összekapcsolódását minden üzemi körülmény között biztosítsák,
- hogy biztosítsák az össze- és szétkapcsolási eljárás biztonságos végrehajtását.
1.3. A kapcsolószerkezetek konstrukciójuk szerint az alábbi osztályokba sorolhatók:
- szabványos kapcsolószerkezetek osztályai (lásd 2.1.11),
- nem szabványos kapcsolószerkezetek osztályai (lásd 2.1.12).
1.3.1. | A osztály: | Vonógömb tartóval (lásd V. melléklet, 1. szakasz) |
1.3.1.1. | A 50-1-től A 50–3-ig: | Szabványos 50-es vonógömb karimával |
1.3.1.2. | A 50-X osztály: | Nem szabványos 50-es vonógömb tartóval |
1.3.2. | B osztály: | Kapcsolófej (lásd V. melléklet, 2. szakasz) |
1.3.2.1. | B 50-X osztály: | Nem szabványos 50-es kapcsolófej |
1.3.3. | C osztály: | Önműködő csapos vonószerkezet |
1.3.3.1. | C 50 osztály: | 50-es csapos vonószerkezet |
C 50–1-től C 50–6-ig: | Szabványos 50-es csapos vonószerkezet (lásd V. melléklet, 3. szakasz, 3. és 4. táblázat) | |
1.3.3.2. | C 50-X osztály: | Nem szabványos 50-es csapos vonószerkezet |
1.3.4. | D osztály: | Vonószem |
1.3.4.1. | D 50 osztály: | 50-es vonószem |
D 50-A osztály: | Szabványos D 50-es vonószem hegesztett véggel (lásd V. melléklet, 9. ábra és 5. táblázat) | |
D 50-B osztály: | Szabványos 50-es vonószem menetes véggel (lásd V. melléklet, 10. ábra és 5. táblázat) | |
D 50-C osztály: | Szabványos D 50-C1-es vonószem karimával (lásd V. melléklet, 11., 12. ábra és 5. táblázat) | |
1.3.4.2. | D 50-X osztály: | Nem szabványos 50-es vonószem (lásd V. melléklet, 9. ábra) |
1.3.5. | E osztály: | Nem szabványos vonószerkezet |
1.3.6. | F osztály: | Nem szabványos vonórúd |
1.3.7. | G osztály: | Nyerges vonószerkezet |
1.3.7.1. | G 50 osztály: | Szabványos 50-es nyerges vonószerkezet (lásd V. melléklet, 15. ábra és 7. táblázat) |
1.3.7.2. | G 50-X osztály: | Nem szabványos 50-es nyerges vonószerkezet |
1.3.8. | H osztály: | Királycsap |
1.3.8.1. | H 50-X osztály: | Nem szabványos 50-es királycsap |
1.3.9. | J osztály: | Nem szabványos szerelőlap |
1.3.10. | S osztály: | Nem szabványos egyéb kapcsolószerkezet. |
2. FOGALOMMEGHATÁROZÁSOK
2.1. Gépjárművek és pótkocsik közötti mechanikus kapcsolószerkezet minden olyan, a járművek vázán, a felépítmény teherhordó elemein, illetve alvázán lévő alkatrész és szerkezet, amely a vonó és a vontatott járműveket összekapcsolja.
Ide tartoznak az olyan alkatrészek is, amelyek a fent említett kapcsolószerkezetek felszerelése, beállítása vagy működtetése céljából kerülnek - végleges vagy nem végleges jelleggel - felerősítésre.
2.1.1. Az 1.3.1 szerinti, tartóval ellátott vonógömb a vonójárművön található, gömb alakú felvevőrésszel és tartóval rendelkező olyan mechanikus kapcsolószerkezet, amely a pótkocsin lévő kapcsolófejjel kapcsolódik össze.
2.1.2. Az 1.3.2 szerinti kapcsolófej a pótkocsi vontatószerkezetén lévő olyan mechanikus kapcsolószerkezet, amely a vonó járművön található vonógömbbel kapcsolódik össze.
2.1.3. Az 1.3.3 szerinti csapos vonószerkezet egy befogópofával és egy, a vonó járművön lévő, az összekapcsoláskor önműködően záródó csapszeggel rendelkező mechanikus kapcsolószerkezet, amely a pótkocsin található vonószemmel kapcsolódik össze.
2.1.4. Az 1.3.4 szerinti vonószem a pótkocsik vonószerkezetén lévő olyan mechanikus kapcsolószerkezet, amely egy henger alakú furattal rendelkezik, és amely az önműködő csapos vonószerkezettel kapcsolódik össze.
2.1.5. Az 1.3.5 szerinti vonószerkezetek olyan vonóvillák, vonórudak, ráfutó-berendezések vagy hasonló szerkezetek, amelyeket a vontatott jármű elejére vagy alvázkeretére rögzítenek, és vonószemekkel, kapcsolófejekkel vagy hasonló kapcsolószerkezetekkel alkalmasak a vonó járművel történő összekapcsolásra.
A pótkocsin lévő vonószerkezetek függőleges irányban szabadon mozgathatók lehetnek, és ezáltal nem visznek át támasztóterhelést (úgynevezett csuklós vonórúd), vagy lehetnek rögzítettek, és ezáltal alkalmasak a támasztóterhelés átvitelére (úgynevezett merev vonórúd). A függőleges irányban nem mozgatható (rögzített) vonószerkezetek lehetnek teljesen merevek és rugósak.
A vonószerkezet lehet még többrészes és állítható, illetve könyökös (hajlított) kiképzésű. Ez az irányelv olyan vonószerkezetekre vonatkozik, amelyek külön egységet képeznek, nem részei a vontatott jármű alvázának.
2.1.6. Az 1.3.6 szerint vonórúd minden olyan elem vagy szerkezet, amely a kapcsolószerkezetek, így a vonógömbök és csapos vonószerkezetek, valamint a jármű alvázkerete (pl. a hátsó kereszttartó), a felépítmény teherhordó elemei vagy a vonó járművek alváza között van felszerelve.
2.1.7. Az 1.3.7 szerinti nyerges vonószerkezet a nyerges vontatókon történő alkalmazásra szolgáló olyan lapos, lemez alakú kapcsolószerkezet, amely egy, az összekapcsolásnál önműködően záródó és reteszelődő zárral rendelkezik, és amely az 1.3.8 szerinti királycsappal kerül összekapcsolásra.
2.1.8. Az 1.3.8 szerinti királycsap egy, a pótkocsikon lévő csap alakú kapcsolószerkezet, amely a nyerges vonószerkezeten keresztül kapcsolódik össze a nyerges vontatóval.
2.1.9. Az 1.3.9 szerinti szerelőlap a nyerges vonószerkezetnek a nyerges vontató alvázkeretére történő felerősítésére szolgáló valamennyi elem és szerkezet. A szerelőlap lehet hosszanti irányban vízszintesen eltolható (eltolható nyerges vonószerkezet).
2.1.10. Az irányítóék olyan alkatrész, amely a félpótkocsi kényszerkormányzására szolgál, a félpótkocsiba van beépítve, és a nyerges vonószerkezettel együtt kormányozzák a félpótkocsit.
2.1.11. A szabványos kapcsolószerkezetek osztályozása az 1.3 pontban található, és összhangban van ezen irányelv szabványos méreteivel és jellemző értékeivel. Ezek a kapcsolószerkezetek osztályukon belül, a típustól és a gyártótól függetlenül, cserélhetőek.
2.1.12. Nem szabványos kapcsolószerkezetek az A-J osztályú kapcsolószerkezetek, amelyek nem tartoznak a szabványos kapcsolószerkezetek osztályaiba, de amelyeket össze lehet kapcsolni az adott osztályú szabványos kapcsolószerkezetekkel.
2.1.13. Az 1.3.10 szerinti, ideiglenes vagy különleges alkalmazásra szánt egyéb kapcsolószerkezetek olyan mechanikus kapcsolószerkezetek, amelyek nem tartoznak az A-J osztályok egyikébe sem (pl. az érvényes nemzeti szabványok szerinti vagy a nehéz szállítmányokhoz való kapcsolószerkezetek).
2.1.14. A távvezérlő berendezés olyan berendezés, amely hozzáférhetetlen kapcsolószerkezeteknél lehetővé teszi a kapcsolónak a jármű oldaláról vagy a vezetőfülkéből való vezérlését.
2.1.15. A távjelző olyan jelző, amely a vezetőfülkében tájékoztatja a jármű vezetőjét az összekapcsolási művelet befejeződéséről és a biztosítóelemek bereteszelődéséről.
2.1.16. A mechanikus kapcsolószerkezetek típusai között lényeges különbségek nincsenek, így például az alábbiak tekintetében sem:
2.1.16. 1 a kapcsolószerkezet osztálya;
2.1.16. 2 gyári jel vagy védjegy;
2.1.16. 3 külső alak, főméretek vagy más alapvető konstrukciós különbségek;
2.1.16. 4 D, S, V és U jellemző értékek.
2.1.17. Az összekapcsolási folyamat akkor önműködő, ha csupán a vonó járműnek a pótkocsi irányában történő tolatása következtében, további külső beavatkozás nélkül, teljesen és önműködően létrejön az egész kapcsolószerkezet szabályszerű összekapcsolódása, ez önműködően tárolódik, és a biztosító reteszelődését jelzés mutatja. Az önműködő összekapcsolódási folyamat önműködő kapcsolószerkezetet igényel.
2.1.18. A "D-érték" a vonó jármű és a pótkocsi közötti rúderőre vonatkozó elméleti összehasonlítási erő.
A D-értéket kell alapul venni a dinamikai vizsgálatoknál a vízszintes vizsgálati erők tekintetében.
A támasztóterhelés átvitelére alkalmatlan mechanikus kapcsolószerkezetekre érvényes:

A középtengelyes pótkocsikhoz alkalmas mechanikus kapcsolószerkezetekre érvényes:

A nyerges vonókon és hasonló járműveken lévő nyerges vonószerkezetekre érvényes:

Jelmagyarázat:
T = a vonó jármű műszakilag megengedett össztömege tonnában (nyerges vontató is), adott esetben a középtengelyes pótkocsi támasztóterhelését is beleértve,
R = a függőlegesen szabadon mozgó vonószerkezettel rendelkező pótkocsi vagy félpótkocsi műszakilag megengedett össztömege tonnában,
C = a megengedett tömeggel terhelt középtengelyes pótkocsi tengelyterhelése összesen, tonnában (lásd 2.1.20 pont),
U = nyeregterhelés tonnában,
S = statikus támasztóterhelés kg-ban; ez a középtengelyes pótkocsi tömegének statikus állapotban a kapcsolódási ponton átvitelre kerülő része,
g = nehézségi gyorsulás (9,81 m/s2-tel számítva).
2.1.19. A "V-érték" a vonó jármű és egy 3,5 tonnát meghaladó össztömegű középtengelyes pótkocsi közötti függőleges erő amplitudójára vonatkozó elméletei összehasonlító erő (lásd 2.1.21). A V-értéket kell alapul venni a dinamikai vizsgálatoknál a függőleges vizsgálati erők tekintetében.

Jelmagyarázat:
a = függőleges összehasonlító gyorsulás a kapcsolódási pontban, amely a vonó jármű hátsó tengelyének a rugózásától függ, beleértve egy állandó tényezőt:
a1 = 1,8 m/s2 a légrugózású vagy hasonló rugózású járműveknél (a 85/3/EGK irányelv meghatározása szerint) ( 5 );
a2 = 2,4 m/s2 a másfajta rugózású járművekre;
x = a pótkocsi rakfelületének a hossza m-ben kifejezve (lásd 1. ábra)
l = a vonórúd elméleti hossza m-ben kifejezve; ez a vonószem középpontja és a tengelycsoport közepe közötti távolság (lásd 1. ábra)

= ≥ (1,0-nél kisebb számított értékeknél legalább 1,0-et kell alkalmazni).

1. ábra
Középtengelyes pótkocsi méretei
2.1.20. A középtengelyes pótkocsi egy olyan vontatott jármű, amelynek vonószerkezete (a pótkocsihoz viszonyítva) függőlegesen nem mozgatható, és amelynek a tengelye(i) (egyenletes terhelésnél) olyan közel helyezkedik (helyezkednek) el a jármű súlypontjához, hogy a pótkocsi össztömege legfeljebb 10%-ának vagy 1000 kg-nak (a kisebb érték számít) megfelelő függőleges terhelés jut csak a vonó járműre.
A középtengelyes pótkocsi össztömege a vonó járműhöz kapcsolt és maximálisan terhelt pótkocsi tengelye(i) által a talajra átvitt terhelésből adódik.
2.1.21. Azokat a járműveket, amelyek a fentiekben meghatározott kategóriák egyikébe sem sorolhatóak be egyértelműen, olyan típusú járműveknek kell tekinteni, mint amelyekhez a legjobban hasonlítanak.
2.1.22. A járműtípusok olyan járművek, amelyek a következő fő ismertetőjegyek tekintetében nem különböznek: a vonó járműnek a kapcsolószerkezetek felerősítéséhez szükséges részének vagy egy pótkocsi első részének a konstrukciója, méretei, formája és szerkezeti anyagai, amennyiben azok a VII. melléklet követelményeihez kapcsolódnak.
3. KAPCSOLÓSZERKEZET EGK-TÍPUSJÓVÁHAGYÁSA
3.1. Kapcsolószerkezet EGK-típusjóváhagyása iránti kérelem
3.1.1. A mechanikus kapcsolószerkezet-típusra vonatkozó, a 70/156/EGK irányelv 3. cikkének (4) bekezdése szerinti EGK-típusjóváhagyás iránti kérelmet a kapcsolószerkezet gyártója nyújtja be.
3.1.2. A III. melléklet tartalmazza az adatközlő lap mintáját.
3.1.3. A típus-jóváhagyási vizsgálatokat végző műszaki szolgálat számára a következőket kell rendelkezésre bocsátani:
3.1.3.1. egy, a mindenkori típusra jellemző kapcsolószerkezetet, lehetőleg festékbevonat nélkül. A műszaki szolgálat és más jóváhagyó hatóságok kérhetnek pótlólagos mintákat;
3.1.3.2. a típus-jóváhagyási vizsgálatokat végző műszaki szolgálat ezenkívül igényelhet bizonyos alkatrészeket, mint például szerelőlapokat vagy rögzítőbakokat, kiegészítő rajzokat vagy mintákat a használt szerkezeti anyagokból;
3.1.3.3. az olyan mechanikus kapcsolószerkezetek esetében, amelyek egy meghatározott járműtípus részére készülnek, a kapcsolószerkezet gyártójának be kell mutatnia a 92/21/EGK irányelvnek ( 6 ) megfelelően a szerkezet felszerelésével kapcsolatban a járműgyártó által csatolandó adatokat is; a műszaki szolgálat megkövetelheti egy, az illető típusra jellemző jármű bemutatását is.
3.2. A vizsgálati minta megjelölése
3.2.1. Minden olyan 3.1.1 pont szerinti kapcsolószerkezet mintáját, amely megfelel annak a típusnak, amelyre EGK-típusjóváhagyást kértek, el kell látni a következőkkel:
3.2.2. gyári jel vagy kereskedelmi név, illetve a gyártó neve (adott esetben védjegy);
3.2.3. típus, adott esetben kivitel;
3.2.4. elegendő hely az EGK-jóváhagyási jel és a 3.3.4 pont szerinti kiegészítő adatok számára.
3.3. A típusjóváhagyás megadása kapcsolószerkezetre
3.3.1. Ha a megfelelő követelmények teljesülnek, akkor kiadásra kerül a 70/156/EGK irányelv 4. cikkének (3) bekezdése szerinti, és adott esetben 4. cikkének (4) bekezdése szerinti EGK-típusjóváhagyás.
3.3.2. A IV. melléklet tartalmaz mintát az EGK-típusbizonyítványhoz.
3.3.3. Minden jóváhagyott mechanikus kapcsolószerkezet-típus kap egy típus-jóváhagyási számot a 70/156/EGK irányelv VII. mellékletének megfelelően. Ugyanaz a tagállam nem adhatja ki ugyanazt a számot egy mechanikus kapcsolószerkezet más típusára.
3.3.4. Minden olyan mechanikus kapcsolószerkezeten, amely az ezen irányelv szerint jóváhagyott típusnak megfelel egy, a jóváhagyási formanyomtatványon megadott, jól látható és könnyen hozzáférhető helyen fel kell tüntetni egy nemzetközi jóváhagyási jelet, amely a következőkből áll:
1 a Németországi Szövetségi Köztársaság esetében
2 Franciaország esetében
3 Olaszország esetében
4 Hollandia esetében
6 Belgium esetében
7 Magyarország esetében
8 a Cseh Köztársaság esetében
9 Spanyolország esetében
11 az Egyesült Királyság esetében
13 Luxemburg esetében
18 Dánia esetében
19 Románia esetében
20 Lengyelország esetében
21 Portugália esetében
25 Horvátország esetében
26 Szlovénia esetében
27 Szlovákia esetében
29 Észtország esetében
32 Lettország esetében
34 Bulgária esetében
36 Litvánia esetében
CY Ciprus esetében
MT Málta esetében
IRL Írország esetében
EL Görögország esetében
3.3.4.1. egy négyszög, amelynek a belső mezőjében egy "e" betű áll, amelyet a jóváhagyást megadó tagállam jelzőszáma, illetve betűjelzése követ;
3.3.4.2. egy kétjegyű szám, amely az irányelv utolsó módosítására utal (erre az irányelvre a 00 vonatkozik), valamint az EGK-típusbizonyítvány szerinti típus-jóváhagyási szám 4. szakasza (lásd IV. melléklet) a négyszög közelében;
3.3.4.3. az alábbiakban felsorolt kiegészítő jelek, a négyszög közelében egy tetszőleges helyen feltüntetve:
- a kapcsolószerkezet osztálya,
- a D, S, V és U megengedett értékei (amennyiben alkalmazhatóak).
3.3.5. A jóváhagyási jelet úgy kell feltüntetni a kapcsolószerkezeten, hogy tartós és jól olvasható legyen rajta akkor is, ha a kapcsolószerkezetet járműre szerelik.
3.3.6. A II. melléklet tartalmaz mintákat a jóváhagyási jelhez.
3.4. A mechanikus kapcsolószerkezet típusváltozásai és a kapcsolószerkezetre vonatkozó EGK-típusjóváhagyás kiterjesztése.
3.4.1. Az ezen irányelvnek megfelelően jóváhagyott típus megváltoztatása esetén a 70/156/EGK irányelv 5. cikkének a rendelkezései kerülnek alkalmazásra.
4. Jármű EGK-típusjóváhagyása
4.1. Jármű EGK-típusjóváhagyása iránti kérelem
4.1.1. A járműtípusra vonatkozó, a jármű mechanikus kapcsolószerkezete típusával kapcsolatos, a 70/156/EGK irányelv 3. cikkének (4) bekezdése szerinti EGK-típusjóváhagyás iránti kérelmet a kapcsolószerkezet gyártója nyújtja be.
4.1.2. A VIII. melléklet tartalmaz mintát az adatközlő lapra.
4.1.3. A típus-jóváhagyási vizsgálatokat végző műszaki szolgálat számára rendelkezésre kell bocsátani:
4.1.3.1. egy, a mindenkori típusra jellemző járművet, adott esetben rászerelt jóváhagyott kapcsolószerkezettel;
4.1.3.2. ha a járműtípus első, a jármű gyártója által összeszerelt felszerelésébe beletartozik a mechanikus kapcsolószerkezet, akkor egy, illetve több mechanikus kapcsolószerkezet-típust, adott esetben a hozzátartozó szerelőlapokkal és tartókkal együtt; be kell mutatni továbbá a kapcsolószerkezetekre vonatkozó EGK-típusjóváhagyást.
4.2. Az EGK-típusjóváhagyás megadása járműre
4.2.1. Ha a megfelelő követelmények teljesülnek, akkor kiadásra kerül a 70/156/EGK irányelv 4. cikkének (3), illetve (4) bekezdése szerinti EGK-típusjóváhagyás.
4.2.2. A IX. melléklet tartalmaz egy mintát az EGK-típusbizonyítványhoz.
4.2.3. Minden jóváhagyott járműtípus kap egy típus-jóváhagyási számot a 70/156/EGK irányelv VII. mellékletének megfelelően. Ugyanaz a tagállam nem adhatja ki ugyanazt a számot más járműtípusra.
4.3. A járműtípus változása és a járműre vonatkozó EGK-típusjóváhagyás kiterjesztése
4.3.1. Az ezen irányelvnek megfelelően jóváhagyott típus megváltoztatása esetén a 70/156/EGK irányelv 5. cikkének a rendelkezései kerülnek alkalmazásra.
4.3.2. A járműre vonatkozó EGK-típusjóváhagyás birtokosa kérheti, hogy a jóváhagyást terjesszék ki a kapcsolószerkezetek más típusaira vagy osztályaira is.
Az illetékes hatóságok ezt a kiterjesztést a következő feltételekkel adják meg:
4.3.2.1. a kapcsolószerkezet új típusára vonatkozólag van EGK-típusjóváhagyás;
4.3.2.2. a szóban forgó kapcsolószerkezet megfelel ahhoz a járműtípushoz, amelyre vonatkozóan kérelmezik a járműre szóló EGK-típusjóváhagyás kiterjesztésére;
4.3.2.3. a kapcsolószerkezetnek a járműhöz való rögzítése megfelel annak a rögzítésnek, amelyet a kapcsolószerkezetre vonatkozó EGK-típusjóváhagyás megadásakor feltüntettek.
4.3.3. Az A, C, D és G osztályú szabványos kapcsolószerkezetek esetében a járműre szóló EGK-típusjóváhagyás a többi, azonos osztályú kapcsolószerkezetre is érvényes, anélkül, hogy további felszerelési vizsgálatra vagy a járműre vonatkozó EGK-típusjóváhagyás kiterjesztésére lenne szükség.
5. KÖVETELMÉNYEK
5.1. A gépjárművek és pótkocsik közötti mechanikus kapcsolószerkezeteket a műszaki gyakorlatnak megfelelően kell gyártani és rögzíteni, figyelemmel arra, hogy kezelésük biztonságos legyen.
5.2. A járművek közötti kapcsolatnak olyannak kell lennie, hogy egy személy veszélytelenül, szerszám nélkül is létrehozhassa és oldhassa. 3,5 tonnánál nagyobb össztömegű pótkocsi rákapcsolásához csak olyan önműködő kapcsoló használata megengedett, amely önműködő összekapcsolási eljárást tesz lehetővé.
5.3. A mechanikus kapcsolószerkezeteket úgy kell megtervezni és legyártani, hogy azok normális használat, szakszerű karbantartás és a kopásnak kitett részek időben történő kicserélése mellett folyamatosan kielégítően működjenek.
5.4. Minden kapcsolószerkezethez mellékelni kell szerelési és üzemeltetési utasítást, amely elegendő információt tartalmaz ahhoz, hogy egy szakember a kapcsolószerkezetet összeszerelje, illetve ahhoz, hogy a kapcsolószerkezetet szabályszerűen üzemeltessék. Az útmutató nyelve annak a tagállamnak a nyelve, illetve nyelvei, amelyben a kapcsolószerkezetet forgalmazni kívánják. Azoknak a kapcsolószerkezeteknek az esetében, amelyeket a jármű- vagy karosszériagyártóknak futószalagon történő gyártáshoz szállítanak, el lehet tekinteni a szerelési és üzemeltetési utasításnak a minden egyes kapcsolószerekezettel együtt történő leszállításától. Ilyenkor a jármű vagy a karosszéria gyártója köteles arról gondoskodni, hogy a jármű üzembentartójának rendelkezésére bocsássa a kapcsolószerkezet üzemeltetéséhez szükséges információkat.
5.5. Csak olyan szerkezeti anyagokat szabad felhasználni, amelyek esetében a felhasználási cél szempontjából fontos tulajdonságok szabványban rögzítve vannak, vagy amelyeknél ezek a tulajdonságok a 3.1.2 szerinti adatközlő lapon fel vannak tüntetve.
5.6. A mechanikus kapcsolószerkezetek minden olyan részének, amelynek a meghibásodása szerelvényszakadást idézhet elő, acélból kell készülnie. Másfajta szerkezeti anyagokat akkor szabad felhasználni, ha a gyártó a műszaki szolgálatnak hitelt érdemlően igazolta azok egyenértékűségét.
5.7. Valamennyi kapcsolónak alakzárónak kell lennie, és a zárt állást legalább egyszeresen alakzárral biztosítani kell, amennyiben az V. melléklet nem támaszt további követelményeket.
5.8. A mechanikus kapcsolószerkezeteknek meg kell felelniük az V. melléklet követelményeinek.
5.9. Terhelési követelmények
5.9.1. A mechanikus kapcsolószerkezeteket alá kell vetni a VI. mellékletben leírt vizsgálatoknak.
5.9.2. Ezek a vizsgálatok nem okozhatnak olyan törést, repedést vagy egyéb látható külső károsodást vagy túlzott mértékű maradandó deformációt, amely hátrányosan hatna a szerkezet működőképességére.
5.10. A mechanikus kapcsolószerkezeteknek a járműre történő felszerelését a VII. melléklet követelményei szerint kell vizsgálni. Ez a követelmény érvényes mind a járműre vonatkozó EGK-típusjóváhagyásra, ha a járműtípus első, a jármű gyártója által összeszerelt felszerelésébe beletartozik a mechanikus kapcsolószerkezet, mind az egy adott gépjárműtípushoz való kapcsolószerkezetre vonatkozó EGK-típusjóváhagyásra.
5.11. Egyéb kapcsolószerkezetekre (S osztály) az említett követelmények, valamint az V., VI. és VII. melléklet követelményei vonatkoznak értelemszerűen.
6. GYÁRTÁSMEGFELELŐSÉG
6.1. A megfelelő gyártás biztosítása érdekében általában a 70/156/EGK irányelv 10. cikke szerinti intézkedéseket kell megtenni.
6.2. Az illetékes hatóság rendszerint évente egyszer ellenőrzést végez.
II. MELLÉKLET
a) Csapos vonószerkezetre vonatkozó EGK-jóváhagyási jel mintája

A fent ábrázolt EGK-jóváhagyási jelű kapcsolószerkezet egy C50-X osztályú nem szabványos csapos vonószerkezet, 130 kN megengedett D-értékkel, 90 kN megengedett Dc-értékkel, 1000 kg megengedett statikus támasztóterheléssel és 35 kN megengedett V-értékkel, amelyre a Németországi Szövetségi Köztársaságban (e1) 0207 számon EGK-típusjóváhagyást adtak ki. Az első két szám ("00") azt jelzi, hogy ezt a kapcsolószerkezetet ezen irányelv eredeti szövegváltozata szerint hagyták jóvá.
b) Vonószemre vonatkozó EGK-jóváhagyási jel mintája

A fent ábrázolt EGK-jóváhagyási jelű kapcsolószerkezet egy D50-X osztályú nem szabványos 50-es vonószem hegesztett véggel, 130 kN D-értékkel, 100 kN megengedett Dc-értékkel, 1000 kg megengedett statikus támasztóterheléssel és 50 kN megengedett V-értékkel, amelyre a Németországi Szövetségi Köztársaságban (e1) 1934 számon EGK-típusjóváhagyást adtak. Az első két szám ("00") azt jelzi, hogy ezt a kapcsolószerkezetet ezen irányelv eredeti szövegváltozata szerint hagyták jóvá.
c) Nyerges vonószerkezetre vonatkozó EGK-jóváhagyási jel mintája

A fent ábrázolt EGK-jóváhagyási jelű kapcsolószerkezet egy G50-X osztályú nem szabványos nyerges vonószerkezet, 180 kN megengedett D-értékkel, 26 tonna megengedett nyeregterheléssel, amelyre a Németországi Szövetségi Köztársaságban (e1) 0015 számon EGK-típusjóváhagyást adtak ki. Az első két szám ("00") azt jelzi, hogy ezt a kapcsolószerkezetet ezen irányelv eredeti szövegváltozata szerint hagyták jóvá.
d) Királycsapra vonatkozó EGK-jóváhagyási jel mintája

A fent ábrázolt EGK-jóváhagyási jelű kapcsolószerkezet egy H50-X osztályú nem szabványos királycsap, 162 kN D-értékkel, amelyre a Németországi Szövetségi Köztársaságban (e1) 1989 számon EGK-típusjóváhagyást adtak ki. Az első két szám ("00") azt jelzi, hogy ezt a kapcsolószerkezetet ezen irányelv eredeti szövegváltozata szerint hagyták jóvá.
e) Tartóval ellátott vonógömbre vonatkozó EGK-jóváhagyási jel mintája

A fent ábrázolt EGK-jóváhagyási jelű kapcsolószerkezet egy A 50-X osztályú nem szabványos, tartóval ellátott vonógömb, 18 kN megengedett D-értékkel és 75 kg megengedett statikus támasztóterheléssel, amelyre a Németországi Szövetségi Köztársaságban (e1) 0304 számon EGK-típusjóváhagyást adtak. Az első két szám ("00") azt jelzi, hogy ezt a kapcsolószerkezetet ezen irányelv eredeti szövegváltozata szerint hagyták jóvá.
f) Kapcsolófejre vonatkozó EGK-jóváhagyási jel mintája

A fent ábrázolt EGK-jóváhagyási jelű kapcsolószerkezet egy B50-X osztályú nem szabványos, kapcsolófej, 18 kN D-értékkel és 75 kg megengedett statikus támasztóterheléssel, amelyre a Németországi Szövetségi Köztársaságban (e1) 1993 számon EGK-típusjóváhagyást adtak ki. Az első két szám ("00") azt jelzi, hogy ezt a kapcsolószerkezetet ezen irányelv eredeti szövegváltozata szerint hagyták jóvá.
g) Vonószerkezetre vonatkozó EGK-jóváhagyási jel mintája

A fent ábrázolt EGK-jóváhagyási jelű kapcsolószerkezet egy E osztályú, középtengelyes pótkocsihoz való vonórúd, 109 kN megengedett D-értékkel, 1000 kg megengedett statikus támasztóterheléssel és 50 kN megengedett V-értékkel, amelyre a Németországi Szövetségi Köztársaságban (e1) 0013 számon EGK-típusjóváhagyást adtak ki. Az első két szám ("00") azt jelzi, hogy ezt a kapcsolószerkezetet ezen irányelv eredeti szövegváltozata szerint hagyták jóvá.
III. MELLÉKLET

IV. MELLÉKLET
A) MINTA
(legnagyobb méret: A4 (210 mm × 297 mm))
EGK-TÍPUSBIZONYÍTVÁNY


I. függelék

V. MELLÉKLET
A MECHANIKUS KAPCSOLÓSZERKEZETEKRE VONATKOZÓ KÖVETELMÉNYEK
1. VONÓGÖMB TARTÓVAL
Az 1.1-től 1.4-ig terjedő pontokban felsorolt követelmények valamennyi A osztályú, tartóval rendelkező vonógömbre érvényesek. Az 1.5 pont további követelményeket támaszt, amelyeknek az 50-es osztályú, említett vonógömböknek és a karimás tartóknak meg kell felelniük.
1.1. Az A osztályú vonógömböknek forma és méretek tekintetében meg kell felelniük a 2. ábrának.
1.2. A tartók alakjának és méreteinek, amennyiben szükséges, meg kell felelniük a járműgyártó által a rögzítési pontok és a kiegészítő szerelési alkatrészek vonatkozásában támasztott követelményeknek.
1.3. Levehető vonógömbök esetében a kapcsolódási helynek alakzárónak és alakzáróval biztosítottnak kell lennie.
1.4. A tartóval rendelkező vonógömböknek teljesíteniük kell a VI. melléklet 4.1 pontja szerinti vizsgálati előírásokat.

2. ábra
1) Ez a kapcsolódási sugár a nyakhoz és a vonógömb gömbszeletének alsó vízszintes síkjához érintőleges.
2) Lásd ISO/R 468 és ISO 1302; az N9 érdességi érték 6,3 mm-es Ra közepes érdességi értékre vonatkozik.
1.5. Az A 50-1, A 50-2 és A 50-3 osztályú szabványos karimás vonógömbökre vonatkozó különleges követelmények
1.5.1. Az A 50-1 osztályú karimás vonógömbök méreteinek meg kell felelniük a 3. ábrának és az 1. táblázatnak. A vonógömbökre vonatkozólag be kell tartani a VII. melléklet 30. ábrája szerinti szabad teret.
1.5.2. Az A 50-2 és A 50-3 osztályú karimás vonógömbök méreteinek meg kell felelniük a 4. ábrának és az 1. táblázatnak. A vonógömbökre vonatkozólag be kell tartani a VII. melléklet 30. ábrája szerinti szabad teret.
1.5.3. Az A 50-1, A 50-2 és A 50-3 osztályú karimás vonógömböknek a 2. táblázatban megadott jellemző értékekre alkalmasnak és ellenőrzöttnek kell lenniük.

3. ábra
A 50-1 osztályú szabványos karimás vonógömbök méretei (mm), lásd 1. táblázat

4. ábra
A 50-2 és A 50-3 osztályú szabványos karimás vonógömbök méretei (mm), lásd 1. táblázat
1. TÁBLÁZAT
Szabványos karimás vonógömbök méretei (mm)
(lásd 3. és 4. ábra)
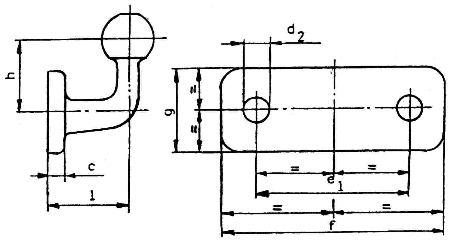
A50-1 | A50-2 | A50-3 | Megjegyzés | |
e1 | 90 | 83 | 120 | ±0,5 |
e2 | – | 56 | 55 | ±0,5 |
d2 | 17 | 10,5 | 15 | H13 |
f | 130 | 110 | 155 | +6,-0 |
g | 50 | 85 | 90 | +6,-0 |
c | 15 | 15 | 15 | max. |
l | 55 | 110 | 120 | ±5 |
h | 70 | 80 | 80 | ±5 |
2. TÁBLÁZAT
Szabványos karimás vonógömbök jellemző értékei
A 50-1 | A 50-2 | A 50-3 | |
D | 17 | 20 | 30 |
S | 120 | 120 | 120 |
D = megengedett D-érték (kN) S = megengedett statikus támasztóterhelés (kg) |
2. KAPCSOLÓFEJEK
2.1. A B 50 osztályú kapcsolófejeket úgy kell kialakítani, hogy azokat az e melléklet 1. szakasza szerinti vonógömbökkel biztosan össze lehessen kapcsolni, és emellett az előírt tulajdonságok be legyenek tartva.
A kapcsolófejeknek olyan kiképzésűeknek kell lenniük, hogy a biztonságos kapcsolat a kapcsolószerkezet elhasználódásának a figyelembevétele mellett is garantálva legyen.
2.2. A kapcsolófejeknek teljesíteniük kell a VI. melléklet 4.2 pontjának a vizsgálati előírásait.
2.3. Egyéb készülékek, pl. fékező- vagy stabilizálókészülékek, nem akadályozhatják a mechanikus kapcsolatot.
2.4. A kapcsolófejnek vízszintesen legalább 90°-kal el kell tudni fordulnia az ennek a mellékletnek az 1. szakasza szerinti, a járműre fel nem szerelt, tartóval rendelkező vonógömbnek a középvonalához képest mind a két oldalon. Ugyanakkor követelmény függőlegesen felfelé és lefelé az egyaránt 20°-os mozgathatóság. Ezenkívül a 90°-os vízszintes elfordulási szöggel együtt szükség van a vízszintes tengely körül kétoldalt a 25°-os mozgathatóságra. Továbbá a következő kombinált mozgásokat kell teljesítenie:
- ± 15° függőleges elfordulás ± 25° axiális elfordulás mellett,
- ± 10° axiális elfordulás ± 20° függőleges elfordulás mellett
valamennyi vízszintes elfordulási szögnél.
3. CSAPOS VONÓSZERKEZETEK
A 3.1-3.8 pontok követelményei valamennyi C 50 osztályú csapos vonószerkezetre érvényesek. A 3.9-ben azok a követelmények vannak felsorolva, amelyeket az általános követelményeken túlmenően a C 50-1-től C 50-6-ig terjedő osztályú csapos vonószerkezeteknek teljesíteniük kell.
3.1. Terhelési követelmények
Az összes csapos vonószerkezetnek teljesítenie kell a VI. melléklet 4.3 pontja szerinti vizsgálati előírásokat.
3.2. Kapcsolható vonószemek
A C 50 osztályú csapos vonószerkezeteknek olyan szerkezetűnek kell lenniük, hogy össze tudjanak kapcsolódni a D 50 osztályú vonószemekkel, és ezekkel összekapcsolva rendelkezzenek az előírt tulajdonságokkal.
3.3. Önműködő jelleg
A csapos vonószerkezeteknek önműködőeknek kell lenniük (lásd I. melléklet, 2.1.17 pont).
3.4. Befogópofa
A C 50 osztályú csapos vonószerkezeteket el kell látni befogópofával. Ennek olyan kialakításúnak kell lennie, hogy a mindenkori hozzátartozó vonószemek kapcsolódáskor biztosan belecsússzanak a kapcsolóba.
Ha a befogópofa vagy az azt hordozó elem a függőleges tengely körül elforduló ágyazású, akkor annak önműködően be kell állnia normál helyzetébe, és nyitott vonófejcsapszeg mellett hatékonyan meg kell maradnia ebben a helyzetben, hogy biztosítva legyen az összekapcsolási műveletnél a vonószem biztonságos vezetése.
Ha a befogópofa vagy az azt hordozó elem a kereszttengely körül elforduló ágyazású, akkor a fordulékonyságot kiváltó csuklót egy rögzítőnyomatéknak meg kell tartania normális helyzetében. Ennek a nyomatéknak elegendőnek kell lennie ahhoz, hogy megelőzze azt, hogy a befogópofa felső szélénél függőleges irányban felfelé ható 200 N nagyságú erő kiválthassa a csukló kitérését normális helyzetéből. A befogópofának kézzel normális helyzetbe hozhatónak kell lennie. Kereszttengely körül elforduló befogópofa csak legfeljebb 50 kg S támasztóterhelésig és maximum 5 kN V-értékig megengedett.
Ha a befogópofa vagy az azt hordozó elem a hossztengely körül elforduló ágyazású, akkor a forgómozgást egy legalább 100 Nm nagyságú rögzítőnyomatéknak kell fékeznie.
D-érték | ≤ 18 kN: | szélesség 150 mm, magasság 100 mm, | |
18 kN > | D-érték | ≤ 25 kN: | szélesség 280 mm, magasság 170 mm, |
D-érték | > 25 kN: | szélesség 360 mm, magasság 200 mm. |
A befogópofa szélső sarkait le lehet gömbölyíteni.
A C 50-X osztályú csapos vonószerkezeteken megengedettek a kisebb méretű befogópofák, ha a használatuk 3,5 tonnáig terjedő megengedett össztömegű középtengelyes pótkocsikra korlátozódik, vagy ha a fenti táblázat szerinti befogópofa használata műszaki okok miatt nem lehetséges, és ha továbbá különleges körülmények (például látás) garantálják az önműködő összekapcsolási folyamat biztonságos végrehajtását, és ha az alkalmazási területet a III. melléklet szerinti engedélyben megfelelően korlátozzák.
3.5. A kapcsolt vonószem minimális mozgékonysága
A kapcsolt vonószemnek - a jármű hossztengelyéhez képest - vízszintesen ± 90°-kal el kell tudnia fordulni a függőleges középvonal körül (lásd 5. ábra). A kapcsolt vonószemnek - a jármű vízszintes síkjához képest - függőlegesen ± 20°-kal el kell tudnia fordulni a kereszttengely körül (lásd 6. ábra). Ha ezt az elfordulási mozgást egy különleges csukló teszi lehetővé (csak a C 50-X osztályú csapos vonószerkezeteknél), akkor a felhasználási területet a III. melléklet szerinti engedélyben a VII. melléklet 2.3.7 pontja szerinti esetekre kell korlátozni. A kapcsolt vonószemnek - a jármű vízszintes síkjához képest - legfeljebb ± 25°-kal el kell tudnia fordulni a jármű hossztengelye körül (lásd 7. ábra).
Az említett elfordulási szögek a járműre fel nem szerelt csapos vonószerkezetekre érvényesek.
3.6. Legkisebb szög be- és kikapcsoláskor
A vonószemek be- és kikapcsolásának lehetségesnek kell lennie akkor is, ha a vonószem hossztengelye a befogópofa középvonalához képest
3.6.1. vízszintesen 50°-kal elfordul jobbra vagy balra,
3.6.2. függőlegesen 6°-kal elmozdul felfelé vagy lefelé,
3.6.3. axiálisan 6°-kal elfordul jobbra vagy balra.
3.7. Véletlen nyitás elleni biztosítás
A vonófejcsapszeget zárt állásban két alakzáró biztosítónak kell biztosítania nyitás ellen, amelyek közül az egyik még akkor is hatékony marad, ha a másik meghibásodik.
A kapcsoló zárt és biztosított helyzetét egy mechanikus szerkezetnek jól látható módon kell jeleznie. E jelző állásának tapintással is érzékelhetőnek kell lennie - például sötétben.
A mechanikus szerkezetnek mindkét biztosító bekapcsolt állapotát jeleznie kell (ÉS-feltétel).
Az egyik biztosító bekapcsolt állapotának jelzése is elegendő azonban, ha ebben az állapotban szerkezetileg garantált a második biztosító reteszelődése is.
3.8. Kézikar
A kézikart úgy kell kialakítani, hogy az kézhezálló, a vége pedig legömbölyített legyen. A vonófejnek nem lehet olyan összeszorító hatású nyomódó vagy éles szegélyű helye a kézikar körzetében, amely a működtetésnél sérüléshez vezethetne. A nyitási működtetőerőnek - vonószem nélkül mérve - a kézikarra merőlegesen, működtetési irányban nem szabad meghaladnia a 250 N-t.
3.9. A C 50-1-től C 50-6-ig terjedő szabványos csapos vonószerkezetekre vonatkozó különleges követelmények.
3.9.1. A vonószemnek a kereszttengely körüli lengőmozgását a vonófejcsapszeg hasas alakjával kell elérni (és nem csuklóval, lásd 6. ábra).
3.9.2. A vonófejcsapszeg és a vonószem közötti játék következtében a hossztengely húzási és nyomási irányában fellépő lökéseket rugós és/vagy csillapító szerkezetekkel mérsékelni kell (kivéve a C 50-1-et).
3.9.3. A 8. ábrán és a 3. táblázatban szereplő méreteket be kell tartani.
3.9.4. A vonófejeket a 4. táblázatbeli terhelési értékekre meg kell vizsgálni, és a vonófejnek azokra nézve megfelelőnek kell mutatkoznia.
3.9.5. A vonófej nyitásának egy közvetlenül a vonófejen található kézikarral kell történnie (távvezérlés nem lehet).

5. ábra
A felkapcsolt vonószem minimális elmozdulása vízszintesen ± 90° a függőleges középvonal körül a jármű hossztengelyéhez képest

6. ábra
A felkapcsolt vonószem minimális elmozdulása függőlegesen ± 20° a kereszttengely körül a jármű vízszintes síkjához képest

7. ábra
A felkapcsolt vonószem minimális mozgékonysága axiálisan ± 25° a hossztengely körül a jármű vízszintes síkjához képest

8. ábra
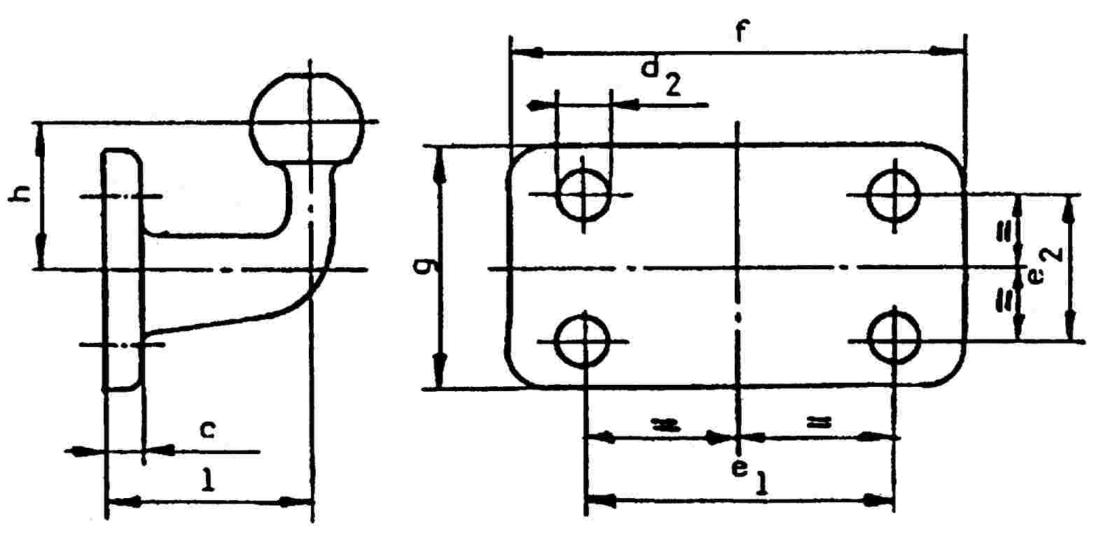
A szabványos csapos vonószerkezet méretei (mm), lásd 3. táblázat
3. TÁBLÁZAT
A szabványos csapos vonószerkezet méretei (mm), lásd 8. ábra
C 50-1 | C 50-2 | C 50-3 | C 50-4 | C 50-5 | C 50-6 | Megj. | |
e1 | 83 | 120 | 140 | 160 | ± 0,5 | ||
e2 | 56 | 55 | 80 | 100 | ± 0,5 | ||
d1 | – | 54 | 74 | 84 | 94 | max. | |
d2 | 10,5 | 15 | 17 | 21 | H13 | ||
f | 110 | 155 | 180 | 200 | +6,-0 | ||
g | 85 | 90 | 120 | 140 | ±3 | ||
a | 100 | 170 | 200 | 200 | 200 | +20,-0 | |
b | 150 | 280 | 360 | 360 | 360 | +20,-0 | |
c | 20 | 24 | 30 | 30 | max. | ||
h | 150 | 190 | 265 | 265 | 265 | max. | |
l1 | – | 150 | 250 | 300 | 300 | max. | |
l2 | 150 | 300 | 330 | 330 | 330 | max. | |
l3 | 100 | 160 | 180 | 180 | 180 | ±20 | |
T | – | 15 | 20 | 35 | 35 | max. |
4. TÁBLÁZAT
Szabványos csapos vonószerkezetek terhelési értékei
C50-1 | C50-2 | C50-3 | C50-4 | C50-5 | C50-6 | |
D | 18 | 25 | 70 | 100 | 130 | 190 |
DC | 18 | 25 | 50 | 70 | 90 | 120 |
S | 200 | 250 | 650 | 900 | 1000 | 1000 |
V | 12 | 10 | 18 | 25 | 35 | 50 |
D = megengedett D-érték (kN) Dc = megengedett D-érték (kN) középtengelyes pótkocsikra S = megengedett statikus támasztóterhelés (kg) V = megengedett V-érték (kN) |
4. VONÓSZEMEK
A 4.1 pont szerinti követelmények valamennyi D50 osztályú vonószemre érvényesek.
A 4.2-4.5 pontokban azok a követelmények vannak felsorolva, amelyeknek az általános követelményeken túlmenően a szabványos vonószemeknek meg kell felelniük.
4.1. Általános követelmények a vonószemekkel szemben
Valamennyi vonószemnek teljesítenie kell a VI. melléklet 4.4 pontja szerinti vizsgálati előírásokat.
A D 50 osztályú vonószemek a C 50 jelű csapos vonószerkezetekkel történő alkalmazásra vannak rendelve. A vonószemek lehetnek axiálisan nem elforgathatóak, mert a hozzájuk tartozó vonófej képes forogni.
Ha a D 50 osztályú vonószemek el vannak látva vonószempersellyel, akkor ennek a méretei meg kell, hogy egyezzenek a 12. ábra szerinti méretekkel (a D 50-C osztály kivételével) vagy a 13. ábra méreteivel.
A vonószemperselyeket nem szabad behegeszteni.
A D 50 osztályú vonószemeknek meg kell felelniük a 9. ábrán feltüntetett méreteknek (ha a 4.2, 4.3 vagy 4.4 pontban nincs másként megadva). A D 50-X osztályú vonószemek szárának alakja nincs előírva, de a szem közepétől számított 210 mm távolságban a"h" magasságnak és a "b" szélességnek a 6. táblázatban megadott határokon belül kell lennie.
4.2. A D 50-A osztályú vonószemekre vonatkozó különleges követelmények
A D 50-A osztályú vonószemeknek meg kell felelniük a 9. ábrán látható méreteknek.
4.3. A D 50-B osztályú vonószemekre vonatkozó különleges követelmények
A D 50-B osztályú vonószemeknek meg kell felelniük a 10. ábrán látható méreteknek.
4.4. A D 50-C osztályú vonószemekre vonatkozó különleges követelmények
A D 50-C osztályú vonószemeknek meg kell felelniük a 11. ábrán látható méreteknek.
A D 50-C osztályú vonószemeket el kell látni a 13. ábra szerinti vonószempersellyel.
4.5. A szabványos vonószemek terhelési értékei
A szabványos vonószemeket és azok rögzítőeszközeit meg kell vizsgálni az 5. táblázatban közölt terhelési értékekre, s azokra meg kell felelniük.
5. TÁBLÁZAT
Szabványos vonószemek terhelési értékei
Osztály | D | Dc | S | V |
D 50-A | 130 | 90 | 1000 | 30 |
D 50-B | 130 | 90 | 1000 | 25 |
D 50-C | 190 | 120 | 1000 | 50 |
D = megengedett D-érték (kN) Dc = megengedett D-érték (kN) középtengelyes pótkocsikra S = megengedett statikus támasztóterhelés (kg) V = megengedett V-érték (kN) |
6. TÁBLÁZAT
A D 50-A és D 50-X osztályú vonószemek szárméretei (lásd 9. ábra)
Osztály | h (mm) | b (mm) |
D50-A | 6012 | 6012 |
D50-X | max. 67 | max. 62 |
9. ábra
A D 50-A és D 50-X osztályú vonószemek méretei (lásd 6. táblázat)
10. ábra
A D 50-B osztályú vonószemek méretei (a hiányzó méreteket lásd a 9. ábrán)
11. ábra
A D 50-C1 osztályú vonószemek méretei (a hiányzó méreteket lásd a 9. ábrán)
12. ábra
Réselt persely a D 50 vonószemekhez
13. ábra
Nem réselt persely a D 50-C vonószemekhez
5. VONÓSZERKEZETEK
5.1. Az E osztályú vonószerkezeteknek meg kell felelniük a VI. melléklet 4.5 pontja szerinti vizsgálati követelményeknek.
5.2. A vonószerkezetekre a vonó járművel való kapcsolat létrehozására vagy az ezen melléklet 2. szakasza szerinti kapcsolófejet vagy a 4. szakasza szerinti vonószemet lehet felszerelni. A kapcsolófejek és vonószemek lehetnek becsavarozottak, felcsavarozottak vagy ráhegesztettek.
5.3. A függőleges síkban elforduló vonószerkezeteknek nem szabad érinteniük a talajt; a talaj feletti szabad magasságnak a vonószerkezetnek a vízszintes helyzetből való leesésénél is legalább 200 mm-t kell kitennie.
5.4. Függőlegesen elforduló vonószerkezetek magasságbeállító készülékei
5.4.1. A függőlegesen elforduló vonószerkezeteket fel kell szerelni olyan készülékkel, amely lehetővé teszi a vonószerkezetnek a kapcsolószerkezet vagy a befogópofa magasságához való beállítását. Ezeknek a készülékeknek olyan konstrukciójúaknak kell lenniük, hogy a vonószerkezetet egy személy szerszám vagy más segédeszköz nélkül be tudja állítani.
5.4.2. A magasságbeállító készülékeknek alkalmasnak kell lenni ahhoz, hogy felfelé és lefelé legalább 300 mm-rel lehessen állítani vízszintes helyzetből az úttest fölött a vonószemeket és a vonógömbkapcsolókat. Ebben a tartományban a vonószerkezetnek fokozat nélkül vagy legfeljebb 50 mm-es fokozatokban - a vonószemnél, illetve a kapcsolófejnél mérve - beállíthatónak kell lennie.
5.4.3. A magasságbeállítás nem korlátozhatja a vonószerkezetnek az összekapcsolási folyamat utáni könnyű mozgathatóságát.
5.4.4. A ráfutófék hatását nem korlátozhatja a magasságbeállítás.
5.5. A ráfutófékkel kapcsolatban lévő vonószerkezeteknél a vonószem közepének és a vonószemszár szabad végének a távolsága nem lehet kevesebb 200 mm-nél a fék oldott állapotában. Teljesen betolt vonószemszár esetén ez a távolság nem csökkenhet 150 mm alá.
5.6. A középtengelyes pótkocsikon való alkalmazásra szánt vonószerkezeteknek a kereszterőkkel szemben legalább fele akkora ellenállási nyomatékkal kell rendelkezniük, mint a függőleges erőkkel szemben.
6. RÖGZÍTŐBAKOK
6.1. A rögzítőbakoknak alkalmasnak kell lenniük az érintett kapcsolószerkezetnek a hozzájuk tartozó járműre (járművekre) való felszerelésére.
6.2. A rögzítőbakokat nem szabad az alvázra, a kocsiszekrényre, vagy más járműrészekre ráhegeszteni.
6.3. A rögzítőbakoknak eleget kell tenniük a VI. melléklet 4.3 pontja szerinti vizsgálati követelményeknek.
7. NYERGES VONÓSZERKEZET ÉS IRÁNYÍTÓÉK
A 7.1-től 7.9-ig terjedő követelmények érvényesek valamennyi G 50 osztályú nyerges vonószerkezetre.
A 7.10 pontban azok a követelmények vannak felsorolva, amelyeknek az általános követelményeken túlmenően a szabványos nyerges vonószerkezetnek meg kell felelnie.
Az irányítóéknek a 7.9 pont szerinti követelményeknek kell megfelelnie.
7.1. Összekapcsolható királycsapok
A G 50 osztályú nyerges vonószerkezetnek olyan felépítésűnek kell lennie, hogy a H 50 osztályú királycsapot össze lehessen vele kapcsolni, és együttesen rendelkezzenek az előírt tulajdonságokkal.
7.2. Önműködő jelleg
A nyerges vonószerkezetnek önműködőnek kell lennie (lásd I. melléklet, 2.1.17 pont).
7.3. Terelőszerkezetek
A nyerges vonószerkezeteket fel kell szerelni terelőszerkezettel, amely lehetővé teszi a királycsappal való biztonságos és veszélytelen összekapcsolást. A terelőszerkezet bemeneti szélességének legalább 350 mm-nek kell lennie.
7.4. A királycsappal összekapcsolt nyerges vonószerkezet minimális mozgathatósága (a nyerges vonószerkezetnek szerelőlapra vagy járműre való erősítése nélkül).
A zárt helyzetű nyerges vonószerkezetnek a királycsap következő forgómozgásait kell lehetővé tennie menetállásban:
7.4.1. legalább ± 90°-os elforgás a függőleges tengelye körül (a kényszerkormányzásos nyerges vonószerkezetre nem érvényes), valamint ezzel egyidejűleg
7.4.2. legalább ± 12°-os elforgás a menetirányt keresztező vízszintes tengelye körül (ez a szög nem feltétlenül elegendő a terepen való üzemhez).
7.4.3. A hossztengely körüli legfeljebb ± 3°-os billenés megengedett. Egy billenő nyerges vonószerkezet átlépheti ezt a szöget, ha egy határoló lehetővé teszi a szögelfordulás ± 3°-ra történő korlátozását.
7.5. A nyerges vonószerkezet nyitása elleni biztosítás
A nyerges vonószerkezet zárómechanizmusának kétszeresen alakzárral biztosítania kell a királycsapot, ahol a második biztosítónak szabad hatnia az elsőre. Bekapcsoláskor az első biztosítónak önműködően működésbe kell lépnie. Ha a második biztosítót kézzel kell beiktatni, akkor a beiktatása csak abban az esetben lehetséges, hogyha az első biztosító már működik. Ha a második biztosító önműködően lép működésbe, akkor mindkét biztosító reteszelődésének jól látható jelzése kell, hogy legyen.
7.6. Vezérlőberendezések
A vezérlőberendezéseknek zárt állásban biztosítottnak kell lenniük a véletlen működtetéssel szemben.
7.7. Felületi kialakítás
A nyereglap és a kapcsolózár felületének kifogástalan és funkcionális kialakításúnak, gondos gépi megmunkálásúnak, kovácsoltnak, öntöttnek vagy sajtoltnak kell lennie.
7.8. Terhelési követelmények
Valamennyi nyerges vonószerkezetnek eleget kell tennie a VI. melléklet 4.6 pontja szerinti vizsgálati követelményeknek.
7.9. Irányítóékek
A kényszerkormányzásra nem alkalmas G 50-X osztályú nyerges vonószerkezeteket megfelelő jelöléssel kell ellátni.
7.9.1. A félpótkocsikon lévő, kényszerkormányzásra szolgáló irányítóékeknek meg kell felelniük a 15. ábrán feltüntetett méreteknek.
7.9.2. Az irányítóéknek lehetővé kell tennie a biztonságos és veszélytelen összekapcsolást. Az irányítóéknek rugósnak kell lennie. A rugó erejét úgy kell megválasztani, hogy lehetséges legyen a terheletlen félpótkocsi felkapcsolása, és a félpótkocsi teljes terhelése esetén biztosítva legyen üzemelés közben az irányítóéknek a felfekvése a nyerges vonószerkezet oldalain. A nyerges vonószerkezet nyitásának mind terhelt, mind terheletlen félpótkocsi mellett lehetségesnek kell lennie.
7.10. A szabványos nyerges vonószerkezetre vonatkozó különleges követelmények
7.10.1. A szabványos nyerges vonószerkezeteknek meg kell felelniük a 14. ábrán és a 7. táblázatban feltüntetett méreteknek.
7.10.2. A szabványos nyerges vonószerkezeteknek alkalmasnak és ellenőrzöttnek kell lenniük 150 kN D-értékre és 20 tonna U nyeregterhelésre.
7.10.3. A kapcsoló nyitásának egy közvetlenül a nyerges vonószerkezeten található kézi karral kell történnie.
7.10.4. A szabványos nyerges vonószerkezeteknek alkalmasnak kell lenniük a félpótkocsik irányítóékes kényszerkormányzására (lásd 7.9).

14. ábra
A szabványos nyerges vonószerkezetek méretei (lásd 7. táblázat)
* Az irányítóékek használata céljából a referenciaméret k = 138 ± 3 mm, 18 mm-rel a felső rész alatt, 200 mm-es távolságban kell mérni.
7. TÁBLÁZAT
A szabványos nyerges vonószerkezetek méretei (mm) (lásd 14. ábra)
G 50-1 | G 50-2 | G 50-3 | G 50-4 | G 50-5 | G 50-6 | |
H | 140-től 159-ig | 160-tól 179-ig | 180-tól 199-ig | 200-tól 219-ig | 220-tól 239-ig | 240-től 260-ig |

15. ábra
Rugós irányítóékek méretei
1 Csak 60 mm-t meghaladó irányítóék-vastagságra érvényes.
2 Ez a méret csak a működő felületre vonatkozik, az irányítóék maga hosszabb is lehet.
8. KIRÁLYCSAP
8.1. A H 50 osztályú királycsapnak (megfelel az ISO 337-nek) a 16. ábra szerinti méretekkel kell rendelkeznie.
8.2. A királycsapoknak teljesíteniük kell a VI. melléklet 4.8 pontja szerinti vizsgálati követelményeket.

16. ábra
A H 50 osztályú királycsap méretei
(
*
)
Választható a

os letörés is.
9. SZERELŐLAPOK
9.1. A nyerges vonószerkezetekhez való J osztályú szerelőlapok lyukelrendezési képének meg kell felelnie a 14. ábrának, amennyiben ezek szabványos nyerges vonószerkezetekhez készülnek.
9.2. A szabványos nyerges vonószerkezetekhez való szerelőlapoknak alkalmasnak kell lenniük a félpótkocsik kényszerkormányzására (irányítóékkel). A nem szabványos, kényszerkormányzásra nem alkalmas nyerges vonószerkezetekhez való szerelőlapokat megfelelő jelzéssel kell ellátni.
9.3. A nyerges vonószerkezetekhez való szerelőlapoknak teljesíteniük kell a VI. melléklet 4.7 pontja szerinti vizsgálati követelményeket.
10. TÁVJELZŐ- ÉS TÁVVEZÉRLŐ-BERENDEZÉSEK
10.1. Általános követelmények
A távjelző- és távvezérlő-berendezések a C 50-X és G 50-X osztályú önműködő kapcsolószerkezeteken megengedettek.
A távjelző- és távvezérlő-berendezéseknek nem szabad korlátozniuk a felkapcsolt vonószem, illetve összekapcsolt félpótkocsi minimális mozgékonyságának eléréséhez szükséges mozgásokat. A járművel össze kell kapcsolni őket.
Az összes távjelző- és távvezérlő-berendezés a vezérlő- és az átviteli berendezés valamennyi részével együtt a kapcsoló vizsgálati és engedélyezési terjedelmébe tartozik.
10.2. Távjelzés
10.2.1. A távjelző-berendezésnek egy, a 10.2.2 és/vagy 10.2.3 pont szerinti optikai jelzéssel jeleznie kell, ha a kapcsoló elérte a zárt és kétszeresen biztosított állást.
10.2.2. A nyitottból a zárt és kétszeresen biztosított állásba való átmenetet egy zöld ellenőrző lámpának kell mutatnia.
10.2.3. Ha a nyitott és/vagy biztosítatlan állás is jelzésre kerül, akkor piros ellenőrző lámpát kell alkalmazni.
10.2.4. Az önműködő összekapcsolási folyamat végének a jelzésénél a távjelzőnek csak akkor szabad a zárt állapotot mutatnia, ha a vonófejcsapszeg elérte a (kétszeresen) biztosított helyzetét.
10.2.5. A távjelzőrendszerben keletkezett esetleges hiba nem vezethet oda, hogy a végállás elérése előtt az összekapcsolási folyamat alatt zárt és biztosított állapot kerüljön.
10.2.6. Már a két biztosító egyikének a kioldódása a zöld ellenőrzőlámpa kialvásához és/vagy a piros ellenőrzőlámpa meggyulladásához kell, hogy vezessen.
10.2.7. A közvetlenül a kapcsolón lévő mechanikus jelzésnek meg kell maradnia.
A távjelzésnek az összekapcsolási folyamat alatt önműködően működésbe kell lépnie.
10.2.8. A távjelző-berendezés lehet kikapcsolható, hogy a vezető figyelmét menetközben ne terelje el.
10.2.9. A távjelzőhöz tartozó kezelő- és jelzőelemeket a vezető látóterében kell elhelyezni, és összetéveszthetetlenül és tartósan meg kell azokat jelölni.
10.3. Távvezérlés
10.3.1. Távvezérlő berendezés megléte esetén szükség van egy 10.2 szerinti távjelző berendezésre, amely a nyitott állapot jelzését is magába foglalja.
10.3.2. A kapcsolószerkezet távvezérlő segítségével történő nyitását egy külön kapcsolóval lehetővé kell tudni tenni, illetve meg kell tudni akadályozni (főkapcsoló-funkció). Ha ez a főkapcsoló nem a vezetőfülkében van, akkor a főkapcsoló nem lehet illetéktelenek számára szabadon hozzáférhető helyen, vagy lezárhatónak kell lennie. A vezetőfülkéből csak akkor szabad lehetővé tenni a kapcsolószerkezet működtetését, ha ki van zárva a véletlen működtetés (például kétkezes működtetéssel).
Annak, hogy a kapcsolószerkezet nyitása távvezérléssel szabaddá lett-e téve, felismerhetőnek kell lennie.
10.3.3. Ha távvezérlésnél a kapcsolószerkezet nyitása idegen erővel történik, akkor azt az állapotot, amelyben az idegen erő a kapcsolószerkezetre hat, a vezető számára jól érzékelhetően jelezni kell. Ez nem szükséges akkor, hogyha az idegen erő csak a távvezérlés működése alatt hat.
10.3.4. Ha a kapcsolószerkezet távvezérlés segítségével való nyitására szolgáló vezérlőberendezés a járművön kívül van elhelyezve, akkor az összekapcsolt járművek közötti területnek jól beláthatónak kell lennie; azt azonban nem szabad szükségessé tenni, hogy a vezérléshez erre a területre be kelljen lépni.
10.3.5. Egyetlen kezelési hibának vagy bármilyen hiba keletkezésének nem szabad normális közúti menetnél a kapcsolószerkezet véletlen nyílásához vezetnie. A szerkezetben fellépő hibát a szerkezetnek rögtön jeleznie kell, vagy a hibának legkésőbb a következő működtetésnél felismerhetőnek kell lennie - pl. egy hibás funkció által.
10.3.6. Ha a távvezérlés felmondja a szolgálatot, akkor a kapcsolóberendezés legalább egy másféle kinyitásának is lehetségesnek kell lennie. Ha ehhez szerszámra van szükség, akkor ennek az útiszerszámok között meg kell lennie. Azokra a kézikarokra, amelyek kizárólag a kapcsoló szükséghelyzetben való nyitására szolgálnak, nem érvényesek az V. melléklet 3.8 szerinti előírások.
10.3.7. A távvezérlő-berendezéshez tartozó kezelő- és jelzőelemeket összetéveszthetetlen és tartós jelöléssel kell ellátni.
VI. MELLÉKLET
A MECHANIKUS KAPCSOLÓSZERKEZETEK VIZSGÁLATA
1. ÁLTALÁNOS VIZSGÁLATI ELŐÍRÁSOK
1.1. A kapcsolószerkezetek mintáin szilárdsági és funkcionális vizsgálatokat kell végezni. A műszaki szolgálat azonban eltekinthet a szilárdsági vizsgálatoktól, ha egy szerkezet egyszerű konstrukciója alapján elméleti vizsgálatra van lehetőség. Elméleti vizsgálat esetén biztosítani kell, hogy az eredmények egyenértékűek legyenek a dinamikai, illetve statikai vizsgálatok eredményeivel. Kétség esetén a dinamikai vizsgálati eredmények a mérvadóak. Az alkalmazandó vizsgálatról az illetékes műszaki szolgálat dönt.
1.2. Kapcsolószerkezeteknél a szilárdságot dinamikai vizsgálattal (fárasztóvizsgálat) kell kimutatni. Különleges esetekben kiegészítésül statikai vizsgálatok is szükségesek lehetnek (lásd 4. szakasz).
1.3. A fárasztóvizsgálatot lehetőleg szinuszos (váltakozó és/vagy lüktető) igénybevétellel kell végrehajtani a szerkezeti anyagtól függő terhelésváltozási számmal. Ennél nem szabad repedésnek, illetve törésnek fellépnie.
1.4. Az előírt statikai vizsgálatoknál csak jelentéktelen maradó deformációk vannak megengedve. A tehermentesítés utáni plasztikus deformációk legfeljebb a maximális deformáció 10 & 14;%-át tehetik ki.
1.5. A terhelésfelvétel alapját a jármű hossztengelyében fellépő vízszintes erőkomponensek és a függőleges erőkomponensek alkotják. A jármű hossztengelyére keresztben fellépő vízszintes erőkomponenseket, valamint a nyomatékokat, amíg azok alárendelt jelentőségűek, nem kell figyelembe venni.
Amennyiben a kapcsolószerkezet konstrukciója vagy annak a járművön való elhelyezése vagy kiegészítő szerkezetek (úgymint stabilizáló szerkezetek, rövid összekapcsolásos rendszerek, stb.) felszerelése következtében járulékos erők vagy nyomatékok lépnek fel, akkor a műszaki szolgálat további vizsgálatokat követelhet meg.
A jármű hossztengelyében fellépő vízszintes erőkomponenseket egy elméletileg meghatározott erő, az I. melléklet 2.1.18 pontjában megfogalmazott definíciónak megfelelő D-érték képviseli. A függőleges erőkomponenseket - amennyiben alkalmazható - a kapcsolódási pontban fellépő S statikus támasztóterhelés és egy, az I. melléklet 2.1.19 pontjában megfogalmazott definíciónak megfelelően felvett V függőleges erő vagy nyerges vonószerkezetek esetében az U nyeregterhelés alkotja.
1.6. A vizsgálatok alapjául szolgáló D, S, V, illetve U jellemző értékeket a gyártónak az EGK-típusjóváhagyás megadására irányuló kérelméből kell venni.
2. A VIZSGÁLATOK ELVÉGZÉSE
2.1. A dinamikai vizsgálatoknál és a statikai vizsgálatoknál a vizsgált mintának egy megfelelő vizsgálati állványra való rögzítésével, és az erőátadó készülék megválasztásával gondoskodni kell arról, hogy a kitűzött vizsgálóerőn kívül semmiféle pótlólagos nyomaték vagy erő ne ébredjen. Lengő igénybevételű vizsgálatnál az erőátadás irányának nem szabad ± 1°-ot meghaladó mértékben eltérnie a kitűzött iránytól. Lüktető és statikai vizsgálatnál be kell állítani a felső erő szögét. Ehhez rendszerint egy csukló, és ettől megfelelő távolságban egy második csukló alkalmazására van szükség az erőátadás helyén (= kapcsolódási pont).
2. 2 A 35 Hz vizsgálati frekvenciát nem szabad túllépni. A megválasztott vizsgálati frekvenciának elegendő távolságban kell lennie a vizsgálóberendezés rezonanciafrekvenciáitól, beleértve a vizsgálati mintát is. Aszinkron vizsgálatnál a két erőkomponens frekvenciájának kb. 1& 14;%-tól legfeljebb 3& 14;%-ig terjedő mértékben el kell térniük egymástól. Acélból készült kapcsolószerkezetekre a terhelésváltozási érték 2 × 106. Más szerkezeti anyagból készült kapcsolószerkezetekhez magasabb terhelésváltozási értékre lehet szükség. A repedésvizsgálat festékbehatolási eljárással vagy egy ezzel egyenértékű eljárással történik.
2.3. Lengő vizsgálati erőnél (komponenseknél) a középerő zéró. Lüktető vizsgálatnál a vizsgálati erő a felső erővel egyenlő, az alsó erő kiteheti a felső erő legfeljebb 5& 14;%-át, ha különleges vizsgálati előírásokban nincs másként megadva.
2.4. Statikai vizsgálatoknál, a 4.2.3 szerinti külön vizsgálatok kivételével, a vizsgálati erőt egyenletesen és folytonosan kell működtetni legalább 60 másodpercen keresztül.
2.5. A vizsgálandó kapcsolószerkezeteket rendszerint lehetőleg mereven kell rögzíteni egy vizsgálóállványon abban a geometriai helyzetben, amelyben az arra szánt járműben is beépítésre kerülnek. Azokat a rögzítőelemeket kell alkalmazni, amelyeket a gyártó, illetve kérelmező előírt; azoknak a járművön való rögzítésre kell szolgálniuk, vagy azonos mechanikai jellemző értékekkel kell rendelkezniük.
2.6. A kapcsolószerkezeteket lehetőleg eredeti állapotukban kell vizsgálni, úgy, ahogy azokat a közúti használatra szánták. A rugalmas elemeket a gyártó megítélésének megfelelően, és a műszaki szolgálattal egyetértésben ki lehet iktatni, ha ez a vizsgálati eljáráshoz szükséges, és a vizsgálati eredményt nem hamisítja meg.
Az olyan rugalmas tagokat, amelyek a feszített ütemű vizsgálati eljárás folytán nyilvánvalóan túlhevülnek, a vizsgálat alatt ki lehet cserélni. A vizsgálati erőket különleges játékmentes készülékekkel lehet átvinni.
3. JELEK ÉS DEFINÍCIÓK A VI. MELLÉKLETBEN
Av = a kormányzott tengely megengedett tengelyterhelése tonnában
C = a középtengelyes pótkocsi össztömege tonnában (I. melléklet 2.1.18 szakasz)
D = D-érték kN-ban (I. melléklet 2.1.18 szakasz)
R = a pótkocsi össztömege tonnában (I. melléklet 2.1.18 szakasz)
T = a vonó jármű össztömege tonnában (I. melléklet 2.1.18 szakasz)
FA = statikus leemelőerő kN-ban
Fh = a vizsgálati erő vízszintes komponense a jármű hossztengelyében, kN-ban
Fs = a vizsgálati erő függőleges komponense kN-ban
Fq = a vizsgálati erő vízszintes komponense a jármű hossztengelyére keresztben, kN-ban
Fhs res = az Fh-ból és Fs-ből származó eredő erő kN-ban
Fhq res = az Fh-ból és Fq-ból származó eredő erő kN-ban
S = megengedett statikus támasztóterhelés kg-ban
U = megengedett statikus nyeregterhelés tonnában
V = V-érték kN-ban (I. melléklet 2.1.19 szakasz)
a = függőleges összehasonlító gyorsulás a középtengelyes pótkocsik kapcsolódási pontjában, a vonó jármű hátsó tengelyének (tengelyeinek) a rugózási módjától függően
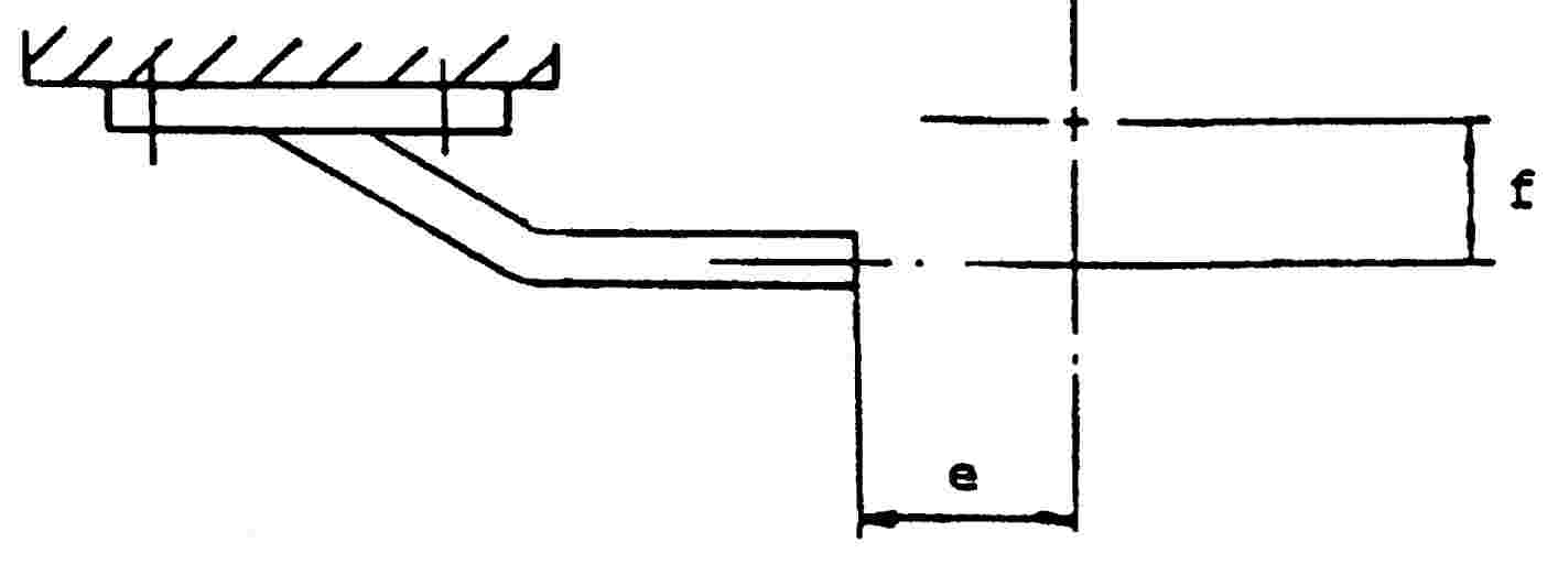
e = a levehető vonógömb kapcsolódási pontja és a rögzítési pontokon átmenő függőleges sík közötti vízszintes távolság mm-ben (lásd 22-25. ábra)
f = a levehető vonógömb kapcsolódási pontja és a rögzítési pontokon átmenő vízszintes sík közötti függőleges távolság mm-ben (lásd 21-25. ábra)
g = nehézségi gyorsulás, itt: 9,81 m/s2
l = a kapcsolódási ponttól a tengelyszerkezet közepéig terjedő hatékony rúdhosszúság m-ben
n = a kapcsolódási pont és a kormányzott tengely középvonala közötti távolság mm-ben
r = kormánygördülési sugár mm-ben
s = nyomtávolság mm-ben
x = egy középtengelyes pótkocsi rakfelületének a hossza m-ben
Indexek:
O = felső erő
U = alsó erő
w = lengő (váltakozó)
h = vízszintes
s = függőleges
4. KÜLÖNLEGES VIZSGÁLATI ELŐÍRÁSOK
4.1. Vonógömb tartóval
4.1.1. A vonógömbök következő mechanikus kapcsolószerkezetei különböztethetőek meg:
- egyrészes vonógömbök, beleértve a nem cserélhető, levehető gömböket (lásd 20. ábra),
- olyan vonógömbök, amelyek bizonyos számú leszerelhető részből állnak (lásd 21., 22., 23. ábra),
- tartók (lásd 24. ábra).
4.1.2. Alapvetően dinamikai vizsgálatot (fárasztóvizsgálat) kell végrehajtani váltakozó vizsgálati erővel. A vizsgálati minta egy vonógömbből, a gömbnyakból és a járműhöz való rögzítéshez szükséges tartókból áll. A tartóval felszerelt vonógömböt mereven egy váltakozó erőket előállítani képes vizsgálóberendezésre rögzítjük olyan helyzetben, ahogy azt majd használni akarjuk.
4.1.3. A tartóval ellátott vonógömb rögzítési pontjainak a helyzetét a jármű gyártója szabja meg (lásd VIII. melléklet 1.2 szakasz).
4.1.4. Azokat a szerkezeteket, amelyek vizsgálatra kerülnek, az összes olyan konstrukciós részlettel el kell látni, amelynek befolyása lehet a szilárdságra (pl. dugaszolóaljzat-tartó, jelölés stb.). A vizsgálat a rögzítési pontoknál végződik. A vonógömbnek és a kapcsolószerkezet rögzítőelemeinek a referenciavonalhoz viszonyított geometriai helyzetét a jármű gyártójának kell megadnia, és azt a vizsgálati jelentésben rögzíteni kell. A rögzítési pontoknak a referenciavonalhoz képest elfoglalt összes olyan helyzetét, amelyet a jármű gyártója a kapcsolószerkezet gyártójának megad, reprodukálni kell a vizsgálópadon.
4.1.5. A vizsgálópadra felerősített szerkezetet egy váltakozó igénybevételhez való anyagvizsgálógéppel (pl. rezonanciapulzátor) történő vizsgálatnak kell alávetni.
A vizsgálóerő váltakozó erő, amelyet 15° ± 1°szögben kell átadni a vonógömbnek (lásd 17. és/vagy 18. ábra).
Ha a vonógömb közepe a 19. ábrán látható, a referenciavonallal párhuzamos olyan vonal fölött van, amely átmegy a legközelebbi rögzítési pontok közül a legmagasabban elhelyezkedőkön, akkor -15° ± 1° nagyságú α szöget kell választani (lásd 17. ábra). Ha a vonógömb közepe a 19. ábrán látható, a referenciavonallal párhuzamos olyan vonal alatt van, amely átmegy a legközelebbi rögzítési pontok közül a legmagasabban elhelyezkedőkön, akkor +15° ± 1° nagyságú α szöget kell választani (lásd 18. ábra).
Azért ez a szög lett megválasztva, hogy számításba lehessen venni a függőleges statikus és dinamikus terheléseket. Ez a vizsgálati eljárás csak egy megengedett

statikus támasztóterhelésig engedélyezett. Az feletti S támasztóterhelés esetén a vizsgálati szöget 20°-ra meg kell növelni. A dinamikai vizsgálatot a következő vizsgálati erővel kell végrehajtani:
Fhs res = ± 0,6 D

17. ábra
I. vizsgálati irány

18. ábra
II. vizsgálati irány

19. ábra
Kritériumok a vizsgálati szög megválasztásához

20. ábra
Egyrészes vonógömb
4.1.6. A vizsgálati eljárást a kapcsolószerkezetek különféle fajtáinál (lásd 4.1.1) a következő módon kell alkalmazni:
4.1.6.1. egyrészes vonógömbök, beleértve a nem cserélhető, levehető gömbfejes szerkezeteket (lásd 20. ábra).
A 20. ábra szerinti szerkezetekre a szilárdsági vizsgálatot a 4.1.5 szerinti követelményeknek megfelelően kell végrehajtani.
4.1.6.2. Leszerelhető részeket tartalmazó vonógömbök.
A következő fajták különböztethetőek meg:
- tartó gömbbel (lásd 21. ábra),
- tartó integrált tartós gömbbel (lásd 22. ábra),
- tartó gömbfejjel (lásd 23. ábra),
- tartó gömbfej nélkül (lásd 24. ábra).

21. ábra
Tartó gömbbel

22. ábra
Tartó integrált tartós gömbbel

23. ábra
Tartó gömbfejjel

24. ábra
Tartó
A 21-23. ábrák szerinti szerkezetek szilárdsági vizsgálatát a 4.1.5 szakasz követelményeinek megfelelően kell elvégezni. Az e és f méreteket ± 5 mm-es szilárdsági tűréssel kell megadni a vizsgálati jelentésben.
Ha a vizsgálat csak a tartóra irányul (lásd 24. ábra), azt egy rászerelt gömbbel (tartóval együtt) kell végrehajtani. Ilyenkor csak az az eredmény vehető figyelembe, amely a tartónál magánál a rögzítési pontok és a gömbfejtartó felerősítési helye között mutatkozik.
Az e és f méreteket a kapcsolószerkezet gyártója szabja meg.
4.1.6.3. Változó e és f méretű kapcsolószerkezetek a leszerelhető és cserélhető gömbfejekhez.
4.1.6.3.1. Az ilyen tartók (lásd 25. ábra) szilárdsági vizsgálatait a 4.1.5 szerinti követelményeknek megfelelően kell elvégezni.
4.1.6.3. 2 Ha a gyártó és a műszaki szolgálat meg tudnak egyezni egy olyan kísérleti elrendezésben, amely megfelel a legkedvezőtlenebb esetnek, akkor elegendő a csak eszerint az elrendezés szerint elvégzett vizsgálat. Más esetben különböző gömbfejhelyzeteket kell megvizsgálni egy 4.1.6.3.3 szerinti egyszerűsített programban.
4.1.6.3. 3 Egy egyszerűsített programban meg kell állapítani az f részére egy legkisebb fmin és egy legnagyobb fmax értéket, amely nem lehet több 100 mm-nél. A gömbfej közepe és a tartó közötti távolságnak (emax) 130 mm-nek kell lennie. Annak érdekében, hogy a gömbfej összes lehetséges helyzetét létre lehessen hozni egy megszabott mezőben, amely a rögzítőfelülettől vett vízszintes távolságból és az f függőleges tartományából (fmin és fmax) áll, két szerkezetet kell megvizsgálni:
- egyet a legfelső helyzetben lévő gömbfejjel (fmax) és
- egyet a legalsó helyzetben lévő gömbfejjel (fmin).
Ha a lehetséges gömbfejhelyzetek mezejét a referenciavonallal párhuzamos vonal felosztja (lásd 25c ábra), akkor a következő vizsgálati szög a mérvadó:
- α a referenciavonal fölötti gömbfejre és + α a referenciavonal alatti gömbfejre (vö. 19. ábra).
a) fmax a referenciavonallal párhuzamos vonal alatt vizsgálati szög: + α

25a ábra
Tartó tartóval a különféle gömbfejhelyzetekhez
b) fmin a referenciavonallal párhuzamos vonal fölött vizsgálati szög: - α

25b ábra
Tartó tartóval különféle gömbfejhelyzetekhez
c) fmax a referenciavonallal párhuzamos vonal fölött
fmin a referenciavonallal párhuzamos vonal alatt:
vizsgálati szög: + α és - α

25c ábra
Tartó tartóval a különféle gömbfejhelyzetekhez
4.2. Kapcsolófejek
4.2.1. Alapvetően minden vizsgálati minta esetében szükség van egy váltakozó vizsgálati erővel elvégzett dinamikai vizsgálatra (fárasztóvizsgálat), továbbá egy statikai vizsgálatra (leemelési kísérlet).
4.2.2. A dinamikai vizsgálat egy megfelelő szilárdságú, A osztályú vonógömbbel történik. A kapcsolófejet és a vonógömböt a gyártó útmutatása szerint, a járműre való felerősítésnek megfelelően, felszereljük a vizsgálópadra. Meg kell akadályozni, hogy a vizsgálati erő mellett más erők is hatni tudjanak. A vizsgálati erőt olyan hatásvonalon adjuk át, amely átmegy a gömb középpontján, és 15°-kal hátrafelé lejt (lásd 26. ábra). Egy vizsgálati mintán a következő erővel végzünk fárasztóvizsgálatot:
Fhs res w = 0,6 D

26. ábra
Dinamikai vizsgálat
4.2.3. Kiegészítésül egy statikus leemelési kísérletet végzünk el. A kísérletnél alkalmazott vonógömbnek

átmérőjűnek kell lennie, hogy kopott vonógömbhöz hasonlítson. Az FA leemelő erőt egyenletesen és folyamatosan

értékre növeljük és 10 másodpercig tartjuk (lásd 27. ábra). A gömbfejnek nem szabad leválnia és a kapcsolófejnek nem szabad olyan mértékű maradandó deformációt szenvednie, amely a működőképességét korlátozná.

27. ábra
Leemelési kísérlet
4.3. Csapos vonószerkezetek és vonórudak
4.3.1. A vizsgálati mintán dinamikai vizsgálatot (fárasztóvizsgálat) kell végezni. A kapcsolószerkezetet el kell látni az összes olyan rögzítő résszel, amely a járműre való felerősítéshez szükséges. A csapos vonószerkezet és a jármű alvázkerete között beépített közbülső elemeket (vonórudak) ugyanolyan vizsgálati erővel kell tesztelni, mint a csapos vonószerkezetet. Azoknak a vonórudaknak a vizsgálatánál, amelyek szabványos csapos vonószerkezetekhez készülnek, a függőleges terhelést a rögzítési pontok függőleges síkjától olyan távolságban kell működtetni, amely megegyezik a megfelelő szabványos vonófej helyzetével.
4.3.2. Csapos vonószerkezetek, amelyek függőlegesen billenthető vonószerkezetekkel történő alkalmazásra valók (S = 0) A dinamikai vizsgálatot egy Fhw = 0,6 D nagyságú, vízszintesen ható, váltakozó vizsgálati erővel kell végrehajtani, amely erő hatásvonala az úttesttel párhuzamosan a vonó jármű hosszanti középsíkjában, a vonófejcsapszeg középpontján megy keresztül.
4.3.3. Középtengelyes pótkocsikhoz való csapos vonószerkezetek (S = 0)
4.3.3.1. 3,5 tonnáig terjedő (bezárólag) tömegű középtengelyes pótkocsik
A 3,5 tonnáig terjedő össztömegű középtengelyes pótkocsikhoz való csapos vonószerkezetek vizsgálata úgy történik, mint a tartóval ellátott vonógömböké ezen melléklet 4.1 szakasza szerint.
4.3.3.2. 3,5 tonna fölötti tömegű középtengelyes pótkocsi
A vizsgálati terheléseket aszinkron fárasztóvizsgálat során működtetjük vízszintes és függőleges irányban a vizsgálati mintára. A vízszintes erőhatásvonal az úttesttel párhuzamosan a vonó jármű hosszanti középsíkjában, a vonófejcsapszeg középpontján megy keresztül (lásd 28. ábra).
A vizsgáló berendezésen a csapos vonószerkezet és a vonószem rögzítésére szolgáló elemeknek meg kell felelniük azoknak a rögzítőelemeknek, amelyeket a gyártó a járműre való rögzítéshez a felszerelési utasításában megszab.
A kapcsolódási pontban a következő terheléseket kell átadni:
Vizsgálati erő | Középérték (kN) | Amplitudó (kN) |
vízszintes erő | 0 | ± 0,6· D |
függőleges erő | g S1000 | ± 0,6· V |
A vizsgálati erő a függőleges és vízszintes komponensek geometriai összegzéséből tevődik össze. Ezt a 28. ábra szerinti vizsgálati elrendezéssel lehet elérni. A függőleges és vízszintes komponenseknek szinuszosnak kell lenniük, és átadásuk aszinkron módon történjen, ahol a frekvenciáik közötti különbség 1-től 3 %, hogy ezzel minden irányban ható eredő vizsgálati erőket hozzunk létre.
4.3.4. Vonófejcsapszeg zárószerkezetének statikai vizsgálata
A csapos vonószerkezeteknél ezenkívül meg kell vizsgálni a zárószerkezetet és minden biztosítót egy, a nyitási irányban ható 0,25 D nagyságú statikus erővel. Ennél a zárószerkezetnek nem szabad kinyílnia, és nem léphetnek fel károsodások. Hengeres csapszegnél elegendő egy 0,1 D nagyságú vizsgálati erő.

28. ábra
Csapos vonószerkezetekhez való vizsgálópad felépítése (példa)
4.4. Vonószemek
4.4.1. A vonószemeket azonos dinamikai vizsgálatnak kell alávetni, mint a csapos vonószerkezeteket. Azokat a vonószemeket, amelyek csak a függőlegesen billenthető vonószerkezettel ellátott pótkocsik esetében kerülnek alkalmazásra, a 4.3.2 szerinti váltakozó terhelésnek kell alávetni. Azokat a vonószemeket, amelyek a középtengelyes pótkocsiknál is alkalmazásra kerülnek, 3,5 tonnás C pótkocsitömegig úgy kell vizsgálni, mint a 4.2 szerinti vonógömbkapcsolókat, illetve a 3,5 tonna fölötti C pótkocsi-össztömegű középtengelyes pótkocsik esetén mint a 4.3.3.2 szerinti csapos vonószerkezeteket.
4.4.2. A vonószemek vizsgálatát olyan módon kell végrehajtani, hogy a váltakozó terhelés azokra a kapcsolórészekre is hasson, amelyek a vonószemnek a vonórúdhoz, illetve a vonóvillához való rögzítéséhez szükségesek. Minden flexibilis közdarabot mereven rögzíteni kell.
4.5. Vonószerkezetek
4.5.1. A vonószerkezeteket elvileg vonószemként kell vizsgálni (lásd 4.4). Ha az alkatrész egyszerű kialakítása miatt lehetséges a szilárdság elméleti kimutatása, akkor a műszaki szolgálat eltekinthet a fárasztóvizsgálattól. A feltételezett terhelések a fárasztóvizsgálatra vagy a 3,5 tonnáig terjedő C össztömegű középtengelyes pótkocsik vonószerkezeteinek a számítására vonatkozólag az ISO 7641/1 (1983) szabványból vehetők ki. A 3,5 tonna fölötti C össztömegű középtengelyes pótkocsik vonószerkezeteinek a számítására vonatkozó feltételezett terheléseket a következőképpen kell kiszámítani:

ahol V az I. melléklet 2.1.19 szakasza szerinti erőamplitudó.
A 3,5 tonnát meghaladó C össztömegű középtengelyes pótkocsikra vonatkozólag az ISO 7641/1 szabvány 5.3 pontja szerinti feltételezett terhelések alapján adódó megengedett feszültségek érvényesek. Hajlított vonórudaknál (pl. a hattyúnyakas vonórudak) és a teljes pótkocsik vonószerkezeteinél az Fhw = 1,0 × D vízszintes erőkomponenst kell figyelembe venni.
4.5.2. A teljes pótkocsik függőlegesen billenthető vonószerkezeteinél a fárasztóvizsgálathoz, illetve a szilárdsági számításhoz való kiegészítésül meg kell vizsgálni a kihajlással szembeni biztonságot is, vagy 3,0 D feltételezett terhelésű kihajlási kísérlettel, vagy 3,0 D feltételezett terhelésre elvégzett számítással. Számítás esetén az ISO 7641/1 szabvány 5.3 pontja szerinti megengedett feszültségek érvényesek.
4.5.3. Kormányzott tengelyeknél számítással vagy hajlítási kísérlettel meg kell vizsgálni a hajlítószilárdságot. A kapcsolódási pont közepén kell működtetni egy vízszintes statikus erőt. Ennek az erőnek a nagyságát úgy kell megválasztani, hogy 0,6 × Av × g (kNm) nagyságú nyomaték hasson az első tengely középpontjában. Az ISO 7641/1 szabvány 5.3 pontja szerinti megengedett feszültségek érvényesek.
4.6. Nyerges vonószerkezetek
4.6.1. Alapvetően egy dinamikai és egy statikai vizsgálatot (leemelési kísérlet) kell elvégezni egy vizsgálati mintán. Azoknál a nyerges vonószerkezeteknél, amelyek félpótkocsi kényszerkormányzására is készülnek, pótlólag egy statikai hajlító kísérletet is el kell végezni. A vizsgálatokhoz a nyerges vonószerkezetet el kell látni azokkal a rögzítő részekkel, amelyek ahhoz szükségesek, hogy azt a járműre fel lehessen szerelni. A rögzítésnek úgy kell történnie, ahogy a nyerges vonószerkezetet később a járműre fel kívánják szerelni.
4.6.2. Statikai vizsgálatok
4.6.2.1. Azokat a szabványos nyerges vonószerkezeteket, amelyeknél egy irányítóéknek vagy a félpótkocsik kényszerkormányzására szolgáló más szerkezetnek a befogadása van tervbe véve (lásd V. melléklet 7.9), statikai hajlítási kísérlettel kell szilárdságilag ellenőrizni az irányítószerkezet hatókörében a nyeregterhelés egyidejű működtetésével. Az U megengedett nyeregterhelést egy, a nyerges vonószerkezetet teljesen lefedő merev lemez segítségével kell az üzemi helyzetben lévő nyerges vonószerkezetre függőlegesen átvinni.
Az átadott terhelés eredőjének át kell mennie a nyerges vonószerkezet vízszintes csuklós kötésének a középpontján.
Ezzel egyidejűleg egy olyan vízszintes kereszterőt is kell működtetni a királycsap vezetékének az oldalaira, amely a félpótkocsi kényszerkormányzásához szükséges erőt képviseli. Ennek az erőnek a nagyságát és az erőhatás irányát úgy kell megválasztani, hogy egy 0,75 m × D nagyságú nyomaték hasson a királycsap középpontjára. A nyomatékot egy 0,5 m-es emelőkaron működtetett erővel hozzuk létre. Az összes névleges méret 0,5& 14;%-os maradandó (plasztikus) deformációja megengedett. Repedésnek nem szabad jelentkeznie.
4.6.2.2. Valamennyi nyerges vonószerkezetnél statikai leemelési kísérletet kell végrehajtani. F A = g · U nagyságú leemelőerő esetén nem szabad nagyobb maradandó felhajlásnak fellépnie a kapcsolólemeznél, mint szélességének a 0,2& 14;%-a.
A G 50 osztályú szabványos nyerges vonószerkezetnél és az ahhoz hasonló, azonos királycsap-átmérőjű nyerges vonószerkezetnél egy
F A = g · 2,5 · U
nagyságú leemelőerő működésekor nem szabad a királycsapnak elválnia a nyerges vonószerkezettől. Az erő átadása egy emelőkarral történik, amely a kapcsolólemez egyik oldalán támaszkodik, és a másik oldalon a királycsap közepétől 1,0 és 1,5 m közötti távolságban meg van emelve (lásd 29. ábra).
A kézikar itt 90°-os szögben áll a királycsap nyerges vonószerkezetbe való bemenetének az irányához. Ha a legkedvezőtlenebb eset egyértelműen nyilvánvaló, akkor ezt a legkedvezőtlenebb esetet kell vizsgálni. Ha az nem nyilvánvaló, akkor a műszaki szolgálatnak kell eldöntenie, hogy melyik oldal vizsgálandó. Második kísérletre vonatkozó elvárás nincsen.

29. ábra
Statikai leemelési kísérlet nyerges vonószerkezetnél
4.6.3. Dinamikai vizsgálat
A nyerges vonószerkezetet váltakozó igénybevételnek kell kitenni egy vizsgálópadon (aszinkron fárasztóvizsgálat), amelynél egyidejűleg hatnak a nyerges vonószerkezetre a vízszintes lengő és a függőleges lüktető erők.
4.6.3.1. Azoknál a nyerges vonószerkezeteknél, amelyeket nem terveztek a félpótkocsik kényszerkormányzására, a következő erőket kell átadni:
vízszintesen : F hw = ± 0,6 · D
függőlegesen
:
F sO = g · 1,2 · U
F sU = g · 0,4 · U
Ezt a két erőt a jármű hosszanti középsíkjában kell működtetni, amikor az FsO,U a nyerges vonószerkezet csuklós kötésének a középpontján megy át.
Az FsO,U függőleges erő a
+ 1,2 · U a + 0,4 · U
határok között változik, a vízszintes erő pedig
+ 0,6 · D a - 0,6 · D között.
4.6.3.2. Azoknál a nyerges vonószerkezeteknél, amelyeket a félpótkocsik kényszerkormányzására terveztek, a következő erőket kell átadni:
vízszintesen : F hw = ± 0,675 · D
függőlegesen : FsO,U (mint a 4.6.3.1-ben).
Az erők hatásvonalai megfelelnek a 4.6.3.1 pont szerintieknek.
4.6.3.3. A nyerges vonószerkezetek fárasztóvizsgálatánál a kapcsoló-lemez és a felfekvési lap között megfelelő csúszós anyagnak kell lennie, amely legfeljebb μ = 0,15 súrlódási tényezőt biztosít.
4.7. Nyerges vonószerkezetekhez való szerelőlapok
A nyerges vonószerkezetek 4.6.3 szerinti dinamikai vizsgálatát és 4.6.2 szerinti statikai vizsgálatát a szerelőlapokra értelemszerűen kell alkalmazni. A szerelőlapoknál elegendő, ha a leemelési kísérletet csak az egyik oldalon végzik el. A vizsgálatoknál a nyerges vonószerkezetek legnagyobb hozzárendelt szerkezeti magasságát, a szerelőlap legnagyobb tervezett konstrukciós szélességét és legkisebb tervezett konstrukciós hosszúságát kell alapul venni. Ezt a vizsgálatot nem kell elvégezni azoknál a szerelőlapoknál, amelyek egy egyébként hasonló kialakítású, már megvizsgált szerelőlaptól csak kisebb szélességben és/vagy nagyobb hosszúságban és kisebb összmagasságban különböznek.
4.8. Félpótkocsik királycsapjai
4.8.1. A vizsgálati mintán váltakozó igénybevételű dinamikai vizsgálat elvégzésére kerül sor egy vizsgálópadon. A királycsap vizsgálatának nem szabad a nyerges vonószerkezet vizsgálatával együtt történnie. A vizsgálatot úgy kell elvégezni, hogy a terhelés azokra a rögzítőelemekre is hasson, amelyek a királycsapnak a félpótkocsira való rögzítéséhez szükségesek.
4.8.2. A királycsapokra üzemi helyzetben el kell végezni a fárasztóvizsgálatot F hw = ± 0,6 · D vízszintes vizsgálati erővel.
Az erő hatásvonalának keresztül kell mennie a H 50 osztályú 50,8 mm átmérőjű királycsap hengeres részének (legkisebb átmérő) a középpontján (lásd V. melléklet 16. ábra).
VII. MELLÉKLET
JÁRMŰTÍPUS TÍPUSJÓVÁHAGYÁSÁRA VONATKOZÓ ELŐÍRÁSOK, TEKINTETTEL A MECHANIKUS KAPCSOLÓSZERKEZETEK FAKULTATÍV FELSZERELÉSÉRE
1. ÁLTALÁNOS ELŐÍRÁSOK
1.1. A járműgyártó megállapítja, hogy a kapcsolószerkezetek mely típusát és osztályát lehet felszerelni az adott járműtípusra, és megadja azokat a D, V ( 7 ), S vagy U értékeket (ha alkalmazható), amelyek a járműtípus konstrukcióján - a kapcsolószerkezetek tervezett típusával kombinálva - alapulnak. Az ezen irányelv szerint jóváhagyott kapcsolószerkezetek D, V, S vagy U jellemző értékeinek egyenlőnek vagy nagyobbnak kell lenniük azoknál, amelyek az illető járműtípusra meg vannak adva.
1.2. A kapcsolószerkezeteket a jármű gyártója által - a kapcsolószerkezet gyártójával és a műszaki szolgálattal összhangban - kiadott szerelési utasításoknak megfelelően kell a járműtípusra felszerelni. A jármű gyártója határozza meg a járműtípuson a kapcsolószerkezetek rögzítésére szolgáló pontokat és, ha szükséges, azokat a tartókat, szerelőlapokat stb., amelyeket arra a meghatározott járműtípusra fel kell szerelni.
1.3. A 3,5 tonnát meghaladó össztömegű pótkocsiknak a gépjárműhöz kapcsolására csak önműködő összekapcsolásra alkalmas önműködő kapcsolókat szabad használni.
1.4. A B, D, E és H osztályú kapcsolószerkezeteknek a pótkocsira szerelésénél elvileg 32 tonnás értéket kell figyelembe venni a vonó jármű T össztömegeként a D-érték számításához. Ha a kapcsolószerkezet D-értéke nem elegendő T = 32 tonnához, akkor az ebből adódó korlátozást a vonó jármű T tömege, illetve az összetett közúti jármű (szerelvény) tömege tekintetében fel kell tüntetni a pótkocsi engedélylapján (IX. melléklet).
2. KÜLÖNLEGES ELŐÍRÁSOK
2.1. Tartóval rendelkező vonógömb ráépítése
2.1.1. A tartóval rendelkező vonógömböknek a 3,5 tonnát el nem érő M1 osztályú, M2 osztályú és az N1 osztályú járműtípusokra való felszerelésénél be kell tartani a 30. ábra szerinti szabad teret és magassági méreteket. Ez a követelmény nem vonatkozik a 92/53/EGK irányelv II. melléklete értelmében vett terepjárművekre.

30. ábra
Szabad tér a vonógömb részére
A meg nem adott részleteket a célnak megfelelően kell megválasztani.
A méretek és szögek ellenőrzését arra alkalmas mérőműszerekkel kell végezni.
2.1.2. A tartóval rendelkező vonógömbökhöz a járműgyártónak szerelési utasítást kell mellékelnie, amelyben fel kell tüntetnie, hogy szükségesek-e erősítések a rögzítési területen.
2.1.3. A kapcsolófejek be- és kikapcsolásának akkor is lehetségesnek kell lennie, ha a kapcsolófej hossztengelye a tartóval rendelkező vonógömb középvonalához képest
a) vízszintesen β = 60°-kal elfordult jobbra vagy balra (lásd 30. ábra),
b) függőlegesen α = 10°-kal elbillent felfelé vagy lefelé (lásd 30. ábra),
c) axiálisan 10°-kal elfordult jobbra vagy balra.
2.1.4. A felszerelt vonógömbnek nem szabad takarnia a hátsó rendszámot, illetve az arra szolgáló helyet; ellenkező esetben speciális szerszám nélkül leszedhető gömbfejet kell alkalmazni.
2. 2 Kapcsolófej felszerelése
2.2.1. A B osztályú kapcsolófejek 3,5 tonnáig terjedő pótkocsiössztömeg esetén megengedettek. A vonógömbkapcsolókat úgy kell felszerelni, hogy a pótkocsi kapcsolódási pontja vízszintesen álló pótkocsi-felépítmény és megengedett tengelyterhelés mellett 430±35 mm magasságban helyezkedjen el a vízszintes kerék-alátámasztási sík felett (lásd 31. ábra).
Vízszintes helyzetnek tekintendő a lakókocsik és teherpótkocsik esetében az a helyzet, amelynél a padlósík, illetve a rakfelület vízszintes. Az ilyen referenciafelülettel nem rendelkező pótkocsiknál (pl. csónakszállító pótkocsik vagy hasonlók) a pótkocsi gyártójának kell egy megfelelő referenciavonalat megadnia a vízszintes helyzet meghatározására. A megkövetelt magasság csak azokra a pótkocsikra érvényes, amelyeket a 2.1.1-ben felsorolt járművekhez kívánnak kapcsolni.
2.2.2. A kapcsolófejeknek a vonógömbök 30. ábra szerinti szabad terén belül biztosan működtethetőknek kell lenniük.

31. ábra
A kapcsolófej felszerelési magassága
2.3. Csapos vonószerkezetek és rögzítőbakok felszerelése
2.3.1. Szabványos csapos vonószerkezetek csatlakozási méretei
Ha az alkalmazott kapcsoló megjelölése szabványos csapos vonószerkezet-típusra vonatkozik, akkor a 32. ábrán és a 8. táblázatban feltüntetett csatlakozóméreteket be kell tartani a járműnél.
32. ábra
Szabványos csapos vonószerkezetek csatlakozóméretei (lásd 8. táblázat)
2.3.2. Távvezérlésű kapcsoló szükségessége
Ha a könnyű és biztonságos működtethetőségre (2.3.3), az elérhetőségre (2.3.4) vagy a kézikar szabad terére (2.3.5) vonatkozólag egy vagy több előírást nem lehet betartani, akkor az V. melléklet 10.3 pontja szerinti, távműködtetésre szolgáló felszereléssel rendelkező kapcsolót kell alkalmazni.
2.3.3. Könnyű és biztonságos működtethetőség
A csapos vonószerkezetet úgy kell felszerelni a járműre, hogy az könnyen és biztonságosan működtethetők legyenek.
Ide számít a nyitási (és adott esetben zárási) funkciók mellett a vonófejcsapszeg zárt és nyitott helyzetét mutató jelző állásának az ellenőrzése is (vizuálisan vagy tapintással).
Azon a területen, ahol a működtető személynek tartózkodnia kell, szerkezetileg ki kell iktatni az olyan veszélyforrásokat, mint az éles szélek, sarkok stb., illetve azokat úgy kell biztosítani, hogy ne kelljen sérülésekkel számolni.
Az erről a területről kivezető menekülési utat egyik oldalon sem szabad felszerelt elemekkel beszűkíteni vagy elzárni.
Az aláfutásgátlónak nem akadályozhatja a kapcsoló működtetéséhez szükséges testtartás felvételét.
2.3.4. A kapcsoló elérhetősége
A vonófejcsapszeg és a kocsiszekrény hátsó széle közötti távolság nem haladhatja meg a 420 mm-t.
Amennyiben azonban erre műszaki szempontból bizonyíthatóan szükség van, át lehet lépni a 420 mm távolsági határt:
1. egészen 650 mm távolságig a billenthető szekrényű járműveknél vagy hátul felszerelt készülékeknél;
2. egészen 1320 mm távolságig, ha a szabad magasság legalább 1150 mm;
3. legalább két rakodófelületű autószállítóknál, amelyeknél a vontatott jármű normál üzemben nem válik el a vonó járműtől,
ha a csapos vonószerkezet könnyű és biztonságos működtetése nincs korlátozva.
2.3.5. A csapos vonószerkezet kézikarjának szabad tere
A csapos vonószerkezetek veszélytelen működtetéséhez a kézikar körül elegendő szabad térnek kell lennie.
Elegendőnek a 33. ábrán szemléltetett szabad térméretek számítanak. Ha az alkalmazható kapcsolók megjelölése szabványos csapos vonószerkezet-típusra vonatkozik, akkor a szabad tereket úgy kell méretezni, hogy teljesüljenek az illető osztálynak az V. melléklet 3. szakasza szerinti lehető legnagyobb kapcsolójára vonatkozó feltételek is.
A lefelé irányuló kézikarral vagy más karformákkal ellátott csapos vonószerkezetekre a méretek értelemszerűen vonatkoznak.
A szabad térre vonatkozó méreteket az össze- és szétkapcsoláskor, az V. melléklet 3.6 szakasza által előírt legkisebb szögeken belül biztosítani kell.
2.3.6. Szabad tér a kapcsoló készülék elforgó- és billenőmozgásaihoz
A járművön elhelyezett csapos vonószerkezetnek - az V. melléklet valamennyi, geometriailag lehetséges helyzetét is figyelembe véve - minden más járműrésztől legalább 10 mm távolságban kell lennie.
Ha az alkalmazható kapcsolók megjelölése szabványos csapos vonószerkezet-típusra vonatkozik, akkor a szabad tereket úgy kell méretezni, hogy teljesüljenek az illető osztálynak az V. melléklet 3. szakasza szerinti lehető legnagyobb kapcsolójára vonatkozó feltételek is.
2.3.7. Különleges függőleges csuklóval rendelkező kapcsolók (lásd 6. ábra) engedélyezhetősége
Az olyan hengeres vonófejcsapszeggel rendelkező kapcsolók, amelyeknél a bekapcsolt vonószem függőleges elmozdulását egy különleges függőleges csuklóval érjük el, csak akkor engedélyezhetők, ha műszaki szükségességük bizonyítható. Ez az eset állhat elő például a hátrabillenő rakfelületű járműveknél, amelyeknél a vonófejnek lehajthatónak kell lennie, vagy a nehéz szállító járműveken elhelyezett vonófejeknél, amelyeknél szilárdsági okokból hengeres vonófejcsap kerül alkalmazásra.
8. TÁBLÁZAT
A szabványos csapos vonószerkezetek csatlakozóméretei
C50-1 | C50-2 | C50-3 | C50-4 | C50-5 | C50-6 | Megj. | |
e1 | 83 | 120 | 140 | 160 | ± 0,5 | ||
e2 | 56 | 55 | 80 | 100 | ± 0,5 | ||
d1 | – | 54 | 75 | 85 | 95 | +1/-0,5 | |
d2 | 10,5 | 15 | 17 | 21 | H13 | ||
T | – | 15 | 20 | 35 | 35 | 35 | max. |
F | 120 | 165 | 190 | 210 | min. | ||
G | 95 | 100 | 130 | 150 | min. | ||
L1 | – | 200 | 300 | 400 | min. |
33. ábra
A kézikar szabad tere
2.4. Vonószemek és vonószerkezetek felszerelése a pótkocsira
2.4.1. A középtengelyes pótkocsikhoz való vonószerkezeteknek állítható magasságú támasztófelszereléssel kell rendelkezniük, ha a pótkocsitípus vonószeménél a támasztóterhelés egyenletes tehereloszlásnál (műszakilag megengedhető össztömeg) meghaladja az 50 kg-ot.
2.4.2. A vonószemeknek és vonószerkezeteknek a 3,5 tonnát meghaladó C össztömegű és több, mint egy tengellyel rendelkező középtengelyes pótkocsikra való felszerelésénél ezeket a pótkocsikat tengelyterhelés-kiegyenlítő berendezéssel kell ellátni.
2.5. Nyerges vonószerkezetek, szerelőlapok és királycsapok felszerelése a járművekre
2.5.1. A G 50 osztályú nyerges vonószerkezeteket nem szabad közvetlenül a jármű alvázkeretére szerelni, kivéve ha azt a jármű gyártója kifejezetten engedélyezi. Egy szerelőlapon keresztül kell azokat a jármű alvázkeretére erősíteni. A jármű, illetve az alkatrész gyártójának a szerelési utasításait be kell tartani.
2.5.2. A félpótkocsikon kell lennie egy támasztószerkezetnek vagy más készüléknek, amely lehetővé teszi a félpótkocsi lekapcsolását és leállítását. Ha a félpótkocsi olyan felszerelésű, hogy a kapcsolóalkatrészek, valamint a villamos és féktechnikai csatlakozók összekötése önműködően megtörténhet, akkor a pótkocsinak olyan támasztószerkezettel kell rendelkeznie, amely a pótkocsi rákapcsolása után önműködően felemelkedik a földről.
2.5.3. A királycsap felfekvőlapban való rögzítésének a jármű, illetve az alkatrész gyártójának az iránymutatásai szerint kell történnie.
2.5.4. Ha egy félpótkocsi irányítóékkel van felszerelve, akkor az V. melléklet 7.9.1 és 7.9.2 szakaszának a követelményei érvényesek.
VIII. MELLÉKLET



IX. MELLÉKLET
MINTA
[legnagyobb méret: A4 (210 mm × 297 mm)]
EGK-JÁRMŰTÍPUSBIZONYÍTVÁNY


I. függelék

( 1 ) HL C 134., 1992.5.25., 36. o.
( 2 ) HL C 313., 1992.11.30., 10. o.
( 3 ) Az Európai Parlament 1992. október 29-i állásfoglalása (HL C 305., 1992.11.23., 115. o.). A Tanács 1993. szeptember 27-i közös álláspontja (még nem jelent meg a közlönyben). Az Európai Parlament 1994. március 9-i határozata (még nem jelent meg a közlönyben).
( 4 ) A legutóbb a 92/53/EGK (HL L 225., 1992.8.10., 1. o.) irányelvvel módosított irányelv (HL L 42., 1970.2.23., 1. o.).
( 5 ) HL L 129., 1992.5.14., 1. o.
( 6 ) HL L 2., 1985.1.3., 14. o.
( 7 ) A V-értéket csak 3,5 tonnát meghaladó műszakilag megengedett össztömegű járműveknél kell megadni.
Lábjegyzetek:
[1] A dokumentum eredetije megtekinthető CELEX: 31994L0020 - https://eur-lex.europa.eu/legal-content/HU/ALL/?uri=CELEX:31994L0020&locale=hu Utolsó elérhető, magyar nyelvű konszolidált változat CELEX: 01994L0020-20130701 - https://eur-lex.europa.eu/legal-content/HU/ALL/?uri=CELEX:01994L0020-20130701&locale=hu