32021R0535[1]
A Bizottság (EU) 2021/535 végrehajtási rendelete (2021. március 31.) az (EU) 2019/2144 európai parlamenti és tanácsi rendeletnek a járműveknek, valamint a járművek rendszereinek, alkotóelemeinek és önálló műszaki egységeinek az általános felépítésre vonatkozó jellemzők és a biztonság tekintetében történő típusjóváhagyására vonatkozó egységes eljárások és műszaki előírások tekintetében történő alkalmazására vonatkozó szabályok megállapításáról
A BIZOTTSÁG (EU) 2021/535 VÉGREHAJTÁSI RENDELETE
(2021. március 31.)
az (EU) 2019/2144 európai parlamenti és tanácsi rendeletnek a járműveknek, valamint a járművek rendszereinek, alkotóelemeinek és önálló műszaki egységeinek az általános felépítésre vonatkozó jellemzők és a biztonság tekintetében történő típusjóváhagyására vonatkozó egységes eljárások és műszaki előírások tekintetében történő alkalmazására vonatkozó szabályok megállapításáról
(EGT-vonatkozású szöveg)
I. FEJEZET
TÁRGY ÉS FOGALOMMEGHATÁROZÁSOK
1. cikk
Tárgy
(1) Ez a rendelet az (EU) 2019/2144 európai parlamenti és tanácsi rendelet 4. cikkének (7) bekezdésével, 8. cikkének (3) bekezdésével és 10. cikkének (3) bekezdésével összhangban meghatározza az M, N és O kategóriájú járművek, valamint a rendszerek, alkotóelemek és önálló műszaki egységek EU-típusjóváhagyásával kapcsolatos egységes eljárásokra és műszaki előírásokra vonatkozó rendelkezéseket.
(2) Ez a rendelet olyan egységes eljárásokat is meghatároz, amelyek az alábbi egy vagy több esetben teszik lehetővé a típusjóváhagyást:
a) olyan járműrendszerek esetében, amelyeknél ENSZ-típusjóváhagyási jel helyett EU-típusjóváhagyási jelet viselő alkotóelemeket és önálló műszaki egységeket alkalmaznak az (EU) 2019/2144 rendelet II. mellékletében felsorolt ENSZ-előírásokban meghatározott követelményekkel összefüggésben;
b) ha a gyártót az (EU) 2018/858 európai parlamenti és tanácsi rendelet 72. cikkének (1) bekezdésével és VII. mellékletével összhangban műszaki szolgálatként jelölik ki, figyelembe véve az (EU) 2019/2144 rendelet II. mellékletében felsorolt ENSZ-előírásokban meghatározott követelményeket; valamint
c) ha az (EU) 2018/858 európai parlamenti és tanácsi rendelet 30. cikkének (7) bekezdésével és VIII. mellékletével összhangban virtuális vizsgálatot végeznek, figyelembe véve az (EU) 2019/2144 rendelet II. mellékletében felsorolt ENSZ-előírásokban meghatározott követelményeket.
2. cikk
Fogalommeghatározások
E rendelet alkalmazásában:
1. "járműtípus": az (EU) 2018/858 rendelet I. mellékletének B. részében meghatározott járművek csoportja;
2. "járműtípus a jogszabályban előírt jelölések tekintetében": olyan járművek csoportja, amelyek nem különböznek egymástól olyan lényeges jellemzők tekintetében, mint:
a) a jármű-azonosító számot alkotó elemek;
b) a jogszabályban előírt jelölések jellemzői és helye;
3. "jogszabályban előírt tábla": a gyártó által a járműre erősített tábla vagy címke, amely megadja a jármű azonosításához szükséges fő műszaki jellemzőket, valamint tájékoztatással szolgál az illetékes hatóságok számára a megengedett legnagyobb össztömeggel kapcsolatban;
4. "jármű-azonosító szám" (vehicle identification number, VIN): a gyártó által a járműhöz rendelt alfanumerikus kód, mely az egyes járművek megfelelő azonosítását biztosítja;
5. "járműtípus a rendszámtábla felszerelésére és rögzítésére szolgáló hely tekintetében": olyan járművek csoportja, amelyek nem különböznek egymástól olyan lényeges jellemzők tekintetében, mint:
a) az első és a hátsó rendszámtábla felszerelésére és rögzítésére szolgáló hely méretei;
b) az első és a hátsó rendszámtábla felszerelésére és rögzítésére szolgáló hely elhelyezkedése;
c) az első és a hátsó rendszámtábla felszerelésére és rögzítésére szolgáló felület alakja;
6. "járműtípus a szélvédőtörlő és szélvédőmosó rendszer tekintetében": olyan járművek csoportja, amelyek nem különböznek egymástól olyan lényeges jellemzők tekintetében, mint a szélvédőtörlő és szélvédőmosó rendszer jellemzői, a szélvédő alakja, mérete és jellemzői, valamint felszerelésének módja;
7. "a szélvédőmosó rendszer típusa": olyan szélvédőmosó rendszerek csoportja, amelyek nem különböznek egymástól olyan lényeges jellemzők tekintetében, mint a szélvédőmosó rendszer szivattyújának teljesítménye, a rendszerhez felhasznált anyagok, az űrtartalma, a fúvókái száma, a méretei, a falvastagsága vagy az alakja;
8. "szélvédőtörlő rendszer": a szélvédő külső felületének törlésére szolgáló berendezésből, valamint annak elindításához és megállításához szükséges tartozékokból és kezelőszervekből álló rendszer;
9. "szélvédőmosó rendszer": folyadék tárolására, továbbítására és célzottan a szélvédő külső felületére juttatására szolgáló berendezésből, valamint a berendezés elindításához és megállításához szükséges kezelőszervekből álló rendszer;
10. "járműtípus a kerékdobok tekintetében": olyan járművek csoportja, amelyek nem különböznek egymástól olyan lényeges jellemzők tekintetében, mint a kerékdobok tulajdonságai, illetve a felszerelésre alkalmas gumiabroncsok és kerekek legkisebb és legnagyobb méretei, figyelembe véve a gumiabroncsokat befoglaló test méreteit, a kerékpántméreteket és a besajtolási mélységeket;
11. "járműtípus a szélvédő-jégmentesítő és -párátlanító rendszerek tekintetében": olyan járművek csoportja, amelyek nem különböznek egymástól olyan lényeges jellemzők tekintetében, mint:
a) a jégmentesítő és párátlanító rendszerek jellemzői;
b) a vezető 180o-os előre irányuló látómezejébe eső külső és belső formák és elrendezések, amelyek befolyásolhatják a kilátást;
c) a szélvédő alakja, mérete, vastagsága és jellemzői, valamint felszerelésének módja;
d) az ülőhelyek maximális száma;
12. "jégmentesítő rendszer": a szélvédő külső felületén lévő dér- vagy jégréteg eltávolítására szolgáló rendszer;
13. "párátlanító rendszer": a szélvédő belső felületén lévő páralecsapódás eltávolítására szolgáló rendszer;
14. "járműtípus a vonóberendezések tekintetében": olyan járművek csoportja, amelyek nem különböznek egymástól olyan lényeges jellemzők tekintetében, mint a vonóberendezések tulajdonságai;
15. "vonóberendezés": horog, szem vagy más alakú eszköz, amelyhez összekötő elemet, például vonórudat vagy vontatókötelet lehet erősíteni;
16. "járműtípus a felcsapódó víz elleni védelem tekintetében": olyan teljes, nem teljes vagy befejezett járművek csoportja, amelyek a következő szempontok tekintetében nem különböznek egymástól:
a) a járműre szerelt, felcsapódó víz elleni védőeszköz típusa;
b) a felcsapódó víz elleni védőrendszer gyártó által megadott típusjelölése;
17. "felcsapódó víz elleni védőeszköztípus": olyan eszközök csoportja, amelyek a következő főbb jellemzők tekintetében nem különböznek egymástól:
a) a vízfelcsapódás csökkentésének alapelve (vízenergia-elnyelés, levegő/víz szétválasztás);
b) anyagok;
c) alak;
d) méretek (amennyiben ezek az anyag viselkedését befolyásolhatják);
18. "felcsapódó víz elleni védőrendszer": olyan rendszer, amely csökkenti a mozgásban lévő jármű gumiabroncsai által felhordott víz porladását. A felcsapódó víz elleni védőrendszert a felcsapódó víz elleni védőeszközzel együtt felszerelt sárvédő, sárfogó és külső sárvédő peremek alkotják;
19. "felcsapódó víz elleni védőeszköz": a felcsapódó víz elleni védőrendszer része, amely levegő/víz szétválasztóból és energiaelnyelőből állhat;
20. "járműtípus a sebességváltás-jelző (GSI) tekintetében": olyan járművek csoportja, amelyek nem különböznek egymástól olyan lényeges jellemzők tekintetében, mint a sebességváltás-jelző funkcionális jellemzői és a sebességváltási pont kijelzésének meghatározására szolgáló logikája, beleértve a következőket:
a) magasabb sebességfokozatba kapcsolásra utaló jelzés meghatározott motorfordulatszámnál;
b) magasabb sebességfokozatba kapcsolásra utaló jelzés, ha a fajlagos üzemanyag-fogyasztási motorjelleggörbék azt mutatják, hogy a magasabb sebességfokozatban elérhető az üzemanyag-fogyasztás meghatározott legkisebb javulása;
c) magasabb sebességfokozatba kapcsolásra utaló jelzés, ha a nyomatékigény a magasabb sebességfokozatban teljesíthető;
21. "a sebességváltás-jelző funkcionális jellemzői": a sebességváltás-jelző által adott jelzéseket meghatározó bemeneti paraméterek, mint a motorfordulatszám, a hajtóteljesítmény-igény, a nyomaték és ezek időbeli változása, valamint az, hogy a sebességváltás-jelző által adott jelzések funkcionálisan hogyan függenek ezektől a paraméterektől;
22. "járműtípus a járműbe való bejutás tekintetében": olyan járművek csoportja, amelyek nem különböznek egymástól olyan lényeges jellemzők tekintetében, mint a küszöbök, a kapaszkodók és fellépők tulajdonságai;
23. "járműtípus a hátramenet tekintetében": olyan járművek csoportja, amelyek nem különböznek egymástól olyan lényeges jellemzők tekintetében, mint a hátrameneti berendezések tulajdonságai;
24. "járműtípus a tömegek és a méretek tekintetében": olyan járművek csoportja, amelyek az alábbi jellemzők egyike tekintetében sem különböznek egymástól:
a) a gyártó kereskedelmi neve vagy jele;
b) osztályba sorolás;
c) fő funkció;
25. "aerodinamikai tulajdonságokat javító berendezés vagy felszerelés": olyan berendezés vagy felszerelés, amelyet közúti járművek légellenállásának csökkentésére terveztek, kivéve a hosszított vezetőfülkét;
26. "a hidrogéntároló rendszer típusa": olyan alkotóelemek együttese, amelyek nem különböznek egymástól jelentősen olyan lényeges jellemzők tekintetében, mint a tárolt hidrogén-üzemanyag vagy sűrített gáz halmazállapota, a névleges üzemi nyomás, a tartály szerkezete, anyagai, térfogata és fizikai méretei, valamint a nyomáscsökkentő berendezések, a visszacsapószelepek és az elzárószelepek szerkezete, anyagai és alapvető jellemzői;
27. "járműtípus a hidrogénnel kapcsolatos biztonság tekintetében": olyan járművek csoportja, amelyek nem különböznek egymástól olyan lényeges jellemzők tekintetében, mint a jármű hidrogénnel működő üzemanyagrendszerének alapkonfigurációja és fő jellemzői;
28. "a hidrogénrendszer-alkotóelem típusa": olyan hidrogénrendszer-alkotóelemek csoportja, amelyek nem különböznek egymástól olyan lényeges jellemzők tekintetében, mint a tárolt hidrogén-üzemanyag vagy sűrített gáz halmazállapota, az alkotóelem funkciója és szerkezete, anyagai és fizikai méretei.
II. FEJEZET
TÍPUSJÓVÁHAGYÁS AZ ENSZ-ELŐÍRÁSOKON ALAPULÓ ALAPVETŐ KÖVETELMÉNYEK SZERINT
3. cikk
A típusjóváhagyás iránti kérelem
(1) Az e rendelet 1. cikkének (2) bekezdésében említett egy vagy több esetben valamely jármű, rendszer, alkotóelem vagy önálló műszaki egység típusának az (EU) 2019/2144 rendelet II. mellékletében felsorolt ENSZ-előírásokban meghatározott követelmények szerinti típusjóváhagyása iránti kérelmet a gyártóknak vagy képviselőiknek kell benyújtaniuk a típusjóváhagyó hatósághoz az I. melléklet 1. részében meghatározott adatközlő lap mintájának használatával.
(2) A járműbe beszerelt vagy egy másik alkotóelemmel vagy önálló műszaki egységgel egybeépített, EU- vagy ENSZ-jóváhagyással rendelkező alkotóelemeket vagy önálló műszaki egységeket nem szükséges minden részletre kiterjedően jellemezni az (1) bekezdésben említett adatközlő lapon, amennyiben azon már szerepelnek a típusbizonyítványok számai és jelei, és a releváns típusbizonyítványokat a mellékleteikkel együtt a típusjóváhagyó hatóság rendelkezésére bocsátották.
(3) Az érvényes EU-típusjóváhagyási jellel rendelkező alkotóelemeket és önálló műszaki egységeket olyan esetekben is elfogadhatónak kell tekinteni, amikor azokat olyan alkotóelemek és önálló műszaki egységek helyett alkalmazzák, amelyek esetében előírás az ENSZ-típusjóváhagyási jel viselése az ENSZ-előírások által érintett területeken rendelkezéseket meghatározó (EU) 2019/2144 rendelettel, valamint az az alapján elfogadott felhatalmazáson alapuló jogi aktusokkal és végrehajtási jogi aktusokkal összhangban.
4. cikk
A típusjóváhagyás megadása
(1) Amennyiben a típusjóváhagyásra bemutatott jármű, rendszer, alkotóelem vagy önálló műszaki egység típusa megfelel az ENSZ-előírások vonatkozó műszaki követelményeinek, akkor a típusjóváhagyó hatóság által az (EU) 2018/858 rendelet 28. cikkének (1) bekezdésével összhangban kiadott EU-típusbizonyítványnak az I. melléklet 2. részében megállapított mintát és az alkalmazott ENSZ-előírás szerinti vonatkozó mintának megfelelő, kitöltött értesítési űrlapot kell követnie, üresen hagyva az ENSZ-típusjóváhagyás számának fenntartott mezőt.
(2) Minden olyan, adott típusnak megfelelő alkotóelemen vagy önálló műszaki egységen, amelyre az (EU) 2019/2144 rendelet szerint típusjóváhagyást adtak, fel kell tüntetni az (EU) 2020/683 rendelet V. mellékletének 4. pontja szerinti, önálló műszaki egységre vonatkozó EU-típusjóváhagyási jelet.
III. FEJEZET
A JÁRMŰVEK EGYES FELÉPÍTÉSI ÉS BIZTONSÁGI KÖVETELMÉNYEK TEKINTETÉBEN TÖRTÉNŐ EU-TÍPUSJÓVÁHAGYÁSA
5. cikk
A járműtípusok egyes járműrendszerek tekintetében történő EU-típusjóváhagyása iránti kérelem
(1) A gyártónak vagy képviselőjének külön kérelmet kell benyújtania a típusjóváhagyó hatósághoz egy járműtípusnak az alábbi elemek tekintetében történő EU-típusjóváhagyása iránt, az (EU) 2018/858 rendelet 24. cikke (1) bekezdésének a) pontja szerinti, megfelelő adatközlő lap mintájának használatával:
a) a jogszabályban előírt tábla elrendezése és elhelyezése, valamint a jármű-azonosító szám alkotóelemei és elhelyezkedése tekintetében a II. melléklet 1. részében meghatározott információkat tartalmazó minta használatával;
b) az első és a hátsó rendszámtábla felszerelésére és rögzítésére szolgáló hely tekintetében a III. melléklet 1. részében meghatározott információkat tartalmazó minta használatával;
c) a szélvédőtörlő és szélvédőmosó rendszerek tekintetében a IV. melléklet 1. részének A. szakaszában meghatározott információkat tartalmazó minta használatával;
d) a kerékdobok tekintetében az V. melléklet 1. részében meghatározott információkat tartalmazó minta használatával;
e) a szélvédő-jégmentesítő és -párátlanító rendszerek tekintetében a VI. melléklet 1. részében meghatározott információkat tartalmazó minta használatával;
f) a vonóberendezések tekintetében a VII. melléklet 1. részében meghatározott információkat tartalmazó minta használatával;
g) a felcsapódó víz elleni védőrendszer tekintetében a VIII. melléklet 1. részének A. szakaszában meghatározott információkat tartalmazó minta használatával;
h) a sebességváltás-jelző tekintetében a IX. melléklet 1. részében meghatározott információkat tartalmazó minta használatával;
i) a járműbe való bejutás tekintetében a X. melléklet 1. részében meghatározott információkat tartalmazó minta használatával;
j) a hátramenet tekintetében a XI. melléklet 1. részében meghatározott információkat tartalmazó minta használatával;
k) a jármű tömegei és méretei tekintetében a XIII. melléklet 1. részének A. szakaszában meghatározott információkat tartalmazó minta használatával;
l) hidrogénüzemű járművek esetében a cseppfolyósított hidrogén tárolására szolgáló rendszert vagy sűrített hidrogén tárolására szolgáló rendszert magában foglaló jármű-üzemanyagrendszer tekintetében a XIV. melléklet 1. részének A. szakaszában meghatározott információkat tartalmazó minta használatával.
(2) Egy járműtípusnak az (1) bekezdés h) pontjában említett sebességváltás-jelző tekintetében történő EU-típusjóváhagyása iránti kérelemhez csatolni kell a gyártó arra vonatkozó nyilatkozatát, hogy a jármű megfelel az e rendeletben meghatározott vonatkozó műszaki előírásoknak, valamint a IX. melléklet 1. részének függelékében meghatározott mintának megfelelően kiállított tanúsítványt is.
(3) A gyártó köteles a jóváhagyó hatóság vagy a műszaki szolgálat kérésére vizsgálati célokra rendelkezésre bocsátani egy, a jóváhagyandó típust képviselő járművet.
6. cikk
A járműtípusok egyes járműrendszerek tekintetében történő EU-típusjóváhagyásának megadása
(1) Amennyiben az e rendelet II-XIII. mellékletének 2. részében és XIV. melléklete 2. részének D. és E. szakaszában foglalt műszaki előírások az (EU) 2019/2144 rendelet II. mellékletében felsorolt vonatkozó követelmények tekintetében teljesülnek, a típusjóváhagyó hatóságnak meg kell adnia az EU-típusjóváhagyást, és az (EU) 2020/683 bizottsági végrehajtási rendelet IV. mellékletében meghatározott módszerrel összhangban ki kell bocsátania a típusbizonyítvány számát.
(2) Az (EU) 2018/858 rendelet 28. cikkének (1) bekezdésében említett EU-típusbizonyítványt a következőkkel összhangban kell kiállítani:
a) a II. melléklet 3. része az 5. cikk (1) bekezdésének a) pontjában említett elem esetében;
b) a III. melléklet 3. része az 5. cikk (1) bekezdésének b) pontjában említett elem esetében;
c) a IV. melléklet 3. részének A. szakasza az 5. cikk (1) bekezdésének c) pontjában említett elem esetében;
d) az V. melléklet 3. része az 5. cikk (1) bekezdésének d) pontjában említett elem esetében;
e) a VI. melléklet 3. része az 5. cikk (1) bekezdésének e) pontjában említett elem esetében;
f) a VII. melléklet 3. része az 5. cikk (1) bekezdésének f) pontjában említett elem esetében;
g) a VIII. melléklet 3. részének A. szakasza az 5. cikk (1) bekezdésének g) pontjában említett elem esetében;
h) a IX. melléklet 3. része az 5. cikk (1) bekezdésének h) pontjában említett elem esetében;
i) a X. melléklet 3. része az 5. cikk (1) bekezdésének i) pontjában említett elem esetében;
j) a XI. melléklet 3. része az 5. cikk (1) bekezdésének j) pontjában említett elem esetében;
k) a XIII. melléklet 3. részének A. szakasza az 5. cikk (1) bekezdésének k) pontjában említett elem esetében; valamint
l) a XIV. melléklet 3. részének A. szakasza az 5. cikk (1) bekezdésének l) pontjában említett elem esetében.
(3) Az (EU) 2018/858 rendelet 6. cikke (5) bekezdésével összhangban EU-típusjóváhagyás adható az e rendelet XIII. melléklete 2. része C., D. és E. szakaszának 1.1. pontjában meghatározott megengedett legnagyobb méreteket meghaladó járművekre; ebben az esetben a típusbizonyítvány és a megfelelőségi nyilatkozat 52. pontjában fel kell tüntetni "a megengedett legnagyobb méretektől való eltérés" megjegyzést.
(4) EU-típusjóváhagyás adható továbbá az olyan, oszthatatlan rakományok szállítására szánt járművekre, amelyek méretei meghaladják az e rendelet XIII. melléklete 2. része C., D. és E. szakaszának 1.1. pontjában meghatározott megengedett legnagyobb méreteket; ebben az esetben a típusbizonyítványban és a megfelelőségi nyilatkozatban egyértelműen fel kell tüntetni, hogy a járművet kizárólag oszthatatlan rakományok szállítására szánják.
IV. FEJEZET
EGYES JÁRMŰRENDSZEREK ÉS -ALKOTÓELEMEK ÖNÁLLÓ MŰSZAKI EGYSÉGKÉNT VAGY ALKOTÓELEMKÉNT TÖRTÉNŐ EU-TÍPUSJÓVÁHAGYÁSA
7. cikk
A rendszerek és berendezések önálló műszaki egységként történő EU-típusjóváhagyása iránti kérelem
Az alábbi rendszerek és berendezések önálló műszaki egységként történő EU-típusjóváhagyása iránti kérelmeket az (EU) 2018/858 rendelet 24. cikke (1) bekezdésének a) pontjában említett, vonatkozó adatközlő lap mintáját kitöltve kell benyújtani:
a) a szélvédőmosó rendszerek tekintetében a IV. melléklet 1. részének B. szakaszában meghatározott információkat tartalmazó minta használatával;
b) a felcsapódó víz elleni védőrendszer tekintetében a VIII. melléklet 1. részének B. szakaszában meghatározott információkat tartalmazó minta használatával;
c) az elülső védelmi rendszer tekintetében a XII. melléklet 1. részében meghatározott információkat tartalmazó minta használatával;
d) az aerodinamikai tulajdonságokat javító berendezés vagy felszerelés esetében a XIII. melléklet 1. részének B. szakaszában meghatározott információkat tartalmazó minta használatával.
8. cikk
Az önálló műszaki egységekre vonatkozó EU-típusjóváhagyás megadása
(1) Az (EU) 2018/858 rendelet 29. cikkével összhangban, amennyiben az e rendelet IV. mellékletének 2. részében a szélvédőmosó rendszerek tekintetében, a VIII. melléklet 2. részében a felcsapódó víz elleni védőrendszerek tekintetében, a XII. melléklet 2. részében az elülső védelmi rendszerek tekintetében, valamint a XIII. melléklet 2. részének I. szakaszában az aerodinamikai tulajdonságokat javító berendezések és felszerelések tekintetében meghatározott műszaki előírások teljesülnek, a típusjóváhagyó hatóságnak a rendszerek és berendezések adott típusaira meg kell adnia az önálló műszaki egységekre vonatkozó EU-típusjóváhagyást, és az (EU) 2020/683 bizottsági végrehajtási rendelet IV. mellékletében meghatározott módszerrel összhangban ki kell bocsátania a típusbizonyítvány számát.
(2) A 5. cikkben említett rendszerekre és berendezésekre vonatkozóan az (EU) 2018/858 rendelet 28. cikkének (1) bekezdésével összhangban kiadott EU-típusbizonyítványokat a következőkkel összhangban kell kiállítani:
a) a IV. melléklet 3. részének B. szakasza a 7. cikk a) pontjában említett rendszer esetében;
b) a VIII. melléklet 3. részének B. szakasza a 7. cikk b) pontjában említett rendszer esetében;
c) a XII. melléklet 3. részének B. szakasza a 7. cikk c) pontjában említett rendszer esetében;
d) a XIII. melléklet 3. részének B. szakasza a 7. cikk d) pontjában említett rendszer esetében.
9. cikk
Az alkotóelemekre vonatkozó EU-típusjóváhagyás iránti kérelem
Az alábbi hidrogénrendszer-alkotóelemek alkotóelemként történő EU-típusjóváhagyása iránti kérelmeket az (EU) 2018/858 rendelet 24. cikke (1) bekezdésének a) pontjában említett, vonatkozó adatközlő lap mintáját kitöltve és a XIV. melléklet 1. részének B. szakaszában meghatározott információkat megadva kell benyújtani:
a) a cseppfolyósított hidrogén tárolására szolgáló rendszerek (LHSS) esetében - beleértve azok tartályait, nyomáscsökkentő és elzáró berendezéseit - a biztonsági teljesítményük és anyagkompatibilitásuk tekintetében;
b) a sűrített hidrogén tárolására szolgáló rendszerek (CHSS) esetében - beleértve azok tartályait és elsődleges záróberendezéseit, amelyek hővezérlésű nyomáscsökkentő berendezésből, visszacsapószelepből és automatikus elzárószelepekből állnak - az anyagkompatibilitásuk tekintetében.
10. cikk
Az alkotóelemekre vonatkozó EU-típusjóváhagyás megadása
(1) Az (EU) 2018/858 rendelet 29. cikkével összhangban, amennyiben a XIV. melléklet 2. részének B., C. és F. szakaszában a 9. cikk a) pontjában említett alkotóelemekre vonatkozóan, és az F. szakaszban az említett cikk b) pontjában említett alkotóelemekre vonatkozóan meghatározott műszaki előírások az (EU) 2019/2144 rendelet II. mellékletében felsorolt vonatkozó követelmények tekintetében teljesülnek, a típusjóváhagyó hatóságnak a hidrogénrendszer-alkotóelem adott típusára meg kell adnia az alkotóelemekre vonatkozó EU-típusjóváhagyást, és az (EU) 2020/683 bizottsági végrehajtási rendelet IV. mellékletében meghatározott módszerrel összhangban ki kell bocsátania a típusbizonyítvány számát.
(2) A 9. cikkben említett alkotóelemekre vonatkozó EU-típusbizonyítványt a XIV. melléklet 3. részének B. szakaszával összhangban kell kiállítani.
11. cikk
Típusjóváhagyási jel
(1) Egy rendszer- vagy berendezéstípus önálló műszaki egységként történő típusjóváhagyásának az (EU) 2018/858 rendelet 38. cikkének (2) bekezdésében említett típusjóváhagyási jelét az alábbiak szerint kell összeállítani és rögzíteni:
a) a IV. melléklet 3. részének C. szakasza szerint a 7. cikk a) pontjában említett rendszer esetében;
b) a VIII. melléklet 3. részének C. szakasza szerint a 7. cikk b) pontjában említett rendszer esetében;
c) a XII. melléklet 3. részének B. szakasza a 7. cikk c) pontjában említett rendszer esetében;
d) a XIII. melléklet 3. részének C. szakasza szerint a 7. cikk d) pontjában említett eszközök és berendezések esetében.
(2) A 9. cikkben említett alkotóelem-típusok alkotóelemként történő típusjóváhagyásának típusjóváhagyási jelét a XIV. melléklet 3. részének C. szakasza szerint kell összeállítani és rögzíteni.
V. FEJEZET
ZÁRÓ RENDELKEZÉSEK
12. cikk
Átmeneti rendelkezések
(1) 2022. július 6-i hatállyal a típusjóváhagyó hatóságoknak el kell utasítaniuk az olyan új járműtípusok EU-típusjóváhagyásának megadását a jármű-azonosító szám ellenőrző számjegye tekintetében, amelyek az (EU) 2019/2144 rendelet II. mellékletében felsorolt vonatkozó követelmények tekintetében nem felelnek meg az e rendelet II. melléklete 2. részének C. szakaszában meghatározott műszaki előírásoknak.
(2) 2026. július 7-i hatállyal a nemzeti hatóságoknak a jármű-azonosító szám ellenőrző számjegyével kapcsolatos okok fennállása esetén el kell utasítaniuk az olyan járművek nyilvántartásba vételét, forgalomba hozatalát és forgalomba helyezését, amelyek az (EU) 2019/2144 rendelet II. mellékletében felsorolt vonatkozó követelmények tekintetében nem felelnek meg az e rendelet II. melléklete 2. részének C. szakaszában meghatározott műszaki előírásoknak.
(3) 2022. július 6-i hatállyal a típusjóváhagyó hatóságoknak el kell utasítaniuk az olyan új járműtípusok EU-típusjóváhagyásának megadását az első rendszámtáblák felszerelésére és rögzítésére szolgáló hely tekintetében, amelyek az (EU) 2019/2144 rendelet II. mellékletében felsorolt vonatkozó követelmények tekintetében nem felelnek meg az e rendelet III. mellékletének 2. részében meghatározott műszaki előírásoknak.
(3a) 2024. július 7-i hatállyal a típusjóváhagyó hatóságoknak el kell utasítaniuk az olyan új járműtípusok EU-típusjóváhagyásának megadását az O3 és O4 kategóriájú járművek második hátsó rendszámtáblájának felszerelésére és rögzítésére szolgáló hely tekintetében, amelyek az (EU) 2019/2144 rendelet II. mellékletében felsorolt vonatkozó követelmények tekintetében nem felelnek meg az e rendelet III. mellékletének 2. részében meghatározott műszaki előírásoknak.
(4) 2026. július 7-i hatállyal a nemzeti hatóságoknak az első rendszámtáblák felszerelésére és rögzítésére szolgáló hellyel és az O3 és O4 kategóriájú járművek második hátsó rendszámtáblájának felszerelésére és rögzítésére szolgáló hellyel kapcsolatos okok fennállása esetén el kell utasítaniuk az olyan járművek nyilvántartásba vételét, forgalomba hozatalát és forgalomba helyezését, amelyek az (EU) 2019/2144 rendelet II. mellékletében felsorolt vonatkozó követelmények tekintetében nem felelnek meg az e rendelet III. mellékletének 2. részében meghatározott műszaki előírásoknak.
(4a) 2025. július 7-i hatállyal a típusjóváhagyó hatóságoknak el kell utasítaniuk az olyan új járműtípusok EU-típusjóváhagyásának megadását a vonóberendezések tekintetében, amelyek az (EU) 2019/2144 rendelet II. mellékletében felsorolt vonatkozó követelmények tekintetében nem felelnek meg az e rendelet VII. mellékletének 2. részében a vontatási kapacitásra vonatkozóan meghatározott műszaki előírásoknak.
(4b) 2027. július 7-i hatállyal a nemzeti hatóságoknak a vonóberendezésekkel kapcsolatos okok fennállása esetén el kell utasítaniuk az olyan járművek nyilvántartásba vételét, forgalomba hozatalát és forgalomba helyezését, amelyek az (EU) 2019/2144 rendelet II. mellékletében felsorolt vonatkozó követelmények tekintetében nem felelnek meg az e rendelet VII. mellékletének 2. részében a vontatási kapacitásra vonatkozóan meghatározott műszaki előírásoknak.
(5) Az (EU) 2019/2144 rendelet 15. cikkének (1) bekezdésével összhangban a nemzeti hatóságoknak engedélyezniük kell a 2022. július 6. előtt típusjóváhagyásban részesült járművek, rendszerek, alkotóelemek és önálló műszaki egységek értékesítését és forgalomba helyezését, és továbbra is ki kell terjeszteniük az ezekre a járművekre, rendszerekre, alkotóelemekre és önálló műszaki egységekre vonatkozó jóváhagyásokat a 78/2009/EK rendelet, a 79/2009/EK rendelet vagy a 661/2009/EK rendelet és végrehajtási intézkedéseik feltételei szerint, az e rendelet II-XIV. mellékletében szabályozott tárgykörök tekintetében.
13. cikk
Információszolgáltatás
Az esetleges további fejlesztések iránti igény felmérése céljából a gyártók és a típusjóváhagyó hatóságok a Bizottság kérésére kötelesek a Bizottság rendelkezésére bocsátani a IX. melléklet 1., 2. és 3. részében meghatározott információkat. Ezeket az információkat a Bizottság és képviselői bizalmasan kezelik.
14. cikk
Hatálybalépés
Ez a rendelet az Európai Unió Hivatalos Lapjában való kihirdetését követő huszadik napon lép hatályba.
Ezt a rendeletet 2022. július 6-tól kell alkalmazni.
Ez a rendelet teljes egészében kötelező és közvetlenül alkalmazandó valamennyi tagállamban.
I. MELLÉKLET
TÍPUSJÓVÁHAGYÁS AZ ENSZ-ELŐÍRÁSOK HATÁLYA ALÁ TARTOZÓ TERÜLETEKEN
1. RÉSZ
Adatközlő lap
MINTA
... számú adatközlő lap a járműveknek a(z) ... módosítássorozat / a(z) ... módosítássorozat ... kiegészítése által módosított (1), a(z) ... tárgyát érintő ... számú ENSZ-előírás alapján egy rendszer / alkotóelem / önálló műszaki egység (1) tekintetében történő EU-típusjóváhagyásához; készült az (EU) 2020/683 bizottsági végrehajtási rendelet (2) I. melléklete szerinti számozás és formátum alapján
Az alábbi adatokat értelemszerűen, három példányban, tartalomjegyzékkel együtt kell benyújtani. A rajzokat vagy ábrákat megfelelő méretarányban és kellő részletességgel, A4-es formátumban vagy A4-es formátumra összehajtva kell benyújtani. A fényképeknek - amennyiben vannak - kellően részletesnek kell lenniük.
0. ÁLTALÁNOS ADATOK
0.1. Gyártmány (a gyártó kereskedelmi neve):
0.2. Típus:
0.2.1. Kereskedelmi név (nevek) (amennyiben van/vannak):
0.3. Típusazonosító jelölések, amennyiben azok fel vannak tüntetve a járművön / alkotóelemen / önálló műszaki egységen (1) (3):
0.3.1. A jelölés helye:
0.4. A jármű kategóriája (4):
0.5. A gyártó vállalat neve és címe:
0.8. Az összeszerelő üzem(ek) neve és címe:
0.9. A gyártó képviselőjének (ha van) neve és címe:
1. A JÁRMŰ ÁLTALÁNOS FELÉPÍTÉSÉRE VONATKOZÓ JELLEMZŐK
1.1. A jóváhagyandó típust képviselő járműről / alkotóelemről / önálló műszaki egységről (1) készített fényképek, ábrák és/vagy rajzok:
Valamennyi alábbi, a járművel, alkotóelemmel vagy önálló műszaki egységgel kapcsolatos elemet és információt a műszaki szolgálattal és a kérelem tárgyát képező EU-típusjóváhagyás megadásáért felelős hatósággal egyetértésben kell rendelkezésre bocsátani. Ennek alapjául szolgálhat az adatközlőlap-minta, amennyiben a(z) ... sz. ENSZ-előírás tartalmaz ilyet, egyébként lehetőség szerint az (EU) 2020/683 bizottsági végrehajtási rendelet I. melléklete szerinti tételszámozást (azaz a járművek, alkotóelemek és önálló műszaki egységek EU-típusjóváhagyásához felhasznált adatok teljes jegyzékét) kell alapul venni, és meg kell adni a(z) ... sz. ENSZ-előírás szerinti jóváhagyáshoz szükséges minden további információt vagy adatot.
Magyarázó megjegyzések
Az adatközlő lap számozása az (EU) 2018/858 rendelet I. mellékletében meghatározott mintát követi.
(1) A nem kívánt rész törlendő.
(2) Amennyiben egy alkatrész (pl. alkotóelem vagy önálló műszaki egység) már rendelkezik típusjóváhagyással, az alkatrész leírása helyettesíthető a jóváhagyásra történő hivatkozással. Ugyancsak nincs szükség az alkatrész leírására, ha annak felépítése a csatolt ábrákból és rajzokból világosan látható. Azoknál a tételeknél, amelyek rajzok, ábrák vagy fényképek csatolását írják elő, meg kell adni a csatolt dokumentumok számát.
(3) Ha a típusazonosító jelölés olyan karaktereket is tartalmaz, amelyek az ezen adatközlő lapon megjelölt jármű, alkotóelem vagy önálló műszaki egység leírása szempontjából nem lényegesek, ezeket a karaktereket a dokumentációban kérdőjellel kell helyettesíteni (például: ABC??123??).
(4) Az (EU) 2018/858 rendelet I. mellékletének A. részében szereplő fogalommeghatározásoknak megfelelően osztályozva.
2. RÉSZ
MINTA
Méret: A4 (210 mm × 297 mm)
TÍPUSBIZONYÍTVÁNY
A típusjóváhagyó hatóság azonosítása
Értesítés egy járműtípus típusjóváhagyásának megadásáról / kiterjesztéséről / elutasításáról / visszavonásáról ( 1 ) valamely rendszer / alkotóelem / önálló műszaki egység (1) tekintetében a(z) ... módosítássorozat / a(z) ... módosítássorozat ... kiegészítése által módosított (1) ... számú ENSZ-előírás követelményei alapján, a legutóbb az (EU) .../... rendelettel módosított (EU) 2019/2144 rendelettel összhangban
Az EU-típusbizonyítvány száma:
A kiterjesztés / elutasítás / visszavonás oka (1) :
I. SZAKASZ
0. ÁLTALÁNOS ADATOK
0.1. Gyártmány (a gyártó kereskedelmi neve):
0.2. Típus:
0.2.1. Kereskedelmi név (nevek) (amennyiben van/vannak):
0.3. Típusazonosító jelölések, amennyiben azok fel vannak tüntetve a járművön / alkotóelemen / önálló műszaki egységen (1) :
0.3.1. A jelölés helye:
0.4. A jármű kategóriája ( 2 ):
0.5. A gyártó neve és címe:
0.8. Az összeszerelő üzem(ek) neve és címe:
0.9. A gyártó képviselőjének (ha van) neve és címe:
1. A JÁRMŰ ÁLTALÁNOS FELÉPÍTÉSÉRE VONATKOZÓ JELLEMZŐK
1.1. A jóváhagyandó típust képviselő járműről készült fényképek és/vagy rajzok:
II. SZAKASZ
1. Kiegészítő adatok (értelemszerűen): lásd a kiegészítést.
2. A vizsgálatok elvégzéséért felelős műszaki szolgálat:
3. A vizsgálati jegyzőkönyv dátuma:
4. A vizsgálati jegyzőkönyv száma:
5. Megjegyzések (adott esetben): lásd a kiegészítést.
6. Hely:
7. Dátum:
8. Aláírás:
Csatolmányok:
- információs csomag
- vizsgálati jegyzőkönyv
- az alkalmazandó ENSZ-előírás releváns mintájának megfelelően kitöltött jóváhagyási értesítő, amelyben nem szükséges feltüntetni az ENSZ-előírás szerinti jóváhagyást vagy kiterjesztést, illetve az ENSZ-típusjóváhagyási számot.
Kiegészítés
a(z) ... számú típusbizonyítványhoz
1. ENSZ-előírás alapján EU-típusjóváhagyással rendelkező alkotóelemek vagy önálló műszaki egységek használata: igen / nem ( 3 )
2. Az (EU) 2018/858 rendelet 30. cikkének (7) bekezdése szerinti jóváhagyási eljárás (virtuális vizsgálat): igen / nem (3)
3. Az (EU) 2018/858 rendelet 72. cikkének (1) bekezdése és VII. melléklete szerinti jóváhagyási eljárás (belső műszaki szolgálat): igen / nem (3)
4. Alkotóelemek és önálló műszaki egységek esetében: példa az alkotóelem vagy önálló műszaki egységen feltüntetett típusjóváhagyási jelre:
5. Megjegyzések:
II. MELLÉKLET
JOGSZABÁLYBAN ELŐÍRT TÁBLA ÉS JÁRMŰ-AZONOSÍTÓ SZÁM
1. RÉSZ
Adatközlő lap a gépjárműveknek és pótkocsijaiknak a jogszabályban előírt tábla és a jármű-azonosító szám (VIN) tekintetében történő EU-típusjóváhagyásához
MINTA
... számú adatközlő lap a járműveknek a jogszabályban előírt tábla és a járműazonosító szám tekintetében történő EU-típusjóváhagyásához
Az alábbi adatokat három példányban, tartalomjegyzékkel együtt kell benyújtani. A rajzokat vagy ábrákat megfelelő méretarányban és kellő részletességgel, A4-es formátumban vagy A4-es formátumra összehajtva kell benyújtani. A fényképeknek - amennyiben vannak - kellően részletesnek kell lenniük.
0.1.
0.2.
0.2.1.
0.3.
0.3.1.
0.4.
0.5.
0.6.
0.6.1.
0.6.2.
0.8.
0.9.
1.
1.1.
9.
9.17.
9.17.1.
9.17.2.
9.17.3.
9.17.4.
9.17.4.1.
9.17.4.2.
9.17.4.3. Magyarázó megjegyzések
Ez az adatközlő lap az (EU) 2020/683 bizottsági végrehajtási rendelet I. mellékletében meghatározott mintán alapul, és a fent felsorolt pontokat az említett mintának megfelelően kell kitölteni a vonatkozó információkkal.
2. RÉSZ
A. Szakasz
Műszaki előírások
1. Jogszabályban előírt tábla
1.1. Általános követelmények
1.1.1. Minden járművet el kell látni az ebben a szakaszban leírt, jogszabályban előírt táblával.
1.1.2. A jogszabályban előírt táblát a jármű gyártójának vagy a járműgyártó képviselőjének kell a járműre erősítenie.
1.1.3. A jogszabályban előírt tábla:
a) vagy egy négyszögletes fémlemezből;
b) vagy egy négyszögletes öntapadó címkéből áll.
1.1.4. A fémlemezeket szegecsekkel vagy hasonló megoldással kell felerősíteni.
1.1.5. A címkéken kétséget kizáróan látszódnia kell, ha megmásították őket, továbbá nem lehetnek hamisíthatók és sérülésmentesen eltávolíthatók.
1.2. A jogszabályban előírt táblán feltüntetendő információk
1.2.1. A jogszabályban előírt táblára a lent megadott sorrendben a következő információkat kell eltávolíthatatlanul rányomtatni:
a) a gyártó vállalat neve;
b) az egész jármű típusjóváhagyási száma;
c) a több szakaszban gyártott járműveknek az (EU) 2018/858 rendelet IX. mellékletének 4.2. pontjában említett második és minden további gyártási lépcsője esetében a készültségi fok;
d) a jármű-azonosító szám;
e) a műszakilag megengedett legnagyobb össztömeg;
f) a járműszerelvény műszakilag megengedett legnagyobb tömege;
g) az egyes tengelyekre jutó, műszakilag megengedett legnagyobb tömeg, az első tengelytől a hátsó felé haladva.
1.2.2. Az 1.2.1. d) pontban említett információt legalább 4 mm-es karakterekkel kell megadni.
1.2.3. Az 1.2.1. pontban említett, a jármű-azonosító számon kívüli információkat legalább 2 mm-es karakterekkel kell megadni.
1.3. Különleges követelmények
1.3.1. Pótkocsik
1.3.1.1. Pótkocsiknál fel kell tüntetni a kapcsolási pontra jutó, műszakilag megengedett legnagyobb statikus függőleges terhelést.
1.3.1.2. A kapcsolási pontot tengelyként kell kezelni. E tengely száma "0".
1.3.1.3. Az első tengely száma "1", a másodiké "2", és így tovább. A számokat kötőjellel kell elválasztani.
1.3.1.4. Az 1.2.1. f) pontban említett járműszerelvény tömegét ki kell hagyni.
1.3.2. Nehézgépjárművek
1.3.2.1. Az N3, O3 és O4 kategóriájú járművek vonatkozásában az egyes tengelycsoportokra jutó, műszakilag megengedett legnagyobb tömeget is fel kell tüntetni. A "tengelycsoportra" vonatkozó bejegyzést "T" betűvel kell jelölni, melyet kötőjel követ.
1.3.2.2. Az M3, N3, O3 és O4 kategóriájú járművek vonatkozásában a gyártó feltüntetheti a jogszabályban előírt táblán a nyilvántartásba vételhez / forgalomba helyezéshez tervezett, megengedett legnagyobb össztömeget.
1.3.2.2.1. A jogszabályban előírt tábla azon részét, amelyen a tömegeket feltüntetik, két oszlopra kell tagolni: a nyilvántartásba vételhez / forgalomba helyezéshez tervezett megengedett legnagyobb tömegeket a bal oldali oszlopban, a műszakilag megengedett legnagyobb össztömegeket pedig a jobb oldali oszlopban kell megadni.
1.3.2.2.2. A nyilvántartásba vétel tervezett helye szerinti ország kétbetűs kódját a bal oszlop tetején kell megadni. A kódnak összhangban kell lennie az ISO 3166-1:2006 szabvánnyal.
1.3.2.3. Az 1.3.2.1. pont követelményei nem alkalmazandók, ha:
a) a tengelycsoportra jutó, műszakilag megengedett legnagyobb tömeg a tengelycsoport részét képező tengelyekre jutó, megengedett legnagyobb tömegek összege;
b) az említett tengelycsoport részét képező tengelyekre jutó, megengedett legnagyobb tömeget a "T" betűvel jelölték; valamint
c) az 1.3.2.2. pont követelményeinek alkalmazásában a tengelycsoportra jutó, a nyilvántartásba vételhez / forgalomba helyezéshez tervezett megengedett legnagyobb tömeg az említett tengelycsoport részét képező tengelyekre jutó, a nyilvántartásba vételhez / forgalomba helyezéshez tervezett megengedett legnagyobb tömegek összege.
1.4. Kiegészítő információk
1.4.1. A gyártó kiegészítő információkat is megadhat az előírt feliratok alatt vagy azok mellett, egy olyan világosan megjelölt négyszögön kívül, amely csak az 1.2. és 1.3. pontban előírt információkat tartalmazhatja.
1.5. Minták a jogszabályban előírt táblákra
1.5.1. A jogszabályban előírt tábla számos lehetséges mintáját a B. szakasz mutatja be.
1.5.2. A mintákon fiktív adatok szerepelnek.
1.6. A járművön való elhelyezésre vonatkozó követelmények
1.6.1. A jogszabályban előírt táblát szembetűnő és könnyen hozzáférhető helyen, szilárdan kell rögzíteni.
1.6.2. A táblát olyan részre kell rögzíteni, amelyet a használat során nem cserélnek ki.
2. Jármű-azonosító szám (VIN)
2.0.1. A jármű-azonosító számot minden járművön fel kell tüntetni.
2.0.2. A jármű-azonosító számnak egyedinek kell lennie, és egyértelműen egyetlen járműhöz kell tartoznia.
2.0.3. A jármű-azonosító számot akkor kell az alvázon vagy a járművön feltüntetni, amikor a jármű elhagyja a gyártósort.
2.0.4. A gyártónak a jármű-azonosító számmal 30 éven keresztül biztosítania kell a jármű nyomonkövethetőségét.
2.0.5. A 2.0.4. pontban említett, a gyártó által a nyomonkövethetőség érdekében hozott intézkedések meglétét nem kell ellenőrizni a típusjóváhagyás időpontjában.
2.1. A jármű-azonosító számnak a következő három elemből és egy ellenőrző számjegyből kell állnia:
a) a gyártó világazonosítója (world manufacturer identifier, WMI);
b) a járműleíró szakasz (vehicle descriptor section, VDS);
c) a jármű-azonosító szakasz (vehicle indicator section, VIS).
2.2. A gyártó világazonosítója a járműgyártóhoz rendelt, a járműgyártó azonosítására szolgáló kód.
2.2.1. A három alfanumerikus karakterből - latin nagybetűből vagy arab számból - álló kódot a gyártó üzleti tevékenységének fő helye szerinti ország illetékes hatósága jelöli ki.
2.2.2. Az illetékes hatóság az ISO 3780:2009 szabványban ("Road vehicles - World manufacturer identifier (WMI) code") említett nemzetközi szervezettel egyetértésben jár el.
2.2.3. Amennyiben a gyártó éves össztermelése nem haladja meg az 500 járművet, a harmadik karakternek mindig a "9" számnak kell lennie. E gyártók azonosítása céljából a jármű-azonosító szakasz (VIS) harmadik, negyedik és ötödik karakterét szintén a 2.2. pontban említett illetékes hatóság állapítja meg.
2.3. A járműleíró szakasz (VDS) öt alfanumerikus karakterből - latin nagybetűből vagy arab számból - áll, amelyek a jármű általános jellemzőinek jelzésére szolgálnak. Ha a gyártó nem használja fel mind az öt karaktert, a fel nem használt helyeket a gyártó döntése szerinti alfanumerikus karakterekkel kell kitölteni annak érdekében, hogy a szakasz öt karakterből álljon.
2.4. A jármű-azonosító szám kilencedik karakterének egy ellenőrző számjegynek kell lennie, amely matematikailag megfelel a C. szakaszban meghatározott képletnek.
2.5. A jármű-azonosító szakasz (VIS) nyolc alfanumerikus karakterből - latin nagybetűből vagy arab számból - áll, utolsó négy karaktere pedig csak szám lehet.
A gyártó világazonosítójával (WMI) és a járműleíró szakasszal (VDS) együtt egy adott jármű egyértelmű beazonosítására szolgál. Minden fel nem használt helyre a "0" számot kell írni, hogy a karakterek száma nyolc legyen.
2.6. Az alvázon feltüntetett jármű-azonosító szám karaktereinek magassága legalább 7 mm kell, hogy legyen.
2.7. A karakterek között nem lehet szóköz.
2.8. Az "I", az "O" és a "Q" betűk használata nem megengedett.
2.9. A jármű-azonosító szám elejét és végét a gyártó választása szerinti szimbólumnak kell határolnia. Ez a szimbólum sem latin nagybetű, sem arab szám nem lehet.
2.9.1. A 2.9. pont követelményeitől el lehet tekinteni, ha a jármű-azonosító számot egyetlen sorban tüntetik fel.
2.9.2. Amennyiben a jármű-azonosító számot két sorban tüntetik fel, a 2.9. pont szerinti követelmény mindkét sorra érvényes.
2.10. A jármű-azonosító szám járművön való elhelyezésére vonatkozó követelmények
2.10.1. A jármű-azonosító számot egyetlen sorban kell feltüntetni.
2.10.1.1. Ha a jármű-azonosító számot technikai okokból, például helyhiány miatt nem lehet egy sorban feltüntetni, a nemzeti hatóság a gyártó kérésére engedélyezheti a jármű-azonosító szám két sorban történő feltüntetését. Ebben az esetben a 2.1. pontban említett szakaszok nem szakíthatók meg.
2.10.2. A jármű-azonosító számot gépi kalapáccsal vagy a beütés módszerével kell az alvázon, a járműkereten vagy más hasonló szerkezeti elemen jelölni.
2.10.3. E technika helyett más módszereket is lehet alkalmazni, amennyiben ezek bizonyítottan ugyanolyan fokú védelmet nyújtanak a megmásítással vagy hamisítással szemben, mint a gépi kalapács.
2.10.4. A jármű-azonosító számot jól látható és könnyen hozzáférhető helyen kell feltüntetni oly módon, hogy a jelölést ne lehessen eltávolítani vagy megrongálni.
2.10.5. A jármű-azonosító számot a jármű jobb oldalán kell elhelyezni.
B. szakasz
A jogszabályban előírt tábla mintája
1. A. MINTA
az M1 és N1 kategóriájú járművekre vonatkozóan
JERMY CLARKFILS AUTOMOBILES S.A. e2*2018/858*11460 VRZUA5FX29J276031 1 850 kg 3 290 kg 1 - 1 100 kg 2 - 880 kg |
M1 kategóriájú, Franciaországban jóváhagyott típusú jármű jogszabályban előírt táblájának mintája
2. B. MINTA
az M2, M3, N2 és N3 kategóriájú járművekre vonatkozóan
DEMURO VEICOLI COMMERCIALI S.P.A. e3*2018/858*52288 ZCFC35A3405850414 | |
(IT) 17 990 kg 40 000 kg 1 - 7 100 kg 2 - 11 500 kg T - kg | 17 990 kg 44 000 kg 1 - 7 100 kg 2 - 11 500 kg T - kg |
N3 kategóriájú, Olaszországban jóváhagyott típusú jármű jogszabályban előírt táblájának mintája
Megjegyzés: a bal oldali oszlop opcionális
3. C. MINTA
az O1 és O2 kategóriájú járművekre vonatkozóan
KAPITÅN SLØW e5*2018/858*11460 YSXFB56VX71134031 1 500 kg 0 - 100 kg 1 - 1 100 kg 2 - 880 kg |
O2 kategóriájú, Svédországban jóváhagyott típusú jármű jogszabályban előírt táblájának mintája
4. D. MINTA
az O3 és O4 kategóriájú járművekre vonatkozóan
Jalo Pnik CO. TD e8*2018/858*10036 2T0YX646XX7472266 | |
(CZ) 34 000 kg 0 - 8 000 kg 1 - 9 000 kg 2 - 9 000 kg 3 - 9 000 kg T - 27 000 kg | 37 000 kg 0 - 8 000 kg 1 - 10 000 kg 2 - 10 000 kg 3 - 10 000 kg T - 30 000 kg |
O4 kategóriájú, a Cseh Köztársaságban jóváhagyott típusú jármű jogszabályban előírt táblájának mintája
Megjegyzés: a bal oldali oszlop opcionális
5. E. MINTA
kiegészítő tábla a több szakaszban gyártott járművekhez (az (EU) 2018/858 rendelet IX. mellékletének 4.2. pontjával összhangban)
HaMsTeR conversions LLP e49*2018/858*01912 Stage 3 VRZUA5FX29J276031 1 900 kg kg 1 - 1 200 kg 2 - kg |
N1 kategóriájú, több szakaszban gyártott, Cipruson jóváhagyott típusú jármű jogszabályban előírt táblájának mintája A táblán szerepel a műszakilag megengedett tömeg, ami azt jelenti, hogy az a jóváhagyás jelenlegi szakaszában megváltozott. A járműszerelvény műszakilag megengedett legnagyobb tömege nem szerepel a táblán, ami azt jelenti, hogy az a jóváhagyás jelenlegi szakaszában nem változott. Ezenkívül a "0" szám sem szerepel, ami azt jelenti, hogy pótkocsi vontatása engedélyezett a járművel. A táblán szerepel az első tengelyre vonatkozó műszakilag megengedett legnagyobb tömeg, ami azt jelenti, hogy az a jóváhagyás jelenlegi szakaszában megváltozott. A második tengelyre vonatkozó műszakilag megengedett legnagyobb tömeg nem szerepel a táblán, ami azt jelenti, hogy az a jóváhagyás jelenlegi szakaszában nem változott.
C. szakasz
Ellenőrző számjegy
1. Az ellenőrző számjegyet az 1.1-1.4. pontban meghatározott matematikai számítással kell kiszámítani.
1.1. A jármű-azonosító számban szereplő számok mindegyikéhez a szám tényleges matematikai értékét, az egyes betűkhöz pedig az alábbiakban meghatározott értéket kell hozzárendelni:
A = 1 | J = 1 | S = 2 |
B = 2 | K = 2 | T = 3 |
C = 3 | L = 3 | U = 4 |
D = 4 | M = 4 | V = 5 |
E = 5 | N = 5 | W = 6 |
F = 6 | P = 7 | X = 7 |
G = 7 | R = 9 | Y = 8 |
H = 8 | Z = 9 |
1.2. A jármű-azonosító szám minden egyes karakteréhez hozzárendelt értéket meg kell szorozni az alábbiakban meghatározott, a karakter sorszáma szerinti súlyozó tényezővel:
első = 8 | tizedik = 9 |
második = 7 | tizenegyedik = 8 |
harmadik = 6 | tizenkettedik = 7 |
negyedik = 5 | tizenharmadik = 6 |
ötödik = 4 | tizennegyedik = 5 |
hatodik = 3 | tizenötödik = 4 |
hetedik = 2 | tizenhatodik = 3 |
nyolcadik = 10 | tizenhetedik = 2 |
kilencedik = ellenőrző számjegy |
1.3. Az így kapott értékeket össze kell adni, és az összeget el kell osztani 11-gyel.
1.4. Az ellenőrző számjegy (0-9 közötti szám vagy az "X" betű) a törtszámként vagy annak megfelelő tizedestörtként megadott (a legközelebbi ezredre kerekített) maradékon alapul az alábbi táblázatban felsoroltak szerint.
Ellenőrző számjegy | Törtszámként megadott maradék | Tizedestörtként megadott maradék |
0 | 0 | 0 |
1 | 1/11 | 0,091 |
2 | 2/11 | 0,182 |
3 | 3/11 | 0,273 |
4 | 4/11 | 0,364 |
5 | 5/11 | 0,455 |
6 | 6/11 | 0,545 |
7 | 7/11 | 0,636 |
8 | 8/11 | 0,727 |
9 | 9/11 | 0,818 |
X | 10/11 | 0,909 |
3. RÉSZ
EU-TÍPUSBIZONYÍTVÁNY (JÁRMŰRENDSZER)
Értesítés egy járműtípus típusjóváhagyásának megadásáról / kiterjesztéséről / elutasításáról / visszavonásáról ( 4 ) a jogszabályban előírt tábla és a járműazonosító szám tekintetében, a legutóbb az (EU) .../... rendelettel módosított (EU) 2021/535 [Kérjük, illesszék be e rendelet hivatkozását] rendelet II. mellékletében meghatározott követelményekkel összhangban
Az EU-típusbizonyítvány száma:
A kiterjesztés / elutasítás / visszavonás oka (4) :
I. SZAKASZ
(Az (EU) 2020/683 bizottsági végrehajtási rendelet III. mellékletében található B. minta I. szakaszának megfelelően kell kitölteni.)
II. SZAKASZ
(Az (EU) 2020/683 bizottsági végrehajtási rendelet III. mellékletében található B. minta II. szakaszának megfelelően kell kitölteni.)
Kiegészítés
a(z) ... számú EU-típusbizonyítványhoz
1. Kiegészítő információk:
1.1. A járműtípus rövid ismertetése a szerkezete, méretei, körvonalai és szerkezeti anyagai tekintetében:
2. A jármű-azonosító szám helye:
3. A jogszabályban előírt tábla helye:
4. Több szakaszban gyártott jármű jogszabályban előírt táblája: igen / nem (1)
5. Megjegyzések:
III. MELLÉKLET
AZ ELSŐ ÉS A HÁTSÓ RENDSZÁMTÁBLÁK FELSZERELÉSÉRE ÉS RÖGZÍTÉSÉRE SZOLGÁLÓ HELY
1. RÉSZ
Adatközlő lap a gépjárműveknek és pótkocsijaiknak az első és a hátsó rendszámtáblák felszerelésére és rögzítésére szolgáló hely tekintetében történő EU-típusjóváhagyásához
MINTA
... számú adatközlő lap a gépjárműveknek vagy pótkocsiknak az első és a hátsó rendszámtáblák felszerelésére és rögzítésére szolgáló hely tekintetében történő EU-típusjóváhagyásához
Az alábbi adatokat három példányban, tartalomjegyzékkel együtt kell benyújtani. A rajzokat vagy ábrákat megfelelő méretarányban és kellő részletességgel, A4-es formátumban vagy A4-es formátumra összehajtva kell benyújtani. A fényképeknek - amennyiben vannak - kellően részletesnek kell lenniük.
0.
0.1.
0.2.
0.2.1.
0.3.
0.3.1.
0.4.
0.5.
0.8.
0.9.
1.
1.1.
2.
2.4.
2.4.2.
2.4.2.3.
2.6.
9.
9.14.
9.14.1.
9.14.2.
9.14.3.
9.14.4.
9.14.5.
9.14.5.1.
9.14.5.2.
9.14.5.3.
9.14.5.4.
9.14.6.
9.14.7. Magyarázó megjegyzések
Ez az adatközlő lap az (EU) 2020/683 bizottsági végrehajtási rendelet I. mellékletében meghatározott mintán alapul, és a fent felsorolt pontokat az említett mintának megfelelően kell kitölteni a vonatkozó információkkal.
2. RÉSZ
MŰSZAKI ELŐÍRÁSOK
1. E melléklet alkalmazásában:
1.1. "gyakorlatilag sík felület": legalább 3 000 mm-es görbületi sugarú szilárd felület, amely lehet hálószerűen mintázott vagy rácsos felület is;
1.2. "hálószerűen mintázott felület": olyan felület, amelynek mintáját egyenletes eloszlású, egymástól legfeljebb 15 mm-re elhelyezkedő, kör alakú, ovális, rombusz alakú, négyszögletű vagy négyzetes lyukak alkotják;
1.3. "rácsos felület": egyenletes eloszlású, egymástól legfeljebb 15 mm-re elhelyezkedő, párhuzamos rudakból álló felület;
1.4. "névleges felület": geometriailag tökéletes, elméleti felület, figyelmen kívül hagyva a felületi szabálytalanságokat, például a kitüremkedéseket vagy bemélyedéseket;
1.5. "a jármű hosszirányú középsíkja": a jármű szimmetriasíkja, illetve nem szimmetrikus jármű esetében a jármű tengelyeinek közepén áthaladó, függőleges hosszirányú sík;
1.6. "dőlés": a függőleges síkhoz viszonyított szögeltérés foka.
2. Műszaki követelmények
2.1. A járműveknek rendelkezniük kell a hátsó rendszámtábla felszerelésére és rögzítésére szolgáló hellyel.
2.1.1. Az M és N kategóriájú gépjárműveknek ezenkívül rendelkezniük kell az első rendszámtábla felszerelésére és rögzítésére szolgáló hellyel is.
2.1.2. Az O3 és O4 kategóriájú járműveknek két külön hellyel kell rendelkezniük a hátsó rendszámtáblák felszerelése és rögzítése céljából (azaz lehetővé kell tenni a vontatójármű opcionális azonosítását, ha azt a nemzeti hatóság előírja).
2.2. A rendszámtábla felszerelésére szolgáló hely alakja és mérete
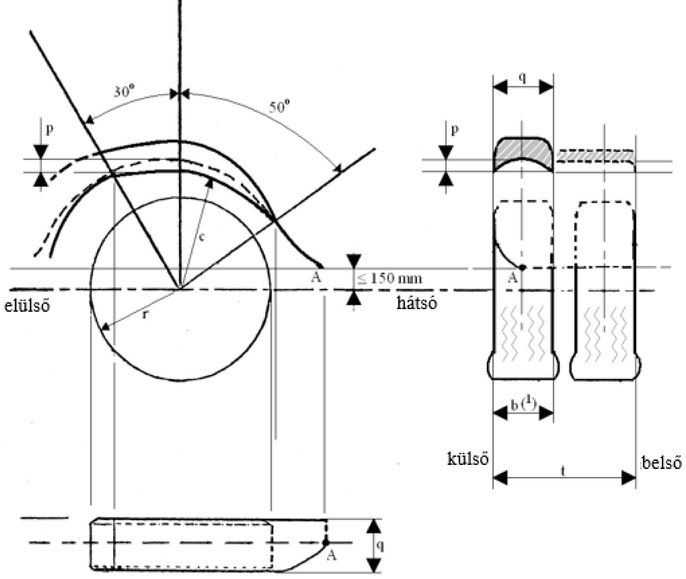
2.2.1. A felszerelésre szolgáló helynek a következő minimumméretekkel rendelkező négyszögletes területből kell állnia:
vagy ("széles rendszámtábla")
szélesség: 520 mm
magasság: 120 mm
vagy ("magas rendszámtábla")
szélesség: 340 mm
magasság: 240 mm
2.3. Az első és a hátsó rendszámtáblák felszerelése és rögzítése.
2.3.1. Az első és a hátsó rendszámtábla felszerelésére szolgáló helynek sík vagy gyakorlatilag sík négyszögletes felületnek kell lennie.
2.3.1.1. A rendszámtábla felszerelésére szolgáló hely alapját egy rendszámtáblatartó is képezheti, ha az az alapfelszerelések közé tartozik. A rendszámtáblatartó olyan kialakítású is lehet, hogy csak rendszámtáblával együtt lehessen felszerelni a járműre.
2.3.1.2. A jármű gyártója választható vagy alternatív rendszámtáblák számára is helyet biztosíthat a járművön, amennyiben azok a helyek is megfelelnek a követelményeknek.
2.3.2. Az első vagy a hátsó rendszámtábla által eltakart felületen lehetnek lyukak vagy nyílások; e lyukak vagy nyílások azonban nem lehetnek 75 mm-nél magasabbak, tekintet nélkül a szélességükre.
2.3.3. Az első vagy a hátsó rendszámtábla által eltakart felületen lehetnek kinyúlások, feltéve, hogy azok legfeljebb 5,0 mm-re nyúlnak ki a névleges felület síkjából. A nagyon lágy anyagból készült felületű részeket - mint a rendszámtábla rezgésének megakadályozására szolgáló hab vagy filc - nem kell figyelembe venni.
2.3.4. Az első vagy a hátsó rendszámtábla felszerelésére szolgáló helynek biztosítania kell, hogy a 3.4. pontban meghatározott, a gyártó utasításainak megfelelően rögzített vizsgálati rendszámtáblát rászerelve teljesüljenek a következő követelmények:
2.3.4.1. Az első vagy a hátsó rendszámtábla felszerelésére szolgáló hely elhelyezkedése:
2.3.4.1.1. A jármű elülső részén a rendszámtábla felszerelésére szolgáló helynek biztosítania kell, hogy a rendszámtáblát teljes egészében azon két függőleges sík között lehessen elhelyezni, amely áthalad a jármű legkülső pontjain, a közvetett látást biztosító eszközöket figyelmen kívül hagyva. Maga a kijelölt hely nem képezheti a jármű legszélső pontját.
2.3.4.1.2. A jármű hátsó részén a rendszámtábla felszerelésére szolgáló helynek biztosítania kell, hogy a rendszámtáblát teljes egészében azon két függőleges sík között lehessen elhelyezni, amely áthalad a jármű legkülső pontjain, a közvetett látást biztosító eszközöket figyelmen kívül hagyva. Maga a kijelölt hely nem képezheti a jármű legszélső pontját.
2.3.4.1.3. Az első és a hátsó rendszámtáblának merőlegesnek kell lennie (± 5°) a jármű hosszirányú középsíkjára, a rendszámtábla közepénél mérve. A típusjóváhagyó hatóság azonban legfeljebb ± 15° tűrést engedélyezhet, ha a gyártó azt kéri, hogy az első rendszámtáblát műszaki, aerodinamikai vagy egyéb okokból a jármű elejének középvonalától eltérő helyen helyezzék el.
2.3.4.2. Az első és hátsó rendszámtábla elhelyezkedése a függőleges keresztirányú síkhoz viszonyítva:
2.3.4.2.1. A rendszámtábla a függőlegeshez képest legfeljebb - 5°-os, illetve legfeljebb 30°-os szöget zárhat be, ha a rendszámtábla felső széle legfeljebb 1 500 mm-re van a talajtól.
2.3.4.2.2. A rendszámtábla a függőlegeshez képest legfeljebb - 15°-os, illetve legfeljebb 5°-os szöget zárhat be, ha a rendszámtábla felső széle több mint 1 500 mm-re van a talajtól.
2.3.4.3. Az első és a hátsó rendszámtábla talajtól mért magassága:
2.3.4.3.1. Az első rendszámtábla alsó szélének legalább 100 mm-re kell lennie a talajtól.
2.3.4.3.2. A hátsó rendszámtábla alsó szélének legalább 200 mm-re kell lennie a talajtól.
2.3.4.3.3. Az első és a hátsó rendszámtábla felső széle és a talaj közötti távolság legfeljebb 1 500 mm lehet.
2.3.4.3.3.1. Különleges rendeltetésű járművek esetében, ahol a jármű felépítése miatt nem lehet betartani az első vagy a hátsó rendszámtábla helyének magasságára vonatkozó rendelkezéseket, a legnagyobb magasság - a 2.3.4.3.3. ponttól eltérve - meghaladhatja az 1 500 mm-t, feltéve, hogy a jármű felépítési jellemzői által megengedett lehető legnagyobb mértékben megközelíti ezt a határt.
2.3.4.4. Geometriai láthatóság:
2.3.4.4.1. Az első és a hátsó rendszámtáblának az alábbi négy síkkal határolt teljes térben láthatónak kell lennie:
a) a tábla két oldalsó szélét érintő két függőleges sík, amely a jármű hosszirányú középsíkjával - kifelé, a tábla bal és jobb oldalán mérve - 30°-os szöget zár be;
b) a tábla felső szélét érintő sík, amely a vízszintes síkkal felfelé 15°-os szöget zár be;
c) a tábla alsó szélén áthaladó vízszintes sík, amennyiben a tábla felső szélének a talajtól mért magassága nem haladja meg az 1 500 mm-t;
d) a tábla alsó szélét érintő sík, amely a vízszintessel lefelé 15°-os szöget zár be, amennyiben a tábla felső szélének a talajtól mért magassága meghaladja az 1 500 mm-t.
Az első rendszámtáblának a jármű elülső része felé, a hátsó rendszámtáblának pedig a jármű hátsó része felé kell láthatónak lennie.
2.3.4.4.2. A fentiekben ismertetett térben nem helyezkedhet el semmilyen szerkezeti elem, akkor sem, ha teljesen átlátszó.
2.3.4.5. A felszerelt és rögzített rendszámtábla szélei, valamint a rendszámtábla helyének tényleges felülete közötti távolság a rendszámtábla teljes körvonala mentén legfeljebb 5,0 mm lehet.
2.3.4.5.1. Ez a távolság túlléphető, ha azt a hálószerűen mintázott felület nyílásában vagy résében, illetve a rácsos felület párhuzamos rúdjai között mérik.
2.3.5. A hátsó rendszámtábla megvilágítására szolgáló berendezésre vonatkozó követelmények szempontjából a felszerelt és rögzített vizsgálati rendszámtábla fent meghatározott tényleges helyzetét és alakját, különösen annak görbületi sugarát kell figyelembe venni.
2.4. Egyéb követelmények
2.4.1. A rendszámtábla nem lehet része a jármű semmilyen más alkatrészének, alkotóelemének vagy berendezésének, továbbá nem szolgálhat alapul ezek felerősítéséhez, rögzítéséhez vagy felcsíptetéséhez (például a világítóberendezések tartóit nem lehet a rendszámtáblára rögzíteni).
2.4.2. A jármű egyetlen alkatrésze, alkotóeleme vagy berendezése, valamint a rendszámtáblatartó sem lazulhat meg vagy válhat le a rendszámtábla levétele következtében.
2.4.3. A felerősített rendszámtábla láthatósága szokásos és rendeltetésszerű használati viszonyok között nem lehet korlátozott, különösen rezgés vagy dinamikus erők, így a menetszél miatt.
2.4.4. Nem megengedett olyan helyet használni a rendszámtábla felszerelésére, amely szokásos vezetési feltételek (például zárt ajtók és szerelőpanelek) mellett könnyen elfordulhat lefelé és/vagy felfelé a 2.3.4.2.1. és a 2.3.4.2.2. pontban megadott szögeken túl a jármű szerkezetéhez képest.
2.4.5. Amennyiben a járműgyártó nyilatkozata szerint egy gépjármű teher vontatására alkalmas (az (EU) 2018/858 rendelet 24. cikkének (1) bekezdésben említett adatközlő lap 2.11.5. pontja), és a megfelelő, az adott gépjárműtípusra felszerelt vagy nem felszerelt mechanikus kapcsolószerkezet valamilyen része (részlegesen) eltakarhatja a hátsó rendszámtábla felszerelésére és rögzítésére szolgáló helyet, a következők alkalmazandók:
a) a gépjármű használati útmutatójában (pl. a gépjármű kézikönyvében) világosan elő kell írni, hogy nem engedélyezett olyan mechanikus kapcsolószerkezet felszerelése, amelyet nem lehet könnyen eltávolítani vagy áthelyezni;
b) az útmutatóban azt is világosan rögzíteni kell, hogy a felszerelt mechanikus kapcsolószerkezetnek mindig eltávolíthatónak vagy áthelyezhetőnek kell lennie, ha nincs használatban; valamint
c) az 55. sz. ENSZ-előírás ( 5 ) szerinti járműrendszer-típusjóváhagyás esetén biztosítani kell, hogy az eltávolításra, áthelyezésre és/vagy alternatív elhelyezésre vonatkozó rendelkezéseket a világítóberendezés, valamint a hátsó rendszámtábla felszerelésére és rögzítésére szolgáló hely tekintetében is teljes mértékben teljesítsék.
3. Vizsgálati eljárás
3.1. A vizsgálati rendszámtábla függőleges dőlésének és a talajtól számított magasságának meghatározása
3.1.1. A járművet sima, vízszintes felületen kell elhelyezni. A kormányzott kerekeknek egyenes helyzetben kell állniuk, és a mérések előtt a jármű tömegét a gyártó által megadott, vezető nélkül számított menetkész tömegre kell kiigazítani.
3.1.2. A hidropneumatikus, hidraulikus vagy pneumatikus felfüggesztésű, illetve a terheléstől függő szintszabályozó berendezéssel felszerelt járműveket a gyártó által meghatározott szokásos üzemi feltételeknek megfelelő felfüggesztéssel vagy berendezéssel kell vizsgálni.
3.1.3. Ha a vizsgálati rendszámtábla elsődleges és látható felülete lefelé néz, a dőlést negatív szögben kell kifejezni.
3.2. A kinyúló részek mérését a rendszámtábla által eltakart tényleges felületre merőlegesen, és közvetlenül az említett felülethez képest kell végezni.
3.3. A felszerelt és rögzített vizsgálati rendszámtábla széle és a felület közötti távolság mérését a rendszámtábla által eltakart tényleges felületre merőlegesen, és közvetlenül az említett felülethez képest kell végezni.
3.4. A megfelelőség ellenőrzéséhez használt rendszámtáblának a 2.2.1. pontban meghatározott két méret valamelyikével kell rendelkeznie, és vastagsága nem haladhatja meg a 4,0 mm-t. A sarkok sugarának 10 mm-esnek kell lennie.
3. RÉSZ
EU-TÍPUSBIZONYÍTVÁNY (JÁRMŰRENDSZER)
Értesítés egy járműtípus típusjóváhagyásának megadásáról / kiterjesztéséről / elutasításáról / visszavonásáról ( 6 ) a rendszámtáblák helye tekintetében, a legutóbb az (EU) .../... rendelettel módosított (EU) 2021/535 [Kérjük, illesszék be e rendelet hivatkozását] rendelet III. mellékletében meghatározott követelményekkel összhangban
Az EU-típusbizonyítvány száma:
A kiterjesztés / elutasítás / visszavonás oka (6) :
I. SZAKASZ
(Az (EU) 2020/683 bizottsági végrehajtási rendelet III. mellékletében található B. minta I. szakaszának megfelelően kell kitölteni.)
II. SZAKASZ
(Az (EU) 2020/683 bizottsági végrehajtási rendelet III. mellékletében található B. minta II. szakaszának megfelelően kell kitölteni.)
Kiegészítés
a(z) ... számú EU-típusbizonyítványhoz
1. Kiegészítő információk:
1.1. A járműtípus rövid ismertetése a szerkezete, méretei, körvonalai és szerkezeti anyagai tekintetében:
1.2. A rendszámtáblák (első és hátsó) helyének leírása:
2. A rendszámtábla helye legfeljebb a következő méretű rendszámtábla rögzítésére alkalmas (mm):
2.1. Első: 520 × 120 / 340 × 240 (2)
2.2. Hátsó: 520 × 120 / 340 × 240 (2)
2.3. A második hátsó rendszámtábla O3 és O4 kategóriájú járművek esetében: 520 × 120/340 × 240 (2)
4. Ha mechanikai kapcsolószerkezetet szerelnek fel, az eltakarja a hátsó rendszámtábla helyét: igen / nem (2)
5. Megjegyzések:
IV. MELLÉKLET
SZÉLVÉDŐTÖRLŐ ÉS SZÉLVÉDŐMOSÓ RENDSZEREK
1. RÉSZ
A. szakasz
Adatközlő lap a gépjárműveknek a szélvédőtörlő és szélvédőmosó rendszereik tekintetében történő EU-típusjóváhagyásához
MINTA
... számú adatközlő lap a gépjárműveknek a szélvédőtörlő és szélvédőmosó rendszereik tekintetében történő EU-típusjóváhagyásához
Az alábbi adatokat három példányban, tartalomjegyzékkel együtt kell benyújtani. A rajzokat vagy ábrákat megfelelő méretarányban és kellő részletességgel, A4-es formátumban vagy A4-es formátumra összehajtva kell benyújtani. A fényképeknek - amennyiben vannak - kellően részletesnek kell lenniük.
0.
0.1.
0.2.
0.2.1.
0.3.
0.3.1.
0.4.
0.5.
0.8.
0.9.
1.
1.1.
3.
3.2.
3.2.1.8.
3.2.5.
3.2.5.1.
3.2.5.2.
3.2.5.2.1.
3.2.5.2.2.
3.3.
3.3.1.1.
3.3.1.2.
3.3.2.
3.3.2.3.
3.4.
3.4.1.
3.4.2.
3.4.4.
3.4.4.5.
3.4.4.6.
4.
4.7.
9.
9.2.
9.4.
9.4.1.
9.5.
9.5.1.
9.5.1.1.
9.5.1.2.
9.5.1.3.
9.5.1.4.
9.5.1.5.
9.6.
9.6.1.
9.7.
9.7.1.
9.8.
9.8.2.
9.10.
9.10.3.
9.10.3.5.
9.10.3.5.1.
9.10.3.6.
9.10.3.6.1. Magyarázó megjegyzések
Ez az adatközlő lap az (EU) 2020/683 bizottsági végrehajtási rendelet I. mellékletében meghatározott mintán alapul, és a fent felsorolt pontokat az említett mintának megfelelően kell kitölteni a vonatkozó információkkal.
B. szakasz
Adatközlő lap a szélvédőmosó rendszerek önálló műszaki egységként történő EU-típusjóváhagyásához
MINTA
... számú adatközlő lap a szélvédőmosó rendszerek önálló műszaki egységként történő EU-típusjóváhagyásához
Az alábbi adatokat három példányban, tartalomjegyzékkel együtt kell benyújtani. A rajzokat vagy ábrákat megfelelő méretarányban és kellő részletességgel, A4-es formátumban vagy A4-es formátumra összehajtva kell benyújtani. A fényképeknek - amennyiben vannak - kellően részletesnek kell lenniük.
Ha az ezen az adatközlő lapon említett rendszerek, alkatrészek vagy önálló műszaki egységek elektronikus vezérléssel működnek, ezek teljesítményére vonatkozóan is kell adatokat szolgáltatni.
0.
0.1.
0.2.
0.3.
0.3.1.
0.4.
0.5.
0.7.
0.8.
0.9.
9.7.
9.7.1. Magyarázó megjegyzések
Ez az adatközlő lap az (EU) 2020/683 bizottsági végrehajtási rendelet I. mellékletében meghatározott mintán alapul, és a fent felsorolt pontokat az említett mintának megfelelően kell kitölteni a vonatkozó információkkal.
2. RÉSZ
MŰSZAKI ELŐÍRÁSOK
1. E melléklet alkalmazásában:
1.1. "törölt terület": a szélvédő azon területe(i), amelye(ke)t a szélvédőtörlő lapát(ok) töröl(nek), amikor a törlőrendszer szokásos körülmények között üzemel;
1.2. "a törlőrendszer szakaszos működése": a törlőrendszer automatikus, nem folyamatos működése, melynek keretében minden teljes ciklust egy olyan szakasz követ, amelynek során a törlőlapátok egy meghatározott helyzetben mozdulatlanok maradnak;
1.3. "a szélvédőmosó kezelőszerve": az a berendezés, amellyel a szélvédőmosó rendszert manuálisan be, illetve ki lehet kapcsolni;
1.4. "szélvédőmosó-szivattyú": az a berendezés, amely a folyadékot a szélvédőmosó-tartályból a szélvédő külső felületére juttatja;
1.5. "fúvóka": az a berendezés, amely a folyadékot a szélvédőre irányítja;
1.6. "teljes kondicionáláson átesett rendszer": olyan rendszer, amelyet szokásos körülmények között működtettek bizonyos ideig, és amelyben a folyadék áthaladt a szivattyún, a csöveken, majd távozott a fúvóká(ko)n;
1.7. "megtisztított terület": az az előzőleg szennyezett terület, amelyen a teljes száradás után nincs vízcseppnyom vagy visszamaradt szennyeződés;
1.8. "A látómező": a biztonsági üvegezésre alkalmas anyagok és azok járművekbe való beszerelésének jóváhagyására vonatkozó egységes rendelkezésekről szóló 43. sz. ENSZ-előírás ( 7 ) 21. mellékletének 2.2. szakaszában meghatározott A vizsgálati terület;
1.9. "B látómező": a 43. sz. ENSZ-előírás 21. mellékletének 2.4. szakaszában meghatározott B vizsgálati terület a 2.4.1. szakaszban meghatározott terület kizárása nélkül (azaz az A látómezőt is tartalmazza);
1.10. "háromdimenziós koordináta-rendszer": a járművek kialakításáról szóló összevont határozat (R.E.3) 1. mellékletében leírt referenciarács;
1.11. "a gépjármű főkapcsolója": az a berendezés, amellyel a gépjármű fedélzeti elektronikai rendszerét kikapcsolt állapotból - amikor a gépjármű parkol, a vezető pedig nincs jelen - rendes üzemmódba kapcsolják.
2. Műszaki követelmények
2.1. Szélvédőtörlő rendszer
2.1.1. Minden, szélvédővel rendelkező járművet fel kell szerelni egy olyan szélvédőtörlő rendszerrel, amelynek működtetéséhez a gépjármű főkapcsolójának bekapcsolása után a vezetőnek nem kell mást tennie, mint bekapcsolt állapotba kapcsolnia a szélvédőtörlő rendszert elindító, illetve leállító kezelőszervet.
2.1.1.1. A szélvédőtörlő rendszernek egy vagy több, egyszerűen cserélhető szélvédőtörlő lapáttal ellátott szélvédőtörlő karból kell állnia.
2.1.2. A szélvédőtörlő rendszer által törölt területnek legalább az A látómező 98 %-át le kell fednie.
2.1.3. A szélvédőtörlő rendszer által törölt területnek legalább a B látómező 80 %-át le kell fednie.
2.1.4. Amikor a szélvédőtörlő rendszer a 2.1.5.1. pont szerinti törlési gyakorisággal működik, az általa törölt területnek meg kell felelnie a 2.1.2. és a 2.1.3. pont követelményeinek; a törölt területet az e melléklet 3.1.10-3.1.10.3. pontjában megállapított feltételek mellett kell vizsgálni.
2.1.5. A szélvédőtörlő rendszernek legalább két törlési gyakorisági fokozattal kell rendelkeznie:
2.1.5.1. egy olyan fokozattal, amely legalább 10 és legfeljebb 55 ciklus/perc törlési gyakoriságot jelent;
2.1.5.2. egy olyan fokozattal, amely legalább 45 teljes ciklus/perc törlési gyakoriságot jelent.
2.1.5.3. A legmagasabb és az egyik alacsonyabb gyakorisági fokozat közötti különbségnek legalább 15 ciklus/percnek kell lennie.
2.1.5.4. A 2.1.5.1-2.1.5.3. pont követelményeit a szélvédőtörlő rendszer szakaszos működtetésével is teljesíteni lehet.
2.1.6. A 2.1.5-2.1.5.3. pontban említett gyakorisági fokozatokat az e melléklet 3.1.1-3.1.6., valamint 3.1.8. pontjában előírt feltételek mellett kell vizsgálni.
2.1.7. Amikor a szélvédőtörlő rendszert a kezelőszerv kikapcsolt állapotba kapcsolásával leállítják, a szélvédőtörlő kar(ok)nak és a szélvédőtörlő lapát(ok)nak nyugvó helyzetbe kell visszatérniük.
2.1.8. A szélvédőtörlő rendszernek legalább 15 másodpercig el kell viselnie, ha elakad. Automatikus áramkörvédelmi eszközök alkalmazása megengedett, feltéve, hogy az esetleges újraindításhoz a szélvédőtörlő kezelőszervének működtetésén kívül más műveletre nincs szükség.
2.1.9. A szélvédőtörlő rendszer azon képességét, hogy a 2.1.8. pontban említett módon elviselje, ha elakad, az e melléklet 3.1.7. pontjában előírt feltételek mellett kell vizsgálni.
2.1.10. Amennyiben a szélvédőtörlő kar(ok) vagy a szélvédőtörlő lapát(ok) nyugvó helyzete nem a B látómezőn kívül található, a szélvédőtörlő karo(ka)t kézzel el kell tudni mozdítani úgy, hogy a szélvédő kézzel történő tisztítása érdekében a szélvédőtörlő lapáto(ka)t fel lehessen emelni a szélvédőről.
2.1.11. A szélvédőtörlő rendszernek - 18 °C-os környezeti hőmérsékleten, száraz szélvédőn 120 másodpercig teljesítményromlás nélkül kell működnie.
2.1.12. A szélvédőtörlő rendszer - 18 °C-on történő működését az e melléklet 3.1.11. pontjában előírt feltételek mellett kell vizsgálni.
2.1.13. A szélvédőtörlő rendszernek akkor is meg kell felelnie a hatékonyság romlása nélkül a 2.1.2. pontban előírt követelményeknek, ha a legnagyobb törlési gyakorisággal működik, és a jármű a legnagyobb tervezési sebességének 80 %-a, illetve 160 km/h közül az alacsonyabb értéknek megfelelő relatív légsebességnek van kitéve. A szélvédő A látómezejét a 3.1.8. és a 3.1.9. pont szerint kell előkészíteni. A szélvédő, valamint a szélvédőtörlő kar(ok) és a szélvédőtörlő lapát(ok) méretével és alakjával összefüggő aerodinamikai hatásokat az említett feltételek mellett, továbbá a 3.1.9.1. pont figyelembevételével kell ellenőrizni. A vizsgálat alatt a szélvédőtörlő lapát(ok)nak érintkeznie (érintkezniük) kell a szélvédővel, nem emelkedhet(nek) fel teljesen. A szélvédőnek a 2.1.2. pontban meghatározott területén a szélvédőtörlő lapát(ok)nak minden teljes ciklus alatt teljes hosszában (hosszukban) érintkeznie (érintkezniük) kell a szélvédővel, részlegesen sem emelkedhet(nek) fel sem a felfelé, sem a lefelé irányuló ütem alatt.
2.2. Szélvédőmosó rendszer
2.2.1. Minden, szélvédővel rendelkező járművet fel kell szerelni egy olyan szélvédőmosó rendszerrel, amely a gépjármű főkapcsolójának bekapcsolása után működőképes, és ellenáll az olyan esetben kialakuló terhelésnek és nyomásnak, amikor a rendszert eltömődött fúvókákkal az e melléklet 3.2.1.1-3.2.1.1.2. pontjában meghatározott eljárás szerint működtetik.
2.2.2. A szélvédőmosó rendszer működését az e melléklet 3.2.1-3.2.5. pontjában meghatározott hőmérsékleti ciklusok nem befolyásolhatják hátrányosan.
2.2.3. A szélvédőmosó rendszernek szokásos feltételek mellett, - 18 °C és 80 °C közötti környezeti hőmérsékleten képesnek kell lennie arra, hogy szivárgásra utaló nyomok, a csövek különválása és a fúvókák működési hibája nélkül folyadékot permetezzen a szélvédő megfelelő területére. Emellett a rendszer a fúvókák eltömődése esetén sem mutathatja szivárgás nyomait, és a csövek sem válhatnak szét.
2.2.3.1. Amennyiben a szélvédőmosó rendszert úgy tervezték, hogy a fúvókák eltömődése esetén a túlnyomást mérséklő funkciót (pl. nyomáscsökkentő szelepet) foglaljon magában, ezt a funkciót a 2.2.3. pont második mondatától eltérve engedélyezni kell, feltéve, hogy teljesülnek a következő feltételek:
a) a rendszerből kilépő folyadék nem jut be egyetlen járműtérbe sem, beleértve a motorházfedél alatti területet is, kivéve, ha kifejezetten a talajfelület felé vezetik vagy irányítják, álló helyzetben, illetve szokásos vezetési feltételek mellett;
b) a szélvédőmosó rendszer a fúvókák eltömődésének teljes eltávolítása után képes a rendes működésre;
c) a normál működés a szélvédőmosó rendszer, a szélvédőtörlő rendszer, az elektromos rendszer vagy bármely más vonatkozó rendszer bármely részének manuális bekapcsolásához, beállításához, újbóli csatlakoztatásához vagy cseréjéhez szükséges további felhasználói beavatkozás nélkül biztosított.
2.2.4. A szélvédőmosó rendszernek képesnek kell lennie arra, hogy az e melléklet 3.2.6-3.2.6.4. pontjában megállapított feltételek mellett az A látómező legalább 60 %-ának a megtisztítására elegendő folyadékot permetezzen a szélvédőre.
2.2.5. A szélvédőmosó rendszernek a kezelőszerve révén manuálisan működtethetőnek kell lennie. Emellett a rendszer bekapcsolását és kikapcsolását a jármű bármely egyéb rendszerével is össze lehet hangolni, illetve egyesíteni lehet.
2.2.6. A folyadéktartály űrtartalmának legalább 1,0 liternek kell lennie.
3. Vizsgálati eljárás
3.1. A szélvédőtörlő rendszerre vonatkozó vizsgálati feltételek
3.1.1. Az alábbi vizsgálatokat eltérő rendelkezések hiányában a 3.1.2-3.1.5. pontban előírt feltételek mellett kell elvégezni.
3.1.2. A környezeti hőmérsékletnek 5 °C és 40 °C között kell lennie.
3.1.3. A szélvédőt folyamatosan nedvesen kell tartani.
3.1.4. Elektromos szélvédőtörlő rendszer esetében az alábbi kiegészítő feltételeket is alkalmazni kell.
3.1.4.1. A vizsgálat elején valamennyi akkumulátornak teljesen feltöltött állapotban kell lennie.
3.1.4.2. A motornak, amennyiben be van szerelve, a legnagyobb teljesítményhez tartozó fordulatszám 30 %-át nem meghaladó fordulatszámon kell működnie. Ha azonban bizonyos motorvezérlési stratégiák miatt ez nem bizonyul kivitelezhetőnek (például elektromos hibrid járművek esetében), reális forgatókönyvet kell kidolgozni, figyelembe véve a motor fordulatszámát, valamint a motorműködés szakaszos vagy teljes hiányát szokásos vezetési feltételek mellett. Ha a szélvédőtörlő rendszer a motor működése nélkül is teljesíteni tudja a követelményeket, akkor a motornak egyáltalán nem kell működnie.
3.1.4.3. A tompított fényszórót be kell kapcsolni.
3.1.4.4. Valamennyi beszerelt fűtő-, szellőztető, jégmentesítő és párátlanító rendszert (a járműben való elhelyezkedésétől függetlenül) a legnagyobb áramfogyasztás mellett kell működtetni.
3.1.5. A sűrített levegővel vagy vákuummal működtetett szélvédőtörlő rendszereknek a motor fordulatszámától és terhelésétől, illetve a gyártó által a rendes működéshez előírt legkisebb és legnagyobb akkumulátortöltési szintektől függetlenül folyamatosan az előírt törlési gyakorisággal kell működniük.
3.1.6. A szélvédőtörlő rendszer törlési gyakoriságának 20 perces, nedves felületen történő előzetes működtetést követően meg kell felelnie a 2.1.5-2.1.5.3. pontban foglalt követelményeknek.
3.1.7. A 2.1.8. pont követelményei akkor teljesülnek, ha a szélvédőtörlő karok 15 másodpercig a ciklus közepének megfelelő helyzetben elakadva maradnak úgy, hogy a szélvédőtörlő rendszer kezelőszerve a legnagyobb törlési gyakoriságra van állítva.
3.1.8. A szélvédő külső felületét alaposan zsírtalanítani kell metilalkohollal vagy bármely, ezzel egyenértékű zsírtalanító szerrel. A száradást követően legalább 3 %-os, de legfeljebb 10 %-os ammóniaoldatot kell rá felvinni. Az így kezelt felületet hagyni kell megszáradni, majd száraz pamutronggyal át kell törölni.
3.1.9. A 4. pont előírásainak megfelelő vizsgálati keveréket egyenletesen fel kell vinni a szélvédő külső felületére és hagyni kell megszáradni.
3.1.9.1. Amennyiben a szélvédő külső felületét a 3.1.8. és a 3.1.9. pont szerint készítették elő, a vonatkozó vizsgálatok alatt használni lehet a szélvédőmosó rendszert.
3.1.10. A szélvédőtörlő rendszer által törölt területet a 2.1.4. pontban foglaltak szerint a következőképpen kell meghatározni:
3.1.10.1. A szélvédő külső felületén a 3.1.8. és a 3.1.9. pont előírásai szerinti kezelést kell elvégezni.
3.1.10.2. A 2.1.2. és 2.1.3. pontban foglalt követelmények teljesülésének ellenőrzéséhez a szélvédőtörlő rendszert - a 3.1.9.1. pontot is figyelembe véve - be kell kapcsolni, a törölt terület körvonalát be kell jelölni és össze kell vetni az A és B látómező körvonalával.
3.1.10.3. A műszaki szolgálat más (például virtuális) vizsgálati eljárást is elfogadhat a 2.1.2. és 2.1.3. pontban előírt követelmények teljesülésének ellenőrzésére.
3.1.11. A 2.1.11. pont követelményeit - 18 ± 3 °C környezeti hőmérsékleten kell teljesíteni, és a vizsgálat előtt a járművet legalább négy órán át ezen a hőmérsékleten kell tárolni. A járművet a 3.1.4-3.1.5. pontban meghatározott feltételek szerint fel kell készíteni a működésre. A vizsgálat alatt a szélvédőtörlő rendszernek a szokásos módon, de a legnagyobb törlési gyakorisággal kell működnie. A törölt területet nem kell megfigyelni.
3.2. A szélvédőmosó rendszerre vonatkozó vizsgálati feltételek
3.2.1.
1. sz. vizsgálat A szélvédőmosó rendszert fel kell tölteni vízzel, teljes kondicionálást kell végrehajtani rajta, és legalább négy órán át 20 ± 2 °C-os környezeti hőmérsékleten kell tartani. A vizet ezen a hőmérsékleten kell stabilizálni.
3.2.1.1. A fúvókák összes nyílását be kell dugaszolni ott, ahol a folyadék kilép a nyílásokon, majd a szélvédőmosó kezelőszervét egy percen belül hatszor, minden alkalommal legalább három másodpercre működésbe kell hozni. Ha azonban a bedugaszolás műszakilag nem kivitelezhető ott, ahol a folyadék kilép, elvégezhető a fúvóka-nyíláso(ko)n belül.
3.2.1.1.1. Ha a szélvédőmosó rendszer a vezető izomerejével működik, kézzel működtetett szivattyú esetében a kifejtett erőnek 11,0-13,5 daN mértékűnek kell lennie. Lábbal működtetett szivattyú esetében a kifejtett erőnek 40,0-44,5 daN mértékűnek kell lennie.
3.2.1.1.2. Elektromos szivattyúk esetében a vizsgálati feszültség nem lehet kevesebb a névleges feszültségnél, és nem lehet több a névleges feszültség plusz 2 V-nál.
3.2.1.2. A szélvédőmosó rendszer teljesítményének a vizsgálat végén meg kell felelnie a 2.2.3. pontban előírt követelményeknek.
3.2.2.
2. sz. vizsgálat A szélvédőmosó rendszert fel kell tölteni vízzel, teljes kondicionálást kell végrehajtani rajta, és legalább négy órán át - 18 ± 3 °C-os környezeti hőmérsékleten kell tartani. A vizet nem kell ezen a hőmérsékleten stabilizálni.
3.2.2.1. A szélvédőmosó kezelőszervét a 3.2.1.1.1. és a 3.2.1.1.2. pont szerint egy percen belül hatszor, minden alkalommal legalább három másodpercre működésbe kell hozni. A rendszert ezután 20 ± 2 °C-os környezeti hőmérsékleten kell tartani, amíg a jég teljesen fel nem olvad. A vizet nem kell ezen a hőmérsékleten stabilizálni. Ezután a szélvédőmosó rendszert a 3.2.1.1-3.2.1.2. pont szerint működtetve ellenőrizni kell a rendszer működését.
3.2.3.
3. sz. vizsgálat Alacsony hőmérsékleten végrehajtott ciklusok vizsgálata
3.2.3.1. A szélvédőmosó rendszert fel kell tölteni vízzel, teljes kondicionálást kell végrehajtani rajta, és legalább négy órán keresztül - 18 ± 3 °C-os környezeti hőmérsékleten kell tartani, hogy a szélvédőmosó rendszerben lévő összes víz megfagyjon. A rendszert ezután 20 ± 2 °C-os környezeti hőmérsékleten kell tartani, amíg a jég teljesen fel nem olvad, de legfeljebb négy órán át. Ezt a fagyasztási/olvasztási ciklust hatszor kell megismételni. Végül, miután a szélvédőmosó rendszert a jég teljes felolvadásáig 20 ± 2 °C-os környezeti hőmérsékleten tartották (noha a vizet nem kell ezen a hőmérsékleten stabilizálni), a rendszert a 3.2.1.1-3.2.1.2. pont szerint működtetve ellenőrizni kell a szélvédőmosó rendszer működését.
3.2.3.2. A szélvédőmosó rendszert fel kell tölteni fagyálló szélvédőmosó folyadékkal, amely 50 %-os metanol vagy izopropil-alkohol és legfeljebb 205 mg/l (Ca) keménységű víz keverékéből áll, és teljes kondicionálást kell végrehajtani a rendszeren. A rendszert legalább négy órán át - 18 ± 3 °C-os környezeti hőmérsékleten kell tartani. A folyadékot nem kell ezen a hőmérsékleten stabilizálni. Ezután a szélvédőmosó rendszert a 3.2.1.1-3.2.1.2. pont szerint működtetve ellenőrizni kell a rendszer működését.
3.2.4.
4. sz. vizsgálat Magas hőmérsékleten végrehajtott ciklusok vizsgálata
3.2.4.1. Ha a szélvédőmosó rendszer valamelyik része a motortérben van elhelyezve, akkor a rendszert teljesen fel kell tölteni vízzel, teljes kondicionálást kell végrehajtani rajta, és legalább nyolc órán keresztül 80 ± 3 °C-os környezeti hőmérsékleten kell tartani. A vizet nem kell ezen a hőmérsékleten stabilizálni. Ezután a szélvédőmosó rendszert a 3.2.1.1-3.2.1.2. pont szerint működtetve ellenőrizni kell a rendszer működését.
3.2.4.2. Ha a szélvédőmosó rendszer egyik része sincs a motortérben elhelyezve, akkor a rendszert teljesen fel kell tölteni vízzel, teljes kondicionálást kell végrehajtani rajta, és legalább nyolc órán keresztül 80 ± 3 °C-os környezeti hőmérsékleten kell tartani. A vizet nem kell ezen a hőmérsékleten stabilizálni. A rendszert ezután 20 ± 2 °C-os környezeti hőmérsékleten kell tartani. Miután a víz hőmérséklete stabilizálódott, a rendszert a 3.2.1.1-3.2.1.2. pont szerint működtetve ellenőrizni kell a szélvédőmosó rendszer működését. Ezt követően a rendszert teljesen fel kell tölteni vízzel, teljes kondicionálást kell végrehajtani rajta, és legalább nyolc órán át 60 ± 3 °C-os környezeti hőmérsékleten kell tartani. A vizet nem kell ezen a hőmérsékleten stabilizálni. Ezután a szélvédőmosó rendszert a 3.2.1.1-3.2.1.2. pont szerint működtetve ellenőrizni kell a rendszer működését. A gyártó kérheti, hogy a szélvédőmosó rendszert ehelyett a 3.2.4.1. pontban előírt feltételek mellett vizsgálják.
3.2.5. A szélvédőmosó rendszernek a 3.2.1-3.2.4.2. pontban meghatározott vizsgálatait ugyanazon a szélvédőmosó rendszeren, egymás után kell elvégezni. A rendszert akár külön, akár abba a járműbe beépítve is lehet vizsgálni, amelyikre az EU-típusjóváhagyást kérik. Amennyiben az EU-típusjóváhagyási kérelem önálló műszaki egységre vonatkozik, a rendszert külön kell vizsgálni.
3.2.6.
5. sz. vizsgálat A szélvédőmosó rendszer alkalmassági vizsgálata
3.2.6.1. A szélvédőmosó rendszert teljesen fel kell tölteni vízzel és teljes kondicionálást kell végrehajtani rajta. Álló jármű mellett és jelentősebb szélhatás hiányában a fúvóká(ka)t a szélvédő külső felületén a célterületre lehet irányítani.
3.2.6.2. A szélvédő külső felületén a 3.1.8. és a 3.1.9. pont előírásai szerinti kezelést kell elvégezni.
3.2.6.3. A szélvédőmosó rendszert a gyártó utasításainak megfelelően kell működtetni, figyelembe véve a 3.2.1.1.1. és a 3.2.1.1.2. pontban foglaltakat. A vizsgálat teljes időtartama nem haladhatja meg a legnagyobb törlési gyakoriságra állított, automatikusan működő szélvédőtörlő rendszer 10 teljes ciklusának hosszát.
3.2.6.4. A 2.2.4. pontban foglalt követelmények teljesülésének ellenőrzéséhez a megfelelő megtisztított terület körvonalát be kell jelölni és össze kell vetni az A látómező körvonalával. Ha megfigyeléssel megállapítható, hogy a követelmények teljesülnek, a körvonalak bejelölése nem szükséges.
3.2.7. A 3.2.6-3.2.6.4. pontban meghatározott vizsgálatot mindig azon a járművön kell elvégezni, amelyikre az EU-típusjóváhagyást kérik, még akkor is, ha jóváhagyott önálló műszaki egység van a járműbe építve.
4. A szélvédőtörlő és szélvédőmosó rendszerek vizsgálatához használt keverékre vonatkozó előírások
4.1. A 3.1.9. pontban említett vizsgálati keveréknek az alábbiakból kell állnia:
4.1.1. 205 mg/l-nél (Ca) kisebb keménységű víz: 92,5 térfogatszázalék
4.1.2. telített vizes sóoldat (nátrium-klorid): 5,0 térfogatszázalék
4.1.3. az alábbi 4.1.3.1-4.1.3.2.6. pont előírásainak megfelelő por: 2,5 térfogatszázalék
4.1.3.1. A vizsgálathoz használt por összetételére vonatkozó előírások
4.1.3.1.1. 68 ± 1 tömegszázalék SiO2
4.1.3.1.2. 4 ± 1 tömegszázalék Fe2O3
4.1.3.1.3. 16 ± 1 tömegszázalék Al2O3
4.1.3.1.4. 3 ± 1 tömegszázalék CaO
4.1.3.1.5. 1,0 ± 0,5 tömegszázalék MgO
4.1.3.1.6. 4 ± 1 tömegszázalék lúg
4.1.3.1.7. 2,5 ± 0,5 tömegszázalék hevítési veszteség
4.1.3.2. A durva szemcséjű por szemcseméret-eloszlására vonatkozó előírások
4.1.3.2.1. 12 ± 2 % 0-5 μm méretű szemcse
4.1.3.2.2. 12 ± 3 % 5-10 μm méretű szemcse
4.1.3.2.3. 14 ± 3 % 10-20 μm méretű szemcse
4.1.3.2.4. 23 ± 3 % 20-40 μm méretű szemcse
4.1.3.2.5. 30 ± 3 % 40-80 μm méretű szemcse
4.1.3.2.6. 9 ± 3 % 80-200 μm méretű szemcse
3. RÉSZ
A. szakasz
EU-TÍPUSBIZONYÍTVÁNY (JÁRMŰRENDSZER)
Értesítés egy járműtípus típusjóváhagyásának megadásáról / kiterjesztéséről / elutasításáról / visszavonásáról ( 8 ) a szélvédőtörlő és szélvédőmosó rendszerek tekintetében, a legutóbb az (EU) .../... rendelettel módosított (EU) 2021/535 [Kérjük, illesszék be e rendelet hivatkozását] rendelet IV. mellékletében meghatározott követelményekkel összhangban
Az EU-típusbizonyítvány száma:
A kiterjesztés / elutasítás / visszavonás oka (8) :
I. SZAKASZ
(Az (EU) 2020/683 bizottsági végrehajtási rendelet III. mellékletében található B. minta I. szakaszának megfelelően kell kitölteni.)
II. SZAKASZ
(Az (EU) 2020/683 bizottsági végrehajtási rendelet III. mellékletében található B. minta II. szakaszának megfelelően kell kitölteni.)
Kiegészítés
a(z) ... számú EU-típusbizonyítványhoz. .
1. Kiegészítő információk:
1.1. A járműtípus rövid ismertetése a szerkezete, méretei, körvonalai és szerkezeti anyagai tekintetében:
1.2. A szélvédőtörlő és szélvédőmosó rendszerek működési módjának leírása:
1.3. A szélvédőtörlő rendszer részletes leírása (többek között a lapátok száma, hossza, a szélvédőtörlő karok méretei stb.):
1.4. A szélvédőmosó rendszer részletes leírása (többek között a fúvókák száma, a fúvókák nyílásainak száma, a szélvédőmosó-szivattyú, a folyadéktartály, a szélvédőmosófolyadék-tömlők, valamint csatlakozásuk a szivattyúhoz és a fúvókákhoz stb.):
1.5. A folyadéktartály űrtartalma (literben):
1.6. A jármű legnagyobb tervezési sebessége (km/h):
2. A vezető helye: bal / jobb (2)
3. A rendszer balkormányos és jobbkormányos járművekben is használható: igen / nem (2)
4. A szélvédőtörlő karra / szélvédőtörlő lapátra (2) aerodinamikai légterelő van felszerelve a vezető oldalán / középen / az utas oldalán / ... (2)
5. Megjegyzések:
B. szakasz
EU-TÍPUSBIZONYÍTVÁNY (ÖNÁLLÓ MŰSZAKI EGYSÉG)
Értesítés egy önálló műszaki egység típusjóváhagyásának megadásáról / kiterjesztéséről / elutasításáról / visszavonásáról ( 9 ) a szélvédőmosó rendszerek típusa tekintetében, a legutóbb az (EU) .../... rendelettel módosított (EU) 2021/535 [Kérjük, illesszék be e rendelet hivatkozását] rendelet IV. mellékletében meghatározott követelményekkel összhangban
Az EU-típusbizonyítvány száma:
A kiterjesztés / elutasítás / visszavonás oka (9) :
I. SZAKASZ
(Az (EU) 2020/683 bizottsági végrehajtási rendelet III. mellékletében található C. minta I. szakaszának megfelelően kell kitölteni.)
II. SZAKASZ
(Az (EU) 2020/683 bizottsági végrehajtási rendelet III. mellékletében található C. minta II. szakaszának megfelelően kell kitölteni.)
Kiegészítés
a(z) ... számú EU-típusbizonyítványhoz
1. Kiegészítő információk:
1.1. Az önálló műszaki egység típusának rövid leírása:
1.2. A szélvédőmosó rendszer részletes leírása:
1.2.1. A fúvókák száma:
1.2.2. A nyílások száma fúvókánként:
1.2.3. A szélvédőmosófolyadék-tömlők, valamint a szivattyúval és a fúvókákkal való csatlakozásuk leírása:
1.2.4. A szélvédőmosó szivattyú leírása:
1.2.5. A folyadéktartály űrtartalma (literben):
2. Vezető helye: bal / jobb (3)
3. A rendszer bármelyik részét el lehet helyezni a motortérben: igen / nem (3)
4. Önálló műszaki egység: univerzális / járműspecifikus (3)
5. Megjegyzések:
6. Azon járműtípusok felsorolása, amelyekhez az önálló műszaki egységet jóváhagyták (adott esetben):
C. szakasz
ÖNÁLLÓ MŰSZAKI EGYSÉG EU-TÍPUSJÓVÁHAGYÁSA
1. Az önálló műszaki egységeknek az (EU) 2018/858 rendelet 38.cikke (2) bekezdésében említett EU-típusjóváhagyási jele a következőkből áll:
1.1. egy téglalap, benne a nyomtatott kis "e" betű, amelyet azon tagállam megkülönböztető száma követ, amely az alkotóelem vagy önálló műszaki egység EU-típusjóváhagyását megadta, az alábbiak szerint:
1 | Németország |
2 | Franciaország |
3 | Olaszország |
4 | Hollandia |
5 | Svédország |
6 | Belgium |
7 | Magyarország |
8 | Cseh Köztársaság |
9 | Spanyolország |
13 | Luxemburg |
12 | Ausztria |
17 | Finnország |
18 | Dánia |
19 | Románia |
20 | Lengyelország |
21 | Portugália |
23 | Görögország |
24 | Írország |
25 | Horvátország |
26 | Szlovénia |
27 | Szlovákia |
29 | Észtország |
32 | Lettország |
34 | Bulgária |
36 | Litvánia |
49 | Ciprus |
50 | Málta |
1.2. A téglalap közelében két számjegy (jelenleg "00") jelzi az azon követelményeket megállapító módosítássorozat számát, amelyeknek az adott önálló műszaki egység megfelel; majd egy szóköz után az (EU) 2018/858 rendelet IV. mellékletének 2.4. pontjában említett ötjegyű szám következik.
2. Az önálló műszaki egységek EU-típusjóváhagyási jelét eltávolíthatatlanul és jól olvashatóan kell elhelyezni.
3. Az 1. ábra az önálló műszaki egységek EU-típusjóváhagyási jelét szemlélteti.
1. ábra
Példa az önálló műszaki egységek EU-típus-jóváhagyási jelére

Magyarázó megjegyzés
Jelmagyarázat Az önálló műszaki egység EU-típusjóváhagyását 00406 sorszámmal Hollandia adta ki. Az első két számjegy (00) azt jelzi, hogy az önálló műszaki egységet e rendelettel összhangban hagyták jóvá.
V. MELLÉKLET
KERÉKDOBOK
1. RÉSZ
Adatközlő lap a járműveknek a kerékdobok tekintetében történő EU-típusjóváhagyásához
MINTA
... számú adatközlő lap a járműveknek a kerékdobok tekintetében történő EU-típusjóváhagyásához
Az alábbi adatokat három példányban, tartalomjegyzékkel együtt kell benyújtani. A rajzokat vagy ábrákat megfelelő méretarányban és kellő részletességgel, A4-es formátumban vagy A4-es formátumra összehajtva kell benyújtani. A fényképeknek - amennyiben vannak - kellően részletesnek kell lenniük.
0.
0.1.
0.2.
0.2.1.
0.3.
0.3.1.
0.4.
0.5.
0.8.
0.9.
1.
1.1.
1.3.
1.3.2.
1.3.3.
2.
2.3.
2.3.1.
2.3.2.
2.3.3.
2.3.4.
2.4.
2.4.1.
2.4.1.2.
2.4.1.3.
2.4.2.
2.4.2.2.
2.4.2.3.
2.6.
6.
6.2.1.
6.6.
6.6.1.
6.6.1.1.
6.6.1.1.1.
6.6.1.1.2. stb.
6.6.4.
9.
9.16.
9.16.1.
9.16.2. Magyarázó megjegyzések
Ez az adatközlő lap az (EU) 2020/683 bizottsági végrehajtási rendelet I. mellékletében meghatározott mintán alapul, és a fent felsorolt pontokat az említett mintának megfelelően kell kitölteni a vonatkozó információkkal.
2. RÉSZ
Műszaki előírások
1. E melléklet alkalmazásában:
1.1. "a gumiabroncs befoglaló teste": a gumiabroncs legnagyobb profilszélessége és külső átmérője a tűrésekkel együtt, az alkotóelem-jóváhagyásban meghatározottaknak megfelelően;
1.2. "a havon való tapadást biztosító eszköz": a jármű gumiabroncs/kerék kombinációjára felszerelhető, a havon való tapadást biztosító hólánc vagy más egyenértékű eszköz, amely nem hó-, téli, univerzális vagy más gumiabroncs.
2. Műszaki követelmények
2.1. Általános követelmények
2.1.1. A jármű minden kerekét kerékdobbal kell ellátni.
2.1.2. A kerékdobot a felépítmény részei vagy különálló sárvédők is alkothatják. Úgy kell kialakítani, hogy lehetőség szerint védje az úthasználókat a kövek, a sár, a jég, a hó és a víz felcsapódásától, és csökkentse a forgó kerekekkel való érintkezés jelentette veszélyt.
2.2. Különleges követelmények
2.2.1. A kerékdoboknak meg kell felelniük a 2.2.1.1-2.2.1.4. pont követelményeinek a gyártó által bejelentett menetkész tömegnek megfelelő tömegre beállított tömegű járművön, amelyben adott esetben egy kísérő utas ül az első üléssorban, és a jármű kormányzott kerekei egyenesen előre néznek.
2.2.1.1. A kerékközép előtti 30°-os és a kerékközép mögötti 50°-os sugárirányú síkok által bezárt részben (lásd az 1. ábrát) a kerékdob teljes szélességének (q) legalább a gumiabroncsok teljes szélességét (b) le kell fednie, figyelembe véve a gumiabroncs befoglaló testét, valamint a kerékabroncs/kerék kombináció(k) gyártó által megadott határhelyzeteit is. Ikerkerekeknél a gumiabroncsok befoglaló testét és a két gumiabroncs teljes szélességét (t) kell figyelembe venni.
2.2.1.1.1. A 2.2.1.1. pontban említett szélességek meghatározásához a gumiabroncs oldalán lévő jelöléseket (címkéket), díszítéseket, védőszalagokat vagy bordákat nem kell figyelembe venni.
2.2.1.2. A kerékdob hátsó része nem érhet véget a kerekek forgástengelye felett 150 mm-re elhelyezkedő vízszintes sík felett, továbbá:
2.2.1.2.1. Szimpla kerekek esetében a kerékdob hátsó széle és a 2.2.1.2. pontban említett vízszintes sík közötti metszéspontnak (lásd az 1. ábra A pontját) a gumiabroncs hosszirányú középsíkján kívül kell elhelyezkednie.
2.2.1.2.2. Ikerkerekek esetében a kerékdob hátsó széle és a 2.2.1.2. pontban említett vízszintes sík közötti metszéspontnak (lásd az 1. ábra A pontját) a külső keréknél a legkülső gumiabroncs hosszirányú középsíkján kívül kell elhelyezkednie.
2.2.1.3. Valamennyi kerékdob alakjának és elhelyezésének olyannak kell lennie, hogy a kerékdobok a lehető legközelebb essenek a gumiabroncshoz. A 2.2.1.1. pontban említett sugárirányú síkok által bezárt részen belül mindenekelőtt a következő követelményeknek kell teljesülniük:
2.2.1.3.1. A gumiabroncs tengelyének függőleges síkjában elhelyezkedő - a kerékdob külső és belső szélétől a kerékdob belsejében található kerékközépen áthaladó függőleges hosszanti síkon mért - bemélyedésnek (p) legalább 30 mm mélynek kell lennie. Ez a mélység (p) fokozatosan nullára csökkenhet a 2.2.1.1. pontban meghatározott sugárirányú síkok irányában.
2.2.1.3.2. A kerékdob alsó szélei és a kerekek forgásközéppontján átmenő tengely közötti távolság (c) nem haladhatja meg a sugár kétszeresét, ahol a sugár (r) a gumiabroncs statikus sugara.
2.2.1.4. Az állítható magasságú felfüggesztéssel rendelkező járműveknél a 2.2.1.3.1. és a 2.2.1.3.2. pontban foglalt követelményeknek akkor kell teljesülniük, amikor a jármű a gyártó által meghatározott szokásos haladási helyzetben van.
2.2.2. A kerékdobok állhatnak több részből, feltéve hogy összeszerelt állapotban nem marad hézag az egyes részekben, illetve közöttük.
2.2.3. A kerékdobokat szilárdan kell rögzíteni. Megengedett azonban, hogy egy egységként vagy alkatrészenként eltávolíthatók legyenek.
2.3. A havon való tapadást biztosító eszközök használata
2.3.1. A csak két hajtott kerékkel rendelkező járműveknél a gyártónak tanúsítania kell, hogy a jármű kialakítása lehetővé teszi, hogy a havon való tapadást biztosító eszközök legalább egy típusát felszereljék a jármű hajtott tengelyére jóváhagyott legalább egy gumiabroncs/kerék kombinációra. A járműtípushoz használható, havon való tapadást biztosító eszközt és gumiabroncs/kerék kombináció(ka)t a gyártó határozza meg az adatközlő lap 6.6.4. rovatában.
2.3.2. Az összkerék-meghajtású járműveknél, beleértve azokat a járműveket is, amelyeknél egyes hajtott tengelyek manuálisan vagy automatikusan lekapcsolhatók, a gyártónak tanúsítania kell, hogy a jármű kialakítása lehetővé teszi, hogy a havon való tapadást biztosító eszközök legalább egy típusát felszereljék a jármű le nem kapcsolható hajtott tengelyére jóváhagyott legalább egy gumiabroncs/kerék kombinációra. A járműtípushoz használható, havon való tapadást biztosító eszközt és gumiabroncs/kerék kombináció(ka)t a gyártó határozza meg az adatközlő lap 6.6.4. rovatában.
2.3.3. A jármű gyártójának a gépjármű használati utasításában (például a jármű kézikönyvében) meg kell adnia a meghatározott havon való tapadást biztosító eszközök helyes használatára vonatkozó megfelelő utasításokat.
1. ábra
A kerékdob rajza

Magyarázó megjegyzés
(1) A gumiabroncs szélességét (b) a gumiabroncs felső részén kell meghatározni (a gumiabroncs profilszélessége a 2.2.1.1. pontban említett sugárirányú síkok között).
3. RÉSZ
EU-TÍPUSBIZONYÍTVÁNY (JÁRMŰRENDSZER)
Értesítés egy járműtípus típusjóváhagyásának megadásáról / kiterjesztéséről / elutasításáról / visszavonásáról ( 10 ) a kerékdobok tekintetében, a legutóbb az (EU) .../... rendelettel módosított (EU) 2021/535 [Kérjük, illesszék be e rendelet hivatkozását] rendelet V. mellékletében meghatározott követelményekkel összhangban
Az EU-típusbizonyítvány száma:
A kiterjesztés / elutasítás / visszavonás oka (10) :
I. SZAKASZ
(Az (EU) 2020/683 bizottsági végrehajtási rendelet III. mellékletében található B. minta I. szakaszának megfelelően kell kitölteni.)
II. SZAKASZ
(Az (EU) 2020/683 bizottsági végrehajtási rendelet III. mellékletében található B. minta II. szakaszának megfelelően kell kitölteni.)
Kiegészítés
a(z) ... számú EU-típusbizonyítványhoz.
1. Kiegészítő információk:
1.1. A járműtípus rövid ismertetése a szerkezete, méretei, körvonalai és szerkezeti anyagai tekintetében:
1.2. A kerékdobok leírása:
1.3. Gumiabroncs/kerék kombináció(k) (megadva a gumiabroncsméretet, a kerékpántméretet és a besajtolási mélységet):
1.4. A járműhöz használható, havon való tapadást biztosító eszköz(ök) leírása:
1.5. A havon való tapadást biztosító eszközzel (eszközökkel) használandó gumiabroncs-kerék kombináció(k) (megadva a gumiabroncsméretet, a kerékpántméretet és a besajtolási mélységet):
2. Folyamatosan hajtott tengely(ek): 1. tengely / 2. tengely / ... (1)
3. Állítható magasságú felfüggesztés: igen / nem (1)
4. Egy egységként / alkatrészenként (1) eltávolítható / nem eltávolítható (1) kerékdobok
5. Megjegyzések:
VI. MELLÉKLET
SZÉLVÉDŐ-JÉGMENTESÍTŐ ÉS -PÁRÁTLANÍTÓ RENDSZEREK
1. RÉSZ
Adatközlő lap a gépjárműveknek a szélvédő-jégmentesítő és -párátlanító rendszerek tekintetében történő EU-típusjóváhagyásához
MINTA
... számú adatközlő lap a gépjárműveknek a szélvédő-jégmentesítő és -párátlanító rendszerek tekintetében történő EU-típusjóváhagyásához
Az alábbi adatokat három példányban, tartalomjegyzékkel együtt kell benyújtani. A rajzokat vagy ábrákat megfelelő méretarányban és kellő részletességgel, A4-es formátumban vagy A4-es formátumra összehajtva kell benyújtani. A fényképeknek - amennyiben vannak - kellően részletesnek kell lenniük.
0.
0.1.
0.2.
0.2.1.
0.3. 0.3.1
0.4.
0.5.
0.8.
0.9.
1.
1.1.
1.6.
1.8.
3.
3.1.
3.1.1.
3.2.
3.2.1.
3.2.1.1.
3.2.1.2.
3.2.1.3.
3.2.1.6.
3.2.1.8.
3.2.2.
3.2.2.1.
3.2.5.
3.2.5.1.
3.2.5.2.
3.2.5.2.1.
3.2.5.2.2.
3.2.7.
3.2.7.1.
3.2.7.2.
3.2.7.2.1.
3.2.7.2.2.
3.2.7.2.3.
3.2.7.2.3.1.
3.2.7.2.3.2.
3.2.7.2.4.
3.2.7.2.5.
3.2.7.3.
3.2.7.3.1.
3.2.7.3.2.
3.2.7.3.2.1.
3.2.7.3.2.2.
3.3.
3.3.1.
3.3.1.1.1.
3.3.1.2.
3.3.2.
3.3.2.1.
3.3.2.2.
3.3.2.3.
3.3.2.4.
3.4.
3.4.1.
3.4.2.
3.4.3.
3.4.3.1.
3.4.3.1.1.
3.4.3.1.2.
3.4.3.1.3.
3.4.4.
3.4.4.1.
3.4.4.2.
3.4.4.3.
3.4.4.4.
3.4.4.5.
3.4.4.6.
3.6.
3.6.1.
3.6.1.1.
3.6.1.2.
3.6.1.2.1.
3.6.1.2.2.
3.6.2.
3.6.3.
9.
9.1.
9.2.
9.3.
9.3.1.
9.4.
9.4.1.
9.4.2.
9.5.
9.5.1.
9.5.1.1.
9.5.1.2.
9.5.1.3.
9.5.1.4.
9.5.1.5.
9.6.
9.6.1.
9.7.
9.7.1.
9.8.
9.8.1.
9.8.2.
9.10.
9.10.1.
9.10.1.1.
9.10.1.3.
9.10.3.
9.10.3.1.
9.10.3.1.1.
9.10.3.5.
9.10.3.5.1.
9.10.3.6.
9.10.3.6.1. Magyarázó megjegyzések
Ez az adatközlő lap az (EU) 2020/683 bizottsági végrehajtási rendelet I. mellékletében meghatározott mintán alapul, és a fent felsorolt pontokat az említett mintának megfelelően kell kitölteni a vonatkozó információkkal.
2. RÉSZ
Műszaki előírások
1. E melléklet alkalmazásában:
1.1. "jégmentesített felület": a szélvédő azon területe, amelynek külső felülete száraz, vagy amelynek külső felületét teljesen vagy részben olvadt (nedves) dér borítja, amelyet a jármű szélvédőtörlő rendszere el tud távolítani;
1.2. "páralecsapódás": az a kondenzátumréteg, amely a szélvédő üvegezett felületének belső oldalán jelenik meg;
1.3. "páramentesített felület": a szélvédő azon területe, amelynek belső felülete száraz és nincsenek rajta vízcseppek vagy -nyomok, miután korábban páralecsapódás borította;
1.4. "A látómező": a 43. sz. ENSZ-előírás 21. mellékletének 2.2. szakaszában meghatározott A vizsgálati terület;
1.5. "B látómező": a 43. sz. ENSZ-előírás 21. mellékletének 2.4. szakaszában meghatározott B vizsgálati terület a 2.4.1. szakaszban meghatározott terület kizárása nélkül (azaz az A látómezőt is tartalmazza);
1.6. "a gépjármű főkapcsolója": az a berendezés, amellyel a gépjármű fedélzeti elektronikai rendszerét kikapcsolt állapotból - amikor a gépjármű parkol, a vezető pedig nincs jelen - rendes üzemmódba kapcsolják.
2. Műszaki követelmények
2.1. A szélvédő jégmentesítése
2.1.1. Minden, szélvédővel rendelkező járművet fel kell szerelni a dérnek és a jégnek a szélvédő külső üvegfelületéről való eltávolítására szolgáló rendszerrel. A szélvédő-jégmentesítő rendszernek kellőképpen hatékonynak kell lennie ahhoz, hogy hideg időben is megfelelő látási viszonyokat biztosítson a szélvédőn át.
2.1.2. A rendszer hatékonyságát úgy kell ellenőrizni, hogy beindítás után rendszeres időközönként meg kell határozni a jégmentesített szélvédőfelület nagyságát, miután a járművet egy ideig hűtőkamrában tartották.
2.1.3. A 2.1.1. és a 2.1.2. pont követelményeinek teljesülését az e melléklet 3.1. pontja szerinti módszerrel kell ellenőrizni.
2.1.4. Az alábbi követelményeknek kell teljesülniük:
2.1.4.1. a vizsgálat megkezdése után 20 perccel az A látómezőnek 80 %-ban jégmentessé kell válnia;
2.1.4.2. a vizsgálat megkezdése után 25 perccel az utas oldalán jégmentesített szélvédőfelületnek megközelítőleg azonos méretűnek kell lennie a 2.1.4.1. pont szerint a vezető oldalára vonatkozóan meghatározott felülettel;
2.1.4.3. a vizsgálat megkezdése után 40 perccel a B látómezőnek 95 %-ban jégmentessé kell válnia.
2.2. A szélvédő párátlanítása
2.2.1. Minden, szélvédővel rendelkező járművet fel kell szerelni a párának a szélvédő belső üvegfelületéről való eltávolítására szolgáló rendszerrel.
2.2.2. A párátlanító rendszernek kellőképpen hatékonynak kell lennie ahhoz, hogy helyreállítsa a szélvédőn keresztüli látási viszonyokat, ha a szélvédő bepárásodott. A rendszer hatékonyságát a 3.2. pontban leírt eljárásnak megfelelően kell ellenőrizni.
2.2.3. Az alábbi követelményeknek kell teljesülniük:
2.2.3.1. az A látómezőnek 10 perc alatt 90 %-ban páramentessé kell válnia;
2.2.3.2. a B látómezőnek 10 perc alatt 80 %-ban páramentessé kell válnia.
3. Vizsgálati eljárások
3.1. A szélvédő jégmentesítése
3.1.1. A vizsgálatot - 8 ± 2 °C vagy - 18 ± 3 °C hőmérsékleten kell végrehajtani, a gyártó döntése szerint.
3.1.1.1. A vizsgálatot akkora hűtőkamrában kell végrehajtani, amelyben az egész jármű elfér, és amely megfelelően fel van szerelve ahhoz, hogy a járművet a vizsgálat teljes ideje alatt a 3.1.1. pontban megadott hőmérsékletek egyikén tartsák, a hideg levegő pedig keringjen. A vizsgálat - melynek során a járművet kiteszik a hideg hatásának - kezdete előtt legalább 24 órával le kell hűteni a hűtőkamrát az előírt vagy annál alacsonyabb hőmérsékletre. Ha azonban ellenőrizhető, hogy a hűtőkamrának a reprezentatív helyeken, például a levegőkimenetnél vagy a falakon mért hőmérséklete az előírt vizsgálati hőmérsékleten stabilizálódott-e, a 24 órás időtartam lerövidíthető.
3.1.2. Mielőtt a járművet a vizsgálathoz használt kamrába helyeznék, a szélvédő belső és külső felületét alaposan zsírtalanítani kell metilalkohollal vagy ezzel egyenértékű zsírtalanító szerrel. A száradást követően legfeljebb 2 %-os vagy addiktív illatanyagok hozzáadása nélküli, kereskedelemben kapható ammóniaoldatot kell rá felvinni. Az így kezelt felületeket hagyni kell megszáradni, majd száraz pamutronggyal át kell törölni.
3.1.3. A járművet le kell állítani, és a vizsgálat megkezdése előtt legalább 10 órán át a vizsgálati hőmérsékleten kell tartani.
3.1.3.1. A 3.1.3. pontban említett időtartam rövidebb is lehet, ha megállapítható, hogy a motor hűtőközegének és kenőanyagának hőmérséklete már stabilizálódott a vizsgálati értéken.
3.1.4. A 3.1.3. pontban előírt idő elteltével a szélvédő teljes külső felületén egyenletes vastagságú, 0,044 g/cm2-es jégréteget kell létrehozni egy 3,5 ± 0,2 bar nyomással működő vízfecskendővel.
3.1.4.1. A fecskendő fúvókáját maximális átfolyásra és úgy kell beállítani, hogy a létrejövő sugár minél szétterjedtebb legyen, a fecskendőt pedig a szélvédőtől 200-250 mm-re, az üvegfelületre merőlegesen kell tartani, és úgy kell irányítani, hogy a szélvédő egyik oldalától a másikig egyenletes vastagságú jégréteg képződjön.
3.1.4.1.1. A 3.1.5. pont követelményeinek teljesítéséhez olyan szórófejre lehet szükség, amely 1,7 mm-es átmérőjű fúvókával és 0,395 liter/perces átbocsátással rendelkezik, és amely az üvegfelülettől 200 mm-es távolságból 300 mm-es átmérőjű területen beszórja az üvegfelületet. Bármely más olyan eszköz is alkalmazható, amellyel teljesíteni lehet az itt leírt követelményeket.
3.1.5. Miután a szélvédőn létrejött a jégréteg, a járművet még legalább 30, de legfeljebb 40 percig a hűtőkamrában kell hagyni.
3.1.6. A 3.1.5. pontban megadott idő eltelte után egy vagy két megfigyelőnek helyet kell foglalnia a járműben, majd a jármű főkapcsolóját bekapcsolt állapotba lehet kapcsolni, és valamelyik motort - szükség esetén külső segédeszköz igénybevételével - el lehet indítani. A jármű főkapcsolójának bekapcsolásával a vizsgálat azonnal kezdetét veszi.
3.1.6.1. Ha a jármű motorral van felszerelve, a vizsgálati idő első öt percében a motort a gyártó által hideg időben való bemelegítésre ajánlott fordulatszámon lehet járatni.
3.1.6.2. A vizsgálat utolsó 35 percében (illetve a teljes vizsgálat során, ha nincs betervezve 5 perces bemelegítési idő) a következő követelmények érvényesek:
3.1.6.2.1. A motornak, amennyiben be van szerelve, a legnagyobb teljesítményhez tartozó fordulatszám 50 %-át nem meghaladó fordulatszámon kell működnie. Ha azonban bizonyos motorvezérlési stratégiák miatt ez nem bizonyul kivitelezhetőnek (például elektromos hibrid járművek esetében), reális forgatókönyvet kell kidolgozni a legrosszabb esetre. A forgatókönyvnek figyelembe kell vennie a motor fordulatszámát, és azt, hogy - 8 °C-os vagy - 18 °C-os környezeti hőmérsékleten (attól függően, hogy a gyártó melyiket választotta vizsgálati hőmérsékletnek) szokásos vezetési feltételek mellett a motorműködés szakaszos vagy teljes hiánya lehet jellemző. Ha a rendszer működő motor nélkül is teljesíteni tudja a jégmentesítésre vonatkozó követelményeket, akkor a motornak egyáltalán nem kell működnie.
3.1.6.3. A vizsgálat elején valamennyi akkumulátornak teljesen feltöltött állapotban kell lennie. Az elektromos erőátviteli rendszerrel rendelkező járművek nagyfeszültségű akkumulátorait azonban 60 %-nál nagyobb mértékben kell feltölteni.
3.1.6.5. A vizsgálathoz használt kamrában a hőmérsékletet a szélvédő magasságában kell mérni, olyan helyen, ahol a vizsgált jármű által leadott hő nem befolyásolja lényegesen a hőmérsékletet.
3.1.6.6. A kamra hűtésére használt levegőáram vízszintes összetevőjének sebességét közvetlenül a vizsgálat előtt, a jármű középsíkjában, a szélvédő alja előtt 300 mm-re, a szélvédő középmagasságában kell mérni; a mért sebességnek a lehető legkisebbnek kell lennie, és semmiképpen sem haladhatja meg a 8 km/h-t.
3.1.6.7. Amennyiben fel vannak szerelve, a motorháztetőnek, a tetőnek, valamennyi ajtónak, ablaknak és szellőzőnyílásnak (kivéve a fűtő- és szellőztetőberendezés be- és kilépő nyílásait) zárva kell lennie, azonban a gyártó kívánságára egy vagy két ablakot függőlegesen összesen legfeljebb 25 mm-re ki lehet nyitni.
3.1.7.8. A jármű jégmentesítő rendszerének kezelőszervét a járműgyártó ajánlásának megfelelően be kell állítani a vizsgálati hőmérsékletre.
3.1.6.9. A szélvédőtörlők a vizsgálat során használhatók, ha ez - a jármű belsejében bármely kezelőszerv használatát leszámítva - kézi segítség nélkül lehetséges.
3.1.7. A megfigyelőnek (megfigyelőknek) a vizsgálat megkezdése után ötperces időközönként meg kell rajzolnia (rajzolniuk) a szélvédő belső oldalán a jégmentesített felület körvonalát.
3.1.8. A vizsgálat befejeztével a 3.1.7. pont szerint fel kell jegyeznie (jegyezniük) a szélvédő belső felületén felrajzolt jégmentesített felület alakját, és meg kell jelölnie (jelölniük) azt az A, illetve a B látómező meghatározásához.
3.2. A szélvédő párátlanítása
3.2.1. Mielőtt a járművet a vizsgálathoz használt kamrába helyeznék, a szélvédő belső és külső felületét alaposan zsírtalanítani kell metilalkohollal vagy ezzel egyenértékű zsírtalanító szerrel. A száradást követően legfeljebb 2 %-os vagy addiktív illatanyagok hozzáadása nélküli, kereskedelemben kapható ammóniaoldatot kell rá felvinni. Az így kezelt felületeket hagyni kell megszáradni, majd száraz pamutronggyal át kell törölni.
3.2.2. A vizsgálatot akkora klímakamrában kell végrehajtani, amelyben az egész jármű elfér, és amely alkalmas arra, hogy - 3 ± 1 °C értékű vizsgálati hőmérsékletet állítson elő és tartson a vizsgálat teljes időtartama alatt.
3.2.2.1. A vizsgálathoz használt kamrában a hőmérsékletet a szélvédő magasságában kell mérni, olyan helyen, ahol a vizsgált jármű által leadott hő nem befolyásolja lényegesen a hőmérsékletet.
3.2.2.2. A kamra hűtésére használt levegőáram vízszintes összetevőjének sebességét közvetlenül a vizsgálat előtt, a jármű középsíkjában, a szélvédő alja előtt 300 mm-re, a szélvédő középmagasságában kell mérni; a mért sebességnek a lehető legkisebbnek kell lennie, és semmiképpen sem haladhatja meg a 8 km/h-t.
3.2.2.3. Amennyiben fel vannak szerelve, a motorháztetőnek, a tetőnek, valamennyi ajtónak, ablaknak és szellőzőnyílásnak (kivéve a fűtő- és szellőztetőberendezés be- és kilépő nyílásait) zárva kell lennie, azonban a gyártó kívánságára a páramentesítési vizsgálat kezdetén egy vagy két ablakot függőlegesen összesen legfeljebb 25 mm-re ki lehet nyitni.
3.2.3. A páralecsapódást a 4. pontban leírt gőzfejlesztővel kell létrehozni. A gőzfejlesztőnek elegendő vizet kell tartalmaznia ahhoz, hogy - 3 °C-os környezeti hőmérsékleten a gyártó által kijelölt valamennyi ülőhelyen legalább 70 ± 5 g/óra gőzt lehessen létrehozni.
3.2.4. Mielőtt a járművet a klímakamrába helyezték, a szélvédő belső felületét a 3.2.1. pontban előírtak szerint meg kell tisztítani. Ezután csökkenteni és - 3 ± 1 °C-on stabilizálni kell a környezeti hőmérsékletet. A járművet le kell állítani, és a vizsgálat megkezdése előtt legalább 10 órán át a vizsgálati hőmérsékleten kell tartani. Ez a 10 órás időtartam azonban rövidebb is lehet, ha megállapítható, hogy a motor hűtőközegének és kenőanyagának hőmérséklete már stabilizálódott az előírt vizsgálati értéken.
3.2.5. A gőzfejlesztőt úgy kell elhelyezni, hogy kivezető nyílásai a jármű középsíkjában, a jármű második üléssorában legyenek. A gőzfejlesztőt általában az első ülések háttámlája mögé kell helyezni. Ha ez az elrendezés a jármű belső terének kialakítása miatt nem lehetséges, akkor a gőzfejlesztőt az üléstámlák előtt kell elhelyezni olyan helyzetben, amely a leginkább megfelel a fentiekben megadottaknak.
3.2.6. Miután a gőzfejlesztő már öt perce működik a járműben, egy vagy két megfigyelőnek mihamarabb be kell szállnia a járműbe úgy, hogy az ajtókat összesen legfeljebb 8 másodpercre nyitja (nyitják) ki, és helyet kell foglalnia (foglalniuk) az első ülése(ke)n; a gőzfejlesztő teljesítményét ekkor megfigyelőnként 70 ± 5 g/óra értékkel csökkenteni kell.
3.2.7. Egy perccel az után, hogy a megfigyelő(k) helyet foglalt(ak) a járműben, a jármű főkapcsolóját bekapcsolt állapotba lehet kapcsolni, és bármelyik motort - szükség esetén külső segédeszköz igénybevételével - el lehet indítani. A jármű főkapcsolójának bekapcsolásával a vizsgálat azonnal kezdetét veszi.
3.2.7.1. Ha a jármű motorral van felszerelve, a legnagyobb teljesítményhez tartozó fordulatszám 50 %-át nem meghaladó fordulatszámon kell működnie. Ha azonban bizonyos motorvezérlési stratégiák miatt ez nem bizonyul kivitelezhetőnek (például elektromos hibrid járművek esetében), reális forgatókönyvet kell kidolgozni a legrosszabb esetre. A forgatókönyvnek figyelembe kell vennie a motor fordulatszámát, és azt, hogy - 1 °C-os környezeti hőmérsékleten szokásos vezetési feltételek mellett a motorműködés szakaszos vagy teljes hiánya lehet jellemző. Ha a rendszer működő motor nélkül is teljesíteni tudja a páramentesítésre vonatkozó követelményeket, akkor a motornak egyáltalán nem kell működnie.
3.2.7.2. A jármű párátlanító rendszerének kezelőszervét a járműgyártó ajánlásának megfelelően be kell állítani a vizsgálati hőmérsékletre.
3.2.7.3. A vizsgálat elején valamennyi akkumulátornak teljesen feltöltött állapotban kell lennie. Az elektromos erőátviteli rendszerrel rendelkező járművek nagyfeszültségű akkumulátorait azonban 60 %-nál nagyobb mértékben kell feltölteni.
3.2.8. A vizsgálat befejezése után a páramentes felület határait rögzíteni kell, fel kell jegyezni, illetve meg kell jelölni az A, illetve a B látómező meghatározásához.
4. A gőzfejlesztő jellemzői
4.1. A vizsgálathoz használt gőzfejlesztőnek a következő általános jellemzőkkel kell rendelkeznie:
4.1.1. A víztartálynak legalább 2,25 literes űrtartalommal kell rendelkeznie.
4.1.2. Forrásponton a hőveszteség nem haladhatja meg a 75 W-ot - 3 ± 1 °C környezeti hőmérsékleten.
4.1.3. A ventilátor kapacitásának 0,07 és 0,10 m3/perc között kell lennie 0,5 mbar statikus nyomáson.
4.1.4. A gőzfejlesztő tetején hat gőzkivezető nyílásnak kell elhelyezkednie, a perem körül egyenlő távolságban (lásd az 1. ábrát).
4.1.5. A gőzfejlesztőt - 3 ± 1 °C-os hőmérsékleten kell kalibrálni, úgy, hogy minden egyes 70 ± 5 g/óra kibocsátást követően leolvasható legyen a mért érték az említett kibocsátási érték legfeljebb n-szereséig, ahol n egyenlő a gyártó által tervezett ülőhelyek maximális számával.
1. ábra
A gőzfejlesztő vázlatos rajza

4.2. Az egyes részeknek az alábbi méretekkel és anyagjellemzőkkel kell rendelkezniük:
4.2.1. Fúvóka
4.2.1.1. Méretek:
4.2.1.1.1. Hossz: 100 mm
4.2.1.1.2. Belső átmérő: 15 mm
4.2.1.2. Anyag:
4.2.1.2.1. Sárgaréz
4.2.2. Diszperziós kamra
4.2.2.1. Méretek:
4.2.2.1.1. A cső külső átmérője 75 mm
4.2.2.1.2. Falvastagság: 0,38 mm
4.2.2.1.3. Hossz: 115 mm
4.2.2.1.4. Hat 6,3 mm átmérőjű, a diszperziós kamra alja felett 25 mm-re, egymástól egyenlő távolságra elhelyezkedő lyuk.
4.2.2.2. Anyag:
4.2.2.2.1. Sárgaréz
3. RÉSZ
EU-TÍPUSBIZONYÍTVÁNY (JÁRMŰRENDSZER)
Értesítés egy járműtípus típusjóváhagyásának megadásáról / kiterjesztéséről / elutasításáról / visszavonásáról ( 11 ) a szélvédő-jégmentesítő és -párátlanító rendszer tekintetében, a legutóbb az (EU) .../... rendelettel módosított (EU) 2021/535 [Kérjük, illesszék be e rendelet hivatkozását] rendelet VI. mellékletében meghatározott követelményekkel összhangban
Az EU-típusbizonyítvány száma:
A kiterjesztés / elutasítás / visszavonás oka (11) :
I. SZAKASZ
(Az (EU) 2020/683 bizottsági végrehajtási rendelet III. mellékletében található B. minta I. szakaszának megfelelően kell kitölteni.)
II. SZAKASZ
(Az (EU) 2020/683 bizottsági végrehajtási rendelet III. mellékletében található B. minta II. szakaszának megfelelően kell kitölteni.)
Kiegészítés
a(z) ... számú EU-típusbizonyítványhoz.
1. Kiegészítő információk:
1.1. A járműtípus rövid ismertetése a szerkezete, méretei, körvonalai és szerkezeti anyagai tekintetében:
1.2. A jégmentesítő és párátlanító rendszerek leírása:
1.3. A belső berendezések vagy szerelvények leírása, melyek befolyásolhatják a vizsgálatok eredményét:
1.4. Az ülőhelyek maximális száma:
1.5. A szélvédő jellemzői:
az alkatrészek vastagsága (mm):
1.6. Az elektromos berendezés névleges feszültsége (V):
2. A vezető helye: bal / jobb (1)
3. Motor: szikragyújtású / kompressziós gyújtású / elektromos / hibrid elektromos / (1)
4. A jégmentesítési vizsgálathoz alkalmazott hőmérséklet: - 8 °C / - 18 °C (1)
5. Megjegyzések:
VII. MELLÉKLET
VONÓBERENDEZÉSEK
1. RÉSZ
Adatközlő lap a gépjárműveknek a vonóberendezések tekintetében történő EU-típusjóváhagyásához
MINTA
... számú adatközlő lap a gépjárműveknek a vonóberendezések tekintetében történő EU-típusjóváhagyásához
Az alábbi adatokat három példányban, tartalomjegyzékkel együtt kell benyújtani. A rajzokat vagy ábrákat megfelelő méretarányban és kellő részletességgel, A4-es formátumban vagy A4-es formátumra összehajtva kell benyújtani. A fényképeknek - amennyiben vannak - kellően részletesnek kell lenniük.
0.
0.1.
0.2.
0.2.1.
0.3.
0.3.1.
0.4.
0.5.
0.8.
0.9.
1.
1.1.
2.
2.8.
2.11.5.
12.
12.3.
12.3.1.
12.3.2.
12.3.3. Magyarázó megjegyzések
Ez az adatközlő lap az (EU) 2020/683 bizottsági végrehajtási rendelet I. mellékletében meghatározott mintán alapul, és a fent felsorolt pontokat az említett mintának megfelelően kell kitölteni a vonatkozó információkkal.
2. RÉSZ
Műszaki előírások
1. Műszaki követelmények
1.1. A berendezések minimális száma
1.1.1. Minden gépjármű elejére vonóberendezést kell felszerelni.
1.1.2. Az (EU) 2018/858 rendelet I. mellékletének A. részében meghatározott M1 kategóriájú járműveket, a teher vontatására nem alkalmas járművek kivételével, hátul is fel kell szerelni vonóberendezéssel.
1.1.3. Az 55. sz. ENSZ-előírással összhangban a hátsó vonóberendezést mechanikus kapcsolószerkezettel is lehet helyettesíteni, feltéve, hogy az 1.2.1. pontban foglalt követelmények teljesülnek.
1.2. Terhelés és stabilitás
1.2.1. A járműre felszerelt valamennyi vonóberendezésnek ellen kell állnia a jármű műszakilag megengedett legnagyobb össztömegének legalább felére ható nehézségi erővel egyenértékű, statikus vonó-, illetve nyomóerőnek.
1.3. Vontatási kapacitás
1.3.1. Annak érdekében, hogy az elakadt gépjárművet el lehessen távolítani az útról a saját kerekein gördülve, lehetővé kell tenni a jármű vontatását vagy vontatásra alkalmas üzemmódba helyezését a jármű kulcsának jelenlétében, a nem erre a célra tervezett különleges szerszámok használata vagy alkatrészek szétszerelése nélkül, a gépjármű használati utasításában a gyártó által megadott eljárás szerint. A gyártó a visszafordíthatatlan károsodás elkerülése érdekében a használati utasításban korlátozhatja a vontatási feltételeket a vontatási sebesség és távolság tekintetében, de ennek lehetővé kell tennie, hogy a vontatási távolság 10 percnél rövidebb idő alatt legalább 100 m legyen.
Az olyan M1 vagy N1 kategóriájú gépjárművek esetében, amelyek kerekeit közvetlenül elektromos motorok hajtják, a gyártónak a jármű használati útmutatójában utasításokat kell adnia annak érdekében, hogy a közúti segélyszolgálatok a járművet különleges szerszámokkal eltávolíthassák, ha a jármű kerekei a vontatás közben nem forognak.
Ez a követelmény nem alkalmazandó, ha a gépjármű olyan mértékben megsérült, hogy a saját kerekein történő vontatás fizikailag nem lehetséges vagy nem biztonságos, vagy ha műszaki hiba miatt a gépjármű főkapcsolója nem kapcsolható be.
2. Vizsgálati eljárás
2.1. A járműre szerelt minden egyes vonóberendezést ki kell tenni mind vonó-, mind nyomóerőnek megfelelő vizsgálati terhelésnek.
2.2. A vizsgálati terhelést a járműhöz viszonyítva vízszintesen, hosszanti irányban kell kifejteni.
3. RÉSZ
EU-TÍPUSBIZONYÍTVÁNY (JÁRMŰRENDSZER)
Értesítés egy járműtípus típusjóváhagyásának megadásáról / kiterjesztéséről / elutasításáról / visszavonásáról ( 12 ) a vonóberendezések tekintetében, a legutóbb az (EU) .../... rendelettel módosított (EU) 2021/535 [Kérjük, illesszék be e rendelet hivatkozását] rendelet VII. mellékletében meghatározott követelményekkel összhangban
Az EU-típusbizonyítvány száma:
A kiterjesztés / elutasítás / visszavonás oka (12) :
I. SZAKASZ
(Az (EU) 2020/683 bizottsági végrehajtási rendelet III. mellékletében található B. minta I. szakaszának megfelelően kell kitölteni.)
II. SZAKASZ
(Az (EU) 2020/683 bizottsági végrehajtási rendelet III. mellékletében található B. minta II. szakaszának megfelelően kell kitölteni.)
Kiegészítés
a(z) ... számú EU-típusbizonyítványhoz...
1. Kiegészítő információk:
1.1. A járműtípus rövid ismertetése a szerkezete, méretei, körvonalai és szerkezeti anyagai tekintetében:
1.2. A vonóberendezések száma és elhelyezkedése:
1.3. A járműhöz való csatlakoztatás módja:
1.4. A jármű műszakilag megengedett legnagyobb össztömege (kg):
2. Elülső vonóberendezés(ek): leszerelhető / nem leszerelhető (1) horog / szem / egyéb (1)
3. Hátsó vonóberendezés(ek): leszerelhető / nem leszerelhető (1) horog / szem / egyéb / nincs (1)
4. A jármű teher vontatására alkalmas / nem alkalmas (1)
5. Megjegyzések:
VIII. MELLÉKLET
A FELCSAPÓDÓ VÍZ ELLENI VÉDŐRENDSZER
1. RÉSZ
A. szakasz
Adatközlő lap a járműveknek a felcsapódó víz elleni védőrendszerek tekintetében történő EU-típusjóváhagyásához
MINTA
... számú adatközlő lap a járműveknek a felcsapódó víz elleni védőrendszerük tekintetében történő EU-típusjóváhagyásához
Az alábbi adatokat három példányban, tartalomjegyzékkel együtt kell benyújtani. A rajzokat vagy ábrákat megfelelő méretarányban és kellő részletességgel, A4-es formátumban vagy A4-es formátumra összehajtva kell benyújtani. A fényképeknek - amennyiben vannak - kellően részletesnek kell lenniük.
0. 0.1
0.2.
0.2.1.
0.3.
0.3.1.
0.4.
0.5.
0.8.
0.9.
1.
1.1.
1.3.
1.3.1.
1.3.2.
2.
2.1.
2.6.
2.6.1.
2.8.
9.
9.20.
9.20.0.
9.20.1.
9.20.2.
9.20.3. Magyarázó megjegyzések
Ez az adatközlő lap az (EU) 2020/683 bizottsági végrehajtási rendelet I. mellékletében meghatározott mintán alapul, és a fent felsorolt pontokat az említett mintának megfelelően kell kitölteni a vonatkozó információkkal.
B. szakasz
Adatközlő lap egy önálló műszaki egység típusának a felcsapódó víz elleni védőrendszerek tekintetében történő EU-típusjóváhagyásához
MINTA
... számú adatközlő lap a felcsapódó víz elleni védőrendszerek önálló műszaki egységként történő EU-típusjóváhagyásához
Az alábbi adatokat három példányban, tartalomjegyzékkel együtt kell benyújtani. A rajzokat vagy ábrákat megfelelő méretarányban és kellő részletességgel, A4-es formátumban vagy A4-es formátumra összehajtva kell benyújtani. A fényképeknek - amennyiben vannak - kellően részletesnek kell lenniük.
Ha az ezen az adatközlő lapon említett rendszerek, alkatrészek vagy önálló műszaki egységek elektronikus vezérléssel működnek, ezek teljesítményére vonatkozóan is kell adatokat szolgáltatni.
0.
0.1.
0.2.
0.5.
0.7.
0.8.
0.9.
1.
1.1.
1.2.
1.3. Magyarázó megjegyzések
Ez az adatközlő lap az (EU) 2020/683 bizottsági végrehajtási rendelet I. mellékletében meghatározott mintán alapul, és a fent felsorolt pontokat az említett mintának megfelelően kell kitölteni a vonatkozó információkkal.
2. RÉSZ
Műszaki előírások
1. E melléklet alkalmazásában:
1.1. "sárvédő": olyan merev vagy félmerev alkotóelem, amelynek célja a mozgó gumiabroncsok által felhordott víz megállítása és a talajfelszín felé történő irányítása. A sárvédők teljesen vagy részlegesen a jármű felépítményének vagy egyéb részeinek (például a rakfelület alsó részének stb.) szerves részét képezhetik;
1.2. "sárfogó": olyan rugalmas alkotóelem, amelyet függőlegesen a kerék mögé, az alváz vagy a rakfelület alsó részére vagy a sárvédőre szerelnek. A sárfogó feladata, hogy csökkentse a gumiabroncsok által a talajról felszedett kisebb tárgyak - elsősorban kavicsok - felfelé vagy oldalra, a többi úthasználó irányába történő kirepülésének a kockázatát;
1.3. "levegő/víz szétválasztó": a sárvédő kötény és/vagy a sárfogó részét képező alkotóelem, amely átereszti a levegőt, miközben csökkenti a porlasztott víz szóródását;
1.4. "energiaelnyelő": a sárvédő és/vagy a sárvédő kötény és/vagy a sárfogó részét képező alkotóelem, amely elnyeli a vízpermet energiáját, és ily módon csökkenti a porlasztott víz szóródásának a mértékét;
1.5. "külső sárvédő kötény": a jármű hosszirányú síkjával párhuzamos, körülbelül függőleges síkban elhelyezkedő alkotóelem, amely a sárvédő vagy a jármű felépítményének a részét képezheti;
1.6. "kormányzott kerekek": olyan kerekek, amelyeket a jármű kormányrendszere hoz működésbe;
1.7. "önbeálló tengely": valamely központi ponthoz forgócsappal rögzített olyan tengely, amely vízszintes ív leírására képes;
1.8. "saját kormányzású kerekek": olyan kerekek, amelyeket nem a jármű kormányberendezése működtet, és amelyek - a talajjal való súrlódás következtében - legfeljebb 20o-os szögben tudnak elfordulni;
1.9. "felemelhető tengely": a XIII. melléklet 2. része A. szakaszának 1.34. pontjában meghatározott tengely;
1.10. "terheletlen jármű": a XIII. melléklet 2. része A. szakaszának 1.3. pontja szerinti menetkész jármű;
1.11. "futófelület": a gumiabroncsnak a 30. sz. ENSZ-előírás ( 13 ) 2.8. pontjában vagy adott esetben az 54. sz. ENSZ-előírásban ( 14 ) meghatározott része;
2. A felcsapódó víz elleni védőeszközök
2.1. Általános követelmények
A felcsapódó víz elleni védőeszközöket úgy kell kialakítani, hogy azok nedves úton szokásos üzemi körülmények között megfelelően működjenek. Ezen túlmenően a felcsapódó víz elleni védőeszközök megfelelő működését, illetve viselkedését semmilyen szerkezeti vagy gyártási hiba nem gyengítheti.
2.2. Szükséges vizsgálatok
Fizikai működési alapelvüktől függően a felcsapódó víz elleni védőeszközöket a 3.1. és a 3.2. pontban leírt vonatkozó vizsgálatoknak kell alávetni, és a berendezéseknek a 3.1.5 és a 3.2.5. pontban előírt eredményeket kell elérniük.
2.3. A típusjóváhagyási vizsgálatok elvégzéséért felelős műszaki szolgálathoz a következőket kell benyújtani:
A minták közül hármat kell felhasználni a vizsgálatokhoz, a negyediket pedig a vizsgálati laboratóriumnak meg kell őriznie későbbi ellenőrzés céljából. A vizsgálati laboratórium további mintákat is igényelhet.
2.4. Jelölések
Minden egyes mintán egyértelműen és eltávolíthatatlanul fel kell tüntetni a kereskedelmi nevet vagy védjegyet és a típus jelét, továbbá elegendő helyet kell kihagyni az alkotóelemre vonatkozó EU-típusjóváhagyási jel számára.
2.5. Az energiaelnyelő típusú berendezések esetében "A" betűvel, a levegő/víz szétválasztó típusú berendezések esetében "S" betűvel kell kiegészíteni a jóváhagyási jelet a 3. rész C. szakaszával összhangban.
3. Vizsgálati eljárások
Fizikai működési alapelvüktől függően a felcsapódó víz elleni védőeszközöket a 3.1. és a 3.2. pontban leírt vonatkozó vizsgálatoknak kell alávetni, és a berendezéseknek az említett szakaszokban (a 3.1.5. és a 3.2.5. pontban) előírt eredményeket kell elérniük.
3.1. Az energiaelnyelő típusú, felcsapódó víz elleni védőeszközökre vonatkozó vizsgálatok
3.1.1. Alapelv
E vizsgálat célja annak számszerűsítése, hogy egy berendezés milyen mértékben képes visszatartani a fúvókasorból ráirányított vizet. A vizsgálati berendezés célja azoknak a körülményeknek a reprodukálása, amelyek között a berendezésnek valamely járműre történő felszerelését követően működnie kell, legalábbis ami a gumiabroncs futófelülete által a talajról felhordott víz mennyiségét és sebességét illeti.
3.1.2. Felszerelés
A vizsgálati felszerelések leírását lásd a függelék 8. ábráján.
3.1.3. Vizsgálati körülmények
3.1.3.1. A vizsgálatokat zárt helyiségben, légmozgás nélküli környezetben kell elvégezni.
3.1.3.2. A környezeti hőmérsékletnek és a vizsgált darabok hőmérsékletének 21 (± 3) °C-nak kell lennie.
3.1.3.3. Ionmentes vizet kell használni.
3.1.3.4. A vizsgált darabokat mindegyik vizsgálathoz nedvesítéssel kell előkészíteni.
3.1.4. Eljárás
3.1.4.1. A vizsgálandó eszköznek egy 500 (+ 0/- 5) mm széles és 750 mm hosszú mintáját a vizsgálóberendezés függőleges vázához kell erősíteni, meggyőződve arról, hogy a minta jól helyezkedik el a gyűjtőtartály határfelületei között, továbbá hogy a vizet semmilyen akadály nem tudja eltéríteni sem a becsapódás előtt, sem azután.
3.1.4.2. A víz áramlási sebességét 0,675 (+/- 0,01) l/s értékre kell beállítani, és 500 (+/- 2) mm-es vízszintes távolságból rá kell irányítani a mintára legalább 90 liter, de legfeljebb 120 liter vizet (lásd a függelék 8. ábráját).
3.1.4.3. Hagyni kell, hogy a víz a mintáról a gyűjtőtartályba csepegjen. Ki kell számítani az összegyűjtött víznek a szétszóródott víz mennyiségéhez viszonyított százalékos arányát.
3.1.4.4. A vizsgálatot ötször kell elvégezni a mintán a 3.1.4.2. és a 3.1.4.3. pontnak megfelelően. Ki kell számítani az öt vizsgálatból álló sorozat átlagos százalékos arányát.
3.1.5. Eredmények
3.1.5.1. A 3.1.4.4. pontban kiszámított átlagos százalékos aránynak legalább 70 %-nak kell lennie.
3.1.5.2. Amennyiben egy öt vizsgálatból álló sorozatban az összegyűjtött víz legnagyobb és legkisebb százalékos aránya több mint 5 %-kal eltér az átlagértéktől, az öt vizsgálatból álló sorozatot meg kell ismételni.
Amennyiben a második öt vizsgálatból álló sorozatban a visszanyert víz legnagyobb és legkisebb százalékos aránya ismét több mint 5 %-kal eltér az átlagértéktől, és ha az alsó érték nem felel meg a 3.1.5.1. pont követelményeinek, akkor a típusjóváhagyás nem adható meg.
3.1.5.3. Ellenőrizni kell, hogy a berendezés függőleges helyzete befolyásolja-e a kapott eredményeket. Ha igen, akkor a 3.1.4.1-3.1.4.4. pontban leírt eljárást meg kell ismételni azokban a helyzetekben, amelyek az összegyűjtött víz legnagyobb és legkisebb százalékos arányát eredményezték; a 3.1.5.2. pont szerinti követelményeket kell alkalmazni.
Az átlagos százalékos arány kiszámításához az egyes eredmények középértékét kell figyelembe venni. Az átlagos százalékos aránynak legalább 70-nek kell lennie.
3.2. A levegő/víz szétválasztó típusú, felcsapódó víz elleni védőeszközökre vonatkozó vizsgálat
3.2.1. Alapelv
A vizsgálat célja egy túlnyomásos levegő/víz porlasztó segítségével vízzel bepermetezett, vízvisszatartásra szolgáló porózus anyag hatékonyságának a meghatározása.
A vizsgálóberendezésnek azokat a körülményeket kell szimulálnia, amelyeknek a járműre felszerelt berendezés ki lenne téve a gumiabroncs által a talajról felhordott víz mennyisége és sebessége szempontjából.
3.2.2. Berendezés
A vizsgálati berendezés leírását lásd a függelék 9. ábráján.
3.2.3. Vizsgálati körülmények
3.2.3.1. A vizsgálatokat zárt helyiségben, légmozgás nélküli környezetben kell elvégezni.
3.2.3.2. A környezeti hőmérsékletnek és a vizsgált darabok hőmérsékletének 21 (± 3) °C-nak kell lennie.
3.2.3.3. Ionmentes vizet kell használni.
3.2.3.4. A vizsgált darabokat mindegyik vizsgálathoz nedvesítéssel kell előkészíteni.
3.2.4. Eljárás
3.2.4.1. Egy 305 × 100 mm-es mintát függőlegesen rögzíteni kell a vizsgálati berendezésben. Gondoskodni kell arról, hogy a minta és a felső ívelt lemez között ne legyen rés, valamint hogy a tálca megfelelő helyzetben legyen. A porlasztótartályt meg kell tölteni 1 ± 0,005 liter vízzel, és az ábrán látható módon kell elhelyezni.
3.2.4.2. A porlasztót a következők szerint kell beállítani:
a) nyomás (a porlasztónál): 5 bar + 10 % / - 0 %;
b) áramlási sebesség: 1 liter/perc ± 5 mp;
c) porlasztás: körkörös, 50 ± 5 mm átmérőjű, a mintától 200 ± 5 mm-re, 5 ± 0,1 mm átmérőjű fúvókával.
3.2.4.3. A vizet addig kell porlasztani, amíg eloszlik a vízköd, és fel kell jegyezni az eltelt időt. Hagyni kell, hogy a víz 60 másodpercen keresztül a mintából a tálcára folyjon, majd meg kell mérni az összegyűjtött víz mennyiségét. A porlasztótartályban maradt víz mennyiségét is meg kell mérni. Ki kell számítani az összegyűjtött víz térfogatának a szétszóródott víz térfogatához viszonyított százalékos arányát.
3.2.4.4. A vizsgálatot ötször kell elvégezni, és ki kell számítani az összegyűjtött mennyiség átlagos százalékos arányát. Minden egyes vizsgálat előtt ellenőrizni kell a tálca, a porlasztótartály, valamint a mérőedény száraz voltát.
3.2.5. Eredmények
3.2.5.1. A 3.2.4.4. ponttal összhangban kiszámított átlagos százalékos aránynak legalább 85 %-nak kell lennie.
3.2.5.2. Amennyiben egy öt vizsgálatból álló sorozatban az összegyűjtött víz legnagyobb és legkisebb százalékos aránya több mint 5 %-kal eltér az átlagértéktől, az öt vizsgálatból álló sorozatot meg kell ismételni. Amennyiben a második öt vizsgálatból álló sorozatban a visszanyert víz legnagyobb és legkisebb százalékos aránya ismét több mint 5 %-kal eltér az átlagértéktől, és ha az alsó érték nem felel meg a 3.2.5.1. pont követelményeinek, akkor a típusjóváhagyás nem adható meg.
3.2.5.3. Amennyiben a berendezés függőleges helyzete befolyásolja a kapott eredményeket, úgy a 3.2.4.1-3.2.4.4. pontban leírt eljárást olyan helyzetekben kell megismételni, amelyek az összegyűjtött víz legnagyobb és legkisebb százalékos arányát eredményezik; a 3.2.5.2. pont szerinti követelményeket kell alkalmazni.
Az egyes vizsgálatok eredménye szempontjából a 3.2.5.1. pont követelményeit kell érvényesnek tekinteni.
4. A járműveknek a felcsapódó víz elleni védőrendszereik tekintetében történő típusjóváhagyására vonatkozó követelmények
4.1. Az (EU) 2018/858 rendelet I. mellékletében meghatározott terepjáró járművek kivételével az N és O kategóriájú járműveket az e mellékletben foglalt követelményeknek megfelelően kell kialakítani és/vagy a felcsapódó víz elleni védőrendszerekkel kell felszerelni. Az alvázas/vezetőfülkés járművek esetében ezek a követelmények csak a vezetőfülke által fedett kerekekre alkalmazhatók.
A gyártó döntése szerint a legfeljebb 7,5 tonna megengedett legnagyobb össztömegű N1 és N2 kategóriájú járművek, valamint az O1 és O2 kategóriájú járművek esetében az e mellékletben meghatározott követelmények helyett az V. melléklet 2. részében az M1 kategóriájú járművekre vonatkozóan megállapított követelmények is alkalmazhatók. Ilyen esetben az adatközlő lapnak tartalmaznia kell a kerékdobokra vonatkozó valamennyi adatot, amelyet az V. melléklet 1. része meghatároz.
4.2. A 2. cikk (19) bekezdésében meghatározott, felcsapódó víz elleni védőeszközökre vonatkozóan e mellékletben megállapított követelmények nem kötelezőek a legfeljebb 7,5 tonna megengedett legnagyobb össztömegű N, O1 és O2 kategóriájú járművek, az alvázas/vezetőfülkés járművek, a felépítmény nélküli járművek vagy az olyan járművek esetében, ahol a felcsapódó víz elleni védőeszközök jelenléte összeegyeztethetetlen a jármű használati módjával. Ha azonban e járműveket mégis ellátják ilyen védőeszközökkel, akkor azoknak teljesíteniük kell az e rendeletben foglalt követelményeket.
4.3. A jóváhagyási vizsgálatokat végző műszaki szolgálat rendelkezésére kell bocsátani egy felcsapódó víz elleni védőrendszerrel felszerelt, a jóváhagyandó járműtípust képviselő járművet.
Általános követelmények
4.4. Tengelyek
4.4.1. Felemelhető tengelyek
Ha valamely jármű egy vagy több felemelhető tengellyel van ellátva, akkor a felcsapódó víz elleni védőrendszernek a tengely leengedésekor valamennyi kereket, a tengely felemelésekor pedig a talajjal érintkező kerekeket kell takarnia.
4.4.2. Önbeálló tengelyek
E rendelet alkalmazásában a "forgócsapos kormányzású" önbeálló tengelyt kormányzott kerekekkel ellátott tengelyként kell kezelni.
Ha valamely jármű önbeálló tengellyel van ellátva, akkor a felcsapódó víz elleni védőrendszernek - amennyiben a forgórészre van felszerelve - a nem kormányzott kerekekre vonatkozó feltételeket kell teljesítenie. Amennyiben viszont nem a forgórészre van szerelve, akkor a felcsapódó víz elleni védőrendszernek a kormányzott kerekekre vonatkozó feltételeknek kell megfelelnie.
4.5. A külső sárvédő kötény helyzete
A külső gumiabroncsfal hosszirányú érintő síkja - eltekintve a gumiabroncs útfelület-közeli kiboltosodásától - és a sárvédő kötény belső széle közötti "c" távolság nem lehet nagyobb 100 mm-nél (lásd a függelék 1a. és 1b. ábráját).
4.6. A jármű állapota
Az e rendeletnek való megfelelés ellenőrzésekor a járműnek terheletlen állapotban kell lennie, kerekeinek egyenesen kell állniuk, gumiabroncsait pedig normál nyomásra kell felfújni.
Félpótkocsik esetében a rakodófelületeknek vízszintesnek kell lenniük, és a gumiabroncsokat normál nyomásra kell felfújni.
4.7. A felcsapódó víz elleni védőrendszer
4.7.1. A felcsapódó víz elleni védőrendszernek a 4.8. vagy a 4.10. pontban foglalt követelményeknek kell megfelelnie.
4.7.2. A felépítmény padlója, illetve a rakfelület alsó része által takart nem kormányzott, illetve saját kormányzású kerekek felcsapódó víz elleni védőrendszerének a 4.8. vagy 4.10. pontban foglalt, vagy a 4.9. pontban foglalt követelményeknek kell megfelelnie.
Különleges követelmények
4.8. Az energiaelnyelő típusú, felcsapódó víz elleni védőrendszerekkel kapcsolatos követelmények kormányzott, saját kormányzású vagy nem kormányzott kerekekkel ellátott tengelyek esetében
4.8.1. Sárvédők
4.8.1.1. A sárvédőknek a közvetlenül a gumiabroncs vagy gumiabroncsok fölötti, előtti és mögötti zónát a következőképpen kell takarniuk:
a) szimpla tengely vagy tengelycsoport esetében az elülső szélnek (C) úgy kell előrenyúlnia, hogy elérje azt az O-Z vonalat, ahol a θ (téta) szög = a vízszintes sík fölött legfeljebb 45°.
A leghátsó szélnek (lásd a függelék 2. ábráját) oly módon kell lefelé nyúlnia, hogy legfeljebb 100 mm-rel legyen a kerék középpontján keresztülhaladó vízszintes vonal fölött;
b) tengelycsoportok esetében a θ szög csak a legelső tengelyre vonatkozik, a leghátsó szél magasságával kapcsolatos követelmény pedig csak a leghátsó tengelyre vonatkozik;
c) a sárvédőnek legalább akkor teljes "q" szélességgel (lásd a függelék 1a. ábráját) kell rendelkeznie, hogy elfedje a gumiabroncs "b" vagy - ikerkerekek esetében - két gumiabroncs "t" teljes szélességét, figyelembe véve a gumiabroncs/kerék egységnek a gyártó által meghatározott határhelyzeteit. A "b" és "t" méreteket a kerékagy magasságában kell mérni, figyelmen kívül hagyva a gumiabroncsfalakon található összes jelzést, bordát, védőszalagot stb.
4.8.1.2. A sárvédő hátsó részének elülső oldalára egy, a 3.1. pont szerinti előírásoknak megfelelő felcsapódó víz elleni védőeszközt kell felszerelni. Ennek az anyagnak a kerék középpontjától induló és a vízszintes síkkal legalább 30°-os szöget bezáró egyenes vonal által meghatározott magasságig kell fednie a sárvédő belső oldalát (lásd a függelék 3. ábráját).
4.8.1.3. Ha a felszerelt sárvédők több alkotóelemből állnak, akkor azokon nem lehet semmilyen olyan nyílás, amelyen a jármű mozgása közben vízpermet hatolhat át. Ez a követelmény akkor tekinthető teljesítettnek, ha a jármű akár terhelt, akár terheletlen állapotában a kerék középpontjából kifelé a gumiabroncs futófelületének teljes szélességén és a sárvédők által takart tartományon belül áramló radiális vízsugár mindig nekiütközik a felcsapódó víz elleni védőrendszer egy részének.
4.8.2. Külső sárvédő kötények
4.8.2.1. Szimpla tengelyek esetében a külső sárvédő kötény alsó széle nem helyezkedhet el az alábbi, a kerék középpontjától mért távolságokon és sugarakon kívül, a legalsó szélső pontok kivételével, amelyek le lehetnek kerekítve (lásd a függelék 2. ábráját).
Pneumatikus felfüggesztés: | |
a) kormányzott vagy saját kormányzású kerekekkel ellátott tengelyek esetében: az elülső széltől (a jármű eleje felé) (C csúcs) — a hátsó szélig (a jármű hátulja felé) (A csúcs) | Rv ≤ 1,5 R |
b) nem kormányzott kerekekkel ellátott tengelyek esetében: — az elülső széltől (C csúcs) — a hátsó szélig (A csúcs) | Rv ≤ 1,25 R |
Mechanikus felfüggesztés: | |
a) általános eset: Rv ≤ 1,8 R | |
b) nem kormányzott kerekek olyan járművek esetében, amelyek műszakilag megengedett legnagyobb össztömege több, mint 7,5 t: Rv ≤ 1,5 R |
ahol R a járműre szerelt gumiabroncs sugara, Rv pedig az a sugárirányú távolság, amelynél a külső sárvédő perem alsó széle elhelyezkedik.
4.8.2.2. Tengelycsoportok esetében a 4.8.2.1. pontban meghatározott követelmények nem vonatkoznak az első és az utolsó tengely középpontján áthaladó függőleges keresztirányú síkok közötti részre, ahol a külső sárvédő kötények egyenesek lehetnek a felcsapódó víz elleni védőrendszer folytonosságának biztosítása érdekében (lásd a függelék 4. ábráját).
4.8.2.3. A felcsapódó víz elleni védőrendszer legfelső és legalsó pontja (a sárvédő és a külső sárvédő kötény) közötti távolság - a sárvédőre merőleges bármelyik keresztmetszetben mérve (lásd a függelék 1b. és 2. ábráját) - a kerék középpontján vagy tengelycsoportok esetében az első kerék középpontján keresztülhaladó függőleges vonal mögötti egyik pontnál sem lehet 45 mm-nél kevesebb. Ez a távolság e függőleges vonal előtt fokozatosan csökkenhet.
4.8.2.4. A külső sárvédő kötényeken, illetve a külső sárvédő kötények és a sárvédők egyéb részei között nem lehet olyan nyílás, amely a jármű mozgása közben lehetővé teszi a vízpermet kiszivárgását.
4.8.2.5. A 4.8.2.3. és a 4.8.2.4. pont követelményeit nem szükséges helyileg figyelembe venni, ha a sárvédő kötény több különböző, egymáshoz képest elmozduló elemből tevődik össze.
4.8.2.6. Az (ISO 612:1978 szabvány 6.20. pontjában meghatározott) alacsony alvázú félpótkocsikhoz használható vontatók, nevezetesen azok, amelyek nyeregtalpának a magassága legfeljebb 1 100 mm, megtervezhetők olyan módon, hogy mentesüljenek a 4.8.1.1. a), a 4.8.1.3. és a 4.8.2.4. pont követelményei alól. Ebben a tekintetben, amikor az említett vontatók félpótkocsihoz vannak csatlakoztatva, a sárvédők és a sárvédő kötények nem takarhatják el a hátsó tengelyek gumiabroncsai fölött közvetlenül elhelyezkedő területet annak érdekében, hogy a felcsapódó víz elleni védőrendszer ne váljon használhatatlanná. Az ilyen járművek sárvédőinek és sárvédő kötényeinek azonban meg kell felelniük a 4.8.1.1. a), a 4.8.1.3. és a 4.8.2.4. pont követelményeinek azokban a szakaszokban, amelyek 60o-nál nagyobb szöget zárnak be a kerék középpontján áthaladó függőleges vonallal, e gumiabroncsok előtt és mögött.
Ezért az első bekezdésben említett járműveket úgy kell megtervezni, hogy megfeleljenek az első bekezdésben meghatározott követelményeknek, amikor félpótkocsi nélkül közlekednek.
Az első bekezdésben meghatározott követelmények teljesítése érdekében a sárvédők és a sárvédő kötények eltávolítható alkatrészt is tartalmazhatnak.
4.8.3. Sárfogók
4.8.3.1. A sárfogó szélességének teljesítenie kell a 4.8.1.1. c) pontban megadott, "q"-ra vonatkozó követelményt, kivéve, amikor a sárfogó valamely része a sárvédővel közös. Ilyen esetben a sárfogó említett részének legalább olyan szélesnek kell lennie, mint a gumiabroncs futófelülete.
A sárfogók sárvédő alatt elhelyezkedő részének szélessége meg kell, hogy feleljen az első bekezdésben foglalt feltételnek, mindkét oldalon ± 10 mm tűréssel.
4.8.3.2. A sárfogónak alapvetően függőleges irányban kell elhelyezkednie.
4.8.3.3. Az alsó szél legnagyobb magassága nem haladhatja meg a 200 mm-t (lásd a függelék 3. ábráját).
Ez a távolság 300 mm-re emelkedik annak az utolsó tengelynek az esetében, amelynél a külső sárvédő perem alsó szélének Rv sugárirányú távolsága nem haladja meg az ugyanarra a tengelyre felszerelt gumiabroncsok sugarának nagyságát.
A sárfogó alsó szélének útfelülettől mért legnagyobb magassága 300 mm-re emelhető, ha azt a gyártó a felfüggesztési jellemzők figyelembevételével műszakilag megfelelőnek tartja.
4.8.3.4. A sárfogó nem lehet - vízszintesen mérve - 300 mm-nél távolabb a gumiabroncs leghátsó szélétől.
4.8.3.5. Az olyan tengelycsoportok esetében, ahol a szomszédos tengelyeken lévő gumiabroncsok közötti "d" távolság 250 mm-nél kisebb, csak a hátsó kerekekhez kell sárfogókat felszerelni. Ha a szomszédos tengelyeken lévő gumiabroncsok közötti "d" távolság legalább 250 mm (lásd a függelék 4. ábráját), valamennyi kerék mögé sárfogót kell szerelni.
4.8.3.6. A sárfogók nem hajolhatnak el 100 mm-nél jobban a jármű hátsó része felé a sárfogó alsó széle fölött 50 mm-rel lévő ponton fellépő, 100 mm-es sárfogószélességenként 3 N mértékű erő hatására.
4.8.3.7. Az előírt legkisebb méretekkel rendelkező sárfogó elülső felületének egészére olyan felcsapódó víz elleni védőeszközt kell felszerelni, amely megfelel a 3.1. pontban foglalt előírásoknak.
4.8.3.8. A sárvédő alsó és hátsó széle, valamint a sárfogó között nem lehet olyan nyílás, amely lehetővé teszi a vízpermet kiszivárgását.
4.8.3.9. Amennyiben a felcsapódó víz elleni védőeszköz megfelel a sárfogókra vonatkozó, a 4.8.3. pontban meghatározott előírásoknak, úgy további sárfogóra nincs szükség.
4.9. Az energiaelnyelő típusú, felcsapódó víz elleni védőeszközökkel felszerelt felcsapódó víz elleni védőrendszerekkel kapcsolatos követelmények egyes, nem kormányzott és saját kormányzású kerekekkel ellátott tengelyek esetében (lásd az 5.2. pontot)
4.9.1. Sárvédők
4.9.1.1. A sárvédőknek el kell takarniuk a közvetlenül a gumiabroncs vagy gumiabroncsok fölött található zónát. A sárvédők elülső és hátulsó végének legalább a gumiabroncs vagy gumiabroncsok felső szélét érintő vízszintes síkig kell kinyúlnia (lásd a függelék 5. ábráját). A sárvédők hátsó vége azonban sárfogóval is helyettesítő, ez esetben a sárfogónak a sárvédő (vagy azzal egyenértékű alkotóelem) felső részéig kell kinyúlnia.
4.9.1.2. A sárvédő belső oldalának teljes hátsó részét olyan felcsapódó víz elleni védőeszközzel kell ellátni, amely megfelel a 3.1. pontban szereplő követelményeknek.
4.9.2. Külső sárvédő kötények
4.9.2.1. Szimpla tengelyek vagy olyan tengelycsoportok esetében, ahol a szomszédos gumiabroncsok közötti távolság legalább 250 mm, a külső sárvédő köténynek a sárvédő alsó részétől a felső részéig terjedő felületet kell eltakarnia egészen addig az egyenes vonalig, amelyet a gumiabroncs vagy gumiabroncsok felső szélének érintője képez, és amely a gumiabroncs elejének érintője által alkotott függőleges sík és a kerék vagy kerekek mögött található sárvédő vagy sárfogó között húzódik (lásd a függelék 5b. ábráját).
Tengelycsoportok esetében minden egyes keréknél lennie kell külső sárvédő köténynek.
4.9.2.2. A külső sárvédő kötény, valamint a sárvédő belseje között nem lehet olyan nyílás, amely lehetővé teszi a vízpermet kiszivárgását.
4.9.2.3. Amennyiben nincs minden egyes kerék mögött sárfogó (lásd a 4.8.3.5. pontot), úgy a külső sárvédő köténynek folyamatosnak kell lennie a sárfogó külső széle és az első tengelyen levő gumiabroncs elejének legtávolabbi pontját érintő függőleges sík között (lásd a függelék 5a. ábráját).
4.9.2.4. A külső sárvédő köténynek legalább 100 mm magasnak kell lennie, teljes belső felületét pedig olyan energiaelnyelő típusú, felcsapódó víz elleni védőeszközzel kell ellátni, amely megfelel a 3.1. pontban foglalt követelményeknek.
4.9.3. A sárfogóknak a sárvédő alsó részéig kell kinyúlniuk, és meg kell felelniük a 4.8.3.1-4.8.3.9. pontban foglaltaknak.
4. 10 A levegő/víz szétválasztó típusú, felcsapódó víz elleni védőeszközökkel felszerelt felcsapódó víz elleni védőrendszerekkel kapcsolatos követelmények kormányzott és nem kormányzott kerekkel ellátott tengelyek esetében
4.10.1. Sárvédők
4.10.1.1. A sárvédőknek meg kell felelniük a 4.8.1.1. c) pontban foglalt követelményeknek.
4.10.1.2. Szimpla tengelyek vagy olyan tengelycsoportok esetében, ahol a szomszédos tengelyeken lévő gumiabroncsok közötti távolság 300 mm-nél nagyobb, a sárvédőknek a 4.8.1.1. a) pontban foglalt követelményeknek is meg kell felelniük.
4.10.1.3. Az olyan tengelycsoportok esetében, ahol a szomszédos tengelyeken lévő gumiabroncsok közötti távolság nem haladja meg a 300 mm-t, a sárvédőknek a 7. ábrán látható mintának is meg kell felelniük.
4.10.2. Külső sárvédő kötények
4.10.2.1. A külső sárvédő kötények alsó széleit az e mellékletben foglalt követelményeknek megfelelő levegő/víz szétválasztó típusú, felcsapódó víz elleni védőeszközzel kell felszerelni.
4.10.2.2. Szimpla tengelyek vagy olyan tengelycsoportok esetében, ahol a szomszédos tengelyeken lévő gumiabroncsok közötti távolság nagyobb, mint 300 mm, a külső sárvédő kötényre felszerelt felcsapódó víz elleni védőeszköz alsó szélének az alábbi - a kerék középpontjából mért - távolságokon, illetve sugarakon belül kell elhelyezkednie (lásd a függelék 6. és 7. ábráját):
a) Kormányzott vagy saját kormányzású kerekekkel ellátott tengelyek esetében:az elülső széltől (a jármű eleje felé) (C csúcs 30°-nál)a hátsó szélig (a jármű hátulja felé) (A csúcs 100 mm-nél) | Rv ≤ 1,05 R |
b) Nem kormányzott kerekekkel ellátott tengelyek esetében:az elülső széltől (C csúcs 20°-nál)a hátsó szélig (A csúcs 100 mm-nél) | Rv ≤ 1,00 R |
ahol:
R = a járműre szerelt gumiabroncs sugara;
Rv = a külső sárvédő kötény alsó széle és a kerék középpontja közötti sugárirányú távolság.
4.10.2.3. Olyan tengelycsoportok esetében, ahol a szomszédos tengelyeken lévő gumiabroncsok közötti távolság nem haladja meg a 300 mm-t, a tengelyek közötti résben található külső sárvédő kötényeket a 4.10.1.3. pontban meghatározott távolságokra kell elhelyezni, és azoknak úgy kell lefelé nyúlniuk, hogy legfeljebb 100 mm-rel legyenek a kerekek középpontján keresztülhaladó vízszintes vonal fölött (lásd a függelék 7. ábráját).
4.10.2.4. A külső sárvédő kötény mélysége a kerék középpontján keresztülhaladó függőleges vonal mögötti egyik pontnál sem lehet 45 mm-nél kevesebb. Ez a mélység e függőleges vonal előtt fokozatosan csökkenhet.
4.10.2.5. A külső sárvédő kötényeken, illetve a külső sárvédő kötények és a sárvédők között nem lehet olyan nyílás, amely lehetővé teszi a vízpermet kiszivárgását.
4.10.3. Sárfogók
4.10.3.1. A sárfogóknak meg kell felelniük az alábbi követelménycsoportok valamelyikének:
a) 4.8.3. pont (lásd a függelék 3. ábráját);
b)
4.8.3.1. , 4.8.3.2., 4.8.3.5., 4.8.3.8. és 4.10.3.2. pont (lásd a függelék 6. ábráját).
4.10.3.2. A 4.10.3.1. b) pontban említett sárfogókra a függelék 4. pontjában szereplő előírásoknak megfelelő, felcsapódó víz elleni védőeszközt kell felszerelni, legalább a teljes szél mentén.
4.10.3.2.1. A felcsapódó víz elleni védőeszköz alsó széle legfeljebb 200 mm-rel lehet a talaj fölött. A sárfogó alsó szélének útfelülettől mért legnagyobb magassága 300 mm-re emelhető, ha azt a gyártó a felfüggesztési jellemzők figyelembevételével műszakilag megfelelőnek tartja.
4.10.3.2.2. A felcsapódó víz elleni védőeszköznek legalább 100 mm mélységűnek kell lennie.
4.10.3.2.3. Az alsó résztől eltekintve - amely magában foglalja a felcsapódó víz elleni védőeszközt - a 4.10.3.1. b) pontban említett sárfogó nem hajolhat el 100 mm-nél jobban hátrafelé az üzemi helyzetben lévő, felcsapódó víz elleni védőeszköz és a sárfogó találkozási pontjánál mért és a sárfogó alsó széle fölött 50 mm távolságban fellépő, 100 mm-es sárfogószélességenként 3 N mértékű erő hatására.
4.10.3.3. A sárfogó nem lehet - vízszintesen mérve - 200 mm-nél távolabb a gumiabroncs leghátsó szélétől.
4.11. Tengelycsoport esetében a leghátsó tengelyen kívüli tengelyek felcsapódó víz elleni védőrendszerének nem kell feltétlenül elfednie a gumiabroncs futófelületének teljes szélességét, amennyiben helyileg fennáll annak a lehetősége, hogy kölcsönhatás alakul ki a felcsapódó víz elleni védőrendszer és a tengelyek, a felfüggesztés vagy az alváz szerkezete között.
Függelék
Ábrák
1a. ábra
Az (a) sárvédő (q) szélessége, valamint a (j) sárvédő kötény helyzete

Megjegyzés: A számok e melléklet 2. részének 4.8.1.1. c) pontjára vonatkoznak.
1b. ábra
Példa a külső sárvédő kötény mérésére

2. ábra
A sárvédő és a külső sárvédő kötény méretei

Megjegyzés:
1. Az idézett számok e melléklet 2. részének 4.8.2., 4.8.2.3., 4.8.1.1. és 4.8.1.1. a) pontjára vonatkoznak.
2. T: a sárvédő kiterjedése
3. ábra
A sárvédő és a sárfogó helyzete

Megjegyzés: Az idézett számok e melléklet 2. részének 4.8.1.2, 4.8.3 és 4.8.3.3 pontjára vonatkoznak.
4. ábra
A felcsapódó víz elleni, energiaelnyelő típusú védőeszközöket magában foglaló, felcsapódó víz elleni védőrendszer (sárvédő, sárfogó, külső sárvédő kötény) összeállítását bemutató ábra, tengelycsoport esetében

5. ábra
A felcsapódó víz elleni (energiaelnyelő típusú) védőeszközöket magában foglaló, felcsapódó víz elleni védőrendszer összeállítását bemutató ábra, nem kormányzott vagy saját kormányzású kerekekkel ellátott tengelyek esetében
(e melléklet 2. részének 4.7.2. és 4.9. pontja)

a) Tengelycsoport, ahol a gumiabroncsok közötti távolság kisebb, mint 250 mm

b) Szimpla tengely vagy tengelycsoport, ahol a gumiabroncsok közötti távolság legalább 250 mm
6. ábra
A felcsapódó víz elleni, levegő/víz szétválasztó típusú védőeszközöket magában foglaló, felcsapódó víz elleni védőrendszer összeállítását bemutató ábra, kormányzott, saját kormányzású vagy nem kormányzott kerekekkel ellátott tengelyek esetében

Megjegyzés:
1. A számok e melléklet 2. részének megfelelő pontjaira utalnak.
2. T: a sárvédő kiterjedése
7. ábra
A felcsapódó víz elleni, energiaelnyelő típusú védőeszközöket (sárvédő, sárfogó, külső sárvédő kötény) magában foglaló, felcsapódó víz elleni védőrendszer összeállítását bemutató ábra olyan tengelycsoport esetében, ahol a gumiabroncsok közötti távolság nem haladja meg a 300 mm-t

Megjegyzés:
1. A számok e melléklet 2. részének megfelelő pontjaira utalnak.
2. T: a sárvédő kiterjedése
8. ábra
Vizsgálóberendezés a felcsapódó víz elleni, energiaelnyelő típusú védőeszközökhöz
(e melléklet 2. részének 3.1.2. pontja)
[Kép #1] Megjegyzés:

Kép #1
A = vízellátás szivattyúból
B = vízáramlás a gyűjtőtartály felé
C = az 500 (+ 5/- 0) mm hosszú és 75 (+ 2/- 0) mm széles belső méretű gyűjtőtartály
D = rozsdamentes acélcső, külső átmérő 54 mm, falvastagság 1,2 (+/- 0,12) mm, belső és külső felületi érdesség (Ra) 0,4 és 0,8 μm között
E = 12 db hengeres, sugárszerűen fúrt lyuk, sorjamentes szögletes széllel. A cső belsején és külsején mért átmérőjük: 1,68 (+ 0,010/- 0) mm.
F = 500 (+ 0/- 5) mm széles vizsgálandó minta
G = szilárd sima lemez
Valamennyi lineáris méret mm-ben van feltüntetve.
9. ábra
Vizsgálóberendezés levegő/víz szétválasztó típusú, felcsapódó víz elleni védőeszközökhöz
(e melléklet 2. részének 3.2.2. pontja)

3. RÉSZ
A. szakasz
EU-TÍPUSBIZONYÍTVÁNY (JÁRMŰRENDSZER)
Értesítés egy járműtípus típusjóváhagyásának megadásáról / kiterjesztéséről / elutasításáról / visszavonásáról ( 15 ) a felcsapódó víz elleni védőrendszer tekintetében, a legutóbb az (EU) .../... rendelettel módosított (EU) 2021/535 [Kérjük, illesszék be e rendelet hivatkozását] rendelet VIII. mellékletében meghatározott követelményekkel összhangban
Az EU-típusbizonyítvány száma:
A kiterjesztés / elutasítás / visszavonás oka (15) :
I. SZAKASZ
(Az (EU) 2020/683 bizottsági végrehajtási rendelet III. mellékletében található B. minta I. szakaszának megfelelően kell kitölteni.)
II. SZAKASZ
(Az (EU) 2020/683 bizottsági végrehajtási rendelet III. mellékletében található B. minta II. szakaszának megfelelően kell kitölteni.)
Kiegészítés
a(z) ... számú EU-típusbizonyítványhoz
1. Kiegészítő információk
1.1. A felcsapódó víz elleni védőeszközök jellemzői (típus, rövid leírás, védjegy vagy kereskedelmi név, alkotóelem-típusjóváhagyási szám(ok)):
5. Megjegyzések (adott esetben):
B. szakasz
EU-TÍPUSBIZONYÍTVÁNY (ÖNÁLLÓ MŰSZAKI EGYSÉG)
Értesítés egy önálló műszaki egység típusjóváhagyásának megadásáról / kiterjesztéséről / elutasításáról / visszavonásáról ( 16 ) a felcsapódó víz elleni védőrendszer tekintetében, a legutóbb az (EU) .../... rendelettel módosított (EU) 2021/535 [Kérjük, illesszék be e rendelet hivatkozását] rendelet VIII. mellékletében meghatározott követelményekkel összhangban
Az EU-típusbizonyítvány száma:
A kiterjesztés / elutasítás / visszavonás oka (16) :
I. SZAKASZ
(Az (EU) 2020/683 bizottsági végrehajtási rendelet III. mellékletében található C. minta I. szakaszának megfelelően kell kitölteni.)
II. SZAKASZ
(Az (EU) 2020/683 bizottsági végrehajtási rendelet III. mellékletében található C. minta II. szakaszának megfelelően kell kitölteni.)
Kiegészítés
a(z) ... számú EU-típusbizonyítványhoz
1. Kiegészítő információk
1.1. A berendezés működési elve: energiaelnyelő / levegő/víz szétválasztó (2):
1.2. A felcsapódó víz elleni védőeszközök jellemzői (rövid leírás, védjegy vagy kereskedelmi név, szám(ok)):
5. Megjegyzések (adott esetben):
C. szakasz
A FELCSAPÓDÓ VÍZ ELLENI VÉDŐRENDSZEREK ÖNÁLLÓ MŰSZAKI EGYSÉGKÉNT TÖRTÉNŐ EU-TÍPUSJÓVÁHAGYÁSÁNAK JELE
1. Az önálló műszaki egységeknek az (EU) 2018/858 rendelet 38.cikke (2) bekezdésében említett EU-típusjóváhagyási jele a következőkből áll:
1.1. egy téglalap, benne a nyomtatott kis "e" betű, amelyet azon tagállam megkülönböztető száma követ, amely az alkotóelem vagy önálló műszaki egység EU-típusjóváhagyását megadta, az alábbiak szerint:
1 | Németország |
2 | Franciaország |
3 | Olaszország |
4 | Hollandia |
5 | Svédország |
6 | Belgium |
7 | Magyarország |
8 | Cseh Köztársaság |
9 | Spanyolország |
12 | Ausztria |
13 | Luxemburg |
17 | Finnország |
18 | Dánia |
19 | Románia |
20 | Lengyelország |
21 | Portugália |
23 | Görögország |
24 | Írország |
25 | Horvátország |
26 | Szlovénia |
27 | Szlovákia |
29 | Észtország |
32 | Lettország |
34 | Bulgária |
36 | Litvánia |
49 | Ciprus |
50 | Málta |
1.2. A téglalap közelében két számjegy (jelenleg "00") jelzi az azon követelményeket megállapító módosítássorozat számát, amelyeknek az adott önálló műszaki egység megfelel; majd egy szóköz után az (EU) 2018/858 rendelet IV. mellékletének 2.4. pontjában említett ötjegyű szám következik.
2. Az önálló műszaki egységként történő EU-típusjóváhagyás jelét eltávolíthatatlanul kell elhelyezni a felcsapódó víz elleni védőeszközön, úgy, hogy akkor is jól olvasható legyen, amikor a berendezés be van építve a járműbe.
3. Az 1. ábra az önálló műszaki egységek EU-típusjóváhagyási jelét szemlélteti.
1. ábra
Példa az önálló műszaki egységek EU-típus-jóváhagyási jelére

Magyarázó megjegyzés
Jelmagyarázat Az önálló műszaki egység EU-típusjóváhagyását 00406 sorszámmal Hollandia adta ki. Az első két számjegy (00) azt jelzi, hogy az önálló műszaki egységet e rendelettel összhangban hagyták jóvá. Az "A" betű energiaelnyelő típusú berendezést jelez.
IX. MELLÉKLET
SEBESSÉGVÁLTÁS-JELZŐK (GSI-K)
1. RÉSZ
Adatközlő lap a gépjárműveknek a sebességváltás-jelzők (GSI-k) tekintetében történő EU-típusjóváhagyásához
MINTA
... számú adatközlő lap a járműveknek a sebességváltás-jelzők tekintetében történő EU-típusjóváhagyásához
Az alábbi adatokat értelemszerűen, három példányban, tartalomjegyzékkel együtt kell benyújtani. A rajzokat vagy ábrákat megfelelő méretarányban és kellő részletességgel, A4-es formátumban vagy A4-es formátumra összehajtva kell benyújtani. A fényképeknek - amennyiben vannak - kellően részletesnek kell lenniük.
Az (EU) 2017/1151 bizottsági rendelet ( 17 ) I. melléklete 3. függelékének 0., 3. és 4. pontjában megadott információk
0.
0.1.
0.2.
0.2.1.
0.3.
0.3.1.
0.4.
0.5.
0.8.
0.9.
4.
4.11.
4.11.1.
4.11.2.
4.11.3.
4.11.4.
4.11.5.
4.11.6. Magyarázó megjegyzés
Ez az adatközlő lap az (EU) 2020/683 bizottsági végrehajtási rendelet I. mellékletében meghatározott mintán alapul, és a fent felsorolt pontokat az említett mintának megfelelően kell kitölteni a vonatkozó információkkal.
Függelék
MINTA
A gyártó tanúsítványa a sebességváltás-jelzőre vonatkozó követelményeknek való megfelelésről |
(A gyártó): |
(A gyártó címe): |
tanúsítja, hogy: |
az e tanúsítvány mellékletében felsorolt járműtípusok megfelelnek az [e rendelet] […] szerinti, sebességváltás-jelzőkre vonatkozó rendelkezéseknek. |
Kelt: [……hely] |
[…….dátum] |
[Aláírás] [Beosztás] |
Mellékletek: — Azon járműtípusok listája, amelyekre e tanúsítvány vonatkozik. |
2. RÉSZ
Műszaki előírások
1. E melléklet alkalmazásában:
1.1. "kézi sebességváltó": olyan sebességváltó, amely oly módon működtethető, hogy a váltás az összes vagy néhány sebességfokozat között a járművezető által végzett művelet közvetlen következménye, tekintet nélkül a fizikai végrehajtás módjára; ez a meghatározás nem terjed ki azon rendszerekre, amelyekben a járművezetőnek csak egy bizonyos sebességváltási stratégia előzetes kiválasztására vagy a vezetés közben rendelkezésre álló sebességfokozatok számának korlátozására van módja, és amelyekben a tényleges sebességváltás indítása a vezető döntésétől függetlenül, bizonyos vezetési módoknak megfelelően történik;
1.2. "a jármű üzemi állapota": a jármű azon állapota, amelyben legalább két előremeneti sebességfokozat közötti váltás elvégezhető;
1.3. "kézi üzemmód": a jármű azon üzemi állapota, amelyben az összes vagy néhány sebességfokozat közötti váltás mindig a járművezető tevékenységének közvetlen következménye;
1.4. "kipufogógáz-kibocsátás": a 715/2007/EK európai parlamenti és tanácsi rendelet 3. cikkének 6. pontjában meghatározott kipufogócső-kibocsátás.
2. Általános követelmények
2.1. Az e részben meghatározott követelmények azokra az M1 kategóriájú gépjárművekre vonatkoznak, amelyek megfelelnek a következő követelményeknek:
a) kézi működtetésű sebességváltóval vannak felszerelve;
b) referenciatömegük nem haladja meg a 2610 kg-ot, vagy a típusjóváhagyást a 715/2007/EK rendelet 2. cikkének (2) bekezdése szerint kiterjesztették rájuk.
2.2. A 2.1. pontban említett követelmények nem vonatkoznak a 715/2007/EK rendelet 3. cikkének 2. c) pontjában meghatározott "különös szociális igények teljesítésére tervezett járművekre".
2.3. Egy sebességváltás-jelzővel felszerelt jármű EU-típusjóváhagyásának kérelmezésekor a gyártónak teljesítenie kell az alábbi feltételek egyikét:
a) meg kell adnia a típusjóváhagyó hatóság számára a sebességváltás-jelzőnek a 7.1. pont utolsó bekezdése szerint analitikus módon meghatározott sebességváltási pontjait; vagy
b) át kell adnia a típusjóváhagyási vizsgálatok elvégzéséért felelős műszaki szolgálatnak egy, a jóváhagyandó járműtípust képviselő járművet annak érdekében, hogy a 7. pontban leírt vizsgálatot el lehessen végezni.
3. A kézi működetetésű sebességváltó értékelése
Minden olyan sebességváltót, amelynek legalább egy kézi üzemmódja van, kézi működtetésűnek kell tekinteni, ha az adott üzemmódban nincs automatikus váltás a sebességfokozatok között, kivéve azokat a váltásokat, amelyekre csak szélsőséges körülmények között, az erőátviteli rendszer magas motorfordulatszám melletti megóvása vagy a motor leállásának elkerülése érdekében kerül sor, és amelyek nem a jármű működésének optimalizálását szolgálják.
4. A sebességváltás-jelző külső jellemzői
4.1. A sebességváltásra vonatkozó ajánlást jól megkülönböztethető vizuális jel formájában kell megjeleníteni, azaz lehet például egy magasabb, illetve egy alacsonyabb/magasabb sebességfokozatba való kapcsolást jelző egyértelmű piktogram, vagy a konkrét sebességfokozat megadása a járművezető számára. A vizuális jelet egyéb jelekkel, pl. hangjelzéssel is ki lehet egészíteni, amennyiben ez nem veszélyezteti a biztonságot.
4.2. A sebességváltás-jelző nem zavarhatja a kötelezően felszerelendő vagy a jármű biztonságos működését elősegítő egyik visszajelző, kezelőszerv vagy kijelző működését sem, illetve nem takarhatja el azokat. A 4.3. ponttól függetlenül a jel nem terelheti el a vezető figyelmét, és nem zavarhatja a jármű megfelelő és biztonságos működését.
4.3. A sebességváltás-jelzőt a 121. sz. ENSZ-előírás ( 18 ) 5.1.2. szakaszának megfelelően kell elhelyezni. Úgy kell kialakítani, hogy ne lehessen összetéveszteni a jármű többi visszajelzőjével, kezelőszervével vagy kijelzőjével.
4.4. A sebességváltás-jelzések megjelenítésére többfunkciós kijelző is használható, feltéve hogy e jelzések világosan elkülönülnek a többi jeltől, valamint jól láthatók és azonosíthatók a járművezető számára.
4.5. Kivételes helyzetekben más jelek automatikusan felülírhatják vagy kikapcsolhatják a sebességváltás-jelzést. Ilyen kivételes helyzet lehet például, amikor a jármű biztonságos működése vagy épsége forog kockán, amit többek között a kipörgésgátló vagy a menetstabilizáló rendszerek bekapcsolódása, a vezetéstámogató rendszerek jelzéseinek átmeneti bekapcsolódása, illetve a jármű hibás működésével kapcsolatos egyéb események jeleznek. A sebességváltás-jelzőnek a kivételes helyzet megszűnését követően 10 másodpercen belül vissza kell váltania a szokásos üzemmódra; különleges műszaki vagy viselkedésbeli okok esetén ez az időtartam 10 másodpercnél több is lehet.
5. A sebességváltás-jelzőkre vonatkozó funkcionális követelmények (valamennyi kézi üzemmód esetében)
5.1. A sebességváltás-jelzőnek az 5.2. és az 5.3. pontban meghatározott követelményeket is figyelembe véve akkor kell sebességváltást javasolnia, ha a javasolt sebességfokozat mellett a becslések szerint alacsonyabb lenne az üzemanyag-fogyasztás, mint az adott pillanatban használt sebességfokozat mellett.
5.2. A sebességváltás-jelzőt úgy kell kialakítani, hogy az észszerűen feltételezhető vezetési körülményekre optimalizált, környezetkímélő vezetési módra ösztönözze a járművezetőt. A sebességváltás-jelző fő célja, hogy - amennyiben a járművezető követi a jelzéseit - a lehető legkisebbre csökkentse a jármű üzemanyag-fogyasztását. A szabályozott kipufogógáz-kibocsátás azonban a sebességváltás-jelző javaslatainak követése miatt nem növekedhet aránytalanul az eredeti állapothoz képest. Ezenkívül a sebességváltás-jelző stratégiájának meg kell könnyítenie a kibocsátáscsökkentő berendezések, például a katalizátorok hidegindítás utáni, megfelelő időben történő működésbe lépését, minimálisra csökkentve a bemelegedési idejüket. E célból a járműgyártónak műszaki dokumentációt kell a típusjóváhagyó hatóságok rendelkezésére bocsátania, amelyben bemutatja, hogy a sebességváltás-jelző stratégiája hogyan hat a szabályozott kipufogógáz-kibocsátásra, legalább állandósult járműsebesség mellett, és hogyan csökkenti a kipufogógáz-utókezelő rendszer bemelegedési idejét hidegindítás után.
5.3. A sebességváltás-jelző javaslatainak követése miatt a jármű biztonságos működése nem kerülhet veszélybe, azaz nem fulladhat le a motor, a motorfék mértéke elegendő kell, hogy maradjon, és a motor forgatónyomatéka nagyobb energiaigény esetén is elégséges kell, hogy legyen.
6. Benyújtandó információk
6.1. A gyártónak az alábbi információkat kell a következő két dokumentációcsomag formájában a típusjóváhagyó hatóság rendelkezésére bocsátania:
a) "hivatalos dokumentációcsomag", amelyet kérésre az érdekelt felek rendelkezésére lehet bocsátani;
b) "részletes dokumentációcsomag", amelyet szigorúan bizalmasan kell kezelni.
6.1.1. A hivatalos dokumentációcsomagnak a következő információkat kell tartalmaznia:
a) azon sebességváltás-jelzők valamennyi külső jellemzőjének leírása, amelyeket beépítettek a sebességváltás-jelző tekintetében vett járműtípusba tartozó járművekbe, és bizonyítékok arra vonatkozóan, hogy az említett sebességváltás-jelzők megfelelnek az 5. pont követelményeinek;
b) adatok vagy műszaki értékelések (pl. szimulációs adatok, kibocsátási vagy üzemanyag-fogyasztási diagramok, kibocsátási vizsgálatok) formájában bizonyítékok, amelyek megfelelően alátámasztják, hogy a sebességváltás-jelző hatékonyan működik, azaz a megfelelő időben észszerű sebességváltási javaslatot tesz a járművezetőnek, ezáltal megfelel az 5. pont követelményeinek;
c) a sebességváltás-jelző rendeltetésének, használatának és funkcióinak magyarázata a jármű felhasználói kézikönyvének a sebességváltás-jelzőre vonatkozó részében.
6.1.2. A részletes dokumentációcsomagnak a sebességváltás-jelző kialakításának részleteit is tartalmaznia kell, különös tekintettel a berendezés funkcionális jellemzőire.
6.1.3. E rendelet 13. cikkének rendelkezéseitől függetlenül a típusjóváhagyó hatóságnak és a gyártónak szigorúan bizalmasan kell kezelnie a részletes dokumentációcsomagot. A dokumentációcsomagot megőrizheti a típusjóváhagyó hatóság, illetve annak jóváhagyásával a gyártó is. Ha a gyártó őrzi meg a részletes dokumentációcsomagot, a típusjóváhagyó hatóságnak azonosító jelzéssel és dátummal kell ellátnia a csomagot annak felülvizsgálatát és jóváhagyását követően. A dokumentációcsomagot a jóváhagyás során, illetve a jóváhagyás érvényességének időtartama alatt vizsgálat céljából bármikor hozzáférhetővé kell tenni a típusjóváhagyó hatóság számára.
7. A sebességváltás-jelző által ajánlott sebességváltási pontok üzemanyag-gazdaságossági hatását a 7.1-7.5. pontban ismertetett eljárással kell meghatározni.
7.1. Azon járműsebességek meghatározása, amelyeknél a sebességváltás-jelző a magasabb fokozatba való kapcsolást javasolja
Annak vizsgálatát, hogy a sebességváltás-jelző milyen járműsebességeknél javasolja a magasabb fokozatba kapcsolást, bemelegített járművön, görgős próbapadon, a 8. pontban leírt sebességprofilnak megfelelően kell elvégezni. A sebességváltás-jelző javaslatát követve magasabb sebességfokozatba kell kapcsolni, és fel kell jegyezni, hogy a berendezés milyen járműsebességeknél javasolta a sebességváltást. A vizsgálatot háromszor meg kell ismételni.
A Vn GSI a három vizsgálat alapján meghatározott átlagsebességet jelöli, amelynél a sebességváltás-jelző az n sebességfokozatból (n = 1, 2, ..., #g) az n + 1 sebességfokozatba történő váltást javasolja, ahol #g a jármű előremeneti sebességfokozatainak számát jelöli. E célból csak azon utasításokat kell figyelembe venni, amelyeket a sebességváltás-jelző a legnagyobb járműsebesség elérése előtti szakaszban ad ki, a lassítás alatti utasításokat pedig figyelmen kívül kell hagyni.
Az alábbi számítások alkalmazásában V0 GSI = 0 km/h, V#g GSI = 140 km/h vagy a jármű legnagyobb sebessége (a kettő közül a kisebbik). Ha a jármű nem képes a 140 km/h sebesség elérésére, a járművet addig kell vezetni a legnagyobb sebességén, amíg nem követi újra az I.1. ábrán látható sebességprofilt.
A sebességváltás-jelző által javasolt váltási pontokat a gyártó analitikusan is meghatározhatja a 6.1. pont szerinti részletes dokumentációcsomagban megadott sebességváltásjelző-algoritmus alapján.
7.2. Szabványos sebességváltási pontok
A Vn szabvány azt a sebességet jelöli, amelyen a járművezető általában, a sebességváltás-jelzőtől kapott jelzés hiányában az n sebességfokozatból n + 1 sebességfokozatba kapcsol. Az 1. típusú kibocsátási vizsgálat ( 19 ) során meghatározott sebességváltási pontok alapján a szabványos sebességváltási pontokhoz a következő sebességek tartoznak:
V0 szabvány = 0 km/h;
V1 szabvány = 15 km/h;
V2 szabvány = 35 km/h;
V3 szabvány = 50 km/h;
V4 szabvány = 70 km/h;
V5 szabvány = 90 km/h;
V6 szabvány = 110 km/h;
V7 szabvány = 130 km/h;
V8 szabvány = V#g GSI
A Vn min azt a legkisebb járműsebességet jelöli, amellyel a jármű az n sebességfokozatban haladni tud anélkül, hogy a motor lefulladna; a Vn maxpedig azt a legnagyobb járműsebességet, amellyel a jármű motorkárosodás nélkül haladni tud az n sebességfokozatban.
Ha a fenti listából vett Vn szabvány nem éri el a Vn+1 min értéket, akkor a Vn+1 min-t kell venni Vn szabvány-ként. Ha a fenti listából vett Vn szabvány meghaladja a Vn max értéket, akkor a Vn max-ot (n = 1, 2,..., #g-1) kell venni Vn szabvány-ként.
Ha az ezen eljárással megállapított V#g szabvány nem éri el a V#g GSI értékét, akkor a V#g GSI-t kell venni V#g szabvány-ként.
7.3. Az üzemanyag-fogyasztást a sebesség függvényében ábrázoló görbék
A gyártónak be kell nyújtania a típusjóváhagyó hatóság számára a jármű üzemanyag-fogyasztása és a jármű n sebességfokozatban állandósult sebessége közötti összefüggést bemutató függvényt, az alábbiak szerint.
Az FCn i az n sebességfokozatban vezetett, vi = i × 5 km/h - 2,5 km/h (ahol i pozitív egész szám) állandó sebességű jármű kg/h-ban (kilogramm/óra) kifejezett üzemanyag-fogyasztását jelöli. Ezeket az adatokat a gyártónak minden n sebességfokozatra (n = 1, 2, ..., #g) és vn min ≤ vi ≤ vn max sebességre meg kell adnia. A járműgyártónak az üzemanyag-fogyasztás ezen értékeit egy - a járműgyártó által meghatározható - valószerű vezetési helyzetnek megfelelő környezeti feltételek mellett kell meghatároznia vagy fizikai vizsgálattal, vagy a típusjóváhagyó hatóság és a gyártó által közösen megállapított, megfelelő számítási modellel.
7.4. A jármű sebességeloszlása
Annak Pi valószínűsége tekintetében, hogy a jármű v sebességgel halad, ahol vi - 2,5 km/h < v ≤ vi + 2,5 km/h (i = 1, ..., 28), a következő eloszlást kell használni:
i | Pi |
1 | 4,610535879 |
2 | 5,083909299 |
3 | 4,86818148 |
4 | 5,128313511 |
5 | 5,233189418 |
6 | 5,548597362 |
7 | 5,768706442 |
8 | 5,881761847 |
9 | 6,105763476 |
10 | 6,098904359 |
11 | 5,533164348 |
12 | 4,761325003 |
13 | 4,077325232 |
14 | 3,533825909 |
15 | 2,968643201 |
16 | 2,61326375 |
17 | 2,275220718 |
18 | 2,014651418 |
19 | 1,873070659 |
20 | 1,838715054 |
21 | 1,982122053 |
22 | 2,124757402 |
23 | 2,226658166 |
24 | 2,137249569 |
25 | 1,76902642 |
26 | 1,665033625 |
27 | 1,671035353 |
28 | 0,607049046 |
Ha a jármű legnagyobb sebessége az i lépésnek felel meg, és i < 28, akkor a Pi+1-től P28-ig terjedő értékeket hozzá kell adni Pi-hez.
7.5. Az üzemanyag-fogyasztás meghatározása a modell szerint
Az FCGSI a jármű azon üzemanyag-fogyasztását jelöli, amely abban az esetben következik be, ha a járművezető követi a sebességváltás-jelző javaslatait:
FCGSI i = FCn i, ahol Vn-1 GSI ≤ vi < Vn GSI (n = 1, ..., #g) és FCGSI i = 0, ha vi ≥ V#g GSI

Az FCszabvány a jármű szabványos sebességváltási pontokon történő sebességváltás esetén bekövetkező üzemanyag-fogyasztását jelöli:
FCszabvány i = FCn i, ahol Vn-1 szabvány ≤ vi < Vn szabvány (n = 1, ..., #g) és FCszabvány i = 0, ha vi ≥ V#g GSI

A modell szerint a sebességváltás-jelző javaslatainak követésével elért relatív üzemanyag-megtakarítás a következő képlettel számítható ki:
FCrel. megtakarítás = (1 - FCGSI / FCszabvány) * 100 %
7.6. Adatrögzítés
A következő adatokat kell rögzíteni:
a) a 7.1. pont szerint meghatározott Vn GSI értékek;
b) a gyártó által a 7.3. pont szerint közölt, az üzemanyag-fogyasztás és a sebesség összefüggését mutató függvény FCni értékei;
c) a 7.5. pont szerint kiszámított FCGSI, FCszabvány és FCrel. megtakarítás értékek.
8. A 7.1. pontban említett járműsebesség-profil leírása
Művelet | Művelet | Gyorsítás | Sebesség | Összesített idő |
száma | (m/s2) | (km/h) | (s) | |
1 | Alapjárat | 0 | 0 | 20 |
2 | Gyorsítás | 1,1 | 0–31,68 | 28 |
3 | 0,7 | 31,68–49,32 | 35 | |
4 | 0,64 | 49,32–79,27 | 48 | |
5 | 0,49 | 79,27–109,26 | 65 | |
6 | 0,3 | 109,26–128,70 | 83 | |
7 | 0,19 | 128,70–140,33 | 100 | |
8 | Állandósult állapot | 0 | 140,33 | 105 |
9 | Lassítás | – 0,69 | 140,33–80,71 | 129 |
10 | – 1,04 | 80,71–50,76 | 137 | |
11 | – 1,39 | 50,76–0 | 147 | |
12 | Alapjárat | 0 | 0 | 150 |
Az e sebességprofiltól való eltérésre vonatkozó tűréseket a 83. sz. ENSZ-előírás ( 20 ) 4a. mellékletének 6.1.3.4. szakasza határozza meg.
I.
1. ábra
A 7.1 pontban említett sebességprofil grafikus ábrázolása. Folyamatos vonal: sebességprofil, szaggatott vonalak: a sebességprofiltól való eltérésre vonatkozó tűrések.

A következő táblázat másodpercről másodpercre írja le a sebességprofilt. Ha a jármű nem képes a 140 km/h sebesség elérésére, a járművet addig kell vezetni a legnagyobb sebességén, amíg nem követi újra a fenti ábrán látható sebességprofilt.
Idő (s) Sebesség (km/h) | Idő (s) Sebesség (km/h) |
0 | 0,00 |
1 | 0,00 |
2 | 0,00 |
3 | 0,00 |
4 | 0,00 |
5 | 0,00 |
6 | 0,00 |
7 | 0,00 |
8 | 0,00 |
9 | 0,00 |
10 | 0,00 |
11 | 0,00 |
12 | 0,00 |
13 | 0,00 |
14 | 0,00 |
15 | 0,00 |
16 | 0,00 |
17 | 0,00 |
18 | 0,00 |
19 | 0,00 |
20 | 0,00 |
21 | 3,96 |
22 | 7,92 |
23 | 11,88 |
24 | 15,84 |
25 | 19,80 |
26 | 23,76 |
27 | 27,72 |
28 | 31,68 |
29 | 34,20 |
30 | 36,72 |
31 | 39,24 |
32 | 41,76 |
33 | 44,28 |
34 | 46,80 |
35 | 49,32 |
36 | 51,62 |
37 | 53,93 |
38 | 56,23 |
39 | 58,54 |
40 | 60,84 |
41 | 63,14 |
42 | 65,45 |
43 | 67,75 |
44 | 70,06 |
45 | 72,36 |
46 | 74,66 |
47 | 76,97 |
48 | 79,27 |
49 | 81,04 |
50 | 82,80 |
51 | 84,56 |
52 | 86,33 |
53 | 88,09 |
54 | 89,86 |
55 | 91,62 |
56 | 93,38 |
57 | 95,15 |
58 | 96,91 |
59 | 98,68 |
60 | 100,44 |
61 | 102,20 |
62 | 103,97 |
63 | 105,73 |
64 | 107,50 |
65 | 109,26 |
66 | 110,34 |
67 | 111,42 |
68 | 112,50 |
69 | 113,58 |
70 | 114,66 |
71 | 115,74 |
72 | 116,82 |
73 | 117,90 |
74 | 118,98 |
75 | 120,06 |
76 | 121,14 |
77 | 122,22 |
78 | 123,30 |
79 | 124,38 |
80 | 125,46 |
81 | 126,54 |
82 | 127,62 |
83 | 128,70 |
84 | 129,38 |
85 | 130,07 |
86 | 130,75 |
87 | 131,44 |
88 | 132,12 |
89 | 132,80 |
90 | 133,49 |
91 | 134,17 |
92 | 134,86 |
93 | 135,54 |
94 | 136,22 |
95 | 136,91 |
96 | 137,59 |
97 | 138,28 |
98 | 138,96 |
99 | 139,64 |
100 | 140,33 |
101 | 140,33 |
102 | 140,33 |
103 | 140,33 |
104 | 140,33 |
105 | 140,33 |
106 | 137,84 |
107 | 135,36 |
108 | 132,88 |
109 | 130,39 |
110 | 127,91 |
111 | 125,42 |
112 | 122,94 |
113 | 120,46 |
114 | 117,97 |
115 | 115,49 |
116 | 113,00 |
117 | 110,52 |
118 | 108,04 |
119 | 105,55 |
120 | 103,07 |
121 | 100,58 |
122 | 98,10 |
123 | 95,62 |
124 | 93,13 |
125 | 90,65 |
126 | 88,16 |
127 | 85,68 |
128 | 83,20 |
129 | 80,71 |
130 | 76,97 |
131 | 73,22 |
132 | 69,48 |
133 | 65,74 |
134 | 61,99 |
135 | 58,25 |
136 | 54,50 |
137 | 50,76 |
138 | 45,76 |
139 | 40,75 |
140 | 35,75 |
141 | 30,74 |
142 | 25,74 |
143 | 20,74 |
144 | 15,73 |
145 | 10,73 |
146 | 5,72 |
147 | 0,72 |
148 | 0,00 |
149 | 0,00 |
150 | 0,00 |
3. RÉSZ
EU-TÍPUSBIZONYÍTVÁNY (JÁRMŰRENDSZER)
Értesítés egy járműtípus típusjóváhagyásának megadásáról / kiterjesztéséről / elutasításáról / visszavonásáról ( 21 ) a sebességváltás-jelző tekintetében, a legutóbb az (EU) .../... rendelettel módosított (EU) 2021/535 [Kérjük, illesszék be e rendelet hivatkozását] rendelet IX. mellékletében meghatározott követelményekkel összhangban
Az EU-típusbizonyítvány száma:
A kiterjesztés / elutasítás / visszavonás (21) oka:
I. SZAKASZ
(Az (EU) 2020/683 bizottsági végrehajtási rendelet III. mellékletében található B. minta I. szakaszának megfelelően kell kitölteni.)
II. SZAKASZ
(Az (EU) 2020/683 bizottsági végrehajtási rendelet III. mellékletében található B. minta II. szakaszának megfelelően kell kitölteni.)
Kiegészítés
a(z) ... számú EU-típusbizonyítványhoz
1. Kiegészítő információk
1.1. A járműtípus rövid ismertetése a szerkezete, méretei, körvonalai és szerkezeti anyagai tekintetében:
2. Hagyományos kézi sebességváltóval felszerelt jármű: igen / nem (4)
3. Kézi üzemmóddal rendelkező, robotizált hagyományos sebességváltóval felszerelt jármű: igen / nem (4)
4. Kézi üzemmóddal rendelkező automata sebességváltóval felszerelt jármű: igen / nem (4)
5. Megjegyzések (adott esetben):
X. MELLÉKLET
A JÁRMŰBE VALÓ BEJUTÁS
1. RÉSZ
Adatközlő lap a gépjárműveknek a járműbe való bejutás tekintetében történő EU-típusjóváhagyásához
MINTA
... számú adatközlő lap a járműtípusoknak a járműbe való bejutás tekintetében történő EU-típusjóváhagyásához
Az alábbi adatokat értelemszerűen, három példányban, tartalomjegyzékkel együtt kell benyújtani. A rajzokat vagy ábrákat megfelelő méretarányban és kellő részletességgel, A4-es formátumban vagy A4-es formátumra összehajtva kell benyújtani. A fényképeknek - amennyiben vannak - kellően részletesnek kell lenniük.
0.
0.1.
0.2.
0.2.1.
0.3.
0.3.1.
0.4.
0.5.
0.8.
0.9.
1.
1.1.
2.
2.6.
9.
9.3.
9.3.1.
9.3.4. Magyarázó megjegyzés
Ez az adatközlő lap az (EU) 2020/683 bizottsági végrehajtási rendelet I. mellékletében meghatározott mintán alapul, és a fent felsorolt pontokat az említett mintának megfelelően kell kitölteni a vonatkozó információkkal.
2. RÉSZ
Műszaki előírások
1. E melléklet alkalmazásában:
1.1. "bejárati padlószint": az ajtónyílás vagy egyéb szerkezeti egység azon legalacsonyabb pontja - a kettő közül a magasabbik pont -, amelynek magasságába az utastérbe való bejutáshoz fel kell lépni.
2. Általános követelmények
2.1. A járműtípus tervezési jellemzőinek lehetővé kell tenniük, hogy az utastérbe történő beszállás és az onnan való kiszállás teljesen biztonságos legyen, továbbá az utastér bejáratait úgy kell kialakítani, hogy azokat könnyedén, minden veszély nélkül lehessen használni.
3. Fellépők és lépcsők
3.1. A kerékagy, az abroncsok és a kerék egyéb részei e rendelet alkalmazásában nem szolgálhatnak fellépőként vagy lépcsőként, kivéve olyan esetben, amikor konstrukciós vagy használati okok miatt a járművön máshová nem szerelhető fel fellépő vagy lépcső.
3.2. A bejárati padlószint magasságát vagy közvetlenül a talajtól, vagy a közvetlenül az ajtónyílás alatt elhelyezkedő lépcső hosszanti oldalának közepén áthaladó vízszintes síktól kell mérni.
4. A 7,5 tonnánál nagyobb össztömegű N2, valamint az N3 kategóriájú járművek utasterének ajtajain történő be- és kilépésre vonatkozó követelmények
4.1. Az utastérbe vezető lépcsők (1. ábra)
4.1.1. Vízszintes és egyenletes felületen álló, menetkész állapotban lévő járművön mérve a talaj és a legalsó lépcsőfok felső felületének (A) távolsága legfeljebb 600 mm lehet.
4.1.1.1. Terepjáró járművek esetében azonban az (A) távolság akár 700 mm is lehet.
4.1.2. A lépcsőfokok felső felülete közötti (B) távolság legfeljebb 400 mm lehet. Az egymást követő lépcsőfokok közötti függőleges távolság értékei legfeljebb 50 mm-rel térhetnek el egymástól. A függőleges távolságra vonatkozó követelmény azonban nem vonatkozik a legfelső lépcsőfok és az utastér bejárati padlószintje közötti távolságra.
4.1.2.1. Terepjáró járművek esetében a függőleges távolság 4.1.2. pont szerint megengedett eltérése 100 mm-ig növelhető.
4.1.3. Ezenkívül a következő mértani előírásokat kell betartani:
a) a lépcsőfokok mélysége (D): 80 mm;
b) a lépcsőfokok kinyúlása (E) (beleértve a lépcső mélységét is): 150 mm;
c) a lépcsőfokok szélessége (F): 300 mm;
d) a legalsó lépcsőfok szélessége (G): 200 mm;
e) a lépcsőfokok magassága (S): 120 mm;
f) keresztirányú eltérés a lépcsőfokok között (H): 0 mm;
g) hosszirányú átfedés (J) két egymást követő lépcsőfok között vagy a legfelső lépcsőfok és a vezetőfülke bejárati padlószintjének magassága között: 200 mm.
4.1.3.1. Terepjáró járművek esetében a 4.1.3. c) pontban meghatározott (F) érték 200 mm-re csökkenthető.
4.1.4. Terepjáró járművek esetében a legalsó lépcsőfok szerkezeti vagy használati okok miatt létrafok is lehet. Ilyen esetben a létrafok (R) mélységének legalább 20 mm-nek kell lennie.
4.1.4.1. Kör keresztmetszetű létrafok alkalmazása nem megengedett.
4.1.5. A legfelső lépcsőfok helyzetének könnyen felismerhetőnek kell lennie az utastérből való kiszálláskor.
4.1.6. Valamennyi lépcső kialakításának olyannak kell lennie, hogy az kizárja a megcsúszás kockázatát. Ezenfelül a menet közben az időjárásnak és szennyeződésnek kitett lépcsőknek megfelelő elvezető rendszerrel vagy víztelenítő felülettel kell rendelkezniük.
4.2. Az utastérbe vezető kapaszkodók hozzáférhetősége (lásd az 1. ábrán)
4.2.1. Az utastérbe történő bejutás megkönnyítéséhez a járművet egy vagy több megfelelő korláttal, fogantyúval vagy ezekkel egyenértékű egyéb kapaszkodóeszközzel kell felszerelni.
4.2.1.1. A korlátokat, fogantyúkat vagy az ezekkel egyenértékű egyéb kapaszkodóeszközöket úgy kell elhelyezni, hogy könnyen megfoghatók legyenek, és ne zavarják az utastérbe való bejutást.
4.2.1.2. A korlátok, fogantyúk vagy az ezekkel egyenértékű egyéb kapaszkodóeszközök fogási felületének folytonossága legfeljebb 100 mm-en szakadhat meg.
4.2.1.3. Több mint két lépcsőn keresztül megközelíthető utastér esetében a korlátokat, fogantyúkat vagy az ezekkel egyenértékű egyéb kapaszkodóeszközöket úgy kell elhelyezni, hogy a kapaszkodó személy egyidejűleg két kézzel és egy lábon, vagy két lábon és egy kézzel tudja tartani magát.
4.2.1.4. A lépcsősorokat kivéve a korlátok, fogantyúk vagy az ezekkel egyenértékű egyéb kapaszkodóeszközök kialakításának és elhelyezésének arra kell ösztönözniük a használót, hogy az utastér irányába nézve szálljon ki.
4.2.1.5. A kormány használható kapaszkodóként.
4.2.2. Vízszintes és egyenletes felületen álló, menetkész állapotban lévő járművön legalább az egyik korlát, fogantyú vagy az ezekkel egyenértékű egyéb kapaszkodóeszköz alsó szélének a talajtól mért (N) távolsága legfeljebb 1 850 mm lehet.
4.2.2.1. Terepjáró járművek esetében a 4.2.2. pontban meghatározott (N) magasság 1 950 mm-re növelhető.
4.2.2.2. Ha az utastér bejárati padlószintjének talajtól mért magassága nagyobb mint N, akkor ezt az értéket kell N-nek tekinteni.
4.2.2.3. Továbbá a korlát(ok), fogantyú(k) vagy az ezekkel egyenértékű egyéb kapaszkodóeszköz(ök) felső szélének az utastér bejárati padlószintjétől mért (P) minimális távolságára a következő előírások vonatkoznak:
a) korlát(ok), fogantyú(k) vagy ezekkel egyenértékű egyéb kapaszkodóeszköz(ök) (U): 650 mm;
b) korlát(ok), fogantyú(k) vagy ezekkel egyenértékű egyéb kapaszkodóeszköz(ök) (V): 550 mm.
4.2.3. A következő mértani előírásokat kell betartani:
a) a fogás mérete (K): legalább16 mm, de legfeljebb 38 mm;
b) hossza (M): legalább 150 mm;
c) a jármű alkotóelemeitől való távolság (L): nyitott ajtónál legalább 40 mm.
1. ábra
Az utastérbe vezető lépcsők és kapaszkodók

5. A 7,5 tonnánál nagyobb össztömegű N2, valamint az N3 kategóriájútól eltérő kategóriába tartozó járművek utasterének ajtajain történő be- és kilépésre vonatkozó követelmények
5.1. Fellépők és lépcsők
5.1.1. Az M1 és N1, valamint a legfeljebb 7,5 tonna össztömegű N2 kategóriájú járműveknek legalább egy fellépővel vagy lépcsővel kell rendelkezniük, ha a vízszintes és egyenletes felületen álló, menetkész állapotban lévő jármű utasterének bejárati padlószintje a talajnál 600 mm-rel magasabban van.
5.1.1.1. Terepjáró járművek esetében az utastér bejárati padlószintjének 5.1.1. pontban meghatározott magassága 700 mm-re növelhető.
5.1.1.2. Valamennyi fellépő és lépcső kialakításának olyannak kell lennie, hogy az kizárja a megcsúszás kockázatát. Ezenfelül a menet közben az időjárásnak és szennyeződésnek kitett fellépőknek és lépcsőknek megfelelő elvezető rendszerrel vagy víztelenítő felülettel kell rendelkezniük.
3. RÉSZ
EU-TÍPUSBIZONYÍTVÁNY (JÁRMŰRENDSZER)
Értesítés egy járműtípus típusjóváhagyásának megadásáról / kiterjesztéséről / elutasításáról / visszavonásáról ( 22 ) a járműbe való bejutás tekintetében, a legutóbb az (EU) .../... rendelettel módosított (EU) 2021/535 [Kérjük, illesszék be e rendelet hivatkozását] rendelet X. mellékletében meghatározott követelményekkel összhangban
Az EU-típusbizonyítvány száma:
A kiterjesztés / elutasítás / visszavonás (22) oka:
I. SZAKASZ
(Az (EU) 2020/683 bizottsági végrehajtási rendelet III. mellékletében található B. minta I. szakaszának megfelelően kell kitölteni.)
II. SZAKASZ
(Az (EU) 2020/683 bizottsági végrehajtási rendelet III. mellékletében található B. minta II. szakaszának megfelelően kell kitölteni.)
Kiegészítés
a(z) ... számú EU-típusbizonyítványhoz
1. Kiegészítő információk
1.1. A járműtípus rövid ismertetése a szerkezete, méretei, körvonalai és szerkezeti anyagai tekintetében:
1.2. M1 / N1 / legfeljebb 7,5 tonna össztömegű N2 kategóriájú jármű (1), amely fel van szerelve / nincs felszerelve (1) fellépőkkel vagy lépcsőkkel.
1.3. Terepjáró jármű igen / nem (1)
5. Megjegyzések:
XI. MELLÉKLET
HÁTRAMENET
1. RÉSZ
Adatközlő lap a gépjárműveknek a hátramenet tekintetében történő EU-típusjóváhagyásához
MINTA
... számú adatközlő lap a járműveknek a hátramenet tekintetében történő EU-típusjóváhagyásához
Az alábbi adatokat értelemszerűen, három példányban, tartalomjegyzékkel együtt kell benyújtani. A rajzokat vagy ábrákat megfelelő méretarányban és kellő részletességgel, A4-es formátumban vagy A4-es formátumra összehajtva kell benyújtani. A fényképeknek - amennyiben vannak - kellően részletesnek kell lenniük.
0.
0.1.
0.2.
0.2.1.
0.3.
0.3.1.
0.5.
0.8.
0.9.
1.
1.1.
4.
4.6. Magyarázó megjegyzés
Ez az adatközlő lap az (EU) 2020/683 bizottsági végrehajtási rendelet I. mellékletében meghatározott mintán alapul, és a fent felsorolt pontokat az említett mintának megfelelően kell kitölteni a vonatkozó információkkal.
2. RÉSZ
Műszaki előírások
1. Általános követelmények
1.1. Minden gépjárművet fel kell szerelni egy, a vezetőülésből könnyen kezelhető, hátramenetet biztosító berendezéssel.
1.2. A hátramenet kiválasztásának pillanata és a tényleges aktiválódásának pillanata között rövid késés megengedett.
3. RÉSZ
EU-TÍPUSBIZONYÍTVÁNY (JÁRMŰRENDSZER)
Értesítés egy járműtípus típusjóváhagyásának megadásáról / kiterjesztéséről / elutasításáról / visszavonásáról ( 23 ) a hátramenet tekintetében, a legutóbb az (EU) .../... rendelettel módosított (EU) 2021/535 rendelet XI. mellékletében meghatározott követelményekkel összhangban
Az EU-típusbizonyítvány száma:
A kiterjesztés / elutasítás / visszavonás (23) oka:
I. SZAKASZ
(Az (EU) 2020/683 bizottsági végrehajtási rendelet III. mellékletében található B. minta I. szakaszának megfelelően kell kitölteni.)
II. SZAKASZ
(Az (EU) 2020/683 bizottsági végrehajtási rendelet III. mellékletében található B. minta II. szakaszának megfelelően kell kitölteni.)
Kiegészítés
a(z) ... számú EU-típusbizonyítványhoz
1. Kiegészítő információk
1.1. A járműtípus rövid ismertetése a szerkezete, méretei, körvonalai és szerkezeti anyagai tekintetében:
1.2. A hátramenetet biztosító berendezés: sebességváltó / egyéb berendezés (1)
1.3. A hátramenetet biztosító berendezés rövid leírása, amennyiben ezt a funkciót nem a sebességváltó látja el:
5. Megjegyzések:
XII. MELLÉKLET
AZ M1 ÉS N1 KATEGÓRIÁJÚ JÁRMŰVEK ELÜLSŐ VÉDELMI RENDSZERE
1. RÉSZ
Adatközlő lap egy önálló műszaki egységnek az elülső védelmi rendszerek tekintetében történő EU-típusjóváhagyásához
MINTA
... számú adatközlő lap az elülső védelmi rendszerek önálló műszaki egységként történő EU-típusjóváhagyásához
Az alábbi adatokat értelemszerűen, három példányban, tartalomjegyzékkel együtt kell benyújtani. A rajzokat vagy ábrákat megfelelő méretarányban és kellő részletességgel, A4-es formátumban vagy A4-es formátumra összehajtva kell benyújtani. A fényképeknek - amennyiben vannak - kellően részletesnek kell lenniük.
0.
0.1.
0.2.
0.2.1.
0.5.
0.7.
0.8.
0.9.
1.
1.1.
1.2.
1.3.
1.4. Magyarázó megjegyzés
Ez az adatközlő lap az (EU) 2020/683 bizottsági végrehajtási rendelet I. mellékletében meghatározott mintán alapul, és a fent felsorolt pontokat az említett mintának megfelelően kell kitölteni a vonatkozó információkkal.
2. RÉSZ
A. szakasz
Általános rendelkezések és követelmények
1. E melléklet alkalmazásában:
1.1. "az elülső védelmi rendszer sarokpontja": az elülső védelmi rendszer érintkezési pontja egy olyan függőleges síkkal, amely 60°-os szöget zár be a jármű függőleges hosszirányú síkjával, és érinti az elülső védelmi rendszer külső felületét (lásd az 1. ábrát);
1. ábra
Az elülső védelmi rendszer sarokpontjának meghatározása

1.2. "főbb külső elülső méretek": a vizsgálókeret olyan szilárd pontjai a térben, amelyek az érintett tényleges járműtípus összes olyan pontját reprezentálják, amelyeknél a vizsgálat során az elülső védelmi rendszer erőhatást gyakorolhat a járműre;
1.3. "az elülső védelmi rendszer aljának magassága": bármely keresztmetszeti pozícióban a talaj és az elülső védelmi rendszer alsó referenciavonala közötti távolság, amikor a jármű normál menethelyzetben van;
1.4. "az elülső védelmi rendszer alsó referenciavonala": a gyalogos és az elülső védelmi rendszer közötti főbb érintkezési pontok alsó határát meghatározó vonal. Ez a vonal egy 700 mm hosszú egyenes mérőrúd és az elülső védelmi rendszer közötti legalsó érintkezési pontok mértani összekötő vonala, ha a jármű függőleges hosszirányú síkjával párhuzamosan tartott és a függőleges helyzethez képest 25°-kal előre döntött egyenes mérőrudat a jármű elején keresztben mozgatják oly módon, hogy az közben a talajjal és az elülső védelmi rendszer felületével érintkezik (lásd a 2. ábrát);
2. ábra
Az elülső védelmi rendszer alsó referenciavonalának meghatározása

1.5. "az elülső védelmi rendszer harmada": az elülső védelmi rendszer egyes sarokpontjai között hajlékony szalaggal mért, az elülső védelmi rendszer külső vízszintes körvonalát követő mértani nyomvonal egyharmad része;
1.6. "az elülső védelmi rendszer tetejének magassága": bármely keresztmetszeti pozícióban a talaj és az elülső védelmi rendszer felső referenciavonala közötti távolság, amikor a jármű normál menethelyzetben van;
1.7. "az elülső védelmi rendszer felső referenciavonala": a gyalogos és az elülső védelmi rendszer közötti főbb érintkezési pontok felső határát meghatározó vonal. Ez a vonal egy 700 mm hosszú egyenes mérőrúd és az elülső védelmi rendszer közötti legfelső érintkezési pontok mértani összekötő vonala, ha a jármű függőleges hosszirányú síkjával párhuzamosan tartott és a függőleges helyzethez képest 20 °-kal hátrafelé döntött egyenes mérőrudat a jármű elején keresztben mozgatják oly módon, hogy az közben a talajjal és az elülső védelmi rendszer felületével érintkezik (lásd a 3. ábrát).
Ha szükséges, a mérőrudat meg kell rövidíteni, hogy ne érintkezzen az elülső védelmi rendszer fölötti szerkezeti elemekkel;
3. ábra
Az elülső védelmi rendszer felső referenciavonalának meghatározása

1.8. "ráhajlási hossz": az elülső felső felületen vagy az elülső védelmi rendszeren egy hajlékony szalag egyik végével leírt mértani nyomvonal, amikor a szalagot a jármű függőleges hosszirányú síkjában tartva ráfektetik az elülső felső felületre vagy az elülső védelmi rendszerre. A szalagot a művelet során mindvégig feszesen kell tartani úgy, hogy az egyik vége a talaj referenciavonalán, függőlegesen a lökhárító vagy az elülső védelmi rendszer homlokfelülete alatt legyen, a másik vége pedig az elülső felső felülettel vagy az elülső védelmi rendszerrel érintkezzen (lásd például a 4. ábrát). A járműnek normál menethelyzetben kell lennie.
4. ábra
Az elülső védelmi rendszer ráhajlási hossza

2. Általános követelmények
2.1. A gyártónak a típusjóváhagyási vizsgálatok elvégzéséért felelős műszaki szolgálat rendelkezésére kell bocsátania a jóváhagyandó elülső védelmi rendszer egy mintapéldányát. Amennyiben a műszaki szolgálat szükségesnek látja, további mintákat kérhet. A mintá(ko)n jól láthatóan és eltávolíthatatlanul fel kell tüntetni a kérelmező kereskedelmi nevét vagy védjegyét és a típusmegjelölést. A gyártónak ezt követően gondoskodnia kell a kötelező EU-típusjóváhagyási jel feltüntetéséről.
2.2. Amennyiben a vizsgálandó elülső védelmi rendszert egynél több M1 vagy N1 kategóriájú járműtípusra tervezték, a rendszer típusjóváhagyását minden olyan járműtípusra külön el kell végezni, amelyhez a rendszert szánták.
A műszaki szolgálat döntése alapján azonban a kiegészítő vizsgálatok elhagyhatók olyan esetekben, amikor az érintett járműtípusok vagy az elülső védelmi rendszer érintett típusai kellően hasonlónak minősülnek.
2.3. A vizsgálatot vagy olyan típusú járműre felszerelt elülső védelmi rendszerrel kell elvégezni, amelyre azt szánják, vagy pedig az érintett járműtípus főbb külső elülső méreteivel minél közelebbről egyező méretű vizsgálókeretre felszerelt elülső védelmi rendszerrel. Ha a vizsgálatot vizsgálókerettel végzik és az elülső védelmi rendszer a vizsgálat közben a kerettel érintkezik, a vizsgálatot meg kell ismételni olyan típusú járműre felszerelt elülső védelmi rendszerrel, amelyre azt szánják. Járműre felszerelt elülső védelmi rendszerrel végzett vizsgálat esetében a C. szakasz feltételei alkalmazandók.
2.4. Az elülső védelmi rendszer EU-típusbizonyítványának függelékében felsorolt járműtípusoknak az Aoszlop vagy az elülső védelmi rendszer előtti részen történő minden olyan módosítását, amely érinti a jármű vagy az elülső védelmi rendszer szerkezetét, fő méreteit vagy külső felületeinek anyagát, a rögzítési módszereket, illetve a külső vagy belső alkotóelemek elrendezését, és amely jelentős hatással lehet a vizsgálatok eredményeire, a (EU) 2018/858 rendelet 33. cikke szerinti módosításnak kell tekinteni, amely az elülső védelmi rendszer tekintetében új EU-típusjóváhagyást tesz szükségessé.
2.5. Ha az e rendelet XII. mellékletének 2. részében meghatározott vonatkozó követelmények teljesülnek, a típusjóváhagyási szám 3. szakasza és különösen a használandó betűk tekintetében a következő jeleket kell alkalmazni:
- "A", ha az elülső védelmi rendszert olyan M1 vagy N1 kategóriájú járművekre való felszerelésre hagyták jóvá, amelyek megfelelnek a 78/2009/EK rendelet I. mellékletének 2. szakaszában vagy a 2003/102/EK irányelv I. mellékletének 3.1. pontjában foglalt követelményeknek;
- "B", ha az elülső védelmi rendszert olyan M1 vagy N1 kategóriájú járművekre való felszerelésre hagyták jóvá, amelyek megfelelnek a 78/2009/EK rendelet I. mellékletének 3. szakaszában, a 2003/102/EK irányelv I. mellékletének 3.2. pontjában vagy a 127. sz. ENSZ-előírásban ( 24 ) foglalt követelményeknek; vagy
- "X", ha az elülső védelmi rendszert csak olyan M1 vagy N1 kategóriájú járművekre való felszerelésre hagyták jóvá, amelyek nem felelnek meg a 78/2009/EK rendeletben, a 2003/102/EK irányelvben vagy a 127. sz. ENSZ-előírásban foglalt követelményeknek.
3. Különleges követelmények
3.1. A következő követelmények egyaránt vonatkoznak az M1 vagy N1 kategóriájú új járművekre szerelt elülső védelmi rendszerekre, valamint az M1 vagy N1 kategóriájú, meghatározott járművekre önálló műszaki egységként szerelendő elülső védelmi rendszerekre.
3.1.1. Az elülső védelmi rendszerek alkotóelemeit úgy kell megtervezni, hogy valamennyi merev felületük, amelyet egy 100 mm-es gömb érinthet, legalább 5,0 mm-es görbületi sugárral rendelkezzen.
3.1.2. Az elülső védelmi rendszer össztömege - a tartószerkezeteket és rögzítéseket is beleértve - nem haladhatja meg azon jármű legnagyobb össztömegének 1,2 %-át, amelyhez tervezték, és legfeljebb 18 kg lehet.
3.1.3. A járműre felszerelt elülső védelmi rendszer legfeljebb 50 mm-rel lehet magasabb a motorházfedél elülső élének a 127. sz. ENSZ-előírás szerint meghatározott referenciavonalánál.
3.1.4. Az elülső védelmi rendszer nem haladhatja meg azon jármű szélességét, amelyre felszerelték. Amennyiben az elülső védelmi rendszer teljes szélessége nagyobb, mint a jármű szélességének 75 %-a, a berágódás veszélyének minimalizálása érdekében az elülső védelmi rendszer széleit a külső felület felé kell befordítani. Ez a követelmény akkor teljesül, ha az elülső védelmi rendszer süllyesztett vagy a felépítménybe van beépítve, illetve ha az elülső védelmi rendszer szélét olyan módon fordították befelé, hogy azt egy 100 mm-es gömbbel nem lehet megérinteni, továbbá az elülső védelmi rendszer széle és az azt körülvevő felépítmény közötti rés nem haladja meg a 20 mm-t.
3.1.5. A 3.1.4. pontra is figyelemmel az elülső védelmi rendszer alkotóelemei és az alattuk lévő külső felület közötti rés nem haladhatja meg a 80 mm-t. Az alapfelépítmény általános körvonalának helyenkénti megszakadását (rácsok nyílásai, levegőbemeneti nyílások stb.) nem kell figyelembe venni.
3.1.6. Annak érdekében, hogy a jármű lökhárítója által nyújtott védelmi hatások megmaradjanak, a jármű bármely oldalsó pontján a lökhárító legelöl lévő része és az elülső védelmi rendszer legelöl lévő része közötti hosszirányú távolság nem haladhatja meg az 50 mm-t.
3.1.7. Az elülső védelmi rendszer nem csökkentheti jelentősen a lökhárító hatékonyságát. Ez a követelmény akkor teljesül, ha az elülső védelmi rendszer függőleges alkotóelemei közül legfeljebb kettő, vízszintes alkotóelemei közül pedig egy sem fedi a lökhárítót.
3.1.8. Az elülső védelmi rendszer nem dőlhet a függőlegeshez képest előre. Az elülső védelmi rendszer felső részei felfelé vagy hátrafelé (a szélvédő felé) nem nyúlhatnak túl 50 mm-nél nagyobb mértékben a jármű-motorházfedél elülső élének referenciavonalán, amelyet az elülső védelmi rendszer leszerelt állapotában kell meghatározni.
3.1.9. Az elülső védelmi rendszer felszerelése nem veszélyeztetheti a járműre vonatkozó típusjóváhagyás követelményeinek való megfelelést.
3.1.10. A típusjóváhagyó hatóság úgy dönthet, hogy az e mellékletben meghatározott bármely vizsgálat követelményei teljesülnek a 127. sz. ENSZ-előírás szerinti bármely egyenértékű vizsgálat elvégzése révén (pl. egy járműtípus részeként végzett vizsgálat során, amikor az adott járműtípus opcionálisan felszerelhető elülső védelmi rendszerrel, lásd a C. szakasz 1. és 3.1. pontját).
B. szakasz
A járművek vizsgálatára vonatkozó előírások
1. A teljes jármű vizsgálata
1.1. A teljes jármű vizsgálata tekintetében a járműveknek az 1.1.1., az 1.1.2. és az 1.1.3. pontban leírt feltételeknek kell eleget tenniük.
1.1.1. A járműnek normál menethelyzetben kell lennie, és vagy emelt támasztékokra kell biztonságosan ráerősíteni, vagy pedig sima felületen, nyugalmi állapotban kell állnia behúzott rögzítőfékkel.
1.1.2. A veszélyeztetett úthasználók védelmére szolgáló valamennyi eszközt előzetesen megfelelően aktiválni kell, és/vagy azoknak a megfelelő vizsgálat során aktívnak kell lenniük. A jóváhagyás kérelmezőjének felelőssége annak igazolása, hogy a gyalogossal való ütközés során az eszközök rendeltetésszerűen működnek.
1.1.3. A jármű megfelelőségét minden olyan jármű-alkotóelem esetében, amely alakot vagy helyzetet válthat - a gyalogosok védelmére szánt aktív eszközöktől eltekintve -, és amely egynél több rögzített alakkal vagy helyzettel rendelkezik, az alkotóelemek minden egyes alakja vagy helyzete tekintetében biztosítani kell.
2. A jármű alrendszereinek vizsgálata
2.1. Amennyiben csak a jármű egy alrendszerét vizsgálják, annak meg kell felelnie a 2.1.1., a 2.1.2., a 2.1.3. és a 2.1.4. pontban előírt feltételeknek.
2.1.1. A járműszerkezet valamennyi olyan részét, a motorházfedelet és a motorházfedél alatti vagy a szélvédő mögötti alkotóelemeket, amelyek a veszélyeztetett úthasználókkal való frontális ütközésben szerepet játszhatnak, be kell vonni a vizsgálatba az összes érintett jármű-alkotóelem teljesítményének és interakcióinak igazolása céljából.
2.1.2. A járműalrendszert a jármű normál menethelyzetében kell biztonságosan felszerelni.
2.1.3. A veszélyeztetett úthasználók védelmére szolgáló valamennyi eszközt előzetesen megfelelően aktiválni kell, és/vagy azoknak a megfelelő vizsgálat során aktívnak kell lenniük. A jóváhagyás kérelmezőjének felelőssége annak igazolása, hogy a gyalogossal való ütközés során az eszközök rendeltetésszerűen működnek.
2.1.4. A jármű megfelelőségét minden olyan jármű-alkotóelem esetében, amely alakot vagy helyzetet válthat - a gyalogosok védelmére szánt aktív eszközöktől eltekintve -, és amely egynél több rögzített alakkal vagy helyzettel rendelkezik, az alkotóelemek minden egyes alakja vagy helyzete tekintetében biztosítani kell.
C. szakasz
Az elülső védelmi rendszerek vizsgálatával kapcsolatos előírások
1. A járműre eredeti berendezésként szerelt elülső védelmi rendszer vizsgálata
1.1. A járműre szerelt elülső védelmi rendszernek meg kell felelnie az A. szakasz 3-3.1.10. pontjában megállapított feltételeknek.
1.2. A járműnek normál menethelyzetben kell lennie, és vagy emelt támasztékokra kell biztonságosan ráerősíteni, vagy pedig sima felületen, nyugalmi állapotban kell állnia behúzott rögzítőfékkel. A járművet fel kell szerelni a vizsgálandó elülső védelmi rendszerrel. Követni kell az elülső védelmi rendszer gyártójának felszerelési utasításait, amelyeknek tartalmazniuk kell minden rögzítés meghúzási nyomatékát.
1.3. A gyalogosok és más veszélyeztetett úthasználók védelmére szolgáló valamennyi eszközt előzetesen megfelelően aktiválni kell, és/vagy azoknak a megfelelő vizsgálat során aktívnak kell lenniük. A kérelmezőnek igazolnia kell, hogy az eszközök rendeltetésszerűen működnek, ha a jármű gyalogossal vagy más veszélyeztetett úthasználóval ütközik.
1.4. A gyalogosok és más veszélyeztetett úthasználók védelmére szánt aktív eszközöktől eltekintve minden olyan jármű-alkotóelemet, amely alakot vagy helyzetet válthat (ideértve a "felnyíló" első fényszórókat is) olyan alakban vagy helyzetben kell beállítani, amelyet a műszaki szolgálat az említett vizsgálatok tekintetében a legmegfelelőbbnek ítél.
2. Az elülső védelmi rendszer mint önálló műszaki egység vizsgálata
2.1. Amennyiben csak az elülső védelmi rendszert vizsgálják, a rendszernek olyan járműtípusra felszerelve kell megfelelnie az A. szakasz 3-3.1.10. pontjában foglalt feltételeknek, amelyre az adott önálló műszaki egység típusjóváhagyása vonatkozik.
2.2. A vizsgálatot vagy olyan típusú járműre felszerelt elülső védelmi rendszerrel kell elvégezni, amelyre azt szánják, vagy pedig az érintett járműtípus főbb külső elülső méreteivel minél közelebbről egyező méretű vizsgálókeretre felszerelt elülső védelmi rendszerrel. Ha a vizsgálatot vizsgálókerettel végzik és az elülső védelmi rendszer a vizsgálat közben a kerettel érintkezik, a vizsgálatot meg kell ismételni olyan típusú járműre felszerelt elülső védelmi rendszerrel, amelyre azt szánják. Járműre felszerelt elülső védelmi rendszerrel végzett vizsgálat esetében az 1. pont feltételei alkalmazandók.
3. Benyújtandó információk
3.1. Valamennyi elülső védelmi rendszer esetében - függetlenül attól, hogy az egy opcionálisan elülső védelmi rendszerrel felszerelt jármű elülső védelmi rendszer tekintetében való típusjóváhagyásának része vagy pedig önálló műszaki egységként kerül sor a típusjóváhagyására - csatolni kell az azon jármű(vek)re vonatkozó információkat, amely(ek)re azt felszerelés céljából jóváhagyták.
3.2. Valamennyi, önálló műszaki egységként típusjóváhagyott elülső védelmi rendszer esetében részletes felszerelési utasításokat kell csatolni, amelyek elegendő információt tartalmaznak ahhoz, hogy egy hozzáértő személy a rendszert megfelelően fel tudja szerelni a járműre. Az említett utasításokat azon tagállam nyelvén (nyelvein) kell elkészíteni, amely(ek)ben az elülső védelmi rendszert értékesítésre szánják.
D. szakasz
A láb formájú ütközőtest és az elülső védelmi rendszer ütközésének vizsgálata
1. Különleges követelmények
1.1. Valamennyi vizsgálatot 40 km/h ütközési sebesség mellett kell elvégezni.
1.2. A 78/2009/EK rendelet I. mellékletének 2. szakaszában vagy a 2003/102/EK irányelv I. mellékletének 3.1. pontjában foglalt követelményeknek megfelelő járművekre való felszerelésre jóváhagyott elülső védelmi rendszer esetében a mediális kollaterális térdszalag maximális dinamikus nyúlásának abszolút értéke nem haladhatja meg a 40 mm-t, az elülső keresztszalag, valamint a hátulsó keresztszalag maximális dinamikus nyúlása pedig nem haladhatja meg a 13 mm-t. A sípcsontnál a dinamikus hajlítónyomaték abszolút értéke nem haladhatja meg a 380 Nm-t.
1.3. A 78/2009/EK rendelet I. mellékletének 3. szakaszában vagy a 2003/102/EK irányelv I. mellékletének 3.2. pontjában vagy a 127. sz. ENSZ-előírásban foglalt követelményeknek megfelelő járművekre való felszerelésre jóváhagyott elülső védelmi rendszer esetében a mediális kollaterális térdszalag maximális dinamikus nyúlásának abszolút értéke nem haladhatja meg a 22 mm-t, az elülső keresztszalag, valamint a hátulsó keresztszalag maximális dinamikus nyúlása pedig nem haladhatja meg a 13 mm-t. A sípcsontnál a dinamikus hajlítónyomaték abszolút értéke nem haladhatja meg a 340 Nm-t.
1.4. A csak olyan járművekre való felszerelésre jóváhagyott elülső védelmi rendszerek esetében, amelyek nem felelnek meg a 78/2009/EK rendeletben, a 2003/102/EK irányelvben vagy az 127. sz. ENSZ-előírásban foglalt követelményeknek, az 1.2. és az 1.3. pontban meghatározott vizsgálati követelmények helyett a következő vizsgálati követelményeket lehet alkalmazni:
- a mediális kollaterális térdszalag maximális dinamikus nyúlásának abszolút értéke nem haladhatja meg a 40 mm-t, az elülső keresztszalag, valamint a hátulsó keresztszalag maximális dinamikus nyúlása pedig nem haladhatja meg a 13 mm-t. A sípcsontnál a dinamikus hajlítónyomaték abszolút értéke nem haladhatja meg a 380 Nm-t; vagy
- a járművön két vizsgálatot kell elvégezni, az egyiket felszerelt elülső védelmi rendszerrel, a másikat felszerelt elülső védelmi rendszer nélkül, és minden vizsgálatpárt a típusjóváhagyó hatósággal és a műszaki szolgálattal egyeztetett, egyenértékű helyen kell végrehajtani. Fel kell jegyezni a mediális kollaterális térdszalag maximális dinamikus nyúlásának, valamint az elülső keresztszalag és a hátulsó keresztszalag maximális dinamikus nyúlásának értékeit. Az elülső védelmi rendszerrel felszerelt járműnél rögzített érték egyik esetben sem haladhatja meg az elülső védelmi rendszer nélküli járműnél rögzített érték 90 %-át.
2. Általános követelmények
2.1. Az elülső védelmi rendszer vizsgálatához a láb formájú ütközőtestnek az ütközés pillanatában szabadeséssel kell mozognia, a 127. sz. ENSZ-előírás 5. melléklete 1.8. szakaszának rendelkezéseivel összhangban. Az ütközőtestet a járműtől olyan távolságra kell kioldani a szabadesés megkezdéséhez, hogy a vizsgálat eredményeit ne befolyásolja az ütközőtest és a mozgatórendszer érintkezése az ütközőtest visszapattanása során.
2.2. Az ütközőtestet minden esetben indíthatja levegős, rugós vagy hidraulikus ágyú, illetve más olyan eszköz, amely igazolhatóan ugyanolyan eredményt biztosít. A láb formájú ütközőtestet a 127. sz. ENSZ-előírás 6. mellékletének 1. szakasza szerint kell hitelesíteni.
3. A vizsgálatra vonatkozó előírások
3.1. Az elülső védelmi rendszer és a láb formájú ütközőtest ütközésére vonatkozóan legalább három vizsgálatot kell elvégezni az elülső védelmi rendszer felső és alsó referenciavonala közötti vizsgálati pontokon. A vizsgálati pontoknak olyan helyeken kell lenniük, amelyek a műszaki szolgálat megítélése szerint a legnagyobb valószínűséggel okoznak sérülést. Amennyiben a vizsgálandó területen eltérő szerkezettípusok váltakoznak, a vizsgálatokat a szerkezet különféle típusain kell elvégezni. A műszaki szolgálat által vizsgált pontokat a vizsgálati jelentésben kell ismertetni.
3.2. Olyan járművek esetében, ahol az elülső védelmi rendszer alsó referenciavonalának magassága kevesebb, mint 425 mm, e szakasz követelményei alkalmazandók.
4. Olyan járművek esetében, ahol az elülső védelmi rendszer alsó referenciavonalának magassága legalább 425 mm, de kevesebb mint 500 mm, a gyártó választhat, hogy az e szakaszban meghatározott vizsgálatokat vagy az E. szakaszban meghatározott vizsgálatokat alkalmazza-e.
4.1. A jármű vagy az alrendszer helyzetének meg kell felelnie a C. szakaszban előírt követelményeknek. A vizsgálati berendezés és a jármű vagy az önálló műszaki egység stabilizált hőmérsékletének 20 °C ± 4 °C-nak kell lennie.
4.2. A láb formájú ütközőtestet a 127. sz. ENSZ-előírás 4. melléklete mutatja be.
4.3. Az ütközőtestet a vizsgálat előtt a 127. sz. ENSZ-előírás 5. mellékletének 1.2. és 1.3. szakasza szerint kell tárolni és kezelni.
4.4. A vizsgálatokat a 127. sz. ENSZ-előírás 5. mellékletének 1.6-1.14. szakasza szerint kell elvégezni.
4.5. Az ütközőtest és az elülső védelmi rendszer érintkezése során az ütközőtest nem érintheti a talajt, illetve nem érinthet olyan tárgyakat, amelyek nem részei az elülső védelmi rendszernek vagy a járműnek.
E. szakasz
A csípő formájú ütközőtest és az elülső védelmi rendszer ütközésének vizsgálata
1. Különleges követelmények
1.1. Valamennyi vizsgálatot 40 km/h ütközési sebesség mellett kell elvégezni.
1.2. Egy adott időintervallumon belül az ütközési erők pillanatnyi összege nem haladhatja meg a 7,5 kN-t, és a vizsgálati ütközőtesten a hajlítónyomaték nem haladhatja meg az 510 Nm-t.
1.3. A csak olyan járművekre való felszerelésre jóváhagyott elülső védelmi rendszerek esetében, amelyek nem felelnek meg a 78/2009/EK rendeletben, a 2003/102/EK irányelvben vagy az 127. sz. ENSZ-előírásban foglalt követelményeknek, az 1.2. pontban meghatározott vizsgálati követelmények helyett a következő vizsgálati követelményeket lehet alkalmazni:
- egy adott időintervallumon belül az ütközési erők pillanatnyi összege nem haladhatja meg a 9,4 kN-t, és a vizsgálati ütközőtesten a hajlítónyomaték nem haladhatja meg a 640 Nm-t; vagy
- a járművön két vizsgálatot kell elvégezni, az egyiket felszerelt elülső védelmi rendszerrel, a másikat felszerelt elülső védelmi rendszer nélkül, és minden vizsgálatpárt a típusjóváhagyó hatósággal és a műszaki szolgálattal egyeztetett, egyenértékű helyen kell végrehajtani. Rögzíteni kell az ütközési erők pillanatnyi összegének és a hajlítónyomatéknak az ütközőtesten mért értékét. Az elülső védelmi rendszerrel felszerelt járműnél rögzített érték egyik esetben sem haladhatja meg az elülső védelmi rendszer nélküli járműnél rögzített érték 90 %-át.
2. Általános követelmények
2.1. A csípő formájú ütközőtestet az elülső védelmi rendszerrel való ütközés vizsgálata céljából nyomatékkorlátozó csuklóval kell a mozgatórendszerre felszerelni, annak érdekében, hogy elkerülhető legyen a terelőrendszert károsító nagyobb, nem középre irányuló terhelés. A terelőrendszert kis súrlódású terelőkkel kell ellátni, amelyek nem érzékenyek a nem a tengely mentén történő terhelésre, és amelyek révén az ütközésmérő csak az ütközés meghatározott irányában mozoghat az elülső védelmi rendszerrel való érintkezés során. A terelőknek meg kell akadályozniuk a más irányban történő mozgást, ideértve a bármely tengely körüli forgást is.
2.2. A csípő formájú ütközőtestet minden esetben indíthatja levegős, rugós vagy hidraulikus ágyú, illetve más olyan eszköz, amely igazolhatóan ugyanolyan eredményt biztosít. A csípő formájú ütközőtestet a 127. sz. ENSZ-előírás 6. mellékletének 2. szakasza szerint kell hitelesíteni.
3. A vizsgálatra vonatkozó előírások
3.1. Az elülső védelmi rendszer és a csípő formájú ütközőtest ütközésére vonatkozóan legalább három vizsgálatot kell elvégezni az elülső védelmi rendszer felső és alsó referenciavonala közötti vizsgálati pontokon. A vizsgálati pontoknak olyan helyeken kell lenniük, amelyek a műszaki szolgálat megítélése szerint a legnagyobb valószínűséggel okoznak sérülést. Amennyiben a vizsgálandó területen eltérő szerkezettípusok váltakoznak, a vizsgálatokat a szerkezet különféle típusain kell elvégezni. A műszaki szolgálat által vizsgált pontokat a vizsgálati jelentésben kell ismertetni.
3.2. Olyan járművek esetében, ahol az elülső védelmi rendszer alsó referenciavonalának magassága legalább 500 mm, e szakasz követelményei alkalmazandók.
4. Olyan járművek esetében, ahol az elülső védelmi rendszer alsó referenciavonalának magassága legalább 425 mm, de kevesebb, mint 500 mm, a gyártó választhat, hogy az e vizsgálatot vagy a D. szakaszban meghatározott vizsgálatot alkalmazza-e.
4.1. A jármű vagy az alrendszer helyzetének meg kell felelnie a C. szakaszban előírt követelményeknek. A vizsgálati berendezés és a jármű vagy az önálló műszaki egység stabilizált hőmérsékletének 20 °C ± 4 °C-nak kell lennie.
4.2. A csípő formájú ütközőtestet a 127. sz. ENSZ-előírás 4. melléklete mutatja be.
4.3. Az ütközőtestet a vizsgálat előtt a 127. sz. ENSZ-előírás 5. mellékletének 2.2. és 2.3. szakasza szerint kell tárolni és kezelni.
4.5. A vizsgálatokat a 127. sz. ENSZ-előírás 5. mellékletének 2.6. és 2.7. szakasza szerint kell elvégezni.
F. szakasz
A gyerekfej / kis méretű felnőttfej formájú ütközőtest és az elülső védelmi rendszer ütközésének vizsgálata
1. Különleges követelmények
1.1. Valamennyi vizsgálatot 35 km/h ütközési sebességnél, 3,5 kg-os gyerekfej / kis méretű felnőttfej formájú ütközőtesttel kell elvégezni. A gyorsulásmérő idősorainak eredőjéből számított HPC (a fej terhelési kritériuma) egyik esetben sem haladhatja meg az 1 000 -et.
2. Általános követelmények
2.1. A gyerekfej / kis méretű felnőttfej formájú ütközőtestnek az elülső védelmi rendszerrel való ütközés vizsgálata során az ütközésmérőnek az ütközés pillanatában szabadeséssel kell mozognia. Az ütközőtestet az elülső védelmi rendszertől olyan távolságra kell kioldani a szabadesés megkezdéséhez, hogy a vizsgálat eredményeit ne befolyásolja az ütközőtest és a mozgatórendszer érintkezése az ütközőtest visszapattanása során.
2.2. Az ütközőtestet minden esetben indíthatja levegős, rugós vagy hidraulikus ágyú, illetve más olyan eszköz, amely igazolhatóan ugyanolyan eredményt biztosít. A fej formájú ütközőtestet a 127. sz. ENSZ-előírás 6. mellékletének 3. szakasza szerint kell hitelesíteni.
3. A vizsgálatra vonatkozó előírások
3.1. A fej formájú próbatestekkel legalább három ütközésvizsgálatot kell végrehajtani, olyan helyzetekben, amelyek a műszaki szolgálat megítélése szerint a legnagyobb valószínűséggel okoznak sérülést. Amennyiben a vizsgálandó területen eltérő szerkezettípusok váltakoznak, a vizsgálatokat a szerkezet különféle típusain kell elvégezni. A műszaki szolgálat által vizsgált pontokat a vizsgálati jelentésben kell ismertetni.
3.2. A gyerekfej / kis méretű felnőttfej formájú ütközőtest vizsgálati pontjait az elülső védelmi rendszer olyan részein kell kiválasztani, ahol az elülső védelmi rendszer ráhajlási hossza (WAD) meghaladja a 900 mm-t a normál menethelyzetű járművön vagy a céljármű normál menethelyzetének megfelelő vizsgálókeretre szerelt elülső védelmi rendszeren mérve.
4. Vizsgálati eljárás
4.1. A jármű vagy az alrendszer helyzetének meg kell felelnie a C. szakasz 1. pontjában előírt követelményeknek. A vizsgálati berendezés és a jármű vagy az önálló műszaki egység stabilizált hőmérsékletének 20 °C ± 4 °C-nak kell lennie.
4.2. A gyerekfej / kis méretű felnőttfej formájú ütközőtestet a 127. sz. ENSZ-előírás 4. melléklete mutatja be.
4.3. Az ütközőtestet a 2.1. és a 2.2. pontban meghatározottak szerint kell felszerelni és indítani.
4.4. A vizsgálatokat a 127. sz. ENSZ-előírás 5. mellékletének 3-3.3.1 és 4.4-4.7. szakasza szerint kell elvégezni.
3. RÉSZ
A. szakasz
EU-TÍPUSBIZONYÍTVÁNY (ÖNÁLLÓ MŰSZAKI EGYSÉG)
Értesítés egy elülső védelmi rendszer önálló műszaki egységként történő típusjóváhagyásának megadásáról / kiterjesztéséről / elutasításáról / visszavonásáról ( 25 ), a legutóbb az (EU) / rendelettel módosított (EU) 2021/535 rendelet XII. mellékletében meghatározott követelményekkel összhangban
Az EU-típusbizonyítvány száma:
A kiterjesztés / elutasítás / visszavonás (25) oka:
I. SZAKASZ
(Az (EU) 2020/683 bizottsági végrehajtási rendelet III. mellékletében található C. minta I. szakaszának megfelelően kell kitölteni.)
II. SZAKASZ
(Az (EU) 2020/683 bizottsági végrehajtási rendelet III. mellékletében található C. minta II. szakaszának megfelelően kell kitölteni.)
Kiegészítés
a(z) ... számú EU-típusbizonyítványhoz
1. Kiegészítő információk
1.1. Rögzítési mód:
1.2. Összeszerelési és felszerelési utasítások:
2. Azon járművek listája, amelyekre az elülső védelmi rendszer felszerelhető, a használati utasítások és a felszereléshez szükséges feltételek:
[...]
5. Megjegyzések
[...]
6. Az (EU) 2021/535 rendelet XII. melléklete 2. részének követelményei szerint elvégzett vizsgálat eredményei.
Vizsgálat | Rögzített érték | Megfelelt / Nem felelt meg | ||
A láb formájú ütközőtest és az elülső védelmi rendszer ütközése — három vizsgálati helyzet (ha elvégezték) | Elhajlási szög | … | fok | |
Nyírási elmozdulás | … | mm | ||
Gyorsulás a sípcsontnál | … | g | ||
A csípő formájú ütközőtest és az elülső védelmi rendszer ütközése — három vizsgálati helyzet (ha elvégezték) | Az ütközési erők összege | … | kN | |
Hajlítónyomaték | … | Nm | ||
A gyerekfej / kis méretű felnőttfej formájú ütközőtest (3,5 kg) és az elülső védelmi rendszer ütközése | HPC-értékek (legalább 3 érték) |
B. szakasz
Önálló műszaki egység EU-típusjóváhagyása
1. Az alkotóelemeknek és önálló műszaki egységeknek az (EU) 2018/858 rendelet 38.cikke (2) bekezdésében említett EU-típusjóváhagyási jele a következőkből áll:
1.1. egy téglalap, benne a nyomtatott kis "e" betű, amelyet azon tagállam megkülönböztető száma követ, amely az alkotóelem vagy önálló műszaki egység EU-típusjóváhagyását megadta:
1 | Németország |
2 | Franciaország |
3 | Olaszország |
4 | Hollandia |
5 | Svédország |
6 | Belgium |
7 | Magyarország |
8 | Cseh Köztársaság |
9 | Spanyolország |
13 | Luxemburg |
17 | Finnország |
18 | Dánia |
19 | Románia |
20 | Lengyelország |
21 | Portugália |
23 | Görögország |
24 | Írország |
25 | Horvátország |
26 | Szlovénia |
27 | Szlovákia |
29 | Észtország |
32 | Lettország |
12 | Ausztria |
34 | Bulgária |
36 | Litvánia |
49 | Ciprus |
50 | Málta |
1.2. A téglalap közelében két számjegy (jelenleg "00") jelzi az azon követelményeket megállapító módosítássorozat számát, amelyeknek az adott önálló műszaki egység megfelel; majd egy szóköz után az (EU) 2018/858 rendelet IV. mellékletének 2.4. pontjában említett ötjegyű szám következik.
2. Az önálló műszaki egységek típusjóváhagyási jelét eltávolíthatatlanul és jól olvashatóan kell elhelyezni.
3. Az 1. ábra az önálló műszaki egységek EU-típusjóváhagyási jelét szemlélteti.
1. ábra
Példa az önálló műszaki egységek EU-típusjóváhagyási jelére

Magyarázó megjegyzés
Jelmagyarázat Az önálló műszaki egység EU-típusjóváhagyását 00646 sorszámmal Bulgária adta ki. Az első két számjegy (03) azt jelzi, hogy az önálló műszaki egységet e rendelettel összhangban hagyták jóvá. Az "X" betű azt jelzi, hogy az elülső védelmi rendszer csak olyan M1 vagy N1 kategóriájú járművekre szerelhető fel, amelyek nem felelnek meg a 78/2009/EK rendeletben, a 2003/102/EK irányelvben vagy a 127. sz. ENSZ-előírásban foglalt követelményeknek.
XIII. MELLÉKLET
TÖMEGEK ÉS MÉRETEK
1. RÉSZ
A. szakasz
Adatközlő lap a gépjárműveknek és pótkocsijaiknak a tömegeik és méreteik tekintetében történő EU-típusjóváhagyásához
MINTA
... számú adatközlő lap a gépjárműveknek és pótkocsiknak a tömegeik és méreteik tekintetében történő EU-típusjóváhagyásához
Az alábbi adatokat három példányban, tartalomjegyzékkel együtt kell benyújtani. A rajzokat vagy ábrákat megfelelő méretarányban és kellő részletességgel, A4-es formátumban vagy A4-es formátumra összehajtva kell benyújtani. A fényképeknek - amennyiben vannak - kellően részletesnek kell lenniük.
0.
0.1.
0.2.
0.2.1.
0.4.
0.5.
0.8.
0.9.
1.
1.1.
1.2.
1.3.
1.3.1.
1.3.2.
1.3.3.
1.4.
1.7.
1.9.
1.10.
2.
2.1.
2.1.1.
2.1.2.
2.1.2.1.
2.1.2.2.
2.2.
2.2.1.
2.2.1.1.
2.2.1.2.
2.2.1.3.
2.2.2.
2.2.2.1.
2.3.
2.3.1.
2.3.2.
2.4.
2.4.1.
2.4.1.1.
2.4.1.1.1.
2.4.1.1.2.
2.4.1.1.3.
2.4.1.2.
2.4.1.2.1.
2.4.1.2.2.
2.4.1.3.
2.4.1.4.
2.4.1.4.1.
2.4.1.5.
2.4.1.5.1.
2.4.1.5.2.
2.4.1.6.
2.4.1.6.1.
2.4.1.6.2.
2.4.1.6.3.
2.4.1.8.
2.4.2.
2.4.2.1.
2.4.2.1.1.
2.4.2.1.3.
2.4.2.2.
2.4.2.2.1.
2.4.2.3.
2.4.2.4.
2.4.2.4.1.
2.4.2.5.
2.4.2.5.1.
2.4.2.5.2.
2.4.2.6.
2.4.2.6.1.
2.4.2.6.2.
2.4.2.6.3.
2.4.2.8.
2.4.3.
2.4.3.1.
2.4.3.2.
2.4.3.3.
2.5.
2.6.
2.6.1.
2.6.2.
2.6.4.
2.8.
2.8.1.
2.9.
2.10.
2.11.
2.11.1.
2.11.2.
2.11.3.
2.11.3.1.
2.11.4.
2.11.4.2.
2.11.5.
2.11.6.
2.12.
2.12.1.
2.12.2.
2.12.3.
2.16.
2.16.1.
2.16.2.
2.16.3.
2.16.4.
2.16.5.
3.
3.1.
3.2.
3.2.1.8.
3.3.
3.3.1.1.
3.4.
3.4.1.
3.4.5.4.
3.9.
4.
4.1.
5.
5.1.
5.2.
5.3.
5.4.
5.5.
6.
6.1.
6.2.
6.2.3.
6.2.3.1.
6.2.3.2.
6.2.4.
6.2.4.1.
6.2.4.2.
6.3.
9.
9.1.
9.10.3.
9.10.3.1.
9.10.3.1.1.
9.10.3.5.
9.10.3.5.1.
9.10.3.5.2.
9.25.
9.25.1.
9.26.
9.26.1.
9.26.2.
9.26.3.
9.27.3.1.
9.27.3.2.
9.27.3.3.
11.
11.1.
11.2.
13.
13.1.
13.2.
13.2.1.
13.2.2.
13.2.3.
13.2.4.
13.3.
13.3.1.
13.3.2.
13.3.3.
13.4.
13.4.1.
13.4.2.
13.4.3.
13.4.4.
13.7.
13.12. Magyarázó megjegyzés
Ez az adatközlő lap az (EU) 2020/683 bizottsági végrehajtási rendelet I. mellékletében meghatározott mintán alapul, és a fent felsorolt pontokat az említett mintának megfelelően kell kitölteni a vonatkozó információkkal.
B. szakasz
Adatközlő lap aerodinamikai tulajdonságokat javító berendezés vagy felszerelés önálló műszaki egységként történő EU-típusjóváhagyásához
MINTA
... számú adatközlő lap aerodinamikai tulajdonságokat javító berendezés vagy felszerelés önálló műszaki egységként történő EU-típusjóváhagyásához
Az alábbi adatokat három példányban, tartalomjegyzékkel együtt kell benyújtani. A rajzokat vagy ábrákat megfelelő méretarányban és kellő részletességgel, A4-es formátumban vagy A4-es formátumra összehajtva kell benyújtani. A fényképeknek - amennyiben vannak - kellően részletesnek kell lenniük.
0.
0.1.
0.2.
0.3.
0.3.1.
0.5.
0.7.
0.8.
0.9.
9.26.
9.26.1.
9.26.2.
9.26.3.
9.26.3.1.
9.26.3.2.
9.26.3.3.
9.27.
9.27.1.
9.27.2.
9.27.3.
9.27.3.1.
9.27.3.2.
9.27.3.3. Magyarázó megjegyzés
Ez az adatközlő lap az (EU) 2020/683 bizottsági végrehajtási rendelet I. mellékletében meghatározott mintán alapul, és a fent felsorolt pontokat az említett mintának megfelelően kell kitölteni a vonatkozó információkkal.
2. RÉSZ
Műszaki előírások
A. szakasz
Fogalommeghatározások és általános követelmények
1. E melléklet alkalmazásában:
1.1. "alapfelszerelés": a jármű alapkonfigurációja, amely fel van szerelve valamennyi, az (EU) 2018/858 rendelet II. mellékletében említett rendeleti jellegű jogi aktus szerinti kötelező jellemzővel, beleértve minden olyan jellemzőt, amelynek felszerelése a konfiguráció vagy a berendezések szintjén nem vonja maga után további követelmények teljesítését;
1.2. "nem kötelező felszerelések": az alapfelszerelésen kívüli jellemzők, amelyeket a gyártó felelősségére és a vásárló megbízására szerelnek be a járműbe;
1.3. "menetkész tömeg":
a) gépjármű esetében:
a jármű tömege az egy vagy több, a tárolókapacitása legalább 90 %-áig feltöltött üzemanyagtartállyal, továbbá a járművezető, az üzemanyag, a folyadékok és a gyártó előírásai szerinti alapfelszerelés, és adott esetben a felépítmény, a vezetőfülke, a kapcsolószerkezet és a pótkerék (pótkerekek), valamint a szerszámok tömegével együtt;
b) pótkocsi esetében:
a jármű tömege az üzemanyag, a folyadékok és a gyártó előírásai szerinti alapfelszerelés, és adott esetben a felépítmény, a kiegészítő kapcsolószerkezetek és a pótkerék (pótkerekek), valamint a szerszámok tömegével együtt;
1.4. "a nem kötelező felszerelések tömege": az alapfelszerelésen kívül a gyártó előírásai szerint a járműbe beszerelhető felszerelések kombinációinak legnagyobb tömege;
1.5. "a jármű tényleges tömege": az egyes járművekbe beszerelt nem kötelező felszerelések tömegével megnövelt menetkész tömeg;
1.6. "műszakilag megengedett legnagyobb össztömeg (M)": a járműhöz a szerkezeti jellemzői és tervezési teljesítménye alapján hozzárendelt megengedett össztömeg; a pótkocsi vagy a félpótkocsi műszakilag megengedett legnagyobb össztömege magában foglalja az összekapcsolt állapotban a vontatójárműnek átadott statikus tömeget is;
1.7. "a járműszerelvény műszakilag megengedett legnagyobb össztömege (MC)": a szerkezeti jellemzői és tervezési teljesítménye alapján a gépjármű és egy vagy több pótkocsi alkotta járműszerelvényhez rendelt megengedett legnagyobb össztömeg vagy a vontatóegység és félpótkocsi alkotta járműszerelvényhez rendelt megengedett legnagyobb össztömeg;
1.8. "műszakilag megengedett legnagyobb vontatható tömeg (TM)": a vontatójármű által vontatott egy vagy több pótkocsi legnagyobb tömege, amely megfelel a vontatójárművel összekapcsolt bármely pótkocsi tengelye vagy tengelycsoportjának kerekei által a talajra gyakorolt legnagyobb terhelésnek;
1.9. "tengely": két vagy több kerék hajtott vagy szabadon forgó, közös forgástengelye, amely ugyanazon, a jármű hosszirányú középvonalával merőleges síkon egy vagy több szegmensben helyezkedik el;
1.10. "tengelycsoport": a 96/53/EK irányelv I. mellékletében "d" távként hivatkozott tengelytávok egyikére korlátozott tengelytávval rendelkező tengelyek csoportja, amelyek felfüggesztésük sajátos kialakítása következtében egymással kölcsönhatásban állnak;
1.11. "szimpla tengely": tengelycsoport részének nem tekinthető tengely;
1.12. "az egy tengelyre jutó, műszakilag megengedett legnagyobb tömeg (m)": a tengely és a jármű szerkezeti jellemzői és tervezési teljesítménye alapján a tengely kerekei által a talajra gyakorolt megengedett legnagyobb statikus függőleges terhelésnek megfelelő tömeg;
1.13. "az egy tengelycsoportra jutó, műszakilag megengedett legnagyobb tömeg (μ)": a tengelycsoport és a jármű szerkezeti jellemzői és tervezési teljesítménye alapján a tengelycsoport kerekei által a talajra gyakorolt megengedett legnagyobb statikus függőleges terhelésnek megfelelő tömeg;
1.14. "kapcsolószerkezet": az Egyesült Nemzetek Szervezete Európai Gazdasági Bizottsága (ENSZ EGB) 55. sz. előírásának ( 26 ) 2.1-2.6. szakaszában meghatározott alkatrészeket tartalmazó mechanikus berendezés és az Egyesült Nemzetek Európai Gazdasági Bizottsága (ENSZ EGB) 102. sz. előírásának ( 27 ) 2.1.1. szakaszában meghatározott rövid vonószerkezet;
1.15. "kapcsolási pont": a vontatójárműre szerelt kapcsolószerkezeten a vontatott járműre szerelt kapcsolószerkezet csatlakozásának középpontja;
1.16. "a kapcsolószerkezet tömege": a kapcsolószerkezet saját tömege és a kapcsolószerkezet járműhöz való csatlakoztatásához szükséges alkatrészek tömege együttesen;
1.17. "a kapcsolási pontra jutó, műszakilag megengedett legnagyobb tömeg":
a) vontatójármű esetében a kapcsolószerkezet és a vontatójármű szerkezeti jellemzői alapján a vontatójármű kapcsolási pontjára gyakorolt legnagyobb statikus függőleges terhelésnek megfelelő tömeg ("S" vagy "U" érték);
b) félpótkocsi, középtengelyes vagy merev vonórudas pótkocsi esetében a kapcsolószerkezet és a pótkocsi szerkezeti jellemzői alapján a pótkocsi által a kapcsolási ponton a vontatóra gyakorolt megengedett statikus függőleges terhelésnek megfelelő tömeg ("S" vagy "U" érték);
1.18. "az utasok tömege": a jármű-kategóriától függő névleges tömeg megszorozva az ülőhelyek számával, beleértve az esetleges személyzeti ülőhelyek és állóhelyek számát, de a járművezető tömegének kivételével;
1.19. "a járművezető tömege": a vezetőülés vonatkoztatási pontjában egységesen 75 kg-ban meghatározott tömeg;
1.20. "a többletterhelés tömege": a műszakilag megengedett legnagyobb össztömeg és a jármű utasokkal és nem kötelező felszerelésekkel megnövelt menetkész tömege közötti különbség;
1.21. "hosszúság": az ISO 612:1978 szabvány 6.1.1., 6.1.2. és 6.1.3. pontjában meghatározott méret; ez a meghatározás a két vagy több tagból álló csuklós járművekre is érvényes;
1.22. "szélesség": az ISO 612:1978 szabvány 6.2. pontjában meghatározott méret;
1.23. "magasság": az ISO 612:1978 szabvány 6.3. pontjában meghatározott méret;
1.24. "tengelytáv":
a) gépjárművek és vonórudas pótkocsik esetében az első és az utolsó tengely középpontja közötti vízszintes távolság;
b) középtengelyes pótkocsik, félpótkocsik és merev vonórudas pótkocsik esetében a kapcsolószerkezet függőleges tengelye és az utolsó tengely középpontja közötti távolság;
1.25. "tengelytávolság": két egymást követő tengely közötti távolság; középtengelyes pótkocsik, félpótkocsik és merev vonórudas pótkocsik esetében az első tengelytáv az elülső kapcsolószerkezet függőleges tengelye és az első tengely középpontja közötti vízszintes távolság;
1.26. "nyomtáv": az ISO 612:1978 szabvány 6.5. pontjában említett távolság;
1.27. "a nyeregpont távolsága": az ISO 612:1978 szabvány 6.19.2. pontjában említett távolság, figyelembe véve az ugyanezen szabvány 6.19. pontjában említett megjegyzést;
1.28. "a félpótkocsi elülső túlnyúló részének elfordulási sugara": a királycsap tengelye és a félpótkocsi elejének bármely pontja közötti vízszintes távolság;
1.29. "elülső kinyúlás": az első tengelyen vagy félpótkocsi esetében a királycsap tengelyén áthaladó függőleges sík és a jármű legelöl található pontja közötti vízszintes távolság;
1.30. "hátsó kinyúlás": a leghátsó tengelyen vagy félpótkocsi esetében a királycsap tengelyén áthaladó függőleges sík és a jármű leghátsó pontja közötti vízszintes távolság; amennyiben a jármű nem eltávolítható kapcsolószerkezettel van felszerelve, a kapcsolási pontot kell jármű leghátsó pontjának tekinteni;
1.31. "a rakfelület hossza": a raktér legelső és leghátsó belső pontja közötti távolság a jármű hosszirányú síkján vízszintesen mérve;
1.32. "hátsó oldalkitérés": a jármű hátsó végének kezdeti pozíciója és a C. szakasz 8. pontjában vagy a D. szakasz 7. pontjában meghatározott feltételek között végzett manőver során felvett tényleges legszélső pozíciója közötti távolság;
1.33. "tengelyemelő berendezés": a tengely talajtól történő elemelése és visszaengedése céljából a járműre felszerelt szerkezet;
1.34. "felemelhető tengely": a tengelyemelő berendezéssel az alaphelyzetéből megemelhető és újra visszaengedhető tengely;
1.35. "terhelhető tengely": olyan tengely, amelynek terhelése a tengelyemelő berendezés segítségével történő megemelés nélkül változtatható;
1.36. "pneumatikus felfüggesztés": olyan felfüggesztési rendszer, melynek esetében a rugózási hatást legalább 75 %-ban légrugó biztosítja;
1.37. "autóbuszosztály": az M2 vagy M3 kategóriájú járművek általános felépítésük tekintetében történő jóváhagyására vonatkozó egységes rendelkezésekről szóló 107. sz. ENSZ EGB-előírás ( 28 ) 2.1.1. és 2.1.2. szakaszában meghatározott járművek csoportja;
1.38. "csuklós jármű": a 107. sz. ENSZ EGB-előírás 2.1.3. szakaszában meghatározott, az M2 vagy M3 kategóriába tartozó jármű;
1.39. "oszthatatlan rakomány": olyan rakomány, amely közúti fuvarozás céljából, aránytalanul nagy költségráfordítás vagy sérülés kockázata nélkül nem osztható két vagy több részre, és amely tömege vagy méretei miatt nem fuvarozható olyan járművön, amelynek tömeg- és méretadatai megfelelnek az adott tagállamban alkalmazandó, legnagyobb megengedett tömegnek és méreteknek.
2. Általános követelmények
2.1. A gyártónak, függetlenül a jármű készültségi állapotától, a következő tömegeket kell meghatároznia a járműtípusokon belüli egyes változatok esetében:
a) a műszakilag megengedett legnagyobb össztömeg;
b) a járműszerelvény műszakilag megengedett legnagyobb össztömege;
c) a műszakilag megengedett legnagyobb vontatható tömeg;
d) az egyes tengelyekre jutó, műszakilag megengedett legnagyobb tömeg vagy az egyes tengelycsoportokra jutó, műszakilag megengedett legnagyobb tömeg;
e) a kapcsolási pont(ok)ra jutó, műszakilag megengedett legnagyobb tömeg, a járműre felszerelt vagy felszerelhető kapcsolószerkezetek műszaki jellemzőit figyelembe véve.
2.1.1. A 2.1. pontban említett tömegeket a gyártónak a helyes műszaki gyakorlat és a rendelkezésre álló legpontosabb műszaki ismeretek felhasználásával kell meghatároznia a műszaki meghibásodás kockázatának (különösen az anyagfáradásból eredő kockázatok) minimalizálása és a közúti infrastruktúra károsodásának megelőzése érdekében.
2.1.2. A 2.1. pontban említett tömegeket a gyártónak a jármű kialakítása által lehetővé tett legnagyobb sebesség figyelembevételével kell meghatároznia.
Abban az esetben, ha a járművet a gyártó sebességkorlátozó berendezéssel látta el, a jármű kialakítása által lehetővé tett legnagyobb sebességként a sebességkorlátozó készülék által megengedett tényleges sebességet kell alkalmazni.
2.1.3. A 2.1. pontban említett tömegek meghatározásakor a gyártó nem írhat elő korlátozásokat a jármű használatára vonatkozóan, kivéve azokat a korlátozásokat, amelyek az 54. sz. ENSZ-előírással összhangban megengedettek a gumiabroncs-kapacitásnak a jármű kialakítása által lehetővé tett legnagyobb sebességhez való hozzáigazítása tekintetében.
2.1.4. A további gyártási szakaszt igénylő nem teljes járművek esetében, ideértve a járóképes alvázas járműveket is, a gyártónak valamennyi lényeges információt a következő szakaszért felelős gyártók rendelkezésére kell bocsátania az e rendelet követelményeinek való folyamatos megfelelés érdekében.
Az első bekezdés alkalmazásában a gyártónak meg kell határoznia a terhelések összegének megfelelő tömegközéppont helyzetét.
2.1.5. Az M2, M3, N2 és N3 kategóriába tartozó, felépítmény nélküli nem teljes járműveket olyan módon kell kialakítani, hogy a következő szakaszokért felelős gyártók teljesíteni tudják a C. szakasz 7. és 8. pontjában, valamint a D. szakasz 6. és 7. pontjában foglalt követelményeket.
3. A tömegeloszlás kiszámítása érdekében a gyártónak a típusjóváhagyó hatóság rendelkezésére kell bocsátania a járműtípusba tartozó valamennyi, az 1. rész A. szakasza szerinti adatközlő lap alkalmazandó pontjaiban megadott értékek által meghatározott műszaki kialakításra vonatkozóan az alábbi tömegek meghatározásához szükséges adatokat:
a) a műszakilag megengedett legnagyobb össztömeg;
b) az egyes tengelyekre vagy tengelycsoportokra jutó, műszakilag megengedett legnagyobb tömeg;
c) a műszakilag megengedett legnagyobb vontatható tömeg;
d) a kapcsolási pont(ok)ra jutó, műszakilag megengedett legnagyobb tömeg;
e) a járműszerelvény műszakilag megengedett legnagyobb össztömege.
Az adatokat a típusjóváhagyó hatósággal való megegyezés alapján táblázatos vagy egyéb megfelelő formátumban kell rendelkezésre bocsátani.
3.1. Amennyiben a nem kötelező felszerelések jelentősen befolyásolják a jármű tömegeit és méreteit, a gyártónak meg kell adnia a műszaki szolgálat számára a járműre felszerelhető nem kötelező felszerelések helyét és tömegét, valamint a tömegközéppontjuknak a tengelyekhez viszonyított mértani helyzetét.
Amennyiben azonban valamely nem kötelező felszerelés több olyan alkatrészből áll, amelyek a jármű különböző pontjain helyezkednek el, elegendő, ha a gyártó csupán a nem kötelező felszerelés tengelyek közötti tömegeloszlását adja meg a műszaki szolgálatnak.
3.2. Tengelycsoportok esetében a gyártónak meg kell adnia a tengelycsoportra jutó össztömeg eloszlását az egyes tengelyek között. Szükség esetén a gyártónak meg kell adnia a tömegeloszlási képleteket, illetve be kell mutatnia az alkalmazandó tömegeloszlási diagramokat.
3.3. A típusjóváhagyó hatóság vagy a műszaki szolgálat kérésére a gyártónak vizsgálati célokra rendelkezésre kell bocsátania egy, a jóváhagyandó típust képviselő járművet.
3.4. A jármű gyártója kérelmet nyújthat be a típusjóváhagyó hatósághoz a pneumatikus felfüggesztés helyett alkalmazott felfüggesztés egyenértékűségének elismerésére.
3.4.1. A felfüggesztésnek a pneumatikus felfüggesztéssel való egyenértékűségét a típusjóváhagyó hatóságnak el kell ismernie, amennyiben az L. szakaszban meghatározott követelmények teljesülnek.
3.4.2. Amennyiben a műszaki szolgálat elismeri a felfüggesztés és a pneumatikus felfüggesztés egyenértékűségét, vizsgálati jegyzőkönyvet kell kiadnia, amelyet a felfüggesztés műszaki leírásával együtt csatolni kell az EU-típusbizonyítványhoz.
4. A nyilvántartásba vételhez / forgalomba helyezéshez megengedett legnagyobb tömegekre vonatkozó különös rendelkezések
4.1. Az e rendelet szerint típusjóváhagyást kapott járművek nyilvántartásba vétele és forgalomba helyezése céljából a nemzeti hatóságok a járműtípusba tartozó minden egyes változatra és kivitelre vonatkozóan meghatározhatják a következő, a 96/53/EK irányelv alapján nemzeti vagy nemzetközi forgalomban engedélyezett tömegeket:
a) a nyilvántartásba vételhez / forgalomba helyezéshez megengedett legnagyobb össztömeg;
b) a tengely(ek)re jutó, a nyilvántartásba vételhez / forgalomba helyezéshez megengedett legnagyobb tömeg;
c) a tengelycsoportokra jutó, a nyilvántartásba vételhez/forgalomba helyezéshez megengedett legnagyobb tömeg;
d) a nyilvántartásba vételhez / forgalomba helyezéshez megengedett legnagyobb vontatható tömeg;
e) a járműszerelvény nyilvántartásba vételhez / forgalomba helyezéshez megengedett legnagyobb össztömege.
4.2. A nemzeti hatóságoknak meg kell állapítaniuk a 4.1. pontban említett, a nyilvántartásba vételhez / forgalomba helyezéshez megengedett legnagyobb tömegek meghatározásának módszerét. Ezenfelül ki kell jelölniük az e tömegek meghatározásáért felelős illetékes hatóságot, és meg kell határozniuk azokat az információkat, amelyeket az említett illetékes hatóság rendelkezésére kell bocsátani.
4.3. A 4.1. pontban említett eljárással összhangban meghatározott, a nyilvántartásba vételhez / forgalomba helyezéshez megengedett legnagyobb tömegek nem haladhatják meg a 2.1. pontban említett legnagyobb tömegeket.
4.4. Annak érdekében, hogy a jármű rendszerei megfelelően működjenek - különösen ami a fék- és kormányrendszert illeti - az illetékes hatóságnak konzultálnia kell a gyártóval a tengelyekre vagy tengelycsoportokra eső tömegeloszlással kapcsolatban.
4.5. A nyilvántartásba vételhez / forgalomba helyezéshez megengedett legnagyobb tömegek meghatározása során a nemzeti hatóságoknak biztosítaniuk kell az (EU) 2018/858 rendelet II. mellékletének I. és II. részében felsorolt rendeleti jellegű jogi aktusok követelményeinek folyamatos teljesülését.
4.6. Ha a nemzeti hatóságok arra a következtetésre jutnak, hogy (EU) 2018/858 rendelet II. mellékletének I. és II. részében felsorolt rendeleti jellegű jogi aktusok valamelyikének követelményei - e rendelet kivételével - többé már nem teljesülnek, új vizsgálatok elvégzését és új típusjóváhagyást, vagy az esettől függően a típusjóváhagyás kiterjesztését írhatják elő, amelyet a szóban forgó rendeleti jellegű jogi aktus alapján az eredeti típusjóváhagyást megadó típusjóváhagyó hatóságnak kell elkészítenie.
B. szakasz
M1 és N1 kategóriájú járművek
1. Legnagyobb megengedett méretek
1.1. A méretek nem léphetik túl az alábbi értékeket:
1.1.1. Hosszúság: 12,00 m
1.1.2. Szélesség:
a) M1: 2,55 m
b) N1: 2,55 m
c) N1: 2,60 m a legalább 45 mm szigetelt falvastagságú felépítménnyel rendelkező, az (EU) 2018/858 rendelet I. mellékletének 2. függeléke szerinti 04 vagy 05 felépítménykódú járművek esetében
1.1.3. Magasság: 4,00 m
1.2. A hosszúság, a szélesség és a magasság mérése során a menetkész tömegű járműnek vízszintes és sík felületen kell állnia, a gumiabroncsokat pedig a gyártó által javasolt nyomásra kell felfújni.
1.3. Az F. szakaszban említett berendezéseket és felszereléseket a hosszúság, a szélesség és a magasság meghatározásakor nem kell figyelembe venni.
2. Tömegeloszlás
2.1. A tengelyekre jutó, műszakilag megengedett legnagyobb tömegek összege nem lehet kisebb a jármű műszakilag megengedett legnagyobb össztömegénél.
2.2. A jármű műszakilag megengedett legnagyobb össztömege nem lehet kevesebb a jármű menetkész tömegénél, hozzáadva az utasok, a nem kötelező felszerelések és a kapcsolószerkezet tömegét (ha utóbbi nem tartozik a menetkész tömeghez).
2.3. Ha a jármű a műszakilag megengedett legnagyobb össztömeg mértékéig van megterhelve, akkor az egyes tengelyekre jutó tömeg nem haladhatja meg az adott tengelyre vonatkozó, műszakilag megengedett legnagyobb tömeget.
2.4. Ha a jármű a műszakilag megengedett legnagyobb össztömeg mértékéig van megterhelve, akkor az elülső tengelyre jutó tömeg semmilyen esetben sem lehet kisebb, mint a jármű műszakilag megengedett legnagyobb össztömegének 30 %-a M1 kategóriájú járművek esetében, illetve a jármű műszakilag megengedett legnagyobb össztömegének 20 %-a N1 kategóriájú járművek esetében.
2.5. Ha a jármű a műszakilag megengedett legnagyobb össztömeg és a kapcsolási pontra jutó, műszakilag megengedett legnagyobb tömeg mértékéig van megterhelve, akkor az elülső tengelyre jutó tömeg semmilyen esetben sem lehet kisebb, mint a jármű műszakilag megengedett legnagyobb össztömegének 20 %-a.
2.6. A kivehető ülésekkel ellátott járművek esetében a vizsgálati eljárást az ülőhelyek legnagyobb számának vizsgálatára kell korlátozni.
2.7. A 2.2., a 2.3. és a 2.4. pontban leírt követelmények vizsgálatának alkalmazásában:
a) az üléseket a 2.7.1. pontban előírt módon kell beállítani;
b) az utasok, a többletterhelés és a nem kötelező felszerelések tömegét a 2.7.2-2.7.4.2.3. pontban előírt módon kell elosztani.
2.7.1. Az ülések beállítása
2.7.1.1. Az állítható üléseket a leghátsó helyzetbe kell állítani.
2.7.1.2. Ha az ülést másképp is be lehet állítani (függőleges irányban, szögben, háttámladöntéssel stb.), akkor a gyártó által meghatározott helyzeteket kell beállítani.
2.7.1.3. Rugózott ülések esetében az ülést a gyártó által megadott helyzetben kell rögzíteni.
2.7.2. Az utasok tömegének eloszlása
2.7.2.1. Az utasok tömege személyenként 75 kg.
2.7.2.2. Az egyes utasokat helyettesítő tömeget az ülés vonatkoztatási pontjában (vagyis az ülés "R pontjában") kell elhelyezni.
2.7.2.3. A különleges rendeltetésű járművek esetében a 2.7.2.2. pont követelményeit értelemszerűen kell alkalmazni (például mentőjármű esetében a hordágyon fekvő sérült személy tömege tekintetében).
2.7.3. A nem kötelező felszerelések tömegének eloszlása
2.7.3.1. A nem kötelező felszerelések tömegét a gyártó előírásainak megfelelően kell elosztani.
2.7.4. A többletterhelés tömegének elosztása
2.7.4.1. M1 kategóriájú járművek
2.7.4.1.1. A M1 kategóriájú járművek esetében a többletterhelés tömegét a műszaki szolgálattal való megegyezés alapján a gyártó előírásainak megfelelően kell elosztani.
2.7.4.1.2. A lakóautók esetében a legkisebb többletterhelés tömegére (PM) az alábbi követelmények vonatkoznak:
PM (kg) ≥ 10 (n + L)
ahol:
" n " az utasok legnagyobb megengedett száma, hozzáadva a járművezetőt is
" L " a jármű teljes hossza méterben kifejezve
2.7.4.2. N1 kategóriájú járművek
2.7.4.2.1. Felépítménnyel rendelkező járművek esetében a többletterhelés tömegét egyenletesen kell elosztani a raktérben.
2.7.4.2.2. Felépítménnyel nem rendelkező járművek (például járóképes alváz) esetében a gyártónak meg kell adnia a többletterhelés tömegközéppontjának megengedett szélső helyzeteit (például 0,50 métertől 1,30 méterig az első hátsó tengely előtt). A többletterhelésbe bele kell számítani azoknak a felszereléseknek a tömegét is, amelyeket az áruk elhelyezése céljából szerelnek a járműre (pl. felépítmény, tartály stb.).
2.7.4.2.3. A nyeregszerkezettel tervezett járművek esetében a gyártónak meg kell adnia a nyeregpont legkisebb és legnagyobb távolságát.
2.8. A pótkocsi vontatására képes járművekre vonatkozó további követelmények
2.8.1. A 2.2., a 2.3. és a 2.4. pontban említett követelményeket kell alkalmazni, figyelembe véve a kapcsolószerkezet tömegét és a kapcsolási pontra jutó, műszakilag megengedett legnagyobb tömeget.
2.8.2. A 2.4. pont követelményeinek sérelme nélkül a hátsó tengely(ek)re jutó műszakilag megengedett legnagyobb tömeget legfeljebb 15 %-kal lehet túllépni.
2.8.2.1. Ha a hátsó tengely(ek)re jutó műszakilag megengedett legnagyobb tömeget legfeljebb 15 %-kal lépik túl, a 142. sz. ENSZ-előírás ( 29 ) 5.2.4.1. szakaszának követelményeit kell alkalmazni.
2.8.2.2. Ha az adott tagállamban a közúti szállításra vonatkozó jogszabályok lehetővé teszik, a gyártó egy megfelelő kísérő dokumentumban - például a használati utasításban vagy a karbantartási kézikönyvben - jelezheti, hogy a jármű műszakilag megengedett legnagyobb össztömegét legfeljebb 10 %-kal vagy - ha ez a kisebb - 100 kg-mal lehet túllépni.
Ez a túllépés csak abban az esetben lehetséges, ha a pótkocsi vontatására a 2.8.2.1. pontban megállapított feltételeknek megfelelően kerül sor, feltéve, hogy az üzemi sebességet 100 km/órára vagy ez alatti értékre korlátozták.
3. A vontatható tömeg és a kapcsolási pontra jutó tömeg
3.1. A műszakilag megengedett legnagyobb vontatható tömegre a következő követelmények vonatkoznak:
3.1.1. Üzemi fékrendszerrel felszerelt pótkocsi esetében
3.1.1.1. A jármű műszakilag megengedett legnagyobb vontatható tömege az alábbi értékek közül a legalacsonyabb:
a) a jármű szerkezeti jellemzőire és a kapcsolószerkezet szilárdságára alapozott műszakilag megengedett legnagyobb vontatható tömeg;
b) a vontatójármű műszakilag megengedett legnagyobb össztömege;
c) az (EU) 2018/858 rendelet I. mellékletének A. részében meghatározott terepjárók esetében a vontatójármű műszakilag megengedett legnagyobb össztömegének másfélszerese.
3.1.1.2. A műszakilag megengedett legnagyobb vontatható tömeg ugyanakkor semmiképp sem lépheti túl a 3 500 kg-ot.
3.1.2. Üzemi fékrendszerrel nem rendelkező pótkocsi esetében
3.1.2.1. A megengedett legnagyobb vontatható tömeg az alábbi értékek közül az alacsonyabb:
a) a jármű szerkezeti jellemzőire és a kapcsolószerkezet szilárdságára alapozott műszakilag megengedett legnagyobb vontatható tömeg;
b) a vontatójármű menetkész tömegének fele.
3.1.2.2. A műszakilag megengedett legnagyobb vontatható tömeg ugyanakkor semmiképp sem lépheti túl a 750 kg-ot.
3.2. A kapcsolási pontra jutó, műszakilag megengedett legnagyobb tömeg a megengedett legnagyobb vontatható tömeg legalább 4 %-a, és legalább 25 kg.
3.3. A gyártónak a használati utasításban meg kell határoznia a kapcsolási pontra jutó, műszakilag megengedett legnagyobb tömeget, a kapcsolószerkezet rögzítési pontját a vontatójárművön és a kapcsolási pont legnagyobb megengedett hátsó kinyúlását.
3.4. A műszakilag megengedett legnagyobb vontatható tömeget nem lehet az utasok számának függvényében megadni.
4. A járműszerelvény tömege
A járműszerelvény műszakilag megengedett legnagyobb össztömege nem haladhatja meg a műszakilag megengedett legnagyobb vontatható tömeggel növelt műszakilag megengedett legnagyobb össztömeget.
5. Hegymeneti elindulási képesség
5.1. A vontatójárműnek öt percen belül legalább ötször el kell indítania a járműszerelvényt egy legalább 12 %-os emelkedőn.
5.2. Az 5.1. pontban leírt vizsgálat elvégzése érdekében a vontatójárművet és a pótkocsit a járműszerelvény műszakilag megengedett legnagyobb össztömegével egyenlő mértékben kell megterhelni.
6. Az energiatároló eszköz tömege:
6.1. Az N1 kategóriájú kibocsátásmentes járművek esetében az energiatároló rendszer tömegét a gyártó által benyújtott dokumentáció alapján kell megállapítani. A megadott adatok helyességét a műszaki szolgálatnak a típusjóváhagyó hatóság számára hitelt érdemlő módon igazolnia kell.
6.2. A 6.1. pontban említett esetben a gyártónak fel kell tüntetnie az alábbi jelölést, valamint az energiatároló rendszer tömegének értékét a gyártó által a járművön elhelyezett, jogszabályban előírt táblán a kötelezően szereplő értékek alatt vagy mellett, a kizárólag a kötelező adatokat keretbe foglaló, jól látható téglalapon kívül.
"(EU) 2019/631 ARTICLE 2(1)(b) COMPLIANT - XXXX KG"
A jelölést és a megadott értékeket legalább 4 mm magas karakterekkel kell feltüntetni.
Ezenkívül addig, amíg a megfelelőségi nyilatkozatban nem szerepel kifejezetten erre szolgáló rovat, az energiatároló rendszer tömegének értékét a megfelelőségi nyilatkozat "Megjegyzések" rovatában kell feltüntetni annak érdekében, hogy fel lehessen venni az adatot a járműben tartandó nyilvántartásbavételi dokumentumokba, az alábbiak szerint:
"Az akkumulátorokból adódó tömegnövekmény: ...... kg ( 30 )
C. szakasz
M2 és M3 kategóriájú járművek
1. Legnagyobb megengedett méretek
1.1. A méretek nem léphetik túl az alábbi értékeket:
1.1.1. Hosszúság:
a) kéttengelyes egytagú járművek: 13,50 m
b) három- vagy többtengelyes egytagú járművek: 15,00 m
c) csuklós járművek: 18,75 m
1.1.2. Szélesség: 2,55 m
1.1.3. Magasság: 4,00 m
1.2. A hosszúság, a szélesség és a magasság mérése során a menetkész tömegű járműnek vízszintes és sík felületen kell állnia, a gumiabroncsokat pedig a gyártó által javasolt nyomásra kell felfújni.
1.3. Az F. szakaszban említett berendezéseket és felszereléseket a hosszúság, a szélesség és a magasság meghatározásakor nem kell figyelembe venni.
1.3.1. Az F. szakaszban említett aerodinamikai tulajdonságokat javító berendezésekre vonatkozó további követelmények
1.3.1.1. A legfeljebb 500 mm hosszú aerodinamikai tulajdonságokat javító berendezések és felszerelések üzemi helyzetükben nem növelhetik a teljes használható rakteret. Az aerodinamikai tulajdonságokat javító berendezéseket és felszereléseket úgy kell kialakítani, hogy behúzott vagy behajtott helyzetben és üzemi helyzetben is rögzíteni lehessen őket. Az ilyen berendezéseket és felszereléseket ezenkívül úgy kell kialakítani, hogy a jármű álló helyzetében olyan mértékben behúzhatók vagy behajthatók legyenek, hogy a jármű egyik oldalán se nyúljanak túl 25 mm-nél többel a jármű 1.1.2. pontban említett megengedett legnagyobb szélességén, és 200 mm-nél többel a jármű 1.1.1. pontban említett megengedett legnagyobb hosszán, továbbá talaj feletti magasságuk legalább 1 050 mm legyen annak érdekében, hogy ne rontsák a jármű intermodális fuvarozásra való alkalmasságát. Ezenkívül teljesíteniük kell az 1.3.1.1.1. és az 1.3.1.1.3. pontban leírt követelményeket.
1.3.1.1.1. Az aerodinamikai tulajdonságokat javító berendezéseknek és felszereléseknek e rendelet szerinti típusjóváhagyással kell rendelkezniük.
1.3.1.1.2. Lehetővé kell tenni az üzemeltető számára, hogy megváltoztassa az aerodinamikai tulajdonságokat javító berendezések és felszerelések helyzetét, és legfeljebb 40 daN kézi erő kifejtésével behúzza vagy behajtsa őket. Emellett ez a művelet automatikusan is elvégezhető lehet.
1.3.1.1.3. Nem követelmény, hogy az aerodinamikai tulajdonságokat javító berendezések és felszerelések behúzhatók vagy behajthatók legyenek, ha a legnagyobb méretre vonatkozó követelmények minden körülmények között maradéktalanul teljesülnek.
1.3.1.2. Az 500 mm-nél hosszabb aerodinamikai tulajdonságokat javító berendezések és felszerelések üzemi helyzetükben nem növelhetik a teljes használható rakteret. Az aerodinamikai tulajdonságokat javító berendezéseket és felszereléseket úgy kell kialakítani, hogy behúzott vagy behajtott helyzetben és üzemi helyzetben is rögzíteni lehessen őket. Az ilyen berendezéseket és felszereléseket ezenkívül úgy kell kialakítani, hogy a jármű álló helyzetében olyan mértékben behúzhatók vagy behajthatók legyenek, hogy a jármű egyik oldalán se nyúljanak túl 25 mm-nél többel a jármű 1.1.2. pontban említett megengedett legnagyobb szélességén, és 200 mm-nél többel a jármű 1.1.1. pontban említett megengedett legnagyobb hosszán, továbbá talaj feletti magasságuk legalább 1 050 mm legyen annak érdekében, hogy ne rontsák a jármű intermodális fuvarozásra való alkalmasságát. Ezenkívül teljesíteniük kell az 1.3.1.2.1-1.3.1.2.4. pontban leírt követelményeket.
1.3.1.2.1. Az aerodinamikai tulajdonságokat javító berendezéseknek és felszereléseknek e rendelet szerinti típusjóváhagyással kell rendelkezniük.
1.3.1.2.2. Lehetővé kell tenni az üzemeltető számára, hogy megváltoztassa az aerodinamikai tulajdonságokat javító berendezések és felszerelések helyzetét, és legfeljebb 40 daN kézi erő kifejtésével behúzza vagy behajtsa őket. Emellett ez a művelet automatikusan is elvégezhető lehet.
1.3.1.2.3. Az aerodinamikai tulajdonságokat javító berendezést vagy felszerelést alkotó valamennyi fő függőleges és vízszintes elemnek vagy elemkombinációnak a járműre építve, üzemi helyzetben, maximum 2,0 MPa nyomáson ellen kell állnia a megfelelő, merőlegesen kiálló felületének mértani középpontjára statikusan kifejtett, egymás után felfelé, lefelé, balra és jobbra irányuló 200 daN ± 10 % nagyságú, függőleges és vízszintes vonó- és tolóerőnek. Az aerodinamikai tulajdonságokat javító berendezés vagy felszerelés deformálódhat, de a beállító- és rögzítőrendszer nem oldhat ki a rá kifejtett erő hatására. A deformáció legfeljebb akkora lehet, hogy a berendezés vagy felszerelés az ellenőrzés során és után a jármű egyik oldalán se nyúljon túl 25 mm-nél többel a jármű megengedett legnagyobb szélességén.
1.3.1.2.4. Az aerodinamikai tulajdonságokat javító berendezést vagy felszerelést alkotó valamennyi fő függőleges és vízszintes elemnek vagy elemkombinációnak behúzott vagy behajtott helyzetben is ellen kell állnia maximum 2,0 MPa nyomáson a megfelelő, merőlegesen kiálló felületének mértani középpontjára statikusan kifejtett, hosszirányban hátrafelé irányuló 200 daN ± 10 % nagyságú vízszintes vonóerőnek. Az aerodinamikai tulajdonságokat javító berendezés vagy felszerelés deformálódhat, de a beállító- és rögzítőrendszer nem oldhat ki a rá kifejtett erő hatására. A deformáció legfeljebb akkora lehet, hogy a berendezés vagy felszerelés a jármű egyik oldalán se nyúljon túl 25 mm-nél többel a jármű megengedett legnagyobb szélességén és 200 mm-nél többel a jármű megengedett legnagyobb hosszán.
1.3.1.3. A műszaki szolgálatnak a típusjóváhagyó hatóság számára hitelt érdemlő módon igazolnia kell, hogy az aerodinamikai tulajdonságokat javító berendezések és felszerelések sem üzemi, sem behúzott vagy behajtott helyzetben nem rontják jelentősen az erőátviteli rendszer, a kipufogórendszer és a vezetőfülke hűtését és szellőzését. A járműrendszerekre vonatkozó összes többi követelménynek is kötelezően meg kell felelni, akár üzemi, akár behúzott vagy behajtott helyzetben vannak az aerodinamikai tulajdonságokat javító berendezések és felszerelések.
A hátsó aláfutás elleni védelemre vonatkozó követelményektől eltérve a hátsó aláfutásgátló hátulja és az aerodinamikai tulajdonságokat javító berendezésekkel és felszerelésekkel felszerelt jármű leghátsó pontja közötti vízszintes távolságot az aerodinamikai tulajdonságokat javító berendezések és felszerelések figyelembevétele nélkül is lehet mérni, amennyiben hosszuk meghaladja a 200 mm-t, üzemi állapotban vannak, és az elemeknek a jármű terheletlen állapotában mérve a talajtól legfeljebb 2,0 m magasan lévő alapvető részei olyan anyagból készültek, amelynek a Shore-féle "A" keménysége kevesebb, mint 60. Az elemek alapszerkezetének megtartására szolgáló, keretet vagy tartót alkotó vékony bordákat, csöveket és fémhuzalokat a keménység meghatározásakor nem kell figyelembe venni. Más járművek ütközés esetén történő benyomódásának és a sérülések kockázatának kiküszöbölése érdekében azonban egyetlen ilyen borda, cső vagy fémhuzal vége sem irányulhat hátrafelé, sem az aerodinamikai tulajdonságokat javító berendezés vagy felszerelés behúzott vagy behajtott, sem annak üzemi helyzetében.
Az előző bekezdésben említett eltérés alternatívájaként a hátsó aláfutásgátló hátulja és az aerodinamikai tulajdonságokat javító berendezésekkel és felszerelésekkel felszerelt jármű leghátsó pontja közötti vízszintes távolságot az aerodinamikai tulajdonságokat javító berendezések és felszerelések figyelembevétele nélkül is lehet mérni, amennyiben hosszuk meghaladja a 200 mm-t, üzemi állapotban vannak, és a szóban forgó berendezések és felszerelések teljesítik az I. szakaszban előírt vizsgálati követelményeket.
A hátsó aláfutásgátló hátulja és a jármű leghátsó pontja közötti vízszintes távolságot azonban az aerodinamikai tulajdonságokat javító berendezések és felszerelések behúzott vagy behajtott helyzetében kell mérni, vagy figyelembe kell venni az I. szakasz 1.6.1. pontja szerint kapott kinyúlási hosszt, ha e hossz meghaladja a behúzott vagy behajtott helyzetben mért hosszt.
2. Tömegeloszlás felépítménnyel rendelkező járművek esetében
2. 1 Számítási eljárás
Jelölések
„M” | Műszakilag megengedett legnagyobb össztömeg | |
„TM” | Műszakilag megengedett legnagyobb vontatható tömeg | |
„MC” | A járműszerelvény műszakilag megengedett legnagyobb össztömege | |
„mi” | A műszakilag megengedett legnagyobb össztömeg az „i” szimpla tengelyen, ahol az „i” értéke 1-től a jármű összes tengelyének számáig változhat | |
„mc” | A kapcsolási pontra jutó, műszakilag megengedett legnagyobb tömeg | |
„μj” | A műszakilag megengedett legnagyobb tömeg a „j” tengelycsoporton, ahol a „j” értéke 1-től az összes tengelycsoport számáig változhat |
2.1.1. Megfelelő számítások elvégzésével ellenőrizni kell, hogy az adott típusba tartozó műszaki konfigurációk megfelelnek-e az alábbi követelményeknek.
2.1.2. Terhelhető tengelyekkel felszerelt járművek esetében a következő számításokhoz a szokásos működési konfiguráció szerinti tengelyterheléshez tartozó felfüggesztést kell figyelembe venni.
2.1.3. Alternatív üzemanyaggal működő vagy kibocsátásmentes gépjárművek esetében:
2.1.3.1. Az alternatív üzemanyaggal működő vagy kibocsátásmentes technológiához szükséges, a 96/53/EK irányelv I. mellékletének 2.3. és 2.4. pontja szerinti többlettömeget a gyártó által rendelkezésre bocsátott dokumentáció alapján kell meghatározni. A megadott adatok helyességét a műszaki szolgálatnak a típusjóváhagyó hatóság számára hitelt érdemlő módon igazolnia kell.
2.1.3.2. A gyártónak fel kell tüntetnie az alábbi jelölést, valamint a többlettömeg értékét a gyártó által a járművön elhelyezett, jogszabályban előírt táblán a kötelezően szereplő értékek alatt vagy mellett, a kizárólag a kötelező adatokat keretbe foglaló, jól látható téglalapon kívül.
"96/53/EC ARTICLE 10B COMPLIANT - XXXX KG"
A jelölést és a megadott értékeket legalább 4 mm magas karakterekkel kell feltüntetni.
Ezenkívül addig, amíg a megfelelőségi nyilatkozatban nem szerepel kifejezetten erre szolgáló rovat, a többlettömeg értékét a megfelelőségi nyilatkozat "Megjegyzések" rovatában kell feltüntetni annak érdekében, hogy fel lehessen venni az adatot a járműben tartandó nyilvántartásbavételi dokumentumokba.
2.2. Általános követelmények
2.2.1. A szimpla tengelyekre jutó, műszakilag megengedett legnagyobb tömeg és a tengelycsoportokra jutó, műszakilag megengedett legnagyobb tömeg együttesen nem lehet kisebb, mint a jármű műszakilag megengedett legnagyobb össztömege.

2.2.2. A járműnek a nem kötelező felszerelések, az utasok, a 2.2.3. pontban említett "WP" és "B" tömegével, továbbá a kapcsolószerkezet tömegével (ha utóbbi nem tartozik a menetkész tömeghez) és a kapcsolási pontra jutó, műszakilag megengedett legnagyobb tömeggel növelt menetkész tömege nem haladhatja meg a műszakilag megengedett legnagyobb össztömeget.
2.2.3. Terheléseloszlás
2.2.3.1. Jelölések
„P” | Az ülőhelyek száma, nem beleszámítva a járművezető és a személyzet üléseit | |
„Q” | Egy utas tömege kg-ban | |
„Qc” | A személyzet egy tagjának tömege kg-ban | |
„S1” | Az álló utasok rendelkezésére álló terület m2-ben | |
„SP” | Az álló utasok gyártó által megállapított száma | |
„Ssp” | Az egy álló utas által elfoglalt névleges terület m2-ben | |
„WP” | A kerekesszékek számára rendelkezésre álló helyek száma szorozva a kerekesszék és használója tömegének megfelelő 250 kg-mal | |
„V” | A csomagterek teljes térfogata (m3-ben), beleértve a csomagtartókat, a tárolókat és a síléctartókat | |
„B” | A csomagok gyártó által megállapított megengedett legnagyobb tömege kg-ban mérve, beleértve az esetleges síléctartókban szállított csomagok megengedett legnagyobb tömegét is (B’). |
2.2.3.2. Az ülő utasokat helyettesítő Q és Qc tömeget az ülés vonatkoztatási pontjában (vagyis az ülés "R pontjában") kell elhelyezni.
2.2.3.3. Az SP számú álló utasnak megfelelő Q tömeget egyenletesen kell elosztani az álló utasoknak fenntartott S1 területen.
2.2.3.4. Adott esetben a WP tömeget egyenletesen kell elosztani a kerekesszékesek számára fenntartott területen.
2.2.3.5. A B (kg) tömeget egyenletesen kell elosztani a csomagterekben.
2.2.3.6. A B' (kg) tömeget a síléctartó tömegközéppontjában kell elhelyezni.
2.2.3.7. A kapcsolási pontra jutó, műszakilag megengedett legnagyobb tömeget a kapcsolási ponton kell elhelyezni, amelynek hátsó kinyúlását a jármű gyártója állapítja meg.
2.2.3.8. A Q és az Ssp értékei
Járműosztály | Q (kg) | Ssp (m2) |
I. és A. osztály | 68 | 0,125 m2 |
II. osztály | 71 | 0,15 m2 |
III. és B. osztály | 71 | Nem alkalmazandó |
2.3. A személyzet tömegére személyenként 75 kg-t kell számolni.
2.3.1. Az álló utasok száma nem lehet nagyobb, mint S1/Ssp, ahol Ssp a 2.2.3.8. pont táblázata szerint az egy álló utas rendelkezésére álló névleges terület.
2.3.1.1. A csomagok megengedett legnagyobb tömegének értéke nem lehet kevesebb, mint:
B = 100 × V
2.3.2. Számítások
2.3.2.1. A 2.2.2. pont követelményeinek teljesülését az utastér elrendezésének minden konfigurációjában ellenőrizni kell.
2.3.2.2. A 2.2.3. pontban meghatározott feltételek mellett az egyes szimpla tengelyekre és az egyes tengelycsoportokra jutó tömeg nem lehet nagyobb, mint az adott tengelyre vagy tengelycsoportra jutó, műszakilag megengedett legnagyobb tömeg.
2.3.2.3. Amennyiben a jármű változtatható üléskapacitással, valamint az álló utasok számára fenntartott területtel (S1) és a kerekesszékek szállítására fenntartott területtel is rendelkezik, akkor a 2.2.2. és a 2.2.4.2. pontban szereplő követelményeknek való megfelelést az adott esetnek megfelelően az összes alábbi feltétel mellett ellenőrizni kell:
a) az összes lehetséges ülést, majd az álló utasok számára fenntartott fennmaradó területet (az álló utasok gyártó által megállapított számáig, ha az elérhető), és ha még marad szabad terület, a kerekesszékesek számára fenntartott területet elfoglalva;
b) az összes lehetséges állóhelyet (az álló utasok gyártó által megállapított számáig), majd az ülő utasok számára fenntartott fennmaradó üléseket, és ha még marad szabad terület, a kerekesszékesek számára fenntartott területet elfoglalva;
c) a kerekesszékesek számára fenntartott összes lehetséges helyet, majd az álló utasok számára fenntartott fennmaradó területet (az álló utasok gyártó által megállapított számáig, ha az elérhető) és a fennmaradó szabad üléseket elfoglalva.
2.3.3. Amikor a jármű a 2.2.2. pontban meghatározott mértékig meg van terhelve, az elülső kormányzott tengely(ek)re jutó terhelésnek megfelelő tömeg semmiképp sem lehet kisebb, mint a műszakilag megengedett legnagyobb össztömeg ("M") 20 %-a.
2.3.3.1. Az I. osztályba sorolt, legalább 4 tengelyű, két kormányzott tengellyel rendelkező csuklós járművek esetében az első kormányzott tengely(ek)re jutó terhelésnek megfelelő tömeg semmiképp sem lehet kisebb, mint a műszakilag megengedett legnagyobb össztömeg ("M") 15 %-a.
2.3.4. Amennyiben a járműre egynél több osztályra vonatkozóan kérnek típusjóváhagyást, minden osztályra a 2. szakasz előírásai érvényesek.
3. Vontatási kapacitás
3.1. A járműszerelvény műszakilag megengedett legnagyobb össztömege nem haladhatja meg a műszakilag megengedett legnagyobb vontatható tömeggel növelt műszakilag megengedett legnagyobb össztömeget.
MC ≤ M + TM
3.2. A műszakilag megengedett legnagyobb vontatható tömeg nem haladhatja meg a 3 500 kg-ot.
4. A kapcsolási pontra jutó, műszakilag megengedett legnagyobb tömeg
4.1. A kapcsolási pontra jutó, műszakilag megengedett legnagyobb tömeg nem lehet kisebb, mint a műszakilag megengedett legnagyobb vontatható tömeg 4 %-a vagy 25 kg (a kettő közül a nagyobb érték).
4.2. A gyártónak a használati utasításban meg kell határoznia a kapcsolószerkezet gépjárműre való felszerelésének feltételeit.
4.2.1. Indokolt esetben a 4.2. pontban említett feltételeknek magukban kell foglalniuk a vontatójárműnek a kapcsolási pontra jutó, műszakilag megengedett legnagyobb tömegét, a kapcsolószerkezet legnagyobb megengedett tömegét, a kapcsolószerkezet rögzítési pontjait, valamint a kapcsolószerkezet megengedett legnagyobb hátsó kinyúlását.
5. Hegymeneti elindulási képesség
5.1. A pótkocsi vontatására tervezett járműveknek öt percen belül legalább ötször el kell indulniuk egy legalább 12 %-os emelkedőn.
5.2. Az 5.1. pontban leírt vizsgálat elvégzése céljából a vontatójárművet és a pótkocsit a járműszerelvény műszakilag megengedett legnagyobb össztömegével egyenlő mértékben kell megterhelni.
6. Motorteljesítmény
6. 1 A motor leadott teljesítményének a járműszerelvény műszakilag megengedett legnagyobb össztömegére számítva, vagy ha a járművet nem pótkocsi vontatására tervezték, akkor az egyes jármű műszakilag megengedett legnagyobb össztömegére számítva legalább 5 kW/tonna mértékűnek kell lennie.
Az e pontban foglalt követelmények nem vonatkoznak a hibrid elektromos járművek kizárólag elektromos menetüzemmódjára.
6.2. A motor teljesítményét a 85. sz. ENSZ-előírás ( 31 ) alapján kell mérni.
7. Manőverezhetőség
7.1. A járműnek meg kell tudnia tenni egy teljes, 360 o-os körívet a H. szakasz 1. ábráján bemutatott módon anélkül, hogy a jármű legszélső pontjai az esettől függően túlnyúlnának a külső körön vagy belógnának a belső körbe.
7.1.1. A vizsgálatot a jármű terheletlen (vagyis menetkész) tömegével és a műszakilag megengedett legnagyobb terhelt (vagyis össz)tömegével is el kell végezni. Ha a jármű fel van szerelve az 1.3.1.1. és az 1.3.1.2. pontban említett aerodinamikai tulajdonságokat javító berendezéssel vagy felszereléssel, annak felszerelt és üzemi helyzetben kell lennie.
7.1.2. A 7.1. pont alkalmazásában nem kell figyelembe venni azokat az alkatrészeket, amelyek esetében engedélyezett, hogy az F. szakaszban említett járműhosszon túlnyúljanak.
7.2. A terhelhető tengellyel felszerelt járművek esetében a 7.1. pont követelményeinek akkor is teljesülniük kell, amikor a terhelhető tengely(ek) használatban van(nak).
7.3. A 7.1. pont követelményeinek teljesülését a következőképpen kell ellenőrizni:
7.3.1. A járműnek egy külső, 12,50 m sugarú, illetve egy belső, 5,30 m sugarú koncentrikus kör által határolt területen belül kell manővereznie.
7.3. 2 A gépjármű elején lévő legszélső pontot végig kell vezetni a külső kör vonalán (lásd a H. szakasz 1. ábráját).
7. 4 A műszaki szolgálat és a típusjóváhagyó hatóság egyetértésével a manőverezési képességre vonatkozó követelmények teljesülését számítógépes szimulációval is lehet igazolni az (EU) 2018/858 rendelet VIII. mellékletével összhangban. Ha kétség merülne fel, a műszaki szolgálat és a típusjóváhagyó hatóság megkövetelheti a teljes körű fizikai vizsgálat elvégzését.
8. Hátsó oldalkitérés
8.1. Egytagú járművek
8.1.1. A járművet a 8.1.2. pontban meghatározott behajtásos vizsgálati módszerrel kell ellenőrizni. Ha a jármű fel van szerelve az 1.3.1.1. és az 1.3.1.2. pontban említett aerodinamikai tulajdonságokat javító berendezéssel vagy felszereléssel, annak felszerelt és üzemi helyzetben kell lennie.
8.1.2. Behajtásos vizsgálati módszer
A jármű álló helyzetében meg kell határozni egy, a jármű oldalát érintő függőleges síkot, amely a körből kifelé néz, és meg kell jelölni vonallal a talajon.
A járműnek az egyenes vonalú megközelítés után be kell hajtania az 1. ábrán leírt kör alakú területre az első kerekek olyan elfordításával, hogy a jármű elülső legkülső pontja a külső kör vonalát kövesse (lásd a H. szakasz 2a. ábráját).
8.1.3. A jármű tömegének meg kell egyeznie a menetkész tömeggel.
8.1.4. A legnagyobb hátsó oldalkitérés nem lehet több mint 0,60 m.
8.2. Két- vagy többtagú járművek
8.2.1. A két- vagy többtagú járművek vonatkozásában a 8.1. pont követelményeit értelemszerűen kell alkalmazni.
Ilyen esetben a két vagy több merev tagot a H. szakasz 2b. ábráján bemutatott módon kell beállítani a síkhoz képest.
8.3. A műszaki szolgálat és a típusjóváhagyó hatóság egyetértésével a legnagyobb hátsó oldalkitérésre vonatkozó követelmények teljesülését számítógépes szimulációval is lehet igazolni az (EU) 2018/858 rendelet VIII. mellékletével összhangban. Ha kétség merülne fel, a műszaki szolgálat és a típusjóváhagyó hatóság megkövetelheti a teljes körű fizikai vizsgálat elvégzését.
D. szakasz
N2 és N3 kategóriájú járművek
1. Legnagyobb megengedett méretek
1.1. A méretek nem léphetik túl az alábbi értékeket:
1.1.1. Hosszúság: 12,00 m
1.1.2. Szélesség:
a) 2,55 m bármely jármű esetében;
b) 2,60 m a legalább 45 mm szigetelt falvastagságú felépítménnyel rendelkező, az (EU) 2018/858 rendelet I. melléklete C. részének 2. függeléke szerinti 04 vagy 05 felépítménykódú járművek esetében
1.1.3. Magasság: 4,00 m
1.2. A hosszúság, a szélesség és a magasság mérése során a menetkész tömegű járműnek vízszintes és sík felületen kell állnia, a gumiabroncsokat pedig a gyártó által javasolt nyomásra kell felfújni.
1.3. Az F. szakaszban említett berendezéseket és felszereléseket a hosszúság, a szélesség és a magasság meghatározásakor nem kell figyelembe venni.
1.3.1. Az F. szakaszban említett aerodinamikai tulajdonságokat javító berendezésekre vonatkozó további követelmények
1.3.1.1. A legfeljebb 500 mm hosszú aerodinamikai tulajdonságokat javító berendezések és felszerelések üzemi helyzetükben nem növelhetik a raktér használható hosszát. Az aerodinamikai tulajdonságokat javító berendezéseket és felszereléseket úgy kell kialakítani, hogy behúzott vagy behajtott helyzetben és üzemi helyzetben is rögzíteni lehessen őket. Az ilyen berendezéseket és felszereléseket ezenkívül úgy kell kialakítani, hogy a jármű álló helyzetében olyan mértékben behúzhatók vagy behajthatók legyenek, hogy a jármű egyik oldalán se nyúljanak túl 25 mm-nél többel a jármű megengedett legnagyobb szélességén, és 200 mm-nél többel a jármű megengedett legnagyobb hosszán, továbbá talaj feletti magasságuk legalább 1 050 mm legyen annak érdekében, hogy ne rontsák a jármű intermodális fuvarozásra való alkalmasságát. Ezenkívül teljesíteniük kell az 1.3.1.1.1. és az 1.3.1.1.3. pontban leírt követelményeket.
1.3.1.1.1. A berendezéseknek és felszereléseknek e rendelet szerinti típusjóváhagyással kell rendelkezniük.
1.3.1.1.2. Lehetővé kell tenni az üzemeltető számára, hogy megváltoztassa az aerodinamikai tulajdonságokat javító berendezések és felszerelések helyzetét, és legfeljebb 40 daN kézi erő kifejtésével behúzza vagy behajtsa őket. Emellett ez a művelet automatikusan is elvégezhető lehet.
1.3.1.1.3. Nem követelmény, hogy a berendezések és a felszerelések behúzhatók vagy behajthatók legyenek, ha a legnagyobb méretre vonatkozó követelmények minden körülmények között maradéktalanul teljesülnek.
1.3.1.2. Az 500 mm-nél hosszabb aerodinamikai tulajdonságokat javító berendezések és felszerelések üzemi helyzetükben nem növelhetik a raktér használható hosszát. Az aerodinamikai tulajdonságokat javító berendezéseket és felszereléseket úgy kell kialakítani, hogy behúzott vagy behajtott helyzetben és üzemi helyzetben is rögzíteni lehessen őket. Az ilyen berendezéseket és felszereléseket ezenkívül úgy kell kialakítani, hogy a jármű álló helyzetében olyan mértékben behúzhatók vagy behajthatók legyenek, hogy a jármű egyik oldalán se nyúljanak túl 25 mm-nél többel a jármű megengedett legnagyobb szélességén, és 200 mm-nél többel a jármű megengedett legnagyobb hosszán, továbbá talaj feletti magasságuk legalább 1 050 mm legyen annak érdekében, hogy ne rontsák a jármű intermodális fuvarozásra való alkalmasságát. Ezenkívül teljesíteniük kell az alábbi 1.3.1.2.1-1.3.1.2.4. pontban leírt követelményeket.
1.3.1.2.1. A berendezéseknek és felszereléseknek e rendelet szerinti típusjóváhagyással kell rendelkezniük.
1.3.1.2.2. Lehetővé kell tenni az üzemeltető számára, hogy megváltoztassa az aerodinamikai tulajdonságokat javító berendezések és felszerelések helyzetét, és legfeljebb 40 daN kézi erő kifejtésével behúzza vagy behajtsa őket. Emellett ez a művelet automatikusan is elvégezhető lehet.
1.3.1.2.3. A berendezést vagy felszerelést alkotó valamennyi fő függőleges és vízszintes elemnek vagy elemkombinációnak a járműre építve, üzemi helyzetben, maximum 2,0 MPa nyomáson ellen kell állnia a megfelelő, merőlegesen kiálló felületének mértani középpontjára statikusan kifejtett, egymás után felfelé, lefelé, balra és jobbra irányuló 200 daN ± 10 % nagyságú, függőleges és vízszintes vonó- és tolóerőnek. A berendezés vagy felszerelés deformálódhat, de a beállító- és rögzítőrendszer nem oldhat ki a rá kifejtett erő hatására. A deformáció legfeljebb akkora lehet, hogy a berendezés vagy felszerelés az ellenőrzés során és után a jármű egyik oldalán se nyúljon túl 25 mm-nél többel a jármű megengedett legnagyobb szélességén.
1.3.1.2.4. A berendezést vagy felszerelést alkotó valamennyi fő függőleges és vízszintes elemnek vagy elemkombinációnak behúzott vagy behajtott helyzetben is ellen kell állnia maximum 2,0 MPa nyomáson a megfelelő, merőlegesen kiálló felületének mértani középpontjára statikusan kifejtett, hosszirányban hátrafelé irányuló 200 daN ± 10 % nagyságú vízszintes vonóerőnek. A berendezés vagy felszerelés deformálódhat, de a beállító- és rögzítőrendszer nem oldhat ki a rá kifejtett erő hatására. A deformáció legfeljebb akkora lehet, hogy a berendezés vagy felszerelés a jármű egyik oldalán se nyúljon túl 25 mm-nél többel a jármű megengedett legnagyobb szélességén és 200 mm-nél többel a jármű megengedett legnagyobb hosszán.
1.3.1.3. A vezetőfülkét aerodinamikai tulajdonságokat javító berendezéseket és felszereléseket - ha csak lehetséges - úgy kell kialakítani, hogy behúzott vagy behajtott és üzemi helyzetben se nyúljanak túl a jármű egyik oldalán sem 25 mm-nél többel a jármű megengedett legnagyobb szélességén, és ne rontsák a jármű intermodális fuvarozásra való alkalmasságát. Ezenkívül teljesíteniük kell az alábbi 1.3.1.3.1-1.3.1.3.4. pontban leírt követelményeket.
1.3.1.3.1. A vezetőfülkét aerodinamikai tulajdonságokat javító berendezéseknek és felszereléseknek e rendelet szerinti típusjóváhagyással kell rendelkezniük.
1.3.1.3.2. Ha fel van szerelve a járműre, akkor gondoskodni kell arról, hogy - amennyiben releváns - sem behúzott vagy behajtott, sem üzemi helyzetben ne nyúljon az aerodinamikai tulajdonságokat javító berendezés vagy felszerelés egy része sem a szélvédő alsó széle fölé, kivéve, ha azt a vezető a műszerfal vagy más szokványos belső felszerelés miatt nem láthatja közvetlenül.
1.3.1.3.3. Az aerodinamikai tulajdonságokat javító berendezést vagy felszerelést energiaelnyelő anyaggal kell bevonni. A másik lehetőség, hogy a berendezést vagy felszerelést olyan anyagból kell készíteni, amelynek a Shore-féle "A" keménysége az 1.3.1.4. ponttal összhangban kevesebb, mint 60.
1.3.1.3.4. Az aerodinamikai tulajdonságokat javító berendezés vagy felszerelés nem készülhet olyan anyagból, amely hajlamos éles szilánkokra vagy egyenetlen élűre törni.
1.3.1.4. A műszaki szolgálatnak a típusjóváhagyó hatóság számára hitelt érdemlő módon igazolnia kell, hogy az 1.3.1.1., az 1.3.1.2. és az 1.3.1.3. pontban említett aerodinamikai tulajdonságokat javító berendezések és felszerelések sem üzemi, sem behúzott vagy behajtott helyzetben nem csökkentik a vezető előre irányuló látómezejét, valamint a szélvédőmosó és a szélvédőtörlő működési hatékonyságát, és nem rontják jelentősen az erőátviteli rendszer, a kipufogórendszer, a fékrendszer, a vezetőfülke és a raktér hűtését és szellőzését. A járműrendszerekre vonatkozó összes többi követelménynek is kötelezően meg kell felelni, akár üzemi, akár behúzott vagy behajtott helyzetben vannak a berendezések és felszerelések.
Az első aláfutás elleni védelemre vonatkozó követelményektől eltérve az aerodinamikai tulajdonságokat javító berendezésekkel vagy felszerelésekkel ellátott jármű legelső pontja és első aláfutásgátlója, valamint a hátsó aláfutásgátló hátulja és az aerodinamikai tulajdonságokat javító berendezésekkel vagy felszerelésekkel ellátott jármű leghátsó pontja közötti vízszintes távolságot a berendezések és felszerelések figyelembevétele nélkül is lehet mérni, amennyiben hosszuk hátul meghaladja a 200 mm-t, és üzemi állapotban vannak, továbbá amennyiben az elemeknek a jármű terheletlen állapotában mérve a talajtól legfeljebb 2,0 m magasan lévő alapvető részei mind elöl, mind hátul olyan anyagból készültek, amelynek Shore-féle "A" keménysége kevesebb, mint 60. Az elemek alapszerkezetének megtartására szolgáló, keretet vagy tartót alkotó vékony bordákat, csöveket és fémhuzalokat a keménység meghatározásakor nem kell figyelembe venni. Más járművek ütközés esetén történő benyomódásának és a sérülések kockázatának kiküszöbölése érdekében azonban egyetlen ilyen borda, cső vagy fémhuzal vége sem irányulhat a jármű elején előrefelé vagy a jármű hátulján hátrafelé, sem az aerodinamikai tulajdonságokat javító berendezés vagy felszerelés behúzott vagy behajtott, sem annak üzemi helyzetében.
A hátsó aláfutásgátlóra vonatkozó, az előző bekezdésben említett eltérés alternatívájaként a hátsó aláfutásgátló hátulja és az aerodinamikai tulajdonságokat javító berendezésekkel és felszerelésekkel felszerelt jármű leghátsó pontja közötti vízszintes távolságot az aerodinamikai tulajdonságokat javító berendezések és felszerelések figyelembevétele nélkül is lehet mérni, amennyiben hosszuk meghaladja a 200 mm-t, üzemi állapotban vannak, és a szóban forgó berendezések és felszerelések teljesítik az I. szakaszban előírt vizsgálati követelményeket.
A hátsó aláfutásgátló hátulja és a jármű leghátsó pontja közötti vízszintes távolságot azonban az aerodinamikai tulajdonságokat javító berendezések és felszerelések behúzott vagy behajtott helyzetében kell mérni, vagy figyelembe kell venni az I. szakasz 1.6.1. pontja szerint kapott kinyúlási hosszt, ha e hossz meghaladja a behúzott vagy behajtott helyzetben mért hosszt.
1.4. Hosszított vezetőfülkék
1.4.1. Ha a gépjármű vezetőfülkéjének homlokfelülete - az összes kiálló részt, például az alváz, a lökhárító, a kerékdobok és a kerekek valamennyi kiálló részét beleértve - teljes mértékben megfelel a J. szakaszban meghatározott háromdimenziós burkolóvonalra vonatkozó paramétereknek, és a raktér hossza nem haladja meg a 10,5 m-t, akkor a jármű hossza meghaladhatja az 1.1.1. pontban előírt megengedett legnagyobb hosszt.
1.4.2. Az 1.4.1. pontban említett esetben a gyártónak fel kell tüntetnie az alábbi jelölést a gyártó által a járművön elhelyezett, jogszabályban előírt táblán a kötelezően szereplő értékek alatt vagy mellett, a kizárólag a kötelező adatokat keretbe foglaló, jól látható téglalapon kívül.
"96/53/EC ARTICLE 9A COMPLIANT"
A jelölést legalább 4 mm magas karakterekkel kell feltüntetni. A "96/53/EC ARTICLE 9A COMPLIANT" ("MEGFELEL A 96/53/EK IRÁNYELV 9A. CIKKÉNEK") szöveget a megfelelőségi nyilatkozat "Megjegyzések" rovatában is fel kell tüntetni, hogy fel lehessen venni az adatot a járműben tartandó nyilvántartásbavételi dokumentumokba.
2. Tömegeloszlás felépítménnyel rendelkező járművek esetében
2.1. Számítási eljárás
Jelölések
„M” | Műszakilag megengedett legnagyobb össztömeg | |
„TM” | Műszakilag megengedett legnagyobb vontatható tömeg | |
„MC” | A járműszerelvény műszakilag megengedett legnagyobb össztömege | |
„mi” | A műszakilag megengedett legnagyobb tömeg az „i” szimpla tengelyen, ahol az „i” értéke 1-től a jármű összes tengelyének számáig változhat | |
„mc” | A kapcsolási pontra jutó, műszakilag megengedett legnagyobb tömeg | |
„μj” | A műszakilag megengedett legnagyobb tömeg a „j” tengelycsoporton, ahol a „j” értéke 1-től az összes tengelycsoport számáig változhat |
2.1.1. Megfelelő számítások elvégzésével ellenőrizni kell, hogy az adott típusba tartozó műszaki konfigurációk megfelelnek-e a 2.2. és a 2.3. pontban megállapított követelményeknek.
2.1.2. Terhelhető tengelyekkel felszerelt járművek esetében a 2.2. és a 2.3. pontban előírt számításokhoz a terhelhető tengelyek szokásos üzemi konfigurációjához tartozó felfüggesztést kell figyelembe venni.
2.1.3. Felemelhető tengelyekkel felszerelt járművek esetében a 2.2. és a 2.3. pontban előírt számításokat leengedett tengelyekkel kell elvégezni.
2.1.4. Alternatív üzemanyaggal működő vagy kibocsátásmentes gépjárművek esetében:
2.1.4.1. Az alternatív üzemanyaggal működő vagy kibocsátásmentes technológiához szükséges, a 96/53/EK irányelv I. mellékletének 2.3. pontja szerinti többlettömeget, valamint az (EU) 2019/631 rendelet 2. cikke (1) bekezdése b) pontjának alkalmazásában a kibocsátásmentes járművek energiatároló rendszerének tömegét a gyártó által rendelkezésre bocsátott dokumentáció alapján kell meghatározni. A megadott adatok helyességét a műszaki szolgálatnak a típusjóváhagyó hatóság számára hitelt érdemlő módon igazolnia kell.
2.1.4.2. A gyártónak alternatív üzemanyaggal hajtott gépjárművek esetében fel kell tüntetnie az alábbi jelölést, valamint a többlettömeg értékét, illetve kibocsátásmentes gépjárművek esetében az energiatároló rendszer tömegét a gyártó által a járművön elhelyezett, jogszabályban előírt táblán a kötelezően szereplő értékek alatt vagy mellett, a kizárólag a kötelező adatokat keretbe foglaló, jól látható téglalapon kívül.
"96/53/EC ARTICLE 10B COMPLIANT - XXXX KG"
"(EU) 2019/631 ARTICLE 2(1)(b) COMPLIANT - XXXX KG"
A jelölést és a megadott értékeket legalább 4 mm magas karakterekkel kell feltüntetni.
Ezenkívül addig, amíg a megfelelőségi nyilatkozatban nem szerepel kifejezetten erre szolgáló rovat, az energiatároló rendszer többlettömegének értékét a megfelelőségi nyilatkozat "Megjegyzések" rovatában kell feltüntetni annak érdekében, hogy fel lehessen venni az adatot a járműben tartandó nyilvántartásbavételi dokumentumokba, az alábbiak szerint:
"Az akkumulátorokból adódó tömegnövekmény: ...... kg" ( 32 )
2.2. Általános követelmények
2.2.1. A szimpla tengelyekre jutó, műszakilag megengedett legnagyobb tömeg és a tengelycsoportokra jutó, műszakilag megengedett legnagyobb tömeg együttesen nem lehet kisebb, mint a jármű műszakilag megengedett legnagyobb össztömege.

2.2.2. A "j" tengelycsoporthoz tartozó tengelyekre jutó, műszakilag megengedett legnagyobb tömegek összege nem lehet kisebb, mint a tengelycsoportra jutó, műszakilag megengedett legnagyobb tömeg.
Ezenkívül egyetlen mi tömeg sem lehet kisebb, mint a μj tömegnek az "i" tengelyre jutó része, az adott tengelycsoportra vonatkozó tömegeloszlás által meghatározottak szerint.
2.3. Különleges követelmények
2.3.1. A járműnek a nem kötelező felszerelések, az utasok és a kapcsolószerkezet tömegével (ha utóbbi nem tartozik a menetkész tömeghez) és a kapcsolási pontra jutó, műszakilag megengedett legnagyobb tömeggel növelt menetkész tömege nem haladhatja meg a jármű műszakilag megengedett legnagyobb össztömegét.
2.3.2. Ha a jármű a műszakilag megengedett legnagyobb össztömegéig van megterhelve, az "i" tengelyre jutó tömeg nem lehet nagyobb, mint az ugyanazon tengelyre vonatkozó mi tömeg, és a "j" tengelycsoportra jutó tömeg nem lehet nagyobb, mint a μj tömeg.
2.3.3. A 2.3.2. pont követelményeit a következő terhelési konfigurációk mellett kell teljesíteni:
2.3.3.1. A többletterhelés tömegének egyenletes elosztása:
a jármű menetkész tömege, hozzáadva a nem kötelező felszerelések tömegét, az utasoknak az ülések vonatkoztatási pontjában elhelyezett tömegét, a kapcsolószerkezet tömegét (ha utóbbi nem tartozik a menetkész tömeghez) és a kapcsolási pontra jutó, megengedett legnagyobb tömeget, valamint a raktérben egyenletesen elosztott többletterhelés tömegét.
2.3.3.2. A többletterhelés tömegének egyenetlen elosztása:
a jármű menetkész tömege, hozzáadva a nem kötelező felszerelések tömegét, az utasoknak az ülések vonatkoztatási pontjában elhelyezett tömegét, a kapcsolószerkezet tömegét (ha utóbbi nem tartozik a menetkész tömeghez) és a kapcsolási pontra jutó, megengedett legnagyobb tömeget, valamint a gyártó előírásaival összhangban elhelyezett többletterhelés tömegét.
E célból a gyártónak meg kell adnia a többletterhelés és/vagy a felépítmény és/vagy a tartozékok vagy belső szerelvények tömegközéppontjának megengedett lehetséges szélső helyzeteit (például 0,50 métertől 1,30 méterig az első hátsó tengely előtt).
2.3.3.3. Az egyenletes és egyenetlen terheléselosztás kombinációja:
a 2.3.3.1. és a 2.3.3.2. pont követelményeit egyidejűleg kell teljesíteni.
Erre példa egy daruval (lokális teher) felszerelt billenőplatós teherautó (elosztott teher).
2.3.3.4. A nyeregszerkezet által átvitt tömeg (félpótkocsi vontatója esetében):
a jármű menetkész tömege, hozzáadva a nem kötelező felszerelések tömegét, az utasoknak az ülések vonatkoztatási pontjában elhelyezett tömegét, a kapcsolószerkezet tömegét (ha utóbbi nem tartozik a menetkész tömeghez) és a gyártó (a nyeregpont legnagyobb és legkisebb távolságára vonatkozó) előírásaival összhangban elhelyezett, a nyeregszerkezetre jutó megengedett legnagyobb tömeget.
2.3.3.5. A 2.3.3.1. pont követelményeit sík felületű raktérrel rendelkező járművek esetében mindig teljesíteni kell.
2.3.4. Ha a jármű a műszakilag megengedett legnagyobb össztömegéig van megterhelve, hozzáadva a kapcsolószerkezet tömegét (ha utóbbi nem tartozik a menetkész tömeghez), valamint hozzáadva a kapcsolási pontra jutó, megengedett legnagyobb tömeget olyan módon, hogy elérjék a hátsó tengelycsoportra jutó, megengedett legnagyobb tömeget (μ) vagy a hátsó tengelyre jutó, megengedett legnagyobb tömeget (m), akkor az elülső kormányzott tengely(ek)re jutó tömeg nem lehet kisebb, mint a jármű műszakilag megengedett legnagyobb össztömegének 20 %-a.
2.3.5. Az N2 és N3 kategóriájú különleges rendeltetésű járművek esetében a műszaki szolgálatnak a gyártóval történő egyeztetés alapján, a jármű sajátos kialakításának (például mobil daruk) figyelembevételével kell ellenőriznie a 2. szakasz követelményeinek teljesülését.
3. Vontatási kapacitás
3.1. A járműszerelvény műszakilag megengedett legnagyobb össztömege nem haladhatja meg a műszakilag megengedett legnagyobb vontatható tömeggel növelt műszakilag megengedett legnagyobb össztömeget.

4. Hegymeneti elindulási képesség és kapaszkodóképesség
4.1. A pótkocsi vontatására tervezett járműveknek a járműszerelvény műszakilag megengedett legnagyobb össztömegével terhelve öt perc alatt legalább ötször el kell indulniuk egy legalább 12 %-os emelkedőn.
4.2. A kapaszkodóképességet illetően a terepjárókat a K. szakasz műszaki követelményei alapján kell ellenőrizni.
4.2.1. Az (EU) 2018/858 rendelet I. melléklete 1. függelékének 5. szakaszában meghatározott követelmények szintén alkalmazandók.
5. Motorteljesítmény
5.1. A járműmotor leadott teljesítményének a járműszerelvény műszakilag megengedett legnagyobb össztömegére számítva legalább 5 kW/tonna mértékűnek kell lennie.
5.1.1. Közúti vontató vagy oszthatatlan rakomány szállítására szolgáló félpótkocsi vontatója esetében a motor teljesítményének a járműszerelvény műszakilag megengedett legnagyobb össztömegére számítva legalább 2 kW/tonna mértékűnek kell lennie.
5.1.2. Az 5.1. és az 5.1.1. pontban foglalt követelmények nem vonatkoznak a hibrid elektromos járművek kizárólag elektromos menetüzemmódjára.
5.2. A motor teljesítményét a 85. sz. ENSZ-előírás alapján kell mérni.
6. Manőverezhetőség
6.1. A járműnek meg kell tudnia tenni egy teljes, 360 o-os körívet a H. szakasz 1. ábráján bemutatott módon anélkül, hogy a jármű legszélső pontjai az esettől függően túlnyúlnának a külső körön vagy belógnának a belső körbe.
6.1.1. A vizsgálatot a jármű terheletlen (vagyis menetkész) tömegével és a műszakilag megengedett legnagyobb terhelt (vagyis össz)tömegével is el kell végezni. Ha a jármű fel van szerelve az 1.3.1.1., az 1.3.1.2. és az 1.3.1.3. pontban említett aerodinamikai tulajdonságokat javító berendezéssel vagy felszereléssel, az 1.3.1.3. pont által érintett berendezéseknek vagy felszereléseknek felszerelt és üzemi helyzetben vagy rögzített üzemi helyzetben kell lenniük, ahol ez megoldható.
6.1.2. A 6.1. pont alkalmazásában nem kell figyelembe venni azokat az alkatrészeket, amelyek esetében engedélyezett, hogy az F. szakaszban említett járműhosszon túlnyúljanak.
6.2. A tengelyemelő berendezéssel felszerelt járművek esetében a 6.1. pont követelményeinek akkor is teljesülniük kell, amikor a felemelhető tengely(ek) felemelt állapotban van(nak) és a terhelhető tengely(ek) üzemel(nek).
6.3. A 6.1. pont követelményeinek teljesülését a következőképpen kell ellenőrizni:
6.3.1. A járműnek egy külső, 12,50 m sugarú, illetve egy belső, 5,30 m sugarú koncentrikus kör által határolt területen belül kell manővereznie.
6.3.2. A gépjármű elején lévő legszélső pontot végig kell vezetni a külső kör vonalán (lásd a H. szakasz 1. ábráját).
6.4. A műszaki szolgálat és a típusjóváhagyó hatóság egyetértésével a manőverezési képességre vonatkozó követelmények teljesülését számítógépes szimulációval is lehet igazolni az (EU) 2018/858 rendelet VIII. mellékletével összhangban. Ha kétség merülne fel, a műszaki szolgálat és a típusjóváhagyó hatóság megkövetelheti a teljes körű fizikai vizsgálat elvégzését.
7. Legnagyobb hátsó oldalkitérés
7.1. A járművet a 7.1.1. pontban meghatározott, álló helyzetből indított vizsgálati módszerrel kell ellenőrizni. Ha a jármű fel van szerelve az 1.3.1.1., az 1.3.1.2. és az 1.3.1.3. pontban említett aerodinamikai tulajdonságokat javító berendezéssel vagy felszereléssel, annak felszerelt és üzemi helyzetben kell lennie.
7.1.1. Álló helyzetből indított vizsgálati módszer
7.1.1.1. A járműnek álló helyzetben kell lennie, kerekeit pedig olyan módon kell beállítani, hogy mozgáskor a jármű legszélső pontja egy 12,50 m sugarú körívet írjon le.
Meg kell határozni egy, a jármű oldalát érintő függőleges síkot, amely a körből kifelé néz, és meg kell jelölni vonallal a talajon.
A járműnek úgy kell elindulnia előre, hogy az elülső legszélső pontja a 12,50 m sugarú külső kör vonalát kövesse.
7.2. A legnagyobb hátsó oldalkitérés haladhatja meg a következő értékeket (lásd az I. szakasz 3. ábráját):
a) 0,80 m;
b) 1,00 m, ha a jármű tengelyemelő berendezéssel van felszerelve és a tengely fel van emelve a talajról;
c) 1,00 m, ha a leghátsó tengely kormányzott tengely.
7.3. A műszaki szolgálat és a típusjóváhagyó hatóság egyetértésével a legnagyobb hátsó oldalkitérésre vonatkozó követelmények teljesülését számítógépes szimulációval is lehet igazolni az (EU) 2018/858 rendelet VIII. mellékletével összhangban. Ha kétség merülne fel, a műszaki szolgálat és a típusjóváhagyó hatóság megkövetelheti a teljes körű fizikai vizsgálat elvégzését.
E. szakasz
O kategóriájú járművek
1. Legnagyobb megengedett méretek
1.1. A méretek nem léphetik túl az alábbi értékeket:
1.1.1. Hosszúság:
a) pótkocsi: 12,00 m a vonórúddal együtt;
b) félpótkocsi: 12,00 m hozzáadva az elülső kinyúlást.
1.1.2. Szélesség:
a) 2,55 m bármely jármű esetében;
b) 2,60 m a legalább 45 mm szigetelt falvastagságú felépítménnyel rendelkező, az (EU) 2018/858 rendelet I. mellékletének 2. függeléke szerinti 04 vagy 05 felépítménykódú járművek esetében.
1.1.3. Magasság: 4,00 m.
1.1.4. A félpótkocsi elülső túlnyúló részének elfordulási sugara: 2,04 m.
1.2. A hosszúság, a szélesség és a magasság mérése során a menetkész tömegű járműnek vízszintes és sík felületen kell állnia, a gumiabroncsokat pedig a gyártó által javasolt nyomásra kell felfújni.
1.3. A hosszúság, a magasság, valamint az elülső szerelvény sugarának mérését abban az esetben kell elvégezni, ha a raktér felülete vagy az 55. sz. ENSZ-előírás 7. melléklete második albekezdésének 1.2.1. szakaszában említett vonatkoztatási felület vízszintes.
Az állítható vonórudakat vízszintes helyzetbe és a jármű függőleges középsíkjához kell igazítani. A vonórudakat vízszintesen, a leghosszabb helyzetükbe kell beállítani.
1.4. Az F. szakaszban említett berendezéseket és felszereléseket a hosszúság, a szélesség és a magasság meghatározásakor nem kell figyelembe venni.
1.4.1. Az F. szakaszban említett aerodinamikai tulajdonságokat javító berendezésekre vonatkozó további követelmények
1.4.1.1. A legfeljebb 500 mm hosszú aerodinamikai tulajdonságokat javító berendezések és felszerelések üzemi helyzetükben nem növelhetik a raktér használható hosszát. Az aerodinamikai tulajdonságokat javító berendezéseket és felszereléseket úgy kell kialakítani, hogy behúzott vagy behajtott helyzetben és üzemi helyzetben is rögzíteni lehessen őket. Az ilyen berendezéseket és felszereléseket ezenkívül úgy kell kialakítani, hogy a jármű álló helyzetében olyan mértékben behúzhatók vagy behajthatók legyenek, hogy a jármű egyik oldalán se nyúljanak túl 25 mm-nél többel a jármű megengedett legnagyobb szélességén, és 200 mm-nél többel a jármű megengedett legnagyobb hosszán, továbbá talaj feletti magasságuk legalább 1 050 mm legyen annak érdekében, hogy ne rontsák a jármű intermodális fuvarozásra való alkalmasságát. Ezenkívül teljesíteniük kell az 1.4.1.1.1-1.4.1.1.3. pontban leírt követelményeket.
1.4.1.1.1. A berendezéseknek és felszereléseknek e rendelet szerinti típusjóváhagyással kell rendelkezniük.
1.4.1.1.2. Lehetővé kell tenni az üzemeltető számára, hogy megváltoztassa az aerodinamikai tulajdonságokat javító berendezések és felszerelések helyzetét, és legfeljebb 40 daN kézi erő kifejtésével behúzza vagy behajtsa őket. Emellett ez a művelet automatikusan is elvégezhető lehet.
1.4.1.1.3. Nem követelmény, hogy a berendezések és a felszerelések behúzhatók vagy behajthatók legyenek, ha a legnagyobb méretre vonatkozó követelmények minden körülmények között maradéktalanul teljesülnek.
1.4.1.2. Az 500 mm-nél hosszabb aerodinamikai tulajdonságokat javító berendezések és felszerelések üzemi helyzetükben nem növelhetik a raktér használható hosszát. Az aerodinamikai tulajdonságokat javító berendezéseket és felszereléseket úgy kell kialakítani, hogy behúzott vagy behajtott helyzetben és üzemi helyzetben is rögzíteni lehessen őket. Az ilyen berendezéseket és felszereléseket ezenkívül úgy kell kialakítani, hogy a jármű álló helyzetében olyan mértékben behúzhatók vagy behajthatók legyenek, hogy a jármű egyik oldalán se nyúljanak túl 25 mm-nél többel a jármű megengedett legnagyobb szélességén, és 200 mm-nél többel a jármű megengedett legnagyobb hosszán, továbbá talaj feletti magasságuk legalább 1 050 mm legyen annak érdekében, hogy ne rontsák a jármű intermodális fuvarozásra való alkalmasságát. Ezenkívül teljesíteniük kell az 1.4.1.2.1-1.4.1.2.4. pontban leírt követelményeket.
1.4.1.2.1. A berendezéseknek és felszereléseknek e rendelet szerinti típusjóváhagyással kell rendelkezniük.
1.4.1.2.2. Lehetővé kell tenni az üzemeltető számára, hogy megváltoztassa az aerodinamikai tulajdonságokat javító berendezések és felszerelések helyzetét, és legfeljebb 40 daN kézi erő kifejtésével behúzza vagy behajtsa őket. Emellett ez a művelet automatikusan is elvégezhető lehet.
1.4.1.2.3. A berendezést vagy felszerelést alkotó valamennyi fő függőleges és vízszintes elemnek vagy elemkombinációnak a járműre építve, üzemi helyzetben, maximum 2,0 MPa nyomáson ellen kell állnia a megfelelő, merőlegesen kiálló felületének mértani középpontjára statikusan kifejtett, egymás után felfelé, lefelé, balra és jobbra irányuló 200 daN ± 10 % nagyságú, függőleges és vízszintes vonó- és tolóerőnek. A berendezés vagy felszerelés deformálódhat, de a beállító- és rögzítőrendszer nem oldhat ki a rá kifejtett erő hatására. A deformáció legfeljebb akkora lehet, hogy a berendezés vagy felszerelés az ellenőrzés során és után a jármű egyik oldalán se nyúljon túl 25 mm-nél többel a jármű megengedett legnagyobb szélességén.
1.4.1.2.4. A berendezést vagy felszerelést alkotó valamennyi fő függőleges és vízszintes elemnek vagy elemkombinációnak behúzott vagy behajtott helyzetben is ellen kell állnia maximum 2,0 MPa nyomáson a megfelelő, merőlegesen kiálló felületének mértani középpontjára statikusan kifejtett, hosszirányban hátrafelé irányuló 200 daN ± 10 % nagyságú vízszintes vonóerőnek. A berendezés vagy felszerelés deformálódhat, de a beállító- és rögzítőrendszer nem oldhat ki a rá kifejtett erő hatására. A deformáció legfeljebb akkora lehet, hogy a berendezés vagy felszerelés a jármű egyik oldalán se nyúljon túl 25 mm-nél többel a jármű megengedett legnagyobb szélességén és 200 mm-nél többel a jármű megengedett legnagyobb hosszán.
1.4.1.3. A műszaki szolgálatnak a típusjóváhagyást végző hatóság számára hitelt érdemlő módon igazolnia kell, hogy az aerodinamikai tulajdonságokat javító berendezések és felszerelések sem üzemi, sem behúzott vagy behajtott helyzetben nem zárják el teljesen a raktér szellőzését. A járműrendszerekre vonatkozó összes többi követelménynek is kötelezően meg kell felelni, akár üzemi, akár behúzott vagy behajtott helyzetben vannak a berendezések és felszerelések.
A hátsó aláfutás elleni védelemre vonatkozó követelményektől eltérve a hátsó aláfutásgátló hátulja és az aerodinamikai tulajdonságokat javító berendezésekkel és felszerelésekkel felszerelt jármű leghátsó pontja közötti vízszintes távolságot a berendezések és felszerelések figyelembevétele nélkül is lehet mérni, amennyiben hosszuk meghaladja a 200 mm-t, üzemi állapotban vannak, és az elemeknek a jármű terheletlen állapotában mérve a talajtól legfeljebb 2,0 m magasan lévő alapvető részei olyan anyagból készültek, amelynek a Shore-féle "A" keménysége kevesebb, mint 60. Az elemek alapszerkezetének megtartására szolgáló, keretet vagy tartót alkotó vékony bordákat, csöveket és fémhuzalokat a keménység meghatározásakor nem kell figyelembe venni. Más járművek ütközés esetén történő benyomódásának és a sérülések kockázatának kiküszöbölése érdekében azonban egyetlen ilyen borda, cső és fémhuzal vége sem irányulhat a jármű hátulján hátrafelé, sem az aerodinamikai tulajdonságokat javító berendezés vagy felszerelés behúzott vagy behajtott, sem annak üzemi helyzetében.
Az előző bekezdésben említett eltérés alternatívájaként a hátsó aláfutásgátló hátulja és az aerodinamikai tulajdonságokat javító berendezésekkel és felszerelésekkel felszerelt jármű leghátsó pontja közötti vízszintes távolságot az aerodinamikai tulajdonságokat javító berendezések és felszerelések figyelembevétele nélkül is lehet mérni, amennyiben hosszuk meghaladja a 200 mm-t, üzemi állapotban vannak, és a szóban forgó berendezések és felszerelések teljesítik az I. szakaszban előírt vizsgálati követelményeket.
A hátsó aláfutásgátló hátulja és a jármű leghátsó pontja közötti vízszintes távolságot azonban az aerodinamikai tulajdonságokat javító berendezések és felszerelések behúzott vagy behajtott helyzetében kell mérni, vagy figyelembe kell venni az I. szakasz 1.6.1. pontja szerint kapott kinyúlási hosszt, ha e hossz meghaladja a behúzott vagy behajtott helyzetben mért hosszt.
2. Tömegeloszlás felépítménnyel rendelkező járművek esetében
2.1. Számítási eljárás
Jelölések
„M” | Műszakilag megengedett legnagyobb össztömeg | |
„m0” | Az elülső kapcsolási pontra jutó, műszakilag megengedett legnagyobb tömeg | |
„mi” | A műszakilag megengedett legnagyobb tömeg az „i” tengelyen, ahol az „i” értéke 1-től a jármű összes tengelyének számáig változhat | |
„mc” | A hátsó kapcsolási pontra jutó, műszakilag megengedett legnagyobb tömeg | |
„μj” | A műszakilag megengedett legnagyobb tömeg a „j” tengelycsoporton, ahol a „j” értéke 1-től az összes tengelycsoport számáig változhat |
2.1.1. Megfelelő számítások elvégzésével ellenőrizni kell, hogy az adott típusba tartozó műszaki konfigurációk megfelelnek-e a 2.2. és a 2.3. pontban megállapított követelményeknek.
2.1.2. Terhelhető tengelyekkel felszerelt járművek esetében a 2.2. és a 2.3. pontban előírt számításokhoz a terhelhető tengelyek szokásos üzemi konfigurációjához tartozó felfüggesztést kell figyelembe venni.
2.1.3. Felemelhető tengelyekkel felszerelt járművek esetében a 2.2. és a 2.3. pontban előírt számításokat leengedett tengelyekkel kell elvégezni.
2.2. Általános követelmények
2.2.1. Az első kapcsolási pontra jutó, műszakilag megengedett legnagyobb tömeg, a szimpla tengelyekre és/vagy a tengelycsoportokra jutó, műszakilag megengedett legnagyobb tömeg és a hátsó kapcsolási pontra jutó, műszakilag megengedett legnagyobb tömeg összege nem lehet kevesebb, mint a jármű műszakilag megengedett legnagyobb össztömege.
M ≤ Σ [m0 + mi + mc] vagy M ≤ Σ [m0 + μj + mc]
2.2.2. Az egyes "j" tengelycsoportokhoz tartozó tengelyekre jutó mi tömegek összege nem lehet kisebb, mint a μj tömeg.
Ezenkívül egyetlen mi tömeg sem lehet kisebb, mint a μj tömegnek az "i" tengelyre jutó része, az adott tengelycsoportra vonatkozó tömegeloszlás által meghatározottak szerint.
2.3. Különleges követelmények
2.3.1. A járműnek a nem kötelező felszerelések tömegével és a kapcsolási pont(ok)ra jutó, műszakilag megengedett legnagyobb tömeggel növelt menetkész tömege nem haladhatja meg a jármű műszakilag megengedett legnagyobb össztömegét.
2.3.2. Ha a jármű a műszakilag megengedett legnagyobb össztömegéig van megterhelve, az "i" szimpla tengelyre jutó tömeg nem lehet nagyobb, mint az ugyanazon tengelyre jutó mi tömeg, a tengelycsoportra jutó μj tömeg vagy a kapcsolási pontra jutó, műszakilag megengedett legnagyobb m0 tömeg.
2.3.3. A 2.3.2. pont követelményeit a következő terhelési konfigurációk mellett kell teljesíteni:
2.3.3.1. A többletterhelés tömegének egyenletes elosztása:
a jármű menetkész tömegéhez hozzá kell adni a nem kötelező felszerelések tömegét és a raktérben egyenletesen elosztott többletterhelés tömegét.
2.3.3.2. A többletterhelés tömegének egyenetlen elosztása:
a jármű menetkész tömegéhez hozzá kell adni a nem kötelező felszerelések tömegét és a gyártó előírásaival összhangban elhelyezett többletterhelés tömegét.
E célból a gyártónak meg kell adnia a többletterhelés és/vagy a felépítmény és/vagy a tartozékok vagy belső szerelvények tömegközéppontjának megengedett lehetséges szélső helyzeteit (például 0,50 métertől 1,30 méterig az első hátsó tengely előtt).
2.3.3.3. Az egyenletes és egyenetlen terheléselosztás kombinációja:
2.3.3.4. a 2.3.3.1. és a 2.3.3.2. pont követelményeit egyidejűleg kell teljesíteni.
2.3.4. A lakókocsikra vonatkozó különleges követelmények
2.3.4.1. A legkisebb többletterhelés tömegére (PM) az alábbi követelmények vonatkoznak:
PM in kg ≥ 10 (n+L)
ahol:
„n” | a fekvőhelyek megengedett száma és | |
„L” | a teljes felépítményhossz az ISO 7237:1981 szabvány 6.1.2. pontjában meghatározottak szerint. |
3. A manőverezhetőségre vonatkozó követelmények
3.1. A pótkocsikat és félpótkocsikat úgy kell kialakítani, hogy a vontatójárművel összekapcsolva a járműszerelvény képes legyen egy külső, 12,50 m sugarú, illetve egy belső, 5,30 m sugarú koncentrikus kör által határolt területen belül maradva mindkét irányban egy teljes, 360o-os körív megtételére anélkül, hogy a vontatójármű legszélső pontjai túlnyúlnának a külső körön, vagy a pótkocsi vagy félpótkocsi legszélső pontjai belógnának a belső körbe. Ha a pótkocsi vagy félpótkocsi fel van szerelve az 1.4.1.1. vagy az 1.4.1.2. pontban említett aerodinamikai tulajdonságokat javító berendezéssel vagy felszereléssel, annak felszerelt és üzemi helyzetben kell lennie.
3.2. Az 1.4.1.1. vagy az 1.4.1.2. pontban említett aerodinamikai tulajdonságokat javító berendezéssel vagy felszereléssel fel nem szerelt félpótkocsit a 3.1. pontban leírt követelményeknek megfelelőnek kell tekinteni, ha annak "RWB" vonatkoztatási tengelytávja megfelel az alábbi követelménynek:

ahol:
„RWB” | A királycsap tengelye és a nem kormányzott tengelyek középvonala közötti távolság | |
„W” | A félpótkocsi szélessége |
Ha egy vagy több nem kormányzott tengely tengelyemelő berendezéssel van felszerelve, akkor a felemelt vagy lesüllyesztett tengellyel mért tengelytáv közül mindig a nagyobb tengelytávot kell figyelembe venni.
F. szakasz
Azon berendezések és felszerelések jegyzéke, amelyeket a legkülső méretek meghatározása során nem kell figyelembe venni
1. Az alábbi táblázatokban megadott további korlátozások függvényében az I., II. és III. táblázatban felsorolt berendezéseket és felszereléseket nem kell figyelembe venni a legkülső méretek meghatározása és számítása során, amennyiben a következő feltételek teljesülnek:
a) amennyiben a berendezések a jármű elejére vannak felszerelve, a vezetőfülke aerodinamikai tulajdonságokat javító berendezéseit és felszereléseit kivéve a berendezések teljes kinyúlása nem haladja meg a 250 mm-t;
b) a jármű hosszát megnövelő berendezések és felszerelések teljes kinyúlása az aerodinamikai tulajdonságokat javító berendezéseket és felszereléseket kivéve nem haladja meg a 750 mm-t;
c) a jármű szélességét megnövelő berendezések és felszerelések teljes kinyúlása nem haladja meg a 100 mm-t.
2. Az 1. a), b) és c) pontban meghatározott követelmények a közvetett látást biztosító eszközökre nem vonatkoznak.
I. Táblázat
A jármű hosszúsága
Elem | Jármű-kategóriák | ||||||||||
M1 | M2 | M3 | N1 | N2 | N3 | O1 | O2 | O3 | O4 | ||
1. | A 46. sz. ENSZ-előírás (1) 2.1. szakaszában meghatározott, közvetett látást biztosító eszközök | x | x | x | x | x | x | x | x | x | x |
2. | Törlő- és mosóberendezések | x | x | x | x | x | x | ||||
3. | Külső napellenzők | — | — | — | — | x | x | — | — | — | — |
4. | Az ezen előírás szerinti típusjóváhagyással rendelkező elülső védelmi rendszer | x | x | ||||||||
5. | Lépcsők és kapaszkodók | - | x | x | x | x | x | x | x | x | x |
6. | Mechanikus kapcsolószerkezetek | x | x | x | x | x | x | — | — | — | — |
7. | További kapcsolószerkezet a pótkocsi hátulján (ha eltávolítható) | — | — | — | — | — | — | x | x | x | x |
8. | Kerékpártartók (ha levehetők vagy visszahúzhatók) | x | x | — | — | — | — | — | — | ||
9. | A (bevont állapotban a járműből legfeljebb 300 mm-rel túlnyúló) emelőpadozatok, felhajtórámpák vagy hasonló eszközök, feltéve, hogy a jármű teherbírása nem növekszik | x | x | x | x | x | x | x | x | x | x |
10. | Figyelő- és érzékelőrendszerek, beleértve a radarokat is | — | x | x | — | x | x | x | x | x | x |
11. | Rugalmas ütközők és hasonló felszerelések | — | — | — | — | x | x | x | x | x | x |
12. | Vámzár és annak védőeszköze | — | — | — | x | x | x | x | x | x | x |
13. | Ponyvarögzítő rendszerek és azok védőeszközei | – | – | – | x | x | x | x | x | x | x |
14. | Cserefelépítmények hosszütközője | — | — | — | — | x | x | x | x | x | x |
15. | Elektromos meghajtású járművek áramszedő karjai | — | — | x | — | — | — | — | — | — | — |
16. | Első és hátsó jelzőtáblák | — | x | x | — | x | x | x | x | x | x |
17. | A 48. sz. ENSZ-előírás (2) 2. szakaszában meghatározott kiegészítő lámpák | x | x | x | x | x | x | x | x | x | x |
18. | Aerodinamikai tulajdonságokat javító berendezések és felszerelések | - | x | x | - | x | x | - | - | x | x |
19. | A járművek közötti, illetve a járművek és az infrastruktúra közötti kommunikációra használt antennák | x | x | x | x | x | x | x | x | x | x |
(1) Az Egyesült Nemzetek Európai Gazdasági Bizottságának (ENSZ-EGB) 46. számú előírása – Egységes rendelkezések a közvetett látást biztosító eszközök és a gépjárművek ilyen eszközök beépítése tekintetében történő jóváhagyásáról (HL L 237., 2014.8.8., 24. o.). (2) Az Egyesült Nemzetek Európai Gazdasági Bizottságának (ENSZ-EGB) 48. számú előírása – Egységes rendelkezések a járműveknek a világító- és fényjelző berendezések beépítése tekintetében történő jóváhagyásáról [2016/1723] (HL L 14., 2019.1.16., 42. o.). |
II. Táblázat
A jármű szélessége
Elem | Jármű-kategóriák | ||||||||||
M1 | M2 | M3 | N1 | N2 | N3 | O1 | O2 | O3 | O4 | ||
1. | A 46. sz. ENSZ-előírás 2.1. szakaszában meghatározott, közvetett látást biztosító eszközök | x | x | x | x | x | x | x | x | x | x |
2. | A gumiabroncsok oldalfalának kihajló része a talajjal való érintkezési ponton | x | x | x | x | x | x | x | x | x | x |
3. | Gumiabroncs-hibajelző berendezések | — | — | x | x | x | x | x | x | x | x |
4. | Gumiabroncsnyomás-érzékelők | — | — | x | x | x | x | x | x | x | x |
5. | Oldalsó helyzetjelző lámpák | x | x | x | x | x | x | x | x | x | x |
6. | Világítóberendezések | ||||||||||
6.1. Méretjelző lámpák | x | x | x | x | x | x | x | x | x | x | |
6.2. Oldalsó fényvisszaverő prizmák | x | x | x | x | x | x | x | x | x | x | |
6.3. Irányjelző lámpák | x | x | x | x | x | x | x | x | x | x | |
6.4. Hátsó helyzetjelző lámpa | — | — | — | — | x | x | x | x | x | x | |
6.5. Utasajtó-világítási rendszerek | — | x | x | — | — | — | — | — | — | — | |
7. | Felhajtó rámpák, emelőpadozatok és hasonló berendezések, feltéve, hogy üzemen kívüli állapotban nem nyúlnak ki 10 mm-t meghaladó mértékben a jármű oldalából, és a rámpák előrefelé vagy hátrafelé néző sarkai legalább 5 mm-es sugarú görbülettel le vannak kerekítve, valamint a szélek legalább 2,5 mm-es sugarú görbülettel le vannak kerekítve | — | x | x | — | x | x | x | x | x | x |
8. | Visszahúzható, sávtartást segítő berendezések irányított buszrendszerben, nem visszahúzott állapotban | — | — | x | — | — | — | — | — | — | — |
9. | Üzemi helyzetben lévő, visszahúzható lépcsők a jármű álló helyzetében | x | x | x | x | x | x | x | x | x | x |
10. | Figyelő- és érzékelőrendszerek, beleértve a radarokat is | — | x | x | x | x | x | x | x | x | |
11. | Aerodinamikai tulajdonságokat javító berendezések és felszerelések A jármű szélessége – beleértve a szigetelt falakkal rendelkező légkondicionált felépítmény szélességét is – a mért kinyúlásokkal együtt sem haladhatja meg a 2 600 mm-t, beleértve a behúzott vagy behajtott, illetve üzemi helyzetben lévő berendezéseket és felszereléseket is. | — | x | x | — | x | x | — | — | x | x |
12 | Vámzár és annak védőeszköze | — | — | — | x | x | x | x | x | x | x |
13. | A felületből legfeljebb 20 mm-rel kiemelkedő ponyvarögzítő rendszerek és azok védőeszközei, ha a talajszinttől legfeljebb 2,0 m-re helyezkednek el, illetve a felületből legfeljebb 50 mm-rel kiemelkedő ilyen rendszerek, ha a talajszinttől legalább 2,0 m-re helyezkednek el. A széleket legalább 2,5 mm-es sugárral kell lekerekíteni. | — | — | — | x | x | x | x | x | x | x |
14. | Az e rendeletben említett, a felcsapódó víz elleni védőrendszerekhez tartozó kinyúló, rugalmas alkatrészek | — | — | — | — | x | x | — | — | x | x |
15 | A 14. tétel által nem érintett rugalmas sárvédők | — | x | x | x | x | x | x | x | x | x |
16. | Hólánc | x | x | x | x | x | x | x | x | x | x |
17. | Biztonsági korlát járműszállítókon. Kizárólag a legalább két másik jármű szállítására tervezett és gyártott járművek esetében, amelyeken a biztonsági korlát a talajszinttől legalább 2,0 m, de legfeljebb 3,70 m magasságban helyezkedik el, és a jármű oldalának legszélétől legfeljebb 50 mm-re nyúlik ki. A jármű szélessége nem haladhatja meg a 2 650 mm-t. | — | — | — | — | x | x | — | — | x | x |
18. | A járművek közötti, illetve a járművek és az infrastruktúra közötti kommunikációra használt antennák | x | x | x | x | x | x | x | x | x | x |
19. | A gumiabroncsnyomás-ellenőrző rendszer hajlékony csövei, feltéve, hogy egyik oldalon sem nyúlnak túl 70 mm-nél többel a jármű legnagyobb szélességén | x | x | x |
III. Táblázat
A jármű magassága
M1 | M2 | M3 | N1 | N2 | N3 | O1 | O2 | O3 | O4 | ||
1. | A rádiózásra, navigációra, a járművek közötti, illetve a járművek és az infrastruktúra közötti kommunikációra használt antennák | x | x | x | x | x | x | x | x | x | x |
2. | Ollós áramszedők vagy áramszedő karok felemelt helyzetben | — | — | x | — | — | x | — | — | — | — |
G. szakasz
A típusjóváhagyáshoz és a gyártásmegfelelőséghez megengedett eltérések
1. Méretek
1.1. A teljes hosszúságot, szélességet és magasságot a B-E. szakasz 1.2. pontjával összhangban kell mérni.
1.2. Amennyiben a B-E. szakasz 1.1. pontjában megállapított határokat nem lépik túl, a tényleges méretek legfeljebb 3 %-kal eltérhetnek a gyártó által megadottaktól.
2. A jármű menetkész tömege és tényleges tömege
2.1. A jármű menetkész tömegének ellenőrzéséhez a jármű tényleges, mért tömegéből ki kell vonni a nem kötelező felszerelések tömegét. Az e célra használt mérlegnek meg kell felelnie a 2014/31/EU európai parlamenti és tanácsi irányelvben ( 33 ) foglalt követelményeknek.
2.2. A 2.1. pont követelményeinek megfelelően meghatározott menetkész tömeg az (EU) 2020/683 rendelet I. mellékletének 2.6. b) pontjában, illetve a megfelelőségi nyilatkozat idevágó bejegyzésében megállapított névleges értéktől legfeljebb az alábbi mértékben térhet el:
a) 3 % a megengedett alsó és felső eltérés (vagyis a megadott értéktől való negatív vagy pozitív irányú eltérés) tekintetében az M, N és O kategóriájú járművek esetében, kivéve a különleges rendeltetésű járműveket;
b) 5 % a megengedett alsó és felső eltérés (vagyis a megadott értéktől való negatív vagy pozitív irányú eltérés) tekintetében a különleges rendeltetésű járművek esetében;
c) 5 % a megengedett alsó és felső eltérés (vagyis a megadott értéktől való negatív vagy pozitív irányú eltérés) tekintetében az (EU) 2018/858 rendelet 31. cikkének (3) és (4) bekezdése alkalmazásában.
3. Az e szakaszban említett megengedett eltérések az (EU) 2018/858 rendelet 31. cikke (3) és (4) bekezdésének alkalmazásában érvényesek.
H. szakasz
A manőverezhetőségre vonatkozó követelményekkel kapcsolatos ábrák
1. ábra
A manőverezhetőség vizsgálatához szükséges körök: r= 5,3 m, R = 12,5 m

2. ábra:
Behajtásos módszer M2 és M3 járművek esetében
[Kép #2] 2a. ábra: Hátsó oldalkitérés (nem csuklós járművek) R= 12,5 m r = 5,3 m Umax ≤ 60 cm | [Kép #3] 2b. ábra: Hátsó oldalkitérés (csuklós járművek) R= 12,5 m r = 5,3 m Umax ≤ 60 cm |

Kép #2

Kép #3
3. ábra
Álló helyzetből indított vizsgálati módszer N2 és N3 járművek esetében

I. szakasz
Az aerodinamikai tulajdonságokat javító berendezések és felszerelések töréstesztje
1. Az aerodinamikai tulajdonságokat javító berendezésekre és felszerelésekre vonatkozó vizsgálati feltételek
1.1. A gyártó kérésének megfelelően a vizsgálatot az alábbiak egyikén kell végrehajtani:
1.1.1. olyan járműtípuson, amelyre az aerodinamikai tulajdonságokat javító berendezést vagy felszerelést szánták;
1.1.2. a járműtípus felépítményének olyan részén, amelyre az aerodinamikai tulajdonságokat javító berendezést vagy felszerelést szánták; ennek a résznek a szóban forgó járműtípusra jellemzőnek kell lennie;
1.1.3. merev falon.
1.2. Ha a vizsgálatot az 1.1.2. és az 1.1.3. pont alapján végzik, az aerodinamikai tulajdonságokat javító berendezést vagy felszerelést a jármű felépítményéhez vagy a merev falhoz rögzítő alkatrészeknek meg kell egyezniük az említett aerodinamikai tulajdonságokat javító berendezést vagy felszerelést a járműhöz rögzítő alkatrészekkel. Minden berendezéshez vagy felszereléshez felszerelési és üzemeltetési utasítást kell mellékelni, amely hozzáértő szakember számára elegendő tájékoztatást ad a berendezés vagy felszerelés helyes felszereléséhez.
1.3. A gyártó kérésére az 1.5. pontban leírt vizsgálati eljárást számítógépes szimulációval is el lehet végezni az (EU) 2018/858 rendelet VIII. mellékletével összhangban.
A matematikai modellt csak akkor lehet jóváhagyni, ha összehasonlítható a fizikai vizsgálati körülményekkel. Ennek érdekében fizikai vizsgálatot kell lefolytatni, hogy a matematikai modell alkalmazásával kapott eredményeket össze lehessen hasonlítani a fizikai vizsgálat eredményeivel. Bizonyítani kell a vizsgálati eredmények összehasonlíthatóságát. A gyártónak ellenőrzési jelentést kell készítenie.
A matematikai modellen vagy a szoftveren végrehajtott minden olyan módosítás, amely nagy valószínűség szerint érvényteleníti az ellenőrzési jelentést, az előző bekezdés szerinti új ellenőrzést tesz szükségessé.
1.4. A vizsgálatok vagy szimulációk végrehajtási feltételei
1.4.1. A járműnek vízszintes, sík, merev és sima felületen kell állnia.
1.4.2. Az első kerekeknek egyenes helyzetben kell állniuk.
1.4.3. A gumiabroncsokat fel kell fújni a járműgyártó által ajánlott nyomásra.
1.4.4. A járműnek terheletlennek kell lennie.
1.4.5. A járművet, ha az 1.5.1.2. pontban megkövetelt vizsgálati erőhatás eléréséhez szükséges, bármilyen módszerrel lehet fékezni. Ezt a módszert a jármű gyártójának kell megadnia.
1.4.6. A hidropneumatikus, hidraulikus vagy pneumatikus felfüggesztésű, illetve a magasságot a terhelés függvényében automatikusan szabályozó berendezéssel felszerelt járműveknél a vizsgálatot úgy kell elvégezni, hogy a felfüggesztés vagy a szabályozó berendezés a gyártó által megadott szokásos üzemi állapotban legyen.
1.5. Vizsgálati eljárás
1.5.1. A vizsgálatok célja annak megállapítása, hogy az aerodinamikai tulajdonságokat javító berendezés vagy felszerelés a megadott mértékben deformálódik-e az 1.6.1. pontban leírt módon a jármű hossztengelyével párhuzamosan rá irányulóerőhatások következtében. A másik lehetőség, hogy a berendezés behúzott vagy behajtott állapotba is kerülhet a rá kifejtett erő hatására. Az 1.6.2. pontban leírt követelmények teljesülését a törésteszt céljára kialakított megfelelő vizsgálati berendezéssel kell ellenőrizni. A vizsgálati erőnek az említett sík felületen való elosztására használt berendezést egy forgócsuklóval kell az erőt kifejtő szerkezethez csatlakoztatni. Alakbeli összeegyeztethetetlenség esetén a sík felületű berendezés helyett megfelelő adaptert is lehet használni.
1.5.1.1. Az erőt a jármű hossztengelyével párhuzamosan kell kifejteni egy legfeljebb 250 mm magas és 200 mm széles, a függőleges széleinél 5 ± 1 mm görbületi sugarú felületen vagy adapteren keresztül. A felületet tilos mereven az aerodinamikai tulajdonságokat javító berendezéshez vagy felszereléshez rögzíteni, és minden irányban elcsukló szerkezettel kell ellátni. Amennyiben a vizsgálatot az 1.1.1. pontban említett járművön hajtják végre, a felület vagy adapter alsó szélének magasságát a gyártónak kell megadnia, és ennek olyan területre kell esnie, amely az aerodinamikai tulajdonságokat javító berendezés vagy felszerelés legalsó széle és a felület vagy adapter felső szélének olyan pontja között található, amely a járműre szerelt állapotban legfeljebb 2,0 m magasan van a talajtól (lásd az 1. ábrát). Ezt a pontot a műszakilag megengedett legnagyobb össztömegű, terhelt járművet figyelembe véve kell megadni.
Amennyiben a vizsgálatot az 1.1.2. pontban leírtak szerint a járműtípus felépítményének valamelyik részén vagy az 1.1.3. pontban leírtak szerint merev falon hajtják végre, a felület vagy adapter középpontjának magasságát a gyártónak kell megadnia, és ennek olyan területre kell esnie, amely az aerodinamikai tulajdonságokat javító berendezés vagy felszerelés legalsó széle és egy olyan pont között található, amely a járműre szerelt állapotban, a műszakilag megengedett legnagyobb össztömegű, terhelt járművön legfeljebb 2,0 m magasan van a talajtól (lásd: 2. ábra).
A felület vagy adapter középpontjának pontos helyét az erőkifejtés területén a gyártónak kell megadnia. Ha az aerodinamikai tulajdonságokat javító berendezés vagy felszerelés merevségi foka az erőkifejtés területén eltérő (például merevítés, más anyagok használata vagy más anyagvastagság stb. következtében), a felület vagy adapter középpontjának pontos helyét a jármű hosszirányában kifejtett külső erőkkel szemben legnagyobb ellenállású területen kell kijelölni.
1. ábra
Az ellenőrző pont magassága

2. ábra
Példa a vizsgálati összeállításra

1.5.1.1.1. A jármű középvonalához, illetve a berendezés vagy felszerelés középvonalához képest szimmetrikusan elhelyezkedő két pontra egymás után legfeljebb 4 000 N ± 400 N erőt kell kifejteni vízszintes irányban az aerodinamikai tulajdonságokat javító berendezés vagy felszerelés leghátsó külső szélén, annak teljesen kinyitott vagy üzemi helyzetében (lásd: 3. ábra). Az erőhatások kifejtésének sorrendjét a gyártó határozhatja meg.
3. ábra
Az erőhatás kifejtése

1.6. Követelmények
1.6.1. Az aerodinamikai tulajdonságokat javító berendezést vagy felszerelést úgy kell felszerelni, hogy az 1.5.1.2. pontban meghatározott erőhatások kifejtése során a berendezés vagy felszerelés az erőkifejtés támadáspontjain mérve hosszirányban vízszintesen legfeljebb 200 mm-es kinyúlási hosszt eredményezve deformálódjon, húzódjon vagy hajtódjon be. Az így kapott kinyúlási hosszt fel kell jegyezni.
1.6.2. Az aerodinamikai tulajdonságokat javító berendezés vagy felszerelés nem veszélyeztetheti más járművek utasait hátulról történő ütközés esetén, és nem befolyásolhatja a hátsó aláfutásgátló működését.
J. szakasz
A vezetőfülke háromdimenziós burkolóvonala
1. Általános eljárás annak ellenőrzésére, hogy a gépjárművek megfelelnek-e a vezetőfülke háromdimenziós burkolóvonalára vonatkozó paramétereknek
1.1. A vezetőfülke értékelési zónájának függőleges határai
1.1.1. A járműnek a vezetőfülke pozíciójában mért legnagyobb Wc szélességét a gépjármű legelső tengelyének függőleges keresztirányú síkja előtti részen kell mérni. Az F. szakaszban felsorolt elemeket e mérés céljaira tilos figyelembe venni.
1.1.2. A gépjármű vezetőfülke-pozíciójának értékelési zónáját úgy kell figyelembe venni, hogy az megegyezik a Wc legnagyobb szélességgel. A zónát a gépjármű hosszirányú középsíkjával párhuzamos, egymástól Wc távolságban lévő hosszirányú függőleges síkokkal kell határolni.
1.1.3. Az Lt hosszirányú vízszintes távolságot a gépjármű vezetőfülke-pozíciójának a jármű terheletlen állapotában a talajtól legfeljebb 2 000 mm magasan lévő legelső pontjától kell mérni.
Az Lt távolságot jelen értékelés céljából 200 mm-re kell beállítani (lásd az 1. ábrát).
Az értékelési zóna hátoldalát egy függőleges keresztirányú síkkal kell határolni, amely merőleges a gépjármű hosszirányú középsíkjára, és a fent említett legelső ponttól Lt távolságra hátrafelé található.
1. ábra
Háromdimenziós burkolóvonal

1.1.4. Az 1.3.3.2. pontban leírtakhoz az értékelési zóna oldalát alkotó hátsó síknak a szögben elhelyezkedő két külső síkkal való metszésvonalait, a Tbal és Tjobb vonalat kell használni (lásd a 2. ábrát).
2. ábra
Háromdimenziós burkolóvonal

1.2. A vezetőfülke értékelési zónájának vízszintes határai
1.2.1. Az értékelési zónában a homlokfelület alsó határvonalát a jármű terheletlen állapotában a talaj szintjére, a homlokfelület felső határvonalát pedig a talajtól 2 000 mm magasra kell állítani.
1.3. A vezetőfülke értékelési zónájára vonatkozó különleges rendelkezések
1.3.1. E szakasz alkalmazásában az anyagtípustól függetlenül a gépjármű vezetőfülke-pozíciójának homlokfelületét kell figyelembe venni. Az F. szakaszban felsorolt elemeket azonban nem kell figyelembe venni.
1.3.2. A vezetőfülke elejének dőlésszöge
1.3.2.1. E szakasz alkalmazásában figyelembe kell venni a "dőlésszöget", amely a gépjármű homlokfelületének a függőlegestől hátrafelé való eltérése a vezetőfülke pozíciójában, ahol minden fentebb lévő pont hátrébb helyezkedik el az alatta lévő ponttól.
1.3.2.2. A dőlésszög értékelési zónájában a gépjármű vezetőfülke-pozíciójának az 1.1.3. pontban említett legelső pontját kell figyelembe venni.
Azt kell megállapítani, hogy a vezetőfülkének a jármű terheletlen állapotában legfeljebb 2 000 mm magasságban felvett legelső pontján áthaladó keresztirányú függőleges sík hol metszi az 1 000 mm magasságban elhelyezkedő vízszintes síkot. A vezetőfülke dőlésszögének az adott értékelési zónában való megállapításához ezt a metszésvonalat kell a burkolóvonal alapvonalának tekinteni.
1.3.2.3. A burkolóvonalnak az 1.3.2.2. pont második bekezdésében említett alapvonala körül a függőlegestől 3o-kal hátrafelé döntött síkot kell figyelembe venni (lásd a 3. ábrát).
3. ábra
Dőlésszög

1.3.2.4. A homlokfelület tényleges felületének a dőlésszög értékelési zónájában lévő egyetlen pontja sem eshet az 1.3.2.3. pontban említett, hátrafelé döntött sík elé, amikor a gépjármű vezetőfülke-pozíciójának legelső pontja érinti a függőleges keresztirányú síkot.
1.3.3. A vezetőfülke oldalainak keskenyedése
1.3.3.1. A gépjármű vezetőfülke-pozíciójának értékelési zónájában a homlokfelületnek úgy kell keskenyednie, hogy a megfelelő névleges felületek mind egy közös terület felé tartsanak, amely a vezetőfülke előtt, a gépjármű hosszirányú középsíkjában helyezkedik el.
1.3.3.2. A bal és a jobb oldalon egy-egy szimmetrikus függőleges síkot kell felvenni, amelyek mindegyike vízszintes irányban 20o-kal tér el a gépjármű hosszirányú középsíkjától, ami együtt 40o-ot ad ki. Ezek a síkok úgy helyezkednek el, hogy metszik az 1.1.4. pontban említett Tbal , illetve Tjobb vonalat is (értelemszerűen).
1.3.3.3. A homlokfelület tényleges felületének a bal és jobb oldali külső zónában lévő egyetlen pontja sem eshet az 1.3.3.2. pontban említett megfelelő függőleges síkon kívülre, amikor a gépjármű vezetőfülke-pozíciójának legelső pontja érinti az 1.3.2.4. pontban említett függőleges keresztirányú síkot.
2. Ha az e szakaszban leírt bármely feltétel nem teljesül, úgy kell tekinteni, hogy a gépjármű vezetőfülkéje nem felel meg a D. szakasz 1.4.1. pontjában említett háromdimenziós burkolóvonalra vonatkozó paramétereknek.
K. szakasz
A terepjárók kapaszkodóképessége
1. Általános követelmények
1.1. A járműnek az (EU) 2018/858 rendelet I. melléklete 1. függelékének 5. szakasza alapján történő, terepjáróként való besorolása érdekében e szakasz meghatározza a járművek kapaszkodóképességének ellenőrzésére alkalmazandó műszaki követelményeket.
1.2. A műszaki szolgálatnak meg kell vizsgálnia, hogy a teljes vagy befejezett járművet, illetve a félpótkocsi vontatóját az (EU) 2018/858 rendelet I. mellékletében foglalt követelmények alapján terepjáróként kell-e besorolni.
1.3. Nem teljes járművek esetében ezt a vizsgálatot csak a gyártó kérésére kell elvégezni.
2. Vizsgálati körülmények
2.1. A jármű állapota
2.1.1. A járművet a gyártó által ajánlott állapotba kell beállítani és az (EU) 2020/683 rendelet I. mellékletében említett felszerelésekkel kell ellátni.
2.1.2. A fékeket, a tengelykapcsolót (vagy ezzel egyenértékű berendezést), a motort és a sebességváltót a gyártó által a szokásos közúti használaton kívüli közlekedésre megadott ajánlásoknak megfelelően kell beállítani.
2.1.3. Terepen való használatra ajánlott gumiabroncsokat kell használni. Olyan gumiabroncsokat kell használni, melyek futófelület-mintázatának mélysége eléri az új gumiabroncsok mélységének legalább 90 %-át. A gumiabroncsnyomást a gumiabroncsgyártó által ajánlott értékre kell beállítani.
2.1.4. A járművet a műszakilag megengedett legnagyobb össztömegéig kell megterhelni olyan módon, hogy a teher eloszlása arányos legyen a tengelyekre jutó legnagyobb tömeg gyártó által megállapított eloszlásával.
Egy 7,5 tonna tömegű jármű esetében például, amelynél az elülső tengelyt legfeljebb 4, a hátsó tengelyt legfeljebb 6 tonna tömeg terhelheti, az elülső tengelyt 3 tonna (40 %), a hátsó tengelyt 4,5 tonna (60 %) tömeggel kell vizsgálni.
2.2. A próbapályára vonatkozó feltételek
2.2.1. A próbapálya felületének száraznak kell lennie, a felszínnek pedig aszfaltból vagy betonból kell készülnie.
2.2.2. Az emelkedőnek folyamatosan 25 %-osnak kell lenni, ettől 3 %-os eltérés megengedett (θ = 14 fok).
2.2.3. A gyártóval való megegyezés alapján a vizsgálatot 25 %-ot meghaladó emelkedőn is el lehet végezni. A vizsgálatot a vizsgálati feltételeknek megfelelően csökkentett legnagyobb tömegekkel kell elvégezni.
2.3. E feltételek leírását csatolni kell.
2.3.1. A próbapálya felületének megfelelő tapadási együtthatóval kell rendelkeznie.
A felület csúszásellenállási mutatóját a következő szabvány szerint kell mérni: CEN/TS 13036-2: 2010 Utak és repülőterek felületi jellemzői. Vizsgálati módszerek. 2. rész: Az útburkolat csúszásellenállóságának értékelése dinamikus mérési rendszerek használatával.
A csúszásellenállási mutató középértékét csatolni kell.
3. Vizsgálati eljárás
3.1. A járművet először vízszintes felületre kell állítani.
3.2. A hajtás módját terepen való használatra kell állítani. Olyan sebességfokozato(ka)t kell választani, amelyek állandó sebességet tesznek lehetővé.
3.3. Az (EU) 2018/858 rendelet I. melléklete 1. függelékének 5. és 6. szakaszában foglaltakat kell alkalmazni.
L. szakasz
A pneumatikus felfüggesztéssel egyenértékű felfüggesztésre vonatkozó feltételek
1. E szakasz meghatározza azokat a műszaki feltételeket, melyek alapján a jármű hajtott tengelyének/tengelyeinek felfüggesztése a pneumatikus felfüggesztéssel egyenértékűnek minősül.
2. Egy felfüggesztési rendszer akkor tekinthető a pneumatikus felfüggesztéssel egyenértékűnek, ha megfelel az alábbi feltételeknek:
A rugózott tömeg hajtott tengely vagy tengelycsoport feletti rövid idejű, kis frekvenciájú, függőleges irányú szabadlengése során a mért frekvencia és csillapítás a felfüggesztés legnagyobb terhelésénél nem lépheti túl a 2.3-2.6. pontban meghatározott határértékeket.
2.1. Minden tengelyt hidraulikus lengéscsillapítóval kell felszerelni. Tengelycsoport esetében a hidraulikus lengéscsillapítókat úgy kell elhelyezni, hogy a tengelycsoport lengése a lehető legkisebb legyen.
2.2. A Dm átlagos csillapítási aránynak szokásos feltételek mellett, felszerelt és működő hidraulikus lengéscsillapítókkal meg kell haladnia a rugózás kritikus csillapításának 20 %-át.
2.3. Hidraulikus lengéscsillapító nélkül, illetve nem működő lengéscsillapítóval a rugózás Dr csillapítási aránya nem lehet nagyobb, mint a Dm 50 %-a.
2.4. A rugózott tömeg frekvenciája a hajtott tengely vagy tengelycsoport feletti rövid ideig tartó, függőleges irányú szabadlengés során nem lehet nagyobb 2,0 Hz-nél.
2.5. A frekvencia és a csillapítás értékeinek mérésére szolgáló vizsgálati eljárást a 3. pont írja le.
3. Vizsgálati eljárás
3.1. Frekvencia és csillapítás
3.1.1. A rugózott tömeg szabadlengését a következő egyenlettel lehet megadni:

ahol:
"M"a rugózott tömeg (kg);
"Z"a rugózott tömeg függőleges elmozdulása (m);
"C"a teljes csillapítási együttható (N.s/m);
"K"az út felülete és a rugózott tömeg közötti teljes függőleges rugómerevség (N/m).
3.1.2. A rugózott tömeg lengésének "F" (Hz) frekvenciája a következő egyenlettel határozható meg:

3.1.3. A csillapítás kritikus, ha C = Co
ahol:

A csillapítási arány a csillapítási együttható és a kritikus csillapítási együttható hányadosa (C/Co).
3.1.4. A rugózott tömeg rövid idejű, függőleges szabadlengésének kitérése a 2. ábrán bemutatott csillapított szinuszgörbe alakú. A frekvencia az összes megfigyelhető lengési ciklus lejátszódásához szükséges idő méréséből adható meg. A csillapítás az egymást követő, azonos irányú amplitúdók méréséből határozható meg.
3.1.5. Ha az első és a második lengési ciklus amplitúdója A1 és A2, akkor a D csillapítási arány a következő egyenlettel határozható meg:

ahol "ln" az amplitúdóarány természetes logaritmusa.
3.2. Vizsgálati eljárás
Ahhoz, hogy a vizsgálat során meg lehessen határozni a Dm csillapítási arányt, a hidraulikus lengéscsillapító nélküli Dr csillapítási arányt, valamint a rugózás F frekvenciáját, a terhelt járművet a következő vizsgálati feltételek valamelyikének kell kitenni:
a) a járművet alacsony sebességgel (5 ± 1 km/h) át kell vezetni egy, az 1. ábra szerinti profilú, 80 mm magasságú küszöbön. A frekvencia és a csillapítás meghatározásához azt a rövid idejű lengést kell vizsgálni, amely akkor keletkezik, miután a hajtott tengely kerekei lehajtottak a küszöbről;
b) a járművet az alvázánál fogva le kell húzni úgy, hogy a hajtott tengelyre jutó terhelés a legnagyobb statikus érték másfélszeresét tegye ki. Ezután a járműre ható húzóerőt hirtelen meg kell szüntetni, és az ekkor kialakuló lengést kell vizsgálni;
c) a járművet az alvázánál fogva fel kell emelni annyira, hogy a rugózott tömeg 80 mm-rel a hajtott tengely fölé emelkedjen. Ezután a járműre ható emelőerőt hirtelen meg kell szüntetni, és az ekkor kialakuló lengést kell vizsgálni;
d) a terhelt járművet egyéb vizsgálati eljárásoknak is alá lehet vetni, amennyiben a gyártó a műszaki szolgálat számára igazolni tudja, hogy ezek az eljárások a fentiekkel egyenértékűek.
3. 3 A jármű vizsgálóberendezései és a terhelési állapotok
3.3.1. A jármű hajtott tengelye és alváza közé, közvetlenül a tengely fölé a függőleges elmozdulást érzékelő berendezést kell felszerelni. Az első és a második összenyomás irányú amplitúdó közti időintervallum alapján kell meghatározni a csillapítást.
Hajtott ikertengelyek esetében mindegyik hajtott tengely és az alváz közé, közvetlenül a hajtott tengelyek fölé kell a függőleges elmozdulást érzékelő berendezéseket elhelyezni.
3.3.2. A gumiabroncsokat a gyártó által ajánlott megfelelő nyomásra kell felfújni.
3.3.3. A felfüggesztés egyenértékűségének vizsgálatakor a tengelyt vagy tengelycsoportot a műszakilag megengedett legnagyobb tömeggel kell terhelni; kisebb tengelyterhelésnél a felfüggesztés egyenértékűsége feltételezhető.
1. ábra
Küszöb a felfüggesztés vizsgálatához

2. ábra
Rövid idejű, csillapított szabadlengés

M. szakasz
A felemelhető vagy terhelhető tengely(ek) járművekbe való beépítésére vonatkozó műszaki előírások
1. Ha a jármű egy vagy több felemelhető vagy terhelhető tengellyel van felszerelve, biztosítani kell, hogy rendes menetállapotban a szimpla tengelyekre vagy a tengelycsoportokra jutó, a nyilvántartásba vételhez/forgalomba helyezéshez megengedett legnagyobb tömeget ne haladják meg. E célból a felemelhető vagy terhelhető tengelyt le kell engedni a talajra, vagy automatikusan terhelődnie kell, ha a csoport legközelebbi tengelye(i) vagy a gépjármű elülső tengelye(i) a nyilvántartásba vételhez / forgalomba helyezéshez megengedett legnagyobb tömegig van(nak) terhelve.
A felemelhető tengely felemelt állapotában biztosítani kell azt is, hogy az elülső kormányzott tengely(ek)re jutó tömeg továbbra is elegendő legyen a jármű minden körülmények közötti biztonságos irányításának biztosításához. Ennek érdekében a járműgyártónak meg kell határoznia a nem teljes járművek esetében a kormányzott tengely(ek)re jutó legkisebb tömeget.
2. A járműre felszerelt tengelyemelő berendezéseket, valamint az üzemeltetésükhöz szükséges rendszereket olyan módon kell kialakítani és beépíteni, hogy védve legyenek a szakszerűtlen használattól és a szakszerűtlen beavatkozásoktól.
3. A járművek síkos úton történő elindulásával és a manőverezhetőségük javításával kapcsolatos követelmények
3.1. Az 1. pont követelményeitől eltérve a járművek vagy járműszerelvények síkos úton történő indulásának megkönnyítése, a megfelelő gumiabroncs-tapadás növelése, illetve a manőverezhetőség javítása érdekében a tengelyemelő berendezés a gépjármű hajtott tengelyére jutó tömeg növelése vagy csökkentése céljából működésbe hozhatja a gépjármű vagy félpótkocsi felemelhető vagy terhelhető tengelyét/tengelyeit. Ilyenkor a következő feltételeknek kell teljesülniük:
a) a jármű egyes tengelyeire jutó tengelyterhelésnek megfelelő tömeg legfeljebb 30 %-kal lehet nagyobb, mint a tagállamban érvényes, az adott tengelyre jutó megengedett legnagyobb tömeg, amennyiben ezáltal nem lépi túl a gyártó által erre a különleges esetre megállapított értéket;
b) az első tengely(ek)en megmaradó tengelyterhelésnek megfelelő tömegnek nagyobbnak kell maradnia, mint nulla (ez azt jelenti, hogy hátulra hosszan kinyúló, terhelhető hátsó tengellyel felszerelt járművek nem billenhetnek hátra);
c) a felemelhető, illetve terhelhető tengely(eke)t csak egyedi vezérlőberendezéssel szabad működtetni;
d) a jármű indulása után a tengely(eke)t automatikusan ismét le kell süllyeszteni vagy meg kell terhelni, mielőtt a jármű eléri a 30 km/h sebességet.
3. RÉSZ
A. szakasz
EU-TÍPUSBIZONYÍTVÁNY (JÁRMŰRENDSZER)
Értesítés egy járműtípus típusjóváhagyásának megadásáról / kiterjesztéséről / elutasításáról / visszavonásáról ( 34 ) a tömegei és méretei tekintetében, a legutóbb az (EU) .../... rendelettel módosított (EU) 2021/535 rendelet XIII. mellékletében meghatározott követelményekkel összhangban
Az EU-típusbizonyítvány száma:
A kiterjesztés / elutasítás / visszavonás (34) oka:
I. SZAKASZ
(Az (EU) 2020/683 bizottsági végrehajtási rendelet III. mellékletében található B. minta I. szakaszának megfelelően kell kitölteni.)
II. SZAKASZ
(Az (EU) 2020/683 bizottsági végrehajtási rendelet III. mellékletében található B. minta II. szakaszának megfelelően kell kitölteni.)
Kiegészítés
a(z) ... számú EU-típusbizonyítványhoz
1. Kiegészítő információk
1.1. A járműre az (EU) 2021/535 rendelet 6. cikkének (3) vagy (4) bekezdése alapján adtak típusjóváhagyást (vagyis a jármű legkülső méretei meghaladják a XIII. melléklet 2. része B., C., D. vagy E. szakaszának 1.1. pontjában említett legnagyobb méreteket): igen/nem (7)
1.2. A járműre a 96/53/EK irányelv 8b. cikke alapján adtak típusjóváhagyást (azaz aerodinamikai tulajdonságokat javító berendezés vagy felszerelés van felszerelve a jármű hátuljára): igen/nem (7)
1.3. A járműre a 96/53/EK irányelv 9a. cikke alapján adtak típusjóváhagyást (azaz a meghosszabbított vezetőfülke vagy a vezetőfülke aerodinamikai tulajdonságokat javító berendezéssel vagy felszereléssel van felszerelve): igen/nem (7)
1.4. A járműre a 96/53/EK irányelv 10b. cikke alapján adtak típusjóváhagyást:
1.4.1. Többlettömeg alternatív üzemanyagot használó járművek esetében: van/nincs (7)
1.4.2. Többlettömeg kibocsátásmentes járművek esetében: van/nincs (7)
2. A jármű pneumatikus felfüggesztéssel van ellátva: igen/nem (7)
3. A jármű a pneumatikus felfüggesztéssel egyenértékűnek minősített felfüggesztéssel van ellátva: igen/nem (7)
4. A jármű megfelel a terepjárókra vonatkozó követelményeknek: igen/nem (7)
5. Megjegyzések:
B. szakasz
EU-TÍPUSBIZONYÍTVÁNY (ÖNÁLLÓ MŰSZAKI EGYSÉG)
Értesítés egy aerodinamikai tulajdonságokat javító berendezés vagy felszerelés önálló műszaki egységként történő típusjóváhagyásának megadásáról / kiterjesztéséről / elutasításáról / visszavonásáról ( 35 ), a legutóbb az (EU) .../... rendelettel módosított (EU) 2021/535 rendelet XIII. mellékletében meghatározott követelményekkel összhangban
Az EU-típusbizonyítvány száma:
A kiterjesztés / elutasítás / visszavonás (35) oka:
I. SZAKASZ
(Az (EU) 2020/683 bizottsági végrehajtási rendelet III. mellékletében található C. minta I. szakaszának megfelelően kell kitölteni.)
II. SZAKASZ
(Az (EU) 2020/683 bizottsági végrehajtási rendelet III. mellékletében található C. minta II. szakaszának megfelelően kell kitölteni.)
Kiegészítés
a(z) ... számú EU-típusbizonyítványhoz
1. Az önálló műszaki egység típusának rövid leírása:
2. Az aerodinamikai tulajdonságokat javító berendezés vagy felszerelés részletes leírása:
2.1. Önálló elemek száma:
2.2. A kialakítás és az anyagok ismertetése:
2.3. A rögzítő- és beállítórendszer ismertetése:
2.4. A járműre való felszerelés ismertetése:
2.5. Önálló műszaki egység: féluniverzális/járműspecifikus (8)
3. Azon konkrét járműtípusok felsorolása, amelyekhez az önálló műszaki egységet jóváhagyták (ha vannak ilyenek):
4. A féluniverzális aerodinamikai tulajdonságokat javító berendezés vagy felszerelés felszerelési területére vonatkozó egyedi előírások részletes ismertetése (ha vannak ilyenek):
5. Megjegyzések:
6. A típusjóváhagyási jel és helye:
C. szakasz
AZ AERODINAMIKAI TULAJDONSÁGOKAT JAVÍTÓ BERENDEZÉSEK VAGY FELSZERELÉSEK ÖNÁLLÓ MŰSZAKI EGYSÉGKÉNT TÖRTÉNŐ EU-TÍPUSJÓVÁHAGYÁSÁNAK JELE
1. Az önálló műszaki egységek EU-típusjóváhagyási jele az alábbiakból áll:
1.1. egy téglalap, benne a nyomtatott kis "e" betű, amelyet azon tagállam megkülönböztető száma követ, amely az önálló műszaki egység EU-típusjóváhagyását megadta, az alábbiak szerint:
1 | Németország |
2 | Franciaország |
3 | Olaszország |
4 | Hollandia |
5 | Svédország |
6 | Belgium |
7 | Magyarország |
8 | Cseh Köztársaság |
9 | Spanyolország |
12 | Ausztria |
13 | Luxemburg |
17 | Finnország |
18 | Dánia |
19 | Románia |
20 | Lengyelország |
21 | Portugália |
23 | Görögország |
24 | Írország |
25 | Horvátország |
26 | Szlovénia |
27 | Szlovákia |
29 | Észtország |
32 | Lettország |
34 | Bulgária |
36 | Litvánia |
49 | Ciprus |
50 | Málta |
1.2. a téglalap közelében a típusjóváhagyási szám 4. szakaszában foglalt "alapjóváhagyási szám", amelyet az e rendelethez vagy e rendeletet lényeges műszaki tartalommal legutóbb módosító módosításhoz rendelt sorszám két számjegye előz meg. A sorszám jelenleg a "00";
1.3. a vezetőfülkét aerodinamikai tulajdonságokat javító berendezés vagy felszerelés esetében a sorszám előtt a "MEGFELEL A 96/53/EK IRÁNYELV 9A. CIKKÉNEK" jelölésnek kell állnia;
1.4. ha az aerodinamikai tulajdonságokat javító berendezést vagy felszerelést a jármű hátuljára kell felszerelni, a sorszám előtt a "MEGFELEL A 96/53/EK IRÁNYELV 8B. CIKKÉNEK" jelölésnek kell állnia.
2. Az önálló műszaki egység EU-típusjóváhagyási jelét eltávolíthatatlanul kell elhelyezni az aerodinamikai tulajdonságokat javító berendezés vagy felszerelés valamely fő elemén úgy, hogy akkor is könnyen és jól olvasható legyen, amikor a berendezés vagy felszerelés fel van szerelve a járműre.
3. Az 1. ábra az önálló műszaki egységek EU-típusjóváhagyási jelét szemlélteti.
1. ábra
Példa az önálló műszaki egységek EU-típusjóváhagyási jelére

Magyarázó megjegyzés
Ezt az önálló műszaki egységre vonatkozó EU-típusjóváhagyási jelet Románia adta ki 00046-os sorszámmal egy aerodinamikai tulajdonságokat javító berendezésre vagy felszerelésre, amelyet a jármű hátuljára kell felszerelni (a 96/53/EK irányelv 8b. cikke alapján). Az első két számjegy (00) azt jelzi, hogy az önálló műszaki egységet e rendelettel összhangban hagyták jóvá.
XIV. MELLÉKLET
A HIDROGÉNRENDSZER ANYAGÁNAK KOMPATIBILITÁSA ÉS A HIDROGÉNRENDSZER TÖLTŐCSONKJA
1. RÉSZ
A. szakasz
Adatközlő lap a járműveknek a hidrogénrendszerük tekintetében történő EU-típusjóváhagyásához
MINTA
... számú adatközlő lap a járműveknek a hidrogénrendszerük tekintetében történő EU-típusjóváhagyásához
Az alábbi adatokat három példányban, tartalomjegyzékkel együtt kell benyújtani. A rajzokat vagy ábrákat megfelelő méretarányban és kellő részletességgel, A4-es formátumban vagy A4-es formátumra összehajtva kell benyújtani. A fényképeknek - amennyiben vannak - kellően részletesnek kell lenniük.
0.
0.1.
0.2.
0.2.1.
0.3.
0.3.1.
0.4.
0.5.
0.8.
0.9.
3.9.
3.9.1.
3.9.1.1.
3.9.1.2.
3.9.1.3.
3.9.1.11.
3.9.1.11.1.
3.9.1.11.2.
3.9.1.17.
3.9.1.17.1.
3.9.1.17.2.
3.9.2.6. Magyarázó megjegyzés:
Ez az adatközlő lap az (EU) 2020/683 bizottsági végrehajtási rendelet I. mellékletében meghatározott mintán alapul, és a fent felsorolt pontokat az említett mintának megfelelően kell kitölteni a vonatkozó információkkal.
B. szakasz
Adatközlő lap a hidrogénrendszer-alkotóelemek EU-típusjóváhagyásához
MINTA
... számú adatközlő lap hidrogénrendszer-alkotóelem EU-típusjóváhagyásához
Az alábbi adatokat három példányban, tartalomjegyzékkel együtt kell benyújtani. A rajzokat vagy ábrákat megfelelő méretarányban és kellő részletességgel, A4-es formátumban vagy A4-es formátumra összehajtva kell benyújtani. A fényképeknek - amennyiben vannak - kellően részletesnek kell lenniük.
0.
0.1.
0.2.
0.2.1.
0.5.
0.8.
0.9.
3.9.
3.9.1.
3.9.1.1.
3.9.1.2.
3.9.1.3.
3.9.1.4.
3.9.1.4.1.
3.9.1.4.2.
3.9.1.4.3.
3.9.1.4.4.
3.9.1.4.5.
3.9.1.4.6.
3.9.1.4.7.
3.9.1.4.8.
3.9.1.4.9.
3.9.1.4.10.
3.9.1.5.
3.9.1.5.1.
3.9.1.5.2.
3.9.1.5.3.
3.9.1.5.4.
3.9.1.5.5.
3.9.1.5.6.
3.9.1.5.7.
3.9.1.5.8.
3.9.1.5.9.
3.9.1.5.10.
3.9.1.6.
3.9.1.6.1.
3.9.1.6.2.
3.9.1.6.3.
3.9.1.6.4.
3.9.1.6.5.
3.9.1.6.6.
3.9.1.6.7.
3.9.1.6.8.
3.9.1.6.9.
3.9.1.6.10.
3.9.1.6.11.
3.9.1.15.
3.9.1.15.1.
3.9.1.15.2.
3.9.1.15.3.
3.9.1.15.4.
3.9.1.15.5.
3.9.1.15.6.
3.9.1.15.7.
3.9.1.15.8.
3.9.1.15.9.
3.9.1.15.10.
3.9.1.15.11. Magyarázó megjegyzés:
Ez az adatközlő lap az (EU) 2020/683 végrehajtási rendelet I. mellékletében meghatározott mintán alapul, és a fent felsorolt pontokat az említett mintának megfelelően kell kitölteni a vonatkozó információkkal.
2. RÉSZ
A. szakasz
1. E melléklet alkalmazásában:
1.1. "hasadótárcsa": a nyomáscsökkentő berendezés azon nem visszazáródó része, amely úgy van kialakítva, hogy a berendezésbe beépítve előre meghatározott nyomáson átszakadjon, ezzel lehetővé téve, hogy a sűrített hidrogén távozhasson;
1.2. "visszacsapószelep": olyan egyirányú szelep, amely megakadályozza a visszaáramlást a jármű üzemanyag-vezetékében;
1.3. "sűrítetthidrogén-tároló rendszer" (CHSS): olyan rendszer, amelyet hidrogénüzemű jármű hidrogén üzemanyagának tárolására terveztek, és amely egy nyomás alatt álló tartályból, nyomáscsökkentő berendezésekből, valamint olyan elzárószerkezet(ek)ből áll, amely(ek) a tárolt hidrogént elkülöníti(k) az üzemanyagrendszer többi részétől és annak környezetétől;
1.4. "(hidrogéntároló) tartály": a hidrogéntároló rendszer azon alkotóeleme, amely a hidrogén üzemanyag fő volumenét tárolja;
1.5. "az üzemből való kivonás időpontja": az üzemből való kivonásra meghatározott időpont (hónap és év);
1.6. "a gyártás időpontja" (sűrítetthidrogén-tartály esetében): a gyártás során elvégzett próbanyomás-vizsgálat dátuma (hónap és év);
1.7. "zárt vagy félig zárt terek": a járművön (vagy a járműnek a nyílásait is magában foglaló körvonalán) belüli olyan különleges terek, amelyek a hidrogénrendszeren (a tárolórendszeren, az üzemanyagcella-rendszeren és az üzemanyagáramlás-kezelő rendszeren) és annak házán (ha van ilyen) kívül találhatók, és ahol a hidrogén felhalmozódhat (és ezáltal veszélyt jelenthet), mivel ez az utastérben, a csomagtérben és a motorháztető alatt is bekövetkezhet;
1.8. "gázkibocsátási pont": annak a területnek a mértani középpontja, ahol az üzemanyagcella öblítőgáza távozik a járműből;
1.9. "üzemanyagcella-rendszer": az üzemanyagcella-sor(oka)t, a levegőfeldolgozó rendszert, az üzemanyagáramlás-szabályozó rendszert, a kipufogórendszert, a hőkezelő rendszert és a vízkezelő rendszert magában foglaló rendszer;
1.10. "töltőcsonk": az a berendezés, amelyhez az üzemanyagtöltő állomás töltőfeje csatlakozik a járművön, és amelyen keresztül az üzemanyag átkerül a járműbe. A töltőcsonkot a töltőnyílás alternatívájaként használják;
1.11. "hidrogénkoncentráció": a hidrogénnek a hidrogén és a levegő keverékén belüli mólszázaléka (vagy molekulaszázaléka) (egyenértékű a hidrogéngáz térfogatának részarányával);
1.12. "hidrogénüzemű jármű": minden olyan gépjármű, amely hidrogént használ a jármű meghajtására, ideértve az üzemanyagcellával és a belső égésű motorral felszerelt járműveket is. A személyszállító gépjárművekhez használt hidrogén üzemanyagot az ISO 14687-2:2012 és a SAE J2719 (2011. szeptemberi felülvizsgálat) szabvány határozza meg;
1.13. "csomagtér": a járműben a csomagok és/vagy áruk elhelyezésére kialakított tér, amelyet a tető, a csomagtérfedél, a padló és az oldalfalak határolnak, az utastértől pedig az elülső és a hátsó válaszfal választ el;
1.14. "a cseppfolyósított hidrogén tárolására szolgáló rendszer" (LHSS): a cseppfolyósított hidrogén tárolására szolgáló tartály(ok), nyomáscsökkentő berendezések, elzáróberendezés, párologtató rendszer, valamint a fenti alkotóelemek közötti (esetleges) összekötő csővezetékek és szerelvények;
1.15. "gyártó": az a személy vagy szervezet, aki, illetve amely a jóváhagyó hatóság felé a típusjóváhagyási eljárás valamennyi szempontjának teljesüléséért és a gyártásmegfelelőség biztosításáért felel. E személynek vagy szervezetnek nem kell feltétlenül közvetlenül közreműködnie a jóváhagyási eljárás tárgyát képező jármű, rendszer vagy alkotóelem gyártásának valamennyi szakaszában;
1.16. "megengedett legnagyobb üzemi nyomás" (MAWP): az a legnagyobb nyomás, amelyen a nyomástartó tartály vagy a tárolórendszer normál üzemi körülmények között működhet;
1.17. "névleges üzemi nyomás" (NWP): a rendszer tipikus működése közben jellemző nyomás. Sűrítetthidrogén-tartályok esetében a névleges üzemi nyomás a teljesen feltöltött tartályban vagy tárolórendszerben a sűrített gáz 15 °C-os egyenletes hőmérsékleten kialakuló állandósult nyomását jelenti;
1.18. "legnagyobb üzemanyag-feltöltési nyomás" (MFP): a nyomástartó rendszerre az üzemanyag-feltöltés során kifejtett legnagyobb nyomás. A legnagyobb üzemanyag-feltöltési nyomás a névleges üzemi nyomás 125 %-ának felel meg;
1.19. "nyomáscsökkentő berendezés" (PRD): olyan berendezés, amely - meghatározott működési feltételek mellett üzemeltetve - a hidrogénnek a nyomás alatt lévő rendszerből történő kieresztésére és ezáltal a rendszer meghibásodásának megakadályozására szolgál;
1.20. "szétrepedés" vagy "hasadás": a belső nyomás hatására hirtelen és hevesen bekövetkező szétszakadás vagy darabokra történő szétesés;
1.21. "biztonsági szelep": olyan nyomáscsökkentő berendezés, amely előre beállított nyomásértéken kinyílik, és képes újra bezáródni;
1.22. "elzárószelep": a tárolótartály és a jármű üzemanyagrendszere közötti, automatikusan aktiválható szelep, amely - ha nincs áramforráshoz kapcsolva - alapértelmezés szerint "zárt" állásban van;
1.23. "egyedi meghibásodás": egyetlen esemény által okozott meghibásodás, beleértve az ebből a meghibásodásból eredő meghibásodásokat is;
1.24. "hővezérlésű nyomáscsökkentő berendezés" (TPRD): olyan, nem visszazáródó nyomáscsökkentő berendezés, amely a hőmérséklet hatására működésbe lépve kinyílik és kiereszti a hidrogéngázt;
1.25. "jármű-üzemanyagrendszer": az alkotóelemek olyan összessége, amely arra szolgál, hogy egy üzemanyagcella (FC) vagy belső égésű motor (ICE) számára hidrogén üzemanyagot tároljon vagy szállítson.
B. szakasz
A cseppfolyósított hidrogén tárolására szolgáló rendszerek típusjóváhagyására vonatkozó műszaki előírások
1. A cseppfolyósított hidrogén tárolására szolgáló rendszerekre vonatkozó követelmények
1.1. Általános követelmények
1.1.1. Ez a szakasz a cseppfolyósított hidrogén tárolására szolgáló rendszerekre vonatkozó követelményeket határozza meg. A tényleges rendszerek a funkcionális rendszerelemek típusa, száma, konfigurációja és elrendezése tekintetében eltérhetnek egymástól. A cseppfolyósított hidrogén tárolására szolgáló rendszer határait azok a határfelületek alkotják, amelyek alkalmasak a tárolt cseppfolyósított (és/vagy gáz-halmazállapotú) hidrogénnek az üzemanyagrendszer többi részétől és a környezettől való elkülönítésére. Az e rendeletben előírt követelmények az ezeken a határokon belül elhelyezkedő valamennyi alkotóelemre vonatkoznak. Az 1. ábra a cseppfolyósított hidrogén tárolására szolgáló rendszerek egy tipikus konfigurációját mutatja be, amely hidrogéntároló tartályból, háromféle záróberendezésből és azok szerelvényeiből áll. A záróberendezéseknek magukban kell foglalniuk a következő funkciókat, amelyek kombinálhatók:
a) automatikus elzáróberendezés;
b) párologtató rendszer; valamint
c) nyomáscsökkentő berendezés.
1. ábra
A cseppfolyósított hidrogén tárolására szolgáló rendszerek jellemző konfigurációja

1.2. Teljesítménykövetelmények
A cseppfolyósított hidrogén tárolására szolgáló rendszernek meg kell felelnie az e pontban meghatározott teljesítményvizsgálati követelményeknek. A gyártónak meg kell határoznia a megengedett legnagyobb üzemi nyomást. Az e teljesítménykövetelményeken belüli vizsgálati elemek megegyeznek az 1.2.1-1.2.4. pontban megadottakkal.
1.2.1. A kiindulási mérőszámok ellenőrzése
1.2.1.1. Próbanyomás:
a rendszert a 2.1.1. ponttal összhangban nyomás alá kell helyezni legalább 1,3 (MAWP ± 0,1 MPa) pvizsgálat eléréséig, eközben nem jelentkezhet látható alakváltozás, a tartály nyomásának romlása vagy észlelhető szivárgás.
1.2.1.2. A kiinduló kezdeti hasadási nyomás
1.2.1.3. A hasadási vizsgálatot a 2.1.2. pontban leírt vizsgálati eljárás szerint kell elvégezni a belső tartály egy olyan mintáján, amely nincs beépítve a külső köpenyébe, és nincs szigetelve.
1.2.1.4. A hasadási nyomás nem lehet kevesebb, mint a mechanikai számításokhoz használt hasadási nyomás. Az acéltartályok esetében ez a következők valamelyike:
a) a megengedett legnagyobb üzemi nyomás (MAWP) (MPa-ban), plusz 0,1 MPa megszorozva 3,25-tel; vagy
b) a megengedett legnagyobb üzemi nyomás (MAWP) (MPa-ban) plusz 0,1 MPa szorozva 1,5-tel és szorozva Rm/Rp-vel, ahol Rm a tartály anyagának legkisebb szakítószilárdsága és Rp (a minimális folyáshatár) értéke 1,0 ausztenites acélok esetében és 0,2 más acélok esetében.
1.2.1.5. A ciklikus nyomásnövelés melletti kiindulási élettartam-vizsgálat
1.2.1.5.1. Fémtartályok és/vagy fém vákuumköpenyek használata esetén a gyártónak vagy számítást kell benyújtania annak igazolására, hogy a tartályt a hatályos regionális jogszabályok vagy az elfogadott szabványok (pl. az Egyesült Államokban az ASME Boiler and Pressure Vessel Code, vagyis a vízmelegítőkre és nyomástartó edényekre vonatkozó ASME-szabvány, Európában az EN 1251-1 és az EN 1251-2 szabvány, minden más országban pedig a fémből készült nyomástartó tartályok tervezésére vonatkozó előírás) alapján tervezték, vagy olyan megfelelő vizsgálatokat kell meghatároznia és elvégeznie (beleértve a 2.1.3. pont szerinti vizsgálatot is), amelyek bizonyítják, hogy a tartály biztonsági szintje megegyezik az elfogadott szabványok szerinti számítás alapján tervezett tartályokéval.
1.2.1.5.2. A nem fémből készült tartályok és/vagy vákuumköpenyek esetében a 2.1.3. pont szerinti vizsgálat mellett a gyártónak megfelelő vizsgálatokat is el kell végeznie annak bizonyítására, hogy a tartály biztonsági szintje megegyezik a fémtartályokéval.
1.2.2. Az elvárt közúti teljesítmény ellenőrzése
1.2.2.1. Párolgás
1.2.2.1.1. A párolgási vizsgálatot az összes alkotóelemmel felszerelt, cseppfolyósított hidrogén tárolására szolgáló rendszeren kell elvégezni. A vizsgálatot folyékony hidrogénnel feltöltött rendszeren kell elvégezni a 2.2.1. pont szerinti vizsgálati eljárás szerint, és igazolni kell, hogy a párologtató rendszer a belső tároló tartályban lévő nyomást a megengedett legnagyobb üzemi nyomás alatt tartja.
1.2.2.2. Szivárgás
1.2.2.2.1. A 2.2.1. pont szerinti párolgási vizsgálat után a rendszert párolgási nyomáson kell tartani, és a 2.2.2. pont szerinti vizsgálati eljárással meg kell mérni a szivárgás miatti teljes kibocsátási arányt. A hidrogéntároló rendszer legnagyobb megengedett kibocsátása: R*150 Nml/perc, ahol R = (Jszélesség+1)*(Jmagasság+0,5)*(Jhosszúság+1)/30,4 és Jszélesség a jármű szélessége, Jmagasság a jármű magassága, illetve Jhosszúság a jármű hossza (méterben).
1.2.2.3. A vákuum megszűnése
1.2.2.3.1. A vákuum megszűnésére vonatkozó vizsgálatot a fenti 1. ábrán bemutatott összes alkotóelemmel felszerelt, cseppfolyósított hidrogén tárolására szolgáló rendszeren kell elvégezni. A vizsgálatot folyékony hidrogénnel feltöltött rendszeren kell elvégezni a 2.2.3. pontban leírt vizsgálati eljárás szerint, és igazolni kell, hogy mind az elsődleges, mind a másodlagos nyomáscsökkentő berendezések a 2.2.3. pontban meghatározott értékekre tudják korlátozni a nyomást a vákuumnyomás megszűnése esetén.
1.2.3. A működésleállítás feltételeinek ellenőrzése
1.2.3.1. Tűzvizsgálat
1.2.3.1.1. A nyomáscsökkentő berendezések működését és a szétrepedés elkerülését a következő működésleállítási feltételek között a 2.3. pontban előírt vizsgálati eljárásoknak megfelelően kell igazolni.
1.2.3.1.2. A hidrogéntároló rendszert félig fel kell tölteni folyadékkal, és tűznek kell kitenni a 2.3. pontban leírt vizsgálati eljárásnak megfelelően. A nyomáscsökkentő berendezésnek szétrepedés nélkül, kontrollált módon kell kieresztenie a tárolt gázokat.
1.2.3.1.3. Acéltartályok esetében a vizsgálat akkor tekinthető teljesítettnek, ha a nyomáscsökkentő berendezések nyomáshatárértékeire vonatkozó, a 2.3. pontban leírt követelmények teljesülnek. Más anyagból készült tartály esetében a fentivel egyenértékű biztonsági szintet kell igazolni.
1.2.3.2. A nyomáscsökkentő berendezésre és az elzáróberendezésre vonatkozó követelmények
1.2.3.2.1. Az 1. ábrán bemutatott nyomáscsökkentő berendezésnek és elzáróberendezésnek az alábbi követelmények valamelyikének kell megfelelnie:
a) a berendezések típusjóváhagyását e szakasz 1. pontja szerint kell elvégezni, és a berendezéseket a jóváhagyott típusnak megfelelően kell gyártani; vagy
b) a cseppfolyósított hidrogén tárolására szolgáló rendszer gyártójának biztosítania kell, hogy a berendezések megfeleljenek az e szakasz 1. pontjában meghatározott követelményeknek.
1.2.4. Címkézés
Minden tartályra címkét kell tartósan felerősíteni, amelyen legalább a következő információkat fel kell tüntetni: a gyártó neve, sorszám, a gyártás időpontja, a megengedett legnagyobb üzemi nyomás (MAWP), az üzemanyag típusa (gáz-halmazállapotú hidrogén esetében "CHG", folyékony hidrogén esetében "LH2").
2. A cseppfolyósított hidrogén tárolására szolgáló rendszerekre vonatkozó vizsgálati eljárások
2.1. A kiindulási mérőszámok ellenőrzésére szolgáló vizsgálatok
2.1.1. Próbanyomás-vizsgálat
2.1.1.1. A belső tartálynak, valamint a belső tartály és a külső köpeny között elhelyezkedő csőrendszernek el kell viselnie a szobahőmérsékleten végzett belső nyomáspróbát, az alábbi követelmények szerint.
2.1.1.2. A pvizsgálat vizsgálati nyomást a gyártó határozza meg, és annak meg kell felelnie a következő követelményeknek:
pvizsgálat ≥ 1,3 (MAWP ± 0,1 MPa)
a) fémtartályok esetében a pvizsgálat vagy nem lehet kisebb, mint a belső tartály legnagyobb nyomása hibakezelés közben (a 2.2.3. pontban meghatározottak szerint), vagy a gyártónak számítással kell bizonyítania, hogy a belső tartály legnagyobb nyomásánál hibakezelés közben nem fordul elő folyás; valamint
b) nem fémből készült tartályok esetében a pvizsgálat nem lehet kisebb, mint a belső tartály legnagyobb nyomása hibakezelés közben (a 2.2.3. pontban meghatározottak szerint).
2.1.1.3. A vizsgálatot a következő eljárás szerint kell elvégezni:
a) a vizsgálatot a belső tárolótartályon, valamint a belső tárolótartály és a vákuumköpeny közötti összekötő csöveken kell elvégezni a külső köpeny felszerelése előtt;
b) a vizsgálatot vagy hidraulikusan (vízzel vagy glikol/víz keverékkel), vagy gázzal kell elvégezni. A tartályt a nyomás egyenletes növelésével a pvizsgálat vizsgálati nyomás alá kell helyezni, és legalább 10 percig ezen a nyomáson kell tartani; valamint
c) a vizsgálatot környezeti hőmérsékleten kell elvégezni. Gáz használata esetén a tartályt úgy kell nyomás alá helyezni, hogy a tartály hőmérséklete megközelítőleg környezeti hőmérsékleten maradjon.
2.1.1.4. A vizsgálat akkor minősül teljesítettnek, ha a próbanyomás alkalmazását követő első 10 percben nem történik észlelhető maradandó alakváltozás, nem csökken észrevehetően a tartály nyomása és nincs látható szivárgás.
2.1.2. A kiinduló kezdeti hasadási nyomás
2.1.2.1. A vizsgálatot a következő eljárás szerint kell elvégezni:
a) a vizsgálatot a belső tartályon, környezeti hőmérsékleten kell elvégezni;
b) a vizsgálatot vízzel vagy víz/glikol keverékkel hidraulikusan kell elvégezni;
c) a nyomást állandó, legfeljebb 0,5 MPa/perc sebességgel kell növelni a tartály hasadásáig vagy szivárgásáig;
d) a megengedett legnagyobb üzemi nyomás elérésekor állandó nyomás mellett legalább tíz perces várakozási időt kell beiktatni, melynek során ellenőrizhető a tartály alakváltozása; valamint
e) a nyomást a vizsgálat során végig rögzíteni kell vagy le kell jegyezni.
2.1.2.2. Acélból készült belső tartályok esetében a vizsgálat akkor minősül teljesítettnek, ha az 1.1.1.2. pontban leírt két megfelelési kritérium közül legalább egy teljesül. Az alumíniumötvözetből vagy más anyagból készült belső tartályok esetében olyan megfelelési kritériumot kell meghatározni, amely legalább ugyanolyan szintű biztonságot garantál, mint az acélból készült belső tartályok.
2.1.3. A ciklikus nyomásnövelés melletti kiindulási élettartam-vizsgálat
2.1.3.1. A tartályokat és/vagy vákuumköpenyeket a lehetséges teljes nyomásciklusok számának legalább háromszorosával egyenlő számú cikluson át ciklikus nyomás alá kell helyezni (a legkisebbtől a legnagyobb üzemi nyomásig) az elvárt közúti teljesítmény elérésének vizsgálatához. A nyomásciklusok számát a gyártó határozza meg, figyelembe véve az üzemi nyomástartományt, a tároló méretét, az üzemanyag-feltöltések legnagyobb számát, illetve a nyomásciklusoknak a szélsőséges használati és tárolási körülmények közötti legnagyobb számát. A nyomásciklust a légköri nyomás és a megengedett legnagyobb üzemi nyomás között, a nitrogén folyékony halmazállapotát lehetővé tévő hőmérséklet mellett kell lefolytatni, például oly módon, hogy bizonyos szintig feltöltik a tartályt folyékony nitrogénnal, és felváltva nyomás alá helyezik, illetve nyomásmentesítik (előhűtött) gáz-halmazállapotú nitrogénnel vagy héliummal.
2.2. Az elvárt közúti teljesítmény ellenőrzése
2.2.1. Párologtatási vizsgálat
2.2.1.1. A vizsgálatot a következő eljárás szerint kell elvégezni:
a) az előkondicionáláshoz a tartályba folyékony hidrogént kell tölteni a megadott legnagyobb feltöltési szintig. Ezt követően a hidrogént el kell távolítani, amíg a tartály a feltöltési szint feléig ki nem ürül, és a rendszert legalább 24, de legfeljebb 48 órán át hagyni kell teljesen lehűlni;
b) a tartályt fel kell tölteni a megadott legnagyobb feltöltési szintig;
c) a tartályt a párolgási nyomás eléréséig nyomás alá kell helyezni; valamint
d) a vizsgálatot a párolgás kezdetétől számított legalább további 48 órán keresztül folytatni kell, és a nyomás stabilizálódása előtt nem lehet befejezni. A nyomás akkor stabilizálódik, ha az átlagos nyomás két óra alatt nem emelkedik.
2.2.1.2. A belső tartály nyomását a vizsgálat során végig rögzíteni kell vagy le kell jegyezni. A vizsgálat akkor minősül teljesítettnek, ha a következő követelmények teljesülnek:
a) a nyomás stabilizálódik és a teljes vizsgálat során a megengedett legnagyobb üzemi nyomás alatt marad; valamint
b) a nyomáscsökkentő berendezések a teljes vizsgálat alatt zárva maradnak.
2.2.2. Szivárgásvizsgálat
2.2.2.1. A vizsgálatot az e rész C. szakaszának 2.2. pontjában leírt eljárás szerint kell elvégezni.
2.2.3. A vákuum megszűnésére vonatkozó vizsgálat
2.2.3.1. A vizsgálat első részét a következő eljárás szerint kell elvégezni:
a) a vákuum megszűnésére vonatkozó vizsgálatot teljesen lehűtött tartállyal kell elvégezni (a 2.2.1. pontban leírt eljárás szerint);
b) a tartályt fel kell tölteni folyékony hidrogénnel a megadott legnagyobb feltöltési szintig;
c) a vákuumkamrát egyenletes sebességgel levegővel kell megtölteni a légköri nyomás eléréséig; valamint
d) a vizsgálat akkor fejeződik be, amikor az első nyomáscsökkentő berendezés már nem nyílik ki többet.
2.2.3.2. A belső tartály és a vákuumköpeny nyomását a vizsgálat során végig rögzíteni kell vagy le kell jegyezni. Az első biztonsági berendezés nyitási nyomását rögzíteni kell vagy le kell jegyezni. A vizsgálat első része akkor minősül teljesítettnek, ha a következő követelmények teljesülnek:
a) az első nyomáscsökkentő berendezés a megengedett legnagyobb üzemi nyomás alatt vagy mellett nyílik ki, és a nyomást a megengedett legnagyobb üzemi nyomás legfeljebb 110 %-ára korlátozza;
b) az első nyomáscsökkentő berendezés nem nyílik ki a megengedett legnagyobb üzemi nyomás feletti nyomáson; valamint
c) a másodlagos nyomáscsökkentő berendezés a teljes vizsgálat alatt zárva marad.
2.2.3.3. Az első rész teljesítése után a vizsgálatot a fent leírtak szerint meg kell ismételni, hogy helyreálljon a vákuum, és lehűljön a tartály:
a) a vákuumot a gyártó által megadott értéken kell újra létrehozni. A vákuumot legalább 24 órán keresztül fenn kell tartani. A vákuumszivattyú a vákuum megszűnését közvetlenül megelőző időpontig csatlakoztatva maradhat;
b) a vákuum megszűnésére vonatkozó vizsgálat második részét teljesen lehűtött tartállyal kell elvégezni (a 2.2.1. pontban leírt eljárás szerint);
c) a tartályt fel kell tölteni a megadott legnagyobb feltöltési szintig;
d) az első nyomáscsökkentő berendezés után elhelyezkedő csővezetéket le kell zárni, és a vákuumkamrát egyenletes sebességgel levegővel kell megtölteni a légköri nyomás eléréséig; valamint
e) a vizsgálat akkor fejeződik be, amikor a második nyomáscsökkentő berendezés már nem nyílik ki többet.
2.2.3.4. A belső tartály és a vákuumköpeny nyomását a vizsgálat során végig rögzíteni kell vagy le kell jegyezni. Acéltartályok esetében a vizsgálat második része akkor minősül teljesítettnek, ha a másodlagos nyomáscsökkentő berendezés nem nyílik ki az első nyomáscsökkentő berendezés beállított nyomásának 110 %-a alatt, és a tartályban lévő nyomást biztonsági szelep használata esetén a megengedett legnagyobb üzemi nyomás legfeljebb 136 %-ára, hasadótárcsa használata esetén pedig a megengedett legnagyobb üzemi nyomás legfeljebb 150 %-ára korlátozza. Más anyagból készült tartály esetében a fentivel egyenértékű biztonsági szintet kell igazolni.
2.3. A tűz esetén nyújtott működésleállítási teljesítmény ellenőrző vizsgálata
2.3.1. A cseppfolyósított hidrogén tárolására szolgáló, vizsgált rendszernek reprezentatívnak kell lennie a jóváhagyandó típus tervezésére és gyártására nézve. A rendszer gyártásának teljesen befejezettnek kell lennie, és minden berendezését fel kell szerelni rá.
2.3.2. A vizsgálat első részét a következő eljárás szerint kell elvégezni:
a) a tűzvizsgálatot teljesen lehűtött tartállyal kell elvégezni (a 2.2.1. pontban leírt eljárás szerint);
b) a tartálynak a megelőző 24 óra során a belső tartály víztérfogata legalább felének megfelelő térfogatú folyékony hidrogént kell tartalmaznia;
c) a tartályt fel kell tölteni folyékony hidrogénnel oly módon, hogy a tömegmérési rendszerrel mért folyékonyhidrogén-mennyiség a fele legyen a belső tartályban tárolható megengedett legnagyobb mennyiségnek;
d) a tartály alatt 0,1 m-rel tűznek kell égnie. A tűz hosszának és szélességének 0,1 m-rel meg kell haladnia a tartály méreteit. A tűz hőmérsékletének legalább 590 °C-nak kell lennie. A tűznek a vizsgálat teljes ideje alatt égnie kell;
e) a tartály nyomásának a vizsgálat kezdetekor 0 MPa és 0,01 MPa között kell lennie a belső tartályban lévő hidrogén forráspontjának megfelelő hőmérsékleten;
f) a vizsgálatot addig kell folytatni, amíg a tárolási nyomás el nem éri a vizsgálat kezdetén uralkodó nyomást vagy az alá nem csökken, vagy amennyiben az első nyomáscsökkentő berendezés újrazáródó típusú, a vizsgálatot a biztonsági berendezés második kinyílásáig kell folytatni; valamint
g) a vizsgálat körülményeit és a vizsgálat során a tartályban elért legnagyobb nyomást rögzíteni kell a gyártó és a műszaki szolgálat által aláírt vizsgálati tanúsítványban.
2.3.3. A vizsgálat akkor minősül teljesítettnek, ha a következő követelmények teljesülnek:
a) a másodlagos nyomáscsökkentő berendezés nem lép működésbe az elsődleges nyomáscsökkentő berendezés beállított nyomásértékének 110 %-a alatt; valamint
b) a tartály nem hasadhat fel, és a belső tartályon belüli nyomás nem haladhatja meg a belső tartály megengedett hibatartományát.
2.3.4. Az acéltartályok megengedett hibatartománya a következő:
a) ha másodlagos nyomáscsökkentő berendezésként biztonsági szelepet használnak, a tartályon belüli nyomás nem haladhatja meg a belső tartály megengedett legnagyobb üzemi nyomásának 136 %-át;
b) ha másodlagos nyomáscsökkentő berendezésként a vákuum alatt álló területen kívüli hasadótárcsát használnak, a tartályon belüli nyomás nem haladhatja meg a belső tartály megengedett legnagyobb üzemi nyomásának 150 %-át; valamint
c) ha másodlagos nyomáscsökkentő berendezésként a vákuum alatt álló területen belüli hasadótárcsát használnak, a tartályon belüli nyomás nem haladhatja meg a belső tartály megengedett legnagyobb üzemi nyomásának 150 %-a + 0,1 MPa-t (MAWP ± 0,1 MPa).
2.3.5. A többi anyag esetében egyenértékű biztonsági szintet kell igazolni.
C. szakasz
A cseppfolyósított hidrogén tárolására szolgáló rendszerek meghatározott alkotóelemeinek típusjóváhagyására vonatkozó műszaki előírások
1. A cseppfolyósított hidrogén tárolására szolgáló rendszer meghatározott alkotóelemeire vonatkozó követelmények
1.1. A nyomáscsökkentő berendezés minősítési követelményei
A nyomáscsökkentő berendezésnek meg kell felelnie a következő teljesítményminősítési követelményeknek:
a) nyomásvizsgálat (a 2.1. pont szerinti eljárás);
b) külső szivárgásvizsgálat (a 2.2. pont szerinti eljárás);
c) működési vizsgálat (a 2.4. pont szerinti eljárás);
d) korrózióállósági vizsgálat (a 2.5. pont szerinti eljárás); valamint
e) hőmérsékletciklus-vizsgálat (a 2.8. pont szerinti eljárás).
1.2. Az elzáróbendezés minősítési követelményei
Az elzáróberendezésnek meg kell felelnie a következő teljesítményminősítési követelményeknek:
a) nyomásvizsgálat (a 2.1. pont szerinti eljárás);
b) külső szivárgásvizsgálat (a 2.2. pont szerinti eljárás);
c) tartóssági vizsgálat (a 2.3. pont szerinti eljárás);
d) korrózióállósági vizsgálat (a 2.5. pont szerinti eljárás);
e) a száraz hővel szembeni ellenálló képesség vizsgálata (a 2.6. pont szerinti eljárás);
f) az ózon okozta elöregedés vizsgálata (a 2.7. pont szerinti eljárás);
g) hőmérsékletciklus-vizsgálat (a 2.8. pont szerinti eljárás); valamint
h) a rugalmas vezetékek ciklikus vizsgálata (a 2.9. pont szerinti eljárás).
2. A cseppfolyósított hidrogén tárolására szolgáló rendszer meghatározott alkotóelemeire vonatkozó vizsgálati eljárások
A nyomáscsökkentő berendezésekre és elzárószelepekre vonatkozó vizsgálati eljárásokat a következő rész ismereti.
A vizsgálatokat az ISO 14687-2/SAE J2719 szabványnak megfelelő gázminőségű hidrogéngázzal kell elvégezni. Eltérő rendelkezés hiányában minden vizsgálatot 20 ± 5 °C környezeti hőmérsékleten kell elvégezni.
2.1. Nyomásvizsgálat
2.1.1. A hidrogént tartalmazó alkotóelemnek szivárgás vagy alakváltozás látható jele nélkül ki kell bírnia a megengedett legnagyobb üzemi nyomás 150 %-ának megfelelő vizsgálati nyomást úgy, hogy a nagynyomású rész kilépő nyílásai le vannak lezárva. Ezt követően a nyomást a megengedett legnagyobb üzemi nyomás 150 %-áról annak 300 %-ára kell növelni. Az alkotóelem nem mutathatja törés vagy repedés semmilyen látható jelét.
2.1.2. A nyomást biztosító rendszert pozitív elzárószeleppel és nyomásmérővel kell felszerelni, amelynek nyomástartománya a vizsgálati nyomás legalább 150 %-a és legfeljebb 200 %-a; a mérőeszköz pontosságának a nyomástartomány 1 %-ának kell megfelelnie.
2.1.3. Szivárgásvizsgálatot igénylő alkotóelemek esetében ezt a vizsgálatot a nyomásvizsgálat előtt kell elvégezni.
2.2. Külső szivárgásvizsgálat
2.2.1. Az alkotóelemnek szivárgásmentesnek kell lennie a törzs vagy a ház tömítéseinél, illetve egyéb kötéseknél, és a 2.3.3. pont szerint végzett vizsgálat során, a nulla nyomás és az adott megengedett legnagyobb üzemi nyomás közötti semmilyen nyomáson nem mutatkozhatnak az öntvény porozitására utaló jelek.
2.2.2. A vizsgálatot ugyanazon berendezésen kell elvégezni a következő feltételek szerint:
a) környezeti hőmérsékleten;
b) a minimális üzemi hőmérsékleten vagy a nitrogén folyékony halmazállapotát lehetővé tévő hőmérsékleten az ezen a hőmérsékleten a hőstabilitás elérése érdekében eltöltött kellő hosszúságú klimatizációs idő után; valamint
c) a maximális üzemi hőmérsékleten az ezen a hőmérsékleten a hőstabilitás elérése érdekében eltöltött kellő hosszúságú klimatizációs idő után.
2.2.2.1. A vizsgálat végrehajtása során a vizsgált berendezést egy gáznyomást biztosító forráshoz kell csatlakoztatni. A nyomást biztosító csővezetékre fel kell szerelni egy pozitív elzárószelepet és egy nyomásmérőt, amelynek nyomástartománya legalább a vizsgálati nyomás 150 %-a, de nem haladja meg annak 200 %-át. a mérőeszköz pontosságának a nyomástartomány 1 %-ának kell megfelelnie. A nyomásmérőt a pozitív elzárószelep és a vizsgált mintadarab közé kell felszerelni.
2.2.2.2. Ellenőrizni kell, hogy nem lép-e fel szivárgás a mintán, azaz a vizsgálat során felületaktív anyag használatával nem képződhetnek buborékok, vagy a mért szivárgási értéknek kevesebbnek kell lennie 216 Nml/óránál.
2.3. Tartóssági vizsgálat
2.3.1. Az alkotóelemeknek, miután alávetették őket 20 000 működési ciklusnak, képesnek kell lenniük a 2.2. és 2.9. pontban foglalt alkalmazandó szivárgásvizsgálati követelmények teljesítésére.
2.3.2. A 2.2. és 2.9. pontban leírt megfelelő külső szivárgási és szelepfészek-szivárgási vizsgálatokat közvetlenül a tartóssági vizsgálat után kell végrehajtani.
2.3.3. Az elzárószelepet biztonságosan össze kell kötni a száraz levegő vagy nitrogén nyomás alatt álló forrásával, és 20 000 működési ciklusnak kell alávetni. Mindegyik ciklus az alkotóelem egy nyitását és egy zárását foglalja magában egy legalább 10 ± 2 másodperces időtartamon belül.
2.3.4. Az alkotóelemet a megadott ciklusszám 96 %-ában a környezeti hőmérsékleten és az alkotóelem megengedett legnagyobb üzemi nyomásán kell működtetni. A cikluson kívüli időszakban a kiömlési oldal nyomását hagyni kell az alkotóelem megengedett legnagyobb üzemi nyomásának 50 %-ára lecsökkenni.
2.3.5. Az alkotóelemet az összes ciklus 2 %-ában az előírt legnagyobb anyaghőmérsékleten (-40 °C és +85 °C között), az ezen a hőmérsékleten a hőstabilitás elérése érdekében eltöltött kellő hosszúságú klimatizációs idő után és a megengedett legnagyobb üzemi nyomáson kell működtetni. A magas hőmérsékletű ciklusok végrehajtása után az alkotóelemnek meg kell felelnie a 2.2. és 2.9. pontban foglaltaknak a megfelelő maximális anyaghőmérsékleten (-40 °C és +85 °C között).
2.3.6. Az alkotóelemet az összes ciklus 2 %-ában az előírt minimális anyaghőmérsékleten (-40 °C és +85 °C között), de a nitrogén folyékony halmazállapotát lehetővé tévő hőmérsékletnél nem alacsonyabb hőmérsékleten, az ezen a hőmérsékleten a hőstabilitás elérése érdekében eltöltött kellő hosszúságú klimatizációs idő után, és az alkotóelem megengedett legnagyobb üzemi nyomásán kell működtetni. Az alacsony hőmérsékletű ciklusok végrehajtása után az alkotóelemnek meg kell felelnie a 2.2. és 2.9. pontban foglaltaknak a megfelelő minimális anyaghőmérsékleten (-40 °C és +85 °C között).
2.4. Működési vizsgálat
2.4.1. A működési vizsgálatot az EN 13648-1 vagy EN 13648 2 szabvánnyal összhangban kell végrehajtani. A szabvány speciális követelményei alkalmazandók.
2.5. Korrózióállósági vizsgálat
2.5.1. A hidrogénrendszer fémből készülő alkotóelemeinek meg kell felelniük a 2.2. és 2.9. pontban előírt szivárgásvizsgálatokon, miután lezárt csatlakozások mellett 144 órán keresztül sós permettel kezelték őket az ISO 9227 szabványban leírtak szerint.
2.5.2. A hidrogénrendszer rézből vagy sárgarézből készülő alkotóelemeinek meg kell felelniük a 2.2. és 2.9. pontban előírt szivárgásvizsgálatokon, miután lezárt csatlakozások mellett 24 órán keresztül ammóniába merítették őket az ISO 6957 szabványnak megfelelően.
2.6. A száraz hővel szembeni ellenálló képesség vizsgálata
2.6.1. A vizsgálatot az ISO 188 szabványnak megfelelően kell elvégezni. A vizsgálati tárgyat a maximális üzemi hőmérséklettel azonos hőmérsékletű levegő hatásának kell kitenni 168 órán keresztül. A szakítószilárdságban fellépő változás nem haladhatja meg a ± 25 %-ot. A kritikus nyúlás változása nem haladhatja meg a következő értékeket: legfeljebb 10 %-os növekedés és legfeljebb 30 %-os csökkenés.
2.7. Az ózon okozta elöregedés vizsgálata
2.7.1. A vizsgálatot az ISO 1431-1 szabványnak megfelelően kell elvégezni. A 20 százalékkal megnyújtott vizsgálati tárgyat +40 °C hőmérsékletű, 50 rész/100 millió rész ózonkoncentrációjú levegő hatásának kell kitenni 120 órán keresztül.
2.7.2. A vizsgálati tárgy nem repedhet meg.
2.8. Hőmérsékletciklus-vizsgálat
2.8.1. A hidrogén tárolására szolgáló, nem fémből készült alkotóelemeknek meg kell felelniük a 2.2. és a 2.9. pontban előírt szivárgásvizsgálatokon, miután 96 órán keresztül ciklikus hőmérséklet-változás hatásának tették ki őket a legkisebb üzemi hőmérséklettől a legnagyobb üzemi hőmérsékletig terjedő tartományban 120 perces ciklusidővel, a megengedett legnagyobb üzemi nyomás mellett.
2.9. A rugalmas vezetékek ciklikus vizsgálata
2.9.1. Bármely hajlékony üzemanyag-vezetéknek, miután alávetették 6 000 nyomásciklusnak, képesnek kell lennie a 2.2. pont szerint alkalmazandó szivárgásvizsgálati követelmények teljesítésére.
2.9.2. A nyomásnak a légköri nyomásról a tartály megengedett legnagyobb üzemi nyomására kell változnia kevesebb mint öt másodperc alatt, majd legalább öt másodperces időtartam után kevesebb mint öt másodperc alatt le kell csökkennie a légköri nyomásra.
2.9.3. A 2.2. pontban leírt megfelelő külső szivárgási vizsgálatot közvetlenül a tartóssági vizsgálat után kell végrehajtani.
D. szakasz
A cseppfolyósított hidrogén tárolására szolgáló rendszert magukban foglaló jármű-üzemanyagrendszerek típusjóváhagyására vonatkozó műszaki előírások
1. A cseppfolyósított hidrogén tárolására szolgáló rendszert magukban foglaló jármű-üzemanyagrendszerekre vonatkozó követelmények
Ez a szakasz az olyan jármű-üzemanyagrendszerek integritására vonatkozó követelményeket határozza meg, amelyek magukban foglalnak egy cseppfolyósított hidrogén tárolására szolgáló rendszert, csővezetéket, csatlakozásokat és olyan alkotóelemeket, amelyekben hidrogén van jelen.
1.1. Az üzemanyagrendszerre használat közbeni integritása
1.1.1. Túlnyomás elleni védelem kisnyomású rendszer esetében
A hidrogénrendszernek a nyomásszabályozó után védettnek kell lennie a nyomásszabályozó esetleges meghibásodásából fakadó túlnyomással szemben. A túlnyomás ellen védő berendezés beállított nyomása legfeljebb akkora lehet, mint a hidrogénrendszer megfelelő szakaszában megengedett legnagyobb üzemi nyomás. A túlnyomás elleni védelemnek meg kell felelnie a 2.6. pontban említett beépítés-ellenőrzésen.
1.1.2. Hidrogénkibocsátó rendszerek
1.1.2.1. Nyomáscsökkentő rendszerek
A nyomáscsökkentő berendezéseknek (pl. a hasadótárcsáknak) meg kell felelniük a 2.6. pontban említett beépítés-ellenőrzés követelményeinek, és e berendezések a hidrogéntároló rendszeren kívül is használhatók. Az egyéb nyomáscsökkentő berendezésekből származó hidrogéngáz-kibocsátás nem irányítható:
a) a védelemmel nem ellátott elektromos végberendezések, a védelemmel nem ellátott elektromos kapcsolók és egyéb szikraforrások felé;
b) a jármű utastere vagy csomagtere felé vagy e terekbe;
c) a jármű valamely kerékdobja felé vagy a kerékdobba; valamint
d) a hidrogéngáztartályok felé.
1.1.2.2. A jármű kipufogórendszere
1.1.2.2.1. A jármű kipufogórendszerének meg kell felelnie a 2.4. pontban foglalt, a jármű kipufogórendszerére vonatkozó vizsgálatnak.
1.1.2.2.2. A jármű kipufogórendszerének kibocsátási pontján a hidrogénkoncentráció szintje:
a) a szokásos működés során - az indítást és a leállítást is beleértve - egyik három másodperces mozgó intervallumban sem haladhatja meg átlagban a 4 térfogatszázalékot; valamint
b) soha nem haladhatja meg a 8 %-ot.
1.1.3. A tűzveszélyes körülményekkel szembeni védelem: egyedi meghibásodási feltételek
1.1.3.1. A hidrogéntároló rendszerből származó hidrogénszivárgás és/vagy -áteresztés nem kerülhet közvetlenül az utas-, csomag- vagy raktérbe vagy olyan zárt vagy félig zárt térbe a járművön belül, ahol védelem nélküli szikraforrások találhatók.
1.1.3.2. Semmilyen, a hidrogén-főelzárószelep után kialakuló egyedi meghibásodás sem eredményezheti a hidrogénkoncentráció szintjének emelkedését az utastérben, a 2.3.2. pont szerinti vizsgálati eljárással vizsgálva.
1.1.3.3. Ha a működés során egy egyedi meghibásodás 3 térfogatszázaléknál nagyobb hidrogénkoncentrációt eredményez a levegőben a jármű zárt vagy félig zárt terében, figyelmeztetést kell adni (1.1.3.5. pont). Ha a hidrogénkoncentráció a jármű zárt vagy félig zárt terében meghaladja a 4 térfogatszázalékot, a főelzárószelepet a tárolórendszer leválasztása érdekében le kell zárni (a 2.3. pont szerinti vizsgálati eljárás).
1.1.3.4. Az üzemanyagrendszer szivárgása
A főelzárószelep(ek)től az üzemanyagcella-rendszerhez vagy a motorhoz vezető hidrogénüzemanyag-vezeték (pl. a csővezeték, a csatlakozások stb.) nem szivároghat. A megfelelést a névleges üzemi nyomáson kell ellenőrizni (a 2.5. pont szerinti vizsgálati eljárás).
1.1.3.5. Visszajelző lámpa a járművezető figyelmeztetésére
A figyelmeztetést olyan vizuális jelzéssel vagy felirat kijelzésével kell kibocsátani, amely a következő jellemzőkkel rendelkezik:
a) a járművezető számára kijelölt ülőhelyen bekapcsolt biztonsági övvel helyet foglaló járművezető számára látható;
b) sárga színű az érzékelőrendszer működési hibája (pl. áramkör megszakadása, rövidzárlat, érzékelő hibája) esetén, és piros színű az 1.1.3.3. pont szerinti esetben;
c) ha felgyullad, a járművezető számára nappali és éjszakai vezetési körülmények között is láthatónak kell lennie; valamint
d) folyamatosan világít, ha 3 %-os koncentrációt vagy a rendszer hibás működését észleli, és a főkapcsoló bekapcsolt állásban van vagy a meghajtórendszer be van kapcsolva.
1.2. Az üzemanyagrendszer ütközés utáni integritása
Az (EU) 2019/2144 rendelettel összhangban el kell végezni az adott jármű-kategóriára előírt elülső, oldalsó és hátsó ütközési vizsgálatokat.
Amennyiben ezen ütközési vizsgálatok közül egy vagy több nem szükséges, a cseppfolyósított hidrogén tárolására szolgáló rendszert, beleértve a hozzá erősített biztonsági berendezéseket is, úgy kell felszerelni, hogy a következő gyorsulások a cseppfolyósított hidrogén tárolására szolgáló rendszerben található, feltöltött tartály(ok) rögzítésének megszakadása vagy kilazulása nélkül elnyelhetők legyenek:
M1 és N1 kategóriájú járművek esetében:
a) 20 g menetirányban előre- és hátrafelé; valamint
b) 8 g vízszintesen a menetirányra merőlegesen;
M2 és N2 kategóriájú járművek esetében:
a) 10 g menetirányban előre- és hátrafelé; valamint
b) 5 g vízszintesen a menetirányra merőlegesen;
M3 és N3 kategóriájú járművek esetében:
a) 6,6 g menetirányban előre- és hátrafelé; valamint
b) 5 g vízszintesen a menetirányra merőlegesen.
Az alkalmazott helyettesítő tömegnek reprezentatívnak kell lennie a cseppfolyósított hidrogén tárolására szolgáló rendszer teljesen felszerelt és feltöltött tartályára vagy tartályegységére.
1.2.1. Az üzemanyag-szivárgás határértéke
A hidrogéngáz-szivárgás térfogatárama a 2.1. ponttal összhangban nem haladhatja meg a 118 NL/perc átlagértéket az ütközés utáni 60 perces időintervallumban.
1.2.2. A zárt terekre vonatkozó koncentrációs határérték
A hidrogéngáz-szivárgás eredményeként nem alakulhat ki 4 térfogatszázaléknál nagyobb hidrogénkoncentráció a levegőben az utas- és a csomagtérben (lásd a 2.2. pont szerinti vizsgálati eljárásokat). Ez a követelmény akkor teljesül, ha megerősítést nyer, hogy a tárolórendszer elzárószelepe az ütközést követő 5 másodpercen belül lezárt, és nincs szivárgás a tárolórendszerből.
1.2.3. A tartály elmozdulása
A tárolótartály(ok)nak legalább egy rögzítési ponton a járműhöz rögzítve kell maradnia (maradniuk).
1.3. A járműben használt gyúlékony anyagokat védeni kell a cseppfolyósított levegőtől, amely kicsapódhat az üzemanyagrendszer elemein.
1.4. Az alkotóelemek szigetelésének meg kell akadályoznia a külső felületekkel érintkező levegő cseppfolyósodását, kivéve, ha rendelkezésre áll a cseppfolyósított levegő begyűjtésére és elpárologtatására szolgáló rendszer. Ebben az esetben a közelben lévő alkotóelemek anyagainak kompatibilisnek kell lenniük az oxigénnel dúsított légkörrel.
2. A cseppfolyósított hidrogén tárolására szolgáló rendszert magukban foglaló jármű-üzemanyagrendszerekre vonatkozó vizsgálati eljárások
A cseppfolyósított hidrogén tárolására szolgáló rendszert magukban foglaló jármű-üzemanyagrendszerekre vonatkozó, a 2.1., 2.2. és 2.7. pont szerinti vizsgálati eljárások csak azokra az M1 és N1 kategóriájú járművekre alkalmazandók, amelyeken egy vagy több ütközési vizsgálatot kell elvégezni.
2.1. A cseppfolyósított hidrogén tárolására szolgáló rendszer ütközés utáni szivárgásvizsgálata
Az ütközési vizsgálat előtt a hidrogéntároló rendszerbe műszereket kell beépíteni az előírt nyomás- és hőmérsékletmérések elvégzésére, ha a szabványos jármű nem rendelkezik a szükséges pontosságú műszerekkel.
A tárolórendszert ezután szükség esetén, a gyártó utasításait követve át kell szellőztetni annak érdekében, hogy a szennyeződéseket eltávolítsák a tartályból, mielőtt feltöltenék sűrített hidrogén- vagy héliumgázzal. Mivel a tárolórendszer nyomása a hőmérséklet függvényében változik, a töltési nyomás célértéke a hőmérséklettől függ. A nyomás célértékét az alábbi egyenlettel kell meghatározni:
Pcél = NWP × (273 + To) / 288
ahol NWP a névleges üzemi nyomás (MPa), To az a környezeti hőmérséklet, amelyen a tárolórendszer várhatóan stabilizálódik, és Pcél a töltési nyomás célértéke a hőmérséklet stabilizálódása után.
A tartályt a töltési nyomás célértékének legalább 95 %-áig fel kell tölteni, és hagyni kell stabilizálódni az ütközési vizsgálat előtt.
A hidrogéngáz fő zárószelepének és a hidrogéngázcsöveken lejjebb található elzárószelepeknek közvetlenül az ütközés előtt nyitva kell lenniük.
2.1.1. A sűrített hidrogénnel töltött sűrítetthidrogén-tároló rendszer ütközés utáni szivárgásvizsgálata
A hidrogéngáz P0 nyomását (MPa) és T0 hőmérsékletét (°C) meg kell mérni közvetlenül az ütközés előtt, majd az ütközést követő Δt időintervallum (perc) elteltével. A Δt időintervallum akkor kezdődik, amikor a jármű az ütközés után nyugalmi állapotba kerül, és legalább 60 percig tart. A Δt időintervallumot szükség esetén növelni kell, az akár 70 MPa-t is elérő nyomáson üzemelő nagy térfogatú tárolórendszerekre vonatkozó mérés pontossága érdekében; ebben az esetben Δt a következő egyenlettel számítható ki:
Δt = VCHSS × NWP /1000 × ((- 0,027 × NWP +4) × Rs - 0,21) - 1,7 × Rs
ahol Rs = Ps / NWP, Ps a nyomásérzékelő nyomástartománya (MPa), NWP a névleges üzemi nyomás (MPa), VCHSS a sűrített hidrogén tárolására szolgáló rendszer térfogata (l), Δt pedig az időintervallum (perc). Ha a Δt számított értéke kisebb, mint 60 perc, akkor Δt-t 60 percnek kell tekinteni.
A tárolórendszerben lévő hidrogén kezdeti tömege a következőképpen számítható ki:
Po' = Po × 288 / (273 + T0)
ρo' = - 0,0027 × (P0')2 + 0,75 × P0' + 0,5789
Mo = ρo' × VCHSS
Ennek megfelelően a Δt időintervallum végén a tárolórendszerben lévő hidrogén Mf végső tömege a következőképpen számítható ki:
Pf' = Pf × 288 / (273 + Tf)
ρf' = - 0,0027 × (Pf')2 + 0,75 × Pf' + 0,5789
Mf = ρf' × VCHSS
ahol Pf a mért végső nyomás (MPa), Tf pedig a mért végső hőmérséklet (°C) az időintervallum végén.
A hidrogén átlagos térfogatárama az adott időintervallum alatt (amely kisebb az 1.2.1. pontban foglalt kritériumnál) ezért
VH2 = (Mf-Mo) / Δt × 22,41 / 2,016 × (Pcél /Po)
ahol VH2 az átlagos térfogatáram (NL/perc) az adott időtartam alatt, és a Pcél/Po kifejezés a Po mért kezdeti nyomás és a töltési nyomás Pcél célértéke közötti különbségek ellensúlyozására szolgál.
2.1.2. A sűrített héliummal töltött sűrítetthidrogén-tároló rendszer ütközés utáni szivárgásvizsgálata
A héliumgáz P0 nyomását (MPa) és T0 hőmérsékletét (°C) meg kell mérni közvetlenül az ütközés előtt, majd az ütközést követő, előre meghatározott időintervallum elteltével. A Δt időintervallum akkor kezdődik, amikor a jármű az ütközés után nyugalmi állapotba kerül, és legalább 60 percig tart.
A Δt időintervallumot szükség esetén növelni kell, az akár 70 MPa-t is elérő nyomáson üzemelő nagy térfogatú tárolórendszerekre vonatkozó mérés pontossága érdekében; ebben az esetben Δt a következő egyenlettel számítható ki:
Δt = VCHSS × NWP /1000 × ((- 0,028 × NWP +5,5) × Rs - 0,3) - 2,6 × Rs
ahol Rs = Ps / NWP, Ps a nyomásérzékelő nyomástartománya (MPa), NWP a névleges üzemi nyomás (MPa), VCHSS a sűrített hidrogén tárolására szolgáló rendszer térfogata (l), Δt pedig az időintervallum (perc). Ha a Δt értéke kisebb, mint 60 perc, akkor Δt-t 60 percnek kell tekinteni.
A tárolórendszerben lévő hidrogén kezdeti tömegét a következőképpen kell kiszámítani:
Po' = Po × 288 / (273 + T0)
ρo' = - 0,0043 × (P0')2 + 1,53 × P0' + 1,49
Mo = ρo' × VCHSS
A Δt időintervallum végén a tárolórendszerben lévő hidrogén végső tömegét a következőképpen kell kiszámítani:
Pf' = Pf × 288 / (273 + Tf)
ρf' = - 0,0043 × (Pf')2 + 1,53 × Pf' + 1,49
Mf = ρf' × VCHSS
ahol Pf a mért végső nyomás (MPa), Tf pedig a mért végső hőmérséklet (°C) az időintervallum végén.
A hélium átlagos térfogatárama az adott időtartam alatt ezért
VHe = (Mf-Mo) / Δt × 22,41 / 4,003 × (Po/ Pcél)
ahol VHe az átlagos térfogatáram (NL/perc) az adott időtartam alatt, és a Po/Pcél kifejezés a Po mért kezdeti nyomás és a töltési nyomás Pcél célértéke közötti különbségek ellensúlyozására szolgál.
A hélium átlagos térfogatáramát a következő képlettel kell a hidrogén átlagos térfogatáramává átalakítani:
VH2 = VHe / 0,75
ahol VH2 a hidrogén megfelelő átlagos térfogatárama (amelynek a megfeleléshez kisebbnek kell lennie az 1.2.1 pontban megadott kritériumoknál).
2.2. A zárt terek ütközés utáni koncentrációvizsgálata
2.2.1. A méréseket a hidrogén (vagy hélium) esetleges szivárgásának értékelése céljából a 2.1. pont szerint végzett törésvizsgálat során kell rögzíteni.
2.2.2. Ki kell választani az érzékelőket, amelyek vagy a hidrogén-, illetve héliumgáz felgyülemlését, vagy az oxigén mennyiségének csökkenését mérik (miután a levegőt kiszorítja a szivárgó hidrogén/hélium).
2.2.3. Az érzékelőket visszakövethető referenciákhoz viszonyítva kalibrálni kell annak érdekében, hogy biztosítani lehessen a ± 5 %-os pontosságot a levegő hidrogéntartalmának 4 térfogat-százalékos, illetve héliumtartalmának 3 térfogat-százalékos célértéke tekintetében, valamint az e célértékeket legalább 25 %-kal meghaladó teljes mérési kapacitást. Az érzékelőnek képesnek kell lennie arra, hogy 10 másodpercen belül 90 %-os választ adjon a koncentráció teljes mértékű megváltozására.
2.2.4. Az ütközés előtt az érzékelőket a következőképpen kell elhelyezni a jármű utas- és csomagterében:
a) a vezetőülés felett vagy az utastér felső középpontjához közel, a tetőkárpittól számított 250 mm-es távolságon belül;
b) az utastérben a hátsó (vagy leghátsó) ülés előtt, a padlótól számított 250 mm-es távolságon belül;
c) a járművön belül a tervezett konkrét ütközés hatása által közvetlenül nem érintett csomagterek tetejétől számított 100 mm-es távolságon belül.
2.2.5. Az érzékelőket szilárdan fel kell szerelni a jármű szerkezetére vagy üléseire, és a tervezett ütközési vizsgálatra tekintettel védeni kell őket a törmeléktől, a légzsákból kiáramló gáztól és a szétrepülő tárgyaktól. A balesetet követő mérések értékeit a járművön belül elhelyezett műszerek vagy távoli adattovábbítás révén rögzíteni kell.
2.2.6. A járművet el lehet helyezni kültéren, széltől és a nap lehetséges hatásaitól védett területen, vagy beltéren olyan térben, amelynek nagysága vagy szellőzése megakadályozza a hidrogénnek az utas-, a csomag- és a raktérben a célértéket 10 %-nál nagyobb mértékben meghaladó felgyülemlését.
2.2.7. Az ütközés utáni adatgyűjtés a zárt terekben akkor kezdődik, amikor a jármű nyugalmi állapotba kerül. Az érzékelők adatait az ütközéstől számított 60 percig legalább 5 másodpercenként össze kell gyűjteni. A méréseknél alkalmazni lehet egy legfeljebb 5 másodperces elsőrendű tagot (időállandót) a "simítás" és a hamis adatpontok hatásainak kiszűrése érdekében.
2.2.8. Az egyes érzékelők által mért és szűrt eredményeknek az ütközést követő 60 perces vizsgálati időintervallum alatt mindvégig a hidrogén 3 ± 1,0 %-os, illetve a hélium 2,25 ± 0,75 % határértéke alatt kell lenniük.
2.3. Az egyedi meghibásodási feltételek megfelelőségi vizsgálata
A 2.3.1. vagy a 2.3.2. pontban leírt vizsgálati eljárást kell végrehajtani.
2.3.1. A hidrogéngázszivárgás-érzékelőkkel felszerelt járművek vizsgálati eljárása
2.3.1.1. Vizsgálati feltételek
2.3.1.1.1. Vizsgálati jármű: a vizsgálati jármű meghajtórendszerét el kell indítani, be kell melegíteni a normál üzemi hőmérsékletig, és a vizsgálat teljes időtartama alatt hagyni kell működni. Ha a jármű nem üzemanyagcellás jármű, akkor be kell melegíteni, és hagyni kell alapjáraton működni. Ha a vizsgálati jármű olyan rendszerrel rendelkezik, amely automatikusan leállítja az alapjáratot, intézkedéseket kell hozni a motor leállításának megakadályozása érdekében.
2.3.1.1.2. A vizsgálathoz használt gáz: levegő és hidrogéngáz kétféle keveréke: 2 ± 1,0 %-os (vagy annál alacsonyabb) hidrogénkoncentráció a levegőben a figyelmeztető jelzés működésének ellenőrzéséhez és 3 ± 1,0 %-os (vagy annál alacsonyabb) hidrogénkoncentráció a levegőben a leállítási funkció ellenőrzéséhez. A megfelelő koncentrációkat a gyártó ajánlása (vagy az érzékelő specifikációja) alapján kell kiválasztani.
2.3.1.2. Vizsgálati módszer
2.3.1.2.1. A vizsgálat előkészítése: a vizsgálat elvégzéséhez megfelelő eszközökkel ki kell küszöbölni a szél hatását, például:
a) a vizsgálati gáz tömlőjét a hidrogéngázszivárgás-érzékelőhöz kell erősíteni;
b) a hidrogéngázszivárgás-érzékelőt fedéllel kell borítani, hogy a gáz a hidrogéngázszivárgás-érzékelő körül maradjon.
2.3.1.2.2. A vizsgálat végrehajtása:
a) a vizsgálati gázt a hidrogéngázszivárgás-érzékelőhöz kell vezetni;
b) a figyelmeztető rendszer megfelelő működését a figyelmeztető jelzés működésének ellenőrzésére szolgáló, gázzal végzett vizsgálattal lehet igazolni;
c) a főelzárószelep zárt állapotát a leállítási funkció működésének ellenőrzésére szolgáló, gázzal végzett vizsgálattal lehet igazolni. Például a főelzárószelepet tápláló elektromos áram vagy a főelzárószelep működése által keltett zaj megfigyelésével lehet igazolni a hidrogénellátás főelzárószelepének működését.
2.3.2. A zárt terek és az érzékelőrendszerek integritására vonatkozó vizsgálati eljárás
2.3.2.1. Előkészítés
A vizsgálat elvégzéséhez ki kell küszöbölni a szél hatását.
A vizsgálat során különös figyelmet kell szentelni a vizsgálati környezetnek, mivel a hidrogén és a levegő gyúlékony keveréket alkothat.
2.3.2.1.1. A vizsgálat előtt a járművet úgy kell előkészíteni, hogy a hidrogénrendszerből távvezérléssel lehessen hidrogént kibocsátani. A hidrogén-főelzárószelep után található kibocsátási pontok számát, helyét és áramlási kapacitását a jármű gyártója határozza meg az egyedi meghibásodás esetén lehetséges legkedvezőtlenebb szivárgási forgatókönyveket figyelembe véve. A távvezérelt kibocsátások teljes áramának legalább arra alkalmasnak kell lennie, hogy az automatikus "figyelmeztető jelzés" és a hidrogénelzáró funkciók demonstrálását elindítsa.
2.3.2.1.2. A vizsgálat céljából hidrogénkoncentráció-érzékelőt kell beszerelni oda, ahol a hidrogéngáz a leginkább összegyűlhet az utastérben (pl. a tetőkárpithoz közel), amikor az 1.1.3.2. pontnak való megfelelést vizsgálják, és hidrogénkoncentráció-érzékelőket kell beszerelni a jármű zárt vagy félig zárt tereiben oda, ahol a hidrogén a szimulált hidrogénkibocsátások nyomán összegyűlhet, amikor az 1.1.3.1. pontnak való megfelelést vizsgálják.
2.3.2.2. Eljárás:
A jármű ajtajait, ablakait és egyéb fedeleit be kell zárni.
A meghajtórendszert el kell indítani, hagyni kell bemelegedni a normál üzemi hőmérsékletig, és a vizsgálat teljes időtartama alatt hagyni kell alapjáraton működni.
Távirányítással szivárgást kell szimulálni.
A hidrogénkoncentrációt folyamatosan mérni kell egészen addig, amíg a koncentráció már 3 perce nem emelkedik. Az 1.1.3.3. pontnak való megfelelés vizsgálata során a szimulált szivárgást ezután távirányítással addig kell fokozni, amíg a hidrogén-főelzárószelep le nem zár, és a figyelmeztető visszajelzés működésbe nem lép. A főelzárószelepet tápláló elektromos áram vagy a főelzárószelep működése által keltett zaj megfigyelésével lehet igazolni a hidrogénellátás főelzárószelepének működését.
Az 1.1.3.2. pontnak való megfelelés vizsgálata akkor fejeződik be sikeresen, ha az utastérben a hidrogénkoncentráció nem haladja meg az 1,0 %-ot. Az 1.1.3.3. pontnak való megfelelés vizsgálata akkor fejeződik be sikeresen, ha a figyelmeztető visszajelzés és az elzárófunkció az 1.1.3.3. pontban meghatározott (vagy annál alacsonyabb) szinteken működésbe lép; ellenkező esetben a vizsgálat sikertelen, és a rendszer nem alkalmazható járművekben.
2.4. A jármű kipufogórendszerére vonatkozó megfelelőségi vizsgálat
2.4.1. A vizsgálati jármű meghajtórendszerét (üzemanyagcella-egységét vagy motorját) a normál üzemi hőmérsékletig be kell melegíteni.
2.4.2. A mérőberendezést használat előtt fel kell melegíteni a normál üzemi hőmérsékletére.
2.4.3. A mérőberendezés érzékelő részét a járművön kívülre, a gázkibocsátási ponttól számított 100 mm-en belül a kipufogógáz középvonalába kell helyezni.
2.4.4. A kipufogógáz hidrogénkoncentrációját folyamatosan mérni kell a következő lépések során:
a) a meghajtórendszert le kell állítani;
b) amikor a leállítási folyamat befejeződött, a meghajtórendszert azonnal újra kell indítani; valamint
c) egy perc elteltével a meghajtórendszert ki kell kapcsolni, és a mérést addig kell folytatni, amíg a meghajtórendszer leállítási folyamata be nem fejeződik.
2.4.5. A mérőberendezés válaszidejének 300 milliszekundumnál rövidebbnek kell lennie.
2.5. Az üzemanyag-vezeték szivárgására vonatkozó megfelelőségi vizsgálat
2.5.1. A vizsgálati jármű meghajtórendszerét (üzemanyagcella-egységét vagy motorját) a normál üzemi hőmérsékletig be kell melegíteni, és azon kell üzemeltetni, az üzemanyag-vezetékeket pedig üzemi nyomás alá kell helyezni.
2.5.2. A hidrogénszivárgást a nagynyomású szakasztól az üzemanyagcella-egységig (vagy a motorig) az üzemanyag-vezetékek hozzáférhető szakaszain kell értékelni gázszivárgás-érzékelő vagy a szivárgást jelző folyadék, például szappanos oldat segítségével.
2.5.3. A hidrogénszivárgást elsősorban a csatlakozásoknál kell ellenőrizni.
2.5.4. Gázszivárgás-érzékelő használata esetén az ellenőrzést úgy kell elvégezni, hogy a szivárgásérzékelőt legalább 10 másodpercig kell működtetni az üzemanyag-vezetékekhez lehető legközelebb kiválasztott ellenőrzési pontokon.
2.5.5. A szivárgást jelző folyadék használata esetén a hidrogéngáz szivárgását a folyadék felvitele után azonnal ellenőrizni kell. Ezenkívül szemrevételezéssel a folyadék felvitele után néhány perccel is ellenőrizni kell, hogy nem alakultak-e ki buborékok egy esetleges szivárgás nyomán.
2.6. A beépítés ellenőrzése
A rendszer megfelelőségét szemrevételezéssel kell ellenőrizni.
2.7. A cseppfolyósított hidrogén tárolására szolgáló rendszerek ütközés utáni szivárgásvizsgálata
A jármű ütközési vizsgálata előtt a következő lépéseket kell végrehajtani a cseppfolyósított hidrogén tárolására szolgáló rendszer előkészítése érdekében:
a) ha a jármű a szabványos felszereltség keretében nem rendelkezik velük, a vizsgálat előtt fel kell szerelni a következő elemeket:
- nyomásérzékelő a cseppfolyósított hidrogén tárolására szolgáló rendszerhez. A nyomásérzékelőnek a megengedett legnagyobb üzemi nyomás legalább 150 %-ának megfelelő teljes mérési skálával, valamint a teljes skála legalább 1 %-ának megfelelő pontossággal kell rendelkeznie, és képesnek kell lennie a legalább 10 kPa értékű nyomás mérésére;
- hőmérséklet-érzékelő a cseppfolyósított hidrogén tárolására szolgáló rendszerhez. A hőmérséklet-érzékelőnek képesnek kell lennie az ütközés előtt várható, rendkívül alacsony hőmérsékletek mérésére. Az érzékelőt a tartályhoz a lehető legközelebb található kimeneten kell elhelyezni;
b) töltő- és leeresztőnyílások. Biztosítani kell a cseppfolyósított hidrogén tárolására szolgáló rendszer folyékony és gáz-halmazállapotú anyagokkal való feltöltésének és leeresztésének lehetőségét az ütközési vizsgálat előtt és után;
c) a cseppfolyósított hidrogén tárolására szolgáló rendszert legalább ötször át kell öblíteni nitrogéngázzal;
d) a cseppfolyósított hidrogén tárolására szolgáló rendszert a hidrogén maximális feltöltési szintjének megfelelő mennyiségű nitrogénnel kell feltölteni;
e) a feltöltés után a nitrogéngáz szellőzőnyílását le kell zárni, és a tartályt hagyni kell stabilizálódni.
Meg kell győződni a cseppfolyósított hidrogén tárolására szolgáló rendszer szivárgásmentességéről.
Miután a cseppfolyósított hidrogén tárolására szolgáló rendszer nyomás- és hőmérséklet-érzékelői azt jelzik, hogy a rendszer lehűlt és stabilizálódott, végre kell hajtani az állami vagy helyi szabályozásnak megfelelő ütközési vizsgálatokat. Az ütközést követően legalább 1 órán keresztül nem szivároghat látható módon hideg nitrogéngáz vagy folyadék a rendszerből. Ezenkívül igazolni kell a nyomásszabályozók vagy nyomáscsökkentő berendezések működőképességét annak biztosítása érdekében, hogy a cseppfolyósított hidrogén tárolására szolgáló rendszer védve legyen az ütközést követő hasadással szemben. Ha az ütközés nem befolyásolta a cseppfolyósított hidrogén tárolására szolgáló rendszerben uralkodó vákuumot, a rendszerbe nitrogéngázt lehet bevezetni a töltő-/leeresztőnyíláson keresztül, amíg a nyomásszabályozók és/vagy nyomáscsökkentő berendezések működésbe nem lépnek. Az újrazáródó nyomásszabályozók vagy nyomáscsökkentő berendezések esetében legalább 2 cikluson keresztül kell igazolni a működést és az újrazáródást. Az ütközés utáni vizsgálatok során a nyomásszabályozók vagy a nyomáscsökkentő berendezések szellőztetéséből származó kipufogógázt nem szabad az utastérbe vagy a csomagtérbe engedni.
A gyártó döntése szerint vagy a 2.7.1. pont szerinti vizsgálati eljárást, vagy a 2.7.2. pont szerinti (a 2.7.2.1. és a 2.7.2.2. pontot felölelő) vizsgálati eljárást kell alkalmazni.
2.7.1. A cseppfolyósított hidrogén tárolására szolgáló rendszerek ütközés utáni szivárgásvizsgálata
2.7.1.1. Annak megerősítését követően, hogy a nyomásszabályozó és/vagy biztonsági szelepek továbbra is működőképesek, a cseppfolyósított hidrogén tárolására szolgáló rendszer szivárgásmentességét az összes lehetséges szivárgó alkatrész vizsgálatával lehet igazolni, melyet egy kalibrált héliumszivárgás-vizsgáló eszköz szivárgásfelderítési üzemmódban használt szivárgásérzékelőjével kell elvégezni. A vizsgálatot alternatív vizsgálatként lehet elvégezni az alábbi előfeltételek teljesülése esetén:
a) egyetlen lehetséges szivárgó alkatrész sem található a tárolótartályban lévő folyékony nitrogén szintje alatt;
b) a cseppfolyósított hidrogén tárolására szolgáló rendszer nyomás alá helyezésekor valamennyi lehetséges szivárgó alkatrészt nyomás alá helyezik héliumgázzal;
c) az előírt fedeleket és/vagy felépítményelemeket és -alkatrészeket el lehet távolítani, hogy valamennyi lehetséges szivárgási helyszín megközelíthető legyen.
2.7.1.2. A vizsgálat előtt a gyártónak jegyzéket kell készítenie a cseppfolyósított hidrogén tárolására szolgáló rendszer valamennyi lehetséges szivárgó alkatrészéről. A lehetséges szivárgó alkatrészek a következők:
a) a csövek közötti, valamint a csövek és a tartály közötti csatlakozók;
b) a csöveknek és alkatrészeknek a tartály után található hegesztései;
c) a szelepek;
d) a rugalmas vezetékek;
e) érzékelők
2.7.1.3. A szivárgásvizsgálat előtt a cseppfolyósított hidrogén tárolására szolgáló rendszerben a túlnyomást légköri nyomásra kell csökkenteni, majd ezt követően a rendszert hélium használatával nyomás alá kell helyezni legalább az üzemi nyomás eléréséig, de jóval a szokásos nyomásszabályozási szint előtt megállva (hogy a nyomásszabályozók ne lépjenek működésbe a vizsgálat ideje alatt). A vizsgálat akkor sikeres, ha a teljes szivárgás mennyisége (azaz az összes pontról származó észlelt szivárgások összege) kisebb, mint 216 Nml/óra.
2.7.2. A cseppfolyósított hidrogén tárolására szolgáló rendszerek ütközés utáni alternatív szivárgásvizsgálatai
A 2.7.2.1. és a 2.7.2.2. pontban leírt mindkét vizsgálatot a 2.7.2. pontban leírt vizsgálati eljárás szerint kell elvégezni.
2.7.2.1. Ütközés utáni alternatív szivárgásvizsgálat
2.7.2.1.1. Annak megerősítését követően, hogy a nyomásszabályozó és/vagy biztonsági szelepek továbbra is működőképesek, a következő vizsgálatot lehet elvégezni az ütközés utáni szivárgás mérése céljából. A 2.1.1. pontban leírt koncentrációvizsgálatot ezzel párhuzamosan kell elvégezni a 60 perces vizsgálati időszak alatt, ha a hidrogénkoncentrációt még nem mérték meg közvetlenül az ütközés után.
2.7.2.1.2. A tartályt addig kell szellőztetni, amíg légköri nyomás nem alakul ki benne, cseppfolyósított tartalmát ki kell ereszteni, és fel kell melegíteni a környezeti hőmérsékletre. A melegítés elvégezhető például a tartály meleg nitrogénnel történő, megfelelő számú átöblítésével vagy a vákuumnyomás növelésével.
2.7.2.1.3. Ha a nyomásszabályozó által beállított nyomás kisebb, mint a megengedett legnagyobb üzemi nyomás 90 %-a, a nyomásszabályozót le kell tiltani, hogy a szivárgásvizsgálat során ne kapcsoljon be és ne eressze ki a gázt.
2.7.2.1.4. Ezt követően a tartályt héliummal át kell öblíteni a következő módszerek egyikével:
a) legalább ötször gázt áteresztve a tartályon; vagy
b) a cseppfolyósított hidrogén tárolására szolgáló rendszer legalább ötszöri nyomás alá helyezésével és nyomásmentesítésével.
2.7.2.1.5. A cseppfolyósított hidrogén tárolására szolgáló rendszert ezután héliummal kell feltölteni a tartály megengedett legnagyobb üzemi nyomása 80 %-ának vagy az elsődleges nyomáscsökkentő szelep beállítása 10 %-ának megfelelő érték eléréséig, attól függően, hogy melyik az alacsonyabb nyomás, és 60 percig ilyen állapotban kell hagyni. A 60 perces vizsgálati időszak alatt mért nyomásveszteség nem haladhatja meg a következő, a cseppfolyósított hidrogén tárolására szolgáló rendszer folyadékkapacitásán alapuló határértékeket:
a) 0,20 MPa megengedett veszteség a legfeljebb 100 literes rendszerek esetében;
b) 0,10 MPa megengedett veszteség a 100 liternél nagyobb, de legfeljebb 200 literes rendszerek esetében; valamint
c) 0,05 MPa megengedett veszteség a 200 literesnél nagyobb rendszerek esetében.
2.7.2.2. A zárt terek ütközés utáni vizsgálata
2.7.2.2.1. A mérések eredményét a folyékony hidrogén esetleges szivárgásának értékelése céljából a 2.7.2.1. pont szerint végzett ütközési vizsgálat (amennyiben a cseppfolyósított hidrogén tárolására szolgáló rendszer hidrogént tartalmaz az ütközési vizsgálathoz) vagy a 2.2. pont szerint végzett héliumszivárgás-vizsgálat keretében kell rögzíteni.
2.7.2.2.2. Ki kell választani a hidrogén vagy hélium felhalmozódásának mérésére szolgáló érzékelőket (attól függően, hogy a cseppfolyósított hidrogén tárolására szolgáló rendszer milyen gázt tartalmaz az ütközési vizsgálathoz). Az érzékelőknek vagy a zárt terek levegőjének hidrogén/hélium arányát, vagy az oxigén mennyiségének csökkenését kell mérniük (miután a levegőt kiszorítja a szivárgó hidrogén/hélium).
2.7.2.2.3. Az érzékelőket visszakövethető referenciákhoz viszonyítva kell kalibrálni, mérési pontosságuknak 5 %-osnak kell lennie a levegő hidrogéntartalmának 4 térfogat-százalékos, illetve héliumtartalmának 0,8 térfogat-százalékos célértéke tekintetében (a cseppfolyósított hidrogénnel, illetve a szobahőmérsékleten héliummal végzett vizsgálat esetében), és az e célértékeket legalább 25 %-kal meghaladó teljes mérési kapacitással kell rendelkezniük. Az érzékelőnek képesnek kell lennie arra, hogy 10 másodpercen belül 90 %-os választ adjon a koncentráció teljes mértékű megváltozására.
2.7.2.2.4. A cseppfolyósított hidrogén tárolására szolgáló rendszerrel felszerelt járművek esetében a beépítésre ugyanazok a követelmények érvényesek, mint a sűrítetthidrogén-tároló rendszerrel felszerelt járművekre vonatkozóan a 2.2. pontban meghatározott követelmények. Az érzékelők adatait legalább 5 másodpercenként kell összegyűjteni, és az adatgyűjtést 60 percig kell folytatni onnantól számítva, hogy a jármű nyugalmi helyzetbe kerül, amennyiben az ütközés utáni hidrogénszintet mérik, vagy hogy megkezdődik a héliumszivárgás vizsgálata, amennyiben a hélium felhalmozódását mérik. A méréseknél alkalmazni lehet egy legfeljebb 5 másodperces mozgóátlagot a "simítás" és a hamis adatpontok hatásainak kiszűrése érdekében. Az egyes érzékelők mozgóátlagának az ütközés utáni 60 perces vizsgálati időszak alatt mindvégig a levegő hidrogéntartalmának 4 térfogat-százalékos, illetve héliumtartalmának 0,8 térfogat-százalékos célértéke alatt kell maradnia (a cseppfolyósított hidrogénnel, illetve a szobahőmérsékleten héliummal végzett vizsgálat esetében).
E. szakasz
A gépjárművekre vonatkozó műszaki előírások a hidrogénrendszerük tekintetében, beleértve az anyagkompatibilitást, a töltőcsonkot és a jármű azonosítását
1. A sűrített hidrogén tárolására szolgáló rendszerrel felszerelt járművekre vonatkozó, a 134. sz. ENSZ-előírásban ( 36 ) meghatározott követelményeket kiegészítő általános követelmények és a cseppfolyósított hidrogén tárolására szolgáló rendszerrel felszerelt járművekre vonatkozó általános követelmények
1.1. A sűrített hidrogén tárolására szolgáló rendszer beépített alkotóelemeit (azaz a nagynyomású tartályt, a hővezérlésű nyomáscsökkentő berendezést magukban foglaló elsődleges záróberendezéseket, a visszacsapószelepet és az automatikus elzárószelepet) e rendelet és a 134. sz. ENSZ-előírás alapján kell típusjóváhagyással és jelöléssel ellátni (azaz kettős jelölés szükséges).
1.2. A cseppfolyósított hidrogén tárolására szolgáló rendszer beépített alkotóelemeit (azaz a nyomáscsökkentő berendezéseket és az elzáróberendezéseket) e rendelet alapján kell típusjóváhagyással és jelöléssel ellátni.
1.3. A gyártónak biztosítania kell, hogy az F. szakaszban meghatározottak szerint a hidrogéntároló rendszerben használt anyagok kompatibilisek legyenek a hidrogénnel és a várhatóan használt adalékanyagokkal és gyártási szennyezőanyagokkal, valamint a várható hőmérséklet- és nyomásértékekkel. Ez nem vonatkozik azokra az anyagokra, amelyek szokásos körülmények között nem érintkeznek hidrogénnel.
1.4. A jármű azonosítása
1.4.1. Az M1 és N1 kategóriájú hidrogénüzemű járművek esetében egy címkét kell elhelyezni a jármű motorterében (vagy ezzel egyenértékű terében), egy másikat pedig a töltőcsonk közelében.
1.4.2. Az M2 és M3 kategóriájú hidrogénüzemű járművek esetében címkét kell elhelyezni az alábbi helyeken: a jármű hátulján és elején, a töltőcsonk közelében, valamint minden egyes ajtó vagy ajtópár oldalán.
1.4.3. Az N2 és N3 kategóriájú hidrogénüzemű járművek esetében címkét kell elhelyezni az alábbi helyeken: a jármű hátulján és elején, valamint a töltőcsonk közelében.
1.4.4. A címkéknek meg kell felelniük az ISO 17840-4:2018 nemzetközi szabvány 4-4.7. pontjában előírtaknak.
2. A sűrített hidrogén tárolására szolgáló rendszerrel felszerelt járművek töltőcsonkjára vonatkozó, a 134. számú ENSZ-előírásban meghatározott követelményeket kiegészítő általános követelmények és a cseppfolyósított hidrogén tárolására szolgáló rendszerrel felszerelt járművek töltőcsonkjára vonatkozó általános követelmények
2.1. A töltőcsonk címkéje:
a töltőcsonk közelében, például a töltőnyíláson belül egy címkét kell elhelyezni, melyen a következő információkat kell feltüntetni: az üzemanyag típusa (pl. gáz-halmazállapotú hidrogén esetében "CHG"), a legnagyobb üzemanyagtöltési nyomás, a névleges üzemi nyomás, valamint a tartályok üzemből való kivonásának időpontja.
2.2. A töltőcsonkot a töltőfej kényszerreteszelése érdekében be kell szerelni a járműbe. A töltőcsonkot védeni kell a manipulálás, valamint a szennyeződés és a víz behatolása ellen (pl. zárható részbe kell beépíteni). A vizsgálati eljárás szemrevételezéssel történik.
2.3. A töltőcsonk nem szerelhető be a jármű külső energiaelnyelő elemeibe (pl. a lökhárítóba), illetve az utastérbe, a csomagtérbe és más olyan helyekre, ahol a hidrogéngáz felhalmozódhat, és ahol a szellőzés nem kielégítő. A vizsgálati eljárás szemrevételezéssel történik.
2.4. A sűrített hidrogéngázzal működő járművekbe beépített töltőcsonkok mértani kialakításának meg kell felelnie az ISO 17268:2012 nemzetközi szabványnak (vagy későbbi módosításainak), valamint a töltőcsonkoknak kompatibilisnek kell lenniük a H35, H35HF, H70 vagy a H70HF előírással, a névleges üzemi nyomástól és a konkrét alkalmazástól függően.
2.5. Adott esetben a cseppfolyósított hidrogéngázzal működő járművek töltőcsonkjának mértani kialakítása a műszaki szolgálat egyetértésével a gyártó belátása szerint is meghatározható a 2.4. pontban említett szabvány hiányában.
F. szakasz
A hidrogénrendszer alkotóelemeinek anyagkompatibilitására vonatkozó műszaki előírások
1. Követelmények
1.1. Ez a szakasz a sűrített hidrogén tárolására szolgáló rendszerek és a cseppfolyósított hidrogén tárolására szolgáló rendszerek alkotóelemeinek és tárolórendszereinek anyagkompatibilitására vonatkozó követelményeket és vizsgálati eljárásokat határozza meg. A követelmények nem vonatkoznak azokra az anyagokra, amelyek szokásos körülmények között nem érintkeznek hidrogénnel.
2. Különleges követelmények
2.1. A sűrített hidrogén tárolására szolgáló rendszerben használt anyagoknak kompatibilisnek kell lenniük a hidrogénnel, amennyiben folyékony és/vagy gáz-halmazállapotú hidrogénnel érintkeznek. Összeférhetetlen anyagok nem érintkezhetnek egymással.
2.2. Acél
2.2.1. A sűrített hidrogén tárolására szolgáló rendszerben használt acélnak az EN 9809-1:2018 szabvány 6.1-6.4. pontjában, illetve az EN 9809-2:2018 szabvány 6.1-6.3. pontjában foglalt anyagkövetelményeknek kell megfelelnie, az adott esettől függően.
2.3. Rozsdamentes acél
2.3.1. A sűrített hidrogén tárolására szolgáló rendszerben használt rozsdamentes acélnak az 1964-3:2000 szabvány 4.1-4.4. pontjában foglalt követelményeknek kell megfelelnie.
2.3.2. A tartályok bélésének kialakítására szánt hegesztett rozsdamentes acélnak az EN 13322-2:2006 szabvány 4.1-4.3. pontjában, valamint 6.1., 6.2. és 6.4. pontjában foglaltaknak kell megfelelnie, az adott esettől függően.
2.4. Alumíniumötvözetek
2.4.1. A sűrített hidrogén tárolására szolgáló rendszerben használt alumíniumötvözeteknek az ISO 7866:2012 nemzetközi szabvány 6.1. és 6.2. pontjában foglalt követelményeknek kell megfelelnie.
2.4.2. A tartályok bélésének kialakítására szánt hegesztett alumíniumötvözeteknek az EN 12862:2000 szabvány 4.2-4.3. pontjában, valamint 4.1.2. és 6.1. pontjában foglaltaknak kell megfelelniük.
2.5. Műanyag bélésanyagok
2.5.1. A hidrogéntároló tartályok műanyag béléséhez alkalmazott anyag lehet hőre keményedő vagy hőre lágyuló.
2.6. Szálak
2.6.1. A tartály gyártójának a tartály tervezett élettartama során folyamatosan nyilván kell tartania az összetett szerkezeti anyagokra vonatkozóan közzétett előírásokat, beleértve a fontosabb vizsgálati eredményeket (például a szakítóvizsgálat tekintetében), valamint az anyag gyártójának ajánlásait a tárolási körülményekre és a tárolhatóság időtartamára vonatkozólag.
2.6.2. A tartály gyártójának az egyes tartálytételek tervezett élettartama során folyamatosan nyilván kell tartania a szál gyártójának arra vonatkozó tanúsítványát, hogy valamennyi szállítmány összhangban van a gyártónak a termékre vonatkozó előírásaival.
2.6.3. A gyártónak a piacfelügyeleti tevékenységekért felelős nemzeti hatóság, valamint a Bizottság kérésére haladéktalanul hozzáférhetővé kell tennie ezeket az információkat.
2.7. Gyanták
2.7.1. A szálak impregnáláshoz alkalmazott polimer anyag lehet hőre keményedő vagy hőre lágyuló gyanta.
3. A hidrogénnel való kompatibilitás vizsgálata
3.1. A sűrített hidrogén tárolására szolgáló rendszerekben használt fémes anyagok esetében az anyag és a hegesztések hidrogénnel való kompatibilitását az ISO 11114-1:2017 és az ISO 11114-4:2017 nemzetközi szabványoknak megfelelően kell igazolni, és a vizsgálatokat a várható üzemi körülményeknek megfelelő, hidrogént tartalmazó környezetben kell elvégezni (pl. 70 MPa-os rendszerek esetében a hidrogénnel való kompatibilitási vizsgálatot 70 Mpa-os környezetben, 40 °C hőmérsékleten kell elvégezni). Alternatív megoldásként a műszaki szolgálattal és a típusjóváhagyó hatósággal egyetértésben a megfelelőség az SAE J2579:2018 szabvány alapján is igazolható.
3.2. A 3.1. pont rendelkezéseinek való megfelelést nem kell igazolni:
a) az EN 9809-1:2018 szabvány 6.3. és 7.2.2. pontjának megfelelő acél esetében;
b) az ISO 7866:2012 nemzetközi szabvány 6.1. pontjának megfelelő alumíniumötvözetek esetében; vagy
c) a teljesen bevont, nemfémes bélésű tartályok esetében.
3.3. A cseppfolyósított hidrogén tárolására szolgáló rendszerekben használt anyagok esetében a kompatibilitást az EN 1251-1:2000 és a DIN EN ISO 21028-1:2017-01 nemzetközi szabványoknak vagy a gyártó döntése szerint más vonatkozó szabványoknak, például az SAE J2579:2018 szabványnak megfelelően kell igazolni, amennyiben ez releváns és lehetséges, és a vizsgálatokat a várható üzemi körülményeknek megfelelő, hidrogént tartalmazó környezetben kell elvégezni. Az anyagok hidrogénnel való kompatibilitása egy mintadarabon vagy magán a tárolórendszeren vagy alkotóelemen is igazolható, az adott esetnek megfelelő feltételezett nyomás alkalmazásával. A műszaki szolgálatnak ellenőriznie kell az összes említett tételt, és a vizsgálati eredményeket részletesen dokumentálnia kell a vizsgálati jegyzőkönyvben.
3. RÉSZ
A. szakasz
EU-TÍPUSBIZONYÍTVÁNY (JÁRMŰRENDSZER)
Értesítés egy járműtípus típusjóváhagyásának megadásáról / kiterjesztéséről / elutasításáról / visszavonásáról ( 37 ) a hidrogénrendszer, többek között az anyagkompatibilitás és a töltőcsonk tekintetében, a legutóbb az (EU) .../... rendelettel módosított (EU) 2021/535 [Kérjük, illesszék be e rendelet hivatkozását] rendelet XIV. mellékletében meghatározott követelményekkel összhangban
Az EU-típusbizonyítvány száma:
A kiterjesztés / elutasítás / visszavonás (37) oka:
I. SZAKASZ
(Az (EU) 2020/683 bizottsági végrehajtási rendelet III. mellékletében található B. minta I. szakaszának megfelelően kell kitölteni.)
II. SZAKASZ
(Az (EU) 2020/683 bizottsági végrehajtási rendelet I. mellékletében található B. minta II. szakaszának megfelelően kell kitölteni.)
Kiegészítés
a(z) ... számú EU-típusbizonyítványhoz
Kiegészítő információk
A járműtípusba beépített hidrogénrendszer és egyes alkotóelemek típusjóváhagyási száma a 134. sz. ENSZ-előírás és az (EU) 2021/535 [Kérjük, illesszék be e rendelet hivatkozását] rendelet szerint:
1. A sűrítetthidrogén-tároló rendszerrel (rendszerekkel) felszerelt hidrogénüzemű jármű biztonságot érintő teljesítménye:
134. sz. ENSZ-előírás:
2. Hidrogéntároló rendszer(ek):
134. sz. ENSZ-előírás:
(EU) 2021/535 rendelet [e rendelet]:
3. Automatikus elzárószelep(ek):
134. sz. ENSZ-előírás:
(EU) 2021/535 rendelet [e rendelet]:
4. Visszacsapószelep(ek) vagy a visszaáramlást megakadályozó szelep(ek):
134. sz. ENSZ-előírás:
(EU) 2021/535 rendelet [e rendelet]:
5. Hővezérlésű nyomáscsökkentő berendezés(ek):
134. sz. ENSZ-előírás:
(EU) 2021/535 rendelet [e rendelet]:
B. szakasz
EU-TÍPUSBIZONYÍTVÁNY (ALKOTÓELEM)
Értesítés egy hidrogénrendszerekben használandó alkotóelem-típus típusjóváhagyásának megadásáról / kiterjesztéséről / elutasításáról / visszavonásáról ( 38 ), a legutóbb az (EU) .../... rendelettel módosított (EU) 2021/535 [Kérjük, illesszék be e rendelet hivatkozását] rendelet XIV. mellékletében meghatározott követelményekkel összhangban
Az EU-típusbizonyítvány száma:
A kiterjesztés / elutasítás / visszavonás (38) oka:
I. SZAKASZ
(Az (EU) 2020/683 bizottsági végrehajtási rendelet III. mellékletében található C. minta I. szakaszának megfelelően kell kitölteni.)
II. SZAKASZ
(Az (EU) 2020/683 bizottsági végrehajtási rendelet III. mellékletében található C. minta II. szakaszának megfelelően kell kitölteni.)
Kiegészítés
a(z) ... számú EU-típusbizonyítványhoz
1. Kiegészítő információk
2. Az alkotóelem rövid ismertetése a tervezési jellemzői és szerkezeti anyagai tekintetében:
3. Példa a típusjóváhagyási jelre:
4. Megjegyzések:
C. szakasz
Az alkotóelemek EU-típusjóváhagyási jele
1. Az alkotóelemeknek az (EU) 2018/858 rendelet 38.cikke (2) bekezdésében említett EU-típusjóváhagyási jele a következőkből áll:
1.1. egy téglalap, benne a nyomtatott kis "e" betű, amelyet azon tagállam megkülönböztető száma követ, amely az alkotóelem vagy önálló műszaki egység EU-típusjóváhagyását megadta, az alábbiak szerint:
1 | Németország |
2 | Franciaország |
3 | Olaszország |
4 | Hollandia |
5 | Svédország |
6 | Belgium |
7 | Magyarország |
8 | Cseh Köztársaság |
9 | Spanyolország |
12 | Ausztria |
13 | Luxemburg |
17 | Finnország |
18 | Dánia |
19 | Románia |
20 | Lengyelország |
21 | Portugália |
23 | Görögország |
24 | Írország |
25 | Horvátország |
26 | Szlovénia |
27 | Szlovákia |
29 | Észtország |
32 | Lettország |
34 | Bulgária |
36 | Litvánia |
49 | Ciprus |
50 | Málta |
1.2. A téglalap közelében két számjegy (jelenleg "00") jelzi az azon követelményeket megállapító módosítássorozat számát, amelyeknek az adott alkotóelem megfelel; majd egy szóköz után az (EU) 2018/858 rendelet IV. mellékletének 2.4. pontjában említett ötjegyű szám következik.
2. Az alkotóelemek EU-típusjóváhagyási jelét eltávolíthatatlanul és jól olvashatóan kell elhelyezni.
3. Az 1. ábra az alkotóelemek EU-típusjóváhagyási jelét szemlélteti.
1. ábra
Példa az alkotóelemek EU-típusjóváhagyási jelére

Magyarázó megjegyzés
Jelmagyarázat | Az alkotóelem EU-típusjóváhagyását 00406 sorszámmal Hollandia adta ki. Az első két számjegy (00) azt jelzi, hogy az alkotóelemet e rendelettel összhangban hagyták jóvá. |
( 1 ) A nem kívánt rész törlendő.
( 2 ) Az (EU) 2018/858 rendelet I. mellékletének A. részében szereplő fogalommeghatározásoknak megfelelően osztályozva.
( 3 ) A nem kívánt rész törlendő.
( 4 ) A nem kívánt rész törlendő.
( 5 ) Az Egyesült Nemzetek Szervezete Európai Gazdasági Bizottságának (ENSZ EGB) 55. számú előírása - Egységes rendelkezések járműszerelvények mechanikus csatlakozó-alkatrészeinek jóváhagyásáról (HL L 153., 2018.6.15., 179. o.).
( 6 ) A nem kívánt rész törlendő.
( 7 ) Az Egyesült Nemzetek Európai Gazdasági Bizottságának (ENSZ EGB) 43. számú előírása - Egységes rendelkezések biztonsági üvegezésre alkalmas anyagok és azok járművekbe való beszerelésének jóváhagyásáról (HL L 42., 2014.2.12., 1. o.).
( 8 ) A nem kívánt rész törlendő.
( 9 ) A nem kívánt rész törlendő.
( 10 ) A nem kívánt rész törlendő.
( 11 ) A nem kívánt rész törlendő.
( 12 ) A nem kívánt rész törlendő.
( 13 ) Az Egyesült Nemzetek Európai Gazdasági Bizottságának (ENSZ EGB) 30. számú előírása - Egységes rendelkezések gépjárművek és pótkocsijuk gumiabroncsainak jóváhagyásáról (HL L 307., 2011.11.23., 1. o.).
( 14 ) Az Egyesült Nemzetek Európai Gazdasági Bizottságának (ENSZ EGB) 54. számú előírása - Egységes rendelkezések haszongépjárművek és pótkocsijuk gumiabroncsainak jóváhagyásáról (HL L 183., 2008.7.11., 41. o.).
( 15 ) A nem kívánt rész törlendő.
( 16 ) A nem kívánt rész törlendő.
( 17 ) HL L 175., 2017.7.7., 1. o.
( 18 ) Az Egyesült Nemzetek Európai Gazdasági Bizottságának (ENSZ EGB) 121. számú előírása - Egységes rendelkezések a járműveknek a kézi működtetésű kezelőszervek, a visszajelző lámpák és kijelzők elhelyezésének és azonosításának tekintetében történő jóváhagyásáról (HL L 5., 2016.1.8., 9. o.).
( 19 ) A 83. sz. ENSZ-előírás 4a. mellékletének meghatározása szerint.
( 20 ) Az Egyesült Nemzetek Szervezete Európai Gazdasági Bizottságának (ENSZ EGB) 83. számú előírása - Egységes rendelkezések a járműveknek a motor tüzelőanyag-szükséglete szerinti szennyezőanyag-kibocsátása tekintetében történő jóváhagyásáról [2015/1038] (HL L 172., 2015.7.3., 1. o.).
( 21 ) A nem kívánt rész törlendő.
( 22 ) A nem kívánt rész törlendő.
( 23 ) A nem kívánt rész törlendő.
( 24 ) 127. számú ENSZ-előírás - Egységes rendelkezések a gépjárműveknek a gyalogosbiztonsági teljesítményük tekintetében történő jóváhagyásáról [2020/638] (HL L 154., 2020.5.15., 1. o.).
( 25 ) A nem kívánt rész törlendő.
( 26 ) Az Egyesült Nemzetek Szervezete Európai Gazdasági Bizottságának (ENSZ EGB) 55. számú előírása - Egységes rendelkezések járműszerelvények mechanikus csatlakozó-alkatrészeinek jóváhagyásáról (HL L 153., 2018.6.15., 179. o.).
( 27 ) Az ENSZ Európai Gazdasági Bizottságának (ENSZ EGB) 102. sz. előírása - Egységes rendelkezések a következők jóváhagyására vonatkozóan: I. Rövid vonószerkezetek (CCD) II. Járművek, jóváhagyott típusú rövid vonószerkezettel való felszerelés tekintetében (HL L 351., 2008.12.20., 44. o.).
( 28 ) HL L 255., 2010.9.29., 1. o.
( 29 ) 142. számú ENSZ-előírás - Egységes rendelkezések a gépjárműveknek a gumiabroncsaik felszerelése tekintetében történő jóváhagyásáról (2020/242) (HL L 48., 2020.2.21., 60. o.).
( 30 ) Üzemanyagcellás hibrid járművek (FCHV) vagy tisztán elektromos járművek esetében meg kell adni a tömegnövekmény értékét. Ez az érték a nagyfeszültségű akkumulátorcsomag(ok) össztömegének és a (90 %-ban feltöltött) referencia-üzemanyag-tartály tömegének különbségéből adódik. Az értéket egész kilogrammra kell kerekíteni, tizedesjegyek nélkül. Akkumulátorcserére alkalmas gépjárművek esetében meg kell adni a gépjármű gyártásakor mért tömeget. Ha nincs referenciaként gyártott belső égésű motorral felszerelt jármű, ez a mező nem alkalmazandó."
( 31 ) Az Egyesült Nemzetek Európai Gazdasági Bizottságának 85. számú előírása (UN/ECE) - Egységes rendelkezések az M és N kategóriájú gépjárművek meghajtására szánt belső égésű motoroknak és elektromos hajtóműveknek az effektív teljesítmény és az elektromos hajtóművek 30 perces legnagyobb teljesítménye tekintetében történő jóváhagyására vonatkozóan (HL L 326., 2006.11.24., 55. o.).
( 32 ) Üzemanyagcellás hibrid járművek (FCHV) vagy tisztán elektromos járművek esetében meg kell adni a tömegnövekményt. Ez az érték a nagyfeszültségű akkumulátorcsomag(ok) össztömegének és a (90 %-ban feltöltött) referencia-üzemanyag-tartály tömegének különbségéből adódik. Az értéket egész kilogrammra kell kerekíteni, tizedesjegyek nélkül. Akkumulátorcserére alkalmas gépjárművek esetében meg kell adni a gépjármű gyártásakor mért tömeget. Ha nincs referenciaként gyártott belső égésű motorral felszerelt jármű, ez a mező nem alkalmazandó.
( 33 ) HL L 96., 2014.3.29., 107. o.
( 34 ) A nem kívánt rész törlendő.
( 35 ) A nem kívánt rész törlendő.
( 36 ) Az Egyesült Nemzetek Európai Gazdasági Bizottságának (ENSZ EGB) 134. számú előírása - Egységes rendelkezések a gépjárműveknek és alkatrészeiknek a hidrogénüzemű járművek (HFCV) biztonságot érintő teljesítménye tekintetében történő jóváhagyásáról [2019/795] (HL L 129., 2019.5.17., 43. o.).
( 37 ) A nem kívánt rész törlendő.
( 38 ) A nem kívánt rész törlendő.
Lábjegyzetek:
[1] A dokumentum eredetije megtekinthető CELEX: 32021R0535 - https://eur-lex.europa.eu/legal-content/HU/ALL/?uri=CELEX:32021R0535&locale=hu Utolsó elérhető, magyar nyelvű konszolidált változat CELEX: 02021R0535-20250101 - https://eur-lex.europa.eu/legal-content/HU/ALL/?uri=CELEX:02021R0535-20250101&locale=hu