31985R3821[1]
A Tanács 3821/85/EGK rendelete (1985. december 20.) a közúti közlekedésben használt menetíró készülékekről
A TANÁCS 3821/85/EGK RENDELETE
(1985. december 20.)
a közúti közlekedésben használt menetíró készülékekről
AZ EURÓPAI KÖZÖSSÉGEK TANÁCSA,
tekintettel az Európai Gazdasági Közösséget létrehozó szerződésre és különösen annak 75. cikkére,
tekintettel a Bizottság javaslatára ( 1 ),
tekintettel az Európai Parlament véleményére ( 2 ),
tekintettel a Gazdasági és Szociális Bizottság véleményére ( 3 ),
mivel legutóbb a 2828/77/EGK ( 4 ) rendelettel módosított 1463/70/EGK ( 5 ) rendelet menetíró készüléket vezetett be a közúti közlekedésben;
mivel, figyelembe véve az alábbiakban a kérdések tisztázása érdekében meghatározott módosításokat, az összes megfelelő rendelkezést egyetlen szövegbe kell összevonni, és ennek következtében az 1463/70/EGK rendeletet hatályon kívül kell helyezni; mivel azonban a 3. cikk (1) bekezdésében rögzített, egyes személyszállítási szolgáltatásokra vonatkozó mentességeknek egyelőre még hatályban kell maradniuk;
mivel a közúti szállításra vonatkozó egyes szociális jogszabályok összehangolásáról szóló, 1985. december 20-i 3820/85/EGK tanácsi rendeletben ( 6 ) említett időtartamokat rögzítő menetíró készülék alkalmazása ezeknek a szociális jogszabályoknak a hatékony ellenőrzését kívánja biztosítani;
mivel az ilyen menetíró készülék használatának kötelezettségét csakis a tagállamokban nyilvántartásba vett járművekre szabad előírni; mivel ezenkívül egyes ilyen járműveket minden nehézség nélkül ki lehet vonni a rendelet alkalmazási köre alól;
mivel a tagállamoknak rendelkezniük kell jogosultsággal arra, hogy a Bizottság engedélyével, rendkívüli körülmények között egyes járművek tekintetében mentességet adjanak a rendelet rendelkezései alól; mivel sürgős esetekben lehetővé kell tenni az ilyen mentességek megadását meghatározott időre a Bizottság előzetes engedélye nélkül;
mivel a hatékony ellenőrzés biztosításához a készüléknek megbízhatóan kell működnie, könnyen kezelhetőnek és olyan kialakításúnak kell lennie, amely minimálisra csökkenti a csalárd felhasználás lehetőségét, mivel e célból ennek az ellenőrző készüléknek különösképpen képesnek kell lennie arra, hogy minden egyes járművezető számára megfelelően pontos és könnyen leolvasható formában, külön íveken rögzítse az egyes időtartamokat;
mivel egy jármű olyan egyéb adatainak az automatizált feljegyzése, mint a sebesség és a megtett útszakasz, jelentősen hozzájárulhat a közúti közlekedés biztonságához és a jármű ésszerű vezetésére bátorít; mivel következésképpen helyesnek látszik, hogy a készülék ilyen adatokat is rögzítsen;
mivel a menetíró készülék kialakítására és beépítésére közösségi szabványok előírására van szükség, amelyet az EGK-jóváhagyási eljárásának kell alávetni, hogy a tagállamok egész területén kizárják az ilyen menetíró készülékekkel felszerelt járművek nyilvántartásba vételével, forgalomba helyezésével vagy használatba vételével és az ilyen készülékek használatával összefüggő akadályokat;
mivel amikor a tagállamok között az EGK-típus-jóváhagyási ügyek vonatkozásában véleménykülönbségek merülnek fel, a vitákban a Bizottságot döntési joggal kell felruházni, amennyiben a tagállamok hat hónapon belül egymás közt nem tudják a vitát rendezni;
mivel hasznos lenne a rendelet végrehajtásához és a visszaélések megakadályozásához, hogy a járművezetők kérésükre az adatrögzítő lapjaikról másolatot kapjanak;
mivel a munka- és a pihenőidők fent említett ellenőrzésének céljából szükség van arra, hogy a munkáltatók és a járművezetők felelősök legyenek a készülék kifogástalan működésének figyelemmel kíséréséért és az előírt műveletek kellő gondosságú végrehajtásáért;
mivel a járművezetők által maguknál tartandó adatrögzítő lapok számát szabályozó előírásokat, a rugalmas munkahétnek a rögzített munkahéttel történő helyettesítését követően, módosítani kell;
mivel a műszaki fejlődés a rendelet mellékleteiben rögzített műszaki előírások gyors kiigazítását teszi szükségessé; mivel az ehhez szükséges intézkedések végrehajtásának elősegítése érdekében rendelkezést kell hozni egy, a tagállamok és a Bizottság közötti, egy Tanácsadó Bizottság keretében folytatott szoros együttműködést létrehozó eljárás bevezetésére;
mivel a megállapított jogsértésekről a tagállamok kicserélhetik a rendelkezésükre álló információkat;
mivel annak biztosítására, hogy a menetíró készülék kifogástalanul és megbízhatóan működjön, tanácsos a készülékek időszakos ellenőrzésére és felülvizsgálatára egységes követelményeket megszabni, amely ellenőrzéseknek a beépítést követően vetik alá a készülékeket,
ELFOGADTA EZT A RENDELETET:
I. FEJEZET
Alapelvek és alkalmazási kör
1. cikk
Az e rendelet szerinti menetíró készülékek a kialakítás, a beépítés, a használat és az ellenőrzés tekintetében megfelelnek a rendelet és az I. vagy I. B., illetve II. melléklet követelményeinek.
2. cikk
E rendelet céljából a közúti szállításra vonatkozó egyes szociális jogszabályok összehangolásáról, valamint a 3821/85/EGK és a 2135/98/EK tanácsi rendelet módosításáról, szóló 2005. március 15-i 561/2006/EK európai parlamenti és tanácsi rendelet ( 7 )4. cikkében szereplő fogalommeghatározások alkalmazandók.
3. cikk
(1) Menetíró berendezést kell beszerelni és használni a tagállamokban nyilvántartott olyan járművekbe, melyeket közúti áru- vagy személyszállításra alkalmaznak, kivéve a 561/2006/EK rendelet 3. cikkében említett járműveket. A 561/2006/EK rendelet 16. cikke (1) bekezdésében említett, és azon járműveknek, melyek mentességet kaptak a 3820/85/EGK rendelet alkalmazási hatálya alól, de nem mentesülnek a 561/2006 rendelet előírásai alól, 2007. december 31-ig meg kell felelniük e rendeletnek.
(2) A tagállamok mentesíthetik a 561/2006/EK rendelet 13. cikke (1) és (3) bekezdésében említett járműveket e rendelet alkalmazása alól.
(3) A tagállamok a Bizottság általi felhatalmazást követően mentesíthetik a 561/2006/EK rendelet 14. cikkében meghatározott szállítási célokra használt járműveket e rendelet hatálya alól.
(4) A tagállamok a belső szállításnál előírhatják a rendeletnek megfelelő menetíró készülékek beépítését és használatát minden olyan járműnél, amelyekbe az (1) bekezdés szerint nem szükséges mentíró készüléket beépíteni és használni.
II. FEJEZET
Típusjóváhagyás
4. cikk
E fejezet alkalmazásában menetíró készülék a menetíró készülék vagy alkatrészei.
Menetíró készülékre vagy adatrögzítő lap vagy a memóriakártya mintájára vonatkozó EGK-típusjóváhagyás iránti kérelmet megfelelő leírással együtt a gyártónak vagy a képviselőjének kell valamelyik tagállamhoz benyújtani. Ugyanarra a készülékre vagy adatrögzítő lap vagy memóriakártya mintára ez a kérelem csak egy tagállamhoz nyújtható be.
5. cikk
A tagállamok minden olyan típusú menetíró készülékre, adatrögzítő lap mintájára vagy memóriakártyára megadják az EK alkatrész-típusjóváhagyást, amelyik megfelel az I. vagy az I. B. melléklet előírásainak, feltéve hogy a tagállamnak lehetősége van ellenőrizni a gyártmány egyezőségét a jóváhagyott típussal.
A rendszernek biztonsági szempontból eleget kell tennie az I. B. mellékletben rögzített műszaki követelményeknek. A Bizottság gondoskodik arról, hogy az említett melléklet kikösse, hogy a menetíró készülék mindaddig nem részesülhet EK alkatrész-típusjóváhagyásban, amíg a teljes rendszerről (amely magából a menetíró készülékből, a járművezetői kártyából és a sebességváltó elektromos sebességjel-csatlakozási pontjaiból áll) be nem bizonyosodott, hogy abban a vezetési időkre vonatkozó adatokat hamisítani vagy megváltoztatni nem lehet. Az e rendelet nem alapvető fontosságú elemeinek módosítására irányuló ezen intézkedéseket a 18. cikk (2) bekezdésében említett, ellenőrzéssel történő szabályozási bizottsági eljárással összhangban kell elfogadni. Az ennek megállapítására szolgáló teszteket olyan szakértők végzik, akik tisztában vannak a legkorszerűbb hamisítási technikákkal.
Bármely jóváhagyott minta módosításához vagy kiegészítéséhez, annak a tagállamnak a kiegészítő EGK-típusjóváhagyása szükséges, amelyik az eredeti EGK típusjóváhagyást kiadta.
6. cikk
A tagállamok a kérelmezőnek a II. mellékletben bemutatott mintának megfelelő EGK-jóváhagyási jelet adnak ki az általuk az 5. cikk szerint jóváhagyott minden egyes menetíró készüléktípusra vagy adatrögzítőlap-mintára vagy a memóriakártyára.
7. cikk
A tagállam hatáskörrel rendelkező hatósága, amelyhez a típusjóváhagyás iránti kérelmet benyújtották, az egyes jóváhagyott vagy elutasított menetíró készülékek vagy adatrögzítőlap-minták vagy a memóriakártya tekintetében egy hónapon belül megküldi a típusbizonyítvány egy példányát és a műszaki leírások egy példányát a többi tagállam hatóságainak, vagy adott esetben értesíti e hatóságokat az elutasításról; elutasítás esetén közli döntése okait.
8. cikk
(1) Amennyiben az a tagállam, amelyik az EGK-típusjóváhagyást az 5. cikk szerint kiadta, azt állapítja meg, hogy az általa kiadott EGK-típus-jóváhagyási jelet viselő menetíró készülék vagy adatrögzítő lap vagy a memóriakártya nem felel meg a jóváhagyott mintának, megteszi a szükséges intézkedéseket annak érdekében, hogy biztosítsa a gyártmány jóváhagyottal való megegyezését. Ezek az intézkedések, ha szükséges, az EGK-típusjóváhagyás megvonásáig terjedhetnek.
(2) Az EGK-típusjóváhagyást kiadó tagállam visszavonja a jóváhagyást, ha a jóváhagyott menetíró készülék vagy az adatrögzítő lap vagy a memóriakártya nincs összhangban ezzel a rendelettel vagy a mellékleteivel vagy a használatánál olyan általános jellegű hiba jelentkezik, amely alkalmatlanná teszi a tervezett célú felhasználást.
(3) Amennyiben egy EGK-típusjóváhagyást kiadó tagállamot egy másik tagállam az (1) és (2) bekezdésben említett valamelyik esetről értesíti, e tagállammal folytatott konzultációt követően megteszi az adott bekezdésekben meghatározott intézkedéseket, az (5) bekezdésre is figyelemmel.
(4) Az a tagállam, amelyik megállapítja, hogy a (2) bekezdésben említett esetek valamelyike fordult elő, további értesítésig megtilthatja a menetíró készülékek és az adatrögzítő lapok vagy a memóriakártya forgalomba hozatalát és üzembe helyezését. Ugyanezt alkalmazza az (1) bekezdésben említett esetekre azon menetíró készülékek vagy adatrögzítő lapok vagy a memóriakártya tekintetében, amelyeket kivontak az EGK kezdeti vizsgálat alól, ha a gyártó megfelelő figyelmeztetést követően sem biztosítja a készülék egyezőségét a jóváhagyott típussal vagy e rendelet követelményeivel. Bármely esetben a tagállamok hatáskörrel rendelkező hatóságai egy hónapon belül értesítik egymást és a Bizottságot az EGK-típusjóváhagyás megvonásáról vagy az (1), (2) és (3) bekezdéssel összhangban tett egyéb intézkedéseikről, és részletesen meghatározzák ezek okait.
(5) Amennyiben egy EGK-típusjóváhagyást kiadó tagállam vitatja az (1) és (2) bekezdésben meghatározottak és a vele közöltek tényét, az érintett tagállamok igyekeznek a vitát rendezni, és erről folyamatosan tájékoztatják a Bizottságot.
Ha a megbeszélések a tagállamok között a (3) bekezdés szerinti értesítést követő négy hónapon belül nem vezetnek megállapodáshoz, a Bizottság valamennyi tagállam szakértőinek meghallgatása és valamennyi idevágó - pl. gazdasági és műszaki - tényező megvizsgálása után hat hónapon belül döntést hoz, amit az érdekelt tagállamokkal és egyidejűleg a többi tagállammal is közöl. A Bizottság minden esetben határidőt szab meg döntése végrehajtására.
9. cikk
(1) Az adatrögzítő lap mintájának EGK-típusjóváhagyását kérelmező kérelmében meghatározza azoknak a menetíró készülékeknek a típusát vagy típusait, amelyekre a kérdéses felhasználásra kerülő adatrögzítő lapot tervezték, és a lap teszteléséhez megfelelő ilyen típusú készüléket bocsát rendelkezésre.
(2) Valamennyi tagállam hatáskörrel rendelkező hatósága az adatrögzítő lap mintájának típusbizonyítványán jelzi azoknak a menetíró készülékeknek a típusát vagy típusait, amelyekre a mintalapot használni lehet.
10. cikk
Egyetlen tagállam sem utasíthatja el a menetíró készülékekkel felszerelt járművek nyilvántartásba vételét, vagy tilthatja meg az ilyen járművek üzembe helyezését vagy használatát az ilyen készülékkel történt felszereléssel összefüggő bármely okból, amennyiben a készüléket ellátták a 6. cikkben említett EGK-típus-jóváhagyási jellel, és a 12. cikkben említett illesztési címkével.
11. cikk
A rendelet szerint hozott minden olyan határozatban, amellyel egy menetíró készülék vagy adatrögzítő lap vagy a memóriakártya mintájának típus-jóváhagyást elutasítják vagy visszavonják, részletesen meg kell adni a határozat indokait. A határozatot közlik az érintett féllel, akit ezzel egyidejűleg tájékoztatnak a tagállamok jogszabályai szerint rendelkezésére álló jogorvoslati lehetőségekről és azok érvényesítésének határidejéről.
III. FEJEZET
Beépítés és felülvizsgálat
12. cikk
(1) A menetíró készülék beépítését és javítását csak olyan szerelők és műhelyek végezhetik, akiket, illetőleg amelyeket a tagállamok hatáskörrel rendelkező hatóságai e tekintetben elismertek, miután ezek a hatóságok, amennyiben így döntenek, az érintett gyártókat meghallgatták.
Az elismert műhelyek és szerelők kártyáinak érvényességi ideje nem haladhatja meg az egy évet.
Ha az elismert műhely vagy szerelő részére kiállított kártya érvényességi idejét meg kell hosszabbítani, a kártya megsérül, hibásan működik, elvész vagy ellopják, a hatóság az ilyen célú részletes kérelem kézhezvételének időpontjától számított öt munkanapon belül cserekártyát biztosít.
Ha egy régi kártya helyett újat állítanak ki, az új kártyán ugyanaz a "műhely" információs szám szerepel, mint a régin, de indexszáma eggyel emelkedik. A kártyát kiállító hatóság az elvesztett, ellopott, illetve meghibásodott kártyákat nyilvántartásba veszi.
A tagállamok minden szükséges intézkedést megtesznek annak érdekében, hogy az elismert szerelők és műhelyek részére juttatott kártyák hamisítását megakadályozzák.
(2) Az elismert szerelő vagy műhely az általa felhelyezett plombán a saját megkülönböztető jelét használja, ezenkívül az I. B. mellékletben foglaltaknak megfelelő menetíró készülékekre vonatkozóan beviszi mindenekelőtt a hitelesítő ellenőrzések végrehajtására vonatkozó elektronikus biztonsági adatokat. Minden tagállam hatáskörrel rendelkező hatósága nyilvántartást vezet az alkalmazott jelzésekről és elektronikus biztonsági adatokról, valamint az elismert műhelyek és szerelők részére kiállított kártyákról.
(3) A tagállamok hatáskörrel rendelkező hatóságai haladéktalanul továbbítják a Bizottsághoz az elismert szerelők és műhelyek, valamint a részükre kiállított kártyák jegyzékét, ezenkívül eljuttatják a Bizottság részére az alkalmazott jelek és az elektronikus biztonsági adatokra vonatkozó szükséges információk másolatait.
(4) Annak igazolására, hogy a menetíró berendezések beépítése a rendelet előírásainak megfelelően történt, illesztési címkét helyeznek el, az I. és I. B. mellékletben meghatározottaknak megfelelően.
(5) A hatáskörrel rendelkező hatóság által elismert szerelők vagy műhelyek valamennyi plombát eltávolíthatják e cikk (1) bekezdése szerint vagy az I. melléklet V. fejezetének 4. pontjában vagy az I. B. melléklet VI. fejezetének c) pontjában leírt körülmények között.
IV. FEJEZET
A készülék használata
13. cikk
A munkáltató és a járművezető gondoskodik egyrészt a menetíró készülék, másrészt a járművezetői kártya helyes működéséről és megfelelő használatáról, amennyiben a járművezetőnek az I. B. mellékletben foglaltaknak megfelelő menetíró készülékkel felszerelt járművet kell vezetnie.
14. cikk
(1) A munkáltató megfelelő számú adatrögzítő lapot ad ki azoknak a járművezetőknek, akik az I. mellékletnek megfelelően menetíró készülékkel felszerelt járművet vezetnek, amely mennyiségnél számításba kell venni az adatrögzítő lapok személyes jellegét, a szolgálati idő tartamát és annak a lehetőségét, hogy a sérült, vagy az illetékes ellenőrző tisztviselő által lefoglalt adatrögzítő lapokat pótolni kell. A munkáltató a járművezetőknek csak olyan adatrögzítő lapokat ad ki, amelyek a jóváhagyott mintának megfelelnek és a járműbe beépített készülékhez használhatók.
Amennyiben a jármű az I. B. mellékletben foglaltaknak megfelelő menetíró készülékkel van felszerelve, a munkáltató és a járművezető gondoskodik arról, hogy - a szolgálati idő hosszának figyelembevételével - az I. B. mellékletben említett, kérelemre történő kinyomtatás helyesen történjék meg a felülvizsgálat esetén.
(2) A vállalkozás a 15. cikk (1) bekezdésének megfelelően köteles időrendi sorrendben és olvasható formában, használatukat követően legalább egy évig megőrizni az adatrögzítő lapokat és amennyiben készültek, a kinyomatokat is, és ezekről másolatokat kell adnia az érintett járművezetőknek azok kérésére. A vállalkozás a járművezetői kártyákról letöltött adatokból is másolatokat, illetve nyomtatott példányt ad az érintett járművezetőknek azok kérésére. Az adatrögzítő lapokat, kinyomatokat és a letöltött adatokat be kell mutatni vagy át kell adni az arra jogosult ellenőrzést végző személy kérésére.
(3) Az I. B. mellékletben meghatározott járművezetői kártyát a járművezető kérésére annak a tagállamnak a hatáskörrel rendelkező hatósága állítja ki, amelynek területén a járművezető szokásos tartózkodási hellyel rendelkezik.
A tagállamok előírhatják a 3820/85/EGK rendelet rendelkezéseinek hatálya alá tartozó és a területükön szokásos tartózkodási hellyel rendelkező járművezetők számára, hogy kiváltsák a járművezetői kártyát.
a) E rendelet alkalmazásában "szokásos tartózkodási hely" az a hely, ahol az adott személy általában él, vagyis ahol egy naptári évben legalább 185 napot tölt, személyes és foglalkozásával összefüggő kötöttségei miatt, vagy foglalkozási kötöttségekkel nem rendelkező személy esetén, olyan személyes kötöttségei miatt, amelyek szoros kapcsolatra utalnak az adott személy és azon hely között, ahol él.
Mindazonáltal az olyan személy esetében, akinek a foglalkozással kapcsolatos, illetve személyes kötöttségei eltérő helyekhez kapcsolódnak, és ennek következtében felváltva két vagy több tagállamban található, különböző helyeken él, a szokásos tartózkodási helynek a személyes kötődések szerinti tagállamot kell tekinteni, feltéve hogy az ilyen személy rendszeresen visszatér oda. E legutóbbi feltételnek nem kell teljesülnie, ha az érintett személy azért él egy tagállamban, hogy ott határozott idejű megbízásnak tegyen eleget.
b) A járművezetők bármilyen arra alkalmas eszközzel, például személyazonosító kártyájukkal vagy más érvényes okmánnyal igazolhatják szokásos tartózkodási helyüket.
c) Amennyiben a járművezetői kártyát kiállító tagállam hatáskörrel rendelkező hatóságaiban kétség merül fel a szokásos tartózkodási hely vonatkozásában a b) pont szerint tett nyilatkozat érvényességét illetően, vagy meghatározott külön ellenőrzést kívánnak végezni, úgy további információkat, illetve bizonyítékokat kérhetnek.
d) A kiállító tagállam hatáskörrel rendelkező hatóságai - amennyiben módjukban áll - ellenőrzik, hogy a kérelmező nem rendelkezik-e már érvényes járművezetői kártyával.
(4) a) A tagállam hatáskörrel rendelkező hatósága az I. B. melléklet rendelkezéseinek megfelelően személyes jelleggel ruházza fel a kártyát.
Adminisztratív okokból a járművezetői kártya érvényességi ideje nem haladhatja meg az öt évet.
A járművezető birtokában csak egyetlen érvényes járművezetői kártya lehet. A járművezető csak saját, személyes jelleggel felruházott járművezetői kártyájának használatára jogosult. A járművezető nem használhat hibás, vagy lejárt járművezetői kártyát.
A régi kártya helyett kiállított új kártyán az előzőével megegyező kártyaszám szerepel, de az indexszám eggyel növekedik. A kiállító hatóság legalább a kártyák érvényességi időtartamának megfelelő ideig nyilvántartást vezet a kiadott, ellopott, elveszett vagy hibás járművezetői kártyákról.
Ha a járművezetői kártya megsérül, hibásan működik, elvész vagy ellopják, a hatóság az ilyen értelmű részletes kérelem kézhezvételének időpontjától számított öt munkanapon belül cserekártyát biztosít.
Kártyamegújítási kérelem esetén, ha a kártya lejárati időpontja közeleg, a hatóság a lejárat időpontja előtt új kártyát biztosít, amennyiben a kérelmet a 15. cikk (1) bekezdésének második albekezdésében megállapított határidőkön belül elküldték.
b) Járművezetői kártyát csak olyan kérelmező kap, aki a 3820/85/EGK rendeletben foglalt rendelkezések hatálya alá tartozik.
c) A járművezetői kártya személyre szóló dokumentum. Hivatalos érvényességi ideje alatt csak akkor vonható vissza, illetve érvényessége csak akkor függeszthető fel, ha valamely tagállam hatáskörrel rendelkező hatósága arra a megállapításra jut, hogy a kártyát hamisították vagy a járművezető olyan kártyát használ, amelynek nem ő a tulajdonosa, vagy a kártyát a valóságnak meg nem felelő nyilatkozatok, illetve hamisított okmányok alapján kapta. Ha az ilyen felfüggesztés vagy visszavonás iránt nem az a tagállam intézkedik, amelyik a kártyát kiállította, akkor az előbbi tagállam visszaküldi a kártyát a kiállító tagállam hatóságaihoz és jelzi e visszaküldés indokait.
d) A tagállamok által kiállított járművezetői kártyákat a tagállamok kölcsönösen elismerik.
Ha az egyik tagállamban kiállított érvényes járművezetői kártya tulajdonosa szokásos tartózkodási helyét egy másik tagállamba helyezi át, akkor addigi kártyája helyett azzal egyenértékű új járművezetői kártyát igényelhet. A kártyacserét végrehajtó tagállam feladata szükség esetén annak ellenőrzése, hogy a bemutatott kártya valóban érvényes-e még.
A kártyacserét végrehajtó tagállam visszaküldi a régi kártyát a kiállító tagállam hatóságainak, és jelzi ennek indokait.
e) Amennyiben egy tagállam kicserél vagy lecserél egy járművezetői kártyát, úgy az ilyen cserét - és minden további cserét, illetve megújítást - nyilvántartásba vesznek az adott tagállamban.
f) A tagállamok minden szükséges intézkedést megtesznek annak érdekében, hogy kizárják a járművezetői kártyák hamisításának lehetőségét.
(5) A tagállamok gondoskodnak arról, hogy a 3820/85/EGK rendelet és a Közösségben egyes gépjármű-kategóriákra sebességkorlátozó készülékek felszereléséről és használatáról szóló, 1992. február 10-i 92/6/EGK tanácsi irányelv ( 8 ) betartásának ellenőrzéséhez szükséges adatok - amelyeket az e rendelet I. B. mellékletében foglaltak szerinti menetíró készülékek rögzítenek és tárolnak - rögzítésük időpontjától számított legalább 365 napig rendelkezésre álljanak, valamint arról, hogy az adatok rendelkezésre bocsátása olyan feltételek mellett történjék, amelyek garantálják az adatok biztonságát és pontosságát.
A tagállamok minden sükséges intézkedést megtesznek annak érdekében, hogy a menetíró készülék viszonteladása vagy leszerelése semmilyen módon ne gátolhassa e bekezdés megfelelő alkalmazását.
15. cikk
(1) A járművezetők nem használhatnak elszennyeződött vagy sérült adatrögzítő lapokat vagy járművezetői kártyákat. Az adatrögzítő lapokat vagy járművezetői kártyákat ezért megfelelő módon védeni kell.
Ha egy járművezető meg kívánja újítani járművezetői kártyáját, akkor legkésőbb 15 munkanappal a kártya lejárati időpontja előtt azon tagállam illetékes hatóságához kell fordulnia, amelyben szokásos tartózkodási helye található.
Amennyiben az adatrögzítő lap vagy járművezetői kártyák, melyken feljegyzés van, megsérültek, a járművezetők a sérült adatrögzítő lapot vagy járművezetői kártyákat a pótláshoz használt tartaléklaphoz csatolják.
Ha a járművezetői kártya megsérül, hibásan működik, elvész vagy ellopják, akkor a járművezetőnek a kártyacsere ügyében 7 naptári napon belül azon tagállam illetékes hatóságához kell fordulnia, amely tagállamban szokásos tartózkodási helye található.
Ha egy járművezetői kártya megsérült, hibásan működik vagy nincs a járművezető birtokában, a járművezető:
a) az út megkezdése előtt kinyomtatja a járművezető által használt járműre vonatkozó adatokat és erre a kinyomatra ráírja:
i. azokat az adatokat, melyek a járművezető azonosításához szükségesek (név, járművezetői kártya vagy vezetői engedély száma), aláírással ellátva;
ii. a (3) bekezdés b), c) és d) pontjaiban említett időtartamok;
b) az út végén a menetíró készülék által rögzített időtartamokkal kapcsolatos információt ki kell nyomtatni, az egyéb munkával töltött időt, rendelkezésre állást és az induláskor készített nyomtatás óta tartott pihenőket, melyeket a menetíró nem jegyzett fel, be kell jegyezni, és meg kell jelölni a dokumentumon azokat az adatokat, melyek lehetővé teszik a járművezető azonosítását (név, járművezetői kártya vagy vezetői engedély száma), beleértve a járművezető aláírását.
(2) A járművezetőknek minden nap használniuk kell az adatrögzítő lapot vagy járművezetői kártyákat, amikor járművet vezetnek, attól az időponttól kezdve, amikor a járművet átveszik. Az adatrögzítő lapot vagy járművezetői kártyákat nem szabad kivenni a napi munkaidő vége előtt, kivéve ha a kivétel egyébként engedélyezett. Egyetlen adatrögzítő lap vagy járművezetői kártyá sem használható azon az időtartamon túl, amelyre azt szánták.
Ha a gépjármű elhagyásának következtében a járművezető nem tudja használni a járműbe szerelt berendezést, a (3) bekezdés b), c) és d) pontjaiban említett időszakokat:
a) ha a járművet az I. melléklet szerinti menetíró készülékkel látták el, be kell jegyezni az adatrögzítő lapra kézzel, automata feljegyzéssel vagy egyéb módon, olvashatóan, a lap beszennyezése nélkül; vagy
b) ha a járművet az IB. mellékletnek megfelelő menetíró készülékkel látták el, be kell írni a járművezetői kártyára a menetíró készülék kézi adatbeviteli eszközeivel.
Ha egynél több járművezető van az IB. mellékletnek megfelelő menetíró készülékkel felszerelt járművön, minden egyes járművezetőnek biztosítania kell, hogy járművezetői kártyája a menetíró megfelelő nyílásába legyen beillesztve.
Ha a járművön egynél több járművezető tartózkodik, a vezetők a szükséges változtatásokat az adatrögzítő lapokon úgy hajtják végre, hogy az I. melléklet II. fejezetének 1-3. pontjában említett információt a járművet ténylegesen vezető járművezető adatrögzítő lapjára jegyzik fel.
(3) A járművezetők:
- biztosítják, hogy az adatrögzítő lapon feljegyzett idő annak az országnak a hivatalos idejével egyezzen, amelyikben a járművet nyilvántartásba vették,
- úgy működtetik a kapcsoló berendezéseket, hogy lehetőség legyen az alábbi időtartamok elkülönített és pontos rögzítésére:
-
a) [Kép #1] jel alatt: a vezetési idő;

Kép #1
b) "egyéb munka": a vezetésen kívüli más tevékenység, a közúti szállításban utazó tevékenységet végző személyek munkaidejének szervezéséről szóló, 2002. március 11-i2002/15/EK európai parlamenti és tanácsi irányelv ( 9 ) 3. cikkének a) pontja szerinti meghatározás szerint, valamint bármely olyan munka, amit ugyanannak vagy más munkaadónak végeznek a szállítási szektoron belül vagy azon kívül, és ... jellel kell rögzíteni
[Kép #2] ;

Kép #2
c) "készenléti idő": a Tanács 2002/15/EK irányelv 3. cikke b) pontja szerinti meghatározásnak megfelelően, ... jellel kell rögzíteni [Kép #3] ;

Kép #3
d) [Kép #4] jel alatt: a vezetés megszakítása és a napi pihenőidők.

Kép #4
(5) A jármű személyzetének minden tagja az adatrögzítő lapján a következő adatokat jegyzi be:
a) a lap használatba vételének kezdetekor: a családi és utónevét;
b) a dátumot és helyet, ahol a lap használatba vétele elkezdődött, és a dátumot és helyet, ahol az ilyen használat véget ért;
c) minden egyes jármű rendszámát, amelyre beosztották, mind a lapon rögzített első menet kezdetekor, mind az azt követő, a lap használata alatt bekövetkező járműcsere esetén;
d) a kilométer-számláló állását:
- a lapon rögzített első menet előtt,
- a lapon rögzített utolsó menet végén,
- a munkanap folyamán bekövetkező járműcsere esetén (azon a járművön, amelyre előzőleg beosztották és azon a járművön, amelyre később osztották be);
e) az esetleges járműcsere időpontját.
(5a) A járművezető az I. B. mellékletben foglaltaknak megfelelő menetíró készülékbe beírja azoknak az országoknak a betűjeleit, amelyekben munkanapját megkezdi és befejezi. Bármely tagállam előírhatja azonban, hogy az olyan járművek vezetői, amelyek a határaikon belül folytatnak szállításokat, az ország betűjele mellett részletesebb földrajzi leírásokat is adjanak meg, feltéve hogy az adott tagállam azokat még 1998. április 1. előtt bejelentette a Bizottságnál, és azok száma nem haladja meg a húszat.
A fenti adatokat a járművezető viszi be, ami történhet teljesen manuálisan vagy automatikusan, ha a menetíró készülék műholdas követőrendszerrel áll kapcsolatban.
(6) I. mellékletben meghatározott menetíró készüléket úgy kell kialakítani, hogy az illetékes ellenőrző tisztviselő, ha szükséges, a készülék felnyitása után le tudja olvasni, az adatrögzítő lap maradandó deformációja, károsítása vagy szennyezése nélkül az ellenőrzés időpontja előtti utolsó 9 óra feljegyzéseit.
A készüléket ezenkívül úgy kell kialakítani, hogy a ház felnyitása nélkül ellenőrizni lehessen, hogy történt-e adatrögzítés.
(7) a) Ha a járművezető menetíró készülékkel felszerelt járművet vezet az I. mellékletnek megfelelően, a járművezetőnek az ellenőrzést végző hatósági személy kérésére a következőket be kell tudnia mutatni:
i. az adott héten és az azt megelőző 15 napon a járművezető által használt adatrögzítő lapok;
ii. járművezetői kártya, ha van ilyen a birtokában, és
iii. bármely kézi feljegyzést és kinyomatot, amelyet az adott héten és az azt megelőző 15 napon készítettek e rendelet és a 561/2006/EK rendeletnek megfelelően.
2008. január 1. után azonban az i. és iii. pontokban megadott időszakok az adott napot és az azt megelőző 28 napot fedik.
b) Ha a járművezető az IB. mellékletnek megfelelő adatrögzítő berendezéssel felszerelt járművet vezet, a járművezetőnek be kell tudnia mutatni az ellenőrzést végző személy kérésére a következőket:
i. a nevére szóló járművezetői kártyáját;
ii. bármely kézi feljegyzést és kinyomatot, melyet az adott héten és azt megelőző 15 napon készítettek ezen rendeletnek és a 561/2006/EK rendeletnek megfelelően, és
iii. az adatrögzítő lapokat az előző albekezdésben megadott olyan időszakra vonatkozóan, melyek során az I. mellékletnek megfelelő adatrögzítő berendezéssel felszerelt járművet vezetett.
2008. január 1. után azonban az ii. pontban megadott időszakok az adott napot és az azt megelőző 28 napot fedik.
c) Az arra felhatalmazott ellenőrzést végző személy az adatrögzítő lapok, az adatrögzítő berendezés vagy a járművezetői kártya által rögzített, kijelzett vagy kinyomtatott adatok elemzésével ellenőrizheti a 561/2006/EK rendeletnek való megfelelést, illetve ha ezek nem állnak rendelkezésre, bármely más olyan dokumentum ellenőrzésével, mely egy előírás be nem tartását bizonyítja, mint például a 16. cikk (2) és (3) bekezdésében megadottak.
(8) Tilos az adatrögzítő lapon rögzített, a menetíró készülékben vagy a járművezetői kártyán tárolt adatokat, illetve az I. B. mellékletben meghatározott menetíró készülék kinyomtatott adatait meghamisítani, kitörölni vagy megsemmisíteni. Ugyanez vonatkozik a menetíró készülékkel, az adatrögzítő lappal vagy a járművezetői kártyával kapcsolatos manipulációra, amely az adatok, illetve a kinyomtatott információk meghamisítását, törlését vagy megsemmisítését eredményezheti. Nem tartható a járművön olyan eszköz, amelyik ilyen célra felhasználható lehet.
16. cikk
(1) Üzemzavar vagy a készülék hibás működése esetén a munkáltató, mihelyt a körülmények megengedik, megjavíttatja a készüléket egy elismert szerelővel vagy műhellyel.
Ha a jármű nem tud visszatérni a telephelyre az üzemzavar fellépésnek vagy a hibás működés megállapításának napjától számított egy héten belül, a javítást útközben végzik el.
A tagállamok által a 19. cikk szerint hozott intézkedések felhatalmazhatják a hatáskörrel rendelkező hatóságokat a jármű használatának a betiltására, amennyiben az üzemzavart vagy a hibás működést nem szüntetik meg az előző albekezdéseknek megfelelően.
(2) Amennyiben a menetíró készülék üzemképtelen vagy hibásan működik, a járművezetők az adatrögzítő lapon vagy lapokon vagy az adatrögzítő laphoz vagy a járművezetői kártyához csatolandó ideiglenes lapon - amelyre az azonosításához szükséges adatokat vezeti rá (járművezetői kártyaszám, illetve név, illetve vezetői engedély száma) saját kezű aláírásával együtt - jelzik a különböző időtartamokra vonatkozó mindazon információt, amelyeket a menetíró készülék már nem helyesen rögzített vagy nyomtatott ki.
Ha a járművezetői kártya megsérül, hibásan működik, elvész vagy ellopják azt, a járművezető útja végén kinyomtatja a menetíró készülék által rögzített időszakokra vonatkozó információkat és ezen a dokumentumon megjelöli az azonosításához szükséges részeket (járművezetői kártya száma, illetve név, illetve vezetői engedély száma) saját kezű aláírásával együtt.
(3) Ha a járművezetői kártya megsérül vagy hibásan működik, a járművezető visszajuttatja azt azon tagállam hatáskörrel rendelkező hatóságához, amelyben szokásos tartózkodási helye található. A járművezetői kártya eltulajdonításáról hivatalos bejelentést kell tenni azon állam hatáskörrel rendelkező hatóságánál, amelynek területén a kártyalopás történt.
A járművezetői kártya elvesztését azon állam hatáskörrel rendelkező hatóságánál kell hivatalosan bejelenteni, amelyik a kártyát kiállította, továbbá a vezető szokásos tartózkodási helye szerinti állam hatáskörrel rendelkező hatóságánál is, amennyiben e két állam nem ugyanaz.
Járművezetői kártya nélkül egy járművezető legfeljebb 15 naptári napig folytathatja a vezetést, illetve ennél hosszabb ideig is, ha azt a jármű telephelyre való visszajuttatása kívánja meg, amennyiben a vezető bizonyítani tudja, hogy a kártya bemutatása vagy használata ez alatt az időtartam alatt lehetetlen.
Amennyiben a járművezető szokásos tartózkodási helye szerinti tagállam hatóságai nem azonosak a kártyát a járművezető részére kiállító hatóságokkal, és amennyiben a vezető a kártya megújítása, lecserélése vagy kicserélése iránti kérelmével az előbbiekhez fordul, úgy ezek a hatóságok pontosan tájékoztatják a régi kártyát kiállító hatóságokat a kártya megújításának, lecserélésének vagy kicserélésének indokairól.
V. FEJEZET
Záró rendelkezések
17. cikk
(1) A mellékleteknek a műszaki fejlődéshez történő hozzáigazításához szükséges módosításait érintő, e rendelet nem alapvető fontosságú elemeinek módosítására irányuló ezen intézkedéseket a 18. cikk (2) bekezdésében említett, ellenőrzéssel történő szabályozási bizottsági eljárással összhangban kell elfogadni.
(2) Az I. B. melléklet alábbi pontjaira vonatkozó műszaki előírásokat a lehető legrövidebb időn belül, lehetőség szerint még 1998. július 1. előtt elfogadják, ugyanazzal az eljárással:
a) II. fejezet
- d) 17.:
-
a menetíró készülék hibáinak megjelenítése és kinyomtatása,
- d) 18.:
-
a járművezetői kártya hibáinak megjelenítése és kinyomtatása,
- d) 21.:
-
az összesítő jelentések megjelenítése és kinyomtatása;
b) III. fejezet
- a) 6.3.:
-
a járművek elektronikus berendezéseinek az elektromos interferenciákkal és mágneses terekkel szembeni védelmére vonatkozó szabványok,
- a) 6.5.:
-
a teljes rendszer védelme (biztonsága),
- c) 1.:
-
a menetíró készülék hibás belső működésére figyelmeztető jelzések,
- c) 5.:
-
a figyelmeztetések formátuma,
- f):
-
maximális tűréshatárok;
c) IV. fejezet, A.:
- 4.:
-
szabványok,
- 5.:
-
biztonság, az adatvédelmet is beleértve,
- 6.:
-
hőmérséklet-tartomány,
- 8.:
-
elektromos jellemzők,
- 9.:
-
a járművezetői kártya logikai felépítése,
- 10.:
-
funkciók és parancsok,
- 11.:
-
elemi adatállomány;
és IV. fejezet, B.;
d) V. fejezet:
nyomtató és szabványos kinyomtatott anyagok.
18. cikk
(1) A Bizottságot egy bizottság segíti.
(2) Az e bekezdésre történő hivatkozáskor az 1999/468/EK határozat 5a. cikkének (1)-(4) bekezdését és 7. cikkét kell alkalmazni, 8. cikkének rendelkezéseire is figyelemmel.
19. cikk
(1) A tagállamok kellő időben és a Bizottsággal folytatott konzultációt követően elfogadják azokat a törvényi, rendeleti és közigazgatási rendelkezéseket, amelyek a rendelet végrehajtásához szükségesek lehetnek.
Az ilyen intézkedések többek között felölelik az ellenőrzés szervezését, lefolytatását és eszközeit, valamint a jogsértés esetén alkalmazandó szankciókat.
(2) A tagállamok segítik egymást a rendelet alkalmazásában és a rendeletnek való megfelelés ellenőrzésében.
(3) A kölcsönös segítségnyújtás keretében a tagállamok hatáskörrel rendelkező hatóságai rendszeresen átadják egymásnak a rendelkezésükre álló adatokat a következőkről:
- a rendelet megsértése a nem a tagállam területén lakóhellyel rendelkezők által, és az ilyen jogsértések esetén alkalmazandó büntetések,
- egy tagállam részéről az ilyen jogsértéseket elkövető lakosokkal szemben alkalmazott szankciók, ha a jogsértést egy másik tagállamban követték el.
20. cikk
Az 1463/70/EGK rendelet hatályát veszti.
Azonban az 1463/70/EGK rendelet 3. cikk (1) bekezdését 1989. december 31-ig továbbra is alkalmazni kell a menetrend szerinti nemzetközi személyszállításban alkalmazott járművekre és járművezetőkre, amennyiben az ilyen szolgáltatásokat nyújtó járműveket nem szerelték fel e rendelet előírásainak megfelelően használt menetíró készülékkel.
20a. cikk
Ezt a rendeletet 1991. január 1-jéig nem kell alkalmazni a volt Német Demokratikus Köztársaság területén a fenti időpont előtt nyilvántartásba vett járművekre.
Ezt a rendeletet 1993. január 1-jéig nem kell alkalmazni az ilyen járművekre, ha azok csak a Németországi Szövetségi Köztársaság területén belül végeznek szállítási szolgáltatást. Ezt a rendeletet ugyanakkor a hatálybalépése napjától kell alkalmazni a veszélyes árukat szállító járművekre.
21. cikk
Ez a rendelet 1986. szeptember 29-én lép hatályba.
Ez a rendelet teljes egészében kötelező és közvetlenül alkalmazandó valamennyi tagállamban.
I. MELLÉKLET
SZERKEZETI, VIZSGÁLATI, BEÉPÍTÉSI ÉS FELÜLVIZSGÁLATI KÖVETELMÉNYEK
I. MEGHATÁROZÁSOK
Ebben a mellékletben:
a) menetíró készülék:
a közúti járműbe történő beépítésre szánt készülék, amely automatikusan vagy félautomatikusan feltünteti és rögzíti e járművek mozgásának és vezetőik bizonyos munkaszakaszainak adatait;
b) adatrögzítő lap:
a rögzített adatok befogadására és megőrzésére szolgáló lap, amelyet a menetíró készülékbe kell helyezni, és amelyre a menetíró készülék jelölőeszközei folyamatosan beírják a rögzítendő adatokat;
c) a menetíró készülék állandója:
az 1 kilométernyi megtett távolság kijelzéséhez és rögzítéséhez szükséges bemenő jel értékét megadó jellemző számérték; ezt az állandót vagy kilométerenkénti fordulatszámban (k =... ford/km) vagy kilométerenkénti impulzusszámban (k =... imp/km) kell kifejezni;
d) a jellemző együttható:
a jármű és a menetíró készülék közötti kapcsolatot biztosító alkatrész (sebességváltó kimenőtengelye vagy a keréktengely) által - mialatt a jármű normál vizsgálati feltételek mellett egy mért kilométernyi távolságot tesz meg - kibocsátott kimenő jel értékét megadó jellemző számérték (lásd e melléklet VI. fejezetének 4. pontját). A jellemző együtthatót vagy kilométerenkénti fordulatszámban (w = ford/km) vagy kilométerenkénti impulzusszámban (w =... imp/km) kell kifejezni;
e) a gumiabroncsok tényleges kerülete:
azoknak a távolságoknak az átlaga, amelyet a járművet mozgató egyes kerekek (hajtókerekek) egy teljes fordulat során megtesznek. E távolságok mérését normál vizsgálati körülmények között (lásd e melléklet VI. fejezetének 4. pontját) kell elvégezni, és 1 =... mm-ben kell kifejezni.
II. A MENETÍRÓ KÉSZÜLÉK ÁLTALÁNOS JELLEMZŐI ÉS FUNKCIÓI
A készüléknek a következő adatok rögzítésére kell képesnek lennie:
1. a jármű által megtett távolság;
2. a jármű sebessége;
3. a vezetési idő;
4. az egyéb munkavégzési és készenléti idők;
5. a munkavégzés megszakítása és a napi pihenőidő;
6. az adatrögzítő lapot magában foglaló ház nyitása;
7. az olyan elektronikus menetíró készülék esetében, amelyet a távolság- és sebességérzékelő elektromos úton továbbított jelei működtetnek, a menetíró készülék áramellátásának minden 100 milliszekundumot meghaladó megszakadása (kivétel a világítás), a sebesség és a távolság érzékelője áramellátásának megszakadása, valamint a sebesség és a távolság jeladójához menő jel bármilyen megszakadása.
Azoknál a járműveknél, amelyekhez két járművezetőt osztanak be, a készüléknek olyannak kell lennie, hogy a 3., 4. és 5. pontban felsorolt időszakokat két külön adatrögzítő lapon egyidejűleg és megkülönböztethetően jegyezze fel.
III. A MENETÍRÓ KÉSZÜLÉKRE VONATKOZÓ SZERKEZETI KÖVETELMÉNYEK
a) Általános szempontok
1. A mentíró készülék a következőket tartalmazza:
1.1. A vizuális eszközök mutatják:
- a megtett távolságot (kilométer-számláló),
- a sebességet (sebességmérő),
- az időt (óra).
1.2. Az adatrögzítő eszközök tartalmazzák:
- a megtett távolság rögzítőjét,
- a sebesség rögzítőjét,
- egy vagy több időrögzítőt, amely megfelel a III. fejezet c) 4. pontjában meghatározott követelményeknek.
1.3. Jelölő eszköz, amely az adatrögzítő lapon külön jelzi:
- az adatrögzítő lapot tartalmazó ház minden felnyitását,
- a II. fejezet 7. pontjában meghatározott elektronikus menetíró készülék esetében a készülék áramellátásnak minden 100 milliszekundumot meghaladó megszakadását (a világítás kivételével) legkésőbb az áramellátás helyreállításakor,
- a II. fejezet 7. pontjában meghatározott elektronikus menetíró készülék esetében a sebesség és távolság érzékelője áramellátásnak minden 100 milliszekundumot meghaladó megszakadását, illetve a sebesség és a távolság jeladójához menő jel minden megszakadását.
2. A fentiekben felsorolt készülékekbe esetlegesen beépített kiegészítő berendezések sem az előírt berendezések kifogástalan működését, sem a leolvasást nem zavarhatják.
A készüléket ezekkel a kiegészítő berendezésekkel együtt kell típusjóváhagyásra bemutatni.
3. Anyagok
3.1. A menetíró készülék valamennyi alkatrészének megfelelő ellenállóképességgel és mechanikai szilárdsággal, továbbá állandó elektromos és mágneses jellemzőkkel rendelkező anyagokból kell készülnie.
3.2. A készülék alkatrészének vagy a gyártáshoz felhasznált anyag jellegének minden megváltoztatását, a gyártásban bekövetkező alkalmazást megelőzően, jóváhagyásra kell benyújtani ahhoz a hatósághoz, amelyik kiadta a típusjóváhagyást a készülékre.
4. A megtett távolság mérése
A megtett távolság mérhető és rögzíthető akár:
- úgy, hogy tartalmazza az előremenetet és hátramenetet, vagy
- úgy, hogy csak előremenetet tartalmazzon.
Hátramenet esetén a megtett távolság esetleges rögzítése semmiképpen sem befolyásolhatja a többi rögzítés áttekinthetőségét és pontosságát.
5. A sebesség mérése
5.1. A sebességmérés tartománya meg kell, hogy feleljen a típusbizonyítványban megállapítottnak.
5.2. A mérőeszköz saját frekvenciájának és csillapításának olyannak kell lennie, hogy a sebesség kijelzése és rögzítése a méréstartományban a gyorsulásváltozásokat 2 m/s2-ig legyen képes követni az elfogadott tűréshatárokon belül.
6. Időmérés (óra)
6.1. Az óra utánállító szerkezetének az adatrögzítő lapot magában foglaló házban kell lennie; a ház minden egyes nyitását automatikusan fel kell jegyezni az adatrögzítő lapon.
6.2. Ha az adatrögzítő lap továbbító mechanizmusát az óra működteti, akkor az óra teljes felhúzás utáni pontos működése időtartamának legalább 10 %-kal hosszabbnak kell lennie, mint az adatrögzítő lappal való teljes feltöltöttség mértékének megfelelő adatrögzítési idő.
7. Világítás és védelem
7.1. A készülék vizuális műszereit nem vakító fényű megvilágítással kell ellátni.
7.2. A megfelelő használat biztosítása érdekében a menetíró készülék minden belső alkatrészét védeni kell a nedvesség és a por ellen. Az alkatrészeket plombával ellátható burkolatok alkalmazásával hamisítás elleni védelemmel is el kell látni.
b) Vizuális műszerek
1. Megtett távolság mutatója (kilométer-számláló)
1.1. A megtett utat mérő műszer legkisebb mérési egysége értékének 0,1 km-nek kell lennie. A százmétereket mutató számjegyeknek világosan megkülönböztethetőnek kell lenniük az egész kilométereket mutatóktól.
1.2. A megtett utat mérő műszer számjegyeinek jól olvashatónak kell lenniük és látható magasságuknak legalább 4 mm-nek kell lennie.
1.3. A megtett utat mérő műszernek képesnek kell lennie legalább 99 999,9 km kijelzésére.
2. Sebességmutatók (sebességmérő)
2.1. A mérési tartományon belül a sebességskálát egységesen 1, 2, 5 vagy 10 km/h-s fokozatbeosztással kell ellátni. A sebességskála értéke (osztástávolság) nem haladhatja meg a skálán feltüntetett legnagyobb sebesség 10 százalékát.
2.2. A méréstartományon kívüli részt nem kell számozással ellátni.
2.3. A skálán található, 10 km/h sebességkülönbséget jelző minden egyes térköz hosszának legalább 10 mm-nek kell lennie.
2.4. Mutatós mérőműszeren a mutató és a műszer előlapja közötti távolság a 3 mm-t nem haladhatja meg.
3. Időmérő (óra)
Az időmérőnek a készüléken kívülről is láthatónak kell lennie és lehetővé kell tennie a világos, tisztán látható és félreérthetetlen leolvasást.
c) Adatrögzítő műszerek
1. Általános szempontok
1.1. Minden készüléket az adatrögzítő lap formájától (szalag vagy korong) függetlenül olyan jellel kell ellátni, amely lehetővé teszi az adatrögzítő lap megfelelő behelyezését oly módon, hogy az órán mutatott idő és a nyilvántartó lapon szereplő időjelzés egymásnak való megfelelősége biztosított legyen.
1.2. Az adatrögzítő lapot továbbító mechanizmusnak olyannak kell lennie, hogy biztosítsa az adatrögzítő lap holtjáték nélküli mozgását, egyszerű behelyezhetőségét és eltávolíthatóságát.
1.3. A korong alakú adatrögzítő lapok esetében a lapmozgató szerkezetet az óraműnek kell szabályoznia. Ebben az esetben a lapnak - a sebesség rögzítésére használt terület szélét jelölő gyűrű belső oldalán mérve - óránként legalább 7 milliméter sebességgel folyamatosan és egyenletesen kell forognia.
A szalagos berendezés esetében, amelyben a lapmozgató szerkezetet az óramű szabályozza, az egyenes vonalú, előre haladó mozgás sebességének legalább 10 milliméter/órának kell lennie.
1.4. A megtett távolságot, a jármű sebességét, továbbá az adatrögzítő lapot (adatrögzítő lapokat) tartalmazó ház nyitását teljesen automatikusan kell rögzíteni.
2. A megtett távolság rögzítése
2.1. Minden megtett 1 km hosszú útszakasz rögzítésénél legalább 1 mm szakasznak kell lennie a megfelelő koordinátán.
2.2. Az útszakasz rögzítésének még a méréstartomány felső határát elérő sebesség esetén is kifogástalanul olvashatónak kell lennie.
3. A sebesség rögzítése
3.1. A sebességrögzítő írótűnek az adatrögzítő lap formájától függetlenül általában egyenes vonalban és az adatrögzítő lap mozgásirányára merőlegesen kell mozognia.
Azonban az írótű vezethető görbe vonalban is, ha a következő feltételek teljesülnek:
- az írótű által rajzolt vonalnak merőlegesnek kell lennie a sebesség rögzítésére fenntartott terület átlagos kerületére (korong alakú lapok esetében) vagy tengelyére (szalag formájú lapok esetében),
- az írótű által rajzolt vonal görbületének sugara és a sebességrögzítésre fenntartott terület szélessége közötti aránynak az adatrögzítő lap formájától függetlenül legalább 2,4: 1-nek kell lennie,
- az időskálán lévő jelöléseknek ugyanolyan sugarú görbével kell átszelniük az adatrögzítő területet, mint az írótű által rajzolt vonal. Az időskálán lévő jelölések közti távolságnak egy órát meg nem haladó időtartamot kell megjeleníteniük.
3.2. A megfelelő koordinátán minden 10 km/h sebességváltozást legalább 1,5 mm-es változással kell ábrázolni.
4. Az idő rögzítése
4.1. A menetíró készüléket úgy kell kialakítani, hogy a vezetési időt mindig automatikusan rögzítse, a rendelet 15. cikkének (3) bekezdése, második francia bekezdésének b), c) és d) pontjában jelzett többi időt pedig esetleg kapcsolóberendezéssel külön rögzítse.
4.2. A vonalak jellemzőiből, helyzetükből, és ha szükséges, a rendelet 15. cikkében meghatározott jelekből világos különbséget kell tudni tenni a különböző időtartamok között.
Az adatrögzítés leolvashatósága és könnyű értelmezése érdekében a különböző időtartamokat meg kell egymástól különböztetni az adatrögzítő lapokon a megfelelő vonalak eltérő szélességével vagy legalább azonos hatású bármely más módszerrel.
4.3. Olyan járműveknél, amelyek személyzetéhez egynél több járművezető tartozik, a 4.1. pont szerinti rögzítéseket két elkülönített és egy-egy vezetőhöz rendelt adatrögzítő lapon kell végezni. Ebben az esetben az egyes adatrögzítő lapok előtolását egy szerkezettel vagy külön összehangolt szerkezetekkel kell végezni.
d) Zárószerkezet
1. A házat, amely az adatrögzítő lapot vagy adatrögzítő lapokat és az óra beállító szerkezetét tartalmazza, zárral kell ellátni.
2. Az adatrögzítő lapon vagy adatrögzítő lapokon automatikusan kell rögzíteni az adatrögzítő lapot vagy adatrögzítő lapokat és az óra beállító szerkezetét tartalmazó ház minden egyes nyitását.
e) Jelölések
1. A készülék előlapján a következő jelzéseknek kell látszani:
- a távolság-rögzítő által mutatott szám közelében, a távolság mértékegysége "km" rövidítéssel,
- a sebességskála közelében a "km/h" jelzés,
- a sebességmérő méréstartománya "Vmin... km/h, Vmax... km/h" formában. Ez a jelölés nem szükséges, amennyiben a készülék ismertető címkéjén megtalálható.
Ezeket az előírásokat azonban nem kell alkalmazni azokra a menetíró készülékekre, amelyeket 1970. augusztus 10. előtt hagytak jóvá.
2. Az ismertető címkét be kell építeni a készülékbe, és azon szerepelnie kell a következő jelzéseknek, amelyeknek láthatóaknak kell lenniük a készüléken a felszerelés után is:
- a készülék gyártójának neve és címe,
- gyártási szám és gyártási év,
- a készülék típus-jóváhagyási jele,
- készülék állandója "k =.... ford/km" vagy "k =... imp/km" formában,
- tetszőlegesen, a sebességmérési tartomány az 1. pont szerinti formában,
- amennyiben a készülék hajlásszögre való érzékenysége a megengedett tűréshatárokat túllépve a készülék kiírt adatait befolyásolja, akkor a megengedett hajlásszög:
- [Kép #5]

Kép #5
- ahol α az illető készülék, amelyre az eszközt kalibrálták, felfelé néző szemközti oldalának vízszintes helyzetéből kiindulva mért szög; β és γ pedig az α hitelesítési szög megengedett legnagyobb kitérései fölfelé és lefelé.
f) Maximális tűrés (vizuális és rögzítő műszerek)
1. Vizsgálópadon a felszerelés előtt:
a) A megtett távolság:
a tényleges útszakasz ± 1 százaléka, ha a távolság legalább 1 km.
b) Sebesség:
tényleges sebesség ± 3 km/h;
c) Az idő:
± 2 perc naponta, de nem több mint 10 perc 7 naponként, ha az óra működési ideje egy felhúzás után ennél az időtartamnál nem kevesebb.
2. Beépítéskor:
a) a megtett távolság
a valós távolság ± 2 százaléka, ha a távolság legalább 1 km;
b) sebesség:
tényleges sebesség ± 4 km/h;
c) idő:
± 2 perc naponta vagy
± 10 perc 7 naponként
3. Használatban:
a) megtett távolság:
a tényleges útszakasz ± 4 százaléka, ha ez a távolság legalább 1 km;
b) sebesség:
tényeleges sebesség ± 6 km/h;
c) idő:
± 2 perc naponta, vagy
± 10 perc 7 naponta
4. Az 1., 2. és 3. pontban meghatározott maximális tűréshatárok a készülék közvetlen közelében mérve 0 és + 40 °C közötti hőmérsékleten érvényesek.
5. A 2. és 3. pontokban meghatározott maximális tűréshatárok mérését a VI. fejezetben megadott körülmények között kell végezni.
IV. ADATRÖGZÍTŐ LAPOK
a) Általános szempontok
1. Az adatrögzítő lapoknak nem szabad akadályozniuk a műszer szabályos működését, és biztosítaniuk kell a rajtuk rögzített adatok kitörölhetetlenségét, könnyen olvashatóságát és azonosíthatóságát.
Normális páratartalom és hőmérsékleti viszonyok mellett az adatrögzítő lapoknak meg kell őrizniük méreteiket és a rajtuk rögzített adatokat.
Ezenkívül lehetőséget kell biztosítani a rendelet 15. cikk (5) bekezdésében említett információnak az adatrögzítő lapokra történő feljegyzésére a lap rongálása és rögzített adatok olvashatóságának romlása nélkül.
Rendes tárolási körülmények között az adatrögzítő lapoknak legalább egy évig jól olvashatóknak kell maradniuk.
2. A lapok legkisebb rögzítési időtartamának 24 órának kell lennie, a formájuktól függetlenül.
Amennyiben több korong kapcsolódik egymáshoz a folyamatos rögzítési kapacitás növelése végett, amit a személyzet beavatkozása nélkül kell elérni, a különböző korongok közötti kapcsolatot úgy kell kialakítani, hogy ne legyenek se megszakítások sem átfedések az egyik korongról a másikra átvezető ponton az adatrögzítések közben.
b) Adatrögzítésre szolgáló területek és azok beosztása
1. Az adatrögzítő lapok adatrögzítésre szolgáló részei a következők:
- kizárólag a sebességre vonatkozó adatokra fenntartott sáv,
- kizárólag a megtett távolságra vonatkozó adatokra fenntartott sáv,
- egy vagy több terület a járművezetők vezetési idejének, egyéb munkaidejének és készenléti idejének, megszakításoknak és pihenőidőinek rögzítésére.
2. A sebesség rögzítésére szolgáló területet 20 km/h-nak vagy ennél kisebb sebességnek megfelelő részekre kell osztani. A skála osztásainak megfelelő sebességet számokban kell feltüntetni. A "km/h" jelet legalább egyszer fel kell tüntetni a lapnak ezen a részén. A skálán lévő utolsó jelölésnek meg kell egyeznie a mérési tartomány felső határával.
3. A megtett távolság rögzítésére szolgáló mezőt úgy kell kialakítani, hogy a megtett kilométerek száma egyértelműen leolvasható legyen.
4. Az 1. pontban említett időtartamok rögzítésére fenntartott mezőt vagy mezőket úgy kell megjelölni, hogy világosan különbséget lehessen tenni a különböző időtartamok között.
c) Az adatrögzítő lapokra nyomtatott információk
Minden egyes adatrögzítő lap, nyomtatott formában, a következő információkat kell hogy tartalmazza:
- a gyártó neve, címe vagy cégneve,
- az adatrögzítő lap mintájának jóváhagyási jele,
- annak/azoknak a készülék típus(ok)nak a jóváhagyási jele(i) amely(ek)ben az adatrögzítő lap használható,
- a sebességmérési tartomány felső határa, km/h-ban nyomtatva.
További minimumkövetelményként minden lapon szerepelnie kell nyomtatott formában egy oly módon beosztott időskálának, hogy az idő 15 perces időközönként közvetlenül leolvasható, és minden 5 perces időköz egyszerűen meghatározható legyen.
d) Szabad terület a kézi bejegyzések számára
Az adatrögzítő lapon szabad helyet kell biztosítani, hogy a járművezetők legalább a következő adatokat beírhassák:
- a járművezető neve és utóneve,
- dátum ás hely, ahol a lap használata elkezdődik, valamint dátum és hely, ahol e használat véget ér,
- a jármű vagy járművek rendszáma vagy rendszámai, amely jármű(vek)re a vezetőt az adatrögzítő lap használati ideje alatt beosztották,
- a jármű vagy járművek kilométer-számlálójának állása, amely jármű(vek)re a vezetőt az adatrögzítő lap használati ideje alatt beosztották,
- minden járműcsere időpontja.
V. A MENETÍRÓ KÉSZÜLÉK BEÉPÍTÉSE
1. A menetíró készüléket a járműben úgy kell elhelyezni, hogy a vezető a vezetőülésből a sebességmérőt, a kilo-méter-számlálót és az órát könnyen leolvashassa, és ugyanakkor a készülékek valamennyi alkatrésze, beleértve a meghajtóelemeket is, védett legyen a véletlen károsodással szemben.
2. Biztosítani kell, hogy a menetíró készülék állandóját egy adapternek nevezett alkalmas készülékkel hozzá lehessen igazítani a jármű jellemző együtthatójához.
A két vagy több differenciáláttétellel rendelkező járműveket kapcsolószerkezettel kell ellátni, amely a különböző áttételeket automatikusan összehangolja azzal az áttétellel, amelynek alapján a menetíró készüléket a járműhöz beállították.
3. Miután a beépítéskor elvégezték a menetíró készülék ellenőrzését, egy illesztési címkét kell jól látható helyen felerősíteni a készülék mellett vagy magára a készülékre. Egy elismert szerelő vagy műhely által végzett minden felülvizsgálat után, amikor a készülék beállításának módosítása szükséges, az előző helyére egy új címkét kell felhelyezni.
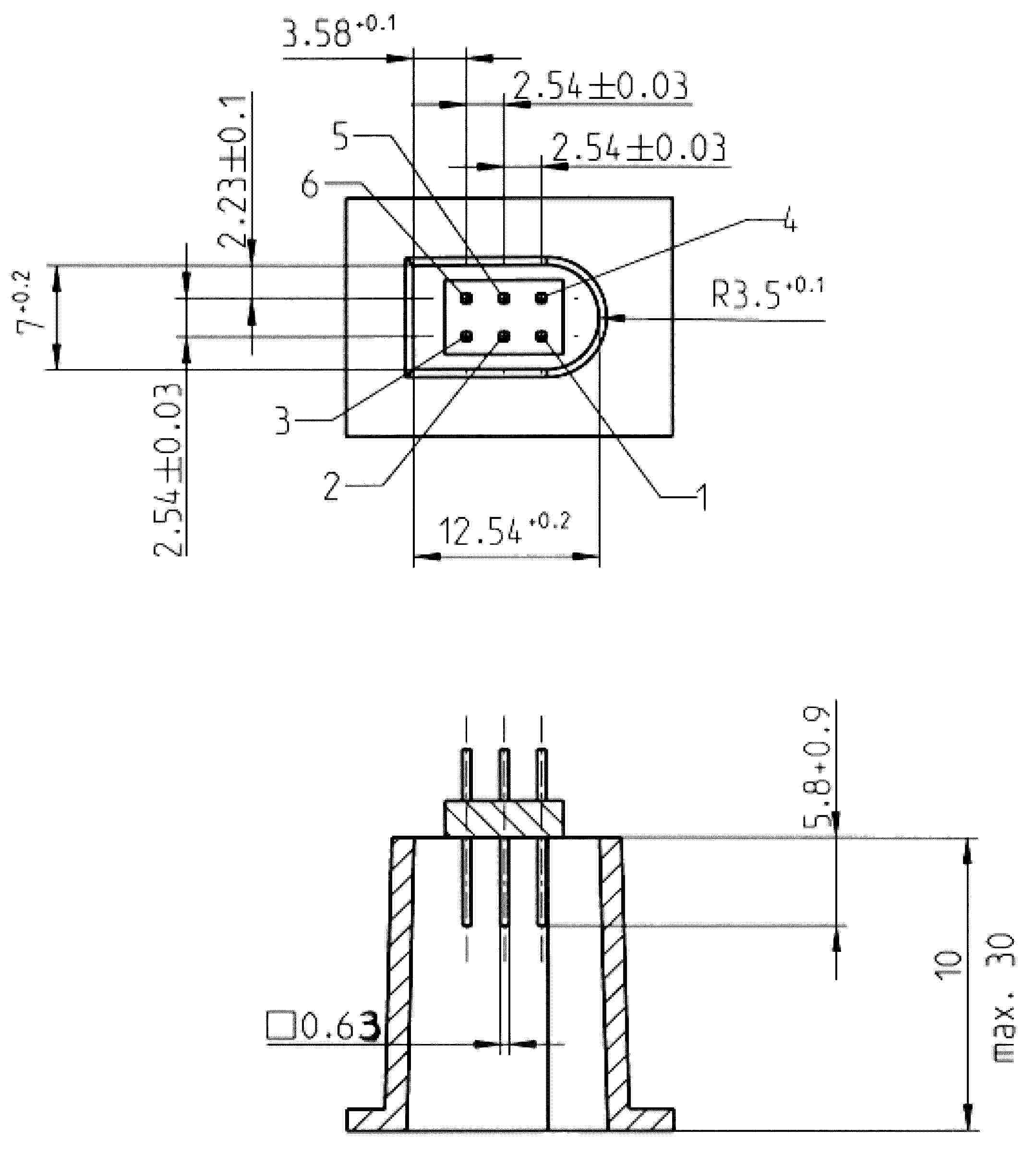
A címkének legalább a következő adatokat kell tartalmaznia:
- az elismert szerelő vagy műhely neve, címe vagy cégneve,
- a jármű jellemző együtthatója "w =... ford/km" vagy "w =... imp/km" formában,
- a gumiabroncsok tényleges kerülete "l =... mm" formában,
- a jármű jellemző együtthatója meghatározásának és a gumiabroncsok kerülete tényleges mérésének időpontja.
4. Plombálás
Az alábbi alkatrészeket plombával kell ellátni:
a) az illesztési címke, kivéve ha az úgy van felerősítve, hogy a rajta lévő jelölések megrongálása nélkül nem távolítható el;
b) a szoros értelemben vett menetíró készülék és a jármű közötti összeköttetés két vége;
c) maga az adapter és annak áramköri csatlakozási pontja;
d) a kapcsolószerkezet, a két vagy több hátsóhídáttétellel rendelkező járműveknél;
e) az adaptert és a kapcsolószerkezetet a menetíró készülék többi részével összekötő kapcsolóelemek;
f) a III. fejezet a) 7.2. pontja alapján előírt burkolatok;
g) minden olyan burkolat, amelyen keresztül az ellenőrző műszer állandóit a jármű jellemző együtthatójához igazító eszközökhöz hozzá lehet férni.
Különleges esetekben a menetíró készülék típusának jóváhagyásakor további plombákat is előírhatnak, és a jóváhagyási bizonyítványban meg kell adni e plombák helyét.
A b), c) és e) pontokban említett zárjeleket el lehet távolítani:
- veszélyhelyzetben,
- sebességkorlátozó készülék vagy a közúti közlekedés biztonságát szolgáló más készülék beépítése, szabályozása vagy javítása céljából,
feltéve, hogy a menetíró készülék ezt követően is megbízhatóan és rendeltetésének megfelelően működik, és azt egy elismert szerelő vagy műhely közvetlenül a sebességkorlátozó készülék vagy a közúti közlekedés biztonságát szolgáló más készülék beépítése után, vagy más esetben legkésőbb 7 nap múlva ismét plombával látja el; a plombák feltörésekor minden alkalommal írásos nyilatkozatot kell készíteni a feltörés okairól, amelyet a hatáskörrel rendelkező hatóság rendelkezésére kell bocsátani.
5. A menetíró készüléket és a jeladót csatlakoztató kábeleket folytonos, műanyag bevonatú, korrózió ellen védett, peremezett végű acélburkolattal kell védeni, kivéve azokat az eseteket, amikor manipulációkkal szemben ugyanolyan védelem biztosítható olyan egyéb eszközökkel (például elektronikus figyelés, mint például jelek titkosítása), amelyek alkalmasak a menetíró készülék hibátlan működéséhez, nem szükséges olyan eszközök jelenlétét érzékelni, amelyek célja az, hogy a menetíró készülékek pontos működését a sebesség- és távolságérzékelőből érkező elektronikus adatok rövidre zárásával, megszakításával vagy módosításával megakadályozzák. A rendelet értelmében az a csatlakozás számít folytonosnak, amely plombával ellátott kapcsolódási pontokból áll.
A fent említett elektronikus figyelést olyan elektronikus vezérlés válthatja fel, amely biztosítani tudja, hogy a menetíró készülék a jármű sebesség- és távolságérzékelőjének jelzésétől függetlenül a jármű minden mozgását rögzítse.
Ennek a pontnak az alkalmazásában az M1 és N1 járművek azok, amelyeket a Tanács 70/156/EGK ( 10 ) irányelve II. mellékletének A része meghatároz. Azokban a járművekben, amelyeket a rendelet értelmében tachográffal szereltek fel, és nem úgy terveztek, hogy a megtettút- és sebességérzékelők és a menetíró készülék között védett kábel legyen, egy adaptert kell elhelyezni a lehető legközelebb a megtettút- és sebességérzékelőkhöz.
A védett kábelt az adapter és a menetíró készülék közé kell elhelyezni.
VI. ELLENŐRZÉSEK ÉS FELÜLVIZSGÁLATOK
A tagállamok testületeket neveznek ki az ellenőrzések és a felülvizsgálatok végrehajtására.
1. Új vagy javított műszerek hitelesítése
Minden egyes új vagy javított készüléket a helyes működése, valamint leolvasott és rögzített adatainak a III. fejezet f) 1. pontjában megjelölt határokon belüli pontossága szempontjából hitelesíteni kell az V. fejezet 4. f) pontja szerinti plombákkal.
A tagállam ezért előírhat egy kezdeti vizsgálatot, amely annak ellenőrzéséből és megerősítéséből áll, hogy az új vagy javított készülék megfelel a jóváhagyott mintának, illetve e rendelet és mellékletei követelményeinek, vagy e hitelesítési jogkört átruházhatja a gyártókra vagy azok meghatalmazottjaira.
2. Beépítés
A járműbe való beépítésnél a készüléknek és a beépítésnek meg kell felelnie a III. fejezet f) 2. pontjában előírt maximális tűréshatárokra vonatkozó rendelkezéseknek.
A felülvizsgálatot az elismert szerelő vagy műhely a saját felelősségére végzi el.
3. Időszakos felülvizsgálatok
a) A járműbe beépített készülék időszakos felülvizsgálatát legalább kétévenként kell elvégezni és végrehajtható a járművek időszakos műszaki vizsgálatának keretében is.
Ezek a felülvizsgálatok a következő ellenőrzéseket tartalmazzák:
- a készülék helyes működése,
- a típus-jóváhagyási jel megléte,
- az illesztési címke megléte,
- a plombák sértetlensége a készüléken és a berendezés más részein,
- a gumiabroncsok tényleges kerülete.
b) A III. fejezet f) 3. pontjában foglalt maximális tűréshatárok betartását legalább hatévente egyszer felül kell vizsgálni, bár az egyes tagállamok gyakrabban is előírhatják a területükön bejegyzett járművek felülvizsgálatát. A felülvizsgálat során le kell cserélni az illesztési címkét.
4. A hibák mérése
A hibák mérését a beépítéskor és a használat alatt a következő feltételek szerint kell végezni, amelyeket előírt vizsgálati feltételeknek kell tekinteni:
- terheletlen jármű a szokásos menetkész állapotban,
- gumiabroncsnyomás a gyártó előírásai szerint,
- gumiabroncskopás a törvényileg megengedett határokon belül,
- a jármű mozgása: a járműnek saját motorerejével egyenes vonalban, sík terepen, 50 ± 5 km/h sebességgel kell előrehaladnia; a mérést el szabad végezni alkalmas próbapadon is, ha az összevethető pontosságot nyújt.
I. B MELLÉKLET - A KIALAKÍTÁSSAL, VIZSGÁLATTAL, FELSZERELÉSSEL ÉS AZ ELLENŐRZÉSSEL KAPCSOLATOS KÖVETELMÉNYEK
I. FOGALOMMEGHATÁROZÁSOK
E mellékletben:
a) "aktiválás" :
azon fázis, amelyben a menetíró készülék teljes mértékben üzemképessé válik, és valamennyi funkcióját üzembe helyezi, beleértve a biztonsági funkciókat is;
A menetíró készülék aktiválásához a műhelykártya használatára és a megfelelő PIN kód bevitelére van szükség;
b) "hitelesítés" : azon funkció, amelynek célja a személyazonosság megállapítása és ellenőrzése;
c) "hitelesség" : azon tulajdonság, hogy az információ egy olyan féltől származik, akinek személye ellenőrizhető;
d) "beépített teszt (BIT)" : olyan, kérésre végrehajtott tesztek, amelyeket a kezelő vagy egy külső berendezés indít el;
e) "naptári nap" : 00 óra 00 perctől 24 óra 00 percig terjedő nap. Minden naptári nap az összehangolt nemzetközi világidőhöz (UTC) viszonyítandó;
f) "kalibrálás" :
azon gépjármű-paraméterek aktualizálása és megerősítése, amelyeket az adatmemóriában kell tartani. A gépjármű-paraméterek magukban foglalják a gépjármű azonosítását (a jármű alvázszáma, rendszám és a regisztráló tagállam), valamint a gépjármű jellemzőit (w, k, l, abroncsméret; sebességkorlátozó készülék beállítása (adott esetben), az aktuális UTC idő, az aktuális kilométer-számláló érték);
Az UTC idő aktualizálását, illetve megerősítését nem kalibrálásnak, hanem időbeállításnak kell tekinteni, feltéve, hogy nem áll ellentétben a 256. követelménnyel.
A menetíró készülék kalibrálása megköveteli a műhelykártya használatát;
g) "kártyaszám" :
azon 16 alfanumerikus karakterből álló szám, amely egyértelműen azonosítja a tachográf-kártyát egy tagállamon belül. A kártyaszám magában foglal egy konszekutív indexet (adott esetben), egy csereindexet és egy megújítási indexet;
ezért egy kártyát egyedül a kibocsátó tagállam kódjával és a kártyaszámmal lehet azonosítani;
h) "a kártya konszekutív indexe" : egy kártyaszám azon tizennegyedik alfanumerikus karaktere, amely arra szolgál, hogy megkülönböztesse az olyan társaságnak vagy szervnek kibocsátott különböző kártyákat, amely jogosult több tachográf-kártyát is átvenni. A társaságot vagy szervet egyedül a kártyaszám első 13 karaktere azonosítja;
i) "a kártya megújítási indexe" : a kártyaszám azon 16. alfanumerikus karaktere, amelyet minden olyan esetben növelni kell, amikor egy tachográf-kártyát megújítanak;
j) "kártyacsere-index" : a kártyaszám azon 15. alfanumerikus karaktere, amelyet minden olyan esetben nő, amikor egy tachográf-kártyát kicserélnek;
k) "jármű jellemző együtthatója" : a jármű és a menetíró készülék közötti kapcsolatot biztosító alkatrész (sebességváltó kimenőtengelye vagy a keréktengely) által - mialatt a jármű rendes vizsgálati feltételek mellett egy kilométernyi távolságot tesz meg - kibocsátott kimeneti jel értékét megadó jellemző számjegyadat (ld. a VI.5. fejezetet). A jellemző együtthatót kilométerenkénti impulzusok (w = ... imp/km) kell kifejezni;
l) "vállalkozás adatkártyája" :
olyan tachográf-kártya, amelyet valamely tagállam hatóságai bocsátanak ki a menetíró készülékkel felszerelt járművek tulajdonosai vagy fenntartói részére;
A vállalkozás adatkártyája azonosítja a céget, és lehetővé teszi a menetíró készülékben tárolt adatok megjelenítését, letöltését és kinyomtatását. A kártya más vállalkozások számára lezárt vagy nem lezárt;
m) "menetíró készülék állandója" : az 1 kilométernyi megtett távolság kijelzéséhez és rögzítéséhez szükséges bemenő jel értékét megadó jellemző számérték; ezen állandót kilométerenkénti impulzusszámban (k = ... imp/km) kell kifejezni;
n) a "folyamatos járművezetési időt" a menetíró készülék számítja ki, mint ( 11 ) : egy meghatározott járművezető mindenkori akkumulált járművezetési ideje, utolsó KÉSZENLÉTE vagy SZÜNETE/PIHENÉSE vagy 45 perces vagy ennél hosszabb ISMERETLEN ( 12 ) időszaka óta (ez utóbbi időszak több 15 perces vagy ennél hosszabb időszakból állhat). A számítások szükség szerint figyelembe veszik a járművezetői kártyán rögzített korábbi tevékenységeket. Amennyiben a járművezető nem helyezte be a kártyáját, a számítások az azon időtartamra vonatkozó, a memóriában regisztrált adatokon alapulnak, amikor nem helyeztek kártyát a nyílásba;
o) "ellenőrzőkártya" :
azon tachográf-kártya, amelyet a tagállam hatóságai bocsátanak ki az illetékes nemzeti ellenőrző hatóság részére;
az ellenőrző kártya azonosítja az ellenőrző szervet és esetleg az ellenőrző személyt, valamint lehetővé teszi a hozzáférést az adatmemóriában vagy a járművezetői kártyán tárolt adatokhoz leolvasás, kinyomtatás, illetve letöltés céljából;
p) a"kumulatív szünetidőt"a menetíró készülék számítja ki (12) :
egy meghatározott járművezető kumulatív szünetidejét úgy kell kiszámítani, mint a KÉSZENLÉTBŐL vagy SZÜNETBŐL/PIHENÉSBŐL vagy a 45 perces vagy ennél hosszabb ISMERETLEN (12) időszakból álló azon mindenkori akkumulált idő, amely az utolsó KÉSZENLÉT vagy SZÜNET/PIHENÉS, vagy 45 perces, illetve ennél hosszabb ISMERETLEN (12) időszak óta telt el (ezen utóbbi időszak állhat több 15 perces vagy ennél hosszabb időszakból is).
A számítások szükség szerint figyelembe veszik a járművezetői kártyán rögzített korábbi tevékenységeket. Az ismeretlen, negatív tartamú (az ismeretlen időszak kezdete > az ismeretlen időszak vége), két különböző menetíró készülék közötti időátfedéseknek köszönhető időszakokat nem kell a számításnál figyelembe venni.
Amennyiben a járművezető nem helyezte be a kártyáját, úgy a vonatkozó számítások azokon a memóriában rögzített adatokon alapulnak, amelyek azon időtartamra vonatkoznak, amikor nem helyeztek kártyát a megfelelő kártyaleolvasó egységbe;
q) "adatmemória" : a menetíró készülékbe épített elektronikus adattároló berendezés;
r) "digitális aláírás" : egy adatblokkhoz csatolt olyan adat vagy egy adatblokk olyan rejtjelzett átalakítása, amely lehetővé teszi az adatblokk címzettjének, hogy meggyőződhessen az adatblokk hitelességéről és integritásáról;
s) "letöltés" :
a jármű adatmemóriájában vagy a tachográf-kártya memóriájában tárolt komplett adatkészletnek vagy annak egy részének kimásolása a digitális aláírással együtt; a letöltés vonatkozásában ezen adatoknak összhangban kell állniuk az 561/2006/EK rendeletben meghatározott rendelkezésekkel.
A digitális tachográf járműegységek gyártói, valamint az adatkészlet letöltésére tervezett és szánt berendezések gyártói minden ésszerű lépést megtesznek annak biztosítására, hogy az ilyen adatok letöltését a szállítási vállalkozások vagy járművezetők minimális akadályozásával lehessen elvégezni.
A letöltés nem törölhet vagy változtathat meg egyetlen tárolt adatot sem. A részletes sebességadatok letöltésének nem feltétlenül szükséges összhangban állnia az 561/2006/EK rendelettel, hanem más célokra, például balesetek kivizsgálására is felhasználható;
t) "járművezetői kártya" :
azon tachográf-kártya, amelyet a tagállam hatóságai bocsátottak ki egy adott járművezető részére;
a járművezetői kártya azonosítja a járművezetőt, és lehetővé teszi a járművezető tevékenységére vonatkozó adat tárolását;
u) "gumiabroncsok tényleges kerülete" : azon távolságok átlaga, amelyet a járművet mozgató egyes kerekek (hajtókerekek) egy teljes fordulat során megtesznek. E távolságok mérését rendes vizsgálati körülmények között (lásd a VI.5. fejezet) kell elvégezni, és 1 = mm-ben kell kifejezni. A járműgyártók e távolságmérést egy olyan elméleti számítással helyettesíthetik, amely figyelembe veszi a terheletlen, üzemkész jármű tengelynyomás-eloszlását ( 13 ). Az ilyen elméleti számításra vonatkozó módszereket a tagállam illetékes hatóságának jóvá kell hagynia.
v) "esemény" : a menetíró készülék által felderített olyan rendellenes működés, amely csalási kísérletből eredhet;
w) "hiba" : a menetíró készülék által felderített olyan rendellenes működés, amely egy berendezés hibás működéséből vagy meghibásodásából eredhet;
x) "beépítés" : a menetíró készülék beszerelése a járműbe;
y) "mozgásérzékelő" : a menetíró készülék azon része, amely jelzi a jármű sebességét, illetve a megtett távolságot;
z) "nem érvényes kártya" : olyan kártya, mely az érzékelés során hibásnak bizonyul, vagy amelynek a kezdeti hitelesítése nem sikerült, vagy amely nem érte még el érvényességi idejének kezdetét, illetve amelynek már lejárt az érvényességi ideje;
aa) "menetíró készülék nem szükséges" : amikor a menetíró készülék használata nem szükséges a 3820/85/EGK tanácsi rendelet előírásaival összhangban;
bb) "gyorshajtás" : a jármű engedélyezett sebességének túllépése; definíció szerint az a 60 másodpercet meghaladó időszak, amely alatt a jármű mért sebessége meghaladja a Közösségben egyes gépjármű-kategóriákra sebességkorlátozó készülékek felszereléséről és használatáról szóló, 1992. február 10-i 92/6/EGK tanácsi irányelv ( 14 ) szerinti, a sebességkorlátozó készülék beállítására megállapított legnagyobb értéket;
cc) "időszakos felülvizsgálat" : az ellenőrző műveletek olyan sorozata, amelynek célja annak biztosítása, hogy a menetíró készülék megfelelően működjön, és hogy a szabályozói megfeleljenek a jármű paramétereinek;
dd) "nyomtató" : a menetíró készülék azon komponense, amely biztosítja a tárolt adatok kinyomtatását;
ee) "menetíró készülék" : a közúti járműbe történő beépítésre szánt teljes készülék, amely automatikusan vagy félautomatikusan feltünteti, rögzíti és tárolja e járművek mozgásának és vezetőik bizonyos munkaszakaszainak adatait;
ff) "megújítás" : egy új tachográf-kártya kibocsátása, amennyiben a meglévő kártya érvényességi ideje lejárt vagy rosszul működik és a kibocsátó hatósághoz visszaküldik. A megújításkor meg kell győződni arról, hogy nem létezik-e egy időben két érvényes kártya;
gg) "javítás" : egy mozgásérzékelő vagy egy járműegység bármely olyan javítása, amelyhez az áramellátás kiiktatása, a menetíró készülék más komponensétől történő szétválasztása vagy a menetíró készülék felnyitása szükséges;
hh) "csere" : a meglévő tachográf-kártya cseréjeként egy új kártya kibocsátása, amennyiben a régi kártya elveszett, ellopták vagy rosszul működik, és nem küldték vissza a kibocsátó hatósághoz. A cserénél mindig felmerül annak kockázata, hogy egy időben két érvényes kártya létezik;
ii) "biztonsági igazolás" : olyan eljárás, amikor egy ITSEC ( 15 ) igazoló szerv tanúsítja, hogy a vizsgálandó menetíró készülék (vagy valamely komponense), illetve a tachográf-kártya megfelel a 10. függelékben meghatározott "Általános biztonsági célok" követelményeinek;
jj) "önellenőrző teszt" : olyan tesztek, amelyeket a menetíró készülék ciklikusan és automatikusan hajt végre a hibák felderítése érdekében;
kk) "
tachográf-kártya
" :
olyan memóriakártya, amely a menetíró készülékkel kerül felhasználásra. A tachográf-kártyák lehetővé teszik, hogy a menetíró készülék azonosítsa a kártya tulajdonosának (vagy tulajdonos csoportjának) személyazonosságát, és lehetővé teszi az adatok átvitelét és tárolását. A tachográf-kártya az alábbi típusú lehet:
- járművezetői kártya,
- ellenőrzőkártya,
- műhelykártya,
- vállalkozás adatkártyája;
ll) "típusjóváhagyás" : olyan eljárás, amellyel valamely tagállam igazolja, hogy a vizsgálandó menetíró készülék (vagy valamely komponense) vagy a tachográf-kártya megfelel e rendelet követelményeinek;
mm) "abroncsméret" : az abroncsok (külső hajtókerekek) méreteinek megjelölése az 1992. március 31-i 92/23/EGK irányelvvel ( 16 ) összhangban;
nn) "jármű azonosítása" : azon számok, amelyek a jármű azonosítására szolgálnak: a jármű rendszáma (VRN) a regisztráló tagállam megjelölésével, valamint a jármű alvázszáma (VIN) ( 17 );
oo) "járműegység (JE)" : a menetíró készülék, kivéve a mozgásérzékelőt és a mozgásérzékelőhöz tartozó csatlakozó kábeleket. A járműegység egyetlen vagy több, a gépjárműben szétosztott egység lehet, amennyiben megfelel e rendelet biztonsági követelményeinek;
pp) a menetíró készülékben történő számítást szolgáló"hét"szó : a hétfő 00.00 óra UTC időponttól a vasárnap 24.00 óráig terjedő időszak;
qq) "a műhelykártya" :
olyan tachográf-kártya, amelyet egy tagállam hatósága egy menetíró készülék olyan gyártójának, szerelőjének, egy olyan járműgyártónak vagy műhelynek ad ki, amelyet az adott tagállam jóváhagyott;
A műhelykártya azonosítja a kártya tulajdonosát, és lehetővé teszi a menetíró készülék vizsgálatát, kalibrálását, illetve letöltését;
rr) "adapter"
:
a menetíró készülék azon része, amely folyamatosan jelzi a jármű sebességét és/vagy a megtett távolságot, és amelyet:
- kizárólag olyan (a 70/156/EGK tanácsi irányelv II. melléklete szerinti) M1 és N1 kategóriájú járművekbe építenek be, amelyeket 2006. május 1-je és 2013. december 31-e között helyeztek vagy helyeznek első ízben forgalomba,
- akkor építenek be, ha mechanikai okokból nem építhető be más típusú meglévő mozgásérzékelő, jóllehet az megfelel az e mellékletben és e melléklet 1-11. függelékében foglalt előírásoknak,
- a járműegység és azon pont közé építenek be, ahol az integrált érzékelők vagy alternatív interfészek a sebességre és a megtett távolságra vonatkozó impulzusokat generálják.
A járműegység szemszögéből az adapter viselkedése ugyanolyan, mintha a járműegységre egy, az e mellékletben és e melléklet 1-11. függelékében foglalt előírásoknak megfelelő mozgásérzékelőt csatlakoztatnának.
Az ilyen adaptereknek a fent leírt járművekbe történő beépítésével lehetővé válik, hogy az e mellékletben foglalt valamennyi követelménynek megfelelő járműegységet építsenek be és azt megfelelően alkalmazzák.
Az ilyen járművek esetében a menetíró készüléknek a szükséges kábelek, az adapter és a járműegység is részét képezi.
II. A MENETÍRÓ KÉSZÜLÉK ÁLTALÁNOS JELLEMZŐI ÉS FUNKCIÓI
000Valamennyi, a mellékletben foglaltaknak megfelelő menetíró készülékkel felszerelt járművön sebességkijelzőnek és kilométer-számlálónak kell lennie. A menetíró készülék maga is tartalmazhatja e funkciókat.
1. Általános jellemzők
A menetíró készülék célja a járművezető tevékenységére vonatkozó kimeneti adatok rögzítése, tárolása, kijelzése és kinyomtatása.
001A menetíró készülék kábelekből, egy mozgásérzékelőből és egy járműegységből áll.
001aA mozgásérzékelők és a járműegységek közötti interfésznek meg kell felelnie az ISO 16844-3:2004, Cor 1:2006 szabványnak.
002A járműegység feldolgozó egységből, adatmemóriából, valós idejű órából, két programozható memóriakártya interfész készülékből (járművezető és járműkísérő), nyomtatóból, kijelző berendezésből, vizuális figyelmeztető berendezésből, kalibrálási/letöltő csatlakozóból és a felhasználói inputok bevitelére szolgáló készülékekből áll.
A menetíró készüléket kiegészítő csatlakozókkal össze lehet kötni más készülékekkel is.
003Amennyiben a menetíró készülékbe pótlólagos felszerelést építenek be, vagy ahhoz ilyen felszerelést kapcsolnak, ezek - függetlenül attól, hogy jóváhagyottak-e vagy sem - nem zavarhatják meg a menetíró készülék megfelelő és üzembiztos működését, és nem lehetnek ellentétesek a rendelet rendelkezéseivel.
A menetíró készülék használói tachográf-kártyával azonosítják magukat.
004A menetíró készülék szelektív hozzáférési jogokat biztosít az adatokhoz és funkciókhoz a felhasználó típusa, illetve személyazonossága szerint.
A menetíró készülék rögzíti, és a memóriájában, valamint a tachográf-kártyán eltárolja az adatokat.
Ez a személyes adatok kezelése vonatkozásában az egyének védelméről és az ilyen adatok szabad áramlásáról szóló, 1994. október 24-i 95/46/EK irányelvvel ( 18 ) összhangban történik.
2. Funkciók
005A menetíró készülék az alábbi funkciókat biztosítja:
- kártyák behelyezésének és kivételének ellenőrzése,
- sebesség- és távolságmérés,
- időmérés,
- járművezetői tevékenység ellenőrzése,
- járművezetési állapot ellenőrzése,
- járművezetők kézi bejegyzései:
-
- azon helyek bejegyzése, ahol a munkanap kezdődik, illetve végződik,
- a járművezetői tevékenységek kézi betáplálása,
- különleges körülmények betáplálása,
- vállalkozás lezárásának kezelése,
- az ellenőrzési tevékenység felügyelete,
- események, illetve hibák felderítése,
- beépített és önellenőrző tesztek,
- leolvasás az adatmemóriából,
- rögzítés és tárolás az adatmemóriában,
- leolvasás a tachográf-kártyáról,
- rögzítés és tárolás a tachográf-kártyákon,
- kijelzés,
- nyomtatás,
- figyelmeztetés,
- adatletöltés külső adathordozókra,
- kimenő adatok kiegészítő külső készülékekre,
- kalibrálás,
- időbeállítás.
3. Üzemmódok
006A menetíró készülék négy üzemmóddal rendelkezik:
- működés,
- ellenőrzés,
- kalibrálás,
- vállalkozási üzemmód.
007A menetíró készülék az alábbi üzemmódokba kapcsol az interfész készülékbe behelyezett érvényes tachográf-kártyának megfelelően:
Üzemmód | Járművezetői nyílás | |||||
Nincs kártya | Járművezetői kártya | Ellenőrző kártya | Műhelykártya | Vállalkozás adatkártyája | ||
Járművezetői nyílás | Nincs kártya | Működés | Működés | Ellenőrzés | Kalibrálás | Vállalkozás |
Járművezetői kártya | Működés | Működés | Ellenőrzés | Kalibrálás | Vállalkozás | |
Ellenőrző kártya | Ellenőrzés | Ellenőrzés | Ellenőrzés (1) | Működés | Működés | |
Műhelykártya | Kalibrálás | Kalibrálás | Működés | Kalibrálás (1) | Működés | |
Vállalkozás adatkártyája | Vállalkozás | Vállalkozás | Működés | Működés | Vállalkozás (1) | |
(1) 008E helyzetekben a menetíró készülék csak a járművezetői kártyaolvasó egységbe helyezett tachográf-kártyát használja. |
009A menetíró készülék nem veszi figyelembe a behelyezett érvénytelen kártyákat, kivéve amennyiben lejárt kártyáról kell adatokat kijelezni, kinyomtatni vagy letölteni, ami lehetséges.
010Valamennyi, a II.2. pontban felsorolt funkció működik bármelyik üzemmódban, az alábbi kivételekkel:
- a kalibrálási funkció csak a kalibrálási üzemmódban hozzáférhető,
- az időbeállítási funkció korlátozott a kalibrálási üzemmódon kívül,
- a vállalkozás lezárásának kezelése funkció csak a vállalkozási üzemmódban hozzáférhető,
- az ellenőrzési tevékenységek felügyelete funkció csak az ellenőrzési üzemmódban működik,
- a letöltési funkció nem hozzáférhető a működési üzemmódban (kivéve a 150. követelmény szerinti esetekben), kivéve a járművezetői kártya adatainak letöltése során, amikor más kártya nincs behelyezve a JE-be.
011A menetíró készülék bármely adatot kiadhat kijelzésre, kinyomtatásra vagy külső interfészre a következő kivételekkel:
- a működési üzemmódban bármely olyan személyazonosítót [családi név és utónév(nevek)], amely nem felel meg a behelyezett tachográf-kártyának, ki kell iktatni, és minden olyan kártyaszámot, amely nem felel meg a behelyezett tachográf-kártyának, részlegesen ki kell iktatni (minden második karaktert - balról jobbra haladva - ki kell iktatni),
- a vállalkozási üzemmódban a járművezetőre vonatkozó adatok (081., 084. és 087. követelmény) csak olyan időszakokban hozzáférhetők, amikor nincs lezárás, illetve egy másik vállalkozás nem hajt végre lezárást (amint azt a vállalkozási kártyaszám első 13 karaktere tanúsítja),
- amennyiben nem helyeztek kártyát a menetíró készülékbe, csak a járművezetővel kapcsolatos adatok hozzáférhetők az adott és az azt megelőző nyolc naptári napra vonatkozóan.
4. Biztonság
A biztonsági rendszer olyan módon védi az adatmemóriát, hogy megakadályozza az adatokhoz való jogosulatlan hozzáférést és az adatok manipulációját, felderíti az ilyen kísérleteket, megvédi a menetíró készülék és a tachográf-kártyák között kicserélt adatok hitelességét és integritását, és ellenőrizi a letöltött adatok integritását és hitelességét.
012A rendszerbiztonság megvalósítása érdekében a menetíró készülék megfelel a mozgásérzékelőre és a járműegységre vonatkozó általános biztonsági célkitűzésekben foglalt biztonsági követelményeknek (10. függelék).
III. A MENETÍRÓ KÉSZÜLÉKRE VONATKOZÓ KIALAKÍTÁSSAL KAPCSOLATOS ÉS FUNKCIONÁLIS KÖVETELMÉNYEK
1. A kártyák behelyezésének és kivételének ellenőrzése
013A menetíró készülék ellenőrzi a kártyainterfész-készüléket, és felismeri a kártya behelyezését és kivételét.
014A kártya behelyezésekor a menetíró készülék érzékeli, hogy a behelyezett kártya érvényes tachográf-kártya-e; ekkor azonosítja a kártya típusát.
015A menetíró készüléket úgy kell megtervezni, hogy a tachográf-kártyák megfelelő behelyezés esetén pontosan beilleszkednek a kártyainterfész-készülékbe.
016A tachográf-kártya kioldása csak akkor lehetséges, amennyiben a jármű már nincs mozgásban, és miután a szükséges adatok a kártyán tárolásra kerültek. A kártyát a felhasználó oldhatja ki.
2. Sebesség- és távolságmérés
017E funkció folyamatos mérést biztosít, és lehetővé teszi a jármű által megtett teljes távolságnak megfelelő kilométer-számláló-érték mérését és megadását.
018E funkció folyamatos mérést biztosít, és lehetővé teszi a jármű sebességének mérését és megadását.
019A sebességmérő funkció tájékoztat arról is, hogy a jármű mozgásban van-e vagy megállt. A járművet mozgásban lévőnek kell tekinteni, amennyiben a funkció a mozgásérzékelőből származó több mint 1 imp/sec értéket érzékel legalább 5 másodpercen keresztül, ellenkező esetben a járművet állónak kell tekinteni.
Az olyan berendezések, amelyek kijelzik a sebességet (kilométeróra) és a teljes megtett utat (kilométer-számláló), és amelyek egy olyan járműbe kerülnek beépítésre, amely e rendelet rendelkezéseinek megfelelő menetíró készülékkel van felszerelve, megfelelnek az e mellékletben (III. fejezet 2.1. és 2.2. pont) megállapított megengedhető tűréshatárok követelményeinek.
019aA mozgási adatok manipulálásának kimutatása érdekében a mozgásérzékelőből származó információt meg kell erősíteni a mozgásérzékelőtől független egy vagy több adatforrásból származó információval.
2.1. A megtett távolság mérése
020A megtett távolság mérhető:
- vagy az előre és a hátrafelé irányuló mozgások összegzésével,
- vagy csak az előre irányuló mozgások figyelembe vételével.
021A menetíró készülék a 0 és 9 999 999,9 km közötti megtett távolságot méri.
022A mért távolság az alábbi tűréshatárok közt mozoghat:
- ± 1 % a beépítés előtt,
- ± 2 % a beépítéskor és a periodikus felülvizsgálatoknál,
- ± 4 % működés közben.
023A lemért távolság legalább 0,1 km-es pontosságú.
2.2. A sebesség mérése
024A menetíró készülék 0-tól 220 km/h-ig terjedő sebesség mérésére szolgál.
025A kijelzett működési sebesség ± 6 km/óra megengedhető tűréshatárának biztosítása érdekében, és figyelembe véve
- egy ± 2 km/óra tűréshatárt a bemeneti eltérésekre (gumiabroncsoknak köszönhető eltérések stb.),
- egy ± 1 km/óra tűréshatárt a beépítéskor és a periodikus felülvizsgálatoknál végzett méréseknél,
a menetíró készüléknek a sebességet 20 és 180 km/óra közötti sebességnél, a jármű 4 000 és 25 000 imp/km közötti karakterisztikus koefficiensénél ± 1 km/óra tűréshatárral kell mérnie (állandó sebességnél).
Megjegyzés: Az adattárolás felbontása további ± 0,5 km-es tűréshatárt eredményez a menetíró készülék által tárolt sebesség tekintetében.
025aA sebesség mérésekor a 2 m/s2-ig terjedő gyorsulási változásokat pontosan, az elfogadható tűréshatáron belül, a sebességváltozás végétől számított 2 másodpercen belül megfelelően kell lemérni.
026A sebességmérés legalább 1 km/óra pontosságú.
3. Időmérés
027Az időmérési funkció folyamatos mérést biztosít, és digitálisan mutatja az UTC dátumot és időt.
028A menetíró készülékben (feljegyzés, adatcsere) a dátum megjelöléséhez, valamint a 4. függelékben ("Nyomtatás") meghatározott valamennyi nyomtatáshoz az UTC dátumot és időt kell alkalmazni.
029A helyi idő megjelenítése érdekében lehetővé kell tenni a kijelzett időeltolódás megváltoztatását félórás lépésekben. A félórás időeltolódások negatív vagy pozitív szorzatának alkalmazásán kívül minden egyéb változtatás tilos.
030Az időbeli eltérés naponta, típus-jóváhagyási körülmények között nem haladhatja meg a ± 2 másodpercet.
031Az időmérés legalább 1 másodperc pontosságú.
032Az időmérést nem befolyásolhatja egy 12 hónapnál rövidebb külső áramkimaradás típus-jóváhagyási körülmények között.
4. A járművezetői tevékenység ellenőrzése
033E funkció állandóan és külön-külön méri a járművezető és a járműkísérő tevékenységét.
034A járművezető tevékenységei: JÁRMŰVEZETÉS, MUNKA, KÉSZENLÉT vagy SZÜNET/PIHENÉS.
035A járművezető illetve a járműkísérő számára lehetővé kell tenni, hogy manuálisan válassza ki a MUNKÁT, KÉSZENLÉTET vagy a SZÜNETET/PIHENÉST.
036Ha a jármű mozgásban van, automatikusan a JÁRMŰVEZETÉST kell kiválasztani a járművezető esetében, és automatikusan a KÉSZENLÉTET kell kiválasztani a járműkísérő esetében.
037Amennyiben a jármű megáll, automatikusan a MUNKÁT kell kiválasztani a járművezető esetében.
038Az első, SZÜNETRE/PIHENÉSRE vagy KÉSZENLÉTRE történő tevékenységváltozást, amely 120 másodpercen belül azt követően következett be, hogy a jármű megállása következtében automatikus váltás történt a MUNKÁRA, úgy kell tekinteni, mint amely a jármű leállásakor következett be (és ezért a MUNKÁRA való átváltást törölni kell).
039E funkció adja ki a tevékenységváltozást a regisztráló funkciók felé egyperces felbontásban.
041Ha egy naptári percet közvetlenül megelőző és a percet közvetlenül követő egy percen belül bármiféle JÁRMŰVEZETÉSI tevékenység feljegyzésére kerül is, akkor az egész percet JÁRMŰVEZETÉSNEK kell tekinteni.
042Adott olyan naptári perc esetén, amely nem tekinthető JÁRMŰVEZETÉSNEK az előbbi 41. követelmény alapján, az egész percet úgy kell tekinteni, mint az adott percen belüli leghosszabb folyamatos tevékenységnek megfelelő tevékenység (vagy két azonos hosszúságú tevékenység közül a későbbi).
043E funkció állandóan nyomon követi a járművezető folyamatos járművezetési idejét és kumulatív szabadidejét.
5. A járművezetési állapot ellenőrzése
044E funkció állandóan és automatikusan ellenőrzi a járművezetési állapotot.
045A SZEMÉLYZET járművezetési állapotot kell kiválasztani, amikor két érvényes járművezetői kártya kerül behelyezésre a berendezésbe, minden egyéb esetben az EGYEDÜLI járművezetési állapotot kell kiválasztani.
6. A járművezetők kézi bejegyzései
6.1. A munkanap kezdő, illetve végső helyének betáplálása
046E funkció lehetővé teszi a járművezető, illetve a járműkísérő számára azon helyek betáplálását, ahol a munkanap kezdődik, illetve végződik.
047Hely alatt országot, és ahol emellett szükséges, régiót kell érteni.
048A járművezetői kártya (vagy a műhelykártya) kivételének időpontjában a menetíró készülék a járművezetőt (járműkísérőt) arra hívja fel, hogy táplálja be a munkanap végének a helyét.
049A menetíró készülék lehetővé teszi e felhívás figyelmen kívül hagyását.
050Azon helyek bevitele, ahol a munkanap kezdődik, illetve végződik, a menüben szereplő parancsok segítségével lehetséges. Ha egy naptári percen belül egynél több ilyen bevitelre kerül sor, akkor a munkanap kezdetének és befejezésének csak az ezen időn belül legutoljára bevitt helyét kell megtartani a feljegyzésekben.
6.2. A járművezetői tevékenységek kézi betáplálása
050aA járművezetői (vagy műhely-) kártya behelyezésekor, és csak ezen időpontban, a menetíró készülék lehetővé teszi a tevékenységek kézi betáplálását. Szükség esetén lehetővé kell tenni a kézi bevitelt a korábban nem használt járművezetői (vagy műhely-) kártya első behelyezésekor.
A tevékenységek kézi bevitelét a helyi idő és a járműegység esetében aktuálisan meghatározott, az időzóna-paraméterek (UTC-től való eltérés) felhasználásával kell elvégezni.
A járművezetői (vagy műhely-) kártya behelyezésekor a menetíró készülék a következőkre emlékezteti a kártya tulajdonosát:
- az utolsó kártyakivételének dátuma és időpontja,
- opcionálisan: a járműegység esetében aktuálisan meghatározott, helyi időtől való eltérés.
A tevékenységek a következő korlátozások mellett táplálhatók be:
- a járművezető tevékenysége MUNKA, KÉSZENLÉT vagy SZÜNET/PIHENÉS lehet.
- minden egyes tevékenység esetében a kezdési és befejezési időpontok, kizárólag az utolsó kártyakivétel és az aktuális kártyabehelyezés közti időszakra szorítkozva.
A tevékenységek időben nem fedhetik át kölcsönösen egymást.
A tevékenységek kézi bevitelének eljárása annyi egymást követő lépést foglal magában, amennyi az egyes tevékenységek típusának, kezdési és befejezési időpontjának meghatározásához szükséges. Az utolsó kártyakivétel és az aktuális kártyabehelyezés közti időszak bármely részében a kártyatulajdonos választhatja azt a lehetőséget, hogy nem jelent be tevékenységet.
A kártyabehelyezéssel kapcsolatos kézi bevitelek során - adott esetben - a kártyatulajdonosnak lehetősége van a következők bevitelére:
- az előző munkanap befejezésének helye, az adott időponthoz kapcsolódóan (amennyiben ennek bevitelére nem került sor az utolsó kártyakivételnél)
- az aktuális munkanap kezdetének helye, az adott időponthoz kapcsolódóan.
Amennyiben a helyszín bevitelére sor kerül, az a releváns tachográf-kártyában feljegyzésre kerül.
A kézi beviteleket a következő esetekben félbe kell szakítani:
- kártyakivételkor, vagy
- ha a jármű mozgásban van és a kártya be van helyezve a járművezetői kártyaolvasó egységbe.
További félbeszakítás is megengedett, pl. a bizonyos felhasználói inaktív időszakot követő szünet. Amennyiben a kézi bevitel félbeszakad, a menetíró készülék megerősít minden, a hellyel és a tevékenységgel (vagy egyértelműen meghatározott hely és idő, vagy tevékenységtípus, kezdési és befejezési idő) kapcsolatban már betáplált adatot.
Amennyiben egy második járművezetői vagy műhelykártya behelyezésére kerül sor, miközben a kézi bevitelek elvégzése az előzőleg behelyezett kártyára még folyamatban van, hagyni kell az előzőleg behelyezett kártyára történő kézi bevitel befejezését, mielőtt a második kártyára történő kézi bevitel megkezdődik.
A kártyatulajdonos választhatja azt a lehetőséget, hogy a következő minimumeljárásnak megfelelően végzi el a kézi beviteleket:
Időrendi sorrendben kézzel táplálja be a tevékenységeket a kártya utolsó kivétele és az aktuális behelyezés közti időszakra vonatkozóan.
Az első tevékenység időpontja a kártyakivétel időpontjához igazodik. Minden ezt követő bevitel esetében a kezdési időpontot úgy kell előre beállítani, hogy közvetlenül kövesse az előző bevitel befejezési időpontját. Minden egyes tevékenység esetében ki kell választani a tevékenységtípust és befejezési időt.
Az eljárás akkor fejeződik be, amikor a kézzel betáplált tevékenység befejezésének ideje azonos a kártya behelyezésének idejével. A menetíró készülék ezután lehetővé teheti, hogy a kártya tulajdonosa bármely kézzel betáplált tevékenységet egy meghatározott parancs segítségével történő végérvényes megerősítésig módosítson. Ezután már semmilyen módosítás sem lehetséges.
6.3. Különleges körülmények bevitele
050bA menetíró készülék lehetővé teszi, hogy a járművezető valós időben táplálja be az alábbi két különleges körülményt:
"MENETÍRÓ KÉSZÜLÉK NEM SZÜKSÉGES" (kezdet, vég)
"KOMPON/VONATON MEGTETT ÚT"
A "KOMPON/VONATON MEGTETT ÚT" nem fordulhat elő "MENETÍRÓ KÉSZÜLÉK NEM SZÜKSÉGES" állapotban.
A megnyitott "MENETÍRÓ KÉSZÜLÉK NEM SZÜKSÉGES" körülményt a menetíró készülék automatikusan bezárja, ha egy járművezetői kártya behelyezésre vagy kivételre kerül.
A megnyitott "MENETÍRÓ KÉSZÜLÉK NEM SZÜKSÉGES" körülmény megakadályozza a következő eseményeket és figyelmeztetéseket:
- járművezetés megfelelő kártya nélkül
- folyamatos járművezetési idővel kapcsolatos figyelmeztetések.
7. Vállalkozás általi lezárás kezelése
051E funkció lehetővé teszi egy vállalkozás által elhelyezett zár kezelését, amely az adatokhoz való hozzáférést vállalkozási üzemmódban csak a vállalat számára teszi lehetővé.
052A vállalkozási lezárások egy kezdő dátumból/időpontból (lezárás) és egy befejező dátumból/időpontból (feloldás) állnak, összefüggésben a vállalkozás adatkártyája által végzett vállalkozás-azonosítással (a lezárásnál).
053A lezárásokat és a feloldásokat csak valós időben lehet végrehajtani.
054A feloldást csak azon vállalkozás hajthatja végre, amely a lezárást foganatosította (ezt a vállalati kártyaszám első 13 számjegye tanúsítja), vagy
055a feloldás automatikusan történik, ha egy másik vállalkozás lezárást hajt végre.
055aAmennyiben egy vállalkozás lezárást hajt végre és az előző lezárást ugyanaz a vállalkozás végezte, ezt úgy kell tekinteni, hogy az előző lezárást nem oldották fel és a lezárás még mindig tart.
8. Az ellenőrzési tevékenységek felügyelete
056E funkció ellenőrzi a KIJELZÉSI, KINYOMTATÁSI, JÁRMŰEGYSÉG és a kártya LETÖLTÉSI tevékenységeket, mialatt a készülék az ellenőrzés üzemmódban van.
057E funkció ellenőrzi a GYORSHAJTÁS ELLENŐRZÉSE tevékenységeket is, mialatt a készülék az ellenőrzés üzemmódban van. A gyorshajtás ellenőrzését megtörténtnek kell tekinteni, amennyiben az ellenőrzés üzemmódban megtörtént a "gyorshajtás" kifejezés elküldése a nyomtatóba vagy a kijelzőbe, vagy ha az "események és hibák" adatokat letöltötték a járműegység adatmemóriájából.
9. Események, illetve hibák felderítése
058E funkció deríti fel az alábbi eseményeket és hibákat:
9.1. Az "érvénytelen kártya" behelyezésének esete
059Ezen eseményt egy érvénytelen kártya behelyezése, illetve egy behelyezett érvényes kártya érvényességének lejárta idézi elő.
9.2. A "kártyaütközés" esete
060Ezen esemény akkor következik be, amikor az érvényes kártyáknak a következő táblázatban X-szel jelölt alábbi kombinációja valósul meg:
Kártyaütközés | Járművezetői nyílás | |||||
Nincs kártya | Járművezetői kártya | Ellenőrzőkártya | Műhelykártya | Vállalkozás adatkártyája | ||
Járművezetői nyílás nyílás | Nincs kártya | |||||
Járművezetői kártya | X | |||||
Ellenőrzőkártya | X | X | X | |||
Műhelykártya | X | X | X | X | ||
Vállalkozásadatkártyája | X | X | X |
9.3. Az "időátfedés" esete
061Ezen esemény akkor következik be, amikor egy járművezetői kártya magáról a kártyáról leolvasható utolsó kivételének dátuma/időpontja későbbi, mint azon menetíró készülék aktuális dátuma/időpontja, amelybe a kártya behelyezésre került.
9.4. A "járművezetés megfelelő kártya nélkül" esete
062Ezen esemény bármely olyan, az alábbi táblázatban X-szel jelölt tachográf-kártya-kombinációnál következik be, amikor a járművezető tevékenysége JÁRMŰVEZETÉSRE változik, vagy akkor történik üzemmódváltozás, mialatt a járművezető tevékenysége JÁRMŰVEZETÉS.
Járművezetés megfelelő kártya nélkül | Járművezetői nyílás | |||||
Nincs (vagy érvénytelen) kártya | Járművezetői kártya | Ellenőrzőkártya | Műhelykártya | Vállalkozás adatkártyája | ||
Járművezetői nyílás nyílás | Nincs (vagy érvénytelen) kártya | X | X | X | ||
Járművezetői kártya | X | X | X | X | ||
Ellenőrzőkártya | X | X | X | X | X | |
Műhelykártya | X | X | X | X | ||
Vállalkozás adatkártyája | X | X | X | X | X |
9.5. A "kártya behelyezése járművezetés közben" esete
063Ezen esemény akkor következik be, amennyiben egy tachográf-kártya bármely nyílásba behelyezésre kerül, mialatt a járművezető tevékenysége JÁRMŰVEZETÉS.
9.6. Az "utolsó kártyakapcsolat nem megfelelő lezárása" esete
064Ezen esemény akkor következik be, amennyiben egy kártya-behelyezésnél a menetíró készülék megállapítja, hogy a III. fejezet (1) bekezdésében foglaltak ellenére az előző kártyakapcsolat nem került helyesen lezárásra (a kártya azelőtt lett kivéve, mielőtt valamennyi vonatkozó adatot tároltak volna a kártyán). Ezen esemény csak a járművezetői kártyát és a műhelykártyát érintheti.
9.7. A "gyorshajtás" esete
065Ezen esemény minden egyes gyorshajtásnál bekövetkezik. Ez a követelmény csak a gépjárművek és pótkocsijaik jóváhagyásáról szóló 2007/46/EK irányelv II. mellékletében meghatározott, M2, M3, N2 vagy N3 kategóriákba tartozó járművekre vonatkozik.
9.8. Az "áramellátás megszakadásának" esete
066Ezen esemény akkor következik be, amikor a berendezés nincs a kalibrálási üzemmódban, és a mozgásérzékelő, illetve a járműegység bármely áramkimaradása meghaladja a 200 milliszekundumot. A megszakadási küszöbértéket a gyártó cégnek kell meghatározni. A jármű motorjának beindításából eredő áramellátás-csökkenés nem válthatja ki ezen eseményt.
9.9. A "mozgásra vonatkozó adatok hibájának" esete
067Ezen esemény akkor következik be, amennyiben megszakad a normál adatfolyam a mozgásérzékelő és a járműegység között, illetve amennyiben hiba lép fel az adatintegritásban vagy adathitelesítésben a mozgásérzékelő és a járműegység közötti adatcsere alatt.
9.9a. "A jármű mozgásával kapcsolatos konfliktus" esete
067aEz az eset akkor is bekövetkezik, ha a zérus sebességmérés ellentétben áll a legalább egy önálló adatforrásból származó, mozgással kapcsolatos, megszakítás nélküli egy percnél hosszabb időre vonatkozó információval.
067bAzokban az esetekben, ha a járműegység a mozgással kapcsolatban információt szolgáltató külső önálló adatforrásból származó sebességértékeket tud fogadni, illetve feldolgozni, ez az eset akkor is bekövetkezhet, ha ezek a sebességértékek jelentősen eltérnek a mozgásérzékelő sebességjele alapján több mint egy percre vonatkozóan feldolgozott értékektől.
9.10. A "biztonság feltörésének kísérlete" esete
068Minden olyan további, a mozgásérzékelő, illetve a járműegység biztonságát érintő esemény, amely a kalibrálási üzemmódon kívül következik be, és amely az ezen alkatrészekre vonatkozó általános biztonsági célokkal ellentétes.
9.11. A "kártyahiba" esete
069E hiba akkor következik be, ha működés közben a tachográf-kártya meghibásodik.
9.12. A "menetíró készülék" hibája
070E hiba bekövetkezhet bármely alábbi rendellenességnél, amennyiben a menetíró készülék nincs kalibrálási üzemmódban:
- JE hibája,
- nyomtató hibája,
- kijelző hibája,
- letöltés hibája,
- érzékelő hibája.
10. Beépített és önellenőrző tesztek
071A menetíró készülék önmaga deríti fel a hibákat önellenőrző és beépített tesztek segítségével az alábbi táblázat szerint:
Vizsgálandó készülékrész | Önellenőrző teszt | Beépített teszt |
Szoftver | Integritás | |
Adatmemória | Hozzáférés | Hozzáférés, adatintegritás |
Kártyainterfész-készülék | Hozzáférés | Hozzáférés |
Billentyűzet | Kézi ellenőrzés | |
Nyomtató | (a gyártó választása szerint) | Kinyomtatás |
Kijelzés | Vizuális ellenőrzés | |
Letöltés (végrehajtva csak a letöltés alatt) | Megfelelő működés | |
Érzékelő | Megfelelő működés | Megfelelő működés |
11. Leolvasás az adatmemóriából
072A menetíró készülék képes leolvasni minden, az adatmemóriájában tárolt adatot.
12. Rögzítés és tárolás az adatmemóriában
E bekezdés alkalmazásában:
- "365 nap" egy járműben az átlagos járművezetői tevékenység 365 naptári napja. Egy járműben az átlagos napi járművezetői tevékenység úgy határozható meg, mint legalább hat járművezető, illetve járműkísérő, hat kártyabehelyezési és -kivételi ciklusés 256 tevékenységváltoztatás. Ezért a "365 nap" magában foglal legalább 2 190 járművezetőt és járműkísérőt, 2 190 kártyabehelyezési és -kivételi ciklust, valamint 93 440 tevékenységváltoztatást.
- az időt egy percre történő felbontással kell rögzíteni, amennyiben nincs ezzel ellentétes utalás;
- a kilométer-számláló adatait egy kilométeres pontosságú felbontással kell rögzíteni;
- a sebességadatokat 1 km/óra felbontással kell rögzíteni.
073Az adatmemóriában tárolt adatokat a típusjóváhagyás körülményei között nem befolyásolhatja egy külső áramforrásban bekövetkező, 12 hónap időtartamot el nem érő áramkimaradás.
074A menetíró készülék képes implicit és explicit módon adatmemóriájában rögzíteni és tárolni az alábbiakat:
12.1. Készülékazonosítási adatok
12.1.1. Járműegység-azonosítási adatok
075A menetíró készülék képes az alábbi járműegység-azonosítási adatokat tárolni adat-memóriájában:
- gyártó neve,
- gyártó címe,
- alkatrészek száma,
- sorozatszám,
- szoftververzió száma,
- szoftververzió telepítésének dátuma,
- gyártási év,
- jóváhagyási szám.
076A járműegység azonosítási adatait a járműegység gyártója regisztrálja és véglegesen tárolja, kivéve a szoftverre vonatkozó adatokat és a jóváhagyási számot, amelyek a szoftver frissítése esetén változhatnak.
12.1.2. A mozgásérzékelő azonosítási adatai
077A mozgásérzékelő az alábbi azonosítási adatokat képes tárolni memóriájában:
- gyártó neve,
- alkatrészek sorszáma,
- sorozatszám,
- jóváhagyási szám,
- beépített biztonsági alkatrész azonosítója (például a belső lapka/processzor alkatrészszáma),
- üzemeltetési rendszer azonosítója (például szoftververziószám).
078A mozgásérzékelő azonosítási adatait a mozgásérzékelő gyártója tárolja véglegesen a mozgásérzékelőben.
079A járműegység képes arra, hogy adatmemóriájában rögzítse és tárolja az alábbi folyamatosan párosított mozgásérzékelő azonosítási adatokat:
- sorozatszám,
- jóváhagyási szám,
- az első párosítás dátuma.
12.2. Biztonsági elemek
080A menetíró készülék az alábbi elemek tárolására alkalmas:
- európai nyilvános kulcs,
- tagállami igazolás,
- berendezés igazolása,
- berendezés privát kulcsa.
A menetíró készülék biztonsági elemeit a járműegység gyártója építi be a berendezésbe.
12.3. Járművezetői kártya behelyezési és kivételi adatai
081A berendezésben a járművezetői és műhelykártya minden egyes behelyezési és kivételi ciklusánál a menetíró készülék az alábbi adatokat rögzíti és tárolja adatmemóriájában:
- a kártyatulajdonos családi és utóneve a kártyán tárolt formában,
- kártyaszám, kiállító tagállam és az érvényesség ideje a kártyán tárolt formában,
- behelyezés dátuma és időpontja,
- a jármű kilométer-számlálójának értéke a kártya behelyezésének időpontjában,
- azon nyílás, amelybe a kártya behelyezésre került,
- kivétel dátuma és időpontja,
- a jármű kilométer-számlálójának értéke a kártya kivételének időpontjában,
- az alábbi információkat a járművezető által használt előző járműről a kártyán tárolt formában:
-
- a jármű rendszáma és a bejegyző tagállam,
- kártyakivétel dátuma és időpontja,
- jelző, amely megmutatja, hogy a kártya behelyezésénél a kártya tulajdonosa kézzel táplált-e be tevékenységeket vagy sem.
082Az adatmemória legalább 365 napig képes megtartani ezen adatokat.
083Amennyiben a tárolási kapacitás kimerül, új adatokkal kell felülírni a régebbieket.
12.4. A járművezetői tevékenység adatai
084A menetíró készülék rögzíti és a memóriájában tárolja a járművezető vagy a járműkísérő tevékenységében, illetve a járművezetési állapotban bekövetkező bármilyen változás esetén, illetve a járművezetői vagy a műhelykártya valamennyi behelyezésekor vagy kivételekor a következőket:
- járművezetési állapot (SZEMÉLYZET, EGYEDÜLI),
- a nyílás (JÁRMŰVEZETŐI, JÁRMŰKÍSÉRŐI),
- a kártyaállapot a vonatkozó nyílásban (BEHELYEZVE, NEM BEHELYEZVE) (lásd a megjegyzést),
- a tevékenység (JÁRMŰVEZETÉS, KÉSZENLÉT, SZÜNET/PIHENÉS),
- a változás dátuma és időpontja.
Megjegyzés: A BEHELYEZVE szó azt jelenti, hogy egy érvényes járművezetői vagy műhelykártya került behelyezésre a nyílásba. A NINCS BEHELYEZVE szó ennek az ellenkezőjét jelenti, vagyis hogy egy érvénytelen járművezetői vagy műhelykártya került behelyezésre a nyílásba (például egy vállalkozás adatkártyája került behelyezésre, vagy egyáltalán nem került sor kártya behelyezésére).
Megjegyzés: A járművezető által kézzel betáplált tevékenységi adatok nem kerülnek rögzítésre az adatmemóriában.
085Az adatmemóriának meg kell tudni tartania a járművezetői tevékenység adatait legalább 365 napig.
086Amennyiben a tárolási kapacitás kimerül, új adatokkal kell felülírni a régebbieket.
12.5. A munkanap kezdő, illetve végső helye
087A menetíró készülék a következőket rögzíti és tárolja az adatmemóriájában a munkanap kezdési, illetve befejezési helyének a járművezető vagy a járműkísérő által történő betáplálásakor:
- szükség szerint a járművezető vagy járműkísérő kártyaszáma és a kártyát kiállító tagállam,
- a betáplálás dátuma és időpontja (vagy a betáplálásra vonatkozó dátum és időpont, amennyiben a betáplálás a kézi betáplálási eljárás idején történik),
- a betáplálás fajtája (kezdés vagy befejezés, a betáplálás feltételei),
- betáplált ország és régió,
- a jármű kilométer-számlálójának értéke.
088Az adatmemória képes megtartani a munkanap kezdetének, illetve befejezésének adatait legalább 365 napig (abból kiindulva, hogy egy járművezető naponta két betáplálást visz be).
089Amennyiben a tárolási kapacitás kimerül, új adatokkal kell felülírni a régebbieket.
12.6. A kilométer-számláló adatai
090A menetíró készülék rögzíti adatmemóriájában a jármű kilométer-számlálójának értékét és az ezzel összefüggő adatokat minden naptári napon éjfélkor.
091Az adatmemória az éjféli kilométer-számláló-értékeket legalább 365 napig képes tárolni.
092Amennyiben a tárolási kapacitás kimerül, új adatokkal kell felülírni a régebbieket.
12.7. Részletes sebességadatok
093A menetíró készülék rögzíti és tárolja adatmemóriájában a jármű pillanatnyi sebességét és az ezzel összefüggő adatokat, a megelőző azon, legalább 24 órás időszak minden másodpercéhez hozzárendelve, amikor a gépjármű mozgásban volt.
12.8. Eseményadatok
Ezen albekezdés alkalmazásában az időt egy másodperces bontásban kell rözíteni.
094A menetíró készülék rögzíti és tárolja adatmemóriájában az alábbi adatokat minden egyes felderített eseménynél az alábbi tárolási szabályok szerint:
Esemény | Tárolási szabályok | Az eseményenként rögzítendő adatok |
Kártyaütközés | — A 10 legutóbbi esemény | — Az esemény kezdetének dátuma és időpontja — Az esemény végének dátuma és időpontja — A konfliktust okozó két kártya típusa, száma és a kiállító tagállam |
Járművezetés megfelelő kártya nélkül | — Az utolsó 10 előfordulási nap mindegyikének leghosszabb eseménye — Az öt leghosszabb esemény az utolsó 365 nap folyamán | — Az esemény kezdetének dátuma és időpontja — Az esemény végének dátuma és időpontja — Bármely, az esemény kezdetén, illetve végén behelyezett kártya típusa, száma és a kiállító tagállam — Az e napon történt hasonló események száma |
Kártya behelyezése járművezetés közben | — Az utolsó 10 előfordulási nap mindegyikének utolsó eseménye | — Az esemény dátuma és időpontja — A kártya típusa, száma és a kiállító tagállam — E napon történt hasonló események száma |
Az utolsó kártyakapcsolat nem került helyesen lezárásra | — A 10 legutóbbi esemény | — A kártyabehelyezés dátuma és időpontja — A kártya típusa, száma és a kiállító tagállam — A kártyáról leolvasott utolsó kapcsolat dátuma:— — a kártya behelyezésének dátuma és időpontja — a jármű rendszáma és a bejegyző tagállam |
Gyorshajtás (1) | — Az utolsó 10 előfordulási nap mindegyikén a legkomolyabb esemény (pl. esemény, amelynél a legmagasabb volt az átlagsebesség) — Az öt legkomolyabb esemény az utolsó 365 nap folyamán — Az első esemény, amely az utolsó kalibrálás után történt | — Az esemény kezdetének dátuma és időpontja — Az esemény végének dátuma és időpontja — Az esemény folyamán mért legnagyobb sebesség — Az esemény folyamán mért számtani átlagsebesség — A kártya típusa, száma és a kártyát kiállító tagállam (adott esetben) — E napon történt hasonló események száma |
Áramellátás megszakadása (2) | — Az utolsó 10 előfordulási nap mindegyikén a leghosszabb esemény — Az öt leghosszabb esemény az utolsó 365 nap folyamán | — Az esemény kezdetének dátuma és időpontja — Az esemény végének dátuma és időpontja — Bármely, az esemény kezdetén, illetve végén behelyezett kártya típusa, száma és a kiállító tagállam — Az e napon történt hasonló események száma |
Mozgási adatok hibája | — Az utolsó 10 előfordulási nap mindegyikén a leghosszabb esemény — Az öt leghosszabb esemény az utolsó 365 nap folyamán | — Az esemény kezdetének a dátuma és időpontja — Az esemény végének a dátuma és időpontja — Bármely, az esemény kezdetén, illetve végén behelyezett kártya típusa, száma és a kiállító tagállam — E napon történt hasonló események száma |
A jármű mozgásával kapcsolatos konfliktus | — Az utolsó 10 előfordulási nap mindegyikének leghosszabb eseménye, — Az öt leghosszabb esemény az utolsó 365 nap folyamán. | — Az esemény kezdetének dátuma és időpontja, — Az esemény végének dátuma és időpontja, — Bármely, az esemény kezdetén, illetve végén behelyezett kártya típusa, száma és a kiállító tagállam, — Az e napon történt hasonló események száma. |
Biztonság feltörésének kísérlete | — A 10 legutolsó esemény eseménytípusonként | — Az esemény kezdetének a dátuma és időpontja — Az esemény végének a dátuma és időpontja — Bármely, az esemény kezdetén, illetve végén behelyezett kártya típusa, száma és a kiállító tagállam — eseménytípus |
(1) 095A menetíró készülék adatmemóriájában szintén rögzíti és tárolja a következőket: — az utolsó GYORSHAJTÁS-ELLENŐRZÉS dátuma és időpontja, — e GYORSHAJTÁS-ELLENŐRZÉST követő első gyorshajtás dátuma és időpontja, — a gyorshajtás-események száma az utolsó GYORSHAJTÁS-ELLENŐRZÉS óta. (2) Ezen adatok csak az áramellátás helyreállításával rögzíthetők, az idő percnyi pontossággal megismerhető. |
12.9. Hibaadatok
Ezen albekezdés alkalmazásában az időpontot egy másodperces felbontással kell rögzíteni.
096A menetíró készülék az adatmemóriájában megkísérli rögzíteni és tárolni a következő tárolási szabályok szerint észlelt valamennyi hibát:
Hiba | Tárolási szabályok | Hibánként rögzítendő adatok |
Kártyahiba | — A 10 legutolsó járművezetői kártyahiba | — A hiba kezdetének dátuma és időpontja — A hiba végetérésének dátuma és időpontja — A kártya típusa, száma és a kiállító tagállam |
Menetíró készülék hibái | — A 10 legutolsó hiba minden egyes hibatípusra — Az utolsó kalibrálás utáni első hiba | — A hiba kezdetének dátuma és időpontja — A hiba végetérésének dátuma és időpontja — A hiba típusa — A hiba kezdetekor, illetve végekor behelyezett bármilyen kártya típusa, száma és a kiállító tagállam |
12.10. Kalibrálás adatai
097A menetíró készülék adatmemóriájában rögzíti és tárolja a következőkre vonatkozó adatokat:
- az aktiválás pillanatában ismert kalibrálási paraméterek,
- az aktiválást követő legelső kalibrálás,
- az aktuális járműben történt első kalibrálás [a VIN (jármű alvázszáma) által történt azonosítás szerint],
- az öt legutolsó kalibrálás (amennyiben több kalibrálás történik egy naptári napon, úgy csak az adott nap utolsó kalibrálását kell rögzíteni).
098Az egyes kalibrálásokra vonatkozóan a következő adatokat kell rögzíteni:
- kalibrálás célja (aktiválás, első beépítés, beépítés, időszakos felülvizsgálat),
- műhely neve és címe,
- műhelykártya száma, a kártyát kiállíttó tagállam és a kártya érvényességi ideje,
- jármű azonosítása,
- aktualizált vagy megerősített paraméterek: w, k, l, gumiabroncsméret, sebességkorlátozó beállítása, kilométer-számláló (régi és új értékek), dátum és időpont (régi és új értékek).
099A mozgásérzékelő memóriájában a következő mozgásérzékelő beépítési adatokat rögzíti:
- járműegységgel való első összepárosítás (dátum, időpont, JE jóváhagyási szám, JE sorozatszám),
- járműegységgel való utolsó összepárosítás (dátum, időpont, JE jóváhagyási szám, JE-sorozatszám).
12.11. Időbeállítási adatok
100A menetíró készülék adatmemóriájában rögzíti és tárolja a következőkre vonatkozó adatokat:
- legutolsó időbeállítás,
- az utolsó kalibrálás óta történt öt legnagyobb időbeállítás,
amely a szokásos kalibrálás keretén kívül, kalibrálási üzemmódban került elvégzésre (f. meghatározás).
101Az egyes időbeállításokra vonatkozóan a következő adatokat kell rögzíteni:
- dátum és időpont, régi érték,
- dátum és időpont, új érték,
- műhely címe és neve,
- műhelykártya száma, a kártyát kiállító tagállam és a kártya érvényességi ideje.
12.12. Ellenőrzési tevékenység adatai
102A menetíró készülék adatmemóriájában a következő, a 20 legutóbbi ellenőrzési tevékenységre vonatkozó adatokat rögzíti és tárolja:
- ellenőrzés dátuma és időpontja,
- ellenőrzőkártya száma és a kártyát kiállító tagállam,
- ellenőrzés típusa (kijelzés, illetve nyomtatás, illetve letöltés, illetve kártyaletöltés).
103Letöltés esetén a legrégebbi és a legfrissebb letöltési dátumokat is rögzíteni kell.
12.13. Vállalkozás lezárásának adatai
104A menetíró készülék adatmemóriájában a következő, a 255 legutóbbi vállalkozási lezárásra vonatkozó adatot rögzíti és tárolja:
- lezárás dátuma és időpontja,
- kioldás dátuma és időpontja,
- vállalkozás adatkártyájának száma és a kártyát kiállító tagállam,
- vállalkozás neve és címe.
A memóriából a fenti korlátozás miatt megszüntetett lezárás által korábban lezárt adatokat nem lezártnak kell tekinteni.
12.14. Letöltés adatai
105A menetíró készülék adatmemóriájában rögzíti és tárolja a vállalati vagy kalibrálási üzemmódban az utolsó külső adathordozóra történő adatmemória letöltésre vonatkozó következő adatokat:
- letöltés dátuma és időpontja,
- vállalkozás adatkártyájának száma vagy műhelykártya száma és a kártyát kiállító tagállam,
- vállalkozás vagy műhely neve.
12.15. Különleges körülményekre vonatkozó adatok
105aA menetíró készülék adatmemóriájában rögzíti a következő, különleges körülményekre vonatkozó adatokat:
- betáplálás dátuma és időpontja,
- különleges körülmény típusa.
105bAz adatmemória alkalmas arra, hogy a különleges körülményekre vonatkozó adatokat legalább 365 napon át megőrizze (abból kiindulva, hogy átlagosan egy nyitott és egy zárt állapot fordul elő naponta). Amennyiben a tárolóképesség kimerül, új adatokkal kell felülírni a régebbieket.
13. A tachográf-kártyák leolvasása
106A menetíró készülék alkalmas arra, hogy adott esetben a tachográf-kártyákról leolvassa az alábbiakhoz szükséges adatokat:
- a kártyatípus, a kártyatulajdonos, az előzőleg használt jármű, az utolsó kártyakivétel dátuma és időpontja és az ezen időpontban kiválasztott tevékenység azonosítása,
- annak ellenőrzése, hogy az utolsó kártyakapcsolat megfelelő lezárása megtörtént-e,
- a járművezető folyamatos járművezetési idejének, halmozott szünetidejének és halmozott járművezetési idejének kiszámítása, a megelőző és a folyó hétre vonatkozóan,
- a járművezetői kártyán rögzített adatok kért kinyomatának kinyomtatása,
- járművezetői kártya letöltése külső adathordozóra.
107Olvasási hiba esetén a menetíró készülék ismételten próbálkozik, maximum három alkalommal, ugyanazon olvasóparanccsal, és amennyiben ez mégis sikertelennek bizonyul, úgy a kártyát hibásnak és érvénytelennek nyilvánítja.
14. Rögzítés és tárolás a tachográf-kártyákon
108A kártya behelyezése után a menetíró készülék beállítja a "kártyakapcsolati adatokat" a járművezetői vagy a műhelykártyán.
109A menetíró készülék aktualizálja az érvényes járművezetői, műhely-, illetve ellenőrzőkártyákon tárolt adatokat a kártyatulajdonosra és azon időszakra vonatkozó valamennyi szükséges adattal együtt, mialatt a kártya behelyezett állapotban van. Az e kártyákon tárolt adatokat a IV. fejezet határozza meg.
109aA menetíró készülék aktualizálja az érvényes járművezetői, illetve műhelykártyákon tárolt, a járművezetői tevékenységre és a helyre vonatkozó adatokat (a IV. fejezet 5.2.5. és 5.2.6. pontjában meghatározottak szerint) a kártyatulajdonos által kézzel betáplált, a tevékenységre és a helyre vonatkozó adatokkal.
109b"A jármű mozgásával kapcsolatos konfliktus" esete nem tárolható a járművezetői és műhelykártyán.
110A tachográf-kártyán tárolt adatok aktualizálása úgy történik, hogy amennyiben szükséges - és figyelembe véve a kártya tényleges tároló kapacitását - , a mindenkori legrégebbi adatok helyébe a legfrissebb adatok lépnek.
111Íráshiba esetén a menetíró készülék ismételten próbálkozik, legfeljebb három alkalommal, ugyanazzal az írásparanccsal, és amennyiben ez mégis sikertelennek bizonyul, úgy a kártyát hibásnak és érvénytelennek minősíti.
112A járművezetői kártya kivétele előtt és miután a vonatkozó adatok e kártyán történő tárolása megtörtént, a menetíró készülék visszaállítja zéróra a kártyakapcsolati adatokat.
15. Kijelzés
113A kijelző legalább 20 karakterből áll.
114A minimális karakterméret 5 mm magas és 3,5 mm széles.
114aA kijelző képes az 1. függelék "Karakterkészletek" 4. fejezetében meghatározott karakterek kijelzésére. A kijelző egyszerűsített írásmódot használhat (pl. az ékezetes betűk kijelezhetők ékezet nélkül vagy a kisbetű nagybetűként jelenhet meg).
115A kijelzést megfelelő, nem vakító világítással kell ellátni.
116A kijelzőn megjelenő jelzések a menetíró készüléken kívülről jól láthatóak.
117A menetíró készülék alkalmas a következők kijelzésére:
- alapértelmezésre vonatkozó adatok,
- figyelmeztetésre vonatkozó adatok,
- a menü elérésére vonatkozó adatok,
- felhasználó által kért egyéb adatok.
A menetíró készülék kijelezhet kiegészítő információkat, feltéve hogy ezek világosan megkülönböztethetők a fent leírt információktól.
118A menetíró készülék kijelzője a 3. függelékben felsorolt piktogramokat vagy piktogram-kombinációkat alkalmazza. Emellett kijelezhet kiegészítő piktogramokat vagy piktogram-kombinációkat is, amennyiben ezek világosan megkülönböztethetők a fent leírt piktogramoktól vagy piktogram-kombinációktól.
119Mialatt a jármű mozog, a kijelző mindig BEKAPCSOLT állapotban van.
120A menetíró készülék magában foglalhat kézi vagy automatikus kapcsolóberendezést a kijelző KIKAPCSOLÁSA céljából, amennyiben a jármű nem mozog.
A kijelzés formátumát az 5. függelék határozza meg.
15.1. Az alapértelmezés kijelzése
121Amennyiben más információ kijelzésére nincs szükség, a menetíró készülék alapértelmezésként a következőket jelzi ki:
- helyi idő (UTC idő + a járművezető által végzett beállítás),
- működési mód,
- a járművezető és a járműkísérő folyamatban lévő tevékenysége.
A járművezetőre vonatkozó információk:
- amennyiben aktuális tevékenysége JÁRMŰVEZETÉS, úgy az aktuális, megszakítás nélküli járművezetési idő és a halmozott szünetidő,
- amennyiben aktuális tevékenysége nem JÁRMŰVEZETÉS, úgy a folyamatban lévő tevékenységének időtartama (a kiválasztás óta), és tényleges, halmozott szünetideje.
122Az egyes járművezetőkre vonatkozó adatok kijelzése világos, érthető és egyértelmű. Amennyiben a járművezetőre és a járműkísérőre vonatkozó információk nem jelezhetők ki egy időben, úgy a menetíró készülék alapértelmezésként a járművezetőre vonatkozó információkat jelzi ki, és a felhasználó részére lehetővé teszi a járműkísérőre vonatkozó információk kijelzését.
123Amennyiben a kijelző szélessége nem teszi lehetővé a működési mód alapértelmezésként történő kijelzését, úgy a menetíró készülék a működési mód megváltozásakor röviden kijelzi az új működési módot.
124A menetíró készülék röviden kijelzi a kártyatulajdonos nevét egy új kártya behelyezésekor.
124aAmennyiben a "MENETÍRÓ KÉSZÜLÉK NEM SZÜKSÉGES" állapot nyitott, úgy a kijelző a megfelelő piktogram alkalmazásával jelzi, hogy az állapot nyitott (megengedett, hogy a járművezető folyó tevékenysége ezzel egy időben ne legyen kijelezve).
15.2. A figyelmeztetés kijelzése
125A menetíró készülék figyelmeztetésként elsősorban a 3. függelék piktogramjait használja, amennyiben szükséges numerikusan kódolt információkkal kiegészítve ezeket. A figyelmeztetés szöveges leírása a járművezető anyanyelvén kiegészítésként szintén alkalmazható.
15.3. Menühozzáférés
126A menetíró készülék a szükséges parancsokat egy megfelelő menüstruktúra keretében biztosítja.
15.4. Egyéb kijelzések
127Kérésre a következő kijelzések érhetők el:
- UTC dátum és idő, valamint a helyi idő beállítása,
- a hat kinyomat bármelyikének tartalma a kinyomatokkal megegyező formátumban,
- a járművezető megszakítás nélküli járművezetési ideje és halmozott szünetideje,
- a járműkísérő megszakítás nélküli járművezetési ideje és halmozott szünetideje,
- a járművezető halmozott járművezetési ideje az előző és a folyó hétre,
- a járműkísérő halmozott járművezetési ideje az előző és a folyó hétre.
Opcionális:
- a járműkísérő folyamatban lévő tevékenységének időtartama (a kiválasztás óta),
- a járművezető halmozott járművezetési ideje a folyó hétre,
- a járművezető halmozott járművezetési ideje a folyó munkanapra,
- a járműkísérő halmozott járművezetési ideje a folyó munkanapra.
128A kinyomat tartalmának kijelzése szekvenciálisan, sorról sorra történik. Amennyiben a kijelző szélessége kevesebb mint 24 karakter, úgy a felhasználó részére meg kell adni az összes információt egy megfelelő eszköz segítségével (több sor, kijelzés sorgörgetéssel, ....). A kézzel írott információk számára szánt kinyomatsorokat nem kell megjeleníteni.
16. Nyomtatás
129A menetíró készülék alkalmas arra, hogy adatmemóriájából, illetve tachográf-kártyáról információkat nyomtasson ki a következő hat kinyomatnak megfelelően:
- kártyán tárolt járművezetői tevékenységek napi kinyomata,
- járműegységen tárolt járművezetői tevékenységek napi kinyomata,
- kártyán tárolt események és hibák kinyomata,
- járműegységen tárolt események és hibák kinyomata,
- műszaki adatok kinyomata,
- gyorshajtás kinyomata.
E kinyomatok részletes formátumát és tartalmát a 4. függelék határozza meg.
A kiegészítő adatokat a kinyomatok végén lehet feltüntetni.
A menetíró készülék emellett készíthet kiegészítő kinyomatokat is, amennyiben ezek világosan megkülönböztethetők a fentiekben ismertetett hat összesítőtől.
130A "kártyán tárolt járművezetői tevékenységek napi kinyomata" és a "kártyán tárolt események és hibák kivonata" csak akkor állnak rendelkezésre, amennyiben a járművezetői kártya vagy a műhelykártya behelyezésre kerül a menetíró készülékbe. A menetíró készülék aktualizálja a vonatkozó kártyán tárolt adatokat a nyomtatás megkezdése előtt.
131A "kártyán tárolt járművezetői tevékenységek napi kinyomata" vagy a "kártyán tárolt események és hibák kivonata" előállításához a menetíró készülék:
- vagy automatikusan kiválasztja a járművezetői vagy a műhelykártyát, amennyiben e kártyák egyike került csak behelyezésre,
- vagy parancsot ad a forráskártya kiválasztására, vagy a járművezetői kártyaolvasó egységben lévő kártya kiválasztására, amennyiben mindkét kártyát a menetíró készülékbe behelyezték.
132A nyomtató alkalmas soronként 24 karakter kinyomtatására.
133A minimális karakterméret 2,1 mm magas és 1,5 mm széles.
133aA nyomtató alkalmas az 1. függelék ("Karakterkészletek") 4. fejezetében meghatározott karakterek kinyomtatására.
134A nyomtatókat úgy kell megtervezni, hogy a kinyomatok kellően egyértelműek legyenek ahhoz, hogy olvasásuk közben bármilyen félreérthetőség elkerülhető legyen.
135A kinyomatok rendes páratartalom mellett (10-90 %) és rendes hőmérsékleti körülmények között megtartják méretüket és tartalmukat.
136A menetíró készülék által használt, típusjóváhagyással rendelkező papíron szerepel a megfelelő típusú jóváhagyási jel és azon menetíró készülék típusának feltüntetése, amellyel a papír felhasználható.
136aA kinyomatok tisztán olvashatók és azonosíthatók maradnak a fényerősség, a páratartalom és a hőmérséklet szempontjából rendes tárolási feltételek között legalább két éven keresztül.
136bA kinyomatok megfelelnek a 278. követelményben meghatározottak szerint az együttműködési képességi vizsgálatok elvégzésére kijelölt laboratórium honlapján megállapított vizsgálati előírásoknak.
136cA fenti bekezdésben ismertetett előírások módosítására vagy aktualizálására csak azt követően kerülhet sor, hogy a kijelölt laboratórium konzultációt folytatott a jóváhagyó hatóságokkal együtt a típusjóváhagyással rendelkező digitális tachográf járműegység gyártójával
137Lehetőség van e dokumentumokra kézzel írott jegyzetet rávezetni, mint pl. a járművezető aláírása.
138A papírellátásnak a nyomtatás folyamán történő megszakadása esetén és a papír újratöltése után a menetíró készülék vagy az elejétől fogva újra kezdi a nyomtatást, vagy a megszakítás pontjától folytatja azt tovább, félreérthetetlen utalást téve az előzőleg kinyomtatott részre.
17. Figyelmeztetések
139A menetíró készülék figyelmezteti a járművezetőt bármilyen esemény, illetve hiba észlelésekor.
140Az áramellátás megszakadására vonatkozó figyelmeztetés késleltethető az áramellátás helyreállításáig.
141A menetíró készülék figyelmezteti a járművezetőt 15 perccel a megszakítás nélküli, megengedett maximális járművezetési idő letelte előtt és ezen idő túllépése pillanatában.
142A figyelmeztetések vizuális úton történnek. A látható figyelmeztetések kiegészítéseként hallható figyelmeztetések szintén alkalmazhatók.
143A látható figyelmeztetések a felhasználó számára világosan felismerhetők, ezek a járművezető látóterében vannak elhelyezve, és tisztán olvashatóak mind nappal, mind pedig éjjel.
144A látható figyelmeztetések lehetnek a menetíró készülékbe beépítettek, illetve a készüléken kívül elhelyezettek.
145Az utóbbi esetben a figyelmeztetéseket "T" szimbólummal kell ellátni.
146A figyelmeztetések legalább 30 másodpercen keresztül tartanak, hacsak a felhasználó ezt nem igazolja vissza a menetíró készülék valamely gombjának a lenyomásával. Ezen első visszaigazolás nem oldja fel a következő bekezdésben említett, a figyelmeztetés okára vonatkozó kijelzést.
147A figyelmeztetés oka kijelzésre kerül a menetíró készüléken, és látható marad, amíg a felhasználó ezt nem igazolja vissza a menetíró készülék egy meghatározott gombjának vagy parancsának alkalmazásával.
148Kiegészítő figyelmeztetések is előírhatók, amennyiben ezek nem tévesztik meg a járművezetőket az előzőekben meghatározott figyelmeztetésekkel kapcsolatban.
18. Adatletöltés külső adathordozókra
149A menetíró készülék kívánságra adatmemóriájából vagy járművezetői kártyáról képes adatokat letölteni egy külső adathordozóra a kalibrálási/letöltő csatlakozón keresztül. A menetíró készülék a letöltés megkezdése előtt aktualizálja a vonatkozó kártyán tárolt adatokat.
150Emellett opcionális lehetőségként a menetíró készülék - bármely üzemmódban - képessé tehető adatok másik csatlakozón keresztül való letöltésére az e csatlakozón keresztül hitelesített vállalkozás részére. Ilyen esetben e letöltésre a vállalkozási üzemmód adathozzáférési jogait kell alkalmazni.
151A letöltés során semmilyen adat nem módosítható és nem törölhető.
A kalibrálási/letöltő csatlakozó elektromos interfésze a 6. függelékben van meghatározva.
A letöltésről felvett jegyzőkönyv a 7. függelékben van meghatározva.
19. Kimenő adatok kiegészítő külső készülékekre
152Amennyiben a menetíró készülék nem rendelkezik sebesség-, illetve távolságkijelző funkciókkal, kimenő jelet (jeleket) bocsát ki, lehetővé téve a jármű sebességének (sebességmérő), illetve a teljes, a jármű által megtett össztávolságnak (kilométer-számláló) kijelzését.
153A járműegység szintén képes kiadni a következő adatokat egy megfelelő, e célra rendelt kapcsolatsor alkalmazásával, amely független a választható CAN busz- kapcsolattól (ISO 11898 Közúti járművek - Digitális információcsere - Controller Area Network (CAN) nagy átviteli sebességre), lehetővé téve ezek feldolgozását egyéb, a járműben elhelyezett elektronikus egységek alkalmazásával:
- aktuális UTC dátum és idő,
- jármű sebessége,
- jármű által megtett teljes távolság (kilométer-számláló),
- járművezető vagy járműkísérő által éppen kiválsztott tevékenység,
- információ, amennyiben bármilyen tachográf-kártya éppen behelyezésre került a járművezetői vagy a járműkísérői kártyaolvasó egységbe, és (adott esetben), információ e kártyák azonosításáról (kártya száma és a kiállító tagállam).
E minimális listán kívül egyéb adatok is kiadhatók.
Amennyiben a jármű gyújtást kap, úgy ezen adatokat folyamatosan közvetíteni kell. Amennyiben a gyújtást leveszik, az adatközvetítés legalább a járművezető vagy a járműkísérő tevékenységének bármely megváltozása, illetve a tachográf kártya behelyezésére vagy kivételére vonatkozó adatok tekintetében folytatódik. Amennyiben kikapcsolt gyújtásnál az adatkiáramlás visszatartásra került, úgy ezen adatokat rendelkezésre kell bocsátani, amint a jármű ismét gyújtás alá kerül.
20. Kalibrálás
154A kalibrálási funkció a következőket teszi lehetővé:
- a mozgásérzékelő automatikus összekapcsolása a járműegységgel,
- a menetíró készülék állandójának (k) digitális adaptációja a jármű jellemző együtthatójához (w) (azon járműveket, amelyek két vagy több hátsóhídáttétellel rendelkeznek, fel kell szerelni egy olyan kapcsolóeszközzel, amely által e különböző áttételek automatikusan összehangolódnak azon jellemző együtthatóval, amelyre a berendezést adaptálták a járműhöz),
- időbeállítás (megszorítás nélkül),
- aktuális kilométer-számláló-érték beállítása,
- a mozgásérzékelő adatmemóriában tárolt azonosító adatainak aktualizálása,
- a menetíró készülék által ismert egyéb paraméterek aktualizálása vagy visszaigazolása: a jármű azonosítása, w, l, gumiabroncsméret és adott esetben a sebesség-korlátozó eszköz beállítása.
155A mozgásérzékelő JE-hez történő kapcsolása legalább a következőkből áll:
- mozgásérzékelő által tárolt beépítési adatok aktualizálása (szükség szerint),
- szükséges mozgásérzékelő-azonosító adatok átmásolása a mozgásérzékelőből a JE adattárába.
156A kalibrálási funkció lehetővé teszi a szükséges adatok betáplálását a kalibrálási/letöltő csatlakozó segítségével, a 8. függelékben meghatározott kalibrálási jegyzőkönyvvel összhangban. A kalibrálási funkció engedélyezheti a szükséges adatok betáplálását más csatlakozókon keresztül is.
21. Időbeállítás
157Az időbeállítás funkció lehetővé teszi az aktuális idő beállítását maximum egyperces értékekkel, legalább hétnapos intervallumokban.
158Az időbeállítás funkció lehetővé teszi az aktuális idő korlátozás nélküli beállítását a kalibrálási üzemmódban.
22. Teljesítményjellemzők
159A járműegység a - 20 °C-tól 70 °C-ig, a mozgásérzékelő pedig - 40 °C-tól 135 °C-ig terjedő hőmérséklet-tartományban teljes mértékben működőképes. Az adatmemória tartalmának - 40 °C hőmérsékletig kell sérülésmentesnek lennie.
16010-90 %-ig terjedő páratartalomnál a menetíró készülék teljes mértékben működőképes.
161A menetíró készüléket óvni kell a túlfeszültségtől, az energiaellátás polaritásának felcserélésétől és a rövidzárlatoktól.
161aA mozgásérzékelők:
- reagálnak a jármű mozgásának érzékelését zavaró mágneses terekre. Ilyen körülmények esetén a járműegység érzékelőhibát jegyez fel és tárol (070. követelmény), vagy
rendelkeznek egy érzékelő elemmel, amely védett a mágneses terekkel szemben.
162A menetíró készülék az elektromágneses kompatibilitás tekintetében megfelel a 72/245/EGK tanácsi irányelvnek ( 19 ), a műszaki fejlődéshez történő hozzáigazításáról szóló, 1995. október 31-i 95/54/EK bizottsági irányelvnek ( 20 ), valamint a menetíró készüléket védeni kell az elektrosztatikus kisülésektől és tranziens áramoktól.
23. Anyagok
163A menetíró készülék valamennyi alkotóeleme megfelelően állóképes, mechanikusan szilárd anyagból készül, stabil elektromos és mágneses jellemzőkkel.
164Normál felhasználási körülmények között a berendezés valamennyi belső részét védeni kell a nedvességtől és a portól.
165A járműegység az IEC 529 szabvány szerint megfelel az IP 40 érintésvédelmi osztálynak, a mozgásérzékelő pedig az IP 64 érintésvédelmi osztálynak.
166A menetíró készülék megfelel az ergonómiai tervezésre vonatkozó érvényes műszaki rendelkezéseknek.
167A menetíró készüléket óvni kell a véletlenül bekövetkező sérüléstől.
24. Jelölések
168Amikor a menetíró készülék kijelzi a jármű kilométer-számláló-értékét és sebességét, a kijelzőn a következő adatok szerepelnek:
- a megtett távolságot mutató szám mellett a távolságmérés egysége, amelyet a "km" rövidítéssel kell megjelölni,
- a sebességet mutató szám mellett a "km/h" rövidítés.
A menetíró készülék szintén beállítható oly módon, hogy a sebességet mérföld per órában jelezze ki, ekkor a sebességmérés egységét az "mph" rövidítéssel kell megadni.
169A menetíró készülék minden önálló alkotóelemére egy leíró plakettet kell helyezni, amelyen a következő részletek szerepelnek:
- a berendezés gyártójának neve és címe,
- a gyártói alkatrészek száma és a berendezés gyártási éve,
- a berendezés sorozatszáma,
- a berendezés típusának jóváhagyási jele.
170Amennyiben nem áll rendelkezésre elég hely a fentiekben ismertetett adatok jelöléséhez, a leíró plaketten legalább a gyártó nevét vagy logóját és a menetíró készülék alkotóelemeinek számát meg kell jelölni.
IV. A TACHOGRÁF-KÁRTYÁK SZERKEZETI ÉS FUNKCIONÁLIS KÖVETELMÉNYEI
1. Látható adatok
Az elülső oldal a következőket tartalmazza:
171a "Járművezetői kártya", vagy "Ellenőrzőkártya" vagy "Műhelykártya" vagy "Vállalkozás adatkártyája" szavak nagybetűvel írva a kártyát kiállító tagállam hivatalos nyelvén vagy nyelvein a kártya típusának megfelelően;
172 ugyanezek a szavak a Közösség többi hivatalos nyelvén, nyomtatott formában alkotják a kártya hátterét:
BG | КАРТА НА ВОДАЧА | КОНТРОЛНА КАРТА | КАРТАЗА МОНТАЖ И НАСТРОЙКИ | КАРТА НА ПРЕВОЗВАЧА |
ES | TARJETA DEL CONDUCTOR | TARJETA DE CONTROL | TARJETA DEL CENTRO DE ENSAYO | TARJETA DE LA EMPRESA |
CS | KARTA ŘIDIČE | KONTROLNÍ KARTA | KARTA DÍLNY | KARTA PODNIKU |
DA | FØRERKORT | KONTROLKORT | VÆRKSTEDSKORT | VIRKSOMHEDSKORT |
DE | FAHRERKARTE | KONTROLLKARTE | WERKSTATTKARTE | UNTERNEHMENSKARTE |
ET | AUTOJUHI KAART | KONTROLLIJA KAART | TÖÖKOJA KAART | TÖÖANDJA KAART |
EL | ΚΑΡΤΑ ΟΔΗΓΟΥ | ΚΑΡΤΑ ΕΛΕΓΧΟΥ | ΚΑΡΤΑ ΚΕΝΤΡΟΥ ΔΟΚΙΜΩΝ | ΚΑΡΤΑ ΕΠΙΧΕΙΡΗΣΗΣ |
EN | DRIVER CARD | CONTROL CARD | WORKSHOP CARD | COMPANY CARD |
FR | CARTE DE CONDUCTEUR | CARTE DE CONTROLEUR | CARTE D’ATELIER | CARTE D’ENTREPRISE |
HR | KARTICA VOZAČA | NADZORNA KARTICA | KARTICA RADIONICE | KARTICA PRIJEVOZNIKA |
GA | CÁRTA TIOMÁNAÍ | CÁRTA STIÚRTHA | CÁRTA CEARDLAINNE | CÁRTA COMHLACHTA |
IT | CARTA DEL CONDUCENTE | CARTA DI CONTROLLO | CARTA DELL’OFFICINA | CARTA DELL' AZIENDA |
LV | VADĪTĀJA KARTE | KONTROLKARTE | DARBNĪCAS KARTE | UZŅĒMUMA KARTE |
LT | VAIRUOTOJO KORTELĖ | KONTROLĖS KORTELĖ | DIRBTUVĖS KORTELĖ | ĮMONĖS KORTELĖ |
HU | GÉPJÁRMŰVEZETŐI KÁRTYA | ELLENŐRI KÁRTYA | MŰHELYKÁRTYA | ÜZEMBENTARTÓI KÁRTYA |
MT | KARTA TAS-SEWWIEQ | KARTA TAL-KONTROLL | KARTA TAL-ISTAZZJON TAT-TESTIJIET | KARTA TAL-KUMPANNIJA |
NL | BESTUURDERS KAART | CONTROLEKAART | WERKPLAATSKAART | BEDRIJFSKAART |
PL | KARTA KIEROWCY | KARTA KONTROLNA | KARTA WARSZTATOWA | KARTA PRZEDSIĘBIORSTWA |
PT | CARTÃO DE CONDUTOR | CARTÃO DE CONTROLO | CARTÃO DO CENTRO DE ENSAIO | CARTÃO DE EMPRESA |
RO | CARTELA CONDUCĂTORULUI AUTO | CARTELA DE CONTROL | CARTELA AGENTULUI ECONOMIC AUTORIZAT | CARTELA OPERATORULUI DE TRANSPORT |
SK | KARTA VODIČA | KONTROLNÁ KARTA | DIELENSKÁ KARTA | PODNIKOVÁ KARTA |
SL | VOZNIKOVA KARTICA | KONTROLNA KARTICA | KARTICA PREIZKUŠEVALIŠČA | KARTICA PODJETJA |
FI | KULJETTAJAKORTTI | VALVONTAKORTTI | KORJAAMOKORTTI | YRITYSKORTTI |
SV | FÖRARKORT | KONTROLLKORT | VERKSTADSKORT | FÖRETAGSKORT |
173a kártyát kiállító tagállam neve (választható).
174 a kártyát kibocsátó tagállam megkülönböztető jele kék téglalapban negatív nyomással, 12 sárga csillaggal körülvéve; a megkülönböztető jelek a következők:
B : Belgium
BG : Bulgária
CZ : Cseh Köztársaság
DK : Dánia
D : Németország
EST : Észtország
GR : Görögország
E : Spanyolország
F : Franciaország
HR : Horvátország
IRL : Írország
I : Olaszország
CY : Ciprus
LV : Lettország
LT : Litvánia
L : Luxemburg
H : Magyarország
M : Málta
NL : Hollandia
A : Ausztria
PL : Lengyelország
P : Portugália
RO : Románia
SLO : Szlovénia
SK : Szlovák Köztársaság
FIN : Finnország
S : Svédország
UK : Egyesült Királyság.
175a kiállított kártyára vonatkozó különleges információk a következőképpen számozva:
Járművezetői kártya | Ellenőrző kártya | Vállalkozás kártyája vagy műhelykártya | |
1. | Járművezető vezetékneve | Ellenőrző szerv neve | Vállalkozás kártyája vagy műhelykártya |
2. | Járművezető utóneve(i) | Ellenőrző személy vezetékneve (adott esetben) | Kártyatulajdonos vezetékneve (adott esetben) |
3. | Járművezető születési dátuma | Ellenőrző személy utóneve(i) (adott esetben) | Kártyatulajdonos utóneve (adott esetben) |
4.(a) | Kártya kiadásának dátuma | ||
(b) | Kártya érvényességi ideje (adott esetben) | ||
(c) | Kiállító hatóság neve (megadható a 2. oldalon) | ||
(d) | Az 5. pont alatt megadottól különböző szám adminisztratív célokra (választható) | ||
5.(a) | Jogosítvány száma (a járművezetői kártya kiállításának a dátumakor) | ||
5.(b) | Kártya száma | ||
6. | Járművezető fényképe | Ellenőrző személy fényképe (választható) | - |
7. | Járművezető aláírása | Tulajdonos aláírása (választható) | |
8. | A tulajdonos lakóhelye vagy postacíme (választható) | Ellenőrző testület postacíme | Vállalkozás vagy műhely postacíme |
176a dátumokat "nn/hh/éééé" vagy "nn.hh.éééé" (nap, hónap, év) formátumban kell írni;
a hátoldal a következőket tartalmazza:
177a kártya elülső oldalán feltüntetett számozott adatok magyarázata;
178adott esetben és a tulajdonos kifejezett, írásbeli beleegyezésével olyan adatok, amelyek nem állnak összefüggésben a járművezetői kártya adminisztrációjával, amennyiben ezek nem nehezítik meg a modell tachográf-kártyaként történő használatát.

179A tachográf-kártyákat a következő háttérszínekkel kell nyomtatni:
- járművezetői kártya: fehér,
- ellenőrzőkártya: kék,
- műhelykártya: piros,
- vállalkozás adatkártyája: sárga.
180A tachográf-kártyákat a hamisítás és a jogosulatlan változtatások ellen legalább a következőkkel kell ellátni:
- biztonsági háttérnyomtatás, finom guilloche-mintázatokkal és irizáló nyomtatással,
- a fénykép helyén a biztonsági háttérnyomtatás és a fénykép egymást átfedi,
- legalább egy kétszínű mikronyomtatású sor.
181A Bizottsággal való egyeztetés után a tagállamok használhatnak kiegészítő színeket vagy jelöléseket, mint pl. nemzeti szimbólumok vagy biztonsági ismertetőjelek, e melléklet egyéb rendelkezéseinek sérelme nélkül.
2. Biztonság
A rendszerbiztonság a kártyák és a menetíró készülék között kicserélt adatok integritásának és hitelességének, a kártyákról letöltött adatok integritásának és hitelességének védelmét szolgálja, bizonyos, a kártyákra történő beírási műveletek elvégzését kizárólag a menetíró készülékre korlátozva, kizárva a kártyákon tárolt adatok bármiféle hamisítását, megakadályozva a jogosulatlan változtatásokat és feltárva minden ilyen kísérletet.
182A rendszer biztonságának elérése céljából a tachográf-kártyák megfelelnek a tachográf-kártyák általános biztonsági céljaira meghatározott követelményeknek (10. függelék).
183A tachográf-kártyák leolvashatók más berendezésekkel, mint pl. személyi számítógéppel is.
3. Szabványok
184A tachográf-kártyák a következő szabványoknak felelnek meg:
- ISO/IEC 7810 Azonosító kártyák - Fizikai jellemzők,
- ISO IEC/7816 Azonosító kártyák - Integrált áramkörök érintkezőkkel:
-
- 1. rész: Fizikai jellemzők,
- 2. rész: Érintkezések helye és méretei,
- 3. rész: Elektronikus jelek és átviteli jegyzőkönyvek,
- 4. rész: Iparközi parancsok,
- 8. rész: Biztonsági vonatkozású iparközi parancsok,
- ISO/IEC 10373 Azonosító kártyák - Vizsgálati módszerek.
4. Környezeti és elektromos előírás
185A tachográf-kártyák rendeltetésszerűen működnek a Közösség területén rendes körülmények között tapasztalható klimatikus viszonyok között, valamint legalább - 25 °C-tól + 70 °C-ig terjedő hőmérséklet-tartományban, + 85 °C-os alkalmi csúcsokkal; az "alkalmi" kifejezés esetenként legfeljebb 4 órás időtartamot és a kártya élettartama alatt legfeljebb 100 alkalmat jelent.
186A tachográf kártyák rendeltetésszerűen működnek 10-90 %-ig terjedő páratartalom mellett.
187A tachográf-kártyák rendeltetésszerű működése ötéves időtartamra biztosított, amennyiben a környezeti és elektromos előírásoknak megfelelően használják őket.
188Működésük alatt a tachográf-kártyáknak az elektromágneses kompatibilitás tekintetében meg kell felelniük az 1995. október 31-i 95/54/EK bizottsági irányelvnek ( 21 ), és a kártyákat óvni kell az elektrosztatikus kisülésektől.
5. Adattárolás
E bekezdés alkalmazásában
- az időt egyperces pontossággal kell rögzíteni, kivéve ezzel ellentétes utalás esetén,
- a kilométer-számláló értékeit egy kilométeres pontossággal kell rögzíteni,
- a sebességet 1 km/h pontossággal kell rögzíteni.
A tachográf-kártyák funkcióit, parancsait és logikai szerkezetét az adattárolás követelményeinek megfelelően a 2. függelék határozza meg.
189E bekezdés határozza meg a különféle alkalmazású adatfájlok minimális tárolókapacitását. A tachográf-kártyák képesek jelezni a menetíró készüléknek az adatfájlok aktuális tárolókapacitását.
A tachográf-kártyákon tárolható bármely olyan kiegészítő adatot, amely a kártya által végrehajtható más alkalmazásokra vonatkozik, a személyes adatok kezelése vonatkozásában az egyének védelméről és az ilyen adatok szabad áramlásáról szóló, 1994. október 24-i 95/46/EK irányelv ( 22 ) szerint kell tárolni.
5.1. A kártya azonosítása és biztonsági adatok
5.1.1. Alkalmazások azonosítása
190A tachográf-kártyák a következő alkalmazásazonosító adatokat képesek tárolni:
- tachográfalkalmazás-azonosító,
- tachográfkártyatípus-azonosító.
5.1.2. Lapka azonosítása
191A tachográf-kártya képes a következő integráltáramkör(IC)-azonosító adatokat tárolni:
- IC-sorozatszám,
- IC-gyártási referenciák.
5.1.3. IC-kártya azonosítása
192A tachográf-kártya a következő memóriakártya-adatokat képes tárolni:
- kártya sorozatszáma (beleértve a gyártási referenciákat),
- kártya jóváhagyási száma,
- kártyához kapcsolt személyi azonosító (ID),
- kártya előállítójának azonosítója (ID),
- IC-azonosító.
5.1.4. Biztonsági elemek
193A tachográf-kártya a következő biztonsági adatokat képes tárolni:
- európai közös kulcs,
- tagállam tanúsítványa,
- a kártya tanúsítványa,
- kártya saját kulcsa.
5.2. Járművezetői kártya
5.2.1. A kártya azonosítása
194A járművezetői kártya a következő kártyaazonosító adatokat képes tárolni:
- kártya száma,
- kiállító tagállam, kiállító hatóság neve, kiállítás dátuma,
- kártya kiadásának dátuma, kártya érvényességi ideje.
5.2.2. Kártyatulajdonos azonosítása
195A járművezetői kártya a következő kártyatulajdonos-azonosító adatokat képes tárolni:
- tulajdonos családi neve,
- tulajdonos utóneve(i),
- születési idő,
- anyanyelv.
5.2.3. Információk a jogosítványról
196A járművezetői kártya a jogosítványra vonatkozó következő adatokat képes tárolni:
- kiállító tagállam, kiállító hatóság neve,
- jogosítvány száma (a kártya kiállításának időpontjában).
5.2.4. Az üzemeltetett járművek adatai
197A járművezetői kártya a használata minden naptári napján, valamint e napokon belül az adott jármű minden egyes használati időszakára vonatkozóan tárolja a következő adatokat (egy használati időszak magában foglalja e kártya tekintetében az összes egymást követő kártyabehelyezési/kivételi ciklust a járműben):
- a jármű első használatának dátuma és ideje (tehát az első kártyabehelyezés a jármű ezen üzemi időszakára vonatkozóan, vagy 00.00 óra, amennyiben a használati időszak ezen időpontban éppen folyamatban van),
- a jármű kilométer-számlálójának értéke ezen időpontban,
- a jármű utolsó használatának dátuma és időpontja (tehát az utolsó kártyakivétel a jármű ezen üzemi időszakában, vagy 23.59, amennyiben a használati időszak ezen időpontban éppen folyamatban van),
- a jármű kilométer-számlálójának értéke ezen időpontban,
- rendszám és a járművet bejegyző tagállam.
198A járművezetői kártya legalább 84 ilyen tétel tárolására képes.
5.2.5. A járművezetői tevékenység adatai
199A járművezetői kártya a következő adatokat képes tárolni minden olyan naptári napra vonatkozóan, amelyen a kártya felhasználásra került, vagy amelyen a járművezető kézzel táplált be tevékenységeket:
- dátum,
- napi jelenlét számlálója (egy egységgel megnövelve minden egyes naptári napra),
- a járművezető által e napon megtett teljes távolság,
- járművezető státusza 00.00-kor,
- minden alkalom, amikor a járművezető megváltoztatta tevékenységét, illetve megváltoztatta járművezetési állapotát, illetve behelyezte vagy kivette kártyáját:
-
- járművezetési állapot (SZEMÉLYZET, EGYEDÜLI)
- kártyaolvasó egység (JÁRMŰVEZETŐ, JÁRMŰKÍSÉRŐ)
- kártya helyzete (BEHELYEZVE, NINCS BEHELYEZVE)
- tevékenység (JÁRMŰVEZETÉS, KÉSZENLÉT, MUNKA, SZÜNET/PIHENÉS)
- változás időpontja.
200A járművezetői kártya memóriája képes tárolni a járművezetői tevékenység adatait legalább 28 napon át (egy járművezető átlagos tevékenysége a meghatározás szerint napi 93 tevékenységváltozás).
201A 197. és 199. követelményben felsorolt adatokat úgy kell tárolni, hogy lehetséges legyen a tevékenységek visszakeresése előfordulási sorrendben, még abban az esetben is, ha időátfedés áll fenn.
5.2.6. A munkanap kezdő és végső helye
202A járművezetői kártya képes a következő, a járművezető által betáplált, és a munkanap kezdetére, illetve végére vonatkozó adatokat tárolni:
- a betáplálás dátuma és időpontja (vagy a betáplálásra vonatkozó dátum/idő, amennyiben a betáplálás a kézi betáplálási művelet folyamán történik),
- a betáplálás típusa (kezdete és vége, a betáplálás körülményei),
- a betáplált ország és régió,
- a jármű kilométer-számlálójának értéke.
203A járművezetői kártya memóriája legalább 42 tételpárt képes tárolni.
5.2.7. Eseményadatok
Ezen albekezdés alkalmazásában az időt egyperces pontossággal kell tárolni.
204A járművezetői kártya behelyezett állapotban képes a következő eseményekre vonatkozó, a menetíró készülék által észlelt adatokat tárolni:
- időátfedés (amikor az eseményt a kártya okozza),
- kártya behelyezése járművezetés közben (amennyiben a kártya az esemény tárgya),
- utolsó kártyakapcsolat nem került megfelelően lezárásra (amennyiben a kártya az esemény tárgya),
- áramellátás megszakadása,
- hiba a mozgási adatokban,
- biztonságfeltörési kísérletek.
205A járművezetői kártya képes az ezen eseményekre vonatkozó következő adatokat tárolni:
- esemény kódja,
- az esemény kezdetének dátuma és időpontja (vagy a kártya behelyezésének dátuma és időpontja, amennyiben az esemény folyamatban volt ezen időpontban),
- az esemény végének dátuma és időpontja (vagy a kártya kivételének dátuma és időpontja, amennyiben az esemény folyamatban volt ezen időpontban),
- rendszám és azon járművet bejegyző tagállam, amelyben az esemény történt.
Megjegyzés: "Időátfedés" esetére vonatkozóan:
- az esemény kezdetének dátuma és időpontja megegyezik a előző járműből történő kártyakivétel dátumával és időpontjával,
- az esemény végének dátuma és időpontja megegyezik az aktuális járműbe történő kártyabehelyezés dátumával és időpontjával,
- a jármű adatai megegyeznek az eseményt előidéző aktuális jármű adataival.
Megjegyzés: Az "utolsó kártyakapcsolat nem megfelelő lezárása" eseményre vonatkozóan:
- az esemény kezdetének dátuma és időpontja megegyezik azon kártyabehelyezés dátumával és időpontjával, amelynél a nem megfelelően lezárt kapcsolat felmerült,
- az esemény végének dátuma és időpontja megegyezik azon kapcsolatra vonatkozó kártyabehelyezés dátumával és időpontjával, amelynek folyamán az esemény észlelésre került (folyó kapcsolat),
- a jármű adatai megegyeznek azon jármű adataival, amelyben a kapcsolat nem került megfelelően lezárásra.
206A járművezetői kártya képes az egyes típusok hat legfrissebb eseményére vonatkozó adatokat tárolni (36 esemény).
5.2.8. Hibaadatok
Ezen albekezdés alkalmazásában az időt egy másodperces pontossággal kell megadni.
207A járművezetői kártya - behelyezése után - képes a következő, a menetíró készülék által észlelt hibákra vonatkozó adatokat tárolni:
- kártyahiba (amennyiben a kártya az esemény tárgya),
- menetíró készülék hibája.
208A járművezetői kártya képes az e hibákra vonatkozó, következő adatokat tárolni:
- hibás kód,
- a hiba kezdetének dátuma és időpontja (vagy a kártya behelyezésének dátuma és időpontja, ha a hiba már folyamatban volt ezen időpontban),
- a hiba végének dátuma és időpontja (vagy a kártya kivételének dátuma és időpontja, ha a hiba már folyamatban volt ezen időpontban),
- rendszám és azon járművet bejegyző tagállam, amelyben a hiba felmerült.
209A járművezetői kártya képes az egyes típusok tizenkét legfrissebb hibájára vonatkozó adatok (24 hiba) tárolására.
5.2.9. Ellenőrzési tevékenység adatai
210A járművezetői kártya képes a ellenőrzési tevékenységre vonatkozó, következő adatok tárolására:
- ellenőrzés dátuma és időpontja,
- ellenőrzőkártya száma és a kiállító tagállam,
- az ellenőrzés típusa [kijelzés, illetve nyomtatás, illetve JE letöltése, illetve kártya letöltése (lásd a megjegyzést)],
- letöltött időszak, letöltés esetén,
- az ellenőrzött jármű rendszáma és a járművet bejegyző tagállam.
Megjegyzés: a biztonsági követelményekből eredően a kártya letöltése csak akkor kerül rögzítésre, ha ezt egy menetíró készülék hajtja végre.
211A járművezetői kártya egy ilyen tételt képes tárolni.
5.2.10. Kártyakapcsolati adatok
212A járművezetői kártya képes azon járműre vonatkozó adatokat tárolni, amelyben a folyó kapcsolat megnyílt:
- a kapcsolat megnyitásának (kártyabehelyezés) dátuma és időpontja, egy másodperces pontossággal,
- rendszám és a járművet bejegyző tagállam.
5.2.11. Különleges körülményekre vonatkozó adatok
212aA járművezetői kártya képes a különleges körülményekre vonatkozó, a behelyezés után betáplált adatokat tárolni (bármely kártyaolvasó egységnél):
- betáplálás dátuma és időpontja,
- különleges körülmény típusa.
212bA járművezetői kártya képes 56 ilyen tételt tárolni.
5.3. Műhelykártya
5.3.1. Biztonsági elemek
213A műhelykártya alkalmas egy személyi azonosító szám tárolására (PIN kód).
214A műhelykártya képes a mozgásérzékelők és a járműegységek összekapcsolásához szükséges kriptográfiai kulcsokat tárolni.
5.3.2. A kártya azonosítása
215A műhelykártya képes a következő kártyaazonosító adatokat tárolni:
- kártya száma,
- kiállító tagállam, kiállító hatóság neve, kiállítás dátuma,
- a kártya kiadásának dátuma, a kártya érvényességi ideje.
5.3.3. Kártyatulajdonos azonosítása
216A műhelykártya képes a következő kártyatulajdonos-azonosító adatokat tárolni:
- műhely neve,
- műhely címe,
- tulajdonos családi neve,
- tulajdonos utóneve(i),
- anyanyelv.
5.3.4. Az üzemeltetett járművek adatai
217A műhelykártya a járművezetői kártyával azonos módon képes a használt járművekre vonatkozó adatokat tárolni.
218A műhelykártya képes legalább 4 ilyen tételt tárolni.
5.3.5. A járművezetői tevékenység adatai
219A műhelykártya a járművezetői kártyával azonos módon képes a járművezetői tevékenységre vonatkozó adatokat tárolni.
220A műhelykártya képes a járművezetői tevékenységre vonatkozó adatok legalább egy napig történő tárolására, átlagos járművezetői tevékenység mellett.
5.3.6. A munkanap kezdetének, illetve végének adatai
221A műhelykártya a járművezetői kártyával azonos módon képes tárolni a munkanap kezdetére, illetve végére vonatkozó tételeket.
222A műhelykártya legalább három pár ilyen rekord tárolására alkalmas.
5.3.7. Események és hibaadatok
223A műhelykártya a járművezetői kártyával azonos módon képes az eseményekre és hibákra vonatkozó tételek tárolására.
224A műhelykártya képes tárolni valamennyi eseménytípus három legfrissebb eseményét (18 esemény) és az egyes hibatípusok hat legfrissebb hibáját (12 hiba).
5.3.8. Ellenőrzési tevékenység adatai
225A műhelykártya a járművezetői kártyával azonos módon képes tárolni az ellenőrző tevékenységre vonatkozó adatokat.
5.3.9. Kalibrálás és időbeállítás adatai
226A műhelykártya képes tárolni a kalibrálási, illetve időbeállítási tételeket, miután a kártya behelyezésre került a menetíró készülékbe.
227Valamennyi kalibrálási rekord a következő adatokat foglalja magába:
- kalibrálás célja (aktiválás, első beépítés, beépítés, időszakos felülvizsgálat),
- jármű azonosítása,
- aktualizált vagy elfogadott paraméterek (w, k, l, gumiabroncsméret, sebességkorlátozó eszköz beállítása, kilométer-számláló (új és régi értékek), dátum és idő (új és régi értékek)),
- menetíró készülék azonosítása (JE alkatrészeinek száma, JE sorozatszáma, mozgásérzékelő sorozatszáma).
228A műhelykártya képes legalább 88 ilyen tétel tárolására.
229A műhelykártya rendelkezik egy olyan számlálóval, amely jelzi a kártyával elvégzett kalibrálások számát.
230A műhelykártya rendelkezik egy olyan számlálóval, amely jelzi az utolsó letöltés óta elvégzett kalibrálások számát.
5.3.10. Különleges körülményekre vonatkozó adatok
230aA műhelykártya a járművezetői kártyával azonos módon tárolja a különleges körülményekre vonatkozó adatokat. A műhelykártya két ilyen tétel tárolására alkalmas.
5.4. Ellenőrzőkártya
5.4.1. A kártya azonosítása
231Az ellenőrzőkártya a következő kártyaazonosító adatokat tárolja:
- kártya száma,
- kiállító tagállam, kiállító hatóság neve, kiállítás dátuma,
- a kártya kiadásának dátuma, a kártya érvényességi ideje (adott esetben).
5.4.2. Kártyatulajdonos azonosítása
232Az ellenőrzőkártya képes a kártyatulajdonosra vonatkozó következő adatokat tárolni:
- ellenőrző szerv neve,
- ellenőrző szerv címe,
- tulajdonos családi neve,
- tulajdonos utóneve,
- anyanyelv.
5.4.3. Ellenőrzési tevékenység adatai
233Az ellenőrzőkártya képes az ellenőrző tevékenységre vonatkozó következő adatokat tárolni:
- ellenőrzés dátuma és időpontja,
- ellenőrzés típusa (kijelzés, illetve nyomtatás, illetve JE letöltése, illetve kártya letöltése),
- letöltött időszak (adott esetben),
- rendszám és az ellenőrzött járművet bejegyző tagállam hatósága,
- kártya száma és az ellenőrzött járművezetői kártyát kiállító tagállam.
234Az ellenőrzőkártya legalább 230 ilyen tétel tárolására képes.
5.5. Vállalkozás adatkártyája
5.5.1. Kártya azonosítása
235A vállalkozás adatkártyája a következő kártyaazonosító adatokat képes tárolni:
- kártya száma,
- kiállító tagállam, kiállító hatóság neve, kiállítás dátuma,
- a kártya kiadásának dátuma, a kártya érvényességi ideje (ha van ilyen).
5.5.2. Kártyatulajdonos azonosítása
236A vállalkozás adatkártyája a kártyatulajdonosra vonatkozó következő azonosító adatokat tárolja:
- vállalkozás neve,
- vállalkozás címe.
5.5.3. Vállalkozás tevékenységének adatai
237A vállalkozás adatkártyája a vállalkozás tevékenységére vonatkozó következő adatok tárolására képes:
- tevékenység dátuma és időpontja,
- tevékenység típusa (JE bezárás illetve kioldás, illetve JE letöltés, illetve kártyaletöltés),
- letöltött időszak (adott esetben),
- rendszám és a járművet bejegyző tagállami hatóság,
- kártya száma és a kártyát kiállító tagállam (kártyaletöltés esetén).
238A vállalkozás adatkártyája legalább 230 ilyen rekord tárolására képes.
V. A MENETÍRÓ KÉSZÜLÉK BEÉPÍTÉSE
1. Beépítés
239Az új menetíró készüléket nem aktivált állapotban kell a szerelők vagy a járműgyártó részére leszállítani, miközben a III. fejezet 20. bekezdésében felsorolt kalibrálási paramétereket a megfelelő és érvényes alapértelmezés szerinti értékekre kell beállítani. Amennyiben egyik meghatározott érték sem megfelő, úgy a betűkkel leírt paramétereket a "?" sorba kell beállítani, a numerikus paramétereket pedig a "0"-ra. Amennyiben a biztonsági tanúsítvány megadása során azt kérelmezik, a menetíró készülék biztonsági vonatkozású részeinek átadása korlátozható.
240Aktiválás előtt a menetíró készülék hozzáférést biztosít a kalibrálási funkcióhoz, akkor is, ha a berendezés nem kalibrálási üzemmódban van.
241Aktiválás előtt a menetíró készülék nem rögzíti és nem tárolja a III.12.3.-III.12.9. és III.12.12.-III.12.14. pontban említett adatokat.
242A beépítés során a jármű gyártója valamennyi ismert paramétert előre beállítja.
243A jármű gyártója vagy a szerelők legkésőbb azt megelőzően aktiválják a beépített menetíró készüléket, hogy a járművet az 561/2006/EK rendelet alkalmazási körében használni kezdik.
244A menetíró készülék aktiválása automatikusan történik, amikor a műhelykártyát először behelyezik valamelyik kártya interfész eszközbe.
245A szükséges egyedi kapcsolási műveletek elvégzése automatikus a mozgásérzékelő és a járműegység között az aktiválás előtt vagy ennek során.
246Aktiválás után a menetíró készülék teljes mértékben működteti funkcióit és adathozzáférési jogait.
247A menetíró készülék rögzítő és tároló funkciói teljes mértékben működőképesek az aktiválás után.
248A beépítést a kalibrálás követi. Az első kalibrálás nem feltétlenül foglalja magában a rendszám betáplálását, ha azt az a jóváhagyott műhely nem ismeri, amelynek el kell végeznie a kalibrálást. Ilyen esetben és csakis ekkor lehetséges, hogy a jármű tulajdonosa a járműnek az 561/2006/EK rendelet alkalmazási körében történő használatát megelőzően vállalkozási kártyájának felhasználásával táplálja be a rendszámot (pl. a jármű felhasználói/gépi interfész megfelelő menüstruktúra parancsainak felhasználásával) ( 23 ). A betáplált adat frissítése vagy megerősítése csak a műhely kártya felhasználásával lehetséges.
248aA menetíró készüléket úgy kell elhelyezni a járműben, hogy a járművezető számára a vezetői ülésről lehetséges legyen a szükséges funkciókhoz történő hozzáférés.
2. Beállítási plakett
249Miután a menetíró készülék ellenőrzése a beépítés során megtörtént, egy tisztán látható és könnyen hozzáférhető beállítási plakettet kell elhelyezni a menetíró készülékre. Amennyiben ez nem lehetséges, a plakettet a jármű "B" oszlopára úgy kell elhelyezni, hogy tisztán látható legyen. Azon járművek esetében, amelyek nem rendelkeznek "B" oszloppal, a beállítási plakettet a járművezetői oldalon az ajtókeretre kell elhelyezni és annak minden esetben tisztán láthatónak kell lennie. Jóváhagyott szerelő vagy műhely által történő minden átvizsgálás után új plakettet kell elhelyezni az előző plakett helyén.
250A plaketten legalább a következő adatokat fel kell tüntetni:
- az elismert szerelő vagy műhely neve, címe vagy cégneve,
- a jármű jellemző együtthatója, "w = ... imp/km" formában,
- a menetíró készülék állandója, "k = ... imp/km" formában,
- a gumiabroncsok tényleges kerülete, "l = ... mm" formában,
- a gumiabroncs mérete,
- a jármű jellemző együtthatója meghatározásának és a gumiabroncsok kerülete mérésének dátuma,
- a jármű alvázszáma,
- a jármű azon része, amelybe adott esetben az adaptert beépítik,
- a jármű azon része, amelybe a mozgásérzékelőt beépítik, ha az nincs összekötve a sebességváltóval, illetve nem alkalmaznak adaptert,
- az adaptert és a járműnek az adapter bejövő impulzusait küldő részét összekötő kábel színe,
- az adapterbe épített mozgásérzékelő sorozatszáma.
250aKizárólag az M1 és az N1 kategóriába tartozó, valamint a 68/2009/EK rendelettel ( 24 ) összhangban adapterrel felszerelt járművek esetében, valamint amennyiben nem lehet minden szükséges, a 250. követelményben ismertetett információt beépíteni, egy második, kiegészítő plakett is alkalmazható. Ilyen esetekben ez a kiegészítő plakett a 250. követelményben ismertetettek közül legalább a négy utolsó francia bekezdésben szereplő információkat tartalmazza. Alkalmazása esetén ezt a második, kiegészítő plakettet a 250. követelményben ismertetett első plakett közvetlen közelében vagy mellett kell elhelyezni, és számára ugyanolyan védelmet kell biztosítani. Ezenkívül a második plaketten is feltüntetik a beépítést elvégző jóváhagyott szerelő vagy műhely nevét, címét vagy kereskedelmi nevét, valamint a beépítés dátumát.
3. Ólomzárak elhelyezése
251A következő alkatrészeket kell ólomzárral ellátni:
- bármely olyan csatlakozás, amely szétkapcsoláskor észlelhetetlen változásokat vagy észrevehetetlen adatvesztést okoz,
- beépítési plakett, hacsak oly módon nincs rögzítve, hogy lehetetlen eltávolítani a rajta lévő jelölések tönkretétele nélkül.
252A fent leírt ólomzárak a következő esetekben távolíthatók el:
- vészhelyzet esetén,
- sebességkorlátozó eszköz vagy bármely más, az útbiztonságot szolgáló eszköz beépítése, beállítása vagy javítása esetén, feltéve hogy a menetíró készülék megbízhatóan és pontosan működik tovább, és azt egy jóváhagyott szerelő vagy műhely (a VI. fejezettel összhangban) közvetlenül a sebességkorlátozó eszköz vagy bármely más, az útbiztonságot szolgáló eszköz beszerelése után vagy más esetekben hét napon belül egy új ólomzárral látja el.
253Minden alkalommal, amikor e zárak feltörésre kerülnek, erről írásbeli nyilatkozatot kell készíteni, amelyet az illetékes hatóságnak át kell adni.
VI. ELLENŐRZÉS, FELÜLVIZSGÁLAT ÉS JAVÍTÁSOK
E melléklet V. fejezetének 3. része határozza meg az ólomzárak eltávolításának körülményeire vonatkozó követelményeket, a legutóbb a 2135/98/EK rendelettel módosított 3821/85/EGK rendelet 12. cikkének (5) bekezdésében említettek szerint.
1. Szerelők vagy műhelyek jóváhagyása
A tagállamok jóváhagyják, rendszeresen ellenőrzik és igazolással látják el a következő feladatokért felelős szerveket:
- beépítés,
- ellenőrzés,
- felülvizsgálat,
- javítás.
E rendelet 12. cikke (1) bekezdésének értelmében a műhelykártya az e melléklet szerint a menetíró készülékek aktiválására, illetve kalibrálására feljogosított szerelőknek, valamint műhelyeknek adható ki; másnak csak akkor, ha megfelelően bizonyítja, hogy:
- akik nem jogosult vállalkozási adatkártya használatára,
- egyéb vállalkozói tevékenysége nem jelent potenciális veszélyt a rendszer általános biztonságára a 10. függelékben meghatározottak szerint.
2. Új vagy javított készülékek ellenőrzése
254Minden eszközt - akár új, akár javított - megfelelő működése, leolvasásainak és rögzítéseinek pontossága tekintetében ellenőrizni kell a III. fejezet 2.1. és 2.2. pontjában megállapított határokon belül és az V. fejezet 3. pontja szerinti ólomzár és kalibrálás alkalmazásával.
3. A beépítés felülvizsgálata
255A járműbe történő beépítés során a berendezés egésze (beleértve a menetíró készüléket) megfelel a III. fejezet 2.1. és 2.2. pontjában megállapított maximális megengedhető tűréshatárokra vonatkozó előírásoknak.
4. Időszakos felülvizsgálatok
256A járművekbe beépített berendezések időszakos felülvizsgálatára kerül sor a berendezés bármilyen javítása, vagy a jármű jellemző együtthatójának, vagy a gumiabroncsok tényleges kerületének a megváltozása után, valamint ha az UTC idő a pontos időtől több mint 20 perccel eltér, vagy ha a rendszám megváltozott, de kétévenként (24 hónap) legalább egyszer, az utolsó felülvizsgálattól számítva.
257A felülvizsgálat a következők ellenőrzését foglalja magában:
- a menetíró készülék megfelelő működése, ideértve az adattárolási funkciót a tachográf-kártyákon,
- a III. fejezet 2.1. és 2.2. pontja rendelkezései betartásának biztosítása a beépítésre vonatkozó megengedhető tűréshatár tekintetében,
- a menetíró készüléken szerepel-e a típus-jóváhagyási jel,
- a 250. követelményben meghatározott beépítési plakett, valamint a 169. követelményben meghatározott ismertető címke felerősítése,
- a berendezésen és a készülék egyéb alkatrészein lévő ólomzárak sértetlensége,
- a gumiabroncs méretének és a kerékgumik aktuális kerületének az ellenőrzése,
- a készülékhez nem erősítettek manipulálásra alkalmas eszközöket.
257aAmennyiben megállapítást nyer, hogy a III. fejezet 9. szakaszában ("Események, illetve hibák felderítése") felsorolt esetek valamelyike előfordult az utolsó ellenőrzés óta, és amennyiben a tachográf gyártója, illetve a nemzeti hatóságok úgy vélik, hogy ennek az esetnek az előfordulása potenciális kockázatot jelenthet a készülék biztonsága szempontjából, a műhely a következő tevékenységeket végzi el:
(a) összehasonlítja a sebességváltóhoz csatlakoztatott mozgásérzékelő azonosításai adatait a párosított mozgásérzékelőnek a járműegységben feljegyzett azonosítási adataival;
(b) ellenőrzi, hogy a beállítási plaketten feltüntetett információ egyezik-e a járműegység feljegyzésében szereplő információval;
(c) a mozgásérzékelő sorozatszámának és jóváhagyási számának ellenőrzésével - amennyiben ezek rá vannak nyomtatva a mozgásérzékelőre - összeegyezteti a járműegység feljegyzésében szereplő információt.
257bA műhelyek a felülvizsgálattal kapcsolatos jelentéseikben feltüntetik, ha sérült plombákat vagy manipulációs eszközöket fedeztek fel. A műhelyek legalább két évig megőrzik ezeket a jelentéseket és kérésre bármikor az illetékes hatóság rendelkezésére bocsátják őket.
258E felülvizsgálat magában foglalja a kalibrálást.
5. Hibamérés
259A hibamérést a beépítés alatt és a használat folyamán az alábbi feltételek mellett kell végrehajtani, amelyeket mint szabvány vizsgálati feltételeket kell figyelembe venni:
- rendes üzemi állapotban lévő, rakomány nélküli gépjármű,
- a gyári előírásoknak megfelelő gumiabroncsnyomás,
- a nemzeti jog által megengedett határokon belüli gumiabroncskopás,
- jármű mozgása:
-
- a jármű saját motorjával egyenes vonalban halad sík terepen 50 ± 5 km/óra sebességgel. A mérési távolság legalább 1 km.
- feltéve, hogy összehasonlítható pontosságúak, a vizsgálathoz alternatív módszerek, például egy megfelelő vizsgálópad, szintén felhasználhatók.
6. Javítások
260A műhelyeknek alkalmasaknak kell lenniük adatoknak a menetíró készülékről való letöltésére azért, hogy visszaadják az adatokat az érintett szállító vállalkozásoknak.
261A jóváhagyott műhelyek a szállító vállalkozások részére egy adatletölthetetlenségi tanúsítványt állítanak ki, amennyiben a tárolt adatok letöltése a menetíró készüléknek a műhely által elvégzett javítása után sem lehetséges. A műhely köteles megőrizni minden kibocsátott igazolás egy másolatát legalább egy évig.
VII. KÁRTYAKIBOCSÁTÁS
A tagállamok által lefolytatott kártyakibocsátási eljárások megfelelnek az alábbiaknak:
262Valamely kérelmező részére először kibocsátott tachográf-kártya száma egy konszekutív indexszel (adott esetben), valamint egy csereindexszel és egy "0"-ra állított megújítási indexszel rendelkezik.
263Az ugyanazon ellenőrző szerv vagy ugyanazon műhely, valamint ugyanazon szállító vállalkozás számára kibocsátott, nem személyhez kötött tachográf-kártyák kártyaszámai ugyanazzal az első 13 számjeggyel és különböző konszekutív indexszel rendelkeznek.
264A meglévő tachográf-kártya kicserélésére kibocsátott tachográf-kártya száma megegyezik a kicserélt kártya számával, kivéve a csereindexet, amelyet egy egységgel kell megnövelni (sorrendben 0, ..., 9, A, ..., Z).
265A meglévő tachográf-kártya kicserélésére kibocsátott tachográf-kártya érvényességi ideje megegyezik a kicserélt kártya érvényességi idejével.
266Egy meglévő tachográf-kártya megújításaként kibocsátott tachográf-kártya száma megegyezik a megújított kártya kártyaszámával, kivéve a csereindexet, amelyet "0"-ra kell visszaállítani, és a megújítási indexet, amelyet egy egységgel kell megnövelni (sorrendben 0, ..., 9, A, ..., Z).
267Egy meglévő tachográf-kártya adminisztratív adatok módosítása céljából történő cseréje a megújítás szabályait követi, ha ez ugyanabban a tagállamban történik, vagy az első kibocsátás szabályait követi, ha egy másik tagállamban kerül végrehajtásra.
268Egy nem személyhez kötött műhely- vagy ellenőrzőkártyánál a műhely vagy az ellenőrző szerv nevét a "kártyatulajdonos családi neve" rovatba kell beírni.
268aA tagállamok elektronikus adatcserét folytatnak annak érdekében, hogy megbizonyosodjanak arról, hogy az általuk kibocsátott, adott járművezetői tachográf-kártyából csak egy létezik. A tagállamok illetékes hatóságai akkor is végezhetnek elektronikus adatcserét, amikor közúton vagy a vállalkozás telephelyén annak érdekében ellenőrzik a járművezetői kártyákat, hogy megbizonyosodjanak arról, hogy abból csak egy létezik, valamint megvizsgálják a kártya helyzetét.
VIII. A MENETÍRÓ KÉSZÜLÉK ÉS A TACHOGRÁF-KÁRTYÁK TÍPUSJÓVÁHAGYÁSA
1. Általános szempontok
E fejezet alkalmazásában a "menetíró készülék" meghatározás a "menetíró készülék és alkatrészei" fogalmát jelenti. Nem szükséges típusjóváhagyás a mozgásérzékelőt és a JE-et összekötő kábel(ek)hez. A menetíró készülék által felhasználandó papírt a menetíró készülék alkotórészének kell tekinteni. A járműegység-gyártók kérhetik alkatrészük bármilyen mozgásérzékelő-típussal együtt történő jóváhagyását, és fordítva, feltéve, hogy minden egyes alkatrész megfelel a 001a. követelménynek.
269A menetíró készüléket valamennyi integrált kiegészítő készülékével együtt kell jóváhagyásra benyújtani.
270A menetíró készülék és a tachográf-kártyák típusjóváhagyása magában foglal biztonsági vizsgálatokat, funkcionális vizsgálatokat és együttműködési képességi vizsgálatokat. E vizsgálatok kedvező eredményeit megfelelő tanúsítvány állapítja meg.
271A tagállamok típusjóváhagyó hatóságai nem bocsátják ki a típusbizonyítványt e rendelet 5. cikkével összhangban, amíg számukra át nem nyújtják azon menetíró készülékre és tachográf-kártyára vonatkozó:
- biztonsági tanúsítványt,
- funkcionális tanúsítványt,
- valamint együttműködési képességi tanúsítványt,
amelyre a típus-jóváhagyási kérelmet benyújtották.
272A berendezés szoftverében, hardverében és a gyártásához felhasznált anyagok természetében végzett minden módosítást még a felhasználás előtt be kell jelenteni azon hatóságnak, amely kiállította a típusjóváhagyást a berendezés részére. E hatóság megerősíti a gyártó felé a típusjóváhagyás meghosszabbítását, vagy kérheti a vonatkozó funkcionális, biztonsági, illetve együttműködési képességi tanúsítványok aktualizálását vagy megerősítését.
273A már behelyezett menetíró készülék szoftverének frissítési eljárásait azon hatóságnak kell jóváhagyni, amely a típusjóváhagyást adta a berendezéshez. A szoftverfrissítés nem módosíthat vagy törölhet egyetlen, a menetíró készülékben tárolt, a járművezetői tevékenységre vonatkozó adatot sem. A szoftvert csak a berendezés gyártójának felelősségére lehet frissíteni.
2. Biztonsági tanúsítvány
274A biztonsági tanúsítványt e melléklet 10. függelékének rendelkezéseivel összhangban kell kibocsátani.
274aOlyan kivételes esetekben, amikor a biztonsági tanúsítást végző hatóságok a biztonsági mechanizmusok elavultsága miatt megtagadják a tanúsítás megadását, kizárólag ebben a konkrét és kivételes esetben a típusjóváhagyást továbbra is megadják, valamint ha a rendelettel összhangban nincs alternatív megoldás.
274bEbben az esetben az érintett tagállam haladéktalanul tájékoztatja az Európai Bizottságot, amely a típusjóváhagyás megadásától számított tizenkét naptári hónapon belül eljárást indít annak biztosítása érdekében, hogy a biztonsági szint eredeti állapota helyreálljon.
3. Funkcionális tanúsítvány
275Minden típusjóváhagyást kérelmező személy a tagállam jóváhagyó hatósága rendelkezésére bocsát minden olyan anyagot és dokumentumot, amelyet a hatóság szükségesnek talál.
275aA gyártók a kérelemtől számított egy hónapon belül átadják a funkcionális vizsgálatok elvégzésére kijelölt laboratóriumok által kért, a típusjóváhagyással rendelkező termékek megfelelő mintáit és a kapcsolódó dokumentációt. A kérelemmel kapcsolatos költségeket a kérelmező szervnek kell viselnie. A laboratóriumok az üzleti szempontból érzékeny információkat bizalmasan kezelik.
276A funkcionális tanúsítványt a gyártónak csak a 9. függelékben meghatározott valamennyi funkcionális vizsgálat sikeres elvégzése után lehet kiadni.
277A típusjóváhagyó hatóság állítja ki a funkcionális tanúsítványt. Ezen igazolás - a kedvezményezett nevén és a modell azonosításán kívül - részletes listát tartalmaz az elvégzett vizsgálatokról és a kapott eredményekről.
277aA menetíró készülék bármely alkatrészének funkcionális tanúsítványa a menetíró készülék összes többi, típusjóváhagyással rendelkező kompatibilis alkatrészének típus-jóváhagyási számát is feltünteti.
4. Együttműködési képességi tanúsítvány
278Az együttműködési képességi vizsgálatokat egyetlen, az Európai Bizottság alá tartozó és annak felelős laboratórium végzi.
279A laboratórium a gyártók részéről benyújtott kérelmeket beérkezésük kronológiai sorrendjében regisztrálja.
280A kérelmet csak akkor regisztrálják hivatalosan, ha a laboratórium birtokába kerül:
- az együttműködési képességi vizsgálat végrehajtásához szükséges teljes anyag- és dokumentumkészlet,
- a megfelelő biztonsági tanúsítvány,
- a megfelelő funkcionális tanúsítvány,
A kérelem regisztrálásának dátumáról a gyártót értesíteni kell.
281A laboratórium nem végezhet együttműködési képességi vizsgálatokat azon menetíró készülékeken és tachográf-kártyákon, amelyek részére nem adtak ki biztonsági tanúsítványt és funkcionális tanúsítványt, kivéve a 274a. követelményben ismertetett kivételes körülményeket.
282Bármely együttműködési képességi vizsgálatot kérő gyártó vállalja, hogy az ilyen vizsgálatokat végző laboratórium rendelkezésére bocsátja mindazon anyagokat és dokumentumokat, amelyeket a vizsgálatok elvégzéséhez készített el.
283Az együttműködési képességi vizsgálatokat e melléklet 9. függeléke 5. bekezdésének rendelkezéseivel összhangban kell végrehajtani valamennyi olyan típusú menetíró készülékre és tachográf-kártyára:
- amely típusokra a típusjóváhagyás még érvényes, vagy
- amely típusokra típusjóváhagyást kérelmeztek, és amely típusok rendelkeznek érvényes együttműködési képességi tanúsítvánnyal.
284Az együttműködési képességi tanúsítványt a laboratórium csak akkor adja ki a gyártó részére, ha a megkívánt együttműködési képességi vizsgálatok mindegyikét sikeresen elvégezték.
285Ha az együttműködési képességi vizsgálatok egy vagy több menetíró készülék vagy tachográf-kártya esetében a 283. követelmény előírása szerint sikertelenek, úgy az együttműködési képességi tanúsítvány nem adható ki addig, amíg a kérelmező gyártó nem hajtotta végre a szükséges módosításokat, és amíg a készülék vagy a kártya nem elégíti ki az együttműködési képességi vizsgálatok mindegyikét. A laboratórium az együttműködési képesség hibája által érintett gyártók segítségével felderíti a probléma okát, és segíti a kérelmező gyártót a műszaki megoldás megtalálásában. Amennyiben a gyártó módosította a terméket, úgy a gyártó felelőssége tisztázni az illetékes hatóságokkal, hogy a biztonsági tanúsítvány és a funkcionális tanúsítvány még érvényes-e.
286Az együttműködési képességi tanúsítvány hat hónapig érvényes. Ezen időszak lejártával ezt vissza kell vonni, ha a gyártó nem kapott egy megfelelő típus-jóváhagyási bizonyítványt. Az együttműködési képességi tanúsítványt a gyártó továbbítja a tagállam azon jóváhagyó hatóságának, amelyik kibocsátotta a funkcionális tanúsítványt.
287Az együttműködési képességi hiba esetleges okaként szereplő elemek nem használhatók fel profitszerző célokra és nem lehet velük erőfölényben élni.
5. Típusbizonyítvány
288A tagállam típusjóváhagyó hatósága kibocsáthatja a típus-jóváhagyási bizonyítványt, mihelyt kézhez vette a három szükséges tanúsítványt.
289A típusjóváhagyó hatóság köteles másolatot küldeni a típus-jóváhagyási bizonyítványról az együttműködési képességi vizsgálatok végrehajtásával megbízott laboratóriumnak a bizonyítványnak a gyártó részére történő kiállításával egyidejűleg.
290Az együttműködési képességi vizsgálatok elvégzésére illetékes laboratórium egy nyilvános weboldalat tart fenn, amelyen naprakész állapotban tartja azon menetírókészülék- és tachográfmodellek listáját:
- amelyekre az együttműködési képességi vizsgálatok végrehajtásának kérelme regisztrálásra került,
- amelyek együttműködési képességi tanúsítványt kaptak (lehet ideiglenes is),
- amelyek típus-jóváhagyási bizonyítványt kaptak.
6. Különleges eljárás: előzetes együttműködési képességi tanúsíványok
291Az első menetíró készülék és tachográf-kártya páros (járművezetői, műhely-, ellenőrző-, és vállalkozási kártyák) egymással kölcsönösen működőképessé nyilvánítását követő négy hónapban, bármely kiállított együttműködési képességi tanúsítványt (beleértve ezen előzetes tanúsítványt is), amelyet ezen időszakban megfelelő kérelemre állítanak ki, ideiglenesnek kell tekinteni.
292Ha ezen időszak végén valamennyi érintett termék egymással kölcsönösen működőképesnek bizonyul, valamennyi kibocsátott együttműködési képességi tanúsítvány véglegessé válik.
293Ha az időszak alatt együttműködési képességi hibák merülnek fel, az együttműködési képességi vizsgálatokkal megbízott laboratórium azonosítja a problémák okait az érintett gyártók segítségével, és felhívja őket a szükséges módosítások végrehajtására.
294Ha ezen időszak végén továbbra is együttműködési képességi problémák állnak fenn, úgy az együttműködési képességi vizsgálatokkal megbízott laboratórium az érintett gyártókkal és a típusjóváhagyó hatóság közreműködésével felderíti az együttműködési képességi hibák okait, és meghatározza azt, hogy az egyes érintett gyártóknak milyen módosításokat kell végrehajtani. A műszaki megoldások keresése legfeljebb két hónapig tart, ami után, ha nem találnak közös megoldást, a Bizottság az együttműködési képességi vizsgálatokkal megbízott laboratóriummal való konzultációt követően eldönti, hogy mely berendezés(ek) és kártyák kapnak végleges együttműködési képességi tanúsítványt, és megadja e döntése indokát.
295Minden olyan együttműködési képességi vizsgálatra irányuló kérelmet, amelyet a laboratórium az első ideiglenes együttműködési képességi tanúsítvány kiadása utáni négy hónapos időszak vége és a 294. követelményben említett bizottsági határozat dátuma között regisztrált, félre kell tenni mindaddig, amíg az eredeti együttműködési képességi problémák nem kerülnek megoldásra. Ezután e kérelmeket a regisztrációjuk időrendi sorrendjében kell feldolgozni.
1. függelék
ADATSZÓTÁR
TARTALOMJEGYZÉK
1. Bevezetés ...
1.1. Az adattípusok definícióinak megközelítése ...
1.2. Hivatkozások ...
2. Az adattípusok definíciói ...
2.1. ActivityChangeInfo ...
2.2. Address ...
2.3. BCDString ...
2.4. CalibrationPurpose ...
2.5. CardActivityDailyRecord ...
2.6. CardActivityLengthRange ...
2.7. CardApprovalNumber ...
2.8. CardCertificate ...
2.9. CardChipIdentification ...
2.10. CardConsecutiveIndex ...
2.11. CardControlActivityDataRecord ...
2.12. CardCurrentUse ...
2.13. CardDriverActivity ...
2.14. CardDrivingLicenceInformation ...
2.15. CardEventData ...
2.16. CardEventRecord ...
2.17. CardFaultData ...
2.18. CardFaultRecord ...
2.19. CardIccIdentification ...
2.20. CardIdentification ...
2.21. CardNumber ...
2.22. CardPlaceDailyWorkPeriod ...
2.23. CardPrivateKey ...
2.24. CardPublicKey ...
2.25. CardRenewalIndex ...
2.26. CardReplacementIndex ...
2.27. CardSlotNumber ...
2.28. CardSlotsStatus ...
2.29. CardStructureVersion ...
2.30. CardVehicleRecord ...
2.31. CardVehiclesUsed ...
2.32. Certificate ...
2.33. CertificateContent ...
2.34. CertificateHolderAuthorisation ...
2.35. CertificateRequestID ...
2.36. CertificationAuthorityKID ...
2.37. CompanyActivityData ...
2.38. CompanyActivityType ...
2.39. CompanyCardApplicationIdentification ...
2.40. CompanyCardHolderIdentification ...
2.41. ControlCardApplicationIdentification ...
2.42. ControlCardControlActivityData ...
2.43. ControlCardHolderIdentification ...
2.44. ControlType ...
2.45. CurrentDateTime ...
2.46. DailyPresenceCounter ...
2.47. Datef ...
2.48. Distance ...
2.49. DriverCardApplicationIdentification ...
2.50. DriverCardHolderIdentification ...
2.51. EntryTypeDailyWorkPeriod ...
2.52. EquipmentType ...
2.53. EuropeanPublicKey ...
2.54. EventFaultType ...
2.55. EventFaultRecordPurpose ...
2.56. ExtendedSerialNumber ...
2.57. FullCardNumber ...
2.58. HighResOdometer ...
2.59. HighResTripDistance ...
2.60. HolderName ...
2.61. K-ConstantOfRecordingEquipment ...
2.62. KeyIdentifier ...
2.63. L-TyreCircumference ...
2.64. Language ...
2.65. LastCardDownload ...
2.66. ManualInputFlag ...
2.67. ManufacturerCode ...
2.68. MemberStateCertificate ...
2.69. MemberStatePublicKey ...
2.70. Name ...
2.71. NationAlpha ...
2.72. NationNumeric ...
2.73. NoOfCalibrationRecords ...
2.74. NoOfCalibrationSinceDownload ...
2.75. NoOfCardPlaceRecords ...
2.76. NoOfCardVehicleRecords ...
2.77. NoOfCompanyActivityRecords ...
2.78. NoOfControlActivityRecords ...
2.79. NoOfEventsPerType ...
2.80. NoOfFaultsPerType ...
2.81. OdometerValueMidnight ...
2.82. OdometerShort ...
2.83. OverspeedNumber ...
2.84. PlaceRecord ...
2.85. PreviousVehicleInfo ...
2.86. PublicKey ...
2.87. RegionAlpha ...
2.88. RegionNumeric ...
2.89. RSAKeyModulus ...
2.90. RSAKeyPrivateExponent ...
2.91. RSAKeyPublicExponent ...
2.92. SensorApprovalNumber ...
2.93. SensorIdentification ...
2.94. SensorInstallation ...
2.95. SensorInstallationSecData ...
2.96. SensorOSIdentifier ...
2.97. SensorPaired ...
2.98. SensorPairingDate ...
2.99. SensorSerialNumber ...
2.100. SensorSCIdentifier ...
2.101. Signature ...
2.102. SimilarEventsNumber ...
2.103. SpecificConditionType ...
2.104. SpecificConditionRecord ...
2.105. Speed ...
2.106. SpeedAuthorised ...
2.107. SpeedAverage ...
2.108. SpeedMax ...
2.109. TdesSessionKey ...
2.110. TimeReal ...
2.111. TyreSize ...
2.112. VehicleIdentificationNumber ...
2.113. VehicleRegistrationIdentification ...
2.114. VehicleRegistrationNumber ...
2.115. VuActivityDailyData ...
2.116. VuApprovalNumber ...
2.117. VuCalibrationData ...
2.118. VuCalibrationRecord ...
2.119. VuCardIWData ...
2.120. VuCardIWRecord ...
2.121. VuCertificate ...
2.122. VuCompanyLocksData ...
2.123. VuCompanyLocksRecord ...
2.124. VuControlActivityData ...
2.125. VuControlActivityRecord ...
2.126. VuDataBlockCounter ...
2.127. VuDetailedSpeedBlock ...
2.128. VuDetailedSpeedData ...
2.129. VuDownloadablePeriod ...
2.130. VuDownloadActivityData ...
2.131. VuEventData ...
2.132. VuEventRecord ...
2.133. VuFaultData ...
2.134. VuFaultRecord ...
2.135. VuIdentification ...
2.136. VuManufacturerAddress ...
2.137. VuManufacturerName ...
2.138. VuManufacturingDate ...
2.139. VuOverSpeedingControlData ...
2.140. VuOverSpeedingEventData ...
2.141. VuOverSpeedingEventRecord ...
2.142. VuPartNumber ...
2.143. VuPlaceDailyWorkPeriodData ...
2.144. VuPlaceDailyWorkPeriodRecord ...
2.145. VuPrivateKey ...
2.146. VuPublicKey ...
2.147. VuSerialNumber ...
2.148. VuSoftInstallationDate ...
2.149. VuSoftwareIdentification ...
2.150. VuSoftwareVersion ...
2.151. VuSpecificConditionData ...
2.152. VuTimeAdjustmentData ...
2.153. VuTimeAdjustmentRecord ...
2.154. W-VehicleCharacteristicConstant ...
2.155. WorkshopCardApplicationIdentification ...
2.156. WorkshopCardCalibrationData ...
2.157. WorkshopCardCalibrationRecord ...
2.158. WorkshopCardHolderIdentification ...
2.159. WorkshopCardPIN ...
3. Érték- és mérettartomány-meghatározások ...
3.1. A járművezetői kártya definíciói ...
3.2. A műhelykártya definíciói ...
3.3. Az ellenőrzőkártya definíciói ...
3.4. A vállalkozás adatkártyájának definíciói ...
4. Karakterkészletek ...
5. Kódolás ...
1. BEVEZETÉS
E függelék meghatározza a menetíró készüléken belül és a tachográf-kártyákon felhasználandó adatformátumokat, adatelemeket és adatszerkezeteket.
1.1. Az adattípusok meghatározásának megközelítése
E függelék az adattípusok meghatározásához az absztrakt szintaxis egyes jelölését (ASN.1.) használja fel. Ez lehetővé teszi az egyszerű és strukturált adatok definiálását anélkül, hogy magában foglalna bármilyen különleges, alkalmazás- és környezetfüggő átviteli szintaxist (kódolási szabályt).
Az ASN.1. típus elnevezési szabályai összhangban vannak az ISO/IEC 8824-1 szabvánnyal. Ebből adódóan:
- amennyiben lehetséges, az adattípus jelentését magukban foglalják a kiválasztott nevek,
- amennyiben az adattípus egyéb adattípusokból tevődik össze, az adattípus elnevezése még mindig egyetlen alfabetikus karaktersorozat, amely nagybetűvel kezdődik annak ellenére, hogy a nagybetűket a néven belül a megfelelő jelentés megadására kell felhasználni,
- általában az adattípusok elnevezései kapcsolatban állnak azon adattípusok nevével, amelyekből felépülnek, azon berendezéssel, amelyben az adadokat eltárolták, illetve az adatokra vonatkozó funkcióval.
Amennyiben egy ASN.1. típust egy másik szabvány részeként már meghatározták, és az lényeges a menetíró készülékben való felhasználás szempontjából, úgy ezen ASN.1. típust e függelékben kell definiálni.
Annak érdekében, hogy a különböző kódolási szabályok alkalmazása lehetővé váljon, e függelékben néhány ASN.1. típust értéktartomány-azonosítóval kell korlátozni. Az értéktartomány azonosítói a 3. szakaszban kerülnek meghatározásra.
1.2. Hivatkozások
E függelékben a következő referenciák kerülnek felhasználásra:
ISO 639 A nyelvek neveinek jelölésére alkalmazott kód. Első kiadás: 1988.
EN 726-3 Azonosító kártyák rendszerei - Adatátviteli integrált áramkör(ök) kártyái és termináljai - 3. rész: Alkalmazástól független kártya- követelmények. 1994 december
ISO 3779 Közúti járművek - A jármű alvázszáma (VIN) - Tartalom és felépítés. 3. kiadás: 1983.
ISO/IEC 7816-5 Információtechnológia - Azonosító kártyák - Integrált áramkör(ök) kártyái érintkezőkkel - 5. rész: Alkalmazási azonosítók számozási rendszere és rögzítési eljárása. Első kiadás: 1994 + 1. módosítás: 1996.
ISO/IEC 8824-1 Információtechnológia - Absztrakt szintaxis egyes jelölése (ASN.1.): Az alapvető jelölési rendszer meghatározása. 2. kiadás: 1998.
ISO/IEC 8825-2 Információtechnológia - ASN.1. kódolási szabályok: A csomagolt kódolási szabályok (PER) meghatározása. 2. kiadás: 1998.
ISO/IEC 8859-1 Információtechnológia - 8 bites egyetlen bájtos kódolt grafikus karakterkészletek - 1. rész: Latin ábécé. 1. kiadás: 1998.
ISO/IEC 8859-7 Információtechnológia - 8 bites egyetlen bájtos kódolt grafikus karakterkészletek - 7. rész: Latin/görög ábécé. 1. kiadás: 1987.
ISO 16844-3 Közúti járművek - Regisztráló fordulatszámmérő rendszerek - Mozgásérzékelő felület. WD 3-20/05/99.
2. AZ ADATTÍPUSOK MEGHATÁROZÁSAI
A következő adattípusok bármelyike esetében egy "ismeretlen" vagy egy "nem alkalmazható" tartalomra vonatkozó alapértelmezésű érték az adatelem "FF" bájtokkal történő kitöltéséből áll.
2.1. ActivityChangeInfo
Ezen adattípus lehetővé teszi egy kétbájtos szón belül a kártyaolvasó egység állapotának 00.00-nál, illetve a járművezetői állapotnak 00.00-nál, illetve a tevékenységváltásnak, illetve a járművezetési állapot váltásnak, illetve egy járművezetői, illetve egy járműkísérői kártya állapotváltásának a kódolását. Ezen adattípus a 084., a 109a., a 199. és a 219. követelményre vonatkozik.
ActivityChangeInfo::= OCTET STRING (SIZE(2))
Érték-hozzárendelés - Rendezett oktett: ′scpaattttttttttt′B (16 bit)
Az adatmemória rögzítésekhez (vagy kártyaolvasó egység állapota):
′s′B Kártyaolvasó egység:
′0′B: JÁRMŰVEZETŐ,
′1′B: járműkísérő,
′c′B Járművezetési állapot:
′0′B: EGYEDÜLI,
′1′B: SZEMÉLYZET,
′p′B Járművezetői (vagy műhely-) kártya állapota a megfelelő kártyaolvasó egységben:
′0′B: BEHELYEZVE, egy kártyát behelyeztek,
′1′B: NINCS BEHELYEZVE, nem helyeztek be kártyát (vagy a kártyát kivették),
′aa′B Tevékenység:
′00′B: SZÜNET/PIHENÉS,
′01′B: KÉSZENLÉT,
′10′B: MUNKA,
′11′B: JÁRMŰVEZETÉS,
′ttttttttttt′B A váltás ideje: Az eltelt percek száma 00 óra 00 óta, az adott napon.
A járművezetői (vagy műhely-) kártya rögzítéseihez (és a járművezetői állapothoz):
′s′B Kártyaolvasó egység (nem lényeges, ha ′p′ = 1, kivéve az alábbi megjegyzést):
′0′B: JÁRMŰVEZETŐ,
′1′B: 2. JÁRMŰKÍSÉRŐ,
′c′B
Járművezetési állapot (′p′ = 0 esete) vagy | Következő tevékenységi állapot (′p′ = 1 esete): |
′0′B: EGYEDÜLI, ′1′B: SZEMÉLYZET, | ′0′B: ISMERETLEN ′1′B: ISMERT (= kézi betáplálás) |
′p′B Kártyaállapot:
′0′B: BEHELYEZVE, a kártyát behelyezték a menetíró készülékbe,
′1′B: NINCS BEHELYEZVE, nem helyeztek be kártyát (vagy nem vették ki),
′aa′B Tevékenység (nem lényeges, ha ′p′ = 1 és ′c′ = 0, kivéve az alábbi megjegyzést):
′00′B: SZÜNET/PIHENÉS,
′01′B: KÉSZENLÉT,
′10′B: MUNKA,
′11′B: JÁRMŰVEZETÉS,
′ttttttttttt′B A váltás ideje: Az eltelt percek száma 00 óra 00 óta, az adott napon.
Megjegyzés a "kártya kivétele" esetre:
A kártya kivételekor:
- ′s′ alkalmazható és azon kártyaolvasó egységet jelzi, amelyből a kártyát kivették,
- ′c′-t 0-ra kell beállítani,
- ′p′-t 1-re kell beállítani,
- ′aa′ az ekkor kiválasztott folyó tevékenységet kell kódolni,
Kézi betáplálás eredményeként a (kártyán eltárolt) szó ′c′ és ′aa′ bitjei később a betáplálásra tekintettel átírásra kerülhetnek.
2.2. Address
Egy cím.
Address: = SEQUENCE {
codePage INTEGER (0..255),
address OCTET STRING (SIZE(35))
}
codePage a 4. fejezetben meghatározott karakterkészletet adja meg,
address a meghatározott karakterkészlet felhasználásával kódolt cím.
2.3. BCDString
A BCDString-et (BCD karaktersorozat) a binárisan kódolt decimális szám - Binary Code Decimal (BCD) - megjelenítésére kell alkalmazni. Ezen adattípust kell felhasználni egy decimális számjegy nyolc-bites csoportja felének (4 bit) a megjelenítésére. A BCDString az ISO/IEC 8824-1 "CharacterStringType" karaktersorozat típusán alapul.
BCDString::= CHARACTER STRING (WITH COMPONENTS {
identification ( WITH COMPONENTS {
fixed PRESENT }) })
A BCDString egy "hstring" jelölést használ fel. A balról a legszélső hexadecimális számjegy az első nyolcbites csoport legnagyobb helyértékű félcsoportja. A nyolcas csoport sokszorosának előállításához zérus, vezető nyolcas félcsoportokat kell beszúrni - szükség szerint - a balról a legszélső nyolcas félcsoport pozíciójától kezdve, az első nyolcas csoportba.
A megengedett számjegyek a következők: 0, 1, ... 9.
2.4. CalibrationPurpose
Kód annak megmagyarázására, hogy miért került rögzítésre a kalibrálási paraméterek egy meghatározott sorozata. Ezen adattípus a 097. és a 098. követelményre vonatkozik.
CalibrationPurpose::= OCTET STRING (SIZE(1)).
Érték-hozzárendelés:
′00′H tartalék érték,
′01′H aktiválás: az ismert kalibrálási paraméterek rögzítése a JE aktiválásának pillanatában,
′02′H első beépítés: a JE működésbe hozatala utáni első kalibrálás,
′03′H beépítés: a JE első kalibrálása az aktuális járműben,
′04′H időszakos felülvizsgálat.
2.5. CardActivityDailyRecord
A kártyán tárolt olyan adat, amely az adott naptári napon a járművezető tevékenységére vonatkozik. Ezen adattípus vonatkozik a 199. és a 219. követelményre.
CardActivityDailyRecord ::= SEQUENCE {
activityPreviousRecordLength | INTEGER(0..CardActivityLengthRange), |
activityRecordDate | TimeReal, |
activityDailyPresenceCounter | DailyPresenceCounter, |
activityDayDistance | Distance, |
activityChangeInfo | SET SIZE(1..1440) OF ActivityChangeInfo |
}
activityPreviousRecordLength az előző napi rekord teljes hossza, bájtokban kifejezve. A maximális értéket az e tételekat tartalmazó OCTET STRING hossza adja meg (lásd a CardActivityLengthRange-t a 3. bekezdésben). Amennyiben e rekord a legrégebbi napi rekord, úgy az activityPreviousRecordLength értékét 0-ra kell beállítani.
activityRecordLength e rekord teljes hossza, bájtokban kifejezve. A maximális értéket az e tételeket tartalmazó OCTET STRING hossza adja meg.
activityRecordDate a rekordhoz tartozó dátum.
activityDailyPresenceCounter az adott napon a kártya napi előfordulás számlálójának az állapotát mutatja.
activityDayDistance az adott napon megtett teljes távolság.
activityChangeInfo az ActivityChangeInfo adatsorozat a járművezető részére az adott napon. Ez maximálisan 1 440értéket tartalmazhat (percenként egy tevékenységváltás). E rekord mindig magában foglalja az activityChangeInfo értéket, a járművezető állapotát 00.00-nál kódolva.
2.6. CardActivityLengthRange
Egy járművezetői vagy műhelykártyán található bájtok száma, amelyek rendelkezésre állnak a járművezető tevékenységi tételeinek eltárolására.
CardActivityLengthRange ::= INTEGER(0..216-1)
Érték-hozzárendelés: lásd a 3. bekezdést.
2.7. CardApprovalNumber
A kártya típus-jóváhagyási száma.
CardApprovalNumber ::= IA5String(SIZE(8))
Érték-hozzárendelés: Nem meghatározott.
2.8. CardCertificate
Egy kártya nyilvános kulcsának bizonyítványa.
CardCertificate ::= Certificate.
2.9. CardChipIdentification
A kártyán eltárolt olyan információ, amely a kártya integrált áramkörének (IC) azonosítására vonatkozik (191. követelmény).
CardChipIdentification ::= SEQUENCE {
icSerialNumber | OCTET STRING (SIZE(4)), |
icManufacturingReferences | OCTET STRING (SIZE(4)) |
}
icSerialNumber az IC sorozatszáma, ahogy azt az EN 726-3 definiálja.
icManufacturingReferences az IC gyártójának azonosítója és a gyártási elemek, ahogy azt az EN 726-3 definiálja.
2.10. CardConsecutiveIndex
Folyamatos kártyaindex [h) definíció].
CardConsecutiveIndex ::= IA5String(SIZE(1))
Érték-hozzárendelés: (lásd e melléklet VII. fejezetét).
A növekedés sorrendje : ′0, ..., 9, A, ... , Z, a, ... , z′.
2.11. CardControlActivityDataRecord
Egy járművezetői vagy műhelykártyán eltárolt információ, amely azon ellenőrzésre vonatkozik, amelynek a járművezetőt utoljára alávetették (210. és 225. követelmény).
CardControlActivityDataRecord ::= SEQUENCE {
controlType | controlType, |
controlTime | TimeReal, |
controlCardNumber | FullCardNumber, |
controlVehicleRegistration | VehicleRegistrationIdentification, |
controlDownloadPeriodBegin | TimeReal, |
controlDownloadPeriodEnd | TimeReal, |
}
controlType az ellenőrzés típusa.
controlTime az ellenőrzés dátuma és ideje.
controlCardNumber az ellenőrzést végző ellenőrző személyhez tartozó FullCardNumber.
controlVehicleRegistration az ellenőrzött jármű rendszáma és a bejegyző tagállam.
controlDownloadPeriodBegin és controlDownloadPeriodEnd letöltés esetén a letöltött időtartam.
2.12. CardCurrentUse
A kártya aktuális használatával kapcsolatos információ (212. követelmény).
CardCurrentUse ::= SEQUENCE {
sessionOpenTime | TimeReal, |
sessionOpenVehicle | VehicleRegistrationIdentification |
}
sessionOpenTime az az idő, amikor a kártyát az aktuális használat céljából behelyezik. Ezen elemet zérusra kell beállítani a kártya eltávolításakor.
sessionOpenVehicle az aktuálisan felhasznált jármű azonosítása, beállítása a kártya behelyezésekor történik meg. Ezen elemet zérusra kell beállítani a kártya eltávolításakor.
2.13. CardDriverActivity
Egy járművezetői vagy műhelykártyán eltárolt információ, amely a járművezető tevékenységeire vonatkozik (199. és 219. követelmény).
CardDriverActivity ::= SEQUENCE {
activityPointerOldestDayRecord | INTEGER(0..CardActivityLengthRange-1), |
activityPointerNewestRecord | INTEGER(0..CardActivityLengthRange-1), |
activityDailyRecords | OCTET STRING (SIZE(CardActivityLengthRange)) |
}
activityPointerOldestDayRecord a legrégebbi teljes napi rekord tárolási helye kezdetének meghatározása (a bájtok száma a karaktersorozat kezdetétől számítva) az activityDailyRecords karaktersorozatban. A maximális értéket a karaktersorozat hossza adja meg.
activityPointerNewestRecord a legújabb napi rekord tárolási helye kezdetének meghatározása (a bájtok száma a karaktersorozat kezdetétől számítva) az activityDailyRecords karaktersorozatban. A maximális értékét a karaktersorozat hossza adja meg.
activityDailyRecords a járművezető tevékenységi adatainak eltárolására rendelkezésre álló hely (adatszerkezet: CardActivityDailyRecord) minden olyan naptári napra, amikor a kártyát felhasználták.
Érték-hozzárendelés: e nyolcas karaktersorozat ciklikusan feltöltődik a CardActivityDailyRecord rekordjaival. Az első felhasználáskor az eltárolás a karaktersorozat első bájtjánál kezdődik. Az összes új rekord hozzáfűződik az előző végéhez. Ha a karaktersorozat megtelik, az eltárolás a karaktersorozat első bájtjánál folytatódik, tekintet nélkül arra, hogy törés van-e az adatelemeken belül. Mielőtt új tevékenységi adat kerül a karaktersorozatba (megnövelve az aktuális activityDailyRecord-ot vagy egy új activityDailyRecord elhelyezésével), amely kicseréli a régebbi tevékenységi adatokat, az activityPointerOldestDayRecord-ot aktualizálni kell, hogy megadja a legrégebbi teljes napi rekord új helyét, és ezen (új) legrégebbi teljes napi rekord activityPreviousRecordLength értékét 0-ra kell visszaállítani.
2.14. CardDrivingLicenceInformation
A járművezetői kártyán eltárolt információ, amely a kártyatulajdonos járművezetői jogosítványának az adataira vonatkozik (196. követelmény).
CardDrivingLicenceInformation ::= SEQUENCE {
drivingLicenceIssuingAuthority | Name, |
drivingLicenceIssuingNation | NationNumeric, |
drivingLicenceNumber | IA5String(SIZE(16)) |
}
drivingLicenceIssuingAuthority a járművezetői jogosítvány kiállításáért felelős hatóság.
drivingLicenceIssuingNation azon hatóság helye szerinti ország, amely kiállította a járművezetői jogosítványt.
drivingLicenceNumber a járművezetői jogosítvány száma.
2.15. CardEventData
A járművezetői vagy a műhelykártyán eltárolt információ, amely a kártyatulajdonossal kapcsolatos eseményekre vonatkozik (204. és 223. követelmény).
CardEventData ::= SEQUENCE SIZE(6) OF {
cardEventRecords | SET SIZE(NoOfEventsPerType) OF CardEventRecord |
}
CardEventData egy, az EventFaultType emelkedő értéke szerint rendezett cardEventRecords sorozat (kivéve a biztonság megsértésére tett kísérletekkel kapcsolatos tételek, amelyek a sorozat utolsó részében kerülnek összegyűjtésre).
cardEventRecords egy adott eseménytípus eseményrekordjainak a sorozata (vagy a biztonság megsértésére tett kísérletek eseményeire vonatkozó kategória).
2.16. CardEventRecord
A járművezetői vagy a műhelykártyán eltárolt információ, amely a kártyatulajdonossal kapcsolatos eseményekre vonatkozik (205. és 223. követelmény).
CardEventRecord ::= SEQUENCE {
eventType | EventFaultType, |
eventBeginTime | TimeReal, |
eventEndTime | TimeReal, |
eventVehicleRegistration | VehicleRegistrationIdentification |
}
eventType az esemény típusa.
eventBeginTime az esemény kezdetének dátuma és ideje.
eventEndTime az esemény végének dátuma és ideje.
eventVehicleRegistration azon jármű rendszáma és bejegyző tagállama, amelyben az esemény történt.
2.17. CardFaultData
Egy járművezetői vagy műhelykártyán eltárolt információ, amely a kártyatulajdonos hibáira vonatkozik (207. és 223. követelmény).
CardFaultData ::= SEQUENCE SIZE(2) OF {
cardFaultRecords | SET SIZE(NoOfFaultsPerType) OF CardFaultRecord |
}
CardFaultData a menetíró készülék hibáira vonatkozó tételek sorozata, amelyet a kártyahibák rekordjainak sorozata követ.
cardFaultRecords egy adott kategóriájú hibatételek sorozata (menetíró készülék vagy kártya).
2.18. CardFaultRecord
Egy járművezetői vagy műhelykártyán eltárolt információ, amely a kártyatulajdonos egy hibájára vonatkozik (208. és 223. követelmény).
CardFaultRecord ::= SEQUENCE {
faultType | EventFaultType, |
faultBeginTime | TimeReal, |
faultEndTime | TimeReal, |
faultVehicleRegistration | VehicleRegistrationIdentification |
}
faultType a hiba típusa.
faultBeginTime a hiba kezdetének dátuma és ideje.
faultEndTime a hiba végének dátuma és ideje.
faultVehicleRegistration azon jármű rendszáma és bejegyző tagállama, amelyben a hiba történt.
2.19. CardIccIdentification
Egy kártyán eltárolt információ, amely az integrált áramköri (IC) kártya azonosítására vonatkozik (192. követelmény).
CardIccIdentification ::= SEQUENCE {
clockStop | OCTET STRING (SIZE(1)), |
cardExtendedSerialNumber | ExtendedSerialNumber, |
cardApprovalNumber | CardApprovalNumber |
cardPersonaliserID | OCTET STRING (SIZE(1)), |
embedderIcAssemblerId | OCTET STRING (SIZE(5)), |
icIdentifier | OCTET STRING (SIZE(2)) |
}
clockStop az óra-leállítási üzemmód az EN 726-3 definciója szerint.
cardExtendedSerialNumber az IC-kártya sorozatszáma és az IC-kártya gyártási hivatkozása az EN 726-3és az ExtendedSerialNumber adattípus további meghatározása szerint.
cardApprovalNumber a kártya típus-jóváhagyási száma.
cardPersonaliserID a kártya megszemélyesítési ID-je az EN 726-3 definíciója szerint.
embedderIcAssemblerId a beépítő/az IC-szerelő azonosítója az EN 726-3 definíciója szerint.
icIdentifier a kártyán elhelyezett IC és az IC gyártójának azonosítója, az EN 726-3 definíciója szerint.
2.20. CardIdentification
A kártyán eltárolt információ, amely a kártya azonosítására vonatkozik (194., 215., 231. és 235. követelmény).
CardIdentification ::= SEQUENCE
cardIssuingMemberState | NationNumeric, |
cardNumber | CardNumber, |
cardIssuingAuthorityName | Name, |
cardIssueDate | TimeReal, |
cardValidityBegin | TimeReal, |
cardExpiryDate | TimeReal |
}
cardIssuingMemberState a kártyát kiállító tagállam kódja.
cardNumber a kártya kártyaszáma.
cardIssuingAuthorityName a kártyát kiállító hatóság neve.
cardIssueDate az a dátum, amikor a kártyát kiállították az aktuális tulajdonosnak.
cardValidityBegin az a dátum, amikor a kártya érvényessége megkezdődik.
cardExpiryDate az a dátum, amikor a kártya érvényessége lejár.
2.21. CardNumber
Egy kártyaszám a g) definíció szerint.
CardNumber ::= CHOICE {
SEQUENCE {
driverIdentification | IA5String(SIZE(14)), |
cardReplacementIndex | CardReplacementIndex, |
cardRenewalIndex | CardRenewalIndex |
}
SEQUENCE {
ownerIdentification | IA5String(SIZE(13)), |
cardConsecutiveIndex | CardConsecutiveIndex, |
cardReplacementIndex | CardReplacementIndex, |
cardRenewalIndex | CardRenewalIndex |
}
}
driverIdentification a járművezető egyéni azonosítója egy tagállamban.
ownerIdentification egy vállalkozás, egy műhely vagy egy ellenőrző szerv egyéni azonosítója egy tagállamon belül.
cardConsecutiveIndex a kártya folyamatos indexe.
cardReplacementIndex a kártya csereindexe.
cardRenewalIndex a kártya megújítási indexe.
A választás első sorozata a járművezetői kártya számának a kódolására, a választás második sorozata pedig a műhely-, az ellenőrző- és a vállalkozási kártya számának a kódolására alkalmas.
2.22. CardPlaceDailyWorkPeriod
Egy járművezetői vagy műhelykártyán eltárolt információ, amely arra a helyre vonatkozik, ahol a munkanap kezdődik, illetve végződik (202. és 221. követelmények).
CardPlaceDailyWorkPeriod ::= SEQUENCE {
placePointerNewestRecord | INTEGER(0..NoOfCardPlaceRecords-1), |
placeRecords SET | SIZE(NoOfCardPlaceRecords) OF PlaceRecord |
}
placePointerNewestRecord az utolsóként aktualizált hely rekordjának indexe.
Érték-hozzárendelés: A helyrekord számlálójának megfelelő szám, amely "0"-val kezdődik, amikor a szerkezetben a helytételek először jelennek meg.
placeRecords tételek sorozata, amelyek a betáplált helyekre vonatkozó információkat tartalmazzák.
2.23. CardPrivateKey
A kártya saját kulcsa.
CardPrivateKey ::= RSAKeyPrivateExponent.
2.24. CardPublicKey
A kártya nyilvános kulcsa.
CardPublicKey ::= PublicKey.
2.25. CardRenewalIndex
Egy kártya megújítási indexe [i) definíció].
CardRenewalIndex ::= IA5String(SIZE(1)).
Érték-hozzárendelés: (lásd e melléklet VII. fejezetét).
′0′Első kiadás.
A növekedés sorrendje:′0, ..., 9, A, ..., Z′.
2.26. CardReplacementIndex
A kártya csereindexe [j) definíció].
CardReplacementIndex ::= IA5String(SIZE(1))
Érték-hozzárendelés: (lásd e melléklet VII. fejezetét).
′0′Eredeti kártya.
A növekedés sorrendje:′0, ..., 9, A, ..., Z′.
2.27. CardSlotNumber
Kód egy járműegység két kártyaolvasó egységének a megkülönböztetésére.
CardSlotNumber ::= INTEGER {
driverSlot | (0), |
co-driverSlot | (1) |
}
Érték-hozzárendelés: nincs közelebbi meghatározás.
2.28. CardSlotsStatus
Kód a járműegység két kártyaolvasó egységébe behelyezett kártyák típusának jelzésére.
CardSlotsStatus ::= OCTET STRING (SIZE(1))
Érték-hozzárendelés - Rendezett oktett: ′ccccdddd′B:
′cccc′B A járműkísérő kártyaolvasó egységébe behelyezett kártya típusának azonosítása,
′dddd′B A járművezető kártyaolvasó egységébe behelyezett kártya típusának azonosítása,
a következő azonosító kódokkal:
′0000′B nem helyeztek be kártyát,
′0001′B egy járművezetői kártyát helyeztek be,
′0010′B egy műhelykártyát helyeztek be,
′0011′B egy ellenőrzőkártyát helyeztek be,
′0100′B egy vállalkozási adatkártyát helyeztek be.
2.29. CardStructureVersion
Kód a tachográf-kártyán alkalmazott szerkezet verziójának jelzésére.
CardStructureVersion ::= OCTET STRING (SIZE(2))
Érték-hozzárendelés: ′aabb′H:
"aa"H A szerkezet váltásaira vonatkozó index, "00h" e változatra
"bb"H A magasabb helyértékű bájttal megadott szerkezetre definiált adatelemek használatára vonatkozó váltások indexe, "00h" e változatra.
2.30. CardVehicleRecord
Egy járművezetői vagy műhelykártyán eltárolt információ, amely a jármű egy naptári nap alatti használati periódusára vonatkozik (197. és 217. követelmény).
CardVehicleRecord ::= SEQUENCE {
vehicleOdometerBegin | OdometerShort, |
vehicleOdometerEnd | OdometerShort, |
vehicleFirstUse | TimeReal, |
vehicleLastUse | TimeReal, |
vehicleRegistration | VehicleRegistrationIdentification, |
vuDataBlockCounter | VuDataBlockCounter |
}
vehicleOdometerBegin a jármű kilométer-számlálójának értéke a jármű használati időszakának megkezdésekor.
vehicleOdometerEnd a jármű kilométer-számlálójának értéke a jármű használati időszakának befejezésekor.
vehicleFirstUse a jármű használati időszakának megkezdési dátuma és ideje.
vehicleLastUse a jármű használati időszakának befejezési dátuma és ideje.
vehicleRegistration a jármű rendszáma és a bejegyző tagállam.
vuDataBlockCounter a VuDataBlockCounter értéke a jármű használati időszaka utolsó kivonásának alkalmával.
2.31. CardVehiclesUsed
Egy járművezetői vagy műhelykártyán eltárolt információ, amely a kártyatulajdonos által használt járműre vonatkozik (197. és 217. követelmény).
CardVehiclesUsed := SEQUENCE {
vehiclePointerNewestRecord | INTEGER(0..NoOfCardVehicleRecords-1), |
cardVehicleRecords | SET SIZE(NoOfCardVehicleRecords) OF CardVehicleRecord |
}
vehiclePointerNewestRecord az utolsóként aktualizált járműrekord indexe.
Érték-hozzárendelés: A járműrekord számlálójának megfelelő szám, amely ′0′-val kezdődik, amikor a szerkezetben a járműtételek először jelennek meg.
cardVehicleRecords a használt járműre vonatkozó információkat tartalmazó tételek sorozata.
2.32. Certificate
A nyilvános kulcs igazoló hatóság által kiállított bizonyítványa.
Certificate ::= OCTET STRING (SIZE(194))
Value assignment:Érték-hozzárendelés: digitális aláírás a CertificateContent részleges visszanyerésével, a 11. függeléknek megfelelően - "közös biztonsági mechanizmusok": Aláírás (128 bájt) || nyilvános kulcs maradék (58 bájt) || hitelesítő hatósági hivatkozás (8 bájt).
2.33. CertificateContent
A nyilvános kulcs bizonyítványának (érthető) tartalma a 11. függelék általános biztonsági mechanizmusainak megfelelően.
CertificateContent ::= SEQUENCE {
certificateProfileIdentifier | INTEGER(0..255), |
certificationAuthorityReference | KeyIdentifier, |
certificateHolderAuthorisation | CertificateHolderAuthorisation, |
certificateEndOfValidity | TimeReal |
certificateHolderReference | KeyIdentifier, |
publicKey | PublicKey |
}
certificateProfileIdentifier a megfelelő bizonyítvány verziója.
Érték-hozzárendelés:: ′01h′ e verzióhoz.
CertificationAuthorityReference azon hitelesítő hatóságot azonosítja, amely a bizonyítványt kiállítja. Emellett ezen adatok utalnak e hitelesítő hatóság nyilvános kulcsára.
certificateHolderAuthorisation a bizonyítvány tulajdonosának jogait azonosítja.
certificateEndOfValidity az a dátum, amikor a bizonyítvány hivatalosan lejár.
certificateHolderReference a bizonyítvány tulajdonosát azonosítja. Emellett ezen adatok utalnak a tulajdonos nyilvános kulcsára.
publicKey az a nyilvános kulcs, amelyet e bizonyítvány tanúsít.
2.34. CertificateHolderAuthorisation
A bizonyítvány tulajdonosának jogait azonosítja.
CertificateHolderAuthorisation ::= SEQUENCE {
tachographApplicationID | OCTET STRING(SIZE(6)) |
equipmentType | EquipmentType |
}
tachographApplicationID azonosító a menetíró készülék alkalmazásához.
Érték-hozzárendelés: ′FFh′ ′54h′ ′41h′ ′43h′ ′48h′ ′4Fh′. Ezen AID egy tulajdonosi, nem regisztrált alkalmazási azonosító, amely megfelel az ISO/IEC 7816-5-nek.
equipmentType azon berendezéstípus azonosítója, amelyhez a bizonyítvány kiadását tervezik.
Érték-hozzárendelés: az EquipmentType adattípussal összhangban. Értéke 0, ha a bizonyítvány a tagállamok egyikéből származik.
2.35. CertificateRequestID
A bizonyítvány kérelmének egyedi azonosítója. Ez szintén felhasználható mint a járműegység nyilvános kulcsának azonosítója, amennyiben a bizonyítvány elkészítésének idejében azon járműegység sorozatszáma nem ismert, amelyhez a kulcsot szánták.
CertificateRequestID ::= SEQUENCE {
requestSerialNumber | INTEGER(0..232-1) |
requestMonthYear | BCDString(SIZE(2)) |
crIdentifier | OCTET STRING(SIZE(1)) |
manufacturerCode | ManufacturerCode |
}
requestSerialNumber a bizonyítvány kérelmére vonatkozó sorozatszám, egyedi a gyártóra és az alábbi hónapra vonatkozóan.
requestMonthYear a bizonyítvány kérelmezési hónapjának és évének azonosítója.
Érték-hozzárendelés: a hónap (kettő számjegy) és az év (a két utolsó számjegy) BCD kódolása.
crIdentifier: azonosító a bizonyítvány iránti kérelemnek egy bővített sorozatszámtól való megkülönböztetésére.
Érték-hozzárendelés: ′FFh′.
manufacturerCode: a bizonyítványt kérő gyártó numerikus kódja.
2.36. CertificationAuthorityKID
Egy hitelesítő hatóság (egy tagállam vagy az Európai Hitelesítő Hatóság) nyilvános kulcsának azonosítója.
CertificationAuthorityKID ::= SEQUENCE {
nationNumeric | NationNumeric |
nationAlpha | NationAlpha |
keySerialNumber | INTEGER(0..255) |
additionalInfo | OCTET STRING(SIZE(2)) |
caIdentifier | OCTET STRING(SIZE(1)) |
}
nationNumeric a hitelesítő hatóság numerikus nemzeti kódja.
nationAlpha a hitelesítő hatóság alfanumerikus nemzeti kódja.
keySerialNumber sorozatszám a hitelesítő hatóság különböző kulcsainak megkülönböztetésére, amennyiben bizonyos kulcsokat megváltoztatnak.
additionalInfo egy kétbájtos mező a további kódolás céljára (mindig az adott hitelesítő hatóság szerint).
caIdentifier azonosító a hitelesítő hatóság kulcsazonosítójának egy másik kulcsazonosítótól való megkülönböztetésére.
Érték-hozzárendelés: ′01h′.
2.37. CompanyActivityData
Egy vállalkozás adatkártyáján eltárolt információ, amely a kártyával végrehajtott tevékenységekre vonatkozik (237. követelmény).
CompanyActivityData ::= SEQUENCE {
companyPointerNewestRecord | INTEGER(0..NoOfCompanyActivityRecords-1), |
companyActivityRecords | SET SIZE(NoOfCompanyActivityRecords) OF |
companyActivityRecord | SEQUENCE { |
companyActivityType | CompanyActivityType, |
companyActivityTime | TimeReal, |
cardNumberInformation | FullCardNumber, |
vehicleRegistrationInformation | VehicleRegistrationIdentification, |
downloadPeriodBegin | TimeReal, |
downloadPeriodEnd | TimeReal |
}
}
companyPointerNewestRecord az utolsóként aktualizált companyActivityRecord indexe.
Érték-hozzárendelés: A vállalkozás tevékenységi rekordja számlálójának megfelelő szám, amely ′0′-val kezdődik, amikor a szerkezetben a vállalkozás tevékenységi rekordja először jelenik meg.
companyActivityRecords az összes vállalkozási tevékenységi rekord sorozata.
companyActivityRecord egy vállalkozási tevékenységhez kapcsolódó információsorozat.
companyActivityType a vállalkozási tevékenység típusa.
companyActivityTime a vállalkozási tevékenység dátuma és ideje.
cardNumberInformation adott esetben a letöltött kártya kártyaszáma és a kártyát kiállító tagállam.
vehicleRegistrationInformation a letöltött, bezárt vagy kioldott jármű rendszáma és a bejegyző tagállam.
downloadPeriodBegin és downloadPeriodEnd adott esetben a JE-ból letöltött időszak.
2.38. CompanyActivityType
A vállalkozás által a vállalkozási kártyája felhasználása folyamán végrehajtott tevékenységet jelző kód.
CompanyActivityType ::= INTEGER {
card downloading | (1), |
VU downloading | (2), |
VU lock-in | (3), |
VU lock-out | (4). |
}
2.39. CompanyCardApplicationIdentification
A kártya alkalmazásának azonosítására vonatkozó információ vállalkozási kártyán tárolva (190. követelmény).
CompanyCardApplicationIdentification ::= SEQUENCE {
typeOfTachographCardId | EquipmentType, |
cardStructureVersion | CardStructureVersion, |
noOfCompanyActivityRecords | NoOfCompanyActivityRecords |
}
typeOfTachographCardId meghatározza az alkalmazott kártyatípust.
cardStructureVersion azon szerkezet verzióját határozza meg, amelyet a kártyán alkalmazni kell.
noOfCompanyActivityRecords a kártyán eltárolható vállalkozási tevékenységi tételek száma.
2.40. CompanyCardHolderIdentification
Egy vállalkozási kártyán eltárolt információ, amely a kártyatulajdonos azonosítására vonatkozik (236. követelmény).
CompanyCardHolderIdentification ::= SEQUENCE {
companyName | Name, |
companyAddress | Address, |
cardHolderPreferredLanguage | Language |
}
companyName a tulajdonos vállalkozás neve.
companyAddress a tulajdonos vállalkozás címe.
cardHolderPreferredLanguage a kártyatulajdonos anyanyelve.
2.41. ControlCardApplicationIdentification
A kártya alkalmazásának azonosítására vonatkozó információ, egy vállalkozás adatkártyáján tárolva (190. követelmény).
ControlCardApplicationIdentification ::= SEQUENCE {
typeOfTachographCardId | EquipmentType, |
cardStructureVersion | CardStructureVersion, |
noOfControlActivityRecords | NoOfControlActivityRecords |
}
typeOfTachographCardId az alkalmazott kártyatípust határozza meg.
cardStructureVersion azon szerkezet verzióját határozza meg, amelyet a kártyán alkalmazni kell.
noOfControlActivityRecords azon ellenőrzési tevékenységi tételek száma, amelyeket a kártya eltárolhat.
2.42. ControlCardControlActivityData
A kártyával végrehajtott ellenőrző tevékenységre vonatkozó információ, ellenőrzőkártyán tárolva (233. követelmény).
ControlCardControlActivityData ::= SEQUENCE {
controlPointerNewestRecord | INTEGER(0..NoOfControlActivityRecords-1), |
controlActivityRecords | SET SIZE(NoOfControlActivityRecords) OF |
controlActivityRecord | SEQUENCE { |
controlType | ControlType, |
controlTime | TimeReal, |
controlledCardNumber | FullCardNumber, |
controlledVehicleRegistration | VehicleRegistrationIdentification, |
controlDownloadPeriodBegin | TimeReal, |
controlDownloadPeriodEnd | TimeReal |
}
}
controlPointerNewestRecord a legutóbb aktualizált ellenőrző tevékenység rekordjának indexe.
Érték-hozzárendelés: Az ellenőrző tevékenységi rekord számlálójának megfelelő szám, amely ′0′-val kezdődik, amikor a szerkezetben az ellenőrző tevékenységi tételek először jelennek meg.
controlActivityRecords az összes ellenőrző tevékenységi rekord sorozata.
controlActivityRecord az egy ellenőrzésre vonatkozó információk sorozata.
controlType az ellenőrzés típusa.
controlTime az ellenőrzés dátuma és ideje.
controlledCardNumber az ellenőrzött kártya kártyaszáma és kiállító tagállama.
controlledVehicleRegistration az ellenőrzött jármű rendszáma és a járművet bejegyző tagállam.
controlDownloadPeriodBegin és controlDownloadPeriodEnd adott esetben a letöltött időszak.
2.43. ControlCardHolderIdentification
A kártyatulajdonos azonosítására vonatkozó információ ellenőrzőkártyán tárolva (232. követelmény).
ControlCardHolderIdentification ::= SEQUENCE {
controlBodyName | Name, |
controlBodyAddress | Address, |
cardHolderName | HolderName, |
cardHolderPreferredLanguage | Language |
}
controlBodyName a kártyatulajdonos ellenőrző szervének neve.
controlBodyAddress a kártyatulajdonos ellenőrző szervének címe.
cardHolderName az ellenőrzőkártya tulajdonosának neve és utóneve(i).
cardHolderPreferredLanguage a kártyatulajdonos anyanyelve.
2.44. ControlType
Az ellenőrzés alatt végzett tevékenységek jelzésére szolgáló kód. Ezen adattípus a 102., a 210. és a 255. követelményre vonatkozik.
ControlType ::= OCTET STRING (SIZE(1))
Érték-hozzárendelés - Rendezett oktett: ′cvpdxxxx′B (8 bits)
′c′B kártya letöltése:
′0′B: a kártya ezen ellenőrző tevékenység alatt nem került letöltésre,
′1′B: a kártya ezen ellenőrző tevékenység alatt letöltésre került
′v′B JE letöltése:
′0′B: a JE ezen ellenőrző tevékenység alatt nem került letöltésre,
′1′B: a JE ezen ellenőrző tevékenység alatt letöltésre került
′p′B nyomtatás:
′0′B: ezen ellenőrző tevékenység alatt nem történt nyomtatás,
′1′B: ezen ellenőrző tevékenység alatt a nyomtatás megtörtént
′d′B kijelzés:
′0′B: ezen ellenőrző tevékenység alatt a kijelzést nem használták,
′1′B: ezen ellenőrző tevékenység alatt a kijelzést használták
′xxxx′B Nem használt.
2.45. CurrentDateTime
A menetíró készülék aktuális dátuma és ideje.
CurrentDateTime ::= TimeReal
Érték-hozzárendelés: nincs közelebbi meghatározás.
2.46. DailyPresenceCounter
Számláló a járművezetői vagy műhelykártyán tárolva, amelyet minden olyan naptári nap egy egységgel megnövel, amelyen a kártya a JE-be kerül behelyezésre. Ezen adattípus a 119. és a 219. követelményre vonatkozik.
DailyPresenceCounter ::= BCDString(SIZE(2))
Érték-hozzárendelés: Folyamatos számozás, amelynek a maximális értéke = 9 999, a számozás 0-val kezdődik újra. A kártya első kiállításának idejében a számot 0-ra kell beállítani.
2.47. Datef
Egy könnyen kinyomtatható numerikus formátumban kifejezett dátum.
Datef ::= SEQUENCE {
year | BCDString(SIZE(2)), |
month | BCDString(SIZE(1)), |
day | BCDString(SIZE(1)) |
}
Érték-hozzárendelés:
yyyy Év
mm Hónap
dd Nap
′00000000′H Kifejezetten nem jelez dátumot.
2.48. Distance
A megtett távolság (a jármű két kilométer-számláló-értéke közötti különbség).
Distance ::= INTEGER(0..216-1)
Érték-hozzárendelés: Előjel nélküli bináris szám. Az érték km-ben kifejezve és a 0-tól 9 999 km-ig terjedő üzemelési tartományban.
2.49. DriverCardApplicationIdentification
Egy járművezetői kártyán tárolt információ, amely a kártya alkalmazásának azonosítására vonatkozik (190. követelmény).
DriverCardApplicationIdentification ::= SEQUENCE {
typeOfTachographCardId | EquipmentType, |
cardStructureVersion | CardStructureVersion, |
noOfEventsPerType | NoOfEventsPerType, |
noOfFaultsPerType | NoOfFaultsPerType, |
activityStructureLength | CardActivityLengthRange, |
noOfCardVehicleRecords | NoOfCardVehicleRecords, |
noOfCardPlaceRecords | NoOfCardPlaceRecords |
}
typeOfTachographCardId meghatározza az alkalmazott kártyatípust.
cardStructureVersion meghatározza azon szerkezet verzióját, amelyet a kártyán alkalmazni kell.
noOfEventsPerType a kártya által eltárolható események száma, eseménytípusonként.
noOfFaultsPerType a kártya által eltárolható hibák száma, hibatípusonként.
activityStructureLength a tevékenységi tételek eltárolására rendelkezésre álló bájtok számát jelzi.
noOfCardVehicleRecords a kártya által eltárolható járműtételek száma.
noOfCardPlaceRecords a kártya által eltárolható helyek száma.
2.50. DriverCardHolderIdentification
Egy járművezetői kártyán eltárolt információ, amely a kártyatulajdonos azonosítására vonatkozik (195. követelmény).
DriverCardHolderIdentification ::= SEQUENCE {
cardHolderName | HolderName, |
cardHolderBirthDate | Datef, |
cardHolderPreferredLanguage | Language |
}
cardHolderName a járművezetői kártya tulajdonosának neve és utóneve(i).
cardHolderBirthDate a járművezetői kártya tulajdonosának születési dátuma.
cardHolderPreferredLanguage a kártyatulajdonos anyanyelve.
2.51. EntryTypeDailyWorkPeriod
A munkanap kezdetének és végének a helye és a betáplálás körülményei közti megkülönböztetést lehetővé tévő kód.
EntryTypeDailyWorkPeriod ::= INTEGER
Begin, related time = card insertion time or time of entry | (0), |
End, related time = card withdrawal time or time of entry | (1), |
Begin, related time manually entered (start time) | (2), |
End, related time manually entered (end of work period) | (3), |
Begin, related time assumed by VU | (4), |
End, related time assumed by VU | (5) |
}
Érték-hozzárendelés: Megfelel az ISO/IEC8824-1 szabványnak.
2.52. EquipmentType
A menetíró készülékként való alkalmazásra felhasznált berendezések különböző típusainak megkülönböztetésére szolgáló kód.
EquipmentType ::= INTEGER(0..255)
- - Reserved | (0), |
- - Driver Card | (1), |
- - Workshop Card | (2), |
- - Control Card | (3), |
- - Company Card | (4), |
- - Manufacturing Card | (5), |
- - Vehicle Unit | (6), |
- - Motion Sensor | (7), |
- - RFU | (8..255) |
Érték-hozzárendelés: Megfelel az ISO/IEC 8824-1 szabványnak.
A 0 értéket a tagállam vagy Európa megjelölésére kell fenntartani a bizonyítvány CHA mezőjében.
2.53. EuropeanPublicKey
Az európai nyilvános kulcs.
EuropeanPublicKey ::= PublicKey.
2.54. EventFaultType
Esemény vagy hiba minősítésére szolgáló kód.
EventFaultType ::= OCTET STRING (SIZE(1)).
Érték-hozzárendelés:
′0x′H Általános események,
′00′H Nincsenek további adatok,
′01′H Érvénytelen kártya behelyezése,
′02′H Kártyaütközés,
′03′H Időátfedés,
′04′H Járművezetés megfelelő kártya nélkül,
′05′H Kártya behelyezése járművezetés közben,
′06′H Az utolsó kártyakapcsolat nem megfelelő lezárása,
′07′H Gyorshajtás,
′08′H Az áramellátás megszakadása,
′09′H Mozgási adatok hibája,
′0A′H A jármű mozgásával kapcsolatos konfliktus,
′0B′H to ′0F′H RFU,
′1x′H A járműegységgel kapcsolatos biztonság feltörési kísérletek eseményei,
′10′H Nincsenek további részletek,
′11′H A mozgásérzékelő hitelesítési hibája,
′12′H A tachográf-kártya hitelesítési hibája,
′13′H A mozgásérzékelő jogosulatlan cseréje,
′14′H A kártyára történő adatbevitelt érintő integritási hiba,
′15′H A tárolt felhasználói adatokat érintő integritási hiba,
′16′H Belső adatátviteli hiba,
′17′H Jogosulatlan burkolatfelnyitás,
′18′H Hardverrongálás,
′19′H to ′1F′H RFU,
′2x′H Az érzékelővel kapcsolatos biztonság-feltörési kísérletek eseményei,
′20′H Nincsenek további részletek,
′21′H Hitelesítési hiba,
′22′H A tárolt adatokra vonatkozó integritási hiba,
′23′H Belső adatátviteli hiba,
′24′H Jogosulatlan burkolatfelnyitás,
′25′H Hardverrongálás,
′26′H to ′2F′H RFU,
′3x′H A menetíró készülék hibái,
′30′H Nincsenek további részletek,
′31′H JE belső hiba,
′32′H Nyomtatóhiba,
′33′H Kijelzési hiba,
′34′H Letöltési hiba,
′35′H Érzékelőhiba,
′36′H to ′3F′H RFU
′4x′H Kártyahibák,
′40′H Nincsenek további részletek,
′41′H to ′4F′H RFU
′50′H to ′7F′H RFU,
′80′H to ′FF′H Gyártóra jellemző.
2.55. EventFaultRecordPurpose
Egy esemény vagy hiba rögzítésének okát feltüntető kód.
EventFaultRecordPurpose ::= OCTET STRING (SIZE(1)).
Érték-hozzárendelés:
′00′H a 10 legújabb (vagy utolsó) esemény vagy hiba egyike
′01′H az előfordulás utolsó 10 napjának egyikére vonatkozó leghosszabb esemény
′02′H az utolsó 365 nap 5 leghosszabb eseményének egyike
′03′H az előfordulás utolsó 10 napjának egyikére vonatkozó legutóbbi esemény
′04′H az előfordulás utolsó 10 napjának egyikére vonatkozó legkomolyabb esemény
′05′H az utolsó 365 nap 5 komoly eseményének egyike
′06′H az utolsó kalibrálás után történt első esemény vagy hiba
′07′H egy aktív/folyamatban levő esemény vagy hiba
′08′H to ′7F′H RFU
′80′H to ′FF′H gyártóra jellemző.
2.56. ExtendedSerialNumber
Egy berendezés egyedi azonosítása. Egy berendezés nyilvános kulcsának azonosítójaként szintén felhasználható.
ExtendedSerialNumber ::= SEQUENCE {
serialNumber | INTEGER(0..232-1) |
monthYear | BCDString(SIZE(2)) |
type OCTET | STRING(SIZE(1)) |
manufacturerCode | ManufacturerCode |
}
serialNumber a berendezés jellemző sorozatszáma, a gyártóra, a berendezés típusára és az alábbiakban megadott hónapra vonatkozóan.
monthYear a gyártás évének és hónapjának az azonosítása (vagy a sorozatszám kijelölésének azonosítása).
Érték-hozzárendelés: A hónap (két számjegy) és az év (az utolsó két számjegy) BCD kódolása.
type a berendezés típusának azonosítója.
Érték-hozzárendelés: gyártóspecifikus FFh' fenntartott értékkel.
manufacturerCode: a berendezés gyártójának numerikus kódja.
2.57. FullCardNumber
Egy tachográf-kártya teljes bizonyossággal történő azonosítását lehetővé tevő kód.
FullCardNumber ::= SEQUENCE {
cardType | EquipmentType, |
cardIssuingMemberState | NationNumeric, |
cardNumber | CardNumber |
}
cardType a tachográf-kártya típusa.
cardIssuingMemberState a kártyát kiállító tagállam kódja.
cardNumber a kártyaszám.
2.58. HighResOdometer
A jármű kilométer-számlálójának értéke. A jármű üzemelése alatt a megtett távolságok összegzett értéke.
HighResOdometer ::= INTEGER(0..232-1)
Érték-hozzárendelés: Előjel nélküli bináris szám. Az érték 1/200 km-ben kifejezve és a 0-tól 21 055 406 km-ig terjedő üzemelési tartományban.
2.59. HighResTripDistance
Egy út teljes egésze vagy annak egy része alatt megtett távolság.
HighResTripDistance ::= INTEGER(0..232-1)
Érték-hozzárendelés: Előjel nélküli bináris szám. Az érték 1/200 km-ben kifejezve és a 0-tól 21 055 406 km-ig terjedő üzemelési tartományban.
2.60. HolderName
A kártyatulajdonos családi neve és utóneve(i).
HolderName ::= SEQUENCE {
holderSurname | Name, |
holderFirstNames | Name |
}
holderSurname a tulajdonos családi neve. A családi név nem tartalmaz címeket.
Érték-hozzárendelés: Amennyiben nem egy meghatározott személy részére kiállított kártyáról van szó, úgy a holderSurname ugyanazon információkat tartalmazza, mint a companyName vagy a workshopName vagy a controlBodyName.
holderFirstNames az utónév (nevek) és a tulajdonos monogramja.
2.61. K-ConstantOfRecordingEquipment
A menetíró készülék állandója [m) definíció].
K-ConstantOfRecordingEquipment ::= INTEGER(0..216-1)
Érték-hozzárendelés: Kilométerenkénti impulzusok a 0-tól 64 255 impulzus/km-ig terjedő működési tartományban.
2.62. KeyIdentifier
Egy nyilvános kulcs egyedi azonosítója, amely lehetővé teszi a kulcsra való hivatkozást és annak kiválasztását. Ezen azonosító a kulcs tulajdonosát is azonosítja.
KeyIdentifier ::= CHOICE {
extendedSerialNumber | ExtendedSerialNumber, |
certificateRequestID | CertificateRequestID, |
certificationAuthorityKID | CertificationAuthorityKID |
}
Az első választás lehetővé teszi a járműegység vagy tachográf-kártya nyilvános kulcsára való hivatkozást.
A második választás lehetővé teszi a járműegység nyilvános kulcsára való hivatkozást (amennyiben a járműegység sorozatszáma a bizonyítvány elkészítésének idején nem ismert).
A harmadik választás lehetővé tesz egy tagállam nyilvános kulcsára való hivatkozást.
2.63. L-TyreCircumference
A kerék gumiabroncsainak tényleges kerülete [u) definíció].
L-TyreCircumference ::= INTEGER(0..216-1)
Érték-hozzárendelés: Előjel nélküli bináris szám, értéke 1/8 mm-ben kifejezve, és a 0-tól 8 031 mm-ig terjedő tartományban.
2.64. Language
A nyelv azonosítására szolgáló kód.
Language ::= IA5String(SIZE(2))
Érték-hozzárendelés: Kettő kisbetűs kódolás az ISO 639-nek megfelelően.
2.65. LastCardDownload
A járművezetői kártyán tárolt utolsó kártyaletöltés dátuma és ideje (az ellenőrzéstől eltérő célokból). E dátum aktualizálható a járműegységgel vagy bármely kártyaolvasóval.
LastCardDownload ::= TimeReal
Érték-hozzárendelés: nincs közelebbi meghatározás.
2.66. ManualInputFlag
Kód annak azonosítására, hogy a kártyatulajdonos kézzel betáplált-e járművezetői tevékenységeket a kártya behelyezésekor vagy sem (081. követelmény).
ManualInputFlag ::= INTEGER {
noEntry | (0) |
manualEntries | (1) |
}
Érték-hozzárendelés: nincs közelebbi meghatározás.
2.67. ManufacturerCode
A típus-jóváhagyással rendelkező készülék gyártójának azonosítására szolgáló kód.
ManufacturerCode: = INTEGER (0..255)
Az együttműködési képességi vizsgálatok elvégzéséért felelős laboratórium kezeli és honlapján közzéteszi a gyártók azonosítására szolgáló kódok jegyzékét (290. követelmény).
Az együttműködési képességi vizsgálatok elvégzéséért felelős laboratóriumhoz benyújtott kérelem alapján a gyártók azonosítására szolgáló kódokat ("ManufacturerCodes") ideiglenesen a tachográfok konstruktőreinek osztják ki.
2.68. MemberStateCertificate
Egy tagállam nyilvános kulcsának bizonyítványa, amelyet az európai hitelesítési hatóság állít ki.
MemberStateCertificate ::= Certificate
2.69. MemberStatePublicKey
Egy tagállam nyilvános kulcsa.
MemberStatePublicKey ::= PublicKey.
2.70. Name
Egy név.
Name: = SEQUENCE {
codePage INTEGER (0..255),
name OCTET STRING (SIZE(35))
}
codePage a 4. fejezetben meghatározott karakterkészletet adja meg,
name egy név, amelyet a meghatározott karakterkészlet felhasználásával kódolnak.
2.71. NationAlpha
Az országokra való alfabetikus hivatkozásnak összhangban kell lennie a nemzetközi közlekedésben alkalmazott megkülönböztető jelekkel (1968. évi Bécsi Közúti Közlekedési Egyezmény).
NationAlpha: = IA5String (SIZE (3))
Az országokra való alfabetikus hivatkozást és a numerikus kódokat ("Nation Alpha and Numeric codes") a 278. követelményben meghatározottak szerint az együttműködési képességi vizsgálatok elvégzéséért felelős laboratórium honlapján fenntartott jegyzékben kell feltüntetni.
2.72. NationNumeric
Numerikus hivatkozás egy országra.
NationNumeric: = INTEGER (0.. 255)
Érték-hozzárendelés: lásd a 2.71. adattípust (NationAlpha)
A fenti bekezdésben említett, az országokra való alfabetikus hivatkozást és a numerikus előírásokat ("Nation Alpha and Numeric specification") csak azt követően lehet módosítani vagy aktualizálni, hogy a kijelölt laboratórium megkapta a típusjóváhagyással rendelkező, a digitális tachográf járműegység gyártóinak véleményét.
2.73. NoOfCalibrationRecords
Azon kalibrálási tételek száma, amelyeket egy műhelykártya tárolni tud.
NoOfCalibrationRecords ::= INTEGER(0..255)
Érték-hozzárendelés: lásd a 3. bekezdést.
2.74. NoOfCalibrationsSinceDownload
A műhelykártyával annak utolsó letöltése óta elvégzett kalibrálások számát jelző számláló (230. követelmény).
NoOfCalibrationsSinceDownload ::= INTEGER(0..216-1),
Érték-hozzárendelés: nincs közelebbi meghatározás.
2.75. NoOfCardPlaceRecords
Azon helytételek száma, amelyeket egy járművezetői vagy műhelykártya tárolni tud.
NoOfCardPlaceRecords ::= INTEGER(0..255)
Érték-hozzárendelés: lásd a 3. bekezdést.
2.76. NoOfCardVehicleRecords
Használt járművekre vonatkozó adatokat tartalmazó olyan tételek száma, amelyeket egy járművezetői vagy műhelykártya tárolni tud.
NoOfCardVehicleRecords ::= INTEGER(0..216-1)
Érték-hozzárendelés: lásd a 3. bekezdést.
2.77. NoOfCompanyActivityRecords
Azon vállalkozási tevékenységi tételek száma, amelyeket egy vállalkozás adatkártyája tárolni tud.
NoOfCompanyActivityRecords ::= INTEGER(0..216-1)
Érték-hozzárendelés: lásd a 3. bekezdést.
2.78. NoOfControlActivityRecords
Azon ellenőrző tevékenységi tételek száma, amelyeket egy ellenőrzőkártya tárolni tud.
NoOfControlActivityRecords ::= INTEGER(0..216-1)
Érték-hozzárendelés: lásd a 3. bekezdést.
2.79. NoOfEventsPerType
Azon eseménytípusonkénti események száma, amelyeket egy kártya tárolni tud.
NoOfEventsPerType ::= INTEGER(0..255)
Érték-hozzárendelés: lásd a 3. bekezdést.
2.80. NoOfFaultsPerType
Azon hibatípusonkénti hibák száma, amelyeket egy kártya tárolni tud.
NoOfFaultsPerType ::= INTEGER(0..255)
Érték-hozzárendelés: lásd a 3. bekezdést.
2.81. OdometerValueMidnight
A jármű kilométer-számlálójának értéke éjfélkor egy adott napon (090. követelmény).
OdometerValueMidnight ::= OdometerShort
Érték-hozzárendelés: nincs közelebbi meghatározás.
2.82. OdometerShort
A jármű kilométer-számlálójának értéke rövid alakban.
OdometerShort ::= INTEGER(0..224-1)
Érték-hozzárendelés: Előjel nélküli bináris szám. Az érték km-ben kifejezve és a 0 és 9 999 999 km közötti működési tartományban.
2.83. OverspeedNumber
A gyorshajtási események száma a gyorshajtás legutóbbi ellenőrzése óta.
OverspeedNumber ::= INTEGER(0..255)
Érték-hozzárendelés: A 0 azt jelenti, hogy nem történt gyorshajtási esemény a gyorshajtás legutóbbi ellenőrzése óta, az 1 azt jelenti, hogy a gyorshajtás legutóbbi ellenőrzése óta egy gyorshajtási esemény fordult elő ... a 255 azt jelenti, hogy a gyorshajtás legutóbbi ellenőrzése óta 255 gyorshajtási esemény fordult elő.
2.84. PlaceRecord
A munkanap kezdetének és végének helyére vonatkozó információ (087., 202. és 221. követelmények).
PlaceRecord ::= SEQUENCE {
entryTime | TimeReal, |
entryTypeDailyWorkPeriod | EntryTypeDailyWorkPeriod, |
dailyWorkPeriodCountry | NationNumeric, |
dailyWorkPeriodRegion | RegionNumeric, |
vehicleOdometerValue | OdometerShort |
}
entryTime a betáplálásra vonatkozó dátum és idő.
entryTypeDailyWorkPeriod a betáplálás típusa.
dailyWorkPeriodCountry a betáplált ország.
dailyWorkPeriodRegion a betáplált régió.
vehicleOdometerValue a kilométer-számláló értéke a hely betáplálása idején.
2.85. PreviousVehicleInfo
A kártya járműegységbe történő behelyezéskor a járművezető által előzőleg használt járműre vonatkozó információ (081. követelmény).
PreviousVehicleInfo ::= SEQUENCE {
vehicleRegistrationIdentification | VehicleRegistrationIdentification, |
cardWithdrawalTime | TimeReal |
}
vehicleRegistrationIdentification a jármű rendszáma és a bejegyző tagállam.
cardWithdrawalTime a kártyakivétel dátuma és ideje.
2.86. PublicKey
Nyilvános RSA kulcs.
PublicKey ::= SEQUENCE {
rsaKeyModulus | RSAKeyModulus, |
rsaKeyPublicExponent | RSAKeyPublicExponent |
}
rsaKeyModulus a kulcspár modulusa.
rsaKeyPublicExponent a kulcspár nyilvános exponense.
2.87. RegionAlpha
Alfabetikus hivatkozás egy meghatározott országon belüli régióra.
RegionAlpha ::= IA5STRING(SIZE(3))
Érték-hozzárendelés:
′ ′Nincs adat
Spanyolország:
′AN′ Andalucía
′AR′ Aragón
′AST′ Asturias
′C′ Cantabria
′CAT′ Cataluña
′CL′ Castilla-León
′CM′ Castilla-La-Mancha
′CV′ Valencia
′EXT′ Extremadura
′G′ Galicia
′IB′ Baleares
′IC′ Canarias
′LR′ La Rioja
′M′ Madrid
′MU′ Murcia
′NA′ Navarra
′PV′ País Vasco.
2.88. RegionNumeric
Numerikus hivatkozás egy meghatározott országon belüli régióra.
RegionNumeric ::= OCTET STRING (SIZE(1))
Érték-hozzárendelés:
′00′HNincs adat
Spanyolország:
′01′H Andalucía
′02′H Aragón
′03′H Asturias
′04′H Cantabria
′05′H Cataluña
′06′H Castilla-León
′07′H Castilla-La-Mancha
′08′H Valencia
′09′H Extremadura
′0A′H Galicia
′0B′H Baleares
′0C′H Canarias
′0D′H La Rioja
′0E′H Madrid
′0F′H Murcia
′10′H Navarra
′11′H País Vasco.
2.89. RSAKeyModulus
Az RSA kulcspár modulusa.
RSAKeyModulus ::= OCTET STRING (SIZE(128))
Érték-hozzárendelés: Nem meghatározott.
2.90. RSAKeyPrivateExponent
Az RSA kulcspár saját exponense.
RSAKeyPrivateExponent ::= OCTET STRING (SIZE(128))
Érték-hozzárendelés: Nem meghatározott.
2.91. RSAKeyPublicExponent
Az RSA kulcspár nyilvános exponense.
RSAKeyPublicExponent ::= OCTET STRING (SIZE(8))
Érték-hozzárendelés: Nem meghatározott.
2.92. SensorApprovalNumber
Az érzékelő típus-jóváhagyási száma.
SensorApprovalNumber ::= IA5String(SIZE(8))
Érték-hozzárendelés: Nem meghatározott.
2.93. SensorIdentification
Egy mozgásérzékelőben tárolt információ, amely a mozgásérzékelő azonosítására vonatkozik (077. követelmény).
SensorIdentification ::= SEQUENCE {
sensorSerialNumber | SensorSerialNumber, |
sensorApprovalNumber | SensorApprovalNumber, |
sensorSCIdentifier | SensorSCIdentifier, |
sensorOSIdentifier | SensorOSIdentifier |
}
sensorSerialNumber a mozgásérzékelő kibővített sorozatszáma (tartalmazza az alkatrész-számot és a gyártó kódját).
sensorApprovalNumber
a mozgásérzékelő jóváhagyási száma.
sensorSCIdentifier a mozgásérzékelő biztonsági alkatrészének azonosítója.
sensorOSIdentifier a mozgásérzékelő operációs rendszerének azonosítója.
2.94. SensorInstallation
Egy mozgásérzékelőben tárolt információ, amely a mozgásérzékelő beépítésére vonatkozik (099. követelmény).
SensorInstallation ::= SEQUENCE {
sensorPairingDateFirst | SensorPairingDate, |
firstVuApprovalNumber | VuApprovalNumber, |
firstVuSerialNumber | VuSerialNumber, |
sensorPairingDateCurrent | SensorPairingDate, |
currentVuApprovalNumber | VuApprovalNumber, |
currentVUSerialNumber | VuSerialNumber |
}
sensorPairingDateFirst a mozgásérzékelő és a járműegység első összepárosításának dátuma.
firstVuApprovalNumber a mozgásérzékelővel először összepárosított járműegység jóváhagyási száma.
firstVuSerialNumber a mozgásérzékelővel először összepárosított járműegység sorozatszáma.
sensorPairingDateCurrent a mozgásérzékelő és a járműegység aktuális összepárosításának dátuma.
currentVuApprovalNumber a mozgásérzékelővel aktuálisan összepárosított járműegység jóváhagyási száma.
currentVUSerialNumber a mozgásérzékelővel aktuálisan összepárosított járműegység sorozatszáma.
2.95. SensorInstallationSecData
A műhelykártyán tárolt információ, amely azon biztonsági adatokra vonatkozik, amelyek a mozgásérzékelő és a járműegység összepárosításához szükségesek (214. követelmény).
SensorInstallationSecData ::= TDesSessionKey
Érték-hozzárendelés: az ISO 16844-3-as szabvánnyal összhangban.
2.96. SensorOSIdentifier
A mozgásérzékelő operációs rendszerének azonosítója.
SensorOSIdentifier ::= IA5String(SIZE(2))
Érték-hozzárendelés: gyártóspecifikus.
2.97. SensorPaired
A járműegységben tárolt információ, amely a járműegységgel összepárosított mozgásérzékelő azonosítására vonatkozik (079. követelmény).
SensorPaired ::= SEQUENCE {
sensorSerialNumber | SensorSerialNumber, |
sensorApprovalNumber | SensorApprovalNumber, |
sensorPairingDateFirst | SensorPairingDate |
}
sensorSerialNumber a járműegységgel aktuálisan összepárosított mozgásérzékelő sorozatszáma.
sensorApprovalNumber a járműegységgel aktuálisan összepárosított mozgásérzékelő jóváhagyási száma.
sensorPairingDateFirst a járműegységgel aktuálisan összepárosított mozgásérzékelő egy járműegységgel való első összepárosításának dátuma.
2.98. SensorPairingDate
A mozgásérzékelő és a járműegység összepárosításának dátuma.
SensorPairingDate ::= TimeReal
Érték-hozzárendelés: Nem meghatározott.
2.99. SensorSerialNumber
A mozgásérzékelő sorozatszáma.
SensorSerialNumber ::= ExtendedSerialNumber:
2.100. SensorSCIdentifier
A mozgásérzékelő biztonsági alkatrészének azonosítója.
SensorSCIdentifier ::= IA5String(SIZE(8))
Érték-hozzárendelés: alkatrészgyártó-specifikus.
2.101. Signature
Egy digitális aláírás.
Signature ::= OCTET STRING (SIZE(128))
Érték-hozzárendelés: a 11. függelékkel "Közös biztonsági mechanizmusok" összhangban.
2.102. SimilarEventsNumber
A hasonló események száma egy adott napon (094. követelmény).
SimilarEventsNumber ::= INTEGER(0..255)
Érték-hozzárendelés: A 0-t nem használjuk, az 1 azt jelenti, hogy csak egyetlen ilyen típusú esemény történt és lett eltárolva az adott napon, a 2 azt jelenti, hogy 2 ilyen típusú esemény történt az adott napon (csak egy került tárolásra), ... a 255 azt jelenti, hogy 255 vagy ennél több ilyen típusú esemény történt az adott napon.
2.103. SpecificConditionType
Egy különleges körülmény azonosítására szolgáló kód (050b., 105a., 212a. és 230a. követelmény).
SpecificConditionType ::= INTEGER(0..255)
Érték-hozzárendelés:
′00′H RFU
′01′H Menetíró készülék nem szükséges - Kezdet
′02′H Menetíró készülék nem szükséges - Befejezés
′03′H KOMPON/VONATON MEGTETT ÚT
′04′H .. ′FF′H RFU.
2.104. SpecificConditionRecord
A járművezetői kártyán, a műhelykártyán vagy a járműegységben tárolt információ, amely egy különleges körülményre vonatkozik (105a., 212a. és 230a. követelmény).
SpecificConditionRecord ::= SEQUENCE {
entryTime | TimeReal, |
specificConditionType | SpecificConditionType |
}
entryTime a betáplálás dátuma és ideje.
specificConditionType A különleges esemény azonosítására szolgáló kód.
2.105. Speed
A jármű sebessége (km/h).
Speed ::= INTEGER(0..255)
Érték-hozzárendelés: km/h-ban kifejezett érték a 0 ... 220 km/h tartományban.
2.106. SpeedAuthorised
A jármű maximális engedélyezett sebessége (bb definíció)).
SpeedAuthorised ::= Speed.
2.107. SpeedAverage
Átlagsebesség egy előzetesen meghatározott időtartamban (km/h).
SpeedAverage ::= Speed.
2.108. SpeedMax
Maximális sebesség egy előzetesen meghatározott időtartamban.
SpeedMax ::= Speed.
2.109. TDesSessionKey
Egy háromszoros DES műveletkulcs.
TDesSessionKey ::= SEQUENCE {
tDesKeyA | OCTET STRING (SIZE(8)) |
tDesKeyB | OCTET STRING (SIZE(8)) |
}
Érték-hozzárendelés: nincs közelebbi meghatározás.
2.110. TimeReal
Egy kombinált dátum- és adatmezőre vonatkozó kód, ahol a dátum és az idő másodpercekben van kifejezve, 1970. január 1-je 00 ó.00 p.00 m.-től számítva, GMT szerint.
TimeReal{INTEGER:TimeRealRange} ::= INTEGER(0..TimeRealRange)
Érték-hozzárendelés - Rendezett oktett felállítása: A másodpercek száma 1970. január 1-je éjfél óta, GMT szerint.
A legutolsó lehetséges dátum/idő 2106-ban található.
2.111. TyreSize
A gumiabroncs méreteinek jelölése.
TyreSize ::= IA5String(SIZE(15))
Érték-hozzárendelés: a 92/23/EGK irányelvvel összhangban, HL L 129., 1992.3.31., 95. o.
2.112. VehicleIdentificationNumber
A jármű alvázszáma (VIN), amely a járműre mint egészre vonatkozik, rendszerint az alváz sosorzatszáma vagy az alvázkeret száma.
VehicleIdentificationNumber ::= IA5String(SIZE(17))
Érték-hozzárendelés: Az ISO 3779 definíciója szerint.
2.113. VehicleRegistrationIdentification
A jármű Európára vonatkozóan egyedi azonosítása (rendszám és tagállam).
VehicleRegistrationIdentification ::= SEQUENCE {
vehicleRegistrationNation | NationNumeric, |
vehicleRegistrationNumber | VehicleRegistrationNumber |
}
vehicleRegistrationNation azon ország, amelyben a jármű bejegyzése történt.
vehicleRegistrationNumber a jármű rendszáma (VRN).
2.114. VehicleRegistrationNumber
A jármű rendszáma (VRN). A rendszámot a járművet bejegyző hatóság adja ki.
VehicleRegistrationNumber: = SEQUENCE {
codePage INTEGER (0..255),
vehicleRegNumber OCTET STRING (SIZE(13))
}
codePage a 4. fejezetben meghatározott karakterkészletet adja meg,
vehicleRegNumber a meghatározott karakterkészlet felhasználásával kódolt rendszám.
Érték-hozzárendelés: országra jellemző.
2.115. VuActivityDailyData
A JE-ben tárolt olyan információ, amely egy adott naptári napon a tevékenységváltásokra, illetve a járművezetési állapot váltásaira, illetve a kártya állapotának váltásaira, (84. követelmény), valamint az adott napon 00.00-kor a kártyaolvasó egységek állapotára vonatkozik.
VuActivityDailyData ::= SEQUENCE {
noOfActivityChanges | INTEGER SIZE(0..1440), |
activityChangeInfos | SET SIZE(noOfActivityChanges) OF ActivityChangeInfo |
}
noOfActivityChanges az ActivityChangeInfo szavak száma az activityChangeInfos sorozatban.
activityChangeInfos a JE-ben az adott napra tárolt ActivityChangeInfo szavak száma. Mindig tartalmaz két ActivityChangeInfo szót, amelyek megadják a két kártyaolvasó egység állapotát az adott napon 00.00-kor.
2.116. VuApprovalNumber
A járműegység típus-jóváhagyási száma.
VuApprovalNumber ::= IA5String(SIZE(8))
Érték-hozzárendelés: Nem meghatározott.
2.117. VuCalibrationData
A járműegységben tárolt információ, amely a menetíró készülék kalibrálásaira vonatkozik (098. követelmény).
VuCalibrationData ::= SEQUENCE {
noOfVuCalibrationRecords | INTEGER(0..255), |
vuCalibrationRecords | SET SIZE(noOfVuCalibrationRecords) OF VuCalibrationRecord |
}
noOfVuCalibrationRecords a vuCalibrationRecords sorozatban található tételek száma.
vuCalibrationRecords a kalibrálási tételek sorozata.
2.118. VuCalibrationRecord
A járműegységben tárolt információ, amely a menetíró készülék egy kalibrálására vonatkozik (098. követelmény).
VuCalibrationRecord ::= SEQUENCE {
calibrationPurpose | CalibrationPurpose, |
workshopName | Name, |
workshopAddress | Address, |
workshopCardNumber | FullCardNumber, |
workshopCardExpiryDate | TimeReal, |
vehicleIdentificationNumber | VehicleIdentificationNumber, |
vehicleRegistrationIdentification | VehicleRegistrationIdentification, |
wVehicleCharacteristicConstant | W-VehicleCharacteristicConstant, |
kConstantOfRecordingEquipment | K-ConstantOfRecordingEquipment, |
lTyreCircumference | L-TyreCircumference, |
tyreSize | TyreSize, |
authorisedSpeed | SpeedAuthorised, |
oldOdometerValue | OdometerShort, |
newOdometerValue | OdometerShort, |
oldTimeValue | TimeReal, |
newTimeValue | TimeReal, |
nextCalibrationDate | TimeReal |
}
calibrationPurpose a kalibrálás célja.
workshopName, workshopAddress a műhely neve és címe.
workshopCardNumber a kalibrálás alatt használt műhelykártyát azonosítja.
workshopCardExpiryDate a kártya érvényességi ideje.
vehicleIdentificationNumber a jármű alvázszáma.
vehicleRegistrationIdentification a rendszámot és a bejegyző tagállamot tartalmazza.
wVehicleCharacteristicConstant a járműre jellemző együttható.
kConstantOfRecordingEquipment a menetíró készülék állandója.
lTyreCircumference a kerék gumiabroncsainak tényleges kerülete.
tyreSize a járműre szerelt gumiabroncsok méretének jelölése.
authorisedSpeed a jármű engedélyezett sebessége.
oldOdometerValue, newOdometerValue a kilométer-számláló régi és új értékei.
oldTimeValue, newTimeValue a dátum és az idő régi és új értékei.
nextCalibrationDate a CalibrationPurpose-ban meghatározott módon, a jóváhagyott felülvizsgálati szerv által legközelebb végrehajtandó kalibrálás dátuma.
2.119. VuCardIWData
A járműegységben tárolt információ, amely a járműegységben a járművezetői kártya vagy műhelykártya behelyezésének és kivételének ciklusaira vonatkozik (081. követelmény).
VuCardIWData ::= SEQUENCE {
noOfIWRecords | INTEGER(0..216-1), |
vuCardIWRecords SET | SIZE(noOfIWRecords) OF VuCardIWRecord |
}
noOfIWRecords a vuCardIWRecords sorozatban található tételek száma.
vuCardIWRecords a kártyabehelyezés- és -kivételciklusokra vonatkozó tételek sorozata.
2.120. VuCardIWRecord
A járműegységben tárolt információ, amely a járművezetői kártyának vagy műhelykártyának a járműegységbe való behelyezési és az onnan történő kivételi ciklusára vonatkozik (081. követelmény).
VuCardIWRecord ::= SEQUENCE {
cardHolderName | HolderName, |
fullCardNumber | FullCardNumber, |
cardExpiryDate | TimeReal, |
cardInsertionTime | TimeReal, |
vehicleOdometerValueAtInsertion | OdometerShort, |
cardSlotNumber | CardSlotNumber, |
cardWithdrawalTime | TimeReal, |
vehicleOdometerValueAtWithdrawal | OdometerShort, |
previousVehicleInfo | PreviousVehicleInfo |
manualInputFlag | ManualInputFlag |
}
cardHolderName a járművezetői kártya vagy a műhelykártya tulajdonosának családi neve és utóneve(i), a kártyán tárolt formában.
fullCardNumber a kártya típusa, a kiállító tagállam, és a kártyaszám, a kártyán tárolt formában.
cardExpiryDate a kártya érvényességi ideje, a kártyán tárolt formában.
cardInsertionTime a behelyezés dátuma és ideje.
vehicleOdometerValueAtInsertion a jármű kilométer-számlálójának értéke a kártya behelyezésekor.
cardSlotNumber azon kártyaolvasó egység, amelybe a kártyát be kell helyezni.
cardWithdrawalTime a kivétel dátuma és ideje.
vehicleOdometerValueAtWithdrawal a jármű kilométer-számlálójának értéke a kártya kivételekor.
previousVehicleInfo információt tartalmaz a járművezető által használt előző járműről, a kártyán tárolt formában.
manualInputFlag egy olyan jelző, amely felismeri, ha a kártyatulajdonos kézzel táplálta be a járművezetői tevékenységeket a kártya behelyezésekor.
2.121. VuCertificate
Egy járműegység nyilvános kulcsának bizonyítványa.
VuCertificate ::= Certificate
2.122. VuCompanyLocksData
A járműegységben tárolt információ, amely a vállalkozás lezárására vonatkozik (104. követelmény).
VuCompanyLocksData ::= SEQUENCE {
noOfLocks | INTEGER(0..20), |
vuCompanyLocksRecords | SET SIZE(noOfLocks) OF VuCompanyLocksRecord |
}
noOfLocks a vuCompanyLocksRecords-ban felsorolt lezárások száma.
vuCompanyLocksRecords a vállalkozási lezárások rekordjainak sorozata.
2.123. VuCompanyLocksRecord
A járműegységben tárolt információ, amely meghatározott vállalkozási lezárásra vonatkozik (104. követelmény).
VuCompanyLocksRecord ::= SEQUENCE {
lockInTime | TimeReal, |
lockOutTime | TimeReal, |
companyName | Name, |
companyAddress | Address, |
companyCardNumber | FullCardNumber |
}
lockInTime, lockOutTime a bezárás és a kioldás dátuma és ideje.
companyName, companyAddress azon vállalkozás neve és címe, amelyre a bezárás vonatkozik.
companyCardNumber a bezáráskor használt kártya azonosítása.
2.124. VuControlActivityData
A járműegységben tárolt információ, amely az e járműegységgel végzett ellenőrzésekre vonatkozik (102. követelmény).
VuControlActivityData ::= SEQUENCE {
noOfControls | INTEGER(0..20), |
vuControlActivityRecords | SET SIZE(noOfControls) OF VuControlActivityRecord |
}
noOfControls a vuControlActivityRecords-ban felsorolt ellenőrzések száma.
vuControlActivityRecords az ellenőrző tevékenység rekordjainak sorozata.
2.125. VuControlActivityRecord
A járműegységben tárolt információ, amely az e járműegységgel végzett ellenőrzésre vonatkozik (102. követelmény).
VuControlActivityRecord ::= SEQUENCE {
controlType | ControlType, |
controlTime | TimeReal, |
controlCardNumber | FullCardNumber, |
downloadPeriodBeginTime | TimeReal, |
downloadPeriodEndTime | TimeReal |
}
controlType az ellenőrzés típusa.
controlTime az ellenőrzés dátuma és ideje.
ControlCardNumber az ellenőrzéshez felhasznált ellenőrzőkártyát azonosítja.
downloadPeriodBeginTime letöltés esetén a letöltési időtartam kezdési ideje.
downloadPeriodEndTime letöltés esetén a letöltési időtartam befejezési ideje.
2.126. VuDataBlockCounter
A kártyán tárolt számláló, amely folyamatosan azonosítja a kártya behelyezési és kivételi ciklusait a járműegységben.
VuDataBlockCounter ::= BCDString(SIZE(2))
Érték-hozzárendelés: Egymás után következő számok, amelyek maximális értéke 9 999, a számozás a 0-val kezdődik újra.
2.127. VuDetailedSpeedBlock
A járműegységben tárolt információ, amely a jármű mozgás közben egy percen keresztül mért pontos sebességére vonatkozik (093. követelmény).
VuDetailedSpeedBlock ::= SEQUENCE {
speedBlockBeginDate | TimeReal, |
speedsPerSecond | SEQUENCE SIZE(60) OF Speed |
}
speedBlockBeginDate az adatblokkon belül az első sebességérték dátuma és ideje.
speedsPerSecond a mért sebességek időrendi sorrendje, a perc minden másodpercére vonatkozóan, a speedBlockBeginDate-től kezdve (ezt beleértve).
2.128. VuDetailedSpeedData
A járműegységben tárolt információ, amely a jármű részletes sebességére vonatkozik.
VuDetailedSpeedData ::= SEQUENCE
noOfSpeedBlocks | INTEGER(0.216-1), |
vuDetailedSpeedBlocks | SET SIZE(noOfSpeedBlocks) OF VuDetailedSpeedBlock |
}
noOfSpeedBlocks a vuDetailedSpeedBlocks sorozatban található sebességblokkok száma.
vuDetailedSpeedBlocks a részletes sebességblokkok sorozata.
2.129. VuDownloadablePeriod
Azon legrégebbi és legújabb dátumok, amelyekre vonatkozóan a járműegység a járművezető tevékenységeit érintő adatokat tartalmaz (081., 084. vagy 087. követelmény).
VuDownloadablePeriod ::= SEQUENCE {
minDownloadableTime | TimeReal |
maxDownloadableTime | TimeReal |
}
minDownloadableTime a kártyabehelyezés, tevékenységváltás, helybetáplálás és a megfelelő idő megadásának a járműegységben tárolt legrégebbi dátuma.
maxDownloadableTime a kártyakivétel, tevékenységváltás, helybetáplálás és a megfelelő idő megadásának a járműegységben tárolt legutóbbi dátuma.
2.130. VuDownloadActivityData
A járműegységben tárolt információ, amely annak legutolsó letöltésére vonatkozik (105. követelmény).
VuDownloadActivityData ::= SEQUENCE {
downloadingTime | TimeReal, |
fullCardNumber | FullCardNumber, |
companyOrWorkshopName | Name |
}
downloadingTime a letöltés dátuma és ideje.
fullCardNumber a letöltés engedélyezésére felhasznált kártyát azonosítja.
companyOrWorkshopName a vállalkozás vagy a műhely neve.
2.131. VuEventData
A járműegységben tárolt információ, amely az eseményekre vonatkozik (094. követelmény, kivéve a gyorshajtás eseményét).
VuEventData ::= SEQUENCE {
noOfVuEvents | INTEGER(0..255), |
vuEventRecords | SET SIZE(noOfVuEvents) OF VuEventRecord |
}
noOfVuEvents a vuEventRecords sorozatban felsorolt események száma.
vuEventRecords az események rekordjainak sorozata.
2.132. VuEventRecord
A járműegységben tárolt információ, amely egy eseményre vonatkozik (094. követelmény, kivéve a gyorshajtás eseményét).
VuEventRecord ::= SEQUENCE {
eventType | EventFaultType, |
eventRecordPurpose | EventFaultRecordPurpose, |
eventBeginTime | TimeReal, |
eventEndTime | TimeReal, |
cardNumberDriverSlotBegin | FullCardNumber, |
cardNumberCodriverSlotBegin | FullCardNumber, |
cardNumberDriverSlotEnd | FullCardNumber, |
cardNumberCodriverSlotEnd | FullCardNumber, |
similarEventsNumber | SimilarEventsNumber |
}
eventType az esemény típusa.
eventRecordPurpose az esemény rögzítésének célja.
eventBeginTime az esemény kezdetének dátuma és ideje.
eventEndTime az esemény befejeződésének dátuma és ideje.
cardNumberDriverSlotBegin az esemény kezdetekor a járművezetői kártyaolvasó egységbe behelyezett kártyát azonosítja.
cardNumberCodriverSlotBegin az esemény kezdetekor a járműkísérői kártyaolvasó egységbe behelyezett kártyát azonosítja.
cardNumberDriverSlotEnd az esemény befejeződésekor a járművezetői kártyaolvasó egységbe behelyezett kártyát azonosítja.
cardNumberCodriverSlotEnd az esemény befejeződésekor a járműkísérői kártyaolvasó egységbe behelyezett kártyát azonosítja.
similarEventsNumber az adott napon előforduló hasonló események száma.
E sorozat a gyorshajtás eseményén kívül minden eseményhez felhasználható.
2.133. VuFaultData
A járműegységben tárolt információ, amely a hibákra vonatkozik (096. követelmény).
VuFaultData ::= SEQUENCE {
noOfVuFaults | INTEGER(0..255), |
vuFaultRecords SET | SIZE(noOfVuFaults) OF VuFaultRecord |
}
noOfVuFaults vuFaultRecords sorozatban felsorolt hibák száma.
vuFaultRecords hibatételek sorozata.
2.134. VuFaultRecord
A járműegységben tárolt információ, amely egy hibára vonatkozik (096. követelmény).
VuFaultRecord ::= SEQUENCE {
faultType | EventFaultType, |
faultRecordPurpose | EventFaultRecordPurpose, |
faultBeginTime | TimeReal, |
faultEndTime | TimeReal, |
cardNumberDriverSlotBegin | FullCardNumber, |
cardNumberCodriverSlotBegin | FullCardNumber, |
cardNumberDriverSlotEnd | FullCardNumber, |
cardNumberCodriverSlotEnd | FullCardNumber |
}
faultType a menetíró készülék hibájának típusa.
faultRecordPurpose a hiba rögzítésének célja.
faultBeginTime a hiba kezdetének dátuma és ideje.
faultEndTime a hiba végének dátuma és ideje.
cardNumberDriverSlotBegin a hiba kezdetekor a járművezetői kártyaolvasó egységbe behelyezett kártyát azonosítja.
cardNumberCodriverSlotBegin a hiba kezdetekor a járműkísérői kártyaolvasó egységbe behelyezett kártyát azonosítja.
cardNumberDriverSlotEnd a hiba befejeződésekor a járművezetői kártyaolvasó egységbe behelyezett kártyát azonosítja.
cardNumberCodriverSlotEnd a hiba befejeződésekor a járműkísérői kártyaolvasó egységbe behelyezett kártyát azonosítja.
2.135. VuIdentification
A járműegységben tárolt információ, amely a járműegység azonosítására vonatkozik (075. követelmény).
VuIdentification ::= SEQUENCE {
vuManufacturerName | VuManufacturerName, |
vuManufacturerAddress | VuManufacturerAddress, |
vuPartNumber | VuPartNumber, |
vuSerialNumber | VuSerialNumber, |
vuSoftwareIdentification | VuSoftwareIdentification, |
vuManufacturingDate | VuManufacturingDate, |
vuApprovalNumber | VuApprovalNumber |
}
vuManufacturerName a járműegység gyártójának neve.
vuManufacturerAddress a járműegység gyártójának címe.
vuPartNumber a járműegység alkatrész-száma.
vuSerialNumber a járműegység sorozatszáma.
vuSoftwareIdentification a járműegységben alkalmazott szoftvert azonosítja.
vuManufacturingDate a járműegység gyártási dátuma.
vuApprovalNumber a járműegység típus-jóváhagyási száma.
2.136. VuManufacturerAddress
A járműegység gyártójának címe.
VuManufacturerAddress ::= Address
Érték-hozzárendelés: Nem meghatározott.
2.137. VuManufacturerName
A járműegység gyártójának neve.
VuManufacturerName ::= Name
Érték-hozzárendelés: Nem meghatározott.
2.138. VuManufacturingDate
A járműegység gyártási dátuma.
VuManufacturingDate ::= TimeReal
Érték-hozzárendelés: Nem meghatározott.
2.139. VuOverSpeedingControlData
A járműegységben tárolt információ, amely az utolsó gyorshajtás-ellenőrzés óta történt gyorshajtási eseményekre vonatkozik (095. követelmény).
VuOverSpeedingControlData ::= SEQUENCE {
lastOverspeedControlTime | TimeReal, |
firstOverspeedSince | TimeReal, |
numberOfOverspeedSince | OverspeedNumber |
}
lastOverspeedControlTime az utolsó gyorshajtás-ellenőrzés dátuma és ideje.
firstOverspeedSince az e gyorshajtás-ellenőrzést követő első gyorshajtás dátuma és ideje.
numberOfOverspeedSince az utolsó gyorshajtás-ellenőrzés óta történt gyorshajtási események száma.
2.140. VuOverSpeedingEventData
A járműegységben tárolt információ, amely a gyorshajtási eseményekre vonatkozik (094. követelmény).
VuOverSpeedingEventData ::= SEQUENCE {
noOfVuOverSpeedingEvents | INTEGER(0..255), |
vuOverSpeedingEventRecords | SET SIZE(noOfVuOverSpeedingEvents) OF VuOverSpeedingEventRecord |
}
noOfVuOverSpeedingEvents a vuOverSpeedingEventRecords sorozatban felsorolt események száma.
vuOverSpeedingEventRecords a gyorshajtási események rekordjainak sorozata.
2.141. VuOverSpeedingEventRecord
A járműegységben tárolt információ, amely a gyorshajtási eseményekre vonatkozik (094. követelmény).
VuOverSpeedingEventRecord ::= SEQUENCE {
eventType | EventFaultType, |
eventRecordPurpose | EventFaultRecordPurpose, |
eventBeginTime | TimeReal, |
eventEndTime | TimeReal, |
maxSpeedValue | SpeedMax, |
averageSpeedValue | SpeedAverage, |
cardNumberDriverSlotBegin | FullCardNumber, |
similarEventsNumber | SimilarEventsNumber |
}
eventType az esemény típusa.
eventRecordPurpose az esemény rögzítésének célja.
eventBeginTime az esemény kezdetének dátuma és ideje.
eventEndTime az esemény befejeződésének dátuma és ideje.
maxSpeedValue az esemény alatt mért maximális sebesség.
averageSpeedValue az esemény alatt mért számtani átlagsebesség.
cardNumberDriverSlotBegin az esemény kezdetekor a járművezetői kártyaolvasó egységbe behelyezett kártyát azonosítja.
similarEventsNumber az adott napon előforduló hasonló események száma.
2.142. VuPartNumber
A járműegység alkatrészszáma.
VuPartNumber ::= IA5String(SIZE(16))
Érték-hozzárendelés: A JE-gyártóra jellemző.
2.143. VuPlaceDailyWorkPeriodData
A járműegységben tárolt információ, amely azon helyekre vonatkozik, ahol a járművezetők a munkanapot megkezdik vagy befejezik (087. követelmény).
VuPlaceDailyWorkPeriodData ::= SEQUENCE {
noOfPlaceRecords | INTEGER(0..255), |
vuPlaceDailyWorkPeriodRecords | SET SIZE(noOfPlaceRecords) OF VuPlaceDailyWorkPeriodRecord |
}
noOfPlaceRecords a vuPlaceDailyWorkPeriodRecords sorozatban felsorolt tételek száma.
vuPlaceDailyWorkPeriodRecords a helyre vonatkozó tételek sorozata.
2.144. VuPlaceDailyWorkPeriodRecord
A járműegységben tárolt információ, amely olyan helyre vonatkozik, ahol a járművezető a munkanapot megkezdi vagy befejezi (087. követelmény).
VuPlaceDailyWorkPeriodRecord ::= SEQUENCE {
fullCardNumber | FullCardNumber, |
placeRecord | PlaceRecord |
}
fullCardNumber a járművezető kártyájának típusa, a kártyát kiállító tagállam és a kártyaszám.
placeRecord a betáplált helyre vonatkozó információt tartalmazza.
2.145. VuPrivateKey
A járműegység privát kulcsa.
VuPrivateKey ::= RSAKeyPrivateExponent
2.146. VuPublicKey
A járműegység nyilvános kulcsa.
VuPublicKey ::= PublicKey
2.147. VuSerialNumber
A járműegység sorozatszáma (075. követelmény).
VuSerialNumber ::= ExtendedSerialNumber
2.148. VuSoftInstallationDate
A járműegység szoftververziójának üzembe helyezési dátuma.
VuSoftInstallationDate ::= TimeReal
Érték-hozzárendelés: Nem meghatározott.
2.149. VuSoftwareIdentification
A járműegységben tárolt információ, amely az üzembe helyezett szoftverre vonatkozik.
VuSoftwareIdentification ::= SEQUENCE {
vuSoftwareVersion | VuSoftwareVersion, |
vuSoftInstallationDate | VuSoftInstallationDate |
}
vuSoftwareVersion a járműegység szoftververziójának száma.
vuSoftInstallationDate a szoftververzió üzembe helyezési dátuma.
2.150. VuSoftwareVersion
A járműegység szoftververziójának száma.
VuSoftwareVersion ::= IA5String(SIZE(4))
Érték-hozzárendelés: Nem meghatározott.
2.151. VuSpecificConditionData
A járműegységben tárolt információ, amely különleges körülményekre vonatkozik.
VuSpecificConditionData ::= SEQUENCE {
noOfSpecificConditionRecords | INTEGER(0..216-1) |
specificConditionRecords | SET SIZE (noOfSpecificConditionRecords) OF SpecificConditionRecord |
}
noOfSpecificConditionRecords a specificConditionRecords sorozatban felsorolt tételek száma.
specificConditionRecords a különleges körülmények sorozatára vonatkozó tételek.
2.152. VuTimeAdjustmentData
A járműegységben tárolt információ, amely a rendes kalibrálás keretein kívül végrehajtott időbeállításokra vonatkozik (101. követelmény).
VuTimeAdjustmentData ::= SEQUENCE {
noOfVuTimeAdjRecords | INTEGER(0..6), |
vuTimeAdjustmentRecords | SET SIZE(noOfVuTimeAdjRecords) OF VuTimeAdjustmentRecords |
}
noOfVuTimeAdjRecords a vuTimeAdjustmentRecords sorozatban található tételek száma.
vuTimeAdjustmentRecords az időbeállítási tételek sorozata.
2.153. VuTimeAdjustmentRecord
A járműegységben tárolt információ, amely a rendes kalibrálás keretein kívül végrehajtott időbeállításokra vonatkozik (101. követelmény).
VuTimeAdjustmentRecord ::= SEQUENCE {
oldTimeValue | TimeReal, |
oldTimeValue | TimeReal, |
newTimeValue | TimeReal, |
workshopName | Name, |
workshopAddress | Address, |
workshopCardNumber | FullCardNumber |
}
oldTimeValue, newTimeValue a dátum és az idő régi és új értékei.
workshopName, workshopAddress a műhely neve és címe.
workshopCardNumber az időbeállítás végrehajtásához felhasznált műhelykártyát azonosítja.
2.154. W-VehicleCharacteristicConstant
A jármű jellemző együtthatója [k) definíció].
W-VehicleCharacteristicConstant ::= INTEGER(0..216-1))
Érték-hozzárendelés: A kilométerenkénti impulzusok száma a 0 ... 64 255 impulzus/km működési tartományban.
2.155. WorkshopCardApplicationIdentification
A műhelykártyán tárolt információ, amely a kártya alkalmazásának azonosítására vonatkozik (190. követelmény).
WorkshopCardApplicationIdentification ::= SEQUENCE {
typeOfTachographCardId | EquipmentType, |
cardStructureVersion | CardStructureVersion, |
noOfEventsPerType | NoOfEventsPerType, |
noOfFaultsPerType | NoOfFaultsPerType, |
activityStructureLength | CardActivityLengthRange, |
noOfCardVehicleRecords | NoOfCardVehicleRecords, |
noOfCardPlaceRecords | NoOfCardPlaceRecords, |
noOfCalibrationRecords | NoOfCalibrationRecords |
}
typeOfTachographCardId az alkalmazott kártyatípust határozza meg.
cardStructureVersion a kártyán alkalmazott szerkezet verzióját határozza meg.
noOfEventsPerType a kártya által eltárolható események száma, eseménytípusonként.
noOfFaultsPerType a kártya által eltárolható hibák száma, hibatípusonként.
activityStructureLength a tevékenységi tételek eltárolására rendelkezésre álló bájtok számát jelzi.
noOfCardVehicleRecords a kártya által eltárolható járműtételek száma.
noOfCardPlaceRecords a kártya által eltárolható helyek száma.
noOfCalibrationRecords a kártya által eltárolható kalibrálási tételek száma.
2.156. WorkshopCardCalibrationData
A műhelykártyán tárolt információ, amely a kártyával végrehajtott műhelytevékenységre vonatkozik (227. és 229. követelmények).
WorkshopCardCalibrationData ::= SEQUENCE {
calibrationTotalNumber | INTEGER(0..216-1), |
calibrationPointerNewestRecord | INTEGER(0..NoOfCalibrationRecords-1), |
calibrationRecords | SET SIZE(NoOfCalibrationRecords) OF WorkshopCardCalibrationRecord |
}
calibrationTotalNumber a kártyával végrehajtott kalibrálások számának összessége.
calibrationPointerNewestRecord az utoljára aktualizált kalibrálási rekord indexe.
Érték-hozzárendelés: A kalibrálási rekord számlálójának megfelelő szám, amely "0"-val kezdődik a kalibrálási rekordnak a szerkezetben történő első előfordulásakor.
calibrationRecords tételek sorozata, amely kalibrálási, illetve időbeállítási információkat tartalmaz.
2.157. WorkshopCardCalibrationRecord
A műhelykártyán tárolt információ, amely a kártyával végrehajtott kalibrálásra vonatkozik (227. követelmény).
WorkshopCardCalibrationRecord ::= SEQUENCE {
calibrationPurpose | CalibrationPurpose, |
vehicleIdentificationNumber | VehicleIdentificationNumber, |
vehicleRegistration | VehicleRegistrationIdentification, |
wVehicleCharacteristicConstant | W-VehicleCharacteristicConstant, |
kConstantOfRecordingEquipment | K-ConstantOfRecordingEquipment, |
lTyreCircumference | L-TyreCircumference, |
tyreSize | TyreSize, |
authorisedSpeed | SpeedAuthorised, |
oldOdometerValue | OdometerShort, |
newOdometerValue | OdometerShort, |
oldTimeValue | TimeReal, |
newTimeValue | TimeReal, |
nextCalibrationDate | TimeReal, |
vuPartNumber | VuPartNumber, |
vuSerialNumber | VuSerialNumber, |
sensorSerialNumber | SensorSerialNumber |
}
calibrationPurpose a kalibrálás célja.
vehicleIdentificationNumber a jármű alvázszáma.
vehicleRegistration a rendszámot és a bejegyző tagállamot tartalmazza.
wVehicleCharacteristicConstant a jármű jellemző együtthatója.
kConstantOfRecordingEquipment a menetíró készülék állandója.
lTyreCircumference a kerék gumiabroncsainak tényleges kerülete.
tyreSize a járműre szerelt gumiabroncsok méreteinek megjelölése.
authorisedSpeed a jármű maximális engedélyezett sebessége.
oldOdometerValue, newOdometerValue a kilométer-számláló régi és új értékei.
oldTimeValue, newTimeValue a dátum és az idő régi és új értékei.
nextCalibrationDate a CalibrationPurpose-ban meghatározott módon, a jóváhagyott felülvizsgálati szerv által legközelebb végrehajtandó kalibrálás dátuma.
vuPartNumber, vuSerialNumber és sensorSerialNumber adatelemek a menetíró készülék azonosításához.
2.158. WorkshopCardHolderIdentification
A műhelykártyán tárolt információ, amely a kártyatulajdonos azonosítására vonatkozik (216. követelmény).
WorkshopCardHolderIdentification ::= SEQUENCE {
workshopName | Name, |
workshopAddress | Address, |
cardHolderName | HolderName, |
cardHolderPreferredLanguage | Language |
}
workshopName a kártyatulajdonos műhelyének neve.
workshopAddress a kártyatulajdonos műhelyének címe.
cardHolderName a tulajdonos családi és utóneve(i) (például a szerelő neve).
cardHolderPreferredLanguage a kártyatulajdonos anyanyelve.
2.159. WorkshopCardPIN
A műhelykártya személyes azonosító száma (PIN-kód) (213. követelmény).
WorkshopCardPIN ::= IA5String(SIZE(8))
Érték-hozzárendelés: A kártyatulajdonos számára ismert PIN-kód, jobbra maximálisan 8 "FF" bájttal feltöltve.
3. ÉRTÉK- ÉS MÉRETTARTOMÁNY MEGHATÁROZÁSOK
A 2. bekezdésben a definiciókhoz felhasznált változó értékek meghatározása.
TimeRealRange ::= 232-1
3.1. A járművezetői kártyára vonatkozó meghatározások:
A változó érték neve | Minimum | Maximum |
CardActivityLengthRange | 5 544 bájt (28 nap 93 tevékenység-váltás naponta) | 13 776 bytes (28 nap 240 tevékenység-váltás naponta) |
NoOfCardPlaceRecords | 84 | 112 |
NoOfCardVehicleRecords | 84 | 200 |
NoOfEventsPerType | 6 | 12 |
NoOfFaultsPerType | 12 | 24 |
3.2. A műhelykártyára vonatkozó meghatározások:
A változó érték neve | Minimum | Maximum |
CardActivityLengthRange | 198 bytes (1 nap 93 tevékenység-váltás) | 492 bytes (1 nap 240 tevékenység-váltás) |
NoOfCardPlaceRecords | 6 | 8 |
NoOfCardVehicleRecords | 4 | 8 |
NoOfEventsPerType | 3 | 3 |
NoOfFaultsPerType | 6 | 6 |
NoOfCalibrationRecords | 88 | 255 |
3.3. Az ellenőrzőkártyára vonatkozó meghatározások:
A változó érték neve | Minimum | Maximum |
NoOfControlActivityRecords | 230 | 520 |
3.4. A vállalati kártyára vonatkozó meghatározások:
A változó érték neve | Minimum | Maximum |
NoOfCompanyActivityRecords | 230 | 520 |
4. KARAKTERKÉSZLETEK
Az IA5Strings az ISO/IEC 8824-1 által definiált ASCII karaktereket használja fel. Az olvashatóság és az egyszerű hivatkozás céljából az érték-hozzárendelés az alábbiakban található. Ezen információs célokból feltüntetett adatokkal való ellentmondás esetén mindig az ISO/IEC 8824-1 szabvány érvényes.
! " $ % & ' ( ) * + , - . / 0 1 2 3 4 5 6 7 8 9 : ; < = > ?
@ A B C D E F G H I J K L M N O P Q R S T U V W X Y Z [ \ ] !!! _
' a b c d e f g h i j k l m n o p q r s t u v w x y z { | } ~
Az egyéb karaktersorozatok (cím, név, rendszám) emellett felhasználják a következő 8-bites szabványos karakterkészlet 161–255. decimális kódjával definiált karaktereket, amelyeket a kódlap száma határoz meg: szabványos karakterkészlet | Kódlap (decimális szám) |
ISO/IEC 8859-1 Latin-1 nyugat-európai | 1 |
ISO/IEC 8859-2 Latin-2 közép-európai | 2 |
ISO/IEC 8859-3 Latin-3 dél-európai | 3 |
ISO/IEC 8859-5 Latin / cirill | 5 |
ISO/IEC 8859-7 Latin / görög | 7 |
ISO/IEC 8859-9 Latin-5 török | 9 |
ISO/IEC 8859-13 Latin-7 balti | 13 |
ISO/IEC 8859-15 Latin-9 | 15 |
ISO/IEC 8859-16 Latin-10 délkelet-európai | 16 |
KOI8-R Latin/cirill | 80 |
KOI8-U Latin/Cyrillic | 85 |
5. KÓDOLÁS
Amennyiben az ASN.1 kódolási szabályokkal történik a kódolás, úgy az összes definiált adattípust az ISO/IEC 8825-2-nek megfelelően kell kódolni, különbözőképpen elrendezve.
2. függelék
A TACHOGRÁF-KÁRTYÁK JELLEMZŐI
Tartalom
1. Bevezetés ...
1.1. Rövidítések. ...
1.2. Hivatkozások ...
2. Elektromos és fizikai jellemzők ...
2.1. A hálózati feszültség és az áramfelvétel ...
2.2. A Vpp feszültség programozása ...
2.3. Órajel-generálás és -frekvencia ...
2.4. I/O érintkező ...
2.5. A kártya állapotai ...
3. A hardver és az adatátvitel ...
3.1. Bevezetés ...
3.2. Adatátviteli protokoll ...
3.2.1. A protokollok ...
3.2.2. ATR ...
3.2.3. PTS ...
3.3. Hozzáférési feltételek (AC) ...
3.4. Az adatok rejtjelezése ...
3.5. A parancsok és a hibakódok áttekintése ...
3.6. A parancsok leírása ...
3.6.1. Select file ...
3.6.1.1. Név szerinti kiválasztás (AID) ...
3.6.1.2. Egy EF kiválasztása a fájl azonosítójának felhasználásával ...
3.6.2. Read Binary ...
3.6.2.1. Parancs biztonsági üzenet küldése nélkül ...
3.6.2.2. Parancs biztonsági üzenet küldésével ...
3.6.3. Update Binary ...
3.6.3.1. Parancs biztonsági üzenet küldése nélkül ...
3.6.3.2. Parancs biztonsági üzenet küldésével ...
3.6.4. Get challenge ...
3.6.5. Verify ...
3.6.6. Get response ...
3.6.7. PSO: verify certificate ...
3.6.8. Internal authenticate ...
3.6.9. External authenticate ...
3.6.10. Manage security environment ...
3.6.11. PSO: hash ...
3.6.12. Perform hash of file ...
3.6.13. PSO: compute digital signature ...
3.6.14. PSO: verify digital signature ...
4. A tachográf-kártyák szerkezete ...
4.1. A járművezetői kártya szerkezete ...
4.2. A műhelykártya szerkezete ...
4.3. Az ellenőrzőkártya szerkezete ...
4.4. A vállalkozás adatkártyájának szerkezete ...
1. BEVEZETÉS
1.1. Rövidítések
E függelék alkalmazásában a következő rövidítéseket kell alkalmazni:
AC hozzáférési feltételek
AID alkalmazási azonosító
ALW mindig
APDU alkalmazási protokoll adategysége (a parancs szerkezete)
ATR válasz a visszaállításra
AUT hitelesített
C6, C7 a kártya 6-os és 7-es számú érintkezői az ISO/IEC 7816-2 leírása szerint
cc órajelciklusok
CHV a kártyatulajdonos ellenőrző információja
CLA egy APDU parancs besorolási bájtja
DF célra rendelt fájl (dedicated file). Egy DF tartalmazhat egyéb fájlokat is (EF vagy DF)
EF elemi fájl
ENC rejtjelezett: a hozzáférés csak adatkódolással lehetséges
etu elemi időegység
IC integrált áramkör
ICC integrált áramköri kártya
ID azonosító
IFD felületberendezés (interface device)
IFS információs mező mérete
IFSC a kártya információs mezőjének mérete
IFSD a terminál információs mezőjének mérete
INS egy APDU parancs utasítási bájtja
Lc a bemeneti adat hossza egy APDU parancs részére
Le a várt adat hossza (kimeneti adat egy parancs részére)
MF törzsállomány (gyökér DF)
P1-P2 paraméterbájtok
NAD a T=1 protokollban felhasznált csomópontcím
NEV soha
PIN személyi azonosító szám
PRO SM biztonsági üzenettel védve
PTS protokollátvitel kiválasztása
RFU későbbi használatra fenntartva
RST visszaállítás (a kártyára vonatkozik)
SM biztonsági üzenet
SW1-SW2 állapotbájtok
TS kezdeti ATR karakter
VPP feszültség programozása
XXh XX érték a hexadecimális jelölésben
|| az összefűzéses láncolatos kapcsolódás szimbóluma 03||04=0304.
1.2. Hivatkozások
E függelékben a következő hivatkozások jelennek meg:
EN 726-3 | Kártyarendszerek azonosítása - Adatátviteli integrált áramkör(ök) kártyái és termináljai - 3. rész: Az alkalmazás azon független követelményei, amelyeket a kártyának ki kell elégíteni. 1994 december |
ISO/IEC 7816-2 | Információtechnológia - Azonosító kártyák - Integrált áramköri kártyák érintkezőkkel -2. rész: Az érintkezők méretei és helye. Első kiadás: 1999. |
ISO/IEC 7816-3 | Információtechnológia - Azonosító kártyák - Integrált áramköri kártyák érintkezőkkel -3. rész: Elektronikus jelek és adatátviteli protokollok. 2. kiadás: 1997. |
ISO/IEC 7816-4 | Információtechnológia - Azonosító kártyák - Integrált áramköri kártyák érintkezőkkel - 4. rész: Iparágközi utasítások a köztes adatcseréhez. Első kiadás: 1995 + 1. módosítás: 1997. |
ISO/IEC 7816-6 | Információtechnológia - Azonosító kártyák - Integrált áramköri kártyák érintkezőkkel - 6. rész: Iparágközi adatelemek. Első kiadás: 1996 + 1. javítás: 1998. |
ISO/IEC 7816-8 | Információtechnológia - Azonosító kártyák - Integrált áramköri kártyák érintkezőkkel - 8. rész: Biztonsággal kapcsolatos iparágközi utasítások. Első kiadás: 1999. |
ISO/IEC 9797 | Információtechnológia - Biztonsági eljárások - Rejtjelezési ellenőrzési funkciót felhasználó adatintegritási mechanizmus, amely blokkrejtjelezési algoritmust alkalmaz. 2. kiadás: 1994. |
2. ELEKTROMOS ÉS FIZIKAI JELLEMZŐK
TCS_200TCS_200 Ellentétes utasítás hiányában minden elektronikus jel összhangban van az ISO/IEC 7816-3 szabvánnyal.
TCS_201TCS_201 A kártya érintkezőinek elhelyezése és méretei megfelelnek az ISO/IEC 7816-2 szabványnak.
2.1. A hálózati feszültség és az áramfelvétel
TCS_202TCS_202 A kártya az ISO/IEC 7816-3 szabványban meghatározott áramfelvételi határértékeken belül üzemel, az előírásoknak megfelelően.
TCS_203TCS_203 A kártya a következő feszültségekkel üzemel: Vcc = 3 V (+/- 0,3 V) o Vcc = 5 V (+/- 0,5 V).
A feszültség kiválasztása az ISO/IEC 7816-3 szabványnak megfelelően történik.
2.2. A Vpp feszültség programozása
TCS_204TCS_204 A kártya nem igényel programozási feszültséget a C6-os kivezetésén. A C6-os kivezetés várhatóan nem csatlakozik egy IFD-be. A C6-os csatlakozó a Vcc-re kapcsolható a kártyán, de nem földelhető. E feszültség semmilyen esetben sem értelmezhető.
2.3. Órajel-generálás és -frekvencia
TCS_205TCS_205 A kártya az 1-5 MHz frekvenciatartományban üzemel. Egy kártyakapcsolaton belül az órajel frekvenciája ± 2 %-ot változhat. Az órajel-frekvenciát a járműegység generálja, nem maga a kártya. A működési periódus 40 és 60 % között változhat.
TCS_206TCS_206 Az EFICC kártya-fájlban rögzített körülmények között a külső óra megállítható. Az EFICC fájl törzsének első bájtja kódolja az óraleállítás üzemmód feltételeit (részletesen lásd az EN 726-3-ban).
Alacsony | Magas | ||
3-as bit | 2-es bit | 1-es bit | |
0 | 0 | 1 | Az óraleállítás engedélyezett, nincs előnyben részesített szint |
0 | 1 | 1 | Az óraleállítás engedélyezett, a magas az előnyben részesített szint |
1 | 0 | 1 | Az óraleállítás engedélyezett, az alacsony az előnyben részesített szint |
0 | 0 | 0 | Az óraleállítás nem engedélyezett |
0 | 1 | 0 | Az óraleállítás csak a magas szinten engedélyezett |
1 | 0 | 0 | Az óraleállítás csak az alacsony szinten engedélyezett |
A 4-8 biteket nem kell felhasználni.
2.4. I/O érintkező
TCS_207TCS_207 A C7-es I/O érintkezőt arra kell felhasználni, hogy adatokat fogadjon az IFD-től, valamint adatokat továbbítson az IFD felé. A műveletvégzés alatt vagy csak a kártya, vagy csak az IFD lehet adatátviteli üzemmódban. Amennyiben mindkét egység átviteli üzemmódban van, úgy a kártya ezáltal nem sérülhet meg. Amennyiben a kártya nem bonyolít le átvitelt, úgy szisztematikusan a fogadás üzemmódba lép.
2.5. A kártya állapotai
TCS_208TCS_208 A kártya két állapotban üzemel, amennyiben a megkívánt hálózati feszültség jelen van:
- üzemelési állapot, amikor parancsokat hajt végre, vagy összeköttetésben van a digitális egységgel,
- minden más időben kikapcsolt állapotban van; ezen állapotban a kártya minden adatot visszatart.
3. A HARDVER ÉS AZ ADATÁTVITEL
3.1. Bevezetés
E szakasz ismerteti a tachográf-kártya és a járműegységek (JE) minimális funkcionális követelményeit, amelyek biztosítják a megfelelő üzemelést és az együttműködési képességet.
A tachográf-kártyák, amennyire lehetséges, megfelelnek a hatályos ISO/IEC szabványoknak (különlegesen az ISO/IEC 7816 szabványnak). Azonban a parancsokat és a protokollokat részletesen ismertetni kell, hogy adott esetben bizonyos használatra vonatkozó korlátozások vagy esetleges különbségek meghatározásra kerüljenek. Ellenkező rendelkezés hiányában e parancsok teljes mértékben megfelelnek az említett szabványoknak.
3.2. Adatátviteli protokoll
TCS_300Az adatátviteli protokoll megfelel az ISO/IEC 7816-3 szabványnak. Különlegesen, a JE felismeri a kártya által küldött várakozási idő-kiterjesztéseket.
3.2.1. A protokollok
TCS_301A kártya mind a T=0, mind a T=1 protokollt szolgáltatja.
TCS_302A T=0 az alapértelmezésű protokoll, ezért van szükség a PTS parancsra a protokoll T=1-re történő átváltásához.
TCS_303A berendezések mindkét protokollban támogatják a "direct convention"-t, amely így a kártya számára kötelező.
TCS_304A kártya információs mező-méret bájtja jelen van az ATR-nél a TA3-as karakterben. Ezen érték legalább ′F0h′ (= 240 bájt).
A protokollokra a következő korlátozások vonatkoznak:
TCS_305T=0
- A felületberendezés támogat egy választ az I/O szinten, az RST-n, 400 cc-től a jel felfutó éle után.
- A felületberendezés képes elolvasni a 12 etu-val elválasztott karaktereket.
- A felületberendezés elolvassa a hibás karaktert és annak ismételt előfordulását, ha azt 13 etu választja el. Amennyiben egy hibás karaktert észlel, úgy az I/O-n egy hibajel jelenik meg 1 etu és 2 etu között. A berendezés 1 etu késleltetést támogat.
- A felületberendezés elfogad egy 33 bájtos ATR (TS+32)-t.
- Ha a TC1 jelen van az ATR-ben, úgy a külön biztonsági idő jelen van a felületberendezés által elküldött karakterekre vonatkozóan, bár a kártya által elküldött karakterek még 12 etu-val elválaszthatók. Ez szintén igaz a felületberendezés által kiadott P3-as karakter után a kártya által elküldött ACK karakterre is.
- A felületberendezés figyelembe veszi a kártya által kiadott NUL karaktert is.
- A felületberendezés elfogadja a komplementer üzemmódot az ACK-ra.
- A get-response parancs nem használható a láncolási üzemmódban egy olyan adat fogadására, amelynek hossza meghaladhatja a 255 bájtot.
TCS_306T=1
- NAD bájt: nem használt (a NAD-ot ′00′-ra kell beállítani).
- S-blokk ABORT: nem használt.
- S-blokk VPP állapot-hiba: nem használt.
- Az adatmező teljes láncolási hossza nem haladja meg a 255 bájtot (ezt az IFD biztosítja).
- Az információs mező mérete berendezést (IFSD) az IFD jelzi közvetlenül az ATR után: az IFD továbbítja az S-Block IFS kérését az ATR után, és a kártya az S-Block IFS-t küldi vissza. Az IFSD-re javasolt érték: 254 bájt.
- A kártya nem kér IFS helyreigazítást.
3.2.2. ATR
TCS_307A berendezés ellenőrzi az ATR bájtokat, az ISO/IEC 7816-3-nak megfelelően. Semmilyen ellenőrzést nem végez az ATR előzménykaraktereken.
Példa az ISO/IEC 7816-3-nak megfelelő alap biprotokoll ATR-re
Karakter | Érték | Megjegyzések |
TS | ′3Bh′ | Jelzi a közvetlen megállapodást |
T0 | ′85h′ | TD1 jelen van; 5 előzménybájt jelen van |
TD1 | ′80h′ | TD2 jelen van; T=0 felhasználandó |
TD2 | ′11h′ | TA3 jelen van; T=1 felhasználandó |
TA3 | ′XXh′ (legalább ′F0h′) | A kártya információs mező-mérete (IFSC) |
TH1-től TH5-ig | ′XXh′ | Előzménykarakterek |
TCK | ′XXh′ | Ellenőrző karakter (OR nélkül) |
TCS_308A válasz a visszaállításra (ATR) után a törzsállomány (MF) implicit módon kiválasztásra kerül, és ez lesz az aktuális könyvtár.
3.2.3. PTS
TCS_309Az alapértelmezésű protokoll a T=0. A T=1 protokoll beállításához a PTS-t (PPS-ként is ismert) el kell küldeni a kártyához a berendezés segítségével.
TCS_310Mivel mind a T=0, mind a T=1 protokoll kötelező a kártyára vonatkozóan, ezért a protokollok átkapcsolását engedélyező alap-PTS ugyancsak kötelező.
Az ISO/IEC 7816-3 szabvány rendelkezéseivel összhangban a PTS felhasználható egy nagyobb átviteli sebességre való átkapcsolásra, mint adott esetben az ATR-ben a kártya által javasolt alapértelmezés szerinti sebesség (TA(1) bájt).
A nagyobb átviteli sebességek opcionálisak a kártya részére.
TCS_311Ha az alapértelmezési sebességen kívül más átviteli sebesség nem támogatott (vagy ha a kiválasztott átviteli sebesség nem támogatott), úgy a kártya helyesen válaszol a PTS-re, az ISO/IEC 7816-3-nak megfelelően, kihagyva a PPS1 bájtot.
Alap PTS példák protokoll-kiválasztáshoz :
Karakter | Érték | Megjegyzések |
PPSS | ′FFh′ | A kezdő karakter |
PPS0 | ′00h′ vagy ′01h′ | PPS1-től PPS3-ig nincsenek jelen; ′00h′ a T0 kiválasztásához, ′01h′ a T1 kiválasztásához |
PK | ′XXh′ | Ellenőrző karakter: ′XXh′ = ′FFh′ ha PPS0 = ′00h′ ′XXh′ = ′FEh′ ha PPS0 = ′01h′ |
3.3. Hozzáférési feltételek (AC)
Az UPDATE_BINARY és a READ_BINARY parancsokra a hozzáférési feltételeket (AC) minden egyes elemi fájl esetében definiálni kell.
TCS_312Az aktuális fájl AC-jének teljesülnie kell, mielőtt a fájlhoz hozzáférés nyílik e parancsokon keresztül.
A rendelkezésre álló hozzáférési feltételek definíciói a következők:
- ALW:A tevékenység mindig lehetséges, és minden korlátozás nélkül végrehajtható.
- NEV:A tevékenység soha sem lehetséges.
- AUT:A hozzáférési jognak, amely egy sikeres külső hitelesítésnek felel meg, meg kell nyílnia (ezt az EXTERNAL_AUTHENTICATE parancs hajtja végre).
- PRO SM:A parancsot egy rejtjelezett kontrollösszeggel kell továbbítani, egy biztonsági üzenet felhasználásával (lásd a 11. függeléket).
- AUT és PRO SM(kombinált)
A feldolgozó parancsokra (UPDATE_BINARY és READ_BINARY) a következő hozzáférési feltételek állíthatók be a kártyán:
UPDATE_ BINARY | READ_ BINARY | |
ALW | Igen | Igen |
NEV | Igen | Igen |
AUT | Igen | Igen |
PRO SM | Igen | Nem |
AUT és PRO SM | Igen | Nem |
A PRO SM hozzáférési feltétel nem áll rendelkezésre a READ_BINARY parancshoz. Ez azt jelenti, hogy a READ parancsra vonatkozóan egy rejtjelezett kontrollösszeg megléte soha nem szükségszerű. Azonban az ′OC′ érték besorolásra való felhasználása lehetővé teszi a READ_BINARY parancs egy biztonsági üzenettel való felhasználását a 3.6.2. bekezdés szerint.
3.4. Az adatok rejtjelezése
Amennyiben a fájlból kiolvasandó adatok titkossága védelmet igényel, úgy a fájl megjelölése "rejtjelezett". Az adatvédelmi kódolás végrehajtása a biztonsági üzenettel történik (lásd a 11. függeléket).
3.5. A parancsok és a hibakódok áttekintése
A parancsok és a fájlok szervezése az ISO/IEC 7816-4 szabványból következik és megfelel e szabvány rendelkezéseinek.
TCS_313E szakasz ismerteti a következő APDU parancs-válasz (command-response) párokat:
Parancs | INS |
SELECT FILE | A4 |
READ BINARY | B0 |
UPDATE BINARY | D6 |
GET CHALLENGE | 84 |
VERIFY | 20 |
GET RESPONSE | C0 |
VÉDELMI MŰVELET VÉGREHAJTÁSA: VERIFY CERTIFICATE COMPUTE DIGITAL SIGNATURE VERIFY DIGITAL SIGNATURE HASH | 2A |
INTERNAL AUTHENTICATE | 88 |
EXTERNAL AUTHENTICATE | 82 |
MANAGE SECURITY ENVIRONMENT: SETTING A KEY | 22 |
PERFORM HASH OF FILE | 2A |
TCS_314Minden válaszüzenetet az SW1 és SW2 állapotszavak kísérik. Ezek jelzik a parancs feldolgozási állapotát.
SW1 | SW2 | Jelentés |
90 | 00 | Normál feldolgozás |
61 | XX | Normál feldolgozás. XX = a rendelkezésre álló válaszbájtok száma |
62 | 81 | Figyelmeztető feldolgozás. A visszaküldött adatok egy része rontott lehet |
63 | CX | Rossz CHV (PIN). A további kísérletek számlálóját az ′X′ szolgáltatja |
64 | 00 | Végrehajtási hiba - A nem felejtő memória állapota változatlan. Integritási hiba |
65 | 00 | Végrehajtási hiba - A nem felejtő memória állapota megváltozott |
65 | 81 | Végrehajtási hiba - A nem felejtő memória állapota megváltozott - Memóriahiba |
66 | 88 | Védelmi hiba: rossz rejtjelezési kontrollösszeg (a biztonsági üzenet küldése alatt) vagyrossz hitelesítés (a hitelesítés ellenőrzése alatt) vagyrossz rejtjel (a külső hitelesítés alatt) vagyrossz aláírás (az aláírás ellenőrzése alatt) |
67 | 00 | Rossz hossz (rossz Lc vagy Le) |
69 | 00 | Tiltott parancs (nem áll rendelkezésre válasz a T=0-ban) |
69 | 82 | A biztonsági állapot nem kielégített |
69 | 83 | A hitelesítési módszer blokkolva |
69 | 85 | A használati feltételek nem kielégítettek |
69 | 86 | A parancs nem engedélyezett (nincs aktuális EF) |
69 | 87 | A várt biztonsági üzenet adatobjektumai hiányoznak |
69 | 88 | Helytelen biztonsági üzenet adatobjektumok |
6A | 82 | A fájl nem található |
6A | 86 | Rossz P1-P2 paraméterek |
6A | 88 | A hivatkozott adat nem található |
6B | 00 | Rossz paraméterek (az offset az EF-en kívül van) |
6C | XX | Rossz hossz, az SW2 jelzi a pontos hosszt. Nem érkezett vissza adatmező |
6D | 00 | Az utasításkód nem támogatott vagy érvénytelen |
6E | 00 | A besorolás nem támogatott |
6F | 00 | Egyéb ellenőrzési hibák |
3.6. A parancsok leírása
E fejezetben a tachográf-kártyákra vonatkozó kötelező érvényű parancsok leírása szerepel.
További releváns, a kódolási műveletekkel kapcsolatos részletek a 11. függelékben találhatók - Közös biztonsági mechanizmusok.
Minden parancsot le kell írni függetlenül a felhasznált protokolltól (T=0 vagy T=1). Az APDU bájtokat - CLA, INS, P1, P2, Lc és Le - mindig jelezni kell. Amennyiben az Lc vagy Le nem szükséges a leírt parancshoz, úgy a hozzárendelt hossz, az érték és a leírás üresen marad.
TCS_315Amennyiben mindkét hossz-bájt (Lc és Le) szükséges, úgy a leírt parancsot két részre kell osztani, ha az IFD a T=0 protokollt használja fel: az IFD elküldi a P3=Lc + adatokkal leírt parancsot, és azután elküld egy GET_RESPONSE (lásd 3.6.6. pont) parancsot a P3=Le-vel.
TCS_316Amennyiben mindkét hossz-bájt szükséges, és Le=0 (biztonsági üzenet küldése):
- A T=1 protokoll felhasználásakor a kártya az Le=0-ra az összes rendelkezésre álló kimeneti adat elküldésével válaszol.
- A T=0 protokoll felhasználásakor az IFD elküldi az első parancsot a P3=Lc + adattal, a kártya pedig válaszol erre (beleértve, hogy Le=0) a ′61La′ állapotbájttal, ahol La a rendelkezésre álló válaszbájtok száma. Ekkor az IFD előállít egy GET RESPONSE parancsot a P3=La-val az adatok olvasására.
3.6.1. Select file
E parancs megfelel az ISO/IEC 7816-4 szabványnak, de a használata korlátozott a szabványban meghatározott paranccsal összehasonlítva.
A SELECT FILE parancsot kell használni:
- egy alkalmazás DF kiválasztására (a név szerinti kiválasztás kötelező),
- a javasolt fájl ID-nek megfelelő elemi fájl kiválasztására.
3.6.1.1. Név szerinti kiválasztás (AID)
E parancs lehetővé teszi a kártyán regisztrált alkalmazás-DF kiválasztását.
TCS_317E parancs a fájlstruktúrában bárhonnan végrehajtható (az ATR után vagy bármikor).
TCS_318Egy alkalmazás kiválasztása visszaállítja az aktuális biztonsági környezetet. Az alkalmazás kiválasztásának végrehajtása után már semmilyen aktuális nyilvános kulcs nem választható ki, és a korábbi műveletkulcs többé nem áll rendelkezésre a biztonsági üzenet küldéséhez. Az AUT hozzáférési feltétel szintén elveszik.
TCS_319Parancsüzenet
Bájt | Hossz | Érték | Leírás |
CLA | 1 | ′00h′ | |
INS | 1 | ′A4h′ | |
P1 | 1 | ′04h′ | Név szerinti kiválasztás (AID) |
P2 | 1 | ′0Ch′ | Nincs várt válasz |
Lc | 1 | ′NNh′ | A kártyára küldött bájtok száma (az AID hossza): ′06h′ a tachográf- alkalmazáshoz |
#6-#(5+NN) | NN | ′XX..XXh′ | AID: ′FF 54 41 43 48 4F′ a tachográf-alkalmazáshoz |
A SELECT FILE parancsra nem szükséges a válasz (Le hiányzik a T=1-ben, vagy nincs válaszkérés a T=0-ban).
TCS_320Válaszüzenet (nincs válaszkérés)
Bájt | Hossz | Érték | Leírás |
SW | 2 | ′XXXXh′ | Állapotszavak (SW1, SW2) |
- Ha a parancs sikeres, úgy a kártya ′9000′-t küld vissza,
- ha az AID-nek megfelelő alkalmazás nem található, úgy a visszaküldött feldolgozási állapot ′6A82′,
- ha a T=1-ben az Le bájt jelen van, úgy a visszaküldött állapot ′6700′,
- ha a T=0-ban a SELECT FILE parancs után egy válasz szükséges, úgy a visszaküldött állapot ′6900′,
- ha a kiválasztott alkalmazás rontottnak minősül (a fájl-attribútumon belül integritási hiba észlelhető), úgy a visszaküldött feldolgozási állapot ′6400′ vagy ′6581′.
3.6.1.2. Egy elemi fájl (EF) kiválasztása a fájl azonosítójának felhasználásával
TCS_321Parancsüzenet
Bájt | Hossz | Érték | Leírás |
CLA | 1 | ′00h′ | |
INS | 1 | ′A4h′ | |
P1 | 1 | ′02h′ | Egy EF kiválasztása az aktuális DF alatt |
P2 | 1 | ′0Ch′ | Nincs várt válasz |
Lc | 1 | ′02h′ | A kártyára küldött bájtok száma |
#6-#7 | 2 | ′XXXXh′ | Fájlazonosító |
A SELECT FILE parancsra nem szükséges a válasz (a Le hiányzik a T=1-ben, vagy nincs válaszkérés a T=0-ban).
TCS_322Válaszüzenet (nem volt válaszkérés)
Bájt | Hossz | Érték | Leírás |
SW | 2 | ′XXXXh′ | Állapotszavak (SW1, SW2) |
- Ha a parancs sikeres, úgy a kártya ′9000′-t küld vissza,
- ha a fájlazonosítónak megfelelő alkalmazás nem található, úgy a visszaküldött folyamatállapot ′6A82′,
- ha a T=1-ben az Le bájt jelen van, úgy a visszaküldött állapot ′6700′,
- ha a T=0-ban a SELECT FILE parancs után egy válasz szükséges, úgy a visszaküldött állapot ′6900′,
- ha a kiválasztott fájl rontottnak minősül (a fájl-attribútumon belül teljességi hiba észlelhető), úgy a visszaküldött feldolgozási állapot ′6400′ vagy ′6581′.
3.6.2. Read Binary
E parancs megfelel az ISO/IEC 7816-4 szabványnak, de a használata korlátozott a szabványban definiált paranccsal összehasonlítva.
A Read Binary parancsot egy transzparens fájlból való adatkiolvasásra kell használni.
A kártya válasza a kiolvasott adat visszaküldéséből áll, opcionálisan behelyezve azokat egy biztonságiüzenet-szerkezetbe.
TCS_323A parancs csak akkor hajtható végre, ha a biztonsági állapot kielégíti az EF számára, a READ funkcióhoz meghatározott biztonsági tulajdonságokat.
3.6.2.1. Parancs biztonsági üzenet küldése nélkül
E parancs lehetővé teszi, hogy az IFD adatokat olvasson ki az aktuálisan kiválasztott EF-ből biztonsági üzenet küldése nélkül.
TCS_324E parancs nem teszi lehetővé az adatok kiolvasását egy "rejtjelezett"-ként jelölt fájlból.
TCS_325Parancsüzenet
Bájt | Hossz | Érték | Leírás |
CLA | 1 | ′00h′ | Biztonsági üzenet küldése nem szükséges |
INS | 1 | ′B0h′ | |
P1 | 1 | ′XXh′ | Eltolási érték a bájtokban a fájl elejétől kezdve: a legnagyobb helyértékű bájt |
P2 | 1 | ′XXh′ | Eltolási érték a bájtokban a fájl elejétől kezdve: a legkisebb helyértékű bájt |
Le | 1 | ′XXh′ | A várt adat hossza. A kiolvasandó bájtok száma |
Note: a P1 8-as bitjét 0-ra kell állítani.
TCS_326Válaszüzenet
Bájt | Hossz | Érték | Leírás |
#1-#X | X | ′XX..XXh′ | Kiolvasott adat |
SW | 2 | ′XXXXh′ | Állapotszavak (SW1, SW2) |
- Ha a parancs sikeres, úgy a kártya ′9000′-t küld vissza,
- ha nincs kiválasztott EF, úgy a visszaküldött feldolgozási állapot ′6986′,
- ha a kiválasztott fájl hozzáférés-vezérlése nem teljesül, úgy a parancs megszakad a ′6982′ értékkel,
- ha az eltolási érték nem kompatibilis az EF méretével (eltolási érték > EF mérete), úgy a visszaküldött feldolgozási állapot ′6B00′,
- ha a kiolvasandó adat mérete nem kompatibilis az EF méretével (eltolási érték + Le > EF mérete), úgy a visszaküldött feldolgozási állapot ′6700′ vagy ′6Cxx′, ahol ′xx′ jelzi a pontos hosszt,
- ha a fájl attribútumain belül integritási hiba érzékelhető, úgy a kártya a fájlt hibásként és javíthatatlanként veszi figyelembe, a visszaküldött feldolgozási állapot pedig ′6400′ vagy ′6581′,
- ha egy integritási hiba érzékelhető az eltárolt adatokon belül, úgy a kártya a kívánt adatokat küldi vissza, és a visszaküldött feldolgozási állapot ′6281′.
3.6.2.2. Parancs biztonsági üzenet küldésével
E parancs lehetővé teszi, hogy az IDF adatokat olvasson le az aktuálisan kiválasztott EF-ből biztonsági üzenet küldésével annak érdekében, hogy a fogadott adatok integritását ellenőrizze, és védje az adatok titkosságát, amennyiben az EF "rejtjelezett"-ként van jelölve.
TCS_327Parancsüzenet
Bájt | Hossz | Érték | Leírás |
CLA | 1 | ′0Ch′ | Biztonsági üzenet kérése |
INS | 1 | ′B0h′ | INS |
P1 | 1 | ′XXh′ | P1 (Eltolási érték bájtokban a fájl elejétől kezdve): a legnagyobb helyértékű bájt |
P2 | 1 | ′XXh′ | P2 (Eltolási érték bájtokban a fájl elejétől kezdve): a legkisebb helyértékű bájt |
Lc | 1 | ′09h′ | A biztonsági üzenet bemeneti adatának hossza |
#6 | 1 | ′97h′ | TLE: Címke a várt hossz meghatározására |
#7 | 1 | ′01h′ | LLE: Várható hossz |
#8 | 1 | ′NNh′ | A várható hossz meghatározása (eredeti Le): Az olvasandó bájtok száma |
#9 | 1 | ′8Eh′ | TCC: Címke a kódolási kontrollösszeghez |
#10 | 1 | ′04h′ | LCC: A következő kódolási kontrollösszeg hossza |
#11-#14 | 4 | ′XX..XXh′ | Kódolási kontrollösszeg (a 4 legnagyobb helyértékű bájt) |
Le | 1 | ′00h′ | Az ISO/IEC 7816-4 szabvány meghatározása szerint |
TCS_328Válaszüzenet, ha az EF jelölése nem "rejtjelezett", és ha a biztonsági üzenet bemeneti formátuma helyes:
Bájt | Hossz | Érték | Leírás |
#1 | 1 | ′81h′ | TPV: Címke a normál értékadatokhoz |
#2 | L | ′NNh′ vagy ′81 NNh′ | LPV: A visszaküldött adat hossza (= eredeti Le) L 2 bájtos, ha LPV >127 bájt |
#(2+L)-#(1+L+NN) | NN | ′XX..XXh′ | Normál adatérték |
#(2+L+NN) | 1 | ′8Eh′ | TCC: Címke a kódolási kontrollösszeghez |
#(3+L+NN) | 1 | ′04h′ | LCC: A következő kódolási kontrollösszeg hossza |
#(4+L+NN)-#(7+L+NN) | 4 | ′XX..XXh′ | Kódolási kontrollösszeg (a 4 legnagyobb helyértékű bájt) |
SW | 2 | ′XXXXh′ | Állapotszavak (SW1, SW2) |
TCS_329Válaszüzenet, ha az EF jelölése "rejtjelezett", és ha a biztonsági üzenet bemeneti formátuma helyes:
Bájt | Hossz | Érték | Leírás |
#1 | 1 | ′87h′ | TPI CG: Címke a rejtjelezett adathoz (kriptogram) |
#2 | L | ′MMh′ vagy ′81 MMh′ | LPI CG: A visszaküldött rejtjelezett adat hossza (a parancs eredeti Le értékétől eltérő, a feltöltésnek köszönhetően) L 2 bájt, ha LPV> 127 bájt |
#(2+L)-#(1+L+MM) | MM | ′01XX..XXh′ | Kódolt adat: feltöltésjelző és kriptogram |
#(2+L+MM) | 1 | ′8Eh′ | TCC: Címke a rejtjelezett kontrollösszeghez |
#(3+L+MM) | 1 | ′04h′ | LCC: A következő rejtjelezett kontrollösszeg hossza |
#(4+L+MM)-#(7+L+MM) | 4 | ′XX..XXh′ | Rejtjelezett kontrollösszeg (a 4 legnagyobb helyértékű bájt) |
SW | 2 | ′XXXXh′ | Állapotszavak (SW1, SW2) |
A visszaküldött rejtjelezett adatok tartalmaznak egy első bájtot, amely a felhasznált feltöltési üzemmódot jelzi. A tachográf-alkalmazáshoz a feltöltés jelzője mindig felveszi a '01h' értéket jelezve, hogy a felhasznált feltöltési üzemmód megfelel az ISO/IEC 7816-4 szabványban meghatározott üzemmódnak (egy bájt ′80h′ értékkel, amelyet néhány nulla bájt követ: ISO/IEC 9797 2-es módszer).
A biztonsági üzenet küldése nélküli (lásd 3.6.2.1. pont), READ BINARY parancshoz leírt "szabályos" feldolgozási állapot visszaküldhető a fentiekben, a ′99h′ címke alatt leírt válaszüzenet-szerkezeteket felhasználva (a TCS 335 szerint).
Emellett felléphet néhány - különlegesen a biztonsági üzenet küldésére vonatkozó - hiba. Ekkor a feldolgozási állapot egyszerűen visszaérkezik anélkül, hogy biztonsági üzenet-szerkezetet tartalmazna:
TCS_330Válaszüzenet, ha a biztonsági üzenet bemeneti formátuma nem helyes
Bájt | Hossz | Érték | Leírás |
SW | 2 | ′XXXXh′ | Állapotszavak (SW1, SW2) |
- Ha aktuális műveletkulcs nem áll rendelkezésre, úgy a ′6A88′ feldolgozási állapot érkezik vissza. Ez akkor fordul elő, ha a műveletkulcsot még nem generálták, vagy ha a műveletkulcs érvényessége lejárt (ekkor az IFD-nek újra le kell futtatnia egy kölcsönös hitelesítési eljárást az új műveletkulcs beállításához).
- Ha a biztonsági üzenet formátumában néhány várt adatobjektum (a fenti meghatározás szerint) hiányzik, úgy a ′6987′-es feldolgozási állapot érkezik vissza: e hiba akkor fordul elő, ha egy várt címke hiányzik, vagy ha a parancstörzs szerkezete nem megfelelő.
- Ha néhány adatobjektum helytelen, úgy a ′6988′-as feldolgozási állapot étkezik vissza: e hiba akkor fordul elő, ha az összes szükséges címke jelen van, de néhány hossz különbözik a várt hossztól.
- Ha a rejtjelezett kontrollösszeg ellenőrzése hiányzik, úgy a visszaküldött feldolgozási állapot a ′6688′.
3.6.3. Update Binary
E parancs megfelel az ISO/IEC 7816-4 szabványnak, de a használata korlátozott a szabványban meghatározott paranccsal összehasonlítva.
Az UPDATE BINARY parancsüzenet kezdeményezi a már az EF bináris értékben jelen levő bitek aktualizálását (törlés + írás) az APDU parancsban megadott bitekkel.
TCS_331A parancs csak akkor hajtható végre, ha a biztonsági állapot kielégíti az UPDATE funkcióhoz tartozó EF részére meghatározott biztonsági tulajdonságokat. (Ha az UPDATE funkció hozzáférés-vezérlése a PRO SM-et tartalmazza, úgy egy biztonsági üzenet küldésével kell kiegészíteni a parancsot.)
3.6.3.1. Parancs biztonsági üzenet küldése nélkül
E parancs lehetővé teszi, hogy az IFD adatokat írjon az aktuálisan kiválasztott EF-be anélkül, hogy a kártya ellenőrizné a fogadott adatok integritását. E normál üzemmód csak akkor engedélyezett, ha a vonatkozó fájl nem "rejtjelezett" jelölésű.
TCS_332Parancsüzenet
Bájt | Hossz | Érték | Leírás |
CLA | 1 | ′00h′ | Nincs biztonsági üzenet kérése |
INS | 1 | ′D6h′ | |
P1 | 1 | ′XXh′ | Eltolási érték bájtokban a fájl elejétől kezdve: a legnagyobb helyértékű bájt |
P2 | 1 | ′XXh′ | Eltolási érték bájtokban a fájl elejétől kezdve: a legkisebb helyértékű bájt |
Lc | 1 | ′NNh′ | A várt adat hossza. A beírandó bájtok száma |
#6-#(5+NN) | NN | ′XX..XXh′ | A beírandó adatok |
Note: a P1 8-as bitjét 0-ra kell állítani.
TCS_333Válaszüzenet
Bájt | Hossz | Érték | Leírás |
SW | 2 | ′XXXXh′ | Állapotszavak (SW1, SW2) |
- Ha a parancs sikeres, úgy a kártya ′9000′ értéket küld vissza,
- ha nincs kiválasztott EF, úgy a ′6986′-os feldolgozási állapot érkezik vissza,
- ha a kiválasztott fájl hozzáférés-vezérlése nem teljesül, úgy a parancs megszakításra kerül a ′6982′ értékkel,
- ha az eltolási érték nem kompatibilis az EF méretével (eltolási érték > EF mérete), úgy a visszaküldött feldolgozási állapot ′6B00′,
- ha a beírandó adatok mérete nem kompatibilis az EF méretével (eltolási érték + Lc > EF mérete), úgy a visszaküldött feldolgozási állapot ′6700′,
- ha a fájl attribútumain belül egy integritási hiba érzékelhető, úgy a kártya a fájlt hibásként és javíthatatlanként veszi figyelembe, a visszaküldött feldolgozási állapot pedig ′6400′ vagy ′6500′,
- ha a beírás eredménytelen, úgy a visszaküldött feldolgozási állapot ′6581′.
3.6.3.2. Parancs biztonsági üzenet küldésével
E parancs lehetővé teszi, hogy az IDF adatokat írjon az aktuálisan kiválasztott EF-be, miközben a kártya ellenőrzi a fogadott adatok teljességét. Mivel a titkosság nem követelmény, az adatokat nem kell rejtjelezni.
TCS_334Parancsüzenet
Bájt | Hossz | Érték | Leírás |
CLA | 1 | ′0Ch′ | Biztonsági üzenet kérése |
INS | 1 | ′D6h′ | INS |
P1 | 1 | ′XXh′ | Eltolási érték bájtokban a fájl elejétől kezdve: a legnagyobb helyértékű bájt |
P2 | 1 | ′XXh′ | Eltolási érték bájtokban a fájl elejétől kezdve: a legkisebb helyértékű bájt |
Lc | 1 | ′XXh′ | A biztosított adatmező hossza |
#6 | 1 | ′81h′ | TPV: címke a normál értékű adathoz |
#7 | L | ′NNh′ vagy ′81 NNh′ | LPV: a továbbított adat hossza L 2 bájt, ha LPV> 127 bájt |
#(7+L)-#(6+L+NN) | NN | ′XX..XXh′ | Normál adatérték (beírandó adat) |
#(7+L+NN) | 1 | ′8Eh′ | TCC: Címke a rejtjelezési kontrollösszeghez |
#(8+L+NN) | 1 | ′04h′ | LCC: A következő rejtjelezési kontrollösszeg hossza |
#(9+L+NN)-#(12+L+NN) | 4 | ′XX..XXh′ | A rejtjelezési kontrollösszeg (a 4 legnagyobb helyértékű bájt) |
Le | 1 | ′00h′ | Az ISO/IEC 7816-4 meghatározása szerint |
TCS_335Válaszüzenet, ha a biztonsági üzenet bemeneti formátuma helyes
Bájt | Hossz | Érték | Leírás |
#1 | 1 | ′99h′ | TSW: címke az állapotszavak részére (CC-vel védendő) |
#2 | 1 | ′02h′ | LSW: a visszaküldött állapotszavak hossza |
#3-#4 | 2 | ′XXXXh′ | Állapotszavak (SW1, SW2) |
#5 | 1 | ′8Eh′ | TCC: címke a rejtjelezési kontrollösszeghez |
#6 | 1 | ′04h′ | LCC: A következő rejtjelezési kontrollösszeg hossza |
#7-#10 | 4 | ′XX..XXh′ | A rejtjelezési kontrollösszeg (a 4 legnagyobb helyértékű bájt) |
SW | 2 | ′XXXXh′ | Állapotszavak (SW1, SW2) |
A biztonsági üzenet küldése nélküli (lásd 3.6.3.1. pont) UPDATE BINARY parancshoz leírt "szabályos" feldolgozási állapot visszaküldhető a fentiekben leírt válaszüzenet-szerkezetet felhasználva.
Emellett felléphet néhány - különlegesen a biztonsági üzenetre vonatkozó - hiba. Ekkor a feldolgozási állapot egyszerűen visszaérkezik anélkül, hogy biztonságiüzenet-szerkezetet tartalmazna:
TCS_336Válaszüzenet, ha a biztonsági üzenet küldésében hiba van
Bájt | Hossz | Érték | Leírás |
SW | 2 | ′XXXXh′ | Állapotszavak (SW1, SW2) |
- Ha aktuális műveletkulcs nem áll rendelkezésre, úgy a ′6A88′ feldolgozási állapot érkezik vissza.
- Ha a biztonsági üzenet formátumában néhány várt adatobjektum (a fenti meghatározás szerint) hiányzik, úgy a ′6987′-es feldolgozási állapot érkezik vissza: e hiba akkor fordul elő, ha egy várt címke hiányzik, vagy ha a parancstörzs szerkezete nem megfelelő.
- Ha néhány adatobjektum helytelen, úgy a ′6988′-as feldolgozási állapot érkezik vissza: e hiba akkor fordul elő, ha az összes szükséges címke jelen van, de néhány hossz különbözik az elvárt hossztól.
- Ha a rejtjelezési kontrollösszeg ellenőrzése hiányzik, úgy a visszaküldött feldolgozási állapot a ′6688′.
3.6.4. Get challenge
E parancs megfelel az ISO/IEC 7816-4 szabványnak, de a használata korlátozott a szabványban meghatározott paranccsal összehasonlítva.
A GET CHALLENGE parancs a kártyát egy véletlen szám kiadására kéri, amelyet egy olyan, a biztonsággal kapcsolatos eljárásban használ fel, amelyben egy kriptogramnak vagy néhány rejtjelezett adatnak a kártyára küldésére kerül sor.
TCS_337A kártya által kiadott Véletlen szám csak a következő parancsra érvényes, amely egy, a kártyára küldött véletlen számot használ fel.
TCS_338Parancsüzenet
Bájt | Hossz | Érték | Leírás |
CLA | 1 | ′00h′ | CLA |
INS | 1 | ′84h′ | INS |
P1 | 1 | ′00h′ | P1 |
P2 | 1 | ′00h′ | P2 |
Le | 1 | ′08h′ | Le (A várt véletlen szám hossza) |
TCS_339Válaszüzenet
Bájt | Hossz | Érték | Leírás |
#1-#8 | 8 | ′XX..XXh′ | Véletlen szám |
SW | 2 | ′XXXXh′ | Állapotszavak (SW1, SW2) |
- Ha a parancs sikeres, úgy a kártya ′9000′-t küld vissza,
- ha az Le eltér a ′08h′ értéktől, úgy a feldolgozási állapot ′6700′,
- ha a P1-P2 paraméterek helytelenek, úgy a feldolgozási állapot ′6A86′.
3.6.5. Verify
E parancs megfelel az ISO/IEC 7816-4 szabványnak, de a használata korlátozott a szabványban definiált paranccsal összehasonlítva.
A Verify parancs megkezdi a kártyán a parancsból elküldött CHV (PIN) adatoknak a kártyán eltárolt CHV-hivatkozással történő összehasonlítását.
Note: A felhasználó által betáplált PIN-t jobb oldalon az IFD-nek fel kell tölteni "FFh" bájtokkal, maximálisan 8 bájt hosszúságban.
TCS_340Ha a parancs sikeres, a CHV-adatok bemutatásához tartozó jogok megnyílnak, és a maradék CHV kísérletek számlálója újból kezdeti értékre áll.
TCS_341A sikertelen összehasonlítást rögzíteni kell a kártyán annak érdekében, hogy a hivatkozási CHV használatára tett további kísérletek számát korlátozva legyen.
TCS_342Parancsüzenet
Bájt | Hossz | Érték | Leírás |
CLA | 1 | ′00h′ | CLA |
INS | 1 | ′20h′ | INS |
P1 | 1 | ′00h′ | P1 |
P2 | 1 | ′00h′ | P2 (az ellenőrzött CHV implicite ismert) |
Lc | 1 | ′08h′ | A továbbított CHV-kód hossza |
#6-#13 | 8 | ′XX..XXh′ | CHV |
TCS_343Válaszüzenet
Bájt | Hossz | Érték | Leírás |
SW | 2 | ′XXXXh′ | Állapotszavak (SW1, SW2) |
- Ha a parancs sikeres, úgy a kártya ′9000′-t küld vissza,
- ha a referencia CHV nem található, úgy a ′6A88′ feldolgozási állapot érkezik vissza,
- ha a CHV blokkolt (a CHV maradék kísérletek számlálója nulla), úgy a ′6983′ feldolgozási állapot érkezik vissza. Ha ezen állapot bekövetkezik, úgy a CHV nem jelenhet meg többé eredményesen,
- ha az összehasonlítás sikertelen, úgy a maradék kísérletek számlálójának értéke csökken, és a ′63CX′ állapot érkezik vissza (X > 0, és X egyenlő a maradék CHV kísérletek számlálójával. X = ′F′, a CHV kísérletek számlálójának értéke nagyobb, mint ′F′),
- ha a referencia CHV-t rontottnak minősül, úgy a ′6400′ vagy ′6581′ feldolgozási állapot érkezik vissza.
3.6.6. Get response
E parancs megfelel az ISO/IEC 7816-4 szabványnak.
E parancsot (csak a T=0 protokoll esetében szükséges és áll rendelkezésre) az előkészített adatnak a kártyáról a felületberendezés felé történő továbbítására kell felhasználni (azon eset, amikor a parancs az Lc-t és az Le-t is tartalmazta).
A GET_RESPONSE parancsot közvetlenül az adatelőkészítési parancs után kell kiadni, különben az adatok elvesznek. A GET_RESPONSE parancs végrehajtása után (kivéve, ha a ′61xx′ vagy a ′6Cxx′ hiba fordul elő, lásd alább) az előzőleg előkészített adatok nem állnak többé rendelkezésre.
TCS_344Parancsüzenet
Bájt | Hossz | Érték | Leírás |
CLA | 1 | ′00h′ | |
INS | 1 | ′C0h′ | |
P1 | 1 | ′00h′ | |
P2 | 1 | ′00h′ | |
Le | 1 | ′XXh′ | A várt bájtok száma |
TCS_345Válaszüzenet
Bájt | Hossz | Érték | Leírás |
#1-#X | X | ′XX..XXh′ | Adat |
SW | 2 | ′XXXXh′ | Állapotszavak (SW1, SW2) |
- Ha a parancs sikeres, úgy a kártya ′9000′-t küld vissza.
- Ha a kártya nem készített elő adatot, úgy a visszaküldött folyamatállapot ′6900′ vagy ′6F00′.
- Ha Le meghaladja a rendelkezésre álló bájtok számát, vagy ha az Le nulla, úgy a visszaküldött folyamatállapot ′6Cxx′, ahol ′xx′ jelöli a rendelkezésre álló bájtok pontos számát. Ebben az esetben az előkészített adatok még rendelkezésre állnak a következő GET_RESPONSE parancshoz is.
- Ha Le nem nulla és kevesebb, mint a rendelkezésre álló bájtok száma, úgy normál esetben a kártya elküldi a kívánt adatokat, és a visszaküldött folyamatállapot ′61xx′, ahol ′xx′ jelzi azon extra bájtok számát, amelyek még rendelkezésre állnak egy későbbi GET_RESPONSE parancs végrehajtásához.
- Ha a parancs nem támogatott (T=1 protokoll), a kártya ′6D00′-t küld vissza.
3.6.7. PSO: verify certificate
E parancs megfelel az ISO/IEC 7816-4 szabványnak, de a használata korlátozott a szabványban definiált paranccsal összehasonlítva.
A VERIFY CERTIFICATE parancsot arra használja fel a kártya, hogy kívülről megkapjon egy nyilvános kulcsot, és ellenőrizze annak érvényességét.
TCS_346Amennyiben a VERIFY CERTIFICATE parancs sikeres, úgy a nyilvános kulcs a biztonsági környezetben tárolódik későbbi használat céljából. E parancsot kifejezetten a biztonságot érintő parancsok keretében való használatra kell beállítani (INTERNAL AUTHENTICATE, EXTERNAL AUTHENTICATE vagy VERIFY CERTIFICATE) az MSE paranccsal (lásd a 3.6.10. pont) annak kulcsazonosítóját felhasználva.
TCS_347Bármely esetben a VERIFY CERTIFICATE parancs felhasználja az MSE paranccsal előzőleg kiválasztott nyilvános kulcsot a hitelesítés megnyitására. Ilyenkor egy tagállami vagy Európa nyilvános kulcsról van szó.
TCS_348Parancsüzenet
Bájt | Hossz | Érték | Leírás |
CLA | 1 | ′00h′ | CLA |
INS | 1 | ′2Ah′ | Biztonsági művelet végrehajtása |
P1 | 1 | ′00h′ | P1 |
P2 | 1 | ′AEh′ | P2: Nem BER-TLV rejtjelezett adat (az adatelemek láncolása) |
Lc | 1 | ′ C2h′ | Lc: A hitelesítés hossza, 194 bájt |
#6-#199 | 194 | ′XX..XXh′ | Hitelesítés: az adatelemek láncolása (a 11. függelékben leírtak szerint) |
TCS_349Válaszüzenet
Bájt | Hossz | Érték | Leírás |
SW | 2 | ′XXXXh′ | Állapotszavak (SW1, SW2) |
- Ha a parancs sikeres, úgy a kártya ′9000′-t küld vissza,
- ha a hitelesítés ellenőrzése hiányzik, a visszaküldött folyamatállapot ′6688′. Az ellenőrzési és a kicsomagolási eljárás leírása a 11. függelékben található,
- ha nincs nyilvános kulcs a biztonsági környezetben, úgy a visszaküldött folyamatállapot ′6A88′,
- ha a kiválasztott (és a hitelesítés kicsomagolásához felhasznált) nyilvános kulcs rontottnak minősül, úgy a visszaküldött folyamatállapot ′6400′ vagy ′6581′,
- ha a kiválasztott (és a hitelesítés kicsomagolásához felhasznált) nyilvános kulcs ′00′-tól különböző CHA.LSB-vel rendelkezik (CertificateHolderAuthorisation.equipmentType) (például nem egy tagállami vagy Európa nyilvános kulcs), úgy a visszaküldött folyamatállapot ′6985′.
3.6.8. Internal authenticate
E parancs megfelel az ISO/IEC 7816-4 szabványnak.
A INTERNAL AUTHENTICATE parancsot felhasználva az IFD hitelesítheti a kártyát.
A hitelesítési eljárást a 11. függelék írja le. Az a következő utasításokat tartalmazza:
TCS_350Az INTERNAL AUTHENTICATE parancs felhasználja a kártya privát kulcsát (implicite kiválasztva), a K1-et (a műveletkulcs megállapodás első eleme) és az RND1-et tartalmazó hitelesítési adatok jelölésére, és az aktuálisan kiválasztott (az utolsó MSE paranccsal) nyilvános kulcsot felhasználja az aláírás kódolására és a hitelesítési jelölés kialakítására (további részletek a 11. függelékben találhatók).
TCS_351Parancsüzenet
Bájt | Hossz | Érték | Leírás |
CLA | 1 | ′00h′ | CLA |
INS | 1 | ′88h′ | INS |
P1 | 1 | ′00h′ | P1 |
P2 | 1 | ′00h′ | P2 |
Lc | 1 | ′10h′ | A kártyára küldött adatok hossza |
#6-#13 | 8 | ′XX..XXh′ | A kártya hitelesítéséhez felhasznált véletlen szám |
#14-#21 | 8 | ′XX..XXh′ | VU.CHR (lásd 11. függelék) |
Le | 1 | ′80h′ | A kártyáról várt adatok hossza |
TCS_352Válaszüzenet
Bájt | Hossz | Érték | Leírás |
#1-#128 | 128 | ′XX..XXh′ | Kártya hitelesítésének jelölése (lásd 11. függelék) |
SW | 2 | ′XXXXh′ | Állapotszavak (SW1, SW2) |
- Ha a parancs sikeres, úgy a kártya ′9000′-t küld vissza,
- ha nincs nyilvános kulcs a biztonsági környezetben, úgy a visszaküldött folyamatállapot ′6A88′,
- ha nincs privát kulcs a biztonsági környezetben, úgy a visszaküldött folyamatállapot ′6A88′,
- ha a VU.CHR nem illeszkedik az aktuális nyilvános kulcs azonosítójához, úgy a visszaküldött folyamatállapot ′6A88′,
- ha a kiválasztott nyilvános kulcs rontottnak minősül, úgy a visszaküldött folyamatállapot ′6400′ vagy ′6581′.
TCS_353Ha az INTERNAL_AUTHENTICATE parancs sikeres, úgy az aktuális műveletkulcs - amennyiben van ilyen - törlődik, és a továbbiakban nem áll rendelkezésre. Annak érdekében, hogy egy új műveletkulcs álljon rendelkezésre, az EXTERNAL_AUTHENTICATE parancsot eredményesen végre kell hajtani.
3.6.9. External authenticate
E parancs megfelel az ISO/IEC 7816-4 szabványnak.
Az EXTERNAL AUTHENTICATE parancsot felhasználva a kártya hitelesítheti az IFD-t.
A hitelesítési eljárás leírása a 11. függelékben található. Az a következő utasításokat tartalmazza:
TCS_354A GET CHALLENGE parancsnak közvetlenül meg kell előznie a EXTERNAL_AUTHENTICATE parancsot. A kártya egy véletlen számot bocsát ki a külvilág felé (RND3).
TCS_355A rejtjelezés ellenőrzése felhasználja az RND3-at (a kártya által kiadott véletlen számot), a kártya privát kulcsát (implicite kiválasztva) és az MSE paranccsal előzőleg kiválasztott nyilvános kulcsot.
TCS_356A kártya ellenőrzi a rejtjelezést, és ha az helyes, akkor az AUT hozzáférési feltétel megnyílik.
TCS_357A bemeneti rejtjelezés hordozza a második elemet a K2 műveletkulcs megegyezéshez.
TCS_358Parancsüzenet
Bájt | Hossz | Érték | Leírás |
CLA | 1 | ′00h′ | CLA |
INS | 1 | ′82h′ | INS |
P1 | 1 | ′00h′ | P1 |
P2 | 1 | ′00h′ | P2 (a felhasználandó nyilvános kulcs implicite ismert, és előzőleg az MSE paranccsal lett beállítva) |
Lc | 1 | ′80h′ | Lc (a kártyára küldött adatok hossza) |
#6-#133 | 128 | ′XX..XXh′ | Rejtjelezés (lásd 11. függelék) |
TCS_359Válaszüzenet
Bájt | Hossz | Érték | Leírás |
SW | 2 | ′XXXXh′ | Állapotszavak (SW1, SW2) |
- Ha a parancs sikeres, úgy a kártya ′9000′-t küld vissza,
- ha nincs nyilvános kulcs a biztonsági környezetben, úgy ′6A88′ érkezik vissza,
- ha az aktuálisan beállított nyilvános kulcs CHA-ja nem a tachográf AID alkalmazásnak és a JE berendezéstípusnak a láncolata, úgy a visszaküldött folyamatállapot ′6F00′ (lásd 11. függelék),
- ha nincs privát kulcs a biztonsági környezetben, a visszaküldött folyamatállapot ′6A88′,
- ha a rejtjelezés ellenőrzése hibás, a visszaküldött folyamatállapot ′6688′,
- ha a parancsot nem közvetlenül előzi meg a GET CHALLENGE parancs, úgy a visszaküldött folyamatállapot ′6985′,
- ha a kiválasztott privát kulcs rontottnak minősül, úgy a visszaküldött folyamatállapot ′6400′ vagy ′6581′.
TCS_360Ha az EXTERNAL AUTHENTICATE parancs sikeres, és ha a röviddel ezelőtt sikeresen végrehajtott INTERNAL AUTHENTICATE parancs műveletkulcsának első része rendelkezésre áll, a műveletkulcs készen áll jövőbeni parancsok végrehajtására a biztonsági üzenetet felhasználva.
TCS_361Ha a műveletkulcs első része nem áll rendelkezésre az előző INTERNAL AUTHENTICATE parancsból, úgy a műveletkulcs IFD által elküldött második részét nem tárolja el a kártya. E mechanizmus biztosítja, hogy a kölcsönös hitelesítési eljárás a 11. függelékben meghatározott sorrendben történjen.
3.6.10. Manage security environment
E parancs lehetővé teszi egy nyilvános kulcs hitelesítési célra való beállítását.
E parancs megfelel az ISO/IEC 7816-8 szabványnak. A parancs használata korlátozott, tekintettel a vonatkozó szabványra.
TCS_362Az MSE adatmezőben említett kulcs érvényes a tachográf DF minden fájljára.
TCS_363Az MSE adatmezőben említett kulcs marad az aktuális nyilvános kulcs a következő helyes MSE parancsig.
TCS_364Ha az említett kulcs (még) nincs jelen a kártya memóriájában, a biztonsági környezet változatlan marad.
TCS_365Parancsüzenet
Bájt | Hossz | Érték | Leírás |
CLA | 1 | ′00h′ | CLA |
INS | 1 | ′22h′ | INS |
P1 | 1 | ′C1h′ | P1: az említett kulcs érvényes az összes rejtjelezési műveletre |
P2 | 1 | ′B6h′ | P2 (az említett adatok a digitális aláírásra vonatkoznak) |
Lc | 1 | ′0Ah′ | Lc: a következő adatmező hossza |
#6 | 1 | ′83h′ | Címke egy nyilvános kulcsra való hivatkozáshoz aszimmetrikus esetekben |
#7 | 1 | ′08h′ | A kulcsreferencia hossza (kulcsazonosító) |
#8-#15 | 08h | ′XX..XXh′ | Kulcsazonosító a 11. függelék meghatározása szerint |
TCS_366Válaszüzenet
Bájt | Hossz | Érték | Leírás |
SW | 2 | ′XXXXh′ | Állapotszavak (SW1, SW2) |
- Ha a parancs sikeres, úgy a kártya ′9000′-t küld vissza,
- ha az említett kulcs nincs a kártyán, a visszaküldött folyamatállapot ′6A88′,
- ha néhány elvárt adatobjektum hiányzik a biztonsági üzenet formátumából, úgy a visszaküldött folyamatállapot ′6987′. Ez akkor történhet meg, ha a ′83h′ címke hiányzik,
- ha néhány adatobjektum helytelen, a visszaküldött folyamatállapot ′6988′. Ez akkor történhet meg, ha a kulcsazonosító hossza nem ′08h′,
- ha a kiválasztott kulcs rontottnak minősül, úgy a visszaküldött folyamatállapot ′6400′ vagy ′6581′.
3.6.11. PSO: hash
E parancsot a bizonyos adatokon elvégzett hash-számítás eredményének a kártyára történő továbbítására kell felhasználni. E parancsot a digitális aláírások ellenőrzésére kell felhasználni. A hash érték az EEPROM-ban tárolódik a digitális aláírás ellenőrzésére szolgáló következő parancshoz.
E parancs megfelel az ISO/IEC 7816-8 szabványnak. A parancs használata korlátozott, tekintettel a vonatkozó szabványokra.
TCS_367Parancsüzenet
Bájt | Hossz | Érték | Leírás |
CLA | 1 | ′00h′ | CLA |
INS | 1 | ′2Ah′ | Biztonsági művelet végrehajtása |
P1 | 1 | ′90h′ | A hash kód visszaküldése |
P2 | 1 | ′A0h′ | Címke: a hash kód alkalmazásához megfelelő DO-t tartalmazó adatmező |
Lc | 1 | ′16h′ | A következő Lc adatmező hossza |
#6 | 1 | ′90h′ | Címke a hash kódhoz |
#7 | 1 | ′14h′ | A hash kód hossza |
#8-#27 | 20 | ′XX..XXh′ | Hash kód |
TCS_368Válaszüzenet
Bájt | Hossz | Érték | Leírás |
SW | 2 | ′XXXXh′ | Állapotszavak (SW1, SW2) |
- Ha a parancs sikeres, úgy a kártya ′9000′-t küld vissza,
- ha néhány elvárt adatobjektum (a fenti meghatározás szerint) hiányzik, úgy a visszaküldött folyamatállapot ′6987′. Ez akkor történhet meg, ha a ′90h′ címke hiányzik,
- ha néhány adatobjektum helytelen, úgy a visszaküldött folyamatállapot ′6988′. Ez akkor történhet meg, ha a szükséges címke ugyan rendelkezésre áll, de a hossz nem ′14h′,
3.6.12. Perform hash of file
E parancs nem felel meg az ISO/IEC 7816-8 szabványnak. Így e parancs CLA bájtja jelzi, hogy a PERFORM SECURITY OPERATION/HASH kizárólagos felhasználásáról van szó.
TCS_369A PERFORM HASH OF FILE parancsot kell felhasználni az aktuálisan kiválasztott EF transzparens adatterületének hash-számítására.
TCS_370A hash-művelet eredményét a kártyán kell tárolni. Ez felhasználható a fájl digitális aláírásának a megszerzésére a PSO-COMPUTE_DIGITAL_SIGNATURE parancs felhasználásával. Ezen eredmény a következő eredményes PERFORM HASH of FILE parancsig a COMPUTE DIGITAL SIGNATURE parancs rendelkezésére áll.
TCS_371Parancsüzenet
Bájt | Hossz | Érték | Leírás |
CLA | 1 | ′80h′ | CLA |
INS | 1 | ′2Ah′ | Biztonsági művelet végrehajtása |
P1 | 1 | ′90h′ | Címke: hash |
P2 | 1 | ′00h′ | P2: az aktuálisan kiválasztott transzparens fájl adatainak hash-számítása |
TCS_372Válaszüzenet
Bájt | Hossz | Érték | Leírás |
SW | 2 | ′XXXXh′ | Állapotszavak (SW1, SW2) |
- Ha a parancs sikeres, úgy a kártya ′9000′-t küld vissza,
- ha nincs kiválasztott alkalmazás, a visszaküldött folyamatállapot ′6985′,
- ha a kiválasztott EF rontottnak minősül (fájlattribútum vagy az eltárolt adatok integritási hibái), úgy a visszaküldött folyamatállapot ′6400′ vagy ′6581′.
- ha a kiválasztott fájl nem transzparens fájl, a visszaküldött folyamatállapot ′6986′.
3.6.13. PSO: compute digital signature
E parancsot kell felhasználni az előzőleg kiszámított hash kód digitális aláírásának számítására (lásd 3.6.12. - PERFORM HASH of FILE pont).
E parancs megfelel az ISO/IEC 7816-8 szabványnak. A parancs használata korlátozott, tekintettel a vonatkozó szabványokra.
TCS_373A kártya privát kulcsát kell felhasználni a digitális aláírás kiszámítására. A kártya implicite ismeri e kulcsot.
TCS_374A kártya végrehajt egy digitális aláírást a PKCS1-nek megfelelő feltöltési módszert felhasználva (a részleteket lásd a 11. függelékben).
TCS_375Parancsüzenet
Bájt | Hossz | Érték | Leírás |
CLA | 1 | ′00h′ | CLA |
INS | 1 | ′2Ah′ | Biztonsági művelet végrehajtása |
P1 | 1 | ′9Eh′ | A visszaküldendő digitális aláírás |
P2 | 1 | ′9Ah′ | Címke: az adatmező tartalmazza a jelölendő adatokat. Mivel adatmezőt nem tartalmaz, ebből következik, hogy az adatok már a kártyán vannak (hash of file) |
Le | 1 | ′80h′ | A várt aláírás hossza |
TCS_376Válaszüzenet
Bájt | Hossz | Érték | Leírás |
#1-#128 | 128 | ′XX..XXh′ | Az előzőleg kiszámított hash aláírása |
SW | 2 | ′XXXXh′ | Állapotszavak (SW1, SW2) |
- Ha a parancs sikeres, a kártya ′9000′-t küld vissza,
- ha az implicite kiválasztott privát kulcs rontottnak minősül, a visszaküldött feldolgozási állapot ′6400′ vagy ′6581′.
3.6.14. PSO: verify digital signature
E parancsot kell felhasználni egy a PKCS1 szerinti adatbevitelként betáplált üzenet digitális aláírásának ellenőrzésére, amelyhez tartozó hash a kártya számára ismert. Az aláírás algoritmusát a kártya implicite ismeri.
E parancs megfelel az ISO/IEC 7816-8 szabványnak. A parancs használata korlátozott, tekintettel a vonatkozó szabványokra.
TCS_377A Verify Digital Signature parancs mindig az előző Manage Security Environment paranccsal kiválasztott nyilvános kulcsot és a PSO hash parancs útján betáplált előző hash kódot használja fel.
TCS_378Parancsüzenet
Bájt | Hossz | Érték | Leírás |
CLA | 1 | ′00h′ | CLA |
INS | 1 | ′2Ah′ | Biztonsági művelet végrehajtása |
P1 | 1 | ′00h′ | |
P2 | 1 | ′A8h′ | Címke: az ellenőrzésnek megfelelő DO-kat tartalmazó adatmező |
Lc | 1 | ′83h′ | A következő adatmező Lc hossza |
#28 | 1 | ′9Eh′ | A digitális aláírás címkéje |
#29-#30 | 2 | ′8180h′ | A digitális aláírás hossza (128 bájt, az ISO/IEC 7816-6 szabvánnyal összhangban kódolva) |
#31-#158 | 128 | ′XX..XXh′ | A digitális aláírás tartalma |
TCS_379Válaszüzenet
Bájt | Hossz | Érték | Leírás |
SW | 2 | ′XXXXh′ | Állapotszavak (SW1, SW2) |
- Ha a parancs sikeres, úgy a kártya ′9000′-t küld vissza,
- ha az aláírás ellenőrzése hiányzik, úgy a visszaküldött folyamatállapot ′6688′. Az ellenőrzési eljárást a 11. függelék ismerteti.
- ha nincs kiválasztott nyilvános kulcs, úgy a visszaküldött folyamatállapot ′6A88′,
- ha néhány várt adatobjektum (a fenti meghatározás szerint) hiányzik, úgy a visszaküldött folyamatállapot ′6987′. Ez akkor történhet meg, ha a szükséges címkék egyike hiányzik,
- ha nem áll rendelkezésre hash kód a parancs feldolgozásához (egy előző PSO eredményeként: tördelési parancs), úgy a visszaküldött folyamatállapot ′6985′,
- ha néhány adatobjektum helytelen, úgy a visszaküldött folyamatállapot ′6988′. Ez akkor történhet meg, ha a szükséges adatobjektumok egyikének hossza helytelen,
- ha a kiválasztott nyilvános kulcs rontottnak minősül, úgy a visszaküldött feldolgozási állapot ′6400′ vagy ′6581′.
4. A TACHOGRÁF-KÁRTYÁK SZERKEZETE
E bekezdés meghatározza a tachográf-kártyák fájlszerkezetét a hozzáférhető adatok tárolásához,
Nem határozza meg a kártya gyártójától függő olyan belső szerkezeteket, mint például az állománycímke, sem a csak belső használathoz szükséges adatelemek tárolását és kezelését, mint pl. EuropeanPublicKey, CardPrivateKey, TDesSessionKey or WorkshopCardPin.
A tachográf-kártya hasznos kapacitása minimum 11 KB. Nagyobb kapacitás alkalmazható. Ilyen esetben a kártya szerkezete ugyanaz marad, de a szerkezet néhány eleme rekordjainak száma megnövekszik. E bekezdés meghatározza e rekordszámok minimális és maximális értékeit.
4.1. A járművezetői kártya szerkezete
TCS_400Személyre szólóvá tétele után a járművezetői kártya a következő permanens fájlszerkezettel és fájlhozzáférési feltételekkel rendelkezik:

TCS_401Az összes EF szerkezet transzparens.
TCS_402A biztonsági üzenet küldésével való olvasás lehetséges minden, a DF Tachograph-ba foglalt fájl esetében.
TCS_403A járművezetői kártya a következő adatszerkezettel rendelkezik:


TCS_404A fenti táblázatban a méretek megadására használt következő értékek azok a minimális és maximális rekordszám-értékek, amelyeket a járművezetői kártya adatszerkezetének alkalmazni kell:
Min | Max | ||
n1 | NoOfEventsPerType | 6 | 12 |
n2 | NoOfFaultsPerType | 12 | 24 |
n3 | NoOfCardVehicleRecords | 84 | 200 |
n4 | NoOfCardPlaceRecords | 84 | 112 |
n6 | CardActivityLengthRange | 5 544 bájt (28 nap * 93 tevékenység-váltás) | 13 776 bájt (28 nap * 240 tevékenység-váltás) |
4.2. A műhelykártya szerkezete
TCS_405Személyre szólóvá tétele után a műhelykártya a következő permanens fájlszerkezettel és fájlhozzáférési feltételekkel rendelkezik:

TCS_406Az összes EF szerkezet transzparens.
TCS_407A biztonsági üzenet küldésével való olvasás lehetséges minden, a DF Tachographba foglalt fájl esetében.
TCS_408A műhelykártya a következő adatszerkezettel rendelkezik:



TCS_409A fenti táblázatban a méretek megadására használt következő értékek azok a minimális és maximális rekordszám-értékek, amelyeket a műhelykártya adatszerkezetének alkalmazni kell:
Min | Max | ||
n1 | NoOfEventsPerType | 3 | 3 |
n2 | NoOfFaultsPerType | 6 | 6 |
n3 | NoOfCardVehicleRecords | 4 | 8 |
n4 | NoOfCardPlaceRecords | 6 | 8 |
n5 | NoOfCalibrationRecords | 88 | 255 |
n6 | CardActivityLengthRange | 198 bájt (1 nap * 93 tevékenységváltás) | 492 bájt (1 nap * 240 tevékenységváltás) |
4.3. Az ellenőrzőkártya szerkezete
TCS_410Személyre szólóvá tétele után az ellenőrzőkártya a következő permanens fájlszerkezettel és fájlhozzáférési feltételekkel rendelkezik:

TCS_411Az összes EF szerkezet transzparens.
TCS_412A biztonsági üzenet küldésével való olvasás lehetséges minden, a DF Tachographba foglalt fájl esetében.
TCS_413Az ellenőrzőkártya a következő adatszerkezettel rendelkezik:

TCS_414A fenti táblázatban a méretek megadására használt következő értékek azok a minimális és maximális rekordszám-értékek, amelyeket az ellenőrzőkártya adatszerkezetének kell felhasználni:
Min | Max | ||
n7 | NoOfControlActivityRecords | 230 | 520 |
4.4. A vállalkozás adatkártyájának szerkezete
TCS_415Személyre szólóvá tétele után a vállalkozás adatkártyája a következő permanens fájlszerkezettel és fájlhozzáférési feltételekkel rendelkezik:

TCS_416Az összes EF szerkezet transzparens.
TCS_417A biztonsági üzenet küldésével való olvasás lehetséges minden, a DF Tachographba foglalt fájl esetében.
TCS_418A vállalkozás adatkártyája a következő adatszerkezettel rendelkezik:


TCS_419A fenti táblázatban a méretek megadására használt következő értékek azok a minimális és maximális rekordszám-értékek, amelyeket a vállalkozás adatkártyája adatszerkezetének kell felhasználni:
Min | Max | ||
n8 | NoOfCompanyActivityRecords | 230 | 520 |
3. függelék
PIKTOGRAMOK
PIC_001A menetíró készülék a következő piktogramokat és piktogram-kombinációkat (illetve az ezekhez az egyértelmű azonosításhoz eléggé hasonló piktogramokat és piktogram-kombinációkat) használhatja fel:
1. ALAPPIKTOGRAMOK
Személyek | Tevékenységek | Működési módok | |
[Kép #6] | Vállalkozás | Vállalkozási üzemmód | |
[Kép #7] | Ellenőrző | Ellenőrzés | Ellenőrző üzemmód |
[Kép #8] | Járművezető | Járművezetés | Működési üzemmód |
[Kép #9] | Műhely/vizsgálóállomás | Felülvizsgálat/kalibrálás | Kalibrálási üzemmód |
[Kép #10] | Gyártó |

Kép #6

Kép #7

Kép #8

Kép #9

Kép #10
Tevékenységek | Időtartam | |
[Kép #11] | Készenlét | Aktuális készenléti időszak |
[Kép #12] | Járművezetés | Folyamatos járművezetési idő |
[Kép #13] | Pihenés | Aktuális pihenési időszak |
[Kép #14] | Munka | Aktuális munkaidőszak |
[Kép #15] | Szünet | Halmozott szünetidő |
[Kép #16] | Ismeretlen |

Kép #11

Kép #12

Kép #13

Kép #14

Kép #15

Kép #16
Berendezések | Funkciók | |
[Kép #17] | Járművezetői kártyaolvasó egység | |
[Kép #18] | Járműkísérői kártyaolvasó egység | |
[Kép #19] | Kártya | |
[Kép #20] | Óra | |
[Kép #21] | Kijelző | Kijelzés |
[Kép #22] | Külső tároló | Letöltés |
[Kép #23] | Tápegység | |
[Kép #24] | Nyomtató/kinyomat | Nyomtatás |
[Kép #25] | Érzékelő | |
[Kép #26] | Abroncs méret | |
[Kép #27] | Jármű/járműegység |

Kép #17

Kép #18

Kép #19

Kép #20

Kép #21

Kép #22

Kép #23

Kép #24

Kép #25

Kép #26

Kép #27
Különleges körülmények | |
[Kép #28] | Menetíró készülék nem szükséges |
[Kép #29] | KOMPON/VONATON MEGTETT ÚT |

Kép #28

Kép #29
Vegyes | |||
[Kép #30] | Események | [Kép #31] | Hibák |
[Kép #32] | A munkanap kezdete | [Kép #33] | A munkanap vége |
[Kép #34] | Hely | [Kép #35] | A járművezetői tevékenységek kézi betáplálása |
[Kép #36] | Biztonság | [Kép #37] | Sebesség |
[Kép #38] | Idő | [Kép #39] | Összesen/összesítés |

Kép #30

Kép #31

Kép #32

Kép #33

Kép #34

Kép #35

Kép #36

Kép #37

Kép #38

Kép #39
Minősítők | |
[Kép #40] | Napi |
[Kép #41] | Heti |
[Kép #42] | Kétheti |
[Kép #43] | Honnan vagy hová |

Kép #40

Kép #41

Kép #42

Kép #43
2. PIKTOGRAM-KOMBINÁCIÓK
Vegyes | |||
[Kép #44] [Kép #45] | Ellenőrző hely | ||
[Kép #46] [Kép #47] | A munkanap kezdetének helye | [Kép #48] [Kép #49] | A munkanap befejezésének helye |
[Kép #50] [Kép #51] | Kezdő idő | [Kép #52] [Kép #53] | Befejezési idő |
[Kép #54] [Kép #55] | Gépjárműből | ||
[Kép #56] [Kép #57] | Menetíró készülék nem szükséges - Kezdet | [Kép #58] [Kép #59] | A menetíró készülék nem szükséges - Befejezés |

Kép #44

Kép #45

Kép #46

Kép #47

Kép #48

Kép #49

Kép #50

Kép #51

Kép #52

Kép #53

Kép #54

Kép #55

Kép #56

Kép #57

Kép #58

Kép #59
Kártyák | |
[Kép #60] [Kép #61] | Járművezetői kártya |
[Kép #62] [Kép #63] | Vállalkozás adatkártyája |
[Kép #64] [Kép #65] | Ellenőrzőkártya |
[Kép #66] [Kép #67] | Műhelykártya |
[Kép #68] - - - | Nincs kártya |

Kép #60

Kép #61

Kép #62

Kép #63

Kép #64

Kép #65

Kép #66

Kép #67

Kép #68
Járművezetés | |
[Kép #69] [Kép #70] | Személyzeti járművezetés |
[Kép #71] [Kép #72] | Heti járművezetési idő |
[Kép #73] [Kép #74] | Kétheti járművezetési idő |

Kép #69

Kép #70

Kép #71

Kép #72

Kép #73

Kép #74
Kinyomatok | |
[Kép #75] [Kép #76] [Kép #77] | A járművezetői tevékenységek kártyáról való napi kinyomata |
[Kép #78] [Kép #79] [Kép #80] | A járművezetői tevékenységek járműegységből való napi kinyomata |
[Kép #81] [Kép #82] [Kép #83] [Kép #84] | Események és hibák kinyomata a kártyáról |
[Kép #85] [Kép #86] [Kép #87] [Kép #88] | Események és hibák kinyomata a járműegységből |
[Kép #89] [Kép #90] [Kép #91] | Műszaki adatok kinyomata |
[Kép #92] [Kép #93] [Kép #94] | Gyorshajtás kinyomata |

Kép #75

Kép #76

Kép #77

Kép #78

Kép #79

Kép #80

Kép #81

Kép #82

Kép #83

Kép #84

Kép #85

Kép #86

Kép #87

Kép #88

Kép #89

Kép #90

Kép #91

Kép #92

Kép #93

Kép #94
Események | |
[Kép #95] [Kép #96] | Érvénytelen kártya behelyezése |
[Kép #97] [Kép #98] [Kép #99] | Kártyaütközés |
[Kép #100] [Kép #101] [Kép #102] | Időátfedés |
[Kép #103] [Kép #104] [Kép #105] | Járművezetés megfelelő kártya nélkül |
[Kép #106] [Kép #107] [Kép #108] | Kártya behelyezése járművezetés közben |
[Kép #109] [Kép #110] [Kép #111] | Az utolsó kártyakapcsolat nem megfelelő lezárása |
[Kép #112] [Kép #113] | Gyorshajtás |
[Kép #114] [Kép #115] | Áramellátás megszakadása |
[Kép #116] [Kép #117] | Mozgási adatok hibája |
[Kép #118] [Kép #119] | Biztonságfeltörés kísérlete |
[Kép #120] [Kép #121] | Időbeállítás (a műhely által) |
[Kép #122] [Kép #123] | Gyorshajtás ellenőrzése |
[Kép #124] | A jármű mozgásával kapcsolatos konfliktus |

Kép #95

Kép #96

Kép #97

Kép #98

Kép #99

Kép #100

Kép #101

Kép #102

Kép #103

Kép #104

Kép #105

Kép #106

Kép #107

Kép #108

Kép #109

Kép #110

Kép #111

Kép #112

Kép #113

Kép #114

Kép #115

Kép #116

Kép #117

Kép #118

Kép #119

Kép #120

Kép #121

Kép #122

Kép #123

Kép #124
Hibák | |
[Kép #125] [Kép #126] [Kép #127] | Kártyahiba (járművezetői kártyaolvasó egység) |
[Kép #128] [Kép #129] [Kép #130] | Kártyahiba (járműkísérői kártyaolvasó egység) |
[Kép #131] [Kép #132] | Kijelzőhiba |
[Kép #133] [Kép #134] | Letöltési hiba |
[Kép #135] [Kép #136] | Nyomtatóhiba |
[Kép #137] [Kép #138] | Érzékelőhiba |
[Kép #139] [Kép #140] | JE belső hiba |

Kép #125

Kép #126

Kép #127

Kép #128

Kép #129

Kép #130

Kép #131

Kép #132

Kép #133

Kép #134

Kép #135

Kép #136

Kép #137

Kép #138

Kép #139

Kép #140
Kézi betáplálás folyamata | |
[Kép #141] [Kép #142] [Kép #143] | Még mindig ugyanaz a munkanap? |
[Kép #144] [Kép #145] | Az előző munkanap vége? |
[Kép #146] [Kép #147] [Kép #148] | Megerősítés vagy a munkanap befejezési helyének betáplálása |
[Kép #149] [Kép #150] [Kép #151] | Az indulási idő betáplálása |
[Kép #152] [Kép #153] [Kép #154] | A munkanap megkezdése helyének betáplálása |

Kép #141

Kép #142

Kép #143

Kép #144

Kép #145

Kép #146

Kép #147

Kép #148

Kép #149

Kép #150

Kép #151

Kép #152

Kép #153

Kép #154
Note: A kinyomat-blokkhoz vagy rekordazonosítókhoz kapcsolódó további piktogram-kombinációkat a 4. függelék határozza meg.
4. függelék
KINYOMATOK
TARTALOMJEGYZÉK
1. Általános bevezetés ...
2. Adatblokkok jellemzői ...
3. Kinyomatok jellemzői ...
3.1. Járművezetői tevékenységek kártyáról való napi kinyomata ...
3.2. Járművezetői tevékenységek járműegységből való napi kinyomata ...
3.3. Események és hibák kinyomata a kártyáról ...
3.4. Események és hibák kinyomata a járműegységből ...
3.5. Műszaki adatok kinyomata ...
3.6. Gyorshajtás kinyomata ...
1. ÁLTALÁNOS BEVEZETÉS
Minden kinyomat különféle adatblokkokok láncolatából épül fel, amelyek blokkazonosítóval láthatók el.
Egy adatblokk egy vagy több tételt tartalmaz, amelyek rekordazonosítóval láthatók el.
PRT_001Ha a blokkazonosító közvetlenül a rekordazonosító előtt áll, úgy a rekordazonosító nem kerül kinyomtatásra.
PRT_002Ha egy adattétel nem ismert vagy adatvédelmi jogi okok miatt nem nyomtatható ki, úgy helyettük szóközöket kell kinyomtatni.
PRT_003Ha egy teljes sor tartalma ismeretlen, vagy azt nem szükséges kinyomtatni, úgy a teljes sort el kell hagyni.
PRT_004A numerikus adatmezőket jobbra igazítva kell kinyomtatni, az ezresek és a milliók százasainak helyértékét szóköz választja el, és nincsenek kezdő nullák.
PRT_005A karakterláncokból álló adatmezőket balra igazítva kell kinyomtatni, és azokat szükség szerint az adatelem hosszáig szóközökkel kell feltölteni, vagy adott esetben az adatelem hosszának megfelelően kell levágni (nevek és címek).
2. ADATBLOKKOK JELLEMZŐI
E fejezetben a következő formátumjelölési konvenciók kerültek alkalmazásra:
- a félkövéren nyomtatott karakterek nyomtatandó rendes szöveget jelentenek (a nyomtatás rendes karakterekkel történik),
- a rendes karakterek változókat jelölnek (piktogramok vagy adatok), amelyek helyett nyomtatásnál az értékük jelenik meg,
- a változók neveit aláhúzás kíséri, amely a kérdéses változó rendelkezésére álló adatelem hosszát jelzi,
- a dátumok "nn/hh/éééé" formátumúak (nap, hónap, év). A "nn.hh.éééé" formátum is használható.
- a "kártyaazonosítás" a következő elemekből áll: a kártyatípus jelölése a megfelelő piktogram kombinációval, a kártyát kiállító tagállam kódja, ferde törtvonal, amelyet a kártyaszám követ, majd egy szóközzel elválasztott csereindex és megújítási index következik:
- [Kép #155]

Kép #155
PRT_006A kinyomatok a következő adatblokkokból, illetve adattételekből állnak, összhangban a következő jelentésekkel és formátumokkal:
Blokk vagy rekordszám Jelentés | Adatformátum |
1. A dokumentum nyomtatásának dátuma és időpontja | [Kép #156] dd/mm/yyyy hh:mm (UTC) |

Kép #156
2. Kinyomat típusa
Blokkazonosító | - - - - - - - - - [Kép #157] - - - - - - - - - - |
Kinyomat piktogram-kombináció (ld. 3. függelék), sebességkorlátozó készülék beállítása (kinyomat kizárólag gyorshajtás esetén). | Picto xxx km/h |

Kép #157
3. Kártyatulajdonos azonosítása
Blokkazonosító. P = személyi diagram | - - - - - - - - -P - - - - - - - - - |
Kártyatulajdonos családi neve | P Last_Name |
Kártyatulajdonos utóneve(i) (adott esetben) | First_Name |
Kártyaazonosítás | Card_Identification |
Kártya érvényességi ideje (adott esetben) | dd/mm/yyyy |
Ha nem személyhez kötött kártyáról van szó, és az nem tartalmazza a tulajdonos családi nevét, úgy ehelyett a vállalkozás vagy a műhely vagy az érintett ellenőrző szerv nevét kell kinyomtatni. |
4. Járműazonosítás
Blokkazonosító | - - - - - - - - - [Kép #158] - - - - - - - - - |
(jármű alvázszáma) VIN | [Kép #159] VIN |
Bejegyző tagállam és rendszám | Nat/VRN |

Kép #158

Kép #159
5. JE-azonosítás
Blokkazonosító | - - - - - - - - - [Kép #160] - - - - - - - - - |
JE gyártójának neve | [Kép #161] VU_Manufacturer |
JE alkatrészszám | VU_Part_Number |

Kép #160

Kép #161
6. A menetíró készülék utolsó kalibrálása
Blokkazonosító | - - - - - - - - - [Kép #162] - - - - - - - - - |
Műhely neve | [Kép #163] Last_Name |
Műhelykártya azonosítása | Card_Identification |
A kalibrálás dátuma | [Kép #164] dd/mm/yyyy |

Kép #162

Kép #163

Kép #164
7. Utolsó ellenőrzés (ellenőr által)
Blokkazonosító | - - - - - - - - - [Kép #165] - - - - - - - - - |
Ellenőrző személy kártyaazonosítása | Card_Identification |
Ellenőrzés dátuma, ideje és típusa | [Kép #166] dd/mm/yyyy hh:mm pppp |
Ellenőrzés típusa: Max. négy piktogram. Az ellenőrzés típusai a következők (vagy ezek kombinációi) lehetnek: [Kép #167] : kártyaletöltés, [Kép #168] : JE-letöltés, [Kép #169] : nyomtatás, [Kép #170] : kijelzés |

Kép #165

Kép #166

Kép #167

Kép #168

Kép #169

Kép #170
8. Egy kártyán időrendi sorrendben tárolt járművezetői tevékenységek
Blokkazonosító | - - - - - - - - - [Kép #171] - - - - - - - - - |
Leolvasás dátuma (a nyomtatás naptári napja) + napi kártyajelenlét-számláló | dd/mm/yyyy xxx |

Kép #171
8a. E nap kezdetén „menetíró készülék nem szükséges” üzemmód van bekapcsolva (ha nincs bekapcsolva „menetíró készülék nem szükséges” üzemmód, hagyja üresen) | OUT |
8.1. Azon időszak, amely alatt a kártya nem volt behelyezve
8.1a. Rekordazonosító (időtartam kezdete) | - - - - - - - - - - - - - - - - - - |
8.1b. Ismeretlen időtartam. Kezdet ideje, időtartam | [Kép #172] : hh:mm hhhmm |
8.1c. Kézzel betáplált tevékenység. | A: hh:mm hhhmm |
Tevékenységpiktogram, kezdet ideje, időtartam |

Kép #172
8.2. Kártyabehelyezés az S kártyaolvasó egységbe
Rekordazonosító; S kártyaolvasó nyílás piktogram | - - - - - - - - -S - - - - - - - - - |
A járművet bejegyző tagállam és rendszám | [Kép #173] Nat/VRN |
Jármű kilométer-számlálójának állása a kártya behelyezésekor | x xxx xxx km |

Kép #173
8.3. Tevékenység (behelyezett kártyánál)
Tevékenység-piktogram, kezdeti időpont, időtartam, személyzet állapota (személyzet piktogram, ha SZEMÉLYZET, üres hely, ha EGYEDÜLI). | A: hh:mm hhhmm [Kép #174] [Kép #175] |

Kép #174

Kép #175
8.3a. Különleges körülmény. Betáplálás ideje, különleges körülmény piktogram (vagy piktogram-kombináció). | hh:mm - - - pppp - - - |
8.4. Kártyakivétel
Jármű kilométer-számlálója állásának változása és a megtett távolság azon utolsó kártyába helyezés óta, amelyre vonatkozóan a kilométer-számláló értéke ismert | x xxx xxx km; x xxx km |
9. Kártyaolvasó egységenként a JE-ben tárolt járművezetői tevékenységek időrendi sorrendben
Blokkazonosító | - - - - - - - - - [Kép #176] - - - - - - - - - |
Leolvasás dátuma (a nyomtatás naptári napja) | dd/mm/yyyy |
Jármű kilométer-számlálójának állása 00:00 és 24:00 órakor | x xxx xxx – x xxx xxx km |

Kép #176
10. Az S kártyaolvasó egységben végzett tevékenységek
Blokkazonosító | - - - - - - - - - -S- - - - - - - - |
10a. E nap kezdetén „menetíró készülék nem szükséges” üzemmód van bekapcsolva (ha nincs bekapcsolva „menetíró készülék nem szükséges” üzemmód, hagyja üresen) | - - - - - - - - -OUT- - - - - - - - |
10.1. Azon időszak, amely alatt az S kártyaolvasó egységbe nincs kártya behelyezve
Rekordazonosító. | - - - - - - - - - - - - - - - - - - - |
Nincs behelyezve kártya | [Kép #177] [Kép #178] - - - |
Jármű kilométer-számlálójának állása az időszak kezdetén | x xxx xxx km |

Kép #177

Kép #178
10.2. Kártyabehelyezés
Kártya behelyezési rekordazonosító | - - - - - - - - - - - - - - - - - - |
Járművezető neve | [Kép #179] Last_Name |
Járművezető utóneve | First_Name |
Járművezetői kártya azonosítása | Card_Identification |
Járművezetői kártya érvényességi ideje | dd/mm/yyyy |
Azon tagállam, amelyben az előzőleg használt járművet bejegyezték, és e jármű rendszáma | [Kép #180] [Kép #181] Nat/VRN |
Az előző járműből történő kártyakivétel dátuma és időpontja | dd/mm/yyyy hh:mm |
Üres sor | |
Jármű kilométer-számlálójának állása, a járművezetői tevékenységek jelzésének kézi betáplálása (M, ha igen, üres, ha nem). | x xxx xxx km M |
Amennyiben a járművezetői kártya behelyezésére nem került sor azon a napon, amelyre vonatkozóan kinyomtatás történt, akkor a 10.2. blokk esetében a kilométer-számlálónak az előző napi legutolsó hozzáférhető kártyabehelyezésből származó állását kell felhasználni. |

Kép #179

Kép #180

Kép #181
10.3. Tevékenység
Tevékenység-piktogram, kezdet ideje, időtartam, személyzeti állapot (személyzet piktogram, ha SZEMÉLYZET, üres hely, ha EGYEDÜLI). | A : hh:mm hhhmm [Kép #182] [Kép #183] |

Kép #182

Kép #183
10.3a. Különleges körülmény. Betáplálás időpontja, különleges körülmény piktogram (vagy piktogram-kombináció). | hh:mm - - - pppp - - - |
10.4. Kártyakivétel vagy a "kártyamentes" időszak vége
Jármű kilométer-számlálójának állása a kártya kivételekor vagy a „kártyamentes” időszak végén és a behelyezéstől vagy a „kártyamentes” időszak kezdetétől megtett távolság. | x xxx xxx km; x xxx km |
11. Napi összegzés
Blokkazonosító | - - - - - - - - - [Kép #184] - - - - - - - - - |

Kép #184
11.1. A járművezetői kártyaolvasó egység kártya nélküli időszakainak JE összegzése
Blokkazonosító | 1 [Kép #185] [Kép #186] - - - |

Kép #185

Kép #186
11.2. A járműkísérői kártyaolvasó egység kártya nélküli időszakainak JE összegzése
Blokkazonosító | 2 [Kép #187] [Kép #188] - - - |

Kép #187

Kép #188
11.3. JE napi összegzése járművezetőnként
Rekordazonosító | - - - - - - - - - - - - - - - - - - |
Járművezető családi neve | [Kép #189] Last_Name |
Járművezető utóneve(i) | First_Name |
Járművezetői kártya érvényességi ideje | Card_Identification |

Kép #189
11.4. Azon hely betáplálása, ahol a munkanap kezdődik, illetve végződik
pi = hely kezdet/vég piktogram, idő, ország, régió, | pihh:mm Cou Reg |
Kilométer-számláló | x xxx xxx km |
11.5. Tevékenységek összértéke (kártyáról)
Teljes járművezetési időtartam, megtett távolság | [Kép #190] hhhmm x xxx km |
Teljes munkaidő és készenléti idő | [Kép #191] hhhmm [Kép #192] hhhmm |
Teljes pihenési és ismeretlen idő | [Kép #193] hhhmm [Kép #194] hhhmm |
Személyzeti tevékenységek teljes időtartama | [Kép #195] [Kép #196] hhhmm |

Kép #190

Kép #191

Kép #192

Kép #193

Kép #194

Kép #195

Kép #196
11.6. Tevékenységek összértéke (járművezetői kártyaolvasó egység nélküli időszakok)
Teljes járművezetési időtartam, megtett távolság | [Kép #197] hhhmm x xxx km |
Teljes munkaidő és készenléti idő | [Kép #198] hhhmm [Kép #199] hhhmm |
Teljes pihenési idő | [Kép #200] hhhmm |

Kép #197

Kép #198

Kép #199

Kép #200
11.7. Tevékenységek összértéke (járművezetői kártyaolvasó egység nélküli időszakok)
Teljes munkaidő és készenléti idő | [Kép #201] hhhmm [Kép #202] hhhmm |
Teljes pihenési idő | [Kép #203] hhhmm |

Kép #201

Kép #202

Kép #203
11.8. Tevékenységek összértéke (járművezetőnként, mindkét kártyaolvasó egységet beleértve)
Teljes járművezetési időtartam, megtett távolság | [Kép #204] hhhmm x xxx km |
Teljes munkaidő és készenléti idő | [Kép #205] hhhmm [Kép #206] hhhmm |
Teljes pihenési idő | [Kép #207] hhhmm |
Személyzeti tevékenységek teljes időtartama | [Kép #208] [Kép #209] hhhmm |
Ha az aktuális napra nézve napi kinyomat szükséges, úgy a kinyomtatás időpontjában rendelkezésre álló adatokból kell kiszámítani a napi összegzés adatait. |

Kép #204

Kép #205

Kép #206

Kép #207

Kép #208

Kép #209
12. A kártyán tárolt események, illetve hibák
12.1. Az utolsó 5 „esemény és hiba” blokkazonosítója a kártyáról | - - - - - - - - - [Kép #210] [Kép #211] [Kép #212] - - - - - - - - - |

Kép #210

Kép #211

Kép #212
12.2. Minden rögzített „esemény” blokkazonosítója a kártyán | - - - - - - - - - [Kép #213] [Kép #214] - - - - - - - - - |

Kép #213

Kép #214
12.3. Minden rögzített „hiba” blokkazonosítója a kártyán | - - - - - - - - - [Kép #215] [Kép #216] - - - - - - - - - |

Kép #215

Kép #216
12.4. Esemény, illetve hibarekord
Rekordazonosító | - - - - - - - - - - - - - - - - - - |
Esemény/hibapiktogram, rögzítés célja, kezdés dátuma/időpontja, | Pic (p) dd/mm/yyyy hh:mm |
További esemény/hibakód (adott esetben), időtartam | [Kép #217] xx hhhmm |
Azon jármű bejegyző tagállama és rendszáma, amelyben az esemény vagy hiba előfordult | [Kép #218] Nat/VRN |

Kép #217

Kép #218
13. Egy JE-ben tárolt vagy folyamatban lévő események, illetve hibák
13.1. Az utolsó 5 „esemény és hiba” blokkazonosítója a JE-ről | - - - - - - - - - [Kép #219] [Kép #220] [Kép #221] - - - - - - - - - |

Kép #219

Kép #220

Kép #221
13.2. Minden rögzített vagy folyamatban lévő „események” blokkazonosítója a JE-ben | - - - - - - - - - [Kép #222] [Kép #223] - - - - - - - - - |

Kép #222

Kép #223
13.3. Minden rögzített vagy folyamatban lévő „hibák” blokkazonosítója a JE-ben | - - - - - - - - - [Kép #224] [Kép #225] - - - - - - - - - |

Kép #224

Kép #225
13.4. Esemény, illetve hibarekord
Rekordazonosító | - - - - - - - - - - - - - - - - - - - |
Esemény/hibapiktogram, rögzítés célja, kezdés dátuma/időpontja, | Pic (p) dd/mm/yyyy hh:mm |
További esemény/hibakód (adott esetben), e napon történt hasonló események száma, időtartam | [Kép #226] xx (xxx) hhhmm |
Az esemény vagy hiba kezdetén vagy végén behelyezett kártyák azonosítása (max. 4 sor az azonos kártyaszámok ismétlése nélkül) | Card_Identification Card_Identification Card_Identification Card_Identification |
Olyan eset, amikor nem helyeztek be kártyát | [Kép #227] - - - |
A rögzítés célja (p) olyan numerikus kód megadása, amely megmagyarázza, hogy miért került az esemény vagy hiba rögzítésre, a kódolás az EventFaultRecordPurpose adatelemmel összhangban történik. |

Kép #226

Kép #227
14. JE azonosítása
Blokkazonosító | - - - - - - - - - [Kép #228] - - - - - - - - - |
JE gyártójának neve | [Kép #229] Name |
JE gyártójának címe | Address |
JE alkatrészszáma | PartNumber |
JE jóváhagyási száma | Apprv |
JE sorozatszáma | S/N |
JE gyártási éve | Yyyy |
JE szoftververzió és az installálás dátuma | V xxxx dd/mm/yyyy |

Kép #228

Kép #229
15. Szenzor azonosítása
Blokkazonosító | - - - - - - - - - [Kép #230] - - - - - - - - - |
Szenzor sorozatszáma | [Kép #231] S/N |
Szenzor jóváhagyási száma | Apprv |
Szenzor első installálásának dátuma | dd/mm/yyyy |

Kép #230

Kép #231
3. KINYOMATOK JELLEMZŐI
E fejezetben a következő jelölési konvenciókat használták:
[Kép #232] | Nyomtatási blokk vagy rekord N száma |
[Kép #233] | Nyomtatási blokk vagy rekord N száma annyiszor megismételve, ahányszor szükséges |
[Kép #234] | X illetve Y nyomtatási blokkok vagy tételek szükség szerint, és annyiszor megismételve, ahányszor szükséges |

Kép #232

Kép #233

Kép #234
3.1. Járművezetői tevékenységek kártyáról való napi kinyomata
PRT_007A járművezetői tevékenységek kártyáról való napi kinyomata összhangban van a következő formátumokkal:
1 | A dokumentum kinyomtatásának dátuma és időpontja |
2 | Kinyomtatott dokumentum típusa |
3 | Ellenőrző személy azonosítása (egy ellenőrzőkártya JE-be történő behelyezésekor) |
3 | Jármű azonosítása (jármű, amelyből a kinyomat vétele történik) |
4 | Jármű azonosítása (jármű, amelyből a kinyomat vétele történik) |
5 | JE azonosítása (JE, amelyből a kinyomat vétele történik) |
6 | E JE utolsó kalibrálása |
7 | Az ellenőrzött járművezető utolsó ellenőrzése |
8 | Járművezetői tevékenység határolójele |
8a | E nap kezdetén „menetíró készülék nem szükséges” üzemmód van bekapcsolva |
8.1a / 8.1b / 8.1c / 8.2 / 8.3 / 8.3a / 8.4 | A járművezető tevékenységei az előfordulás sorrendjében |
11 | Napi összegző határolójel |
11.4 | Betáplált helyek kronológiai sorrendben |
11.5 | Tevékenységek összértéke |
12.1 | A kártyáról kivont események vagy hibák határolójele |
12.4 | Esemény/hiba tételek (A kártyán tárolt utolsó 5 esemény vagy hiba) |
13.1 | A járműegységről kivont események vagy hibák határolójele |
13.4 | Esemény/hibatételek (a JE-en tárolt vagy folyamatban lévő utolsó 5 esemény vagy hiba) |
21.1 | Ellenőrzés helye |
21.2 | Ellenőrző személy aláírása |
21.5 | Járművezető aláírása |
3.2. tevékenységek járműegységből való napi kinyomata
PRT_008A járművezetői tevékenységek járműegységből való napi kinyomata összhangban van a következő formátummal:
1 | A dokumentum kinyomtatásának dátuma és időpontja |
2 | Kinyomtatott dokumentum típusa |
3 | Kártyatulajdonos azonosítása (a JE-be helyezett minden kártyára) |
4 | Jármű azonosítása (jármű, amelyből a kinyomat vétele történik) |
5 | JE azonosítása (JE, amelyből a kinyomat vétele történik) |
6 | E JE utolsó kalibrálása |
7 | E menetíró készüléken végzett utolsó ellenőrzés |
9 | Járművezetői tevékenység határolójele |
10 | Járművezetői kártyaolvasó egység határolójele (1 kártyaolvasó egység) |
10a | E nap kezdetén „menetíró készülék nem szükséges” üzemmód van bekapcsolva |
10.1 / 10.2 / 10.3 /10.3a / 10.4 | Tevékenységek időrendi sorrendben (járművezetői kártyaolvasó egység) |
10 | Járműkísérői kártyaolvasó egység határolójele (2 kártyaolvasó egység) |
10a | E nap kezdetén „menetíró készülék nem szükséges” üzemmód van bekapcsolva |
10.1 / 10.2 / 10.3 /10.3a / 10.4 | Tevékenységek időrendi sorrendben (Járműkísérői kártyaolvasó egység) |
11 | Napi összegző határolójel |
11.1 | A járművezetői kártyaolvasó egység kártya nélküli időszakainak összegzése |
11.4 | Időrendi sorrendben betáplált helyek |
11.6 | Tevékenységek összértéke |
11.2 | A járműkísérői kártyaolvasó egység kártya nélküli időszakainak összegzése |
11.4 | Időrendi sorrendben betáplált helyek |
11.8 | Tevékenységek összértéke |
11.3 | Tevékenységek összegzése egy járművezetőre, mindkét kártyahelyet beleértve |
11.4 | E járművezető által időrendi sorrendben betáplált helyek |
11.7 | Tevékenységek összértéke e járművezetőre nézve |
13.1 | Esemény, hiba határolójel |
13.4 | Esemény/hibatételek (a JE-en tárolt vagy folyamatban lévő utolsó 5 esemény vagy hiba) |
21.1 | Ellenőrzés helye |
21.2 | Ellenőrző személy aláírása |
21.3 | Időponttól (hely, amelyben a járművezető kártya nélkül megadhatja a számára releváns időtartamokat) |
21.4 | Időpontig |
21.5 | Járművezető aláírása |
3.3. Események és hibák kinyomata a kártyáról
PRT_009Az események és hibák kinyomata a kártyáról összhangban van a következő formátummal:
[Kép #235] | A dokumentum kinyomtatásának dátuma és időpontja |
[Kép #236] | Kinyomtatott dokumentum típusa |
[Kép #237] | Ellenőrző személy azonosítása (ha az ellenőrzőkártya a JE-be van helyezve) |
[Kép #238] | Járművezető azonosítása (azon kártyáról, amelyre a kinyomat vonatkozik) |
[Kép #239] | Jármű azonosítása (jármű, amelyből a kinyomat vétele történik) |
[Kép #240] | Esemény határolójele |
[Kép #241] | Eseménytételek (a kártyán tárolt minden esemény) |
[Kép #242] | Hiba határoló jel |
[Kép #243] | Hibatételek (a kártyán tárolt minden esemény) |
[Kép #244] | Ellenőrzés helye |
[Kép #245] | Ellenőrző személy aláírása |
[Kép #246] | Járművezető aláírása |

Kép #235

Kép #236

Kép #237

Kép #238

Kép #239

Kép #240

Kép #241

Kép #242

Kép #243

Kép #244

Kép #245

Kép #246
3.4. Események és hibák kinyomata a járműegységből
PRT_010Az események és hibák kivonata a járműegységből összhangban van a következő formátummal:
[Kép #247] | A dokumentum kinyomtatásának dátuma és időpontja |
[Kép #248] | Kinyomtatott dokumentum típusa |
[Kép #249] | Kártyatulajdonos azonosítása (a JE-be helyezett minden kártyára) |
[Kép #250] | Jármű azonosítása (jármű, amelyből a kinyomat vétele történik) |
[Kép #251] | Esemény határolójele |
[Kép #252] | Eseménytételek (a JE-en tárolt vagy folyamatban lévő minden esemény) |
[Kép #253] | Hibák határolójele |
[Kép #254] | Hibatételek (a JE-en tárolt vagy folyamatban lévő minden hiba) |
[Kép #255] | Ellenőrzés helye |
[Kép #256] | Ellenőrző személy aláírása |
[Kép #257] | Járművezető aláírása |

Kép #247

Kép #248

Kép #249

Kép #250

Kép #251

Kép #252

Kép #253

Kép #254

Kép #255

Kép #256

Kép #257
3.5. Műszaki adatok kinyomata
PRT_011A műszaki adatok kinyomata összhangban van a következő formátummal:
[Kép #258] | A dokumentum kinyomtatásának dátuma és időpontja |
[Kép #259] | Kinyomtatott dokumentum típusa |
[Kép #260] | Kártyatulajdonos azonosítása (a JE-be helyezett minden kártyára) |
[Kép #261] | Jármű azonosítása (jármű, amelyből a kinyomat vétele történik) |
[Kép #262] | JE azonosítása |
[Kép #263] | Szenzorok azonosítása |
[Kép #264] | Kalibrálási adatok határolójele |
[Kép #265] | Kalibrálási tételek (minden rendelkezésre álló rekord kronológiai sorrendben) |
[Kép #266] | Időbeállítás határolójele |
[Kép #267] | Időbeállítási tételek (minden rendelkezésre álló rekord az időbeállításhoz és a kalibráláshoz |
[Kép #268] | A JE-ben rögzített legutóbbi esemény és hiba |

Kép #258

Kép #259

Kép #260

Kép #261

Kép #262

Kép #263

Kép #264

Kép #265

Kép #266

Kép #267

Kép #268
3.6. Gyorshajtás kinyomata
PRT_012A gyorshajtás kinyomata összhangban van a következő formátummal:
[Kép #269] | A dokumentum kinyomtatásának dátuma és időpontja |
[Kép #270] | Kinyomtatott dokumentum típusa |
[Kép #271] | Kártyatulajdonos azonosítása (a JE-be helyezett minden kártyára) |
[Kép #272] | Jármű azonosítása (jármű, amelyből a kinyomat vétele történik) |
[Kép #273] | Gyorshajtás ellenőrzésére vonatkozó információ |
[Kép #274] | Gyorshajtás-adatazonosító |
[Kép #275] | Első gyorshajtás az utolsó kalibrálás után |
[Kép #276] | Gyorshajtás-adatazonosító |
[Kép #277] | Az 5 legsúlyosabb gyorshajtási esemény a legutóbbi 365 napban |
[Kép #278] | Gyorshajtás-adatazonosító |
[Kép #279] | A legutóbbi 10 nap eseményei közül a legsúlyosabb |
[Kép #280] | Ellenőrzési hely |
[Kép #281] | Ellenőrző személy aláírása |
[Kép #282] | Járművezető aláírása |

Kép #269

Kép #270

Kép #271

Kép #272

Kép #273

Kép #274

Kép #275

Kép #276

Kép #277

Kép #278

Kép #279

Kép #280

Kép #281

Kép #282
5. függelék
KIJELZŐ
E függelékben a következő megjelölési konvenciókat kell használni:
- a félkövéren szedett karakterek a megjelenítendő normál szöveget jelölik (a kijelző normál karaktereken marad),
- a normál karakterek változókat jelölnek (piktogramok vagy adatok), amelyek helyett kijelzéskor az értékeik jelennek meg:
-
dd mm yyyy : nap, hónap, év
hh : órák
mm : percek
D : időtartam-piktogram
EF : esemény vagy hiba piktogram-kombináció
O : üzemmód-piktogram
DIS_001A menetíró készülék az adatokat a következő formátumban jeleníti meg:
Adatok | Formátum |
Alapértelmezésű kijelzés | |
Helyi idő | hh:mm |
Üzemmód | O |
Járművezetőre vonatkozó információ | [Kép #283] Dhhhmm [Kép #284] hhhmm |
Járműkísérőre vonatkozó információ | [Kép #285] Dhhhmm |
„Menetíró készülék nem szükséges” üzemmód bekapcsolva | [Kép #286] |
Figyelmeztető kijelzés | |
Folyamatos járművezetési idő túllépése | [Kép #287] [Kép #288] hhhmm [Kép #289] hhhmm |
Esemény vagy hiba | EF |
Egyéb kijelzések | |
UTC dátum | UTC [Kép #290] dd/mm/yyyy vagy UTC [Kép #291] dd.mm.yyyy |
időpont | hh:mm |
Járművezető folyamatos járművezetési ideje és az összegzett szünetidők | [Kép #292] [Kép #293] hhhmm [Kép #294] hhhmm |
Járműkísérő folyamatos járművezetési ideje és az összegzett szünetidők | [Kép #295] [Kép #296] hhhmm [Kép #297] hhhmm |
Járművezető összegzett járművezetési ideje az előző és a folyó héten | [Kép #298] [Kép #299] [Kép #300] hhhhmm |
Járműkísérő összegzett járművezetési ideje az előző és a folyó héten | [Kép #301] [Kép #302] [Kép #303] hhhhmm |

Kép #283

Kép #284

Kép #285

Kép #286

Kép #287

Kép #288

Kép #289

Kép #290

Kép #291

Kép #292

Kép #293

Kép #294

Kép #295

Kép #296

Kép #297

Kép #298

Kép #299

Kép #300

Kép #301

Kép #302

Kép #303
6. függelék
KÜLSŐ INTERFÉSZEK
TARTALOM
1. Hardver ...
1.1. Csatlakozó ...
1.2. Érintkező kiosztás ...
1.3. Tömbvázlat ...
2. Letöltő interfész ...
3. Kalibrálási interfész ...
1. HARDVER
1.1. Csatlakozó
INT_001A letöltő/kalibrálási csatlakozó egy hatpólusú csatlakozó, amely az előlap felől hozzáférhető anélkül, hogy a menetíró készülék valamely elemét szét kellene kapcsolni, és annak meg kell felelnie a következő vázlatnak (minden méret milliméterben értendő):

A következő ábra egy tipikus hatpólusú csatlakozót ábrázol:

1.2. Érintkezőkiosztás
INT_002Az érintkezők a következő táblázattal összhangban kerülnek kiosztásra:
Érintkező | Megnevezés | Megjegyzés |
1 | Az akkumulátor negatív pólusa | A jármű akkumulátorának negatív pólusához kapcsolva |
2 | Adatkommunikáció | K-vonal (ISO 14 230-1) |
3 | RxD - letöltés | Adatbevitel a menetíró készülékbe |
4 | Bemenő/kimenő jel | Kalibrálás |
5 | Állandó kimeneti teljesítmény | A feszültségtartományt úgy kell meghatározni, hogy a jármű mínusz 3 V-os áramforrása lehetővé tegye a védelmi áramkör feszültségesését. Kimenő áramerősség: 40 mA |
6 | TxD - letöltés | Adatkimenet a menetíró készülékről |
1.3. Tömbvázlat
INT_003A tömbvázlat megfelel a következőknek:

2. LETÖLTŐ INTERFÉSZ
INT_004A letöltő interfésznek megfelel az RS232 előírásoknak.
INT_005A letöltő interfész egy startbitet, 8 adatbitet (ahol az első helyen a legalacsonyabb értékű bit áll), egy páros paritás bitet és 1 stop bitet használ.

Adatbájt felépítése
Start bit : egy bit a 0 logikai szinten
Adatbitek : a legalacsonyabb értékű bit átvitele első helyen
Paritás bit : páros paritás
Stop bit : egy bit az 1 logikai szinten
Ha egynél több bájtot tartalmazó numerikus adatok kerülnek átvitelre, a rendszer a legmagasabb helyi értékű bájtot viszi át először és a legkisebb helyi értékű bájtot utoljára.
INT_006Az átviteli bitsebesség 9 600bps-től 115 200bps-ig állítható. Az átvitel a lehető legnagyobb átviteli sebességgel történik, a kezdeti baud-sebesség a kommunikáció kezdetétől számítva 9 600bps.
3. KALIBRÁLÁSI INTERFÉSZ
INT_007Az adatkommunikáció megfelel az ISO 14 230-1 szabványnak - Közúti járművek - Diagnosztikai rendszerek - Kulcsszó protokoll 2000 -1. rész: Bitátvieli réteg, Első kiadás: 1999.
INT_008A bemenő/kimenő jel megfelel a következő elektromos paramétereknek:
Paraméter | Minimum | Tipikus | Maximum | Megjegyzés |
Ulow (bemenő) | 1,0 V | I = 750 μA | ||
Uhigh (bemenő) | 4 V | I = 200 μA | ||
Frekvencia | 4 kHz | |||
Ulow (bemenő) | 1,0 V | I = 1 mA | ||
Uhigh (kimenő) | 4 V | I = 1 mA |
INT_009A bemenő/kimenő jel megfelel a következő időzítési diagramoknak:
Szenzor jel (ki) | [Kép #304] |
Vizsgálójel (be) | [Kép #305] |
UTC órajel (ki) | [Kép #306] |

Kép #304

Kép #305

Kép #306
7. függelék
ADATLETÖLTÉSI PROTOKOLLOK
TARTALOM
1. Bevezetés ...
1.1. Érvényességi tartomány ...
1.2. Betűszavak és jelölési módok ...
2. Adatok letöltése a járműegységről ...
2.1. Letöltési eljárás ...
2.2. Adatletöltési protokoll ...
2.2.1. Az üzenetek struktúrája ...
2.2.2. Az üzenetek típusai ...
2.2.2.1. A "Kommunikáció megkezdése" kérés (SID 81) ...
2.2.2.2. "Kommunikáció megkezdése" kérésre adott pozitív válasz (SID C1) ...
2.2.2.3. A "Diagnosztikai szakasz elindítása" kérés (SID 10) ...
2.2.2.4. "Diagnosztikai szakasz elindítása" kérésre adott pozitív válasz (SID 50) ...
2.2.2.5. Kapcsolat-ellenőrző szolgáltatás (SID 87) ...
2.2.2.6. A kapcsolat-ellenőrzésre adott pozitív válasz (SID C7) ...
2.2.2.7. Feltöltés kérése (SID 35) ...
2.2.2.8. A feltöltés kérésére adott pozitív válasz (SID 75) ...
2.2.2.9. Adatátvitel kérése (SID 36) ...
2.2.2.10. Az adatátvitel kérésére adott pozitív válasz (SID 76) ...
2.2.2.11. Átvitel megszakításának kérése (SID 37) ...
2.2.2.12. Az átvitel megszakításának kérésére adott pozitív válasz (SID 77) ...
2.2.2.13. "Kommunikáció leállítása" kérés (SID 82) ...
2.2.2.14. A "Kommunikáció leállítása" kérésre adott pozitív válasz (SID C2) ...
2.2.2.15. Alüzenet visszaigazolása (SID 83) ...
2.2.2.16. Negatív válasz (SID 7F) ...
2.2.3. Üzenetáramlás ...
2.2.4. Szinkronozás ...
2.2.5. A hibák kezelése ...
2.2.5.1. A kommunikációs szakasz megkezdése ...
2.2.5.2. Kommunikációs szakasz ...
2.2.6. A válaszüzenet tartalma ...
2.2.6.1. Adatátviteli összegzésre adott pozitív válasz ...
2.2.6.2. A tevékenységekre vonatkozó adatok átvitelének kérésére adott pozitív válasz ...
2.2.6.3. Az eseményekre és hibákra vonatkozó adatok átvitelének kérésére adott pozitív válasz ...
2.2.6.4. A jármű sebességére vonatkozó adatok átvitelének kérésére adott pozitív válasz ...
2.2.6.5. A műszaki adatok átvitelének kérésére adott pozitív válasz ...
2.3. ESM fájlok tárolása ...
3. Tachográfkártya-letöltési protokoll ...
3.1. Érvényességi tartomány ...
3.2. Meghatározások ...
3.3. A kártya letöltése ...
3.3.1. Inicializálási szekvencia ...
3.3.2. Az alá nem írt adatfájlok szekvenciája ...
3.3.3. Az aláírt adatfájlok szekvenciája ...
3.3.4. A kalibrálási számláló alaphelyzetbe történő visszaállításának szekvenciája ...
3.4. Az adatok tárolási formátuma ...
3.4.1. Bevezetés ...
3.4.2. A fájlok formátuma ...
4. A tachográf-kártya adatainak letöltése a járműegységen keresztül ...
1. BEVEZETÉS
E függelék tartalmazza azon eljárásokat, amelyeket a külső tárolóeszközökre történő különféle típusú adatletöltések érdekében követni kell, valamint meghatározza azon protokollokat, amelyeket fel kell használni a megfelelő adatátvitel, valamint a letöltött adatok formátuma teljes kompatibilitásának biztosítása érdekében azért, hogy bármely ellenőrző személy megvizsgálhassa ezen adatokat, és elemzésük előtt meggyőződhessen hitelességükről és sértetlenségükről.
1.1. Érvényességi tartomány
Adatok letölthetők külső tárolóeszközre (ESM):
- egy járműegységről egy, a JE-gel összekapcsolt intelligens kijelölt berendezés (IDE) útján,
- egy tachográf-kártyáról egy IDE útján, amely fel van szerelve egy kártya-interfész eszközzel (IFD),
- egy tachográf-kártyáról egy járműegységen keresztül egy, a JE-gel összekapcsolt IDE felhasználásával.
Annak érdekében, hogy a külső tárolóeszközön tárolt, letöltött adatok hitelességét és sértetlenségét ellenőrizni lehessen, az adatokat a 11. függelékkel (Közös Biztonsági Mechanizmusok) összhangban mellékelt aláírással együtt kell letölteni. Ezenkívül le kell tölteni a forrásberendezés (JE vagy kártya) azonosítóját és biztonsági bizonyítványait (tagállami és felszerelési). Az adatok vizsgálója rendelkezik egy megbízható európai nyilvános kulccsal.
DDP_001Az egy adott letöltési szakasz során letöltött adatokat a külső tárolóeszközön egyetlen fájlban kell tárolni.
1.2. Betűszavak és jelölési módok
E függelékben a következő betűszavakat kell használni:
AID alkalmazásazonosító
ATR válasz a visszaállításra
CS ellenőrzőösszeg-bájt
DF kijelölt fájl
DS_ diagnosztikai szakasz
EF elemi fájl
ESM külső tárolóeszköz
FID fájlazonosító (File ID)
FMT formátumbájt (az üzenet fejrészének első bájtja)
ICC integrált áramkörű kártya
IDE intelligens kijelölt berendezés: olyan berendezés, amellyel a külső tárolóeszközre (például személyi számítógépre) adatletöltés végezhető
IFD interfészeszköz
KWP kulcsszóprotokoll 2000
LEN hosszbájt (az üzenet fejrészének utolsó bájtja)
PPS protokoll paraméter kiválasztás
PSO biztonsági művelet végrehajtása
SID szolgáltatásazonosító
SRC forrásbájt
TGT célbájt
TLV hosszérték tag
TREP átviteli válasz paraméter
TRTP átviteli kérés paraméter
VU járműegység
2. ADATOK LETÖLTÉSE A JÁRMŰEGYSÉGRŐL
2.1. Letöltési eljárás
Az adatok JE-ről történő letöltésének végrehajtásához az operátornak el kell végeznie a következő műveleteket:
- tachográf-kártyája behelyezése a JE kártyaolvasó egységbe ( 25 ),
- az IDE összekapcsolása a JE letöltési konnektorával.
- kapcsolatot létrehozása az IDE és a JE között,
- az IDE-n letöltendő adatok kiválasztása és a kérés elküldése a JE-re,
- a letöltési szakaszt befejezése.
2.2. Adatletöltési protokoll
A protokoll master-slave alapon strukturált, ahol az IDE tölti be a master szerepét, a JE pedig a slave szerepét.
Az üzenetek struktúrája, típusai és áramlása alapvetően a kulcsszó protokoll 2000-re (KWP) épül (ISO 14230-2 Közúti járművek - Diagnosztikai rendszerek - Kulcsszó protokoll 2000 - 2. rész: Adatkapcsolati réteg).
Az alkalmazási réteg alapvetően az ISO 14229-1 aktuális tervezetére épül (Közúti járművek - Diagnosztikai rendszerek - 1. rész: Diagnosztikai szolgáltatások, 2001. február 22-i 6. változat).
2.2.1. Az üzenetek struktúrája
DDP_002Az IDE és a járműegység között kicserélt összes üzenet egy három részből álló struktúra szerint formázott:
- fejrész, amely egy formátum bájtból (FMT), egy célbájtból (TGT), egy forrásbájtból (SRC) és lehetőleg egy hosszbájtból áll (LEN),
- adatmező, amely egy szolgáltatás azonosító bájtból (SID) és változó számú adatbájtból áll, amelyek között szerepelhet egy választható diagnosztikai szakasz bájt (DS_), vagy egy választható transzferparaméter bájt (TRTP vagy TREP).
- ellenőrző összeg, amely egy ellenőrző bájtból áll (CS).
Fejrész | Adatmező | Ellenőrző összeg | |||||||
FMT | TGT | SRC | LEN | SID | ADAT | … | … | … | CS |
4 bájt | Maximum 225 bájt | 1 bájt |
A célbájt (TGT) és a forrásbájt (SRC) az üzenet fogadójának és feladójának fizikai címét jeleníti meg. Az IDE értéke F0 Hex, a JE értéke pedig EE Hex.
A hosszbájt (LEN) az adatmező hosszát jelenti.
Az ellenőrző bájt 8 biten tartalmazza az üzenet összes bájtja összegének - az ellenőrzőbájt kivételével - 256-tal történő osztási maradékát.
Az FMT, SID, DS_, TRTP és TREP bájtok meghatározása e dokumentum más részében történik.
DDP_003Amennyiben azon adatok, amelyeket az üzenetnek hordoznia kell, hosszabbak, mint az adatmezőben rendelkezésre álló hely, úgy az üzenet tényleges elküldése több alüzenet formájában történik meg. Minden egyes alüzenet egy fejrészből, ugyanolyan szolgáltatásazonosítóból (SID), átviteliválasz- paraméterből (TREP) és egy két bájtból álló olyan alüzenetszámlálóból áll, amely feltünteti az alüzenet számát a teljes üzeneten belül. A hibaellenőrzés és a megszakítás lehetővé tétele érdekében az IDE minden egyes alüzenetet visszaigazol. Az IDE képes fogadni az alüzeneteket, kérni azok újbóli átvitelét, és képes arra, hogy felszólítsa a JE-t az átvitel újraindítására vagy megszakítására.
DDP_004Amennyiben a legutolsó alüzenet pontosan 255 bájtot tartalmaz az adat-mezőben, úgy csatolni kell egy utolsó alüzenetet üres adatmezővel (az SID TREP és az alüzenet számláló kivételével) az üzenet végének jelölése céljából.
Példa:
Fejrész | SID | TREP | Üzenet | CS |
4 bájt | 255 bájtnál hosszabb |
Ezt a következőképpen kell továbbítani:
Fejrész | SID | TREP | 00 | 01 | 1. alüzenet | CS |
4 bájt | 255 bájt |
Fejrész | SID | TREP | 00 | 01 | 2. alüzenet | CS |
4 bájt | 255 bájt |
...
Fejrész | SID | TREP | xx | yy | n. alüzenet | CS |
4 bájt | 255 bájtnál kevesebb |
vagy:
Fejrész | SID | TREP | 00 | 01 | 1. alüzenet | CS |
4 bájt | 255 bájt |
Fejrész | SID | TREP | 00 | 02 | 2. alüzenet | CS |
4 bájt | 255 bájt |
...
Fejrész | SID | TREP | xx | yy | n. alüzenet | CS |
4 bájt | 255 bájt |
Fejrész | SID | TREP | xx | yy+1 | CS |
4 bájt | 4 bájt |
2.2.2. Az üzenetek típusai
A JE és az IDE közötti adatletöltéshez szükséges kommunikációs protokoll nyolc különféle típusú üzenet cseréjét követeli meg.
A következő táblázat összefoglalja ezen üzeneteket.
Az üzenet struktúrája | Maximum 4 bájt Fejrész | Maximum 255 bájt Adatok | 1 bájt Ellenőrző összeg | |||||
IDE -><- VU | FMT | TGT | SRC | LEN | SID | DS_/TRTP | DATA | CS |
„Kommunikáció megkezdése” kérés | 81 | EE | F0 | 81 | E0 | |||
A „Kommunikáció megkezdése” kérésre adott pozitív válasz | 80 | F0 | EE | 03 | C1 | EA, 8F | 9B | |
„Diagnosztikai szakasz elindítása” kérés | 80 | EE | F0 | 02 | 10 | 81 | F1 | |
A „Diagnosztikai szakasz elindítása” kérésre adott pozitív válasz | 80 | F0 | EE | 02 | 50 | 81 | 31 | |
Kapcsolatellenőrző szolgáltatás | ||||||||
A Baud-érték ellenőrzése (1. szakasz) | ||||||||
9 600. Bd | 80 | EE | F0 | 04 | 87 | 01,01,01 | EC | |
19 200. Bd | 80 | EE | F0 | 04 | 87 | 01,01,02 | ED | |
38 400. Bd | 80 | EE | F0 | 04 | 87 | 01,01,03 | ED | |
57 600. Bd | 80 | EE | F0 | 04 | 87 | 01,01,04 | EF | |
115 200. Bd | 80 | EE | F0 | 04 | 87 | 01,01,05 | F0 | |
A „Baud-érték ellenőrzése” kérésre adott pozitív válasz | 80 | F0 | EE | 02 | C7 | 01 | 28 | |
Átmeneti Baud-érték (2. szakasz) | 80 | EE | F0 | 03 | 87 | 02,03 | ED | |
Feltöltés kérése | 80 | EE | F0 | 0A | 35 | 00,00,00,00,00,FF,FF,FF,FF | 99 | |
A feltöltés kérésére adott pozitív válasz | 80 | F0 | EE | 03 | 75 | 00,FF | D5 | |
Adatátvitel kérése | ||||||||
Áttekintés | 80 | EE | F0 | 02 | 36 | 01 | 97 | |
Tevékenységek | 80 | EE | F0 | 06 | 36 | 02 | Dátum | CS |
Események és hibák | 80 | EE | F0 | 02 | 36 | 03 | 99 | |
Részletes sebesség | 80 | EE | F0 | 02 | 36 | 04 | 9A | |
Műszaki adatok | 80 | EE | F0 | 02 | 36 | 05 | 9B | |
Kártya letöltése | 80 | EE | F0 | 02 | 36 | 06 | 9C | |
Az adatátvitel kérésére adott pozitív válasz | 80 | F0 | EE | Len | 76 | TREP | Adat | CS |
Átvitel megszakításának kérése | 80 | EE | F0 | 01 | 37 | 96 | ||
Az átvitel megszakításának kérésére adott pozitív válasz | 80 | F0 | EE | 01 | 77 | D6 | ||
„Kommunikáció leállítása” kérés | 80 | EE | F0 | 01 | 82 | E1 | ||
A „Kommunikáció leállítása” kérésre adott pozitív válasz | 80 | F0 | EE | 01 | C2 | 21 | ||
Alüzenet visszaigazolása | 80 | EE | F0 | Len | 83 | Adat | CS | |
Negatív válaszok | ||||||||
Általános elutasítás | 80 | F0 | EE | 03 | 7F | Sid req | 10 | CS |
A szolgáltatás nem támogatott | 80 | F0 | EE | 03 | 7F | Sid req | 11 | CS |
Az alfunkció nem támogatott | 80 | F0 | EE | 03 | 7F | Sid req | 12 | CS |
Az üzenet hossza helytelen | 80 | F0 | EE | 03 | 7F | Sid req | 13 | CS |
A feltételek nem megfelelőek, vagy hiba a kérési szekvenciában | 80 | F0 | EE | 03 | 7F | Sid req | 22 | CS |
Tartományon kívüli kérés | 80 | F0 | EE | 03 | 7F | Sid req | 31 | CS |
Feltöltés elutasítva | 80 | F0 | EE | 03 | 7F | Sid req | 50 | CS |
Válasz függőben | 80 | F0 | EE | 03 | 7F | Sid req | 78 | CS |
Adatok nem állnak rendelkezésre | 80 | F0 | EE | 03 | 7F | Sid req | FA | CS |
Megjegyzések: — Sid Req: A vonatkozó kérés szolgáltatásazonosítója (SID). — TREP: A vonatkozó kérés átvitelikérés-paramétere (TRTP) — A sötét cellák azt jelzik, hogy nem történik adatátvitel. — A „feltöltés” kifejezést kell használni (mint az IDE-nél) az ISO 14229-cel történő kompatibilitás érdekében. Ugyanazt jelenti, mint a „letöltés” kifejezés (mint a járműegységnél). — E táblázatban nem szerepelnek kétbájtos potenciális alüzenetszámlálók. |
2.2.2.1. A "Kommunikáció megkezdése" kérés (SID 81)
DDP_005Ezen üzenetet az IDE küldi el azért, hogy létrehozza a kommunikációs kapcsolatot a JE-vel. A kezdeti kommunikációk mindig 9 600 Baud szinten zajlanak (amíg az átviteli sebesség a megfelelő kapcsolatellenőrzési szolgáltatás segítségével meg nem változik).
2.2.2.2. A "Kommunikáció megkezdése" kérésre adott pozitív válasz (SID C1)
DDP_006Ezen üzenetet a JE küldi el, mint a "Kommmunikáció megkezdése" kérésre adott pozitív választ. Két kulcsbájtot, az "EA" és a "8F" bájtot tartalmaz, amelyek azt jelzik, hogy az egység támogatja a protokollt a fejrésszel, beleértve a célra, a forrásra és a hosszra vonatkozó információkat is.
2.2.2.3. A "Diagnosztikai szakasz elindítása" kérés (SID 10)
DDP_007A "Diagnosztikai szakasz elindítása" kérésüzenetet az IDE küldi el azért, hogy egy új diagnosztikai szakaszt kezdjen a JE-vel. Az "alapértelmezett szakasz" alfunkció (81 Hex) a megnyitandó szabványos diagnosztikai szakaszra utal.
2.2.2.4. A "Diagnosztikai szakasz elindítása" kérésre adott pozitív válasz (SID 50)
DDP_008A "Diagnosztikai szakasz elindítása" kérésre adott pozitív választ a JE küldi el azért, hogy pozitív választ adjon a diagnosztikai szakasz kérése üzenetre.
2.2.2.5. Kapcsolat-ellenőrző szolgáltatás (SID 87)
DDP_052A kapcsolatellenőrző szolgáltatást az IDE használja a Baud-érték megváltoztatásának kezdeményezésére. Erre két lépésben kerül sor. Az első lépésben az IDE javaslatot tesz a Baud-érték megváltoztatására az új érték feltüntetésével. Miután megkapja a pozitív üzenetet a JE-től, az IDE elküldi a Baud-érték megváltoztatásának megerősítését a JE-nek (második lépés). Ezután az IDE átáll az új Baud-értékre. A megerősítés vétele után a JE átáll az új Baud-értékre.
2.2.2.6. A kapcsolat-ellenőrzésre adott pozitív válasz (SID C7)
DDP_053A kapcsolat-ellenőrzésre adott pozitív választ a JE küldi el azért, hogy pozitív választ adjon a kapcsolat-ellenőrző szolgáltatásra vonatkozó kérésre (első lépés). A megerősítés kérése (második lépés) ezzel szemben nem kerül megválaszolásra.
2.2.2.7. Feltöltés kérése (SID 35)
DDP_009A feltöltés kérése üzenetet az IDE küldi el azért, hogy a JE számára jelezze azt, hogy egy feltöltési művelet végrehajtását kéri. Az ISO 14229 követelményeinek kielégítése érdekében az adatok tartalmazzák a kért adatok címére, méretére és formátumára vonatkozó részleteket. Mivel az IDE e részleteket nem ismeri a letöltést megelőzően, a memóriacím értékét 0-ra, a formátumot rejtjelezés és tömörítés nélkülire, a memória méretét pedig maximálisra kell beállítani.
2.2.2.8. A feltöltés kérésére adott pozitív válasz (SID 75)
DDP_010A feltöltés kérésére adott pozitív választ a JE küldi el azért, hogy jelezze az IDE-nek azt, hogy a JE készen áll az adatok letöltésére. Az ISO 14229 követelményeinek kielégítése érdekében az e pozitív üzenetben szereplő adatok azt jelzik az IDE-nek, hogy egy adatátviteli kérésre adott további pozitív válaszüzenetek legfeljebb 00FF hex bájtot fognak tartalmazni.
2.2.2.9. Adatátvitel kérése (SID 36)
DDP_011Az adatátvitelre vonatkozó kérést az IDE küldi el azért, hogy a JE számára meghatározza a letöltendő adatok típusát. Egy egybájtos átviteli kérésparaméter (TRTP) jelzi az átvitel típusát.
Az adatátvitelnek hat típusa van:
- áttekintés (TRTP 01),
- egy meghatározott dátum tevékenységei (TRTP 02),
- események és hibák (TRTP 03),
- részletes sebesség (TRTP 04),
- műszaki adatok (TRTP 05),
- kártya letöltése (TRTP 06).
DDP_054Az IDE-nek feltétlenül kérnie kell az áttekintési adatok átvitelét (TRTP 01) a letöltési szakasz során, mivel csak ez biztosítja azt, hogy a JE bizonylatai feljegyzésre kerüljenek a letöltött fájlban (és lehetővé tegye a digitális aláírás hitelesítését).
A második esetben (TRTP 02) az adatátviteli kérésüzenet tartalmazza a letöltendő naptári nap adatait (TimeReal formátum).
2.2.2.10. Az adatátviteli kérésre adott pozitív válasz (SID 76)
DDP_012Az adatátviteli kérésre adott pozitív választ a JE küldi el az adatátviteli kérésre adott válaszként. Az üzenet tartalmazza a kért adatokat és azt az átviteli válaszparamétert (TREP), amely megfelel a kérés átviteli válaszparaméterének.
DDP_055Az első esetben (TREP 01) a JE elküldi az adatokat azért, hogy segítséget nyújtson az IDE operátorának azon adatok kiválasztásához, amelyek letöltését folytatni kívánja. Ezen üzenet a következő információkat tartalmazza:
- biztonsági igazolások,
- a jármű azonosító adatai,
- a JE aktuális dátuma és ideje,
- minimális és maximális letölthető dátum (JE adatai),
- a JE-be helyezett kártyák adatai,
- korábbi letöltések egy vállalkozás számára,
- vállalkozási zárak,
- korábbi ellenőrzések.
2.2.2.11. Átvitel befejezése kérés (SID 37)
DDP_013Az átvitel befejezése kérést az IDE küldi el azért, hogy tájékoztassa a JE-et a letöltési szakasz befejezéséről.
2.2.2.12. Az átvitel befejezése kérésre adott pozitív válasz (SID 77)
DDP_014Az átvitel befejezése kérésre adott pozitív válaszüzenetet a JE küldi el azért, hogy visszaigazolja az átvitel befejezése kérést.
2.2.2.13. "Kommunikáció leállítása" kérés (SID 82)
DDP_015A "Kommunikáció leállítása" kérést az IDE küldi el azért, hogy megszakítsa a kommunikációs kapcsolatot a járműegységgel.
2.2.2.14. A "Kommunikáció leállítása" kérésre adott pozitív válasz (SID C2)
DDP_016A "Kommunikáció leállítása" kérésre adott pozitív választ a JE küldi el azért, hogy visszaigazolja a "Kommunikáció leállítása" kérést.
2.2.2.15. Alüzenet visszaigazolása (SID 83)
DDP_017Az alüzenet visszaigazolását az IDE küldi el azért, hogy megerősítse azon üzenet egyes részeinek vételét, amely több alüzenet formájában került átvitelre. Az adatmező tartalmazza a JE-től kapott SID-et és egy kétbájtos kódot, a következők szerint:
- MsgC + 1: visszaigazolja az MsgC számú alüzenet vételét.
- Az IDE kéri a JE-től a következő alüzenet küldését.
- MsgC: azt jelzi, hogy probléma van az MsgC számú alüzenet vételével.
- Az IDE kéri a JE-től az alüzenet újbóli elküldését.
- FFFF kéri az üzenet megszakítását az átvitel folyamán.
- Ezt az IDE használhatja arra, hogy bármilyen okból megszakítsa a JE üzenetének átvitelét.
Az üzenet utolsó alüzenetét (LEN bájt < 255) vissza lehet igazolni bármely fenti kód alkalmazásával, vagy az is megtörténhet, hogy nem érkezik visszaigazolás.
A következő JE-válasz több alüzenetből áll:
- Az adatátviteli kérésre adott pozitív válasz (SID 76)
2.2.2.16. Negatív válasz (SID 7F)
DDP_018A negatív válaszüzenetet a JE küldi el, válaszul a fentiekben leírt kérési üzenetekre, ha a JE nem tud eleget tenni a kérésnek. Az üzenet adatmezői tartalmazzák a válasz SID-jét (7F), a kérés SID-jét, valamint egy kódot, amely meghatározza a negatív válasz okát. A következő kódok állnak rendelkezésre:
- 10: Általános elutasítás
- A műveletet nem lehet végrehajtani, a következőkben nem részletezett okok miatt.
- 11: A szolgáltatás nem támogatott
- A kérés SID-je nem érthető.
- 12: Az alfunkció nem támogatott
- A kérés DS_ vagy TRTP nem érthető, vagy nincs több továbbítandó alüzenet.
- 13: Az üzenet hossza helytelen
- A kapott üzenet hossza rossz.
- 22: A feltételek nem megfelelőek, vagy hiba van a kérési szekvenciában.
- A kért szolgáltatás nem aktív, vagy a kérésüzenet szekvenciája nem megfelelő.
- 31: Tartományon kívüli kérés
- A kérés paraméter rekordja (adatmező) érvénytelen.
- 50: Feltöltés elutasítva
- A kérést nem lehet teljesíteni (a JE nem megfelelő üzemmódban van, vagy belső hiba van a JE-ben).
- 78: Válasz függőben
- A kért műveletet nem lehet időben teljesíteni, és a JE nem áll készen további kérések fogadására.
- FA: Adatok nem állnak rendelkezésre
- Az adatátviteli kérés adatobjektuma nem áll rendelkezésre a JE-ben (például nincs behelyezve kártya stb.).
2.2.3. Üzenetáramlás
A tipikus üzenetáramlás egy normál adatletöltési eljárás során a következő:
IDE | FE | |
„Kommunikáció megkezdése” kérés | [Kép #307] | |
[Kép #308] | Pozitív válasz | |
„Diagnosztikai szolgáltatás megkezdése” kérés | [Kép #309] | |
[Kép #310] | Pozitív válasz | |
Feltöltés kérése | [Kép #311] | |
[Kép #312] | Pozitív válasz | |
Adatátviteli kérések áttekintése | [Kép #313] | |
[Kép #314] | Pozitív válaszátvitel | |
Adatok kérése #2 | [Kép #315] | |
[Kép #316] | 1. pozitív válasz | |
1. alüzenet visszaigazolása | [Kép #317] | |
[Kép #318] | 2. pozitív válasz | |
2. alüzenet visszaigazolása | [Kép #319] | |
[Kép #320] | m. pozitív válasz | |
m. alüzenet visszaigazolása | [Kép #321] | |
[Kép #322] | Pozitív válasz (Adatmező < 255 bájt) | |
Alüzenet visszaigazolása (választható) | [Kép #323] | |
… | ||
n. adatátviteli kérés | [Kép #324] | |
[Kép #325] | Pozitív válasz | |
Átvitel befejezésének kérése | [Kép #326] | |
[Kép #327] | Pozitív válasz | |
Kommunikáció leállításának kérése | [Kép #328] | |
[Kép #329] | Pozitív válasz |

Kép #307

Kép #308

Kép #309

Kép #310

Kép #311

Kép #312

Kép #313

Kép #314

Kép #315

Kép #316

Kép #317

Kép #318

Kép #319

Kép #320

Kép #321

Kép #322

Kép #323

Kép #324

Kép #325

Kép #326

Kép #327

Kép #328

Kép #329
2.2.4. Szinkronozás
DDP_019Normál működés során a következő ábrán bemutatott szinkronozási paraméterek érvényesek:

1. ábra
Üzenetáramlás, szinkronozás
Jelmagyarázat:
P1 = A bájtok áramlása között eltelt idő a JE-válasznál.
P2 = Az IDE kérésének vége és a JE válaszának megkezdése között eltelt idő vagy az IDE visszaigazolásának vége és a JE következő válaszának megkezdése között eltelt idő.
P3 = A JE válaszának vége és az IDE új kérésének megkezdése között eltelt idő vagy a JE válaszának vége és az IDE visszaigazolásának megkezdése között eltelt idő, vagy az IDE kérésének vége és az IDE új kérésének megkezdése között eltelt idő, amennyiben a JE nem válaszol.
P4 = A bájtok áramlása között eltelt idő az IDE-kérésnél.
P5 = A P3 kiterjesztett értéke a kártya letöltéséhez.
A szinkronozási paraméterek megengedett értékeit az alábbi táblázat adja meg (a kulcsszó protokoll 2000 (KWP) azon kiterjesztett szinkronozási paraméterei vannak beállítva, amelyeket fizikai címzés esetén használnak a gyorsabb kommunikáció érdekében).
Szinkronozási paraméter | Az alsó határ értéke (ms) | A felső határ értéke (ms) |
P1 | 0 | 20 |
P2 | 20 | 1 000 (1) |
P3 | 10 | 5 000 |
P4 | 5 | 20 |
P5 | 10 | 20 minutes |
(1) Amennyiben a JE negatív választ ad, amely válasz tartalmazza „megfelelően fogadott kérés, a válasz függőben” jelentésű kódot, akkor ezen érték kiterjed a P3 felső határával azonos értékre. |
2.2.5. A hibák kezelése
Amennyiben hiba történik az üzenetek cseréje során, úgy az üzenetáramlási rendszer módosul attól függően, hogy melyik berendezés észlelte a hibát, valamint a hibát generáló üzenettől függően.
A 2. és a 3. ábra bemutatja a JE, valamint az IDE hibakezelési eljárásait.
2.2.5.1. A kommunikációs szakasz megkezdése
DDP_020Ha az IDE hibát fedez fel a "Kommunikációs szakasz megkezdése" során vagy a szinkronozással, vagy a bitek áramlásával kapcsolatosan, úgy kivár legalább egy P3 periódust a kérés megismétlése előtt.
DDP_021Ha a JE hibát fedez fel az IDE-től érkező szekvenciában, úgy nem válaszol, és legfeljebb egy P3 perióduson keresztül várja az újabb "Kommunikáció megkezdése" üzenetet.
2.2.5.2. Kommunikációs szakasz
Két különféle hibakezelési területet lehet meghatározni:
1. A JE hibát észlel az IDE átvitelében.
DDP_022Minden fogadott üzenet esetében a JE észleli a szinkronozási hibákat, a bájtok formátumában tapasztalható hibákat (például a kezdő és a befejező bitek sérülései), valamint a kerethibákat (a kapott bájtok helytelen száma, helytelen ellenőrző bájt).
DDP_023Ha a JE észleli valamelyik fenti hibát, úgy nem válaszol, és figyelmen kívül hagyja a kapott üzenetet.
DDP_024A JE más hibákat is észlelhet a kapott üzenet formátumában vagy tartalmában (például az üzenet nem támogatott), még akkor is, ha az üzenet megfelel a hosszal és az ellenőrző összeggel kapcsolatos követelményeknek; ilyenkor a JE negatív válaszüzenettel válaszol az IDE-nek, amelyben meghatározza a hiba természetét.

2. ábra
A JE hibakezelése
2. Az IDE hibát észlel a JE átvitelében.
DDP_025Az IDE minden egyes kapott üzenet esetében észleli a szinkronozási hibákat, a bájtok formátumában tapasztalható hibákat (például a kezdő és befejező bitek sérülései), valamint a kerethibákat (a kapott bájtok helytelen száma, helytelen ellenőrző bájt).
DDP_026Az IDE észleli a szekvenciák hibáit, például az alüzenetek számlálóinak nem megfelelő növekedését az egymás után megkapott üzenetekben.
DDP_027Amennyiben az IDE hibát észlel, vagy nem kap választ a JE-től a P2max perióduson belül, úgy megismétli a kérésüzenet elküldését, összesen legfeljebb háromszor. A hiba észlelésének céljaiból az alüzenetek visszaigazolását a JE-nek elküldött kérésnek kell tekinteni.
DDP_028Az IDE legalább P3min periódust vár az egyes átvitelek megkezdése előtt; a várakozási periódust a hiba észlelése után egy megállító bit utolsó számított előfordulásától kezdve kell mérni.

3. ábra
Az IDE hibakezelése
2.2.6. A válaszüzenet tartalma
E bekezdés meghatározza a különféle pozitív válaszüzenetek adatmezőinek tartalmát.
Az adatelemeket az 1. függelék adatszótára határozza meg.
2.2.6.1. Egy adatátviteli összegzésre adott pozitív válasz
DDP_029Az "egy adatátviteli összegzésre adott pozitív válasz" üzenet adatmezője biztosítja a következő adatokat, az alábbi sorrendben, az SID 76 Hex, a TREP 01 Hex és az alüzenetek megfelelő felosztása és számozása alapján:

2.2.6.2. A tevékenységekre vonatkozó adatok átvitelének kérésére adott pozitív válasz
DDP_030A "tevékenységekre vonatkozó adatok átvitelének kérésére adott pozitív válasz" üzenet adatmezője biztosítja a következő adatokat, az alábbi sorrendben, az SID 76 Hex, a TREP 02 Hex és az alüzenetek megfelelő felosztása és számozása alapján:

2.2.6.3. Az eseményekre és hibákra vonatkozó adatok átvitelének kérésére adott pozitív válasz
DDP_031Az "eseményekre és hibákra vonatkozó adatok átvitelének kérésére adott pozitív válasz" üzenet adatmezője biztosítaja a következő adatokat, az alábbi sorrendben, az SID 76 Hex, a TREP 03 Hex és az alüzenetek megfelelő felosztása és számozása alapján:

2.2.6.4. A jármű sebességére vonatkozó adatok átvitelének kérésére adott pozitív válasz
DDP_032A "jármű sebességére vonatkozó adatok átvitelének kérésére adott pozitív válasz" üzenet adatmezője biztosítja a következő adatokat, az alábbi sorrendben, az SID 76 Hex, a TREP 04 Hex és az alüzenetek megfelelő felosztása és számozása alapján:

2.2.6.5. A technikai adatok átvitelének kérésére adott pozitív válasz
DDP_033A "technikai adatok átvitelének kérésére adott pozitív válasz" üzenet adatmezője biztosítja a következő adatokat, az alábbi sorrendben, az SID 76 Hex, a TREP 05 Hex és az alüzenetek megfelelő felosztása és számozása alapján:

2.3. ESM fájlok tárolása
DDP_034Ha a letöltési szakasz tartalmazott egy, a JE-ről való adatátviteli műveletet, úgy az IDE egyetlen fizikai fájlban tárolja az összes olyan adatot, amelyet a JE-től kapott a letöltési szakasz során, adatátvitelt érintő pozitív válaszüzenetekben. A tárolt adatok nem tartalmazzák az üzenet fejrészét, az alüzenetek számlálóit, az üres alüzeneteket és az ellenőrző összegeket, de tartalmazzák a SID-et és TREP-et (több alüzenetnél csak az első alüzenetét).
3. TACHOGRÁF-KÁRTYA LETÖLTÉSI PROTOKOLL
3.1. Érvényességi tartomány
E bekezdés ismerteti a tachográf-kártya adatainak egy IDE-re történő közvetlen letöltését. Az IDE nem része a biztonsági környezetnek, ezért nincs hitelesítés a kártya és az IDE között.
3.2. Meghatározások
Letöltési szakasz : Minden olyan alkalom, amikor a rendszer végrehajtja az ICC adatainak letöltési műveletét. A szakasz átfogja a teljes eljárást, az ICC alaphelyzetbe való visszaállításától az ICC dezaktiválásáig (a kártya kivétele vagy a következő visszaállítás).
Aláírt adatfájl : Egy fájl az ICC-ről. A fájl eredeti szövegként kerül átvitelre az IFD-re. Az integrált áramkörű kártyán a fájlt hash-elik és aláírják, majd az aláírást átviszik az IFD-re.
3.3. A kártya letöltése
DDP_035A tachográf-kártya letöltése a következő lépéseket tartalmazza:
- a kártya közös információinak letöltése az EF-ekbe ( ICC és IC). Ezen információk választhatók, és ezeket nem védi digitális aláírás.
- A Card_Certificate és CA_Certificate EF adatainak letöltése. Ezen információkat nem védi digitális aláírás.
- E fájlokat minden letöltési szakaszban kötelező letölteni.
- az egyéb alkalmazási adatok EF-jeinek letöltése (a Tachográf DF-jein belül), a Card_Download EF kivételével. Ezen információt digitális aláírás védi.
-
- minden egyes letöltési szakaszban kötelező letölteni legalább az Application_Identification és ID EF-eket,
- a járművezetői kártya adatainak letöltése során a következő EF-ek letöltése kötelező:
-
- Events_Data,
- Faults_Data,
- Driver_Activity_Data,
- Vehicles_Used,
- Places,
- Control_Activity_Data,
- Specific_Conditions.
- A járművezetői kártya adatainak letöltése során fel kell frissíteni a LastCardDownload dátumát a Card_Download EF-ben.
- A műhelykártya adatainak letöltése során alaphelyzetbe kell visszaállítani a kalibrálási számlálót a Card_Download EF-ben.
3.3.1. Inicializálási szekvencia
DDP_036Az IDE a következők szerint kezdeményezi a szekvenciát:
Kártya | Irány | IDE/IFD | Jelentés/Megjegyzések |
[Kép #330] | Hardver alaphelyzetbe való visszaállítása | ||
ATR | [Kép #331] |

Kép #330

Kép #331
A PPS felhasználható egy magasabb Baud-értékre történő átváltáshoz mindaddig, amíg ezt az ICC támogatja.
3.3.2. Az alá nem írt adatfájlok szekvenciája
DDP_037Az ICC, IC, Card_Certificate és a CA_Certificate letöltési szekvenciája a következő:
Kártya | Irány | IDE/IFD | Jelentés/Megjegyzések |
[Kép #332] | Fájl kiválasztása | A fájl kiválasztása parancs a fájlok azonosítója alapján választja ki a fájlokat | |
OK | [Kép #333] | ||
[Kép #334] | Bináris olvasás | Ha a fájl több adatot tartalmaz, mint amennyit a leolvasó vagy a kártya puffere tárolni képes, úgy a parancsot meg kell ismételni mindaddig, amíg a teljes fájl beolvasása meg nem történik. | |
Fájladat OK | [Kép #335] | Adatok tárolása ESM-en | A 3.4. pontnak megfelelően (Az adatok tárolási formátuma). |

Kép #332

Kép #333

Kép #334

Kép #335
Note:Megjegyzés: A Card_Certificate EF kiválasztása előtt ki kell választani a Tachográf alkalmazást (kiválasztás az AID útján).
3.3.3. Az aláírt adatfájlok szekvenciája
DDP_038Az alábbi szekvenciát kell felhasználni a következő fájlokhoz, amelyeket aláírásukkal együtt kell letölteni:
Kártya | Irány | IDE/IFD | Jelentés/Megjegyzések |
[Kép #336] | Fájl kiválasztása | ||
OK | [Kép #337] | ||
[Kép #338] | A fájl tördelésének végrehajtása | Az előírt tördelési algoritmus felhasználásával kiszámítja a kiválasztott fájl adattartalmának tördelési értékét a 11. függelékkel összhangban. E parancs nem ISO-parancs. | |
A fájl tördelésének kiszámítása és a tördelési érték ideiglenes tárolása | |||
OK | [Kép #339] | ||
[Kép #340] | Bináris olvasás | Ha a fájl több adatot tartalmaz, mint amennyit a leolvasó vagy a kártya puffere tárolni képes, a parancsot meg kell ismételni mindaddig, amíg a teljes fájl beolvasása meg nem történik. | |
Fájladat OK | [Kép #341] | A kapott adatok eltárolása külső tárolóeszközön | A 3.4. pontnak megfelelően (Az adatok tárolási formátuma). |
[Kép #342] | PSO: a digitális aláírás kiszámítása | ||
A „digitális aláírás kiszámítása” biztonsági művelet végrehajtása az ideiglenesen eltárolt tördelési érték felhasználásával | |||
Aláírás OK | [Kép #343] | Az adatok hozzáfűzése a külső tárolóeszközön korábban tárolt adatokhoz | A 3.4. pontnak megfelelően (Az adatok tárolási formátuma). |

Kép #336

Kép #337

Kép #338

Kép #339

Kép #340

Kép #341

Kép #342

Kép #343
3.3.4. A kalibrálási számláló alaphelyzetbe történő visszaállításának szekvenciája
DDP_039A műhelykártya Card_Download EF-jében szereplő NoOfCalibrationsSinceDownload számláló alaphelyzetbe történő visszaállításának szekvenciája a következő:
Kártya | Irány | IDE/IFD | Jelentés/Megjegyzések |
[Kép #344] | A Card_Download EF kiválasztása | Kiválasztás a fájl azonosítója alapján | |
OK | [Kép #345] | ||
[Kép #346] | Bináris frissítés NoOfCalibrationsSinceDownload = ′00 00′ | ||
A kártya letöltési számlálójának alaphelyzetbe történő visszaállítása | |||
OK | [Kép #347] |

Kép #344

Kép #345

Kép #346

Kép #347
3.4. Az adatok tárolási formátuma
3.4.1. Bevezetés
DDP_040A letöltött adatokat a következő feltételeknek megfelelően kell tárolni:
- az adatokat átláthatóan kell tárolni. Ez azt jelenti, hogy a bájtok sorrendjét, valamint a bitek sorrendjét a kártyáról átvitt bájtokon belül meg kell őrizni a tárolás során,
- a kártya összes fájlját, amelynek letöltése egy adott letöltési szakasz során történt, egyetlen fájlban kell tárolni az ESM-en.
3.4.2. A fájlok formátuma
DDP_041A fájlformátum több TLV-objektum láncolata.
DDP_042Az EF-eket jelző tag a FID, valamint a "00" függelék.
DDP_043Az EF-ek aláírását jelző tag a fájl FID-je, valamint a "01" függelék.
DDP_044A hossz egy kétbájtos érték. Az érték meghatározza az értékmezőben szereplő bájtok számát. A hosszmezőben szereplő "FF FF" érték jövőbeni használat céljából fenntartott.
DDP_045Ha a fájl nem kerül letöltésre, úgy egyetlen, a fájllal kapcsolatos adatot sem kell tárolni (nincs tag és nincs zéróhossz).
DDP_046Az aláírást a következő TLV objektumként kell tárolni, közvetlenül azon TLV objektum után, amely a fájl adatait tartalmazza.
Meghatározás | Jelentés | Hossz |
FID (2 bájt) || „00” | Az EF jelölése (FID). | 3 bájt |
FID (2 bájt) || „01” | Az EF-hez tartozó aláírás jelölése (FID). | 3 bájt |
xx xx | Az értékmező hossza. | 2 bájt |
Példa az ESM letöltési fájljában regisztrált adatokra:
Tag | Hossz | Érték |
00 02 00 | 00 11 | Az ICC EF adatai |
C1 00 00 | 00 C2 | A Card_Certificate EF adatai |
… | ||
05 05 00 | 0A 2E | A Vehicles_Used EF adatai |
05 05 01 | 00 80 | A Vehicles_Used EF aláírása |
4. A TACHOGRÁF-KÁRTYA ADATAINAK LETÖLTÉSE A JÁRMŰEGYSÉGEN KERESZTÜL
DDP_047A JE-nek lehetővé kell tennie a hozzákapcsolt IDE-be behelyezett járművezetői kártya tartalmának letöltését.
DDP_048Az IDE egy "kártyaletöltési adatátviteli kérés" üzenetet küld a JE-nek ezen átviteli mód kezdeményezésére (lásd 2.2.2.9. pont).
DDP_049Ezután a JE letölti a kártya teljes tartalmát fájlonként, a 3. bekezdésben meghatározott kártyaletöltési protokollal összhangban, és az összes olyan adatot, amelyet a kártyától kapott, továbbítja az IDE-hez, a megfelelő TLV fájlformátumban (lásd 3.4.2. pont), és beágyazva egy "adatátviteli kérésre adott pozitív válasz" üzenetbe.
DDP_050Az IDE visszakeresi a kártyaadatokat az "adatátviteli kérésre adott pozitív válasz" üzenetből (eltávolítva az összes fejrészt, SID-et, TREP-et, az alüzenetek számlálóit és az ellenőrző összegeket), és eltárolja az összes adatot a 2.3. bekezdésben leírt egyetlen fizikai fájlban.
DDP_051Ezután a JE, adott eseteben, aktualizálja a járművezetői kártya Control_Activity_Data vagy Card_Download fájlját.
8. függelék
KALIBRÁLÁSI JEGYZŐKÖNYV
TARTALOMJEGYZÉK
1. Bevezetés ...
2. Kifejezések, meghatározások és hivatkozások ...
3. A szolgáltatások áttekintése...
3.1. A rendelkezésre álló szolgáltatások...
3.2. Válaszadási kódok ...
4. Kommunikációs szolgáltatások ...
4.1. A StartCommunication szolgáltatás ...
4.2. A StopCommunication szolgáltatás ...
4.2.1. Az üzenet leírása ...
4.2.2. Az üzenet formátuma ...
4.2.3. A paraméterek meghatározása ...
4.3. TesterPresent szolgáltatás ...
4.3.1. Az üzenetek leírása ...
4.3.2. Az üzenetek formátuma ...
5. Kezelési szolgáltatások ...
5.1. A StartDiagnosticSession szolgáltatás ...
5.1.1. Az üzenetek leírása ...
5.1.2. Az üzenetek formátuma ...
5.1.3. A paraméterek meghatározása ...
5.2. A SecurityAccess szolgáltatás ...
5.2.1. Az üzenetek leírása ...
5.2.2. Az üzenetek formátuma - SecurityAccess - requestSeed ...
5.2.3. Az üzenetek formátuma - SecurityAccess - sendKey ...
6. Adatátviteli szolgáltatások ...
6.1. DataByIdentifier szolgáltatás ...
6.1.1. Az üzenetek leírása ...
6.1.2. Az üzenetek formátuma ...
6.1.3. A paraméterek meghatározása ...
6.2. WriteDataByIdentifier szolgáltatás ...
6.2. 1 Az üzenetek leírása ...
6.2.2. Az üzenetek formátuma ...
6.2.3. A paraméterek meghatározása ...
7. A vizsgálati impulzusok ellenőrzése - Input/Output ellenőrző funkcionális egység ...
7.1. InputOutputControlByIdentifier szolgáltatás ...
7.1.1. Az üzenetek leírása ...
7.1.2. Az üzenetek formátuma ...
7.1.3. A paraméterek meghatározása ...
8. Adatrekord-formátumok ...
8.1. Az átvitt paraméterek tartományai ...
8.2. Adatrekord-formátum ...
1. BEVEZETÉS
E függelék a járműegység és a vizsgálókészülék között a K-vonalon keresztül történő adatcsere módját ismerteti, amely vonal a 6. függelékben leírt kalibrálási interfész részét alkotja. A függelék leírja továbbá az input/output jelvonalvezérlését a kalibrálási konnektoron.
A K-vonalon történő kommunikáció létrehozása a 4. szakaszban található: "Kommunikációs szolgáltatások".
E függelék a diagnosztikai "szakasz" gondolatát használja fel a K-vonal vezérlése érvényességi tartományának meghatározására a különféle feltételek között. Az alapértelmezett szakasz a "StandardDiagnosticSession", amelynél az összes adatot le lehet olvasni a járműegységről, de nem lehet adatokat írni a járműegységre.
A diagnosztikai szakasz kiválasztását az 5. szakasz: "Kezelési szolgáltatások" írja le.
CPR_001Az "ECUProgrammingSession" lehetővé teszi adatok bevitelét a járműegységbe. Kalibrálási adatok bevitele esetén (097. és 098. követelmény) a járműegységnek ezenkívül KALIBRÁLÁSI üzemmódban kell lennie.
A K-vonal közvetítésével történő adatátvitel leírása a 6. szakaszban található: "Adatátviteli szolgáltatások". Az átvitt adatok formátumának részletezése a 8. szakaszban található: "dataRecords formátumok".
CPR_002Az "ECUAdjustmentSession" lehetővé teszi a kalibrálási I/O jelvonal I/O üzemmódjának kiválasztását a K-vonal interfészén keresztül. A kalibrálási I/O jelvonal vezérlését a 7. szakasz "Vizsgálati impulzusok vezérlése - Input/Output ellenőrző funkcionális egység" írja le.
CPR_003Az egész dokumentumban a vizsgálókészülékre a ′tt′ címszó utal. Annak ellenére, hogy a vizsgálókészülékeknek lehetnek preferált címei, a JE a vizsgálókészülék bármely címére megfelelő módon válaszol. A JE fizikai címe:0xEE.
2. KIFEJEZÉSEK, MEGHATÁROZÁSOK ÉS HIVATKOZÁSOK
A protokollok, üzenetek és hibakódok alapvetően az ISO 14229-1 aktuális szövegére épülnek (Közúti járművek - Diagnosztikai rendszerek - 1. rész: Diagnosztikai szolgáltatások, 6. változat, 2001. február 22.).
A szolgáltatásazonosítókhoz, a szolgáltatási kérésekhez és válaszokhoz, valamint a szabványos paraméterekhez bájtkódolást és hexadecimális értékeket kell használni.
A "vizsgálókészülék" kifejezés arra a berendezésre vonatkozik, amelyet a programozási/kalibrálási adatok JE-be történő bevitelére kell alkalmazni.
A "kliens" és a "szerver" kifejezés a vizsgálókészülékre, illetve a JE-re vonatkozik.
Az ECU kifejezés jelentése: "Elektronikus vezérlőegység", és a JE-re vonatkozik.
Hivatkozási anyag:
ISO 14230-2 : Közúti járművek - Diagnosztikai rendszerek - Kulcsszó protokoll 2000- 2. rész: Adatkapcsolati réteg. Első kiadás: 1999. Járművek - Diagnosztikai rendszerek.
3. A SZOLGÁLTATÁSOK ÁTTEKINTÉSE
3.1. A rendelkezésre álló szolgáltatások
A következő táblázat áttekintést nyújt azon szolgáltatásokról, amelyek a menetíró készülékben rendelkezésre állnak, és amelyek meghatározására ezen dokumentumban kerül sor.
CPR_004A táblázat jelzi azon szolgáltatásokat, amelyek egy aktivált diagnosztikai szakaszban rendelkezésre állnak.
- Az első oszlop felsorolja a rendelkezésre álló szolgáltatásokat,
- A második oszlop jelzi azon bekezdés számát, amely részletesebben leírja az adott szolgáltatást e függelékben,
- A harmadik oszlop meghatározza a szolgáltatásazonosító értékeit a kérésüzenetekben,
- A negyedik oszlop meghatározza a "StandardDiagnosticSession" (SD) azon szolgáltatásait, amelyeket minden JE-ben alkalmazni kell,
- Az ötödik oszlop meghatározza az "ECUAdjustmentSession" (ECUAS) azon szolgáltatásait, amelyeket alkalmazni kell ahhoz, hogy lehetővé váljon az I/O jelvonal vezérlése a JE előlapján található kalibrálási konnektoron,
- A hatodik oszlop meghatározza az "ECUProgrammingSession" (ECUPS) azon szolgáltatásait, amelyeket alkalmazni kell ahhoz, hogy lehetővé váljon a paraméterek programozása a JE-ben.
1. táblázat
A szolgáltatásazonosítók értékeinek összefoglaló táblázata
Diagnosztikai szakaszok | |||||
A diagnosztikai szolgáltatás megnevezése | A szakasz száma | SId kérés értéke | SD | ECUAS | ECUPS |
StartCommunication | 4.1 | 81 | (■) | (■) | (■) |
StopCommunication | 4.2 | 82 | (■) | ||
TesterPresent | 4.3 | 3E | (■) | (■) | (■) |
StartDiagnosticSession | 5.1 | 10 | (■) | (■) | (■) |
SecurityAccess | 5.2 | 27 | (■) | (■) | (■) |
ReadDataByIdentifier | 6.1 | 22 | (■) | (■) | (■) |
WriteDataByIdentifier | 6.2 | 2E | (■) | ||
InputOutputControlByIdentifier | 7.1 | 2F | (■) | ||
■ E szimbólum azt jelzi, hogy a szolgáltatás kötelező e diagnosztikai szakaszban. A szimbólum hiánya azt jelzi, hogy e szolgáltatás nem megengedett e diagnosztikai szakaszban. |
3.2. Válaszadási kódok
Minden szolgáltatáshoz válaszadási kódokat kell meghatározni.
4. KOMMUNIKÁCIÓS SZOLGÁLTATÁSOK
A kommunikáció létrehozásához és fenntartásához szükség van bizonyos szolgáltatásokra. Ezek nem jelennek meg az alkalmazási rétegen. A rendelkezésre álló szolgáltatásokat a következő táblázat részletezi:
2. táblázat
Kommunikációs szolgáltatások
A szolgáltatás megnevezése | Leírás |
StartCommunication | A kliens kéri egy kommunikációs szakasz megindítását egy (vagy több) szerverrel. |
StopCommunication | A kliens kéri az aktuális kommunikációs szakasz leállítását. |
TesterPresent | A kliens jelzi a szervernek, hogy a kapcsolat még mindig aktív. |
CPR_005A StartCommunication szolgáltatás a kommunikáció elindítására szolgál. Bármilyen szolgáltatás végrehajtása érdekében inicializálni kell a kommunikációt, és a kommunikációs paramétereket a kívánt üzemmódnak megfelelően kell beállítani.
4.1. A StartCommunication szolgáltatás
CPR_006A StartCommunication bejelentésprimitív vétele után a JE ellenőrzi, hogy a kért kommunikációs kapcsolat kezdeményezhető-e az aktuális feltételek mellett. A kommunikációs kapcsolat kezdeményezésének érvényes feltételei az ISO 14230-2 számú dokumentumban találhatók.
CPR_007Ezután a JE lefolytat minden olyan tevékenységet, amely a kommunikációs kapcsolat kezdeményezéséhez szükséges, és elküld egy StartCommunication válaszprimitívet a kiválasztott pozitívválasz-paraméterekkel együtt.
CPR_008Amennyiben a már kezdeményezett (és egy diagnosztikai szakaszba belépett) JE egy új StartCommunication kérést kap (például a vizsgálókészülékben történő hibajavítás következtében), úgy a kérést elfogadja, és sor kerül a JE újrakezdeményezésre.
CPR_009Amennyiben a kommunikációs kapcsolatot bármilyen ok miatt nem lehet kezdeményezni, úgy a JE tovább működik a kommunikációs kapcsolat kezdeményezési kísérletét közvetlenül megelőző módon.
CPR_010A StartCommunication kérésüzenetet fizikailag meg kell címezni.
CPR_011A JE szolgáltatások céljából történő kezdeményezést egy "gyors kezdeményezési" módszerrel kell elvégezni,
- minden tevékenység előtt van egy busz tétlen állapot,
- ezután a vizsgálókészülék elküld egy inicializálási mintát,
- a JE válasza tartalmazza az összes olyan információt, amely szükséges a kommunikáció létrehozásához.
CPR_012Az inicializálás befejezése után,
- az összes kommunikációs paramétert a 4. táblázatban megadott értékekre kell beállítani, a kulcsbájtoknak megfelelően,
- a JE várja a vizsgálókészülék első kérését,
- a JE alapértelmezett diagnosztikai üzemmódban, vagyis StandardDiagnosticSession üzemmódban van,
- a kalibrálási I/O jelvonal alapértelmezett állapotban, vagyis dezaktivált állapotban van.
CPR_014A K-vonal adatáramlási sebességét 10 400 Baudra kell állítani.
CPR_016A gyors kezdeményezés úgy indul el, hogy a vizsgálókészülék átküld egy Wake-up mintát (Wup) a K-vonalon. E minta az idle-idő után kezdődik a K-vonalon, egy alacsony idejű Tinil-lel. A vizsgálókészülék átküldi a StartCommunication szolgáltatás első bitjét egy olyan Twup-taktus után kapcsolódva, amely az első lefutó él után kezdődik.

CPR_017Az alábbi táblázat részletezi a gyors kezdeményezéshez és általában a kommunikációhoz szükséges szinkronozást. Az idle-időre három különféle lehetőség képzelhető el:
- első átvitel az áram bekapcsolása után: Tidle = 300 ms.
- a StopCommunication szolgáltatás befejezése után: Tidle = P3 min.
- a kommunikáció megszakítása után, ami az engedélyezett P3 max idő túllépése miatt következett be: Tidle = 0.
3. táblázat
A gyors kezdeményezés időértékei
Paraméter | Minimális érték | Maximális érték | |
Tinil | 25 ± 1 ms | 24 ms | 26 ms |
Twup | 50 ± 1 ms | 49 ms | 51 ms |
4. táblázat
Kommunikációs szinkronozási értékek
Szinkronozási paraméter | A paraméterek leírása | Alsó határértékek (ms) | Felső határértékek (ms) |
minimum | maximum | ||
P1 | A bájtok áramlása között eltelt idő a járműegység válaszára várva. | 0 | 20 |
P2 | A vizsgálókészülék kérése és a járműegység válasza között vagy a járműegység két válasza között eltelt idő. | 25 | 250 |
P3 | A járműegység válaszai és a vizsgálókészülék új kérései között eltelt idő. | 55 | 5 000 |
P4 | A bájtok áramlása között eltelt idő, a vizsgálókészülék kérésére várva. | 5 | 20 |
CPR_018A gyors kezdeményezés üzenetformátumát a következő táblázatok részletezik:
5. táblázat
A StartCommunication kérésüzenet
A bájtok sorszáma | A paraméter neve | Hex érték | Rövidítés |
#1 | Formátum-bájt - fizikai címzés | 81 | FMT |
#2 | Célcím-bájt | EE | TGT |
#3 | Forráscím-bájt | tt | SRC |
#4 | StartCommunication-kérés szolgáltatás | 81 | SCR |
#5 | Ellenőrző összeg | 00-FF | CS |
6. táblázat
A StartCommunication pozitív válaszüzenet
A bájtok sorszáma | A paraméter neve | Hex érték | Rövidítés |
#1 | Formátum-bájt - fizikai címzés | 80 | FMT |
#2 | Célcím-bájt | tt | TGT |
#3 | Forráscím-bájt | EE | SRC |
#4 | Kiegészítő hosszbájt | 03 | LEN |
#5 | StartCommunication pozitív válasz szolgáltatás azonosító | C1 | SCRPR |
#6 | 1. kulcsbájt | EA | KB1 |
#7 | 2. kulcsbájt | 8F | KB2 |
#8 | Ellenőrző összeg | 00-FF | CS |
CPR_019Nincs negatív válasz a StartCommunication kérésüzenetre. Ha nincs továbbítandó pozitív válaszüzenet, úgy a JE-et nem kell kezdeményezni, nincs továbbítandó adat, és a rendszer normál üzemmódban marad.
4.2. StopCommunication szolgáltatás
4.2.1. Az üzenet leírása
E kommunikációs rétegszolgáltatás célja a kommunikációs szakasz lezárása.
CPR_020A StopCommunication bejelentésprimitív vételekor a JE ellenőrizi, hogy az aktuális körülmények lehetővé teszik-e e kommunikáció befejezését. Ebben az esetben a JE végrehajt minden olyan műveletet, amely e kommunikáció befejezéséhez szükséges.
CPR_021Ha a kommunikációt be lehet fejezni, úgy a járműegység a kommunikáció befejezése előtt kiad egy StopCommunication válaszprimitívet a kiválasztott pozitívválasz-paraméterek segítségével.
CPR_022Amennyiben a kommunikációt bármely ok miatt nem lehet befejezni, úgy a JE kiadja a StopCommunication válaszprimitívet a kiválasztott negatív válasz-paraméterekkel együtt.
CPR_023Amennyiben a JE P3max időtúllépést észlel, úgy a kommunikációt válaszprimitív kiadása nélkül be kell fejezni.
4.2.2. Az üzenet formátuma
CPR_024A StopCommunication primitívek üzenet formátumát az alábbi táblázatok részletezik:
7. táblázat
StopCommunication kérésüzenet
A bájtok sorszáma | A paraméter neve | Hex érték | Rövidítés |
#1 | Formátum-bájt - fizikai címzés | 80 | FMT |
#2 | Célcím-bájt | EE | TGT |
#3 | Forráscím-bájt | tt | SRC |
#4 | Kiegészítő hosszbájt | 01 | LEN |
#5 | StopCommunication kérés szolgáltatás azonosító | 82 | SPR |
#6 | Ellenőrző összeg | 00-FF | CS |
8. táblázat
StopCommunication pozitív válaszüzenet
A bájtok sorszáma | A paraméter neve | Hex érték | Rövidítés |
#1 | Formátum-bájt - fizikai címzés | 80 | FMT |
#2 | Célcím-bájt | tt | TGT |
#3 | Forráscím-bájt | EE | SRC |
#4 | Kiegészítő hosszbájt | 01 | LEN |
#5 | StopCommunication pozitív válasz szolgáltatás | C2 | SPRPR |
#6 | Ellenőrző összeg | 00-FF | CS |
9. táblázat
StopCommunication negatív válaszüzenet
A bájtok sorszáma | A paraméter neve | Hex érték | Rövidítés |
#1 | Formátum-bájt - fizikai címzés | 80 | FMT |
#2 | Célcím-bájt | tt | TGT |
#3 | Forráscím-bájt | EE | SRC |
#4 | Kiegészítő hosszbájt | 03 | LEN |
#5 | Negatívválasz-zolgáltatásazonosító | 7F | NR |
#6 | StopCommunication kérésszolgáltatás-azonosító | 82 | SPR |
#7 | responseCode = generalReject | 10 | RC_GR |
#8 | Ellenőrző összeg | 00-FF | CS |
4.2.3. A paraméterek meghatározása
E szolgáltatáshoz egyetlen paraméter meghatározása sem szükséges.
4.3. TesterPresent szolgáltatás
4.3.1. Az üzenetek leírása
A TesterPresence szolgáltatást a vizsgálókészülék használja, hogy jelezze a szervernek azt, hogy vele továbbra is aktív kapcsolatban van, annak megelőzése érdekében, hogy a szerver automatikusan visszaálljon normál üzemmódra, és esetleg megszakítsa a kommunikációt. E rendszeres időközönként elküldött szolgáltatás aktív állapotban tartja a diagnosztikai szakaszt/kommunikációt olyan módon, hogy minden szolgáltatáskérésnél visszaállítja a P3 óraregiszterét.
4.3.2. Az üzenetek formátuma
CPR_079A TesterPresent primitívek üzenetformátumát az alábbi táblázatok részletezik.
10. táblázat
A TesterPresent kérésüzenet
A bájtok sorszáma | A paraméter neve | Hex érték | Rövidítés |
#1 | Formátum-bájt - fizikai címzés | 80 | FMT |
#2 | Célcím-bájt | EE | TGT |
#3 | Forráscím-bájt | tt | SRC |
#4 | Kiegészítő hosszbájt | 02 | LEN |
#5 | TesterPresencekérés-szolgáltatásazonosító | 3E | TP |
#6 | Alfunkció = responseRequired = [yes | 01 | RESPREQ_Y |
no] | 02 | RESPREQ_NO | |
#7 | Ellenőrző összeg | 00-FF | CS |
CPR_080Ha a responseRequired paraméter "yes" értékre van állítva, úgy a szerver a következő pozitív válaszüzenettel felel. Ha "no" értékre van állítva, úgy a szerver nem küld választ.
11. táblázat
TesterPresence pozitív válaszüzenet
A bájtok sorszáma | A paraméter neve | Hex érték | Rövidítés |
#1 | Formátum-bájt - fizikai címzés | 80 | FMT |
#2 | Célcím-bájt | tt | TGT |
#3 | Forráscím-bájt | EE | SRC |
#4 | Kiegészítő hosszbájt | 01 | LEN |
#5 | TesterPresencepozitívválasz-szolgáltatásazonosító | 7E | TPPR |
#6 | Ellenőrző összeg | 00-FF | CS |
CPR_081A szolgáltatás a következő negatív válaszkódokat támogatja:
12. táblázat
TesterPresence negatív válaszüzenetek
A bájtok sorszáma | A paraméter neve | Hex érték | Rövidítés |
#1 | Formátum-bájt - fizikai címzés | 80 | FMT |
#2 | Célcím-bájt | tt | TGT |
#3 | Forráscím-bájt | EE | SRC |
#4 | Kiegészítő hosszbájt | 03 | LEN |
#5 | Negatívválasz-szolgáltatásazonosító | 7F | NR |
#6 | TesterPresencekérés-szolgáltatásazonosító | 3E | TP |
#7 | responseCode = [SubFunctionNotSupported-InvalidFormat | 12 | RC_SFNS_IF |
incorrectMessageLength] | 13 | RC_IML | |
#8 | Ellenőrző összeg | 00-FF | CS |
5. KEZELÉSI SZOLGÁLTATÁSOK
A rendelkezésre álló szolgáltatásokat az alábbi táblázat részletezi:
13. táblázat
Kezelési szolgáltatások
A szolgáltatás neve | Leírás |
StartDiagnosticSession | A kliens kéri egy diagnosztikai szakasz elindítását a JE-vel |
SecurityAccess | A kliens hozzáférést kér a felhatalmazott felhasználók számára fenntartott funkciókhoz |
5.1. A StartDiagnosticSession szolgáltatás
5.1.1. Az üzenetek leírása
CPR_025A StartDiagnosticSession szolgáltatás a különféle diagnosztikai szakaszok aktiválására szolgál a szerveren. A diagnosztikai szakaszok engedélyezik a szolgáltatások egy specifikus összetételét a 17. táblázatnak megfelelően. A szakasz engedélyezheti a jármű gyártójának specifikus szolgáltatásait is, amelyek nem részei e dokumentumnak. A végrehajtási szabályoknak meg kell felelniük a következő követelményeknek:
- mindig csak pontosan egy diagnosztikai szakasz lehet aktív a JE-ben,
- a JE mindig elindítja a StandardDiagnosticSession szakaszt, amennyiben az feszültség alá kerül. Ha egyetlen más diagnosztikai szakaszt sem indítanak el, úgy a StandardDiagnosticSession mindaddig fut, amíg a JE feszültség alatt van,
- ha a vizsgálókészülék olyan diagnosztikai szakaszt kér, amely már fut, úgy a JE egy pozitív válaszüzenetet küld,
- amennyiben a vizsgálókészülék új diagnosztikai szakaszt kér, úgy a JE előbb elküld egy StartDiagnosticSession pozitív válaszüzenetet a diagnosztikai szakasz megnyitásának kérésére, mielőtt az új szakasz aktiválódik a JE-ben. Ha a JE nem képes elindítani a kért új diagnosztikai szakaszt, úgy egy StartDiagnosticSession negatív válaszüzenettel válaszol, és az aktuális szakasz folytatódik.
CPR_026A diagnosztikai szakasz csak akkor indulhat el, miután létrejött a kommunikáció a kliens és a JE között.
CPR_027A 4. táblázatban meghatározott szinkronozási paramétereknek aktívaknak kell lenniük egy StartDiagnosticSession szolgáltatás sikeres végrehajtása után, amennyiben a diagnosticSession paraméter "StandardDiagnosticSession" értékre van beállítva a kérésüzenetben, és ha korábban egy másik diagnosztikai szakasz volt aktív.
5.1.2. Az üzenetek formátuma
CPR_028A StartDiagnosticSession primitívek üzenetformátumait az alábbi táblázatok részletezik:
14. táblázat
A StartDiagnosticSession kérésüzenet
A bájtok sorszáma | A paraméter neve | Hex érték | Rövidítés |
#1 | Formátum-bájt - fizikai címzés | 80 | FMT |
#2 | Célcím-bájt | EE | TGT |
#3 | Forráscím-bájt | tt | SRC |
#4 | Kiegészítő hosszbájt | 02 | LEN |
#5 | StartDiagnosticSessionkérés-szolgáltatásazonosító | 10 | STDS |
#6 | diagnosticSession = (a 17. táblázat egyik értéke) | xx | DS_… |
#7 | Ellenőrző összeg | 00-FF | CS |
15. táblázat
A StartDiagnosticSession pozitív válaszüzenet
A bájtok sorszáma | A paraméter neve | Hex érték | Rövidítés |
#1 | Formátum-bájt - fizikai címzés | 80 | FMT |
#2 | Célcím-bájt | tt | TGT |
#3 | Forráscím-bájt | EE | SRC |
#4 | Kiegészítő hosszbájt | 02 | LEN |
#5 | StartDiagnosticSessionpozitívválasz-szolgáltatásazonosító | 50 | STDSPR |
#6 | DiagnosticSession = (megegyezik a 14. táblázat 6. bájtjának értékével) | xx | DS_… |
#7 | Ellenőrző összeg | 00-FF | CS |
16. táblázat
A StartDiagnosticSession negatív válaszüzenet
A bájtok sorszáma | A paraméter neve | Hex érték | Rövidítés |
#1 | Formátum-bájt - fizikai címzés | 80 | FMT |
#2 | Célcím-bájt | tt | TGT |
#3 | Forráscím-bájt | EE | SRC |
#4 | Kiegészítő hosszbájt | 03 | LEN |
#5 | Negatívválasz-szolgáltatásazonosító | 7F | NR |
#6 | StartDiagnosticSessionkérés-szolgáltatásazonosító | 10 | STDS |
#7 | ResponseCode = (subFunctionNotSupported () | 12 | RC_SFNS |
incorrectMessageLength () | 13 | RC_IML | |
conditionsNotCorrect ()) | 22 | RC_CNC | |
#8 | Ellenőrző összeg | 00-FF | CS |
(1) A kérésüzenet 6. bájtjánál beillesztett érték nem támogatott, vagyis nem szerepel a 17. táblázatban. (2) Az üzenet hossza rossz. (3) A StartDiagnosticSession kérés kritériumai nem teljesültek. |
5.1.3. A paraméterek meghatározása
CPR_029A StartDiagnosticSession szolgáltatás a diagnosticSession (DS_) paramétert használja a szerver(ek) különleges viselkedésének kiválasztására. E dokumentumban a következő diagnosztikai szakaszok kerülnek meghatározásra:
17. táblázat
A diagnosticSession értékeinek meghatározása
Hex | Leírás | Rövidítés |
81 | StandardDiagnosticSession E diagnosztikai szakasz az 1. táblázat 4., „SD” oszlopában meghatározott összes szolgáltatás aktiválását engedélyezi. E szolgáltatások lehetővé teszik adatok leolvasását egy szerverről (JE). E diagnosztikai szakasz azt követően válik aktívvá, miután a kezdeményezés sikeresen befejeződik a kliens (vizsgálókészülék) és a szerver (JE) között. E diagnosztikai szakasz felülírható az e szakaszban meghatározott más diagnosztikai szakaszokkal. | SD |
85 | ECUProgrammingSession E diagnosztikai szakasz az 1. táblázat 6., „ECUPS” oszlopában meghatározott összes szolgáltatás aktiválását engedélyezi. E szolgáltatások támogatják a szerver (JE) memóriájának programozását. E diagnosztikai szakasz felülírható az e szakaszban meghatározott más diagnosztikai szakaszokkal. | ECUPS |
87 | ECUAdjustmentSession E diagnosztikai szakasz az 1. táblázat 5., „ECUAS” oszlopában meghatározott összes szolgáltatás aktiválását engedélyezi. E szolgáltatások támogatják a szerver (JE) input/output vezérlését. E diagnosztikai szakasz felülírható az e szakaszban meghatározott más diagnosztikai szakaszokkal. | ECUAS |
5.2. A SecurityAccess szolgáltatás
Kalibrálási adatok beírása vagy a kalibrálási input/output vonalhoz való hozzáférés csak akkor lehetséges, ha a JE KALIBRÁLÁSI üzemmódban van. Egy érvényes műhelykártya JE-be történő behelyezése mellett a JE-be be kell írni a megfelelő PIN-kódot ahhoz, hogy a KALIBRÁLÁSI üzemmódhoz való hozzáférés biztosítva legyen.
A SecutityAccess szolgáltatás lehetővé teszi a PIN-kód beírását és annak jelzését a vizsgálókészülék számára, hogy a JE KALIBRÁLÁSI üzemmódban van-e vagy sem.
A rendszer lehetővé teszi a PIN-kód más módon való betáplálását.
5.2.1. Az üzenetek leírása
A SecurityAccess szolgáltatás tartalmaz egy SecurityAccess "requestSeed" üzenetet, amelyet adott esetben egy SecurityAccess "sendKey" üzenet követ. A SecurityAccess szolgáltatást a StartDiagnosticSession szolgáltatást követően kell végrehajtani.
CPR_033A vizsgálókészülék a SecurityAccess "requestSeed" üzenetet használja annak ellenőrzésére, hogy a járműegység készen áll-e a PIN-kód fogadására.
CPR_034Ha a járműegység már KALIBRÁLÁSI üzemmódban van, akkor úgy válaszol a kérésre, hogy a SecurityAccess kérésre adott pozitív válasz szolgáltatás felhasználásával elküld egy "kezdeti értéket", amelynek értéke nagyobb, mint 0x0000.
CPR_035Ha a járműegység készen áll a PIN-kód fogadására a műhelykártya ellenőrzése céljából, akkor úgy kell válaszolnia a kérésre, hogy a SecurityAccess kérésre adott pozitívválasz-szolgáltatás felhasználásával elküld egy "kezdeti értéket", amelynek értéke nagyobb, mint 0x0000.
CPR_036Ha a járműegység nem áll készen arra, hogy fogadja a PIN-kódot a vizsgálókészüléktől, vagy azért, mert a behelyezett műhelykártya érvénytelen, vagy azért, mert nem illesztettek be műhelykártyát, vagy pedig azért, mert a járműegység arra számít, hogy más módon fogja megkapni a PIN-kódot, úgy negatív választ ad a kérésre a conditionsNotCorrectOrRequestSequenceError válaszkód beállításával.
CPR_037Ezután a vizsgálókészülék - adott esetben - igénybe veszi a SecurityAccess "sendKey" üzenetet ahhoz, hogy a PIN-kódot továbbítsa a járműegységnek. Annak érdekében, hogy időt adjon a kártyahitelesítési folyamat végrehajtásához, a járműegység felhasználja a requestCorrectlyReceived-ResponsePending negatív válaszkódot a válaszadási idő meghosszabbításához. A maximális válaszadási idő azonban nem haladhatja meg az öt percet. Mihelyt a kért szolgáltatás befejeződik, a JE elküld egy pozitív válaszüzenetet vagy egy negatív válaszüzenetet az említett kódtól különböző válaszadási kóddal. A JE megismételheti a requestCorrectlyReceived-ResponsePending negatív válaszkódot, amíg a kért szolgáltatás végrehajtása be nem fejeződik, és amíg az utolsó válaszüzenet elküldése meg nem történik.
CPR_038A járműegység csak akkor válaszol e kérdésre a SecurityAccess kérésre adott pozitívválasz-szolgáltatás felhasználásával, ha KALIBRÁLÁSI üzemmódban van.
CPR_039A következő esetekben a járműegység negatív választ ad e kérésre a következőképpen beállított válaszadási kódokkal:
- subFunctionNot supported: az alfunkció paraméterének érvénytelen formátuma (accessType),
- conditionsNotCorrectOrRequestSequenceError: a járműegység nem áll készen a PIN-kód beírásának vételére,
- invalidKey: a PIN-kód érvénytelen, és nem lépték túl a PIN-ellenőrzési kísérletek számát,
- exceededNumberOfAttempts: a PIN-kód érvénytelen, és a PIN-ellenőrzési kísérletek számát túllépték,
- generalReject: A PIN-kód helyes, de a kölcsönös hitelesítés a műhelykártyával sikertelen volt.
5.2.2. Az üzenetek formátuma - SecurityAccess - requestSeed
CPR_040A SecurityAccess "requestSeed" primitívek üzenetformátumait a következő táblázatok részletezik:
18. táblázat
SecurityAccess kérés - requestSeed üzenet
A bájtok sorszáma | A paraméter neve | Hex érték | Rövidítés |
#1 | Formátum-bájt - fizikai címzés | 80 | FMT |
#2 | Célcím-bájt | EE | TGT |
#3 | Forráscím-bájt | tt | SRC |
#4 | Kiegészítő hosszbájt | 02 | LEN |
#5 | SecurityAccesskérés-szolgáltatásazonosító | 27 | SA |
#6 | accessType - requestSeed | 7D | AT_RSD |
#7 | Ellenőrző összeg | 00-FF | CS |
19. táblázat
SecurityAccess kérés - requestSeed pozitív válaszüzenet
A bájtok sorszáma | A paraméter neve | Hex érték | Rövidítés |
#1 | Formátum-bájt - fizikai címzés | 80 | FMT |
#2 | Célcím-bájt | tt | TGT |
#3 | Forráscím-bájt | EE | SRC |
#4 | Kiegészítő hosszbájt | 04 | LEN |
#5 | SecurityAccesspozitívválasz-szolgáltatásazonosító | 67 | SAPR |
#6 | accessType - requestSeed | 7D | AT_RSD |
#7 | Magas seed | 00-FF | SEEDH |
#8 | Alacsony seed | 00-FF | SEEDL |
#9 | Ellenőrző összeg | 00-FF | CS |
20. táblázat
SecurityAccess negatív válaszüzenet
A bájtok sorszáma | A paraméter neve | Hex érték | Rövidítés |
#1 | Formátum-bájt - fizikai címzés | 80 | FMT |
#2 | Célcím-bájt | tt | TGT |
#3 | Forráscím-bájt | EE | SRC |
#4 | Kiegészítő hosszbájt | 03 | LEN |
#5 | NegativeResponse-szolgáltatásazonosító | 7F | NR |
#6 | SecurityAccesskérés-szolgáltatásazonosító | 27 | SA |
#7 | responseCode = (conditionsNotCorrectOrRequestSequenceError | 22 | RC_CNC |
incorrectMessageLength) | 13 | RC_IML | |
#8 | Ellenőrző összeg | 00-FF | CS |
5.2.3. Az üzenetek formátuma - SecurityAccess - sendKey
CPR_041A SecurityAccess "sendKey" primitívek üzenetformátumait az alábbi táblázatok részletezik:
21. táblázat
SecurityAccess kérés - sendKey üzenet
A bájtok sorszáma | A paraméter neve | Hex érték | Rövidítés |
#1 | Formátum-bájt - fizikai címzés | 80 | FMT |
#2 | Célcím-bájt | EE | TGT |
#3 | Forráscím-bájt | tt | SRC |
#4 | Kiegészítő hosszbájt | m+2 | LEN |
#5 | SecurityAccesskérés-szolgáltatásazonosító | 27 | SA |
#6 | accessType - sendKey | 7E | AT_SK |
#7-(#m+6) | Key #1 (Magas) | xx | KEY |
… | … | ||
Key #m (alacsony, az „m” értéke legalább 4 és legfeljebb 8 lehet) | xx | ||
#m+7 | Ellenőrző összeg | 00-FF | CS |
22. táblázat
SecurityAccess - sendKey pozitív válaszüzenet
A bájtok sorszáma | A paraméter neve | Hex érték | Rövidítés |
#1 | Formátum-bájt - fizikai címzés | 80 | FMT |
#2 | Célcím-bájt | tt | TGT |
#3 | Forráscím-bájt | EE | SRC |
#4 | Kiegészítő hosszbájt | 02 | LEN |
#5 | SecurityAccess pozitív válasz szolgáltatás azonosító | 67 | SAPR |
#6 | accessType - sendKey | 7E | AT_SK |
#7 | Ellenőrző összeg | 00-FF | CS |
23. táblázat
SecurityAccess negatív válaszüzenet
A bájtok sorszáma | A paraméter neve | Hex érték | Rövidítés |
#1 | Formátum-bájt - fizikai címzés | 80 | FMT |
#2 | Célcím-bájt | tt | TGT |
#3 | Forráscím-bájt | EE | SRC |
#4 | Kiegészítő hosszbájt | 03 | LEN |
#5 | Negatívválasz-szolgáltatásazonosító | 7F | NR |
#6 | SecurityAccesskérés-szolgáltatásazonosító | 27 | SA |
#7 | ResponseCode = (generalReject | 10 | RC_GR |
subFunctionNotSupported | 12 | RC_SFNS | |
incorrectMessageLength | 13 | RC_IML | |
conditionsNotCorrectOrRequestSequenceError | 22 | RC_CNC | |
invalidKey | 35 | RC_IK | |
exceededNumberOfAttempts | 36 | RC_ENA | |
requestCorrectlyReceived-ResponsePending) | 78 | RC_RCR_RP | |
#8 | Ellenőrző összeg | 00-FF | CS |
6. ADATÁTVITELI SZOLGÁLTATÁSOK
A rendelkezésre álló szolgáltatásokat a következő táblázat részletezi:
24. táblázat
Adatátviteli szolgáltatások
A szolgáltatás megnevezése | Leírás |
ReadDataByIdentifier | A kliens kéri egy rekord aktuális értékének átvitelét a recordDataIdentifier általi hozzáféréssel |
WriteDataByIdentifier | A kliens kéri egy rekord megírását a recordDataIdentifier általi hozzáféréssel |
6.1. ReadDataByIdentifier szolgáltatás
6.1.1. Az üzenetek leírása
CPR_050A ReadDataByIdentifier szolgáltatást a kliens arra használja, hogy adatrekordértékeket kérjen egy szervertől. Az adatokat egy recordDataIdentifier azonosítja. A JE gyártója tartozik felelősséggel azért, hogy a szerver feltételei teljesüljenek e szolgáltatás végrehajtásakor.
6.1.2. Az üzenetek formátuma
CPR_051A ReadDataIdentifier primitívek üzenetformátumait a következő táblázatok részletezik:
25. táblázat
ReadDataIdentifier kérésüzenet
A bájtok sorszáma | A paraméter neve | Hex érték | Rövidítés |
#1 | Formátum-bájt - fizikai címzés | 80 | FMT |
#2 | Célcím-bájt | EE | TGT |
#3 | Forráscím-bájt | tt | SRC |
#4 | Kiegészítő hosszbájt | 03 | LEN |
#5 | ReadDataByIdentifier kérés szolgáltatás azonosító | 22 | RDBI |
#6 és #7 | recordDataIdentifier = (a 28. táblázatból vett érték) | xxxx | RDI_… |
#8 | Ellenőrző összeg | 00-FF | CS |
26. táblázat
ReadDataByIdentifier pozitív válaszüzenet
A bájtok sorszáma | A paraméter neve | Hex érték | Rövidítés |
#1 | Formátum-bájt - fizikai címzés | 80 | FMT |
#2 | Célcím-bájt | tt | TGT |
#3 | Forráscím-bájt | EE | SRC |
#4 | Kiegészítő hosszbájt | m+3 | LEN |
#5 | ReadDataByIdentifier pozitívválasz-szolgáltatásazonosító | 62 | RDBIPR |
#6 + #7 | recordDataIdentifier = (megegyezik a 25. táblázat 6. és 7. bájtjának értékével) | xxxx | RDI_… |
#8 - #m+7 | dataRecord() = (data#1 | xx | DREC_DATA1 |
: | : | : | |
data#m) | xx | DREC_DATAm | |
#m+8 | Ellenőrző összeg | 00-FF | CS |
27. táblázat
ReadDataByIdentifier negatív válaszüzenet
A bájtok sorszáma | A paraméter neve | Hex érték | Rövidítés |
#1 | Formátum-bájt - fizikai címzés | 80 | FMT |
#2 | Célcím-bájt | tt | TGT |
#3 | Forráscím-bájt | EE | SRC |
#4 | Kiegészítő hosszbájt | 03 | LEN |
#5 | NegativeResponse-szolgáltatásazonosító | 7F | NR |
#6 | ReadDataByIdentifierkérés-szolgáltatásazonosító | 22 | RDBI |
#7 | ResponseCode = (requestOutOfRange | 31 | RC_ROOR |
incorrectMessageLength | 13 | RC_IML | |
conditionsNotCorrect) | 22 | RC_CNC | |
#8 | Ellenőrző összeg | 00-FF | CS |
6.1.3. A paraméterek meghatározása
CPR_052A ReadDataByIdentifier kérésüzenetben szereplő recordDataIdentifier (RDI_) paraméter egy adattételt azonosít.
CPR_053Az e dokumentumban meghatározott recordDataIdentifier értékeket az alábbi táblázat mutatja be.
A recordDataIdentifier táblázat négy oszlopból és több sorból áll.
- Az első oszlop (Hex) a harmadik oszlopban meghatározott recordDataIdentifierhez hozzárendelt "hex értéket" tartalmazza.
- A második oszlop (Adatelem) meghatározza az 1. függeléknek azon adatelemét, amelyen a recordDataIdentifier alapul (adott esetben konvertálás szükséges).
- A harmadik oszlop (Leírás) meghatározza a megfelelő recordDataIdentifier nevét.
- A negyedik oszlop (Rövidítés) meghatározza az e recordDataIdentifier-hez tartozó rövidítést.
28. táblázat
A recordDataIdentifier értékek meghatározása
Hex | Adatelem | A recordDataIdentifier megnevezése (a formátumot lásd a 8.2. szakaszban) | Rövidítés |
F90B | CurrentDateTime | TimeDate | RDI_TD |
F912 | HighResOdometer | HighResolutionTotalVehicleDistance | RDI_HRTVD |
F918 | K-ConstantOfRecordingEquipment | Kfactor | RDI_KF |
F91C | L-TyreCircumference | LfactorTyreCircumference | RDI_LF |
F91D | W-VehicleCharacteristicConstant | WvehicleCharacteristicFactor | RDI_WVCF |
F921 | TyreSize | TyreSize | RDI_TS |
F922 | nextCalibrationDate | NextCalibrationDate | RDI_NCD |
F92C | SpeedAuthorised | SpeedAuthorised | RDI_SA |
F97D | vehicleRegistrationNation | RegisteringMemberState | RDI_RMS |
F97E | VehicleRegistrationNumber | VehicleRegistrationNumber | RDI_VRN |
F190 | VehicleIdentificationNumber | VIN | RDI_VIN |
CPR_054A dataRecord (DREC_) paramétert a ReadDataByIdentifier pozitív válaszüzenet használja a recordDataIdentifier által meghatározott adatrekord érték közlésére a kliens (vizsgálókészülék) felé. Az adatformátumokat a 8. szakasz határozza meg. A felhasználó választása szerint egyéb dataRecords paramétereket, mint a JE különleges input, belső és output adatait is alkalmazni lehet, de ezeket e dokumentum nem határozza meg.
6.2. WriteDataByIdentifier szolgáltatás
6.2.1. Az üzenetek leírása
CPR_056A WriteDataByIdentifier szolgáltatást a kliens arra használja, hogy adatrekordértékeket írjon fel a szerverre. Az adatokat a recordDataIdentifier azonosítja. A JE gyártója tartozik felelősséggel azért, hogy a szerver feltételei teljesüljenek e szolgáltatás végrehajtásakor. A 28. táblázatban felsorolt paraméterek aktualizálásához a JE-nek KALIBRÁLÁS üzemmódban kell lennie.
6.2.2. Az üzenetek formátuma
CPR_057A WriteDataByIdentifier primitívek üzenetformátumait az alábbi táblázatok részletezik:
29. táblázat
WriteDataByIdentifier kérésüzenet
A bájtok sorszáma | A paraméter neve | Hex érték | Rövidítés |
#1 | Formátum-bájt - fizikai címzés | 80 | FMT |
#2 | Célcím-bájt | EE | TGT |
#3 | Forráscím-bájt | tt | SRC |
#4 | Kiegészítő hosszbájt | m+3 | LEN |
#5 | WriteDataByIdentifier kérés szolgáltatás azonosító | 2E | WDBI |
#6 és #7 | recordDataIdentifier = (a 28. táblázatból vett érték) | xxxx | RDI_… |
#8-tól #m+7-ig | dataRecord() = (data#1 | xx | DREC_DATA1 |
: | : | : | |
data#m) | xx | DREC_DATAm | |
#m+8 | Ellenőrző összeg | 00-FF | CS |
30. táblázat
WriteDataByIdentifier pozitív válaszüzenet
A bájtok sorszáma | A paraméter neve | Hex érték | Rövidítés |
#1 | Formátum-bájt - fizikai címzés | 80 | FMT |
#2 | Célcím-bájt | tt | TGT |
#3 | Forráscím-bájt | EE | SRC |
#4 | Kiegészítő hosszbájt | 03 | LEN |
#5 | WriteDataByIdentifierpozitívválasz-szolgáltatásazonosító | 6E | WDBIPR |
#6 és #7 | recordDataIdentifier = (megegyezik a 29. táblázat 6. és 7. bájtjának értékével) | xxxx | RDI_… |
#8 | Ellenőrző összeg | 00-FF | CS |
31. táblázat
WriteDataByIdentifier negatív válaszüzenet
A bájtok sorszáma | A paraméter neve | Hex érték | Rövidítés |
#1 | Formátum-bájt - fizikai címzés | 80 | FMT |
#2 | Célcím-bájt | tt | TGT |
#3 | Forráscím-bájt | EE | SRC |
#4 | Kiegészítő hosszbájt | 03 | LEN |
#5 | NegativeResponse-szolgáltatásazonosító | 7F | NR |
#6 | WriteDataByIdentifier kérés szolgáltatás azonosító | 2E | WDBI |
#7 | ResponseCode = (requestOutOfRange | 31 | RC_ROOR |
incorrectMessageLength | 13 | RC_IML | |
conditionsNotCorrect) | 22 | RC_CNC | |
#8 | Ellenőrző összeg | 00-FF | CS |
6.2.3. A paraméterek meghatározása
A recordDataIdentifier (RDI_) paramétert a 28. táblázat határozza meg.
A dataRecord (DREC_) paramétert a WriteDataByIdentifier kérésüzenet arra használja, hogy közölje a szerverrel (JE) a recordDataIdentifier által azonosított adatrekord értékeket. Az adatok formátumait a 8. szakasz részletezi.
7. A VIZSGÁLATI IMPULZUSOK ELLENŐRZÉSE - INPUT/OUTPUT ELLENŐRZŐ FUNKCIONÁLIS EGYSÉG
A rendelkezésre álló szolgáltatásokat az alábbi táblázat részletezi:
32. táblázat
Input/Output ellenőrzési funkcionális egység
A szolgáltatás megnevezése | Leírás |
InputOutputControlByIdentifier | A kliens kéri a szerverre jellemző inputok/outputok ellenőrzését |
7.1. InputOutputControlByIdentifier szolgáltatás
7.1.1. Az üzenetek leírása
Az előlapon található konnektoron keresztüli kapcsolat lehetővé teszi a vizsgálati impulzusok ellenőrzését vagy megfigyelését egy megfelelő vizsgálókészüléken keresztül.
CPR_058E kalibrálási I/O jelvonal konfigurálható egy K-vonali paranccsal, az InputOutputControlByIdentifier szolgáltatás felhasználásával a kívánt input vagy output funkciónak a kérdéses vonalhoz történő kiválasztásához. A vonal rendelkezésre álló állapotai a következők:
- dezaktivált,
- speedSignalInput, ahol a kalibrálási I/O jelvonalat egy sebességjel (vizsgálati jel) bevitelére kell használni, kicserélve így a mozgásérzékelő sebességjelét.
- realTimeSpeedSignalOutputSensor, ahol a kalibrálási I/O jelvonalat a mozgásértékelő sebességjelének kimenetére kell használni.
- RTCOutput, ahol a kalibrálási I/O jelvonalat az UTC órajel kimenetére kell használni.
CPR_059A vonal állapotának konfigurálásához a járműegységnek beállítási szakaszban kell lennie, és azt a KALIBRÁLÁSI üzemmódba kell állítani. A beállítási szakaszból vagy a KALIBRÁLÁSI üzemmódból való kilépésnél a járműegység gondoskodik arról, hogy a kalibrálási I/O jelvonal visszatérjen a "dezaktivált" (alapértelmezett) állapotba.
CPR_060Amennyiben sebességimpulzusok érkeznek a JE valós idejű sebességjel input vonalára, mialatt az I/O jelvonal inputra van állítva, úgy a kalibrálási I/O jelvonalat át kell állítani outputra, vagy vissza kell állítani a dezaktivált állapotba.
CPR_061A szekvenciának a következőnek kell lennie:
- a kommunikáció létrehozása a StartCommunication szolgáltatással.
- beállítási szakasz megnyitása a StartDiagnosticSession szolgáltatással és a KALIBRÁLÁSI üzemmódba történő belépés (a két művelet sorrendjének nincs jelentősége).
- az InputOutputControlByIdentifier szolgáltatással át kell állni output állapotra.
7.1.2. Az üzenetek formátuma
CPR_062Az InputOutputControlByidentifier primitivek üzenetformáit az alábbi táblázatok részletezik:
33. táblázat
InputOutputControlByIdentifier kérésüzenet
A bájtok sorszáma | A paraméter neve | Hex érték | Rövidítés |
#1 | Formátum-bájt - fizikai címzés | 80 | FMT |
#2 | Célcím-bájt | EE | TGT |
#3 | Forráscím-bájt | tt | SRC |
#4 | Kiegészítő hosszbájt | xx | LEN |
#5 | InputOutputControlByIdentifierkérés-szolgáltatásazonosító | 2F | IOCBI |
#6 és #7 | InputOutputIdentifier = (CalibrationInputOutput) | F960 | IOI_CIO |
#8 vagy #8-tól #9-ig | ControlOptionRecord = ( | COR_… | |
inputOutputControlParameter - a 36. táblázat egyik értéke | xx | IOCP_… | |
controlState - a 38. táblázat egyik értéke (lásd a lenti megjegyzést)) | xx | CS_… | |
#9 vagy #10 | Ellenőrző összeg | 00-FF | CS |
Note:Megjegyzés: A controlState paraméter csak bizonyos esetekben szerepel (lásd a 7.1.3.). |
34. táblázat
InputOutputControlByIdentifier pozitív válaszüzenet
A bájtok sorszáma | A paraméter neve | Hex érték | Rövidítés |
#1 | Formátum-bájt - fizikai címzés | 80 | FMT |
#2 | Célcím-bájt | tt | TGT |
#3 | Forráscím-bájt | EE | SRC |
#4 | Kiegészítő hosszbájt | xx | LEN |
#5 | InputOutputControlByIdentifierpozitívválasz-szolgáltatásazonosító | 6F | IOCBIPR |
#6 és #7 | InputOutputIdentifier = (CalibrationInputOutput) | F960 | IOI_CIO |
#8 vagy #8-tól #9-ig | controlStatusRecord = ( | CSR_ | |
inputOutputControlParameter (megegyezik a 33. táblázat 8. bájtjának értékével) | xx | IOCP_… | |
controlState (megegyezik a 33. táblázat 9. bájtjának értékével) | xx | CS_… | |
#9 vagy #10 | Ellenőrző összeg | 00-FF | CS |
35. táblázat
InputOutputControlByIdentifier negatív válaszüzenet
A bájtok sorszáma | A paraméter neve | Hex érték | Rövidítés |
#1 | Formátum-bájt - fizikai címzés | 80 | FMT |
#2 | Célcím-bájt | tt | TGT |
#3 | Forráscím-bájt | EE | SRC |
#4 | Kiegészítő hosszbájt | 03 | LEN |
#5 | NegativeResponse-szolgáltatásazonosító | 7F | NR |
#6 | InputOutputControlByIdentifierkérés-szolgáltatásazonosító | 2F | IOCBI |
#7 | responseCode = ( | ||
incorrectMessageLength | 13 | RC_IML | |
conditionsNotCorrect | 22 | RC_CNC | |
requestOutOfRange | 31 | RC_ROOR | |
deviceControlLimitsExceeded) | 7A | RC_DCLE | |
#8 | Ellenőrző összeg | 00-FF | CS |
7.1.3. A paraméterek definíciója
CPR_064Az inputOutputControlParameter (IOCP_) paramétert a következő táblázat határozza meg:
36. táblázat
Az inputOutputControlParameter értékeinek meghatározása
Hex | Leírás | Rövidítés |
00 | ReturnControlToECU Ezen érték azt jelezi a szerver (JE) felé, hogy a vizsgálókészülék már nem vezérli a kalibrálási I/O jelvonalat. | RCTECU |
01 | ResetToDefault Ezen érték azon kérést jelzi a szerver (JE) felé, hogy a kalibrálási I/O jelvonalat vissza kell állítani az alapértelmezett állapotába. | RTD |
03 | ShortTermAdjustment Ezen érték azon kérést jelzi a szerver (JE) felé, hogy a kalibrálási I/O jelvonalat be kell állítani a controlState paraméter által tartalmazott értékre. | STA |
CPR_065A ControlState paraméter csak akkor jelenik meg, ha az inputOutputControlParameter ShortTermAdjustment értékre van beállítva; a következő értékek lehetségesek:
37. táblázat
A controlState értékek meghatározása
Üzemmód | Hex érték | Leírás |
Dezaktiválás | 00 | Az I/O vonal dezaktivált (alapértelmezett állapot) |
Aktiválás | 01 | A kalibrálási I/O vonal speedSignalInputként aktiválva |
Aktiválás | 02 | A kalibrálási I/O vonal realTimeSpeedSignalOutputSensorként aktiválva |
Aktiválás | 03 | A kalibrálási I/O vonal RTCOutputként aktiválva |
8. ADATREKORD-FORMÁTUMOK
E szakasz a következőket részletezi:
- általános szabályok, amelyeket azon paraméterek tartományaira kell alkalmazni, amelyeket a járműegységről átvisznek a vizsgálókészülékre,
- azon formátumok, amelyeket a 6. szakaszban leírt Adatátviteli Szolgáltatások útján továbbított adatok esetében használni kell.
CPR_067A JE támogatja az összes azonosított paramétert.
CPR_068Azon adatoknak, amelyeket a JE-ről átvisznek a vizsgálókészülékre a kérésüzenetre adott válaszként, mért adatoknak kell lenniük (vagyis a kért paraméter aktuális értéke, amint azt a JE mérte vagy megfigyelte).
8.1. Az átvitt paraméterek tartományai
CPR_069A 38. táblázat meghatározza azon tartományokat, amelyeket fel kell használni az átvitt paraméterek érvényességének megállapításához.
CPR_070A "hibajelző" tartományban szereplő értékek lehetővé teszik a járműegység számára annak azonnali jelzését, hogy az adott pillanatban nem állnak rendelkezésre érvényes paraméteradatok a menetíró készülék bizonyos típusú hibái miatt.
CPR_071A "nem áll rendelkezésre" tartományban szereplő értékek lehetővé teszik a járműegység számára egy olyan üzenet továbbítását, amely tartalmaz egy olyan paramétert, amely nem áll rendelkezésre vagy nem támogatott ezen modulban. A "nem kért" tartományban szereplő értékek lehetővé teszik a járműegység számára egy parancsüzenet továbbítását, és azon paraméterek meghatározását, amelyekre a fogadó eszköznek nem kell válaszolnia.
CPR_072Amennyiben valamely összetevő elem hibája megakadályozza az egyik paraméterre vonatkozó érvényes adatok átvitelét, úgy a 38. táblázatban leírt hibajelzőt kell használni a kérdéses paraméter adatai helyett. Ha azonban a mért vagy számított adatok olyan értéket adnak meg, amely érvényes ugyan, de amely e paraméter meghatározott tartományán kívül esik, úgy nem kell használni a hibajelzőt. Az adatokat a megfelelő minimális vagy maximális paraméterérték felhasználásával kell továbbítani.
38. táblázat
dataRecords tartományok
A tartomány megnevezése | 1 bájt (Hex érték) | 2 bájt (hex érték) | 4 bájt (Hex érték) | ASCII |
Érvényes jel | 00-tól FA-ig | 0000-FAFF | 00000000-FAFFFFFF | 1-254 |
Paraméter-specifikus indikátor | FB | FB00-FBFF | FB000000-FBFFFFFF | Nincs |
Jövőbeni indikátor bitek számára fenntartott tartomány | FC-től FD-ig | FC00-FDFF | FC000000-FDFFFFFF | Nincs |
Hibajelzés | FE | FE00-FEFF | FE000000-FEFFFFFF | 0 |
Nem áll rendelkezésre vagy nem kért | FF | FF00-FFFF | FF000000-FFFFFFFF | FF |
CPR_073Az ASCII-ben kódolt paraméterek esetében a "*" ASCII karaktert határolójelként kell fenntartani.
8.2. dataRecords formátum
Az alábbi, 40-44. táblázatok részletezik azon formátumokat, amelyeket a ReadDataByIdentifier és a WriteDataByIdentifier szolgáltatásokon keresztül fel kell használni.
CPR_074A 40. táblázat közli a recordDataIdentifier által meghatározott egyes paraméterek hosszát, felbontását és működési tartományát:
39. táblázat
dataRecords formátumok
A paraméter megnevezése | Az adat hossza (bájtok) | Felbontás | Működési tartomány |
TimeDate | 8 | További részletekért lásd a 40. táblázatot | |
HighResolutionTotalVehicleDistance | 4 | 5 m/bit nyereség, 0 m eltolási érték | 0-tól + 21 055 406 km |
Kfactor | 2 | 0,001 impulzus/m/bit nyereség eltolási érték 0 | 0-tól 64,255 impulzus/m |
LfactorTyreCircumference | 2 | 0,123 10-3/bit nyereség 0 eltolási érték | 0-tól 8 031 m |
WvehicleCharacteristicFactor | 2 | 0,001 impulzus/m/bit nyereség eltolási érték 0 | 0-tól 64,255 impulzus/m |
TyreSize | 15 | ASCII | ASCII |
NextCalibrationDate | 3 | További részletekért lásd a 41. táblázatot | |
SpeedAuthorised | 2 | 1/256 km/h/bit nyereség, 0 eltolási érték | 0-tól 250 996 km/h |
RegisteringMemberState | 3 | ASCII | ASCII |
VehicleRegistrationNumber | 14 | További részletekért lásd a 44. táblázatot | |
VIN | 17 | ASCII | ASCII |
CPR_075A 40. táblázat részletezi a TimeDate paraméter különféle bájtjainak formátumait:
40. táblázat
A TimeDate részletes formátuma ( recordDataIdentifier értéke # F90B)
Bájt | A paraméter meghatározása | Felbontás | Működési tartomány |
1 | Másodpercek | 0,25 s/bit nyereség, 0 s eltolási érték | 0-tól 59,75 s |
2 | Percek | 1 min/bit nyereség, 0 min eltolási érték | 0-tól 59 min |
3 | Órák | 1 h/bit nyereség, 0 h eltolási érték | 0-tól 23 h |
4 | Hónap | 1 hónap/bit nyereség, 0 hónap eltolási érték | 1-től 12 hónap |
5 | Nap | 0,25 nap/bit nyereség 0 nap eltolási érték (lásd az alábbi 41. táblázathoz fűzött megjegyzést) | 0,25-től 31,75 nap |
6 | Év | 1 év/bit nyereség +1985 év eltolási érték (lásd alább a 41. táblázat megjegyzését) | 1985-től 2235 év |
7 | Percek helyi eltolási értéke | 1 perc/bit nyereség, -125 min eltolási érték | -59-től + 59 perc |
8 | Órák helyi eltolási értéke | 1 h/bit nyereség, -125 eltolási érték | -23-tól + 23 óra |
CPR_076A 41. táblázat részletezi a NextCalibrationDate paraméter különféle bájtjainak formátumait:
41. táblázat
A NextCalibrationDate részletes formátuma ( recordDataIdentifier értéke # F922)
Bájt | A paraméter meghatározása | Felbontás | Működési tartomány |
1 | Hónap | 1 hónap/bit nyereség, 0 hónap eltolási érték | 1-től 12 hónap |
2 | Nap | 0,25 nap/bit nyereség, 0 nap eltolási érték (lásd az alábbi megjegyzést) | 0,25-től 31,75 nap |
3 | Év | 1 év/bit nyereség, +1985 év eltolási érték (lásd az alábbi megjegyzést) | 1985-től 2235 év |
Megjegyzés a „nap” paraméter használatáról: 1. A 0 dátumérték érvénytelen. Az 1, 2, 3, és 4 értékeket a hónap első napjának azonosítására kell használni; az 5, 6, 7 és 8 értékek a hónap második napjának azonosítására szolgálnak stb. 2. E paraméter nem befolyásolja és nem változtatja meg a fenti óraparamétert. Megjegyzés az „év” paraméter használatáról: A 0 érték az 1985. évre vonatkozik; az 1 érték az 1986. évre vonatkozik stb. |
CPR_078A 42. táblázat részletezi a VehicleRegistrationNumber paraméter különféle bájtjainak formátumait:
42. táblázat
A VehicleRegistrationNumber részletes formátuma ( recordDataIdentifier értéke # F97E)
Bájt | A paraméter meghatározása | Felbontás | Működési tartomány |
1 | Kódlap (az 1. függeléknek megfelelően) | ASCII | 01-0A |
2-től 14-ig | A jármű rendszáma (az 1. függeléknek megfelelően) | ASCII | ASCII |
9. függelék
TÍPUSJÓVÁHAGYÁS - A MINIMÁLISAN MEGKÖVETELT VIZSGÁLATOK FELSOROLÁSA
TARTALOM
1. Bevezetés ...
1.1. Típusjóváhagyás ...
1.2. Hivatkozások ...
2. A járműegység működési vizsgálatai ...
3. A mozgásérzékelő működési vizsgálatai ...
4. A tachográf kártyák működési vizsgálatai ...
5. Együttműködési képességi vizsgálatok ...
1. BEVEZETÉS
1.1. Típusjóváhagyás
A menetíró készülékkel (vagy alkatrészével) vagy a tachográf-kártyával kapcsolatos EGK jóváhagyás a következő tanúsításokon alapszik:
- valamely ITSEC hatóság által az e melléklet 10. függelékének teljes mértékben megfelelő biztonsági célhoz képest elvégzett biztonsági tanúsítás,
- valamely tagállami hatóság által elvégzett működési tanúsítás, amely igazolja, hogy a vizsgálat alá vont készülék teljesíti az e mellékletben szereplő követelményeket az elvégzett funkciók, a mérési pontosság és a környezetvédelmi jellemzők tekintetében,
- valamely illetékes szerv által elvégzett együttműködési képességi tanúsítás, amely igazolja, hogy a menetíró készülék (vagy tachográf-kártya) teljes mértékben képes együttműködni a szükséges tachográfkártya- (vagy menetírókészülék-) modellekkel (lásd e melléklet VIII. fejezete).
E függelék meghatározza azon vizsgálati követelményeket, amelyeket valamely tagállam illetékes hatóságainak a funkcionális vizsgálatok, illetve az illetékes szervnek az együttműködési képességi vizsgálatok során minimálisan el kell végeznie. A vizsgálatok elvégzése során követendő eljárások és a vizsgálatok típusai további részletezésre nem kerülnek.
E függelék nem foglalkozik a biztonsági tanúsítás különféle szempontjaival. Ha bizonyos típus-jóváhagyási vizsgálatokat a biztonsági értékelési és tanúsítási eljárás során végeznek el, e vizsgálatokat nem szükséges megismételni. Ebben az esetben csak e biztonsági vizsgálatok eredményeit kell ellenőrizni. Információs célokból "*" jelzi e függelékben azon követelményeket, amelyeket a biztonsági tanúsítás során várhatóan meg kell vizsgálni (vagy amelyek a végrehajtandó vizsgálatokkal szoros kapcsolatban vannak).
E függelék külön tárgyalja a mozgásérzékelőnek és a járműegységnek mint a menetíró készülék részegységeinek típusjóváhagyását. Nem szükséges az együttműködési képesség megléte az összes mozgásérzékelő-típus és az összes járműtípus között, ezért a mozgásérzékelő jóváhagyása csak a járműegység típusjóváhagyásával együtt adható meg és fordítva.
1.2. Hivatkozások
E függelék az alábbi hivatkozásokat használja:
IEC 68-2-1 Környezeti vizsgálat - 2. rész: Vizsgálatok - A. Vizsgálatok: Hideg. 1990. + 2. módosítás: 1994.
IEC 68-2-2 Környezeti vizsgálat - 2. rész: Vizsgálatok - B. Vizsgálatok: Száraz hő. 1974. + 2. módosítás: 1994.
IEC 68-2-6 Alapvető környezeti vizsgálati eljárások -Vizsgálati eljárások - Fc. Teszt és útmutatás: Vibrálás (szinuszos). 6. kiadás: 1985.
IEC 68-2-14 Alapvető környezeti vizsgálati eljárások - Vizsgálati eljárások - N. Teszt : Hőmérsékletváltozás. 1. módosítás: 1986.
IEC 68-2-27 Alapvető környezeti vizsgálati eljárások - Vizsgálati eljárások - Ea. Teszt és útmutatás: Ütés. 3. kiadás: 1987.
IEC 68-2-30 Alapvető környezeti vizsgálati eljárások - Vizsgálati eljárások - Db. Teszt és útmutatás: Nedves hő, ciklikus (12 + 12 órás ciklus). 1. módosítás: 1985.
IEC 68-2-35 Alapvető környezeti vizsgálati eljárások - Vizsgálati eljárások - Fda. Teszt: Széles sávú véletlenszerű vibrálás - Magas megismételhetőség. 1. módosítás: 1983.
IEC 529 A burkolatok által biztosított védelem mértéke (IP kód). 2. kiadás: 1989.
IEC 61000-4-2 Elektromágneses kompatibilitás (EMC) - Vizsgálati és mérési technikák - Elektromos kisülés elleni védettség vizsgálata: 1995/1. Módosítás: 1998.
ISO 7637-1 Közúti járművek - Az áramvezetés és összekapcsolás által okozott elektromos zavar - 1. rész: Személygépkocsik és könnyű haszongépjárművek 12 V névleges tápfeszültséggel - Átmeneti elektromos vezetés csak a tápvezetékek mentén. 2. kiadás: 1990.
ISO 7637-2 Közúti járművek - Az áramvezetés és összekapcsolás által okozott elektromos zavar - 2. rész: Személygépkocsik és könnyű haszongépjárművek 24 V névleges tápfeszültséggel - Átmeneti elektromos vezetés csak a tápvezetékek mentén. 2. kiadás: 1990.
ISO 7637-3 Közúti járművek - Az áramvezetés és összekapcsolás által okozott elektromos zavar - 3. rész: Járművek 12 V vagy 24 V tápfeszültséggel - Átmeneti elektromos vezetés a nem tápvezetéknek számító vezetékek kapacitív és induktív csatolásai mellett. Első kiadás: 1995 + 1. korr.: 1995.
ISO/IEC 7816-1 Azonosító kártyák - Integrált áramköri kártyák érintkezőkkel - 1. rész: Fizikai jellemzők. 1. kiadás: 1998.
ISO/IEC 7816-2 Információtechnológia - Azonosító kártyák - Integrált áramköri kártyák érintkezőkkel - 2. rész: Az érintkezők mérete és helye. Első kiadás: 1999.
ISO/IEC 7816-3 Információtechnológia - Azonosító kártyák - Integrált áramköri kártyák érintkezőkkel - 3. rész: Elektronikus jelek és átviteli protokoll. 2. kiadás: 1997.
ISO/IEC 10373 Azonosító kártyák - Vizsgálati módszerek. Első kiadás: 1993.
ISO 16844-3 2004, Cor 1:2006 Közúti járművek - Tachográf-rendszerek - 3. rész: Mozgásérzékelő felület (járműegységekkel).
2. A JÁRMŰEGYSÉG MŰKÖDÉSI VIZSGÁLATAI
Szám | Vizsgálat | Leírás | Kapcsolódó követelmények |
1. | Adminisztratív vizsgálat | ||
1.1. | Dokumentáció | A dokumentáció helyessége | |
1.2. | Gyártói vizsgálati eredmények | Az integráció során elvégzett gyártói vizsgálat eredménye. Kimutatások papíron | 070, 071, 073 |
2. | Szemle | ||
2.1. | A dokumentációnak való megfelelés | ||
2.2. | Azonosító/jelzések | 168, 169 | |
2.3. | Anyagok | 163-167 | |
2.4 | Plombálás | 251 | |
2.5. | Külső felületek | ||
3. | Működési vizsgálatok | ||
3.1. | Elérhető funkciók | 002, 004, 244 | |
3.2. | Üzemmódok | 006*, 007*, 008*, 009*, 106, 107 | |
3.3. | Funkciók és adathozzáférési jogok | 010*, 011*, 240, 246, 247 | |
3.4. | A kártyabehelyezés és -kivétel figyelése | 013, 014, 015*, 016*, 106 | |
3.5. | Sebesség és távolságmérés | 017-026 | |
3.6. | Időmérés (20 °C mellett elvégzett vizsgálat) | 027-032 | |
3.7. | A járművezetői tevékenység figyelése | 033-043, 106 | |
3.8. | A járművezetési állapot figyelése | 044, 045, 106 | |
3.9. | Kézi betáplálás | 046-050b | |
3.10. | A vállalkozási lezárás kezelése | 051-055 | |
3.11. | Ellenőrzési tevékenység figyelése | 056, 057 | |
3.12. | Események illetve hibák észlelése | 059-069, 106 | |
3.13. | A járműegység azonosító adatai | 075*, 076*, 079 | |
3.14. | A járművezetői kártya behelyezési és kivételi adatai | 081*-083* | |
3.15. | A járművezetői tevékenység adatai | 084*-086* | |
3.16. | A helyekre vonatkozó adatok | 087*-089* | |
3.17. | A kilométer-számláló adatai | 090*-092* | |
3.18. | Részletes sebességadatok | 093* | |
3.19. | Eseményekkel kapcsolatos adatok | 094*, 095 | |
3.20. | Hibákkal kapcsolatos adatok | 096* | |
3.21. | Kalibrálási adatok | 097*, 098* | |
3.22. | Időbeállítási adatok | 100*, 101* | |
3.23. | Ellenőrző tevékenységgel kapcsolatos adatok | 102*, 103* | |
3.24. | A vállalkozási lezárással kapcsolatos adatok | 104* | |
3.25. | Tevékenységekre vonatkozó adatok letöltése | 105* | |
3.26. | Különleges körülményekkel kapcsolatos adatok | 105a*, 105b* | |
3.27. | Rögzítés és tárolás a tachográf-kártyán | 108, 109*, 109a*, 110*, 111, 112 | |
3.28. | Kijelzés | 072, 106, 113-128, PIC_001, DIS_001 | |
3.29. | Nyomtatás | 072, 106, 129-138, PIC_001, PRT_001- PRT_012 | |
3.30. | Figyelmeztetés | 106, 139-148, PIC_001 | |
3.31. | Adatok letöltése külső adathordozóra | 072, 106, 149-151 | |
3.32. | Adatok kimentése külső kiegészítő eszközre | 152, 153 | |
3.33. | Kalibrálás | 154*, 155*, 156*, 245 | |
3.34. | Időbeállítás | 157*, 158* | |
3.35. | A kiegészítő funkciók zavarmentessége | 003, 269 | |
3.36. | Mozgásérzékelő felület | 001a 099 | |
3.37. | Meg kell erősíteni, hogy a járműegység érzékeli, feljegyzi és tárolja a járműegység gyártója által meghatározott esete(ke)t, illetve hibá(ka)t, amikor a párosított mozgásérzékelő reagál a jármű mozgásának érzékelését zavaró mágneses terekre | 161a | |
4. | Környezeti vizsgálatok | ||
4.1. | Hőmérséklet | Működésellenőrzés az alábbiak révén: — IEC 68-2-1, Ad. teszt, 72 órás vizsgálati időtartammal alacsony hőmérsékleten (-20 °C); 1 óra üzemelés, 1 óra üzemszünet, — IEC 68-2-2, Bd. teszt, 72 órás vizsgálati időtartammal magas hőmérsékleten (+ 70 °C ); 1 óra üzemelés, 1 óra üzemszünet, Hőmérsékleti ciklusok: Ellenőrizni kell, hogy a járműegység ellenáll-e a környezeti hőmérséklet gyors megváltozásának az IEC 68-2-14 Na. teszt végrehajtása során, 20 ciklus, mindegyik esetében a hőmérséklet a legalacsonyabb (- 20 °C) és a legmagasabb (+ 70 °C) érték között ingadozik, és 2 órán keresztül marad a legalacsonyabb, illetve a legmagasabb hőmérsékleten. Csökkentett számú vizsgálat végezhető el (a táblázat 3. részében meghatározottak közül) a legalacsonyabb és a legmagasabb feltüntetett hőmérsékleten és a hőmérsékleti ciklusok alatt. | 159 |
4.2. | Páratartalom | Ellenőrizni kell, hogy a készülék ellenáll-e a ciklikus párásodásnak (hőellenállási vizsgálat) az IEC 68-2-30 Db. teszt végrehajtása során, hat darab 24 órás ciklus, valamennyi hőmérséklet + 25 °C és + 55 °C között váltakozik, a relatív páratartalom pedig + 25 °C mellett 97 %, ami + 55 °C-on 93 %-nak felel meg. | 160 |
4.3. | Rezgés | 1. Szinuszos rezgés: Ellenőrizni kell, hogy a járműegység ellenáll-e az alábbi jellemzőkkel rendelkező szinuszos rezgésnek: állandó kilengés 5 és 11 Hz között: 10 mm-es csúcs állandó gyorsítás 11 és 300 Hz között: 5 g E követelmény ellenőrzése az IEC 68-2-6 Fc. tesztje révén történik, e vizsgálat minimális időtartama 3 × 12 óra (tengelyenként 12 óra) 2. Véletlenszerű rezgés: Ellenőrizni kell, hogy a járműegység ellenáll-e az alábbi jellemzőkkel rendelkező véletlenszerű rezgésnek: frekvencia: 5-150 Hz, szint: 0,02 g2/Hz E követelmény ellenőrzése az IEC 68-2-35 Ffda. tesztje révén történik, e vizsgálat minimális időtartama 3 × 12 óra (tengelyenként 12 óra), 1 óra üzem, 1 óra üzemszünet A fent leírt két vizsgálatot a tesztelt készüléktípus két különböző mintáján kell elvégezni | 163 |
4.4. | Víz és idegen anyag elleni védelem | Ellenőrizni kell, hogy a járműegység IEC 529 szerinti védelmi indexe legalább IP 40, amennyiben üzemi körülmények között a járműbe szerelik. | 164, 165 |
4.5. | Túlfeszültség-védelem | Ellenőrizni kell, hogy a járműegység ellenáll-e az alábbi feszültségeknek: 24 V-os modellek: 34 V + 40 °C mellett 1 órán keresztül 12 V-os modellek: 17 V + 40 °C mellett 1 órán keresztül | 161 |
4.6. | Fordított polaritás elleni védelem | Ellenőrizni kell, hogy a járműegység ellenáll-e az áramellátás megfordításának | 161 |
4.7. | Rövidzárlat-védelem | Ellenőrizni kell, hogy a bemeneti-kimeneti jelek védettek-e az áramellátás felőli rövidzárlattal és a földzárlattal szemben | 161 |
5. | EMC vizsgálatok | ||
5.1. | Sugárzás-kibocsátás és szuszceptibilitás | a 95/54/EGK irányelv betartása | 162 |
5.2. | Elektrosztatikus kisülés | az IEC 61000-4-2 betartása, ±2 kV (1. szint) | 162 |
5.3. | Vezetett átmeneti szuszceptibilitás az áramellátáson | A 24 V-os modellek esetében: az ISO 7637-2 betartása: 1a. impulzus: Vs = - 100 V, Ri = 10 ohm 2. impulzus: Vs = + 100 V, Ri = 10 ohm 3a. impulzus: Vs = - 100 V, Ri = 50 ohm 3b. impulzus: Vs = + 100 V, Ri = 50 ohm 4. impulzus: Vs = - 16 V Va = - V, t6 = 100 ms 5. impulzus: Vs = + 120 V, Ri = 2,2 ohm, td = 250 ms A 12 V-os modell esetében: az ISO 7637-1 betartása: 1. impulzus: Vs = - 100 V, Ri = 10 ohm 2. impulzus: Vs = + 100 V, Ri = 10 ohm 3a. impulzus: Vs = - 100 V, Ri = 50 ohm 3b. impulzus: Vs = + 100 V, Ri = 50 ohm 4. impulzus: Vs = - 6 V Va = - V, t6 = 15 ms 5. impulzus: Vs = + 65 V, Ri = 3 ohm, td = 100 ms Az 5. impulzust csak azon járműegységeken kell tesztelni, amelyeket olyan járművekbe szerelnek be, amelyeken nem valósítottak meg közös külső túlterhelés-védelmet. | 162 |
3. A MOZGÁSÉRZÉKELŐ MŰKÖDÉSI VIZSGÁLATAI
Szám | Vizsgálat | Leírás | Kapcsolódó követelmények |
1. | Adminisztratív vizsgálat | ||
1.1. | Dokumentáció | A dokumentáció helyessége | |
2. | Szemle | ||
2.1. | A dokumentációnak való megfelelés | ||
2.2. | Azonosítás/jelzések | 169, 170 | |
2.3. | Anyagok | 163-167 | |
2.4. | Plombálás | 251 | |
3. | Működési vizsgálatok | ||
3.1. | Az érzékelő azonosító adatai | 077* | |
3.2. | Mozgásérzékelő - járműegység párosítás | 099*, 155 | |
3.3. | Mozgásészlelés | ||
A mozgás mérésének pontossága | 022-026 | ||
3.4. | Járműegység-interfész | 001a | |
3.5. | Ellenőrizze, hogy a mozgásérzékelő védett a mágneses terekkel szemben. Vagy erősítse meg, hogy a mozgásérzékelő úgy reagál a jármű mozgásának érzékelését zavaró mágneses terekre, hogy a párosított járműegység képes észlelni, feljegyezni és tárolni az érzékelőhibákat | 161a | |
4. | Környezeti vizsgálatok | ||
4.1. | Üzemi hőmérséklet | Ellenőrizni kell a működést (a 3.3. sz. tesztben meghatározottak szerint) a (- 40 °C - + 135 °C) hőmérsékleti tartományban, a következő vizsgálatok végrehajtásával: — IEC 68-2-1, Ad. teszt 96 órás vizsgálati időtartammal, a Tomin legalacsonyabb hőmérsékleten — IEC 68-2-2, Bd. teszt 96 órás vizsgálati időtartammal, a Tomax legmagasabb hőmérsékleten | 159 |
4.2. | Hőmérsékleti ciklusok | Ellenőrizni kell a működést (a 3.3. sz. tesztben meghatározottak szerint) az IEC 68-2-14 Na. teszt végrehajtása során, 20 ciklus, mindegyik esetében a hőmérséklet a legalacsonyabb (- 40 °C) és a legmagasabb (+ 135 °C) érték között ingadozik, és 2 órán keresztül marad a legalacsonyabb, illetve a legmagasabb hőmérsékleten. Csökkentett számú vizsgálat végezhető el (a 3.3. tesztben meghatározottak közül) a legalacsonyabb és a legmagasabb feltüntetett hőmérsékleten és a hőmérsékleti ciklusok alatt. | 159 |
4.3. | Párásodási ciklusok | Ellenőrizni kell a működést (a 3.3. sz. tesztben meghatározottak szerint) az IEC 68-2-30 Db. teszt végrehajtása során, hat darab 24 órás ciklus, valamennyi hőmérséklet + 25 °C és + 55 °C között váltakozik, a relatív páratartalom pedig + 25 °C mellett 97 %, ami + 55 °C-on 93 %-nak felel meg. | 160 |
4.4. | Rezgés | Ellenőrizni kell a működést (a 3.3. sz. tesztben meghatározottak szerint) az IEC 68-2-6 Fc. teszt végrehajtása során, 100 rezgési ciklus vizsgálati időtartammal: állandó kilengés 10 és 57 Hz között: 1,5 mm-es csúcs állandó gyorsítás 57 és 500 Hz között: 20 g | 163 |
4.5. | Mechanikai ütés | Ellenőrizni kell a működést (a 3.3. sz. tesztben meghatározottak szerint) az IEC 68-2-27 Ea. teszt végrehajtása során, 3 ütés a tér három tengelyének mindkét irányából | 163 |
4.6. | Víz és idegen anyag elleni védelem | Ellenőrizni kell, hogy a mozgásérzékelő IEC 529 szerinti védelmi indexe legalább IP 64, amennyiben üzemi körülmények között a járműbe szerelik. | 165 |
4.7. | Fordított polaritás elleni védelem | Ellenőrizni kell, hogy a mozgásérzékelő ellenáll-e az áramellátás megfordításának | 161 |
4.8. | Rövidzárlat-védelem | Ellenőrizni kell, hogy a bemeneti-kimeneti jelek védettek-e az áramellátás felőli rövidzárlattal és a földzárlattal szemben | 161 |
5. | EMC | ||
5.1. | Sugárzás-kibocsátás és szuszceptibilitás | A 95/54/EGK irányelv betartásának ellenőrzése | 162 |
5.2. | Elektromos kisülés | az IEC 61000-4-2 betartása, ± 2 kV (1. szint) | 162 |
5.3. | Vezetett átmeneti szuszceptibilitás az adatátviteli vonalakon | az ISO 7637-3 betartása (III. szint) | 162 |
4. A TACHOGRÁF-KÁRTYÁK MŰKÖDÉSI VIZSGÁLATAI
Szám | Vizsgálat | Leírás | Kapcsolódó követelmények |
1. | Adminisztratív vizsgálat | ||
1.1. | Dokumentáció | A dokumentáció helyessége | |
2. | Szemle | ||
2.1. | Ellenőrizni kell, hogy az összes védelmi jellemzőt és a látható adatokat megfelelően a kártyára nyomtatták-e és ezek megfelelők-e | 171-181 | |
3. | Fizikai vizsgálatok | ||
3.1. | Ellenőrizni kell a kártya méreteit és az érintkezők helyeit | 184 ISO/IEC 7816-1 ISO/IEC 7816-2 | |
4. | Protokollvizsgálatok | ||
4.1. | ATR | Ellenőrizni kell, hogy az ATR megfelelő-e | ISO/IEC 7816-3 TCS 304, 307, 308 |
4.2. | T=0 | Ellenőrizni kell, hogy a T = 0 protokoll megfelelő-e | ISO/IEC 7816-3 TCS 302, 303, 305 |
4.3. | PTS | Ellenőrizni kell, hogy a PTS parancs megfelelő-e a T = 1 T = 0-ra állításával | ISO/IEC 7816-3 TCS 309-311 |
4.4. | T=1 | Ellenőrizni kell, hogy a T = 1 protokoll megfelelő-e | ISO/IEC 7816-3 TCS 303, / 306 |
5. | A kártya felépítése | ||
5.1. | Ellenőrizni kell, hogy a kártya fájlstruktúrája megfelelő-e a kötelező fájlok kártyán való meglétének és azok hozzáférési feltételeinek ellenőrzésével | TCS 312 TCS 400*, 401, 402, 403*, 404, 405*, 406, 407, 408*, 409, 410*, 411, 412, 413*, 414, 415*, 416, 417, 418*, 419 | |
6. | Működési vizsgálatok | ||
6.1. | Rendes feldolgozás | Legalább egyszer tesztelni kell minden parancs minden megengedett használatát (pl. ellenőrizni kell az UPDATE BINARY parancsot CLA = ′00′, CLA = ′0C′ mellett, valamint eltérő P1, P2 és Lc paraméterekkel) Ellenőrizni kell, hogy a műveletek végrehajtása valóban megtörtént-e a kártyán (pl. azon fájl olvasásával, amelyen a parancs végrehajtásra került) | TCS 313-TCS 379 |
6.2. | Hibaüzenetek | Legalább egyszer tesztelni kell minden hibaüzenetet (a 2. függelékben megadottak szerint) minden egyes parancs esetében Legalább egyszer tesztelni kell minden általános hibát (a biztonsági tanúsítás során tesztelt ′6400′ integritási hibák kivételével) | |
7. | Környezeti próbák | ||
7.1. | Ellenőrizni kell, hogy a kártyák működnek-e az ISO/IEC 10373 szabvánnyal összhangban meghatározott határfeltételeken belül | 185-188 ISO/IEC 7816-1 |
5. EGYÜTTMŰKÖDÉSI KÉPESSÉGI VIZSGÁLATOK
Szám | Vizsgálat | Leírás |
1. | Kölcsönös hitelesítés | Ellenőrizni kell, hogy rendesen lefut-e a járműegység és a tachográf-kártya közötti kölcsönös hitelesítés |
2. | Írási/olvasási vizsgálatok | El kell végezni egy jellemző tevékenységi sort a járműegységen. A tevékenységi sort a tesztelt kártya típusához kell igazítani, és a lehető legtöbb EF kártyára írását kell tartalmaznia A kártya letöltésével ellenőrizni kell, hogy a tevékenységgel kapcsolatos minden rögzítés megfelelően megtörtént-e A kártya napi kinyomtatásával ellenőrizni kell, hogy a tevékenységgel kapcsolatos minden rögzített adat megfelelően olvasható-e |
10. függelék
ÁLTALÁNOS BIZTONSÁGI KÖVETELMÉNYEK
E függelék a mozgásérzékelő, a járműegység és a tachográf-kártya biztonsági követelményeinek minimálisan kötelező tartalmát határozza meg.
Azon biztonsági követelmények kialakítása érdekében, amelyeket a biztonsági tanúsítvány kérelmezésénél teljesíteni kell, a gyártók szükség szerint pontosítják és kiegészítik a dokumentumokat anélkül, hogy módosítanák vagy törölnék a lehetséges biztonsági kockázatok, valamint a célok, eljárási lehetőségek és biztonságérvényesítési funkciók meghatározásait.
TARTALOM
A mozgásérzékelő általános biztonsági követelményei
1. Bevezetés ...
2. Rövidítések, meghatározások és hivatkozások ...
2.1. Rövidítések ...
2.2. Meghatározások ...
2.3. Hivatkozások ...
3. A termék működési elve ...
3.1. A mozgásérzékelő leírása és használatának módja ...
3.2. A mozgásérzékelő életciklusa ...
3.3. Veszélyek ...
3.3.1. A hozzáférés-engedélyezési elvet fenyegető veszélyek ...
3.3.2. A konstrukcióval kapcsolatos veszélyek ...
3.3.3. A működéssel kapcsolatos veszélyek ...
3.4. Biztonsági célkitűzések ...
3.5. Informatikai biztonsági célkitűzések ...
3.6. Fizikai, személyzeti és eljárási eszközök ...
3.6.1. A berendezés konstrukciója ...
3.6.2. A berendezés átadása ...
3.6.3. Biztonsági adatok generálása és átadása ...
3.6.4. A menetíró készülék beépítése, kalibrálása és felülvizsgálata ...
3.6.5. Az előírások betartásának ellenőrzése ...
3.6.6. Szoftverfrissítések ...
4. Biztonságérvényesítési funkciók ...
4.1. Azonosítás és hitelesítés ...
4.2. A hozzáférés ellenőrzése ...
4.2.1. Hozzáférés-ellenőrzési elv ...
4.2.2. Adathozzáférési jogok ...
4.2.3. Fájlstruktúra és hozzáférési feltételek ...
4.3. Elszámoltatás ...
4.4. Elemzés ...
4.5. Pontosság ...
4.5.1. Az információáramlás vezérlésének elve ...
4.5.2. Belső adatátvitel ...
4.5.3. A tárolt adatok integritása ...
4.6. Üzembiztonság ...
4.6.1. Vizsgálatok ...
4.6.2. Szoftver ...
4.6.3. Fizikai védelem ...
4.6.4. Az áramellátás megszakadása...
4.6.5. Visszaállítási feltételek...
4.6.6. Az adatok elérhetősége ...
4.6.7. Több alkalmazás ...
4.7. Adatcsere ...
4.8. Rejtjelezési támogatás ...
5. Biztonsági mechanizmusok meghatározása ...
6. A biztonsági mechanizmusok minimális erőssége ...
7. Garanciaszint ...
8. Működési elv ...
A járműegység általános biztonsági követelményei
1. Bevezetés ...
2. Rövidítések, meghatározások és hivatkozások ...
2.1. Rövidítések ...
2.2. Meghatározások ...
2.3. Hivatkozások ...
3. A termék működési elve ...
3.1. A járműegység leírása és használatának módja ...
3.2. A járműegység életciklusa ...
3.3. Veszélyek ...
3.3.1. Az azonosítást és a hozzáférés-engedélyezési elvet fenyegető veszélyek ...
3.3.2. A konstrukcióval kapcsolatos veszélyek ...
3.3.3. A működéssel kapcsolatos veszélyek ...
3.4. Biztonsági célkitűzések ...
3.5. Informatikai biztonsági célkitűzések ...
3.6. Fizikai, személyzeti és eljárási eszközök ...
3.6.1. A berendezés konstrukciója ...
3.6.2. A berendezés átadása és aktiválása ...
3.6.3. Biztonsági adatok generálása és átadása ...
3.6.4. A kártyák átadása ...
3.6.5. A menetíró készülék beépítése, kalibrálása és felülvizsgálata ...
3.6.6. A berendezés működése ...
3.6.7. Az előírások betartásának ellenőrzése ...
3.6.8. Szoftverfrissítések ...
4. Biztonságérvényesítési funkciók ...
4.1. Azonosítás és hitelesítés ...
4.1.1. A mozgásérzékelő azonosítása és hitelesítése ...
4.1.2. A felhasználó azonosítása és hitelesítése ...
4.1.3. Távolról összekapcsolt vállalkozás azonosítása és hitelesítése ...
4.1.4. A kezelői készülék azonosítása és hitelesítése ...
4.2. A hozzáférés engedélyezése ...
4.2.1. Hozzáférés-engedélyezési elv ...
4.2.2. A funkciókhoz való hozzáférési jogok ...
4.2.3. Az adatokhoz való hozzáférési jogok ...
4.2.4. Fájlstruktúra és hozzáférési feltételek ...
4.3. Elszámoltatás ...
4.4. Elemzés ...
4.5. Az objektumok újbóli felhasználása ...
4.6. Pontosság ...
4.6.1. Az információáramlás vezérlésének elve ...
4.6.2. Belső adatátvitel ...
4.6.3. A tárolt adatok integritása ...
4.7. Üzembiztonság ...
4.7.1. Vizsgálatok ...
4.7.2. Szoftver ...
4.7.3. Fizikai védelem ...
4.7.4. Az áramellátás megszakadása ...
4.7.5. Visszaállítási feltételek ...
4.7.6. Az adatok elérhetősége ...
4.7.7. Több alkalmazás ...
4.8. Adatcsere ...
4.8.1. Adatcsere a mozgásérzékelővel ...
4.8.2. Adatcsere a tachográf-kártyával ...
4.8.3. Adatcsere külső adattárolókkal (letöltési funkció) ...
4.9. Rejtjelezési támogatás ...
5. Biztonsági mechanizmusok meghatározása ...
6. A biztonsági mechanizmusok minimális erőssége ...
7. Garanciaszint ...
8. Működési elv ...
A tachográf-kártya általános biztonsági követelményei
1. Bevezetés ...
2. Rövidítések, meghatározások és hivatkozások ...
2.1. Rövidítések ...
2.2. Meghatározások ...
2.3. Hivatkozások ...
3. A termék működési elve ...
3.1. A tachográf-kártya leírása és használatának módja ...
3.2. A tachográf-kártya életciklusa ...
3.3. Veszélyek ...
3.3.1. Végső célok ...
3.3.2. Támadási útvonalak ...
3.4. Biztonsági célkitűzések ...
3.5. Informatikai biztonsági célkitűzések ...
3.6. Fizikai, személyzeti és eljárási eszközök ...
4. Biztonság-érvényesítési funkciók ...
4.1. A védelmi profiloknak való megfelelés ...
4.2. A felhasználó azonosítása és hitelesítése ...
4.2.1. A felhasználó azonosítása ...
4.2.2. A felhasználó hitelesítése ...
4.2.3. Hitelesítési hibák ...
4.3. A hozzáférés engedélyezése ...
4.3.1. Hozzáférés-engedélyezési elv ...
4.3.2. Hozzáférés-engedélyezési funkciók ...
4.4. Elszámoltatás ...
4.5. Elemzés ...
4.6. Pontosság ...
4.6.1. A tárolt adatok integritása ...
4.6.2. Alapadatok hitelesítése ...
4.7. Üzembiztonság ...
4.7.1. Vizsgálatok ...
4.7.2. Szoftver ...
4.7.3. Áramellátás ...
4.7.4. Visszaállítási feltételek ...
4.8. Adatcsere ...
4.8.1. Adatcsere a járműegységgel ...
4.8.2. Adatok exportálása önálló egységek felé (letöltési funkció) ...
4.9. Rejtjelezési támogatás ...
5. Biztonsági mechanizmusok meghatározása ...
6. A mechanizmusok minimálisan igényelt erőssége ...
7. Garanciaszint ...
8. Működési elv ...
A MOZGÁSÉRZÉKELŐ ÁLTALÁNOS BIZTONSÁGI KÖVETELMÉNYEI
1. Bevezetés
E dokumentum tartalmazza a mozgásérzékelő leírását, azon veszélyeket, amelyeknek ellen kell állnia, valamint azon biztonsági célokat, amelyeket el kell érnie. Meghatározza a megkövetelt biztonságérvényesítési funkciókat. Ezenkívül megállapítja a biztonsági mechanizmusok minimálisan igényelt erősségét és a biztosítás kötelező szintjét a fejlesztés és az értékelés szempontjából.
A dokumentumban említett követelmények megegyeznek az I. B. melléklet fő részének követelményeivel. Az egyértelműbb értelmezés érdekében az I. B. melléklet szövegében szereplő követelmények és a biztonsági célkitűzési követelmények ismétlődhetnek. Amennyiben kétértelműség lépne fel valamely biztonsági célkitűzési követelmény és az általa megemlített, az I. B. melléklet fő szövegében szereplő követelmény között, úgy az I. B. melléklet fő szövegében szereplő követelmény az irányadó.
Az I. B. melléklet fő szövegében szereplő és a biztonsági célok által meg nem említett követelmények nem képezik biztonságérvényesítési funkciók tárgyát.
A jobb nyomon követhetőség érdekében egyedi címkéket kaptak azon veszélyek, célkitűzések, eljárási lehetőségek és SEF-meghatározások, amelyek a fejlesztési és értékelési dokumentációban jelennek meg.
2. Rövidítések, meghatározások és hivatkozások
2.1. Rövidítések
ROM Csak olvasható tár
SEF Biztonságérvényesítési funkció
TBD Meghatározandó
TOE Az értékelés célja
VU Járműegység
2.2. Meghatározások
Digitális tachográf Menetíró készülék
Entitás A mozgásérzékelőhöz csatlakoztatott eszköz
Mozgási adatok A JE-gel kicserélt adatok a sebességről és a megtett távolságról
Fizikailag elkülönített alkatrészek A mozgásérzékelő olyan fizikai alkatrészei, amelyek a járműben elszórva találhatók, ellentétben az egyetlen mozgásérzékelő házban elhelyezett alkatrészekkel
Biztonsági adatok A biztonságérvényesítési funkció támogatásához szükséges egyedi adatok (pl. rejtjelkulcsok)
Rendszer A menetíró készülékkel bármilyen módon kapcsolatba kerülő berendezések, emberek vagy szervezetek
Felhasználó A mozgásérzékelőt használó személy (amennyiben nem a "felhasználói adatok" kifejezésben szerepel)
Felhasználói adatok A mozgási vagy biztonsági adatoktól eltérő és a mozgásérzékelő által rögzített vagy tárolt bármely adat.
2.3. Hivatkozások
ITSECITSEC Information Technology Security Evaluation, 1991. (Informatikai biztonságértékelési kritériumok)
3. A termék működési elve
3.1. A mozgásérzékelő leírása és használatának módja
A mozgásérzékelőt közúti fuvarozást végző gépjárműbe való beépítésre tervezik. Feladata, hogy biztonságos mozgási adatokat szolgáltasson a JE-neka jármű sebessége és a megtett távolság tekintetében.
A mozgásérzékelő mechanikus interfésszel csatlakozik a jármű egy mozgó alkatrészéhez, amelynek mozgása utal a jármű sebességére vagy a megtett távolságra. Elhelyezhető a jármű sebességváltójában vagy bármely más alkatrészében.
Működési állapotban a mozgásérzékelő a JE-hez csatlakozik.
Kezelési célokra meghatározott berendezéssel is összekapcsolható (a gyártó által meghatározandó).
Az alábbi ábra szemlélteti a jellemző mozgásérzékelőt:

1. ábra
Jellemző mozgásérzékelő
3.2. A mozgásérzékelő életciklusa
Az alábbi ábra szemlélteti a mozgásérzékelő jellemző életciklusát:

2. ábra
A mozgásérzékelő jellemző életciklusa
3.3. Veszélyek
E bekezdés a mozgásérzékelőt fenyegető veszélyeket írja le.
3.3.1. A hozzáférés-engedélyezési elvet fenyegető veszélyek
T.AccessA felhasználók megpróbálhatnak hozzáférni számukra nem engedélyezett funkciókhoz.
3.3.2. A konstrukcióval kapcsolatos veszélyek
T.Faults A hardver, a szoftver vagy a kommunikációs eljárások hibája előreláthatatlan és a biztonságot csökkentő állapotba helyezheti a mozgásérzékelőt
T.Tests A nem érvénytelenített vizsgálati módok vagy létező kiskapuk használata csökkentheti a mozgásérzékelő biztonságát
T.Design A felhasználók megpróbálhatnak tiltott konstrukciós ismeretekhez jutni vagy a gyártói anyagokból (lopás, megvesztegetés stb. révén), vagy ellentétes irányú tervezéssel.
3.3.3. A működéssel kapcsolatos veszélyek
T.Environment A felhasználók csökkenthetik a mozgásérzékelő biztonságát külső (hő-, elektromágneses, optikai, vegyi, mechanikai stb.) behatások révén
T.Hardware A felhasználók megpróbálhatják módosítani a mozgásérzékelő hardverét
T.Mechanical_Origin A felhasználók megpróbálhatják manipulálni a mozgásérzékelő bemenetét (pl. lecsavarozzák a sebességváltó műről stb.)
T.Motion_Data A felhasználók megpróbálhatják módosítani a jármű mozgási adatait (jelhozzáadás, jelmódosítás, jeltörlés, jelvisszajátszás)
T.Power_Supply A felhasználók megpróbálhatják meghiúsítani a mozgásérzékelő biztonsági céljait az áramellátás módosításával (elvágás, csökkentés, növelés)
T.Security_Data A felhasználók megpróbálhatnak tiltott biztonsági adatokhoz jutni, a biztonsági adatok generálása, szállítása vagy a berendezésben való tárolása közben
T.Software A felhasználók megpróbálhatják módosítani a mozgásérzékelő szoftverét
T.Stored_Data A felhasználók megpróbálhatják módosítani a tárolt (biztonsági vagy felhasználói) adatokat.
3.4. Biztonsági célkitűzések
A digitális tachográfrendszer fő biztonsági célkitűzése a következő:
O.MainAz ellenőrző hatóságok által vizsgálandó adatoknak elérhetőknek kell lenniük, és teljes mértékben és pontosan tükrözniük kell az ellenőrzött járművezetők és járművek tevékenységét a járművezetési, munka-, készenléti és pihenési időszakok, valamint a jármű sebessége tekintetében
A mozgásérzékelőnek az általános biztonsági célkitűzéshez hozzájáruló biztonsági célkitűzései ezért:
O.Sensor_MainA mozgásérzékelő által küldött adatoknak a JE által elérhetőknek kell lenniük, hogy a JE teljesen és pontosan meghatározhassa a jármű mozgását a sebesség és a megtett távolság tekintetében.
3.5. Informatikai biztonsági célkitűzések
A mozgásérzékelőnek az általános biztonsági célkitűzéshez hozzájáruló egyedi informatikai biztonsági célkitűzései a következők:
O.Access A mozgásérzékelőnek szabályoznia kell a csatlakoztatott entitások hozzáférését a funkciókhoz és adatokhoz
O.Audit A mozgásérzékelőnek felül kell vizsgálnia a biztonsága kijátszására irányuló minden kísérletet, és nyomon kell követnie, hogy azok mely entitásokkal vannak kapcsolatban
O.Authentication A mozgásérzékelőnek hitelesítenie kell a csatlakoztatott entitásokat
O.Processing A mozgásérzékelőnek biztosítania kell, hogy a mozgási adatok forrásául szolgáló bemeneti adatok feldolgozása pontos legyen
O.Reliability A mozgásérzékelőnek megbízhatóan kell működnie
O.Secured_Data_Exchange A mozgásérzékelőnek biztosítania kell a JE-gel való adatcserét.
3.6. Fizikai, személyzeti és eljárási eszközök
E bekezdés azon fizikai, személyzeti és eljárási követelményeket írja le, amelyek hozzájárulnak a mozgásérzékelő biztonságához.
3.6.1. A berendezés felépítése
M. Development A mozgásérzékelők konstruktőreinek gondoskodniuk kell arról, hogy a fejlesztési fázisban a felelősség szétosztása ne veszélyeztesse az informatikai biztonságot
M. Manufacturing A mozgásérzékelők gyártóinak gondoskodniuk kell arról, hogy a gyártási fázisban a felelősség szétosztása ne veszélyeztesse az informatikai biztonságot, és hogy a gyártási folyamat során a mozgásérzékelő védve legyen az olyan fizikai támadásokkal szemben, amelyek csökkenthetik az informatikai biztonságot.
3.6.2. A berendezés átadása
M. DeliveryA mozgásérzékelők gyártóinak, a járműgyártóknak, a szerelőknek vagy műhelyeknek gondoskodniuk kell arról, hogy az informatikai biztonságot fenntartó módon kezeljék a mozgásérzékelőt.
3.6.3. Biztonsági adatok generálása és átadása
M. Sec_Data_Generation A biztonsági adatok generálási algoritmusaihoz csak arra jogosult és megbízható személyek férhetnek hozzá.
M. Sec_Data_Transport A biztonsági adatokat oly módon kell generálni, továbbítani és a mozgásérzékelőbe helyezni, hogy fennmaradjon azok megfelelő titkossága és integritása.
3.6.4. A menetíró készülék beépítése, kalibrálása és felülvizsgálata
M. Approved_Workshops A menetíró készülék beépítését, kalibrálását és felülvizsgálatát megbízható és jóváhagyott szerelőknek vagy műhelyeknek kell elvégezniük.
M. Mechanical_Interface Lehetővé kell tenni (pl. ólomzár útján) azt, hogy a mechanikus interfész fizikai manipulálása felismerhető legyen.
M. Regular_Inpections A menetíró készüléket rendszeres felülvizsgálatnak és kalibrálásnak kell alávetni.
3.6.5. Az előírások betartásának ellenőrzése
M. ControlsA törvényi előírások betartását rendszeresen és szúrópróbaszerűen ellenőrizni kell, amely ellenőrzésnek tartalmaznia kell a biztonsági elemzéseket.
3.6.6. Szoftverfrissítések
M. Software_UpgradeA szoftver újabb kiadásait a mozgásérzékelőben való alkalmazásuk előtt biztonsági tanúsítvánnyal kell ellátni.
4. Biztonság-érvényesítési funkciók
4.1. Azonosítás és hitelesítés
UIA_101A mozgásérzékelőnek minden interakció esetében képesnek kell lennie arra, hogy megállapítsa bármely, hozzá csatlakoztatott entitás azonosságát.
UIA_102A csatlakoztatott entitás azonossága az alábbiakból áll:
- entitáscsoport:
-
- JE,
- Kezelői készülék,
- Egyéb,
- entitásazonosító (csak JE).
UIA_103A csatlakoztatott JE entitásazonosítója a JE jóváhagyási számából és a JE sorozatszámából áll.
UIA_104A mozgásérzékelőnek képesnek kell lennie bármely hozzá csatlakoztatott JE vagy kezelői készülék hitelesítésére:
- az entitás csatlakozásánál,
- az áramellátás helyreállításánál.
UIA_105A mozgásérzékelő képes arra, hogy rendszeres időközönként újból hitelesítse a hozzá csatlakoztatott JE-et.
UIA_106A mozgásérzékelő észleli és megakadályozza az olyan hitelesítési adatok használatát, amelyet lemásoltak vagy visszajátszottak.
UIA_107(A gyártó által meghatározandó, de legfeljebb 20) egymás utáni sikertelen hitelesítési kísérlet után az SEF:
- elemzési tételt idéz elő az eseményről,
- figyelmezteti az entitást,
- nem védett üzemmódban folytatja a mozgási adatok exportálását.
4.2. A hozzáférés ellenőrzése
A hozzáférési ellenőrzések biztosítják, hogy csak az arra jogosultak olvassanak, hozzanak létre vagy módosítsanak információt a TOE-ben.
4.2.1. Hozzáférés-ellenőrzési elv
ACC_101A mozgásérzékelő ellenőrzi a funkciókhoz és adatokhoz való hozzáférési jogokat.
4.2.2. Adathozzáférési jogok
ACC_102A mozgásérzékelő biztosítja, hogy az azonosítási adatok csak egy alkalommal legyenek írhatók a mozgásérzékelőbe (078. követelmény).
ACC_103A mozgásérzékelő csak hitelesített entitásoktól származó felhasználói adatokat fogad el, illetve tárol.
ACC_104A mozgásérzékelő érvényesíti a biztonsági adatok olvasásához és írásához való megfelelő hozzáférési jogokat.
4.2.3. Fájlstruktúra és hozzáférési feltételek
ACC_105Az alkalmazási és adatfájlok felépítését és hozzáférési feltételeit a gyártási folyamat során kell létrehozni, majd bármely későbbi hamisítási vagy törlési kísérlet megakadályozása érdekében le kell azokat zárni.
4.3. Elszámoltatás
ACT_101A mozgásérzékelő a memóriájában tárolja a mozgásérzékelő azonosító adatait (077. követelmény).
ACT_102A mozgásérzékelő a memóriájában tárolja a telepítési adatokat (099. követelmény).
ACT_103A mozgásérzékelő képes működési adatokat továbbítani a hitelesített entitások részére, azok kérésére.
4.4. Elemzés
AUD_101A mozgásérzékelő elemzési tételekat generál a biztonságát csökkentő eseményekről.
AUD_102A mozgásérzékelő biztonságát befolyásoló események a következők:
- biztonság-áttörési kísérletek,
-
- hitelesítési hiba,
- a tárolt adatok integritási hibája,
- belső adatátviteli hiba,
- a burkolat jogosulatlan felnyitása,
- a hardver manipulálása,
- az érzékelő hibája.
AUD_103Az elemzési tételek az alábbi adatokat tartalmazzák:
- az esemény dátuma és időpontja,
- az esemény típusa,
- a csatlakoztatott entitás azonosítása.
Ha nem érhetők el a kért adatok, úgy egy megfelelő hibajelzést kell megadni (a gyártó által meghatározandó).
AUD_104A mozgásérzékelő generálásuk pillanatában továbbítja a generált elemzési tételekat a JE-nek, és a memóriájában is tárolhatja azokat.
AUD_105Amennyiben a mozgásérzékelő tárolja az elemzési tételekat, úgy biztosítja - függetlenül az e tételek tárolásával érintett memória telítettségétől - 20 elemzési rekord megőrzését, és az eltárolt elemzési tételekat a hitelesített entitásoknak - ezek kérésére - továbbítja.
4.5. Pontosság
4.5.1. Az információáramlás vezérlésének elve
ACR_101A mozgásérzékelő biztosítja, hogy a feldolgozott mozgási adatok kizárólag az érzékelő mechanikai bemenetéből származnak.
4.5.2. Belső adatátvitel
E bekezdés követelményei csak akkor érvényesek, ha a mozgásérzékelő fizikailag elkülönített alkatrészeket használ.
ACR_102A mozgásérzékelő fizikailag elkülönített alkatrészei közti adatátvitel esetén az adatok védettek a hamisítási kísérletekkel szemben.
ACR_103Belső adatátvitel alatti adatátviteli hiba észlelésekor az átvitel megismétlődik, és az SEF elemzési tételt generál az eseményről.
4.5.3. A tárolt adatok integritása
ACR_104A mozgásérzékelő ellenőrzi a memóriájában tárolt felhasználói adatokat minden esetleges integritási hiba felderítése céljából.
ACR_105A tárolt felhasználói adatok integritási hibájának észlelésekor az SEF elemzési tételt generál.
4.6. Üzembiztonság
4.6. 1 Vizsgálatok
RLB_101A gyártási fázisban megvalósuló vizsgálat számára szükséges minden parancsot, tevékenységet vagy vizsgálati pontot a gyártási fázis vége előtt dezaktiválni kell, vagy el kell távolítani. Nem lehetséges ezeket későbbi használatra helyreállítani.
RLB_102A mozgásérzékelő önellenőrzéseket futtat le az első bekapcsoláskor és a rendes működés közben a megfelelő működés biztosítása érdekében. A mozgásérzékelő önellenőrzései tartalmazzák a biztonsági adatok és - amennyiben az nem a ROM-ban van - a tárolt végrehajtható kód integritásának igazolását.
RLB_103Amennyiben az önellenőrzés belső hibát észlel, úgy az SEF egy elemzési tételt generál (érzékelő hiba).
4.6.2. Szoftver
RLB_104A mozgásérzékelő szoftverjét a gyakrolati felhasználás során nem lehet elemezni vagy a programhibáit elhárítani.
RLB_105A külső forrásokból érkező bemenetek nem fogadhatók el végrehajtható kódokként.
4.6.3. Fizikai védelem
RLB_106Ha a mozgásérzékelő konstrukciója lehetővé teszi a burkolat felnyitását, úgy a mozgásérzékelő észleli azt minden esetben, még külső áramellátás nélkül is legalább 6 hónapig. Ebben az esetben az SEF elemzési tételt generál az eseményről (elfogadható, hogy az elemzési rekord generálása és tárolása az áramellátás helyreállása után történjen).
Ha a mozgásérzékelő konstrukciója nem teszi lehetővé a burkolat felnyitását, akkor úgy kell megtervezni, hogy a fizikai manipulálási kísérletek könnyen észrevehetők legyenek (pl. szemlével).
RLB_107A mozgásérzékelő észleli a hardver meghatározott (a gyártó által meghatározandó) manipulálását.
RLB_108A fent leírt esetben az SEF egy elemzési tételt generál, és a mozgásérzékelő a következő beavatkozást végzi el: (a gyártó által meghatározandó).
4.6.4. Az áramellátás megszakadása
RLB_109A mozgásérzékelő az áramellátás megszakítása vagy ingadozása esetén is megőrzi biztonságos állapotát.
4.6.5. Visszaállítási feltételek
RLB_110Az áramellátás megszakadása esetén, vagy ha valamely tranzakció a befejeződése előtt megszakad, vagy bármilyen visszaállítási feltétel esetén a mozgásérzékelő visszaáll és törlődik.
4.6.6. Az adatok elérhetősége
RLB_111A mozgásérzékelő kérés esetén biztosítja az adatállományhoz való hozzáférést, és hogy szükségtelenül ne történjen meg sem az adatok kérése, sem azok visszatartása.
4.6.7. Több alkalmazás
RLB_112Ha a mozgásérzékelő a tachográf-alkalmazás mellett más alkalmazásokat is biztosít, minden alkalmazást fizikailag, illetve logikailag el kell különíteni. Ezen alkalmazások nem oszthatják meg a biztonsági adatokat. Egyszerre csak egy feladat lehet aktív.
4.7. Adatcsere
DEX_101A mozgásérzékelő a hozzátartozó biztonsági attribútumokkal exportálja a mozgási adatokat a JE-nek úgy, hogy a JE képes legyen ellenőrizni azok integritását és hitelességét.
4.8. Rejtjelezési támogatás
E bekezdés követelményei csak szükség esetén érvényesek, a felhasznált biztonsági mechanizmusoktól és a gyártó által választott megoldásoktól függően.
CSP_101A mozgásérzékelő által végrehajtott minden rejtjelezési művelet összhangban van a meghatározott algoritmussal és egy megadott kulcsmérettel.
CSP_102Ha a mozgásérzékelő rejtjelezési kulcsokat generál, az összhangban van bizonyos rejtjelezési kulcsgeneráló algoritmusokkal és kulcsméretekkel.
CSP_103Ha a mozgásérzékelő rejtjelezési kulcsokat ad ki, az összhangban van bizonyos kulcskiadási módszerekkel.
CSP_104Ha a mozgásérzékelő rejtjelezési kulcsokhoz fér hozzá, az összhangban van bizonyos rejtjelezési kulcshozzáférési módszerekkel.
CSP_105Ha a mozgásérzékelő rejtjelezési kulcsokat semmisít meg, az összhangban van bizonyos rejtjelezési kulcsmegsemmisítési módszerekkel.
5. Biztonsági mechanizmusok meghatározása
A mozgásérzékelő biztonság-érvényesítési funkcióinak eleget tevő biztonsági mechanizmusokat a mozgásérzékelő gyártója határozza meg.
6. A biztonsági mechanizmusok minimális erőssége
A mozgásérzékelő biztonsági mechanizmusainak minimális erőssége az (ITSEC) meghatározása szerint Magas.
7. Garanciaszint
A mozgásérzékelő garanciaszintje megfelel az ITSEC E3 szintnek, az (ITSEC) hivatkozási dokumentumában meghatározott kritériumok szerint.
8. Működési elv
Az alábbi mátrixok tartalmazzák az SEF-ek működési elvét a következők megjelenítésével:
- mely SEF-ek vagy eszközök milyen veszélyeknek állnak ellen,
- mely SEF-ek milyen informatikai biztonsági funkciókat teljesítenek.
Veszélyek | Informatikai biztonsági célok | |||||||||||||||||
Hozzáférés | Hibák | Vizsgálatok | Konstrukció | Környezet | Hardver | Mechanical_Origin | Motion_Data | Power_Supply | Security_Data | Szoftver | Stored_Data | Hozzáférés | Elemzés | Hitelesítés | Feldolgozás | Megbízhatóság | Secured_Data_Exchange | |
Fizikai, Személyzeti, Eljárási eszközök | ||||||||||||||||||
Fejlesztés | x | x | x | |||||||||||||||
Gyártás | x | x | ||||||||||||||||
Átadás | x | x | x | |||||||||||||||
Biztonsági adatok generálása | x | |||||||||||||||||
Biztonsági adatok továbbítása | x | |||||||||||||||||
Jóváhagyott műhelyek | x | |||||||||||||||||
Mechanikus interfész | x | |||||||||||||||||
Rendszeres felülvizsgálat | x | x | x | x | ||||||||||||||
Törvényi előírások betartásának ellenőrzése | x | x | x | x | x | x | ||||||||||||
Szoftverfrissítések | x | |||||||||||||||||
Biztonság-érvényesítési funkciók | ||||||||||||||||||
Azonosítás és hitelesítés | ||||||||||||||||||
UIA_101 Entitások azonosítása | x | x | x | x | x | |||||||||||||
UIA_102 Entitások azonossága | x | x | x | |||||||||||||||
UIA_103 JE azonosság | x | |||||||||||||||||
UIA_104 Entitások hitelesítése | x | x | x | x | x | |||||||||||||
UIA_105 Újbóli hitelesítés | x | x | x | x | x | |||||||||||||
UIA_106 Hamisíthatatlan hitelesítés | x | x | x | x | ||||||||||||||
UIA_107 Sikertelen hitelesítés | x | x | x | |||||||||||||||
A hozzáférés ellenőrzése | ||||||||||||||||||
ACC_101 Hozzáférés-ellenőrzési elv | x | x | x | x | ||||||||||||||
ACC_102 Mozgásérzékelő azonosítója | x | x | ||||||||||||||||
ACC_103 Felhasználói adatok | x | x | ||||||||||||||||
ACC_104 Biztonsági adatok | x | x | x | |||||||||||||||
ACC_105 Fájlstruktúra és hozzáférési feltételek | x | x | x | x | ||||||||||||||
Elszámoltatás | ||||||||||||||||||
ACT_101 Mozgásérzékelő azonosító adatai | x | |||||||||||||||||
ACT_102 Párosítási adatok | x | |||||||||||||||||
ACT_103 Elszámoltatási adatok | x | |||||||||||||||||
Elemzés | ||||||||||||||||||
AUD_101 Elemzési tételek | x | |||||||||||||||||
AUD_102 Elemzési eseménylista | x | x | x | x | x | |||||||||||||
AUD_103 Elemzési adatok | x | |||||||||||||||||
AUD_104 Elemzési eszközök | x | |||||||||||||||||
AUD_105 Elemzési tételek tárolása | x | |||||||||||||||||
Pontosság | ||||||||||||||||||
ACR_101 Az információáramlás vezérlésének elve | x | x | x | |||||||||||||||
ACR_102 Belső átvitel | x | x | ||||||||||||||||
ACR_103 Belső átvitel | x | |||||||||||||||||
ACR_104 A tárolt adatok integritása | x | x | ||||||||||||||||
ACR_105 A tárolt adatok integritása | x | x | ||||||||||||||||
Megbízhatóság | ||||||||||||||||||
RLB_101 Gyártási vizsgálatok | x | x | x | |||||||||||||||
RLB_102 Önellenőrzések | x | x | x | x | x | |||||||||||||
RLB_103 Önellenőrzések | x | x | x | x | ||||||||||||||
RLB_104 Szoftverelemzés | x | x | x | |||||||||||||||
RLB_105 Szoftverbemenet | x | x | x | |||||||||||||||
RLB_106 A burkolat felnyitása | x | x | x | x | x | x | x | |||||||||||
RLB_107 A hardver manipulálása | x | x | ||||||||||||||||
RLB_108 A hardver manipulálása | x | x | ||||||||||||||||
RLB_109 Az áramellátás megszakadása | x | x | ||||||||||||||||
RLB_110 Visszaállítás | x | x | ||||||||||||||||
RLB_111 Az adatok elérhetősége | x | x | ||||||||||||||||
RLB_112 Több alkalmazás | x | |||||||||||||||||
Adatcsere | ||||||||||||||||||
DEX_101 A mozgási adatok biztosított exportja | x | x | ||||||||||||||||
Rejtjelezési támogatás | ||||||||||||||||||
CSP_101 Algoritmusok | x | x | ||||||||||||||||
CSP_102 Kulcsgenerálás | x | x | ||||||||||||||||
CSP_103 Kulcskiadás | x | x | ||||||||||||||||
CSP_104 Kulcselérés | x | x | ||||||||||||||||
CSP_105 Kulcsmegsemmisítés | x | x |
A JÁRMŰEGYSÉG ÁLTALÁNOS BIZTONSÁGI KÖVETELMÉNYEI
1. Bevezetés
E dokumentum tartalmazza a járműegység leírását, azon veszélyeket, amelyeknek ellen kell állnia, valamint azon biztonsági célokat, amelyeknek meg kell felelnie. Meghatározza a megkövetelt biztonság-érvényesítési funkciókat. Ezenkívül megállapítja a biztonsági mechanizmusok minimálisan igényelt erősségét és a biztosítás kötelező szintjét a fejlesztés és az értékelés szempontjából.
A dokumentumban említett követelmények megegyeznek az I. B. melléklet fő részének követelményeivel. Az egyértelműbb értelmezés érdekében ismétlődések adódhatnak az I. B. melléklet szövegében szereplő követelmények és a biztonsági célkitűzési követelmények között. Amennyiben kétértelműség lépne fel valamely biztonsági célkitűzési követelmény és az általa megemlített, az I. B. melléklet fő szövegében szereplő követelmény között, úgy az I. B. melléklet fő szövegében szereplő követelmény az irányadó.
Az I. B. melléklet fő szövegében szereplő és a biztonsági célok által meg nem említett követelmények nem képezik biztonság-érvényesítési funkciók tárgyát.
A jobb nyomonkövethetőség érdekében egyedi címkéket kaptak azon veszélyek, célkitűzések, eljárási lehetőségek és SEF meghatározások, amelyek a fejlesztési és értékelési dokumentációban jelennek meg.
2. Rövidítések, meghatározások és hivatkozások
2.1. Rövidítések
PIN Személyi azonosító szám
ROM Csak olvasható tár
SEF Biztonság-érvényesítési funkció
TBD Meghatározandó
TOE Az értékelés célja
VU Járműegység.
2.2. Meghatározások
Digitális tachográf Menetíró készülék
Mozgási adatok A mozgásérzékelővel kicserélt adatok a sebességről és a megtett távolságról
Fizikailag elkülönített alkatrészek A JE olyan fizikai alkatrészei, amelyek a járműben elszórva találhatók, ellentétben az egyetlen JE-házban elhelyezett alkatrészekkel
Biztonsági adatok A biztonság-érvényesítési funkció támogatásához szükséges egyedi adatok (pl. rejtjelkulcsok)
Rendszer A menetíró készülékkel bármilyen módon kapcsolatba kerülő berendezések, emberek vagy szervezetek
Felhasználó Felhasználó alatt azon személyeket kell érteni, akik a berendezést használóják. A JE normál felhasználói közé tartoznak a járművezetők, ellenőrök, műhelyek és gazdasági társaságok
Felhasználói adatok A biztonsági adatokon kívül a JE által a III. fejezet 12. pontjának követelményei szerint rögzített vagy tárolt bármely adat.
2.3. Hivatkozások
ITSECITSEC Information Technology Security Evaluation Criteria, 1991. (Informatikai biztonságértékelési kritériumok).
3. A termék működési elve
3.1. A járműi egység leírása és használatának módja
A JE-et közúti fuvarozást végző gépjárműbe való beépítésre tervezik. Feladata, hogy rögzítse, tárolja, megjelenítse, kinyomtassa és kiadja a járművezetői tevékenységgel kapcsolatos adatokat.
A JE egy mozgásérzékelőhöz csatlakozik, amellyel kicseréli a jármű mozgására vonatkozó adatokat.
A felhasználók a JE felé tachográf-kártyák segítségével azonosítják magukat.
A JE a memóriájában és a tachográf-kártyán rögzíti és tárolja a felhasználói tevékenységekkel kapcsolatos adatokat.
A JE kijelzőre, nyomtatóra és külső eszközökre írja ki az adatokat.
Az alábbi ábra egy járműbe beépített járműegység működési környezetét mutatja be:

1. ábra
A JE működési környezete
A JE általános jellemzőit, funkcióit és üzemmódját az I. B. melléklet II. fejezete írja le.
A JE működési követelményeit az I. B. melléklet III. fejezete írja le.
Az alábbi ábra szemlélteti a jellemző JE-et:

2. ábra
Jellemző JE (...) választható
Ügyelni kell arra, hogy bár a nyomtatási mechanizmus a TOE része, a papíron létrehozott dokumentum azonban már nem.
3.2. A járműegység életciklusa
Az alábbi ábra szemlélteti a JE jellemző életciklusát:

3. ábra
A JE jellemző életciklusa
3.3. Veszélyek
E bekezdés a JE-et fenyegető veszélyeket írja le.
3.3.1. Az azonosítást és a hozzáférés-engedélyezési elvet fenyegető veszélyek
T.Access A felhasználók megpróbálhatnak olyan funkciókat elérni, amelyek számukra nem engedélyezettek (pl. a járművezető hozzáférése a kalibrálási funkcióhoz)
T.Identification A felhasználó kísérlete arra, hogy magát többször vagy egyáltalán ne azonosítsa
3.3.2. A felépítéssel kapcsolatos veszélyek
T.Faults A hardver, a szoftver vagy a kommunikációs eljárások hibája előreláthatatlan és a biztonságot csökkentő állapotba helyezheti a JE-et
T.Tests A nem érvénytelenített vizsgálati módok vagy létező kiskapuk használata csökkentheti a JE biztonságát
T.Design A felhasználók megpróbálhatnak tiltott konstrukciós ismeretekhez jutni a gyártói anyagokból (lopás, megvesztegetés stb.) vagy ellentétes irányú tervezés révén.
3.3.3. A működéssel kapcsolatos veszélyek
T.Calibration_Parameters A felhasználók megpróbálhatnak helytelenül kalibrált berendezést használni (a kalibrálási adatok módosítása vagy szerkezeti gyengeségek révén)
T.Card_Data_Exchange A felhasználók megpróbálhatják módosítani az adatokat, miközben azok kicserélődnek a JE és a tachográf-kártyák között (jelhozzáadás, -módosítás, -törlés vagy -ismétlés)
T.Clock A felhasználók megpróbálhatják módosítani a belső órát
T.Environment A felhasználók csökkenthetik a JE biztonságát környezeti (hő-, elektromágneses, optikai, vegyi, mechanikai stb.) behatások révén
T.Fake_Devices A felhasználók megpróbálhatnak lemásolt eszközöket (mozgásérzékelő, memóriakártya) csatlakoztatni a JE-hez.
T.Hardware A felhasználók megpróbálhatják módosítani a JE hardverét
T.Motion_Data A felhasználók megpróbálhatják módosítani a jármű mozgási adatait (jelhozzáadás, -módosítás, -törlés, -ismétlés)
T.Non_Activated A felhasználók megpróbálhatnak nem aktivált berendezést használni
T.Output_Data A felhasználók megpróbálhatják manipulálni a kimeneti (nyomtatási, megjelenítési vagy letöltési) adatokat
T.Power_Supply A felhasználók megpróbálhatják kiiktatni a JE biztonsági céljait az áramellátás manipulálásával (elvágás, csökkentés, növelés)
T.Security_Data A felhasználók megpróbálhatnak tiltott módon biztonsági adatokhoz jutni, a biztonsági adatok generálása, továbbítása vagy a berendezésben való tárolása közben
T.Software A felhasználók megpróbálhatják módosítani a JE szoftverét
T.Stored_Data A felhasználók megpróbálhatják hamisítani a tárolt (biztonsági vagy felhasználói) adatokat.
3.4. Biztonsági célkitűzések
A digitális tachográfrendszer fő biztonsági célkitűzése:
O.MainAz ellenőrző hatóságok által vizsgálandó adatoknak elérhetőknek kell lenniük, valamint teljes mértékben és pontosan kell tükrözniük az ellenőrzött járművezetők és járművek tevékenységeit, a járművezetési, munka-, készenléti és pihenési időszakok, valamint a jármű sebessége tekintetében
A JE-nek az általános biztonsági célkitűzéshez hozzájáruló biztonsági célkitűzései ezért az alábbiak:
O.VU_Main A mérendő és rögzítendő, valamint ezek alapján az ellenőrző hatóságok által vizsgálandó adatoknak elérhetőknek kell lenniük, és pontosan kell tükrözniük az ellenőrzött járművezetők és járművek tevékenységeit a járművezetési, munka-, készenléti és pihenési időszakok, valamint a jármű sebessége tekintetében
O.VU_Export A JE-nek képesnek kell lennie oly módon exportálni az adatokat külső adattárolóra, hogy lehetőség legyen azok integritásának és hitelességének ellenőrzésére.
3.5. Informatikai biztonsági célkitűzések
A JE-nek a fő biztonsági célkitűzésekhez hozzájáruló konkrét informatikai biztonsági célkitűzései:
O.Access A JE-nek ellenőriznie kell a felhasználók hozzáférését a funkciókhoz és az adatokhoz
O.Accountability A JE-nek pontos tevékenységi adatokat kell gyűjtenie
O.Audit A JE-nek felül kell vizsgálnia a rendszer biztonságának kijátszására irányuló minden kísérletet, és nyomon kell követnie, hogy e műveletek mely felhasználókkal vannak kapcsolatban
O.Authentication A JE-nek hitelesítenie kell a felhasználókat és a csatlakoztatott entitásokat (amennyiben bizalmas útvonalat kell létrehozni az entitások között)
O.Integrity A JE-nek fenn kell tartania a tárolt adatok integritását
O.Output A JE-nek biztosítania kell, hogy a kimeneti adatok pontosan tükrözik a mért vagy tárolt adatokat
O.Processing A JE-nek biztosítania kell, hogy a felhasználói adatok forrásául szolgáló bemeneti adatok feldolgozása pontosan történik
O.Reliability A JE-nek megbízhatóan kell működnie
O.Secured_Data_Exchange A JE-nek biztosítania kell a mozgásérzékelővel és a tachográf-kártyákkal való adatcserét.
3.6. Fizikai, személyzeti és eljárási eszközök
E bekezdés azon fizikai, személyzeti és eljárási követelményeket írja le, amelyek hozzájárulnak a JE biztonságához.
3.6.1. A berendezés konstrukciója
M. Development A JE tervezőinek gondoskodniuk kell arról, hogy a fejlesztési fázisban a felelősség megosztása ne veszélyeztesse az informatikai biztonságot
M. Manufacturing A JE gyártóinak gondoskodniuk kell arról, hogy a gyártási fázisban a felelősség megosztása ne veszélyeztesse az informatikai biztonságot, és hogy a gyártási folyamat során a JE védve legyen az olyan fizikai támadások ellen, amelyek veszélyeztethetik az informatikai biztonságot.
3.6.2. A berendezés átadása és aktiválása
M. Delivery A JE gyártóinak, a járműgyártóknak, a szerelőknek vagy műhelyeknek gondoskodniuk kell arról, hogy a nem aktivált JE-ek kezelése a JE biztonságát fenntartó módon történik
M. Activation A járműgyártónak, szerelőnek vagy műhelynek a kérdéses JE-et annak beépítése után kell aktiválnia, de még mielőtt a jármű elhagyja azon létesítményt, ahol a beépítés történt.
3.6.3. Biztonsági adatok generálása és átadása
M. Sec_Data_Generation A biztonsági adatok generálási algoritmusai csak jogosult és megbízható személyek számára lehetnek hozzáférhetők
M. Sec_Data_Transport A biztonsági adatokat oly módon kell generálni, továbbítani és a JE-be helyezni, hogy fennmaradjon azok megfelelő titkossága és integritása.
3.6.4. A kártyák átadása
M. Card_Availability A tachográf-kártyákhoz csak az arra jogosult személyek férhetnek hozzá
M. Driver_Card_Uniqueness A járművezetők egyszerre csak egy érvényes járművezetői kártyávgal rendelkezhetnek.
M. Card_Traceability A kártyák átadásának nyomon követhetőnek kell lennie (fehér listák, fekete listák), és a fekete listákat a biztonsági elemzések során fel kell használni.
3.6.5. A menetíró készülék beépítése, kalibrálása és felülvizsgálata
M. Approved_Workshops A menetíró készülék beépítését, kalibrálását és javítását megbízható és jóváhagyott szerelőknek vagy műhelyeknek kell elvégezniük.
M. Regular_Inpections A menetíró készüléket rendszeres felülvizsgálatnak és kalibrálásnak kell alávetni
M. Faithful_Calibration A jóváhagyott beszerelőknek és műhelyeknek kalibráláskor helyes járműparamétereket kell betáplálniuk a menetíró készülékbe.
3.6.6. A berendezés működése
M. Faithful_DriversA járművezetőknek a szabályok szerint és felelős módon kell eljárniuk (pl. a megfelelő járművezetői kártyát kell használniuk, helyesen kell megadniuk a kézzel kiválasztandó tevékenységeket stb.).
3.6.7. Az előírások betartásának ellenőrzése
M. ControlsRendszeresen és szúrópróbaszerűen gondoskodni kell a törvényi előírások betartásának ellenőrzéséről, és ennek tartalmaznia kell a biztonsági elemzéseket is.
3.6.8. Szoftverfrissítések
M. Software_UpgradeA szoftver újabb kiadásait a JE-ben való alkalmazásuk előtt biztonsági tanúsítvánnyal kell ellátni.
4. Biztonság-érvényesítési funkciók
4.1. Azonosítás és hitelesítés
4.1.1. A mozgásérzékelő azonosítása és hitelesítése
UIA_201A JE minden interakció esetében képes arra, hogy megállapítsa a hozzá csatlakoztatott mozgásérzékelő azonosságát.
UIA_202A mozgásérzékelő ismertetőjele az érzékelő jóváhagyási és sorozatszámából áll.
UIA_203A JE hitelesíti a hozzá csatlakoztatott mozgásérzékelőt:
- a mozgásérzékelő csatlakozásakor,
- a menetíró készülék minden kalibrálásánál,
- az áramellátás helyreállításakor.
A hitelesítés kölcsönös, és azt a JE kezdeményezi.
UIA_204A JE rendszeresen (az időszak a gyártó által meghatározandó, de legfeljebb óránként egyszer) újból azonosítja és hitelesíti a hozzá csatlakoztatott mozgásérzékelőt, és biztosítja, hogy a menetíró készülék legutóbbi kalibrálása során azonosított mozgásérzékelőt nem cserélték ki egy másik készülékre.
UIA_205A JE észleli, és megakadályozza a lemásolt vagy visszajátszott hitelesítési adatok használatát.
UIA_206(A gyártó által meghatározandó, de legfeljebb 20) egymást követő sikertelen hitelesítési kísérlet után, illetve a mozgásérzékelő jogosultság nélküli azonosság-változásának észlelését követően (azaz nem a menetíró készülék kalibrálása során) az SEF:
- elemzési tételt generál az eseményről,
- figyelmezteti a felhasználót,
- továbbra is elfogadja és használja a mozgásérzékelő által küldött, nem biztosított mozgási adatokat.
4.1.2. A felhasználó azonosítása és hitelesítése
UIA_207A JE folyamatosan és szelektíven nyomon követi két felhasználó azonosságát azáltal, hogy figyelemmel kíséri a berendezés járművezetői és járműkísérői kártyaolvasó egységébe behelyezett tachográf-kártyákat.
UIA_208A felhasználói azonosság a következő elemekből áll:
- felhasználói csoport:
-
- JÁRMŰVEZETŐ (járművezetői kártya),
- ELLENŐR (ellenőrzőkártya),
- MŰHELY (műhelykártya),
- VÁLLALKOZÁS (vállalkozás adatkártyája),
- ISMERETLEN (nincs behelyezve kártya),
- felhasználói azonosító az alábbi tartalommal:
-
- a kártyát kiállító tagállam kódja és a kártya száma,
- ISMERETLEN, ha a felhasználói csoport ISMERETLEN.
Az ISMERETLEN azonosítások közvetve vagy kifejezetten ismertek lehetnek.
UIA_209A JE a kártya behelyezésekor azonosítja a felhasználót.
UIA_210A JE újra azonosítja a felhasználóit:
- az áramellátás helyreállásakor,
- rendszeresen vagy meghatározott események megtörténte után (a gyártó által meghatározandó gyakorisággal, de legalább naponta egyszer).
UIA_211A hitelesítés végrehajtása annak bizonyításával történik, hogy a behelyezett kártya egy érvényes tachográf-kártya, amely olyan biztonsági adatokat rögzít, amelyek csak magából a rendszerből származhatnak. A hitelesítés kölcsönös, és azt a JE kezdeményezi.
UIA_212A fenti előírásokon kívülszükséges a műhelyeknek egy PIN-ellenőrzés által történő sikeres hitelesítése. A PIN-ek legalább 4 karakter hosszúságúak.
Note:Amennyiben a PIN-nek a JE-re történő átvitele egy, a JE közelében lévő külső berendezés segítségével történik, úgy a PIN titkosságát nem kell védeni az átvitel közben.
UIA_213A JE észleli, és megakadályozza azon hitelesítési adatok használatát, amelyet lemásoltak vagy visszajátszottak.
UIA_214Öt egymást követő sikertelen hitelesítési kísérlet észlelése után az SEF:
- elemzési tételt készít az eseményről,
- figyelmezteti a felhasználót,
- feltételezi, hogy a felhasználó ISMERETLEN, és a kártya nem érvényes [007. követelmény és z) definíció].
4.1.3. Távolról összekapcsolt vállalkozás azonosítása és hitelesítése
A vállalkozás távolról összekapcsolása képesség nem kötelező. E bekezdés ezért csak akkor érvényes, ha e szolgáltatás beépítése megtörtént.
UIA_215A távolról csatlakoztatott vállalkozással való minden interakció esetében a JE képes megállapítani a vállalkozás azonosságát.
UIA_216A távolról csatlakoztatott vállalkozás azonossága a vállalkozás adatkártyáját kiállító tagállam kódjából és a vállalkozás adatkártyájának számából áll.
UIA_217A JE sikeresen hitelesíti a távolról csatlakoztatott vállalkozást, mielőtt adatexportálást engedélyezne felé.
UIA_218A hitelesítés végrehajtása annak bizonyításával történik, hogy a vállalkozás birtokában egy érvényes vállalkozási adatkártya van, amely olyan biztonsági adatokat tartalmaz, amelyek csak magából a rendszerből származhatnak.
UIA_219A JE észleli és megakadályozza az olyan hitelesítési adatok használatát, amelyet lemásoltak vagy visszajátszottak.
UIA_220Öt egymást követő sikertelen hitelesítési kísérlet észlelése után a JE:
- figyelmezteti a távolról csatlakoztatott vállalkozást.
4.1.4. A kezelői készülék azonosítása és hitelesítése
A JE-gyártóknak számítaniuk kell a kiegészítő JE-kezelési funkciók végrehajtását engedélyező különleges eszközök fejlesztésére és gyártására (pl. szoftverfrissítés, biztonsági adatok újratöltése stb.). E bekezdés ezért csak akkor érvényes, ha e szolgáltatás beépítése megtörtént.
UIA_221A kezelői készülékkel való minden interakció esetében a JE képes megállapítani az eszköz azonosságát.
UIA_222Minden további interakció engedélyezése előtt a JE sikeresen hitelesíti a kezelői készüléket.
UIA_223A JE észleli és megakadályozza azon hitelesítési adatok használatát, amelyet lemásoltak vagy visszajátszottak.
4.2. A hozzáférés engedélyezése
A hozzáférési ellenőrzések biztosítják, hogy csak az arra jogosultak olvassanak, hozzanak létre, vagy módosítsanak információt a TOE-ben.
Meg kell jegyezni, hogy a JE által rögzített felhasználói adatok - habár a magánszférával kapcsolatos vagy kereskedelmileg érzékeny szempontokat érintenek - nem bizalmas jellegűek. Az adatok olvasásához való hozzáférési jogokkal kapcsolatos funkcionális követelmények (011. követelmény) ezért nem tartoznak a biztonság-érvényesítési funkció alá.
4.2.1. Hozzáférés-engedélyezési elv
ACC_201A JE kezeli és ellenőrzi a funkciókhoz és az adatokhoz való hozzáférési jogosultságot.
4.2.2. A funkciókhoz való hozzáférési jogok
ACC_202A JE szolgál az üzemmód kiválasztásához szükséges előírások érvényesítésére (006-009. követelmény).
ACC_203A JE arra használja fel a megfelelő üzemmódot, hogy érvényesítse a funkciók hozzáférés-ellenőrzési előírásait (010. követelmény).
4.2.3. Az adatokhoz való hozzáférési jogok
ACC_204A JE érvényesíti a JE azonosítási adatokhoz való írásbeli hozzáférési előírásokat (076. követelmény)
ACC_205A JE érvényesíti a párosított mozgásérzékelő azonosítási adatokhoz való írásbeli hozzáférési előírásokat (079. és 155. követelmény)
ACC_206A JE aktiválása után a JE biztosítja, hogy kalibrálási adatokat csak kalibrálási üzemmódban lehessen bevinni a JE-be és eltárolni annak adatmemóriájában (154. és 156. követelmény).
ACC_207A JE aktiválása után a JE érvényesíti a kalibrálási adatok írásához és törléséhez való hozzáférési előírásokat (097. követelmény).
ACC_208A JE aktiválása után a JE biztosítja, hogy az időbeállítási adatokat csak a kalibrálási üzemmódban lehessen bevinni a JE-be és eltárolni annak adatmemóriájában (e követelmény nem vonatkozik a 157. és 158. követelmény által megengedett jelentéktelen időbeállításokra).
ACC_209A JE aktiválása után a JE érvényesíti az időbeállítási adatok írásához és törléséhez való hozzáférési előírásokat (100. követelmény).
ACC_210A JE érvényesíti a biztonsági adatokhoz való megfelelő írási és olvasási hozzáférési jogokat (080. követelmény).
4.2.4. Fájlstruktúra és hozzáférési feltételek
ACC_211Az alkalmazási és adatfájlok felépítését és hozzáférési feltételeit a gyártási folyamat során kell létrehozni, majd ezeket le kell zárni, lehetetlenné téve minden későbbi hamisítást és törlést.
4.3. Elszámoltatás
ACT_201A JE biztosítja, hogy a járművezetők elszámoltathatók legyenek a tevékenységükkel (081., 084., 087., 105a., 105b., 109. és 109a. követelmény).
ACT_202A JE állandó azonosítási adatokat tárol (075. követelmény).
ACT_203A JE biztosítja, hogy a műhelyek elszámoltathatók legyenek a tevékenységükkel (098., 101. és 109. követelmény).
ACT_204A JE biztosítja, hogy az ellenőrző személyek elszámoltathatók legyenek a tevékenységükkel (102., 103. és 109. követelmény).
ACT_205A JE rögzíti a kilométer-számláló adatait (090. követelmény) és a részletes sebességadatokat (093. követelmény).
ACT_206A JE biztosítja, hogy a 08-093. és 102-105b. követelményekkel kapcsolatos felhasználói adatokat a rögzítésük után ne lehessen módosítani, kivéve ha ezek válnak a legrégebbi adatokká, melyeket kimerített tárolókapacitás esetén új adatokkal kell felülírni.
ACT_207A JE biztosítja, hogy nem módosítja a tachográf-kártyán már tárolt adatokat (109. és 109a. követelmény), kivéve a legrégibbi adatok új adatokkal való felülírásakor (110. követelmény) vagy az 1. függelék 2.1. bekezdésének megjegyzésében leírt esetben.
4.4. Elemzés
Az elemzési funkciók alkalmazása csak olyan események esetében kötelező, amelyek manipuláció vagy biztonság feltörés kísérletét jelzik. A jogosultságok normál gyakorlása esetén még akkor sem kötelező, ha azok a biztonsággal kapcsolatosak.
AUD_201A biztonságát csökkentő események esetében a JE rögzíti azon eseményeket, amelyek az adatokkal kapcsolatosak (094., 096. és 109. követelmény).
AUD_202A JE biztonságát befolyásoló események az alábbiak:
- biztonsági feltörési kísérletek,
-
- a mozgásérzékelő sikertelen hitelesítése,
- a tachográf-kártya sikertelen hitelesítése,
- a mozgásérzékelő jogosulatlan cseréje,
- a bemeneti kártyaadatok integritási hibája,
- a tárolt felhasználói adatok integritási hibája,
- belső adatátviteli hiba,
- a burkolat jogosulatlan felnyitása,
- a hardver manipulálása,
- utolsó kártyakapcsolat helytelen lezárása,
- mozgásadatokkal kapcsolatos hibaesemény,
- az áramellátás megszakadása,
- a JE belső hibája.
AUD_203A JE érvényesíti az elemzési tételek tárolási szabályait (094. és 096. követelmény).
AUD_204A JE az adatmemóriájában tárolja a mozgásérzékelő által kezdeményezett elemzési tételekat.
AUD_205A rendszer lehetővé teszi az elemzési tételek nyomtatását, kijelzését vagy letöltését.
4.5. Az objektumok újbóli felhasználása
REU_201A JE biztosítja, hogy az átmeneti tárolási objektumok újból felhasználhatók legyenek anélkül, hogy az megengedhetetlen információáramlást okozna.
4.6. Pontosság
4.6.1. Az információáramlás vezérlésének elve
ACR_201A JE biztosítja, hogy a 081., 084., 087., 090., 093., 102., 104., 105., 105a. és 109. követelménnyel kapcsolatos felhasználói adatokat csak a megfelelő bemeneti forrásból lehessen feldolgozni:
- a jármű mozgási adatai,
- a JE valós idejű órája,
- a menetíró készülék kalibrálási paraméterei,
- tachográf-kártyák,
- felhasználói bemenetek.
ACR_201aA JE biztosítja, hogy a 109a. követelménnyel kapcsolatos felhasználói adatok csak a legutóbbi kártyakivétel és a jelenlegi behelyezés közötti időszakra vonatkozóan legyenek betáplálhatók (050a. követelmény).
4.6.2. Belső adatátvitel
E bekezdés követelményei csak akkor érvényesek, ha a JE fizikailag elkülönített alkatrészeket használ.
ACR_202Ha adatok átvitele történik a JE fizikailag elkülönített alkatrészei között, úgy az adatok védettek a hamisítás ellen.
ACR_203Belső adatátvitel közbeni adatátviteli hiba észlelésekor az átvitel megismétlődik, és az SEF elemzési tételt generál az eseményről.
4.6.3. A tárolt adatok integritása
ACR_204A JE ellenőrzi az adatmemóriában tárolt felhasználói adatokat az esetleges integritási hibák feltárása céljából.
ACR_205A tárolt felhasználói adatok integritási hibájának észlelésekor az SEF egy elemzési tételt generál.
4.7. Üzembiztonság
4.7.1. Vizsgálatok
RLB_201A JE gyártási fázisában megvalósuló vizsgálat számára szükséges minden parancsot, tevékenységet vagy vizsgálati pontot a JE aktiválása előtt dezaktiválni kell vagy el kell távolítani. Nem lehetséges ezeket későbbi használat céljából helyreállítani.
RLB_202A JE önellenőrzéseket futtat le az első bekapcsoláskor vagy a rendes működés közben a megfelelő működés ellenőrzése érdekében. A JE önellenőrzései tartalmazzák a biztonsági adatok és - ha az nem a ROM-ban van - a tárolt végrehajtható kód integritásának ellenőrzését.
RLB_203Ha belső hiba észlelése történik az önellenőrzés során, az SEF:
- elemzési tételt generál (kivéve kalibrálási üzemmódban) (JE belső hibája),
- megőrzi a tárolt adatok integritását.
4.7.2. Szoftver
RLB_204A JE aktiválása után a szoftvert a gyakorlati alkalmazásban nem lehet elemezni vagy a programhibáit elhárítani.
RLB_205A külső forrásokból érkező bemenetek nem fogadhatók el végrehajtható kódként.
4.7.3. Fizikai védelem
RLB_206Ha a JE konstrukciója lehetővé teszi annak kinyitását, úgy a JE észleli a burkolat minden felnyitását - kivéve kalibrálási üzemmódban - még külső áramellátás nélkül is legalább 6 hónapig. Ebben az esetben az SEF elemzési tételt készít (elfogadható, hogy az elemzési tétel kezdeményezése és tárolása az áramellátás helyreállása után történjen).
Ha a JE konstrukciója nem teszi lehetővé annak kinyitását, akkor úgy kell azt megtervezni, hogy a fizikai beavatkozási kísérletek könnyen észrevehetők legyenek (pl. szemlével).
RLB_207Aktiválás után a JE észleli a hardver bizonyos (a gyártó által meghatározandó) manipulálását.
RLB_208A fent leírt esetben az SEF egy elemzési tételt generál, és a JE a következő beavatkozást végzi el: (a gyártó által meghatározandó).
4.7.4. Az áramellátás megszakadása
RLB_209A JE észleli az áramellátás meghatározott értékeitől való eltéréseket, az áramellátás megszakítását is ideértve.
RLB_210A fent leírt esetben az SEF:
- elemzési tételt generál (kivéve kalibrálási üzemmódban),
- megőrzi a JE biztonságos állapotát,
- fenntartja a még működő részegységekkel és folyamatokkal kapcsolatos biztonsági funkciókat,
- megőrzi a tárolt adatok integritását.
4.7.5. Visszaállítási feltételek
RLB_211Az áramellátás megszakadása esetén, vagy ha valamely tranzakció a befejeződése előtt megszakad, vagy bármilyen egyéb visszaállítási feltétel esetén a JE visszaáll és törlődik.
4.7.6. Az adatok elérhetősége
RLB_212A JE kérés esetén biztosítja az adatállományhoz való hozzáférést anélkül, hogy az adatállomány szükségtelenül lehívható vagy visszatartható lenne.
RLB_213A JE-nek biztosítania kell, hogy a kártyák ne legyenek kivehetők addig, amíg a megfelelő adatok a kártyákon nem kerültek tárolásra (015. és 016. követelmény)
RLB_214A fent leírt esetben az SEF elemzési tételt generál az eseményről.
4.7.7. Több alkalmazás
RLB_215Ha a JE a tachográf-alkalmazás mellett más alkalmazást is biztosít, úgy minden alkalmazást fizikailag, illetve logikailag el kell különíteni. Ezen alkalmazások nem oszthatják meg a biztonsági adatokat. Egyszerre csak egy feladat lehet aktív.
4.8. Adatcsere
E bekezdés a JE és a csatlakoztatott eszközök közötti adatcserével foglalkozik.
4.8.1. Adatcsere a mozgásérzékelővel
DEX_201A JE igazolja a mozgásérzékelőből importált mozgási adatok integritását és hitelességét.
DEX_202A mozgási adatok integritási vagy hitelességi hibájának észlelése esetén az SEF:
- elemzési tételt készít,
- folytatja az importált adatok használatát.
4.8.2. Adatcsere a tachográf-kártyával
DEX_203A JE ellenőrzi a tachográf-kártyáról importált adatok integritását és hitelességét.
DEX_204A kártyaadatok integritási vagy hitelességi hibájának észlelése esetén a JE:
- elemzési tételt generál,
- nem használja az adatokat.
DEX_205A JE a hozzájuk tartozó biztonsági attribútumokkal exportálja az adatokat a tachográf-memóriakártyára úgy, hogy a kártya képes legyen ellenőrizni azok integritását és hitelességét.
4.8.3. Adatcsere külső adattárolókkal (letöltési funkció)
DEX_206A JE származási igazolást készít a külső adattárolóra letöltött adatok számára.
DEX_207A JE lehetővé teszi a fogadó számára, hogy ellenőrizze a letöltött adatok származási igazolásának hitelességét.
DEX_208A JE a hozzájuk tartozó biztonsági attribútumokkal exportálja az adatokat a külső adattárolóra úgy, hogy ellenőrizni lehessen a letöltött adatok integritását és hitelességét.
4.9. Rejtjelezési támogatás
E bekezdés követelményei csak akkor érvényesek, ha azokra szükség van a felhasznált biztonsági mechanizmusoktól és a gyártó megoldásaitól függően.
CSP_201A JE által végrehajtott minden rejtjelezési művelet összhangban van egy meghatározott algoritmussal és egy megadott kulcsmérettel.
CSP_202Ha a JE rejtjelezési kulcsokat kezdeményez, az összhangban van meghatározott rejtjelezési kulcsgeneráló algoritmusokkal és megadott kulcsméretekkel.
CSP_203Ha a JE rejtjelezési kulcsokat ad ki, az összhangban van meghatározott kulcskiadási módszerekkel.
CSP_204Ha a JE rejtjelezési kulcsokat ér el, az összhangban van meghatározott rejtjelezési kulcselérési módszerekkel.
CSP_205Ha a JE rejtjelezési kulcsokat semmisít meg, az összhangban van meghatározott rejtjelezésikulcs-megsemmisítési módszerekkel.
5. Biztonsági mechanizmusok meghatározása
A kötelező biztonsági mechanizmusokat a 11. függelék határozza meg.
Minden más biztonsági mechanizmust a gyártónak kell meghatároznia.
6. A biztonsági mechanizmusok minimális erőssége
A járműegység biztonsági mechanizmusainak minimális erőssége az (ITSEC) meghatározása szerint Magas.
7. Garanciaszint
A mozgásérzékelő garanciaszintje megfelel az ITSEC E3 szintnek, az (ITSEC) hivatkozási dokumentumában meghatározott kritériumok szerint.
8. Működési elv
Az alábbi mátrixok tartalmazzák az SEF-ek működési elvét a következők megjelenítésével:
- mely SEF-ek vagy eszközök milyen veszélyeknek állnak ellen,
- mely SEF-ek milyen informatikai biztonsági funkciókat teljesítenek.
Veszélyek | Informatikai célok | |||||||||||||||||||||||||||
Hozzáférés | Azonosítás | Hibák | Vizsgálatok | Konstrukció | Calibration_Parameters | Card_Data_Exchange | Óra | Környezet | Fake_Devices | Hardver | Motion_Data | Non_Activated | Output_Data | Power_Supply | Security_Data | Szoftver | Stored_Data | Hozzáférés | Elszámoltatás | Elemzés | Hitelesítés | Integritás | Kimenet | Feldolgozás | Megbízhatóság | Secured_Data_Exchange | ||
Fizikai, Személyzeti, Eljárási eszközök | ||||||||||||||||||||||||||||
Fejlesztés | x | x | x | |||||||||||||||||||||||||
Gyártás | x | x | ||||||||||||||||||||||||||
Átadás | x | |||||||||||||||||||||||||||
Aktiválás | x | x | ||||||||||||||||||||||||||
Biztonsági adatok generálása | x | |||||||||||||||||||||||||||
Biztonsági adatok továbbítása | x | |||||||||||||||||||||||||||
A kártya elérhetősége | x | |||||||||||||||||||||||||||
Járművezetőnként csak egy kártya | x | |||||||||||||||||||||||||||
A kártya nyomon követhetősége | x | |||||||||||||||||||||||||||
Jóváhagyott műhelyek | x | x | ||||||||||||||||||||||||||
Rendszeres felülvizsgálat, kalibrálás | x | x | x | x | x | |||||||||||||||||||||||
Megbízható műhelyek | x | x | ||||||||||||||||||||||||||
Megbízható járművezetők | x | |||||||||||||||||||||||||||
A törvényi előírások végrehajtásának ellenőrzése | x | x | x | x | x | x | x | x | x | |||||||||||||||||||
Szoftverfrissítés | x | |||||||||||||||||||||||||||
Biztonság-érvényesítési funkciók | ||||||||||||||||||||||||||||
Azonosítás és hitelesítés | ||||||||||||||||||||||||||||
UIA_201 Érzékelő azonosítása | x | x | x | x | ||||||||||||||||||||||||
UIA_202 Érzékelő azonossága | x | x | x | x | ||||||||||||||||||||||||
UIA_203 Érzékelő hitelesítése | x | x | x | x | ||||||||||||||||||||||||
UIA_204 Érzékelő újbóli azonosítása és hitelesítése | x | x | x | x | ||||||||||||||||||||||||
UIA_205 Hamisíthatatlan hitelesítés | x | x | x | |||||||||||||||||||||||||
UIA_206 Sikertelen hitelesítés | x | x | x | x | ||||||||||||||||||||||||
UIA_207 Felhasználók azonosítása | x | x | x | x | x | x | ||||||||||||||||||||||
UIA_208 Felhasználói azonosság | x | x | x | x | x | x | ||||||||||||||||||||||
UIA_209 Felhasználói hitelesítés | x | x | x | x | x | x | ||||||||||||||||||||||
UIA_210 Felhasználó újbóli hitelesítése | x | x | x | x | x | x | ||||||||||||||||||||||
UIA_211 Hitelesítési eszközök | x | x | x | x | x | |||||||||||||||||||||||
UIA_212 PIN ellenőrzések | x | x | x | x | x | x | ||||||||||||||||||||||
UIA_213 Hamisíthatatlan hitelesítés | x | x | x | x | x | |||||||||||||||||||||||
UIA_214 Sikertelen hitelesítés | x | x | x | x | ||||||||||||||||||||||||
UIA_215 Távoli felhasználó azonosítása | x | x | x | x | x | |||||||||||||||||||||||
UIA_216 Távoli felhasználó azonossága | x | x | x | x | ||||||||||||||||||||||||
UIA_217 Távoli felhasználó hitelesítése | x | x | x | x | x | |||||||||||||||||||||||
UIA_218 Hitelesítési eszközök | x | x | x | x | ||||||||||||||||||||||||
UIA_219 Hamisíthatatlan hitelesítés | x | x | x | x | ||||||||||||||||||||||||
UIA_220 Sikertelen hitelesítés | x | x | ||||||||||||||||||||||||||
UIA_221 Kezelő eszköz azonosítása | x | x | x | x | ||||||||||||||||||||||||
UIA_222 Kezelő eszköz hitelesítése | x | x | x | x | ||||||||||||||||||||||||
UIA_223 Hamisíthatatlan hitelesítés | x | x | x | x | ||||||||||||||||||||||||
Hozzáférés szabályozása | ||||||||||||||||||||||||||||
ACC_201 Hozzáférés-engedélyezési elv | x | x | x | x | x | x | ||||||||||||||||||||||
ACC_202 Hozzáférési jog a funkciókhoz | x | x | x | x | ||||||||||||||||||||||||
ACC_203 Hozzáférési jogok a funkciókhoz | x | x | x | x | ||||||||||||||||||||||||
ACC_204 JE azonosítója | x | x | ||||||||||||||||||||||||||
ACC_205 Csatlakoztatott érzékelő azonosítója | x | x | x | |||||||||||||||||||||||||
ACC_206 Kalibrálási adatok | x | x | x | x | ||||||||||||||||||||||||
ACC_207 Kalibrálási adatok | x | x | x | |||||||||||||||||||||||||
ACC_208 Időbeállítási adatok | x | x | x | |||||||||||||||||||||||||
ACC_209 Időbeállítási adatok | x | x | x | |||||||||||||||||||||||||
ACC_210 Biztonsági adatok | x | x | x | |||||||||||||||||||||||||
ACC_211 Fájlstruktúra és hozzáférési feltételek | x | x | x | x | x | |||||||||||||||||||||||
Elszámoltatás | ||||||||||||||||||||||||||||
ACT_201 Járművezető elszámoltatása | x | |||||||||||||||||||||||||||
ACT_202 JE azonosító adatok | x | x | ||||||||||||||||||||||||||
ACT_203 Műhely elszámoltatása | x | |||||||||||||||||||||||||||
ACT_204 Ellenőrző személyek elszámoltatása | x | |||||||||||||||||||||||||||
ACT_205 Jármű mozgásának részletezése | x | |||||||||||||||||||||||||||
ACT_206 Elszámoltatási adatok módosítása | x | x | x | |||||||||||||||||||||||||
ACT_207 Elszámoltatási adatok módosítása | x | x | x | |||||||||||||||||||||||||
Elemzés | ||||||||||||||||||||||||||||
AUD_201 Elemzési tételek | x | |||||||||||||||||||||||||||
AUD_202 Elemzési eseménylista | x | x | x | x | x | x | x | x | ||||||||||||||||||||
AUD_203 Elemzési tételek tárolási szabályai | x | |||||||||||||||||||||||||||
AUD_204 Az érzékelő elemzési rekordjai | x | |||||||||||||||||||||||||||
AUD_205 Elemzési eszközök | x | |||||||||||||||||||||||||||
Újbóli felhasználás | ||||||||||||||||||||||||||||
REU_201 Újbóli felhasználás | x | x | x | |||||||||||||||||||||||||
Pontosság | ||||||||||||||||||||||||||||
ACR_201 Az információáramlás vezérlési elve | x | x | x | x | x | |||||||||||||||||||||||
ACR_202 Belső átvitel | x | x | x | x | ||||||||||||||||||||||||
ACR_203 Belső átvitel | x | x | ||||||||||||||||||||||||||
ACR_204 A tárolt adatok integritása | x | x | x | |||||||||||||||||||||||||
ACR_205 A tárolt adatok integritása | x | x | ||||||||||||||||||||||||||
Megbízhatóság | ||||||||||||||||||||||||||||
RLB_201 Gyártási vizsgálatok | x | x | x | |||||||||||||||||||||||||
RLB_202 Önellenőrzések | x | x | x | x | x | |||||||||||||||||||||||
RLB_203 Önellenőrzések | x | x | x | x | ||||||||||||||||||||||||
RLB_204 Szoftverelemzés | x | x | x | |||||||||||||||||||||||||
RLB_205 Szoftverbemenet | x | x | x | x | ||||||||||||||||||||||||
RLB_206 A burkolat felnyitása | x | x | x | x | x | x | x | x | x | |||||||||||||||||||
RLB_207 A hardver manipulálása | x | x | ||||||||||||||||||||||||||
RLB_208 A hardver manipulálása | x | x | ||||||||||||||||||||||||||
RLB_209 Az áramellátás megszakadása | x | x | ||||||||||||||||||||||||||
RLB_210 Az áramellátás megszakadása | x | x | ||||||||||||||||||||||||||
RLB_211 Visszaállítás | x | x | ||||||||||||||||||||||||||
RLB_212 Az adatok elérhetősége | x | x | ||||||||||||||||||||||||||
RLB_213 A kártya elengedése | x | |||||||||||||||||||||||||||
RLB_214 Kártyakapcsolat helytelen lezárása | x | |||||||||||||||||||||||||||
RLB_215 Több alkalmazás | x | |||||||||||||||||||||||||||
Adatcsere | ||||||||||||||||||||||||||||
DEX_201 A mozgási adatok biztosított importja | x | x | ||||||||||||||||||||||||||
DEX_202 A mozgási adatok biztosított importja | x | x | ||||||||||||||||||||||||||
DEX_203 A kártyaadatok biztosított importja | x | x | ||||||||||||||||||||||||||
DEX_204 A kártyaadatok biztosított importja | x | x | ||||||||||||||||||||||||||
DEX_205 Biztosított adatexportálás a kártyákra | x | x | ||||||||||||||||||||||||||
DEX_206 Származási igazolás | x | x | ||||||||||||||||||||||||||
DEX_207 Származási igazolás | x | x | ||||||||||||||||||||||||||
DEX_208 Biztosított exportálás külső adathordozóra | x | x | ||||||||||||||||||||||||||
Rejtjelezési támogatás | ||||||||||||||||||||||||||||
CSP_201 Algoritmusok | x | x | ||||||||||||||||||||||||||
CSP_202 Kulcsgenerálás | x | x | ||||||||||||||||||||||||||
CSP_203 Kulcskiadás | x | x | ||||||||||||||||||||||||||
CSP_204 Kulcselérés | x | x | ||||||||||||||||||||||||||
CSP_205 Kulcsmegsemmisítés | x | x |
A TACHOGRÁF-KÁRTYA ÁLTALÁNOS BIZTONSÁGI KÖVETELMÉNYEI
1. Bevezetés
E dokumentum tartalmazza a tachográf-kártya leírását, azon veszélyeket, amelyeknek ellen kell állnia, valamint azon biztonsági célokat, amelyeket el kell érnie. Meghatározza a megkövetelt biztonság-érvényesítési funkciókat. Ezenkívül megállapítja a biztonsági rendszerek minimálisan igényelt erősségét és a biztosítás kötelező szintjét a fejlesztés és az értékelés szempontjából.
A dokumentumban említett követelmények megegyeznek az I. B. melléklet fő részének követelményeivel. Az egyértelműbb értelmezés érdekében ismétlődések adódhatnak az I. B. melléklet szövegében szereplő követelmények és biztonsági célkitűzési követelmények között. Amennyiben kétértelműség lépne fel valamely biztonsági célkitűzési követelmény és az általa megemlített, az I. B. mellékletben szereplő követelmény között, úgy az I. B. melléklet fő szövegében szereplő követelmény az irányadó.
Az I. B. melléklet fő szövegében szereplő és a biztonsági célok által meg nem említett követelmények nem képezik biztonság-érvényesítési funkciók tárgyát.
A tachográf-kártya egy szabvány programozható kártya, amely egy speciális tachográf alkalmazást tartalmaz, és megfelel a memóriakártyákra vonatkozó naprakész funkcionális és biztonsági követelményeknek. A továbbiakban részletezett biztonsági cél ezért csak a tachográf alkalmazáshoz szükséges kiegészítő biztonsági követelményeket tartalmazza.
A jobb nyomon követhetőség érdekében egyedi címkéket kaptak azon veszélyek, célkitűzések, eljárási lehetőségek és a SEF-előírások, amelyek a fejlesztési és értékelési dokumentációban jelennek meg.
2. Rövidítések, meghatározások és hivatkozások
2.1. Rövidítések
IC Integrált áramkör (feldolgozó, illetve memóriafunkciók ellátására tervezett elektronikus alkatrész)
OS Operációs rendszer
PIN Személyi azonosító szám
ROM Csak olvasható tár
SFP Biztonságifunkció-elv
TBD Meghatározandó
TOE Az értékelés célja
TSF TOE biztonsági funkció
VU Járműegység.
2.2. Meghatározások
Digitális tachográf Menetíró készülék.
Érzékeny adatok A tachográf-kártya által tárolt olyan adatok, amelyeket védeni kell az integritás, a jogosulatlan hozzáférés és a titkosság szempontjából (amennyiben a biztonsági adatokra alkalmazható). Az érzékeny adatok közé tartoznak a biztonsági és a felhasználói adatok.
Biztonsági adatok A biztonság-érvényesítési funkciók támogatásához szükséges egyedi adatok (pl. rejtjelkulcsok).
Rendszer A menetíró készülékkel bármilyen módon kapcsolatba kerülő berendezések, személyzet vagy szervezetek.
Felhasználó Bármely entitás (emberi felhasználó vagy külső informatikai entitás) a TOE-n kívül, amely a TOE-vel interakcióba lép (amennyiben nem a "felhasználói adat" kifejezésben szerepel).
Felhasználói adatok A tachográf-kártyán tárolt és a biztonsági adatokon kívüli érzékeny adatok. A felhasználói adatok közé tartoznak az azonosítási és tevékenységi adatok.
Azonosítási adatok Az azonosítási adatok közé tartoznak a kártyaazonosítási adatok és a kártyatulajdonos-azonosítási adatok.
Kártyaazonosítási adatok A kártya azonosításával kapcsolatos felhasználói adatok a 190., 191., 192., 194., 215., 231. és 235. követelmény meghatározása szerint.
Kártyatulajdonos-azonosítási adatok A kártyatulajdonos azonosításával kapcsolatos felhasználói adatok a 195., 196., 216., 232. és 236. követelmények meghatározása szerint.
Tevékenységi adatok A tevékenységi adatok közé tartoznak a kártyatulajdonos tevékenységi adatai, az események és hibák adatai és az ellenőrzési tevékenység adatai.
Kártyatulajdonos tevékenységi adatai A kártyatulajdonos által végzett tevékenységekkel kapcsolatos felhasználói adatok a 197., 199., 202., 212., 212a., 217., 219., 221., 226., 227., 229., 230a., 233. és 237. követelmény meghatározása szerint.
Események és hibák adatai Az eseményekkel és hibákkal kapcsolatos felhasználói adatok a 204., 205., 207., 208. és 223. követelmény meghatározása szerint.
Ellenőrző tevékenységgel kapcsolatos adatok A törvényi előírások érvényesítésének ellenőrzésével kapcsolatos felhasználói adatok a 210. és 225. követelmény meghatározása szerint.
2.3. Hivatkozások
ITSEC ITSEC Information Technology Security Evaluation Criteria, 1991. (Informatikai biztonságértékelési kritériumok)
IC PP Smartcard Integrated Circuit Protection Profile (Programozható integrált áramköri védelmi profil) - 2.0 verzió - 1998. szeptemberi kiadás. Regisztrálta a franciaországi hitelesítő szerv PP/9806 szám alatt
ES PP Smart Card Integrated Circuit With Embedded Software Protection Profile (Programozható kártyás integrált áramkör beágyazott szoftvervédelmi profillal - 2.0 verzió - 1999. januári kiadás. Regisztrálta a franciaországi hitelesítő szerv PP/9911 szám alatt
3. A termék működési elve
3.1. A tachográf-kártya leírása és használatának módja
A tachográf-kártya egy, az (IC PP) és az (ES PP) leírása szerinti memóriakártya, amely a menetíró készülékkel való használatra tervezett alkalmazást tartalmaz.
A tachográf-kártya alapvető funkciói:
- a kártya és a kártyatulajdonos azonosítási adatainak tárolása. Ezen adatokat a járműegység használja fel a kártyatulajdonos azonosítására, az ennek megfelelő funkciók és adathozzáférési jogok megadására és annak biztosítására, hogy a kártyatulajdonos elszámoltatható legyen a tevékenységeiért,
- a kártyatulajdonos tevékenységeivel, az eseményekkel és hibákkal, valamint a kártyatulajdonosra vonatkozó ellenőrzési tevékenységekkel kapcsolatos adatok tárolása.
Ezért a tachográf-kártya használatának célja a járműegység kártyainterfész eszközével interakcióba lépve történő alkalmazás. Bármely olyan kártyaolvasó képes használni (pl. a személyi számítógépé), amelynek teljes olvasási hozzáférési jogosultsága van bármely felhasználói adat felett.
A tachográf-kártya életciklusának végső használati fázisában [az (ES PP)-ben leírt életciklus 7. szakasza] a járműegységek csak írni képesek felhasználói adatokat a kártyára.
A tachográf-kártya funkcionális követelményeit az I. B. melléklet fő szövege és a 2. függelék írja le.
3.2. A tachográf-kártya életciklusa
A tachográf-kártya életciklusa megfelel az (ES PP)-ben leírt programozható kártyák életciklusának.
3.3. Veszélyek
A memóriakártyákat fenyegető, az (ES PP)-ben és az (IC PP)-ben felsorolt általános veszélyek mellett a tachográf-kártyát az alábbi veszélyek fenyegethetik:
3.3.1. Végső célok
A támadók végső célja, hogy módosítsák a TOE-n belül tárolt felhasználói adatokat.
T.Ident_Data A TOE által tárolt azonosító adatok (pl. a kártya típusának, érvényességi idejének vagy a kártyatulajdonos azonosító adatainak) sikeres módosítása lehetővé tenné a TOE csalárd használatát, és jelentős mértékben fenyegetné a rendszer általános biztonsági célkitűzését.
T.Activity_Data A TOE által tárolt tevékenységi adatok sikeres módosítása fenyegetné a TOE biztonságát.
T.Data_Exchange A tevékenységi adatok importálás vagy exportálás közbeni sikeres módosítása (hozzáadás, törlés, hamisítás) fenyegetné a TOE biztonságát.
3.3.2. Támadási útvonalak
A TOE alkotóelemei az alábbi módokon támadhatók meg:
- bizalmas adatok tiltott megszerzésének kísérlete a TOE hardverének és szoftverének konstrukciójáról, különlegesen a biztonsági funkcióiról vagy biztonsági adatairól. A tiltott információ megszerezhető a tervezői vagy gyártói anyagok ellen intézett támadással (lopás, vesztegetés stb.) vagy a TOE közvetlen vizsgálatával (fizikai szondázás, interferencia-elemzés stb.),
- a TOE tervezési vagy kivitelezési hiányosságaival való visszaélés (hardverhibák, szoftverhibák, adatátviteli hibák, a TOE-ben külső behatások által kiváltott hibák, valamint az olyan biztonsági funkciók hiányosságainak kihasználása, mint a hitelesítési eljárások, adathozzáférés ellenőrzése, rejtjelezési műveletek stb.),
- a TOE vagy biztonsági funkcióinak manipulálása fizikai, elektromos vagy programozási támadással, illetve ezek kombinációjával.
3.4. Biztonsági célkitűzések
A teljes digitális tachográf-rendszer fő biztonsági célkitűzése a következő:
O.MainAz ellenőrző hatóságok által vizsgálandó adatoknak elérhetőknek kell lenniük, valamint teljes mértékben és pontosan tükrözniük kell az ellenőrzött járművezetők és járművek tevékenységét a járművezetési, munka-, készenléti és pihenési időszakok, valamint a jármű sebessége tekintetében.
A TOE-nek ezen általános biztonsági célkitűzéshez hozzájáruló fő biztonsági célkitűzései ezért az alábbiak:
O.Card_Identification_Data A TOE-nek meg kell őriznie a kártya személyre szabása közben eltárolt kártya- és kártyatulajdonos-azonosító adatokat,
O.Card_Activity_Storage A TOE-nek meg kell őriznie a kártyán a járműegységek által tárolt felhasználói adatokat.
3.5. Informatikai biztonsági célkitűzések
A memóriakártyákra vonatkozóan az (ES PP)-ben és az (IC PP)-ben felsorolt általános biztonsági célkitűzések mellett a TOE konkrét informatikai biztonsági célkitűzése, amely az életciklusának véghasználati szakaszában hozzájárul a fő biztonsági célkitűzésekhez:
O.Data_Access A TOE-nek a hitelesített járműegységekre kell korlátoznia a felhasználói adatok írásához való hozzáférési jogokat,
O.Secure_Communications A TOE-nek képesnek támogatnia kell a kártya és a kártyainterfész eszköz közötti biztonságos kommunikációs protokollokat és eljárásokat, amennyiben ezt az alkalmazás megköveteli.
3.6. Fizikai, személyzeti és eljárási eszközök
A TOE biztonságához hozzájáruló fizikai, személyzeti és eljárási követelmények megegyeznek az (ES PP)-ben és (IC PP)-ben felsoroltakkal (a környezettel kapcsolatos biztonsági célkitűzésekről szóló fejezetek).
4. Biztonság-érvényesítési funkciók
E bekezdés részletez néhányat a megengedett műveletek közül, mint például az (ES PP) kiosztása vagy kiválasztása, és további SEF funkcionális követelményeket ír le.
4.1. A védelmi profiloknak való megfelelés
CPP_301A TOE megfelel az (IC PP)-nek.
CPP_302A TOE megfelel az (ES PP)-nek az alábbi részletezés szerint.
4.2. A felhasználó azonosítása és hitelesítése
A kártyának azonosítania kell azon entitást, amelybe behelyezik, és ellenőriznie kell, hogy a jármű hitelesített-e vagy sem. A kártya exportálhat bármely felhasználói adatot a csatlakoztatott entitástól függetlenül, az ellenőrzőkártyát és a vállalkozás adatkártyáját kivéve, amely csak a hitelesített járműegységeknek exportálhat kártyatulajdonos-azonosító adatokat (így az ellenőrző személy a nevének a kijelzőn vagy a kinyomaton való olvasásával meggyőződhet arról, hogy nem egy hamis járműegységről van szó).
4.2.1. A felhasználó azonosítása
Értékadás (FIA_UID.1.1) A TSF által közvetített tevékenységek felsorolása: nincs.
Értékadás (FIA_ATD.1.1) A biztonsági attribútumok felsorolása:
USER_GROUP VEHICLE_UNIT, NON_VEHICLE_UNIT,
USER_ID A jármű rendszáma (VRN) és a bejegyző tagállam kódja (az USER_ID csak az USER_GROUP = VEHICLE_UNIT alapján tudható).
4.2.2. A felhasználó hitelesítése
Értékadás (FIA_UAU.1.1) A TSF által közvetített tevékenységek felsorolása:
- Járművezetői és műhelykártyák: felhasználói adatok exportálása biztonsági attribútumokkal (kártyaadat-letöltési funkció),
- Ellenőrzőkártya: felhasználói adatok exportálása biztonsági attribútumok nélkül a kártyatulajdonos azonosító adatai kivételével.
UIA_301A járműegység hitelesítése annak bizonyításával történik, hogy az olyan biztonsági adatokat tartalmaz, amelyek csak magából a rendszerből származhatnak.
Kiválasztás (FIA_UAU.3.1 és FIA_UAU.3.2): megelőzés.
Értékadás (FIA_UAU.4.1) Azonosított hitelesítési mechanizmus(ok): bármely hitelesítési mechanizmus.
UIA_302A műhelykártya egy kiegészítő hitelesítési mechanizmust biztosít a PIN-kód ellenőrzése által (e mechanizmus lehetővé teszi, hogy a járműegység meggyőződhessen a kártyatulajdonos azonosságáról, azonban nem rendeltetése, hogy védje a műhelykártya tartalmát).
4.2.3. Hitelesítési hibák
Továbbá a következő feladatok leírják a kártya által minden egyes felhasználói hitelesítési hibára adott választ.
Értékadás (FIA_AFL.1.1) Szám: 1, hitelesítési események felsorolása: kártyainterfész eszköz hitelesítése.
Értékadás (FIA_AFL.1.2) Tevékenységek felsorolása:
- a csatlakoztatott entitás figyelmeztetése,
- annak feltételezése, hogy a felhasználó NON_VEHICLE_UNIT.
Továbbá a következő feladatok leírják a kártya válaszát abban az esetben, ha sikertelen az UIA_302-ben előírt kiegészítő hitelesítési mechanizmus.
Értékadás (FIA_AFL.1.1) Szám: 5, hitelesítési események felsorolása: PIN-ellenőrzések (műhelykártya).
Értékadás (FIA_AFL.1.2) Tevékenységek felsorolása:
- a csatlakoztatott entitás figyelmeztetése,
- a PIN ellenőrzési eljárás blokkolása oly módon, hogy minden további PIN-ellenőrzés sikertelen,
- lehetőség a későbbi felhasználóknak a blokkolás okáról való tájékoztatására.
4.3. A hozzáférés engedélyezése
4.3.1. Hozzáférés-engedélyezési elv
Az életciklus végső felhasználási szakaszában a tachográf-kártyára csak egyetlen, a biztonsági funkciókból következő hozzáférés-engedélyezési elv (SFP) vonatkozik, amelynek neve AC_SFP.
Értékadás (FDP_ACC.2.1) hozzáférés-engedélyezési SFP: AC_SFP.
4.3.2. Hozzáférés-engedélyezési funkciók
Értékadás (FDP_ACF.1.1) hozzáférés-engedélyezési SFP: AC_SFP.
Értékadás (FDP_ACF.1.1) A biztonsági attribútumok megnevezett csoportja: USER_GROUP.
Értékadás (FDP_ACF.1.2) Az ellenőrzött szubjektumok és objektumok hozzáférésére vonatkozó szabályok az ellenőrzött objektumokon végrehajtott ellenőrzött műveletek segítségével:
GENERAL_READ : A felhasználói adatokat bármely felhasználó olvashatja a TOE-ből, a kártyatulajdonos azonosító adatai kivételével, amelyeket csak a VEHICLE_UNIT olvashat ki az ellenőrzőkártyákból és a vállalkozás adatkártyájából.
IDENTIF_WRITE : Az azonosító adatok csak egyszer és a kártya életciklusa 6. szakaszának vége előtt írhatók. Egyetlen felhasználó sem írhat vagy módosíthat azonosító adatokat a kártya életciklusának végső felhasználási szakasza során.
ACTIVITY_WRITE : A tevékenységi adatokat csak a VEHICLE_UNIT írhatja a TOE-re.
SOFT_UPGRADE : Egyetlen felhasználó sem frissítheti a TOE szoftverét.
FILE_STRUCTURE : A TOE életciklusa 6. szakaszának vége előtt állománystruktúrák és hozzáférési feltételek jönnek létre, amelyek ezután zártak le, azért hogy ezeket egyetlen felhasználó se módosíthassa vagy törölhesse.
4.4. Elszámoltatás
ACT_301A TOE állandó azonosítási adatokat tárol.
ACT_302Meg kell adni a TOE személyre szabásának időpontját és dátumát. E jelzés megváltoztathatatlan marad.
4.5. Elemzés
A TOE-nek ellenőriznie kell azon eseményeket, amelyek potenciálisan veszélyeztethetik a biztonságát.
Értékadás (FAU_SAA.1.2) Meghatározott felülvizsgálható események részhalmaza:
- a kártyatulajdonos sikertelen azonosítása (öt egymást követő sikertelen PIN-ellenőrzés),
- az önellenőrzés hibája,
- a tárolt adatok integritási hibája,
- a bemenetitevékenységadatok-integritási hibája,
4.6. Pontosság
4.6.1. A tárolt adatok integritása
Értékadás (FDP_SDI.2.2) Teendők: a csatlakoztatott entitás figyelmeztetése,
4.6.2. Alapadatok hitelesítése
Értékadás (FDP_DAU.1.1) Objektumok vagy információtípusok felsorolása: tevékenységadatok.
Értékadás (FDP_DAU.1.2) Szubjektumok felsorolása: tetszés szerint.
4.7. Üzembiztonság
4.7.1. Vizsgálatok
Kiválasztás (FPT_TST.1.1): az első bekapcsoláskor, rendes működés közben időközönként.
Megjegyzés:az "első bekapcsoláskor" jelentése: a kód végrehajtása előtt (és nem szükségszerűen az Answer To Reset eljárás során).
RLB_301A TOE önellenőrzései tartalmazzák a ROM-ban nem tárolt bármely szoftverkód integritásának ellenőrzését.
RLB_302Önellenőrzési hiba észlelésekor a TSF figyelmezteti a csatlakoztatott entitást.
RLB_303Az OS-vizsgálat befejezése után a vizsgálattal kapcsolatos minden parancsot és tevékenységet dezaktiválni kell, vagy el kell azokat távolítani. E vezérléseket nem lehet felülírni és későbbi használatra helyreállítani. A kizárólag egyetlen életciklus állapothoz tartozó parancs sohasem érhető el egy másik állapotban.
4.7.2. Szoftver
RLB_304A TOE szoftverjét a gyakorlati alkalmazásban nem lehet elemezni vagy módosítani, illetve nem lehet a programhibáit elhárítani.
RLB_305A külső forrásokból érkező bemenetek nem fogadhatók el végrehajtható kódokként.
4.7.3. Áramellátás
RLB_306A TOE az áramellátás megszakadása vagy ingadozása esetén is megőrzi biztonságos állapotát.
4.7.4. Visszaállítási feltételek
RLB_307Ha a TOE áramellátása megszűnik (vagy ha feszültségingadozás lép fel), vagy ha valamely tranzakció befejeződés előtt megszakad, vagy bármilyen visszaállítási feltétel esetén a mozgásérzékelő visszaáll és törlődik.
4.8. Adatcsere
4.8.1. Adatcsere a járműegységgel
DEX_301A TOE ellenőrzi a járműegységből importált adatok integritását és hitelességét.
DEX_302Az importált adatok integritási hibáinak észlelésekor a TOE:
- figyelmezteti az adatokat küldő entitást,
- nem használja az adatokat.
DEX_303A TOE a hozzájuk tartozó biztonsági attribútumokkal exportálja a mozgási adatokat a járműegységnek úgy, hogy a járműegység ellenőrizni tudja a kapott adatok integritását és hitelességét.
4.8.2. Adatok exportálása önálló egységek felé (letöltési funkció)
DEX_304A TOE képes származási igazolást generálni a külső adattárolóra letöltött adatok számára.
DEX_305A TOE képes biztosítani az átvitt adatok címzettje számára a letöltött adatok származási igazolásának ellenőrzését.
DEX_306A TOE képes a hozzájuk tartozó biztonsági attribútumokkal exportálni az adatokat a külső adattárolóra úgy, hogy ellenőrizhető legyen a letöltött adatok integritása és hitelessége.
4.9. Rejtjelezési támogatás
CSP_301Ha a TSF rejtjelezési kulcsokat generál, úgy összhangban van bizonyos rejtjelezésikulcs-generáló algoritmusokkal és megadott rejtjelezési kulcsméretekkel. A generált rejtjelezési műveleti kulcsok korlátozott (a gyártó által meghatározandó, de legfeljebb 240) számú használatot tesznek lehetővé.
CSP_302Ha a TSF rejtjelezési kulcsokat ad ki, úgy az összhangban van bizonyos rejtjelezésikulcs-kiadási módszerekkel.
5. Biztonsági mechanizmusok meghatározása
A kötelező biztonsági mechanizmusokat a 11. függelék határozza meg.
Minden más biztonsági mechanizmust a TOE gyártójának kell meghatároznia.
6. A mechanizmusok minimálisan igényelt erőssége
A tachográf-kártya mechanizmusainak minimális erőssége az (ITSEC) meghatározása szerint Magas
7. Garanciaszint
A mozgásérzékelő garanciaszintje megfelel az ITSEC E3 szintnek, az (ITSEC) hivatkozási dokumentumában meghatározott kritériumok szerint.
8. Működési elv
Az alábbi mátrixok tartalmazzák a kiegészítő SEF-ek működési elvét a következők megjelenítésével:
- mely SEF-ek milyen veszélyeknek állnak ellen,
- mely SEF-ek milyen informatikai biztonsági funkciókat teljesítenek.
Veszélyek | Informatikai célok | |||||||||||||||||||
T.CLON* | T.DIS_ES2 | T.T_ES | T.T_CMD | T.MOD_SOFT* | T.MOD_LOAD | T.MOD_EXE | T.MOD_SHARE | Ident_Data | Activity_Data | Data_Exchange | O.TAMPER_ES | O.CLON* | O.OPERATE* | O.FLAW* | O.DIS_MECHANISM2 | O.DIS_MEMORY* | O.MOD_MEMORY* | Data_Access | Secured_Communications | |
UIA_301 Hitelesítési eszközök | x | |||||||||||||||||||
UIA_302 PIN-ellenőrzések | x | |||||||||||||||||||
ACT_301 Azonosítási adatok | ||||||||||||||||||||
ACT_302 Személyre szabás időpontja | ||||||||||||||||||||
RLB_301 Szoftver integritása | x | x | ||||||||||||||||||
RLB_302 Önellenőrzések | x | x | ||||||||||||||||||
RLB_303 Gyártási vizsgálatok | x | x | x | x | ||||||||||||||||
RLB_304 Szoftverelemzés | x | x | x | x | x | |||||||||||||||
RLB_305 Szoftverbemenet | x | x | x | x | x | |||||||||||||||
RLB_306 Áramellátás | x | x | x | x | ||||||||||||||||
RLB_307 Visszaállítás | x | x | ||||||||||||||||||
DEX_301 Adatok biztonságos importja | x | x | ||||||||||||||||||
DEX_302 Adatok biztonságos importja | x | x | ||||||||||||||||||
DEX_303 Adatok biztonságos exportja a JE felé | x | x | ||||||||||||||||||
DEX_304 Származási igazolás | x | x | ||||||||||||||||||
DEX_305 Származási igazolás | x | x | ||||||||||||||||||
DEX_306 Biztosított exportálás külső adathordozóra | x | x | ||||||||||||||||||
CSP_301 Kulcsgenerálás | x | x | ||||||||||||||||||
CSP_302 Kulcskiadás | x | x |
11. függelék
KÖZÖS BIZTONSÁGI MECHANIZMUSOK
TARTALOM
1. Általános bevezető ...
1.1. Hivatkozások ...
1.2. Jelzések és rövidítések ...
2. Rejtjelezési rendszerek és algoritmusok ...
2.1. Rejtjelezési rendszerek ...
2.2. Rejtjelezési algoritmusok ...
2.2.1. RSA algoritmus ...
2.2.2. Hash algoritmus ...
2.2.3. Adatrejtjelezési algoritmus ...
3. Kulcsok és bizonyítványok ...
3.1. Kulcsok generálása és elosztása ...
3.1.1. RSA kulcsok generálása és elosztása ...
3.1.2. RSA ellenőrzőkulcsok ...
3.1.3. Mozgásérzékelő kulcsok ...
3.1.4. T-DES tevékenységi kulcsok generálása és elosztása ...
3.2. Kulcsok ...
3.3. Bizonyítványok ...
3.3.1. A bizonyítványok tartalma ...
3.3.2. Kiadott bizonyítványok ...
3.3.3. A bizonyítványok ellenőrzése és kicsomagolása ...
4. Kölcsönös hitelesítési mechanizmus ...
5. JE-kártyák adatátvitellel kapcsolatos titkossági, integritási és hitelesítési mechanizmusa ...
5.1. Biztonságos üzenetküldés ...
5.2. A biztonságos üzenetküldéssel kapcsolatos hibák kezelése ...
5.3. A rejtjelezési ellenőrző összeget kiszámító algoritmus ...
5.4. A titkossági DO utasítások kriptogramjait kiszámító algoritmus ...
6. Az adatletöltés digitális aláírási mechanizmusai ...
6.1. Aláírások generálása ...
6.2. Aláírások ellenőrzése ...
1. ÁLTALÁNOS BEVEZETŐ
E függelék az alábbiakat biztosító biztonsági mechanizmusokat határozza meg:
- a JE-ek és a tachográf-kártyák közötti kölcsönös hitelesítés, ideértve a tevékenységi kulcsok egyeztetését,
- a JE-ek és a tachográf-kártyák között átvitt adatok titkossága, integritása és hitelesítése,
- a JE-ekről külső adathordozóra letöltött adatok integritása és hitelesítése,
- a tachográf-kártyákról külső adathordozóra letöltött adatok integritása és hitelesítése.
1.1. Hivatkozások
E függelék az alábbi hivatkozásokat használja:
SHA-1 National Institute of Standards and Technology (NIST). FIPS Publication 180-1: Secure Hash Standard. 1995 április
PKCS1 RSA Laboratries. PKCS #1: RSA Encryption Standard. Version 2.0. 1998 október
TDES National Institute of Standards and Technology (NIST). FIPS Publication 46-3: Data Encryption Standard. 1999-es tervezet
TDES-OP ANSI X9.52, Triple Data Encryption Algorithm Modes of Operation. 1998
ISO/IEC 7816-4 Informatika - Azonosító kártyák - Integrált áramköri kártyák érintkezőkkel - 4. rész: Iparágközi utasítások a köztes adatcseréhez. Első kiadás: 1995. + 1. módosítás: 1997.
ISO/IEC 7816-6 Informatika - Azonosító kártyák - Integrált áramköri kártyák érintkezőkkel - 6. rész: Iparágközi adatelemek. Első kiadás: 1996. + 1. javítás: 1998.
ISO/IEC 7816-8 Informatika - Azonosító kártyák - Integrált áramköri kártyák érintkezőkkel - 8. rész: Biztonsággal kapcsolatos iparágközi utasítások. Első kiadás: 1999.
ISO/IEC 9796-2 Informatika - Biztonsági technikák - Az üzenet helyreállítását lehetővé tevő digitális aláírási rendszerek - 2. rész: Tördelési funkciót használó mechanizmusok. Első kiadás: 1997.
ISO/IEC 9798-3 Informatika - Biztonsági technikák - Entitáshitelesítési mechanizmusok - 3. rész: Entitáshitelesítés nyilvános kulcsalgoritmus segítségével. Második kiadás, 1998.
ISO 16844-3 Közúti járművek - Tachográf rendszerek - 3. rész: Mozgásérzékelő interfész.
1.2. Jelzések és rövidítések
E függelék az alábbi jelzéseket és rövidítéseket használja:
(Ka, Kb, Kc) kulcscsomag a háromszoros adatrejtjelezési algoritmus általi használatra
CA Hitelesítő hatóság
CAR A hitelesítő hatóság hivatkozása
CC Rejtjelezési ellenőrző összeg
CG Kriptogram
CH Parancsfej
CHA A bizonyítvány tulajdonosának engedélye
CHR A bizonyítvány tulajdonosának hivatkozása
D() Visszafejtés a DES segítségével
DE Adatelem
DO Adatobjektum
d RSA saját kulcs, saját kitevő
e RSA nyilvános kulcs, nyilvános kitevő
E() Rejtjelezés a DES segítségével
EQT Berendezés
Hash() tördelési érték, a tördelés kimenete
Hash tördelési funkció
KID Kulcsazonosító
Km TDES kulcs. Az ISO 16844-3 által meghatározott mesterkulcs.
Kmvu A járműegységbe helyezett TDES kulcs
Kmwc A műhelykártyába helyezett TDES kulcs
m az üzenetet képviselő, 0 és n-1 közötti egész szám
n RSA kulcs, modulus
PB Kitöltő bájtok
PI Kitöltésjelző bájt (a titkossági DO kriptogramjában való használatra)
PV Rendes érték
s az aláírást képviselő, 0 és n-1 közötti egész szám
SSC Küldési sorrendszámláló
SM Biztonságos üzenetküldés
TCBC TDEA rejtjelezett blokkok láncolatán alapuló üzemmód
TDEA Háromszoros adatrejtjelezési üzemmód
TLV A címke hosszának értéke
VU Járműegység
X. C X felhasználó bizonyítványa, amelyet valamely hitelesítő hatóság bocsátott ki
X. CA X felhasználó hitelesítő hatósága
X. CA.PKoX.C a nyilvános kulcs kiemelését célzó bizonyítvány-kicsomagolási művelet. Infix műveleti jel, amelynek bal oldali operandusa valamely hitelesítő hatóság nyilvános kulcsa, és amelynek jobb oldali operandusa az említett hitelesítő hatóság által kibocsátott bizonyítvány. Az eredmény X felhasználó nyilvános kulcsa, akinek a tanúsítványa a jobb oldali operandus,
X. PK felhasználó nyilvános kulcsa
X. PK[I] Valamilyen I információ RSA rejtjelezése, X felhasználó nyilvános kulcsának segítségével
X. SK felhasználó nyilvános RSA kulcsa
X. SK[I] Valamilyen I információ RSA rejtjelezése, X felhasználó saját kulcsának segítségével
′xx′ valamely hexadecimális érték
|| összefűzési operátor.
2. REJTJELEZÉSI RENDSZEREK ÉS ALGORITMUSOK
2.1. Rejtjelezési rendszerek
CSM_001A járműegységek és a tachográf-kártyák egy klasszikus RSA nyilvános kulcsú rejtjelezési rendszer segítségével az alábbi biztonsági mechanizmusokat biztosítják:
- a járműegységek és a kártyák közötti hitelesítés,
- háromszoros DES műveleti kulcsok átvitele a járműegységek és a tachográf-kártyák között,
- a járműegységekről vagy a tachográf-kártyákról külső adathordozóra letöltött adatok digitális aláírása.
CSM_002A járműegységek és a tachográf-kártyák háromszoros DES szimmetrikus rejtjelezési rendszer használata révén gondoskodnak az adatok integritását biztosító mechanizmusról a járműegységek és a tachográf-kártyák közötti felhasználói adatcsere során, valamint adott esetben gondoskodnak a járműegységek és a tachográf-kártyák közötti adatcsere titkosságáról.
2.2. Rejtjelezési algoritmusok
2.2.1. RSA algoritmus
CSM_003Az RSA algoritmust teljesen az alábbi relációk határozzák meg:

Az RSA funkció még részletesebb leírása a hivatkozásban található (PKCS1).
Az RSA-algoritmusban alkalmazott "e" nyilvános kitevő 3 és n-1 közötti egész szám, amely teljesíti a következő feltételt: gcd(e, lcm(p-1, q-1))=1.
2.2.2. Hash algoritmus
CSM_004A digitális aláírási mechanizmusok az (SHA-1) hivatkozás alatt meghatározott SHA-1 tördelési algoritmust használják.
2.2.3. Adatrejtjelezési algoritmus
CSM_005Rejtjelezett blokkok láncolatán alapuló üzemmódban DES alapú algoritmust kell használni.
3. KULCSOK ÉS BIZONYÍTVÁNYOK
3.1. Kulcsok generálása és elosztása
3.1.1. RSA kulcsok generálása és elosztása
CSM_006Az RSA kulcsok generálása a funkcionális hierarchia három szintjén történik:
- európai szint,
- tagállami szint,
- berendezési szint.
CSM_007Európai szinten egy egységes európai kulcspár (EUR.SK és EUR.PK) marad. Az európai saját kulcs segítségével kell hitelesíteni a tagállami nyilvános kulcsokat. Az összes hitelesített kulcs adatait meg kell őrizni. E feladatokat egy európai hitelesítési hatóság végzi el az Európai Bizottságnak alárendelve.
CSM_008Tagállami szinten egy tagállami kulcspár (MS.SK és MS.PK) generálása történik. A tagállami nyilvános kulcsok hitelesítését az Európai Hitelesítési Hatóság végzi. A tagállami saját kulcs segítségével kell hitelesíteni a berendezésbe (járműgység vagy tachográf-kártya) behelyezendő nyilvános kulcsokat. Az összes hitelesített nyilvános kulcs adatait meg kell őrzni azon berendezés azonosító adataival együtt, amelybe behelyezték. E feladatokat a tagállami hitelesítési hatóságok látják el. A tagállamok rendszeresen megváltoztathatják a kulcspárjukat.
CSM_009Berendezési szinten egyetlen kulcspárt (EQT.SK és EQT.PK) kell generálni, és behelyezni minden berendezésbe. A berendezési nyilvános kulcsok hitelesítését a tagállami hitelesítési hatóságok végzik. E feladatokat a berendezések gyártói, azok személyre szólóvá tevői vagy a tagállami hatóságok végzik el. E kulcspárt hitelesítési, digitális aláírási és rejtjelezési célokra kell használni.
CSM_010Generálás, (adott esetben) továbbítás és tárolás közben meg kell őrizni a saját kulcsok titkosságát.
Az alábbi ábra e folyamat adatáramlását foglalja össze:

3.1.2. RSA ellenőrzőkulcsok
CSM_011A berendezés vizsgálata céljából (ideértve az együttműködési képességi vizsgálatokat is) az európai hitelesítési hatóság egy másik egyetlen európai vizsgálati kulcspárt és legalább két tagállami vizsgálati kulcspárt generál, amelyek nyilvános kulcsait az európai saját vizsgálati kulccsal együtt kell hitelesíteni. A gyártók elhelyezik az ilyen tagállami tesztelési kulcsok által hitelesített tesztelési kulcsokat a típus-jóváhagyási vizsgálat alá vont berendezésben.
3.1.3. Mozgásérzékelő kulcsok
A generálás, továbbítás (adott esetben) és tárolás közben a megfelelő módon meg kell őrizni az alább leírt három TDES-kulcs titkosságát.
Ezenkívül az ISO 16844-nek megfelelő menetíró készülék támogatása érdekében az európai hitelesítési hatóság és a tagállami hitelesítési hatóságok gondoskodnak az alábbiakról:
CSM_036Az európai hitelesítési hatóság KmVU-t és KmWC-t, két független és egyedi hármas DES kulcsot, valamint Km kulcsot generál az alábbiak szerint:

Az európai hitelesítési hatóság megfelelően biztonságos eljárással továbbítja e kulcsokat a tagállamok hitelesítési hatóságai számára, ezek kérésére.
CSM_037A tagállami hitelesítési hatóságok:
- a Km segítségével titkosítják a mozgásérzékelő-gyártók által kért mozgásérzékelő-adatokat (a Km-mel titkosítandó adatokat az ISO 16844-3 határozza meg),
- megfelelően biztonságos eljárással továbbítják a KmVU-t a járműegységek gyártóinak, a járműegységekben való elhelyezés céljából,
- gondoskodnak róla, hogy a kártya személyre szabása közben minden műhelykártyában elhelyezésre kerüljön a KmWC-t (SensorInstallationSecData a Sensor_Installation_Data elemi állományban).
3.1.4. T-DES tevékenységi kulcsok generálása és elosztása
CSM_012A járműegységek és a tachográf-kártyák a kölcsönös hitelesítési folyamat részeként létrehozzák és kicserélik a közös hármas DES műveleti kulcs kidolgozásához szükséges adatokat. Az adatcsere titkosságát egy RSA rejtjelezési mechanizmus védi.
CSM_013E kulcsot kell használni minden további, biztonságos üzenetküldést használó rejtjelezési művelet során. Érvényessége a művelet végén (a kártya kivétele vagy visszaállítása), illetve 240 használat után lejár (a kulcs egy használata = biztonságos üzenetküldés segítségével a kártyának küldött egyetlen parancs és az ahhoz tartozó válasz).
3.2. Kulcsok
CSM_014Az RSA-kulcsok az alábbi hosszúságúak (szinttől függetlenül): n modulus: 1024 bit, e nyilvános kitevő: legfeljebb 64 bit, d saját kitevő: 1024 bit.
CSM_015A hármas DES-kulcs formája (Ka, Kb, Ka), ahol Ka és Kb független, 64 bit hosszúságú kulcs. Nem kell beállítani paritáshiba-észlelő bitet.
3.3. Bizonyítványok
CSM_016Az RSA nyilvános kulcs bizonyítványai "non self-descriptive", "Card Verifiable" bizonyítványok (Hiv.: ISO/IEC 7816-8)
3.3.1. A bizonyítványok tartalma
CSM_017Az RSA nyilvános kulcs bizonyítványok az alábbi adatokból épülnek fel a következő sorrendben:
Adatok | Formátum | Bájt | Obs |
CPI | EGÉSZ SZÁM | 1 | Bizonyítványprofil-azonosító („01” e változatban) |
CAR | BÁJTFÜZÉR | 8 | A hitelesítő hatóság hivatkozása |
CHA | BÁJTFÜZÉR | 7 | A bizonyítvány tulajdonosának engedélye |
EOV | TimeReal | 4 | A bizonyítvány érvényességének vége. Választható, használaton kívül „FF”-fel kitöltve |
CHR | BÁJTFÜZÉR | 8 | A bizonyítvány tulajdonosának hivatkozása |
n | BÁJTFÜZÉR | 128 | Nyilvános kulcs (modulus) |
e | BÁJTFÜZÉR | 8 | Nyilvános kulcs (nyilvános kitevő) |
164 |
Megjegyzések:
1. A "bizonyítványprofil azonosító" (CPI) egy hitelesítési bizonyítvány pontos szerkezetét határozza meg. A vonatkozó fejléclisták berendezési belső azonosítójaként használható, amely az adatelemek bizonyítványon belüli összefűzését írja le.
Az e bizonyítványtartalommal társított fejléclista:

2. A "hitelesítő hatóság hivatkozása" (CAR) célja, hogy azonosítsa a bizonyítványt kiadó hitelesítő hatóságot oly módon, hogy az adatelemek egyidejűleg hatósági kulcsazonosítóként is felhasználhatók a hitelesítő hatóság nyilvános kulcsára való hivatkozás során (a kódoláshoz lásd az alábbi kulcsazonosítót).
3. A "bizonyítvány tulajdonosának engedélye" (CHA) célja, hogy azonosítsa a bizonyítvány tulajdonosának jogosultságát. Ez a tachográf-alkalmazás azonosítóból és azon berendezés típusából áll, amelyhez a bizonyítványt szánták (az EquipmentType adatelemmel összhangban, tagállamok esetében "00").
4. A "bizonyítvány tulajdonosának hivatkozása" (CHR) célja, hogy egyértelműen azonosítsa a bizonyítvány tulajdonosát úgy, hogy az adatelemek egyidejűleg alanyi kulcsazonosítóként is felhasználhatók a bizonyítvány tulajdonosának nyilvános kulcsára való hivatkozás során.
5. A kulcsazonosítók egyértelműen azonosítják a bizonyítvány tulajdonosát vagy a hitelesítő hatóságokat. Kódolásuk az alábbiak szerint történik:
5.1. Berendezés (JE vagy kártya):
Adat | A berendezés sorozatszáma | Dátum | Típus | Gyártó |
Hossz | 4 bájt | 2 bájt | 1 bájt | 1 bájt |
Érték | Egész szám | hh éé BCD kódolás | Gyártóra jellemző | Gyártói kód |
A JE esetében a gyártó a bizonyítványok bekérésekor nem feltétlenül ismeri azon berendezés azonosítóját, amelybe a kulcsokat be kell helyezni.
Ha ismeri a berendezés azonosítóját, úgy a gyártó a nyilvános kulccsal együtt megküldi azt a tagállami hatóságnak hitelesítés céljából. A bizonyítvány ekkor tartalmazza a berendezés azonosítóját, és a gyártónak gondoskodnia kell arról, hogy a kulcsokat és a bizonyítványt a megfelelő berendezésbe helyezzék be. A kulcsazonosító alakja a fent bemutatottak szerinti.
Ha nem ismeri a berendezés azonosítóját, úgy a gyártónak egyedileg azonosítania kell minden egyes tanúsítási kérelmet, és ezen azonosítót hitelesítés végett a nyilvános kulccsal együtt meg kell küldenie a tagállama hatóságának. A bizonyítvány tartalmazza a kért azonosítót. A gyártónak közölnie kell a tagállama hatóságával a berendezéshez tartozó kulcs hozzárendelését (azaz a tanúsítási kérelem és a berendezés azonosítását), miután a kulcs a berendezésbe behelyezésre került. A kulcsazonosító alakja:
Adat | A tanúsítási kérelem sorozatszáma | Dátum | Típus | Gyártó |
Hossz | 4 bájt | 2 bájt | 1 bájt | 1 bájt |
Érték | Egész szám | hh éé BCD kódolás | ′FF′ | Gyártói kód |
5.2. Tanúsító hatóság:
Adat | A hatóság azonosítója | A kulcs sorozatszáma | Kiegészítő információ | Azonosító |
Hossz | 4 bájt | 1 bájt | 2 bájt | 1 bájt |
Érték | 1 bájtos nemzeti számkód | Egész szám | kiegészítő kódolás (CA-ra jellemző) | ′01′ |
3 bájtos nemzeti betű-szám kód | használaton kívül ′FF FF′ |
A kulcs sorszáma segítségével kell megkülönböztetni a különféle tagállami kulcsokat abban az esetben, ha a kulcs megváltozik.
6. A bizonyítvány ellenőrzői számára közvetve ismert, hogy a hitelesített nyilvános kulcs esetében egy a hitelesítés, a digitális aláírás ellenőrzése és a titkossági rejtjelezés szempontjából releváns RSA-kulcsról van szó (a bizonyítvány nem tartalmaz azt meghatározó objektumazonosítót).
3.3.2. Kiállított bizonyítványok
CSM_018A kiállított bizonyítvány egy digitális aláírás, amely részben tartalmazza a bizonyítvány tartalmát az ISO/IEC 9796-2-vel összhangban kivéve annak A.4. mellékletét, a hozzáfűzött "hitelesítő hatóság hivatkozás"-sal.

Az alábbi bizonyítványtartalommal: [Kép #348]

Kép #348
Megjegyzések:
1. E bizonyítvány 194 bájt hosszú.
2. Az aláírás által elrejtett CAR-t is hozzá kell fűzni az aláíráshoz oly módon, hogy a hitelesítő hatóság nyilvános kulcsa kiválasztható legyen a bizonyítvány hitelesítésére.
3. A bizonyítvány ellenőrzője számára közvetve ismert a hitelesítő hatóság által a bizonyítvány aláírására használt algoritmus.
4. A kiállított bizonyítványhoz társított fejléclista:

3.3.3. A bizonyítványok ellenőrzése és kicsomagolása
A bizonyítványok ellenőrzése és kicsomagolása kiterjed az aláírás ISO/IEC 9796-2-vel összhangban történő ellenőrzésére, amivel a bizonyítvány tartalma és a benne lévő X.PK = X.CA.PKoX.C nyilvános kulcs kiemelhető, valamint a bizonyítvány érvényességének ellenőrzésére.
CSM_019Az alábbi lépéseket tartalmazza:
az aláírás ellenőrzése és a tartalom kiemelése:
- az X.C-ből ki kell emelni a Sign-t, a Cn′-t és a CAR′-t: [Kép #349]

Kép #349
- a CAR′-ból ki kell választani a megfelelő hitelesítési hatóság nyilvános kulcsát (ha ez eddig más módon még nem történt meg),
- meg kell nyitni a Sign-t a CA nyilvános kulccsal: Sr′ = X.CA.PK [Sign],
- ellenőrizni kell, hogy az Sr′ 6A-val kezdődik és ′BC′-vel végződik,
- ki kell számítani a Cr′-t és a H′-t az alábbiakból: [Kép #350]

Kép #350
- helyre kell állítani a bizonyítvány tartalmát: C′ = Cr′ || Cn′,
- ellenőrizni kell, hogy Hash(C′) = H′
Ha az ellenőrzések rendben vannak, úgy a bizonyítvány eredeti, és tartalma C′.
Az érvényesség ellenőrzése. A C′-ből:
- ha alkalmazható, ellenőrizni kell az érvényességi dátum végét.
A nyilvános kulcs, a kulcsazonosító, a bizonyítvány tulajdonosa engedélyének és a bizonyítvány érvényessége végének visszakeresése a C′-ből és tárolása:
- X.PK = n || e,
- X.KID = CHR
- X.CHA = CHA,
- X.EOV = EOV.
4. KÖLCSÖNÖS HITELESÍTÉSI MECHANIZMUS
A kártyák és a JE-k közötti kölcsönös hitelesítés az alábbi elven alapul:
Mindkét résztvevő bizonyítja a másiknak, hogy egy olyan érvényes kulcspárral rendelkezik, amelynek nyilvános kulcsát egy olyan tagállami hitelesítő hatóság hitelesítette, amelyet az európai hitelesítő hatóság hitelesített.
A bizonyítás egy, a másik fél által küldött véletlen számnak a saját kulccsal történő aláírásával történik; a másik félnek ezen aláírás ellenőrzésekor vissza kell állítania a véletlenszerű számot.
A mechanizmust a kártya JE-be való behelyezése váltja ki. Ez a bizonyítványok cseréjével és a nyilvános kulcsok kicsomagolásával kezdődik és a műveleti kulcs beállításával végződik.
CSM_020A következő protokollt kell használni [a nyilak a parancsokat és a kicserélt adatokat jelzik (lásd 2. függelék)]:


5. JE-KÁRTYÁK ADATÁTVITELLEL KAPCSOLATOS TITKOSSÁGI, INTEGRITÁSI ÉS HITELESÍTÉSI MECHANIZMUSA
5.1. Biztonságos üzenetküldés
CSM_021A JE-kártyák adatátviteli integritását biztonságos üzenetküldés védi az (ISO/IEC 7816-4) és az (ISO/IEC 7816-8) hivatkozással összhangban.
CSM_022Ha az adatokat védeni kell átvitel közben, úgy egy rejtjelezési ellenőrző összeg adatobjektumot kell fűzni a parancson vagy a válaszon belül küldött adatobjektumokhoz. A fogadó fél igazolja a rejtjelezési ellenőrző összeget.
CSM_023A parancson belül küldött adatok rejtjelezési ellenőrző összege tartalmazza a parancsfejet és az összes elküldött adatobjektumot (= > CLA = ′0C′, és minden adatobjektumot címkék vesznek körül, amelyekben b1 = 1).
CSM_024A válasz állapotinformációs bájtjait egy rejtjelezési ellenőrző összeg védi, amennyiben a válasz nem tartalmaz adatmezőt.
CSM_025A rejtjelezési ellenőrző összegek négy bájt hosszúságúak.
A parancsok és a válaszok felépítése biztonságos üzenetküldéskor ezért az alábbiak szerinti:
A felhasznált DO-k az ISO/IEC 7816-4-ben leírt biztonságos üzenetküldési DO-k részhalmazai:
Tag | Rövidítés | Jelentés |
′81′ | TPV | Rendes értékű nem BER-TLV-ben kódolt adat (CC-vel védendő) |
′97′ | TLE | Az Le értéke a nem biztosított parancsban (CC-vel védendő) |
′99′ | TSW | Állapotinformáció (CC-vel védendő) |
′8E′ | TCC | Rejtjelezési ellenőrző összeg |
′87′ | TPI CG | Kitöltésjelző bájt || Kriptogram (Rendes értékű nem BER-TLV-ben kódolt adat ) |
Biztosítatlan parancsválasz-pár esetén:
Parancsfej | Parancstörzs |
CLA INS P1 P2 | (Lc mező) (Adatmező) (Le mező) |
négy bájt | L bájt, jelzésük B1-BL |
Választörzs | A válasz vége | |
(Adatmező) | SW1 | SW2 |
Lr adatbájt | két bájt |
A megfelelő biztosított parancsválasz-pár:
Biztosított parancs:
Parancsfej (CH) | Parancstörzs | ||||||||||
CLA INS P1 P2 | (Új Lc mező) | (Új adatmező) | (Új Le mező) | ||||||||
′OC′ | Az új adatmező hossza | TPV | LPV | PV | TLE | LLE | Le | TCC | LCC | CC | ′00′ |
′81′ | Lc | Adat-mező | ′97′ | ′01′ | Le | ′8E′ | ′04′ | CC |
Az ellenőrző összegbe integrálandó adatok = CH || PB || TPV || LPV || PV || TLE || LLE || Le || PB
PB = kitöltő bájtok (80 ... 00) az ISO-IEC 7816-4 és az ISO 9797 szabvány 1. módszerével összhangban.
A DO-k, a PV és az LE csak akkor vannak jelen, ha van bizonyos számú megfelelő adat a biztosítatlan parancsban.
Biztosított válasz:
1. Amennyiben a válasz adatmezője nem üres, és nem kell titkossági védelmet biztosítani számára:
Választörzs | A válasz vége | |||||
(Új adatmező) | új SW1 SW2 | |||||
TPV | LPV | PV | TCC | LCC | CC | |
′81′ | Lr | Adatmező | ′8E′ | ′04′ | CC |
Az ellenőrző összegbe integrálandó adatok = TPV || LPV || PV || PB
2. Amennyiben a válasz adatmezője nem üres, és titkossági védelmet kell biztosítani számára:
Választörzs | A válasz vége | |||||
(Új adatmező) | új SW1 SW2 | |||||
TPI CG | LPI CG | PI CG | TCC | LCC | CC | |
′87′ | PI || CG | ′8E′ | ′04′ | CC |
A CG által továbbítandó adatok: nem BER-TLV-ben kódolt adatok és kitöltő bájtok.
Az ellenőrző összegbe integrálandó adatok = TPI CG || LPI CG || PI CG || PB
3. Amennyiben a válasz adatmezője üres:
Választörzs | A válasz vége | |||||
(Új adatmező) | új SW1 SW2 | |||||
TSW | LSW | SW | TCC | LCC | CC | |
′99′ | ′02′ | Új SW1 SW2 | ′8E′ | ′04′ | CC |
Az ellenőrző összegbe integrálandó adatok = TSW || LSW || SW || PB
5.2. A biztonságos üzenetküldéssel kapcsolatos hibák kezelése
CSM_026Amennyiben a tachográf-kártya SM hibát észlel, miközben egy parancsot értelmez, úgy az állapot bájtokat vissza kell küldeni SM nélkül. Az ISO/IEC 7816-4 normával összhangban, az alábbiak szerint definiált állapotbájtok jelzik az SM hibákat:
′66 88′ a rejtjelezési ellenőrző összeg hitelesítése hibás,
′69 87′ a várt SM adatobjektumok hiányoznak,
′69 88′ az SM adatobjektumok helytelenek.
CSM_027Ha a tachográf-kártya SM DO-k nélküli vagy hibás SM DO-t tartalmazó állapotbájtokat küld vissza, úgy a JE-nek meg kell szakítania a műveletet.
5.3. A rejtjelezési ellenőrző összeget kiszámító algoritmus
CSM_028A rejtjelezési ellenőrző összeg létrehozása egy szokásos MAC segítségével történik, az ANSI X9.19-cel összhangban, DES-sel:
- kezdő állapot: az y0 kezdő ellenőrző tömb E(Ka, SSC),
- szekvenciális állapot: az y1, ... yn ellenőrző tömbök kiszámítása a Ka segítségével történik,
- végső állapot: a titkosítási ellenőrző összeg kiszámítása az utolsó yn ellenőrző tömb alapján történik az alábbiak szerint: E[Ka, D(Kb, yn)],
ahol az E() rövidítés a DES segítségével történő rejtjelezést, a D() rövidítés pedig a DES segítségével történő visszafejtést jelenti.
A rejtjelezési ellenőrző összeg négy legjelentősebb bájtját továbbítani kell.
CSM_029A küldési sorrendszámláló (SSC) a kulcsegyeztetési eljárás során a következők szerint kerül megindításra:
Kezdő SSC: Rnd3 (4 legjelentéktelenebb bájt) || Rnd1 (4 legjelentéktelenebb bájt).
CSM_030A küldési sorrendszámláló minden alkalommal 1-gyel növekszik a MAC kiszámítása előtt (azaz az első parancs SSC-je a kezdő SSC +1, az első válasz SSC-je pedig a kezdő SSC + 2).
Az alábbi ábra mutatja a MAC kiszámítását:

5.4. A titkossági DO-utasítások kriptogramjait kiszámító algoritmus
CSM_031A kriptogramok kiszámítása a TDEA segítségével történik TCBC-üzemmódban, a (TDES) és (TDES-OP) hivatkozással összhangban és a nulla vektorral mint kezdő értéktömbbel.
Az alábbi ábra mutatja a kulcsok alkalmazását a TDES-ben:

6. AZ ADATLETÖLTÉS DIGITÁLIS ALÁÍRÁSI MECHANIZMUSAI
CSM_032Az intelligens kijelölt berendezés (IDE) egyetlen fizikai adatállományon belül tárolja a valamely berendezéstől (JE vagy kártya) a letöltési művelet során kapott adatokat. Ezen állomány az MSi.C és EQT.C bizonyítványokat tartalmazza. Az állomány tartalmazza az adattömböknek a 7. függelékben (Adatletöltési protokollok) meghatározott digitális aláírásait.
CSM_033A letöltött adatok digitális aláírásai olyan digitális aláírási rendszert használnak, amelynek függeléke lehetővé teszi a letöltött adatok kívánság szerinti visszakódolás nélküli olvasását.
6.1. Aláírások generálása
CSM_034Az adataláírások berendezés általi generálása olyan aláírási rendszert követ, amelynek függeléke a (PKCS1) hivatkozásban van meghatározva az SHA-1 tördelési funkcióval:
Aláírás = EQT.SK[′00′ || ′01′ || PS || ′00′ || DER(SHA-1(Data))]
PSKitöltő bájtfüzér ′FF′ értékkel, hogy a hossza 128 legyen.
DER(SHA-1(M)) az ID algoritmus kódolása a tördelési funkció esetében és a tördelési érték DigestInfo típusú ASN.1 értékké való kódolása (megkülönböztetett kódolási szabályok):
′30′||′21′||′30′||′09′||′06′||′05′||′2B′||′0E′||′03′||′02′||′1A′||′05′||′00′||′04′||′14′||Tördelési érték.
6.2. Aláírások ellenőrzése
CSM_035Az adataláírások letöltött adatokon való ellenőrzése olyan aláírási rendszert követ, amelynek függeléke a (PKCS1) hivatkozásban van meghatározva az SHA-1 tördelési funkcióval:
A hitelesítőnek ismernie kell (és jóvá kell hagynia) az EUR.PK európai nyilvános kulcsot.
Az alábbi táblázat egy ellenőrzőkártyát hordozó IDE által követhető protokollt szemléltet, a letöltött és ESM-en (külső adathordozón) tárolt adatok integritásának ellenőrzéséhez. Az ellenőrzőkártya segítségével kell elvégezni a digitális aláírások visszakódolását. Ebben az esetben e funkció nem hajtható végre az IDE-n belül.
EQT jelöli azon berendezést, amely letöltötte és aláírta az elemzendő adatokat.

12. függelék
AZ M1 ÉS N1 KATEGÓRIÁJÚ JÁRMŰVEKBE ÉPÍTENDŐ ADAPTER LEÍRÁSA
TARTALOMJEGYZÉK
1. Rövidítések és referenciadokumentumok
1.1. Rövidítések
1.2. Szabványhivatkozások
2. Az adapter általános jellemzői és funkciói
2.1. Az adapter általános jellemzői
2.2. Funkciók
2.3. Biztonság
3. A menetíró készülékre vonatkozó követelmények adapter alkalmazása esetén
4. Az adapter kialakítására vonatkozó funkcionális követelmények
4.1. A bejövő sebességimpulzusok közvetítése és átalakítása
4.2. A bejövő impulzusok továbbítása a beépített mozgásérzékelő felé
4.3. A beépített mozgásérzékelő
4.4. Biztonsági előírások
4.5. Teljesítményjellemzők
4.6. Anyagok
4.7. Jelölések
5. A menetíró készülék beépítése adapter alkalmazása esetén
5.1. Beépítés
5.2. Ólomzárak elhelyezése
6. Ellenőrzés, felülvizsgálat és javítások
6.1. Időszakos felülvizsgálatok
7. A menetíró készülék típusjóváhagyása adapter alkalmazása esetén
7.1. Általános szempontok
7.2. Funkcionális tanúsítvány
1. RÖVIDÍTÉSEK ÉS REFERENCIADOKUMENTUMOK
1.1. Rövidítések
TBD Meghatározandó
VU Járműegység
1.2. Szabványhivatkozások
ISO 16844-3 Közúti járművek - Tachográf rendszerek - 3. rész: Mozgásérzékelő interfész
2. AZ ADAPTER ÁLTALÁNOS JELLEMZŐI ÉS FUNKCIÓI
2.1. Az adapter általános jellemzői
ADA_001 Az adapter feladata, hogy folyamatosan biztonságos mozgásadatokat szolgáltasson a vele összeköttetésben álló járműegységnek a jármű sebességéről és a megtett távolságról.
Az adaptert csak azon járművek esetében kell alkalmazni, amelyeket e rendelet értelmében menetíró készülékkel kell felszerelni.
Adaptert csak olyan, az (rr) pontban meghatározott járműkategóriák esetében építenek be és alkalmaznak, amelyekbe mechanikai okokból nem építhető be más típusú meglévő mozgásérzékelő, amely egyébként megfelel e melléklet és e melléklet 1-11. függelékében foglalt előírásoknak.
A mozgásérzékelő - az e melléklet 10. függelékében (3.1. pont) foglaltaktól eltérően - nem csatlakozik mechanikusan a jármű mozgó alkatrészeihez, hanem az integrált érzékelők vagy alternatív interfészek által a sebességre és a megtett útra vonatkozóan generált impulzusokat fogadja.
ADA_002 A típusjóváhagyással rendelkező mozgásérzékelőt (megfelelően e melléklet VIII. fejezetének: A menetíró készülék és a tachográf-kártyák típusjóváhagyása) az adapter burkolatán belülre kell beépíteni, ahol egy, a beépített mozgásérzékelő számára továbbítandó impulzusokat előállító impulzusátalakító is helyet foglal. A beépített mozgásérzékelő a járműegységhez kapcsolódik, így a járműegység és az adapter közötti interfész megfelel az ISO 16844-3 szabványban foglalt előírásoknak.
2.2. Funkciók
ADA_003 Az adapter a következő funkciókat látja el:
- a bejövő sebességimpulzusok közvetítése és átalakítása,
- a bejövő impulzusok továbbítása a beépített mozgásérzékelő felé,
- a mozgásérzékelő valamennyi funkciója, valamint a járműegység biztonságos mozgásadatokkal történő ellátása.
2.3. Biztonság
ADA_004 Az adapter biztonsági tanúsítása nem a mozgásérzékelőkre vonatkozó, az e melléklet 10. függelékében meghatározott általános biztonsági célok alapján történik. E helyett az e függelék 4.4. pontjában meghatározott biztonsági vonatkozású követelményeket kell alkalmazni.
3. A MENETÍRÓ KÉSZÜLÉKRE VONATKOZÓ KÖVETELMÉNYEK ADAPTER ALKALMAZÁSA ESETÉN
Az ebben és a következő fejezetekben foglalt követelmények arra vonatkoznak, hogy adapter alkalmazása esetén miként kell az e mellékletben foglalt előírásokat értelmezni. Az érintett előírások száma zárójelben szerepel.
ADA_005 Ha e függelék másként nem írja elő, az adapterrel felszerelt járművekben használt menetíró készüléknek meg kell felelnie e melléklet valamennyi előírásának.
ADA_006 Adapter alkalmazása esetén a menetíró készüléknek a szükséges kábelek, az adapter (a mozgásérzékelő helyett) és a járműegység is részét képezi (001).
ADA_007 A menetíró készülék esemény-, illetve hibafelderítő funkciója az alábbiak szerint módosul:
- Az "áramellátás megszakadása" eseményt a járműegység abban az esetben váltja ki, amikor a berendezés nincs a kalibrálási üzemmódban, és a beépített mozgásérzékelő bármely áramkimaradása meghaladja a 200 milliszekundumot (066),
- Az adapter bármely 200 ms-ot (milliszekundum) meghaladó áramkimaradása ugyanilyen hosszúságú áramkimaradást eredményez a beépített mozgásérzékelőben. Az adapter megszakadási küszöbértékét a gyártó cégnek kell meghatároznia.
- A "mozgásra vonatkozó adatok hibája" eseményt a járműegység abban az esetben váltja ki, ha megszakad a normál adatfolyam a beépített mozgásérzékelő és a járműegység között, illetve amennyiben hiba lép fel az adatintegritásban vagy adathitelesítésben a beépített mozgásérzékelő és a járműegység közötti adatcsere alatt (067),
- A "biztonság feltörésének kísérlete" eseményt a járműegység minden más, a beépített mozgásérzékelő biztonságát érintő eseménykor kiváltja, amikor a berendezés nincs a kalibrálási üzemmódban (068),
- A "menetíró készülék hibája" eseményt a járműegység a beépített mozgásérzékelő bármely hibája esetén kiváltja, amikor a berendezés nincs a kalibrálási üzemmódban (070).
ADA_008 A menetíró készülék az adapternek a beépített mozgásérzékelővel kapcsolatos hibáit érzékeli (071).
ADA_009 A járműegység-kalibrálási funkció lehetővé teszi a beépített mozgásérzékelő automatikus összekapcsolását a járműegységgel (154, 155).
ADA_010 Az e melléklet 10. függelékének a járműegység általános biztonsági követelményeiről szóló részében szereplő "mozgásérzékelő" és "érzékelő" kifejezések a beépített mozgásérzékelőre vonatkoznak.
4. AZ ADAPTER KIALAKÍTÁSÁRA VONATKOZÓ FUNKCIONÁLIS KÖVETELMÉNYEK
4.1. A bejövő sebességimpulzusok közvetítése és átalakítása
ADA_011 Az adapter bemeneti interfésze a jármű sebességét és a megtett távolságot jelző impulzusokat képes fogadni. A bejövő impulzusok elektromos jellemzői: a gyártó által meghatározandó. A csak az adapter gyártója és az adapter beépítését végző elismert műhely számára ismert beállításoknak adott esetben lehetővé kell tenniük az adapter bemeneti oldalának megfelelő összekötését a járművel.
ADA_012 Az adapter bemeneti interfészének adott esetben képesnek kell lennie a bejövő sebességimpulzusok impulzusszámának egy rögzített tényezővel történő felszorzására, illetve leosztására, ily módon az e mellékletben meghatározott "Kfactor" tartományba (4 000-25 000 imp/km) konvertálva a jelet. Ezt a rögzített tényezőt csak az adapter gyártója vagy az adapter beépítését végző elismert műhely táplálhatja be.
4.2. A bejövő impulzusok továbbítása a beépített mozgásérzékelő felé
ADA_013 A bejövő, adott esetben a fentiek szerint átalakított impulzusokat olyan módon kell a beépített mozgásérzékelőnek továbbítani, hogy az minden bejövő impulzust érzékeljen.
4.3. A beépített mozgásérzékelő
ADA_014 A beérkező jelek működésbe hozzák a beépített mozgásérzékelőt, amely a jármű mozgását olyan pontosan leíró mozgásadatokat hoz létre, mintha mechanikus kapcsolatban állna a jármű valamely mozgó alkatrészével
ADA_015 A járműegység a beépített mozgásérzékelő azonosító adatait használja az adapter azonosítására (077),
ADA_016 A beépített mozgásérzékelőben tárolt beépítési adatok minősülnek az adapter beépítési adatainak (099).
4.4. Biztonsági előírások
ADA_017 Az adapter burkolatát úgy kell kialakítani, hogy azt ne lehessen felnyitni. Annak érdekében, hogy a fizikai manipulálási kísérletek könnyen észrevehetők legyenek (pl. szemlével, ld. ADA_035), az adapter burkolatát ólomzárral le kell zárni.
ADA_018 A beépített mozgásérzékelőt csak az adapter burkolatán elhelyezett ólomzár(ak) vagy az érzékelőt és az adapter burkolatát összekötő ólomzár feltörésével lehet eltávolítani (ld. ADA_035).
ADA_019 Az adapter biztosítja, hogy a mozgási adatokat kizárólag az adapter bemenetén keresztül lehessen lehívni és feldolgozni.
4.5. Teljesítményjellemzők
ADA_020 Az adapter a(z) (a gyártó által meghatározandó, a beépítés helyének függvényében) terjedő hőmérséklet-tartományban teljes mértékben működőképes (159).
ADA_021 Az adapter 10-90%-ig terjedő páratartalomnál teljes mértékben működőképes (160).
ADA_022 Az adaptert óvni kell a túlfeszültségtől, az energiaellátás polaritásának felcserélésétől és a rövidzárlatoktól (161).
ADA_023 Az adapter az elektromágneses kompatibilitás tekintetében megfelel a 72/245/EGK tanácsi irányelvnek a műszaki fejlődéshez való hozzáigazításáról szóló 2006/28/EK bizottsági irányelvnek ( 26 ), valamint az adaptert védeni kell az elektrosztatikus kisülésektől és tranziens áramoktól (162).
4.6. Anyagok
ADA_024 Az adapter megfelel a(z) (a gyártó által meghatározandó, a beépítés helyének függvényében) érintésvédelmi osztálynak (164, 165).
ADA_025 Az adapter borításának színe sárga.
4.7. Jelölések
ADA_026 Az adapterre leíró plakettet kell helyezni, amelyen a következő adatok szerepelnek (169):
- az adapter gyártójának neve és címe,
- a gyártói alkatrészek száma és az adapter gyártási éve,
- az adapter vagy azt tartalmazó menetíró készülék típusának jóváhagyási jele,
- az adapter beépítésének időpontja,
- azon jármű alvázszáma, amelybe az adaptert beépítették.
ADA_027 A leíró plaketten továbbá a következő adatok is szerepelnek (amennyiben azok nem olvashatók le közvetlenül a beépített mozgásérzékelő borításáról):
- a beépített mozgásérzékelő gyártójának neve,
- a gyártói alkatrészek száma és a beépített mozgásérzékelő gyártási éve,
- a beépített mozgásérzékelő jóváhagyási jele.
5. A MENETÍRÓ KÉSZÜLÉK BEÉPÍTÉSE ADAPTER ALKALMAZÁSA ESETÉN
5.1. Beépítés
ADA_028 A járművekbe szerelendő adaptereket csak járműgyártók részére, illetve a tagállamok illetékes hatóságai által jóváhagyott és digitális tachográfok beépítésére, aktiválására, illetve kalibrálására feljogosított műhelyek részére szállítják ki.
ADA_029 Az adaptert beépítő jóváhagyott műhely beállítja a bemeneti interfészt és - adott esetben - kiválasztja a bemeneti jel konverziójának arányát.
ADA_030 Az adaptert beépítő jóváhagyott műhely ólomzárral zárja le az adapter borítását.
ADA_031 Az adaptert lehetőleg a járműnek az adapter bejövő impulzusait küldő részéhez legközelebbi helyen kell beszerelni.
ADA_032 Az adapter tápkábele piros (pozitív) és fekete (föld).
5.2. Ólomzárak elhelyezése
ADA_033 Az ólomzárak felhelyezésére az alábbi követelmények vonatkoznak:
- az adapter borítását ólomzárral látják el (ld. ADA_017),
- a beépített érzékelő borítását ólomzárral kell összekötni az adapter borításával, kivéve, ha a beépített érzékelő egyébként sem távolítható el az adapter borítását lezáró ólomzár(ak) feltörése nélkül (ld. ADA_018),
- az adapter borítása ólomzárral kapcsolódik a járműhöz,
- az adaptert és az adapter bejövő impulzusait küldő berendezést összekötő elemet - az ésszerűség határain belül - mindkét végén ólomzárral kell lezárni.
6. ELLENŐRZÉS, FELÜLVIZSGÁLAT ÉS JAVÍTÁSOK
6.1. Időszakos felülvizsgálatok
ADA_034 Adapter alkalmazása esetén a menetíró készülék minden időszakos felülvizsgálata alkalmával (az I. B. melléklet VI. fejezetében szereplő 256-258. követelménynek megfelelően) az alábbiakat kell ellenőrizni (257):
- szerepel-e a típus-jóváhagyási jel az adapteren,
- az adapteren lévő ólomzárak és az adapter csatlakozásainak sértetlensége,
- az adaptert a beépítési plaketten szereplők adatoknak megfelelően építették-e be,
- az adaptert a gyártója, illetve a járműgyártó által meghatározott módon építették-e be,
- jóváhagyták-e a vizsgált járműre vonatkozóan adapter beépítését.
7. A MENETÍRÓ KÉSZÜLÉK TÍPUSJÓVÁHAGYÁSA ADAPTER ALKALMAZÁSA ESETÉN
7.1. Általános szempontok
ADA_035 A menetíró készüléket az adapterrel együtt kell jóváhagyásra benyújtani (269).
ADA_036 Bármely adapter benyújtható saját vagy menetíró készülék részeként történő típusjóváhagyás céljából.
ADA_037 Ilyenkor azonban az adaptert érintő funkcionális vizsgálatokat is végeznek. Az egyes vizsgálatok kedvező eredményeit megfelelő tanúsítvány állapítja meg (270).
7.2. Funkcionális tanúsítvány
ADA_038 Az adapterre, illetve adaptert tartalmazó menetíró készülékre vonatkozó funkcionális tanúsítványt az adapter gyártója részére csak akkor lehet kiadni, ha az adott készülék az alábbi funkcionális alapvizsgálatok közül valamennyinek megfelelt.
Szám | Vizsgálat | Leírás | Kapcsolódó követelmények |
1. | Adminisztratív vizsgálat | ||
1.1. | Dokumentáció | Az adapter dokumentációjának helyessége | |
2. | Szemle | ||
2.1. | Az adapter megfelelése a dokumentációnak | ||
2.2. | Az adapter azonosítói/jelzései | ADA_026, ADA_027 | |
2.3. | Az adapterhez felhasznált anyagok | 163–167 ADA_025 | |
2.4. | Ólomzárak elhelyezése | ADA_017, ADA_018, ADA_035 | |
3. | Működési vizsgálatok | ||
3.1. | A sebességimpulzusok továbbítása a beépített mozgásérzékelő felé | ADA_013 | |
3.2. | A bejövő sebességimpulzusok közvetítése és átalakítása | ADA_011, ADA_012 | |
3.3. | A sebesség mérésének pontossága | 022–026 | |
3.3. | Ellenőrizze, hogy az adapter védett a mágneses terekkel szemben. Vagy erősítse meg, hogy az adapter úgy reagál a jármű mozgásának érzékelését zavaró mágneses terekre, hogy a kapcsolt járműegység képes észlelni, feljegyezni és tárolni az érzékelőhibákat | 161a | |
4. | Környezeti vizsgálatok | ||
4.1. | A gyártó által végzett vizsgálat eredményei | A gyártó környezeti vizsgálatának eredményei | ADA_020, ADA_021, ADA_022, ADA_023, ADA_024 |
5. | EMC-vizsgálatok | ||
5.1. | Sugárzás-kibocsátás és szuszceptibilitás | a 2006/28/EK irányelv betartásának ellenőrzése | ADA_023 |
5.2. | A gyártó által végzett vizsgálat eredményei | A gyártó környezeti vizsgálatának eredményei | ADA_023 |
II. MELLÉKLET
JÓVÁHAGYÁSI JEL ÉS TÍPUSBIZONYÍTVÁNY
I. JÓVÁHAGYÁSI JEL
1. A jóváhagyási jel a következőkből áll:
- egy téglalap, melybe a kis "e" betűt helyeznek el, amelyet annak az országnak a megkülönböztető száma vagy betűje követ, amelyik a jóváhagyást kiadta, a következő hagyományos jeleknek megfelelően:
-
Belgium | 6, |
Bulgária | 34, |
Cseh Köztársaság | 8, |
Dánia | 18, |
Németország | 1, |
Észtország | 29, |
Görögország | 23, |
Spanyolország | 9, |
Franciaország | 2, |
Horvátország | 25, |
Írország | 24, |
Olaszország | 3, |
Ciprus | CY, |
Lettország | 32, |
Litvánia | 36, |
Luxemburg | 13, |
Magyarország | 7, |
Málta | MT, |
Hollandia | 4, |
Ausztria | 12, |
Lengyelország | 20, |
Portugália | 21, |
Románia | 19, |
Szlovénia | 26, |
Szlovákia | 27, |
Finnország | 17, |
Svédország | 5, |
Egyesült Királyság | 11 |
- és
- egy jóváhagyási szám, amely a menetíró készülék vagy adatrögzítő lap illetve tachográf-kártya mintájára kiadott típusbizonyítvány számának felel meg, és tetszés szerinti helyen helyezendő el a téglalap közvetlen közelében.
2. A jóváhagyási jelet minden egyes készülék ismertető címkéjén és minden egyes adatrögzítő lapon valamint minden egyes tachográf-kártyán fel kell tüntetni. A jóváhagyási jelnek letörölhetetlennek és mindig jól olvashatónak kell lennie.
3. A jóváhagyási jel alább közölt méretei milliméterekben vannak kifejezve és a legkisebb méreteket jelentik. Az arányokat a méretek között meg kell tartani.

(1) Ezek a számok csak tájékoztatásra szolgálnak.
II. Az a tagállam, amelyik jóváhagyást adott ki, a kérelmező számára az alábbi minta szerint típusbizonyítványt állít ki. Amikor a tagállamok tájékoztatást adnak a kiadott jóváhagyásokról, vagy adott esetben a visszavonásról, a tagállamok ennek az okmánynak a másolatait használják fel.

III. TÍPUSBIZONYÍTVÁNY AZ I. MELLÉKLET B. RÉSZÉNEK MEGFELELŐ TERMÉKEK ESETÉBEN
Miután valamely tagállam jóváhagyást adott ki, az alábbi minta szerinti típusbizonyítványt bocsátja ki a kérelmező számára. Amikor tájékoztatja a többi tagállamot a kiadott jóváhagyásokról vagy adott esetben a visszavonásról, a tagállam e bizonyítvány másolatait használja.

( 1 ) HL C 100., 1984.4.12., 3. o. és HL C 223., 1985.9.3., 5. o.
( 2 ) HL C 122., 1985.5.20., 168. o.
( 3 ) HL C 104., 1985.4.25., 4. o. és HL C 303., 1985.11.25., 29. o.
( 4 ) HL C 334., 1977.12.24., 11. o.
( 5 ) HL C 164., 1970.7.27., 1. o.
( 6 ) HL L 370., 1985.12.31., 1. o.
( 7 ) HL L 102, 2006.4.11., 1 o.
( 8 ) HL L 57., 1992.3.2., 27. o.
( 9 ) HL L 80., 2002.3.23., 35. o.
( 10 ) HL L 42., 1970.2.23., 1. o.
( 11 ) A folyamatos járművezetési idő, valamint a kumulatív szünetidő számításának e módja lehetővé teszi, hogy a menetíró készülék a kívánt időben a folyamatos járművezetési idővel kapcsolatos figyelmeztetést bocsásson ki. Ez nem befolyásolja az ezen időtartamokról kialakítandó jogi értelmezéseket.
A folyamatos járművezetési idő, valamint a kumulatív szünetidő számításának többféle módszere alkalmazható e meghatározások helyettesítése céljából, amennyiben azok a más vonatkozó jogszabályokban foglalt aktualizálások miatt elavulttá válnak.
( 12 ) Az ISMERETLEN időszakok megfelelnek azon időszakoknak, amikor nem volt járművezetői kártya a menetíró készülékben, és amely időszakokra a járművezetői tevékenységek kézi betáplálása nem történt meg.
( 13 ) A gépjárművek és pótkocsijuk egyes kategóriáinak tömegéről és méreteiről, valamint a 70/156/EGK irányelv módosításáról szóló, 1997. július 22-i 97/27/EK európai parlamenti és tanácsi irányelv (HL L 233., 1997.8.25., 1. o.).
( 14 ) HL L 57., 1992.3.2., 27. o.
( 15 ) A közös informatikai biztonságértékelési kritériumokról szóló, 1995. április 7-i 95/144/EK tanácsi ajánlás (HL L 93., 1995.4.26., 27. o.).
( 16 ) HL L 129., 1992.5.14., 95. o.
( 17 ) A gépjárművek és pótkocsijaik hatóságilag előírt tábláira és felirataira, valamint elhelyezésükre és rögzítési módjukra vonatkozó tagállami jogszabályok közelítéséről szóló, 1975. december 18-i 76/114/EGK tanácsi irányelv (HL L 24., 1976.1.30., 1. o.).
( 18 ) HL L 281., 1995.11.23., 31. o.
( 19 ) HL L 152., 1972.7.6., 15. o.
( 20 ) HL L 266., 1995.11.8., 1. o.
( 21 ) HL L 266., 1995.11.8., 1. o.
( 22 ) HL L 281., 1995.11.23., 31. o.
( 23 ) HL L 102., 2006.4.11., 1. o.
( 24 ) HL L 21., 2009.1.24., 3. o.
( 25 ) A behelyezett kártya elindítja a megfelelő hozzáférési jogosultságot a letöltési funkcióhoz és az adatokhoz. A járműegység egyik kártyaolvasó egységébe helyezett járművezetői kártyából is lehet azonban adatokat letölteni, amennyiben a másik kártyaolvasó egységbe nem helyeztek be kártyát.
( 26 ) HL L 65., 2006.3.7., 27. o.
Lábjegyzetek:
[1] A dokumentum eredetije megtekinthető CELEX: 31985R3821 - https://eur-lex.europa.eu/legal-content/HU/ALL/?uri=CELEX:31985R3821&locale=hu Utolsó elérhető, magyar nyelvű konszolidált változat CELEX: 01985R3821-20130701 - https://eur-lex.europa.eu/legal-content/HU/ALL/?uri=CELEX:01985R3821-20130701&locale=hu