31997L0024[1]
Az Európai Parlament és a Tanács 97/24/EK irányelve (1997. június 17.) a motorkerékpárok és segédmotoros kerékpárok egyes alkatrészeiről és jellemzőiről
AZ EURÓPAI PARLAMENT ÉS A TANÁCS 97/24/EK IRÁNYELVE
(1997. június 17.)
a motorkerékpárok és segédmotoros kerékpárok egyes alkatrészeiről és jellemzőiről
AZ EURÓPAI PARLAMENT ÉS AZ EURÓPAI UNIÓ TANÁCSA,
tekintettel az Európai Közösséget létrehozó szerződésre, és különösen annak 100a. cikkére,
tekintettel a Bizottság javaslatára ( 1 ),
tekintettel a Gazdasági és Szociális Bizottság véleményére ( 2 ),
a Szerződés 189b. cikkében ( 3 ) megállapított eljárásnak megfelelően az Egyeztető Bizottság által 1997. február 4-én jóváhagyott együttes szöveg figyelembevételével,
(1) mivel szükséges a belső piac működésének biztosítását célzó intézkedések elfogadása;
(2) mivel a motorkerékpároknak és segédmotoros kerékpároknak az ezen irányelv által említett alkatrészek és jellemzők tekintetében minden tagállamban meg kell felelniük bizonyos kötelező műszaki követelményeknek, amelyek az egyes tagállamokban különbözőek; mivel e különbségek következtében az ilyen követelmények gátolják a Közösségen belüli kereskedelmet; mivel a belső piac működését gátoló ezen akadályok megszűntethetők, ha minden tagállam ugyanazokat az előírásokat fogadja el a nemzeti rendelkezései helyett;
(3) mivel szükség van a motorkerékpárok és segédmotoros kerékpárok ezen alkatrészeire és jellemzőire vonatkozó harmonizált előírások megalkotására annak érdekében, hogy a motorkerékpárok és segédmotoros kerékpárok típusjóváhagyásáról szóló, 1992. június 30-i 92/61/EGK tanácsi irányelv ( 4 ) által érintett típusjóváhagyási és alkatrész-típusjóváhagyási eljárások megvalósuljanak a fent említett járművek minden típusára vonatkozóan;
(4) mivel a harmadik országok piacaira való bejutás megkönnyítése céljából szükségesnek mutatkozik az ezen irányelv melléklete 1. (gumiabroncsok), 2. (világító és fényjelző berendezések), 4. (visszapillantó tükrök) és 11. (biztonsági övek) fejezete előírásainak és az Egyesült Nemzetek Európai Gazdasági Bizottsága 30., 54., 64. és 75. előírása gumiabroncsokra vonatkozó, 3., 19., 20., 37., 38., 50., 56., 57., 72. és 82. előírása világító és fényjelző berendezésekre vonatkozó, a 81. előírása visszapillantó tükrökre vonatkozó és 16. előírása biztonsági övekre vonatkozó előírásainak az összehangolása;
(5) mivel a környezetvédelmi, nevezetesen a légköri- és zajszennyezési szempontokra tekintettel szükséges a környezet állandó javítására törekedni; mivel e célból meg kell állapítani a szennyező anyagokra és a zajszintre vonatkozó határértékeket, hogy azok a lehető leghamarabb alkalmazhatók legyenek; mivel a határértékek csökkentéséről és a vizsgálati eljárások módosításáról a későbbiek során csak a rendelkezésre álló vagy elképzelhető műszaki lehetőségeket és azok költség/haszon arányának elemzését elvégzendő vagy folytatandó tanulmányok és kutatások alapján lehet dönteni annak érdekében, hogy lehetővé váljon az e szigorúbb határértékeket tiszteletben tartó járművek ipari gyártása; mivel az e későbbi csökkentésre vonatkozó határozatot az Európai Parlamentnek és a Tanácsnak legalább három évvel a határértékek hatálybalépése előtt kell meghoznia annak érdekében, hogy az ipar megtehesse a szükséges intézkedéseket, amelyek által termékei a tervezett időpontig megfelelhetnek az új közösségi rendelkezéseknek; mivel az Európai Parlament és a Tanács határozata a Bizottság által kellő időben benyújtott ajánlásokon fog alapulni;
(6) mivel a 92/61/EGK irányelv rendelkezései értelmében az ezen irányelv által említett alkatrészeket és jellemzőket nem lehet piacra vinni és a tagállamokban érétkesíteni, ha nem felelnek meg ezen irányelv rendelkezéseinek; mivel a tagállamoknak minden szükséges intézkedést meg kell tenniük az ezen irányelvből eredő kötelezettségek végrehajtásának biztosítására;
(7) mivel a tagállamok számára lehetővé kell tenni, hogy adókedvezmények nyújtásával előmozdítsák olyan járművek értékesítését, amelyek már előre teljesítik a környezetszennyezéssel és zajkibocsátással szemben közösségi szinten elfogadott követelményeket;
(8) mivel a járművek és önálló szerelési egységek elektromágneses sugárzásokkal szembeni védettségének az elektromágneses összeférhetőségre vonatkozó rendelkezések (8. fejezet) teljesülésének ellenőrzése céljából alkalmazandó mérési módszerei bonyolult és költséges berendezéseket igényelnek; mivel annak érdekében, hogy a tagállamoknak módjuk legyen ilyen berendezésekről gondoskodni, az ilyen mérési módszerek alkalmazását az ezen irányelv hatálybalépésétől számított három évre el kell halasztani;
(9) mivel, figyelembe véve a javasolt cselekvés mértékét és hatását a szóban forgó ágazatban, az ezen irányelv által említett közösségi intézkedések szükségesek, sőt nélkülözhetetlenek a kitűzött célok, nevezetesen a közösségi járműtípus-jóváhagyás érdekében; mivel a tagállamok egyedileg nem érhetik el ezt a célt;
(10) mivel a műszaki haladás szükségessé teszi az ezen irányelv mellékletében megállapított műszaki előírások gyors kiigazítását; mivel a szennyező anyagok és a zajszint határértékei kivételével ezt a feladatot az eljárás egyszerűsítése és gyorsítása érdekében a Bizottságra kell ruházni; mivel minden olyan esetben, amikor az Európai Parlament és a Tanács a Bizottságra ruházza a motorkerékpárok és segédmotoros kerékpárok ágazatában létrehozott szabályok végrehajtásásához szükséges hatásköröket, helyénvaló a Bizottság és a tagállamok között egy bizottság keretében lefolytatandó előzetes konzultációs eljárást előírni;
(11) mivel a biztonsági vagy környezeti követelmények megszorításokat tesznek szükségessé a motorkerékpárok és segédmotoros kerékpárok bizonyos fajtáin végzett beavatkozásokat illetően; mivel azért, hogy ne gátolják a tulajdonos által végzett szervizelést és karbantartást, az ilyen megszorításokat szigorúan csak olyan beavatkozásokra kell korlátozni, amelyek jelentős mértékben megváltoztatják a jármű teljesítményét, szennyezőanyag- és zajkibocsátását;
(12) mivel amennyiben egy jármű megfelel az ezen irányelvben előírt követelményeknek, egyetlen tagállam sem tagadhatja meg annak nyilvántartásba vételét vagy tilthatja meg használatát; mivel ezen irányelv előírásai nem kötelezhetik a területükön motorkerékpárok és segédmotoros kerékpárok számára pótkocsi vontatását nem engedélyező tagállamokat a szabályozásuk megváltoztatására,
ELFOGADTA EZT AZ IRÁNYELVET:
1. cikk
Ez az irányelv és melléklete az alábbiakra vonatkozik:
- gumiabroncsok,
- világító és fényjelző berendezések,
- külső kinyúló részek,
- visszapillantó tükrök,
- légszennyezés elleni intézkedések,
- tüzelőanyag-tartályok,
- illetéktelen beavatkozások elleni intézkedések,
- elektromágneses összeférhetőség,
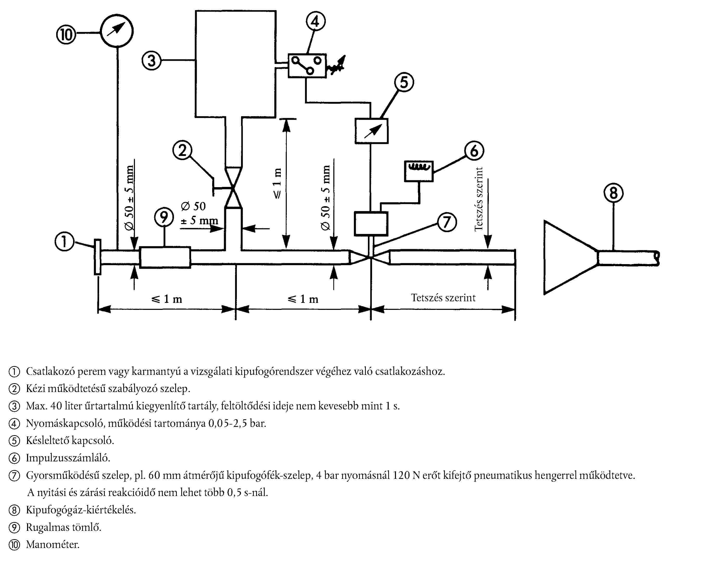
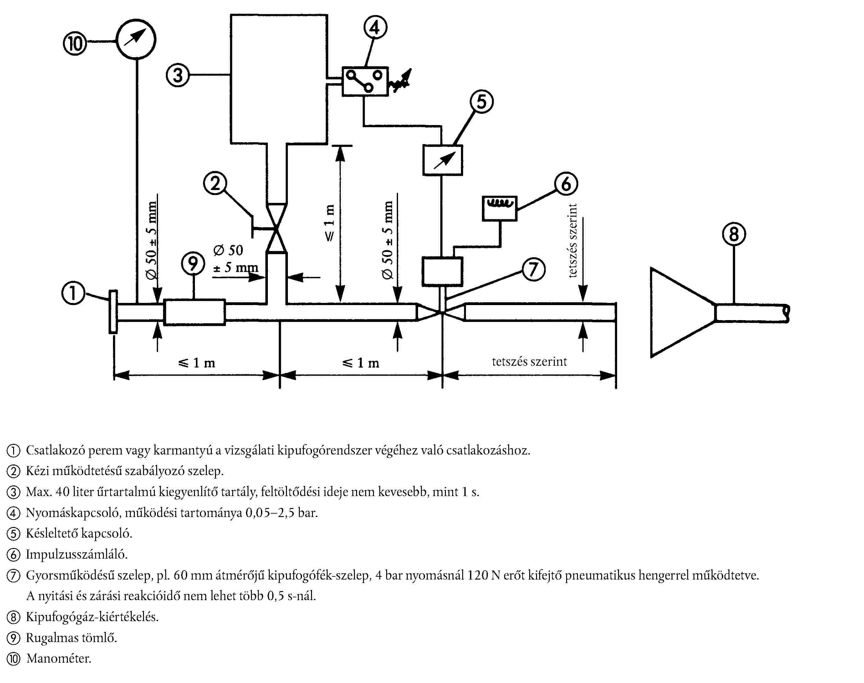
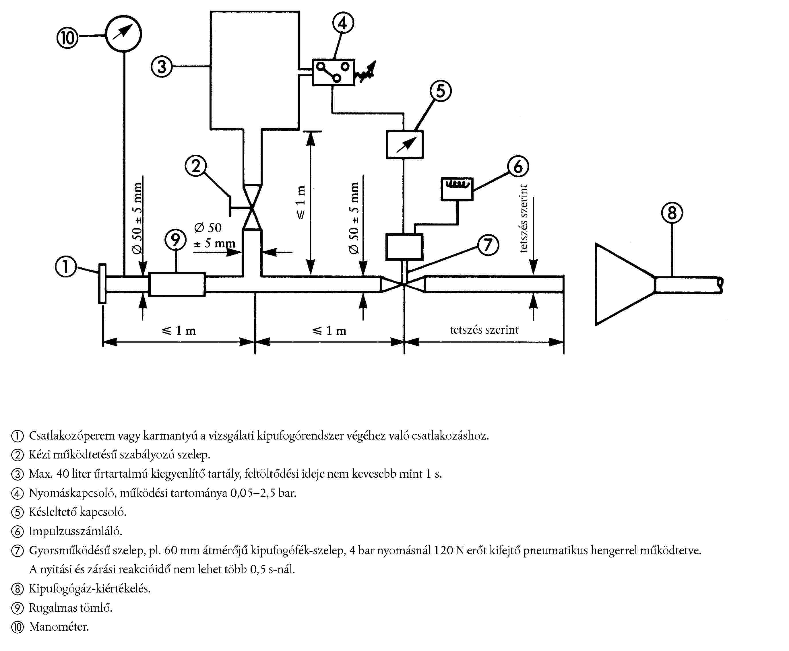
- megengedhető zajszint és kipufogó-rendszerek,
- csatlakozó berendezések és rögzítők,
- biztonságiöv-rögzítések és biztonsági övek,
- üvegezés, ablaktörlők és -mosók, valamint jég- és páramentesítő berendezések,
a 92/61/EGK irányelv 1. cikkében meghatározott valamennyi típusú járműhöz.
2. cikk
A 8. cikk (1) bekezdésének harmadik albekezdésében említett határidőtől számított három éven belül a Bizottság részletes tanulmányt fog készíteni annak megállapítására, hogy az ezen irányelv mellékletének 7. fejezetében említett járművek, különösen pedig az A. és B. kategóriákba tartozókon végzett beavatkozások elleni intézkedések megfelelőknek, alkalmatlanoknak vagy túl szélsőségeseknek tekinthetők-e a kitűzött célok tükrében. A tanulmány következtetései alapján a Bizottság, szükség esetén, új jogi intézkedéseket fog javasolni.
3. cikk
(1) A gumiabroncsokra, a világító és fényjelző berendezésekre, a visszapillantó tükrökre, a tüzelőanyag-tartályokra, a kipufogó-rendszerekre, a biztonsági övekre és üvegezésre mint egy motorkerékpár vagy segédmotoros kerékpár alkatrészére vonatkozó alkatrész-típusjóváhagyás, valamint a gumiabroncs-típusra, a világító- és fényjelzőberendezés-típusra, a visszapillantótükör-típusra, a tüzelőanyagtartály-típusra, a kipufogórendszer-típusra, a biztonságiöv-típusra és az üvegezési típusra mint alkatrészre vonatkozó alkatrész-típusjóváhagyás megadásának eljárásaira, továbbá az ilyen járművek szabad mozgásának és az alkatrészek szabad kereskedelmének feltételeire nézve a 92/61/EGK irányelv II., illetve III. fejezetében foglaltak érvényesek.
(2) A kinyúló részekre, a légszennyezés elleni intézkedésekre, a beavatkozások elleni intézkedésekre, az elektromágneses összeférhetőségre, a megengedett zajszintre, a pótkocsicsatoló berendezésekre és oldalkocsi-felerősítésekre, a biztonságiöv-rögzítésekre, az ablaktörlő- és mosóberendezésekre, valamint a jég- és páramentesítő berendezésekre mint egy motorkerékpár vagy segédmotoros kerékpár alkatrészére vonatkozó alkatrész-típusjóváhagyás megadásának eljárására, továbbá az ilyen járművek szabad mozgásának feltételeire nézve a 92/61/EGK irányelv II., illetve III. fejezetében foglaltak érvényesek.
4. cikk
(1) A 2002/24/EGK irányelv 11. cikke rendelkezéseinek megfelelően el kell ismerni az ezen irányelv melléklete 1. (gumiabroncsok), 2. (világító és fényjelző berendezések), 4. (visszapillantó tükrök) fejezete, 9. fejezetének III. melléklete (motorkerékpárok megengedhető zajszintjére és kipufogórendszerére vonatkozó követelmények) és 11. fejezete (biztonsági övek) követelményeinek egyenértékűségét az Egyesült Nemzetek Európai Gazdasági Bizottsága (ENSZ-EGB) 30. ( 5 ), 54. ( 6 ), 64. ( 7 ) és 75. ( 8 ) előírása gumiabroncsokra vonatkozó, 3. ( 9 ), 19. ( 10 ), 20. ( 11 ), 37. ( 12 ), 38. ( 13 ), 50. ( 14 ), 53. ( 15 ), 56. ( 16 ), 57. ( 17 ), 72. ( 18 ), 74. ( 19 ) és 82. ( 20 ) előírása világító és fényjelző berendezésekre vonatkozó, 81. ( 21 ) előírása visszapillantó tükrökre vonatkozó, 16. ( 22 ) előírása biztonsági övekre vonatkozó és 41. ( 23 ) előírása motorkerékpárok zajkibocsátására vonatkozó követelményeivel.
(2) A tagállamok alkatrész-típusjóváhagyást adó hatóságai az (1) bekezdésben említett rendelkezések követelményeinek megfelelően kiadott alkatrész-típusjóváhagyásokat és alkatrész-típusjóváhagyási jeleket fogadják el az ezen irányelv előírásainak megfelelően kiadott megfelelő alkatrész-típusjóváhagyások és alkatrész-típusjóváhagyási jelek helyett.
5. cikk
(1) Ennek az irányelvnek az elfogadásától számított 24 hónapon belül a Bizottság egy, a szigorított határértékek alkalmazásából eredő költségek és előnyök vizsgálata és kiértékelése alapján kidolgozott javaslatot terjeszt be az Európai Parlamentnek és a Tanácsnak, és meghatározza a következő lépést, amelynek során intézkedéseket fognak elfogadni az érintett járművekre vonatkozó környezetszennyezési és zajszint-határértékek további szigorításának szándékával, amint azt az 5. fejezet II. mellékletének I. és II. táblázata, illetve a 9. fejezet I. melléklete meghatározza. Javaslatában a Bizottság figyelembe veszi és felbecsüli a környezetszennyezés és zajkibocsátás csökkentésére irányuló különböző intézkedések költséghatékonyságát, és a kitűzött célokhoz képest arányos és ésszerű intézkedéseket javasol.
(2) A Bizottság (1) bekezdésben említett javaslata alapján meghozandó európai parlamenti és tanácsi határozatnak, amelyet 2001. január 1-jéig kell elfogadni, a szigorított határértékeken túl figyelembe kell vennie más tényezők számításba vételének szükségességét is. Az említett határozatban előírt intézkedések megvalósításából származó költségeket és előnyöket az érdekelt felekkel, például az iparral, a felhasználókkal és a fogyasztókat vagy a nyilvánosságot képviselő csoportokkal együtt kell megvizsgálni és felbecsülni, és e tanulmánynak, valamint értékelésnek a kitűzött célok fényében arányosnak és ésszerűnek kell lennie.
6. cikk
(1) A tagállamok csak olyan gépjárművek esetében adhatnak adókedvezményeket, amelyek megfelelnek az ezen irányelv 5. fejezete I. mellékletének 2.2.1.1.3. pontjában és I. mellékletének I. és II. táblázatában, illetve 9. fejezete I. mellékletében meghatározott, légszennyezés és zajszennyezés elleni intézkedéseknek.
(2) Az (1) bekezdésben említett kedvezményeknek összhangban kell állniuk a Szerződés rendelkezéseivel és meg kell felelniük az alábbi feltételeknek:
- érvényesek egy tagállamban forgalomba hozott minden olyan új járműre, amely már előre teljesíti ezen irányelv (1) bekezdésben említett előírásait,
- megszűnnek az (1) bekezdésben említett intézkedések kötelező bevezetésével,
- az egyes gépjármű-típusok esetében kisebb összeget képviselnek, mint a megállapított határértékek elérése céljából alkalmazott műszaki megoldásoknak és azok gépjárműbe való beépítésének a külön költségei.
(3) A Bizottságot kellő időben tájékoztatni kell az (1) bekezdésben említett adókedvezmény bevezetését vagy módosítását szándékozó tervekről, hogy megtehesse észrevételeit.
7. cikk
A szükséges módosításokat:
- a 4. cikkben említett, Egyesült Nemzetek EGB-előírásai bármely módosításának figyelembevétele érdekében,
- a mellékletnek a műszaki haladáshoz való igazítása érdekében - kivéve az 5. fejezet I. mellékletének 2.2.1.1.3. pontjában és a II. melléklet I. és II. táblázatában, illetve 9. fejezet I. mellékletében meghatározott lég- és zajszennyezési határértékeket,
a gépjárművek és pótkocsijaik típusjóváhagyására vonatkozó tagállami jogszabályok közelítéséről szóló, 1970. február 6-i 70/156/EGK tanácsi irányelv ( 24 ) 13. cikkében meghatározott eljárás szerint kell végrehajtani.
8. cikk
(1) A tagállamok hatályba léptetik azokat a törvényi, rendeleti és közigazgatási rendelkezéseket, amelyek szükségesek ahhoz, hogy ennek az irányelvnek 1998. december 18. előtt megfeleljenek. Erről haladéktalanul tájékoztatják a Bizottságot.
Az első albekezdésben említett időponttól kezdve a tagállamok már nem tilthatják meg olyan járművek üzembe helyezését, amelyek megfelelnek ezen irányelv vagy egyes fejezetei rendelkezéseinek.
A tagállamok ezeket a rendelkezéseket 1999. június 17-től alkalmazzák.
Mindazonáltal az 5., 8. és 9. fejezet egyes rendelkezéseinek végrehajtását az említett fejezetekben foglaltaknak megfelelően elhalaszthatják.
(2) Amikor a tagállamok elfogadják ezeket az intézkedéseket, azokban hivatkozni kell erre az irányelvre, vagy azokhoz hivatalos kihirdetésük alkalmával ilyen hivatkozást kell fűzni. A hivatkozás módját a tagállamok határozzák meg.
9. cikk
(1) Az oldalkocsis vagy oldalkocsi nélküli kétkerekű gépjárművek visszapillantó tükreire, ezeknek a járművekre történő felszerelésére vonatkozó tagállami jogszabályok közelítéséről szóló, 1980. július 22-i 80/780/EGK tanácsi irányelv ( 25 ) ezen irányelv hatályba lépésekor hatályon kívül kerül.
(2) Mindazonáltal azok az alkatrészek, amelyeket az (1) bekezdésben említett irányelv I. mellékletében meghatározott módon jóváhagytak, továbbra is használhatók.
(3) A motorkerékpárok megengedett zajszintjére és kipufogó-rendszereire vonatkozó tagállami jogszabályok közelítéséről szóló, 1978. november 23-i 78/1015/EGK tanácsi irányelv ( 26 ) a 8. cikk első albekezdésében említett időpontban hatályon kívül kerül.
(4) A 8. cikk (1) bekezdésének első albekezdésében említett időpontig meg lehet adni a 78/1015/EGK irányelv szerinti jóváhagyásokat a 92/61/EGK irányelvben említett járművek típusjóváhagyásakor. A 78/1015/EGK irányelv I. mellékletének 2.1.1. pontjában meghatározott zajszint-határértékeket kell alkalmazni.
Ezért az ilyen járművek első üzembe helyezésekor a 92/61/EGK irányelv 15. cikke (4) bekezdésének c) pontját kell alkalmazni.
(5) Ennek az irányelvnek a hatálybalépésekor az elektromágneses összeférhetőségre vonatkozó tagállami jogszabályok közelítéséről szóló, 1989. május 3-i 89/336/EGK tanácsi irányelv ( 27 ) rendelkezései nem alkalmazhatók már az irányelv hatálya alá tartozó járművekre.
10. cikk
Ez az irányelv az Európai Közösségek Hivatalos Lapjában való kihirdetésének napján lép hatályba.
11. cikk
Ennek az irányelvnek a tagállamok a címzettjei.
1. FEJEZET
MOTORKERÉKPÁROK ÉS SEGÉDMOTOROS KERÉKPÁROK GUMIABRONCSAI ÉS AZOK FELSZERELÉSE
A MELLÉKLETEK JEGYZÉKE
I. MELLÉKLET | Gumiabroncsok alkatrész-típusjóváhagyásának igazgatási rendelkezései |
1. függelék | Motorkerékpárokra vagy segédmotoros kerékpárokra szánt gumiabroncs-típus adatközlő lapja |
2. függelék | Motorkerékpárokra vagy segédmotoros kerékpárokra szánt gumiabroncs-típusra vonatkozó alkatrész-típusjóváhagyási bizonyítvány |
II. MELLÉKLET | Meghatározások, jelölések és előírások |
1. függelék | Magyarázó ábra |
2. függelék | A gumiabroncs-jelölések elhelyezése |
3. függelék | A teherbírási indexek jegyzéke és a megfelelő megengedhető maximális tömeg |
4. függelék | Bizonyos típusú gumiabroncsok jelölése és méretei |
5. függelék | A gumiabroncs-méretek mérésének módszere |
6. függelék | A terhelési/sebességi teljesítőképesség vizsgálatának módszere |
7. függelék | A teherbírás változása a sebesség függvényében |
8. függelék | A gumiabroncsok dinamikus tágulásának meghatározási módszere |
III. MELLÉKLET | A járművekre a gumiabroncsok felszerelése tekintetében vonatkozó előírások |
1. függelék | Egy motorkerékpárra vagy segédmotoros kerékpárra szánt gumiabroncs-típus felszerelésére vonatkozó adatközlő lap |
2. függelék | Gumiabroncsoknak motorkerékpárra vagy segédmotoros kerékpárra történő felszerelésére vonatkozó jármű-típusbizonyítvány |
I. MELLÉKLET
GUMIABRONCSOK ALKATRÉSZ-TÍPUSJÓVÁHAGYÁSÁNAK IGAZGATÁSI RENDELKEZÉSEI
1. ALKATRÉSZ-TÍPUSJÓVÁHAGYÁSI KÉRELEM
1.1. Egy gumiabroncs-típus alkatrész-típusjóváhagyási kérelmének pontos részleteket kell közölnie arról a gumiabroncs-típusról, amelyet alkatrész-típusjóváhagyási jellel kívánnak ellátni.
1.2. A kérelemnek pontos részleteket kell közölnie minden gumiabroncs-típusra vonatkozóan az alábbiakról is:
1.2.1. a gumiabroncs méretmegjelölése a II. melléklet 1.16. pontjában megadottak szerint,
1.2.2. márka- vagy kereskedelmi név,
1.2.3. alkalmazási kategória: szokásos, különleges, hó vagy moped,
1.2.4. a gumiabroncs szerkezete (diagonális vagy ferde rétegzésű, öves diagonál, radiál),
1.2.5. sebességkategória-jel,
1.2.6. teherbírási index,
1.2.7. a gumiabroncsot tömlővel történő vagy tömlő nélküli használatra szánják,
1.2.8. a gumiabroncs "normál" vagy "erősített",
1.2.9. motorkerékpár-gumiabroncs névleges betétszáma ("ply-rating")
1.2.10. külső méretek: teljes gumiabroncs-szélesség és teljes átmérő,
1.2.11. a gumiabroncs felszerelésére szolgáló kerékpántok,
1.2.12. a mérőpánt és a próbapánt,
1.2.13. a próbanyomás és a mérésnél alkalmazott nyomás,
1.2.14. a II. melléklet 1.19. pontjában említett X együttható,
1.2.15. A méretmegjelölésben "V" kódjellel azonosított, 240 km/h-nál nagyobb sebességre alkalmas gumiabroncsokra és a méretmegjelölésben "Z" kódjellel azonosított, 270 km/h-nál nagyobb sebességre alkalmas gumiabroncsokra a gyártó által megengedett maximális sebesség és az e maximális sebességnél megengedett teherbírás. A megengedett maximális sebességet és az ehhez tartozó teherbírást fel kell tüntetni a típusbizonyítványban (e melléklet 2. függeléke).
1.3. A típusjóváhagyási kérelemhez három példányban vázlatokat vagy fényképeket kell mellékelni, amelyeken látható a jóváhagyásra benyújtott gumiabroncs-típus futófelület-mintázata és a mérőpántra szerelt felfújt gumiabroncs burkolóvonala, a megfelelő méretekkel együtt (lásd a II. melléklet 3.1.1. és 3.1.2. pontját). Ugyancsak mellékelni kell egy jóváhagyott vizsgálólaboratórium által kiállított vizsgálati jegyzőkönyvet vagy a gumiabroncs-típus két mintapéldányát, az illetékes hatóság választása szerint.
1.4. A gumiabroncs gyártója kérheti, hogy az EK-alkatrész-típusjóváhagyást más típusú módosított gumiabroncsokra is terjesszék ki.
1.5. Ez az irányelv nem vonatkozik "NHS" (not for highway service, nem országúti használatra) jelű, kizárólag terepjárásra vagy versenyzésre tervezett új gumiabroncsokra.
2. JELÖLÉSEK
Az alkatrész-típusjóváhagyásra benyújtott gumiabroncs-mintapéldányokon jól olvasható és eltávolíthatatlan módon fel kell tüntetni a kérelmező márka- vagy kereskedelmi jelét és elegendő helynek kell lennie az alkatrész-típusjóváhagyási jel számára.
3. A ALKATRÉSZ-TÍPUSJÓVÁHAGYÁSI JEL
Minden, az ezen irányelvnek megfelelően alkatrész-típusjóváhagyáson túljutott típussal megegyező gumiabroncson fel kell tüntetni a motorkerékpárok és segédmotoros kerékpárok típusjóváhagyásáról szóló, 1992. június 30-i 92/61/EGK irányelv V. mellékletében leírt alkatrész-típusjóváhagyási jelet.
A négyszög méreteit meghatározó "a" érték és a jelet alkotó számok és betűk nem lehetnek 2 mm-nél kisebbek.
4. EGY GUMIABRONCS-TÍPUS MÓDOSÍTÁSA
4.1. Egy gumiabroncs futófelület-mintázatának módosítása nem teszi szükségessé a II. mellékletben előírt vizsgálatok megismétlését.
1. függelék

2. függelék
Motorkerékpárra vagy segédmotoros kerékpárra szánt gumiabroncs-típus alkatrész-típusjóváhagyási bizonyítványa

II. MELLÉKLET
FOGALOMMEGHATÁROZÁSOK, JELÖLÉSEK ÉS KÖVETELMÉNYEK
1. FOGALOMMEGHATÁROZÁSOK
Ennek a fejezetnek az alkalmazásában:
1.1. "gumiabroncs-típus": olyan gumiabroncsok, amelyek nem térnek el alapvetően egymástól az alábbiak tekintetében:
1.1.1. a gumiabroncs márka- vagy kereskedelmi neve,
1.1.2. a gumiabroncs méretmegjelölése,
1.1.3. az alkalmazási kategória (normál: rendes úton való használatra szánt gumiabroncsok; speciál: sajátos célra szolgáló gumiabroncsok, mint amilyenek az úton és terepen egyaránt használható abroncsok; hóabroncsok vagy mopedek),
1.1.4. szerkezet (diagonál vagy ferderétegű [keresztrétegű], öves diagonál, radiál),
1.1.5. sebességkategória jele,
1.1.6. teherbírási index,
1.1.7. a keresztmetszeti profilméret egy megadott pántra szerelve;
1.2. "gumiabroncs-szerkezet": egy gumiabroncs szövetvázának (karkasz) a műszaki jellemzői. Lényegében az alábbi gumiabroncs-szerkezetek különböztethetők meg:
1.2.1. "diagonál vagy ferderéteges (keresztréteges)": olyan gumiabroncs-szerkezet, amelyben a rétegek textilbetétei az abroncsperemekig érnek és a futófelület középvonalához képest 90°-nál észrevehetően kisebb váltakozó szögek alatt vannak elhelyezve,
1.2.2. "öves diagonál": olyan "keresztréteges" gumiabroncs-szerkezet, amelyben a szövetvázat két- vagy többrétegű, a szövetváz szögétől nem sokkal különböző váltakozó szögek alatt elhelyezett, alapvetően nem nyúló vegyi szálakból álló öv támasztja meg,
1.2.3. "radiál": olyan gumiabroncs-szerkezet, amelyben a rétegek textilbetétei az abroncsperemekig érnek és lényegében 90°-os szöget zárnak be a futófelület középvonalával, miközben a szövetvázat egy alapvetően nem nyúló körkörös öv stabilizálja,
1.2.4. "megerősített": olyan gumiabroncs-szerkezet, amelynél a szövetváz ellenállóbb, mint a neki megfelelő alapkivitelű gumiabroncs;
1.3. "abroncsperem": a gumiabroncsnak az a része, amelynek alakja és szerkezete lehetővé teszi, hogy az abroncs illeszkedjék a kerékpántra és az abroncsot e kerékpánton megtartsa ( 28 );
1.4. "vegyi szál" (kordfonal): a felfújható gumiabroncs kordszövetét alkotó fonal (28) ;
1.5. "réteg": gumival borított párhuzamos szálak egy rétege (28) ;
1.6. "szövetváz": a gumiabroncsnak az a futófelülettől és oldalfaltól különböző része, amely felfújt állapotban a terhet viseli (28) ;
1.7. "futófelület": a gumiabroncsnak az a része, amely a talajjal érintkezik (28) ;
1.8. "oldalfal": a gumiabroncsnak az a része, amely a futófelület, valamint a kerékpántok által takart rész között helyezkedik el (28) ;
1.9. "futófelület-horony": a kerékmintázat két szomszédos bordája vagy blokkja közötti távolság (28) ;
1.10. "főhornyok": a futófelület középső zónája közelében lévő széles hornyok;
1.11. "profilszélesség (S)": egy felfújt gumiabroncs oldalfalainak külső szélei közötti lineáris távolság, nem számítva a jelölések, díszítmények vagy védőszalagok vagy -bordák miatti kiemelkedéseket (28) ;
1.12. "teljes szélesség": egy felfújt gumiabroncs oldalfalainak külső szélei közötti lineáris távolság, beleszámítva a jelölések, díszítmények vagy védőszalagok vagy -bordák miatti kiemelkedéseket (28) ; olyan gumiabroncsoknál, amelyeknél a futófelület szélesebb, mint a profilszélesség, a teljes szélesség a futófelület szélességével azonos;
1.13. "profilmagasság (H)": a gumiabroncs külső átmérője és a kerékpánt névleges átmérője különbségének a fele (28) ;
1.14. "névleges oldalviszony (Ra)": az ugyanazon mértékegységben kifejezett névleges profilmagasság és névleges profilszélesség (S1) hányadosának százszorosa;
1.15. "külső átmérő (D)": egy felfújt új gumiabroncs teljes átmérője ( 29 );
1.16. "gumiabroncs méretmegjelölése": az alábbiakat tartalmazó felirat:
1.16.1. az (S1) névleges profilszélesség (mm-ben kifejezve, kivéve bizonyos gumiabroncs-típusokat, amelyek méretmegjelölése az e melléklet 4. függeléke táblázatainak első oszlopában van megadva),
1.16.2. az (Ra) névleges oldalviszony, kivéve bizonyos gumiabroncs-típusokat, melyek méretmegjelölése az e melléklet 4. függeléke táblázatainak első oszlopában van megadva,
1.16.3. a (d) megállapodás szerinti szám, amely a névleges kerékpánt-átmérőt jelzi, és ennek az átmérőnek vagy kód formájában (egy 100-nál kisebb szám) vagy milliméterben (egy 100-nál nagyobb szám) kifejezve felel meg.
1.16.3.1. a kódszám formájában kifejezett (d) jelnek megfelelő milliméter-értékek a következők:
A kerékpánt névleges átmérőjét jelölő, egy vagy két számjeggyel kifejezett „d” kódszám | Egyenérték mm-ben |
4 | 102 |
5 | 127 |
6 | 152 |
7 | 178 |
8 | 203 |
9 | 229 |
10 | 254 |
11 | 279 |
12 | 305 |
13 | 330 |
14 | 356 |
15 | 381 |
16 | 406 |
17 | 432 |
18 | 457 |
19 | 483 |
20 | 508 |
21 | 533 |
22 | 559 |
23 | 584 |
1.17. "névleges kerékpánt-átmérő (d)": az a kerékpánt-átmérő, amelyre a gumiabroncsot kell szerelni ( 30 );
1.18. "kerékpánt": egy tömlő és gumiabroncs vagy egy tömlőnélküli gumiabroncs számára szolgáló támaszték, amelyen a gumiabroncs abroncsperemei helyezkednek el (30) ;
1.19. "elméleti kerékpánt": egy képzeletbeli kerékpánt, amelynek szélessége egy gumiabroncs névleges profilszélességének X-szerese lenne. Az X értékét a gyártónak kell megadnia;
1.20. "mérőpánt": az a kerékpánt, amelyre méreteinek megmérése érdekében egy gumiabroncsot fel kell szerelni;
1.21. "próbapánt": az a kerékpánt, amelyre vizsgálat céljából egy gumiabroncsot fel kell szerelni;
1.22. "kiszakadás": gumidarabkák leszakadása a futófelületről;
1.23. "szálelválás": a vegyi szálaknak az azokat burkoló gumitól való elválásuk;
1.24. "rétegelválás": a szomszédos rétegektől való elválás;
1.25. "futófelület-elválás": a futófelületnek a szövetváztól való elválása;
1.26. "teherbírási index": egy szám, amely azzal a maximális megengedhető terheléssel kapcsolatos, amelyet a gumiabroncs a gyártó által meghatározott üzemi körülmények között a sebességi jelének megfelelő sebességgel hordani tud. A II. melléklet 3. függelékében megtalálható az indexek és a hozzájuk tartozó terhelések jegyzéke;
1.27. "teherbírás-változást a sebesség függvényében feltüntető táblázat": a II. melléklet 7. függelékében található táblázat, amelyből a teherbírási index és a névleges sebességnél érvényes teherbírás figyelembevételével megállapíthatók egy olyan gumiabroncs teherbírás-változásai, amelyet más sebességen használnak, mint amely a névleges sebességkategóriája által jelzett értéknek felel meg;
1.28. "sebességkategória":
1.28.1. az 1.28.2. pont alatt feltüntetett sebességkategória-jel által kifejezett sebesség,
1.28.2. a sebességkategóriák az alábbi táblázatban láthatók:
Sebességkategória-jel | Megfelelő sebesség (km/h) |
B | 50 |
F | 80 |
G | 90 |
J | 100 |
K | 110 |
L | 120 |
M | 130 |
N | 140 |
P | 150 |
Q | 160 |
R | 170 |
S | 180 |
T | 190 |
U | 200 |
H | 210 |
V | 240 |
W | 270 |
1.28.3. A 240 km/h-nál nagyobb sebességre alkalmas gumiabroncsok a gumiabroncs-méretjelölésben, a gumiabroncs szerkezetének jele előtt elhelyezett "V" vagy "Z" betűkkel vannak megjelölve.
1.29. "hógumiabroncs": olyan gumiabroncs-mintázat és -szerkezet, amelyet elsősorban arra terveztek, hogy a normál gumiabroncsokénál jobb viselkedést biztosítson sárban, friss hóban vagy latyakban. A hógumiabroncsok futófelület-mintázata általában szélesebb hornyokból és/vagy blokkokból áll, mint a normál gumiabroncsé;
1.30. "MST" (multiservice tyre, többcélú gumiabroncs): több célra alkalmas gumiabroncs, vagyis olyan gumiabroncs, amely úton is, terepen is használható;
1.31. "maximális névleges terhelés": az a maximális tömeg, amelyet a gumiabroncs névlegesen elbír;
1.31.1. 130 km/h vagy annál kisebb sebességnél a maximális névleges terhelés nem haladhatja meg a gumiabroncs vonatkozó teherbírási indexéhez tartozó értéknek a "Teherbírás-változás a sebesség függvényében" táblázatban feltüntetett százalékarányát (lásd az 1.27. szakaszt), figyelembe véve a gumiabroncs sebességkategória-jelét és annak a járműnek a maximális sebességét, amelyre a gumiabroncs fel van szerelve.
1.31.2. 130 km/h feletti, de 210 km/h-nál nem nagyobb sebesség esetén a maximális névleges terhelés nem haladhatja meg a gumiabroncs teherbírási indexéhez tartozó tömeg értékét.
1.31.3. 210 km/h feletti, de 270 km/h-nál nem nagyobb sebességre tervezett gumiabroncsok esetén a maximális névleges terhelés nem haladhatja meg a gumiabroncs teherbírási indexéhez tartozó tömeg alábbi táblázatban megadott százalékarányát, figyelembe véve a gumiabroncs sebességkategória-jelét és annak a járműnek a maximális tervezett sebességét, amelyre a gumiabroncs fel van szerelve.
Maximális sebesség (km/h) (1) | Maximális névleges terhelés (%) | |
Sebességkategória „V” jel | Sebességkategória „W” jel (3) | |
210 | 100 | 100 |
220 | 95 | 100 |
230 | 90 | 100 |
240 | 85 | 100 |
250 | (80) (2) | 95 |
260 | (75) (2) | 85 |
270 | (70) (2) | 75 |
(1) Közbenső sebességértékekre megengedhető a maximális névleges terhelés lineáris interpolálása. (2) Csak olyan gumiabroncsokra vonatkozik, amelyek a méretmegjelölésben a „V” betűkóddal vannak azonosítva, és csak a gumiabroncs gyártója által megadott maximális sebességig. (Lásd az I. melléklet 1.2.15. pontját.) (3) A méretmegjelölésben a „Z” betűkóddal azonosított gumiabroncsokra is vonatkozik. |
1.31.4. 270 km/h-nál nagyobb sebességek esetén a maximális névleges terhelés nem lehet nagyobb annál a tömegnél, mint amelyet a gumiabroncs gyártója a gumiabroncs sebességi adottságait figyelembe véve megadott.
A 270 km/h és a gumiabroncs gyártója által megengedett maximális sebesség között a maximális névleges terhelés lineárisan interpolálható.
1.32. "moped gumiabroncs": olyan gumiabroncs, amelyet mopedeken való használatra terveztek;
1.33. "motorkerékpár-gumiabroncs": olyan gumiabroncs, amelyet elsősorban motorkerékpárokon való használatra terveztek;
1.34. "gördülő kerület (Cr)": az az elméleti távolság, amelyet egy mozgó jármű kerekének középpontja (tengelye) tesz meg, a gumiabroncs egy teljes fordulata alatt, és amely a következő képletből számítható:
Cr = f × D, ahol:
D a gumiabroncs külső átmérője a melléklet 3.1.2. pontja szerinti gumiabroncs-méretjelölésnek megfelelően
f
=
3,02 olyan gumiabroncsokra, amelyeknek pántátmérő-kódja 13 vagy annál nagyobb
3,03 radiál abroncsokra, amelyeknek pántátmérő-kódja nem nagyobb, mint 12
2,99 diagonál vagy ferderéteges (keresztréteges) gumiabroncsokra vagy öves diagonál gumiabroncsokra, amelyeknek pántátmérő-kódja nem nagyobb, mint 12.
2. JELÖLÉSEK
2.1. A gumiabroncsok legalább egyik oldalfalán az alábbi jelöléseket kell elhelyezni:
2.1.1. márka- vagy kereskedelmi név;
2.1.2. a gumiabroncs méretjelölése az 1.16. pontban meghatározott módon;
2.1.3. a gumiabroncs szerkezetének feltüntetése az alábbiak szerint:
2.1.3.1. diagonál vagy ferderéteges (keresztréteges) gumiabroncsok esetében nincs jelölés, vagy egy "D" betű áll a pántátmérő-kód előtt;
2.1.3.2. öves diagonál gumiabroncsok esetében egy "B" betű áll a pántátmérő-kód előtt és felírható a "BIAS-BELTED" felirat,
2.1.3.3. radiál-gumiabroncsok esetében egy "R" betű áll a pántátmérő-kód előtt és felírható a "RADIAL" szó;
2.1.4. a gumiabroncs sebességkategóriája az 1.28.2. pontban említett jellel kifejezve;
2.1.5. a teherbírási index az 1.26. pontban meghatározott módon;
2.1.6. a "TUBELESS" szó, ha a gumiabroncsot belső tömlő nélkül kívánják használni;
2.1.7. a "REINFORCED" vagy "REINF" jel, megerősített gumiabroncs esetén;
2.1.8. a gyártás időpontja három számjeggyel, amelyek közül az első kettő a hetet, a harmadik az évet jelzi. Ezt az információt csak az egyik oldalfalon kell feltüntetni;
2.1.9. az "M + S" vagy "M.S" vagy "M & S" jel hógumiabroncs esetén;
2.1.10. az "MST" jel többcélú gumiabroncsok esetén;
2.1.11. a "MOPED", "CICLOMOTORE" vagy "CYCLOMOTEUR" kifejezést ha egy gumiabroncsot mopedekre terveztek;
2.1.12. A 240 km/h-nál nagyobb sebességre alkalmas gumiabroncsokat a megfelelő "V" vagy "Z" kóddal kell megjelölni (lásd az 1.31.3. pontot) a gumiabroncs méretmegjelölésében, a szerkezet jelölése előtt (lásd a 2.1.3. pontot).
2.1.13. A 240 km/h-nál (vagy 270 km/h-nál) nagyobb sebességre alkalmas gumiabroncsokon fel kell tüntetni zárójelben a 210 km/h (vagy 240 km/h) sebességnél alkalmazható teherbírási index jelét (lásd a 2.1.5. pontot), és egy referenciasebességkategória-jelet (lásd a 2.1.4. pontot) az alábbiak szerint:
- "V" olyan gumiabroncsok esetében, amelyek méretmegjelölésében szerepel a "V" jel,
- "W" olyan gumiabroncsok esetében, amelyek méretmegjelölésében szerepel a "Z" jel.
2.2. A 2. függelékben példa található a gumiabroncs-jelölésekre.
2.3. A 2.1. pontban említett jeleket és az I. melléklet 3. pontjában előírt alkatrész-típusjóváhagyási jelet a gumiabroncsokba vagy a gumiabroncsokra kell önteni. A jeleknek világosan olvashatóknak kell lenniük.
3. A GUMIABRONCSOKRA VONATKOZÓ ELŐÍRÁSOK
3.1. A gumiabroncs méretei
3.1.1. A profilszélesség
3.1.1.1. A profilszélességet az alábbi képlettel kell kiszámítani:
S = S1 + K (A - A1),
ahol:
S = a profilszélesség mm-ben kifejezve, mérőperemen mérve
S1 = a névleges profilszélesség (mm-ben), amint az a gumiabroncs oldalán a gumiabroncs-méretmegjelölésben szerepel
A = a mérőpántnak a gyártó által a műszaki leírásban megadott szélessége mm-ben kifejezve
A1 = az elméleti pántszélesség mm-ben kifejezve.
Az A1 érték az S1-et a gumiabroncs gyártója által megadott X értékkel megszorozva adódik, a K értéke 0,4.
3.1.1.2. Mindazonáltal ahol a gumiabroncs méretmegjelölése megjelenik a II. melléklet 4. függeléke táblázatainak első oszlopában, az (S1) profilszélesség és az (A1) elméleti pántszélesség az lesz, amely ezekben a táblázatokban a gumiabroncs méretmegjelölésének rovatában szerepel.
3.1.2. A gumiabroncs külső átmérője
3.1.2.1. A gumiabroncs külső átmérője az alábbi képletből adódik:
D = d + 2H,
ahol:
D = a külső átmérő mm-ben kifejezve
d = a névleges pántátmérő mm-ben kifejezve
H = a névleges gumiabroncs-magasság
H = S1 × 0,01 Ra, ahol:
S1 = a névleges profilszélesség
Ra = a névleges oldalviszony
ahogyan az a 2.1.3. pont előírásainak megfelelően a gumiabroncs oldalfalán lévő leírásban szerepel.
3.1.2.2. Mindazonáltal az olyan gumiabroncs-típusok külső átmérője, amelyeknek gumiabroncs-méretmegjelölése megjelenik a II. melléklet 4. függeléke táblázatainak első oszlopában az lesz, amely ezekben a táblázatokban a gumiabroncs leírásának rovatában szerepel.
3.1.3. A gumiabroncs mérésének módszere
A gumiabroncs méreteit az e melléklet 5. függelékében meghatározott módon kell megmérni.
3.1.4. A gumiabroncs-profilszélességre vonatkozó előírások
3.1.4.1. Egy gumiabroncs teljes szélessége kisebb lehet, mint a 3.1.1. pontnak megfelelően meghatározott S profilszélesség.
3.1.4.2. Ezt az értéket legfeljebb az e melléklet 4. függelékében szereplő értékkel haladhatja meg, vagy ha a gumiabroncs-méretmegjelölés nem szerepel az említett függelékben, az alábbi százalékarányokban:
3.1.4.2.1. moped-gumiabroncsra, normál felhasználású úti gumiabroncsra és motorkerékpár-hóabroncsra:
+ 10 % a 13 és annál nagyobb pántátmérő-kód esetén
+ 8 % a 12-nél nem nagyobb pántátmérő-kód esetén;
3.1.4.2.2. korlátozott mértékű úti használatra alkalmas MST jelű többcélú gumiabroncsra + 25 %.
3.1.5. A gumiabroncs külső átmérőjére vonatkozó előírások
3.1.5.1. A gumiabroncs külső átmérője nem lépheti túl az e melléklet 4. függelékében megadott minimális és maximális átmérő-értékeket.
3.1.5.2. Ha a gumiabroncs méretmegjelölése nem szerepel e melléklet 4. függelékében, a gumiabroncs külső átmérője nem lépheti túl az alábbi képletekből nyerhető minimális és maximális átmérő-értékeket:
Dmin = d + (2H × a)
Dmax = d + (2H × b),
ahol:
"H" és "d" az, ahogy a 3.1.2.1. pontban lettek meghatározva, és "a" és "b" pedig a 3.1.5.2.1., illetve a 3.1.5.2.2. pontban meghatározott érték:
3.1.5.2.1.
moped-gumiabroncsra, normál úti gumiabroncsra és hóabroncsokra | a |
pántátmérő 13 és nagyobb | 0,97 |
pántátmérő nem nagyobb, mint 12 | 0,93 |
többcélú gumiabroncsra | 1,00 |
3.1.5.2.2.
moped-gumiabroncsra és motorkerékpár normál úti gumiabroncsára | b |
pántátmérő 13 és nagyobb | 1,07 |
pántátmérő nem nagyobb, mint 12 | 1,10 |
hóabroncsokra és többcélú gumiabroncsokra | 1,12 |
3.2. Terhelési/sebességi teljesítőképesség-vizsgálat
3.2.1. Egy gumiabroncs terhelési/sebességi teljesítőképesség-vizsgálatát a II. melléklet 6. függelékében leírt gyakorlati módszerrel kell elvégezni.
3.2.1.1. Ha a méretmegjelölésben "V" betűkóddal azonosított, 240 km/h-nál nagyobb sebességre alkalmas, vagy a méretmegjelölésben "Z" betűkóddal azonosított, 270 km/h-nál nagyobb sebességre alkalmas (lásd az I. melléklet 1.2.15. pontját) gumiabroncsok jóváhagyására nyújtanak be kérelmet, a fenti terhelés/sebesség vizsgálatot egy gumiabroncson kell elvégezni, az abroncson zárójelben megadott terhelési és sebességi viszonyok mellett (lásd a 2.1.13. pontot). Egy ugyanilyen típusú második gumiabroncson is el kell végezni egy terhelés/sebesség vizsgálatot, a gyártó által maximálisként megadott terhelési és sebességi viszonyok mellett, ha ilyenek léteznek.
3.2.2. Egy, a terhelési/sebességi vizsgálatot sikeresen kiállott gumiabroncs futófelületén nem lehet réteg- vagy szálelválás vagy bármilyen gumi-kiszakadás vagy szálszakadás.
3.2.3. A gumiabroncs külső átmérője, legalább hat órával a terhelési/sebességi vizsgálat után mérve, nem különbözhet ± 3,5 %-nál többel a vizsgálat előtt mért külső átmérőtől.
3.2.4. A terhelési/sebességi vizsgálat végén mért teljes gumiabroncs-szélesség nem haladhatja meg a 3.1.4.2. pontban megadott értéket.
3.3. A gumiabroncsok dinamikus tágulása
A II. melléklet 8. függelékének 1.1. pontjában említett, a 3.2.1. pontban előírt terhelési/sebességi teljesítőképesség-vizsgálaton átment gumiabroncsokat dinamikus tágulási vizsgálatnak kell alávetni, az említett függelékben leírt gyakorlati módszer szerint.
3.4. Amikor egy gumiabroncs-gyártó egy gumiabroncs-sorozatot készít, a terhelési/sebességi teljesítőképesség-vizsgálatot és a dinamikus tágulási vizsgálatot nem kell a sorozat minden gumiabroncs-típusán elvégezni. A legkedvezőtlenebb eset kiválasztásának joga a alkatrész-típusjóváhagyásért felelős hatóságot illeti.
3.5. Egy gumiabroncs futófelület-mintázatának megváltoztatása nem teszi szükségessé a melléklet 3.2. és 3.3. pontjában leírt vizsgálatok megismétlését.
3.6. A 240 km/h-nál nagyobb sebességre alkalmas, a méretmegjelölésben "V" betűkóddal azonosított gumiabroncsok (vagy 270 km/h-nál nagyobb sebességre alkalmas, a méretmegjelölésben "Z" betűkóddal azonosított gumiabroncsok) esetében a jóváhagyás kiterjesztése eltérő maximális sebességekre és/vagy terhelésekre való bizonylatolás szempontjából akkor megengedett, ha a vizsgálatok elvégzéséért felelős műszaki szolgálat benyújtja az új maximális sebességre és terhelésre vonatkozó új vizsgálati jegyzőkönyvet. Az ilyen új terhelési/sebességi tulajdonságokat az I. melléklet 2. függelékében meg kell adni.
1. függelék

Magyarázó ábra
(lásd e melléklet 1. pontját)
2. függelék
A gumiabroncs-jelölések elhelyezése
Példa azokra a jelölésekre, amelyeknek egy típusjóváhagyott gumiabroncs-típuson meg kell jelenniük

b | 100/80 B 18 | 53 S | TUBELESS M + S | 013 |
Ezek a jelölések az alábbi gumiabroncsot határozzák meg:
- névleges profilszélessége 100,
- névleges oldalviszonya 80,
- öves diagonál szerkezetű (B),
- kerékpánt-átmérője 457 mm, amelynek kódja 18,
- teherbírása 206 kg, az 53 terhelési indexnek megfelelően (lásd a jegyzéket a 3. függelékben),
- az S sebességi osztályba van sorolva (maximális sebesség 180 km/h),
- belső tömlő nélkül szerelhető (tubeless),
- hóabroncs típusú (M + S),
- az 1993. év (3) 1. hetében (01) gyártották.
A gumiabroncs-megjelölést alkotó jelek helyének és rendjének a következőnek kell lennie:
a) a gumiabroncs-méretmegjelölést, amely tartalmazza a névleges profilszélességet, a névleges oldalviszonyt, a szerkezet jelét (ahol szükséges) és a névleges kerékpánt-átmérőt, a fenti példán látható módon kell kombinálni, azaz: 100/80/ B 18;
b) a teherbírási indexet és a sebességkategória jelét a gumiabroncs méretmegjelölése közelében kell elhelyezni. Előbbiek az utóbbiak előtt, után, fölött vagy alatt is állhatnak;
c) a "TUBELESS" és "REINFORCED" vagy "REINF" és "M + S" vagy "M.S." vagy "M & S" és "MST" és/vagy "MOPED", "CICLOMOTORE" vagy "CYCLOMOTEUR" feliratok a méretmegjelöléstől messzebb is elhelyezhetők;
d) a 240 km/h-nál nagyobb sebességre alkalmas gumiabroncsok esetében a megfelelő "V" vagy "Z" betűkódot a szerkezet jele előtt kell elhelyezni (pl. 140/60ZR 18). A referencia teherbírási indexet és sebességkategória-jelet, adott esetben, zárójelek között kell megadni (lásd a II. melléklet 2.1.13. pontját).
3. függelék
A teherbírási indexek és a hozzájuk tartozó megengedhető maximális tömegek jegyzéke
A = teherbírási index
B = megfelelő maximális tömeg (kg)
A | B |
0 | 45 |
1 | 46,2 |
2 | 47,5 |
3 | 48,7 |
4 | 50 |
5 | 51,5 |
6 | 53 |
7 | 54,5 |
8 | 56 |
9 | 58 |
10 | 60 |
11 | 61,5 |
12 | 63 |
13 | 65 |
14 | 67 |
15 | 69 |
16 | 71 |
17 | 73 |
18 | 75 |
19 | 77,5 |
20 | 80 |
21 | 82,5 |
22 | 85 |
23 | 87,5 |
24 | 90 |
25 | 92,5 |
26 | 95 |
27 | 97,5 |
28 | 100 |
29 | 103 |
30 | 106 |
31 | 109 |
32 | 112 |
33 | 115 |
34 | 118 |
35 | 121 |
36 | 125 |
37 | 128 |
38 | 132 |
39 | 136 |
40 | 140 |
41 | 145 |
42 | 150 |
43 | 155 |
44 | 160 |
45 | 165 |
46 | 170 |
47 | 175 |
48 | 180 |
49 | 185 |
50 | 190 |
51 | 195 |
52 | 200 |
53 | 206 |
54 | 212 |
55 | 218 |
56 | 224 |
57 | 230 |
58 | 236 |
59 | 243 |
60 | 250 |
61 | 257 |
62 | 265 |
63 | 272 |
64 | 280 |
65 | 290 |
66 | 300 |
67 | 307 |
68 | 315 |
69 | 325 |
70 | 335 |
71 | 345 |
72 | 355 |
73 | 365 |
74 | 375 |
75 | 387 |
76 | 400 |
77 | 412 |
78 | 425 |
79 | 437 |
80 | 450 |
81 | 462 |
82 | 475 |
83 | 487 |
84 | 500 |
85 | 515 |
86 | 530 |
87 | 545 |
88 | 560 |
89 | 580 |
90 | 600 |
91 | 615 |
92 | 630 |
93 | 650 |
94 | 670 |
95 | 690 |
96 | 710 |
97 | 730 |
98 | 750 |
99 | 775 |
100 | 800 |
101 | 825 |
102 | 850 |
103 | 875 |
104 | 900 |
105 | 925 |
106 | 950 |
107 | 975 |
108 | 1 000 |
109 | 1 030 |
110 | 1 060 |
111 | 1 090 |
112 | 1 120 |
113 | 1 150 |
114 | 1 180 |
115 | 1 215 |
116 | 1 250 |
117 | 1 285 |
118 | 1 320 |
119 | 1 360 |
120 | 1 400 |
4. függelék
Egyes gumiabroncs-típusok jelölése és méretei
(lásd a II. melléklet 3.1.1.2., 3.1.2.2., 3.1.4.2. és 3.1.5.1. pontját)
1 A. TÁBLÁZAT
Moped-gumiabroncsok
Leírás és kerékpánt-átmérő max. 12 kódszámig
Gumiabroncsméretjelölés | Elméleti kerékpántszélesség (kód) (A1) | Teljes átmérő (mm) | Névleges (S1) (mm) profilszélesség | Maximális teljes szélesség (mm) | ||
Dmin | D | Dmax | ||||
2-12 | 1.35 | 413 | 417 | 426 | 55 | 59 |
21/4-12 | 1.50 | 425 | 431 | 441 | 62 | 67 |
21/2- 8 | 1.75 | 339 | 345 | 356 | 70 | 76 |
21/2- 9 | 1.75 | 365 | 371 | 382 | 70 | 76 |
23/4- 9 | 1.75 | 375 | 381 | 393 | 73 | 79 |
3-10 | 2.10 | 412 | 418 | 431 | 84 | 91 |
3-12 | 2.10 | 463 | 469 | 482 | 84 | 91 |
1 B. TÁBLÁZAT
Motorkerékpár-gumiabroncsok
Leírás és kerékpánt-átmérő max. 12 kódszámig
Gumiabroncsméretjelölés | Elméleti kerékpántszélesség (kód) (A1) | Teljes átmérő (mm) | Névleges (S1) (mm) profilszélesség | Maximális teljesszélesség (mm) | ||
Dmin | D | Dmax | ||||
2.50- 8 | 1.50 | 328 | 338 | 352 | 65 | 70 |
2.50- 9 | 354 | 364 | 378 | |||
2.50-10 | 379 | 389 | 403 | |||
2.50-12 | 430 | 440 | 451 | |||
2.75- 8 | 1.75 | 338 | 348 | 363 | 71 | 77 |
2.75- 9 | 364 | 374 | 383 | |||
2.75-10 | 389 | 399 | 408 | |||
2.75-12 | 440 | 450 | 462 | |||
3.00- 4 | 2.10 | 241 | 251 | 264 | 80 | 86 |
3.00- 5 | 266 | 276 | 291 | |||
3.00- 6 | 291 | 301 | 314 | |||
3.00- 7 | 317 | 327 | 342 | |||
3.00- 8 | 352 | 362 | 378 | |||
3.00- 9 | 378 | 388 | 401 | |||
3.00-10 | 403 | 413 | 422 | |||
3.00-12 | 454 | 464 | 473 | |||
3.25- 8 | 2.50 | 362 | 372 | 386 | 88 | 95 |
3.25- 9 | 388 | 398 | 412 | |||
3.25-10 | 414 | 424 | 441 | |||
3.25-12 | 465 | 475 | 492 | |||
3.50- 4 | 2.50 | 264 | 274 | 291 | 92 | 99 |
3.50- 5 | 289 | 299 | 316 | |||
3.50- 6 | 314 | 324 | 341 | |||
3.50- 7 | 340 | 350 | 367 | |||
3.50- 8 | 376 | 386 | 397 | |||
3.50- 9 | 402 | 412 | 430 | |||
3.50-10 | 427 | 437 | 448 | |||
3.50-12 | 478 | 488 | 506 | |||
4.00- 5 | 2.50 | 314 | 326 | 346 | 105 | 113 |
4.00- 6 | 339 | 351 | 368 | |||
4.00- 7 | 365 | 377 | 394 | |||
4.00- 8 | 401 | 415 | 427 | |||
4.00-10 | 452 | 466 | 478 | |||
4.00-12 | 505 | 517 | 538 | |||
4.50- 6 | 3.00 | 364 | 376 | 398 | 120 | 130 |
4.50- 7 | 390 | 402 | 424 | |||
4.50- 8 | 430 | 442 | 464 | |||
4.50- 9 | 456 | 468 | 490 | |||
4.50-10 | 481 | 493 | 515 | |||
4.50-12 | 532 | 544 | 568 | |||
5.00- 8 | 3.50 | 453 | 465 | 481 | 134 | 145 |
5.00-10 | 504 | 516 | 532 | |||
5.00-12 | 555 | 567 | 583 | |||
6.00- 6 | 4.00 | 424 | 436 | 464 | 154 | 166 |
6.00- 7 | 450 | 462 | 490 | |||
6.00- 8 | 494 | 506 | 534 | |||
6.00- 9 | 520 | 532 | 562 |
2. TÁBLÁZAT
Motorkerékpár- és moped-gumiabroncsok
Normál profil
Gumiabroncsméretjelölés | Elméleti kerékpántszélesség (kód) (A1) | Teljes átmérő (mm) | Névleges (S1) (mm) profilszélesség | Maximális teljes szélesség (mm) | ||||
Dmin | D | Dmax (1) | Dmax (2) | (1) | (2) | |||
13/4-19 | 1.20 | 582 | 589 | 597 | 605 | 50 | 54 | 58 |
2-14 | 1.35 | 461 | 468 | 477 | 484 | 55 | 58 | 63 |
2-15 | 486 | 493 | 501 | 509 | ||||
2-16 | 511 | 518 | 526 | 534 | ||||
2-17 | 537 | 544 | 552 | 560 | ||||
2-18 | 562 | 569 | 577 | 585 | ||||
2-19 | 588 | 595 | 603 | 611 | ||||
2-20 | 613 | 620 | 628 | 636 | ||||
2-21 | 638 | 645 | 653 | 661 | ||||
2-22 | 663 | 670 | 680 | 686 | ||||
21/4-14 | 1.50 | 474 | 482 | 492 | 500 | 62 | 66 | 71 |
21/4-15 | 499 | 507 | 517 | 525 | ||||
21/4-16 | 524 | 532 | 540 | 550 | ||||
21/4-17 | 550 | 558 | 566 | 576 | ||||
21/4-18 | 575 | 583 | 591 | 601 | ||||
21/4-19 | 601 | 609 | 617 | 627 | ||||
21/4-20 | 626 | 634 | 642 | 652 | ||||
21/4-21 | 651 | 659 | 667 | 677 | ||||
21/4-22 | 677 | 685 | 695 | 703 | ||||
21/2-14 | 1.60 | 489 | 498 | 508 | 520 | 68 | 72 | 78 |
21/2-15 | 514 | 523 | 533 | 545 | ||||
21/2-16 | 539 | 548 | 558 | 570 | ||||
21/2-17 | 565 | 574 | 584 | 596 | ||||
21/2-18 | 590 | 599 | 609 | 621 | ||||
21/2-19 | 616 | 625 | 635 | 647 | ||||
21/2-20 | 641 | 650 | 660 | 672 | ||||
21/2-21 | 666 | 675 | 685 | 697 | ||||
21/2-22 | 692 | 701 | 711 | 723 | ||||
23/4-14 | 1.85 | 499 | 508 | 518 | 530 | 75 | 80 | 86 |
23/4-15 | 524 | 533 | 545 | 555 | ||||
23/4-16 | 549 | 558 | 568 | 580 | ||||
23/4-17 | 575 | 584 | 594 | 606 | ||||
23/4-18 | 600 | 609 | 621 | 631 | ||||
23/4-19 | 626 | 635 | 645 | 657 | ||||
23/4-20 | 651 | 660 | 670 | 682 | ||||
23/4-21 | 676 | 685 | 695 | 707 | ||||
23/4-22 | 702 | 711 | 721 | 733 | ||||
3-16 | 1.85 | 560 | 570 | 582 | 594 | 81 | 86 | 93 |
3-17 | 586 | 596 | 608 | 620 | ||||
3-18 | 611 | 621 | 633 | 645 | ||||
3-19 | 637 | 647 | 659 | 671 | ||||
31/4-16 | 2.15 | 575 | 586 | 598 | 614 | 89 | 94 | 102 |
31/4-17 | 601 | 612 | 624 | 640 | ||||
31/4-18 | 626 | 637 | 651 | 665 | ||||
31/4-19 | 652 | 663 | 675 | 691 | ||||
(1) Normál használatra szolgáló gumiabroncsok. (2) Többcélú és hógumiabroncsok. |
3. TÁBLÁZAT
Motorkerékpár-gumiabroncsok
Normál profil
Gumiabroncsméretjelölés | Elméleti kerékpántszélesség (kód) (A1) | Teljes átmérő (mm) | Névleges (S1) (mm) profilszélesség | Maximális teljes szélesség (mm) | |||||
Dmin | D | Dmax (1) | Dmax (2) | (3) | (4) | (5) | |||
2.00-14 | 1.20 | 460 | 466 | 478 | 52 | 57 | 60 | 65 | |
2.00-15 | 485 | 491 | 503 | ||||||
2.00-16 | 510 | 516 | 528 | ||||||
2.00-17 | 536 | 542 | 554 | ||||||
2.00-18 | 561 | 567 | 579 | ||||||
2.00-19 | 587 | 593 | 605 | ||||||
2.25-14 | 1.60 | 474 | 480 | 492 | 496 | 61 | 67 | 70 | 75 |
2.25-15 | 499 | 505 | 517 | 521 | |||||
2.25-16 | 524 | 530 | 542 | 546 | |||||
2.25-17 | 550 | 556 | 568 | 572 | |||||
2.25-18 | 575 | 581 | 593 | 597 | |||||
2.25-19 | 601 | 607 | 619 | 623 | |||||
2.50-14 | 1.60 | 486 | 492 | 506 | 508 | 65 | 72 | 75 | 79 |
2.50-15 | 511 | 517 | 531 | 533 | |||||
2.50-16 | 536 | 542 | 556 | 558 | |||||
2.50-17 | 562 | 568 | 582 | 584 | |||||
2.50-18 | 587 | 593 | 607 | 609 | |||||
2.50-19 | 613 | 619 | 633 | 635 | |||||
2.50-21 | 663 | 669 | 683 | 685 | |||||
2.75-14 | 1.85 | 505 | 512 | 524 | 530 | 75 | 83 | 86 | 91 |
2.75-15 | 530 | 537 | 549 | 555 | |||||
2.75-16 | 555 | 562 | 574 | 580 | |||||
2.75-17 | 581 | 588 | 600 | 606 | |||||
2.75-18 | 606 | 613 | 625 | 631 | |||||
2.75-19 | 632 | 639 | 651 | 657 | |||||
2.75-21 | 682 | 689 | 701 | 707 | |||||
3.00-14 | 1.85 | 519 | 526 | 540 | 546 | 80 | 88 | 92 | 97 |
3.00-15 | 546 | 551 | 565 | 571 | |||||
3.00-16 | 569 | 576 | 590 | 596 | |||||
3.00-17 | 595 | 602 | 616 | 622 | |||||
3.00-18 | 618 | 627 | 641 | 647 | |||||
3.00-19 | 644 | 653 | 667 | 673 | |||||
3.00-21 | 694 | 703 | 717 | 723 | |||||
3.00-23 | 747 | 754 | 768 | 774 | |||||
3.25-14 | 2.15 | 531 | 538 | 552 | 560 | 89 | 98 | 102 | 108 |
3.25-15 | 556 | 563 | 577 | 585 | |||||
3.25-16 | 581 | 588 | 602 | 610 | |||||
3.25-17 | 607 | 614 | 628 | 636 | |||||
3.25-18 | 630 | 639 | 653 | 661 | |||||
3.25-19 | 656 | 665 | 679 | 687 | |||||
3.25-21 | 708 | 715 | 729 | 737 | |||||
3.50-14 | 2.15 | 539 | 548 | 564 | 572 | 93 | 102 | 107 | 113 |
3.50-15 | 564 | 573 | 589 | 597 | |||||
3.50-16 | 591 | 598 | 614 | 622 | |||||
3.50-17 | 617 | 624 | 640 | 648 | |||||
3.50-18 | 640 | 649 | 665 | 673 | |||||
3.50-19 | 666 | 675 | 691 | 699 | |||||
3.50-21 | 716 | 725 | 741 | 749 | |||||
3.75-16 | 2.15 | 601 | 610 | 626 | 634 | 99 | 109 | 114 | 121 |
3.75-17 | 627 | 636 | 652 | 660 | |||||
3.75-18 | 652 | 661 | 677 | 685 | |||||
3.75-19 | 678 | 687 | 703 | 711 | |||||
4.00-16 | 2.50 | 611 | 620 | 638 | 646 | 108 | 119 | 124 | 130 |
4.00-17 | 637 | 646 | 664 | 672 | |||||
4.00-18 | 662 | 671 | 689 | 697 | |||||
4.00-19 | 688 | 697 | 715 | 723 | |||||
4.25-16 | 2.50 | 623 | 632 | 650 | 660 | 112 | 123 | 129 | 137 |
4.25-17 | 649 | 658 | 676 | 686 | |||||
4.25-18 | 674 | 683 | 701 | 711 | |||||
4.25-19 | 700 | 709 | 727 | 737 | |||||
4.50-16 | 2.75 | 631 | 640 | 658 | 665 | 123 | 135 | 141 | 142 |
4.50-17 | 657 | 666 | 684 | 694 | |||||
4.50-18 | 684 | 691 | 709 | 719 | |||||
4.50-19 | 707 | 717 | 734 | 745 | |||||
5.00-16 | 3.00 | 657 | 666 | 686 | 698 | 129 | 142 | 148 | 157 |
5.00-17 | 683 | 692 | 710 | 724 | |||||
5.00-18 | 708 | 717 | 735 | 749 | |||||
5.00-19 | 734 | 743 | 761 | 775 | |||||
(1) Normál úti használatra szolgáló gumiabroncsok. (2) Speciális felhasználású és hógumiabroncsok. (3) Normál úti használatra szolgáló gumiabroncsok P és annál kisebb névleges sebességig. (4) Normál úti használatra szolgáló gumiabroncsok P névleges sebesség felett, és hógumiabroncsok. (5) Speciális felhasználású gumiabroncsok. |
4. TÁBLÁZAT
Motorkerékpár-gumiabroncsok
Alacsony profil
Gumiabroncsméretjelölés | Elméleti kerékpántszélesség (kód) (A1) | Teljes átmérő (mm) | Névleges (S1) (mm) profilszélesség | Maximális teljes szélesség (mm) | |||||
Dmin | D | Dmax (1) | Dmax (2) | (3) | (4) | (5) | |||
3.60-18 | 2.15 | 605 | 615 | 628 | 633 | 93 | 102 | 108 | 113 |
3.60-19 | 631 | 641 | 653 | 658 | |||||
4.10-18 | 2.50 | 629 | 641 | 654 | 663 | 108 | 119 | 124 | 130 |
4.10-19 | 655 | 667 | 679 | 688 | |||||
5.10-16 | 3.00 | 615 | 625 | 643 | 651 | 129 | 142 | 150 | 157 |
5.10-17 | 641 | 651 | 670 | 677 | |||||
5.10-18 | 666 | 676 | 694 | 702 | |||||
4.25/85-18 | 2.50 | 649 | 659 | 673 | 683 | 112 | 123 | 129 | 137 |
4.60-16 | 2.75 | 594 | 604 | 619 | 628 | 117 | 129 | 136 | 142 |
4.60-17 | 619 | 630 | 642 | 654 | |||||
4.60-18 | 644 | 654 | 670 | 678 | |||||
(1) Normál úti használatra szolgáló gumiabroncsok. (2) Speciális felhasználású és hógumiabroncsok. (3) Normál úti használatra szolgáló gumiabroncsok P és annál kisebb névleges sebességig. (4) Normál úti használatra szolgáló gumiabroncsok P névleges sebesség felett, és hógumiabroncsok. (5) Speciális felhasználású gumiabroncsok. |
5. TÁBLÁZAT
Gumiabroncsok motorkerékpár-származékok számára
Gumiabroncsméretjelölés | Elméleti kerékpántszélesség (kód) (A1) | Teljes átmérő (mm) | Névleges (S1) (mm) profilszélesség | Maximális teljes szélesség (mm) | ||
Dmin | D | Dmax | ||||
3.00- 8C | 2.10 | 359 | 369 | 379 | 80 | 86 |
3.00-10C | 410 | 420 | 430 | |||
3.00-12C | 459 | 471 | 479 | |||
3.50- 8C | 2.50 | 376 | 386 | 401 | 92 | 99 |
3.50-10C | 427 | 437 | 452 | |||
3.50-12C | 478 | 488 | 513 | |||
4.00- 8C | 3.00 | 405 | 415 | 427 | 108 | 117 |
4.00-10C | 456 | 466 | 478 | |||
4.00-12C | 507 | 517 | 529 | |||
4.50- 8C | 3.50 | 429 | 439 | 453 | 125 | 135 |
4.50-10C | 480 | 490 | 504 | |||
4.50-12C | 531 | 541 | 555 | |||
5.00- 8C | 3.50 | 455 | 465 | 481 | 134 | 145 |
5.00-10C | 506 | 516 | 532 | |||
5.00-12C | 555 | 567 | 581 |
6. TÁBLÁZAT
Kisnyomású motorkerékpár-gumiabroncsok
Gumiabroncsméretjelölés | Elméleti kerékpántszélesség (kód) (A1) | Teljes átmérő (mm) | Névleges (S1) (mm) profilszélesség | Maximális teljes szélesség (mm) | ||
Dmin | D | Dmax | ||||
5.4- 6 | 4.00 | 373 | 379 | 395 | 135 | 146 |
5.4-10 | 474 | 481 | 497 | |||
5.4-12 | 525 | 532 | 547 | |||
5.4-14 | 576 | 582 | 598 | |||
5.4-16 | 626 | 633 | 649 | |||
6.7-10 | 5.00 | 532 | 541 | 561 | 170 | 184 |
6.7-12 | 583 | 592 | 612 | |||
6.7-14 | 633 | 642 | 662 |
7. TÁBLÁZAT
Motorkerékpár-gumiabroncsok
Amerikai gumiabroncsok leírása és méretei
Gumiabroncsméretjelölés | Elméleti kerékpántszélesség (kód) (A1) | Teljes átmérő (mm) | Névleges (S1) (mm) profilszélesség | Maximális teljes szélesség (mm) | ||
Dmin | D | Dmax | ||||
MH90-21 | 1.85 | 682 | 686 | 700 | 80 | 89 |
MJ90-18 | 2.15 | 620 | 625 | 640 | 89 | 99 |
MJ90-19 | 2.15 | 645 | 650 | 665 | ||
ML90-18 | 2.15 | 629 | 634 | 650 | 93 | 103 |
ML90-19 | 2.15 | 654 | 659 | 675 | ||
MM90-19 | 2.15 | 663 | 669 | 685 | 95 | 106 |
MN90-18 | 2.15 | 656 | 662 | 681 | 104 | 116 |
MP90-18 | 2.15 | 667 | 673 | 692 | 108 | 120 |
MR90-18 | 2.15 | 680 | 687 | 708 | 114 | 127 |
MS90-17 | 2.50 | 660 | 667 | 688 | 121 | 134 |
MT90-16 | 3.00 | 642 | 650 | 672 | 130 | 144 |
MT90-17 | 3.00 | 668 | 675 | 697 | ||
MU90-15M/C | 3.50 | 634 | 642 | 665 | 142 | 158 |
MU90-16 | 3.50 | 659 | 667 | 690 | ||
MV90-15M/C | 3.50 | 643 | 651 | 675 | 150 | 172 |
MP85-18 | 2.15 | 654 | 660 | 679 | 108 | 120 |
MR85-16 | 2.15 | 617 | 623 | 643 | 114 | 127 |
MS85-18 | 2.50 | 675 | 682 | 702 | 121 | 134 |
MT85-18 | 3.00 | 681 | 688 | 709 | 130 | 144 |
MV85-15M/C | 3.50 | 627 | 635 | 658 | 150 | 172 |
5. függelék
A gumiabroncs-méretek mérési módszere
1. A gumiabroncsot mérőpántra kell szerelni és a gyártó által megadott nyomásra ( 31 ) kell felfújni.
2. A pántra szerelt gumiabroncsot legalább 24 órán át a laboratóriumi környezeti hőmérsékleten kell tartani.
3. Ismét be kell állítani a nyomást az 1. pontban megadott értékre.
4. A teljes szélességet tolómérővel kell mérni, hat egymástól egyenlő távolságra lévő ponton, figyelembe véve a kiálló bordákat és csíkokat; a legnagyobb mért értéket kell teljes szélességként megadni.
5. A külső átmérőt a következők szerint kell megállapítani: meg kell mérni a maximális kerület hosszát, és az így kapott számot el kell osztani π-vel (3,1416).
6. függelék
A terhelési/sebességi teljesítőképesség vizsgálatának módszere
1. A GUMIABRONCS ELŐKÉSZÍTÉSE
1.1. Egy új gumiabroncsot kell a gyártó által megadott próbapántra szerelni.
1.2. Az abroncsot az alábbi táblázat szerinti nyomásra kell felfújni:
GUMIABRONCS-NYOMÁS A VIZSGÁLATHOZ | ||||
Gumiabroncs-változat | Sebességkategória-jel | Nyomás | ||
bar | kPa | |||
MOPEDEK | ||||
szabványos | B | 2,25 | 225 | |
megerősített | B | 3,00 | 300 | |
MOTORKERÉKPÁROK szabványos | F, G, J, K | 2,50 | 250 | |
L, M, N, P | 2,50 | 250 | ||
Q, R, S | 3,00 | 300 | ||
T, U, H, V (1) | 3,50 | 350 | ||
megerősített | F, G, J, K, L, M, N, P | 3,30 | 330 | |
Q, R, S, T, U, H | 3,90 | 390 | ||
MOTORKERÉKPÁR-SZÁRMAZÉKOK | 4PR | F, G, J, K, L, M | 3,70 | 370 |
6PR | 4,50 | 450 | ||
8PR | 5,20 | 520 | ||
(1) 240 km/h-nál nagyobb sebességeknél a próbanyomás 3,20 bar (320 kPa). |
A többi gumiabroncs-típust a gyártó által megadott nyomásra kell felfújni.
1.3. A gumiabroncs gyártója, indoklással együtt, kérheti az 1.2. pontban felsorolt nyomástól eltérő felfújási nyomás alkalmazását is. Ilyen esetekben a gumiabroncsot erre a nyomásra kell felfújni (lásd az I. melléklet 1.12.13. pontját).
1.4. A kerék/gumiabroncs kombinációt legalább három órán keresztül a vizsgálati helyiség hőmérsékletén kell tartani.
1.5. A gumiabroncs nyomását ismét be kell állítani az 1.2. vagy 1.3. pontban meghatározott értékre.
2. A VIZSGÁLAT LEFOLYTATÁSA
2.1. A kerék/gumiabroncs kombinációt egy próbatengelyre kell szerelni és hozzá kell szorítani egy 1,7 m ± 1 % vagy 2,0 m ± 1 % átmérőjű sima lendkerék külső felületéhez.
2.2. A próbatengelyt az alábbiak 65 %-ával kell megterhelni:
2.2.1. a H-ig terjedő sebességi jelű gumiabroncsok esetében (a H-t is beleértve) a teherbírási indexnek megfelelő névleges terhelés,
2.2.2. a "V" sebességi jelű gumiabroncsok esetében a 240 km/h maximális sebességhez tartozó névleges terhelés (lásd e melléklet 1.31.3. pontját),
2.2.3. a "W" sebességi jelű gumiabroncsok esetében a 270 km/h maximális sebességhez tartozó névleges terhelés (lásd e melléklet 1.31.3. pontját),
2.2.4. a 240 km/h-nál (vagy 270 km/h-nál, adott esetben) nagyobb sebességre alkalmas gumiabroncsok esetében a gumiabroncs gyártója által megadott maximális sebességhez tartozó névleges terhelés (lásd a 3.2.1.1. pontot),
2.2.5. moped-gumiabroncsok esetében (B sebességkategória-jel) a próbaterhelésnek az 1,7 m átmérőjű próbadobnál 65 %-nak, a 2,0 m átmérőjű próbadobnál 67 %-nak kell lennie.
2.3. A vizsgálat folyamán a gumiabroncs nyomását nem kell utánállítani, és a próbaterhelésnek állandónak kell lennie.
2.4. A vizsgálat alatt a vizsgálati helyiség hőmérsékletének 20 °C és 30 °C között, vagy ha a gyártó elfogadja, ennél magasabbnak kell lennie.
2.5. A vizsgálatot megszakítás nélkül, az alábbi feltételek mellett kell elvégezni:
2.5.1. az átmeneti időtartam 0 sebességről a kezdeti próbasebességre: 20 perc,
2.5.2. a kezdeti próbasebesség: a gumiabroncs-típusra meghatározott maximális sebesség, 2,0 méteres dobbal végzett vizsgálat esetén 30 km/h-val, 1,7 méteres dobbal végzett vizsgálat esetén 40 km/h-val csökkentve,
2.5.2.1. a második vizsgálatnál tekintetbe veendő maximális sebesség 240 km/h és annál nagyobb sebességekre alkalmas, a méretmegjelölésben "V" betűkóddal azonosított gumiabroncsok (vagy 270 km/h sebességre alkalmas, a méretmegjelölésben "Z" betűkóddal azonosított gumiabroncsok) esetében a gumiabroncs-gyártó által megadott maximális sebesség (lásd az I. melléklet 1.2.15. pontját).
2.5.3. az egymásra következő sebességnövelési lépcsők: 10 km/h,
2.5.4. a vizsgálat időtartama minden sebességi tartományban: 10 perc,
2.5.5. a vizsgálat teljes időtartama: egy óra,
2.5.6. maximális próbasebesség: a gumiabroncs-típusra megadott maximális sebesség, ha a vizsgálatot 2 m átmérőjű dobbal végzik, és a gumiabroncs-típusra megadott maximális sebesség 10 km/h-val csökkentve, ha a vizsgálatot 1,7 m átmérőjű dobbal végzik,
2.5.7. moped-gumiabroncsok esetében (B sebességkategória-jel) a próbasebességnek 50 km/h-nak kell lennie, a 0-ról 50 km/h-ra való felgyorsulás ideje 10 perc, az állandó sebességet 30 percig kell tartani, és a vizsgálat teljes időtartama 40 perc.
2.6. Azonban, ha 240 km/h-nál nagyobb sebességre alkalmas gumiabroncsok csúcsteljesítményének megállapítására egy második vizsgálatot is végeznek, az eljárás a következő:
2.6.1. a 0-ról a kezdeti próbasebességre való felgyorsulás ideje húsz perc,
2.6.2. húsz perc járás a kezdeti próbasebességen,
2.6.3. a maximális próbasebességre való felgyorsulás ideje tíz perc,
2.6.4. öt perc járás a maximális próbasebességen.
3. EGYENÉRTÉKŰ VIZSGÁLATI MÓDSZEREK
A 2. pontban leírttól eltérő vizsgálati módszer alkalmazása esetén, annak egyenértékűségét bizonyítani kell.
7. függelék
A teherbírás változása a sebesség függvényében
Sebesség (km/h) | A teherbírás változása (%) | |||||||||
Moped | pántátmérő-kód ≤ 12 | pántátmérő-kód ≥ 13 | ||||||||
sebességjel | sebességjel | |||||||||
B | J | K | L | J | K | L | M | N | P és nagyobb | |
30 | + 30 | + 30 | + 30 | + 30 | + 30 | + 30 | + 30 | + 30 | + 30 | + 30 |
50 | 0 | + 30 | + 30 | + 30 | + 30 | + 30 | + 30 | + 30 | + 30 | + 30 |
60 | + 23 | + 23 | + 23 | + 23 | + 23 | + 23 | + 23 | + 23 | + 23 | |
70 | + 16 | + 16 | + 16 | + 16 | + 16 | + 16 | + 16 | + 16 | + 16 | |
80 | + 10 | + 10 | + 10 | + 10 | + 10 | + 10 | + 10 | + 10 | + 14 | |
90 | + 5 | + 5 | +7,5 | + 5 | + 5 | +7,5 | +7,5 | +7,5 | + 12 | |
100 | 0 | 0 | + 5 | 0 | 0 | + 5 | + 5 | + 5 | + 10 | |
110 | - 7 | 0 | +2,5 | 0 | +2,5 | +2,5 | +2,5 | + 8 | ||
120 | - 15 | - 6 | 0 | 0 | 0 | 0 | + 6 | |||
130 | - 25 | - 12 | - 5 | 0 | 0 | + 4 | ||||
140 | 0 | 0 |
8. függelék
A gumiabroncsok dinamikus tágulásának meghatározása
1. HATÁLY ÉS ALKALMAZÁSI TERÜLET
1.1. Ezt a vizsgálati módszert az e függelék 3.4.1. pontjában említett motorkerékpár-gumiabroncs-típusokra kell alkalmazni.
1.2. E módszer célja a gumiabroncs maximális megengedett sebességnél ható centrifugális erő hatására történő maximális tágulásának a meghatározása.
2. A VIZSGÁLATI ELJÁRÁS LEÍRÁSA
2.1. A próbatengelyt és a pántot ellenőrizni kell annak megállapítására, hogy radiális excentricitásuk kisebb, mint ± 0,5 mm, és az oldalirányú ütés a kerék abroncsperem-fészkének külső kerületén mérve kisebb, mint ± 0,5 mm.
2.2. Kontúrmeghatározó (lásd 3.9.) készülék
Bármilyen készülék (vetítőrács, fényképezőgép, spotlámpa vagy egyebek), amely lehetővé teszi a gumiabroncs külső profiljának világos körvonalazását vagy egy burkológörbe létrehozását, a gumiabroncs közép-osztósíkjára merőlegesen, a maximális futófelület-deformáció helyén.
E készüléknek minimálisra kell csökkentenie bármilyen torzulást és biztosítania kell egy állandó (ismert) (K) arányt a felrajzolt körvonal és a gumiabroncs tényleges méretei között.
Ez a készülék lehetővé teszi a gumiabroncs körvonalának a keréktengelyhez képest történő megállapítását.
3. A VIZSGÁLAT VÉGREHAJTÁSA
3.1. A vizsgálat alatt a vizsgálati helyiség hőmérsékletének 20 °C és 30 °C között, vagy ha a gyártó elfogadja, ennél magasabbnak kell lennie.
3.2. A vizsgálandó gumiabroncsnak minden hiba nélkül kell a 6. függeléknek megfelelően átmennie a terhelési/sebességi teljesítőképesség-vizsgálaton.
3.3. A vizsgálandó gumiabroncsot olyan kerékre kell felszerelni, amelynek kerékpereme megfelel a vonatkozó szabványnak.
3.4. Az abroncs nyomását (felfújási próbanyomás) a 3.4.1. pontban megadott értékre kell beállítani.
3.4.1. Diagonál vagy ferderétegű (keresztrétegű) és öves diagonál gumiabroncsok.
Sebességkategória-jel | Gumiabroncs-változat | Próbanyomás | |
bar | kPa | ||
P/Q/R/S | szabványos | 2,50 | 250 |
T és efölött | szabványos | 2,90 | 290 |
3.5. A kerék/gumiabroncs kombinációt legalább három órán keresztül a vizsgálati helyiség hőmérsékletén kell tartani.
3.6. E tárolási időt követően az abroncsnyomást be kell állítani a 3.4.1. pontban meghatározott értékre.
3.7. A kerék/gumiabroncs kombinációt fel kell szerelni a próbatengelyre és ellenőrizni kell, hogy szabadon forog-e. A gumiabroncsot egy, a tengelyt meghajtó motorral vagy egy próbadobhoz való hozzászorítással lehet megforgatni.
3.8. A teljes egységet megszakítás nélkül, öt percen belül fel kell gyorsítani a gumiabroncs maximális megengedett sebességére.
3.9. A kontúr-körvonalazó készüléket fel kell szerelni, ügyelve arra, hogy merőlegesen álljon a vizsgált gumiabroncs forgási irányára.
3.10. Ellenőrizni kell, hogy a futófelület kerületi sebessége ± 2 %-on belül azonos-e a gumiabroncs megengedett maximális sebességével. A berendezést legalább öt percen keresztül állandó sebességgel kell járatni, és ez után fel kell rajzolni a gumiabroncs profilalakját a legnagyobb deformáció környezetében, vagy ellenőrizni kell, hogy a gumiabroncs nem lép-e ki a burkológörbéből.
4. AZ EREDMÉNYEK KIÉRTÉKELÉSE
4.1. A gumiabroncs/kerék szerelvény burkológörbéjét az alábbi ábra mutatja be:

E melléklet 3.1.4. és 3.1.5. pontjának megfelelően a burkoló körvonal határértékei az alábbiak:
Gumiabroncs-sebesség-kategória | Hdin (mm) | |
Alkalmazási kategória: normál | Alkalmazási kategória: hó és speciális | |
P/Q/R/S | H × 1,10 | H × 1,15 |
T/U/H | H × 1,13 | H × 1,18 |
210 km/h felett | H × 1,16 | - |
4.1.1. A burkológörbe fő méreteit, adott esetben, a K állandó viszonyszám figyelembevételével ki kell igazítani (lásd a fenti 2.2. pontot).
4.2. A gumiabroncs körvonal-deformációja a gumiabroncs tengelyéhez viszonyítva nem lépheti túl a burkológörbe vonalát.
4.3. A gumiabroncson nem kell más vizsgálatot elvégezni.
5. EGYENÉRTÉKŰ VIZSGÁLATI MÓDSZEREK
Ha a 2. pontban leírttól eltérő vizsgálati módszert alkalmaznak, annak egyenértékűségét bizonyítani kell.
III. MELLÉKLET
A GUMIABRONCS FELSZERELÉSE TEKINTETÉBEN A JÁRMŰVEKRE VONATKOZÓ ELŐÍRÁSOK
1. ÁLTALÁNOS ELŐÍRÁSOK
1.1. A 2. pont rendelkezéseire is figyelemmel minden járműre szerelt gumiabroncsnak, a pótabroncsot is beleértve, ezen irányelv rendelkezéseinek megfelelően típusjóváhagyással kell rendelkeznie.
1.2. A gumiabroncs felszerelése
1.2.1. Egy járműre szerelt összes gumiabroncsnak egyformának kell lennie a II. melléklet 1.1.5. pontjában szereplő szempontok tekintetében.
1.2.2. Az ugyanazon tengelyre szerelt összes gumiabroncsnak azonos típusúnak kell lennie (lásd a II. melléklet 1.1. pontját),
1.2.3. A gumiabroncs gyártójának fel kell tüntetnie a gumiabroncsok jelölését e fejezet előírásainak megfelelően. Ez (vagy ezek), a gyártó által a II. melléklet 3.1.4., 3.1.5. és 3.3. pontjában szereplő tűrésekkel elkészített gumiabroncs(ok) szabadon kell, hogy mozogjon (mozogjanak) az alkalmazási helyükön. A térnek, amelyben a kerék forog, lehetővé kell tennie a legnagyobb megengedett gumiabroncs szabad mozgását, a jármű gyártója által előállított felfüggesztés, kormányberendezés és kerékburkolat által képezett korlátok mellett is.
1.3. Teherbírás
1.3.1. A járműre felszerelt valamennyi gumiabroncs II. melléklet 1.31. pontjában meghatározott maximális teherbírásának, figyelembe véve a II. melléklet 7. függelékében szereplő követelményeket is, legalább az alábbi értékeknek kell megfelelnie:
- a maximális megengedett tengelyterhelés, ha a tengelyen csak egy gumiabroncs van,
- a maximális megengedett tengelyterhelés fele, ha a tengelyen egyenkénti elrendezésben két gumiabroncs van,
- a maximális megengedett tengelyterhelés 0,54-szerese, ha a tengelyen kettős (iker) elrendezésben két gumiabroncs van,
- a maximális megengedett tengelyterhelés 0,27-szerese, ha a tengelyen két készlet kettős (iker) elrendezésű gumiabroncs van,
figyelembe véve a gyártó által megadott maximális tengelytömeget.
1.4. Megengedett sebesség
1.4.1. A járműre rendes körülmények között felszerelt összes gumiabroncson rajta kell lennie a sebességkategória-jelnek (lásd a II. melléklet 1.28. pontját), amely összhangban van a jármű maximális tervezett sebességével (a gyártó adja meg, beleértve a sorozatgyártási hasonlósági ellenőrzésekre megengedett tűréseket is) vagy az alkalmazható teherbírás/sebesség kombinációval (lásd a II. melléklet 1.27. pontját),
1.4.2. A fenti követelmény nem érvényes olyan járművek esetében, amelyek rendes körülmények között a szokásos gumiabroncsokkal vannak felszerelve, és alkalmanként hóabronccsal vagy többcélú abronccsal szerelik fel őket.
Mindazonáltal ilyen esetekben a hóabroncsok vagy többcélú abroncsok sebességkategória-jelének vagy a jármű (járműgyártó által megadott) maximális tervezett sebességénél nagyobb sebességnek kell megfelelnie, vagy legalább 130 km/h-nak (vagy mindkettőnek) kell lennie.
Ha azonban a jármű (járműgyártó által megadott) maximális tervezett sebessége nagyobb, mint amely a hóabroncsok vagy többcélú abroncsok sebességkategóriájának megfelel, a jármű belsejében feltűnő helyen, a vezető számára jól láthatóan, a hóabroncsok maximális megengedett sebességét jelző figyelmeztető feliratot kell elhelyezni.
2. KÜLÖNLEGES ESETEK
2.1. A 92/23/EGK irányelvnek megfelelően alkatrész-típusjóváhagyással rendelkező gumiabroncsokat oldalkocsis motorkerékpárokra, háromkerekű mopedekre, motoros triciklikre és négykerekű motorbiciklikre is fel lehet szerelni.
2.2. A motorkerékpár-gumiabroncsokat mopedekre is fel lehet szerelni.
2.3. Olyan jármű esetében, amely különleges alkalmazási körülményei miatt nem motorkerékpár-gumiabroncsokkal, személygépkocsi-abroncsokkal vagy tehergépkocsi-abroncsokkal van felszerelve (pl. mezőgazdasági gumiabroncsok, ipari targoncák abroncsai, terepjárók abroncsai), a II. melléklet előírásai nem vonatkoznak, feltéve, hogy a jóváhagyó hatóság megbizonyosodik arról, hogy a felszerelt gumiabroncsok megfelelnek a jármű alkalmazási körülményeinek.
2.4. A motorkerékpárok vagy segédmotoros kerékpárok típusjóváhagyásáról szóló 92/61/EGK irányelv I. melléklete megjegyzésében meghatározott kis teljesítményű mopedekre szerelt gumiabroncsok típusa a különleges alkalmazásra való tekintettel eltérhet azoktól, amelyekre e fejezet követelményei vonatkoznak, amennyiben a járműtípus jóváhagyásáért felelős hatóság bizonyosságot szerez arról, hogy a felszerelt gumiabroncsok megfelelnek a jármű alkalmazási körülményeinek.
1. függelék

2. függelék
Jármű-típusbizonyítvány gumiabroncsoknak egy motorkerékpár- vagy segédmotoroskerékpár-típusra való felszerelésére

2. FEJEZET
MOTORKERÉKPÁROK ÉS SEGÉDMOTOROS KERÉKPÁROK VILÁGÍTÓ ÉS FÉNYJELZŐKÉSZÜLÉKEI
A MELLÉKLETEK JEGYZÉKE
I. MELLÉKLET | Motorkerékpárok vagy segédmotoros kerékpárok céljára szolgáló világítókészülék- és fényjelzőkészülék-típus alkatrész-típusjóváhagyására vonatkozó általános előírások |
1. függelék | A kibocsátott fény színe - trikromatikus koordináták |
2. függelék | Példák a jóváhagyási jelek elhelyezésére |
II. MELLÉKLET | Motorkerékpárokra vagy segédmotoros kerékpárokra szerelt első helyzetjelző lámpák, hátsó lámpák, féklámpák, irányjelző lámpák, hátsórendszámtábla-megvilágító készülékek, ködfényszórók, hátsó ködlámpák, hátramenet-lámpák és fényvisszaverő prizmák alkatrész-típusjóváhagyására vonatkozó előírások |
1. függelék | A térbeli fényelosztás minimális vízszintes (H) és függőleges (V) szögei |
2. függelék | Fotometrikus mérések |
3. függelék | A hátsórendszámtábla-megvilágító készülék fotometrikus mérései |
4. függelék | Adatközlő lap |
5. függelék | Alkatrész-típusjóváhagyási bizonyítvány |
III. MELLÉKLET | Motorkerékpárokra vagy segédmotoros kerékpárokra szerelt, izzószálas vagy halogén lámpákat alkalmazó, tompított és/vagy távolsági fényt kibocsátó készülékek (fényszórók) alkatrész-típusjóváhagyására vonatkozó előírások |
III-A MELLÉKLET | Fényszórók mopedekhez |
1. függelék | S3 és S4 kategóriájú izzólámpákkal ellátott fényszórók fotometrikus próbái |
2. függelék | HS2 kategóriájú halogén izzólámpákkal ellátott fényszórók fotometrikus próbái |
3. függelék | Mopedekhez való fényszórótípus adatközlő lapja |
4. függelék | Mopedekhez való fényszórótípus alkatrész-típusjóváhagyási bizonyítványa |
III-B MELLÉKLET | Izzólámpák útján szimmetrikus tompított fényt és távolsági fényt kibocsátó fényszórók motorkerékpárokhoz és motoros triciklikhez |
1. függelék | Fotometriai vizsgálatok |
2. függelék | Üzemelő fényszórók fotometriai teljesítménystabilitásának vizsgálata |
3. függelék | Műanyag lencséket tartalmazó lámpákra vonatkozó előírások és a lencse- vagy anyagminták és egész lámpák vizsgálata |
4. függelék | Motorkerékpárokhoz és motoros triciklikhez való, izzólámpákkal felszerelt, szimmetrikus tompított fényt és távolsági fényt kibocsátó fényszórótípus adatközlő lapja |
5. függelék | Motorkerékpárokhoz és motoros triciklikhez való, izzólámpákkal felszerelt, szimmetrikus tompított fényt és távolsági fényt kibocsátó fényszórótípus alkatrész-típusjóváhagyási bizonyítványa |
III-C MELLÉKLET | Aszimmetrikus tompított fényt és távolsági fényt kibocsátó, halogénlámpákkal (HS1 lámpákkal) vagy R2 kategóriájú izzólámpákkal felszerelt fényszórók motorkerékpárokhoz és háromkerekű kerékpárokhoz |
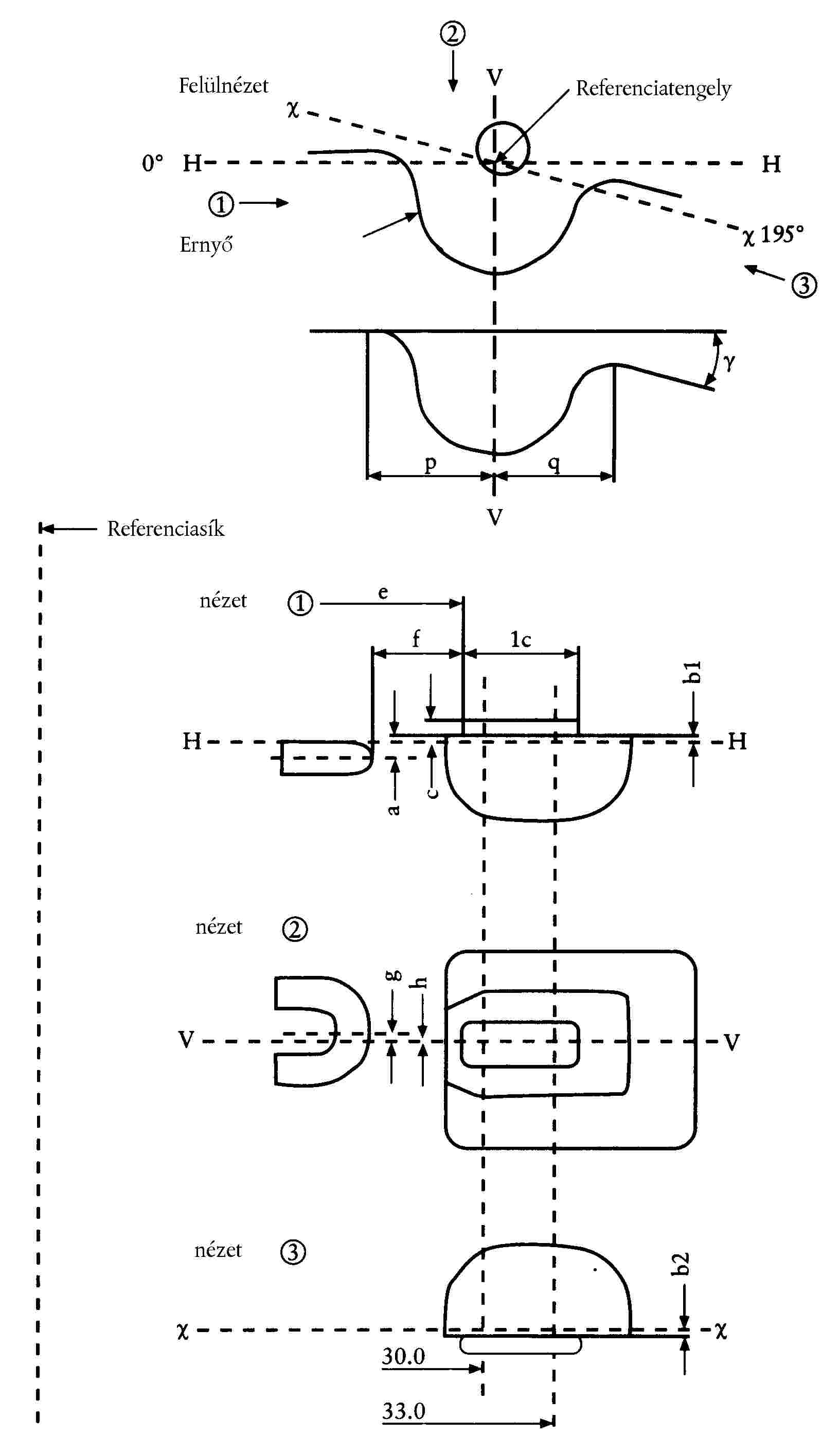
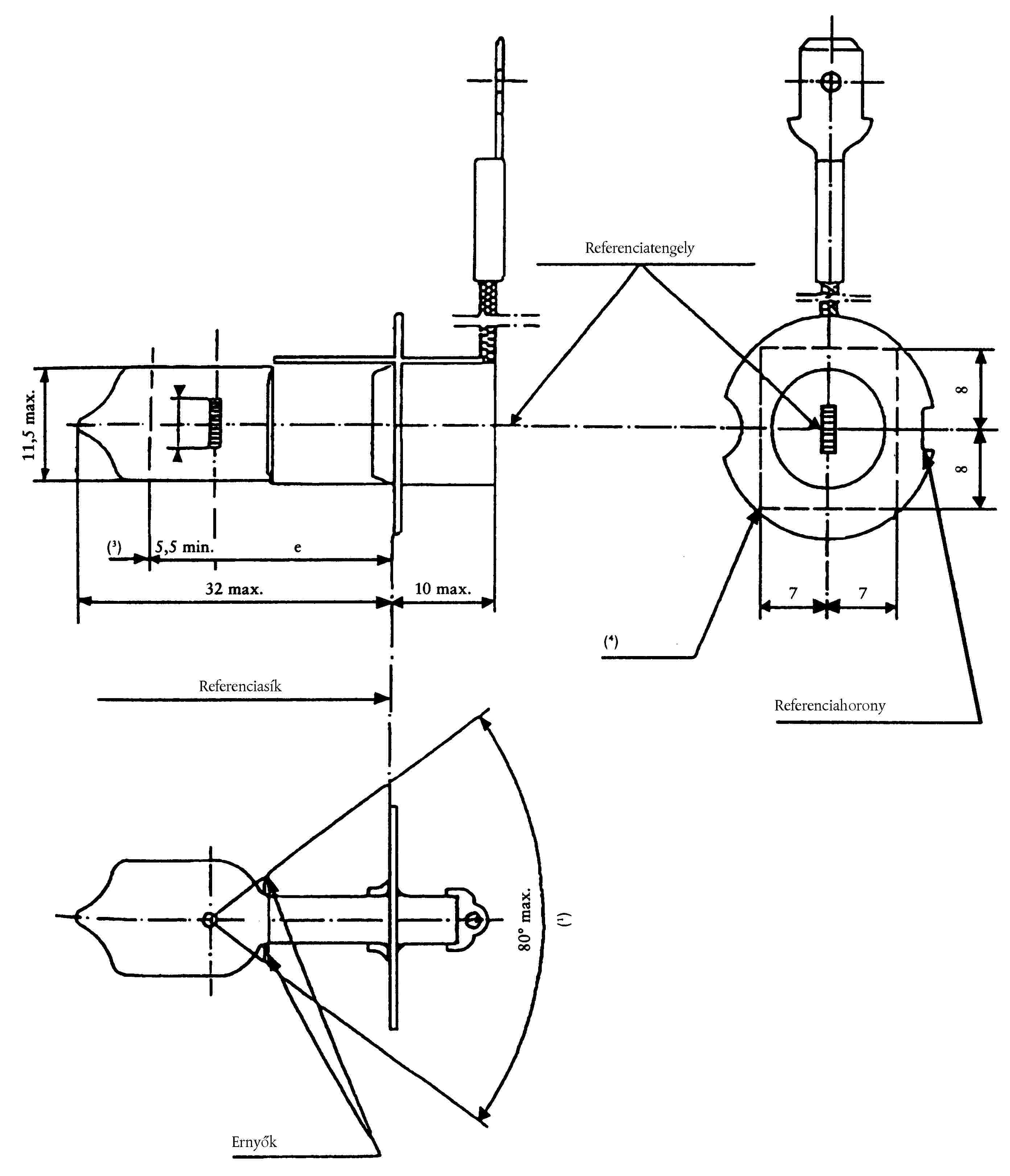
1. függelék | A mérőernyő |
2. függelék | Üzemelő fényszórók fotometriai teljesítménystabilitásának vizsgálata |
3. függelék | Műanyag lencséket tartalmazó lámpákra vonatkozó előírások, valamint a lencse- vagy anyagminták és egész lámpák vizsgálata |
4. függelék | Egy motorkerékpárokhoz és motoros triciklikhez való, halogénlámpákkal (HS1 lámpákkal) vagy R2 kategóriájú izzólámpákkal felszerelt, aszimmetrikus tompított fényt és országúti fényt kibocsátó fényszórótípus adatközlő lapja |
5. függelék | Motorkerékpárokhoz és motoros triciklikhez való, halogénlámpákkal (HS1 lámpákkal) vagy R2 kategóriájú izzólámpákkal felszerelt, aszimmetrikus tompított fényt és országúti fényt kibocsátó fényszórótípus alkatrész-típusjóváhagyási bizonyítványa |
III-D MELLÉKLET | Aszimmetrikus tompított fényt és országúti fényt kibocsátó, a HS1-től különböző típusú halogénlámpákkal felszerelt fényszórók motorkerékpárokhoz és motoros triciklikhez |
1. függelék | A mérőernyő |
2. függelék | Üzemelő fényszórók fotometriai teljesítmény-stabilitásának vizsgálata |
3. függelék | Műanyag lencséket tartalmazó lámpákra vonatkozó előírások, valamint a lencse- vagy anyagminták és egész lámpák vizsgálata |
4. függelék | Motorkerékpárokhoz és motoros triciklikhez való, halogénlámpákkal felszerelt, aszimmetrikus tompított fényt és távolsági fényt kibocsátó fényszórótípus adatközlő lapja |
5. függelék | Egy motorkerékpárokhoz és motoros triciklikhez való, halogénlámpákkal felszerelt, aszimmetrikus tompított fényt és országúti fényt kibocsátó fényszórótípus alkatrész-típusjóváhagyási bizonyítványa |
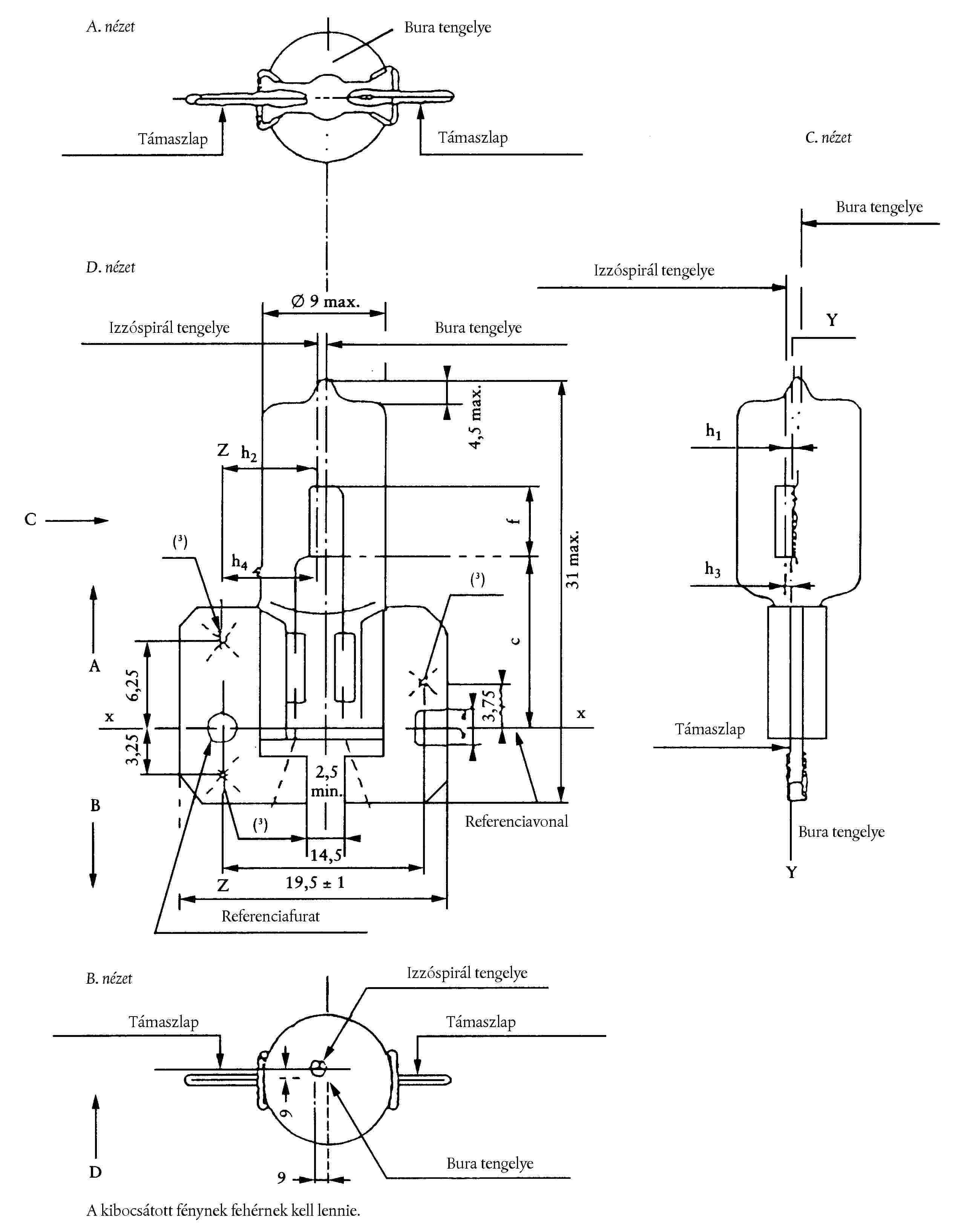
IV. MELLÉKLET | Mopedek, motorkerékpárok és triciklik alkatrész-típusjóváhagyással rendelkező lámpáihoz való izzólámpák |
1.-22. függelék | (Lásd a IV. mellékletet) |
23. függelék | Példa a jóváhagyási jel elhelyezésére |
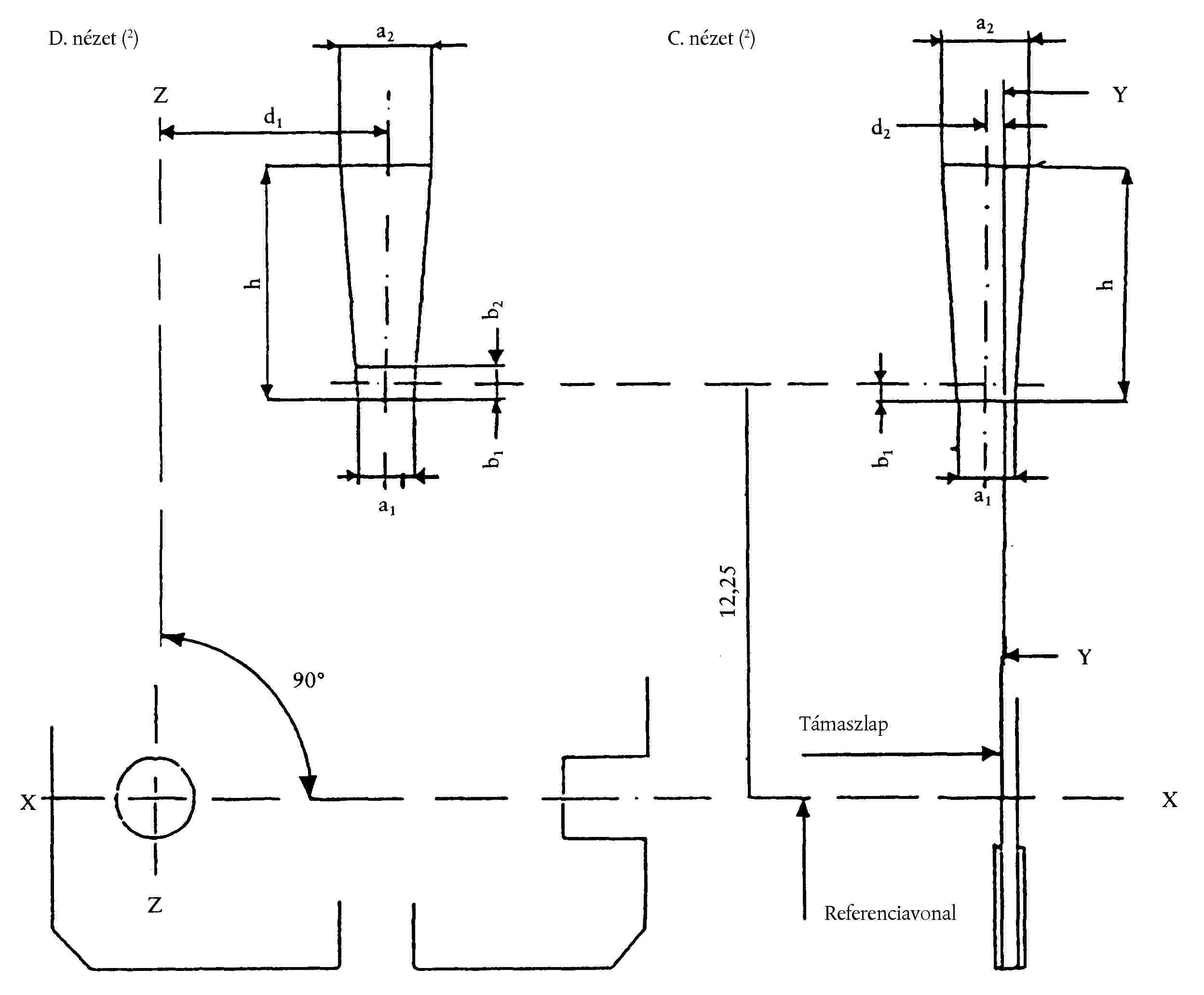
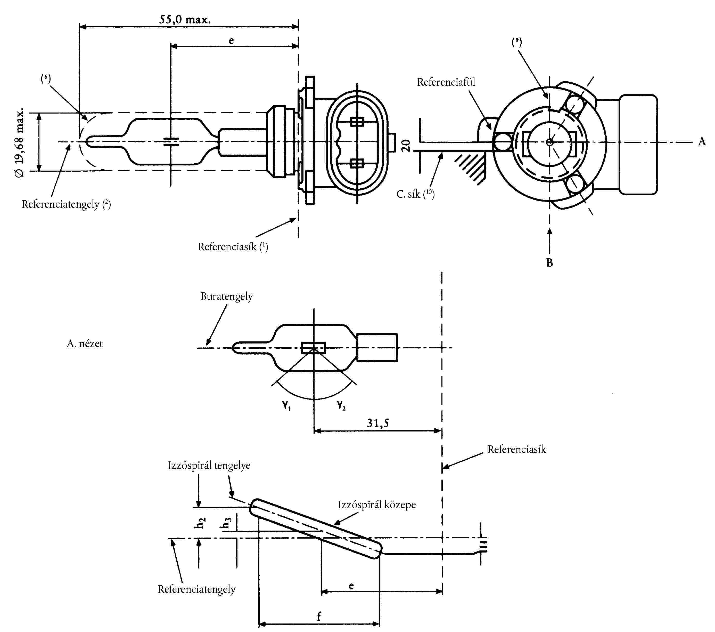
24. függelék | Az izzók izzóspiráljainak fényközéppontja és alakja |
I. MELLÉKLET
EGY MOTORKERÉKPÁROK ÉS SEGÉDMOTOROS KERÉKPÁROK CÉLJÁRA SZOLGÁLÓ VILÁGÍTÓKÉSZÜLÉK- ÉS FÉNYJELZŐKÉSZÜLÉK-TÍPUS ALKATRÉSZ-TÍPUSJÓVÁHAGYÁSÁRA VONATKOZÓ ÁLTALÁNOS ELŐÍRÁSOK
1. Ennek a fejezetnek az alkalmazásában:
"készüléktípus": olyan készülékek, amelyek nem térnek el alapvetően egymástól az alábbiak tekintetében:
1.1. márka- vagy kereskedelmi név;
1.2. az optikai rendszer jellemzői;
1.3. alkatrészek hozzáadása vagy elvétele valószínűleg megváltoztatja a visszaverődés, fénytörés vagy fényelnyelés és/vagy az üzemelés közbeni deformáció következtében előálló optikai eredményeket;
1.4. jobb oldali vagy bal oldali közlekedéshez vagy mindkettőhöz alkalmas;
1.5. a lencsék és (adott esetben) bevonatok anyagai.
2. EGY KÉSZÜLÉKTÍPUS ALKATRÉSZ-TÍPUSJÓVÁHAGYÁSÁNAK KÉRELMEZÉSE
2.1. Egy, a motorkerékpárok és segédmotoros kerékpárok típusjóváhagyásáról szóló, 1992. június 30-i 92/61/EGK tanácsi irányelv 3. cikkének megfelelően benyújtott alkatrész-típusjóváhagyási kérelemnek egyebek mellett az alábbi részleteket kell tartalmaznia:
2.1.1. a készülék tervezett funkciója (funkciói);
2.1.2. fényszóró esetében az, hogy mindkét oldali közlekedésre, vagy csak a jobb, vagy csak a bal oldali közlekedésre használható;
2.1.3. irányjelző esetében: a készülék kategóriája.
2.2. Minden, alkatrész-típusjóváhagyásra benyújtott készüléktípus esetében a kérelemhez mellékelni kell a következőket:
2.2.1. három példányban olyan részletességű rajzok, amelyek lehetővé teszik a típus azonosítását és megadják a járműre való felszerelés geometriai feltételeit, továbbá a megfigyelési irányt, amelyet a vizsgálatok során mint referenciatengelyt kell figyelembe venni (vízszintes szög H = 0, függőleges szög V = 0) és a vizsgálatok során referencia-középpontként tekintendő pontot; fényszórók esetében a rajzon szerepelnie kell egy függőleges (tengelyen áthaladó) metszetnek és egy elölnézetnek, a lencsék mintázatának részleteivel, adott esetben; a rajzoknak meg kell mutatniuk a kötelező alkatrész-típusjóváhagyási jelnek szánt helyet, és adott esetben, a kiegészítő jelek helyzetét a jóváhagyási jel négyszögéhez képest;
2.2.2. rövid műszaki leírás, amely külön kitér az alkalmazandó izzólámpák kategóriájára vagy kategóriáira, kivéve azokat a lámpákat, amelyeknél a fényforrás nem cserélhető.
2.3. A kérelmezőnek az alkatrész-típusjóváhagyásra benyújtott készülék két mintapéldányát is mellékelnie kell.
2.4. Olyan műanyagok vizsgálatához, amelyekből fényszórók ( 32 ) és ködfényszórók lencséi készülnek, az alábbiakat kell benyújtani:
2.4.1. tizenhárom lencse:
2.4.1.1. e lencsék közül hatot hat darab, legalább 60 mm × 80 mm méretű, sík vagy domború külső felületű, középen legalább 15 mm × 15 mm méretű elegendően lapos (legalább 300 mm görbületi sugarú) területtel rendelkező anyagmintával lehet helyettesíteni;
2.4.1.2. minden ilyen lencsét vagy anyagmintát a sorozatgyártással azonos gyártási eljárással kell készíteni;
2.4.2. egy fényszóró, amelyre a lencse a gyártó előírásainak megfelelően rászerelhető.
2.5. A lencsék és (adott esetben) bevonataik anyagához mellékelni kell az anyagjellemzők vizsgálati jegyzőkönyvét, ha korábban már végeztek ilyen vizsgálatokat.
2.6. A típusjóváhagyás megadása előtt az illetékes hatóságnak meg kell bizonyosodnia arról, hogy megvannak a gyártás azonosságának hatékony ellenőrzését biztosító kielégítő feltételek.
3. A KÉSZÜLÉKEK JELÖLÉSÉRE ÉS A JELÖLÉSEK ELHELYEZÉSÉRE VONATKOZÓ KIEGÉSZÍTŐ ELŐÍRÁSOK
3.1. A készülékeken az alábbiakat kell feltüntetni jól látható és eltávolíthatatlan módon:
3.1.1. a márka- vagy kereskedelmi név;
3.1.2. az alkalmazandó izzólámpa vagy izzólámpák kategóriájára vagy kategóriáira vonatkozó tájékoztatás: ez nem vonatkozik azokra a lámpákra, amelyeknél a fényforrás nem cserélhető;
3.1.3. a nem cserélhető fényforrással ellátott lámpák esetében meg kell adni a névleges feszültséget és a névleges teljesítményfelvételt;
3.1.4. az alkatrész-típusjóváhagyási jel a 92/61/EGK irányelv 8. cikke rendelkezéseinek megfelelően. Fényszórók esetében a jelet a lencsén vagy a főlámpatesten kell elhelyezni (a tükröt főlámpatestnek kell tekinteni). Ha a lencsét nem lehet leválasztani a főlámpatestről, elegendő a jelet a lencsén elhelyezni. Ezt a helyet a 2.2.1. pontban említett rajzokon fel kell tüntetni. Példák a melléklet 2. függelékében láthatók.
4. EGY KÉSZÜLÉK ALKATRÉSZ-TÍPUSJÓVÁHAGYÁSA
4.1. Ha egy adott készülék legalább két készülékből áll, az alkatrész-típusjóváhagyást csak akkor lehet megadni, ha e készülékek mindegyike megfelel e fejezet rendelkezéseinek.
5. A GYÁRTÁS AZONOSSÁGÁT ELLENŐRZŐ ELJÁRÁSOKRA VONATKOZÓ MINIMUMKÖVETELMÉNYEK
5.1. Általános előírások
5.1.1. Mechanikai és geometriai szempontból az azonossági követelmények teljesítettnek tekinthetők, ha a különbségek nem haladják meg az ezen irányelv előírásait még tiszteletben tartó, elkerülhetetlen gyártási eltéréseket.
5.1.2. A fotometriai teljesítmény szempontjából sorozatgyártású készülékek nem kifogásolhatók, ha bármely véletlenszerűen kiválasztott - jelzőlámpák, fényszórók vagy ködfényszórók esetében szabványos izzókkal ellátott - készülék fotometriai teljesítményének ellenőrzése során egyetlen mért érték sem tér el kedvezőtlen irányba 20 %-nál többel az ezen irányelvben előírt minimális értékektől.
5.1.3. Ha jelzőlámpák, fényszórók vagy ködfényszórók esetében a fenti vizsgálat eredményei nem felelnek meg az előírásoknak, a készülékek próbáit meg kell ismételni másik szabványos izzó alkalmazásával.
5.1.4. Nyilvánvalóan hibás készülékekkel nem kell foglalkozni.
5.1.5. A jelzőlámpák, fényszórók vagy ködfényszórók esetében akkor kell tiszteletben tartani a trikromatikus koordinátákat, ha ezek szabványos "A" színhőmérsékletű izzólámpákkal vannak felszerelve.
5.2. A gyártó által végzett azonossági ellenőrzések minimumkövetelményei
A jóváhagyási jel birtokosának minden készüléken legalább az alábbi vizsgálatokat kell elvégeznie megfelelő időközökben. A vizsgálatokat ezen irányelv rendelkezéseinek megfelelően kell végrehajtani.
Ha az érintett próbatípus szempontjából valamely mintadarab nem mutatkozik azonosnak, további mintákat kell kiválasztani és ellenőrizni. A gyártónak minden intézkedést meg kell tennie a szóban forgó gyártási azonosság biztosítása érdekében.
5.2.1. A vizsgálatok jellege
Az ezen irányelv által előírt azonossági vizsgálatoknak ki kell terjedniük a motorkerékpárok és háromkerekű kerékpárok fényszóróinak fotometriai és kolorimetriai jellemzőire, valamint a világos-sötét határvonal hő hatására bekövetkező függőleges helyzetváltozásának vizsgálatára is.
5.2.2. A vizsgálati módszerek
5.2.2.1. A vizsgálatokat általában az ezen irányelvben meghatározott módszereknek megfelelően kell végrehajtani.
5.2.2.2. Bármely a gyártó által végzett azonossági ellenőrzés során más egyenértékű módszerek is használhatók, a vizsgálatok jóváhagyásáért felelős illetékes hatóság egyetértésével. A gyártónak bizonyítania kell, hogy az alkalmazott módszerek egyenértékűek az ezen irányelv által előírtakkal.
5.2.2.3. Az 5.2.2.1. és 5.2.2.2. pont alkalmazása szükségessé teszi a vizsgáló berendezés rendszeres kalibrálását és az illetékes hatóság által végzett mérésekhez való viszonyítását.
5.2.2.4. A referenciamódszerek minden esetben az ezen irányelvben előírt módszerek, különösen a hatósági ellenőrzések és mintavételek esetében.
5.2.3. A mintavétel módja
A készülékmintákat véletlenszerűen kell kiválasztani egy egységes gyártási tételből. Egységes tétel alatt a gyártó gyártási módszerei szerint meghatározott azonos típusú készülékek csoportját kell érteni.
A vizsgálatnak általában ez egyes gyárak sorozatgyártmányaira kell kiterjedniük. Mindazonáltal egy gyártó azonos típusra vonatkozó, különböző gyárakból származó eredményeket is összegyűjthet, feltéve, hogy e gyárak ugyanazt a minőségbiztosítási rendszert és minőségbiztosítási irányítást alkalmazzák.
5.2.4. Mért és feljegyzett fotometriai és kolorimetriai jellemzők
A készülékmintán, ha más előírás nincs, a vonatkozó mellékletek pontjaiban előírt fotometriai méréseket kell végezni. A trikromatikus koordinátákat tiszteletben kell tartani.
5.2.5. Az elfogadhatóság feltételei
A gyártó felel a vizsgálati eredmények statisztikai elemzéséért és, az illetékes hatósággal egyetértésben, gyártmányai elfogadhatósági feltételeinek meghatározásáért annak érdekében, hogy teljesítse a 92/61/EGK irányelv VI. melléklete gyártmányok azonosságának igazolására vonatkozó előírásait.
Az elfogadhatósági feltételeknek olyanoknak kell lenniük, hogy 95 %-os megbízhatósági szint mellett a 6. pontban (első mintavétel) előírt helyszíni ellenőrzésen való megfelelés minimális valószínűsége 0,95 legyen.
6. A MINTAVÉTEL MINIMUMKÖVETELMÉNYEI AZ ELLENŐR SZÁMÁRA
6.1. Általános előírások
6.1.1. Mechanikai és geometriai szempontból az azonossági követelmények teljesítettnek tekinthetők, ha a különbségek nem haladják meg az ezen irányelvben előírt követelményeknek még eleget tevő, elkerülhetetlen gyártási eltéréseket.
6.1.2. A fotometriai teljesítmény szempontjából egy sorozatgyártású készülék nem kifogásolható, ha bármely, véletlenszerűen kiválasztott, szabványos izzólámpákkal ellátott jelzőlámpa, fényszóró vagy ködfényszóró fotometriai teljesítményének ellenőrzése során egyetlen mért érték sem tér el kedvezőtlen irányba 20 %-nál többel az ezen irányelvben előírt minimális értékektől.
6.1.3. A jelzőlámpák, fényszórók vagy ködfényszórók esetében akkor kell tiszteletben tartani a trikromatikus koordinátákat, ha ezek szabványos "A" színhőmérsékletű izzólámpákkal vannak felszerelve.
6.2. Első mintavétel
Az első mintavétel során négy készüléket kell véletlenszerűen kiválasztani. Az első két minta A. jelet, a második két minta B. jelet kap.
6.2.1. Azok az esetek, amikor az azonosság vitathatatlan
6.2.1.1. Ha az e melléklet 1. ábráján látható mintavizsgálati eljárást alkalmazzák, a sorozatgyártású készülékek azonosságát nem szabad vitatni, ha a készülék mért értékeinek kedvezőtlen irányba való eltérése:
6.2.1.1.1. A. minta
A1: | egy készüléknél | 0 %, |
egy készüléknél nem több, mint | 20 %; | |
A2: | mindkét készüléknél több, mint | 0 %, |
de nem több, mint | 20 %, |
továbblépés a B. mintára
6.2.1.1.2. B. minta
B1: | mindkét készüléknél | 0 %. |
6.2.2. Az azonosság vitatható
6.2.2.1. Ha az e melléklet 1. ábráján látható mintavizsgálati eljárást alkalmazzák, a sorozatgyártású készülékek azonosságát vitatni kell, és a gyártót fel kell szólítani gyártási eljárásának módosítására az előírt követelmények teljesítése érdekében, ha a készülék mért értékeinek eltérése:
6.2.2.1.1. A. minta
A3: | egy készüléknél nem több, mint | 20 %, |
egy készüléknél több, mint | 20 %, | |
de nem több, mint | 30 %. |
6.2.2.1.2. B. minta
B2: | az A2 esetben | |
egy készüléknél több, mint | 0 %, | |
de nem több, mint | 20 %, | |
egy készüléknél nem több, mint | 20 %; | |
B3: | az A2 esetben | |
egy készüléknél | 0 %, | |
egy készüléknél több, mint | 20 %, | |
de nem több, mint | 30 %. |
6.2.3. A jóváhagyás visszavonása
Az azonosságot vitatni kell és a 92/61/EGK irányelv 10. cikkét kell alkalmazni, ha a melléklet 1. ábráján látható mintavizsgálati eljárást alkalmazzák és a készülék mért értékeinek eltérése:
6.2.3.1. A. minta
A4: | egy készüléknél nem több, mint | 20 %, |
egy készüléknél több, mint | 30 %; | |
A5: | mindkét készüléknél több, mint | 20 %. |
6.2.3.2. B. minta
B4: | az A2 esetben | |
egy készüléknél több, mint | 0 %, | |
de nem több, mint | 20 %, | |
egy készüléknél több, mint | 20 %; | |
B5: | az A2 esetben | |
mindkét készüléknél több, mint | 20 %; | |
B6: | az A2 esetben | |
egy készüléknél | 0 %, | |
egy készüléknél több, mint | 30 %. |
6.3. Megismételt mintavétel
Az A3, B2 és B3 esetben a gyártási eljárás módosítása után keletkezett készletből, a bejelentést követő két hónapon belül újabb mintákat, két készülékből álló harmadik C. mintát és két különleges figyelmeztető lámpából álló negyedik D. mintát kell kiválasztani.
6.3.1. Az azonosság vitathatatlan
6.3.1.1. Ha az e melléklet 1. ábráján látható mintavizsgálati eljárást alkalmazzák, a sorozatgyártású készülékek azonosságát nem szabad vitatni, ha a készülék mért értékeinek eltérése:
6.3.1.1.1. C. minta
C1: | egy készüléknél | 0 %, |
egy készüléknél nem több, mint | 20 %; | |
C2: | mindkét készüléknél több, mint | 0 %, |
de nem több, mint | 20 %, |
továbblépés a D. mintára
6.3.1.1.2. D. minta
D1: | a C2 esetben | |
mindkét készüléknél | 0 %. |
6.3.2. Az azonosság vitatható
6.3.2.1. Ha az e melléklet 1. ábráján látható mintavizsgálati eljárást alkalmazzák, a sorozatgyártású készülékek azonosságát vitatni kell, és a gyártót fel kell szólítani gyártási eljárásának módosítására a követelmények teljesítése érdekében, ha a készülék mért értékeinek eltérése:
6.3.2.1.1. D. minta
D2: | a C2 esetben | |
egy készüléknél több, mint | 0 %, | |
de nem több, mint | 20 %, | |
egy készüléknél nem több, mint | 20 %. |
6.3.3. A jóváhagyás visszavonása
Az azonosságot vitatni kell és a 92/61/EGK irányelv 10. cikkét kell alkalmazni, ha az e melléklet 1. ábráján látható mintavizsgálati eljárást alkalmazták, és a készülék mért értékeinek eltérése:
6.3.3.1. C. minta
C3: | egy készüléknél nem több, mint | 20 %, |
egy készüléknél több, mint | 20 %; | |
C4: | mindkét készüléknél több, mint | 20 %. |
6.3.3.2. D. minta
D3: | a C2 esetben | |
egy készüléknél egyenlő vagy több, mint | 0 %, | |
egy készüléknél több, mint | 20 %. |

1. ábra
1. függelék
A kibocsátott fény színe
Trikromatikus koordináták
PIROS: | határérték a sárga irányába: | y ≤ 0,335 |
határérték a bíbor irányába: | z ≤ 0,008 | |
FEHÉR: | határérték a kék irányába: | x ≥ 0,310 |
határérték a sárga irányába: | x ≤ 0,500 | |
határérték a zöld irányába: | y ≤ 0,150 + 0,640 × | |
határérték a zöld irányába: | y ≤ 0,440 | |
határérték a bíbor irányába: | y ≥ 0,050 + 0,750 × | |
határérték a vörös irányába: | y ≥ 0,382 | |
SÁRGA: | határérték a sárga irányába: | y ≤ 0,429 |
határérték a vörös irányába: | y ≥ 0,398 | |
határérték a fehér irányába: | z ≤ 0,007 |
A fenti határértékek igazolásához egy 2 856 K színhőmérsékletű fényforrást lehet használni (Commission International de l'Eclairage [Nemzetközi Világítástechnikai Bizottság, CEI] által elfogadott "A" szabványos színmérő fényforrás), megfelelő szűrők közbeiktatásával.
Fényvisszaverő prizmák esetében a készüléket CEI "A" szabványos fényforrással megvilágítva, 1/3° széttartási szög és V = H = 0° megvilágítási szög mellett, vagy, ha ez színtelen felületi visszaverődést eredményez, V = ± 5°, H = 0° szög mellett, a visszavert fényáram trikromatikus koordinátáinak a fenti határértékek között kell lenniük.
2. függelék
Példák a jóváhagyási jelek elhelyezésére

1. ábra
A készülék, amely a fenti EK-alkatrész-típusjóváhagyási jelet viseli, egy 11. kategóriájú irányjelző, amelyet Hollandiában (e4) a 00243. szám alatt hagytak jóvá. A jóváhagyási szám két első számjegye azt jelzi, hogy a jóváhagyást ezen irányelv eredeti változata II. melléklete előírásainak megfelelően adták meg.
Egy irányjelző esetében a nyíl azt jelzi, hogy a fényeloszlás a vízszintes síkban aszimmetrikus és, hogy az előírt fotometriai értékeket jobb oldali 80°-ig tiszteletben tartják, a készülékre a kibocsátott fénnyel szembe nézve. A példán egy jármű jobb oldalára szerelt irányjelző látható.
Csoportos, kombinált vagy kölcsönösen egyesített lámpák egyszerűsített jelölése, amikor két vagy több lámpa van ugyanabban a részegységben.

1a. ábra
(A függőleges és vízszintes vonalak a fényjelző készülék alakját mutatják vázlatosan. Ezek nem a jóváhagyási jel részei.)
Megjegyzés:
Ez a három jóváhagyásijel-példa (A, B. és C. minta) három lehetséges változatot mutat arra az esetre, amikor két vagy több lámpa ugyanannak a csoportos, kombinált vagy kölcsönösen egyesített lámpákat tartalmazó részegységnek a része.
A példák azt mutatják, hogy a készüléket 3333 jóváhagyási szám alatt Hollandiában (e4) hagyták jóvá és az alábbiakat tartalmazza:
- egy 1. osztályú fényvisszaverő prizma, amelyet a 76/757/EGK irányelv eredeti változatának megfelelően hagytak jóvá,
- egy piros hátsó helyzetjelző lámpa (R), amelyet az ezen irányelv eredeti változata II. mellékletének megfelelően hagytak jóvá,
- egy hátsó ködlámpa (F), amelyet a 77/538/EGK irányelv eredeti változatának megfelelően hagytak jóvá,
- egy hátrameneti lámpa (AR), amelyet a 77/539/EGK irányelv eredeti változatának megfelelően hagytak jóvá,
- egy féklámpa (S), amelyet az ezen irányelvnek eredeti változata II. mellékletének megfelelően hagytak jóvá.
Példa az EK-alkatrész-típusjóváhagyási jelre
[Kép #1] 1b. ábra | |
[Kép #2] 1c. ábra | [Kép #3] 1d. ábra |

Kép #1

Kép #2

Kép #3
A fenti, EK-alkatrész-típusjóváhagyási jelet viselő 1. osztályú fényvisszaverő prizmát a 216. szám alatt Hollandiában (e4) hagyták jóvá a 76/757/EGK irányelvnek megfelelően; ezen irányelv II. melléklete 9.1. pontjának fényvisszaverő prizmákra vonatkozó követelményei az a ≥ 4 mm esetben érvényesek.

2. ábra
A fenti EK-alkatrész-típusjóváhagyási jelet viselő fényszórót a 00243. szám alatt Hollandiában (e4) hagyták jóvá ennek az irányelvnek az eredeti változatának III-A. melléklete szerint. A jóváhagyási szám első két számjegye azt jelzi, hogy a jóváhagyást ezen irányelv eredeti változatának megfelelően adták meg.

3. ábra
A fenti EK-alkatrész-típusjóváhagyási jelet viselő fényszóró teljesíti ezen irányelv eredeti változata III-B. mellékletének követelményeit és csak jobb oldali közlekedésre tervezték.
[Kép #4] 4. ábra | [Kép #5] 5. ábra |
A fenti EK-alkatrész-típusjóváhagyási jelet viselő fényszóró teljesíti ezen irányelv eredeti változata III-B. mellékletének követelményeit és: | |
csak bal oldali közlekedésre tervezték. | mindkét közlekedési rendszerre alkalmas az optikai egységnek vagy a lámpának a járművön való beállításával. |

Kép #4

Kép #5

6. ábra
A fenti EK-alkatrész-típusjóváhagyási jelet viselő fényszóró műanyag lencsét tartalmaz, és teljesíti ezen irányelv eredeti változata III-C. mellékletének követelményeit.
Úgy tervezték, hogy a tompított fényt adó izzóspirál egyszerre éghet a távolsági fénnyel és/vagy más kölcsönösen egyesített világítási funkcióval.
[Kép #6] 7. ábra | [Kép #7] 8. ábra |
A fenti EK-alkatrész-típusjóváhagyási jelet viselő fényszóró teljesíti ezen irányelv eredeti változata III-D. mellékletének követelményeit. | |
Csak a tompított fényre vonatkozóan, és csak bal oldali közlekedésre tervezték. | Csak a távolsági fényre vonatkozóan. |

Kép #6

Kép #7
[Kép #8] 9. ábra | [Kép #9] 10. ábra |
A fenti EK-alkatrész-típusjóváhagyási jelet viselő fényszóró műanyag lencsét tartalmaz, és csak a tompított fényre vonatkozóan teljesíti ezen irányelv eredeti változata III-D. mellékletének követelményeit és | |
Mindkét közlekedési rendszerre alkalmas | Csak jobb oldali közlekedésre alkalmas. |

Kép #8

Kép #9
Csoportos, kombinált vagy kölcsönösen egyesített lámpák egyszerűsített jelölése

11. ábra
(A függőleges és vízszintes vonalak a fényjelző készülék alakját mutatják vázlatosan. Ezek nem részei az EK-jóváhagyási jelnek.)
Megjegyzés:
A fenti négy példa olyan világító készüléknek felel meg, amely az alábbiakra vonatkozó EK-alkatrész-típusjóváhagyási jeleket viseli:
- egy első helyzetjelző lámpa (A), amelyet ezen irányelv eredeti változata II. mellékletének megfelelően hagytak jóvá,
- egy fényszóró (HCR) jobb oldali és bal oldali közlekedésre tervezett tompított fénnyel, és 86 250 és 101 250 candela közötti maximális intenzitású távolsági fénnyel (ezt a 30-as szám jelzi), amelyet ezen irányelv eredeti változata III-D. mellékletének megfelelően hagytak jóvá, és amely műanyag lencsét foglal magában,
- egy B ködfényszóró, amelyet a 76/762/EGK irányelv eredeti változatának megfelelően hagytak jóvá, és amely műanyag lencsét foglal magában,
- egy 11. kategóriájú első irányjelző lámpa, amelyet ezen irányelv eredeti változata II. mellékletének megfelelően hagytak jóvá.
[Kép #10] 12. ábra | [Kép #11] 13. ábra |
A fenti EK-alkatrész-típusjóváhagyási jelet viselő fényszóró teljesíti a 76/761/EGK irányelv követelményeit. | |
Csak a tompított fényre vonatkozóan, és csak bal oldali közlekedésre tervezték. | Csak az országúti fényre vonatkozóan. |

Kép #10

Kép #11
[Kép #12] 14. ábra | [Kép #13] 15. ábra |
Egy olyan műanyag lencsés fényszóró megjelölése, amely teljesíti a 76/761/EGK irányelv követelményeit, figyelembe véve ezen irányelv III-D. mellékletének 3. függelékét. | |
Mind a tompított fény, mind a távolsági fény szempontjából, és csak jobb oldali közlekedésre alkalmas. | Csak a tompított fény szempontjából, és csak bal oldali közlekedésre alkalmas. |
A tompított fény izzóspirálja nem éghet együtt az országúti fény izzóspiráljával és/vagy más fényszóróval, amellyel kölcsönösen egyesítve van. |

Kép #12

Kép #13
II. MELLÉKLET
MOTORKERÉKPÁROKRA VAGY SEGÉDMOTOROS KERÉKPÁROKRA SZERELT ELSő HELYZETJELZő LÁMPÁK, HÁTSÓ LÁMPÁK, FÉKLÁMPÁK, IRÁNYJELZő LÁMPÁK, HÁTSÓRENDSZÁMTÁBLA-MEGVILÁGÍTÓ KÉSZÜLÉKEK, KÖDFÉNYSZÓRÓK, HÁTSÓ KÖDLÁMPÁK, HÁTRAMENET-LÁMPÁK ÉS FÉNYVISSZAVERő PRIZMÁK ALKATRÉSZ-TÍPUSJÓVÁHAGYÁSÁRA VONATKOZÓ ELŐÍRÁSOK
1. FOGALOMMEGHATÁROZÁSOK
A motorkerékpárok és segédmotoros kerékpárok világító és fényjelző berendezéseinek beépítéséről szóló, 1993. október 29-i 93/92/EGK tanácsi irányelv I. mellékletében felsorolt, vonatkozó fogalommeghatározások érvényesek.
1.1. "lencse": a lámpának (készüléknek) az a legkülső alkatrésze, amely a világító felületen átbocsátja a fényt;
1.2. "bevonat": bármely olyan termék vagy termékek, amely(ek)et egy vagy több rétegben a lencse külső felületére visznek fel;
1.3. "különböző típusú készülékek": olyan készülékek, amelyek olyan lényeges szempontokból különböznek, mint:
1.3.1. a márka- vagy kereskedelmi név,
1.3.2. az optikai rendszer jellemzői,
1.3.3. tartalmaznak vagy nem tartalmaznak olyan alkatrészeket, amelyek alkalmasak arra, hogy visszaverődés, fénytörés vagy fényelnyelés és/vagy az üzemelés közbeni deformáció következtében megváltoztassák az optikai hatásokat,
1.3.4. az izzólámpa típusa,
1.3.5. a lencse és (adott esetben) a bevonat anyaga.
2. AZ IRÁNYJELZŐK ALKATRÉSZ-TÍPUSJÓVÁHAGYÁSI JELÉT KIEGÉSZÍTŐ INFORMÁCIÓK:
2.1. Általános esetben a alkatrész-típusjóváhagyási jel négyszöge közelében, a alkatrész-típusjóváhagyási számmal szemközt egy számot kell elhelyezni, amely megmutatja, hogy a készülék egy első irányjelző (11. kategória) vagy hátsó irányjelző-e (12. kategória).
2.2. Olyan irányjelző esetében, amely egyik oldalon nem éri el H = 80°-ig terjedően a 4.7.1. pontban előírt minimális fényintenzitást, egy vízszintes nyilat kell elhelyezni a alkatrész-típusjóváhagyás négyszöge alatt, amelynek hegye abba az irányba mutat, amerre a 4.7.1. pont szerinti minimális fényintenzitás legalább H = 80° szögig megvan.
3. ÁLTALÁNOS ELŐÍRÁSOK
A készülékeket úgy kell megtervezni és gyártani, hogy rendes üzemi viszonyok között és bármely rázkódás ellenére, amelynek ki lehetnek téve, megfelelő működésük csorbítatlan maradjon és megtartsák az e mellékletben előírt jellemzőiket.
4. A KIBOCSÁTOTT FÉNY INTENZITÁSA
A referenciatengelyen belül a két készülék mindegyike által kibocsátott fény intenzitásának legalább el kell érnie az alábbi táblázatban megadott két minimális értéket és legfeljebb a maximális értékekkel lehet egyenlő. A megállapított maximális értékeket semmilyen irányban sem szabad túllépni.
min (cd) | max (cd) | ||
4.1. | Hátsó helyzetjelző lámpák | 4 | 12 |
4.2. | Első helyzetjelző lámpák | 4 | 60 |
4.3. | Féklámpák | 40 | 100 |
4.4. | Irányjelző lámpák | ||
4.4.1. | Első (11. kategória) (lásd az 1. függeléket) | 90 | 700 (1) |
4.4.2. | Hátsó (12. kategória) (lásd az 1. függeléket) | 50 | 200 |
(1) Csak a V = 0°/H = ± 5° pontokon áthaladó két függőleges vonal és a V = ± 10°/H = 0° pontokon áthaladó két vízszintes vonal közötti területre érvényes. Minden más irányban maximum 400 cd alkalmazható. |
4.5. A referenciatengelyen kívül az 1. függelék diagramjaiban meghatározott szögtartományokban kibocsátott fény intenzitásának a 2. függelékben bemutatott fényeloszlási diagram pontjainak megfelelő összes irányban legalább egyenlőnek kell lennie a 4.1.-4.4. pontban megadott minimális értékeknek és az e diagramban a szóban forgó irányra megadott százalékoknak a szorzatával.
4.6. A 4.1. ponttól eltérően 60 cd maximális fényintenzitás engedhető meg féklámpákkal kölcsönösen egyesített hátsó helyzetjelző lámpáknál, a vízszintes sík alatt 5°-os szögben elhelyezkedő sík alatt.
4.7. Továbbá:
4.7.1. Az 1. függelékben megadott tartományok teljes területén a kibocsátott fény intenzitásának helyzetjelző lámpáknál legalább 0,05 cd-nak, és stoplámpáknál, valamint irányjelző lámpáknál legalább 0,3 cd-nak kell lennie.
4.7.2. Ha egy helyzetjelző lámpa egy csoportba van szerelve vagy kölcsönösen egyesítve van egy féklámpával, a két, egyszerre égő lámpa és az egyedül világító hátsó helyzetjelző lámpa ténylegesen mért fényintenzitása arányának legalább 5:1-nek kell lennie a 2. függelékben meghatározott és a fényeloszlási diagramon látható 0° V / ± 10° H ponton áthaladó két függőleges vonal és a ± 5° V / 0° H ponton áthaladó két vízszintes vonal által határolt területen lévő tizenegy mérési pontban.
4.7.3. A 2. függelék 2.2. pontjában megadott, a helyi fényintenzitás-értékekre vonatkozó előírásokat teljesíteni kell.
4.8. A fényintenzitásokat folyamatosan világító lámpa mellett kell mérni. Szakaszos működésű lámpák esetén ügyelni kell arra, hogy a készülék ne melegedjen túl.
4.9. A 4.5. pontban említett 2. függelékben részletes leírás található az alkalmazandó mérési módszerekről.
4.10. A hátsórendszámtábla-megvilágító készüléknek teljesítenie kell a 3. függelék követelményeit.
4.11. Több fényforrással felszerelt lámpák fotometriai teljesítményét a 2. függelék rendelkezéseinek megfelelően kell ellenőrizni.
5. VIZSGÁLATI FELTÉTELEK
5.1. Minden mérést a készülékre megállapított kategóriához tartozó szabványos színtelen lámpával kell végezni, amely úgy van beszabályozva, hogy a szóban forgó lámpa esetében szükséges referencia-fényáramot bocsássa ki. Azonban nem cserélhető fényforrással felszerelt lámpáknál minden mérést 6,75 V, illetve 13,5 V feszültséggel kell végezni.
5.2. A készülék fénykibocsátó felületének függőleges és vízszintes széleit referencia-középpontjához képest kell meghatározni és méretezni.
6. A KIBOCSÁTOTT FÉNY SZÍNE
A stoplámpáknak és a hátsó helyzetjelző lámpáknak piros, a mellső helyzetjelző lámpáknak fehér és az irányjelző lámpáknak sárga fényt kell kibocsátaniuk.
A kibocsátott fény színének a gyártó által meghatározott kategóriájú izzólámpák alkalmazása mellett mérve, az I. melléklet 1. függelékében előírt trikromatikus koordináták határain belül kell lennie, ha az izzólámpát a IV. mellékletben meghatározott próbafeszültségén működtetik.
Azonban nem cserélhető fényforrással felszerelt lámpáknál a kolorimetriai jellemzőket a lámpákban lévő fényforrásokkal, 6,75 V, 13,5 V vagy 28,0 V feszültségnél kell ellenőrizni.
7. KÖDFÉNYSZÓRÓK ÉS HÁTSÓ KÖDLÁMPÁK
A 76/762/EGK irányelv ködfényszórókra vonatkozó, és a 77/538/EGK irányelv hátsó ködlámpákra vonatkozó előírásai érvényesek.
8. HÁTRAMENETI LÁMPÁK
A 77/539/EGK irányelv hátrameneti lámpákra vonatkozó előírásai érvényesek.
9. FÉNYVISSZAVERŐ PRIZMÁK
9.1. Pedál-fényvisszaverő prizmák
9.1.1. A fényvisszaverő prizmák alakjának olyannak kell lennie, amely belefér egy 8-nál nem nagyobb oldalviszonyú négyszögbe.
9.1.2. A pedál-fényvisszaverő prizmáknak sárgának kell lenniük, és teljesíteniük kell a 76/757/EGK irányelv VIII. mellékletének előírásait.
9.1.3. A négy pedál-fényvisszaverő prizma mindegyike működő fényvisszaverő felületének legalább 8 cm2-nek kell lennie.
9.2. Egyéb fényvisszaverő prizmák
A 76/757/EGK irányelv fényvisszaverő prizmákra vonatkozó előírásai érvényesek.
1. függelék
A térbeli fényelosztás minimális vízszintes (H) és függőleges (V) szögei

2. függelék
Fotometriai mérések
1. MÉRÉSI MÓDSZEREK
1.1. A fotometriai mérések alatt megfelelő maszkolás útján el kell kerülni a zavaró visszaverődéseket.
1.2. Ha a mérések eredményei vitathatók, a méréseket oly módon kell elvégezni, hogy:
1.2.1. a mérési távolság olyan legyen, amelyre érvényes a távolsági inverz négyzetes törvény;
1.2.2. a mérőberendezés olyan legyen, amelynél a vevőkészülék szögnyílása a lámpa referencia-középpontjából nézve tíz szögperc és egy fok között van;
1.2.3. egy adott megfigyelési irányban az intenzitási követelmény akkor teljesül, ha a követelmény teljesülését olyan irányban érik el, amely nem tér el egynegyed foknál többel a megfigyelés irányától.
2. A FÉNY TÉRBELI ELOSZLÁSÁNAK SZABVÁNYDIAGRAMJA

2.1. A H = 0° és a V = 0° irány a referenciatengely (a járművön ez vízszintes, párhuzamos a jármű hossztengelyén átmenő síkkal és a kívánt látótér irányába mutat). A tengely áthalad a referencia-középponton. A diagramon megadott értékek a különböző mérési irányok minimális intenzitásait határozzák meg, az egyes lámpák tengelyére (a H = 0° és a V = 0° irányban) előírt minimumok százalékában.
2.2. A 2. pontban rácsdiagram formájában ábrázolt fényeloszlási területen belül a fénynek lényegében egyenletesnek kell lennie oly módon, hogy a fényintenzitás a rácsvonalak által képzett területrész minden irányában legalább elérje az adott irányt körülvevő rácsvonalakon százalékosan megadott legkisebb minimális értéket (vagy legkisebb feltüntetett értéket).
3. TÖBB FÉNYFORRÁSSAL ELLÁTOTT LÁMPÁK FOTOMETRIAI MÉRÉSEI
A fotometriai teljesítményt ellenőrizni kell:
3.1. Nem cserélhető (fixen beszerelt) izzólámpáknál vagy más fényforrásoknál:
a gyártó által előírt feszültségen; a műszaki szolgálat kérheti a gyártótól az ilyen lámpák áramellátásához szükséges különleges áramforrást.
3.2. Cserélhető izzólámpáknál:
tömeggyártású izzólámpák használata esetén 6,75 V, 13,5 V vagy 28,0 V feszültségnél a létrehozott fényintenzitásnak az e mellékletben megadott maximális határérték és minimális határérték között kell lennie, megnövelve a választott izzólámpa-típusra megengedett fényáram-eltéréssel, a IV. melléklet sorozatgyártású izzólámpákra vonatkozó előírásai szerint; alternatívaként egy szabványos izzólámpa használható minden egyes helyen, referencia-fényáramával működtetve, minden helyzetben elvégezve az egyedi méréseket.
3. függelék
A hátsórendszámtábla-megvilágító készülék fotometrikus mérései
1. A MEGVILÁGÍTANDÓ HELY
A készülékek az 1. vagy 2. kategóriához tartozhatnak. Az 1. kategóriához tartozó készülékeket úgy kell megtervezni, hogy egy legalább 130 × 240 mm-es helyet világítsanak meg, és a 2. kategóriához tartozó készülékeket úgy, hogy egy legalább 200 × 280 mm-es helyet világítsanak meg.
2. A KIBOCSÁTOTT FÉNY SZÍNE
A készülékben használt lámpa által kibocsátott fénynek fehérnek kell lennie, de elegendően semlegesnek ahhoz, hogy ne változtassa meg észrevehető módon a rendszámtábla színét.
3. MEGVILÁGÍTÁSI SZÖG
A megvilágító készülék gyártójának meg kell határoznia a készülék felszerelésének feltételeit a rendszámtábla helyzetéhez képest. A készüléket úgy kell elhelyezni, hogy a fénynek a tábla felületével képzett beesési szöge a megvilágítandó felület egyetlen pontjában se haladja meg a 82°-ot, ezt a szöget a fénykibocsátó felület legszélső, azaz a táblától legtávolabb eső pontjától mérve. Egynél több optikai alkatrész esetén a követelmény csak a táblának arra a részére vonatkozik, amelyet az adott alkatrésznek kell megvilágítania.
A készüléket úgy kell megtervezni, hogy semmilyen fénysugár se világítson közvetlenül hátrafelé, kivéve a piros fényt abban az esetben, ha a készülék hátsó lámpával van kombinálva.
4. A MÉRÉSI MÓDSZER
A megvilágítási szinteket egy, a rendszámtáblával azonos méretű, legalább 70 % szórt visszaverődési tényezővel rendelkező tiszta fehér itatóspapír lapon kell mérni, azon a helyen, amelyet rendes körülmények között elfoglalna, de 2 mm-rel a tartólapja előtt.
A megvilágítási szintet a papír felületére merőlegesen kell mérni az alábbi 5. pont diagramján megjelölt pontokon, ahol is minden pont egy 25 mm átmérőjű kör alakú területet képvisel.
5. FOTOMETRIAI JELLEMZŐK
A B. megvilágításnak az alább megadott mérési pontok mindegyikében legalább 2 cd/m2-nek kell lennie.
[Kép #14] 1. ábraMérési pontok az 1. kategóriánál | [Kép #15] 2. ábraMérési pontok a 2. kategóriánál |

Kép #14

Kép #15
A fenti pontok közül kiválasztott bármely két 1. és 2. pontban mért B1 és B2 érték közötti megvilágítási gradiens nem lehet nagyobb, mint 2 × B0/cm, ahol B0a különböző mérési pontokban regisztrált legkisebb megvilágítási érték, vagy másképpen

4. függelék
Adatközlő lap az alábbiakról

5. függelék

III. MELLÉKLET
MOTORKERÉKPÁROKRA VAGY SEGÉDMOTOROS KERÉKPÁROKRA SZERELT, IZZÓSZÁLAS VAGY HALOGÉN LÁMPÁKAT ALKALMAZÓ, TOMPÍTOTT ÉS/VAGY TÁVOLSÁGI FÉNYT KIBOCSÁTÓ KÉSZÜLÉKEK (FÉNYSZÓRÓK) ALKATRÉSZ-TÍPUSJÓVÁHAGYÁSÁRA VONATKOZÓ ELŐÍRÁSOK
1. FOGALOMMEGHATÁROZÁSOK
A 93/92/EGK irányelv I. mellékletében felsorolt, vonatkozó fogalommeghatározások érvényesek.
1.1. "lencse": a fényszóró-egységnek az a legkülső alkatrésze, amely a világító felületen átbocsátja a fényt;
1.2. "bevonat": bármely olyan termék vagy termékek, amely(ek)et egy vagy több rétegben a lencse külső felületére visznek fel;
1.3. "különböző típusú fényszórók": olyan fényszórók, amelyek olyan lényeges szempontokból különböznek, mint:
1.3.1. a márka- vagy kereskedelmi név,
1.3.2. az optikai rendszer jellemzői,
1.3.3. tartalmaznak vagy nem tartalmaznak olyan alkatrészeket, amelyek alkalmasak arra, hogy visszaverődés, fénytörés vagy fényelnyelés és/vagy az üzemelés közbeni deformáció következtében megváltoztassák az optikai hatásokat. Mindazonáltal a fénysugár színének, nem pedig fényeloszlásának megváltoztatása céljából tervezett szűrők fel- vagy leszerelése nem változtatja meg a típust;
1.3.4. jobb vagy bal vagy mindkét oldali közlekedésre való alkalmasság;
1.3.5. a létrehozott fénysugár fajtája (tompított fény, távolsági fény vagy mindkettő);
1.3.6. valamelyik megfelelő kategóriába tartozó izzólámpa (vagy izzólámpák) foglalata;
1.3.7. a lencse és (adott esetben) a bevonat anyaga.
2. FÉNYSZÓRÓK
A következő fényszórókat kell megkülönböztetni:
2.1. Mopedek fényszórói
(lásd a III-A. mellékletet)
2.1.1. | egy egy-izzósszálú lámpával | 15 W (S3 kategória) |
2.1.2. | egy két-izzószálú lámpával | 15/15 W (S4 kategória) |
2.1.3. | egy egy-izzószálú halogén lámpával | 15 W (HS2 kategória) |
2.2. Motorkerékpárok és motoros triciklik fényszórói
(lásd a III-B. és III-C. mellékletet)
2.2.1. | egy két-izzószálú lámpával | 25/25 W (S1 kategória) |
2.2.2. | egy két-izzószálú lámpával | 35/35 W (S2 kategória) |
2.2.3. | egy két-izzószálú halogén lámpával | 35/35 W (HS1 kategória) |
2.2.4. | egy két-izzószálú lámpával | 40/45 W (R3 kategória) |
2.3. Motorkerékpárok és triciklik fényszórói
(lásd a III-D. mellékletet - a HS1-től különböző típusú halogénlámpákkal felszerelt fényszórók)
2.3.1. | egy egy-izzószálú lámpával | 55 W (H1 kategória) |
2.3.2. | egy egy-izzószálú lámpával | 55 W (H2 kategória) |
2.3.3. | egy egy-izzószálú lámpával | 55 W (H3 kategória) |
2.3.4. | egy egy-izzószálú lámpával | 60 W (HB3 kategória) |
2.3.5. | egy egy-izzószálú lámpával | 51 W (HB4 kategória) |
2.3.6. | egy egy-izzószálú lámpával | 55 W (H7 kategória) |
2.3.7. | egy két-izzószálú lámpával | 55/60 W (H4 kategória) |
III-A. MELLÉKLET
FÉNYSZÓRÓK MOPEDEKHEZ
1. ÁLTALÁNOS ELŐÍRÁSOK
1.1. A fényszórókat úgy kell megtervezni és gyártani, hogy rendes üzemi viszonyok között és bármely rázkódás ellenére, amelynek ki lehetnek téve, megfelelő működésük csorbítatlan maradjon és megtartsák az e mellékletben előírt jellemzőiket.
1.2. A lámpa felszerelésére szolgáló alkatrészeket úgy kell megtervezni, hogy a lámpát még sötétben is, pontosan a megfelelő helyzetbe lehessen állítani.
2. KÜLÖNLEGES ELŐÍRÁSOK
2.1. A lencsének az optikai rendszerhez viszonyított pontos helyzetét világosan meg kell jelölni, és a lencsét ebben a helyzetben rögzíteni kell, hogy üzem közben el ne fordulhasson.
2.2. A fényszóró által létrehozott megvilágítás ellenőrzéséhez egy, az 1. vagy 2. függelékben leírt mérőernyőt és egy, a III. melléklet 2.1. pontja szerinti kategóriák valamelyikébe tartozó egyenletes színtelen fényt adó izzólámpával felszerelt szabványos izzót kell használni.
A szabványos izzókat a megfelelő referencia-fényáramra kell beszabályozni az ezen izzókra vonatkozó műszaki dokumentációban meghatározott értékeknek megfelelően (lásd a IV. mellékletet).
2.3. A tompított fénynek olyan éles világos-sötét határvonalat kell képeznie, hogy az annak segítségével történő pontos beállítás gyakorlatilag lehetségessé váljék. A világos-sötét határvonalnak megközelítőleg vízszintesnek kell lennie, és amennyire lehetséges, egyenesnek egy legalább ± 900 mm-es vízszintes szakaszon, 10 m távolságban mérve, (halogénlámpa esetében: legalább ± 2 250 mm, 25 m távolságban mérve; lásd a 2. függeléket). Az 1. függeléknek megfelelően beállítva, a fényszóróknak teljesíteniük kell az abban foglalt feltételeket.
2.4. A fényeloszlás nem változhat annyira oldalirányban, hogy az a jó látást zavarja.
2.5. A 2.2. pontban említett ernyő megvilágítását olyan fotovevővel kell mérni, amelynek hasznos területe egy 65 mm-es négyszögön belül van.
3. AZ ILLETÉKES HATÓSÁGOK ÁLTAL A GYÁRTÁS AZONOSSÁGÁNAK AZ I. MELLÉKLET 5.2.4. PONTJÁNAK MEGFELELŐ ELLENŐRZÉSE SORÁN ELVÉGZETT BÁRMELY VIZSGÁLATTAL KAPCSOLATOS KIEGÉSZÍTŐ ELŐÍRÁSOK
A fényszórók fotometriai jellemzőit tartalmazó bármely jegyzőkönyvnek, amelyet az azonossági vizsgálatra vonatkozó általános követelményeknek megfelelően vettek fel, az alábbi pontokra kell szorítkoznia: HV - LH - RH - L600 - R600 (lásd az 1. függelék ábráját).
1. függelék
S3 és S4 kategóriájú izzólámpákkal ellátott fényszórók fotometrikus vizsgálatai
1. A méréshez a mérőernyőt a fényszóró előtt 10 méterrel, a lámpa távolságifény-izzóspirálját és a HV-pontot összekötő egyenesre merőlegesen kell elhelyezni (lásd az alábbi ábrát); a H-H vonalnak vízszintesnek kell lennie.
2. A TOMPÍTOTT FÉNYRE VONATKOZÓ ELŐÍRÁSOK
2.1. Oldalirányban a fényszórót úgy kell beállítani, hogy sugara a V-V vonalhoz képest a lehető legszimmetrikusabban helyezkedjék el.
2.2. Függőleges irányban a fényszórót úgy kell beállítani, hogy világos-sötét határvonala 100 mm-rel legyen a H-H vonal alatt.
2.3. A 2.1. és 2.2. pontnak megfelelően beállított fényszóróval a megvilágítási értékeknek az alábbiaknak kell lenniük:
2.3.1. a H-H vonalon és felette: legfeljebb 2 lux;
2.3.2. egy, a H-H vonal alatt 300 mm-re lévő vonalon és a függőleges V-V vonal mindkét oldalán 900 mm szélességben: legalább 8 lux;
2.3.3. egy, a H-H vonal alatt 600 mm-re lévő vonalon és a függőleges V-V vonal mindkét oldalán 900 mm szélességben: legalább 4 lux.
3. A TÁVOLSÁGI FÉNYRE (adott esetben) VONATKOZÓ ELŐÍRÁSOK
3.1. A 2.1. és 2.2. pontnak megfelelően beállítva, a fényszórónak a távolsági fény tekintetében az alábbi előírásokat kell teljesítenie:
3.1.1. A H-H és V-V vonalak metszéspontjának (HV) a maximális megvilágítás 80 %-ának megfelelő egyenlő megvilágítású pontokat összekötő vonalon (isolux) belül kell lennie.
3.1.2. A távolsági fénytől származó maximális megvilágítás (Emax) nem lehet kisebb, mint 50 lux.
3.1.3. A HV-pontból kiindulva az országúti fénytől származó maximális megvilágításnak jobb és bal oldalon 0,90 m távolságig legalább Emax/4-nek kell lennie.

(méretek mm-ben, 10 m távolságban)
Ábra
2. függelék
HS2 kategóriájú halogén izzólámpákkal ellátott fényszórók fotometrikus vizsgálatai
1. A méréshez a mérőernyőt a fényszóró előtt 25 méterrel, a lámpa izzóspirálját és a HV-pontot összekötő egyenesre merőlegesen kell elhelyezni (lásd az alábbi ábrát); a H-H vonalnak vízszintesnek kell lennie.
2. Oldalirányban a fényszórót úgy kell beállítani, hogy sugara a V-V vonalhoz képest szimmetrikusan helyezkedjék el.
3. Függőleges irányban a fényszórót úgy kell beállítani, hogy világos-sötét határvonala 250 mm-rel legyen a H-H vonal alatt. A világos-sötét határvonalnak a lehető legvízszintesebbnek kell lennie.
4. A 2. és 3. pont előírásainak megfelelően beállított fényszórónak az alábbi feltételeket kell teljesítenie:
Mérési pont | Megvilágítás E/lux |
Minden, a H-H vonalon és afölött lévő pont | ≤ 0,7 |
Minden, a 35L-35R vonalon lévő pont a 35V kivételével | ≥ 1 |
A 35V pont | ≥ 2 |
Minden, a 25L-25R vonalon lévő pont | ≥ 2 |
Minden, a 15L-15R vonalon lévő pont | ≥ 0,5 |
5. A mérőernyő
A MÉRVERNYŐ

(méretek mm-ben, 25 m távolságban)
Ábra
3. függelék
Mopedekhez való fényszórótípus adatközlő lapja

4. függelék

III-B. MELLÉKLET
IZZÓLÁMPÁK ÚTJÁN SZIMMETRIKUS TOMPÍTOTT FÉNYT ÉS TÁVOLSÁGI FÉNYT KIBOCSÁTÓ FÉNYSZÓRÓK MOTORKERÉKPÁROKHOZ ÉS TRICIKLIKHEZ
1. KÜLÖNLEGES KÉSZÜLÉKEK JELEIRE ÉS JELÖLÉSÉRE VONATKOZÓ KIEGÉSZÍTŐ ELŐÍRÁSOK
1.1. A fényszórókon jól olvashatóan és eltávolíthatatlanul fel kell tüntetni az "MB" betűket (a távolsági fényt adó fényszóró szimbólumát) az alkatrész-típusjóváhagyási számmal szemközt.
1.2. Minden olyan fényszórót, amelynél eleve ki van zárva, hogy a tompított fény izzóspirálja egyidejűleg égjen bármely más, vele egyesített fényforrás izzóspiráljával, az alkatrész-típusjóváhagyási jelben a tompított fény (MB) jele után elhelyezett ferde vonallal (/) lehet megjelölni.
1.3. Műanyag lencsét tartalmazó fényszóróknál az 1.1. pontban előírt jel közelében a "PL" betűket kell elhelyezni.
2. ÁLTALÁNOS ELŐÍRÁSOK
2.1. Minden mintadarabnak teljesíteni kell az alábbi 3. pont előírásait.
2.2. A készülékeket úgy kell megtervezni és gyártani, hogy rendes üzemi viszonyok között és bármely rázkódás ellenére, amelynek ki lehetnek téve, megfelelő működésük csorbítatlan maradjon és megtartsák az e mellékletben előírt jellemzőiket.
2.2.1. A fényszórókat olyan berendezéssel kell ellátni, amely lehetővé teszi a járművön való beállításukat, a rájuk vonatkozó szabályoknak megfelelően. Ez a berendezés elhagyható olyan esetekben, amikor a fényszóróegység egymástól el nem választható fényvisszaverő tükörből és lencséből áll, és ahol az ilyen típusú egység alkalmazása olyan járművekre korlátozódik, amelyeknél a fényszórót más módon lehet beállítani.
Ha egy kimondottan távolsági fény adására és egy kimondottan tompított fény adására tervezett fényszórót, amelyek mindegyike külön lámpával rendelkezik, egyetlen készülékben vonnak össze, a beállító szerkezetnek lehetővé kell tennie a két optikai rendszer egymástól független beszabályozását, a hivatalosan előírt beállítások elérése érdekében.
2.2.2. Mindazonáltal ezek az előírások nem vonatkoznak olyan fényszóróegységekre, amelyek fényvisszaverői oszthatatlanok. Az ilyen egységekre a 3.3. pont előírásai vonatkoznak. Ahol a főfénysugár előállításához egynél több fényforrást alkalmaznak, ezek együttes működése során kell meghatározni a maximális megvilágítási értéket (Emax).
2.3. Egy izzólámpa beszerelésére szolgáló alkatrészeket úgy kell kialakítani, hogy az izzólámpát még sötétben is bizonytalanság nélkül lehessen a helyére illeszteni.
2.4. A 2. függelék előírásainak megfelelően kiegészítő vizsgálatokat kell végezni annak biztosítására, hogy üzem közben ne következzék be a fotometriai teljesítmény megengedett mértéken túli megváltozása.
2.5. Ha a fényszóró lencséje műanyagból készült, a 3. függelék előírásainak megfelelően kiegészítő vizsgálatokat kell végezni.
3. KÜLÖNLEGES ELŐÍRÁSOK
3.1. A lencsének az optikai rendszerhez viszonyított helyzetét világosan meg kell jelölni, és a lencsét ebben a helyzetben rögzíteni kell, hogy üzem közben el ne fordulhasson.
3.2. A fényszóró által létrehozott megvilágítás ellenőrzéséhez egy, az 1. függelékben leírt mérőernyőt és egy egyenletes színtelen fényt adó izzólámpával felszerelt szabványos izzót (S1 és/vagy S2, lásd a IV. mellékletet) kell használni.
A szabványos izzókat a megfelelő referencia-fényáramra kell beszabályozni az e lámpákra meghatározott értékeknek megfelelően.
3.3. A tompított fénynek olyan világos-sötét határvonalat kell képeznie, hogy az ennek segítségével történő pontos beállítás gyakorlatilag lehetségessé váljék. A határvonalnak a lehető legvízszintesebbnek és egyenesnek kell lennie egy legalább ± 5°-os vízszintes szakaszon. Az 1. függeléknek megfelelően beállítva, a fényszóróknak teljesíteniük kell az abban foglalt feltételeket.
3.4. A fényeloszlás nem változhat annyira oldalirányban, hogy az a jó látást zavarja.
3.5. A 3.2. pontban említett ernyő megvilágítását egy olyan fotocellával kell mérni, amelynek működő felülete egy 65 mm-es négyszögön belül van.
4. AZ ILLETÉKES HATÓSÁGOKNAK A GYÁRTÁS AZONOSSÁGÁNAK AZ I. MELLÉKLET 5.1. PONTJÁNAK MEGFELELŐ ELLENŐRZÉSE SORÁN ELVÉGZETT BÁRMELY VIZSGÁLATÁVAL KAPCSOLATOS KIEGÉSZÍTŐ ELŐÍRÁSOK
4.1. A III. zóna értéke tekintetében a legkedvezőtlenebb eltérés
- 20 %-nak megfelelő 0,3 lux, illetve
- 30 %-nak megfelelő 0,45 lux lehet.
4.2. Ha, a távolsági fény esetében, a HV a 0,75 Emax-nak megfelelő isoluxon belül helyezkedik el, az ezen irányelv 1. függeléke 4.3. és 4.4. pontjában meghatározott mérési pontok bármelyikében mért fotometriai értékeknél a maximális értékekhez képest + 20 % és a minimális értékekhez képest - 20 % eltérést észlelnek, a referenciajelet figyelmen kívül kell hagyni.
4.3. A világos-sötét határvonal függőleges helyzete hő hatására bekövetkező változásának vizsgálatára az alábbi eljárást kell alkalmazni:
Az egyik minta-fényszórót, miután egymás után háromszor alávetették a 2. függelék 2.2.2. pontjában leírt ciklusnak, a 2. függelék 2.1. pontjában leírt eljárás szerint kell megvizsgálni.
A fényszórót elfogadhatónak kell tekinteni, ha Δr nem nagyobb, mint 1,5 mrad.
Ha ez az érték 1,5 mrad-nál nagyobb, de nem nagyobb, mint 2,0 mrad, egy második fényszórót kell kipróbálni, ami után a két mintán mért abszolút értékek átlaga nem haladhatja meg az 1,5 mrad-t.
1. függelék
Fotometriai vizsgálatok
1. A fényszóró beállításához a megfelelő ernyőt legalább 10 méterre kell a fényszóró előtt elhelyezni, a h-h vonalnak vízszintesnek kell lennie. A mérések során a fotocellának 25 méterrel kell a fényszóró előtt lennie és merőlegesen kell állnia az izzólámpát a HV-ponttal összekötő egyenesre.
2. Oldalirányban a fényszórót úgy kell beállítani, hogy a távolsági fény sugara a v-v vonalhoz képest szimmetrikusan helyezkedjék el.
3. Függőleges irányban a fényszórót úgy kell beállítani, hogy a tompított fény világos-sötét határvonala 250 mm-rel legyen a h-h vonal alatt (25 m távolságban).
4. A 2. és 3. pontnak megfelelően beállított fényszórónak, amelyre hasonló feltételek érvényesek, mint a távolsági fényre, az alábbi feltételeket kell teljesítenie:
4.1. a távolsági fény fényközéppontja nem lehet 0,6°-nál többel a h-h vonal felett vagy alatt;
4.2. a távolsági fény által létrehozott megvilágításnak az egész fényeloszlás közepén kell elérnie a maximális értékét (Emax) és oldalirányban csökkennie kell;
4.3. a távolsági fény által létrehozott maximális megvilágításnak (Emax) legalább 32 luxnak kell lennie;
4.4. a távolsági fény által létrehozott megvilágításnak az alábbi értékeknek kell megfelelnie:
4.4.1. a h-h és v-v vonal HV metszéspontjának a maximális megvilágítás 90 %-ának megfelelő isoluxon belül kell lennie.
4.4.2. a HV-ponttól jobbra és balra vízszintesen haladva, az országúti fény által létrehozott megvilágításnak 1,125 m távolságig legalább 12 luxnak és 2,25 m távolságig legalább 3 luxnak kell lennie.
4.5. A tompított fény által létrehozott megvilágításnak az alábbi értékeknek kell megfelelnie:
Minden, a h-h vonalon és afölött lévő pont | ≤ 0,7 lux |
Minden, az 50L - 50R vonalon lévő pont az 50V kivételével (1) | ≥ 1,5 lux |
Az 50V pont | ≥ 3,0 lux |
Minden, a 25L - 25R vonalon lévő pont | ≥ 3,0 lux |
Minden, a IV. zónában lévő pont | ≥ 1,5lux |
(1) Intenzitás [Kép #16] = min. 0,25 |

Kép #16
5. MÉRŐ ÉS BEÁLLÍTÓ ERNYŐ

(méretek mm-ben, 25 m távolságon)
2. függelék
Üzemelő fényszórók fotometriai teljesítmény-stabilitásának vizsgálata
Az e függelék előírásainak való megfelelés nem elegendő feltétele a műanyag lencséket tartalmazó fényszórók alkatrész-típusjóváhagyásának.
Lásd a 3-D. melléklet 2. függelékét.
3. függelék
Műanyag lencséket tartalmazó lámpákra vonatkozó előírások, valamint a lencse- vagy anyagminták és egész lámpák vizsgálata
Lásd a III-D. melléklet 3. függelékét.
4. függelék
Motorkerékpárokhoz és triciklikhez való, izzólámpákkal felszerelt, szimmetrikus tompított fényt és távolsági fényt kibocsátó fényszórótípus adatközlő lapja

5. függelék

III-C. MELLÉKLET
ASZIMMETRIKUS TOMPÍTOTT FÉNYT ÉS TÁVOLSÁGI FÉNYT KIBOCSÁTÓ, HALOGÉNLÁMPÁKKAL (HS1 LÁMPÁKKAL) VAGY R2 KATEGÓRIÁJÚ IZZÓLÁMPÁKKAL FELSZERELT FÉNYSZÓRÓK MOTORKERÉKPÁROKHOZ ÉS TRICIKLIKHEZ
1. A KÉSZÜLÉKEK JELEIRE ÉS JELÖLÉSÉRE VONATKOZÓ KIEGÉSZÍTŐ ELŐÍRÁSOK
1.1. Egyoldali (csak jobb vagy csak bal oldali) közlekedésre tervezett fényszóróknál a lencsén be kell jelölni annak a területnek a határát, amelyet esetleg le kell takarni az úton közlekedők zavarásának elkerülése céljából egy olyan országban, amelyben ellenkező irányú közlekedés van ahhoz képest, amelyre a fényszóró készült. Mindazonáltal, ha a fényszóró úgy van kialakítva, hogy ez a terület közvetlenül felismerhető, az ilyen elhatárolásra nincs szükség.
1.2. A jobb oldali, valamint a bal oldali közlekedés követelményeinek teljesítésére tervezett fényszórókat meg kell jelölni a világító egységnek a járművön vagy az izzónak a reflektorban való megfelelő elhelyezése érdekében; ezek a jelölések az "R/D" betűkből állnak a jobb oldali közlekedésnek megfelelő helyzet és az "L/G" betűkből a bal oldali közlekedésnek megfelelő helyzet megadására.
1.3. Minden olyan fényszórót, amelynél eleve ki van zárva, hogy a tompított fény izzóspirálja egyidejűleg égjen bármely más, vele egyesített fényforrás izzóspiráljával, az alkatrész-típusjóváhagyási jelben a tompított fényű fényszóró jele után elhelyezett ferde vonallal (/) kell megjelölni.
1.4. A csak a bal oldali közlekedés követelményeit teljesítő fényszórókat az alkatrész-típusjóváhagyási jel alatt egy vízszintes nyíllal kell megjelölni, amelynek hegye a fényszóróra elölről ránéző megfigyelőnek jobb felé, azaz a közlekedésre használt útoldal széle felé mutat.
1.5. Ahol a világító egység vagy az izzó szándékos átállításával a fényszóróval mindkét közlekedési irány követelményei teljesíthetők, kéthegyű, jobbra és balra mutató vízszintes nyilat kell elhelyezni az alkatrész-típusjóváhagyási jel alatt.
1.6. A HS1 lámpákkal felszerelt fényszórókon az alkatrész-típusjóváhagyási jellel szemben az "MBH" betűket kell elhelyezni.
1.7. A fent említett jeleknek és jelzéseknek jól olvashatóknak és eltávolíthatatlanoknak kell lenniük.
1.8. A műanyag lencsét tartalmazó fényszóróknál a "PL" betűket kell elhelyezni az 1.2.-1.7. pontban előírt jelek közelében.
2. ÁLTALÁNOS ELŐÍRÁSOK
2.1. Minden mintadarabnak teljesítenie kell a 3.-5. pont előírásait.
2.2. A készülékeket úgy kell kialakítani és gyártani, hogy rendes üzemi viszonyok között és bármely rázkódás ellenére, amelynek ki lehetnek téve, megfelelő működésük csorbítatlan maradjon és megtartsák az e mellékletben előírt jellemzőiket.
2.2.1. A fényszórókat olyan berendezéssel kell ellátni, amely lehetővé teszi a járművön való beállításukat, a rájuk vonatkozó szabályoknak megfelelően. Ez a berendezés elhagyható olyan alkatrészeknél, amelyeknél a fényvisszaverő tükör és a szórólencse nem választható szét, feltéve, hogy az ilyen típusú egység alkalmazása olyan járművekre korlátozódik, amelyeknél a fényszórót más módon lehet beállítani.
Ha egy távolsági fény adására és egy tompított fény adására tervezett fényszórót, amelyek mindegyike külön lámpával rendelkezik, egyetlen készülékben vonnak össze, a beállító szerkezetnek lehetővé kell tennie mindkét optikai rendszer megfelelő egyedi beszabályozását.
2.2.2. Mindazonáltal ezek e rendelkezések nem vonatkoznak olyan fényszóróegységekre, amelyek fényvisszaverői oszthatatlanok. Ebben az esetben e melléklet 2. pontjának követelményei érvényesek. Ha a távolsági fénysugár előállításához egynél több fényforrást alkalmaznak, a maximális megvilágítási értéket (Emax) ezek együttes működése során kell meghatározni.
2.3. Egy izzólámpának a fényvisszaverőbe való beszerelésére szolgáló alkatrészeket úgy kell kialakítani, hogy az izzólámpát még sötétben is bizonytalanság nélkül lehessen a helyére illeszteni.
2.4. A lencsének az optikai rendszerhez viszonyított helyzetét világosan meg kell jelölni, és a lencsét ebben a helyzetben rögzíteni kell, hogy üzem közben el ne fordulhasson.
2.5. Azoknál a fényszóróknál, amelyeket úgy terveztek, hogy teljesítsék mind a jobb, mind a bal oldali közlekedés követelményeit, az adott közlekedési iránynak megfelelő beállítást vagy eleve a jármű összeszerelésekor, vagy a felhasználó szándékos tevékenysége útján kell elvégezni. Ennek az eleve elvégzett beállításnak vagy a szándékos tevékenységnek például vagy a lezárt lámpatestnek a járműhöz képest, vagy az izzónak a lámpához képest bizonyos szöggel való elfordításából kell állnia. Minden esetben csak két különböző, világosan meghatározott és az egyik közlekedési iránynak (jobb vagy bal) megfelelő beállítási helyzetnek szabad lehetségesnek lennie, és lehetetlenné kell tenni a közbenső helyzetbe való beállítást. Ha az izzó két különböző helyzetet foglalhat el, az izzót a fényvisszaverőhöz rögzítő alkatrészeket úgy kell megtervezni és elkészíteni, hogy az izzó a két helyzet mindegyikében ugyanolyan pontossággal legyen beszerelhető, mint amilyent a csak egyirányú közlekedésre szánt fényszóróknál követelnek meg. A berendezés megfelelő voltát vizuálisan, és ha lehet próbaszerelés útján kell ellenőrizni.
2.6. Annak biztosítására, hogy üzem közben ne következzék be a fotometriai teljesítmény megengedett mértéken túli megváltozása, a 2. függelék követelményeinek megfelelően kiegészítő vizsgálatokat kell elvégezni.
2.7. Ha a fényszóró lencséje műanyagból készült, a 3. függelék követelményeinek megfelelően kiegészítő vizsgálatokat kell végezni.
3. A MEGVILÁGÍTÁSRA VONATKOZÓ ELŐÍRÁSOK
3.1. Általános előírások
3.1.1. A fényszóróknak olyanoknak kell lenniük, hogy megfelelő HS1 vagy R2 lámpákkal a tompított fény ne vakítson, de mégis elegendő legyen, a távolsági fény pedig jó megvilágítást adjon.
3.1.2. A fényszóró által létrehozott megvilágítás ellenőrzéséhez az 1. függelékben látható, a fényszóró előtt 25 méter távolságban függőlegesen elhelyezett ernyőt kell használni.
3.1.3. A fényszóró vizsgálatához 12V névleges feszültségre tervezett színtelen referencialámpát kell használni. A fényszóró vizsgálata alatt az áramot a lámpa érintkezőinél az alábbi jellemzők elérésére kell beállítani:
HS1 kategória | Fogyasztás wattban | Fényáram luxban |
Tompítottfény-izzóspirál | [Kép #17] 35 | 450 |
Távolságifény-izzóspirál | [Kép #18] 35 | 700 |

Kép #17

Kép #18
R2 kategória | Fogyasztás wattban | Fényáram luxban |
Tompítottfény-izzóspirál | [Kép #19] 40 | 450 |
Távolságifény-izzóspirál | [Kép #20] 45 | 700 |

Kép #19

Kép #20
A fényszóró elfogadhatónak tekinthető, ha legalább egy, a fényszóróval együtt átadott referencialámpával teljesíti a 3. pont követelményeit.
3.1.4. Az izzóspirálnak a HS1 vagy R2 referencia-izzólámpában elfoglalt helyét meghatározó méretek a IV. mellékletben szerepelnek.
3.1.5. A referencia-izzólámpa üvegburájának olyan alakúnak és optikai minőségűnek kell lennie, hogy csak a fényeloszlásra hátrányosan ható minimális visszaverődést vagy fénytörést okozzon.
3.2. A tompított fényre vonatkozó előírások
3.2.1. A tompított fénynek olyan határozott világos-sötét határvonalat kell képeznie, hogy e határvonal segítségével pontos beállítást lehessen végezni. A világos-sötét határvonalnak egyenes vízszintes vonalnak kell lennie azzal a közlekedési iránnyal ellenkező oldalon, amelyre a fényszórót tervezték. A másik oldalon a világos-sötét határvonal nem mehet túl sem a vízszintessel 45°-os szöget bezáró HV-H1 vonalból és egy, a h-h egyeneshez képest 1 %-kal eltolt H1-H4 egyenesből álló HV-H1 és H4 tört vonalon, sem a vízszintessel 15°-os szöget bezáró HV-H3 vonalon (lásd az 1. függeléket). Semmilyen körülmények között sem fogadható el olyan világos-sötét határvonal, amely a két előbbi lehetőségből eredő HV-H2 és H2-H4 vonalon túlmegy.
3.2.2. A fényszórót úgy kell beállítani, hogy:
3.2.2.1. a jobb oldali közlekedés követelményeinek teljesítésére tervezett fényszórók esetében a világos-sötét határvonalnak az ernyő bal oldalán vízszintesnek kell lennie, és a bal oldali közlekedés követelményeinek teljesítésére tervezett fényszórók esetében a világos-sötét határvonalnak az ernyő jobb oldalán vízszintesnek kell lennie. A beállító ernyőnek elég szélesnek kell lennie ahhoz, hogy lehetővé tegye a világos-sötét határvonal vizsgálatát a v-v vonal mindkét oldalán legalább 5°-os szögben;
3.2.2.2. az ernyőn a világos-sötét határvonal e vízszintes szakaszának 25 cm-rel a fényszóró fókuszközéppontján áthaladó vízszintes sík alatt kell lennie (lásd az 1. függeléket);
3.2.2.3. A világos-sötét határvonal csúcsának a v-v egyenesen kell lennie. Ha a sugárnak nincs világos-sötét határvonala, egy világos oldalirányú "töréspont"-beállítást kell előállítani oly módon, amely a leginkább teljesíti a 75 R és 50 R pontra vonatkozó megvilágítási követelményeket jobb oldali, és a 75 L és 50 L pontra vonatkozó megvilágítási követelményeket bal oldali közlekedés esetén.
3.2.3. Az így beállított fényszórónak teljesítenie kell a 3.2.5.-3.2.7. és a 3.3. pont követelményeit.
3.2.4. Ha egy, a fenti módon beállított fényszóró nem teljesíti a 3.2.5.-3.2.7. és a 3.3. pont követelményeit, megengedhető a beállítás módosítása, feltéve, hogy a fénysugár tengelye nem mozdul el 1°-nál (= 44 cm) többel jobbra vagy balra. Az 1°-os jobb vagy bal oldali beállítási határ nem vonatkozik a függőleges felfelé vagy lefelé történő állításra, amelyet csak a 3.3. pontban megadott követelmények korlátoznak. Mindazonáltal a világos-sötét határvonal vízszintes része nem mehet túl a h-h vonalon. A világos-sötét határvonallal végzett beállítás megkönnyítése érdekében megengedett a fényszóró részleges letakarása a világos-sötét határvonal határozottabbá tétele céljából.
3.2.5. A tompított fény által az ernyőn létrehozott megvilágításnak az alábbi táblázat követelményeit kell teljesítenie:
Pont a mérőernyőn | Előírt megvilágítás lux-ban | |||
Úton használatos fényszóró/ jobb oldali közlekedés | Úton használatos fényszóró/ bal oldali közlekedés | |||
pont | B 50 L | pont | B 50 R | ≤ 0,3 |
pont | B 75 R | pont | B 75 L | ≥ 6 |
pont | B 50 R | pont | B 50 L | ≥ 6 |
pont | B 25 L | pont | B 25 R | ≥ 1,5 |
pont | B 25 R | pont | B 25 L | ≥ 1,5 |
a III. zóna minden pontja | ≤ 0,7 | |||
a IV. zóna minden pontja | ≥ 2 | |||
az I. zóna minden pontja | ≤ 20 |
3.2.6. Az I., II., III. és IV. zóna egyikében sem lehet olyan oldalirányú eltérés, amely a jó látást zavarhatná.
3.2.7. Az olyan fényszórók esetében, amelyeket a jobb oldali közlekedés és a bal oldali közlekedés követelményeinek teljesítésére terveztek, a lezárt lámpatest vagy az izzó mindkét helyzetében teljesíteniük kell a fenti követelményeket arra a közlekedési irányra nézve, amely megfelel a szóban forgó beállításnak.
3.3. A távolsági fényre vonatkozó előírások
3.3.1. Az ernyőn a országúti fény által létrehozott megvilágítást ugyanolyan fényszóró-beállítással kell mérni, mint amelyet a 3.2.5.-3.2.7. pont méréseire írtak elő.
3.3.2. Az országúti fény által az ernyőn létrehozott megvilágításnak az alábbi előírásokat kell teljesítenie:
3.3.2.1. A h-h és v-v vonal HV metszéspontjának a maximális megvilágítás 90 %-ának megfelelő isoluxon belül kell lennie. E maximális értéknek (Emax) legalább 32 lux-nak kell lennie, de nem lépheti túl a 240 lux értéket.
3.3.2.2. A HV-ponttól jobbra és balra vízszintesen haladva a megvilágításnak 1,125 m távolságban legalább 16 luxnak és 2,25 m távolságig legalább 4 luxnak kell lennie.
3.4. A 3.2.5.-3.2.7. és 3.3. pontban említett ernyőmegvilágítást egy olyan fotocellával kell mérni, amelynek működő felülete egy 65 mm oldalhosszúságú négyszögön belül van.
4. REFERENCIA-FÉNYSZÓRÓ
Referencia-fényszórónak kell tekinteni egy fényszórót, ha:
4.1. teljesíti a fent említett alkatrész-típusjóváhagyási követelményeket;
4.2. tényleges átmérője legalább 160 mm;
4.3. egy referenciaizzóval a 3.2.5. pont szerinti különböző területek különböző pontjaiban olyan megvilágítást eredményez;
4.3.1. amely a 3.2.5. pontban előírt maximális értékeknek legalább 90 %-a, és
4.3.2. a minimális határértékeknek legalább 120 %-a.
5. AZ ILLETÉKES HATÓSÁGOKNAK A GYÁRTÁS AZONOSSÁGÁNAK AZ I. MELLÉKLET 5.1. PONTJÁNAK MEGFELELŐ ELLENŐRZÉSE SORÁN ELVÉGZETT BÁRMELY VIZSGÁLATÁVAL KAPCSOLATOS KIEGÉSZÍTŐ ELŐÍRÁSOK
5.1. A B 50 L (vagy R) és a III. zóna értékei tekintetében a maximális eltérés az alábbi lehet:
- B 50 L (vagy R): | 20 %-nak megfelelő 0,2 lux, illetve 30 %-nak megfelelő 0,3 lux |
- III. zóna: | 20 %-nak megfelelő 0,3 lux, illetve 30 %-nak megfelelő 0,45 lux |
5.2. A tompított fény tekintetében az ezen irányelvben előírt értékeket a HV-pontban kell teljesíteni (0,2 lux tűréssel) és továbbá legalább egy pontban minden, a (25 méterre elhelyezett) mérőernyőn a B 50 L (vagy R) (0,1 lux tűréssel), 75 R (vagy L), 50 R (vagy L), 25 R, 25 L pontok köré 15 cm-es sugárral rajzolt kör által határolt területen és a IV. zóna teljes területén, amely 22,5 cm-nél nem magasabban helyezkedik el a 25 R és 25 L vonal fölött.
5.2.1. Ha a távolsági fény esetében, a 0,75 Emax egyenlő megvilágítású pontokat összekötő vonalon (isolux) belül elhelyezkedő HV mellett, e melléklet 3.2.5. pontjában meghatározott mérési pontok bármelyikében a fotometriai értékeknél a maximális értékekhez képest + 20 % és a minimális értékekhez képest - 20 % eltérést észlelnek, a referenciajelet figyelmen kívül kell hagyni.
5.3. Ha a fent leírt vizsgálatok eredményei nem teljesítik az előírásokat, megengedhető a fényszóró beállításának módosítása, feltéve, hogy a fénysugár tengelye nem mozdul el 1°-nál többel jobbra vagy balra.
5.4. A nyilvánvalóan hibás fényszórókat figyelmen kívül kell hagyni.
5.5. A referenciajelet figyelmen kívül kell hagyni.
1. függelék
A mérőernyő
EGYSÉGES EURÓPAI FÉNYSUGÁR
Jobb oldali közlekedésre alkalmas fényszóró ( 33 )

(méretek mm-ben)
2. függelék
Üzemelő fényszórók fotometriai teljesítménystabilitásának vizsgálata
Az előírásoknak való megfelelés nem elegendő feltétele a műanyag lencséket tartalmazó fényszórók alkatrész-típusjóváhagyásának.
Lásd a 3-D. melléklet 2. függelékét.
3. függelék
Műanyag lencséket tartalmazó lámpákra vonatkozó előírások, és a lencse- vagy anyagminták és egész lámpák vizsgálata
Lásd a 3-D. melléklet 3. függelékét.
4. függelék
motorkerékpárokhoz és triciklikhez való, halogénlámpákkal (HS1 lámpákkal) vagy R2 kategóriájú izzólámpákkal felszerelt, aszimmetrikus tompított fényt és távolsági fényt kibocsátó fényszórótípus adatközlő lapja

5. függelék

III-D. MELLÉKLET
ASZIMMETRIKUS TOMPÍTOTT FÉNYT ÉS ORSZÁGÚTI FÉNYT KIBOCSÁTÓ, A HS1-TŐL KÜLÖNBÖZŐ TÍPUSÚ HALOGÉNLÁMPÁKKAL FELSZERELT FÉNYSZÓRÓK MOTORKERÉKPÁROKHOZ ÉS TRICIKLIKHEZ
1. A KÉSZÜLÉKEK JELEIRE ÉS JELÖLÉSÉRE VONATKOZÓ KIEGÉSZÍTŐ ELŐÍRÁSOK
1.1. Egyoldali (csak jobb vagy csak a bal oldali) közlekedésre tervezett fényszóróknál a lencsén be kell jelölni annak a területnek a határát, amelyet esetleg le kell takarni az úton közlekedők zavarásának elkerülése céljából egy olyan országban, amelyben ellenkező irányú közlekedés van ahhoz képest, mint amelyhez a fényszóró készült. Mindazonáltal, ha a fényszóró úgy van kialakítva, hogy ez a terület közvetlenül felismerhető, az ilyen elhatárolásra nincs szükség.
1.2. A jobb oldali, valamint a bal oldali közlekedés követelményeinek teljesítésére tervezett fényszórókat meg kell jelölni a világító egységnek a járművön vagy az izzónak a fényvisszaverőben való megfelelő elhelyezése érdekében; ezek a jelölések az "R/D" betűkből állnak a jobb oldali közlekedésnek megfelelő helyzet és az "L/G" betűkből a bal oldali közlekedésnek megfelelő helyzet megadására.
1.3. Minden olyan fényszórót, amelynél eleve ki van zárva, hogy a tompított fény izzóspirálja egyidejűleg égjen bármely más, vele egyesített fényforrás izzóspiráljával, az alkatrész-típusjóváhagyási jelben a tompított fényű fényszóró jele után elhelyezett ferde vonallal (/) kell megjelölni.
1.4. A csak a bal oldali közlekedés követelményeit teljesítő fényszórókat az alkatrész-típusjóváhagyási jel alatt egy vízszintes nyíllal kell megjelölni, amelynek hegye a fényszóróra elölről ránéző megfigyelőnek jobb felé, azaz a közlekedésre használt útoldal széle felé mutat.
1.5. Ahol a világító egység vagy az izzó szándékos átállításával a fényszóróval mindkét közlekedési irány követelményei teljesíthetők, kéthegyű, jobbra és balra mutató vízszintes nyilat kell elhelyezni az alkatrész-típusjóváhagyási jel alatt.
1.6. Az alábbi kiegészítő jelet vagy jeleket kell még elhelyezni:
1.6.1. a csak a bal oldali közlekedés követelményeit teljesítő fényszórókon egy vízszintes nyíl, amelynek hegye a fényszóróra elölről ránéző megfigyelőnek jobb felé, azaz a közlekedésre használt útoldal széle felé mutat;
1.6.2. azokon a fényszórókon, amelyeknél a világító egység vagy az izzó megfelelő átállításával mindkét közlekedési irány követelményei teljesíthetők, kéthegyű, jobbra, illetve balra mutató vízszintes nyíl;
1.6.3. azokon a fényszórókon, amelyek ennek az irányelvnek a követelményeit csak a tompított fény tekintetében teljesítik, a "HC" betűk;
1.6.4. azokon a fényszórókon, amelyek ennek az irányelvnek a követelményeit csak a távolsági fény tekintetében teljesítik, a "HR" betűk;
1.6.5. azokon a fényszórókon, amelyek ennek az irányelvnek a követelményeit mind a tompított fény, mind a távolsági fény tekintetében teljesítik, a "HCR" betűk;
1.6.6. a műanyag lencsét tartalmazó fényszóróknál a "PL" betűket kell elhelyezni az 1.6.3.-1.6.5. pontban előírt jelek közelében.
2. ÁLTALÁNOS ELŐÍRÁSOK
2.1. Minden mintadarabnak teljesítenie kell a 6.-8. pont előírásait.
2.2. A készülékeket úgy kell kialakítani és gyártani, hogy rendes üzemi viszonyok között és bármely rázkódás ellenére, amelynek ki lehetnek téve, megfelelő működésük csorbítatlan maradjon és megtartsák az e mellékletben előírt jellemzőiket.
2.2.1. A fényszórókat olyan berendezéssel kell ellátni, amely lehetővé teszi a járművön való beállításukat, a rájuk vonatkozó szabályoknak megfelelően. Ez a berendezés elhagyható olyan alkatrészeknél, amelyeknél a fényvisszaverő tükör és a lencse nem választható szét, feltéve, hogy az ilyen típusú egység alkalmazása olyan járművekre korlátozódik, amelyeknél a fényszórót más módon lehet beállítani. Ha egy kimondottan távolsági fény adására és egy kimondottan tompított fény adására tervezett fényszórót, amelyek mindegyike külön izzólámpával rendelkezik, egyetlen készülékben vonnak össze, a beállító szerkezetnek lehetővé kell tennie mindkét optikai rendszer megfelelő egyedi beszabályozását. Mindazonáltal e rendelkezések nem vonatkoznak olyan fényszóróegységekre, amelyek fényvisszaverői oszthatatlanok. Az ilyen részegységre a 6. pont előírásai érvényesek.
2.3. Az izzólámpá(ka)t a fényvisszaverőben rögzítő alkatrészeket úgy kell kialakítani, hogy az izzólámpá(ka)t még sötétben is csak a szabályos helyzetbe lehessen behelyezni ( 34 ), ( 35 ).
Az izzólámpa-foglalatnak meg kell felelnie a CEI 61-2 kiadvány alábbi adatlapjain megadott méretjellemzőknek:
Izzólámpák | Foglalat | Adatlapok |
H1 | P 14.5s | 7005.46.3 |
H2 | X 5111 | 7005.99.2 |
H3 | PK 22s | 7005.47.1 |
HB3 | P 20d | 7005.31.1 |
HB4 | P 22d | 7005.32.1 |
H7 | PX 26d | 7005.5.1 |
H4 | P43t-38 | 7005.39.2 |
2.4. Azokat a fényszórókat, amelyeket úgy terveztek, hogy azokkal teljesíthetők legyenek mind a jobb, mind a bal oldali közlekedés követelményei, vagy eleve a járműre való szerelésekor, vagy a felhasználó választása szerint beállítva lehet alkalmassá tenni az út adott oldalán való közlekedésre. Ez a kezdeti vagy választás szerinti beállítás például vagy az optikai egységnek a járműhöz, vagy az izzónak az optikai egységhez való, meghatározott szögben történő rögzítéséből állhat. Minden esetben csak két különböző, pontosan meghatározott és vagy a jobb oldali, vagy a bal oldali közlekedésnek megfelelő beállítási helyzet engedélyezhető, és a kialakításnak olyannak kell lennie, amely kizárja a fényszóró egyik helyzetből a másikba történő, nem szándékos átállítását, vagy egy közbenső helyzetbe történő beállítását. Ha az izzólámpa két különböző helyzetet foglalhat el, az izzólámpát a fényvisszaverőhöz rögzítő alkatrészeket úgy kell megtervezni és elkészíteni, hogy a lámpa a két helyzet mindegyikében ugyanolyan pontossággal helyezkedjék el, mint amilyent a csak egyirányú közlekedésre szánt fényszóróknál követelnek meg. Azt, hogy a berendezés teljesíti-e ezeket az előírásokat, vizuálisan, és ha kell, próbaszerelés útján kell ellenőrizni.
2.5. Csak az egy-izzószálú halogén lámpákkal ellátott fényszórókra vonatkozóan: azoknál a fényszóróknál, amelyeket úgy terveztek, hogy váltakozva országúti fényt és tompított fényt adjanak, bármely, a fényváltás céljából a fényszóróba épített mechanikus, elektromechanikus vagy egyéb ( 36 ) berendezést úgy kell kialakítani, hogy:
2.5.1. a berendezés elég erős legyen ahhoz, hogy károsodás nélkül kibírjon 50 000 működtetést, a rendes használat közben előálló rázkódások mellett is;
2.5.2. meghibásodás esetén automatikusan álljon be a tompított fény;
2.5.3. mind a tompított fény, mind a távolsági fény úgy legyen kapcsolható, hogy a mechanizmus közbenső helyzetben való megállása kizárt legyen;
2.5.4. a felhasználó, közönséges szerszámok segítségével, ne változtathassa meg a mozgó alkatrészek alakját vagy helyzetét.
2.6. Annak biztosítására, hogy üzem közben ne következzék be a fotometriai teljesítmény megengedett mértéken túli megváltozása, a 2. függelék követelményeinek megfelelően kiegészítő vizsgálatokat kell végezni.
2.7. Ha a fényszóró lencséje műanyagból készült, a 3. függelék követelményeinek megfelelően kiegészítő vizsgálatokat kell végezni.
3. A MEGVILÁGÍTÁS
3.1. Általános előírások
3.1.1. A fényszóróknak olyanoknak kell lenniük, hogy megfelelő H1, H2, H3, HB3, HB4, H7 és/vagy H4 izzókkal a tompított fény megfelelő megvilágítást adjon, de ne vakítson, a távolsági fény pedig jó megvilágítást adjon.
3.1.2. A fényszóró által létrehozott megvilágítás ellenőrzéséhez a fényszóró előtt 25 méter távolságban függőlegesen, a fényszóró tengelyére merőlegesen elhelyezett ernyőt kell használni (lásd az 1. függeléket).
3.1.3. A fényszóró vizsgálatához 12 V névleges feszültségű szabványos (referencia) izzólámpá(ka)t kell használni. A fényszóró vizsgálata alatt az áramot az izzólámpa érintkezőinél az alábbi jellemzők elérésére kell beállítani:
Izzólámpák | Névleges mérési tápfeszültség (V-ban) | Fényáram lumen-ben |
H1 | 12 | 1 150 |
H2 | 12 | 1 300 |
H3 | 12 | 1 100 |
HB3 | 12 | 1 300 |
HB4 | 12 | 825 |
H7 | 12 | 1 100 |
H4 tompított országúti | 12 12 | 750 1 250 |
A fényszóró elfogadhatónak tekinthető, ha legalább egy, a fényszóróval együtt átadott referencialámpával teljesíti a fotometriai követelményeket.
3.1.4. Az izzóspirálnak a szabványos (referencia) 12 V-os izzólámpában elfoglalt helyét meghatározó méretek a 4. melléklet vonatkozó adatlapján találhatók meg.
3.1.5. Az izzóspirálos szabványos (referencia) lámpa üvegburájának olyan alakúnak és optikai minőségűnek kell lennie, hogy ne okozzon olyan visszaverődést vagy fénytörést, amely hátrányosan hatna a fényeloszlásra. E követelmény teljesítését egy szabványos (referencia) izzólámpával felszerelt szabványos fényszóróval nyert fényeloszlás megmérésével kell ellenőrizni.
3.2. A tompított fényre vonatkozó előírások
3.2.1. A tompított fénynek olyan határozott világos-sötét határvonalat kell eredményeznie, hogy e határvonal segítségével pontos beállítást lehessen végezni. A világos-sötét határvonalnak egyenes vízszintes vonalnak kell lennie azzal a közlekedési iránnyal ellenkező oldalon, amelyre a fényszórót tervezték; a másik oldalon a világos-sötét határvonal nem mehet túl sem a vízszintessel 45°-os szöget bezáró HV-H1 egyenesből és egy, a h-h egyenes felett 25 cm-rel elhelyezkedő H1-H4 egyenesből álló HV-H1-H4 tört vonalon, sem a vízszintessel 15°-os szöget bezáró HV-H3 vonalon (lásd az 1. függeléket). Semmilyen körülmények között sem fogadható el olyan világos-sötét határvonal, amely a két előbbi lehetőségből eredő HV-H2 és H2-H4 vonalon túlmegy.
3.2.2. A fényszórót úgy kell beállítani, hogy:
3.2.2.1. a jobb oldali közlekedés követelményeinek teljesítésére tervezett fényszórók esetében a világos-sötét határvonalnak az ernyő bal oldalán ( 37 ) vízszintesnek kell lennie, és a bal oldali közlekedés követelményeinek teljesítésére tervezett fényszórók esetében a világos-sötét határvonalnak az ernyő jobb oldalán vízszintesnek kell lennie.
3.2.2.2. a világos-sötét határvonal e vízszintes szakaszának 25 cm-rel a h-h vonal alatt kell lennie (lásd az 1. függeléket);
3.2.2.3. A világos-sötét határvonal töréspontja a v-v egyenesen van ( 38 ).
3.2.3. Az így beállított fényszórónak, ha csak a tompított fény tekintetében kívánják jóváhagyatni ( 39 ), csak a 3.2.5.-3.2.7. és a 3.3. pont követelményeit kell teljesítenie.
3.2.4. Ha egy, a fenti módon beállított fényszóró nem teljesíti a 3.2.5.-3.2.7. és a 3.3. pont követelményeit, megengedhető a beállítás módosítása, feltéve, hogy a fénysugár tengelye nem mozdul el 1°-nál (= 44 cm) többel jobbra vagy balra ( 40 ). A világos-sötét határvonallal végzett beállítás megkönnyítése érdekében megengedett a fényszóró részleges letakarása a világos-sötét határvonal határozottabbá tétele céljából.
3.2.5. A tompított fény által az ernyőn létrehozott megvilágításnak az alábbi követelményeket kell teljesítenie:
Pont a mérőernyőn | Előírt megvilágítás lux-ban | |||
Jobb oldali közlekedésben használatos fényszóró | Bal oldali közlekedésben használatos fényszóró | |||
pont | B 50 L | pont | B 50 R | ≤ 0,4 |
pont | B 75 R | pont | B 75 L | ≥ 12 |
pont | B 75 L | pont | B 75 R | ≤ 12 |
pont | B 50 L | pont | B 50 R | ≤ 15 |
pont | B 50 R | pont | B 50 L | ≥ 12 |
pont | B 50 V | pont | B 50 V | ≥ 6 |
pont | B 25 L | pont | B 25 R | ≥ 2 |
pont | B 25 R | pont | B 25 L | ≥ 2 |
a III. zóna minden pontja | ≤ 0,7 | |||
a IV. zóna minden pontja | ≥ 3 | |||
az I. zóna minden pontja | ≤ 2 × (E50 R és E50 L) (1) | |||
(1) E50 R és E 50 L a ténylegesen mért megvilágítások |
3.2.6. Az I., II., III. és IV. zóna egyikében sem lehet olyan oldalirányú eltérés, amely a jó látást zavarhatná.
3.2.7. Az 1. függelék C. ábráján jelzett "A" és "B" zónák megvilágítási értékeit az ábra 1.-8. pontjában mért fotometriai értékek megmérésével kell ellenőrizni; ezeknek az értékeknek az alábbi határokon belül kell elhelyezkedniük:
- 0,7 lux ≥ 1, 2, 3, 7 ≥ 0,1 lux,
- 0,7 lux ≥ 4, 5, 6, 8 ≥ 0,2 lux.
3.2.8. Az olyan fényszórók esetében, amelyeket mind a jobb oldali, mind a bal oldali közlekedés követelményeinek teljesítésére terveztek, az optikai egység vagy az izzólámpa mindkét beállítási helyzetében teljesíteniük kell a fent jelzett előírásokat arra a közlekedési irányra vonatkozóan, amely megfelel a szóban forgó beállításnak.
3.3. A távolsági fényre vonatkozó előírások
3.3.1. A mind távolsági fény, mind tompított fény létrehozására kialakított fényszóróknál az ernyőn az országúti fény által létrehozott megvilágítást ugyanolyan fényszóró-beállítással kell mérni, mint amilyennel a 3.2.5.-3.2.7. pont méréseit is végezték. Ha egy fényszóró csak távolsági fényt ad, a fényszórót úgy kell beállítani, hogy a maximális megvilágítás területe a h-h és v-v vonal metszéspontjára összpontosuljon; egy ilyen fényszórónak csak a 3.3. pont előírásait kell teljesítenie.
3.3.2. A távolsági fény által az ernyőn létrehozott megvilágításnak az alábbi követelményeket kell teljesítenie:
3.3.2.1. A h-h és v-v vonalak (HV) metszéspontjának a maximális megvilágítás 90 %-ának megfelelő isoluxon belül kell lennie. E maximális értéknek (Emax) legalább 48 lux-nak kell lennie, de nem lépheti túl a 240 lux értéket. Továbbá kombinált, országúti fényt és tompított fényt egyaránt adó fényszórók esetében a maximális érték nem lehet nagyobb, mint a tompított fénynél a 75 R (vagy 75 L) pontban mért megvilágítás 16-szorosa.
3.3.2.1.1. A távolsági fény maximális fényintenzitását (lmax) ezer candelában kifejezve, az alábbi képlettel kell kiszámítani:
lmax = 0,625 Emax
3.3.2.1.2. az 1.6. pontban említett, e maximális intenzitásra utaló (l'max) referenciajelet az alábbi képlettel kell kiszámítani:

ezt az értéket a következő értékek közül a legközelebbire kell kerekíteni: 7,5, 10, 12,5, 17,5, 20, 25, 27,5, 30, 37,5, 40, 45, 50.
3.3.2.2. A HV-ponttól jobbra és balra vízszintesen haladva a megvilágításnak 1,125 m távolságig legalább 24 luxnak és 2,25 m távolságig legalább 6 luxnak kell lennie.
3.4. A 3.2.5.-3.2.7. és 3.3 pontban említett ernyőmegvilágítási értékeket egy olyan fotovevővel kell mérni, amelynek működő felülete egy 65 mm oldalhosszúságú négyszögön belül van.
4. A KÉNYELMETLENSÉG FELMÉRÉSE
A fényszórók tompított fénye által okozott kényelmetlenséget fel kell mérni.
5. SZABVÁNYOS FÉNYSZÓRÓ
5.1. Egy fényszórót szabványos (referencia) fényszórónak kell tekinteni, ha:
5.1.1. teljesíti a fenti jóváhagyási követelményeket;
5.1.2. tényleges átmérője legalább 160 mm;
5.1.3. egy szabványos izzólámpával a 3.2.5. pont szerinti különböző pontokban és különböző zónákban olyan megvilágítást eredményez, amely:
5.1.3.1. a 3.2.5. pontban előírt maximális határértékeknek legfeljebb 90 %-a, és
5.1.3.2. a minimális határértékeknek legalább 120 %-a.
6. AZ ILLETÉKES HATÓSÁGOKNAK A GYÁRTÁS AZONOSSÁGÁNAK AZ I. MELLÉKLET 5.1. PONTJÁNAK MEGFELELŐ ELLENŐRZÉSE SORÁN ELVÉGZETT BÁRMELY VIZSGÁLATÁVAL KAPCSOLATOS KIEGÉSZÍTŐ ELŐÍRÁSOK
6.1. A B 50 L (vagy R) és a III. zóna értékei tekintetében a maximális eltérés az alábbi lehet:
- B 50 L (vagy R): | 20 %-nak megfelelő 0,2 lux, illetve 30 %-nak megfelelő 0,3 lux |
- III. zóna: | 20 %-nak megfelelő 0,3 lux, illetve 30 %-nak megfelelő 0,45 lux |
6.2. A tompított fény tekintetében az ezen irányelvben előírt értékeket a HV-pontban kell teljesíteni (0,2 lux tűréssel) és legalább egy pontban minden, a (25 méterre elhelyezett) mérőernyőn a B 50 L (vagy R) (0,1 lux tűréssel), 75 R (vagy L), 50 R (vagy L), 25 R, 25 L pontok köré 15 cm-es sugárral rajzolt kör által határolt területen és a IV. zóna teljes területén, amely 22,5 cm-nél nem magasabban helyezkedik el a 25 R és 25 L vonal fölött.
6.2.1. Ha a távolsági fény esetében, a HV a 0,75 Emax-nak megfelelő isoluxon belül helyezkedik el, az e melléklet 3.2.5. pontjában meghatározott mérési pontok bármelyikében mért fotometriai értékeknél a maximális értékekhez képest + 20 % és a minimális értékekhez képest - 20 % eltérést észlelnek, a referenciajelet figyelmen kívül kell hagyni.
6.3. Ha a fent leírt vizsgálatok eredményei nem teljesítik a követelményeket, megengedhető a fényszóró beállításának módosítása, feltéve, hogy a fénysugár tengelye nem mozdul el 1°-nál többel jobbra vagy balra.
6.4. A nyilvánvalóan hibás fényszórókat figyelmen kívül kell hagyni.
6.5. A referenciajelet figyelmen kívül kell hagyni.
1. függelék
A mérőernyő
Egységes európai fénysugár
A. Jobb oldali közlekedésre alkalmas fényszóró

(méretek mm-ben)
B. Bal oldali közlekedésre alkalmas fényszóró

(méretek mm-ben)
C. A megvilágítási értékek mérési pontjai

Megjegyzés:
A C. ábrán a jobb oldali közlekedésre vonatkozó mérési pontok láthatók. Bal oldali közlekedés esetén elegendő a 7. és 8. pontot az ábra jobb oldalán a megfelelő helyekre áthelyezni.
2. függelék
Üzemelő fényszórók fotometriai teljesítménystabilitásának vizsgálata
EGÉSZ FÉNYSZÓRÓK VIZSGÁLATA
Miután a távolsági fény tekintetében az Emax és a tompított fény tekintetében a HV, 50 R, B 50 L (vagy bal oldali közlekedés esetén a HV, 50 L, B 50 R) pontban sor került a fotometriai értékek ezen irányelv előírásainak megfelelő megmérésére, egy egész fényszóró-mintát kell megvizsgálni a fotometriai teljesítmény üzem közbeni stabilitása szempontjából. A "egész fényszóró" alatt magát a egész lámpát kell érteni, az azt körülvevő karosszériarészekkel és azokkal a lámpákkal együtt, amelyek hőleadására hatással lehetnek.
1. A FOTOMETRIAI STABILITÁS VIZSGÁLATA
A vizsgálatokat száraz és nyugodt légkörben, 23 °C ± 5 °C környezeti hőmérsékleten, kell elvégezni, az egész fényszórót egy, a járműre történő felszerelésnek megfelelő alapra szerelve.
1.1. Tiszta fényszóró
A fényszórót az 1.1.1. pontban leírt módon 12 órán át kell működtetni és az 1.1.2. pontban előírt módon kell ellenőrizni.
1.1.1. A vizsgálati eljárás
A fényszórót az előírt időtartamig úgy kell működtetni, hogy:
1.1.1.1. a) abban az esetben, ha csak egy világítási funkciót (távolsági fény vagy tompított fény) kell jóváhagyni, a megfelelő izzóspirál ég az előírt időn át ( 41 );
b) kölcsönösen egyesített tompított fényű lámpa és távolsági fényű lámpa esetén (kettős-izzóspirálú izzó vagy két izzólámpa):
- ha a kérelmező kijelenti, hogy a fényszóró használata során csak egy izzóspirál fog égni ( 42 ), a vizsgálatot e feltételnek megfelelően úgy kell elvégezni, hogy mindegyik megadott funkció az 1.1. pontban meghatározott időtartam feléig működjön (42) ,
- minden más esetben (42) (42) a fényszórót az alábbi ciklus szerint kell működtetni az előírt időtartam eléréséig:
-
- 15 percig a tompított fény izzóspirálja ég,
- 5 percig minden izzóspirál ég;
c) csoportba foglalt világítási funkciók esetén az egyes funkciókat egyidejűleg kell működtetni az egyes világítási funkciókra meghatározott ideig: a) figyelembe véve a kölcsönösen egyesített világítási funkciókat is; b) a gyártó útmutatásai szerint.
1.1.1.2. A próbafeszültség
A feszültséget úgy kell beállítani, hogy a IV. mellékletben meghatározott maximális teljesítmény 90 %-át szolgáltassa. Az alkalmazott teljesítménynek minden esetben meg kell felelnie a 12 V névleges feszültségű izzólámpa megfelelő értékének, kivéve, ha a jóváhagyás kérelmezője más működtető feszültséget jelöl meg a fényszóróra. Utóbbi esetben a vizsgálatot az alkalmazható legnagyobb teljesítményű izzólámpával kell elvégezni.
1.1.2. A vizsgálati eredmények
1.1.2.1. Szemrevételezés
Amikor a fényszóró beállt a környezet hőmérsékletére, a fényszóró lencséjét és, ha van, külső lencséjét tiszta nedves ruhával meg kell tisztítani. Ellenőrizni kell szemrevételezéssel; sem a fényszórón, sem a külső lencsén, ha van, nem lehet észrevehető elhúzódás, deformáció, repedés vagy színváltozás.
1.1.2.2. Fotometriai vizsgálat
Ezen irányelv előírásainak megfelelően az alábbi pontokban kell ellenőrizni a fotometriai értékeket:
Tompított fény:
- 50 R - B 50 L - HV jobb oldali közlekedésre készült fényszóróknál,
- 50 L - B 50 R - HV bal oldali közlekedésre készült fényszóróknál.
Távolsági fény:
- Emax-pont
- Újabb beállítást lehet végezni a fényszóró alapja hő hatására bekövetkezett deformációjának figyelembe vétele érdekében (a világos-sötét határvonal helyének változására lásd e függelék 2. pontját).
- A fotometriai jellemzők és a vizsgálat előtt mért értékek között 10 % eltérés megengedhető, beleértve a fotometriai eljárás tűréseit is.
1.2. Piszkos fényszóró
Az 1.1. pontban előírt vizsgálat után a fényszórót az 1.2.1. pontban leírt módon előkészítve egy órán keresztül az 1.1.1. pontban írtak szerint kell működtetni, majd az 1.1.2. pontban leírt módon ellenőrizni.
1.2.1. A fényszóró előkészítése
1.2.1.1. A próbakeverék
A vizsgálat céljára a fényszórón alkalmazandó szennyezőanyag-víz keveréket kilenc (tömeg)rész 0 és 100 μm közötti szemcsenagyság-eloszlású kvarchomokból, egy (tömeg)rész 0 és 100 μm közötti szemcsenagyság-eloszlású növényi szénporból, 0,2 (tömeg)rész NaCMC-ből ( 43 ) és megfelelő mennyiségű, 1 mS/m-nél kisebb fajlagos vezetőképességű desztillált vízből kell összekeverni.
A keverék nem lehet 14 napnál régebbi.
1.2.1.2. A keverék felvitele a fényszóróra
A próbakeveréket egyenletesen kell felvinni a fényszóró egész fénykibocsátó felületére és hagyni kell megszáradni. Ezt az eljárást addig kell ismételni, amíg a megvilágítási érték minden alábbi pontban a fenti 1. pontban leírt feltételek mellett mért értékek 15-20 %-ára nem csökken:
- Emax egy távolsági/tompított lámpa országúti fényénél,
- Emax egy csak távolsági lámpa távolsági fényénél,
- 50 R és 50 V ( 44 ) jobb oldali közlekedésre kialakított, csak tompított fényt adó lámpánál,
- 50 L és 50 V bal oldali közlekedésre kialakított, csak tompított fényt adó lámpánál.
1.2.1.3. A mérőberendezés
A mérőberendezésnek egyenértékűnek kell lennie a fényszóró jóváhagyási vizsgálatánál alkalmazottal. A fotometriai igazoláshoz egy szabványos (referencia) izzólámpát kell használni.
2. A VILÁGOS-SÖTÉT HATÁRVONAL HŐ HATÁSÁRA BEKÖVETKEZŐ FÜGGŐLEGES ELMOZDULÁSÁNAK VIZSGÁLATA
Ez a vizsgálat azt igazolja, hogy a világos-sötét határvonal hő hatására bekövetkező függőleges eltolódása nem haladja meg a működő tompított fényű lámpára megállapított értéket.
Az 1. pontban leírt próbák elvégzése után, a fényszórót úgy kell a 2.1. pontban leírt vizsgálatnak alávetni, hogy közben nem szabad elmozdítani vagy beállítani a próbaállványhoz képest.
2.1. A vizsgálat
A vizsgálatot száraz és nyugodt légkörben, 23 °C ± 5 °C környezeti hőmérsékleten kell elvégezni.
Egy legalább egy órán át öregített, sorozatgyártású izzólámpát használva a fényszórót tompított fénnyel kell működtetni úgy, hogy közben nem szabad elmozdítani vagy beállítani a próbaállványhoz képest. (Ehhez a vizsgálathoz a feszültséget az 1.1.1.2. pont szerint kell beállítani.) Meg kell állapítani a világos-sötét határvonal (a V-V és bal oldali közlekedésnél a B 50 R ponton, illetve jobb oldali közlekedésnél a B 50 L ponton áthaladó függőleges közötti) vízszintes részének helyzetét a működtetés után 3 perccel (r3) és 60 perccel (r60).
A világos-sötét határvonal helyzetváltozásának fent leírt mérését bármilyen, elfogadható pontosságot és megismételhető eredményt nyújtó módszerrel el lehet végezni.
2.2. A vizsgálati eredmények
A milliradiánokban (mrad) kifejezett eredmények akkor tekinthetők elfogadhatónak, ha a fényszórón mért

1
2.2.1. Mindazonáltal, ha ez az érték több, mint 1,0 mrad, de nem több, mint 1,5 mrad (1,0 mrad < Δr1 ≤ 1,5 mrad), egy második fényszórót kell kipróbálni a 2.1. pontban leírtak szerint, miután egymás után háromszor alávetették az alább leírt ciklusnak, annak érdekében, hogy a fényszóró mechanikus alkatrészeinek helyzete stabilizálódjék a járművön való elhelyezést képviselő alapon:
- a tompított fény működtetése egy órán keresztül (a feszültséget az 1.1.1.2. pont szerint kell beállítani),
- egy órai szünet.
A fényszóró akkor tekinthető elfogadhatónak, ha az első mintán mért Δr1 és a második mintán mért Δr11 abszolút értékek átlaga nem több, mint 1,0 mrad.

3. Függelék
Műanyag lencséket tartalmazó lámpákra vonatkozó előírások, valamint a lencse- vagy anyagminták és egész lámpák vizsgálata
1. ÁLTALÁNOS ELŐÍRÁSOK
1.1. Az I. melléklet 2.4. pontjának megfelelően benyújtott próbadaraboknak teljesíteniük kell az e függelék 2.1.-2.5. pontjában megadott feltételeket.
1.2. Az I. melléklet 2.3. pontjának megfelelően benyújtott, műanyag lencsét tartalmazó egész lámpa próbadaraboknak a lencse anyaga tekintetében teljesíteniük kell e függelék 2.6. pontjának előírásait.
1.3. A műanyag lencsemintákat vagy anyagmintákat a fényvisszaverővel együtt, amelyre rá vannak szerelve (adott esetben), jóváhagyási vizsgálatnak kell alávetni a 3.1. függelék A. táblázatában jelzett időrendi sorrendben.
1.4. Mindazonáltal, ha a lámpa gyártója igazolni tudja, hogy a termék már túljutott az alábbi 2.1.-2.5. pontban leírt vagy valamely más irányelvben szereplő, ezekkel egyenértékű vizsgálatokon, ezeket a vizsgálatokat nem kell megismételni; csak a 3.1. függelék B. táblázatában előírt vizsgálatok kötelezőek.
2. A VIZSGÁLATOK
2.1. A hőmérséklet-változásokkal szembeni ellenállóképesség
2.1.1. Vizsgálatok
Három új mintát (lencsét) kell ötször alávetni az alábbi program szerinti hőmérséklet- és páratartalom-változási ciklusnak (RP = relatív páratartalom):
- 3 óra 40 °C ± 2 °C hőmérsékleten és 85 %-95 % RP mellett;
- 1 óra 23 °C ± 5 °C hőmérsékleten és 60 %-75 % RP mellett;
- 15 óra - 30 °C ± 2 °C hőmérsékleten;
- 1 óra 23 °C ± 5 °C hőmérsékleten és 60 %-75 % RP mellett;
- 3 óra 80 °C ± 2 °C hőmérsékleten;
- 1 óra 23 °C ± 5 °C hőmérsékleten és 60 %-75 % RP mellett.
E vizsgálat előtt a mintát legalább két órán át 23 °C ± 5 °C hőmérsékleten kell tartani 60 %-75 %-os relatív páratartalom mellett.
Megjegyzés:
Az egyórás 23 °C ± 5 °C periódusokba beletartozik az egyik hőmérsékletről a másikra való átmenet időszaka is, amely a lökésszerű hőhatás elkerüléséhez szükséges.
2.1.2. Fotometriai mérések
2.1.2.1. A módszer
A minták fotometriai méréseit a vizsgálatok előtt és után kell elvégezni.
A méréseket szabványos izzóval kell elvégezni az alábbi pontokban:
B 50 L és 50 R a tompított fényű vagy tompított/távolsági fényű lámpa tompított fényére (bal oldali közlekedésre szánt lámpáknál B 50 R és 50 L), vagy B 50 és 50 R/L szimmetrikus tompított fénysugár esetén;
Emax irány a távolsági fényű vagy tompított/távolsági fényű lámpa távolsági fényére;
HV és Emax D zóna ködfényszórókra.
2.1.2.2. Az eredmények
Az egyes mintákon a vizsgálatok előtt és után mért fotometriai értékek eltérése nem lehet 10 %-nál több, beleértve a fotometriai eljárás tűréseit is.
2.2. A levegőben lévő anyagokkal és a vegyi anyagokkal szembeni ellenállóképesség
2.2.1. A levegőben lévő anyagokkal szembeni ellenállóképesség
Három új mintát (lencsét vagy anyagmintát) kell kitenni olyan forrásból eredő sugárzásnak, amelynek színképi energiaeloszlása hasonló az 5 500 K és 6 000 K közötti hőmérsékletű fekete test energiaeloszlásához. Megfelelő szűrőket kell elhelyezni a sugárforrás és a minták közé, a 295 nm-nél kisebb és 2 500 nm-nél nagyobb hullámhosszúságú sugárzások lehetséges legnagyobb mértékű csökkentése érdekében. A mintákat annyi ideig kell kitenni 1 200 W/m2 ± 200 W/m2 energiabesugárzásnak, hogy az általuk kapott fényenergia 4 500 MJ/m2 ± 200 MJ/m2 legyen. A zárt téren belül, a mintákkal egy szinten elhelyezett fekete lap hőmérsékletének 50 °C ± 5 °C kell lennie. Az egyenletes megvilágítás érdekében a mintákat a sugárforrás körül 1 és 5 1/min közötti fordulatszámmal forgatni kell.
A mintákat 1 mS/m-nél kisebb fajlagos vezetőképességű desztillált vízzel kell lepermetezni 23 °C ± 5 °C hőmérsékleten az alábbi ciklus szerint:
- permetezés: | 5 perc |
- száradás: | 25 perc |
2.2.2. Vegyi anyagokkal szembeni ellenállóképesség
A 2.2.1. pontban leírt vizsgálat és a 2.2.3.1. pontban leírt mérés befejezése után a fenti három minta külső felületét a 2.2.2.2. pontban leírtak szerint kell kezelni a 2.2.2.1. pontban megadott keverékkel.
2.2.2.1. A próbakeverék
A próbakeverék 61,5 % n-heptánból, 12,5 % toluolból, 7,5 % etil-tetrakloridból, 12,5 % triklóretilénből és 6 % xilolból áll (térfogat %).
2.2.2.2. A próbakeverék felvitele
Egy pamutrongyot kell beáztatni (az ISO 105 szerint) a 2.2.2.1. pontban meghatározott keverékbe, míg teleszívja magát, és 10 másodpercen belül 10 percre a minta külső felületére kell helyezni 50 N/cm2 nyomással, amely megfelel egy 14 × 14 mm-es felületre ható 100 N erő hatásának.
E 10 perces időszak alatt a ruhát ismételten meg kell nedvesíteni a keverékkel úgy, hogy az alkalmazott folyadék összetétele állandóan azonos legyen a keverékre előírttal.
A vizsgálat alatt az e nyomás által okozható törés elkerülése érdekében megengedett a mintára ható nyomás kompenzálása.
2.2.2.3. A tisztítás
A próbakeverék alkalmazásának befejeztével a mintát szabad levegőn meg kell szárítani, majd 23 °C ± 5 °C hőmérsékleten le kell mosni a 2.3. pontban (tisztítószerekkel szembeni ellenállóképesség) leírt oldattal.
Ezt követően a mintákat gondosan le kell öblíteni 23 °C ± 5 °C hőmérsékleten 0,2 %-nál nem több tisztátalanságot tartalmazó desztillált vízzel, és puha ruhával szárazra kell törölni.
2.2.3. Az eredmények
2.2.3.1. A levegőben lévő anyagokkal szembeni ellenállóképesség vizsgálata után a minták külső felületén nem lehet repedés, karcolás, letöredezés és deformáció, és a fényátbocsátás átlagos változása

a három mintán az e melléklet 3.2. függelékében leírt eljárással mérve nem lehet több, mint 0,020 (Δtm ≤ 0,020).
2.2.3.2. A vegyi anyagokkal szembeni ellenállóképesség vizsgálata után a mintákon semmiféle olyan vegyi foltosodás nem maradhat, amely akkora fényáram-szóródást okozhatna, amelynek átlagos változása

a három mintán az e melléklet 3.2. függelékében leírt eljárással mérve több lenne, mint 0,020 (Δdm ≤ 0,020).
2.3. A tisztítószerekkel és szénhidrogénekkel szembeni ellenállóképesség
2.3.1. A tisztítószerekkel szembeni ellenállóképesség
A minták (lencsék vagy anyagminták) külső felületét 50 °C ± 5 °C hőmérsékletre kell melegíteni, majd öt percre bele kell mártani 99 rész 0,02 %-nál nem több tisztátalanságot tartalmazó desztillált víz és egy rész alkil-szulfonát 23 °C ± 5 °C hőmérsékleten tartott keverékébe.
A vizsgálat végeztével a mintákat 50 °C ± 5 °C hőmérsékleten meg kell szárítani, és felületüket nedves ruhával tisztára kell törölni.
2.3.2. A szénhidrogénekkel szembeni ellenállóképesség
Ezt követően a három minta külső felületét egy percen át kell könnyedén dörzsölni egy 70 % n-heptán és 30 % toluol (térfogat %) keverékébe mártott pamutruhával, majd szabad levegőn meg kell szárítani azokat.
2.3.3. Az eredmények
A fenti két vizsgálat egymást követő elvégzése után a fényátbocsátás átlagos változása

a három mintán az e melléklet 3.2. függelékében leírt eljárással mérve nem lehet több, mint 0,010 (Δtm ≤ 0,010).
2.4. Mechanikai elhasználódással szembeni ellenállóképesség
2.4.1. Mechanikai koptatási vizsgálat
A három új minta (lencse) külső felületét az e melléklet 3.3. függelékében leírt egyenletes mechanikai koptatási vizsgálatnak kell alávetni.
2.4.2. Az eredmények
A vizsgálat után a fényátbocsátás változását:

és a szóródás változását:

meg kell mérni az e melléklet 3.2. függelékében leírt eljárással, a 2.2.4. pontban meghatározott területen. A mintákon mért értékek átlagának olyannak kell lennie, hogy
- Δtm ≤ 0,100 és
- Δdm ≤ 0,050.
2.5. Az esetleges bevonatok tapadásának vizsgálata
2.5.1. A minta előkészítése
A lencse bevonatának egy 20 mm × 20 mm-es területére zsilettpengével vagy tűvel kb. 2 mm × 2 mm-es négyzethálót kell bevágni. A penge vagy tű nyomásának elegendőnek kell lennie ahhoz, hogy legalább a bevonatot átvágja.
2.5.2. A vizsgálat leírása
Olyan ragasztószalagot kell használni, amelynek az e melléklet 3.4. függelékének szabványos körülményei között mért tapadóereje 2 N/(cm szélesség) ± 20 %. Ezt a ragasztószalagot, amelynek legalább 25 mm szélesnek kell lennie, legalább öt percen át rá kell nyomni a 2.5.1. pont szerint előkészített felületre.
Majd a ragasztószalag végét úgy kell megterhelni, hogy a szóban forgó felületen ható tapadóerőt a felületre merőleges erő kiegyenlítse. Ekkor a ragasztószalagot 1,5 m/s ± 0,2 m/s állandó sebességgel le kell tépni a felületről.
2.5.3. Az eredmények
A berácsozott felületen nem mutatkozhat észrevehető sérülés. A metszésvonalak kereszteződésében vagy a vágások szélén megengedhetők sérülések, feltéve, hogy a sérült terület nem haladja meg a berácsozott felület 15 %-át.
2.6. A műanyag lencsét tartalmazó egész fényszóró vizsgálata
2.6.1. A lencsefelület mechanikai elhasználódással szembeni ellenállóképessége
2.6.1.1. A vizsgálatok
Az 1. sz. fényszóróminta lencséjét a fenti 2.4.1. pontban leírt vizsgálatnak kell alávetni.
2.6.1.2. Az eredmények
A vizsgálat után a fényszórón az ezen irányelvnek megfelelően elvégzett fotometriai mérések eredményei nem haladhatják meg 30 %-nál többel a B 50 L és HV-pontokra előírt maximális értékeket, és nem lehetnek 10 %-nál többel kisebbek, mint a 75 R pontra előírt minimális értékek (bal oldali közlekedésre szánt fényszóró esetében a B 50 R, HV és 75 L pontokat kell vizsgálni). Szimmetrikus fénysugár esetében a B 50 és H pontokat kell vizsgálni.
2.6.2. Az esetleges bevonatok tapadásának vizsgálata
A 2. sz. fényszóróminta lencséjét a 2.5. pontban leírt vizsgálatnak kell alávetni.
3. A GYÁRTÁS AZONOSSÁGÁNAK IGAZOLÁSA
3.1. A lencsék gyártásához használt anyagok tekintetében a sorozatban gyártott lámpák akkor tekinthetők úgy, mint amelyek megfelelnek ennek az irányelvnek, ha:
3.1.1. a vegyi anyagokkal, valamint a mosószerekkel és a szénhidrogénekkel szembeni ellenállóképesség vizsgálata után a minta külső felületén szabad szemmel nem látható repedés, kitöredezés vagy deformáció (lásd a 2.2.2., 2.3.1. és 2.3.2. pontot);
3.1.2. a 2.6.1.1. pontban leírt vizsgálat után a 2.6.1.2. pont szerinti mérési pontokban a fotometriai értékek az ezen irányelv gyártásazonosságra előírt határértékein belül vannak.
3.2. Ha a vizsgálati eredmények nem teljesítik a követelményeket, a vizsgálatokat véletlenszerűen kiválasztott újabb fényszórómintákkal meg kell ismételni.
3.1. függelék
A jóváhagyási vizsgálatok időbeli sorrendje
A. Műanyagok (az I. melléklet 1.2.4. pontjának megfelelően benyújtott lencsék vagy anyagminták) próbái
Minták | Lencsék vagy anyagminták | Lencsék | |||||||||||
A minta száma | |||||||||||||
1 | 2 | 3 | 4 | 5 | 6 | 7 | 8 | 9 | 10 | 11 | 12 | 13 | |
1.1.Korlátozott fotometria (2.1.2.) | × | × | × | ||||||||||
1.1.1.Hőmérsékletváltozás (2.1.1.) | × | × | × | ||||||||||
1.2.Korlátozott fotometria (2.1.2.) | × | × | × | ||||||||||
1.2.1.Fényátbocsátás mérése | × | × | × | × | × | × | × | × | × | ||||
1.2.2.Szóródás mérése | × | × | × | × | × | × | |||||||
1.3.Levegőben lévő anyagok (2.2.1.) | × | × | × | ||||||||||
1.3.1.Fényátbocsátás mérése | × | × | × | ||||||||||
1.4.Vegyi anyagok (2.2.2.) | × | × | × | ||||||||||
1.4.1.Szóródás mérése | × | × | × | ||||||||||
1.5.Tisztítószerek (2.3.1.) | × | × | × | ||||||||||
1.6.Szénhidrogének (2.3.2.) | × | × | × | ||||||||||
1.6.1.Fényátbocsátás mérése | × | × | × | ||||||||||
1.7.Kopás (2.4.1.) | × | × | × | ||||||||||
1.7.1.Fényátbocsátás mérése | × | × | × | ||||||||||
1.7.2.Szóródás mérése | × | × | × | ||||||||||
1.8.Tapadás (2.5.) | × |
B. (Az I. melléklet 1.2.3. pontjának megfelelően benyújtott) egész fényszórók próbái
Vizsgálatok | Egész fényszóró | |
A minta száma | ||
1 | 2 | |
2.1.Kopás (2.6.1.1) | × | |
2.2.Fotometria (2.6.1.2) | × | |
2.3.Tapadás (2.6.2) | × |
3.2. függelék
A fényszóródás és a fényátbocsátás mérésének módszere
1. A BERENDEZÉS (lásd az ábrát)
Egy K kollimátor

fél divergenciájú sugarát egy 6 mm nyílású DT fényrekesz határolja le, a mintatartó készüléket ez előtt kell elhelyezni.
Egy szférikus aberráció szempontjából korrigált L2 akromatikus gyűjtőlencse létesít kapcsolatot a DT fényrekesz az R vevő között; az L2 lencse átmérőjének akkorának kell lennie, hogy ne rekeszelje le a minta által szétszórt fényt egy

fél csúcsszögű kúpon belül. Az L2 lencse egyik kép-fókuszsíkjában egy


szögű DD gyűrűs fényrekeszt kell elhelyezni.
A nem-átlátszó közepű fényrekeszre azért van szükség, hogy kiszűrje a közvetlenül a fényforrásból érkező fényt. A fényrekesz középső részének a fény útjából eltávolíthatónak kell lennie, de úgy, hogy pontosan visszatérhessen eredeti helyzetébe.
Az L2 DT távolságot és az L2 lencse F2 ( 45 ) fókusztávolságát úgy kell megválasztani, hogy a DT képe teljesen fedje az R vevőt.
Ha a kezdeti beeső fényáramot 1 000 egységnek tekintjük, az egyes leolvasások abszolút pontosságának 1 egységnél jobbnak kell lennie.
2. A MÉRÉS
Az alábbi leolvasásokat kell elvégezni:
Leolvasás | mintával | DD középső részével | A képviselt mennyiség |
T1 | nem | nem | Beeső fényáram kezdeti leolvasáskor |
T2 | igen (vizsgálat előtt) | nem | Az új anyag által átbocsátott fényáram 24°-os mezőben |
T3 | igen (vizsgálat után) | nem | A próbált anyag által átbocsátott fényáram 24°-os mezőben |
T4 | igen (vizsgálat előtt) | igen | Az új anyag által szétszórt fényáram |
T5 | igen (vizsgálat után) | igen | A próbált anyag által szétszórt fényáram |

3.3. függelék
A permetezővizsgálat módszere
1. A VIZSGÁLÓ BERENDEZÉS
1.1. A szórópisztoly
A használt szórópisztolyt 1,3 mm átmérőjű fúvókával kell ellátni, és 0,24 ± 0,02 l/perc folyadékáramot kell biztosítania 6,0 bar - 0, + 0,5 bar nyomás mellett.
Ilyen üzemi körülmények között a kapott kilövelt sugárnak 170 mm ± 50 mm átmérőjűnek kell lennie a fúvókától 380 mm ± 10 mm-re elhelyezett koptatásnak kitett felületen.
1.2. A keverék
A próbakeverék az alábbiakból áll:
- A Mohs-skálán 7 keménységi fokú kvarchomok, 0 és 0,2 mm közötti szemcsemérettel, közel normális eloszlásban, 1,8.-2 közötti szögtényezővel,
- 205 g/m3 keménységnél nem keményebb víz, literenként 25 g homokkal keverve.
2. A VIZSGÁLAT
A lámpalencsék külső felületét egyszer vagy egynél többször kell a fent leírt módon előállított homoksugárral lefújni. A sugarat közel merőlegesen kell a vizsgálandó felületre szórni.
A kopást egy vagy több, a próbálandó lencse mellett referenciaként elhelyezett üvegmintával kell ellenőrizni. A keveréket addig kell szórni, amíg a mintán vagy mintákon a 2. függelékben leírt módszerrel mért fényszóródás-változás

Több referenciamintát lehet felhasználni annak ellenőrzésére, hogy az egész ellenőrizendő felület egyenletesen kopott-e meg.
3.4. függelék
Ragasztószalagos tapadási vizsgálat
1. A CÉL
Ez a módszer lehetővé teszi egy ragasztószalag üveglaphoz való lineáris tapadási erejének szabványos körülmények közötti meghatározását.
2. AZ ALAPELV
Egy ragasztószalagnak egy üveglapról 90°-os szög alatt történő letépéséhez szükséges erő megmérése.
3. A MEGHATÁROZOTT KÖRNYEZETI FELTÉTELEK
A környező levegőnek 23 °C ± 5 °C-osnak és 65 % ± 15 % relatív páratartalmúnak (RP) kell lennie.
4. A PRÓBADARABOK
A vizsgálat előtt a mintaragasztószalag-tekercset 24 órán át pihentetni kell a megadott környezetben (lásd a fenti 3. pontot).
Minden tekercsből öt darab 400 mm hosszú próbadarabot kell vizsgálni. Ezeket a próbadarabokat az első három menet eldobása után kell a tekercsről levenni.
5. AZ ELJÁRÁS
A próbát a 3. pont szerinti környezeti feltételek mellett kell elvégezni.
Az öt próbadarabot a ragasztószalag kb. 300 mm/s sebességű radiális letekerésével kell levenni és 15 másodpercen belül az alábbiak szerint kell felhelyezni:
- A szalagot folyamatosan előrehaladva kell az üveglapra ragasztani, enyhe hosszirányú, ujjal való dörzsölés mellett, túlzott nyomás nélkül, úgy, hogy a ragasztó és az üveg között ne maradjanak levegőbuborékok.
- A felragasztott szalagnak 10 percig a megadott környezeti feltételek mellett pihennie kell.
- A próbadarabnak egy kb. 25 mm-es szakaszát a próbadarab tengelyére merőleges síkban le kell húzni az üvegről.
- Az üveglapot rögzíteni kell és a ragasztószalag szabad végét 90°-ban fel kell hajtani. Olyan irányú erőt kell alkalmazni, hogy a szalag és az üveglap közötti elválási vonal merőleges legyen erre az erőre, és merőleges az üveglemezre.
- Ezt követően 300 mm/s sebességgel le kell húzni a szalagot, és az ehhez szükséges erőt fel kell jegyezni.
6. AZ EREDMÉNYEK
A kapott öt eredményt sorba kell rendezni, és a középső értéket kell a mérés eredményének tekinteni. Ezt az értéket a szalagszélesség egy centiméterére számítva Newtonban kell kifejezni.
4. függelék
Motorkerékpárokhoz és triciklikhez való, halogénlámpákkal felszerelt, aszimmetrikus tompított fényt és távolsági fényt kibocsátó fényszórótípus adatközlő lapja

5. függelék

IV. MELLÉKLET
MOPEDEK, MOTORKERÉKPÁROK ÉS TRICIKLIK ALKATRÉSZ-TÍPUSJÓVÁHAGYÁSSAL RENDELKEZŐ LÁMPÁIHOZ VALÓ IZZÓLÁMPÁK
1. függelék | R2 kategóriájú izzólámpák |
2. függelék | H1 kategóriájú izzólámpák |
3. függelék | H2 kategóriájú izzólámpák |
4. függelék | H3 kategóriájú izzólámpák |
5. függelék | H4 kategóriájú izzólámpák |
6. függelék | HS1 kategóriájú izzólámpák |
7. függelék | HB3 kategóriájú izzólámpák |
8. függelék | HB4 kategóriájú izzólámpák |
9. függelék | H7 kategóriájú izzólámpák |
10. függelék | HS2 kategóriájú izzólámpák |
11. függelék | S1 és S2 kategóriájú izzólámpák |
12. függelék | S3 kategóriájú izzólámpák |
13. függelék | S4 kategóriájú izzólámpák |
14. függelék | P21W kategóriájú izzólámpák |
15. függelék | P21/5W kategóriájú izzólámpák |
16. függelék | R5W kategóriájú izzólámpák |
17. függelék | R10W kategóriájú izzólámpák |
18. függelék | T4W kategóriájú izzólámpák |
19. függelék | C5W kategóriájú izzólámpák |
20. függelék | C21W kategóriájú izzólámpák |
21. függelék | W3W kategóriájú izzólámpák |
22. függelék | W5W kategóriájú izzólámpák |
23. függelék | Példa az izzólámpa jóváhagyási jelének elhelyezésére |
24. függelék | A lámpa-izzóspirálok fényközéppontja és alakja |
1. IZZÓLÁMPA ALKATRÉSZ-TÍPUSJÓVÁHAGYÁSÁNAK KÉRELMEZÉSE
1.1. Egy, a 92/61/EGK irányelv 3. cikkének megfelelően benyújtott izzólámpatípusjóváhagyási kérelemnek egyebek mellett az alábbi részleteket kell tartalmaznia:
1.1.1. a típus azonosításához elegendő részletet tartalmazó rajz, három példányban;
1.1.2. rövid műszaki leírás;
1.1.3. minden jóváhagyatni kívánt színből öt mintapéldány.
1.2. Olyan típusú izzólámpa esetében, amelynél csak a márka- vagy kereskedelmi név tér el egy már jóváhagyott típustól, elegendő az alábbiakat benyújtani:
1.2.1. a lámpagyártó nyilatkozata, hogy a benyújtott típus (a márka- vagy kereskedelmi névtől eltekintve) azonos a jóváhagyási kódjával azonosított, már jóváhagyott típussal, és azt ugyanaz a gyártó készíti,
1.2.2. két, az új márka- vagy kereskedelmi nevet viselő mintapéldány.
2. AZ IZZÓLÁMPÁK JELÖLÉSÉRE ÉS JELEIRE VONATKOZÓ KIEGÉSZÍTŐ ELŐÍRÁSOK
2.1. Az alkatrész-típusjóváhagyásra benyújtott izzólámpák testén vagy buráján (ez utóbbi megoldás nem befolyásolhatja hátrányosan a fénykibocsátási jellemzőket) fel kell tüntetni az alábbiakat:
2.1.1. a kérelmező által adott márka- vagy kereskedelmi név;
2.1.2. a névleges feszültség;
2.1.3. a megfelelő kategória nemzetközi megjelölése;
2.1.4. a névleges áramfelvétel (két-izzóspirálos lámpák esetén elsődleges izzóspirál/másodlagos izzóspirál sorrendben); ezt nem kell külön megadni, ha a jelölés része a megfelelő izzólámpa-kategória nemzetközi megjelölésének;
2.1.5. egy elegendő nagyságú hely a jóváhagyási jel számára.
2.2. A 2.1.5. pontban említett területet a típusjóváhagyási kérelemhez mellékelt rajzokon be kell jelölni.
2.3. A 2.1. pontban megadottakon kívül más feliratok is elhelyezhetők, feltéve, hogy nem befolyásolják hátrányosan a fénykibocsátási jellemzőket.
3. IZZÓLÁMPA ALKATRÉSZ-TÍPUSJÓVÁHAGYÁSA
3.1. Ha egy izzólámpatípusnak az 1.1.3. vagy az 1.2.2. pontnak megfelelően benyújtott összes mintapéldánya megfelel e melléklet követelményeinek, az alkatrész-típusjóváhagyást meg kell adni.
3.2. A 92/61/EGK irányelv 8. cikke rendelkezéseinek megfelelően az alkatrész-típusjóváhagyási jelet a 2.1.5. pontban említett területen kell elhelyezni.
3.3. E melléklet 23. függelékében példa látható a jóváhagyási jel elhelyezésére.
4. MŰSZAKI ELŐÍRÁSOK
4.1. A műszaki előírások megfelelnek az Egyesült Nemzetek EGB 37. előírása 2.1. és 3. pontjában szereplőkkel, amelyeket az alábbi dokumentum erősít meg:
- 2. javított kiadás, amely magában foglalja a módosítások 02. és 03. sorozatát, a 2. helyesbítést és az 1.-9. kiegészítést a módosítások 03. sorozatához.
5. A GYÁRTÁS AZONOSSÁGA
5.1. Az e melléklet értelmében jóváhagyott izzólámpákat úgy kell gyártani, hogy megegyezzenek a jóváhagyott típussal azáltal, hogy teljesítik a 2.1., 3.2. és 4. pontban, valamint e melléklet vonatkozó függelékeiben meghatározott jelölési és műszaki követelményeket.
5.2. Annak igazolására, hogy teljesülnek az 5.1. pont követelményei, a gyártás során el kell végezni a 4.1. pontban említett, az Egyesült Nemzetek EGB 37. előírása 4. pontjában, valamint 6., 7., 8. és 9. mellékletében meghatározott ellenőrzéseket.
5.3. Az e melléklet értelmében egy izzólámpára megadott típusjóváhagyás visszavonható, ha nem teljesülnek az 5.1. és 5.2. pont követelményei, vagy ha a jóváhagyási jellel ellátott izzólámpa nem azonos a jóváhagyott típussal.
1. függelék
R2 kategóriájú lámpák
R2/1 LAP

( 46 ) ( 47 ) ( 48 )
A rajzok csak az izzólámpa lényeges méreteinek jelzésére szolgálnak.
Elektromos és fotometriai jellemzők | |||||||||
Sorozatgyártású izzólámpák | Szabványos izzólámpa | ||||||||
Névleges értékek | Volt | 6 (1) | 12 (1) | 24 (1) | 12 (1) | ||||
Watt | 45 | 40 | 45 | 40 | 55 | 50 | 45 | 40 | |
Próbafeszültség | Volt | 6,3 | 13,2 | 28 | 13,2 | ||||
Tényleges értékek | Watt | 53 max. | 47 max. | 57 max. | 51 max. | 76 max. | 69 max. | 52 + 0 % - 10 % | 46 ± 5 % |
Fényáram lm | 720 min. | 570 ± 15 % | 860 min. | 675 ± 15 % | 1 000 min. | 860 ± 15 % | |||
Referencia-fényáram kb. 12 V-nál | 700 | 450 | |||||||
(1) A bal, ill. jobb oldalon feltüntetett értékek a távolsági fény izzószálára, ill. a tompított fény izzószálára vonatkoznak. |
R2/2 LAP
Az ernyő és az izzóspirálok helyzete és méretei

A rajzok az ernyő és az izzóspirálok kialakítása szempontjából nem kötelező jellegűek.
R2/3 LAP
Az izzóspirálok és az ernyő helyzete és méretei (1) | ||||||
Méretek mm-ben | Tűrés | |||||
Sorozatgyártású izzólámpák | Szabványos izzólámpa | |||||
6 V | 12 V | 24 V | 12 V | |||
a | 0,60 | ± 0,35 | ± 0,15 | |||
b1/30,0 (2) b1/33,0 | 0,20 b1/30,0 mé (3) | ± 0,35 | ± 0,15 | |||
b2/30,0 (2) b2/33,0 | 0,20 b2/30,0 mé (3) | ± 0,35 | ± 0,15 | |||
c/30,0 (2) c/33,0 | 0,50 c/30,0 mv (3) | ± 0,30 | ± 0,15 | |||
e | 6 V, 12 V 24 V | 28,5 28,8 | ± 0,35 | ± 0,15 | ||
f | 6 V, 12 V 24 V | 1,8 2,2 | ± 0,40 | ± 0,20 | ||
g | 0 | ± 0,50 | ± 0,30 | |||
h/30,0 (2) h/33,0 | 0 h/30,0 mé (3) | ± 0,50 | ± 0,30 | |||
1/2 (p-q) | 0 | ± 0,60 | ± 0,30 | |||
lc | 5,5 | ± 1,50 | ± 0,50 | |||
γ (4) | 15° névl. | |||||
P45t-41 lámpafej a 61. CEI-kiadvány szerint (7004-95-4 lap) | ||||||
(1) Az ernyő és az izzóspirálok helyzetét és méreteit a 809. CEI-kiadványban leírt mérési módszerrel kell ellenőrizni. (2) A referenciasíktól a törtvonal utáni számnak megfelelő távolság mm-ben mérve. (3) mé = mért érték. (4) A γ szög csak az ernyő kialakításához szolgál és a kész izzólámpákon nem kell ellenőrizni. |
2. függelék
H1 kategóriájú lámpák
H1/1 LAP

(Méretek mm-ben)
A rajzok csak az izzólámpa lényeges méreteinek jelzésére szolgálnak.
H1/2 LAP
Méretek mm-ben | Tűrések | |||||
Sorozatgyártású izzólámpák | Szabványos izzólámpa | |||||
6 V 12 V 24 V | ||||||
b | 0,7 f | |||||
e (5), (9) | 25,0 | 1 | ± 0,15 | |||
f (5), (9) | 6 V | 4,5 | ± 1,0 | |||
12 V | 5,0 | ± 0,5 | + 0,5 0 | |||
24 V | 5,5 | ± 1,0 | ||||
g (1) | 0,5 d (7) | ± 0,5 d | ± 0,25 d | |||
h1 | 0 | (8) | ± 0,20(4) | |||
h2 | (8) | ± 0,25(4) | ||||
ε | 45° | ± 12° | ± 3° | |||
P 14,5s lámpafej a 61. CEI-kiadvány szerint (7004-46-1 lap) | ||||||
ELEKTROMOS ÉS FOTOMETRIAI JELLEMZŐK | ||||||
Névleges értékek | Volt | 6 | 12 | 24 | 12 | |
Watt | 55 | 70 | 55 | |||
Próbafeszültség | Volt | 6,3 | 13,2 | 28,0 | ||
Tényleges értékek | Watt | max. 63 | max. 68 | max. 84 | max. 68, 13,2 V-nál | |
Fényáram lm | 1 350 | 1 550 | 1 900 | |||
± % | 15 | |||||
Referencia-fényáram fényszóró-vizsgálathoz: 1 150 lm kb. 12 V-nál. |
H1/3 LAP
(1) A referenciatengely merőleges a referenciasíkra és az (1) jelű méretek által meghatározott ponton halad át.
(2) Mindkét árambevezető elektródának a burában kell lennie, a hosszabbik elektródának az izzóspirál fölött (a lámpára az ábrán látható módon nézve). Az izzó belső szerkezetének olyannak kell lennie, hogy a szóródó fények és visszaverődések minimálisak legyenek, pl. hűtőköpenyeket lehet elhelyezni az izzószál nem tekercselt részei fölött.
(3) A bura hengeres "f" hosszúságú részének olyannak kell lennie, hogy ne deformálhassa annyira az izzóspirál vetített képét, hogy az az optikai eredményre észrevehető mértékű hatással legyen.
(4) Az excentricitást csak az izzólámpa vízszintes és függőleges irányában kell mérni, amint az a rajzon látható. A mérendő pontok azok, amelyekben a referenciasíkhoz legközelebbi vagy a referenciasíktól legtávolabbi végső menetek külsejének vetülete keresztezi az izzóspirál tengelyét.
(5) A nézet iránya az az egyenes, amely merőleges a referenciatengelyre és benne fekszik a referenciatengely és a lámpafej második tüskéjének középvonala által meghatározott síkban.
(6) Az izzóspirál eltolódása a bura tengelyéhez képest, a referenciasíktól 27,5 mm távolságban mérve.
(7) d: az izzóspirál átmérője.
(8) A H1/4 lapon bemutatott "dobozrendszerrel" kell ellenőrizni.
(9) Az izzóspirál végei azok a pontok, amelyekben, a fenti 5. lábjegyzetben meghatározott irányból nézve, a referenciasíkhoz legközelebbi vagy a referenciasíktól legtávolabbi végső menetek külsejének vetülete keresztezi a referenciatengelyt (a kettőstekercselésű izzóspirálokra vonatkozó különleges előírások készülnek).
H1/4 LAP
Ernyővetületi előírások
E vizsgálat az izzóspirálnak a referenciatengelyhez és a referenciasíkhoz képest elfoglalt megfelelő helyzete ellenőrzésének útján annak megállapítására szolgál, hogy az izzólámpa megfelel-e az előírásoknak.

(Méretek mm-ben)
a1 | a2 | b1 | b2 | c1 | c2 | |
6 V | 1,4 d | 1,9 d | 0,25 | 6 | 3,5 | |
12 V | 6 | 4,5 | ||||
24 V | 7 | 4,5 |
d = az izzóspirál átmérője
A H1/1 lap 2. lábjegyzetében meghatározott izzóspirál-kezdetnek a Z1 és Z2 vonalak között kell lennie.
Az izzóspirál helyzetét csak az FH és FV irányban kell ellenőrizni, amint az a H1/1 lapon látható.
Az izzóspirálnak teljes egészében a rajzon látható határokon belül kell lennie.
3. függelék
H2 kategóriájú lámpák
H2/1 LAP

(Méretek mm-ben)
A rajzok csak az izzólámpa lényeges méreteinek jelzésére szolgálnak.
H2/2 LAP
Méretek mm-ben | Tűrések | |||||
Sorozatgyártású izzólámpák | Szabványos izzólámpa | |||||
6 V 12 V 24 V | ||||||
e (6) | 12,25 | (5) | ± 0,15 | |||
f (6) | 6 V | 4,5 | ± 1,0 | ± 0,50 | ||
12 V | 5,5 | |||||
24 V | ||||||
g (1) (2) | 0,5 d | ± 0,5 d | ± 0,25 d | |||
h1 (2) | 7,1 | (5) | ± 0,20 | |||
h2 (4) | (5) | ± 0,25 | ||||
h3 (1) (2) | 0,5 d | (5) | ± 0,20 | |||
h4 (1) (4) | (5) | ± 0,25 | ||||
X 511 lámpafej a 61. C IE-kiadvány szerint (7004-99-2 lap) | ||||||
ELEKTROMOS ÉS FOTOMETRIAI JELLEMZŐK | ||||||
Névleges értékek | Volt | 6 | 12 | 24 | 12 | |
Watt | 55 | 70 | 55 | |||
Próbafeszültség | Volt | 6,3 | 13,2 | 28,0 | ||
Tényleges értékek | Watt | max. 63 | max. 68 | max. 84 | max. 68, 13,2 V-nál | |
Fényáram lm ± % | 1 300 | 1 800 | 2 150 | |||
15 | ||||||
Referencia-fényáram fényszóró-vizsgálathoz: 1 300 lm kb. 12 V-nál. |
H2/3 LAP
(1) d: az izzóspirál átmérője.
(2) Ezeket az eltolódásokat a bura tengelyére merőleges keresztmetszetben és az izzóspirálnak a lámpafejhez közelebb eső végén ( 49 ) át kell mérni.
(3) A támaszlapon lévő három kereszt a foglalaton a lap síkját meghatározó három érintkező helyét jelzi. Az e pontok körüli 3 mm átmérőjű körökön belül nem lehet olyan deformáció vagy bemetszés, amely befolyásolná az izzólámpa elhelyezkedését.
(4) Ezeket a méreteket a bura tengelyére merőleges keresztmetszetben és az izzóspirálnak a lámpafejtől távolabb eső végén át kell mérni (49) .
(5) A H2/4 lapon bemutatott "dobozrendszerrel" kell ellenőrizni.
(6) Az izzóspirál végei azok a pontok, amelyekben a "D" irányból nézve (H2/1 lap), a lámpafejhez legközelebbi vagy a lámpafejtől legtávolabbi végső menetek külsejének vetülete keresztezi a ZZ egyenessel párhuzamos és attól 7,1 mm-re elhelyezkedő egyenest (a duplaspirálos izzóspirálokra vonatkozó különleges előírások készülnek).
H2/4 LAP
Ernyővetületi előírások
E vizsgálat az izzóspirálnak az x-x, y-y és z-z ( 50 ) referenciatengelyhez képest elfoglalt megfelelő helyzete ellenőrzésének útján annak megállapítására szolgál, hogy az izzólámpa megfelel-e az előírásoknak.
(Méretek mm-ben) ( 51 )

Az izzóspirál lámpafejhez közelebb eső végének ( 52 ) a b1 és a b2 között kell elhelyezkednie. Az izzóspirálnak teljes egészében a rajzon látható határokon belül kell lennie.
6 V | 12 V | 24 V | |
a1 | d + 0,50 | d + 1,0 | |
a2 | d + 1,0 | ||
b1, b2 | 0,25 | ||
d1 | 7,1 | ||
d2 | 0,5 d - 0,35 | ||
h | 6 | 7 |
d = az izzóspirál átmérője
4. függelék
H3 kategóriájú lámpák
H3/1 LAP

(Méretek mm-ben)
A kibocsátott fénynek fehérnek kell lennie.
H3/2 LAP
Meghatározás: gyűrűközéppont és referenciatengely (2)
Szabványos izzólámpák izzóspirál-méretei és tűrései, lásd a H3/3 lapot

(Méretek mm-ben)
H3/3 LAP
Méretek mm-ben | Sorozatgyártású izzólámpák | Szabványos izzólámpa | |||
6 V | 12 V | 24 V | |||
e | 18,0 (5) | 18,0 | |||
f (7) | min. 3,0 | min. 4,0 | 5,0 ± 0,50 | ||
k | (5) | 0 ± 0,20 | |||
h1 | 0 ± 0,15(6) | ||||
h3 | |||||
h2 | 0 ± 0,25(6) | ||||
h4 | |||||
PK 22s lámpafej a 61. CEI-kiadvány szerint (7004-47-2 lap) | |||||
ELEKTROMOS ÉS FOTOMETRIAI JELLEMZŐK | |||||
Névleges értékek | Volt | 6 | 12 | 24 | 12 |
Watt | 55 | 70 | 55 | ||
Próbafeszültség | Volt | 6,3 | 13,2 | 28,0 | |
Tényleges értékek | Watt | max. 63 | max. 68 | max. 84 | max. 68, 13,2 V-nál |
Fényáram lm | 1 050 | 1 450 | 1 750 | ||
± % | 15 | ||||
Referencia-fényáram fényszóró-vizsgálathoz: 1 100 lm kb. 12 V-nál. |
H3/4 LAP
(1) A bura lámpafej-felőli vége torzulásának nem szabad láthatónak lennie a max. 80°-os elsötétítési szögön kívül eső semmilyen irányból.
(2) A gyűrű középpontjának a referenciatengelytől való megengedett eltérése a Z-Z egyenesre merőlegesen 0,5 mm, a Z-Z egyenessel párhuzamosan 0,05 mm.
(3) Minimális hossz az ("e") fénykibocsátó középpont magassága fölött, amelyen a burának hengeresnek kell lennie.
(4) A rugó semmilyen része és a foglalat semmilyen alkatrésze sem érhet hozzá az előfókuszáló gyűrűhöz másutt, mint a szaggatott vonallal jelölt négyszögön kívül.
(5) A sorozatgyártású lámpának e méreteit egy "dobozrendszerrel" kell mérni (H3/5 lap).
(6) Szabványos izzólámpáknál a mérendő pontok azok, amelyekben a végső menetek külsejének vetülete keresztezi az izzóspirál tengelyét.
(7) Az izzóspirál első és utolsó menetének helyét az első, illetve az utolsó fénykibocsátó menet külsejének a referenciasíkkal párhuzamos és attól 13 mm-re lévő síkkal képezett metszéspontja határozza meg (a duplaspirálos izzóspirálokra vonatkozó különleges előírások készülnek).
H3/5 LAP
Ernyővetületi előírások
E vizsgálat az izzóspirálnak a referenciatengelyhez és a referenciasíkhoz képest elfoglalt megfelelő helyzete ellenőrzésének útján annak megállapítására szolgál, hogy az izzólámpa megfelel-e az előírásoknak.

(Méretek mm-ben)
a | c | k | g | |
6 V | 1,8 d | 1,6 d | 1,0 | 2,0 |
12 V | 2,8 | |||
24 V | 2,9 |
d = az izzóspirál átmérője
Az izzóspirálnak teljes egészében a rajzon látható határokon belül kell lennie.
Az izzóspirál közepének a k méreten belül kell elhelyezkednie.
5. függelék
H4 kategóriájú lámpák
H4/1 LAP

(Méretek mm-ben)
A rajzok nem kötelező jellegűek; egyedüli céljuk az igazolandó méretek jelzése.
Jelölés | Méret | Tűrés | ||
12 V | 24 V | 12 V | 24 V | |
+ 0,45 | ||||
e | 28,5 | 29,0 | - 0,25 | ± 0,35 |
p | 28,95 | 29,25 | - | - |
m (1) | max. 60,0 | - | ||
n (1) | max. 34,5 | - | ||
s (2) | 45,0 | - | ||
α (3) | max. 40° | - |
H4/2 LAP
Jellemzők
Sorozatgyártású izzólámpák | Szabványos izzólámpa | ||||||
Névleges értékek | Volt | 12 (4) | 24 (4) | 12 (4) | |||
Watt | 60 | 55 | 75 | 70 | 60 | 55 | |
Próbafeszültség | Volt | 13,2 | 28 | ||||
Tényleges értékek | Watt | max. 75 | max. 68 | max. 85 | max. 80 | max. 75, 13,2 V-nál | max. 68, 13,2 V-nál |
Fényáram lm | 1 650 | 1 000 | 1 900 | 1 200 | |||
± % | 15 | ||||||
Referencia-fényáram kb. 12 V-nál, lm | 1 250 | 750 | |||||
P43t-38 lámpafej a 61. CEI-kiadvány szerint (7004-39-2 lap) |
H4/3 LAP

H4/4 LAP

H4/5 LAP
KIEGÉSZÍTŐ MAGYARÁZATOK A H4/3 ÉS H4/4 LAPOKHOZ
Az alábbi méreteket három irányból kell mérni:
[Kép #21] az a, b1, c, d, e, f, lR és lC méretek;

Kép #21
[Kép #22] a g, h, p és q méretek;

Kép #22
[Kép #23] b2 méret.

Kép #23
A p és q méretet a referenciasíkkal párhuzamos, attól 33 mm-re elhelyezkedő síkban kell mérni.
A b1, b2, c és h méretet a referenciasíkkal párhuzamos, attól 29,5 mm-re (24 V-os lámpáknál 30,0 mm-re) és 33 mm-re elhelyezkedő síkokban kell mérni.
Az a és g méretet a referenciasíkkal párhuzamos, attól 26,0 mm-re és 23,5 mm-re elhelyezkedő síkokban kell mérni.
Megjegyzés:A mérési módszerek tekintetében lásd a 809. CEI-kiadvány E. függelékét.
H4/6 LAP
A H4/3 és H4/4 lapok rajzain szereplő méretek táblázata (mm-ben)
Jelölés | Méret | Tűrés | ||||
Sorozatgyártású izzólámpák | Szabványos izzólámpa | |||||
12 V | 24 V | 12 V | 24 V | 12 V | 24 V | 12 V |
a/26 (1) | 0,8 | ± 0,35 | ± 0,2 | |||
a/23,5 (1) | 0,8 | ± 0,60 | ± 0,2 | |||
b1/29,5 (1) | 30,0 (1) | 0 | ± 0,30 | ± 0,35 | ± 0,2 | |
b1/33 (1) | b1/29,5 mé (2) | 30,0 mé (2) | ± 0,30 | ± 0,35 | ± 0,15 | |
b2/29,5 (1) | 30,0 (1) | 0 | ± 0,30 | ± 0,35 | ± 0,2 | |
b2/33 (1) | b2/29,5 mé (2) | 30,0 mé (2) | ± 0,30 | ± 0,35 | ± 0,15 | |
c/29,5 (1) | 30,0 (1) | 0,6 | 0,75 | ± 0,35 | ± 0,2 | |
c/33 (1) | c/29,5 mé (2) | 30,0 mé (2) | ± 0,35 | ± 0,15 | ||
d | min. 0,1 | - | - | |||
e (7) | 28,5 | 29,0 | + 0,35 - 0,25 | ± 0,35 | + 0,2 - 0,0 | |
f (5) (6) (8) | 1,7 | 2,0 | + 0,50 - 0,30 | ± 0,40 | + 0,3 - 0,1 | |
g/26 (1) | 0 | ± 0,5 | ± 0,3 | |||
g/23,5 (1) | 0 | ± 0,7 | ± 0,3 | |||
h/29,5 (1) | 30,0 (1) | 0 | ± 0,5 | ± 0,3 | ||
h/33 (1) | h/29,5 mé (2) | 30,0 mé (2) | ± 0,35 | ± 0,2 | ||
lR (5) (8) | 4,5 | 5,25 | ± 0,8 | ± 0,4 | ||
lC (5) (6) | 5,5 | 5,25 | ± 0,5 | ± 0,8 | ± 0,35 | |
p/33 (1) | Az ernyő alakjától függ | - | - | |||
q/33 (1) | [Kép #24] | ± 0,6 | ± 0,3 | |||
(1) A referenciasíktól a törtvonal utáni számnak megfelelő távolság mm-ben mérve. (2) A „29,5 mé” vagy „30,0 mé” a referenciasíktól 29,5 mm vagy 30,0 mm távolságra mért értéket jelenti. |

Kép #24
H4/7 LAP
(1) "m" és "n" az izzó maximális méreteit jelölik.
(2) A lámpának beszerelhetőnek kell lennie egy "s" átmérőjű, a referenciatengellyel koncentrikus hengerbe, amelyet az egyik végén egy, a referenciasíktól 20 mm-re lévő, azzal párhuzamos sík, a másik végén egy

sugarú félgömb határol.
(3) A sötétítésnek legalább a bura hengeres részéig kell kiterjednie. Le kell fednie a belső ernyőt is, ha ez utóbbit a referenciatengelyre merőleges irányból nézzük. Az elsötétítéssel elérni kívánt hatást más megoldással is el lehet érni.
(4) A bal oldali oszlopban lévő értékek a távolsági fényre vonatkoznak. A jobb oldali oszlopban lévő értékek a tompított fényre vonatkoznak.
(5) Az izzóspirál szélső meneteit az az első világító menet és utolsó világító menet alkotja, amely lényegében a megfelelő spirálszögben áll. Duplaspirálos izzószálaknál a menetet az elsődleges spirál burkolófelülete határozza meg.
(6) A tompított fény izzóspirálja esetében a mérendő pontok az ernyő oldalélének az 5. lábjegyzetben meghatározott szélső menetek külsejével alkotott metszéspontjai az [Kép #25] irányból nézve.

Kép #25
(7) "e" jelenti a referenciasík és a tompított fényű izzóspirál fenti meghatározása szerinti kezdetének távolságát.
(8) A távolsági fény izzóspirálja esetében a mérendő pontok egy, a HH síkkal párhuzamos és az alatt 0,8 mm-re elhelyezkedő síknak az 5. lábjegyzetben meghatározott szélső menetekkel alkotott metszéspontjai az [Kép #26] irányból nézve.

Kép #26
(9) A referenciatengely egy, a referenciasíkra merőleges egyenes, amely áthalad az "M" átmérőjű kör középpontján (lásd a H4/1 lapot).
(10) A VV sík a referenciasíkra merőleges sík, amely áthalad a referenciatengelyen és az "M" átmérőjű körnek a referenciatüske tengelyével alkotott metszéspontján.
(11) A HH sík egy mind a referenciasíkra, mind a VV síkra merőleges, a referenciatengelyen áthaladó sík.
6. függelék
HS1 kategóriájú lámpák
HS1/1 LAP

(Méretek mm-ben)
A rajzok nem kötelező jellegűek; egyedüli céljuk az igazolandó méretek jelzése.
Jelölés | Méret | Tűrés | ||
6 V | 12 V | 6 V | 12 V | |
o | 28,5 | + 0,45 - 0,25 | ||
p | 28,95 | - | ||
m (1) | max. 60,0 | - | ||
n (1) | max. 34,5 | - | ||
s (2) | 45,0 | - | ||
α (3) | max. 40° | - |
HS1/2 LAP
Jellemzők
Sorozatgyártású izzólámpák | Szabványos izzólámpa | ||||||
Névleges értékek | Volt | 6 (4) | 12 (4) | 12 (4) | |||
Watt | 35 | 35 | 35 | 35 | 35 | 35 | |
Próbafeszültség | Volt | 6,3 | 13,2 | ||||
Tényleges értékek | Watt | 35 | 35 | 35 | 35 | 35, 13,2 V-nál | 35, 13,2 V-nál |
± % | 5 | 5 | 5 | 5 | 5 | 5 | |
Fényáram lm | 700 | 440 | 825 | 525 | |||
± % | 15 | ||||||
Referencia-fényáram kb. 12 V-nál, lm | 700 | 450 | |||||
PX43t-38 lámpafej a 61. CEI-kiadvány szerint (7004-34-1 lap) |
HS1/3 LAP
A HS1/4 és HS1/5 lapok rajzain szereplő méretek táblázata (mm-ben)
Jelölés | Méret | Tűrés | ||||
Sorozatgyártású izzólámpák | Szabványos izzólámpa | |||||
6 V | 12 V | 6 V | 12 V | 6 V | 12 V | 12 V |
a/26 (1) | 0,8 | ± 0,35 | ± 0,2 | |||
a/25 (1) | 0,8 | ± 0,55 | ± 0,2 | |||
b1/29,5 (1) | 0 | ± 0,35 | ± 0,2 | |||
b1/33 (1) | b1/29,5 mé | ± 0,35 | ± 0,15 | |||
b2/29,5 (1) | 0 | ± 0,35 | ± 0,2 | |||
b2/33 (1) | b2/29,5 mé | ± 0,35 | ± 0,15 | |||
c/29,5 (1) | 0,5 | ± 0,35 | ± 0,2 | |||
c/31 (1) | c/29,5 mé | ± 0,30 | ± 0,15 | |||
d | min. 0,1 max. 1,5 | - | - | |||
e (7) | 28,5 | + 0,45 - 0,25 | + 0,2 - 0,0 | |||
f (5) (6) (8) | 1,7 | + 0,50 - 0,30 | + 0,3 - 0,1 | |||
g/25 (1) | 0 | ± 0,5 | ± 0,3 | |||
g/25 (1) | 0 | ± 0,7 | ± 0,3 | |||
h/29,5 (1) | 0 | ± 0,5 | ± 0,3 | |||
h/31 (1) | h/29,5 | ± 0,30 | ± 0,2 | |||
lR (5) (8) | 3,5 | 4,0 | ± 0,8 | ± 0,4 | ||
lC (5) (6) | 3,3 | 4,5 | ± 0,8 | ± 0,35 | ||
p/33 (1) | Az ernyő formájától függ | - | - | |||
q/33 (1) | [Kép #27] | ± 0,6 | ± 0,3 | |||
(1) A referenciasíktól a törtvonal utáni számnak megfelelő távolság mm ben mérve. |

Kép #27
HS1/4 LAP
Az izzóspirál helyzete ( 53 )

(Méretek mm-ben)
HS1/5 LAP
Az ernyő helyzete ( 54 )

(Méretek mm-ben)
HS1/6 LAP
KIEGÉSZÍTŐ MAGYARÁZATOK A HS1/4 ÉS HS1/5 LAPOKHOZ
Az alábbi méreteket három irányból kell mérni:
[Kép #28] az a, b1, c, d, e, f, lR és lC méretekre;

Kép #28
[Kép #29] a g, h, p és q méretekre;

Kép #29
[Kép #30] a b2 méretre.

Kép #30
A p és q méretet a referenciasíkkal párhuzamos, attól 33 mm-re elhelyezkedő síkban kell mérni.
A b1 és b2 méretet a referenciasíkkal párhuzamos, attól 29,5 mm-re és 33 mm-re elhelyezkedő síkokban kell mérni.
Az a és g méretet a referenciasíkkal párhuzamos, attól 25 mm-re és 36 mm-re elhelyezkedő síkokban kell mérni.
A c és h méretet a referenciasíkkal párhuzamos, attól 29,5 mm-re és 31 mm-re elhelyezkedő síkokban kell mérni.
HS1/7 LAP
(1) "m" és "n" az izzó maximális méreteit jelölik.
(2) A lámpának beszerelhetőnek kell lennie egy "s" átmérőjű, a referenciatengellyel koncentrikus hengerbe, amelyet az egyik végén egy, a referenciasíktól 20 mm-re lévő, azzal párhuzamos sík, a másik végén egy

sugarú félgömb határol.
(3) A sötétítésnek legalább a bura hengeres részéig kell kiterjednie. Le kell fednie a belső ernyőt is, ha ez utóbbit a referenciatengelyre merőleges irányból nézzük. Az elsötétítéssel elérni kívánt hatást más megoldással is el lehet érni.
(4) A bal oldali oszlopban lévő értékek a távolsági fényre vonatkoznak. A jobb oldali oszlopban lévő értékek a tompított fényre vonatkoznak.
(5) Az izzóspirál szélső meneteit az az első világító menet és utolsó világító menet alkotja, amely lényegében a megfelelő spirálszögben áll. Duplaspirálos izzószálaknál a menetet az elsődleges spirál burkolófelülete határozza meg.
(6) A tompított fény izzóspirálja esetében a mérendő pontok az ernyő oldalélének az 5. lábjegyzetben meghatározott szélső menetek külsejével alkotott metszéspontjai az [Kép #31] irányból nézve.

Kép #31
(7) "e" jelenti a referenciasík és a tompított fényű izzóspirál fenti meghatározása szerinti kezdetének távolságát.
(8) A távolsági fény izzóspirálja esetében a mérendő pontok egy, a HH síkkal párhuzamos és az az alatt 0,8 mm-re elhelyezkedő síknak az 5. lábjegyzetben meghatározott szélső menetekkel alkotott metszéspontjai az [Kép #32] irányból nézve.

Kép #32
(9) A referenciatengely egy, a referenciasíkra merőleges egyenes, amely áthalad az "M" átmérőjű kör középpontján (lásd a HS1/1 lapot).
(10) A VV sík a referenciasíkra merőleges sík, amely áthalad a referenciatengelyen és az "M" átmérőjű körnek a referenciatüske tengelyével alkotott metszéspontján.
(11) A HH sík egy, mind a referenciasíkra, mind a VV síkra merőleges, a referenciatengelyen áthaladó sík.
7. függelék
HB3 kategória
HB3/1 LAP

(Méretek mm-ben)
A rajzok célja csak az izzólámpa fő méreteinek jelzése.
HB3/2 LAP
Méretek mm-ben | Tűrések | ||
Sorozatgyártású izzólámpák | Szabványos izzólámpa | ||
e (8) (4) | 31,5 | (7) | ± 0,16 |
f (8) (4) | 5,1 | (7) | ± 0,16 |
h1, h2 | 0 | (7) | ± 0,15 (3) |
h3 | 0 | (7) | ± 0,08 (3) |
γ1 (5) | min. 45° | - | - |
γ2 (5) | min. 52° | - | - |
P 20d lámpafej a 61. CEI-kiadvány szerint (7004-31-1 lap) | |||
ELEKTROMOS ÉS FOTOMETRIAI JELLEMZŐK | |||
Névleges értékek | Volt | 12 | 12 |
Watt | 60 | 60 | |
Próbafeszültség | Volt | 13,2 | 13,2 |
Tényleges értékek | Watt | max. 73 | max. 73 |
Fényáram lm | 1 860 | ||
± % | 12 | ||
Referencia-fényáram fényszóró-vizsgálathoz: 1 300 lm kb. 12 V-nál. |
HB3/3 LAP
(1) A referenciasík a lámpafej-foglalat illesztőpontjainak síkja.
(2) A referenciatengely merőleges a referenciasíkra és a foglalat 17,46 mm-es átmérőjének közepén halad át.
(3) Az excentricitást csak a HB3/1 lap ábráján látható A. és B. irányba ( 55 ) nézve kell megmérni. A mérendő pontok azok, melyekben a referenciasíkhoz legközelebbi és attól legtávolabbi szélső menetek külsejének vetülete keresztezi az izzóspirál tengelyét.
(4) A nézetirány a HB3/1 lap ábráján látható B. irány (55) .
(5) Az üvegbura külsejének tengelyirányban a γ1 és γ2 szögeken belül optikailag torzulásmentesnek kell lennie. Ez a követelmény a γ1 és γ2 szögeken belül a bura egész kerületére vonatkozik. A kibocsátott fénynek fehérnek kell lennie.
(6) Az üvegbura és a tartórészek nem nyúlhatnak túl a burkológörbén és nem akadhatnak bele beszereléskor a lámpa reteszébe. A burkológörbe koncentrikus a referenciatengellyel.
(7) "Dobozrendszerrel" kell ellenőrizni, HB3/4 lap (55) .
(8) Az izzóspirál végei azok a pontok, amelyekben a fenti 4. lábjegyzet szerinti irányba (55) nézve a szélső menetek külsejének vetülete metszi az izzóspirál tengelyét.
(9) A reteszhorony kötelező.
(10) Az izzólámpát addig kell forgatni a mérőfoglalatban, amíg a referenciafül érintkezésbe nem kerül a foglalat C. síkjával.
(11) A méreteket levett O-gyűrű mellett kell ellenőrizni.
HB3/4 LAP
Ernyővetületi előírások
E vizsgálat az izzóspirálnak a referenciatengelyhez és a referenciasíkhoz képest elfoglalt megfelelő helyzete ellenőrzésének útján annak megállapítására szolgál, hogy az izzólámpa megfelel-e az előírásoknak.

(Méretek mm-ben)
p | q | r | s | t | u | v | |
12 V | 1,3 d | 1,6 d | 3,0 | 2,9 | 0,9 | 0,4 | 0,7 |
d = az izzóspirál átmérője
Az izzóspirál helyzetét csak a HB3/1 lapon látható A. és B. irányokban kell ellenőrizni.
Az izzóspirál HB3/3 lap 8. lábjegyzete szerint meghatározott elejének a "B" területen, a végének a "C" területen kell lennie.
Az izzóspirálnak teljes egészében a rajzon látható határokon belül kell lennie. Az "A" terület nem jelent semmiféle követelményt az izzóspirál közepére nézve.
8. függelék
HB4 kategória
HB4/1 LAP

(Méretek mm-ben)
A rajzok célja csak az izzólámpa főméreteinek jelzése.
HB4/2 LAP
Méretek mm-ben (11) | Tűrések | ||
Sorozatgyártású izzólámpák | Szabványos izzólámpa | ||
e (4) (9) | 31,5 | (8) | ± 0,16 |
f (4) (9) | 5,1 | (8) | ± 0,16 |
h1, h2 | 0 | (8) | ± 0,15 (3) |
h3 | 0 | (8) | ± 0,08 (3) |
g (4) | 0,75 | ± 0,5 | ± 0,3 |
γ1 (5) | min. 50° | - | - |
γ2 (5) | min. 52° | - | - |
γ3 (7) | 45° | ± 5° | ± 5° |
P 22d lámpafej a 61. CEI-kiadvány szerint (7004-32-1 lap) | |||
ELEKTROMOS ÉS FOTOMETRIAI JELLEMZŐK | |||
Névleges értékek | Volt | 12 | 12 |
Watt | 51 | 51 | |
Próbafeszültség | Volt | 13,2 | 13,2 |
Tényleges értékek | Watt | max. 62 | max. 62 |
Fényáram lm ± % | 1 095 | ||
15 | |||
Referencia-fényáram fényszóró-vizsgálathoz: 825 lm kb. 12 V-nál. |
HB4/3 LAP
(1) A referenciasík a lámpafejfoglalat illesztőpontjainak síkja.
(2) A referenciatengely merőleges a referenciasíkra és a foglalat 19,46 mm-es átmérőjének közepén halad át.
(3) Az excentricitást csak a HB4/1 lap ábráján látható A. és B. irányokba ( 56 ) nézve kell megmérni. A mérendő pontok azok, amelyekben a referenciasíkhoz legközelebbi és attól legtávolabbi szélső menetek külsejének vetülete keresztezi az izzóspirál tengelyét.
(4) A nézetirány a HB4/1 lap ábráján látható B. irány (56) .
(5) Az üvegbura külsejének tengelyirányban a γ1 és γ2 szögeken belül optikailag torzulásmentesnek kell lennie. Ez a követelmény a γ1 és γ2 szögeken belül a bura egész kerületére vonatkozik. A kibocsátott fénynek fehérnek kell lennie.
(6) Az üvegbura és a tartórészek nem nyúlhatnak túl a burkológörbén és nem akadhatnak bele beszereléskor a lámpa reteszébe. A burkológörbe koncentrikus a referenciatengellyel.
(7) A sötétítésnek legalább a γ3 szögig kell terjednie és legalább addig kell érnie, ahol a bura γ1 szöggel meghatározott torzulásmentes része kezdődik.
(8) "Dobozrendszerrel" kell ellenőrizni, HB4/4 lap (56) .
(9) Az izzóspirál végei azok a pontok, amelyekben a fenti 4. lábjegyzet szerinti irányba (56) nézve a szélső menetek külsejének vetülete metszi az izzóspirál tengelyét.
(10) A reteszhorony kötelező.
(11) Az izzólámpát addig kell forgatni a mérőfoglalatban, amíg a referenciafül érintkezésbe nem kerül a foglalat C. síkjával.
(12) A méreteket levett O-gyűrű mellett kell ellenőrizni.
HB4/4 LAP
Ernyővetületi előírások
E vizsgálat az izzóspirálnak a referenciatengelyhez és a referenciasíkhoz képest elfoglalt megfelelő helyzete ellenőrzésének útján annak megállapítására szolgál, hogy az izzólámpa megfelel-e az előírásoknak.

(Méretek mm-ben)
p | q | r | s | t | u | v | |
12 V | 1,3 d | 1,6 d | 3,0 | 2,9 | 0,9 | 0,4 | 0,7 |
d = az izzóspirál átmérője
Az izzóspirál helyzetét csak az A. és B. irányban kell ellenőrizni, ahogyan a HB4/1 lapon látható.
Az izzóspirál HB4/3 lap 9. lábjegyzete szerint meghatározott elejének a "B" területen, a végének a "C" területen kell lennie.
Az izzóspirálnak teljes egészében a rajzon látható határokon belül kell lennie. Az "A" terület nem jelent semmiféle követelményt az izzóspirál közepére nézve.
9. függelék
H7 kategória
H7/1 LAP

1. ábra: Fő nézetrajz
(Méretek mm-ben)
A rajzok célja csak az izzólámpa főméreteinek jelzése.
H7/2 LAP

Névleges feszültség 12 V | |||
Méretek mm-ben | Tűrések | ||
Sorozatgyártású izzólámpák | Szabványos izzólámpa | ||
e (7) | 25,0 | (8) | ± 0,1 |
f (7) | 4,1 | (8) | ± 0,1 |
g (10) | 0,5 | min. | tanulmányozás alatt |
h1 (9) | 0 | (8) | ± 0,1 |
h2 (9) | 0 | (8) | ± 0,15 |
γ1 (4) | min. 40° | - | - |
γ2 (4) | min. 50° | - | - |
γ3 (5) | min. 30° | - | - |
PX 26d lámpafej a 61. CIE-kiadvány szerint (7004-5-1 lap) | |||
ELEKTROMOS ÉS FOTOMETRIAI JELLEMZŐK | |||
Névleges értékek | Volt | 12 | 12 |
Watt | 55 | 55 | |
Próbafeszültség | Volt | 13,2 | 13,2 |
Tényleges értékek | Watt | max. 58 | max. 58 |
Fényáram lm | 1 500 | ||
± % | 10 | ||
Referencia-fényáram fényszóró-vizsgálathoz: 1 100 lm kb. 12 V-nál. |
H7/3 LAP
(1) A referenciasíkot a foglalat felületén lévő olyan pontok határozzák meg, amelyeken a lámpafej gyűrűjének három támasztó-kidomborítása felfekszik.
(2) A referenciatengely merőleges a referenciasíkra és áthalad a H7/1 lap 3. ábráján látható két merőleges metszéspontján.
(3) Az üvegbura és a tartórészek nem nyúlhatnak túl a H7/1 lap 2. ábráján látható burkológörbén. A burkológörbe koncentrikus a referenciatengellyel.
(4) Az üvegburának a γ1 és γ2 szögeken belül optikailag torzulásmentesnek kell lennie. Ez a követelmény a γ1 és γ2 szögeken belül a bura egész kerületére vonatkozik.
(5) A sötétítésnek legalább a γ3 szögig kell terjednie és legalább a bura hengeres részéig kell érnie, a bura teljes felső kerületén.
(6) Az izzó belső kialakításának olyannak kell lennie, hogy szórt fények és visszaverődések vízszintes irányból nézve kizárólag az izzóspirál fölötti területre korlátozódjanak. (A H7/1 lap 1. ábráján látható [Kép #33] irány.) A H7/1 lap 5. ábráján látható árnyékolt területen az izzóspirál menetein kívül más fémrész nem lehet.

Kép #33
(7) Az izzóspirál végei azok a pontok, amelyekben a H7/1 lap 1. ábráján látható [Kép #34] irányba nézve a szélső menetek külsejének vetülete metszi az izzóspirál tengelyét.

Kép #34
(8) "Dobozrendszerrel" kell ellenőrizni, H7/4 lap.
(9) Az izzóspirálnak a referenciatengelyhez viszonyított eltolódását csak a H7/1 lap 1. ábráján látható [Kép #35] és [Kép #36] nézetirányból kell mérni. A mérendő pontok azok, amelyekben a referenciasíkhoz legközelebbi vagy a referenciasíktól legtávolabbi végső menetek külsejének vetülete keresztezi az izzóspirál tengelyét.

Kép #35

Kép #36
(10) Az izzóspirálnak a bura tengelyéhez viszonyított eltolódását két, a referenciasíkkal párhuzamos síkban kell mérni, ahol a referenciasíkhoz legközelebbi vagy a referenciasíktól legtávolabbi végső menetek külsejének vetülete keresztezi az izzóspirál tengelyét.
(11) A kibocsátott fénynek fehérnek kell lennie.
(12) Az izzóspirál átmérőjére vonatkozó megjegyzések
- Jelenleg nincs megkötés az átmérőre nézve, de a jövőbeni fejlesztéseknek a dmax = 1,3 mm-t kell megcélozniuk,
- Ugyanannál a gyártónál az izzóspirál tervezési átmérőjének a szabványos (etalon) izzólámpa és a sorozatban gyártott izzólámpa esetében azonosnak kell lennie.
H7/4 LAP
Ernyővetületi előírások
E vizsgálat az izzóspirálnak a referenciatengelyhez és a referenciasíkhoz képest elfoglalt megfelelő helyzete ellenőrzésének útján annak megállapítására szolgál, hogy az izzólámpa megfelel-e az előírásoknak.

(Méretek mm-ben)
a1 | a2 | b1 | b2 | c1 | c2 | |
12 V | d + 0,30 | d + 0,50 | 0,2 | 4,6 | 4,0 |
d = az izzóspirál átmérője
Az izzóspirál H7/3 lap 7 lábjegyzete szerint meghatározott végeinek a Z1 és Z2, illetve a Z3 és Z4 vonal között kell lennie.
Az izzóspirál helyzetét csak az [Kép #37] és [Kép #38] irányban kell ellenőrizni, ahogyan a H7/1 lap 1. ábráján látható.

Kép #37

Kép #38
Az izzóspirálnak teljes egészében a rajzon látható határokon belül kell lennie.
10. függelék
HS2 kategória
HS2/1 LAP

Méretek mm-ben | Sorozatgyártású izzólámpák | Szabványos izzólámpa | ||
Minimum | Névleges | Maximum | ||
e | 11,0(3) | 11,0 ± 0,15 | ||
f (6 V) (6) | 1,5 | 2,5 | 3,5 | 2,5 ± 0,15 |
f (12 V) (6) | 2,0 | 3,0 | 4,0 | |
h1, h2 | (3) | 0 ± 0,15 | ||
α(4) | 40 | |||
β (5) | - 15° | 90° | + 15° | 90° ± 5° |
γ1 (7) | 15° | 15° min. | ||
γ2 (7) | 40° | 40° min. | ||
P × 13,5s lámpafej a 61. CIE-kiadvány szerint (7004-35-1 lap) | ||||
ELEKTROMOS ÉS FOTOMETRIAI JELLEMZŐK | ||||
Értékek | Volt (6) | 6 | 12 | 6 |
Watt | 15 | 15 | 15 | |
Próbafeszültség | Volt | 6,75 | 13,5 | |
Tényleges értékek | Watt | 15 | 15 | 15,06,75 V-nál |
± % | 6 | 6 | 6 | |
Fényáram lm | 320 | 320 | ||
± % | 15 | 15 | ||
Referencia-fényáram: 320 lm kb. 6,75 V-nál. |
A kibocsátott fénynek fehérnek kell lennie.
HS2/2 LAP
(1) A referenciatengely merőleges a referenciasíkra és e síknak a lámpafej gyűrűjének tengelyével alkotott metszéspontján halad át.
(2) Fenntartva.
(3) "Dobozrendszerrel" kell ellenőrizni, HS2/3 lap.
(4) Minden olyan alkatrésznek, amely eltakarhatja a fényt vagy befolyásolhatja a fénysugarat, az α szögön belül kell elhelyezkednie.
(5) A β szög a belső vezetőkön átmenő síknak a referencia-bemetszéshez viszonyított helyzetét jelöli.
(6) Az izzó gyors tönkremenetelének elkerülése érdekében a tápfeszültség 6 V-os lámpáknál a 8,5 V-ot, 12 V-os izzólámpáknál a 15 V-ot nem haladhatja meg.
(7) A γ1 és γ2 szögek szárai közötti területen a burán nem lehet optikailag torzító felület, és a bura görbületi sugarának legalább a tényleges buraátmérő 50 %-ának kell lennie.
HS2/3 LAP
Ernyővetületi előírások
E vizsgálat az izzóspirálnak a referenciatengelyhez és a referenciasíkhoz képest elfoglalt megfelelő helyzete ellenőrzésének útján annak megállapítására szolgál, hogy az izzólámpa megfelel-e az előírásoknak.

(Méretek mm-ben)
A + B nézet
a1 | a2 | b1 | b2 | c1 (6 V) | c1 (12 V) | c2 | |
12 V | d + 1,0 | d + 1,4 | 0,25 | 0,25 | 4,0 | 4,5 | 1,75 |
d = az izzóspirál átmérője
Az izzóspirálnak teljes egészében a rajzon látható határokon belül kell lennie.
Az izzóspirál kezdetének a Z1 és Z2 vonal között kell lennie.
11. függelék
S1 és S2 kategória
S1/S2/1 LAP

(Méretek mm-ben)
Megjegyzés:
A V-V sík a referenciatengelyen és a fülek középvonalán halad át.
A H-H sík (az ernyő rendes helyzete) merőleges a V-V síkra és rajta van a referenciatengelyen.
S1/S2/2 LAP
S1 és S2 kategóriájú izzólámpák - Méretek
Méretek mm-ben | Sorozatgyártású izzólámpák (5) | Szabványos izzólámpa | ||
Minimum | Névleges | Maximum | ||
e | 32,35 | 32,70 | 33,05 | 32,7 ± 0,15 |
f | 1,4 | 1,8 | 2,2 | 1,8 ± 0,2 |
l | 4 | 5,5 | 7 | 5,5 ± 0,5 |
c (3) | 0,2 | 0,5 | 0,8 | 0,5 ± 0,15 |
b (3) | - 0,15 | 0,2 | 0,55 | 0,2 ± 0,15 |
a (3) | 0,25 | 0,6 | 0,95 | 0,6 ± 0,15 |
h | - 0,5 | 0 | 0,5 | 0 ± 0,2 |
g | - 0,5 | 0 | 0,5 | 0 ± 0,2 |
β (3) (4) | - 2° 30′ | 0° | 2° 30′ | 0° ± 1° |
BA 20d lámpafej a 61. CIE-kiadvány szerint (7004-12-5 lap) |
S1/S2/3 LAP
ELEKTROMOS ÉS FOTOMETRIAI JELLEMZŐK
S1 kategóriájú izzólámpák
Sorozatgyártású izzólámpák (5) | Szabványos izzólámpa | ||||||
Névleges értékek | Volt | 6 | 12 | 6 | |||
Watt | 25 | 25 | 25 | 25 | 25 | 25 | |
Próbafeszültség | Volt | 6,75 | 13,5 | - | |||
Tényleges értékek | Watt | 25 | 25 | 25 | 25 | 25 | 25 |
6,75 V-nál | |||||||
± % | 5 | 5 | 5 | ||||
Fényáram lm | 435 | 315 | 435 | 315 | - | ||
± % | 20 | 20 | - | ||||
Referencia-fényáram: 398 lm illetve 284 lm kb. 6 V-nál. |
S2 kategóriájú izzólámpák
Sorozatgyártású izzólámpák (5) | Szabványos izzólámpa | ||||||
Névleges értékek | Volt | 6 | 12 | 12 | |||
Watt | 35 | 35 | 35 | 35 | 35 | 35 | |
Próbafeszültség | Volt | 6,3 | 13,5 | - | |||
Tényleges értékek | Watt | 35 | 35 | 35 | 35 | 35 | 35 |
13,5 V-nál | |||||||
± % | 5 | 5 | 5 | ||||
Fényáram lm | 650 | 465 | 650 | 465 | - | ||
± % | 20 | 20 | - | ||||
Referencia-fényáram: 568 lm illetve 426 lm kb. 12 V-nál. |
Megjegyzés:
(1) A kibocsátott fénynek fehérnek kell lennie.
(2) A referenciasík merőleges a referenciatengelyre és a 4,5 mm széles fül felső felületét érinti.
(3) Az a, b, c és β méretek egy, a referenciasíkkal párhuzamos, az ernyő két szélét e + 1,5 mm távolságban metsző síkra vonatkoznak.
(4) Az ernyősík helyzetének a normál helyzethez viszonyított megengedett szögeltérése.
(5) Típusjóváhagyási követelmények. A gyártás azonosságára vonatkozó előírások készülnek.
12. függelék
S3 kategória
S3/1 LAP

(Méretek mm-ben)
Méretek mm-ben | Sorozatgyártású izzólámpák | Szabványos izzólámpa | ||
Minimum | Névleges | Maximum | ||
e (2) | 19,0 | 19,5 | 20,0 | 19,5 ± 0,25 |
f (6 V) | 3,0 | 2,5 ± 0,5 | ||
f (12 V) | 4,0 | |||
d1, d2 (3) | - 0,5 | 0 | + 0,5 | ± 0,3 |
P26s lámpafej a 61. CIE-kiadvány szerint (7004-36-1 lap) | ||||
ELEKTROMOS ÉS FOTOMETRIAI JELLEMZŐK | ||||
Értékek | Volt | 6 | 12 | 6 |
Watt | 15 | 15 | ||
Próbafeszültség | Volt | 6,75 | 13,5 | - |
Tényleges értékek | Watt | 15 | 15,06,75 V-nál | |
± % | 6 | 6 | ||
Fényáram lm | 240 | - | ||
± % | 15 | - | ||
Referencia-fényáram: 240 lm kb. 6,75 V-nál. |
Megjegyzés:
(1) A kibocsátott fénynek fehérnek kell lennie.
(2) A fény középpontjára vonatkozó távolság.
(3) Az izzóspirál tengelyének oldalirányú eltérése a referenciatengelyhez viszonyítva. Ezt az eltérést elegendő két egymásra kölcsönösen merőleges síkban vizsgálni.
13. függelék
S4 kategória
S4/1 LAP

(Méretek mm-ben)
Megjegyzések:
A VV sík a referenciatengelyen és a referenciatüske középvonalán halad át.
A HH sík rajta van a referenciatengelyen és merőleges a VV síkra.
Az SS sík tényleges helyzete az ernyő széleinél van, a HH síkkal párhuzamosan.
S4/2 LAP
S4 izzólámpa moped fényszóróhoz
Méretek mm-ben | Sorozatgyártású izzólámpák | Szabványos izzólámpa | |||||||
Minimum | Névleges | Maximum | |||||||
e | 33,25 | 33,6 | 33,95 | 33,6 ± 0,15 | |||||
f | 1,45 | 1,8 | 2,15 | 1,8 ± 0,2 | |||||
lC, lR | 2,5 | 3,5 | 4,5 | 3,5 ± 0,5 | |||||
c (2) | 0,05 | 0,4 | 0,75 | 0,4 ± 0,15 | |||||
b (2) | - 0,15 | 0,2 | 0,55 | 0,2 ± 0,15 | |||||
a (2) | 0,25 | 0,6 | 0,95 | 0,6 ± 0,15 | |||||
h | - 0,5 | 0 | 0,5 | 0 ± 0,2 | |||||
g | - 0,5 | 0 | 0,5 | 0 ± 0,2 | |||||
β (2) (5) | - 2° 30′ | 0 | 2° 30′ | 0 ± 1° | |||||
BAX 15d (1) | |||||||||
ELEKTROMOS ÉS FOTOMETRIAI JELLEMZŐK | |||||||||
Névl. értékek | Volt | 6 | 12 | 6 | |||||
Névl. telj. (6) | Watt | 15 | 15 | 15 | 15 | 15 | 15 | ||
Próbafeszültség | Volt | 6,75 | 13,5 | ||||||
Tényleges telj. (6) | Watt | 15 | 15 | 15 | 15 | 15 | 15 | ||
6,75 V-nál | |||||||||
Tűrés | ± % | 6 | 6 | 6 | |||||
Tényleges értékek | Fényáram lm (4) (6) | 180 | 125 | 190 | 180 | 125 | 190 | ||
min. | min. | max. | min. | min. | max. | ||||
Referencia-fényáram: 240 lm (távolsági fény), 160 lm (tompított fény) kb. 6 V-nál (4) |
S4/3 LAP
Megjegyzés:
(1) Az CIE 61. kiadványnak megfelelő lámpafej előkészületben.
(2) Az a, b, c és β méretek egy, a referenciasíkkal párhuzamos, az ernyő két szélét e + 1,5 mm távolságban metsző síkra vonatkoznak.
(3) A referenciasík merőleges a referenciatengelyre és érinti a 2 mm hosszú tüske felső felületét.
(4) A kibocsátott fénynek fehérnek kell lennie.
(5) Az ernyő szélein átmenő sík megengedett eltérése a tényleges helyzethez képest.
(6) A bal oldali oszlopban lévő értékek a távolsági fényre vonatkoznak, a jobb oldali oszlopban lévő értékek a tompított fényre vonatkoznak.
14. függelék
P21W kategória
P21W/1 LAP

Méretek mm-ben | Sorozatgyártású izzólámpák | Szabványos izzólámpa | |||
Minimum | Névleges | Maximum | |||
e | 31,8 (3) | 31,8 ± 0,3 | |||
f | 12 V | 5,5 | 6,0 | 7,0 | 6,0 ± 0,5 |
6, 24 V (4) | 7,0 | ||||
β | 75° | 90° | 105° | 90° ± 5° | |
Oldalirányú eltérés (1) | (3) | max. 0,3 | |||
BA 15s lámpafej a 61. CIE-kiadvány szerint (7004-11A-7 lap) (2) | |||||
ELEKTROMOS ÉS FOTOMETRIAI JELLEMZŐK | |||||
Névleges értékek | Volt | 6 | 12 | 24 | 12 |
Watt | 21 | 21 | |||
Próbafeszültség | Volt | 6,75 | 13,5 | 28,0 | |
Tényleges értékek | Watt | 26 | 25 | 28 | 25 13,5 V-nál |
± % | 6 | 6 | |||
Fényáram lm | 460 | ||||
± % | 15 | ||||
Referencia-fényáram: 460 lm kb. 13,5 V-nál | |||||
(1) Az izzóspirál közepének maximális oldalirányú eltérése két egymásra kölcsönösen merőleges síktól, amelyek mindegyike átmegy a lámpafej referenciatengelyén és az egyik átmegy a tüskék tengelyén. (2) A BA 15d lámpafejű égők speciális célokra használhatók: méreteik ugyanezek. (3) „Dobozrendszerrel” kell ellenőrizni, P21W/2 lap. (4) Más alakú izzóspirállal ellátott, nagy igénybevételre méretezett 24 V-os lámpákra kiegészítő előírások készülnek. |
A kibocsátott fénynek fehérnek kell lennie.
P21W/2 LAP
Ernyővetületi követelmények
E vizsgálat annak megállapítására szolgál, hogy az izzólámpa megfelel-e azoknak az előírásoknak, hogy az izzóspirálnak a referenciatengelyhez és a referenciasíkhoz képest elfoglalt helyzete megfelelő és a tengelye ± 15°-on belül merőleges a tüskék középpontjain és a referenciatengelyen átmenő síkra.

(Méretek mm-ben)
jel | a | b | h | k |
méret | 3,5 | 3,0 | 9,0 | 1,0 |
Vizsgálati eljárás és előírások
1. Az izzót olyan foglalatba kell helyezni, amely a tengelye körül elfordítható vagy egy kalibrált skála mentén, vagy meghatározott, a szögelfordulási tűréshatároknak, azaz ± 15°-nak megfelelően elhelyezett ütközők között. Ez után a foglalatot úgy kell elfordítani, hogy az ernyőn, amelyre az izzóspirál képe rávetül, az izzóspirál vég felőli nézete látsszék. A vég felőli nézetet a (± 15°-os) szögelfordulási tűréshatáron belül kell elérni.
2. Oldalnézet
Az izzót úgy kell elhelyezni, hogy a lámpafej lefelé álljon, a referenciatengely függőleges legyen és az izzóspirál vég felőli nézete jelenjen meg az ernyőn, az izzóspirál vetületi képének teljes egészében belül kell lennie az "a" magasságú és "b" szélességű négyszögön, amelynek közepe az izzóspirál középpontjának elméleti helyén van.
3. Elölnézet
Az izzót úgy kell elhelyezni, hogy a lámpafej lefelé, a referenciatengely függőlegesen álljon, és az izzót az izzóspirál tengelyére merőlegesen nézve:
3.1. az izzóspirál vetületi képének teljes egészében belül kell lennie az "a" magasságú és "h" szélességű négyszögön, amelynek közepe az izzóspirál középpontjának elméleti helyén van; és
3.2. az izzóspirál közepe nem tolódhat el a referenciatengelytől a "k" távolságnál többel.
15. függelék
P21/5W kategória
P21/5W/1 LAP

Méretek mm-ben | Sorozatgyártású izzólámpák | Szabványos izzólámpa | ||||||
Minimum | Névleges | Maximum | ||||||
e | 31,8 (1) | 31,8 ± 0,3 | ||||||
f | 7,0 (1) | 7,0 - 0 - 2 | ||||||
Oldalirányú eltérés | (1) | max. 0,3 (2) | ||||||
x, y | (1) | 2,8 ± 0,3 | ||||||
β | 75° (1) | 90° | 105° (1) | 90° ± 5° | ||||
BAY 15d lámpafej a 61. CIE-kiadvány szerint (7004-11B-5 lap) | ||||||||
ELEKTROMOS ÉS FOTOMETRIAI JELLEMZŐK | ||||||||
Névleges értékek | Volt | 6 | 12 | 24 (3) | 12 | |||
Watt | 21 | 5 | 21 | 5 | 21 | 5 | 21/5 | |
Próbafeszültség | Volt | 6,75 | 13,5 | 28,0 | ||||
Tényleges értékek | Watt | 26 | 6 | 25 | 6 | 28 | 10 | 25 és 6 13,5 V-nál |
± % | 6 | 10 | 6 | 10 | 6 | 10 | 6 és 10 | |
Fényáram lm | 440 | 35 | 440 | 35 | 440 | 40 | ||
± % | 15 | 20 | 15 | 20 | 15 | 20 | ||
Referencia-fényáram: 440 lm és 35 lm kb. 13,5 V-nál | ||||||||
(1) Ezeket a méreteket egy „dobozrendszerrel” kell ellenőrizni (P21/5W/2, P21/5W/3) a fenti méretek és tűrések alapján. „x” és „y” a fő (nagy teljesítményű) izzóspirálra vonatkoznak, nem az izzó tengelyére (P21/5W/2). Az izzóspirál és a foglalat részegység elhelyezési pontosságának növelését elősegítő eszközök készülnek. (2) A fő (nagy teljesítményű) izzóspirál közepének maximális oldalirányú eltérése két egymásra kölcsönösen merőleges síktól, amelyek mindegyike átmegy a referenciatengelyen és az egyik átmegy a tüskék tengelyén. (3) A 24 V-os izzólámpa későbbiekben való alkalmazása nem javasolt. |
A kibocsátott fénynek fehérnek kell lennie.
P21/5W/2 LAP
Ernyővetületi előírások
E vizsgálat annak ellenőrzésével, hogy
a) a főizzóspirál (nagy teljesítményű) a referenciatengelyhez és a referenciasíkhoz képest megfelelően helyezkedik-e el és, hogy a tengelye ± 15°-on belül merőleges-e a tüskék középpontjain és a referenciatengelyen átmenő síkra; és
b) a mellékizzóspirál (kis teljesítményű) megfelelően helyezkedik-e el a fő (nagy teljesítményű) izzóspirálhoz képest
annak megállapítására szolgál, hogy az izzólámpa megfelel-e az előírásoknak.
Vizsgálati eljárás és előírások
1. Az izzót olyan foglalatba kell helyezni, amely a tengelye körül elfordítható vagy egy kalibrált skála mentén, vagy meghatározott, a szögelfordulási tűréshatároknak, azaz ± 15°-nak megfelelően elhelyezett ütközők között. Ezután a foglalatot úgy kell elfordítani, hogy az ernyőn, amelyre az izzóspirál képe rávetül, a főizzóspirál (nagy teljesítményű) vég felőli nézete látsszék. A főizzóspirál (nagy teljesítményű) vég felőli nézetét a (± 15°-os) szögelfordulási tűréshatáron belül kell elérni.
2. Oldalnézet
Az izzót úgy kell elhelyezni, hogy a lámpafej lefelé álljon, a referenciatengely függőleges legyen és a fő (nagy wattszámú) izzóspirál vég felőli nézete jelenjen meg az ernyőn:
2.1. a főizzóspirál (nagy teljesítményű) vetületi képének teljes egészében belül kell lennie az "a" magasságú és "b" szélességű négyszögön, amelynek közepe az izzóspirál középpontjának elméleti helyén van.
2.2. a mellékizzóspirál (kis teljesítményű) vetületének teljes egészében:
2.2.1. belül kell lennie a "c" szélességű és "d" magasságú négyszögön, amelynek közepe a főizzóspirál (nagy teljesítményű) középpontjának elméleti helyétől "v" távolsággal jobbra és "u" távolsággal feljebb van.
2.2.2. egy olyan egyenes vonal felett kell lennie, amely érinti főizzóspirál (nagy teljesítményű) vetületének felső szélét, és balról-jobbra 25°-os szög alatt emelkedik;
2.2.3. a főizzóspiráltól (nagy teljesítményű) jobbra kell lennie.
3. Elölnézet
Az izzót úgy kell elhelyezni, hogy a lámpafej lefelé, a referenciatengely függőlegesen álljon, és az izzót a főizzóspirál (nagy wattszámú) tengelyére merőlegesen nézve:
3.1. a főizzóspirál (nagy teljesítményű) vetületi képének teljes egészében belül kell lennie az "a" magasságú és "h" szélességű négyszögön, amelynek közepe az izzóspirál középpontjának elméleti helyén van; és
3.2. a főizzóspirál (nagy teljesítményű) közepe nem tolódhat el a referenciatengelytől a "k" távolságnál többel;
3.3. a mellékizzóspirál (kis teljesítményű) közepe nem tolódhat el a referenciatengelytől ± 2 mm-nél (szabványos izzólámpáknál ± 0,4 mm-nél) többel.
P21/5W/3 LAP
Oldalnézet

(Méretek mm-ben)
Jel | a | b | c | d | u | v |
Méretek | 3,5 | 3,0 | 4,8 | 2,8 |
Elölnézet

Jel | a | h | k |
Méretek | 3,5 | 9,0 | 1,0 |
16. függelék
R5W kategória
R5W/1 LAP

Referenciasík | Sorozatgyártású izzólámpák | Szabványos izzólámpa | |||
Minimum | Névleges | Maximum | |||
e | 17,5 | 19,0 | 20,5 | 19,0 ± 0,3 | |
Oldalirányú eltérés (2) | 1,5 | max. 0,3 | |||
β | 60° | 90° | 120° | 90° ± 5° | |
BA 15s lámpafej a 61. CIE-kiadvány szerint (7004-11A-6 lap) (1) | |||||
ELEKTROMOS ÉS FOTOMETRIAI JELLEMZŐK | |||||
Névleges értékek | Volt | 6 | 12 | 24 (3) | 12 |
Watt | 5 | 5 | |||
Próbafeszültség | Volt | 6,75 | 13,5 | 28,0 | |
Tényleges értékek | Watt | 5 | 7 | 5 13,5 V-nál | |
± % | 10 | 10 | |||
Fényáram lm | 50 | ||||
± % | 20 | ||||
Referencia-fényáram: 50 lm kb. 13,5 V-nál |
A kibocsátott fénynek fehérnek kell lennie.
(1) A BA 15d lámpafejű égők sajátos célokra használhatók: méreteik ugyanezek.
(2) Az izzóspirál közepének maximális oldalirányú eltérése két egymásra kölcsönösen merőleges síktól, amelyek mindegyike átmegy a referenciatengelyen és az egyik átmegy a tüskék tengelyén.
(3) Más alakú izzóspirállal ellátott, nagy igénybevételre méretezett 24 V-os lámpákra kiegészítő előírások készülnek.
(4) Lásd a 24. függeléket.
17. függelék
R10W kategória
R10W/1 LAP

Méretek mm-ben | Sorozatgyártású izzólámpák | Szabványos izzólámpa | |||
Minimum | Névleges | Maximum | |||
e | 17,5 | 19,0 | 20,5 | 19,0 ± 0,3 | |
Oldalirányú eltérés (2) | 1,5 | max. 0,3 | |||
β | 60° | 90° | 120° | 90° ± 5° | |
BA 15s lámpafej a 61. CIE-kiadvány szerint (7004-11A-6 lap) (1) | |||||
ELEKTROMOS ÉS FOTOMETRIAI JELLEMZŐK | |||||
Névleges értékek | Volt | 6 | 12 | 24 (3) | 12 |
Watt | 10 | 10 | |||
Próbafeszültség | Volt | 6,75 | 13,5 | 28,0 | |
Tényleges értékek | Watt | 10 | 12,5 | 10 13,5 V-nál | |
± % | 10 | 10 | |||
Fényáram lm | 125 | ||||
± % | 20 | ||||
Referencia-fényáram: 125 lm kb. 13,5 V-nál |
A kibocsátott fénynek fehérnek kell lennie.
(1) A BA 15d lámpafejű égők sajátos célokra használhatók: méreteik ugyanezek.
(2) Az izzóspirál közepének maximális oldalirányú eltérése két egymásra kölcsönösen merőleges síktól, amelyek mindegyike átmegy a referenciatengelyen és az egyik átmegy a tüskék tengelyén.
(3) Más alakú izzóspirállal ellátott, nagy igénybevételre méretezett 24 V-os lámpákra kiegészítő előírások készülnek.
(4) Lásd a 24. függeléket.
18. függelék
T4W kategória
T4W/1 LAP

Méretek mm-ben | Sorozatgyártású izzólámpák | Szabványos izzólámpa | |||
Minimum | Névleges | Maximum | |||
e | 13,5 | 15,0 | 16,5 | 15,0 ± 0,3 | |
Oldalirányú eltérés (1) | 1,5 | 1,5 | max. 0,5 | ||
β | 90° | 90° ± 5° | |||
BA 9s lámpafej a 61. CIE-kiadvány szerint (7004-14-6 lap) (3) | |||||
ELEKTROMOS ÉS FOTOMETRIAI JELLEMZŐK | |||||
Névleges értékek | Volt | 6 | 12 | 24 | 12 |
Watt | 4 | 4 | |||
Próbafeszültség | Volt | 6,75 | 13,5 | 28,0 | |
Tényleges értékek | Watt | 4 | 5 | 4 13,5 V-nál | |
± % | 10 | 10 | |||
Fényáram lm | 35 | ||||
± % | 20 | ||||
Referencia fényáram: 35 lm kb. 13,5 V-nál |
(1) Az izzóspirál közepének maximális oldalirányú eltérése két egymásra kölcsönösen merőleges síktól, amelyek mindegyike átmegy a referenciatengelyen és az egyik átmegy a tüskék tengelyén.
(2) Lásd a 24. függeléket.
(3) A lámpafej teljes hosszának mentesnek kell lennie a lámpafej maximális átmérőjén túlnyúló forrasztásoktól vagy kiemelkedésektől.
19. függelék
C5W kategória
C5W/1 LAP

Méretek mm-ben | Sorozatgyártású izzólámpák | Szabványos izzólámpa | |||
Minimum | Névleges | Maximum | |||
b (1) | 34,0 | 35,0 | 36,0 | 35 ± 0,5 | |
f (2) (3) | 7,5 (4) | 15 (5) | 9 ± 1,5 | ||
SV 8,5 lámpafej a 61. CIE-kiadvány szerint (7004-81-3 lap) | |||||
ELEKTROMOS ÉS FOTOMETRIAI JELLEMZŐK | |||||
Névleges értékek | Volt | 6 | 12 | 24 | 12 |
Watt | 5 | 5 | |||
Próbafeszültség | Volt | 6,75 | 13,5 | 28,0 | |
Tényleges értékek | Watt | 5 | 7 | 5 13,5 V-nál | |
± % | 10 | 10 | |||
Fényáram lm | 45 | ||||
± % | 20 | ||||
Referencia-fényáram: 45 lm kb. 13,5 V-nál | |||||
(1) Ez a méret két 3,5 mm átmérőjű, a izzóvégekre illeszkedő nyílás közötti távolságnak felel meg. (2) Az izzóspirálnak egy 19 mm hosszú, az izzólámpa tengelyével egytengelyű és az izzó közepére szimmetrikus hengerben kell elhelyezkednie. Ennek a hengernek az átmérője 6 V-os és 12 V-os izzóknál d + 4 mm (szabványos izzólámpáknál: d + 2 mm) és 24 V-os izzóknál d + 5 mm, ahol „d” az izzóspirál gyártó által megadott névleges átmérője. (3) Az izzóspirál közepének eltérése az izzó hosszirányú középpontjától nem lehet több, mint ± 2 mm (szabványos izzólámpáknál: ± 0,5 mm), a referenciatengely irányában mérve. (4) 6 V-os izzólámpáknál 4,5 mm. (5) 24 V-os izzólámpáknál 16,5 mm. |
A kibocsátott fénynek fehérnek kell lennie.
20. függelék
C21W kategória
C21W/1 LAP

Méretek mm-ben | Sorozatgyártású izzólámpák | Szabványos izzólámpa | |||
Minimum | Névleges | Maximum | |||
b (1) | 40,0 | 41,0 | 42,0 | 41 ± 0,5 | |
f (2) | 7,5 | 10,5 | 8 ± 1 | ||
SV 8,5 lámpafej a 61. CIE-kiadvány szerint (7004-81-3 lap) | |||||
ELEKTROMOS ÉS FOTOMETRIAI JELLEMZŐK | |||||
Névleges értékek | Volt | 12 | 12 | ||
Watt | 21 | 21 | |||
Próbafeszültség | Volt | 13,5 | |||
Tényleges értékek | Watt | 25 | 25 13,5 V-nál | ||
± % | 6 | 6 | |||
Fényáram lm | 460 | ||||
± % | 15 | ||||
Referencia-fényáram: 460 lm kb. 13,5 V-nál | |||||
(1) Ez a méret két 3,5 mm átmérőjű nyílás közötti távolságnak felel meg. (2) Az izzóspirál helyzetét „dobozrendszerrel” kell ellenőrizni, C21W/2 lap. |
A kibocsátott fénynek fehérnek kell lennie.
C21W/2 LAP
Ernyővetületi előírások
E vizsgálat az izzóspirálnak a referenciatengelyhez és az izzó hosszirányú közepéhez képest elfoglalt megfelelő helyzete ellenőrzésének útján annak megállapítására szolgál, hogy az izzólámpa megfelel-e az előírásoknak.

(Méretek mm-ben)
a | h | k | |
12 V | 4,0 + d | 14,5 | 2,0 |
d = az izzóspirál gyártó által megadott névleges átmérője.
Szabványos izzólámpáknál: a = 2,0 + d, k = 0,5
Vizsgálati eljárás és előírások
1. Az izzót olyan tartóba (foglalatba) kell helyezni, amelyet úgy lehet a referenciatengely körül 360°-ban körülforgatni, hogy az ernyőn, amelyre az izzóspirál képe rávetül, az elölnézet látsszék. Az ernyőn a referenciasíknak egybe kell esnie az izzó közepével. Az ernyőn keresett középtengelynek egybe kell esnie az izzó hosszirányú középpontjával.
2. Elölnézet
2.1. Az izzó 360°-os körbeforgatása alatt az izzóspirál vetületének teljes mértékben a négyszögön belül kell maradnia.
2.2. Az izzóspirál közepe nem tolódhat el "k" távolságnál többel a keresett középtengelytől.
21. függelék
W3W kategória
W3W/1 LAP

Méretek mm-ben | Sorozatgyártású izzólámpák | Szabványos izzólámpa | |||
Minimum | Névleges | Maximum | |||
e | 11,2 | 12,7 | 14,2 | 12,7 ± 0,3 | |
Oldalirányú eltérés (2) | 1,5 | max. 0,5 | |||
β | - 15° | 0° | + 15° | 0° ± 5° | |
W 2,1 × 9,5d lámpafej a 61. CIE-kiadvány szerint (7004-91-2 lap) (1) | |||||
ELEKTROMOS ÉS FOTOMETRIAI JELLEMZŐK | |||||
Névleges értékek | Volt | 6 | 12 | 24 | 12 |
Watt | 3 | 3 | |||
Próbafeszültség | Volt | 6,75 | 13,5 | 28,0 | |
Tényleges értékek | Watt | 3 | 4 | 3 13,5 V-nál | |
± % | 15 | 15 | |||
Fényáram lm | 22 | ||||
± % | 30 | ||||
Referencia-fényáram: 22 lm kb. 13,5 V-nál |
A kibocsátott fénynek fehérnek kell lennie.
(1) Ezt a típust szabadalmak védik; az ISO/CIE feltételek érvényesek.
(2) Az izzóspirál közepének maximális oldalirányú eltérése két egymásra kölcsönösen merőleges síktól, amelyek mindegyike átmegy a referenciatengelyen és az egyik átmegy az X-X tengelyen.
(3) Lásd a 23. függeléket.
22. függelék
W5W kategória
W5W/1 LAP

Méretek mm-ben | Sorozatgyártású izzólámpák | Szabványos izzólámpa | |||
Minimum | Névleges | Maximum | |||
e | 11,2 | 12,7 | 14,2 | 12,7 ± 0,3 | |
Oldalirányú eltérés (2) | 1,5 | max. 0,5 | |||
β | - 15° | 0° | + 15° | 0° ± 5° | |
W 2,1 × 9,5d lámpatest a 61. CIE-kiadvány szerint (7004-91-2 lap) (1) | |||||
ELEKTROMOS ÉS FOTOMETRIAI JELLEMZŐK | |||||
Névleges értékek | Volt | 6 | 12 | 24 | 12 |
Watt | 5 | 5 | |||
Próbafeszültség | Volt | 6,75 | 13,5 | 28,0 | |
Tényleges értékek | Watt | 5 | 7 | 5 13,5 V-nál | |
± % | 10 | 10 | |||
Fényáram lm | 50 | ||||
± % | 20 | ||||
Referencia fényáram: 50 lm kb. 13,5 V-nál |
A kibocsátott fénynek fehérnek kell lennie.
(1) Ezt a típust szabadalmak védik; az ISO/CIE feltételek érvényesek.
(2) Az izzóspirál közepének maximális oldalirányú eltérése két egymásra kölcsönösen merőleges síktól, amelyek mindegyike átmegy a referenciatengelyen és az egyik átmegy az X-X tengelyen.
(3) Lásd a 24. függeléket.
23. függelék
Példa a jóváhagyási jel elhelyezésére

Egy izzólámpán elhelyezett fenti EK-alkatrész-típusjóváhagyási jel azt mutatja, hogy az izzót Németországban (e1) hagyták jóvá, az A3 jóváhagyási szám alatt. A jóváhagyási kód első számjegye (0) azt jelzi, hogy a jóváhagyás ezen irányelvnek eredeti változata IV. mellékletének előírásai szerint történt.
24. függelék
Az izzók izzóspiráljainak fényközéppontja és alakja
Hacsak egyes izzók adatlapjai nem tüntetnek fel mást, ez a szabvány alkalmazható a különböző alakú izzóspirálok fényközéppontjának meghatározására, ha az izzó-adatlapokon az izzóspirál legalább egy nézetben pontként jelenik meg.
A fényközéppont helyzete az izzóspirál alakjától függ.
Szám | Az izzóspirál alakja | Megjegyzés |
1 | [Kép #39] | Ha b > 1,5 h, az izzóspirál tengelyének eltérése a referenciatengelyre merőleges síktól nem lehet több 15°-nál. |
2 | [Kép #40] | Csak olyan izzóspirálokra alkalmazható, amelyek egy b > 3 h négyszögbe berajzolhatók. |
3 | [Kép #41] | Olyan izzóspirálokra alkalmazható, amelyek egy b < 3 h négyszögbe berajzolhatók, de ahol k < 2 h. |

Kép #39

Kép #40

Kép #41
A 2. és 3. sz. esetben a körülírt négyszög oldalvonalai a referenciatengellyel párhuzamosak, illetve arra merőlegesek.
A fényközéppont a pont-vonallal jelzett egyenesek metszéspontja.
3. FEJEZET
MOTORKERÉKPÁROK VAGY SEGÉDMOTOROS KERÉKPÁROK KÜLSŐ KINYÚLÓ RÉSZEI
A MELLÉKLETEK JEGYZÉKE
I. MELLÉKLET | Motorkerékpárok és segédmotoros kerékpárok külső kinyúló részeire vonatkozó előírások |
Függelék | Vizsgáló berendezés és a vizsgálat feltételei |
II. MELLÉKLET | Motoros triciklik, könnyű négykerekű motorbiciklik és négykerekű motorbiciklik külső kinyúló részeire vonatkozó előírások |
Függelék | Kiálló részek és rések mérése |
III. MELLÉKLET | |
1. függelék | Egy motorkerékpár- vagy segédmotoroskerékpár-típusból kiálló részek adatközlő lapja |
2. függelék | Egy motorkerékpár- vagy segédmotoroskerékpár-típusból kiálló részek alkatrész-típusjóváhagyási bizonyítványa |
I. MELLÉKLET
MOTORKERÉKPÁROK ÉS SEGÉDMOTOROS KERÉKPÁROK KÜLSŐ KINYÚLÓ RÉSZEIRE VONATKOZÓ ELŐÍRÁSOK
1. FOGALOMMEGHATÁROZÁSOK
Ennek a mellékletnek az alkalmazásában:
1.1. "jármű külső részei": a jármű olyan részei, amelyek egy összeütközés során kapcsolatba kerülhetnek külső akadályokkal;
1.2. "súrolás": olyan érintkezés, amely bizonyos körülmények között horzsolt sebet okozhat;
1.3. "ütközés": olyan érintkezés, amely bizonyos körülmények között mélyreható sérülést okozhat;
1.4. "járműtípus a kinyúló részek szempontjából": olyan járművek, amelyek lényegesen nem különböznek egymástól, különösen a jármű külső részeinek alakja, méretei, haladási iránya és keménysége tekintetében;
1.5. "görbületi sugár": a szóban forgó alkatrész lekerekített formáját leginkább megközelítő körív "r" sugara.
2. A "SÚROLÁST" ÉS AZ "ÜTKÖZÉST" MEGKÜLÖNBÖZTETŐ KRITÉRIUMOK
2.1. Ha a (függelék A. ábráján látható) vizsgáló berendezés az alábbi 4.2. pontban leírt módon végighalad a jármű mellett, a járműnek a berendezés által megérintett részeit két csoportba tartozónak kell tekinteni:
2.1.1.
1. csoport: ha a jármű részei súrolják a vizsgáló berendezést; vagy
2.1.2.
2. csoport: ha a jármű részei ütköznek a vizsgáló berendezéssel.
2.1.3. Annak érdekében, hogy egyértelmű különbséget lehessen tenni az 1. csoportba és a 2. csoportba tartozó részek vagy alkatrészek között, a vizsgáló berendezést az alábbi ábrán látható módszer szerint kell alkalmazni:

3. ÁLTALÁNOS ELŐÍRÁSOK
3.1. A 3.2. pont előírásainak sérelme nélkül, semmilyen jármű külső részén sem lehetnek olyan kifelé álló hegyes, éles vagy kinyúló részek, amelyek alakja, mérete, állásszöge vagy keménysége növeli egy baleset során súrolt vagy elütött személy által elszenvedett testi sérülések kockázatát vagy súlyosságát.
3.2. A járműveket úgy kell kialakítani, hogy azok a részek, amelyekkel az út más használói érintkezésbe kerülhetnek, megfeleljenek az 5. és 6. pont adott esetre alkalmazható előírásainak.
3.3. Minden olyan, e melléklet által érintett kinyúló alkatrészt, amely 60 Shore A keménységnél lágyabb gumiból vagy műanyagból készült vagy azzal van borítva, úgy kell tekinteni, mint amely megfelel az 5. és 6. pont előírásainak.
3.4. Mindazonáltal az alábbi előírások oldalkocsis motorkerékpárok esetében nem vonatkoznak az oldalkocsi és a motorkerékpár közötti térre.
3.5. A pedálokkal felszerelt mopedek esetében az ezen irányelv pedálokra vonatkozó valamennyi előírásának vagy azok valamely részének teljesítése tetszés szerinti. Ha az előírt követelmények nem teljesülnek, a gyártóknak tájékoztatniuk kell erről a járműtípus kiálló részeinek alkatrész-típusjóváhagyására felkért hatóságokat, és egyidejűleg közölniük kell a biztonság érdekében tett intézkedéseiket.
3.6. Ha a motorkerékpár vagy segédmotoros kerékpár olyan szerkezeti kialakítást vagy kiegészítő elemeket tartalmaz, amelyek a vezető vagy az utasok külső tértől való teljes vagy részbeni elhatárolását vagy a jármű egyes alkatrészeinek lefedését szolgálják, akkor a típusjóváhagyást végző hatóság vagy a műszaki szolgálat saját hatáskörben és a jármű gyártójával egyeztetve, a legkedvezőtlenebb körülmények értékelése alapján, a teljes jármű vagy annak egy része tekintetében dönthet e melléklet vagy a II. melléklet követelményeinek alkalmazása mellett.
4. A VIZSGÁLATI MÓDSZEREK
4.1. A vizsgáló berendezés és a vizsgálat feltételei
4.1.1. A vizsgáló berendezésnek a függelék A. ábráján leírt berendezésnek kell lennie.
4.1.2. A próbajárművet egyenes irányban és függőlegesen kell tartani, mindkét kerekével a földön. A kormányberendezés a rendes mozgási tartományán belül szabadon mozoghat.
Egy AM 50 százalékos ember formájú próbabábut vagy egy hasonló fizikai jellemzőkkel bíró személyt kell elhelyezni a próbajárművön rendes vezetési helyzetben, de úgy, hogy ne gátolja a kormányberendezés szabad mozgását.
4.2. A vizsgálati eljárás
A vizsgáló berendezést elölről hátrafelé végig kell húzni a próbajármű mellett, és (ha nekiütközhet a vizsgáló berendezésnek) a kormányt ütközésig el kell fordítani. A vizsgáló berendezésnek érintkezésben kell maradnia a járművel (lásd a függelék B. ábráját). A vizsgálatot a jármű mindkét oldalán el kell végezni.
5. FELTÉTELEK
5.1. Az e pontban felsorolt feltételek nem vonatkoznak az alábbi 6. pont által érintett részekre.
5.2. A fenti 3.3. pontban leírt kivételtől eltekintve, az alábbi minimális feltételek érvényesek:
5.2.1. Az 1. csoportba tartozó részekre vonatkozó előírások:
5.2.1.1. Lemezek:
- egy különálló lemez sarkai lekerekítési sugarának legalább 3 mm-nek kell lennie,
- egy különálló lemez élei lekerekítési sugarának legalább 0,5 mm-nek kell lennie.
5.2.1.2. Rudak:
- a rudak átmérőjének legalább 10 mm-nek kell lennie,
- a rudak vége széllekerekítési sugarának legalább 2 mm-nek kell lennie.
5.2.2. A 2. csoportba tartozó részekre vonatkozó előírások:
5.2.2.1. Lemezek:
- az élek és sarkok lekerekítési sugarának legalább 2 mm-nek kell lennie;
5.2.2.2. Rudak:
- nem lehetnek hosszabbak a rúd átmérőjének felénél, ha az átmérő 20 mm-nél kisebb,
- a rudak vége széllekerekítési sugarának legalább 2 mm-nek kell lennie, ha a rúd átmérője legalább 20 mm.
6. KÜLÖNLEGES ELŐÍRÁSOK
6.1. Az áramvonalazó szélvédő felső széle lekerekítési sugarának legalább 2 mm-nek kell lennie, vagy a 3.3 pontnak megfelelő élvédő anyaggal beburkoltnak kell lennie.
6.2. A tengelykapcsoló- és fékkarok végének jól láthatóan legömbölyítettnek kell lennie, legalább 7 mm lekerekítési sugárral. A tengelykapcsoló- és fékkarok külső szélét legalább 2 mm lekerekítési sugárral kell kiképezni. Az ellenőrzést a karok semleges helyzetében kell elvégezni.
6.3. A mellső sárvédő elülső éle lekerekítési sugarának legalább 2 mm-nek kell lennie.
6.4. A tüzelőanyagtartály tetején elhelyezett töltőnyílássapka hátsó éle, amelyhez egy összeütközés alkalmával a vezető nekiütődhet, nem állhat ki 15 mm-nél többel az alatta lévő felületből; az alatta lévő felülethez való csatlakozásának simának kell lennie vagy jól láthatóan legömbölyítettnek. Ha a 15 mm-es előírás nem teljesíthető, más intézkedéseket kell tenni, például védőberendezést kell elhelyezni a töltőnyílás mögött (lásd pl. az alábbi vázlatot).

6.5. A gyújtáskulcsot védősapkával kell ellátni. Ez a követelmény nem vonatkozik a behajtható kulcsokra vagy az olyan kulcsokra, amelyek a felülettel szintben vannak.
1. függelék
Vizsgáló berendezés és vizsgálati feltételek

A. ábra

B. ábra
II. MELLÉKLET
MOTOROS TRICIKLIK, KÖNNYŰ NÉGYKEREKŰ MOTORBICIKLIK ÉS NÉGYKEREKŰ MOTORBICIKLIK KÜLSŐ KINYÚLÓ RÉSZEIRE VONATKOZÓ ELŐÍRÁSOK
ÁLTALÁNOS ELŐÍRÁSOK
A gépjárművek (M1 kategória) kiálló részeire vonatkozó 74/483/EGK ( 57 ) irányelv előírásai érvényesek az utasok szállítására szolgáló motoros triciklikre is.
Tekintettel azonban arra, hogy ezek a járművek nagymértékben eltérő kialakítással készülhetnek, a típusjóváhagyást végző hatóság vagy a műszaki szolgálat saját hatáskörben és a jármű gyártójával egyeztetve, a legkedvezőtlenebb körülmények értékelése alapján, a teljes jármű vagy annak egy része tekintetében dönthet e melléklet vagy az I. melléklet követelményeinek alkalmazása mellett.
A motoros triciklikre, a könnyű négykerekű motorbiciklikre és a négykerekű motorbiciklikre vonatkozó követelmények tekintetében ugyanez érvényes az alábbiakban előírt követelményekre is.
Az áruszállításra szolgáló motoros triciklikre, könnyű négykerekű motorbiciklikre és négykerekű motorbiciklikre az alábbi előírások vonatkoznak.
1. ALKALMAZÁSI KÖR
1.1. Ez a melléklet az áruszállításra szolgáló járművek vezetőfülkéjének hátsó fala előtt, az alábbi meghatározás szerinti külső felületen lévő kinyúló részekre vonatkozik. Nem vonatkozik a külső visszapillantó tükrökre és azok tartószáraira vagy olyan tartozékokra, mint a rádióantennák és csomagtartók.
1.2. A cél az, hogy egy ütközés alkalmával a jármű külső felületével érintkezésbe kerülő személy sérülésének kockázatát vagy súlyosságát csökkenteni lehessen.
2. FOGALOMMEGHATÁROZÁSOK
Ennek a mellékletnek az alkalmazásában:
2.1. "külső felület": a járműnek a vezetőfülke alábbi 2.4. pontban meghatározott hátsó fala előtti része, kivéve magát a hátsó falat, de tartalmazza az olyan részeket, mint adott esetben, az első sárvédő(k), az első lökhárító és az első kerék (kerekek);
2.2. "járműtípus a kinyúló részek szempontjából": olyan járművek, amelyek lényegesen nem különböznek egymástól, különösen a jármű külső részeinek alakja, méretei, haladási iránya és keménysége tekintetében;
2.3. "vezetőfülke": a karosszériának a vezető és az utas részére fenntartott része, beleértve a fülkeajtókat is;
2.4. "vezetőfülke hátsó fala": a vezető és az utas részére fenntartott fülkének a külső felülettől hátrafelé legtávolabb eső része;
2.5. "referenciasík": egy, az első kerék (kerekek) középpontján áthaladó vízszintes sík, vagy egy, a föld felett 50 cm-rel elhelyezkedő vízszintes sík, a kettő közül az alacsonyabban fekvő. Ez a sík a terhelt járműre vonatkozik;
2.6. "talpvonal": az alábbiak szerint meghatározott vonal: egy meghatározatlan magasságú, 15°-os félszögű, függőleges tengelyű kúpot kell a jármű külső felületén végighúzni úgy, hogy állandóan érintse, a lehető legalacsonyabban, a karosszéria külső felületét. A talpvonal az érintési pontok geometriai nyomvonala.
A talpvonal megállapításakor figyelmen kívül kell hagyni a kipufogócsöveket, kerekeket vagy a padlólemezhez erősített helyi mechanikai kezelőelemeket, mint amilyenek az emelési pontok, felfüggesztő szerelvények, vontatási vagy szállítási célt szolgáló megkötési pontok. A feltételezés az, hogy a közvetlenül a kerékívek fölött lévő rés képzeletbeli felülettel van kitöltve, amely a szomszédos külső felület közvetlen meghosszabbítása. A talpvonal meghatározásakor a vizsgált jármű típusától függően, figyelembe kell venni a karosszérialemezelés profiljának legkiállóbb részeit, a sárvédőt vagy sárvédőket (ha vannak) és a lökhárító külső részeit (ha vannak). Ha egyidejűleg két vagy több érintési pont van, az alsó vagy a legalsó érintési pont határozza meg a talpvonalat;
2.7. "lekerekítési sugár": a szóban forgó alkatrész lekerekített alakjához legközelebb eső körív sugara;
2.8. "terhelt jármű": olyan jármű, amely a tengelyek között a gyártó előírásainak megfelelően megosztott, műszakilag megengedhető maximális terhet hordozza.
3. ÁLTALÁNOS ELŐÍRÁSOK
3.1. Ennek a mellékletnek a rendelkezései nem vonatkoznak a jármű "külső felülete" azon részeire, amelyek, ha a jármű terheletlen állapotban van és a vezetőfülke beszállásra szolgáló ajtói, ablakai, nyílásai, stb. zárva vannak,
3.1.1. kívül vannak azon a területen, amelynek felső határa egy, a föld felett 2 m magasságban lévő sík, alsó határa pedig, a gyártó választásától függően, vagy a 2.5. pontban meghatározott referenciasík, vagy a 2.6. pontban meghatározott talpvonal,
vagy
3.1.2. úgy helyezkednek el, hogy statikus viszonyok között, nem érinthetők meg egy 100 mm átmérőjű gömbbel.
3.1.3. Ha a zóna alsó határa a referenciasík, figyelembe kell venni a járműnek azokat a referenciasík alatti, két függőleges sík közé eső részeit, amely síkok egyike érinti a jármű külső felületét, a másik pedig ezzel párhuzamosan, 80 mm-rel a jármű belseje felé helyezkedik el attól a ponttól, amelyben a referenciasík érinti a jármű karosszériáját.
3.2. A jármű "külső felületén" nem lehet olyan kifelé nyúló alkatrész, amelybe járókelők, kerékpárosok vagy motorkerékpárosok beleakadhatnak.
3.3. Az alábbi 4. pontban meghatározott alkatrészek egyikén sem lehetnek olyan kifelé álló hegyes, éles vagy kinyúló részek, amelyek alakja, mérete, állásszöge vagy keménysége növelheti egy baleset során súrolt vagy elütött személy által elszenvedett testi sérülések kockázatát vagy súlyosságát.
3.4. A külső felületből kinyúló 60 Shore (A) keménységnél lágyabb anyagból készült alkatrészek lekerekítési sugara kisebb lehet, mint az alábbi 4. pontban megadott értékek.
3.5. Ha a 4. pont követelményeitől eltérően bármely kiemelkedő alkatrész lekerekítési sugara 2,5 mm-nél kisebb, azt a 3.4. pontban megadott jellemzőkkel bíró burkolattal kell ellátni.
4. KÜLÖNLEGES ELŐÍRÁSOK
4.1. Díszítmények, márkajelek, kereskedelmi logo-feliratok
4.1.1. A díszítményeken, márkajeleken, kereskedelmi logo-betűkön és -számokon nem lehetnek 2,5 mm-nél kisebb lekerekítési sugarak. Ez az előírás nem vonatkozik olyan részekre, amelyek 5 mm-nél kevesebbel emelkednek ki az azokat környező felületből, feltéve, hogy nincs rajtuk kifelé irányuló vágó él.
4.1.2. Az azokat környező felületből 10 mm-nél jobban kiemelkedő díszítményeknek, márkajeleknek, kereskedelmi logo-betűknek és -számoknak vissza kell húzódniuk, le kell válniuk vagy el kell hajolniuk a hozzájuk tartozó felülettel nagyjából párhuzamos síkban a legkiállóbb pontjukra ható bármilyen irányú 10 daN erő hatására.
A 10 daN erőt egy maximum 50 mm átmérőjű lapos végű tüskével kell kifejteni. Ha ez nem lehetséges, valamilyen egyenértékű módszert kell alkalmazni. Ha egy díszítő motívum visszahúzódott, levált vagy elhajlott, a megmaradó részek nem állhatnak ki 10 mm-nél jobban és nem lehet rajtuk hegyes, éles vagy vágó él.
4.2. Fényszórók kidomborodó peremei és környezetük
4.2.1. Fényszóróknál megengedhető, hogy bizonyos pontok a környezetükkel együtt kidomborodjanak, ha ez a kidomborodás a fényszóró külső, átlátszó felületétől számítva nem több 30 mm-nél, és a lekerekítési sugár sehol sem kisebb 2,5 mm-nél.
4.2.2. A kiemelkedő típusú fényszóróknak mind működő, mind rejtett állapotukban teljesíteniük kell a fenti 4.2.1. pont előírásait.
4.2.3. A 4.2.1. pont rendelkezései nem vonatkoznak a karosszériába beágyazott vagy besüllyesztett fényszórókra, ha teljesítik a fenti 3.2. pont előírásait.
4.3. Rácsok
A rácselemek lekerekítési sugarainak az alábbiaknak kell lenniük:
- legalább 2,5 mm, ha az egymás melletti rácselemek távolsága 40 mm-nél nagyobb,
- legalább 1 mm, ha ez a távolság 25 mm és 40 mm között van,
- legalább 0,5 mm, ha ez a távolság 25 mm-nél kisebb.
4.4. Szélvédő- és fényszóró-mosó/törlő rendszer
4.4.1. A fenti készülékeket úgy kell felszerelni, hogy a törlőlapát tengelye egy olyan védősapkával legyen letakarva, amelynek lekerekítési sugara legalább 2,5 mm, felülete pedig a legkiállóbb részétől legfeljebb 6,5 mm-re mért metszetében legalább 150 mm2.
4.4.2. A szélvédőmosó- és fényszórómosó-fúvókák lekerekítési sugarának legalább 2,5 mm-nek kell lennie. Ha kevesebb mint 5 mm-rel emelkednek ki, kifelé néző éles széleiket simára kell polírozni.
4.5. Sárvédő (ha van)
Ha a sárvédő a járműnek a vezetőfülke előtti legelőrenyúlóbb része, alkatrészeit úgy kell kialakítani, hogy valamennyi kifelé álló merev részének lekerekítési sugara legalább 5 mm legyen.
4.6. Védőberendezések (lökhárítók) (ha vannak)
4.6.1. Az első védőberendezések kiálló részeit be kell hajlítani a karosszéria külső felülete felé.
4.6.2. Az első védőberendezések alkatrészeit úgy kell kialakítani, hogy valamennyi kifelé álló merev részének lekerekítési sugara legalább 5 mm legyen.
4.6.3. A segédberendezések, például vontatóhorgok vagy csörlők nem nyúlhatnak túl a lökhárítók legelőreállóbb felületén. Mindazonáltal a csörlők túlnyúlhatnak a lökhárítók legelőreállóbb felületén, ha üzemen kívüli állapotban legalább 2,5 mm lekerekítési sugarú, megfelelő védőburkolattal vannak letakarva.
4.6.4. A 4.6.2. pont előírásai nem vonatkoznak a lökhárítókhoz tartozó vagy azok részét képező, vagy a lökhárítókkal összeépített olyan alkatrészekre, amelyek 5 mm-nél nem többel emelkednek ki a felületből. Az 5 mm-nél nem többel kiemelkedő alkatrészek éleit simára kell polírozni. A lökhárítókra szerelt és az e melléklet más pontjaiban említett berendezésekre vonatkozó különleges előírások itt is érvényesek.
4.7. Ajtók, csomagtartófedelek és motorháztetők fogantyúi, sarokpántjai és nyomógombjai, kezelőnyílások, fedelek és kapaszkodófogantyúk
4.7.1. A nyomógombok nem emelkedhetnek ki 30 mm-nél, a kapaszkodófogantyúk és a motorháztető-zárófogantyúk 70 mm-nél, vagy bármi más 50 mm-nél többel. Lekerekítési sugaruknak legalább 2,5 mm-nek kell lenniük.
4.7.2. Ha az oldalajtók fogantyúi elforgathatóak, meg kell felelniük az alábbi feltételek valamelyikének:
4.7.2.1. ha a fogantyú az ajtó síkjával párhuzamosan fordul el, a fogantyúnak nyitott szélső helyzetében hátrafelé kell néznie. Ennek a szélső helyzetnek behajthatónak kell lennie az ajtó síkja felé és védőburkolatban vagy besüllyesztésben kell elhelyezkednie;
4.7.2.2. a kifelé, nem az ajtó síkjával párhuzamosan elforduló fogantyúknak zárt állapotban védőburkolatban vagy besüllyesztésben kell elhelyezkedniük. Nyitott szélső helyzetüknek hátrafelé vagy lefelé kell mutatniuk. Mindazonáltal az ezen utóbbi előírást nem teljesítő fogantyúk is elfogadhatók, ha:
- független visszatérítő mechanizmusuk van,
- ha a visszatérítő mechanizmus nem működik, nem állnak ki 15 mm-nél jobban,
- ebben a nyitott helyzetben lekerekítési sugaruk legalább 2,5 mm (ez a feltétel nem érvényes akkor, ha teljesen nyitott állapotban a kiemelkedés nem több 5 mm-nél, amely esetben viszont a kifelé néző éleket simára kell polírozni),
- a kiálló szabad felületnek a legjobban kiemelkedő ponttól 6,5 mm-re mérve legalább 150 mm2-nek kell lennie.
4.8. Oldalsó lég- és esőterelők és ablak-szennyterelők
A kifelé néző élek lekerekítési sugarának legalább 1 mm-nek kell lennie.
4.9. Fémlemez élek
Fémlemez élek megengedhetők, feltéve, hogy lekerekítési sugaruk legalább 2,5 mm, vagy a 3.4. pont előírásainak megfelelő anyagból készült élvédővel vannak bevonva.
4.10. Kerékanyák, kerékagy-sapkák és védőberendezések
4.10.1. A kerékanyákon, kerékagy-sapkákon és védőberendezéseken nem lehetnek kiálló bordák.
4.10.2. Amikor a jármű egyenesen előre halad, a gumiabroncstól eltekintve a kerekeknek a forgástengelyen áthaladó vízszintes sík felett lévő egyetlen más része se nyúlhat túl vízszintes síkban a kerék feletti karosszérialemezelés szélének függőleges vetületén. Mindazonáltal ott, ahol az üzemi követelmények ezt indokolják, a kerékanyákat és a kerékagyakat takaró védőkupakok túlnyúlhatnak e lemezszél függőleges vetületén, feltéve, hogy a kiálló rész felületének lekerekítési sugara legalább 5 mm, és a karosszérialemezelés szélének függőleges vetületéhez képest a túlnyúlás semmilyen körülmények között sem több 30 mm-nél.
4.10.3. Ahol az anyák és csavarok túlnyúlnak a gumiabroncsok külső síkján (amely abroncsok részben a kerekek forgástengelyén átmenő vízszintes sík felett helyezkednek el), a 4.10.2. pont előírásait teljesítő védőberendezéseket kell felszerelni.
4.11. Az emelési pontok és a kipufogó csövek
4.11.1. Az esetleges emelési pontok és a kipufogó csövek nem nyúlhatnak túl 10 mm-nél többel sem a padlóvonal függőleges vetületén, sem a referenciasík és a jármű külső felülete metszésvonalának függőleges vetületén.
4.11.2. Ezen előírástól eltérően a kipufogócső 10 mm-nél többel is túlnyúlhat, ha legkülső éles szélei legalább 2,5 mm-es sugárral le vannak kerekítve.
4.12. A túlnyúlásokat és távolságokat a függelékben szereplő előírásoknak megfelelően kell mérni.
Függelék
Kiálló részek és rések mérése
1. EGY, A KÜLSŐ FELÜLETRE SZERELT ALKATRÉSZ TÚLNYÚLÁSI MÉRTÉKÉNEK MEGHATÁROZÁSI MÓDSZERE
1.1. Egy domború lemezre szerelt alkatrész túlnyúlásának mértéke vagy közvetlenül, vagy egy, a felszerelt alkatrészt megfelelő metszetben ábrázoló rajz útján határozható meg.
1.2. Ha egy nem domború lemezre szerelt alkatrész túlnyúlásának mértéke egyszerű méréssel nem állapítható meg, egy 100 mm átmérőjű gömb középpontja és a lemez névleges vonala közötti távolság legnagyobb eltérésével kell azt meghatározni, amikor a gömb, vele állandó érintkezésben maradva, végiggördül az alkatrészen. E módszer alkalmazására látható példa az 2. ábrán.
1.3. Kapaszkodófogantyúk túlnyúlásának mértékét a fogantyúk felerősítési pontjain átmenő síkhoz képest kell mérni. Példa a 2. ábrán látható.
2. FÉNYSZÓRÓPEREMEK ÉS KÖRNYÉKÜK TÚLNYÚLÁSI MÉRTÉKÉNEK MEGHATÁROZÁSI MÓDSZERE
2.1. A fényszóró külső felületéhez viszonyított túlnyúlást vízszintesen kell mérni, a 100 mm átmérőjű gömb érintési pontjától, a 3. ábrán látható módon.
3. A RÁCSELEMEK KÖZÖTTI RÉS MÉRETÉNEK MEGHATÁROZÁSI MÓDSZERE
3.1. A rácselemek közötti rés méretét a gömb érintési pontjain átmenő, és az ugyanezen érintési pontokat összekötő egyenesre merőleges két sík közötti távolságként kell meghatározni. E módszer alkalmazására látható példa a 4. és 5. ábrán.

III. MELLÉKLET
1. függelék

2. függelék

4. FEJEZET
MOTORKERÉKPÁROK ÉS SEGÉDMOTOROS KERÉKPÁROK VISSZAPILLANTÓ TÜKREI
A MELLÉKLETEK JEGYZÉKE
I. MELLÉKLET | Fogalommeghatározások |
Függelék | Eljárás a visszapillantó tükör tükröző felülete „r” görbületi sugarának meghatározására |
II. MELLÉKLET | A visszapillantó tükrök alkatrész-típusjóváhagyására vonatkozó szerkezeti és vizsgálati előírások |
1. függelék | A tükrözőképesség meghatározására szolgáló módszer |
2. függelék | A visszapillantó tükrök alkatrész-típusjóváhagyása és jelölése |
3. függelék | Motorkerékpárokhoz és segédmotoros kerékpárokhoz való visszapillantótükör-típus adatközlő lapja |
4. függelék | Motorkerékpárokhoz és segédmotoros kerékpárokhoz való visszapillantótükör-típus alkatrész-típusjóváhagyási bizonyítványa |
III. MELLÉKLET | Visszapillantó tükrök járművekre való szerelését szabályozó előírások |
1. függelék | Visszapillantó tükörnek vagy tükröknek egy motorkerékpárra vagy segédmotoros kerékpárra való szerelésére vonatkozó adatközlő lap |
2. függelék | Visszapillantó tükörnek vagy tükröknek egy motorkerékpárra vagy segédmotoros kerékpárra való szerelésére vonatkozó alkatrész-típusjóváhagyási bizonyítvány |
I. MELLÉKLET
FOGALOMMEGHATÁROZÁSOK
1. "Visszapillantó tükör": egy nem bonyolult - mint amilyen például egy periszkóp - készülék, amelynek célja a jó látás biztosítása a jármű hátsó része felé.
2. "Belső visszapillantó tükör": az 1. pontban meghatározott készülék, adott esetben a jármű utasterének belsejében történő felszereléshez.
3. "Külső visszapillantó tükör": az 1. pontban meghatározott készülék, a jármű külső felületére történő felszereléshez.
4. "Visszapillantó tükör típusa": olyan készülékek, amelyek nem különböznek lényegesen egymástól az alábbi alapvető jellemzők tekintetében:
4.1. a visszapillantó tükör tükröző felületének méretei és görbületi sugara;
4.2. a visszapillantó tükör kialakítása, formája vagy anyagai, a járműre való felerősítést is beleértve.
5. "Visszapillantó tükör osztálya": mindazon készülékek, amelyeknél egyes funkciók vagy jellemzők azonosak. Ezek a következőképpen csoportosíthatók:
I. osztály: belső tükrök,
L. osztály: "fő" külső tükrök.
6. "r": a tükröző felületen az 1. függelék 2. pontjában leírt módszer szerint mért görbületi sugarak átlaga.
7. "Tükröző felület egy pontjának fő görbületi sugara": a tükröző felület középpontján áthaladó és az e felület középpontján áthaladó függőleges síkban fekvő fő íven (ri), valamint a vízszintes síkban fekvő és az előbbi szelvényre merőleges fő íven (r′i) az 1. függelékben meghatározott berendezés segítségével mért értékek.
8. "Tükröző felület egy pontjának görbületi sugara (rp)": az ri és r¡ i fő görbületi sugarak számtani közepe, azaz:

9. "Tükröző felület középpontja": a tükröző felület látható területének súlypontja.
10. "Visszapillantó tükröt magában foglaló elem görbületi sugara": a vizsgált elem lekerekített alakját leginkább megközelítő kör c sugarát jelenti.
11. "Járműtípus a visszapillantó tükrök szempontjából": olyan járművek, amelyek lényegesen nem különböznek egymástól az alábbi alapvető szempontok tekintetében:
11.1. a jármű olyan jellemzői, amelyek korlátozhatják a látómezőt és befolyásolják a visszapillantó tükrök felszerelését;
11.2. a kötelező és a megrendelhető visszapillantó tükör helye és típusa, ha nem csak kötelező visszapillantó tükrök vannak felszerelve.
12. "A vezető szemhelyzeti pontjai": olyan két, egymástól 65 mm-re lévő pont, amelyek függőlegesen 635 mm-rel vannak az e melléklet függelékében meghatározott, vezetési helyzetre vonatkozó R pont fölött. Az ezeket összekötő egyenes derékszöget zár be a jármű hossztengelyére állított függőleges síkkal.
A két szemhelyzeti pont közötti szakasz középpontjának a vezető ülése gyártó által meghatározott középpontján átmenő, a jármű hossztengelyére állított függőleges síkban kell lennie.
13. "Mindkét szemes látómező": az a teljes látómező, amely a jobb és a bal szem egyszemes látómezőinek szuperpozíciójából adódik (lásd az alábbi ábrát).

14. "Karosszéria nélküli jármű": olyan jármű, amelyben az utasteret a következő elemek közül nem határolja legalább négy: szélvédő, padló, tetőzet, oldalfalak, hátfalak, ajtók.
15. "Karosszériával ellátott jármű": olyan jármű, amelyben az utasteret a következő elemek közül legalább négy határolja: szélvédő, padló, tetőzet, oldalfalak, hátfalak, ajtók.
Függelék
Eljárás a visszapillantó tükör tükröző felülete "r" görbületi sugarának meghatározására
1. MÉRÉSEK
1.1. A mérőberendezés
Az 1. ábrán látható "szferométer" nevű készüléket kell használni.
1.2. A mérési pontok
1.2.1. A fő görbületi sugarakat három pontban kell mérni a lehető legközelebb a függőleges síkban a tükröző felület középpontján áthaladó fő ív, vagy ha ez hosszabb, e felület középpontján vízszintes síkban áthaladó fő ív hosszának egyharmadához, feléhez és kétharmadához.
1.2.2. Mindazonáltal, ha a tükröző felület méretei nem teszik lehetővé a 7. pontban meghatározott méréseket, a vizsgálatért felelős ellenőrző szervek elvégezhetik az e pont szerinti méréseket két olyan egymásra merőleges irányban, amelyek a lehető legközelebb vannak a fent előírt irányokhoz.
2. AZ "r" GÖRBÜLETI SUGÁR SZÁMÍTÁSA
az "r" mm-ekben kifejezve az alábbi képlettel számítható:

,
ahol
rp1 = az első mérési pont görbületi sugara
rp2 = a második mérési pont görbületi sugara
rp3 = a harmadik mérési pont görbületi sugara

1. ábra
II. MELLÉKLET
A VISSZAPILLANTÓ TÜKRÖK ALKATRÉSZ-TÍPUSJÓVÁHAGYÁSÁRA VONATKOZÓ SZERKEZETI- ÉS VIZSGÁLATI ELŐÍRÁSOK
1. ÁLTALÁNOS ELŐÍRÁSOK
1.1. Minden tükörnek állíthatónak kell lennie.
1.2. A tükröző felület külső széleit védőházba (serleg, stb.) kell foglalni, amelynek "c" értéke a teljes kerületen, minden pontban és minden irányban legalább 2,5 mm. Ha a tükröző felület kiemelkedik a védőházból, a házból kiemelkedő perem "c" görbületi sugarának legalább 2,5 mm-nek kell lennie, és a tükröző felületnek vissza kell húzódnia a védőházba a peremnek a védőházhoz képest leginkább kiemelkedő pontján alkalmazott, a jármű hosszanti középsíkjával nagyjából párhuzamos, vízszintes 50 N erő hatására.
1.3. A sík felületre szerelt visszapillantó tükör bármely beállítási helyzetet elfoglaló alkatrészeinek, és a 4.2. pontban előírt vizsgálat után az alaphoz erősítve maradó alkatrészeinek, amelyeket statikus állapotban, belső visszapillantó tükör esetében egy 165 mm átmérőjű, külső visszapillantó tükör esetében egy 100 mm átmérőjű gömb megérinthet, legalább 2,5 mm-es "c" lekerekítési sugárral kell rendelkezniük.
1.3.1. A legfeljebb 12 mm átmérőjű felerősítő furatoknál vagy nyílásoknál nem kell betartani a sugárra vonatkozó, 1.3. pont szerinti előírásokat feltéve, hogy széleik le vannak kerekítve.
1.4. A visszapillantó tükröt a járműhöz rögzítő készüléket úgy kell kialakítani, hogy egy 50 mm sugarú henger, amelynek tengelye egybeesik azzal a tengellyel, amely körül ütközés esetén a teljes visszapillantó tükör a szóban forgó irányba elfordulhat, legalább részben metssze azt a felületet, amelyhez a készülék rögzítve van.
1.5. A külső visszapillantó tükrök 1.2. és 1.3. pontban említett olyan részeire, amelyek keménysége nem haladja meg a 60 Shore A értéket, a megfelelő előírások nem vonatkoznak.
1.6. Merev alapra erősített belső visszapillantó tükrök olyan részeire, amelyek keménysége nem haladja meg az 50 Shore A értéket, ezeknek az alapoknak a kivételével az 1.2. és 1.3. pont rendelkezései nem vonatkoznak.
2. MÉRETEK
2.1. Belső tükrök (I. osztály)
A tükröző felületnek olyan méretűnek kell lennie, hogy rá lehessen rajzolni egy derékszögű négyszöget, amelynek egyik oldala 40 mm hosszú, a másik oldala pedig "a":

2.2. "Fő" külső tükrök (L osztály)
2.2.1. A tükröző felület minimális méreteinek olyanoknak kell lenniük, hogy:
2.2.1.1. területe ne legyen 6 900 mm2-nél kisebb;
2.2.1.2. kör alakú tükrök átmérője ne legyen 94 mm-nél kisebb;
2.2.1.3. a nem kör alakú visszapillantó tükrök méreteinek lehetővé kell tenniük, hogy tükröző felületükre rárajzolható legyen egy 78 mm átmérőjű kör.
2.2.2. A tükröző felület maximális méreteinek olyanoknak kell lenniük, hogy:
2.2.2.1. a kör alakú tükrök átmérője ne legyen 150 mm-nél nagyobb;
2.2.2.2. a nem kör alakú visszapillantó tükrök tükröző felülete beleférjen egy 120 mm × 200 mm-es derékszögű négyszögbe.
3. A TÜKRÖZŐ FELÜLET ÉS A VISSZAVERŐDÉSI TÉNYEZŐ
3.1. A tükör tükröző felületének körkörösen domborúnak kell lennie.
3.2. Az "r" érték nem lehet kisebb, mint:
3.2.1. 1 200 mm belső tükrök esetében (I osztály);
3.2.2. A tükröző felületen mért görbületi sugár átlagos "r" értéke nem lehet 1 000 mm-nél kisebb és 1 500 mm-nél nagyobb, L osztályú visszapillantó tükrök esetében.
3.3. A szabályos visszaverődés e melléklet 1. függelékében leírt módszerrel meghatározott tényezőjének értéke nem lehet kevesebb 40 %-nál. Ha a tükröző felület billenő típusú ("nappali" és "éjszakai" állással), "nappali" helyzetében lehetővé kell tennie a közúti jelzőtáblák színeinek felismerését. "Éjszakai" állásban a szabályos visszaverődés tényezőjének értéke nem lehet kevesebb 4 %-nál.
3.4. A tükröző felületnek meg kell tartania a 3.3. pontban előírt jellemzőit, rendes üzemi körülmények között, még hosszabb időn át tartó rossz időben is.
4. A VIZSGÁLATOK
4.1. A visszapillantó tükröket a 4.2. és 4.3. pontban előírt vizsgálatoknak kell alávetni.
4.1.1. A 4.2. pontban előírt vizsgálatot nem kell elvégezni olyan külső tükröknél, amelyeknek, bármilyen beállítás mellett, egyetlen részük sincs 2 méternél közelebb a földhöz, a műszakilag megengedhető maximális terhelésű jármű esetében.
A fenti kivétel ott is érvényes, ahol a visszapillantó tükör szerelvényei (felerősítő lemezek, karok, gömbcsuklók, stb.) legalább 2 méterrel a föld fölött vannak és a jármű teljes szélességén belül helyezkednek el. A szélességet a legalacsonyabban lévő tükörszerelvényeken átmenő keresztirányú függőleges síkban, vagy e sík előtt bármilyen más pontban kell mérni, ha ez utóbbi nagyobb teljes szélességet eredményez.
Ebben az esetben leírást kell mellékelni, amely pontosan meghatározza, a visszapillantó tükröt úgy kell felszerelni, hogy felerősítési pontja a fent leírt módon helyezkedjék el a járművön.
Ha ez a kivétel alkalmazható, a tükör karján eltávolíthatatlan módon fel kell tüntetni a [Kép #42] jelet és erre a alkatrész-típusjóváhagyási bizonyítványban is utalni kell.

Kép #42
4.2. Az ütésállóság vizsgálata
4.2.1. A vizsgáló berendezés leírása
4.2.1.1. A vizsgáló berendezésnek tartalmaznia kell egy két, egymásra merőleges tengely körüli lengésre képes ingát, amely tengelyek egyikének derékszögben kell állnia az inga kioldás utáni mozgási pályájának síkjára.
Az inga végén egy 165 ± 1 mm átmérőjű merev gömbből álló, 5 mm vastag 50 Shore A keménységű gumival burkolt kalapácsnak kell lennie.
Egy készülékről kell gondoskodni, amely lehetővé teszi a kar által felvett maximális szög megállapítását a kioldási síkban.
Az inga állványához mereven hozzáerősített alap tartja a mintadarabokat a 4.2.2.6. pontban megadott ütési feltételek mellett.
A vizsgáló állvány méretei és jellemző kialakítási megoldásai az alábbi 1. ábrán láthatók.

1. ábra
4.2.1.2. Az inga ütésközéppontja azonos a kalapácsként működő gömb középpontjával. A kioldási síkban mért "l" távolsága a forgástengelytől 1 méter ± 5 mm. Az inga redukált tömege m0 = 6,8 ± 0,05 kg (az m0 viszonyát az inga "m" teljes tömegéhez és az inga súlypontja és forgástengelye közötti "d" távolsághoz az alábbi képlet adja meg:

4.2.2. A vizsgálat leírása
4.2.2.1. A visszapillantó tükröt az alaphoz kell erősíteni egy, a készülék gyártója vagy, adott esetben, a jármű gyártója által elfogadott módon.
4.2.2.2. A visszapillantó tükör irányának beállítása a vizsgálathoz.
4.2.2.2.1. A tükröt úgy kell beállítani az ingás vizsgálókészüléken, hogy a tükörnek azok a tengelyei, amelyek a kérelmező előírásai szerint a járműre szerelt állapotban vízszintesek és függőlegesek, itt ugyanilyen helyzetet foglaljanak el.
4.2.2.2.2. Ha egy tükröt az alapjához képest állítani lehet, a vizsgálatot a kérelmező által megadott beállítási határok között, a legkedvezőtlenebb lehajtott helyzetben kell elvégezni.
4.2.2.2.3. Ha a visszapillantó tükröt az alaphoz képest közelíteni vagy távolítani lehet, a megfelelő készüléket olyan helyzetbe kell állítani, amelynél a ház és az alap közötti távolság a legkisebb.
4.2.2.2.4. Ha a tükröző felületet mozgatni lehet a házban, a tükröt úgy kell beállítani, hogy a járműtől legtávolabb eső felső széle álljon ki legjobban a házból.
4.2.2.3. A belső visszapillantó tükrök 2. sz. vizsgálata kivételével (lásd a 4.2.2.6.1. pontot) az inga függőleges helyzetben van, miközben a kalapács középpontján átmenő vízszintes és függőleges hosszanti síkoknak át kell menniük a tükröző felületnek az 1. melléklet 9. pontjában meghatározott középpontján. Az ingalengés hosszanti irányának párhuzamosnak kell lennie a jármű hosszanti tengelyére állított függőleges síkkal.
4.2.2.4. Ha a 4.2.2.1. és 4.2.2.2. pontban megadott beállítások mellett a visszapillantó tükör alkatrészei akadályozzák a kalapács visszatérő mozgását, az ütközési pontot át kell helyezni a szóban forgó lengés forgástengelyére merőleges irányba.
Ez az eltolás csak akkora lehet, amekkora a vizsgálat elvégzéséhez feltétlenül szükséges. Úgy kell korlátozni, hogy:
- a kalapácsot magában foglaló gömb legalább érintse az 1.4. pontban meghatározott hengert, vagy
- a kalapács érintési pontja legalább 10 mm-re legyen a tükröző felület szélétől.
4.2.2.5. A vizsgálat a függőlegeshez képest 60°-ra kitérített inga kioldásából áll úgy, hogy a kalapács akkor üsse meg a visszapillantó tükröt, amikor az inga függőleges helyzetbe kerül.
4.2.2.6. A tükröket az alábbi különféle feltételek mellett kell megütni:
4.2.2.6.1. Belső tükrök (I osztály)
1. sz. vizsgálat: Az ütközési pontnak a 4.2.2.3. pontban meghatározottnak kell lennie, a kalapácsnak a tükröző felület felőli oldalán kell megütnie a visszapillantó tükröt.
2. sz. vizsgálat: Az ütközési pontnak a védőház szélén kell lennie úgy, hogy az eredő ütés iránya 45°-ot zárjon be a tükröző felület síkjával, és benne legyen e felület középpontján áthaladó vízszintes síkban. Az ütésnek a tükröző felület felőli oldalra kell irányulnia.
4.2.2.6.2. Külső tükrök (L osztály)
1. sz. vizsgálat: Az ütközési pontnak a 4.2.2.3. vagy 4.2.2.4. pontban meghatározottnak kell lennie, a kalapácsnak a tükröző felület felőli oldalán kell megütnie a visszapillantó tükröt.
2. sz. vizsgálat: Az ütközési pontnak a 4.2.2.3. vagy 4.2.2.4. pontban meghatározottnak kell lennie, a kalapácsnak a tükröző felülettel ellenkező oldalán kell megütnie a visszapillantó tükröt.
4.3. A karra erősített védőház hajlítóvizsgálata
4.3.1. A vizsgálat leírása
A védőházat vízszintesen kell elhelyezni egy készülékben úgy, hogy szilárdan lehessen rögzíteni a felerősítő támaszt. A ház legnagyobb mérete irányában a támasz állítóberendezése csatlakozási pontjához legközelebb eső végét rögzíteni kell egy 15 mm széles merev befogókészülékkel, amely a ház teljes szélességére kiterjed.
A másik végén a fent leírttal azonos befogókészüléket kell elhelyezni úgy, hogy azon keresztül ki lehessen fejteni az előírt próbaterhelést (2. ábra).
A ház erőkifejtéssel átellenes oldalát a 2. ábrán látható megtámasztás helyett be is lehet fogni.

2. ábra
Példa egy visszapillantó tükör hajlítóberendezésre
4.3.2. A terhelés 25 kg és egy percen át kell hatnia.
5. A VIZSGÁLATI EREDMÉNYEK
5.1. A 4.2. pontban előírt vizsgálat során az ingának úgy kell folytatnia lengőmozgását, hogy az inga rúdja által elfoglalt helyzet vetülete a kioldási síkra legalább 20°-os szöget zárjon be a függőlegessel.
A szöget ± 1° pontossággal kell mérni.
5.1.1. Ez az előírás nem vonatkozik a szélvédőhöz erősített visszapillantó tükrökre, amelyekre a vizsgálat után az 5.2. pont előírásait kell alkalmazni.
5.2. A 4.2. pontban előírt vizsgálat során a visszapillantó tükör tartójának törés után ott maradó, szélvédőhöz ragasztott része nem emelkedhet az alap fölé 1 cm-nél többel, és a vizsgálat utáni alakjának meg kell felelnie az 1.3. pont feltételeinek.
5.3. A 4.2. és 4.3. pontban leírt vizsgálat során a tükröző felület nem törhet szilánkokra. Mindazonáltal megengedhető a tükröző felület szilánkos törése, ha teljesül az alábbi feltételek valamelyike:
5.3.1. a szilánkok hozzátapadnak a házhoz vagy egy azzal szilárd kapcsolatban lévő felülethez; mindazonáltal megengedhető az üveg egyes részeinek leválása, feltéve, hogy az nem terjed tovább 2,4 mm-nél a repedés mindkét oldalán. Megengedhető, hogy apró szilánkok váljanak le az üveg felületéről az ütközési pont környezetében;
5.3.2. a tükröző felület biztonsági üvegből készül.
1. függelék
A tükrözőképesség meghatározására szolgáló módszer
1. FOGALOMMEGHATÁROZÁSOK
1.1. Szabványos CIE "A" ( 58 ) sugárzáseloszlás: színmérő fényforrás, amely T68 = 2855,6 K hőmérsékletű fekete testet képvisel.
1.2. Szabványos CIE "A" (58) : T68 = 2855,6 K belső színhőmérsékleten működő gázatmoszférás volfrám izzószálas lámpa.
1.3. CIE 1931 (58) referencia-színmérőészlelő: sugárzásvevő, amelynek színmérési jellemzői megfelelnek a trikromatikus spektrum

,

,

összetevőinek (lásd a táblázatot).
1.4. CIE trikromatikus spektrum komponensek: trikromatikus komponensek egy egyenlő energiájú spektrum monokromatikus részeinek CIE (XYZ) rendszerén belül.
1.5. Nappali (fotopikus) látás (58) : látás szabad szemmel, legalább néhány candela/m2 fénysűrűségi szinthez való alkalmazkodás után.
2. A KÉSZÜLÉK
2.1. Általános előírások
A készüléknek tartalmaznia kell egy fényforrást, egy próbadarab-megfogószerkezetet, egy fotocella-vevőt és egy mérőberendezést (lásd az 1. ábrát), valamint megfelelő eszközöket a szórt fények kizárására.
A vevő tartalmazhat egy Ulbrich-gömböt a nem-sík (azaz domború) visszapillantó tükrök visszaverődési tényezője mérésének megkönnyítése érdekében.
2.2. A fényforrás és a vevő sajátos jellemzői
A fényforrásnak egy szabványos CIE "A" fényforrásnak kell lennie, olyan optikai rendszerrel párosítva, amely lehetővé teszi közel párhuzamos fénysugár létrehozását. Ajánlatos feszültségstabilizátor alkalmazása, hogy az izzó feszültsége a készülék működése során állandó maradjon.
A vevőnek tartalmaznia kell egy olyan fotocellát, amelynek színképi érzékenysége arányos a CIE (1931) referencia-fénymérő észlelő fotopikus luminozitási függvényével (lásd a táblázatot). Minden más fényforrás-szűrő-vevő kombináció is elfogadható, amely a szabványos CIE "A" fényforrással és a fotopikus látással minden szempontból egyenértékű eredményt ad. Ha a vevőben Ulbrich-gömb van, a gömb belsejét matt (szórt fényt adó) fehér, nem-szelektív festékkel kell bevonni.
2.3. Geometriai feltételek
A beeső fénysugaraknak lehetőleg 0,44 ± 0,09 radiános (25 ± 5°) szöget (Θ) kell bezárniuk a próbafelületre merőleges egyenessel; mindazonáltal ez a szög nem haladhatja meg a tűrés felső értékét, azaz 0,53 radiánt vagy 30°-ot. A vevő tengelyének ugyanolyan (Θ) szöget kell bezárnia az említett merőlegessel, mint a beeső fénysugárnak (lásd az 1. ábrát). A próbafelületre beeső fénysugár átmérőjének legalább 19 mm-nek kell lennie. A visszavert sugár nem lehet szélesebb a fotocella érzékeny felületénél, e felületnek legalább 50 %-ára ki kell terjednie, és ha lehetséges, ugyanarra a területre kell esnie, mint ahova a készülék kalibrálásához használt fénysugár esett.
Ha a vevőben Ulbrich-gömb van, annak legalább 127 mm átmérőjűnek kell lennie. A gömb falán a próbadarab és a beeső fénysugár számára készített nyílásoknak elegendően nagyoknak kell lenniük ahhoz, hogy rajtuk a beeső és visszavert fénysugarak teljes egészükben áthaladhassanak. A fotocellát úgy kell elhelyezni, hogy ne jusson rá közvetlenül fény a beeső vagy visszavert sugárból.
2.4. Az összekapcsolt fotocella és mérőberendezés elektromos jellemzői
A fotocella mérőberendezés által kijelzett feszültségének lineáris függvénykapcsolatban kell állnia a fényérzékeny felületre eső fény intenzitásával. (Elektromos vagy optikai vagy mindkétféle) eszközöket kell biztosítani a kalibrációs beállítások megkönnyítéséhez, nullázásához és utánállításához. Ezek az eszközök nem befolyásolhatják a készülék linearitását vagy színképi jellemzőit. Az összekapcsolt fotocella és mérőberendezés pontosságának a teljes skála ± 2 %-án vagy a legkisebb mért érték ±10 %-án belül kell lennie.
2.5. A próbadarab befogása
A befogószerkezet mechanizmusának lehetővé kell tennie a próbadarab olyan elhelyezését, hogy a fényforrás karja és a vevő karja a tükröző felület szintjén találkozzék. A tükröző felület a visszapillantó tükör próbadarabon belül vagy annak két oldalán lehet, attól függően, hogy az elsődleges vagy másodlagos felületű, vagy "billenő" típusú prizmás tükör-e.
3. AZ ELJÁRÁSI MÓDSZER
3.1. Közvetlen kalibrációs módszer
A közvetlen kalibrációs módszer alkalmazása esetén a referencia a levegő. Ez a módszer olyan készülékeknél alkalmazható, amelyek teljes mértékű kalibrációt tesznek lehetővé a vevőnek a fény tengelyébe történő közvetlen beállítása révén (lásd az 1. ábrát).
Bizonyos esetekben (például kis-visszaverődésű felületek mérése céljából) ez a módszer lehetővé teszi egy közbenső kalibrációs pont felvételét (0 és 100 % skálaérték között). Ilyen esetekben az optikai átviteli úton közbe kell iktatni egy ismert fényátbocsátási tényezőjű semleges szűrőt és a kalibrációs rendszert addig kell szabályozni, amíg a mérőberendezés a semleges szűrőnek megfelelő átbocsátási százalékot nem mutatja. A visszaverődési mérések megkezdése előtt a szűrőt el kell távolítani.
3.2. Közvetett kalibrációs mérések
Ezt a kalibrációs módszert rögzített geometriai alakú fényforrással és vevővel felszerelt készülékeknél kell alkalmazni. Ehhez egy megfelelően kalibrált és karbantartott szabványos tükröző felületre van szükség. A szabványos felületnek lehetőleg egy sík visszapillantó tükörnek kell lennie, amelynek visszaverődési tényezőjének a lehető legközelebb kell állnia a vizsgált mintákéihoz.
3.3. Sík-visszapillantó-tükör mérése
Sík-visszapillantó-tükör próbadarabok visszaverődési tényezőjét közvetlen vagy közvetett kalibrációs elven alapuló készülékekkel lehet mérni. A visszaverődési tényező értéke a mérőberendezésen közvetlenül leolvasható.
3.4. Nem sík (domború) visszapillantó tükör mérése
Nem sík (domború) visszapillantó tükrök visszaverődési tényezőjének méréséhez olyan készülékre van szükség, amelynek vevője Ulbrich-gömböt tartalmaz (lásd a 2. ábrát). Ha egy ismert E % visszaverődési tényezőjű szabványos tükörrel a gömb leolvasása a készüléken ne osztást mutat és egy ismeretlen tükörrel nx osztást, az X % visszaverődési tényező az alábbi képlettel számítható:

.

1. ábra: A két kalibrációs módszert alkalmazó visszaverődés-mérő berendezés általános elrendezési rajza

2. ábra: A vevőben Ulbrich-gömböt használó visszaverődés-mérő berendezés általános elrendezési rajza
A CIE 1931 ( 59 ) színmérő referencia-észlelő színképi trikromatikus összetevőinek értékei
Ez a táblázat a CIE 50 (45) - 1970 kiadvány kivonata
λ nm | [Kép #43] | [Kép #44] | [Kép #45] |
380 | 0,0014 | 0,0000 | 0,0065 |
390 | 0,0042 | 0,0001 | 0,0201 |
400 | 0,0143 | 0,0004 | 0,0679 |
410 | 0,0435 | 0,0012 | 0,2074 |
420 | 0,1344 | 0,0040 | 0,6456 |
430 | 0,2839 | 0,0116 | 1,3856 |
440 | 0,3483 | 0,0230 | 1,7471 |
450 | 0,3362 | 0,0380 | 1,7721 |
460 | 0,2908 | 0,0600 | 1,6692 |
470 | 0,1954 | 0,0910 | 1,2876 |
480 | 0,0956 | 0,1390 | 0,8130 |
490 | 0,0320 | 0,2080 | 0,4652 |
500 | 0,0049 | 0,3230 | 0,2720 |
510 | 0,0093 | 0,5030 | 0,1582 |
520 | 0,0633 | 0,7100 | 0,0782 |
530 | 0,1655 | 0,8620 | 0,0422 |
540 | 0,2904 | 0,9540 | 0,0203 |
550 | 0,4334 | 0,9950 | 0,0087 |
560 | 0,5945 | 0,9950 | 0,0039 |
570 | 0,7621 | 0,9520 | 0,0021 |
580 | 0,9163 | 0,8700 | 0,0017 |
590 | 1,0263 | 0,7570 | 0,0011 |
600 | 1,0622 | 0,6310 | 0,0008 |
610 | 1,0026 | 0,5030 | 0,0003 |
620 | 0,8544 | 0,3810 | 0,0002 |
630 | 0,6424 | 0,2650 | 0,0000 |
640 | 0,4479 | 0,1750 | 0,0000 |
650 | 0,2835 | 0,1070 | 0,0000 |
660 | 0,1649 | 0,0610 | 0,0000 |
670 | 0,0874 | 0,0320 | 0,0000 |
680 | 0,0468 | 0,0170 | 0,0000 |
690 | 0,0227 | 0,0082 | 0,0000 |
700 | 0,0114 | 0,0041 | 0,0000 |
710 | 0,0058 | 0,0021 | 0,0000 |
720 | 0,0029 | 0,0010 | 0,0000 |
730 | 0,0014 | 0,0005 | 0,0000 |
740 | 0,0007 | 0,0002 (1) | 0,0000 |
750 | 0,0003 | 0,0001 | 0,0000 |
760 | 0,0002 | 0,0001 | 0,0000 |
770 | 0,0001 | 0,0000 | 0,0000 |
780 | 0,0000 | 0,0000 | 0,0000 |
(1) Módosítva 1966-ban (3-ról 2-re). |

Kép #43

Kép #44

Kép #45
2. függelék
A visszapillantó tükrök alkatrész-típusjóváhagyása és jelölése
1. JELÖLÉS
Egy alkatrész-típusjóváhagyásra benyújtott visszapillantótükör-típuson jól láthatóan és eltávolíthatatlan módon fel kell tüntetni a gyártó márka- vagy kereskedelmi nevét, és elegendő nagyságú helyet kell biztosítani az alkatrész-típusjóváhagyási jel számára; ezt a helyet az alkatrész-típusjóváhagyási kérelemhez mellékelt rajzon jelezni kell.
2. AZ ALKATRÉSZ-TÍPUSJÓVÁHAGYÁS
2.1. Az alkatrész-típusjóváhagyási kérelemhez négy visszapillantó tükröt kell mellékelni: hármat a vizsgálatokhoz használnak, egy pedig a laboratóriumban marad az esetleg később szükségesnek mutatkozó ellenőrzések céljára. A laboratórium további mintadarabok benyújtását is kérheti.
2.2. Ha az 1. pont szerint benyújtott visszapillantótükör-típus teljesíti a II. melléklet előírásait, az alkatrész-típusjóváhagyást meg kell adni, és egy alkatrész-típusjóváhagyási számot kell kiadni.
2.3. Ezt a számot nem lehet már egy másik visszapillantótükör-típusra kiadni.
3. JELÖLÉSEK
3.1. Minden olyan visszapillantó tükrön, amely megegyezik az e fejezet értelmében alkatrész-típusjóváhagyáson átjutott típussal, fel kell tüntetni a motorkerékpárok és segédmotoros kerékpárok típusjóváhagyásáról szóló, 1992. június 3-i 92/61/EGK tanácsi irányelv V. mellékletében leírt alkatrész-típusjóváhagyási jelet. A négyszög és a jelet alkotó betűk és számok méreteit meghatározó "a" érték nem lehet 6 mm-nél kisebb.
3.2. Az alkatrész-típusjóváhagyási jelet egy I vagy L jellel kell kiegészíteni, amely a visszapillantótükör-típus osztályát határozza meg. Ezt a kiegészítő jelet az "e" betűt körülvevő négyszög közelében, attól tetszőleges irányban kell elhelyezni.
3.3. Az alkatrész-típusjóváhagyási jelet és a kiegészítő jelet a visszapillantó tükör valamelyik lényeges részén kell eltávolíthatatlanul és a visszapillantó tükör járműre szerelt állapotában jól látható módon elhelyezni.
3. függelék
Motorkerékpárokhoz és segédmotoros kerékpárokhoz való visszapillantótükör-típus adatközlő lapja

4. függelék
Motorkerékpárokhoz és segédmotoros kerékpárokhoz való visszapillantótükör-típus alkatrész-típusjóváhagyási bizonyítványa

III. MELLÉKLET
VISSZAPILLANTÓ TÜKRÖK JÁRMŰVEKRE VALÓ SZERELÉSÉT SZABÁLYOZÓ ELŐÍRÁSOK
1. HELYZET
1.1. Minden visszapillantó tükröt úgy kell felszerelni, hogy a jármű rendes közlekedési viszonyai között stabilan a helyén maradjon.
1.2. A karosszériával nem rendelkező járművek visszapillantó tükrét (tükreit) úgy kell felszerelni vagy elhelyezni, hogy a tükröző felület középpontja legalább 280 mm-rel kijjebb álljon a jármű hossztengelyére állított függőleges síktól. A mérés előtt a kormánynak a jármű egyenes vonalú mozgásának megfelelő irányban kell állnia, és a visszapillantó tükröt (tükröket) a rendes használatnak megfelelő helyzetbe kell állítani.
1.3. A visszapillantó tükröket úgy kell elhelyezni, hogy az ülésen ülő vezető rendes vezetési helyzetben jól láthassa az utat a jármű mögött és mellett.
1.4. A külső visszapillantó tükröknek az oldalablakon át vagy a szélvédőnek a szélvédőtörlő által súrolt felületén át kell láthatónak lenniük.
1.5. Olyan járművek esetében, amelyek a látómező mérése során vezetőfülkével felszerelt alváz állapotban vannak, a gyártónak közölnie kell a karosszéria minimális és maximális méretét és azokat adott esetben táblák elhelyezésével kell szimulálni. A vizsgálat során figyelembevett valamennyi jármű- és tükörkonfigurációt jelezni kell a jármű EK-alkatrész-típusjóváhagyási bizonyítványában a visszapillantó tükrök felszerelését illetően (lásd a 2. függeléket).
1.6. Az előírt visszapillantó tükröt a jármű vezető felőli oldalán úgy kell elhelyezni, hogy a jármű hossztengelyére állított függőleges sík, valamint a visszapillantó tükör közepén és a vezető két szemhelyzet-pontját összekötő 65 mm-es távolság közepén áthaladó függőleges sík közötti szög ne legyen nagyobb 55°-nál.
1.7. A visszapillantó tükröknek nem szabad a jármű karosszériájának külsején lényegesen kijjebb nyúlniuk annál, mint amely elegendő a 4. pontban meghatározott látómező-követelmények teljesítéséhez.
1.8. Ha a visszapillantó tükör alsó éle 2 méternél közelebb van a földhöz a jármű maximális megengedett terhelési állapotában, ez a visszapillantó tükör legfeljebb 0,20 méterre nyúlhat ki a visszapillantó tükör nélkül mért teljes járműszélességhez képest.
1.9. Az 1.7. és 1.8. pont előírásaira is tekintettel, a visszapillantó tükrök túlnyúlhatnak a járművek megengedett maximális szélességén.
2. A TÜKRÖK SZÁMA
2.1. A karosszéria nélküli járművekre előírt visszapillantó tükrök minimális száma
Járműkategória | Fő külső tükör (tükrök) L osztály |
Moped | 1 |
Motorkerékpár | 2 |
Motoros tricikli | 2 |
2.2. A karosszériával felszerelt járművekre előírt visszapillantó tükrök minimális száma
Járműkategória | Belső tükör I osztály | Fő külső tükör (tükrök) L osztály |
Háromkerekű mopedek (beleértve a könnyű négykerekű motorbicikliket is) és motoros triciklik | 1 (1) | 1 ha van belső tükör 2 ha nincs belső tükör |
(1) Nincs szükség belső visszapillantó tükörre, ha az alábbi 4.1. pontban említett látási viszonyok nem teljesíthetők. Ebben az esetben két külső visszapillantó tükör szükséges, egyik a jármű bal, a másik a jármű jobb oldalán. |
2.3. Ha csak egy külső visszapillantó tükör van felszerelve, azt azokban a tagállamokban, amelyekben jobb oldali közlekedés van, a jármű bal oldalára, azokban a tagállamokban, amelyekben bal oldali közlekedés van, a jármű jobb oldalára kell szerelni.
2.4. A gépjárművek visszapillantó tükreire vonatkozó 71/127/EGK irányelv rendelkezései szerinti alkatrész-típusjóváhagyással rendelkező I. és III. osztályú visszapillantó tükrök mopedeken, motorkerékpárokon és motoros tricikliken is elfogadhatók.
2.5. A felszerelhető visszapillantó tükrök maximális száma
2.5.1. Mopedeken megengedett a 2.1. pont szerinti kötelező visszapillantó tükörrel ellenkező oldalon is egy külső visszapillantó tükör felszerelése.
2.5.2. Karosszériával ellátott járműveken megengedett a 2.2. pont szerinti kötelező visszapillantó tükörrel ellenkező oldalon is egy külső visszapillantó tükör felszerelése.
2.5.3. A 2.5.1. és 2.5.2. pontban említett visszapillantó tükröknek meg kell felelniük e fejezet előírásainak.
3. BEÁLLÍTÁS
3.1. A visszapillantó tükröket úgy kell elhelyezni, hogy azokat a vezető a vezetési helyzetéből állítani tudja. Karosszériával ellátott tricikliknél a tükröt zárt ajtó, de nyitott ablak mellett lehet állítani. Mindazonáltal megengedhető, hogy a tükröt kívülről lehessen a beállított helyzetében rögzíteni.
3.2. Azokra a visszapillantó tükrökre, amelyeket behajtás után eredeti helyzetükbe visszafordítva nem kell újra beállítani, a 3.1. pont előírásai nem vonatkoznak.
4. A LÁTÓMEZŐ A KAROSSZÉRIÁVAL ELLÁTOTT JÁRMŰVEK ESETÉBEN
4.1. Belső visszapillantó tükör
4.1.1. Belső visszapillantó tükör (I osztály)
A látómezőnek olyannak kell lennie, hogy a vezető az útnak legalább egy olyan 20 m széles, sík, vízszintes részét láthassa, amely szimmetrikus a jármű hossztengelyére állított függőleges síkra és a vezető szemhelyzet-pontjai mögötti 60 métertől a horizontig terjed (1. ábra).
4.2. Külső visszapillantó tükör
4.2.1. Fő külső visszapillantó tükrök (L és III. osztály).
4.2.1.1. Jobb oldalon közlekedő járművek számára bal oldali külső visszapillantó tükör, bal oldalon közlekedő járművek számára jobb oldali külső visszapillantó tükör.
4.2.1.1.1. A látómezőnek olyannak kell lennie, hogy a vezető legalább az út egy 2,5 m széles, sík, vízszintes részét láthassa, amelyet (jobb oldalon közlekedő járművek esetében) jobb oldalán vagy (bal oldalon közlekedő járművek esetében) bal oldalán a jármű hossztengelyére állított függőleges síkkal párhuzamosan (jobb oldalon közlekedő járművek esetében) a jármű bal oldali legkülső pontján vagy (bal oldalon közlekedő járművek esetében) a jármű jobb oldali legkülső pontján áthaladó sík határol, és amely a vezető szemhelyzet-pontjai mögötti 10 métertől a horizontig terjed (2. ábra).
4.2.1.2. Jobb oldalon közlekedő járművek számára jobb oldali külső visszapillantó tükör, bal oldalon közlekedő járművek számára bal oldali külső visszapillantó tükör.
4.2.1.2.1. A látómezőnek olyannak kell lennie, hogy a vezető legalább az út egy 4 m széles, sík, vízszintes részét láthassa, amelyet (jobb oldalon közlekedő járművek esetében) bal oldalán vagy (bal oldalon közlekedő járművek esetében) jobb oldalán a jármű hossztengelyére állított függőleges síkkal párhuzamosan (jobb oldalon közlekedő járművek esetében) a jármű jobb oldali legkülső pontján vagy (bal oldalon közlekedő járművek esetében) a jármű bal oldali legkülső pontján áthaladó sík határol, és amely a vezető szemhelyzet-pontjai mögötti 20 métertől a horizontig terjed (2. ábra).
4.3. Akadályok
4.3.1. Belső visszapillantó tükör (I osztály)
4.3.1.1. Megengedhető, hogy a látómezőt olyan berendezések, mint a fejtámaszok, napellenzők, hátsó ablaktörlők és fűtőelemek csökkentsék, feltéve, hogy ezek együttesen sem takarnak el 15 %-nál többet a látómezőből.
4.3.1.2. A kitakarás mértékét legalsó helyzetükbe állított fejtámaszok és visszahajtott napellenzők mellett kell mérni.
4.3.2. Külső visszapillantó tükrök (L és III osztály)
A fent meghatározott látómezőkben a karosszériát és néhány más elemet, mint például az ajtófogantyúkat, helyzetjelző lámpákat, irányjelzőket és a hátsó lökhárítók külső részeit, valamint a tükröző felületek tisztítóberendezéseit nem kell figyelembe venni, ha a meghatározott látómező 10 %-ánál nem takarnak el többet.

1. ábra

2. ábra
1. függelék

2. függelék

5. FEJEZET
MOTORKERÉKPÁROK ÉS SEGÉDMOTOROS KERÉKPÁROK ÁLTAL OKOZOTTLÉGSZENNYEZÉS ELLENI INTÉZKEDÉSEK
A MELLÉKLETEK JEGYZÉKE
I. MELLÉKLET | Mopedek által okozott légszennyezés elleni intézkedésekre vonatkozó előírások | |
1. függelék | I. típusú vizsgálat | |
- 1. alfüggelék: | Működési ciklus lendítőtömeges fékpadon (I. típusú vizsgálat) | |
- 2. alfüggelék: | 1. példa egy kipufogógázgyűjtő-rendszerre | |
- 3. alfüggelék: | 2. példa egy kipufogógázgyűjtő-rendszerre | |
- 4. alfüggelék: | A lendítőtömeges görgős fékpad kalibrálásának módszere | |
2. függelék | II. típusú vizsgálat | |
3. függelék | Kartergáz-kibocsátás és a CO2-kibocsátási és üzemanyag-fogyasztási vizsgálatok eredményének értelmezése | |
II. MELLÉKLET | Motorkerékpárok és motoros triciklik által okozott légszennyezés elleni intézkedésekre vonatkozó előírások | |
1. függelék | I. típusú vizsgálat | |
- 1. alfüggelék: | A motor működési ciklusa az I. típusú vizsgálatnál | |
- 2. alfüggelék: | 1. példa egy kipufogógázgyűjtő-rendszerre | |
- 3. alfüggelék: | 2. példa egy kipufogógázgyűjtő-rendszerre | |
- 4. alfüggelék: | A lendítőtömeges fékpad által menet közben felvett teljesítmény kalibrálásának módszere motorkerékpárok és motoros triciklik esetében | |
2. függelék | II. típusú vizsgálat | |
3. függelék | A hibrid elektromos motorkerékpárok, illetve a három- és négykerekű hibrid elektromos motorkerékpárok kibocsátásmérési eljárása | |
— 1. alfüggelék: | A külső és nem külső feltöltésű hibrid elektromos járművek akkumulátora töltési mérlegének mérési módszere | |
— 2. alfüggelék: | A hibrid elektromos meghajtású járművek elektromos hatósugarának és külső feltöltésük hatósugarának mérési módszere | |
— 3. alfüggelék: | Az elektromosenergia-tároló eszköz töltési szintjének (state of charge, SOC) profilja külső feltöltésű, hibrid elektromos járművek (OVC HEV) I. típusú vizsgálata során | |
III. MELLÉKLET | Kompressziós gyújtású motorral felszerelt motorkerékpárok és segédmotoros kerékpárok által okozott látható légszennyezés elleni intézkedésekre vonatkozó kiegészítő előírások | |
1. függelék | Állandósult üzemben végzett vizsgálat a teljes terhelési görbe mentén | |
2. függelék | Vizsgálat szabad gyorsulás mellett | |
3. függelék | Az állandósult üzemben végzett vizsgálatoknál alkalmazandó határértékek | |
4. függelék | Opaciméterek (átlátszatlanság-mérők) előírásai | |
5. függelék | Az opaciméter felszerelése és használata | |
IV. MELLÉKLET | A referencia-tüzelőanyagok előírásai | |
V. MELLÉKLET | Egy motorkerékpár- vagy segédmotoroskerékpár-típus által okozott légszennyezés elleni intézkedésekre vonatkozó adatközlő lap | |
VI. MELLÉKLET | Egy motorkerékpár- vagy segédmotoroskerékpár-típus által okozott légszennyezés elleni intézkedésekre vonatkozó alkatrész-típusjóváhagyási bizonyítvány | |
VII. MELLÉKLET | Cserekatalizátor önálló műszaki egységként történő típusjóváhagyása motorkerékpárokhoz és segédmotoros kerékpárokhoz. | |
1. függelék | Információs dokumentum cserekatalizátor mint önálló műszaki egység, illetve több önálló műszaki egység tekintetében, motorkerékpárokhoz és segédmotoros kerékpárokhoz | |
2. függelék | Típus-jóváhagyási bizonyítvány cserekatalizátor mint önálló műszaki egység tekintetében, motorkerékpárokhoz és segédmotoros kerékpárokhoz | |
3. függelék | Példák típus-jóváhagyási jelölésre | |
I. MELLÉKLET
MOPEDEK ÁLTAL OKOZOTT LÉGSZENNYEZÉS ELLENI INTÉZKEDÉSEKRE VONATKOZÓ ELŐÍRÁSOK
1. FOGALOMMEGHATÁROZÁSOK
Ennek a fejezetnek az alkalmazásában:
1.1. "járműtípus a motorból származó gáznemű szennyező anyagok kibocsátása szempontjából": olyan mopedek, amelyek nem különböznek lényegesen egymástól olyan alapvető szempontok tekintetében, mint:
1.1.1. az 1. függelék 5.2. pontja szerint a referenciatömeghez viszonyítva meghatározott egyenértékű inercia;
1.1.2. a motor és a moped V. mellékletben meghatározott jellemzői;
1.2. "referenciatömeg": a menetkész moped tömege, 75 kg-os egyenletesen megoszló tömeggel növelve. A menetkész moped tömege a moped teljes terheletlen tömege, maximális űrtartalmuknak legalább 90 %-áig feltöltött tartályokkal.
1.3. Gáznemű szennyező anyagok
"gáznemű szennyező anyagok": szén-monoxid, szénhidrogének és nitrogéndioxid (NO2) egyenértékben kifejezett nitrogén-oxidok.
1.4. "eredeti katalizátor": olyan katalizátor, vagy katalizátorokból álló szerelvény, amelyre a gépjárműhöz szállított típusjóváhagyás vonatkozik.
1.5. "cserekatalizátor": olyan katalizátor, vagy katalizátorokból álló szerelvény, amelyet egy eredeti katalizátor lecserélésére szántak a jelen fejezet szerinti típusjóváhagyással rendelkező gépjárművön, és amelynek a típusjóváhagyását önálló műszaki egységként lehet elvégezni, ahogy azt a 2002/24/EK irányelv 2. cikkének (5) bekezdése meghatározza.
1.6. "eredeti cserekatalizátor": olyan katalizátor, vagy katalizátorokból álló szerelvény, amelynek típusa megtalálható az ezen irányelv VI. melléklet 4a. szakasza pontjában, de a piacon önálló műszaki egységként kínál.ja a gépjármű típusjóváhagyásának a tulajdonosa.
2. VIZSGÁLATI ELŐÍRÁSOK
2.1. Általános előírások
Azokat az alkatrészeket, amelyek hatással lehetnek a gáznemű szennyező anyagok kibocsátására, úgy kell megtervezni, legyártani és összeszerelni, hogy a moped rendes üzemben, a ráható rázkódások ellenére, megfelelhessen e melléklet követelményeinek.
2.2. A vizsgálatok leírása
2.2.1. Az Euro 3 kibocsátási normának megfelelő L1e, L2e vagy L6e kategóriájú járműveket az alább meghatározott I. és II. típusú vizsgálatoknak kell alávetni:
2.2.1.1. I. típusú vizsgálat (az átlagos gáznemű szennyezőanyag-kibocsátás ellenőrzése sűrűn lakott városi környezetben, hidegindítás után).
2.2.1.1.1. A vizsgált járművet fékkel és lendkerékkel ellátott lendítőtömeges járműfékpadra helyezik. A következő vizsgálati eljárást kell lefolytatni:
2.2.1.1.1.1. A vizsgálat hidegen végzett 1. szakasza összesen 448 másodpercig tart és négy, megszakítás nélkül elvégzett elemi ciklusból áll.
2.2.1.1.1.2. A vizsgálat hidegen végzett 1. szakaszát késedelem nélkül követi a vizsgálat melegen végzett 2. szakasza, amely összesen 448 másodpercig tart és négy elemi ciklusból áll. A vizsgálat melegen végzett 2. szakaszát megszakítás nélkül kell elvégezni.
2.2.1.1.1.3. A vizsgálat hidegen végzett 1. szakaszának és a vizsgálat melegen végzett 2. szakaszának minden egyes elemi ciklusa hét műveletből áll (alapjárat, gyorsítás, állandó sebesség, lassítás, állandósult üzemállapot, lassítás, alapjárat). A vizsgálat hideg és meleg szakasza alatt egyaránt a kipufogógázokat friss levegővel kell hígítani úgy, hogy a keverék áramlási térfogata állandó maradjon.
2.2.1.1.1.4. Az I. típusú vizsgálat során:
2.2.1.1.1.4.1. A vizsgálat hidegen végzett 1. szakasza alatt a kipufogógáz és a hígító levegő keverékéből vett mintát az 1. sz. tasakba kell gyűjteni. Egy külön 2. sz. tasakba kell gyűjteni a vizsgálat melegen végzett 2. szakasza alatt a kipufogógáz és a hígító levegő keverékéből folyamatosan vett mintát. Az 1. és a 2. tasak szén-monoxid-, összes szénhidrogén-, nitrogén-oxid- és szén-dioxid-tartalmát egymást követően, külön kell meghatározni.
2.2.1.1.1.4.2. Meg kell mérni mindkét tasakban a keverék teljes térfogatát, és az értékeket a tasakokban lévő teljes gáztérfogat megállapítása érdekében össze kell adni.
2.2.1.1.1.4.3. Minden egyes vizsgálati szakasz végén fel kell jegyezni a görgővel meghajtott összegező fordulatszámlálóról leolvasható, ténylegesen megtett utat.
2.2.1.1.2. A vizsgálatra az 1. függelékben ismertetett vizsgálati eljárással kerül sor. A gázokat össze kell gyűjteni és meghatározott módszerek szerint kell elemezni.
2.2.1.1.3. A 2.2.1.1.4. pont rendelkezéseire is figyelemmel, a vizsgálatot háromszor kell elvégezni. A szén-monoxid, szénhidrogének és nitrogén-oxidok tömegére az egyes vizsgálatok alkalmával kapott értékeknek kisebbnek kell lenniük a következő táblázatban megadott Euro 3 határértékeknél.
2.2.1.1.3.1. 1. táblázat
Az L1e, L2e és L6e jármű-kategóriák Euro 3 kibocsátási határértékei
A jármű alkatrész-típusjóváhagyása és a gyártás megfelelősége | |
CO (g/km) | HC + NOx (g/km) |
L1 | L2 |
1 (1) | 1,2 |
(1) A szén-monoxid tömegére vonatkozó határérték 3,5 g/km a háromkerekű segédmotoros kerékpárok (L2e) és a könnyű négykerekű motorkerékpárok (L6e) esetében. |
2.2.1.1.3.2. Azonban a fent említett minden egyes szennyező anyag tekintetében a három eredmény közül egy legfeljebb 10 %-kal meghaladhatja az adott segédmotoros kerékpárra előírt határértéket, feltéve, hogy a három eredmény számtani átlaga az előírt határérték alatt marad. Ha több szennyező anyag haladja meg az előírt határértékeket, közömbös, hogy ez ugyanazon vizsgálat vagy különböző vizsgálatok során következett-e be.
2.2.1.1.4. A 2.2.1.1.3. pontban előírt vizsgálatok száma a következő feltételek mellett csökkenthető, mikor is V1 az első vizsgálat és V2 a második vizsgálat eredménye minden egyes, az abban a pontban említett szennyező anyagra.
2.2.1.1.4.1. Csak egy vizsgálat szükséges, ha V1 ≤ 0,70 L minden szóban forgó szennyezőre.
2.2.1.1.4.2. Csak két vizsgálat szükséges, ha V1 ≤ 0,85 L minden szóban forgó szennyezőre, és ha legalább egy szennyezőnél V1 > 0,70 L. Továbbá minden szóban forgó szennyezőre a V2-nek teljesítenie kell a V1 + V2< 1,70 L és V2< L feltételt.
2.2.1.1.5. Az I. típusú Euro 3 vizsgálat 2.2.1.1.3.1. pontban meghatározott határértékeinek és az I. típusú vizsgálat ebben a mellékletben megadott követelményeinek megfelelő L1e, L2e vagy L6e kategóriájú járműveket az Euro 3 normának megfelelő járműként kell jóváhagyni.
2.2.1.2. II. típusú vizsgálat (szén-monoxid- és elégetlen szénhidrogén kibocsátás vizsgálata üresjárati fordulatszámon).
2.2.1.2.1. A motor által alapjáraton kibocsátott szén-monoxid és elégetlen szénhidrogén tömegét egy percen át kell mérni.
2.2.1.2.2. Ezt a vizsgálatot a 2. függelékben ismertetett eljárásnak megfelelően kell elvégezni.
2.3. Kapcsolási rajz és jelölések
2.3.1. Egy kapcsolási rajzot és az eredeti katalizátor, illetve katalizátorok (ha van, illetve vannak) méreteit jelző keresztmetszeti rajzot kell mellékelni az V. mellékletben hivatkozott dokumentumhoz.
2.3.2. Az eredeti katalizátorokon fel kell tüntetni legalább:
- az "e" jelzést, majd ezt követően a típusjóváhagyást megadó ország azonosítóját,
- a jármű gyártójának nevét vagy védjegyét,
- a gyártmányt és az alkatrész-azonosító számot.
A jelölés jól olvasható, kitörölhetetlen és az alkatrész beszerelési helyzetében látható legyen.
3. A GYÁRTÁS AZONOSSÁGA
3.1. A gyártás azonosságának ellenőrzésére a motorkerékpárok és segédmotoros kerékpárok típusjóváhagyásáról szóló, 1992. június 30-i 92/61/EGK tanácsi irányelv VI. melléklete 1. pontjában foglalt rendelkezések érvényesek.
3.1.1. Mindazonáltal az I. típusú vizsgálat tekintetében való azonosság vizsgálata esetén az alábbi megoldást kell alkalmazni:
3.1.1.1. Ki kell venni egy járművet a szériagyártásból és alá kell vetni a 2.2.1.1. pontban leírt vizsgálatnak. A határértékeket a 2.2.1.1.3. táblázatból kell venni.
3.1.2. Ha a szériagyártásból kiemelt jármű nem teljesíti a 3.1.1. pont előírásait, a gyártó kérheti, hogy a méréseket olyan mintadarabokon végezzék el, amelyeket ugyanabból a gyártási sorozatból vettek ki, mint az első kiválasztott járművet. A gyártó meghatározza a mintavétel n számát. Ekkor a mintával nyert eredmények számtani középértékét és a minta S típusú divergenciáját kell meghatározni a szén-monoxid- és a összes szénhidrogén- és nitrogén-oxid-kibocsátásra vonatkozóan.
A sorozatgyártás akkor tekinthető azonosnak, ha az alábbi feltételek teljesülnek:
[Kép #46] ( 60 )

Kép #46
ahol:
L : a szén-monoxid- és az összes szénhidrogén- és nitrogén-oxid-kibocsátásra vonatkozó, a 2.2.1.1.3. pont táblázatában előírt határérték;
k : az n-től függő, az alábbi táblázat szerinti statisztikai tényező:
n | 2 | 3 | 4 | 5 | 6 | 7 | 8 | 9 | 10 |
k | 0,973 | 0,613 | 0,489 | 0,421 | 0,376 | 0,342 | 0,317 | 0,296 | 0,279 |
n | 11 | 12 | 13 | 14 | 15 | 16 | 17 | 18 | 19 |
k | 0,265 | 0,253 | 0,242 | 0,233 | 0,224 | 0,216 | 0,210 | 0,203 | 0,198 |
Ha n ≥ 20, akkor

4. A JÓVÁHAGYÁS TERJEDELMÉNEK KITERJESZTÉSE
4.1. Más referenciatömegű járműtípusok
A jóváhagyás kiterjeszthető olyan járműtípusokra, amelyek a jóváhagyott típustól csak referenciatömegükben különböznek, feltéve, hogy annak a járműnek a referenciatömege, amelyre a jóváhagyás kiterjesztését kérik, csak az eggyel nagyobb vagy kisebb inerciatömeg-egyenérték alkalmazását eredményezi.
4.2. Más sebességváltó-áttételű járműtípusok
4.2.1. Egy járműtípus jóváhagyása az alábbi feltételek mellett kiterjeszthető olyan járműtípusokra, amelyek csak sebességváltó-áttételi viszonyszámaik tekintetében különböznek a jóváhagyott típustól.
4.2.1.1. Az I. típusú vizsgálatoknál alkalmazott valamennyi sebességfokozatra meg kell határozni az

összefüggést;
ahol V1 és V2 a jóváhagyott járműtípus, illetve olyan járműtípus 1 000 1/min motor-fordulatszámnak megfelelő sebessége, amelyre a kiterjesztést kérik.
4.2.2. Ha az E ≤ 8 % összefüggés minden sebességfokozatra igaz, a kiterjesztést az I. típusú vizsgálatok megismétlése nélkül meg kell adni.
4.2.3. Ha az arány legalább egy fokozatban E > 8 % és minden fokozatban E ≤ 13 %, az I. típusú vizsgálatot meg kell ismételni; ezt azonban, az alkatrész-típusjóváhagyásra jogosult hatóság beleegyezésével, egy, a gyártó által választható laboratóriumban lehet elvégezni. A vizsgálati jegyzőkönyvet el kell juttatni a műszaki szolgálathoz.
4.3. Más referenciatömegű és más sebességváltó-áttételű járműtípusok
Egy járműtípusra vonatkozó jóváhagyást ki lehet terjeszteni olyan járműtípusokra, amelyek a jóváhagyott típustól csak referenciatömegük és sebességváltó-áttételük tekintetében különböznek, ha teljesítik a 4.1. és 4.2. pont előírásait.
4.4. Háromkerekű mopedek és könnyű négykerekű motorbiciklik
A kétkerekű mopedekre megadott jóváhagyást ki lehet terjeszteni háromkerekű mopedekre és könnyű négykerekű motorbiciklikre, ha ugyanazzal a motorral és kipufogó-rendszerrel vannak ellátva, és ugyanolyan, csak az áttételi viszonyszámban különböző sebességváltójuk van, feltéve, hogy annak a járműnek a referenciatömege, amelyre a jóváhagyás kiterjesztését kérik, csak az eggyel nagyobb vagy kisebb inerciatömeg-egyenérték alkalmazását eredményezi.
4.5. A 4.1.-4.4. pont szerinti jóváhagyás-kiterjesztések tovább nem terjeszthetők ki.
5. CSEREKATALIZÁTOROK ÉS EREDETI CSEREKATALIZÁTOROK
5.1. Az e fejezetnek megfelelő típusjóváhagyással rendelkező járműre felszerelendő cserekatalizátorokat a VII. mellékletnek megfelelően tesztelni kell.
5.2. A VI. melléklet 4a. pontjának megfelelő típusú eredeti cserekatalizátoroknak, amelyeket olyan járműre szándékoznak felszerelni, amelyre a vonatkozó típus-jóváhagyási dokumentum hivatkozik, nem kell megfelelniük az ezen irányelv VII. mellékletének, feltéve hogy megfelelnek a jelen melléklet 5.2.1. és 5.2.2. szakasz követelményeinek.
5.2.1. Jelölések
Az eredeti cserekatalizátorokon fel kell tüntetni legalább:
- az "e" jelzést, majd ezt követően a típusjóváhagyást megadó ország azonosítóját,
- a jármű gyártójának nevét vagy védjegyét,
- a gyártmányt és az alkatrész-azonosító számot.
A jelölés jól olvasható, kitörölhetetlen és az alkatrész beszerelési helyzetében látható legyen.
5.2.2. Dokumentáció
Az eredeti cserekatalizátorokhoz mellékelni kell az alábbiakban felsorolt információkat:
5.2.2.1. a gépjármű gyártójának neve vagy védjegye;
5.2.2.2. a gyártmány- és az alkatrész-azonosítószám;
5.2.2.3. a járművek, amelyekhez az eredeti cserekatalizátor a VI. melléklet 4a. pontja szerinti típusú;
5.2.2.4. felszerelési utasítások, ahol szükséges;
5.2.2.5. az információt vagy az eredeti cserekatalizátorhoz mellékelt lapon, vagy a csomagoláson, amiben az eredeti cserekatalizátort eladták, vagy bármilyen más alkalmas módon kell nyújtani.
1. függelék
I. típusú vizsgálat
(az átlagos szennyező anyag-kibocsátás ellenőrzése sűrűn lakott városi környezetben)
1. BEVEZETÉS
Az I. melléklet 2.2.1.1. pontjában meghatározott I. típusú vizsgálati eljárás.
2. MŰKÖDÉSI CIKLUS A LENDÍTŐTÖMEGES GÖRGŐS FÉKPADON
2.1. A ciklus leírása
A lendítőtömeges görgős fékpadon végzendő működési ciklus az alábbi táblázatban, valamint az 1. alfüggelék ábráján látható.
Működési ciklus a lendítőtömeges görgős fékpadon
SZÖVEG HIÁNYZIK |

Kép #47
2.2. A ciklus végrehajtásának általános feltételei
Szükség esetén előzetes vizsgálatokat kell végezni a gázadás, és ha kell, a sebességváltó és a fék legkedvezőbb alkalmazási módjának megállapítására.
2.3. A sebességváltó használata
A sebességváltót a gyártó előírásai szerint kell használni. Ha ilyen előírás nincs, az alábbi szabályok érvényesek:
2.3.1. Kézi sebességváltó
Állandó 20 km/h sebesség mellett a motor fordulatszámának amennyire csak lehetséges a maximális fordulatszám 50 %-a és 90 %-a között kell maradnia. Ha ez a sebesség nem csak egy sebességfokozatban érhető el, a mopedet a legmagasabb fokozat bekapcsolásával kell vizsgálni.
A gyorsítás alatt a mopedet abban a sebességfokozatban kell vizsgálni, amely a maximális gyorsítást teszi lehetővé. A következő magasabb fokozatot legkésőbb akkor kell kapcsolni, ha a motor fordulatszáma elérte a névleges maximális érték 110 %-át. A lassítás alatt a következő alacsonyabb fokozatba kell kapcsolni, mielőtt még a motor remegni kezdene, és legkésőbb akkor, ha a motor fordulatszáma a névleges maximális érték 30 %-ára csökkent. A lassítás alatt az első sebességfokozatot nem szabad bekapcsolni.
2.3.2. Automata sebességváltó és nyomatékváltó
A "menet" ("drive") állást kell kapcsolni.
2.4. Tűrések
2.4.1. Valamennyi fázisban megengedhető ± 1 km/h tűrés az elméleti sebességhez képest.
Az előírtnál nagyobb sebességi tűrésértékek engedhetők meg a fázisváltások alatt, feltéve, hogy ezek az eltérések egyetlen esetben sem tartanak tovább 0,5 másodpercnél.
Ha a moped fékek használata nélkül erőteljesebben lassul, mint ahogy az várható volt, a 6.2.6.3. pont szerinti eljárást kell alkalmazni.
2.4.2. Az elméleti időtartamokhoz képest ± 0,5 s tűrés megengedhető.
2.4.3. A sebességi- és időtűréseket az 1. alfüggelékben látható módon kell kombinálni.
3. A MOPED ÉS A TÜZELŐANYAG
3.1. A próbamoped
3.1.1. A mopedet jó mechanikai állapotban kell a vizsgálatra benyújtani. A mopeddel a vizsgálat előtt legalább 250 km-t kell közlekedni.
3.1.2. A kipufogó-berendezésben nem lehetnek szivárgások, amelyek csökkenthetnék az összegyűjtött gáz mennyiségét, amelynek azonosnak kell lennie a motort elhagyó gáz mennyiségével.
3.1.3. Ellenőrizhető a levegőszívó-rendszer szivárgásmentessége annak biztosítására, hogy a keverékképzést ne befolyásolja hamis levegő beszívása.
3.1.4. A motor beállításának és a moped vezérlésének meg kell felelnie a gyártó előírásainak. Ez különösen érvényes az alapjárati fordulatszám beállítására (fordulatszám és a kipufogó-gázok szén-monoxid tartalma), az automata hidegindítóra és a kipufogógáz-tisztítórendszerre.
3.1.5. A laboratórium igazolhatja, hogy a moped leadja a gyártó által előírt teljesítményt, használható rendes üzemben, indul mind hideg, mind meleg állapotban, és nem áll le alapjáraton.
3.2. A tüzelőanyag
A vizsgálatok során referencia-tüzelőanyagot kell használni, amelynek előírásai a IV. mellékletben találhatók. Ha a motor keverékkenésű, a referencia-tüzelőanyaghoz adott olajnak mennyiség és minőség tekintetében egyaránt meg kell felelnie a gyártó előírásainak.
4. A VIZSGÁLÓ BERENDEZÉS
4.1. A lendítőtömeges görgős fékpad
A lendítőtömeges fékpad fő jellemzői az alábbiak:
- a terhelési görbe egyenlete: a lendítőtömeges görgős fékpadon elő kell tudni állítani 12 km/h kezdeti sebességtől, ± 15 %-os tűréssel, azt a teljesítményt, amelyet a vízszintes úton, gyakorlatilag 0 szélsebesség mellett haladó moped motorja fejt ki.
- Egyébként a fékek és a próbapad belső súrlódása (PA) által elnyelt teljesítménynek az alábbinak kell lennie:
-
0 < V ≤ 12 km/h sebességnél:
0 ≤ PA ≤ kV12 3 + 5 % kV12 3 + 5 % PV50 ( 61 )
V > 12 km/h sebességnél:
PA = kV3 ± 5 % kV3 ± 5 % PV50 (61)
- az érték nem lehet negatív (a kalibrációs módszernek meg kell felelnie a 4. alfüggelék rendelkezéseinek),
- az alapinercia: 100 kg,
- kiegészítő inerciák ( 62 ): 10 kg-tól és 10 kg,
- a görgőt a ténylegesen megtett út mérése érdekében nullázható fordulatszámlálóval kell ellátni.
4.2. A gázgyűjtő berendezés
A gázgyűjtő berendezés a következő egységekből áll (lásd a 2. és 3. alfüggeléket):
4.2.1. Egy berendezés a vizsgálat során keletkezett kipufogógázok összegyűjtésére, mialatt a segédmotoros kerékpár kipufogó nyílásánál (nyílásainál) fennmarad a légköri nyomás.
4.2.2. A kipufogógáz-gyűjtő berendezést és a kipufogógáz-mintavevő rendszert összekötő cső. Ez az összekötő cső és a kipufogógáz-gyűjtőberendezés rozsdamentes acélból vagy más olyan anyagból készül, amely nincs hatással az összegyűjtött gázok összetételére és elbírja a gázok hőmérsékletét.
4.2.3. A hígított gázok beszívására szolgáló berendezés. Ez a berendezés garantálja az elegendő térfogatú folyamatos áramlást a teljes gázmennyiség beszívásának biztosítására.
4.2.4. A gázgyűjtő berendezés külsejéhez csatlakoztatott mintavevő szonda, amely a vizsgálat tartama alatt szivattyú, szűrő és egy áramlásmérő közbeiktatásával folyamatosan mintát tud venni a hígító levegőből.
4.2.5. A hígított gázok áramlásával szembe fordított mintavevő szonda a vizsgálat alatt a keverékből történő mintavételre, állandó térfogatáram mellett, szükség esetén szűrő, áramlásmérő és egy szivattyú alkalmazásával. A két fent leírt mintavevő-rendszerben a gázok minimális térfogatárama legalább 150 l/h.
4.2.6. A fent leírt mintavevő körökben elhelyezett háromutas szelepek, amelyek a mintát vagy az atmoszférába engedik, vagy a vizsgálat alatt a megfelelő mintavételi tasakokba.
4.2.7. Szivárgásmentes mintavételi tasakok a kipufogógáz és a hígító levegő keverékének összegyűjtésére. A tasakokat az érintett szennyezők nem károsíthatják, és térfogatuknak elegendőnek kell lennie ahhoz, hogy ne kelljen megszakítani a mintavétel rendes folyamatát. Legalább egy külön mintavételi tasaknak (1. sz. tasak) kell rendelkezésre állnia a hidegen végzett 1. szakaszhoz, és egy külön tasaknak (2. sz. tasak) a melegen végzett 2. szakaszhoz.
4.2.7.1. Mindegyik mintavételi tasakon automatikus zárószerkezetnek kell lennie, amelyet gyorsan és szorosan lehet lezárni a mintavevő körben vagy az elemző körben a vizsgálat végén.
4.2.7.1.1. Az 1. sz. tasak zárószerkezetét az I. típusú vizsgálat kezdete után 448 másodperccel kell lezárni.
4.2.7.1.2. A 2. sz. tasak zárószerkezetét az 1. sz. tasak lezárása után azonnal ki kell nyitni, és az I. típusú vizsgálat kezdete után 896 másodperccel újra le kell zárni.
4.2.8. Valamilyen módszerrel mérni kell a mintavevő berendezésen a vizsgálat alatt áthaladó hígított gázok teljes mennyiségét. A kipufogógáz-hígító rendszernek meg kell felelnie a 83. sz. ENSZ-EGB-előírás I. melléklete 6. fejezete 2. függeléke követelményeinek.
4.2.9.
1. ábra
Az L1e, L2e vagy L6 kategóriájú járművek szennyezőanyag-kibocsátásának Euro 3 normához történő mintavétele az Euro 2 normához történő mintavétellel összevetve

4.3. Az elemző berendezés
4.3.1. A mintavevő szonda egy, a gyűjtőtasakokba vezető mintavevő csőből vagy egy tasakürítő csőből állhat. A szondának rozsdamentes acélból vagy a gázok összetételét nem befolyásoló más anyagból kell készülnie. A mintavevő szondának és azt az elemző készülékkel összekötő csőnek környezeti hőmérsékleten kell lenniük.
4.3.2. Az elemző készülékeknek az alábbi típusúaknak kell lenniük:
- infravörös abszorpciós nem diszpergáló típus szén-monoxidhoz,
- lángionizációs típus szénhidrogénekhez,
- kemilumineszcenciás típus a nitrogén-oxidokhoz.
4.3.3. Az elemző berendezésnek képesnek kell lennie az 1. sz. és 2. sz. tasakban felfogott kipufogógáz és hígítógáz keveréke mintájának független mérésére.
4.4. A készülékek és a mérések pontossága
4.4.1. Mivel a féket egy külön vizsgálat során (5.1. pont) kell kalibrálni, nincs szükség a lendítőtömeges fékpad pontosságának megadására. A forgó tömegek teljes inerciáját, beleértve a görgők és a fék forgó részeinek inerciáját is (lásd a 4.1. pontot), ± 5 kg pontossággal kell megadni.
4.4.2. A moped által megtett utat a görgő fordulatainak számából kell meghatározni ± 10 m pontossággal.
4.4.3. A moped sebessége a görgő fordulatszámával mérhető. 10 km/h fölött a sebességnek ± 1 km/h pontossággal mérhetőnek kell lennie.
4.4.4. A környezeti hőmérsékletnek ± 2 °C pontossággal kell mérhetőnek lennie.
4.4.5. A légköri nyomásnak ± 0,2 kPa pontossággal kell mérhetőnek lennie.
4.4.6. A környező levegő relatív páratartalmának ± 5 % pontossággal kell mérhetőnek lennie.
4.4.7. Függetlenül a gázminták meghatározásának pontosságától, a különböző szennyezőtartalmak mérésénél megkívánt pontosság ± 3 %. Az elemző kör teljes válaszidejének egy percnél rövidebbnek kell lennie.
4.4.8. A szabványos (kalibrációs) gázok gáztartalma nem különbözhet ± 2 %-nál többel az egyes gázok referenciaértékétől. A hígító gáz szén-monoxid és nitrogén-oxidok esetében nitrogén, szénhidrogének (propán) esetében levegő.
4.4.9. A hűtőlevegő sebességének ± 5 km/h pontossággal kell mérhetőnek lennie.
4.4.10. A gáz-mintavételezési ciklusok és műveletek időtartama alatt a tűrés ± 1 s. Ezeknek az időknek 0,1 s pontossággal kell mérhetőnek lenniük.
4.4.11. A hígított gázok teljes mennyiségének ± 3 % pontossággal kell mérhetőnek lennie.
4.4.12. A teljes átáramlásnak és a mintavételezési áramlásnak ± 5 %-on belül állandónak kell lennie.
5. A VIZSGÁLAT ELŐKÉSZÍTÉSE
5.1. A fék beállítása
A féket úgy kell beállítani, hogy a teljes gázzal működő moped sebessége a próbapadon egyenlő legyen azzal a maximális sebességgel, amelyre a jármű az úton képes, ± 1 km/h tűréssel. Ez a maximális sebesség nem térhet el ± 2 km/h-nál többel a gyártó által megadott névleges maximális sebességtől. Ha a moped a maximális úti sebesség szabályozására szolgáló berendezéssel van felszerelve, e szabályozó berendezés hatását figyelembe kell venni.
A fék más módon is beállítható, ha a gyártó bizonyítja a módszer egyenértékűségét.
5.2. Az egyenértékű inerciák beállítása a moped haladómozgásbeli inerciájának megfelelően
Egy vagy több lendkereket kell használni, olyan forgótömeg összinercia beállítására, amely arányos a moped referenciatömegével, az alábbi határokon belül:
A moped referenciatömege RM (kg) | Egyenértékű inerciák (kg) |
RM ≤ 105 | 100 |
105 < RM ≤ 115 | 110 |
115 < RM ≤ 125 | 120 |
125 < RM ≤ 135 | 130 |
135 < RM ≤ 145 | 140 |
145 < RM ≤ 165 | 150 |
165 < RM ≤ 185 | 170 |
185 < RM ≤ 205 | 190 |
205 < RM ≤ 225 | 210 |
225 < RM ≤ 245 | 230 |
245 < RM ≤ 270 | 260 |
270 < RM ≤ 300 | 280 |
300 < RM ≤ 330 | 310 |
330 < RM ≤ 360 | 340 |
360 < RM ≤ 395 | 380 |
395 < RM ≤ 435 | 410 |
435 < RM ≤ 475 | - |
5.3. A moped hűtése
5.3.1. A vizsgálat alatt egy kisegítő mesterséges szellőzőberendezést kell elhelyezni a moped előtt úgy, hogy a motorra hűtőlevegő áramoljon. A légáram sebességének 25 ± 5 km/h-nak kell lennie. A ventillátor kilépőnyílásának legalább 0,2 m2 keresztmetszetűnek kell lennie, síkjának merőlegesnek a moped hossztengelyére, és a moped mellső kereke előtt 30-45 cm távolságra kell elhelyezni. A légáram lineáris sebességének mérésére szolgáló berendezést a levegősugár közepén kell elhelyezni, a kilépőnyílástól 20 cm-nyire. Amennyire lehetséges, a levegő sebességének állandónak kell lennie a teljes kilépő keresztmetszetben.
5.3.2. A mopedet az alább leírt alternatív módszerrel is lehet hűteni. Változtatható sebességű levegőáramot kell a mopedre irányítani. A ventillátort úgy kell szabályozni a 10 és 45 km/h sebességet is magában foglaló működési tartományon belül, hogy a ventillátor kilépő nyílásánál a levegő lineáris sebessége ± 5 km/h határon belül egyenlő legyen a görgő sebességével. 10 km/h-nál kisebb egyenértékű görgősebességeknél a mesterséges légáram sebessége 0 lehet. A ventillátor kilépőnyílásának legalább 0,2 m2 keresztmetszetűnek kell lennie, és alsó élének 15 cm és 20 cm közötti magasságban kell lennie a föld felett. A kilépőnyílás síkjának merőlegesnek kell lennie a moped hossztengelyére, és a moped mellső kereke előtt 30-45 cm távolságra kell elhelyezni.
5.4. A vizsgálati jármű előkészítése
5.4.1. A vizsgálati jármű gumiabroncsai nyomásának a gyártó által, úton történő normál használatra előírt nyomásnak kell lennie. Azonban ha a görgők átmérője 500 mm-nél kisebb, a gumiabroncsok nyomása 30-50 %-kal megnövelhető.
5.4.2. A tüzelőanyag-tartály(oka)t az adott leeresztő nyílásokon keresztül le kell üríteni és fel kell tölteni a IV. mellékletben meghatározott vizsgálati tüzelőanyaggal.
5.4.3. A vizsgálati járművet a vizsgálat helyszínére kell vinni és azon a következő műveleteket kell végrehajtani:
5.4.3.1. A vizsgálati járművel fel kell hajtani a járműfékpadra, illetve azt arra fel kell tolni, és azt a 2.1. pontban ismertetett vizsgálati cikluson át működtetni kell. A vizsgálati járműnek nem kell hidegnek lennie, és a jármű használható a fékpad teljesítményének beállítására.
5.4.3.2. A hajtó kerék terhelésének ± 3 kg tűréssel azonosnak kell lennie a jármű rendes úti terhelésével, beleszámítva a felegyenesedve ülő 75 ± 5 kg-os vezetőt is.
5.4.3.3. A 2.1. pontban meghatározott vizsgálati ciklus próbafutását el lehet végezni a vizsgálati pontokon - feltéve, hogy ennek során nem kerül sor kibocsátási mintavételre - a fojtószelep azon minimális beállításának meghatározására, amely a megfelelő sebesség-idő viszony fenntartásához szükséges.
5.4.3.4. A kondicionálási területen való elhelyezés előtt a vizsgálati járművön négy egymást követő, a 2.1. pontban meghatározott műveleti ciklust kell lefolytatni, amelyek mindegyike 112 másodpercig tart. Ezt az előkészítő vizsgálati ciklust az 5.1. és 5.2. pontban meghatározott fékpadbeállításokkal kell elvégezni. Az előkészítő vizsgálati ciklus során nem előírás a jármű kipufogócsövén keresztül kibocsátott szennyező anyagok mérése.
5.4.3.5. Az előkészítés befejezése utáni öt percen belül a vizsgálati járművet le kell venni a fékpadról, és azt a kondicionálási területre kell járó vagy leállított motorral áthelyezni és ott leparkolni. A kondicionálási területen a környezeti hőmérsékletet be kell szabályozni 298 K ± 5 K szintre. A járművet itt a hidegindítással végzett I. típusú vizsgálat megkezdése előtt legalább 6 és legfeljebb 36 óráig vagy addig kell tárolni, amíg a motorolaj TOlaj hőmérséklete, a hűtőfolyadék THűtő hőmérséklete vagy a gyújtógyertya tömítésének/tömítőgyűrűjének TSP hőmérséklete (csak léghűtéses motoroknál) el nem éri a kondicionálási terület levegőjének hőmérsékletét. A vizsgálati jegyzőkönyvben fel kell tüntetni, hogy melyik kritériumot választották.
5.5. A kipufogó-ellennyomás ellenőrzése
5.5.1. Az előzetes vizsgálatok során ellenőrizni kell, hogy a mintavevő berendezés okozta ellennyomás nem tér-e el ± 0,75 kPa-nál többel a légköri nyomástól.
5.6. Az elemző készülék kalibrálása
5.6.1. Az analizátorok kalibrálása
Az egyes gázpalackokon lévő áramlásmérő és manométer útján a készülék megfelelő működéséhez szükséges mennyiségű és nyomású gázt kell az analizátorba bocsátani. A készüléket úgy kell beállítani, hogy stabilizálódott értékként a szabványos gázpalackon feltüntetett értéket mutassa. A maximális gáztartalmú palackkal kezdve fel kell rajzolni az analizátor eltéréseinek görbéjét a különböző felhasznált szabványos gázpalackok gáztartalmának függvényében.
5.6.2. A készülék teljes válaszideje
A maximális gáztartalmú palackból a gázt be kell vezetni a mintavevő szonda végébe. Ellenőrizni kell, hogy a készülék egy percen belül kijelzi-e a maximális eltérésnek megfelelő értéket. Ha nem éri el ezt az értéket, az elemző kört elejétől-végéig ellenőrizni kell szivárgás szempontjából.
6. A LENDÍTŐTÖMEGES FÉKPADI VIZSGÁLATOK ELVÉGZÉSE
6.1. A ciklus végrehajtásának különleges feltételei
6.1.1. A lendítőtömeges fékpad felállításának helyén a hőmérsékletnek az egész vizsgálat alatt 20 °C és 30 °C között kell lennie.
6.1.2. A vizsgálat alatt a mopednek, amennyire csak lehetséges, vízszintesen kell állnia, a tüzelőanyag és a motorolaj rendellenes eloszlásának elkerülése érdekében.
6.1.3. A vizsgálat alatt fel kell rajzolni a sebességet az idő függvényében, hogy ki lehessen értékelni a végrehajtott ciklusok helyességét.
6.2. A motor indítása
6.2.1. Miután a készüléken elvégezték a gázok összegyűjtéséhez, hígításához, elemzéséhez és méréséhez szükséges előkészületi műveleteket (lásd a 7.1. pontot), a motort az erre szolgáló berendezések segítségével, mint amilyen a szivató, indítószelep, stb., a gyártó utasításainak megfelelően el kell indítani.
6.2.2. A mintavételt és a szívóberendezésen át történő áramlás mérését az első ciklus elején kell elkezdeni.
6.2.3. Alapjárat
6.2.3.1. Kézi sebességváltó:
A szabályos ciklusnak megfelelően végrehajtandó gyorsulások lehetővé tétele céljából a járművet, kioldott tengelykapcsoló mellett a szóban forgó alapjárati időszakot követő gyorsítás megkezdése előtt öt másodperccel az első sebességfokozatba kell kapcsolni.
6.2.3.2. Automata sebességváltó és nyomatékváltó:
Az üzemmód-kapcsolót a vizsgálatok kezdetén be kell kapcsolni. Ha ennek két helyzete - "városi" és "országúti" - van, az "országúti" helyzetet kell használni.
6.2.4. Gyorsulások Minden alapjárati periódus végén teljesen nyitott fojtószeleppel kell gyorsítani, szükség esetén úgy használva a sebességváltót, hogy a moped a maximális sebességet a legrövidebb idő alatt érje el.
6.2.5. Állandó sebesség A fojtószelepet teljesen nyitva tartva, a következő lassítási periódus kezdetéig állandó maximális sebességet kell fenntartani. Abban a fázisban, amikor a sebességet tartósan 20 km/h értéken kell tartani, a fojtószelep helyzetének, amennyire csak lehetséges, rögzítettnek kell lennie.
6.2.6. Lassítások
6.2.6.1. Minden lassítást a fojtószelep teljes lezárásával, bekapcsolt tengelykapcsoló mellett kell végrehajtani. 10 km/h sebesség elérésekor a motort kézi úton, a sebességváltókar érintése nélkül kell szétkapcsolni.
6.2.6.2. Ha a lassítási periódus hosszabb annál, mint amely a megfelelő fázisra elő van írva, a ciklus betartása érdekében használni kell a moped fékjeit.
6.2.6.3. Ha a lassítási periódus rövidebb annál, mint amely a megfelelő fázisra elő van írva, az elméleti ciklust egy alapjárati időszaknak a következő alapjárati periódushoz való illesztésével kell fenntartani. Ebben az esetben a 2.4.3. pont nem alkalmazható.
6.2.6.4. A második lassítási periódus végén (a moped megállítása a görgőn) a sebességváltót semleges állásba kell helyezni, és a tengelykapcsolót be kell kapcsolni.
7. A MINTAVÉTELI ÉS ELEMZÉSI ELJÁRÁS
7.1. Mintavétel
7.1.1. A mintavétel a vizsgálat megkezdésekor indul, amint azt a 6.2.2. pont előírja.
7.1.2. Az 1. sz. és 2. sz. mintavételi tasakot légmentesen le kell zárni, és a 4.2.7.1. pontban meghatározott zárási sorrendet kell követni. A tasakok a vizsgálat hidegen végzett 1. szakasza és a melegen végzett 2. szakasza során nem lehetnek összekötve.
7.1.3. Az utolsó ciklus után a hígított kipufogógázok és a hígító levegő összegyűjtésére szolgáló berendezést le kell zárni, és a motor által termelt gázokat az atmoszférába kell kiengedni.
7.2. Az elemzés
7.2.1. A tasakokban lévő gázt a lehető legrövidebb időn belül, de minden körülmények között legfeljebb a tasakok töltésének megkezdésétől számított húsz percen belül elemezni kell.
7.2.2. Ha a mintavevő szonda nem marad állandóan a tasakban, meg kell akadályozni, hogy a szonda behelyezésekor levegő kerülhessen a tasakba és, hogy a szonda kivételekor abból gáz szökhessen ki.
7.2.3. Az analizátornak a tasakhoz való csatlakoztatás után egy percen belül állandó értéket kell mutatnia.
7.2.4. A hígítottkipufogógáz-minták és a tasakokba gyűjtött hígító levegő HC-, CO-, NOx- és CO2-koncentrációját a mérőkészülék által mutatott vagy feljegyzett értékek alapján kell meghatározni a helyes kalibrációs görbék alkalmazásával.
7.2.5. Az elemzett gázok gáznemű szennyező anyag-tartalmára elfogadott érték az, amely a mérőberendezés stabilizálódása után leolvasható.
8. A KIBOCSÁTOTT GÁZNEMŰ SZENNYEZŐ ANYAGOK MENNYISÉGÉNEK MEGHATÁROZÁSA
8.1. A CO2 és a CO, HC, NOx gáznemű szennyező anyagok tömegét külön kell meghatározni az 1. sz. és a 2. sz. tasakra, a 8.2-8.6. pontnak megfelelően.
8.2. A vizsgálat alatt kibocsátott szén-monoxid tömege a következő képlettel határozható meg:

ahol:
8.2.1. COm a vizsgálat alatt kibocsátott szén-monoxid tömege, g/km-ben kifejezve, amelyet mindegyik szakaszra külön kell kiszámítani;
8.2.2. Sx a ténylegesen megtett út km-ben kifejezve, amely a fordulatszámlálóról leolvasott összes fordulat számának a henger kerületével való megszorzásából adódik;
ahol:
X = 1 a hidegen végzett 1. szakaszra;
X = 2 a melegen végzett 2. szakaszra;
8.2.3. dCO a szén-monoxid sűrűsége 273,2 K (0 °C) hőmérsékleten és

;
8.2.4. COc a szén-monoxid térfogat-koncentrációja a hígított gázokban, milliomodrészben (ppm) kifejezve, és a hígító levegő szennyezettségét figyelembe véve korrigálva:

ahol:
8.2.4.1. COe az Sa tasakban összegyűjtött hígítottgázminta szén-monoxid-koncentrációja ppm-ben mérve;
8.2.4.2. COd az Sb tasakban összegyűjtött hígítólevegő-minta szén-monoxid-koncentrációja ppm-ben mérve;
8.2.4.3. DF a 8.6. pontban meghatározott együttható;
8.2.5. V a hígított gázok m3/szakasz mértékegységben megadott térfogata 273,2 K (0 °C) referencia-hőmérsékleten és 101,3 kPa referencianyomáson:

ahol:
8.2.5.1. Vo a P1 szivattyú által egyetlen fordulat alatt kiszorított gáz m3/fordulatban kifejezett térfogata. Ez a térfogat függ magának a szivattyúnak a szívó- és nyomócsonkja között fennálló nyomáskülönbségtől;
8.2.5.2. N a P1 szivattyú által az egyes szakaszok négy elemi vizsgálati ciklusa alatt megtett fordulatok száma;
8.2.5.3. Pa a légköri nyomás kPa-ban kifejezve;
8.2.5.4. Pi az átlagos nyomásesés a vizsgálat alatt a P1 szivattyú szívócsonkjában, kPa-ban kifejezve;
8.2.5.5. Tp (°C) a hígított gázok hőmérséklete a vizsgálat alatt a P1 szivattyú szívócsonkjában mérve.
8.3. A segédmotoros kerékpár vizsgálat alatt kiáramló kipufogógázaiban lévő elégetlen szénhidrogének tömege a következő képlettel számítható:

ahol:
8.3.1. HCm a vizsgálat alatt kibocsátott szénhidrogének tömege, g-ban kifejezve, amelyet mindegyik szakaszra külön kell kiszámítani;
8.3.2. Sx a 8.2.2. pontban meghatározott távolság;
8.3.3. dHC a szénhidrogének sűrűsége 273,2 K (0 °C) hőmérsékleten és 101,3 kPa nyomáson (benzin esetében (E5) (C1H1,89O0,016))(= 631 g/m3);
8.3.4. HCc a hígított gázok koncentrációja ppm szénegyenértékben kifejezve, és a hígító levegő szennyezettségét figyelembe véve korrigálva:

ahol:
8.3.4.1. HCe az Sa tasakban összegyűjtött hígítottgázminta szénhidrogén-koncentrációja ppm szénegyenértékben kifejezve;
8.3.4.2. HCd az Sb tasakban összegyűjtött hígítólevegő-minta szénhidrogén-koncentrációja ppm szénegyenértékben kifejezve;
8.3.4.3. DF a 8.6. pontban meghatározott együttható;
8.3.5. V a 8.2.5. pontban meghatározott térfogat;
8.4. A segédmotoros kerékpár vizsgálat alatt kiáramló kipufogógázaiban lévő nitrogén-oxidok tömege a következő képlettel számítható:

ahol:
8.4.1. NOxm a vizsgálat alatt kibocsátott nitrogén-oxidok tömege, g-ban kifejezve, amelyet mindegyik szakaszra külön kell kiszámítani;
8.4.2. Sx a 8.2.2. pontban meghatározott távolság;
8.4.3. dNO2 a nitrogén-oxidok sűrűsége a kipufogógázokban, NO2 egyenértékben kifejezve, 273,2 K (0 °C) hőmérsékleten és 101,3 kPa nyomáson (= 2,050 103 g/m3);
8.4.4. NOxc a hígított gázokban lévő nitrogén-oxidok koncentrációja ppm-ben kifejezve, és a hígító levegő szennyezettségét figyelembe véve korrigálva:

ahol:
8.4.4.1. NOxe az Sa tasakban összegyűjtött hígítottgázminta nitrogén-oxid-koncentrációja ppm-ben kifejezve;
8.4.4.2. NOxd az Sb tasakban összegyűjtött hígítólevegő-minta nitrogén-oxid-koncentrációja ppm-ben kifejezve;
8.4.4.3. DF a 8.6. pontban meghatározott együttható;
8.4.5. Kh a páratartalmat figyelembe vevő korrekciós tényező

ahol:
8.4.5.1. H az abszolút páratartalom (gramm víz)/(kg száraz levegő) mértékegységben kifejezve:

ahol:
8.4.5.1.1. U a százalékosan kifejezett páratartalom;
8.4.5.1.2. Pd a telített vízgőz nyomása kPa-ban kifejezve, a vizsgálat hőmérsékletén;
8.4.5.1.3. Pa a légköri nyomás kPa-ban;
8.4.6. V a 8.2.5. pontban meghatározott térfogat;
8.5. Szén-dioxid (CO2)
A jármű vizsgálat alatt kiáramló kipufogógázaiban lévő szén-dioxid tömege a következő képlettel számítható:

ahol:
8.5.1. CO2m a vizsgálatrész alatt kibocsátott szén-dioxid tömege, g-ban kifejezve, amelyet mindegyik szakaszra külön kell kiszámítani;
8.5.2. Sx a 8.2.2. pontban meghatározott távolság;
8.5.3. V a 8.2.5. pontban meghatározott térfogat;
8.5.4. dCO2 a szén-dioxid sűrűsége 273,2 K (0 °C) hőmérsékleten és 101,3 kPa nyomáson,

;
8.5.5. CO2c a hígított gázok koncentrációja százalékos szénegyenértékben kifejezve, és a hígító levegő szennyezettségét figyelembe véve a következő egyenlettel korrigálva:

ahol:
8.5.5.1. CO2e az SA tasak(ok)ban összegyűjtött hígítottgázminta szén-dioxid-koncentrációja százalékban kifejezve;
8.5.5.2. CO2d az SB tasak(ok)ban összegyűjtött hígítólevegő-minta szén-dioxid-koncentrációja százalékban kifejezve;
8.5.5.3. DF a 8.6. pontban meghatározott együttható;
8.6. DF a következő képlettel kifejezett tényező:

benzin (E5)
ahol:
8.6.1. CCO2 = a mintavevő zsákokban lévő hígított kipufogógáz CO2 koncentrációja térfogatszázalékban kifejezve;
8.6.2. CHC = a mintavevő zsákokban lévő hígított kipufogógáz szénhidrogén-koncentrációja ppm szénegyenértékben kifejezve;
8.6.3. CCO = a mintavevő zsákokban lévő hígított kipufogógáz CO koncentrációja ppm-ben kifejezve.
9. A VIZSGÁLATI EREDMÉNYEK BEMUTATÁSA:
A hidegen végzett szakasz (átlagos) eredménye legyen RX1 (g-ban), a melegen végzett szakasz (átlagos) eredménye pedig RX2 (g-ban). E kibocsátási eredményeknek a felhasználásával az I. típusú vizsgálat végső eredményét (RX, g/km-ben) a következő egyenlettel kell kiszámítani:

g/km-ben
ahol:
X = HC, CO, NOx vagy CO2
RHC_hideg = HCtömeg_hideg_1_szakasz (g-ban) és RHC_meleg = HCtömeg_meleg_2_szakasz (g-ban), lásd a 8.3 pontban megadott képletet.
RCO_Hideg = COtömeg_hideg_1_szakasz (g-ban) és RCO_meleg = COtömeg_meleg_2_szakasz (g-ban), lásd a 8.2 pontban megadott képletet.
RNOx_hideg = NOxtömeg_hideg_1_szakasz (g-ban) és RNOx_meleg = NOxtömeg_meleg_2_szakasz (g-ban), lásd a 8.4 pontban megadott képletet.
RCO2_Hideg = CO2tömeg_hideg_1_szakasz (g-ban) és RCO2_meleg = CO2tömeg_meleg_2_szakasz (g-ban), lásd a 8.5. pontban megadott képletet.
ST:

, az L1e, L2e vagy L6e vizsgálati jármű által ténylegesen megtett távolság a hidegen végzett 1. szakasz és a melegen végzett 2. szakasz teljes vizsgálati ciklusában.
10. ÜZEMANYAG-FOGYASZTÁS
Az üzemanyag-fogyasztást a 9. pont szerinti vizsgálati eredmények felhasználásával a következők szerint kell kiszámítani:

ahol:
FC = 100 km alatti üzemanyag-fogyasztás literben;
D = a vizsgálati üzemanyag sűrűsége kg/l-ben 288,2 K (15 °C) hőmérsékleten.
1. alfüggelék
Működési ciklus lendítőtömeges görgős fékpadon (I. típusú vizsgálat)

2. alfüggelék
1. példa egy kipufogógáz-gyűjtőrendszerre

3. alfüggelék
2. példa egy kipufogógáz-gyűjtőrendszerre

4. alfüggelék
A lendítőtömeges görgős fékpad kalibrálásának módszere
1. A CÉL
Ez az alfüggelék a lendítőtömeges fékpad által elnyelt teljesítmény görbéjének az 1. függelék 4.1. pontjában előírt elnyelési görbével való egybevágósága ellenőrzésének módszerét írja le.
A mért elnyelt teljesítmény magában foglalja a súrlódás és a fékek által felemésztett teljesítményt, de nem foglalja magában a gumiabroncs és a görgő közötti súrlódás által felemésztett teljesítményt.
2. A MÓDSZER ALAPELVE
Ez a módszer lehetővé teszi az elnyelt teljesítmény számítását a görgő lassulási idejének megmérése útján. A berendezés kinetikai energiáját a fék és a súrlódás emészti fel. Ez a módszer nem veszi figyelembe a görgő belső súrlódásának a moped tömege hatására bekövetkező megváltozását.
3. AZ ELJÁRÁS
3.1. A vizsgálat alatt álló moped tömegének megfelelő inerciaszimulációs rendszert be kell kapcsolni.
3.2. A féket az 1. függelék 5.1. pontjának megfelelően kell beállítani.
3.3. A görgőt v + 10 km/h sebességű forgásba kell hozni.
3.4. A görgőmeghajtó-rendszert le kell kapcsolni, és hagyni kell, hogy a görgő szabadon lassuljon.
3.5. Fel kell jegyezni azt az időt, amíg a görgő v + 0,1 v sebességről v - 0,1 v sebességre lassul le.
3.6. Az elnyelt teljesítményt az alábbi képlettel kell kiszámítani:

ahol:
PA : a lendítőtömeges görgős fékpad által elnyelt teljesítmény kW-ban kifejezve
M : az egyenértékű inercia kg-ban kifejezve
v : a 3.3. pontban említett próbasebesség m/s-ban kifejezve
t : a görgő v + 0,1 v sebességről v - 0,1 v sebességre való lassulásához szükséges idő s-ban kifejezve.
3.7. A 3.3.-3.6. pontban leírt fázisokat meg kell ismételni a 10-50 km/h sebességtartomány 10 km/h-s lépcsőkben történő feltérképezésére.
3.8. Fel kell rajzolni az elnyelt teljesítmény görbéjét a sebesség függvényében.
3.9. Biztosítani kell, hogy a görbe az 1. függelék 4.1. pontjában megadott tűrésen belül maradjon.

2. függelék
II. típusú vizsgálat
(a szén-monoxid- és szénhidrogén-kibocsátás mérése alapjáraton)
1. BEVEZETÉS
Az 1. melléklet 2.2.1.2. pontjában leírt II. típusú vizsgálati eljárás.
2. MÉRÉSI FELTÉTELEK
2.1. Az 1. függelék 3.2. pontjában meghatározott tüzelőanyagot kell használni.
2.2. A használt kenőanyagnak szintén meg kell felelnie az 1. függelék 3.2. pontja rendelkezéseinek.
2.3. A kibocsátott szén-monoxid és szénhidrogének tömegét közvetlenül az 1. függelék 2.1. pontjában leírt I. típusú vizsgálat után kell megmérni, ha az értékek stabilizálódtak, alapjáraton forgó motor mellett.
2.4. Kézi sebességváltóval felszerelt mopedek esetében a vizsgálatot "semleges" helyzetben lévő hajtóművel és bekapcsolt tengelykapcsolóval kell elvégezni.
2.5. Automata sebességváltóval felszerelt mopedek esetében a vizsgálatot bekapcsolt tengelykapcsoló és álló hajtókerék mellett kell elvégezni.
2.6. A motor alapjárati fordulatszámát a gyártó előírásai szerint kell beállítani.
3. A KIPUFOGÓ-GÁZOK MINTAVÉTELE ÉS ELEMZÉSE
3.1. A mágnesszelepeket a hígított kipufogó-gázok és a hígító levegő közvetlen elemzésének megfelelő helyzetbe kell állítani.
3.2. A szondához történt csatlakoztatás utáni egy percen belül a gázelemző készüléknek állandó értéket kell mutatnia.
3.3. A hígítottgáz- és a hígítólevegő-minták szénhidrogén- és CO-koncentrációját a mérőberendezés által mutatott vagy feljegyzett értékekből kell megállapítani a helyes kalibrációs görbék segítségével.
3.4. Az elemzett gázok gáznemű szennyező anyag-tartalmára elfogadott érték az, amely a mérőberendezés stabilizálódása után leolvasható.
4. A KIBOCSÁTOTT GÁZNEMŰ SZENNYEZŐ ANYAGOK MENNYISÉGÉNEK MEGHATÁROZÁSA
4.1. A vizsgálat alatt kibocsátott szén-monoxid-gáz tömegét az alábbi képlettel kell megállapítani:

ahol:
4.1.1. COM a vizsgálat alatt kibocsátott szén-monoxid tömege, g/min-ben kifejezve;
4.1.2. dCO a szén-monoxid sűrűsége 0 °C-on és 101,33 kPa nyomáson (= 1,250 kg/m3);
4.1.3. COc a szén-monoxid térfogat-koncentrációja a hígított gázokban, milliomodrészben kifejezve, és a hígító levegő szennyezettségét figyelembe véve korrigálva:

ahol:
4.1.3.1. COe a hígított gázminta szén-monoxid-koncentrációja milliomodrészben mérve;
4.1.3.2. COd a hígító levegő minta szén-monoxid-koncentrációja milliomodrészben mérve;
4.1.3.3. DF a 4.3. pontban meghatározott tényező;
4.1.4. V a hígított gázok m3/min egységben kifejezett teljes térfogata 0 °C (273 K) referencia-hőmérsékleten és 101,33 kPa referencianyomáson:

ahol:
4.1.4.1. Vo a P1 szivattyú által egy körülfordulás alatt szállított gáztérfogat, m3/fordulat egységben kifejezve. Ez a térfogat függ magának a szivattyúnak a szívó- és nyomócsonkja között fennálló nyomáskülönbségtől;
4.1.4.2. N a P1 szivattyú által az alapjárati vizsgálat alatt megtett fordulatok száma, osztva a percekben kifejezett idővel;
4.1.4.3. Pa a légköri nyomás kPa-ban kifejezve;
4.1.4.4. Pi az átlagos nyomásesés a vizsgálat alatt a P1 szivattyú szívócsonkjában, kPa-ban kifejezve;
4.1.4.5. Tp a hígított gázok hőmérséklete a vizsgálat alatt a P1 szivattyú szívócsonkjában mérve.
4.2. A moped vizsgálat alatt kiáramló kipufogó-gázaiban lévő elégetlen szénhidrogének tömege az alábbi képlettel számítható:

ahol:
4.2.1. HCM a vizsgálat alatt kibocsátott szénhidrogének tömege g/min-ben kifejezve;
4.2.2. dHCa szénhidrogének sűrűsége 0 °C-on és 101,33 kPa nyomáson (1:1,85 átlagos szén/hidrogén arány esetén) (= 0,619 kg/m3);
4.2.3. HCc a hígított gázok szénhidrogén-koncentrációja milliomod szénegyenértékben kifejezve (például: a propánkoncentráció 3-mal szorozva) és a hígító levegő szennyezettségét figyelembe véve korrigálva:

ahol:
4.2.3.1. HCe a hígított gázminta szénhidrogén-koncentrációja milliomodrész szénegyenértékben kifejezve;
4.2.3.2. HCd a hígító levegő szénhidrogén-koncentrációja milliomodrész szénegyenértékben kifejezve;
4.2.3.3. DF a 4.3. pontban meghatározott tényező;
4.2.4. V a teljes térfogat (lásd a 4.1.4. pontot).
4.3. DF az alábbi képlettel kifejezett tényező:

ahol:
4.3.1. CO, CO2 és HC a szén-monoxid, szén-dioxid és a szénhidrogének koncentrációja a hígított gázminta százalékában kifejezve.
3. függelék
Kartergáz-kibocsátás és a CO2-kibocsátási és üzemanyag-fogyasztási vizsgálatok eredményének értelmezése
1. A típusjóváhagyásban részesített L1e, L2e és L6e kategóriájú járművek kartergáz-kibocsátása zéró. Kartergáz-kibocsátás semelyik L kategóriájú jármű hasznos élettartama során nem kerülhet közvetlen a környezeti légkörbe.
2. Az L1e, L2e és L6e kategóriájú járművek I. típusú CO2-kibocsátási és üzemanyag-fogyasztási vizsgálatainak értelmezése
2.1. A típus-jóváhagyási értékként elfogadott CO2-kibocsátási és üzemanyag-fogyasztási értékek a gyártó által megadott értékek, feltéve, hogy azok nem haladják meg több mint négy százalékkal a műszaki szolgálat által mért értékeket. A mért értékek ennél korlátozás nélkül alacsonyabbak lehetnek.
2.2. Ha a mért CO2-kibocsátási és üzemanyag-fogyasztási értékek négy százaléknál nagyobb mértékben meghaladják a gyártó által megadott CO2-kibocsátási és üzemanyag-fogyasztási értékeket, akkor ugyanazzal a járművel újabb vizsgálatot kell végezni.
2.3. Ha a két vizsgálati eredmény átlaga nem haladja meg négy százaléknál nagyobb mértékben a gyártó által megadott értéket, akkor a gyártó által megadott értéket kell típus-jóváhagyási értéknek tekinteni.
2.4. Ha a két vizsgálati eredmény átlaga még mindig több mint négy százalékkal meghaladja a megadott értéket, ugyanazzal a járművel végső vizsgálatot kell végezni. A három vizsgálat eredményeinek átlagát kell típus-jóváhagyási értéknek tekinteni.
II. MELLÉKLET
MOTORKERÉKPÁROK ÉS MOTOROS TRICIKLIK ÁLTAL OKOZOTT LÉGSZENNYEZÉS ELLENI INTÉZKEDÉSEKRE VONATKOZÓ ELŐÍRÁSOK
1. FOGALOMMEGHATÁROZÁSOK
Ennek a fejezetnek az alkalmazásában:
1.1. "járműtípus a motorból származó gáznemű szennyező anyagok kibocsátásának korlátozása szempontjából": olyan motorkerékpárok és motoros triciklik, amelyek nem különböznek egymástól lényegesen olyan alapvető szempontok tekintetében mint:
1.1.1. Az 1. függelék 5.2. pontja szerint a referenciatömeghez viszonyítva meghatározott egyenértékű inercia;
1.1.2. A motor és a jármű V. mellékletben meghatározott jellemzői;
1.2. "referenciatömeg": a menetkész jármű tömege, 75 kg-os egyenletesen megoszló tömeggel növelve. A menetkész motorkerékpár és motoros tricikli tömege a jármű teljes terheletlen tömege, maximális űrtartalmuknak legalább 90 %-áig feltöltött tartályokkal.
1.3. "forgattyúház": a motorban vagy a motoron kívül elhelyezkedő, az olajteknővel belső vagy külső csatornák útján kapcsolatban álló terek, amely csatornákon keresztül gázok és gőzök szökhetnek ki;
1.4. "gáz-halmazállapotú szennyező anyagok": a szén-monoxid-, a nitrogén-dioxid(NO2)-egyenértékben kifejezett nitrogén-oxidok, valamint a szénhidrogének kipufogógáz útján történő kibocsátása, az alábbi arányszámokat feltételezve:
- benzin esetén C1H1,85,
- dízel tüzelőanyag esetén C1H1,86.
1.5. "kikapcsoló berendezés": olyan berendezés, amely méri vagy érzékeli a működési változókat (pl. a jármű sebessége, a motor fordulatszáma, a használt fokozat, a hőmérséklet, a szívónyomás vagy egyéb paraméterek) és reagál azokra a kibocsátás-szabályozó rendszer bármely komponense vagy funkciója működésének aktiválásával, módosításával, késleltetésével vagy inaktiválásával olyan módon, hogy a jármű szokásos használati körülményei között a kibocsátás-szabályozó rendszer hatékonysága csökken, kivéve azt az esetet, amikor a szóban forgó berendezés alapvetően be van vonva az alkalmazott kibocsátási tanúsítvány megadására szolgáló vizsgálati eljárásba.
1.6. "irracionális kibocsátás-szabályozási stratégia": olyan stratégia vagy intézkedés, amely hatására a jármű szokásos használati körülmények közötti használata esetén a kibocsátás-szabályozó berendezés hatékonysága az alkalmazandó kibocsátás-vizsgálati eljáráskor várható szint alá csökken.
1.7. "eredeti katalizátor": olyan katalizátor, vagy katalizátorokból álló szerelvény, amelyre a gépjárműhöz szállított típusjóváhagyás vonatkozik.
1.8. "cserekatalizátor": olyan katalizátor, vagy katalizátorokból álló szerelvény, amelyet egy eredeti katalizátor lecserélésére szántak a jelen fejezet szerinti típusjóváhagyással rendelkező gépjárművön, és amelynek a típusjóváhagyását önálló műszaki egységként lehet elvégezni, ahogy azt a 2002/24/EK irányelv 2. cikkének (5) bekezdése meghatározza.
1.9. "eredeti cserekatalizátor": olyan katalizátor, vagy katalizátorokból álló szerelvény, amelynek típusa megtalálható a VI. melléklet 4a. pontjában, de a piacon önálló műszaki egységként kínálja a gépjármű típusjóváhagyásának a tulajdonosa.
1.10. "hibrid elektromos jármű (HEV)": olyan motorkerékpár, illetve három- vagy négykerekű motorkerékpár, amely a mechanikus hajtáshoz a járműben lévő következő két tárolt energiaforrásból kap energiát:
a) fogyó üzemanyag;
b) elektromosenergia-tároló eszköz.
2. VIZSGÁLATI ELŐÍRÁSOK
2.1. Általános előírások
Azokat az alkatrészeket, amelyek hatással lehetnek a gáznemű szennyező anyagok kibocsátására, úgy kell megtervezni, legyártani és összeszerelni, hogy a motorkerékpárok és motoros triciklik normál üzemben, a rájuk ható rázkódások ellenére, megfelelhessenek e melléklet előírásainak.
2.2. A vizsgálatok leírása
2.2.1. Kategóriájától függően a motorkerékpárt vagy a motoros triciklit az alább meghatározott I. és II. típusú vizsgálatoknak kell alávetni:
2.2.1.1. I. típusú vizsgálat (a kipufogócsőnél történő kibocsátások átlagértékének ellenőrzése)
A 2.2.1.1.5. pont táblázatának A. sorában megadott kibocsátási határértékek vizsgálatának alávetett járműtípusoknál:
- a vizsgálatot úgy kell elvégezni, hogy felkészítésként két városi alapciklust, majd a kibocsátási mintavételhez négy városi alapciklust kell végrehajtani. A kibocsátási mintavételt a felkészítési ciklusok végső alapjárati szakaszának végén azonnal meg kell kezdeni, és az utolsó városi alapciklus végső alapjárati szakaszának végén azonnal be kell fejezni.
A 2.2.1.1.5. pont táblázatának B. sorában megadott kibocsátási határértékek vizsgálatának alávetett járműtípusoknál:
- 150 cm3-nél kisebb motor-lökettérfogatú járműtípusoknál a vizsgálatot hat városi alapciklus végrehajtásával kell elvégezni. A kibocsátási mintavételt a motor beindítási eljárásának megkezdése előtt vagy annak megkezdésekor kell elkezdeni és az utolsó városi alapciklus végső alapjárati szakaszának végén kell befejezni,
- 150 cm3-es vagy annál nagyobb motor-lökettérfogatú járműtípusoknál a vizsgálatot hat városi alapciklus és egy városon kívüli ciklus végrehajtásával kell elvégezni. A kibocsátási mintavételt a motor beindítási eljárásának megkezdése előtt vagy annak megkezdésekor kell elkezdeni és az városon kívüli ciklus végső alapjárati szakaszának végén kell befejezni.
A gyártó választásától függően az ENSZ/EGB 2. számú világszintű műszaki szabályozásában (GTR) ( 63 ) meghatározott vizsgálati eljárás alkalmazható motorkerékpárokra a fent említett vizsgálati eljárás alternatívájaként. A 2. számú GTR-ben meghatározott eljárás alkalmazása esetén a jármű vonatkozásában be kell tartani a 2.2.1.1.5. szakasz táblázata C sorában meghatározott kibocsátási határértékeket, és ezen irányelv valamennyi rendelkezését, kivéve e melléklet 2.2.1.1.1-2.2.1.1.4. pontjait.
2.2.1.1.1. A vizsgálatot az 1. függelékben leírt eljárás szerint kell elvégezni. A gáz-halmazállapotú szennyező anyagokat az előírt módszerek szerint kell gyűjteni és elemezni.
2.2.1.1.2. Az 1.2.2. ábrán látható az I. típusú vizsgálat folyamatábrája.
2.2.1.1.3. A járművet terhelési és tehetetlenségi nyomaték szimulálására alkalmas járműfékpadra kell helyezni.
2.2.1.1.4. A vizsgálat alatt a kipufogógázt hígítani kell, és egy vagy több zsákba arányos mintát kell venni. A vizsgált járműből kibocsátott kipufogógázt hígítják, majd mintát vesznek belőle és elemzik az alábbiakban ismertetett eljárás szerint, végül megmérik a hígított kipufogógáz teljes térfogatát.

1.2.2. ábra
Az I. típusú vizsgálat folyamatábrája
2.2.1.1.5. A 2.2.1.1.6. pont rendelkezéseire is tekintettel a vizsgálatot háromszor kell megismételni. Az egyes vizsgálatok alkalmával nyert gáz-halmazállapotú kibocsátás tömegének kisebbnek kell lennie az alábbi táblázatban megadott határértékeknél (az A. sorok 2003-ra, a B sorok 2006-ra vonatkoznak):
Osztály | Szén-monoxid tömege (CO) | Szénhidrogének tömege (HC) | Nitrogén-oxidok tömege (NO3) | |
L1 (g/km) | L2 (g/km) | L3 (g/km) | ||
A (kétkerekű) motorkerékpár típusjóváhagyásához és gyártási megfelelőségéhez alkalmazandó határértékek. | ||||
A (2003) | I (< 150 cm3) | 5,5 | 1,2 | 0,3 |
II (≥ 150 cm3) | 5,5 | 1,0 | 0,3 | |
B (2006) | I (< 150 cm3) (UDC hideg) (1) | 2,0 | 0,8 | 0,15 |
II (≥ 150 cm3) (UDC + EUD hideg) (2) | 2,0 | 0,3 | 0,15 | |
C (2006 – UN/ECE GTR 2.) | vmax < 130 km/h | 2,62 | 0,75 | 0,17 |
vmax ≥ 130 km/h | 2,62 | 0,33 | 0,22 | |
A motoros tricikli és a négykerekű motorkerékpár típusjóváhagyásához és gyártási megfelelőségéhez alkalmazandó határértékek (külső gyújtás). | ||||
A (2003) | Összes | 7,0 | 1,5 | 0,4 |
A motoros tricikli és a négykerekű motorkerékpár típusjóváhagyásához és gyártási megfelelőségéhez alkalmazandó határértékek (sűrítéses gyújtás). | ||||
A (2003) | Összes | 2,0 | 1,0 | 0,65 |
(1) Vizsgálati ciklus: ECE R40 (mind a hat üzemmódra mért kibocsátással - a mintavétel kezdete T = 0-nál). (2) Vizsgálati ciklus: ECE R40 + EUDC (a valamennyi üzemmódra mért kibocsátással - a mintavétel kezdete T = 0-nál), 120 km/óra legnagyobb sebesség mellett. |
2.2.1.1.5.1. A 2.2.1.1.5. pont követelményei ellenére minden egyes szennyező anyag vagy szennyező anyag-kombináció esetén a három mért tömegérték egyike legfeljebb 10 %-kal meghaladhatja az előírt határértéket, feltéve, hogy a három eredmény számtani közepe kisebb az előírt határértéknél. Ha az előírt határértékeket egynél több szennyező anyag haladja meg, lényegtelen, hogy a túllépés ugyanazon vizsgálat során vagy különböző vizsgálatok során következett be.
2.2.1.1.5.2. Amennyiben a 110 km/óra legnagyobb megengedett sebességű motorkerékpárok esetén a megfelelőségi vizsgálatot a 2006. évre előírt B. sorok határértékeivel végzik, akkor a városon kívüli szakaszra a legnagyobb sebességet 90 km/óra értékre kell csökkenteni.
2.2.1.1.6. A 2.2.1.1.5. pontban előírt vizsgálatok száma az alábbi feltételek mellett csökkenthető, ahol minden egyes szennyező anyagra vonatkozóan V1 az első vizsgálat eredménye és V2 a második vizsgálat eredménye.
2.2.1.1.6.1. Csak egy vizsgálat szükséges, amennyiben minden egyes szennyező anyag esetén a nyert eredmény nem haladja meg a 0,7 L értéket (azaz V1 ≤ 0,70 L).
2.2.1.1.6.2. Amennyiben a 2.2.1.1.6.1. pont követelménye nem teljesül, csak két vizsgálatot kell elvégezni, ha minden egyes szennyező anyag kielégíti az alábbi követelményeket:
V1 ≤ 0,85 L és V1 + V2 ≤ 1,70 L és V2 ≤ L.
2.2.1.1.7. A rögzített adatokat a 2002/24/EK irányelv VII. mellékletében említett dokumentum megfelelő pontjaiban kell feljegyezni. A megfelelő Euro-szintet a 2002/24/EK irányelv IV. mellékletének 46.2. pontjában kell feljegyezni, az ehhez a ponthoz fűzött lábjegyzetben meghatározott szabályok szerint.
2.2.1.2. II. típusú vizsgálat (szén-monoxid-kibocsátás vizsgálata alapjárati fordulaton) és az időszakos műszaki vizsgálathoz szükséges kibocsátási adatok.
2.2.1.2.1. Ezt a követelményt minden olyan külső gyújtású motorral meghajtott járműre alkalmazni kell, amelyre ezen irányelv rendelkezéseinek megfelelően EK-típusjóváhagyást kérnek.
2.2.1.2.2. A vizsgálat 2. függelék szerinti (II. típusú vizsgálat), szokásos alapjáraton való elvégzésekor:
- a kibocsátott kipufogógázok térfogatban meghatározott szén-monoxid-tartalmát rögzítik,
- a vizsgálat alatt a motor fordulatszámát a tűréshatárokkal együtt rögzítik.
2.2.1.2.3. A vizsgálat "magas alapjárati fordulaton" való elvégzésekor (azaz >2 000 fordulat/perc):
- a kibocsátott kipufogógázok térfogatban meghatározott szén-monoxid-tartalmát rögzítik,
- a vizsgálat alatt a motor fordulatszámát a tűréshatárokkal együtt rögzítik.
2.2.1.2.4. A motorolaj hőmérsékletét a vizsgálat során rögzíteni kell (csak négyütemű motorokra kell alkalmazni).
2.2.1.2.5. A rögzített adatokat a 2002/24/EK irányelv VII. mellékletében említett dokumentum megfelelő pontjaiban kell feljegyezni.
2.2.1.3. A hibrid elektromos járművek esetén a 3. függelék alkalmazandó.
2.3. A hatástalanító berendezés és/vagy az irracionális kibocsátás-szabályozási stratégia alkalmazása tilos.
2.3.1. A járműbe motorszabályozó berendezés, funkció, rendszer vagy eszköz beszerelhető, feltéve, hogy:
- azt kizárólag a motor védelmére, hidegindítására vagy bemelegítésére aktiválják, vagy
- kizárólag a működési biztonság, az általános biztonság vagy a szükségüzemmód-stratégia érdekében aktiválják.
2.3.2. Engedélyezett az olyan motorszabályozó berendezés, funkció, rendszer vagy eszköz alkalmazása, amely az alkalmazható kibocsátás-vizsgálati ciklusokban megszokott stratégiáktól különböző vagy módosított motorszabályozási stratégia használatát eredményezi, ha a 2.3.3. pont követelményeivel összhangban hiánytalanul igazolható, hogy az adott eszköz nem csökkenti a kibocsátás-szabályozó rendszer hatékonyságát. Az összes ettől eltérő esetben az ilyen berendezést hatástalanító berendezésnek kell tekinteni.
2.3.3. A gyártónak rendelkezésre kell bocsátania egy dokumentációs csomagot, amely tartalmazza a rendszer általános terveit, valamint a kimenő változók szabályozásának közvetlen vagy közvetett módját.
a) A típusengedélyezési kérelem benyújtásának időpontjában a műszaki szolgálat részére mellékelt hivatalos dokumentációs csomag tartalmazza a rendszer részletes leírását. A dokumentáció beadható rövidített változatban is, feltéve, ha annak alapján bizonyítható, hogy azonosításra került az egyes, különálló bemenő egységek adatainak szabályozási tartományából kapott mátrix által megengedett összes kimenő adat.
A dokumentáció továbbá tartalmazza a motorszabályozó berendezés, funkció, rendszer vagy eszköz használatának indoklását, illetve kiegészítő anyagokat és vizsgálati adatokat annak bemutatására, hogy ezek a járműbe beépített berendezések milyen hatást gyakorolnak a kipufogógáz-kibocsátásra. Ezt az információt csatolni kell az V. mellékletben előírt dokumentumhoz;
b) A kiegészítő dokumentumok megadják a motorszabályozó berendezés, funkció, rendszer vagy eszköz által módosított paramétereket és azokat a határfeltételeket, amelyek mellett ezek az eszközök működnek. A kiegészítő dokumentum tartalmazza a tüzelőanyag-rendszer vezérlő logikáját, időzítési stratégiáját és kapcsolási pontjait valamennyi üzemmódban. Ezek az információk szigorúan titkosak és a gyártó tulajdonában maradnak, de a típusjóváhagyási vizsgálat időpontjára lehetővé kell tenni az azokba való betekintést.
2.4. Kapcsolási rajz és jelölések
2.4.1. Egy kapcsolási rajzot és az eredeti katalizátor, illetve katalizátorok (ha van, illetve vannak) méreteit jelző keresztmetszeti rajzot kell mellékelni az V. mellékletben hivatkozott dokumentumhoz.
2.4.2. Az eredeti katalizátorokon fel kell tüntetni legalább:
- az "e" jelzést, majd ezt követően a típusjóváhagyást megadó ország azonosítóját,
- a jármű gyártójának nevét vagy védjegyét,
- a gyártmányt és az alkatrész-azonosító számot.
A jelölés jól olvasható, kitörölhetetlen és az alkatrész beszerelési helyzetében látható legyen.
3. A GYÁRTÁS AZONOSSÁGA
3.1. A gyártás azonosságának ellenőrzésére a 92/61/EGK tanácsi irányelv VI. mellékletének 1. pontjában foglalt követelmények érvényesek.
3.1.1. A sorozatból kiválasztott járművön el kell végezni a 2.2.1.1. pontban ismertetett vizsgálatot. A gyártási megfelelőség ellenőrzésére szolgáló határértékeket a 2.2.1.1.5. pontban szereplő táblázat tartalmazza.
3.1.2. Mindazonáltal, ha a szériagyártásból kiemelt jármű által termelt szén-monoxid, szénhidrogének és nitrogén-oxidok tömege meghaladja az I. és II. táblázatban a 2.2.1.1.5. pontban szereplő táblázatban jelzett határértéket a gyártó kérheti, hogy a méréseket olyan mintadarabokon végezzék el, amelyeket ugyanabból a gyártási sorozatból vettek ki, mint az első kiválasztott járművet. A gyártónak meg kell határoznia a minta n méretét. Ekkor a mintával nyert eredmények

számtani középértékét és a minta S
(63) divergenciáját kell meghatározni minden szennyező gázra vonatkozóan. A sorozatgyártás akkor tekinthető azonosnak, ha az alábbi feltételek teljesülnek:

(63) ahol:
L : a 2.2.1.1.5. pontban található táblázat"a gyártás azonossága" címszó alatt megadott határértékek, minden szóban forgó szennyező gázra vonatkozóan
k
:
az n-től függő, az alábbi táblázat szerinti statisztikai együttható:
n | 2 | 3 | 4 | 5 | 6 | 7 | 8 | 9 | 10 |
k | 0,973 | 0,613 | 0,489 | 0,421 | 0,376 | 0,342 | 0,317 | 0,296 | 0,279 |
n | 11 | 12 | 13 | 14 | 15 | 16 | 17 | 18 | 19 |
k | 0,265 | 0,253 | 0,242 | 0,233 | 0,224 | 0,216 | 0,210 | 0,203 | 0,198 |
Ha n > 20 akkor

4. A JÓVÁHAGYÁS TERJEDELMÉNEK KITERJESZTÉSE
4.1. Más referenciatömegű járműtípusok
A jóváhagyás kiterjeszthető olyan járműtípusokra, amelyek a jóváhagyott típustól csak referenciatömegükben különböznek, feltéve, hogy annak a járműnek a referenciatömege, amelyre a jóváhagyás kiterjesztését kérik, csak az eggyel nagyobb vagy kisebb inerciatömeg-egyenérték alkalmazását eredményezi.
4.2. Más sebességváltó-áttételű járműtípusok
4.2.1. Egy járműtípus jóváhagyása az alábbi feltételek mellett kiterjeszthető olyan járműtípusokra, amelyek csak sebességváltó-áttételi viszonyszámaik tekintetében különböznek a jóváhagyott típustól.
4.2.1.1. Az I. típusú vizsgálatoknál alkalmazott valamennyi sebességfokozatra meg kell határozni az

összefüggést;
ahol V1 és V2 a jóváhagyott járműtípus, illetve olyan járműtípus 1 000 1/min motor-fordulatszámnak megfelelő sebessége, amelyre a kiterjesztést kérik.
4.2.2. Ha az E ≤ 8 % összefüggés minden sebességfokozatra igaz, a kiterjesztést az I. típusú vizsgálatok megismétlése nélkül meg kell adni.
4.2.3. Ha az arány legalább egy fokozatban E > 8 % és minden fokozatban E ≤ 13 %, az I. típusú vizsgálatot meg kell ismételni; ezt azonban, a típusjóváhagyásra jogosult hatóság beleegyezésével, egy, a gyártó által választható laboratóriumban lehet elvégezni. A vizsgálati jegyzőkönyvet el kell juttatni a műszaki szolgálathoz.
4.3. Más referenciatömegű és más sebességváltó-áttételű járműtípusok
Egy járműtípusra vonatkozó jóváhagyást ki lehet terjeszteni olyan járműtípusokra, amelyek a jóváhagyott típustól csak referenciatömegük és sebességváltó-áttételük tekintetében különböznek, ha teljesítik a 4.1. és 4.2. pont előírásait.
4.4. Triciklik és a nem könnyű kategóriához tartozó négykerekű motorbiciklik
A kétkerekű motorkerékpárokra megadott jóváhagyást ki lehet terjeszteni triciklikre és a nem könnyű kategóriába tartozó négykerekű motorbiciklikre, ha ugyanazzal a motorral és kipufogó-rendszerrel vannak ellátva, és ugyanolyan, csak az áttételi viszonyszámban különböző sebességváltójuk van, feltéve, hogy annak a járműnek a referenciatömege, amelyre a jóváhagyás kiterjesztését kérik, csak az eggyel nagyobb vagy kisebb inerciatömeg-egyenérték alkalmazását eredményezi.
4.5. Korlátozás
A 4.1.-4.4. pont szerinti jóváhagyás-kiterjesztések tovább nem terjeszthetők ki.
5. CSEREKATALIZÁTOROK ÉS EREDETI CSEREKATALIZÁTOROK
5.1. Az e fejezetnek megfelelő típusjóváhagyással rendelkező járműre felszerelendő cserekatalizátorokat a VII. mellékletnek megfelelően tesztelni kell.
5.2. A VI. melléklet 4a. pontjának megfelelő típusú eredeti cserekatalizátoroknak, amelyeket olyan járműre szándékoznak felszerelni, amelyre a vonatkozó típus-jóváhagyási dokumentum hivatkozik, nem kell megfelelniük a VII. mellékletnek, feltéve hogy megfelelnek a jelen melléklet 5.2.1. és 5.2.2. szakaszaiban foglalt követelményeknek.
5.2.1. Jelölések
Az eredeti cserekatalizátorokon fel kell tüntetni legalább:
- az "e" jelzést, majd ezt követően a típusjóváhagyást megadó ország azonosítóját,
- a jármű gyártójának nevét vagy védjegyét,
- a gyártmányt és az alkatrész-azonosító számot.
A jelölés jól olvasható, kitörölhetetlen és az alkatrész beszerelési helyzetében látható legyen.
5.2.2. Dokumentáció
Az eredeti cserekatalizátorokhoz a következő információkat kell mellékelni:
5.2.2.1. a gépjármű gyártójának neve vagy védjegye;
5.2.2.2. a gyártmány- és az alkatrész-azonosítószám;
5.2.2.3. a járművek, amelyekhez az eredeti cserekatalizátor a VI. melléklet 4a. pontja szerinti típusú;
5.2.2.4. felszerelési utasítások, ahol szükséges;
5.2.2.5. ezeket az információkat vagy az eredeti cserekatalizátorhoz mellékelt lapon, vagy a csomagoláson, amelyben az eredeti cserekatalizátort eladták, vagy bármilyen más alkalmas módon kell nyújtani.
1. függelék
I. típusú vizsgálat (az e melléklet 2.2.1.1.5. pontjában szereplő táblázat A. sorában meghatározott kibocsátási határértékek vizsgálatának alávetett járműveknél)
(szennyezőanyagok kibocsátási átlagának ellenőrzése) az átlagos gáznemű szennyezőanyag-kibocsátás ellenőrzése
1. BEVEZETÉS
A II. melléklet 2.2.1.1. pontjában meghatározott I. típusú vizsgálati eljárás.
1.1. A motorkerékpárt vagy motoros triciklit fékkel és lendkerékkel ellátott lendítőtömeges fékpadra kell helyezni. Egy 13 perces, négy ciklusból álló vizsgálatot kell elvégezni megszakítás nélkül. Minden ciklus 15 műveletből áll (alapjárat, gyorsítás, állandó sebesség, lassítás, stb.). A vizsgálat alatt a kipufogó-gázokat levegővel kell hígítani úgy, hogy a keverék áramlási térfogata állandó maradjon. A vizsgálat tartama alatt a keverékből vett mintának egy tasakba kell folyamatosan áramolnia úgy, hogy a szén-monoxid, elégetlen szénhidrogének és nitrogén-oxidok koncentrációja (átlagos vizsgálati értékek) egymás után meghatározható legyen.
2. MŰKÖDÉSI CIKLUS A LENDÍTŐTÖMEGES GÖRGŐS FÉKPADON
2.1. A ciklus leírása
A lendítőtömeges fékpadon végzendő működési ciklus az alábbi táblázatban, valamint az 1. alfüggelék ábráján látható.
2.2. A ciklus végrehajtásának általános feltételei
Szükség esetén előzetes vizsgálatokat kell végezni a gáz- és a fék-kezelőszervek legkedvezőbb alkalmazási módjának megállapítására olyan ciklus létrehozásának céljából, amely az előírt határokon belül megközelíti az elméleti ciklust.
2.3. A sebességváltó használata
2.3.1. A sebességváltót az alábbiak szerint kell használni:
2.3.1.1. Állandó sebesség mellett a motor fordulatszámának, amennyire csak lehetséges, a maximális fordulatszám 50 %-a és 90 %-a között kell maradnia. Ha ez a sebesség nem csak egy sebességfokozatban érhető el, a motort a legmagasabb fokozat bekapcsolásával kell vizsgálni.
2.3.1.2. A gyorsítás alatt a motort abban a sebességfokozatban kell vizsgálni, amely a maximális gyorsítást teszi lehetővé. A következő magasabb fokozatot legkésőbb akkor kell kapcsolni, ha a motor fordulatszáma elérte a névleges maximális érték 110 %-át. Ha a motorkerékpár vagy motoros tricikli az első sebességfokozatban eléri a 20 km/h vagy a második fokozatban a 35 km/h sebességet, ezeknél a sebességeknél a következő magasabb fokozatba kell kapcsolni.
Ezekben az esetekben nem szabad további magasabb fokozatba kapcsolni. Ha a gyorsítási fázisban a sebességváltás a motorkerékpár vagy motoros tricikli e meghatározott sebességeinél történik, az ezt követő állandó sebességű fázist a motor fordulatszámától függetlenül olyan sebességfokozaton kell végrehajtani, amely akkor volt bekapcsolva, amikor a motorkerékpár vagy motoros tricikli megkezdte az állandó sebességű fázist.
2.3.1.3. A lassítás alatt a következő alacsonyabb fokozatba kell kapcsolni, mielőtt még a motor elérné a tényleges alapjárati fordulatszámot, és legkésőbb akkor, ha a motor fordulatszáma a névleges maximális érték 30 %-ára csökkent, attól függően, hogy melyik következik be előbb. A lassítás alatt az első sebességfokozatot nem szabad bekapcsolni.
2.3.2. Automata sebességváltóval felszerelt motorkerékpárokat és motoros tricikliket a legmagasabb sebességfokozat bekapcsolásával kell vizsgálni ("menet") ("drive"). A gázadagolót úgy kell működtetni, hogy a gyorsulás a lehető legegyenletesebb legyen annak érdekében, hogy a sebességváltó rendes sorrendben kapcsolja a különböző fokozatokat. A 2.4. pontban megadott tűrések érvényesek.
2.4. Tűrések
2.4.1. Valamennyi fázisban megengedhető ± 1 km/h tűrés az elméleti sebességhez képest. Az előírtnál nagyobb sebességi tűrésértékek engedhetők meg a fázisváltások alatt, feltéve, hogy ezek az eltérések egyetlen esetben sem tartanak tovább 0,5 másodpercnél, és minden esetben a 6.5.2. és 6.6.3. pont rendelkezéseire is figyelemmel.
2.4.2. Az elméleti időtartamokhoz képest ± 0,5 s tűrés megengedhető.
2.4.3. A sebességi és időbeli tűréseket az 1. alfüggelékben látható módon kell kombinálni.
2.4.4. A ciklus alatt megtett utat ± 2 % tűréssel kell mérni.
Működési ciklus a lendítőtömeges görgős fékpadon
SZÖVEG HIÁNYZIK |

Kép #48

Kép #49

Kép #50

Kép #51

Kép #52

Kép #53

Kép #54

Kép #55

Kép #56
3. A MOTORKERÉKPÁR VAGY MOTOROS TRICIKLI ÉS A TÜZELŐANYAG
3.1. A vizsgált motorkerékpár vagy motoros tricikli
3.1.1. A motorkerékpárt vagy motoros triciklit jó mechanikai állapotban kell a vizsgálatra benyújtani. A motorokkal a vizsgálat előtt legalább 1 000 km-t kell közlekedni. A laboratórium döntheti el, hogy elfogad-e olyan motorkerékpárt vagy motoros triciklit, amely nem tette meg az 1 000 km-t.
3.1.2. A kipufogó-berendezésben nem lehetnek szivárgások, amelyek csökkenthetnék az összegyűjtött gáz mennyiségét, amelynek azonosnak kell lennie a motort elhagyó gáz mennyiségével.
3.1.3. A szívórendszer tömítettsége ellenőrizhető annak biztosítására, hogy a porlasztást ne befolyásolja véletlen légbeszívás.
3.1.4. A motorkerékpár vagy a motoros tricikli beállításának meg kell felelnie a gyártó előírásainak.
3.1.5. A laboratórium igazolhatja, hogy a motorkerékpár vagy motoros tricikli leadja a gyártó által meghatározott teljesítményt, használható rendes üzemben és indul mind hideg, mind meleg állapotban.
3.2. A tüzelőanyag
A vizsgálatok során a VI. mellékletben meghatározott referencia-tüzelőanyagot kell használni. Ha a motor keverékkenésű, a referencia-tüzelőanyaghoz adott olajnak mennyiség és minőség tekintetében meg kell felelnie a gyártó előírásainak.
4. A VIZSGÁLÓ BERENDEZÉS
4.1. A lendítőtömeges fékpad
A lendítőtömeges fékpad fő jellemzői az alábbiak:
A görgő és az egyes hajtó kerekek gumiabroncsai közötti kapcsolat:
- a görgő átmérője ≥ 400 mm,
- a teljesítmény-elnyelési görbe egyenlete: a lendítőtömeges fékpadon elő kell tudni állítani 12 km/h kezdeti sebességtől, ± 15 %-os tűréssel azt a teljesítményt, amelyet a vízszintes úton, gyakorlatilag 0 szélsebesség mellett haladó motorkerékpár vagy motoros tricikli motorja fejt ki. Vagy ki kell számítani a próbapad fékjei és belső súrlódása által felvett teljesítményt az 1. függelék 4. alfüggeléke 11. pontjának rendelkezései szerint, vagy a fékek és a belső súrlódás által elnyelt teljesítmény:
- KV3 ± 5 % KV3 ± 5 % PV50,
- Kiegészítő inerciák: 10 kg és 10 kg ( 64 ),
- a görgőt nullázható fordulatszámlálóval kell ellátni, amellyel a valójában megtett utat lehet mérni.
4.1.1. A ténylegesen megtett távolságot a féket és a lendkerekeket hajtó görgő által meghajtott fordulatszámláló segítségével kell megmérni.
4.2. A gázmintavételre és a gázok térfogatának mérésére szolgáló berendezés
4.2.1. A 2. és 3. alfüggelék ábráin a kipufogógázok összegyűjtésének, hígításának, mintavételének és térfogatmérésének elve látható.
4.2.2. Az alábbi pontokban megtalálható a berendezés részeinek leírása (minden részre meg van adva a 2. és 3. alfüggelék vázlatain használt rövidítés is). A műszaki szolgálat másfajta berendezéseket is jóváhagyhat, feltéve, hogy ezek egyenértékű eredményt adnak:
4.2.2.1. berendezés a vizsgálat során keletkezett kipufogógázok összegyűjtésére; ez általában egy nyitott berendezés, amely légköri nyomást tart fenn a kipufogócsőnél (csöveknél). Mindazonáltal zárt rendszer is használható, feltéve, hogy az ellennyomásra vonatkozó feltételek (± 1,25 kPa pontossággal) teljesülnek. A gázokat úgy kell összegyűjteni, hogy a kondenzációnak ne legyen számottevő hatása a próbahőmérsékletű kipufogógázok jellegére;
4.2.2.2. egy, a kipufogógázgyűjtő-berendezést és a kipufogógáz-mintavevő-rendszert összekötő cső (Tu). Ennek az összekötő csőnek és a kipufogógáz-gyűjtőberendezésnek rozsdamentes acélból kell készülnie vagy más olyan anyagból, amely nincs hatással az összegyűjtött gázok összetételére és elbírja a gázok hőmérsékletét.
4.2.2.3. egy (Sc) hőcserélő, amely képes a vizsgálat alatt a hígított gázok hőmérsékletváltozásait ± 5 °C határon belül tartani a szivattyú szívócsonkjánál. Ezt a hőcserélőt egy előmelegítő-rendszerrel kell ellátni, amely alkalmas arra, hogy a gázt (± 5 °C tűréssel) a vizsgálat megkezdése előtt üzemi hőmérsékletre melegítse;
4.2.2.4. egy különböző, szigorúan állandó fordulatszámokon működtethető motorral hajtott (P1) térfogat-kiszorításos szivattyú a hígított gázok beszívására. A szivattyúnak állandó áramlást kell garantálnia olyan megfelelő térfogatszállítással, amely biztosítja az összes kipufogógáz beszívását. Egy kritikus áramlású Venturi-csövet tartalmazó berendezés is alkalmazható;
4.2.2.5. egy, a szivattyúba belépő hígított gázok hőmérsékletének folyamatos feljegyzésére alkalmas berendezés;
4.2.2.6. egy, a gázgyűjtő berendezés külsejéhez csatlakoztatott (S3) mintavevő szonda, amely a vizsgálat tartama alatt szivattyú, szűrő és egy áramlásmérő útján folyamatosan mintát tud venni a hígító levegőből;
4.2.2.7. egy, a hígított gázok áramlásával szembe fordított, a szivattyú előtt elhelyezett (S2) mintavevő szonda a vizsgálat alatt a hígított gázok keverékéből való mintavételre, állandó térfogatáram mellett, szükség esetén szűrő, áramlásmérő és egy szivattyú alkalmazásával. A két fent leírt mintavevő-rendszerben a gázok minimális térfogatáramának legalább 150 l/h-nak kell lennie;
4.2.2.8. két (F2 és F3) szűrő az S2, illetve S3 szonda után, a tasakokban gyűjtött minta-gázáramban lebegő szilárd részecskék kiszűrésére. Különös gondot kell fordítani arra, hogy ezek ne legyenek hatással a minták gáznemű összetevőinek koncentrációjára;
4.2.2.9. két (P2 és P3) szivattyú az S2 és S3 szondából való mintavételre és a mintának az Sa és Sb tasakba való továbbítására;
4.2.2.10. két (V2 és V3) kézzel szabályozható szelep sorba kötve a P2, illetve P3 szivattyúval, a tasakokba kerülő minták áramának szabályozására;
4.2.2.11. két (R2 és R3) forgókerekes áramlásmérő a "szonda, szűrő, szivattyú, szelep, tasak" (S2, F2, P2, V2, Sa, illetve S3, F3, P3, V3, Sb) készülékekkel sorba kötve, amelyek bármely pillanatban lehetővé teszik az áramlás mértékének azonnali, leolvasással történő ellenőrzését;
4.2.2.12. szivárgásmentes mintagyűjtő tasakok a hígító levegő és a hígított gázok keverékének összegyűjtésére; a tasakok térfogatának elegendőnek kell lennie ahhoz, hogy ne kelljen megszakítani a mintavétel rendes folyamatát. Ezeken a mintavevő tasakokon automatikus zárószerkezetnek kell lennie, amelyet gyorsan és szorosan lehet lezárni mind a mintavevő áramkörben, mind a vizsgálat végén az elemző áramkörben.
4.2.2.13. két (g1 és g2) differenciál-manométert kell beépíteni:
g1: | a P1 szivattyú előtt a kipufogógáz és hígító levegő keverék, valamint az atmoszféra közötti nyomáskülönbség mérésére; |
g2: | a P1 szivattyú előtt és után a gázáram nyomásnövekedésének mérésére; |
4.2.2.14. fordulatszámláló a P1 forgó térfogat-kiszorításos szivattyú által megtett fordulatok megszámlálására;
4.2.2.15. a fent leírt mintavevő áramkörökben elhelyezett háromutas szelepek, amelyek a mintát vagy az atmoszférába engedik, vagy a vizsgálat alatt a megfelelő mintavevő tasakokba. Gyors működésű szelepeket kell alkalmazni. Olyan anyagokból kell készülniük, amelyek nincsenek hatással a gázok összetételére; olyan átbocsátó keresztmetszetüknek és alakjuknak kell lenniük, amely a műszakilag lehetséges határokon belül minimalizálja a töltési veszteségeket.
4.3. Az elemző berendezés
4.3.1. A szénhidrogének koncentrációjának mérése
4.3.1.1. A vizsgálat során az Sa és Sb tasakokban összegyűjtött minták elégetlen szénhidrogén-koncentrációjának mérésére lángionizációs analizátort kell használni.
4.3.2. A CO- és CO2-koncentráció mérése
4.3.2.1. A vizsgálat során az Sa és Sb tasakokban összegyűjtött minták szén-monoxid(CO)-és szén-dioxid(CO2)-koncentrációjának mérésére nem diszpergáló infravörös abszorpciós analizátort kell használni.
4.3.3. Az NOx-koncentráció mérése
4.3.3.1. A vizsgálat során az Sa és Sb tasakban összegyűjtött minták nitrogén-oxid(NOx)-koncentrációjának mérésére kemilumineszcenciás analizátort kell használni.
4.4. A berendezések és a mérések pontossága
4.4.1. Mivel a féket egy külön vizsgálat során kell kalibrálni, nincs szükség a lendítőtömeges próbapad pontosságának megadására. A forgó tömegek teljes inerciáját, beleértve a görgők és a fék forgó részeinek inerciáját is (lásd az 5.2. pontot), ± 2 % pontossággal kell megadni.
4.4.2. A motorkerékpár vagy a motoros tricikli sebessége a fékhez és a lendkerekekhez kapcsolódó görgők fordulatszámával mérhető. A sebességet a 0-10 km/h sebességtartományban ± 2 km/h, 10 km/h sebesség fölött ± 1 km/h pontossággal kell mérni.
4.4.3. A 4.2.2.5. pontban említett hőmérsékletet ± 1 °C, a 6.1.1. pontban említett hőmérsékletet ± 2 °C pontossággal kell tudni mérni.
4.4.4. A légköri nyomást ± 0,133 kPa pontossággal kell tudni mérni.
4.4.5. A P1 szivattyúba belépő hígított gázkeverék nyomásesését (lásd a 4.2.2.13. pontot) a légköri nyomáshoz képest ± 0,4 kPa pontossággal kell tudni mérni. A hígított gázkeverék nyomáskülönbségét a P1 szivattyú előtt és után (lásd a 4.2.2.13. pontot) ± 0,4 kPa pontossággal kell tudni mérni.
4.4.6. A P1 szivattyú egy teljes körülfordulása alatt szállított térfogatnak és a fordulatszámlálón mért lehető legkisebb szivattyú-fordulatszámnál szállított térfogatnak lehetővé kell tennie a P1 szivattyú által a vizsgálat alatt szállított kipufogógáz és hígító levegő keverék mennyiségének ± 2 % pontosságú meghatározását.
4.4.7. Függetlenül a szabványos gázok meghatározásának pontosságától, az elemző készülékek mérési tartományának meg kell felelnie a különböző szennyező anyag-tartalmak ± 3 %-on belüli méréséhez megkívánt pontosságnak.
A szénhidrogének koncentrációját mérő lángionizációs analizátornak képesnek kell lennie a teljes skála 90 %-ának egy másodpercen belüli elérésére.
4.4.8. A szabványos (kalibrációs) gázok tartalma nem különbözhet ± 2 %-nál többel az egyes gázok referenciaértékétől. A hígító gáznak nitrogénnek kell lennie.
5. A VIZSGÁLAT ELŐKÉSZÍTÉSE
5.1. A fék beállítása
5.1.1. A féket úgy kell beállítani, hogy a motorkerékpár vagy motoros tricikli sebessége az állandó sebességű fázisban, vízszintes száraz úton 45 km/h és 55 km/h között legyen.
5.1.2. A féket az alábbiak szerint kell beállítani:
5.1.2.1. Egy beállítható ütközőt kell a tüzelőanyag-szállítóberendezésre szerelni, amely a maximális sebességet 45 km/h és 55 km/h között tartja. A motorkerékpár vagy motoros tricikli sebességét precíziós fordulatszámmérővel kell mérni, vagy beiktatott ütköző mellett, adott távolságnak vízszintes, száraz úton mindkét irányban való megtételéhez szükséges idő megméréséből kell levezetni.
A méréseket mindkét irányban legalább háromszor kell megismételni és legalább egy 200 méteres szakaszon kell végezni, elegendő hosszúságú gyorsítási út figyelembevételével. Az átlagsebességet ki kell számítani.
5.1.2.2. A jármű hajtásához szükséges teljesítmény más rendszerrel is megmérhető (pl. a sebességváltó nyomatékának mérésével, a lassítás mérésével, stb.).
5.1.2.3. Ez után a motorkerékpárt vagy a motoros triciklit a lendítőtömeges fékpadra kell helyezni, és a fékeket úgy kell beállítani, hogy a sebesség azonos legyen az úton végzett vizsgálat sebességével (beiktatott ütköző és ugyanolyan sebességfokozat mellett). E fékbeállítást az egész vizsgálat alatt meg kell tartani. Ha a fék be van állítva, a tüzelőanyag-szabályozóberendezést le kell szerelni.
5.1.2.4. Csak akkor szabad a féket az úton végzett vizsgálatok alapján beállítani, ha az úton és a lendítőtömeges fékpad helyiségében fennálló légköri nyomás különbsége a ± 1,33 kPa-t, és a hőmérséklet különbsége a ± 8 °C-ot nem haladja meg.
5.1.3. Ha a fenti módszer nem alkalmazható, a lendítőtömeges fékpadot az 5.2. táblázat értékeinek megfelelően kell beállítani. A táblázatban teljesítményértékek találhatók a referenciatömeg függvényében, 50 km/h sebességnél. A teljesítmény a 4. alfüggelékben leírt módszerrel van kiszámítva.
5.2. Az egyenértékű inerciák beállítása a motorkerékpár vagy motoros tricikli haladómozgásbeli inerciájának megfelelően.
Egy vagy több lendkereket kell használni olyan forgótömeg összinercia beállítására, amely arányos a motorkerékpár vagy motoros tricikli referenciatömegével, az alábbi határokon belül:
Referenciatömeg RM (kg) | Egyenértékű inerciák (kg) | Elnyelt teljesítmény (kW) |
RM ≤ 105 | 100 | 0,88 |
105 < RM ≤ 115 | 110 | 0,90 |
115 < RM ≤ 125 | 120 | 0,91 |
125 < RM ≤ 135 | 130 | 0,93 |
135 < RM ≤ 150 | 140 | 0,94 |
150 < RM ≤ 165 | 150 | 0,96 |
165 < RM ≤ 185 | 170 | 0,99 |
185 < RM ≤ 205 | 190 | 1,02 |
205 < RM ≤ 225 | 210 | 1,05 |
225 < RM ≤ 245 | 230 | 1,09 |
245 < RM ≤ 270 | 260 | 1,14 |
270 < RM ≤ 300 | 280 | 1,17 |
300 < RM ≤ 330 | 310 | 1,21 |
330 < RM ≤ 360 | 340 | 1,26 |
360 < RM ≤ 395 | 380 | 1,33 |
395 < RM ≤ 435 | 410 | 1,37 |
435 < RM ≤ 480 | 450 | 1,44 |
480 < RM ≤ 540 | 510 | 1,50 |
540 < RM ≤ 600 | 570 | 1,56 |
600 < RM ≤ 650 | 620 | 1,61 |
650 < RM ≤ 710 | 680 | 1,67 |
710 < RM ≤ 770 | 740 | 1,74 |
770 < RM ≤ 820 | 800 | 1,81 |
820 < RM ≤ 880 | 850 | 1,89 |
880 < RM ≤ 940 | 910 | 1,99 |
940 < RM ≤ 990 | 960 | 2,05 |
990 < RM ≤ 1 050 | 1 020 | 2,11 |
1 050 < RM ≤ 1 110 | 1 080 | 2,18 |
1 110 < RM ≤ 1 160 | 1 130 | 2,24 |
1 160 < RM ≤ 1 220 | 1 190 | 2,30 |
1 220 < RM ≤ 1 280 | 1 250 | 2,37 |
1 280 < RM ≤ 1 330 | 1 300 | 2,42 |
1 330 < RM ≤ 1 390 | 1 360 | 2,49 |
1 390 < RM ≤ 1 450 | 1 420 | 2,54 |
1 450 < RM ≤ 1 500 | 1 470 | 2,57 |
1 500 < RM ≤ 1 560 | 1 530 | 2,62 |
1 560 < RM ≤ 1 620 | 1 590 | 2,67 |
1 620 < RM ≤ 1 670 | 1 640 | 2,72 |
1 670 < RM ≤ 1 730 | 1 700 | 2,77 |
1 730 < RM ≤ 1 790 | 1 760 | 2,83 |
1 790 < RM ≤ 1 870 | 1 810 | 2,88 |
1 870 < RM ≤ 1 980 | 1 930 | 2,97 |
1 980 < RM ≤ 2 100 | 2 040 | 3,06 |
2 100 < RM ≤ 2 210 | 2 150 | 3,13 |
2 210 < RM ≤ 2 320 | 2 270 | 3,20 |
2 320 < RM ≤ 2 440 | 2 380 | 3,34 |
2 440 < RM | 2 490 | 3,48 |
5.3. A motorkerékpár vagy motoros tricikli előkészítése
5.3.1. A vizsgálat előtt a motorkerékpárt vagy motoros triciklit olyan helyiségben kell tartani, amelyben a hőmérséklet 20 °C és 30 °C közötti, aránylag állandó értéken van. Ezt a hőmérséklet-kiegyenlítést addig kell végezni, amíg a motorolaj és adott esetben a hűtőközeg hőmérséklete ± 2 K határon belül meg nem közelíti a helyiség hőmérsékletét. A kipufogógázok összegyűjtése előtt két teljes előkészítő ciklust kell végrehajtani.
5.3.2. A gumiabroncsok nyomásának annak kell lennie, amelyet a gyártó a fékbeállítást szolgáló előzetes úti vizsgálatokra előírt. Azonban, ha a görgők átmérője 500 mm-nél kisebb, a gumiabroncsok nyomása 30-50 %-kal megnövelhető.
5.3.3. A hajtó kereket terhelő tömegnek meg kell felelnie a motorkerékpár vagy motoros tricikli rendes üzemi terhelésének, beleszámítva a 75 kg tömegű vezetőt is.
5.4. Az elemző készülék kalibrálása
5.4.1. Az analizátorok kalibrálása
Az egyes gázpalackokon lévő áramlásmérő és manométer útján a készülék megfelelő működéséhez szükséges mennyiségű és nyomású gázt kell az analizátorba bocsátani. A készüléket úgy kell beállítani, hogy stabilizálódott értékként a szabványos gázpalackon feltüntetett értéket mutassa. A maximális gáztartalmú palackkal kezdve fel kell rajzolni az analizátor eltéréseinek görbéjét a különböző felhasznált szabványos gázpalackok gáztartalmának függvényében. A lángionizációs analizátorok legalább havonként egyszer elvégzendő rendszeres kalibrációjához olyan levegő és propán (vagy hexán) keveréket kell használni, amelynek névleges szénhidrogén-koncentrációja a teljes skála 50 %-ának és 90 %-ának felel meg. A nem diszpergáló infravörös abszorpciós analizátorok rendszeres kalibrációjához nitrogénnek CO-dal, illetve CO2-dal alkotott, a teljes skálaérték 10, 40, 60, 85 és 90 százalékának megfelelő névleges koncentrációjú keverékét kell használni. A kemilumineszcenciás NOx-analizátor kalibrációjához a teljes skála 50 %-ának és 90 %-ának megfelelő névleges koncentrációjú, nitrogénnel hígított nitrogén-oxid(N2O)-keveréket kell használni. A próbakalibrációhoz, amelyet minden vizsgálatsorozat előtt el kell végezni, mindhárom fajta analizátornál olyan keveréket kell használni, amely a mérendő gázokat a teljes skála 80 %-át kitevő koncentrációban tartalmazza. Hígítóberendezés alkalmazható a 100 %-os kalibrációs gáz kívánt koncentrációra való hígításához.
6. A LENDÍTŐTÖMEGES GÖRGŐS FÉKPADI VIZSGÁLATOK MENETE
6.1. A ciklus végrehajtásának különleges feltételei
6.1.1. A lendítőtömeges fékpad felállításának helyén a hőmérsékletnek az egész vizsgálat alatt 20 °C és 30 °C között kell lennie, és amennyire csak lehet közel kell állnia annak a helyiségnek a hőmérsékletéhez, amelyben a motorkerékpárt vagy motoros triciklit előkészítették.
6.1.2. A vizsgálat alatt a motorkerékpárnak vagy motoros triciklinek, amennyire csak lehetséges, vízszintesen kell állnia, a tüzelőanyag rendellenes eloszlásának elkerülése érdekében.
6.1.3. Az első előkészítő szakasz megkezdése előtt változtatható sebességű légáramot kell a motorkerékpárra vagy a motoros triciklire irányítani. Ezt követően két teljes ciklust kell végrehajtani, amelyek során kipufogógázokat még nem kell összegyűjteni. A szellőző rendszernek tartalmaznia kell egy olyan berendezést, amelyet a görgős fékpad sebessége vezérel a 10 km/óra és 50 km/óra közötti tartományban úgy, hogy a levegő lineáris kilépési sebessége 10 %-os közelítésben megegyezik a görgő relatív sebességével. 10 km/óra alatti görgősebesség esetén a levegő sebessége lehet nulla. A fúvóberendezés kilépő nyílásának az alábbi jellemzőkkel kell rendelkeznie:
i. legalább 0,4 m2 felület;
ii. az alsó szél 0,15 és 0,20 m közötti talajszint feletti magassága;
iii. a motorkerékpár vagy a motoros tricikli belépő szélétől mért 0,3 és 0,45 m közötti távolság.
6.1.4. A vizsgálat alatt fel kell rajzolni a sebességet az idő függvényében, hogy ki lehessen értékelni a végrehajtott ciklusok helyességét.
6.1.5. A hűtővíz és a forgattyúházban lévő olaj hőmérsékletét fel lehet jegyezni.
6.2. A motor indítása
6.2.1. Miután a készüléken elvégezték a gázok összegyűjtéséhez, hígításához, elemzéséhez és méréséhez szükséges előkészületi műveleteket (lásd a 7.1. pontot), a motort az erre szolgáló berendezések segítségével, mint amilyen a szivató, indítószelep, stb., a gyártó utasításainak megfelelően el kell indítani.
6.2.2. Az első ciklus akkor indul, amikor a mintavétel és a szivattyúforgás mérése megkezdődik.
6.3. A kézi szívató használata
A szívatót minél előbb, elvben a 0-ról 50 km/h-ra való gyorsulás előtt ki kell kapcsolni. Ha ez a követelmény nem teljesíthető, jelezni kell a tényleges kikapcsolás időpontját. A szívatót a gyártó utasításainak megfelelően kell beállítani.
6.4. Alapjárat
6.4.1. Kézi sebességváltó:
6.4.1.1. Az alapjárati időszakok alatt a tengelykapcsolónak bekapcsolt állapotban, a sebességváltónak semleges helyzetben kell lennie.
6.4.1.2. A szabályos ciklusnak megfelelően végrehajtandó gyorsulások lehetővé tétele céljából a járművet, kioldott tengelykapcsoló mellett a szóban forgó alapjárati időszakot követő gyorsítás megkezdése előtt öt másodperccel az első sebességfokozatba kell kapcsolni.
6.4.1.3. A ciklus elején lévő első alapjárati periódus hat másodperces, semleges állásban lévő sebességváltóval és bekapcsolt tengelykapcsolóval, és ötmásodperces, első fokozatba kapcsolt sebességváltóval és kioldott tengelykapcsolóval végzett alapjáratból áll.
6.4.1.4. Az egyes ciklusok alatti alapjárati periódusoknak megfelelő idők: 16 másodperc semleges helyzet és 5 másodperc első fokozat, kioldott tengelykapcsoló mellett.
6.4.1.5. A ciklus utolsó alapjárati periódusa bekapcsolt tengelykapcsoló melletti 7 másodperces semleges helyzetben való járásból áll.
6.4.2. Félautomata sebességváltók:
a gyártó városi közlekedésre vonatkozó előírásait vagy ezek hiányában a kézi sebességváltókra vonatkozó előírásokat kell betartani.
6.4.3. Automata sebességváltók:
az üzemmód-kapcsolót a vizsgálatok során nem szabad működtetni, hacsak a gyártó nem írja elő másképpen. Ez utóbbi esetben a kézi sebességváltóra vonatkozó eljárást kell alkalmazni.
6.5. Gyorsítások
6.5.1. A gyorsításokat úgy kell végrehajtani, hogy a gyorsulások mértéke, amennyire lehet, az egész művelet alatt állandó maradjon.
6.5.2. Ha a motorkerékpár vagy a motoros tricikli gyorsulóképessége nem elegendő a gyorsulási időszakok előírt tűréseken belüli végrehajtására, a motorkerékpárt vagy a motoros triciklit teljesen nyitott fojtószeleppel addig kell járatni, amíg el nem éri az időszakra előírt sebességet; ez után a ciklus a szokásos módon folytatódik.
6.6. Lassítások
6.6.1. Minden lassítást a fojtószelep teljes lezárásával, bekapcsolt tengelykapcsoló mellett kell végrehajtani. 10 km/h sebesség elérésekor a motort és a sebességváltót szét kell oldani.
6.6.2. Ha a lassítási periódus hosszabb annál, mint amelyet a megfelelő fázisra előírtak, a ciklus betartása érdekében használni kell a jármű fékjeit.
6.6.3. Ha a lassítási periódus rövidebb annál, mint amelyet a megfelelő fázisra előírtak, az elméleti ciklust egy állandó sebességű vagy alapjárati időszaknak a következő állandó sebességű vagy alapjárati periódushoz való illesztésével kell fenntartani. Ebben az esetben a 2.4.3. pont nem alkalmazható.
6.6.4. A lassítási periódus végén (a motorkerékpár vagy a motoros tricikli megállítása a görgőn) a sebességváltót semleges állásba kell helyezni, és a tengelykapcsolót be kell kapcsolni.
6.7. Állandó sebességek
6.7.1. A gyorsításról a következő állandó sebességű szakaszra történő áttéréskor kerülni kell a fojtószelep "pumpálását" vagy lezárását.
6.7.2. Az állandó sebességű időszakokat rögzített fojtószelep-állásnál kell megvalósítani.
7. A MINTAVÉTEL, AZ ELEMZÉS ÉS A KIBOCSÁTOTT SZENNYEZŐ ANYAG TÉRFOGATÁNAK MÉRÉSE
7.1. A motorkerékpár vagy a motoros tricikli indítása előtt végzendő műveletek.
7.1.1. A minták gyűjtésére szolgáló Sa és Sb tasakot ki kell üríteni és le kell zárni.
7.1.2. A P1 forgó térfogat-kiszorításos szivattyút el kell indítani, a fordulatszámláló elindítása nélkül.
7.1.3. A mintavételre szolgáló P2és P3 szivattyút el kell indítani, és a szelepeket úgy kell állítani, hogy a keletkezett gázok a légkörbe távozzanak; a V2 és V3 szelepeken be kell szabályozni az áramlást.
7.1.4. A T hőmérsékletet és a g1 és g2 nyomást feljegyző berendezéseket üzembe kell helyezni.
7.1.5. A CT fordulatszámlálót és a görgő fordulatszámlálóját nullázni kell.
7.2. A mintavétel és a térfogatmérés megkezdése.
7.2.1. Két előkészítő ciklust követően (az első ciklus első pillanata) a 7.2.2.-7.2.5. pontban meghatározott műveleteket egyidejűleg kell elvégezni.
7.2.2. A gázt korábban a légkörbe irányító elterelő szelepeket úgy kell átállítani, hogy megtörténjék a minták folyamatos begyűjtése az S2 és S3 szondán keresztül az Sa és Sb tasakba.
7.2.3. A vizsgálat megkezdésének pillanatát jelezni kell az analóg diagramokon, amelyek a T hőmérsékletérzékelőtől és a g1 és g2 differenciál-manométertől kapott adatokat jegyzik fel.
7.2.4. A P1 szivattyú összes megtett fordulatának számát feljegyző számlálót el kell indítani.
7.2.5. A 6.1.3. pontban említett berendezést, amely levegőáramot bocsát a motorkerékpárra vagy a motoros triciklire, el kell indítani.
7.3. A mintavétel befejezése és a térfogat megmérése
7.3.1. A negyedik vizsgálati ciklus végén a 7.3.2.-7.3.5. pontban leírt műveleteket egyszerre kell elvégezni.
7.3.2. Az elterelő szelepeket úgy kell átállítani, hogy lezárják az Sa és Sb tasakot, és az S2 és S3 szondán keresztül a P2 és P3 szivattyú által beszívott mintákat a légkörbe engedjék.
7.3.3. A vizsgálat befejezésének pillanatát jelezni kell a 7.2.3. pontban említett analóg diagramokon.
7.3.4. A P1 szivattyú fordulatszámlálóját le kell állítani.
7.3.5. A 6.1.3. pontban említett berendezést, amely levegőt bocsát a motorkerékpárra vagy a motoros triciklire, le kell állítani.
7.4. Elemzés
7.4.1. A zsákban összegyűjtött kipufogógázokat lehetőség szerint minél hamarabb, de bármely esetben legkésőbb 20 perccel a vizsgálati ciklus vége után elemezni kell.
7.4.2. Az egyes minták elemzését megelőzően a gázelemző készülék mérési tartományát mindegyik szennyező anyag esetén a megfelelő túlnyomás nélküli gázzal nullára kell állítani.
7.4.3. A gázelemző készüléket ezt követően a tartomány 70-100 % közötti névleges koncentrációjával rendelkező kalibráló gázok segítségével a kalibráló görbéknek megfelelően kell beállítani.
7.4.4. A gázelemző készülék nulla beállításait ismét ellenőrizni kell. Ha a mérőkészülék leolvasása 2 %-nál nagyobb mértékben különbözik a 7.4.2. pontban meghatározott mérési tartománytól, akkor az eljárást meg kell ismételni.
7.4.5. Ezután kerülhet sor a minták elemzésére.
7.4.6. Az elemzés után a nullapontokat és a kalibráló pontokat ugyanazon gázok alkalmazásával még egyszer ellenőrizni kell. Az elemzést elfogadottnak kell tekinteni, ha az ellenőrzés eredményei a 7.4.3. pontban megadott értékektől nem térnek el 2 %-nál nagyobb mértékben.
7.4.7. Az e szakaszban ismertetett összes pont esetén a különböző gázok áramlási sebességének és nyomásának meg kell egyeznie a gázelemző készülék kalibrálásakor alkalmazott értékekkel.
7.4.8. Az elemzett gázok esetén mért valamennyi szennyező anyag koncentrációja esetén elfogadott értéknek a mérőberendezés stabilizációja után leolvasott értéket kell tekinteni.
7.5. A megtett út mérése A ténylegesen megtett S út km-ben kifejezve a fordulatszámlálóról leolvasott összes fordulat számának a henger kerületével való megszorzásából kapható meg (lásd a 4.1.1. pontot).
8. A KIBOCSÁTOTT GÁZNEMŰ SZENNYEZŐ ANYAGOK MENNYISÉGÉNEK MEGHATÁROZÁSA
8.1. A vizsgálat alatt kibocsátott szén-monoxid tömege az alábbi képlettel határozható meg:

ahol:
8.1.1. COM a vizsgálat alatt kibocsátott szén-monoxid tömege, g/km-ben kifejezve;
8.1.2. "S" a 7.5. pontban meghatározott úthossz;
8.1.3. dCOa szén-monoxid sűrűsége 0 °C-on és 101,33 kPa nyomáson (= 1,250 kg/m3);
8.1.4. COc a szén-monoxid térfogat-koncentrációja a hígított gázokban, milliomodrészben (ppm) kifejezve, és a hígító levegő szennyezettségét figyelembe véve korrigálva:

ahol:
8.1.4.1. COe az Sb tasakban összegyűjtött hígított gázminta szén-monoxid-koncentrációja milliomodrészben mérve;
8.1.4.2. COd az Sa tasakban összegyűjtött hígító levegő szén-monoxid-koncentrációja milliomodrészben mérve;
8.1.4.3. DF a 8.4. pontban meghatározott tényező.
8.1.5. V a hígított gázok m3/vizsgálat egységben kifejezett teljes térfogata 0 °C (273 K) referencia-hőmérsékleten és 101,33 kPa referencianyomáson:

ahol:
8.1.5.1. Vo a P1 szivattyú által egy körülfordulás alatt szállított gáztérfogat, m3/fordulat egységben kifejezve. Ez a térfogat függ magának a szivattyúnak a szívó- és nyomócsonkja között fennálló nyomáskülönbségtől.
8.1.5.2. N a P1 szivattyú által a négy vizsgálati ciklus alatt megtett fordulatok száma;
8.1.5.3. Pa a légköri nyomás kPa-ban kifejezve;
8.1.5.4. Pi az átlagos nyomásesés a P1 szivattyú szívócsonkjában, kPa-ban kifejezve, a négy ciklus végrehajtása alatt;
8.1.5.5. Tp a négy ciklus végrehajtása alatt a hígított gázok hőmérséklete, a P1 szivattyú szívócsonkjában mérve.
8.2. A motorkerékpár vagy a motoros tricikli vizsgálat alatt kiáramló kipufogógázaiban lévő elégetlen szénhidrogének tömege az alábbi képlettel számítható:

ahol:
8.2.1. HCM a vizsgálat alatt kibocsátott szénhidrogének tömege g/km-ben kifejezve;
8.2.2. "S" a 7.5. pont alatt meghatározott távolság;
8.2.3. dHC a szénhidrogének sűrűsége 0 °C-on és 101,33 kPa nyomáson (1:1,85 átlagos szén/hidrogén arány esetén) (= 0,619 kg/m3);
8.2.4. HCc a hígított gázok szénhidrogén-koncentrációja milliomod szénegyenértékben kifejezve (például: a propánkoncentráció 3-mal szorozva) és a hígító levegő szennyezettségét figyelembe véve korrigálva:

ahol:
8.2.4.1. HCe az Sb tasakban összegyűjtött hígított gázminta szénhidrogén-koncentrációja milliomodrész szénegyenértékben kifejezve;
8.2.4.2. HCd az Sa tasakban összegyűjtött hígító levegő szénhidrogén-koncentrációja milliomodrész szénegyenértékben kifejezve;
8.2.4.3. DF a 8.4. pontban meghatározott tényező;
8.2.5. V a teljes térfogat (lásd a 8.1.5. pontot).
8.3. A motorkerékpár és a motoros tricikli vizsgálat alatt kiáramló kipufogógázaiban lévő nitrogén-oxidok tömege az alábbi képlettel számítható:

ahol:
8.3.1. NOxM a vizsgálat alatt kibocsátott nitrogén-oxidok tömege g/km-ben kifejezve;
8.3.2. "S" a 7.5. pontban meghatározott távolság;
8.3.3. dNO2 a kipufogógázokban lévő nitrogén-oxidok sűrűsége NO2 egyenértékben kifejezve, 0 °C-on és 101,33 kPa nyomáson (= 2,05 kg/m3);
8.3.4. NOxc a hígított gázokban lévő nitrogén-oxidok koncentrációja milliomod részekben kifejezve, és a hígító levegő szennyezettségét figyelembe véve korrigálva:

ahol:
8.3.4.1. NOxe az Sa tasakban összegyűjtött hígított gázminta nitrogén-oxid-koncentrációja milliomodrészben kifejezve;
8.3.4.2. NOxd az Sb tasakban összegyűjtött hígító levegő nitrogén-oxid-koncentrációja milliomodrészben kifejezve;
8.3.4.3. DF a 8.4. pontban meghatározott tényező;
8.3.5. Kh a páratartalmat figyelembe vevő korrekciós tényező:

ahol:
8.3.5.1. H az abszolút páratartalom (gramm víz)/(kg száraz levegő) mértékegységben kifejezve:

ahol:
8.3.5.1.1. U a százalékosan kifejezett páratartalom;
8.3.5.1.2. Pd a telített vízgőz nyomása kPa-ban kifejezve, a vizsgálat hőmérsékletén;
8.3.5.1.3. Pa a légköri nyomás kPa-ban.
8.4. DF az alábbi képlettel kifejezett tényező:

ahol:
8.4.1. CO, CO2 és HC a szén-monoxid, szén-dioxid és a szénhidrogének koncentrációja az Sa tasakban lévő hígított gázminta százalékában kifejezve.
1. alfüggelék
A motor működési ciklusa az I. típusú vizsgálatnál

2. alfüggelék
1. példa egy kipufogógáz-gyűjtőrendszerre

3. alfüggelék
2. példa egy kipufogógáz-gyűjtőrendszerre

4. alfüggelék
A lendítőtömeges fékpad által menetközben felvett teljesítmény kalibrálásának módszere motorkerékpárok és motoros triciklik esetében
Ez az alfüggelék egy, a lendítőtömeges görgős fékpad teljesítmény-felvételének meghatározására használt módszert mutat be.
A mért teljesítmény-elnyelés magában foglalja a súrlódás által elnyelt teljesítményt és a teljesítményelnyelő-berendezés által elnyelt teljesítményt. A lendítőtömeges görgős fékpadot a próbasebességek feletti tartományban kell működtetni. Ekkor a lendítőtömeges fékpad hajtásához használt berendezést le kell kapcsolni a próbapadról, és a görgő(k) fordulatszáma csökken.
A berendezés kinetikai energiáját a lendítőtömeges fékpad teljesítmény-elnyelő egysége és a lendítőtömeges fékpad súrlódása emészti fel. Ez a módszer nem veszi figyelembe a görgő belső súrlódásának a motorkerékpár vagy a motoros tricikli forgó tömege hatására bekövetkező megváltozását. Kétgörgős lendítőtömeges próbapad esetében a szabadon futó hátsó görgő megállási ideje és a motorral meghajtott első görgő megállási ideje közötti különbség figyelmen kívül hagyható.
Az eljárás a következő:
1. Ha még nem történt meg, meg kell mérni a görgő fordulatszámát. Egy további mérőkerék, fordulatszám-mérő vagy más módszer használható.
2. A motorkerékpárt vagy a motoros triciklit a lendítőtömeges fékpadra kell helyezni, vagy más módon kell a lendítőtömeges fékpadot mozgásba hozni.
3. A lendkereket vagy bármely más, a lendítőtömeges fékpadon az adott motorkerékpár vagy motoros tricikli tömegkategóriájához általánosan használt tömegszimuláló-rendszert be kell kapcsolni.
4. A lendítőtömeges fékpad görgőit 50 km/h sebességre kell gyorsítani.
5. Fel kell jegyezni az elnyelt teljesítményt.
6. A lendítőtömeges fékpad görgőit 60 km/h sebességre kell gyorsítani.
7. A lendítőtömeges fékpadot hajtó berendezést le kell kapcsolni.
8. Fel kell jegyezni azt az időt, amely lendítőtömeges fékpad 55 km/h sebességről 45 km/h sebességre való lassulásához szükséges.
9. A teljesítményelnyelő fékberendezést más szintre kell beállítani.
10. A 4.-9. műveletet addig kell ismételni, amíg az eredmények ki nem terjednek a közúti közlekedésben felhasznált egész teljesítménytartományra.
11. Az elnyelt teljesítményt az alábbi képlettel kell kiszámítani:

ahol:
Pd = a teljesítmény kW-ban
M1 = egyenértékű inercia kg-ban
V1 = kezdeti sebesség m/s-ban (55 km/h = 15,28 m/s)
V2 = végsebesség m/s-ban (45 km/h = 12,50 m/s)
t = a görgő 55 km/h-ról 45 km/h-ra való lassulásának ideje
12. A 4. fázisban említett 50 km/h próbasebességnél mutatott teljesítménynek megfelelő lendítőtömeges fékpad által elnyelt teljesítmény az alábbi ábrán látható.

1. a. függelék
I. típusú vizsgálat (az e melléklet 2.2.1.1.5. pontában szereplő táblázat B. sorában meghatározott kibocsátási határértékek vizsgálatának alávetett járműveknél)
(szennyezőanyagok kibocsátási átlagának ellenőrzése) az átlagos gáznemű szennyezőanyag-kibocsátás ellenőrzése
1. BEVEZETÉS
A II. melléklet 2.2.1.1. pontjában meghatározott I. típusú vizsgálati eljárás.
1.1. A motorkerékpárt vagy motoros triciklit fékkel és lendkerékkel felszerelt járműfékpadra kell helyezni. Megszakítás nélkül hat városi alapciklusból álló, összesen 1 170 másodpercig tartó vizsgálatot kell végezni I. osztályú motorkerékpárok, illetve hat városi alapciklusból és egy városon kívüli ciklusból álló, összesen 1 570 másodpercig tartó vizsgálatot kell végezni II. osztályú motorkerékpárok esetében.
A vizsgálat során a kipufogógázokat levegővel kell hígítani, hogy a keverék térfogatárama azonos maradjon. A vizsgálat során mindvégig a keverékből származó mintáknak folyamatosan kell áramlaniuk egy vagy több zsákba, hogy a szénmonoxid, el nem égett szénhidrogének, nitrogénoxidok és a széndioxid koncentrációit (azok átlagos vizsgálati értékeit) egymásután meg lehessen határozni.
2. A JÁRMŰFÉKPAD ÜZEMELÉSI CIKLUSA
2.1. A ciklus leírása
A járműfékpad üzemelési ciklusai az 1. alfüggelékben szerepelnek.
2.2. A ciklus végrehajtásának általános feltételei
Ha szükséges, előzetes vizsgálati ciklusokat kell végezni annak megállapítására, mi a legjobb módja a gáz- és a fékműködtetők működtetésének, hogy az elméleti ciklust az előírt határértékeken belül megközelítő ciklust lehessen elérni.
2.3. A sebességváltó használata
2.3.1. A sebességváltó használatának meghatározása a következő:
2.3.1.1. Állandó sebességnél a motor fordulatszámának - amennyire lehetséges - a maximális fordulatszám 50 %-a és 90 %-a között kell maradnia. Ha ez a sebesség nem csak egy sebességfokozatban érhető el, akkor a motort a legmagasabb sebességfokozatban kell vizsgálni.
2.3.1.2. A városi ciklus tekintetében a gyorsítás alatt a motort abban a sebességfokozatban kell vizsgálni, amely a legnagyobb gyorsítást teszi lehetővé. A következő sebességfokozatot legkésőbb akkor kell kapcsolni, amikor a motor fordulatszáma elérte annak a fordulatszámnak a 110 %-át, amelynél a motor névleges teljesítményét leadja. Ha egy motorkerékpár vagy motoros tricikli 20 km/h sebességet ér el az első sebességfokozatban, vagy 35 km/h-t a második sebességfokozatban, akkor ezeknél a sebességeknél a következő sebességfokozatba kell kapcsolni.
Ezekben az esetekben magasabb sebességfokozatba való kapcsolás máskor nem megengedett. Ha a gyorsítási szakaszban a motorkerékpár vagy motoros tricikli állandó sebessége mellett sebességfokozat-váltásra kerül sor, akkor az állandó sebességű szakaszt, amely ezután következik, abban a sebességfokozatban kell végrehajtani, amelybe a motorkerékpárt vagy motoros triciklit az állandó sebességű szakasz megkezdésekor kapcsolták, függetlenül a motor fordulatszámától.
2.3.1.3. Lassulás közben a következő alacsonyabb sebességfokozatba kell kapcsolni, mielőtt a motor az alapjárati fordulatszámot csaknem eléri, vagy ha a motor sebessége a névleges teljesítményhez tartozó fordulatszámának 30 %-ára esik vissza, attól függően, hogy ezek közül melyik következik be elsőként. Lassulás közben nem szabad az első sebességfokozatba kapcsolni.
2.3.2. Automatikus sebességváltóval felszerelt motorkerékpárokat és motoros tricikliket a legnagyobb sebességfokozatba (menetfokozatba) kapcsolva kell vizsgálni. A gázadást úgy kell végezni, hogy a lehető legegyenletesebb legyen a gyorsulás, és így a sebességváltó a különböző sebességfokozatokat normál sorrendben kapcsolja. A 2.4. pontban meghatározott tűréseket kell alkalmazni.
2.3.3. Városon kívüli ciklusok végrehajtásához a sebességváltót a gyártó utasításai szerint kell használni.
Az e melléklet 1. függelékében szereplő sebességváltási pontokat nem kell alkalmazni; a gyorsításnak végig folyamatosnak kell lennie az egyes alapjárati időszakaszok végét és a következő állandó sebességű időszakaszok elejét összekötő egyenes vonallal jelzett időszakasz alatt. A 2.4. pontban meghatározott tűréseket kell alkalmazni.
2.4. Tűrések
2.4.1. Az elméleti sebességet ± 2 km/h tűréshatáron kell tartani minden szakaszban. Ennél nagyobb sebességtűrések megengedettek a szakaszok közötti váltások során, feltéve hogy a tűréseket alkalmanként sohasem lépik túl 0,5 másodpercnél hosszabb ideig, a 6.5.2. és a 6.6.3. pont rendelkezéseire is figyelemmel.
2.4.2. Az elméleti időtartamokhoz képest ± 0,5 másodperces tűrés megengedett.
2.4.3. A sebesség- és időtűrések kombinálása az 1. alfüggelékben megjelölt módon történik.
2.4.4. A ciklus alatt megtett távolságot ± 2 %-os tűréssel kell mérni.
3. MOTORKERÉKPÁR VAGY MOTOROS TRICIKLI ÉS TÜZELŐANYAG
3.1. A vizsgált motorkerékpár vagy motoros tricikli
3.1.1. A motorkerékpárnak vagy motoros triciklinek jó mechanikai állapotban kell lennie. A vizsgálat előtt azt be kell járatni, és legalább 1 000 km-t kell vele közlekedni. A laboratórium eldöntheti, hogy elfogadható-e olyan motorkerékpár vagy motoros tricikli, amellyel a vizsgálat előtt 1 000 km-nél kevesebbet közlekedtek.
3.1.2. A kipufogó berendezésen nem lehetnek olyan tömítetlenségek, amelyek csökkenthetik az összegyűjtött gázok mennyiségét, amelynek meg kell egyeznie a motorból eltávozó gázok mennyiségével.
3.1.3. A szívórendszer tömítettségét ellenőrizni lehet annak érdekében, hogy a keverékképzést ne befolyásolja levegő véletlen bejutása.
3.1.4. A motorkerékpár és a motoros tricikli beállításainak meg kell felelniük a gyártó előírásainak.
3.1.5. A laboratórium ellenőrizheti, hogy a motorkerékpár vagy a motoros tricikli teljesítménye megegyezik-e a gyártó által megadott teljesítménnyel, hogy használható-e normál üzemben, és leginkább azt, hogy hideg és meleg üzemállapotban beindítható-e.
3.2. Üzemanyag
A vizsgálathoz használt üzemanyagnak meg kell egyeznie a IV. mellékletben megadott referencia-üzemanyaggal. Ha a motor keverékolajozású, akkor minőség és mennyiség tekintetében a referencia-üzemanyaghoz adagolt olajnak meg kell felelnie a gyártó ajánlásainak.
4. VIZSGÁLÓBERENDEZÉSEK
4.1. Járműfékpad
A járműfékpad fő jellemzői a következők:
Kapcsolat a görgő és az egyes hajtott kerekek gumiabroncsai között:
- a görgő átmérője ≥ 400 mm,
- a teljesítményfelvételi görbe egyenlete: a próbapadnak képesnek kell lennie a kezdeti 12 km/h sebességről ± 15 %-os tűréssel reprodukálni a motor által leadott teljesítményt, amikor a motorkerékpár vagy a motoros tricikli sima úton, gyakorlatilag nulla szélsebesség mellett halad. A fékek és a próbapad belső súrlódása által felvett teljesítményt vagy az 1. függelék 4. alfüggelékének 11. pontja szerint, vagy a fékek és a próbapad belső súrlódása által felvett teljesítmény alapján kell kiszámítani:
- K V3 ± 5 %-a a PV50 értékének
- kiegészítő tehetetlenségi tömegek: 10 kg és 10 kg ( 65 ).
4.1.1. A ténylegesen megtett távolságot egy, a féket és a lendkereket hajtó görgő által működtetett fordulatszámmérővel kell mérni.
4.2. A gázok mintavételére és atérfogatuk mérésére szolgáló berendezés
4.2.1. Az 1. függelék 2. és 3. alfüggelékében szerepel egy diagramm, amely a vizsgálat során a kipufogógázok gyűjtésének, hígításának, mintavételének és térfogatmérésének elvét mutatja be.
4.2.2. Az alábbi pontok leírják a vizsgálóberendezés alkotóelemeit (mindegyik alkotóelemhez meg van adva az 1. függelék 2. és 3. alfüggelékében szereplő vázlatban használt rövidítés). A műszaki szolgálat engedélyezheti eltérő berendezés használatát, feltéve hogy az egyenértékű eredményeket szolgáltat:
4.2.2.1. a vizsgálat során keletkezett összes kipufogógáz összegyűjtésére szolgáló eszköz; ez általában nyitott eszköz, amely fenntartja a légköri nyomást a kipufogócsőnél (-csöveknél). Mindazonáltal zárt rendszer is használható, ha az ellennyomásra vonatkozó feltételek teljesülnek (± 1,25 kPa). A gázokat úgy kell összegyűjteni, hogy a kondenzáció ne legyen olyan mértékű, hogy jelentős hatást gyakoroljon a kipufogógázok természetére a vizsgálati hőmérsékleten;
4.2.2.2. cső (Tu), amely összeköti a kipufogógáz-gyűjtő berendezést és a kipufogógáz-mintavételező rendszert. Ez az összekötő cső vagy a gázgyűjtő berendezés rozsdamentes acélból vagy más olyan anyagból készül, amely nem befolyásolja az összegyűjtött gázok összetételét és ellenáll azok hőmérsékletének;
4.2.2.3. hőcserélő berendezés (Sc), amely a vizsgálatok idejére képes a szivattyú bemeneténél ± 5 °C-ra korlátozni a hígított gázok hőmérsékletének változását. Ezt a hőcserélőt olyan előfűtő rendszerrel kell felszerelni, amely képes a gázok hőmérsékletét üzemi hőmérsékletre növelni (± 5 °C) a vizsgálat megkezdése előtt;
4.2.2.4. térfogat-kiszorításos szivattyú (P1) a különböző, szigorúan állandó sebességeken működni képes motor által továbbított hígított gázok kiszívásához. A szivattyúnak állandó megfelelő térfogatáramot kell garantálnia annak érdekében, hogy az összes kipufogógázt beszívhassa. Kritikus áramlású Venturi-csövet használó eszköz szintén alkalmazható;
4.2.2.5. olyan eszköz, amely képes folyamatosan rögzíteni a szivattyúba belépő hígított gázok hőmérsékletét;
4.2.2.6. a gázgyűjtő eszköz külsejéhez csatlakozó mintavevő szonda (S3), amely egy szivattyú, egy szűrő és egy áramlásmérő segítségével a vizsgálat időtartama alatt képes a hígító levegőből történő folyamatos mintavételre;
4.2.2.7. a térfogat-kiszorításos szivattyú elé és a hígított gázok áramlási irányával szemben bekötött mintavevő szonda (S2) a hígított gázkeverékből a vizsgálat időtartama alatt történő mintavételhez, állandó áramlási sebesség mellett, ha szükséges, szűrő, áramlásmérő és szivattyú alkalmazásával. A fentiekben leírt két mintavevő rendszerben a gázáram minimális hozamának legalább 150 l/h-nak kell lennie;
4.2.2.8. az S2 és S3 szonda után bekötött két szűrő (F2 és F3), amely a zsákokban gyűjtött mintában lebegő szilárd részecskék kiszűrésére szolgál. Különös gondot kell fordítani annak biztosítására, hogy azok ne befolyásolják a mintákban levő gáznemű összetevők koncentrációját;
4.2.2.9. két szivattyú (P2 és P3) az S2 és S3 szondákból történő mintavételhez és az Sa és Sb zsákok feltöltéséhez;
4.2.2.10. két, kézzel állítható, a P2 és P3 szivattyúkkal sorba kötött szelep (V2 és V3) a zsákokba kerülő minta áramlásának szabályozásához;
4.2.2.11. két rotaméter (R2 és R3), a "szonda, szűrő, szivattyú, szelep, zsák" (S2, F2, P2, V2, Sa és S3, F3, P3, V3, Sb) vezetékekkel sorba kötve, hogy a minta áramlását bármely pillanatban vizuálisan ellenőrizni lehessen;
4.2.2.12. szivárgásmentes mintavevő zsákok a hígító levegő és a hígított gázok keverékének gyűjtésére, amelyek megfelelő befogadóképességűek ahhoz, hogy ne szakítsák meg a minta normál áramlását. Ezeket a mintavevő zsákokat a zsák oldalán olyan automatikus zárószerkezettel kell ellátni, amely gyorsan és légmentesen zárható, akár a mintavevő körön, akár az elemző körön a vizsgálat végén;
4.2.2.13. két differenciál-nyomásmérő (g1 és g2), amely bekötési helye:
g1 : a P1 szivattyú előtt, a kipufogógáz és a hígító levegő keveréke, valamint az atmoszférikus nyomás közötti nyomáskülönbség mérésére;
g2 : a P1 szivattyú előtt és mögött, a gázáramban fellépő nyomásnövekedés mérésére;
4.2.2.14. fordulatszámmérő, a P1 forgómozgású térfogat-kiszorításos szivattyú fordulatainak számlálására;
4.2.2.15. háromutas szelep a fentiekben leírt mintavevő körön, hogy a minta áramlását a légkörbe vagy a megfelelő mintavevő zsákba lehessen irányítani a vizsgálat időtartama alatt. A szelepnek gyorsműködésű szelepnek kell lennie. A szelepnek olyan anyagból kell készülnie, amely nem befolyásolja a gázok összetételét; olyan átfolyási keresztmetszettel és alakkal kell rendelkeznie, amely - amennyire ez műszakilag lehetséges - a töltési veszteségeket minimálisra csökkenti.
4.3. Analitikai berendezés
4.3.1. Szénhidrogének koncentrációjának mérése
4.3.1.1. A vizsgálat során az Sa és Sb zsákban gyűjtött mintákban levő el nem égett szénhidrogén koncentrációjának mérésére lángionizációs elemzőkészüléket kell használni.
4.3.2. A CO- és CO2-koncentráció mérése
4.3.2.1. A vizsgálat során az Sa és Sb zsákokban gyűjtött minták szénmonoxid(CO)- és széndioxid(CO2)-koncentrációinak mérésére nem diszperzív infravörös-abszorpciós elemzőkészüléket kell használni.
4.3.3. Az NOx-koncentráció mérése
4.3.3.1. A vizsgálat során az Sa és Sb zsákban gyűjtött mintákban levő nitrogénoxidok (NOx) koncentrációjának mérésére kemilumineszcens elemzőkészüléket kell használni.
4.4. A műszerek és mérések pontossága
4.4.1. Mivel a féket külön vizsgálat során kalibrálják, nem szükséges feltüntetni a járműfékpad pontosságát. A forgó tömegek teljes inerciáját, beleértve a görgőket és a fék forgó alkatrészeit (lásd 5.2 pont), ± 2 %-os pontossággal kell megadni.
4.4.2. A motorkerékpár vagy motoros tricikli sebességét a fékhez és a lendkerékhez kapcsolt görgők forgási sebessége alapján kell mérni. A sebességnek 0 és 10 km/h óra között ± 2 km/h, 10 km/h felett pedig ± 1 km/h pontossággal kell mérhetőnek lennie.
4.4.3. A 4.2.2.5. pontban említett hőmérsékletnek ± 1 °C pontosságon belül kell mérhetőnek lennie. A 6.1.1. pontban említett hőmérsékletnek ± 2 °C pontossággal kell mérhetőnek lennie.
4.4.4. A légköri nyomásnak ± 0,133 kPa pontossággal kell mérhetőnek lennie.
4.4.5. A P1 szivattyúba belépő hígított gázokból álló keverék nyomásesésének (lásd a 4.2.2.13. pontot) a légköri nyomáshoz képest ± 0,4 kPa pontosságon belül kell mérhetőnek lennie. A P1 szivattyú előtti és utáni szakaszokba belépő hígított gáz nyomáskülönbségének (lásd a 4.2.2.13. pontot) ± 0,4 kPa pontossággal kell mérhetőnek lennie.
4.4.6. A P1 szivattyú minden egyes teljes fordulatával kiszorított térfogatnak és a lehető legalacsonyabb szivattyú-fordulatszám melletti kiszorított térfogat értékének a fordulatszámmérő által rögzített értékek szerint lehetővé kell tennie a P1 szivattyú által a vizsgálat során kiszorított kipufogógáz és hígítólevegő-keverék teljes térfogatának meghatározását ± 2 % pontossággal.
4.4.7. A kalibráló gázok meghatározásának pontosságától függetlenül az elemzőkészülékek mérési tartományának meg kell felelnie a különböző szennyezőanyag-tartalmak ± 3 %-on belüli méréséhez szükségespontosságnak.
A szénhidrogének koncentrációját mérő lángionizációs elemzőkészüléknek a teljes skála 90 %-át kevesebb, mint egy másodperc alatt el kell érnie.
4.4.8. A kalibráló gázok koncentrációja az egyes gázok referenciaértékétől ± 2 %-nál nagyobb mértékben nem térhet el. A hígító anyaga nitrogén.
5. A VIZSGÁLAT ELŐKÉSZÍTÉSE
5.1. Közúti vizsgálat
5.1.1. Az útra vonatkozó előírások
A vizsgálathoz használt útnak sík felületűnek, vízszintesnek, egyenesnek és sima burkolatúnak kell lennie. Az út felületének száraznak és a menetellenállás mérését esetleg gátló akadályoktól vagy szélárnyékoktól mentesnek kell lennie. A lejtés nem lehet 0,5 %-nál nagyobb bármely, egymástól legalább 2 m-re levő pont között.
5.1.2. A közúti vizsgálat környezeti feltételei
Az adatgyűjtési időszakok során a szélnek egyenletesnek kell lennie. A szélsebességet és a szélirányt folyamatosan vagy megfelelő gyakorisággal olyan helyen kell mérni, ahol a szélerő a kigurulás során jellemző lehet.
A környezeti feltételeknek az alábbi határértékeken belül kell lenniük:
- maximális szélsebesség: 3 m/s,
- széllökések maximális szélsebessége: 5 m/s,
- átlagos, párhuzamos szélsebesség: 3 m/s,
- átlagos, merőleges szélsebesség: 2 m/s,
- maximális relatív páratartalom: 95 %,
- levegő hőmérséklete: 278 K-től 308 K-ig.
A szabványos környezeti feltételek a következők:
- nyomás, p0: 100 kPa,
- hőmérséklet, T0: 293 K,
- relatív levegősűrűség, d0: 0,9197,
- szélsebesség: szélcsend,
- levegő térfogati tömege, ρ0: 1,189 kg/m3.
A relatív levegősűrűség a motorkerékpár vizsgálatánál, az alábbi képlet szerint számítva nem térhet el 7,5 %-nál nagyobb mértékben a szabványos feltételek szerinti levegősűrűségtől.
A relatív levegősűrűséget, dT-t az alábbi képlettel kell kiszámítani:

ahol:
dT = relatív levegősűrűség a vizsgálati feltételek szerint;
pT = környezeti légnyomás a vizsgálati feltételek szerint, kilopascalban;
TT = abszolút hőmérséklet a vizsgálat során, Kelvinben.
5.1.3. Referenciasebesség
A referenciasebességnek vagy -sebességeknek a vizsgálati ciklusban meghatározottaknak kell lenniük.
5.1.4. Előírt sebesség
A v előírt sebességre a menetellenállási görbe elkészítéséhez van szükség. A menetellenállásnak a motorkerékpár sebességének függvényében, a v0 referenciasebesség közelében való meghatározásához a menetellenállásokat legalább négy előírt sebességen kell mérni, beleértve a referenciasebességet (-sebességeket) is. Az előírt sebességpontok tartományának (a maximum- és minimumpontok közötti intervallumnak) a referenciasebesség, vagy ha több referenciasebesség van, a referenciasebesség-tartomány mindkét oldalán legalább Δv-vel túl kell nyúlnia az 5.1.6. pont meghatározása szerint. Az előírt sebességpontok, beleértve a referenciasebesség-pontot (-pontokat) is, nem lehetnek 20 km/h értéknél nagyobb távolságban egymástól, és az előírt sebességek intervallumának ugyanakkorának kell lennie. A menetellenállási görbéből a menetellenállás a referenciasebességen (-sebességeken) kiszámítható.
5.1.5. A kigurulás kezdősebessége
A kigurulás kezdősebességének több mint 5 km/h-val nagyobbnak kell lennie annál a legnagyobb sebességnél, amelynél a kigurulási idő mérése megkezdődik, mivel elég hosszú időre van szükség például a motorkerékpár és a vezető helyzetének beállításához, illetve az átvitt motorteljesítmény lekapcsolásához, mielőtt a sebesség v1-re csökkenne, azaz arra a sebességre, amelynél a kigurulási idő mérése megkezdődik.
5.1.6. A kigurulási idő mérésének kezdősebessége és végsebessége
A Δt kigurulási idő és a 2Δv kigurulásisebesség-intervallum, a kilométer/órában mért kezdősebesség (v1) és végsebesség (v2) pontos mérése érdekében az alábbi előírásnak kell teljesülnie:


Δv = 5 km/h, ha v < 60 km/h
Δv = 10 km/h, ha v ≥ 60 km/h
5.1.7. A vizsgálathoz használt motorkerékpár felkészítése
5.1.7.1. A motorkerékpárnak minden alkatrészében meg kell felelnie a sorozatban gyártottnak, vagy ha a motorkerékpár eltér a sorozatban gyártottól, akkor a vizsgálati jelentésben teljes leírást kell adni róla.
5.1.7.2. A motort, az erőátvitelt és a motorkerékpárt a gyártó előírásai szerint megfelelően be kell járatni.
5.1.7.3. A motorkerékpárt a gyártó előírásai (például az olajok viszkozitása, gumiabroncsnyomások) szerint kell beállítani, vagy ha a motorkerékpár különbözik a sorozatgyártott változattól, akkor teljes leírást kell adni róla a vizsgálati jelentésben.
5.1.7.4. A motorkerékpár tömegének menetkész állapotban meg kell felelnie az e melléklet 1.2. pontjában meghatározott tömegnek.
5.1.7.5. A teljes vizsgálati tömeget, beleértve a vezető és a műszerek tömegét is, a vizsgálat megkezdése előtt meg kell mérni.
5.1.7.6. A kerekek közötti terhelésmegoszlásnak meg kell felelnie a gyártó utasításainak.
5.1.7.7. A mérőműszereknek a motorkerékpárra történő felszerelésekor ügyelni kell arra, hogy a kerekek közötti terhelés megoszlására gyakorolt hatásuk minimális legyen. A sebességérzékelőnek a motorkerékpár külsejére történő felszerelésénél ügyelni kell arra, hogy a további aerodinamikai veszteség minimális legyen.
5.1.8. A vezető és a vezető helyzete
5.1.8.1. A vezetőnek testhezálló (egydarabos) vagy hasonló öltözéket, bukósisakot, szemvédőt, csizmát és kesztyűt kell viselnie.
5.1.8.2. A vezetőnek az 5.1.8.1. pontban leírt feltételek mellett 75 kg ± 5 kg tömegűnek, és 1,75 m ± 0,05 m magasnak kell lennie.
5.1.8.3. A vezetőnek a jármű ülésén kell ülnie, lábát a lábtartón, karjait pedig természetes módon kinyújtva kell tartania. Ez a testhelyzet lehetővé teszi a vezető számára, hogy mindenkor megfelelően uralja a motorkerékpárt a kigurulás vizsgálata alatt.
A vezető testhelyzetének a teljes mérés alatt változatlannak kell maradnia.
5.1.9. A kigurulás idejének mérése
5.1.9.1. Egy bemelegítési időszakasz után a motorkerékpárt fel kell gyorsítani a kigurulás kezdősebességére, amikor is a kigurulást meg kell kezdeni.
5.1.9.2. Mivel a szerkezeti kialakítása szempontjából veszélyes és nehéz lehet a sebességváltót üres helyzetbe kapcsolni, a kigurulás csak a tengelykapcsoló kioldásával is végezhető. Ezenkívül másik vontató motorkerékpárral történő vontatást kell alkalmazni azoknál a motorkerékpároknál, amelyeknél nincs mód a motor teljesítményleadásának megszakítására a kigurulás során. Ha a kigurulás vizsgálatát járműfékpadon reprodukálják, akkor a tengelykapcsolónak és a sebességváltónak a közúti vizsgálattal azonos helyzetben kell lennie.
5.1.9.3. A motorkerékpár kormányát lehetőleg minél kisebb mértékben kell mozdítani, és a féket a kigurulási mérés végéig nem szabad használni.
5.1.9.4. Az előírt vj sebességnek megfelelő Δtai kigurulási idő a motorkerékpár vj + Δv és vj - Δv sebessége között eltelt idő mérésével határozható meg.
5.1.9.5. Az 5.1.9.1.-5.1.9.4. pontban leírt eljárást az ellentétes irányban is meg kell ismételni a Δtbi kigurulási idő méréséhez.
5.1.9.6. A Δtai és Δtbi kigurulási idők ΔTi átlagát az alábbi képlettel kell kiszámítani:

5.1.9.7. Legalább négy vizsgálatot kell végezni, és aΔTj átlagos kigurulási időt az alábbi képlet szerint kell kiszámítani:

A vizsgálatokat addig kell végezni, amíg a P statisztikai pontosság 3 %-al egyenlő vagy annál kisebb (P ≤ 3 %). A százalékként megadott P statisztikai pontosságot az alábbi képlet határozza meg:

ahol:
t = az 1. táblázatban megadott együttható;
s
=
az alábbi képlettel megadott szórás:

n = a vizsgálatok száma.
1. táblázat
A statisztikai pontossághoz használandó együtthatók
N | t | [Kép #57] |
4 | 3,2 | 1,60 |
5 | 2,8 | 1,25 |
6 | 2,6 | 1,06 |
7 | 2,5 | 0,94 |
8 | 2,4 | 0,85 |
9 | 2,3 | 0,77 |
10 | 2,3 | 0,73 |
11 | 2,2 | 0,66 |
12 | 2,2 | 0,64 |
13 | 2,2 | 0,61 |
14 | 2,2 | 0,59 |
15 | 2,2 | 0,57 |

Kép #57
5.1.9.8. A vizsgálat megismétlése során ügyelni kell arra, hogy a kigurulást ugyanolyan bemelegítési feltételek mellett és ugyanakkora kigurulási kezdősebességgel kezdjék meg.
5.1.9.9. Több előírt sebesség esetén a kigurulási idő mérését folyamatos kigurulással lehet végezni. Ebben az esetben a kigurulást mindig ugyanarról a kigurulási kezdősebességről indulva kell megismételni.
5.2. Az adatok feldolgozása
5.2.1. A menet-ellenállási erő kiszámítása
5.2.1.1. A newtonban kifejezett Fj menet-ellenállási erő vj előírt sebességnél a következőképpen számítható ki:

ahol:
m = a vizsgált motorkerékpár tömege kilogrammban, a vizsgált állapot szerint vezetővel és műszerekkel együtt;
mr = az úton való kigurulás alatt az összes kerékkel, illetve a kerekekkel együtt forgó összes motorkerékpár-alkatrésszel egyenértékű tehetetlenségi tömeg. mr értékét a körülményektől függően mérni vagy számítani kell. Másik megoldásként mr értékét a terheletlen motorkerékpár tömegének 7 %-ként lehet megbecsülni.
5.2.1.2. Az Fj menet-ellenállási erőt az 5.2.2. pontnak megfelelően kell helyesbíteni.
5.2.2. A menet-ellenállási görbe illesztése
Az F menet-ellenállási erő kiszámítása a következőképpen történik:

Ezt az egyenletet lineáris regresszióval kell a fentiekben kapott Fj és vj adatsorhoz illeszteni az f0 és f2 együtthatók meghatározásához,
ahol:
F = a menet-ellenállási erő, beleértve a szélsebességtől függő ellenállást is, newtonban kifejezve;
f0 = gördülési ellenállás, newtonban kifejezve;
f2 = a légellenállási együttható, newton per (kilométer per óra) a négyzeten mértékegységben megadva [N/(km/h)2].
A meghatározott f0 és f2 együtthatókat az alábbi egyenletekkel kell a szabványos légköri viszonyokhoz igazítani:


ahol:
f*0 = helyesbített gördülési ellenállás szabványos környezeti feltételek mellett, newtonban;
TT = környezeti átlaghőmérséklet, kelvinben;
f*2 = helyesbített légellenállási együttható newton per (kilométer per óra) a négyzeten mértékegységben megadva [N/(km/h)2];
pT = átlagos légköri nyomás, kilopascalban;
K0 = a gördülési ellenállás hőmérsékleti korrekciós tényezője, amely az adott motorkerékpár- és gumiabroncsvizsgálatok empirikus adatai alapján határozható meg, vagy a következő feltételezéssel lehet élni, ha az információ nem áll rendelkezésre: K0 = 6 × 10-3 K-1.
5.2.3. A cél-menetellenállási erő beállítása a járműfékpadhoz
A járműfékpadon az F*(V0) cél-menetellenállási erőt a referenciasebességnél (v0) newtonban kifejezve a következőképpen kell meghatározni:

5.3. A közúton kigurulási mérésekből származtatott járműfékpad-beállítások
5.3.1. A berendezésre vonatkozó előírások
5.3.1.1. A sebesség és idő mérésére szolgáló műszereknek a 2. táblázat a)-f) pontjában meghatározott pontossággal kell működniük.
2. táblázat
A mérések előírt pontossága
Mért értéken | Felbontás | |
a) Menet-ellenállási erő, F | + 2 % | - |
b) A motorkerékpár sebessége (v1,v2) | ± 1 % | 0,45 km/h |
c) A kigurulásisebesség-intervallum (2Δv = v1-v2) | ± 1 % | 0,10 km/h |
d) A kigurulásiidő-intervallum (Δt) | ±0,5 % | 0,01 s |
e) A motorkerékpár teljes tömege (mk+mrid) | ± 1,0 % | 1,4 kg |
f) Szélsebesség | ± 10 % | 0,1 m/s |
A járműfékpad görgőinek tisztának, száraznak és minden olyan dologtól mentesnek kell lenniük, amely a gumiabroncs megcsúszását okozhatná.
5.3.2. A tehetetlenségi tömeg beállítása
5.3.2.1. A járműfékpad egyenértékű tehetetlenségi tömege a motorkerékpár tényleges ma tömegéhez legközelebb eső lendkerék egyenértékű mfi tehetetlenségi tömege. A tényleges ma tömeget úgy kapjuk meg, hogy az első kerék mrf forgó tömegéhez hozzáadjuk a motorkerékpár, a vezető és a műszerek közúti vizsgálat során mért teljes tömegét. Másik megoldásként az egyenértékű mi tehetetlenségi tömeg a 3. táblázatból vehető. Az mrf értékét lehet kilogrammban mérni vagy számítani, a körülményektől függően, vagy becslésként az m 3 %-aként lehet megadni.
Ha a tényleges ma tömeget nem lehet a lendkerék egyenértékű mi tehetetlenségi tömegéhez igazítani úgy, hogy az F* cél-menetellenállási erő egyenlő legyen a járműfékpadon beállítandó FE menet-ellenállási erővel, akkor a korrigált ΔTE kigurulási időt a ΔTroad célkigurulási idő teljes tömegaránya szerint a következőképpen lehet módosítani:




ahol

és ahol:
ΔTroad = kigurulási célidő;
ΔTE = korrigált kigurulási idő a tehetetlenségi tömegnél (mi + mr1);
FE = a járműfékpad egyenértékű menet-ellenállási ereje;
mr1 = a hátsó kerék és a kerékkel együtt forgó motorkerékpár-alkatrészek egyenértékű tehetetlenségi tömege a kigurulás során. Az mrl mérhető vagy számítható kilogrammban, a körülményektől függően. Másik megoldásként az mrl értékére az m 4 %-a adható meg becslésként.
5.3.3. A vizsgálat előtt a járműfékpadot megfelelően be kell melegíteni stabilizált Ff súrlódási erő eléréséig.
5.3.4. A gumiabroncsnyomást a gyártó előírásaiban megadott értékre kell beállítani, vagy olyan értékre, amelynél a motorkerékpár közúti vizsgálat során elért sebessége és a járműfékpadon elért sebessége megegyezik.
5.3.5. A vizsgált motorkerékpárt be kell melegíteni a járműfékpadon, hogy állapota megegyezzen a közúti vizsgálat alatti állapotával.
5.3.6. A járműfékpad beállítási eljárásai
Tekintettel szerkezeti kialakítására, a járműfékpad FE terhelését az Ff teljes súrlódási veszteség, amely a járműfékpad forgási súrlódási ellenállásának, az abroncs gördülési ellenállásának és a motorkerékpár hajtórendszerének forgó részei súrlódási ellenállásának az összege, valamint a teljesítményfelvevő egység (pau) Fpau fékezőereje adja, az alábbi egyenlet szerint:

Az 5.2.3. pontban említett F* cél-menetellenállási erőt a járműfékpadon a motorkerékpár sebességének megfelelően kell reprodukálni. Azaz:

5.3.6.1. A teljes súrlódási veszteség meghatározása
Az Ff teljes súrlódási veszteséget a járműfékpadon az 5.3.6.1.1. és 5.3.6.1.2. pontban meghatározott módszer szerint kell mérni.
5.3.6.1.1. Meghajtás a járműfékpaddal
Ez a módszer csak olyan járműfékpadokra vonatkozik, amelyek képesek motorkerékpár meghajtására. A motorkerékpárt állandóan v0 referenciasebességgel kell hajtani bekapcsolt sebességváltóval és kiemelt tengelykapcsolóval. A v0 referenciasebességen az Ff(v0) teljes súrlódási veszteséget a járműfékpad által kifejtett erő adja.
5.3.6.1.2. Kigurulás teljesítményfelvétel nélkül
A kigurulási időnek ezt a mérését az Ff teljes súrlódási veszteség kigurulásos mérési módszerének tekintik.
A motorkerékpár kigurulását az 5.1.9.1-5.1.9.4. pontban leírt eljárás szerint járműfékpadon kell végrehajtani nulla járműfékpad-teljesítményfelvétel mellett, és a v0 referenciasebességnek megfelelő Δti kigurulási időt kell mérni.
A mérést legalább háromszor kell elvégezni, és a Δt kigurulási időt az alábbi képlettel kell kiszámítani:

Az Ff(v0) teljes súrlódási veszteséget v0 referenciasebességen a következőképpen kell kiszámítani:

5.3.6.2. A teljesítményfelvételi egység erejének kiszámítása
A járműfékpad által a v0 referenciasebességen elnyelendő Fpau(v0) erőt úgy számítjuk ki, hogy az Ff(v0) erőt levonjuk az F*(v0) cél-menetellenállási erőből:

5.3.6.3. A járműfékpad beállítása
Típustól függően a járműfékpadot az 5.3.6.3.1-5.3.6.3.4. pontban leírt módszerek egyike szerint kell beállítani.
5.3.6.3.1. Járműfékpad poligonális funkcióval
Poligonális funkcióval is rendelkező járműfékpad esetén, amelyben a teljesítményelnyelési jellemzőket a terhelési értékek határozzák meg több sebességponton, legalább három előírt sebességet kell kiválasztani beállítási pontként, beleértve a referenciasebességet is. Minden egyes beállítási ponton a járműfékpadot az 5.3.6.2. pont szerint kapott Fpau(vj) értékre kell állítani.
5.3.6.3.2. Járműfékpad együttható-vezérléssel
5.3.6.3.2.1. Együttható-vezérléssel működő járműfékpad esetén, amelyen a teljesítményelnyelési jellemzőket egy polinom függvény meghatározott együtthatói határozzák meg, az Fpau(vj) értékét minden egyes előírt sebességen az 5.3.6.1. és 5.3.6.2. pontban megadott eljárás szerint kell kiszámítani.
5.3.6.3.2.2. Feltéve, hogy a terhelési jellemzők

az a, b és c együtthatókat polinomiális regresszió módszerével kell meghatározni.
5.3.6.3.2.3. A járműfékpadot az5.3.6.3.2.2. pont szerint kapott a, b és c együttható függvényében kell beállítani.
5.3.6.3.3. Járműfékpad digitális F* poligonálisszabályozóval
5.3.6.3.3.1. F* poligonális digitális beállítóval ellátott járműfékpad esetén, ahol központi processzoregység van beépítve a rendszerbe, az F* bevitele közvetlenül történik, a Δti, Ff és Fpau értékét pedig a rendszer automatikusan méri és számítja, hogy a járműfékpadon beállítsa az F*=F*0+f*2v2 cél-menetellenállási erőt.
5.3.6.3.3.2. Ebben az esetben az F* és vj adatsor alapján közvetlenül több pont kerül egymás után digitálisan bevitelre, majd sor kerül a kigurulás elvégzésére és a Δti kigurulási idő mérésére. A beépített CPU által az ezt követően végzett automatikus számítással az Fpau értéke automatikusan beállításra kerül a memóriában 0,1 km/h motorkerékpársebesség-intervallumonként, és a kigurulási vizsgálat többszöri megismétlése után megtörténik a menet-ellenállási beállítás kiszámítása:



5.3.6.3.4. Járműfékpad f*0, f*2 együtthatójú digitális szabályozóval
5.3.6.3.4.1. f*0, f*2 együtthatójú digitális szabályozóval ellátott járműfékpad esetén, ahol a CPU van beépítve a rendszerbe, az F*=F*0+f*2v2 cél-menetellenállási erő beállítása automatikusan történik a járműfékpadon.
5.3.6.3.4.2. Ebben az esetben az f*0 és f*2 együtthatók bevitele közvetlenül digitális módon történik; a rendszer végrehajtja a kigurulást, majd méri a Δti kigurulási időt. A számítást a beépített CPU automatikusan az alábbi sorrendben végzi el, az Fpau értéke pedig digitálisan automatikusan beállításra kerül a memóriában 0,06 km/h motorkerékpársebesség-intervallumonként, a menetellenállási beállítás elvégzéséhez:



5.3.7. A járműfékpad ellenőrzése
5.3.7.1. Közvetlenül a kezdeti beállítás után a referenciasebességnek (v0) megfelelő ΔtE kigurulási időt a járműfékpadon ugyanazzal az eljárással kell mérni, mint amelyik az 5.1.9.1.-5.1.9.4. pontban szerepel.
A mérést legalább háromszor kell elvégezni, és az eredményekből ki kell számítani a ΔtE kigurulási időt.
5.3.7.2. A járműfékpadon a referenciasebességnél beállított FE(v0) menetellenállási erőt az alábbi képlettel lehet kiszámítani:

ahol:
FE = a járműfékpadon beállított menetellenállási erő;
ΔtE = kigurulási idő a járműfékpadon.
5.3.7.3. Az ε beállítási hibát a következőképpen kell kiszámítani:

5.3.7.4. A járműfékpadot újra be kell állítani, ha a beállítási hiba nem felel meg az alábbi kritériumnak:
ε ≤ 2 %, ha v0 ≥ 50 km/h
ε ≤ 3 %, ha 30 km/h ≤ v0< 50 km/h
ε ≤ 10 %, ha v0< 30 km/h
5.3.7.5. Az 5.3.7.1.-5.3.7.3. pontban meghatározott eljárást kell ismételni mindaddig, amíg a beállítási hiba meg nem felel a kritériumoknak.
5.4. A járműfékpad beállítása a menet-ellenállási táblázat segítségével
A járműfékpadot a kigurulási módszerrel kapott menet-ellenállási erő helyett a menet-ellenállási táblázat segítségével is be lehet állítani. Ezzel a táblázatos módszerrel a járműfékpadot a referenciatömeg alapján kell beállítani, a sajátos motorkerékpár-jellemzőktől függetlenül.
A lendkerék egyenértékű mfi tehetetlenségi tömegének egyenlőnek kell lennie a 3. táblázatban megadott egyenértékű tehetetlenségi tömeggel. A járműfékpadot az "a" első kerék gördülési ellenállása és az 1. táblázatban megadott "b" légellenállási együttható alapján kell beállítani.
3. táblázat (1)
Egyenértékű tehetetlenségi tömeg
Referenciatömeg mref (kg) | Egyenértékű tehetetlenségi tömeg mi (kg) | „a” első kerék gördülési ellenállása (N) | „b” légellenállási együttható (N/(km/h) (1) |
95 < mref ≤ 105 | 100 | 8,8 | 0,0215 |
105 < mref ≤ 115 | 110 | 9,7 | 0,0217 |
115 < mref ≤ 125 | 120 | 10,6 | 0,0218 |
125 < mref ≤ 135 | 130 | 11,4 | 0,0220 |
135 < mref ≤ 145 | 140 | 12,3 | 0,0221 |
145 < mref ≤ 155 | 150 | 13,2 | 0,0223 |
155 < mref ≤ 165 | 160 | 14,1 | 0,0224 |
165 < mref ≤ 175 | 170 | 15,0 | 0,0226 |
175 < mref ≤ 185 | 180 | 15,8 | 0,0227 |
185 < mref ≤ 195 | 190 | 16,7 | 0,0229 |
195 < mref ≤ 205 | 200 | 17,6 | 0,0230 |
205 < mref ≤ 215 | 210 | 18,5 | 0,0232 |
215 < mref ≤ 225 | 220 | 19,4 | 0,0233 |
225 < mref ≤ 235 | 230 | 20,2 | 0,0235 |
235 < mref ≤ 245 | 240 | 21,1 | 0,0236 |
245 < mref ≤ 255 | 250 | 22,0 | 0,0238 |
255 < mref ≤ 265 | 260 | 22,9 | 0,0239 |
265 < mref ≤ 275 | 270 | 23,8 | 0,0241 |
275 < mref ≤ 285 | 280 | 24,6 | 0,0242 |
285 < mref ≤ 295 | 290 | 25,5 | 0,0244 |
295 < mref ≤ 305 | 300 | 26,4 | 0,0245 |
305 < mref ≤ 315 | 310 | 27,3 | 0,0247 |
315 < mref ≤ 325 | 320 | 28,2 | 0,0248 |
325 < mref ≤ 335 | 330 | 29,0 | 0,0250 |
335 < mref ≤ 345 | 340 | 29,9 | 0,0251 |
345 < mref ≤ 355 | 350 | 30,8 | 0,0253 |
355 < mref ≤ 365 | 360 | 31,7 | 0,0254 |
365 < mref v 375 | 370 | 32,6 | 0,0256 |
375 < mref ≤ 385 | 380 | 33,4 | 0,0257 |
385 < mref ≤ 395 | 390 | 34,3 | 0,0259 |
395 < mref ≤ 405 | 400 | 35,2 | 0,0260 |
405 < mref ≤ 415 | 410 | 36,1 | 0,0262 |
415 < mref ≤ 425 | 420 | 37,0 | 0,0263 |
425< mref ≤ 435 | 430 | 37,8 | 0,0265 |
435 < mref ≤ 445 | 440 | 38,7 | 0,0266 |
445 < mref ≤ 455 | 450 | 39,6 | 0,0268 |
455 < mref ≤ 465 | 460 | 40,5 | 0,0269 |
465 < mref ≤ 475 | 470 | 41,4 | 0,0271 |
475 < mref ≤ 485 | 480 | 42,2 | 0,0272 |
485 < mref ≤ 495 | 490 | 43,1 | 0,0274 |
495 < mref ≤ 505 | 500 | 44,0 | 0,0275 |
10 kg-onként | 10 kg-onként | a = 0,088 mi Megjegyzés: két tizedesjegyre kerekítendő | b = 0,000015 mi + 0,0200 Megjegyzés: öt tizedesjegyre kerekítendő |
(1) Ha egy gépjármű gyártó által megadott maximális sebessége 130 km/h alatti és ez a sebesség nem érhető el görgős próbapadon a 3. táblázatban meghatározott próbapad-beállításokkal, akkor a „b” együtthatót úgy kell állítani, hogy a maximális sebességet el lehessen érni. |
5.4.1. A menet-ellenállási erő beállítása a járműfékpadon a menet-ellenállási táblázat segítségével
Az FE menet-ellenállási erőt a járműfékpadon a következő egyenlettel kell meghatározni:

ahol:
FT = a menet-ellenállási táblázatból kapott menet-ellenállási erő newtonban;
A = az elsőkerék gördülési ellenállási ereje newtonban;
B = légellenállási együttható newton per (kilométer per óra) a négyzeten [N/(km/h)2];
v = előírt sebesség kilométer per órában.
Az F* cél-menet-ellenállási erőnek egyenlőnek kell lennie a menet-ellenállási táblázatból nyert FT menet-ellenállási erővel, mert a szabványos környezeti feltételekre vonatkozó helyesbítésre nincs szükség.
5.4.2. A járműfékpad előírt sebessége
A menetellenállásokat a járműfékpadon az előírt v sebességen kell ellenőrizni. Legalább négy előírt sebességet kell ellenőrizni, beleértve a referenciasebességet (-sebességeket) is. Az előírt sebességpontok tartományának (a maximum- és minimumpontok közötti intervallumnak) legalább Δv-vel túl kell nyúlnia a referenciasebesség vagy referenciasebesség-tartomány mindkét oldalán az 5.1.6. pont meghatározása szerint. Az előírt sebességpontok, beleértve a referenciasebesség-pontot (-pontokat) is, nem lehetnek 20 km/h-nál nagyobb távolságra egymástól, és az előírt sebességek intervallumának ugyanakkorának kell lennie.
5.4.3. A járműfékpad ellenőrzése
5.4.3.1. Azonnal a kezdeti beállítás után meg kell mérni a járműfékpadon az előírt sebességnek megfelelő kigurulási időt. A motorkerékpárt a kigurulási idő mérése során nem szabad felállítani a járműfékpadra. A kigurulási idő mérését akkor kell megkezdeni, amikor a járműfékpad sebessége meghaladja a vizsgálati ciklus maximális sebességét.
A mérést legalább háromszor kellelvégezni, és az eredményekből ki kell számítani a ΔtE kigurulási időt.
5.4.3.2. A járműfékpadon a beállított FE(vj) menet-ellenállási erő az előírt sebességnél az alábbi képlettel számítható ki:

5.4.3.3. Az előírt sebességnél az ε beállítási hiba a következőképpen számítható ki:

5.4.3.4. A járműfékpadot újra be kell állítani, ha a beállítási hiba nem felel meg az alábbi kritériumoknak:
ε ≤ 2 %, ha v ≥ 50 km/h
ε ≤ 3 %, ha 30 km/h ≤ v < 50 km/h
ε ≤ 10 %, ha v < 30 km/h
Az 5.4.3.1.-5.4.3.3. pontban meghatározott eljárást kell ismételni mindaddig, amíg a beállítási hiba meg nem felel a kritériumoknak.
5.5. A motorkerékpár vagy a motoros tricikli kondicionálása
5.5.1. A vizsgálat előtt a motorkerékpárt vagy a motoros triciklit olyan helyiségben kell tartani, amelyben a hőmérséklet 20 °C és 30 °C között viszonylag egyenletes marad. Ezt a kondicionálást addig kell folytatni, amíg a motorolaj és, ha van ilyen, a hűtőanyag hőmérséklete a helyiség hőmérsékletétől ± 2 K-nél kisebb mértékben tér el.
5.5.2. A gumiabroncs nyomásának meg kell felelnie a gyártó által a fék beállítására szolgáló előzetes közúti vizsgálat elvégzéséhez megadott értékkel. Azonban ha a görgők átmérője 500 mm-nél kisebb, akkor az abroncsok nyomását 30 % és 50 % közötti értékkel meg lehet növelni.
5.5.3. A hajtott kerék által hordozott tömeg megegyezik azzal, amikor a motorkerékpárt vagy motoros triciklit normál menetviszonyok mellett egy 75 kg tömegű vezető használja.
5.6. A gázelemző-készülékek kalibrálása
5.6.1. A gázelemző-készülékek kalibrálása
A berendezés megfelelő működéséhez szükséges adott nyomású gázmennyiség az egyes palackokra szerelt áramlás- és nyomásmérőn át kerül be az elemzőkészülékbe. A készüléket úgy kell beállítani, hogy stabilizálódott értékként a kalibráló gáz palackján feltüntetett értéket mutassa. A legnagyobb gáztartalmú palackkal kezdve fel kell rajzolni az elemzőkészülékek eltéréseinek görbéjét a különböző felhasznált kalibráló gázpalackok gáztartalmának függvényében. A lángionizációs elemzőkészülékek rendszeres kalibrálásához, amelyet havonta legalább egyszer el kell végezni, levegő és propán (vagy hexán), a teljes skála 50 %-ának és 90 %-ának megfelelő névleges szénhidrogén-koncentrációjú keverékét kell használni. A nem diszperzív infravörös abszorpciós elemzőkészülékek rendszeres kalibrálásához nitrogén és CO, illetve nitrogén és CO2,a teljes skála 10 %-ának, 40 %-ának, 60 %-ának, 85 %-ának és 90 %-ának megfelelő névleges koncentrációjú keverékét kell mérni. A kemilumineszcens NOx-elemző készülék kalibrálásához nitrogénnel hígított dinitrogén-oxid (N2O), a teljes skála 50 %-ának és 90 %-ának megfelelő névleges koncentrációjú keverékét kell használni. A vizsgálati kalibráláshoz, amelyet minden vizsgálatsorozat előtt el kell végezni mindhárom elemzőkészülék-típushoz, olyan keverékeket kell használni, amelyek a mérni kívánt gázokat a teljes skála 80 %-ának megfelelő koncentrációban tartalmazzák. A 100 %-os kalibráló gáznak az előírt koncentrációra való hígításához hígító berendezést lehet használni.
6. JÁRMŰFÉKPADOS VIZSGÁLATI ELJÁRÁS
6.1. A ciklus elvégzésének különleges feltételei
6.1.1. A helyiségben, ahol a járműfékpadot elhelyezték, a hőmérsékletnek 20 °C és 30 °C között kell lennie az egész vizsgálat alatt, és lehetőleg meg kell egyeznie annak a helyiségnek a hőmérsékletével, ahol a motorkerékpárt vagy motoros triciklit felkészítették.
6.1.2. A motorkerékpárnak vagy a motoros triciklinek lehetőleg vízszintes helyzetben kell lennie a vizsgálat során a rendellenes üzemanyag-eloszlás elkerülése érdekében.
6.1.3. A vizsgálat során a motorkerékpár előtt úgy kell elhelyezni egy állítható sebességű hűtőlégfúvót, hogy a motorra irányuló hűtő légáram a tényleges működési körülményeket szimulálja. A légfúvó sebességét úgy kell beállítani, hogy a 10 és 50 km/h közötti működési tartományban a légfúvótoroknál a levegő lineáris sebessége ± 5 km/h-nál kisebb mértékben térjen el a megfelelő görgő sebességétől. Az 50 km/h feletti tartományban a levegő lineáris sebességének ± 10 %-on belül kell lennie. 10 km/h-nál kisebb görgősebességek esetén a levegő sebessége nulla is lehet.
A fent említett légsebességet kilenc mérési pont átlagos értékeként kell meghatározni, amely pontok a fúvótorok egészét kilenc részre osztó (a fúvótorok vízszintes és függőleges oldalát három egyenlő részre osztó) téglalapok középpontjában helyezkednek el. Ebben a kilenc pontban az értékeknek az azokból képzett átlagtól való eltérése nem érheti el a 10 %-ot.
A fúvótoroknak legalább 0,4 m2 keresztmetszeti területűnek kell lennie, a fúvótorok első részének pedig a padlószint fölött 5-20 cm-re kell elhelyezkednie. A fúvótoroknak a motorkerékpár hossztengelyére merőlegesen, az első kerekétől 30-45 cm-re kell elhelyezkednie. A levegő lineáris sebességének mérésére használt készüléket a levegőkivezetéstől 0-20 cm-re kell elhelyezni.
6.1.4. A vizsgálat során a sebességet az idő függvényében kell ábrázolni, hogy ellenőrizni lehessen a menetciklusok helyes végrehajtását.
6.1.5. A hűtővíz és a forgattyúházban levő olaj hőmérsékletét fel lehet jegyezni.
6.2. A motor beindítása
6.2.1. Miután a gázok gyűjtésére, hígítására, elemzésére és mérésére szolgáló berendezésen az előzetes műveletek befejeződtek (lásd 7.1. pont), a motort az e célra szolgáló eszközök, úgymint a hidegindító, indítószelep stb. segítségével a gyártó utasításai szerint be kell indítani.
6.2.2. Az első menetciklus akkor kezdődik, amikor kezdetét veszi a mintavétel és a szivattyú fordulatainak mérése.
6.3. Kézi működtetésű hidegindító használata
6.3.1. A hidegindítót a lehető leghamarabb, elvben a 0-ról 50 km/h-ra való gyorsítás előtt ki kell kapcsolni. Ha ez az előírás nem teljesíthető, akkor fel kell jegyezni a tényleges kikapcsolás időpontját. A hidegindítót a gyártó utasításai szerint kell beállítani.
6.4. Alapjárat
6.4.1. Kézi sebességváltó
6.4.1.1. Az alapjárati szakaszok alatt a tengelykapcsolónak bekapcsolt állapotban, a sebességváltónak pedig üres állásban kell lennie.
6.4.1.2. A szabályos ciklusnak megfelelően végrehajtandó gyorsulások lehetővé tétele céljából kiemelt tengelykapcsoló mellett a szóban forgó alapjárati szakaszt követő gyorsítás megkezdése előtt öt másodperccel a gépjárművet első sebességfokozatba kell kapcsolni.
6.4.1.3. A ciklus kezdetekor az első alapjárati időszak hat másodperces alapjáratból, üres állásban lévő sebességváltóval és bekapcsolt tengelykapcsolóval, és öt másodperces, első fokozatba kapcsolt sebességváltóval és kiemelt tengelykapcsolóval végzett alapjáratból áll.
6.4.1.4. Az egyes ciklusok alatti alapjárati időszaknak megfelelő idők: 16 másodperc üres állásban lévő sebességváltóval és öt másodperc első fokozatban, kiemelt tengelykapcsoló mellett.
6.4.1.5. A ciklus utolsó alapjárati időszaka hét másodperces, üres állásban lévő sebességváltóval, bekapcsolt tengelykapcsolóval.
6.4.2. Félautomata sebességváltók
A gyártó városi vezetésre vonatkozó utasításait vagy ezek hiányában a kézi sebességváltókra vonatkozó utasításokat kell betartani.
6.4.3. Automata sebességváltók
A sebességválasztót a vizsgálatok során nem szabad működtetni, amennyiben azt a gyártó nem írja elő másképpen. Ez utóbbi esetben a kézi sebességváltóra vonatkozó eljárást kell alkalmazni.
6.5. Gyorsítások
6.5.1. A gyorsításokat úgy kell végrehajtani, hogy a gyorsulások mértéke, amennyire lehet, az egész művelet alatt állandó maradjon.
6.5.2. Ha a motorkerékpár vagy a motoros tricikli nem tud megfelelően gyorsulni a gyorsítási ciklusok időtűréseken belüli végrehajtásához, akkor a motorkerékpárt vagy a motoros triciklit teljesennyitott fojtószeleppel kell járatni, amíg el nem éri a ciklushoz előírt sebességet; a ciklus ezek után szabályosan folytatódhat.
6.6. Lassítások
6.6.1. Minden lassítást a fojtószelep teljes zárásával, bekapcsolt tengelykapcsoló mellett kell végrehajtani. A motor lekapcsolása 10 km/h sebesség elérésekor történik.
6.6.2. Ha a lassítási szakasz hosszabb annál, mint amit a megfelelő szakaszra előírtak, a ciklus betartása érdekében használni kell a gépjármű fékjeit.
6.6.3. Ha a lassítási szakasz rövidebb annál, mint amit a megfelelő szakaszra előírtak, az elméleti ciklus időrendjét egy állandó sebességű vagy egy alapjárati időszaknak a következő állandó sebességű vagy alapjárati időszakaszhoz való illesztésével kell helyreállítani. Ebben az esetben a 2.4.3. pontot nem kell alkalmazni.
6.6.4. A lassítási szakasz végén (a motorkerékpár vagy motoros tricikli megállítása a görgőkön) a sebességváltót üres állásba kell helyezni, és a tengelykapcsolót be kell kapcsolni.
6.7. Állandó sebességek
6.7.1. A gyorsításról a következő állandó sebességű időszakra való áttérésnél kerülni kell a "pumpálást" vagy a fojtószelep lezárását.
6.7.2. Az állandó sebességű időszakokban a gázpedált meghatározott állásban kell tartani.
7. KIBOCSÁTÁSOK MINTAVÉTELI, GÁZELEMZÉSI ÉS TÉRFOGATMÉRÉSI ELJÁRÁSA
7.1. A motorkerékpár vagy motoros tricikli beindítása előtt elvégzendő műveletek
7.1.1. Az Sa és Sb minták gyűjtésére szolgáló zsákokat ki kell üríteni és le kell zárni.
7.1.2. A P1 forgó mozgású térfogat-kiszorításos szivattyút be kell kapcsolni a fordulatszámmérő elindítása nélkül.
7.1.3. A mintavételhez a P2 és P3 szivattyút be kell kapcsolni, úgy állítva be a szelepeket, hogy azok a keletkezett gázokat a légkörbe vezessék; a gázáramlást a V2 és V3 szelepen keresztül kell szabályozni.
7.1.4. A T hőmérsékletet, valamint a g1 és g2 nyomást rögzítő készülékeket működésbe kell helyezni.
7.1.5. A CT fordulatszámmérőt és a görgő fordulatszámmérőjét nullázni kell.
7.2. A mintavétel és a térfogatmérések megkezdése
7.2.1. A 7.2.2. és 7.2.5. pontban előírt műveleteket egyidejűleg kell végrehajtani.
7.2.2. Az elterelő szelepeket úgy kell beállítani, hogy a mintákat, amelyeket eddig a légkörbe vezettek ki, folyamatosan gyűjtsék az Sa és Sb zsákba az S2 és S3 szondán keresztül.
7.2.3. A vizsgálat megkezdésének időpontját azon az analóg grafikonon kell megjelölni, amely a T hőmérsékletmérő és a g1 és g2 differenciál-nyomásmérő mérési eredményeit rögzíti.
7.2.4. A P1 szivattyú fordulatainak teljes számát rögzítő számlálót el kell indítani.
7.2.5. A 6.1.3. pontban említett készüléket, amely légáramot juttat a motorkerékpárra vagy motoros triciklire, el kell indítani.
7.3. A mintavétel és a térfogatmérés vége
7.3.1. A vizsgálati ciklus végén a 7.3.2.-7.3.5. pontban leírt műveleteket egyidejűleg kell végrehajtani.
7.3.2. Az elterelő szelepeket úgy kell beállítani, hogy lezárják az Sa és Sb zsákot, és a P2 és P3 szivattyú által az S2 és S3 szondán át beszívott mintákat a légkörbe juttassák.
7.3.3. A vizsgálat befejezésének időpontját a 7.2.3. pontban említett analóg grafikonon fel kell tüntetni.
7.3.4. A P1 szivattyú fordulatszámmérőjét le kell állítani.
7.3.5. A 6.1.3. pontban említett készüléket, amely légáramot juttat a motorkerékpárra vagy motoros triciklire, le kell állítani.
7.4. Gázelemzés
7.4.1. A zsákokban lévő gázt a lehető legrövidebb időn belül, de minden körülmények között legfeljebb a vizsgálati ciklus végétől számított húsz percen belül elemezni kell.
7.4.2. Az egyes minták elemzése előtt a gázelemzőnek az egyes szennyezőanyagokhoz használandó tartományát a megfelelő beállítógázzal le kell nullázni.
7.4.3. Az elemző készülékeket ezután a tartomány 70 és 100 %-a közötti névleges koncentrációjú beállítógázok segítségével be kell állítani a kalibrációs görbékre.
7.4.4. Az elemző készülékek nulla pontját ezután újra ellenőrizni kell. Ha a leolvasás a tartomány 2 %-ánál nagyobb mértékben eltér a 7.4.2. pontban beállított értéktől, az eljárást meg kell ismételni.
7.4.5. A mintákat ezután elemezni kell.
7.4.6. Az elemzés után a nulla és beállítási pontokat ugyanazokkal a gázokkal újra ellenőrizni kell. Ha ezek az ellenőrzések a 7.4.3. pontban szereplőktől 2 %-nál kisebb mértékben térnek el, akkor az elemzést elfogadhatónak lehet minősíteni.
7.4.7. Az elemzés e szakaszában minden ponton a különböző gázok áramlási sebességének és nyomásának meg kell egyeznie az elemző készülék kalibrálásánál alkalmazott értékekkel.
7.4.8. A gázokban az egyes mért szennyeződések koncentrációjának elfogadott értéke a mérőeszköz stabilizálódása után leolvasott érték.
7.5. A megtett távolság mérése
A kilométerekben kifejezett ténylegesen megtett S távolságot a fordulatszámmérő által mutatott teljes fordulatszámot a görgő méretével megszorozva lehet kiszámítani (lásd a 4.1.1. pontot).
8. A KIBOCSÁTOTT GÁZNEMŰ SZENNYŐANYAGOK MENNYISÉGÉNEK MEGHATÁROZÁSA
8.1. A vizsgálat során kibocsátott szén-monoxid gáz tömegét az alábbi képlettel határozhatjuk meg:

ahol:
8.1.1. COM a vizsgálat során kibocsátott szén-monoxid gáz tömege g/km-ben kifejezve;
8.1.2. S a 7.5. pontban meghatározott távolság;
8.1.3. dCO a szénmonoxid sűrűsége 0 °C hőmérsékleten és 101,33 kPa nyomáson (= 1,250 kg/m3);
8.1.4. COc a hígított gázokban jelen levő szénmonoxid ppm-ben megadott és a hígító levegőben jelen levő szennyeződések figyelembe vételével helyesbített térfogati koncentrációja:

ahol:
8.1.4.1. COe a szénmonoxid ppm-ben mért koncentrációja az Sb zsákban gyűjtött hígítottgáz-mintában;
8.1.4.2. COd a szénmonoxid ppm-ben mért koncentrációja az Sa zsákban gyűjtött hígítólevegő-mintában;
8.1.4.3. DF a 8.4. pontban meghatározott együttható.
8.1.5. V a hígított gázok m3/vizsgálat mértékegységben megadott teljes térfogata 0 °C (273 °K) referencia-hőmérsékleten és 101,33 kPa referencianyomáson,

ahol:
8.1.5.1. V0 a P1 szivattyú által egyetlen fordulat alatt kiszorított gáz m3/fordulatban kifejezett térfogata. Ez a térfogat magának a szivattyúnak a bemeneti és kimeneti szakasza közötti nyomáskülönbség függvénye,
8.1.5.2. N a P1 szivattyú által az egyes vizsgálati szakaszokban megtett fordulatok száma,
8.1.5.3. Pa a kPa-ban kifejezett légköri nyomás;
8.1.5.4. Pi a P1 szivattyú bemeneti szakaszában mért, kPa-ban kifejezett nyomáscsökkenés a négy ciklus végrehajtásasorán;
8.1.5.5. Tp a hígított gázoknak a P1 szivattyú bemeneti szakaszában mért hőmérséklete a négy ciklus végrehajtása során.
8.2. A motorkerékpár vagy motoros tricikli kipufogócsövén át a vizsgálat során kibocsátott el nem égett szénhidrogének tömegét az alábbi képlettel kell kiszámítani:

ahol:
8.2.1. HCM a vizsgálat során kibocsátott szénhidrogének g/km-ben kifejezett tömege;
8.2.2. S a 7.5. pontban meghatározott távolság;
8.2.3. dHC a szénhidrogének sűrűsége 0 °C hőmérsékleten és 101,33 kPa nyomáson 1:1,85 átlagos szén/hidrogén arány mellett (= 0,619 kg/m3);
8.2.4. HCc a hígított gázok szénegyenérték-ppm-ben kifejezett és a hígítólevegő figyelembevételével korrigált koncentrációja (például: a propán koncentrációja 3-al szorozva):

ahol:
8.2.4.1. HCe a szénhidrogének szénegyenérték-ppm-ben kifejezett koncentrációja az Sb zsákban összegyűjtött hígítottgáz-mintában;
8.2.4.2. HCd a szénhidrogének szénegyenérték-ppm-ben kifejezett koncentrációja az Sa zsákban összegyűjtött hígítólevegő-mintában;
8.2.4.3. DF a 8.4. pontban meghatározott együttható;
8.2.5. V a teljes térfogat (lásd a 8.1.5. pontot).
8.3. A motorkerékpár vagy motoros tricikli kipufogócsövén át a vizsgálat során kibocsátott nitrogénoxidok tömegét az alábbi képlettel kell kiszámítani:

ahol:
8.3.1. Az NOxM a vizsgálat során kibocsátott nitrogénoxidok g/km-ben kifejezett tömege;
8.3.2. S a 7.5. pontban meghatározott távolság;
8.3.3. dNO2 a nitrogénoxidok sűrűsége a kipufogógázokban, NO2 egyenértékben kifejezve, 0 °C hőmérsékleten és 101,33 kPa nyomáson (= 2,05 kg/m3);
8.3.4. NOxM a nitrogénoxidok koncentrációja a hígított gázokban, ppm-ben kifejezve és a hígítólevegő figyelembevételével korrigálva:

ahol:
8.3.4.1. NOxc a nitrogénoxidok ppm-ben kifejezett koncentrációja az Sa zsákban összegyűjtött hígítottgáz-mintában;
8.3.4.2. NOxd a nitrogénoxidok ppm-ben kifejezett koncentrációja az Sb zsákban összegyűjtött hígítólevegő-mintában;
8.3.4.3. DF a 8.4. pontban meghatározott együttható;
8.3.5. Kh a páratartalom korrekciós tényezője:

ahol:
8.3.5.1. H az abszolút páratartalom a száraz levegő kilogrammjában jelen levő víz grammjában kifejezve:

ahol:
8.3.5.1.1. U a százalékban kifejezett páratartalom;
8.3.5.1.2. Pd a telített vízgőz nyomása kPa-ban, a vizsgálati hőmérsékleten;
8.3.5.1.3. Pa a légköri nyomás kPa-ban;
8.4. DF egy, az alábbi képlet segítségével kifejezett együttható:

ahol:
8.4.1. CO, CO2 és HC a szénmonoxid, a széndioxid és a szénhidrogének koncentrációja az Sa zsákban levő hígítottgáz-minta százalékában kifejezve.
1a. alfüggelék
AZ I. TÍPUSÚ VIZSGÁLATOKNÁL ALKALMAZOTT MŰVELETI CIKLUSOK FELOSZTÁSA
A városi alapciklus műveleti ciklusa a járműfékpadon
(lásd: 1. függelék, 2.1. pont)
Az I. típusú vizsgálat városi alapciklusának műveleti ciklusa
(lásd: 1. függelék, 1. alfüggelék)
A városon kívüli ciklus műveleti ciklusa a járműfékpadon
Műveletek száma | Műveletek | Szakasz | Gyorsulás (m/s2) | Sebesség (km/h) | Az egyes műveleti szakaszok időtartama | Halmozott idő (mp) | Kézi sebességváltó esetén használandó sebességfokozat | |
(mp) | (mp) | |||||||
1 | Alapjárat | 1 | 20 | 20 | 20 | Lásd a 2. függelék 2.3.3. pontját - a városon kívüli ciklus során a sebességváltónak a gyártó utasításai szerinti használata | ||
2 | Gyorsítás | 0,83 | 0-15 | 5 | 25 | |||
3 | Sebességváltás | 2 | 27 | |||||
4 | Gyorsítás | 0,62 | 15-35 | 9 | 36 | |||
5 | Sebességváltás | 2 | 2 | 41 | 38 | |||
6 | Gyorsítás | 0,52 | 35-50 | 8 | 46 | |||
7 | Sebességváltás | 2 | 48 | |||||
8 | Gyorsítás | 0,43 | 50-70 | 13 | 61 | |||
9 | Állandó sebesség | 3 | 70 | 50 | 50 | 111 | ||
10 | Lassítás | 4 | - 0,69 | 70-50 | 8 | 8 | 119 | |
11 | Állandó sebesség | 5 | 50 | 69 | 69 | 188 | ||
12 | Gyorsítás | 6 | 0,43 | 50-70 | 13 | 13 | 201 | |
13 | Állandó sebesség | 7 | 70 | 50 | 50 | 251 | ||
14 | Gyorsítás | 8 | 0,24 | 70-100 | 35 | 35 | 286 | |
15 | Állandó sebesség | 9 | 100 | 30 | 30 | 316 | ||
16 | Gyorsítás | 10 | 0,28 | 100-120 | 20 | 20 | 336 | |
17 | Állandó sebesség | 11 | 120 | 10 | 20 | 346 | ||
18 | Lassítás | - 0,69 | 120-80 | 16 | 362 | |||
19 | Lassítás | 12 | - 1,04 | 80-50 | 8 | 34 | 370 | |
20 | Lassítás, tengelykapcsoló | - 1,39 | 50-0 | 10 | 380 | |||
kiemelve | ||||||||
21 | Alapjárat | 13 | 20 | 20 | 400 |
Az I. típusú vizsgálat városon kívüli ciklusának műveleti ciklusa
(lásd a 91/441/EGK irányelv ( 66 ) III. melléklete 1. függelékének 3. pontját)"
2. függelék
II. típusú vizsgálat
(a szén-monoxid-kibocsátás mérése alapjáraton)
1. BEVEZETÉS
A II. melléklet 2.2.1.2. pontjában leírt II. típusú vizsgálati eljárás.
2. MÉRÉSI FELTÉTELEK
2.1. A IV. mellékletben előírt tüzelőnyagot kell használni.
2.2. A II. melléklet 2.2.1.2. pontjában meghatározott II. típusú vizsgálat mérését közvetlenül az I. típusú vizsgálat után a motor szokásos és magas alapjárati fordulatán kell elvégezni.
2.3. Kézi vagy félautomata sebességváltóval felszerelt motorkerékpárok vagy motoros triciklik esetében a vizsgálatot "semleges" helyzetben lévő hajtóművel és bekapcsolt tengelykapcsolóval kell elvégezni.
2.4. Automata sebességváltóval felszerelt motorkerékpárok vagy motoros triciklik esetében a vizsgálatot "0" vagy "park" állásban lévő kapcsolókar mellett kell elvégezni.
3. A KIPUFOGÓGÁZOK MINTAVÉTELE
3.1. A kipufogócsőre elegendően hosszú, szivárgásmentes toldatot kell szerelni, amely lehetővé teszi egy legalább 60 cm hosszú kipufogógáz-mintavevő-szonda behelyezését anélkül, hogy az ellennyomás 1,25 kPa-nál nagyobb mértékben emelkedne és, hogy hatással lenne a motorkerékpár vagy a motoros tricikli működésére. Mindazonáltal olyan alakú toldatot kell használni, hogy elkerülhető legyen a kipufogógáz észrevehető mértékű levegőhígítása a mintavevő szonda helyén. Ha a motorkerékpár vagy a motoros tricikli egynél több kipufogócsővel van felszerelve, vagy ezeket kell egy közös csőbe bekötni, vagy minden csőnél külön kell meghatározni a szén-monoxid-koncentrációt, és a mérési eredményt ezek számtani középértéke adja.
3.2. A CO(CCO)- és CO2(CCO2)-koncentrációkat a készülékek vagy regisztrálóműszerek leolvasásával és a megfelelő kalibrációs táblázatok felhasználásával kell meghatározni.
3.3. Kétütemű motoroknál a korrigált szén-monoxid-koncentráció az alábbi:

3.4. Négyütemű motoroknál a korrigált szén-monoxid-koncentráció az alábbi:

3.5. Nem kell a mért CCO-koncentrációt (3.2. pont) a 3.3. vagy a 3.4. pontban szereplő képlet szerint helyesbíteni, ha a mért koncentrációk (CCO + CCO2) értéke kétütemű motorok esetében 10-nél, négyütemű motorok esetében 15-nél több.
3. függelék
A hibrid elektromos motorkerékpárok, illetve a három- és négykerekű hibrid elektromos motorkerékpárok kibocsátásmérési eljárása
1. HATÁLY
Ez a melléklet meghatározza a hibrid elektromos járművek típusjóváhagyására vonatkozó egyedi rendelkezéseket.
2. A HIBRID ELEKTROMOS JÁRMŰVEK KATEGÓRIÁI
A jármű feltöltése | Járműn kívüli feltöltés (1) (OVC) | Nem járműn kívüli feltöltés (2) (NOVC) | ||
Üzemmódkapcsoló | nincs | van | nincs | van |
(1) „Külső feltöltésűnek” is nevezik. (2) „Nem külső feltöltésűnek” is nevezik. |
3. I. TÍPUSÚ VIZSGÁLATI MÓDSZEREK
A hibrid elektromos motorkerékpárok vagy háromkerekű motorkerékpárok I. típusú vizsgálatát az alkalmazandó vizsgálati eljárás szerint kell végezni (1. vagy 1a. függelék), ahogyan azt a II. melléklet 2.2.1.1.5. pontja előírja. A kibocsátásmérés eredményének valamennyi vizsgálati feltételnél meg kell felelnie a II. melléklet 2.2.1.1.5. pontjában meghatározott határértékeknek.
3.1. Külső feltöltésű hibrid elektromos járművek (OVC HEV) üzemmódkapcsoló nélkül
3.1.1. Két vizsgálatot kell elvégezni az alábbi feltételek mellett:
A. feltétel: a vizsgálatot teljesen feltöltött elektromosenergia-tároló eszközzel kell elvégezni.
B. feltétel: a vizsgálatot minimális töltöttségi szinten levő elektromosenergia-tároló eszközzel kell elvégezni (maximális lemerítés).
Az elektromosenergia-tároló eszköz töltöttségi szintjének profilját az I. típusú vizsgálat különböző szakaszai alatt a 3. alfüggelék határozza meg.
3.1.2. A. feltétel
3.1.2.1. Az eljárás lemerítéssel kezdődik, amit a jármű vezetésével kell elérni, a következő módon:
a) 50 km/h állandó sebességgel, míg a hibrid elektromos jármű üzemanyag-fogyasztó motorja be nem indul; vagy
b) ha a jármű nem tudja elérni az 50 km/h állandó sebességet az üzemanyag-fogyasztó motor beindulása nélkül, a sebességet csökkenteni kell, hogy a jármű olyan kisebb állandó sebességgel haladjon, amelynél az üzemanyag-fogyasztó motor nem indul be egy meghatározott idő/távolság alatt (ezt a műszaki szolgálat és a gyártó közösen határozza meg); vagy
c) a gyártó ajánlása szerint.
Az üzemanyag-fogyasztó motort automatikus beindulása után 10 másodpercen belül le kell állítani.
3.1.2.2. A jármű előkezelése
3.1.2.2.1. A vizsgálat előtt a járművet olyan helyiségben kell tartani, amelyben a hőmérséklet 293 és 303 K (20 °C és 30 °C) között viszonylag állandó. Ezt az előkezelést legalább hat órán keresztül kell folytatni mindaddig, amíg a motorolaj és a hűtőfolyadék (ha van) hőmérséklete el nem éri a helyiség hőmérsékletét ± 2 K értékhatáron belül, és az elektromosenergia-tároló eszköz teljesen fel nem töltődik a 3.1.2.2.2. pontban előírt feltöltés eredményeként.
3.1.2.2.2. Előkezelés közben az elektromosenergia-tároló eszközt fel kell feltölteni, a 2. alfüggelék 4.1.2. pontjában meghatározott normál éjszakai töltési eljárás alkalmazásával.
3.1.2.3. Vizsgálati eljárás
3.1.2.3.1. A járművet a vezető számára a normál használatra biztosított eszközökkel kell beindítani. Az első ciklus a jármű beindításakor kezdődik.
3.1.2.3.2. Vagy a 3.1.2.3.2.1., vagy a 3.1.2.3.2.2. pontban meghatározott vizsgálati eljárást lehet használni.
3.1.2.3.2.1. A mintavételt a jármű beindítása előtt vagy azzal egyidejűleg kell elkezdeni, befejezni (a mintavétel vége) pedig az alkalmazandó vizsgálati eljárás (1. vagy 1a. függelék) szerint kell.
3.1.2.3.2.2. A mintavételt a jármű beindítása előtt vagy azzal egyidejűleg kell elkezdeni, és több ismétlődő mérési cikluson keresztül folytatni kell. Befejezni az utolsó alapjárati szakaszt követően kell, amikor az elektromosenergia-tároló eszköz az alább meghatározott kritérium szerint elérte a minimális töltöttségi szintet (a mintavétel vége).
Az 1. alfüggelékben megadott eljárással mért Q töltési mérleget (Ah) annak meghatározására használják, hogy mikor érte el az elektromosenergia-tároló eszköz a minimális töltöttségi szintet.
Akkor tekinthető úgy, hogy az energiatároló eszköz az N mérési ciklusban elérte a minimális töltöttségi szintet, ha töltési mérlege az N + 1 mérési ciklus során legfeljebb 3 %-os lemerülést mutat, a maximális töltöttségi szintű energiatároló eszköz (Ah-ban megadott) névleges kapacitásának százalékában kifejezve.
A gyártó kérésére további mérési ciklusokat lehet végezni, amelyek eredményeit fel lehet használni a 3.1.2.3.5. és 3.1.2.3.6. pontban meghatározott számításokban, feltéve, hogy az energiatároló eszköz töltési mérlege minden további mérési ciklusban kisebb lemerülést mutat, mint a megelőző ciklusban.
Az egyes mérési ciklusok között egy-egy, legfeljebb 10 perces szünetet lehet tartani, amely alatt a motor nem hűl ki.
3.1.2.3.3. A járművet az alkalmazandó vizsgálati eljárás (1. vagy 1a. függelék) szerint kell vezetni.
3.1.2.3.4. A kipufogógázokat az alkalmazandó vizsgálati eljárás (1. vagy 1a. függelék) szerint kell elemezni.
3.1.2.3.5. Az A. feltétel szerinti kombinált ciklus eredményeit az m1 érték gyanánt kell feljegyezni. A 3.1.2.3.2.1. pont szerint végzett vizsgálat esetén az m1 egyszerűen az egyszeri mérési ciklus grammban kifejezett eredményeinek felel meg. A 3.1.2.3.2.2. pont szerinti vizsgálat esetén az m1 az N lefuttatott ciklus eredményeinek grammban kifejezett összege.

3.1.2.3.6. Az egyes szennyező anyagok g/km-ben megadott átlagos kibocsátott tömegét (M1) az A. feltétel mellett a következő módon kell kiszámítani:
M1 = m1/Dtest1
ahol a Dtest1 az A. feltétel szerint végzett vizsgálat során a járművel ténylegesen megtett össztávolság.
3.1.3. B. feltétel
3.1.3.1. A jármű előkezelése
3.1.3.1.1. A jármű elektromosenergia-tároló eszközét le kell meríteni a 3.1.2.1. pont szerint.
3.1.3.1.2. A vizsgálat előtt a járművet olyan helyiségben kell tartani, amelyben a hőmérséklet 293 és 303 K (20 °C és 30 °C) között viszonylag állandó. Az előkezelést legalább 6 órán keresztül kell folytatni mindaddig, amíg a motorolaj és a hűtőfolyadék (ha van) hőmérséklete el nem éri a helyiség hőmérsékletét ± 2 K értékhatáron belül.
3.1.3.2. Vizsgálati eljárás
3.1.3.2.1. A járművet a vezető számára a normál használatra biztosított eszközökkel kell beindítani. Az első ciklus a jármű beindításakor kezdődik.
3.1.3.2.2. A mintavételt a jármű beindítása előtt vagy azzal egyidejűleg kell elkezdeni, befejezni (a mintavétel vége) pedig az alkalmazandó vizsgálati eljárás (1. vagy 1a. függelék) szerint kell.
3.1.3.2.3. A járművet az alkalmazandó vizsgálati eljárás (1. vagy 1a. függelék) szerint kell vezetni.
3.1.3.2.4. A kipufogógázokat az alkalmazandó vizsgálati eljárás (1. vagy 1a. függelék) szerint kell elemezni.
3.1.3.2.5. A B. feltétel szerinti kombinált ciklus eredményeit az m2 érték gyanánt kell feljegyezni.
3.1.3.2.6. Az egyes szennyező anyagok g/km-ben megadott átlagos kibocsátott tömegét (M2) a B. feltétel mellett a következő módon kell kiszámítani:
M2 = m2/Dtest2
ahol a Dtest2 a B. feltétel szerint végzett vizsgálat során a járművel ténylegesen megtett össztávolság.
3.1.4. Vizsgálati eredmények
3.1.4.1. A 3.1.2.3.2.1. pont szerint végzett vizsgálat esetén a súlyozott értékeket a következőképpen kell kiszámolni:
M = (De · M1 + Dav · M2)/(De + Dav)
ahol:
M = a kibocsátott szennyező anyag g/km-ben megadott tömege
M1 = a kibocsátott szennyező anyag g/km-ben megadott átlagos tömege teljesen feltöltött elektromosenergia-tároló eszköz mellett
M2 = a kibocsátott szennyező anyag g/km-ben megadott átlagos tömege minimális töltöttségi szinten levő elektromosenergia-tároló eszköz (maximális lemerítés) mellett
De = a jármű hatósugara elektromos üzemmódban a 2. alfüggelékben leírt eljárás szerint
Dav
=
az a feltételezett, átlagos távolság, amelyet a B. feltétel szerint használt jármű az energiatároló eszköz két feltöltése között megtesz:
- 4 km az 1. kategóriájú motorkerékpárok esetén (motor-lökettérfogat < 150 cm3),
- 6 km a 2. kategóriájú motorkerékpárok esetén (motor-lökettérfogat ≥ 150 cm3, Vmax < 130 km/h),
- 10 km a 3. kategóriájú motorkerékpárok esetén (motor-lökettérfogat ≥ 150 cm3, Vmax < 130 km/h).
3.1.4.2. A 3.1.2.3.2.2. pont szerint végzett vizsgálat esetén a súlyozott értékeket a következőképpen kell kiszámolni:
M = (Dovc · M1 + Dav · M2)/(Dovc + Dav)
ahol:
M = a kibocsátott szennyező anyag g/km-ben megadott tömege
M1 = a kibocsátott szennyező anyag g/km-ben megadott átlagos tömege teljesen feltöltött elektromosenergia-tároló eszköz mellett
M2 = a kibocsátott szennyező anyag g/km-ben megadott átlagos tömege minimális töltöttségi szinten levő elektromosenergia-tároló eszköz (maximális lemerítés) mellett
Dovc = a jármű külső feltöltésének hatósugara a 2. alfüggelékben leírt eljárás szerint
Dav
=
az a feltételezett, átlagos távolság, amelyet a B. feltétel szerint használt jármű az energiatároló eszköz két feltöltése között megtesz:
- 4 km az 1. kategóriájú motorkerékpárok esetén (motor-lökettérfogat < 150 cm3),
- 6 km a 2. kategóriájú motorkerékpárok esetén (motor-lökettérfogat ≥ 150 cm3, Vmax < 130 km/h),
- 10 km a 3. kategóriájú motorkerékpárok esetén (motor-lökettérfogat ≥ 150 cm3, Vmax < 130 km/h).
3.2. Külső töltésű hibrid elektromos járművek (OVC HEV) üzemmódkapcsolóval
3.2.1. Két vizsgálatot kell elvégezni az alábbi feltételek mellett:
3.2.1.1. A. feltétel: a vizsgálatot teljesen feltöltött elektromos energiatároló eszközzel kell elvégezni.
3.2.1.2. B. feltétel: a vizsgálatot minimális töltöttségi szinten levő elektromosenergia-tároló eszközzel kell elvégezni (maximális lemerítés).
3.2.1.3. Az üzemmódkapcsolót az alábbi táblázat szerint kell beállítani:
Rendelkezésre álló üzemmódok | — Tisztán elektromos — Hibrid (1) | — Tisztán üzemanyag-fogyasztó — Hibrid (1) | — Tisztán elektromos — Tisztán üzemanyag-fogyasztó — Hibrid (1) | — „n” hibrid üzemmód — … — „m” hibrid üzemmód |
Az üzemmód-kapcsoló helyzete az A. feltétel mellett (maximális töltöttségi szint) | Hibrid (1) | Hibrid (1) | Hibrid (1) | A legnagyobb elektromosenergia-fogyasztású hibrid üzemmód (2) |
Az üzemmód-kapcsoló helyzete a B. feltétel mellett (minimális töltöttségi szint) | Hibrid (1) | Üzemanyag-fogyasztó | Üzemanyag-fogyasztó | A legnagyobb üzemanyag-fogyasztású hibrid üzemmód (3) |
(1) Ha a járműnek több hibrid üzemmódja van, a jobb oldali, utolsó oszlopban megadott eljárást kell használni. (2) A legnagyobb elektromosenergia-fogyasztású hibrid üzemmód: (3) A legnagyobb üzemanyag-fogyasztású hibrid üzemmód: |
3.2.2. A. feltétel
3.2.2.1. Ha a jármű hatósugara tisztán elektromos üzemmódban nagyobb egy teljes ciklusnál, a gyártó kérésére - a műszaki szolgálat beleegyezésével - a tisztán elektromos üzemmódban az I. típusú vizsgálatot is el lehet végezni. Ebben az esetben a 3.2.2.4.5. pontban szereplő m1 értéke nulla.
3.2.2.2. Az eljárás az elektromosenergia-tároló eszköz lemerítésével kezdődik.
3.2.2.2.1. Ha a jármű tisztán elektromos üzemmódban is üzemeltethető, az elektromosenergia-tároló eszköz lemerítését a járműnek az üzemmódkapcsoló tisztán elektromos üzemmódra való beállítása melletti vezetésével (próbapályán, görgős fékpadon stb.) kell elérni, olyan állandó sebességnél, amely ± 5 % értékhatáron belül megfelel a gyártó által megadott maximális sebesség 70 %-ának A lemerítés véget ér, ha az alábbi helyzetek valamelyike bekövetkezik:
a) a jármű nem képes maximális sebessége 65 %-ának megfelelő sebességgel haladni;
b) a vezető a szabványos fedélzeti műszerektől jelzést kap a jármű megállítására;
c) 100 km megtétele után.
3.2.2.2.2. Ha a jármű nem üzemeltethető tisztán elektromos üzemmódban, az elektromosenergia-tároló eszköz lemerítését a jármű vezetésével kell elérni, a következő módon:
a) 50 km/h állandó sebességgel vagy a tisztán elektromos üzemmódban lehetséges maximális sebességgel, amíg a hibrid elektromos jármű üzemanyag-fogyasztó motorja be nem indul; vagy
b) ha a jármű nem tudja elérni az 50 km/h állandó sebességet az üzemanyag-fogyasztó motor beindulása nélkül, a sebességet csökkenteni kell, hogy a jármű olyan kisebb állandó sebességgel haladjon, amelynél az üzemanyag-fogyasztó motor nem indul be egy meghatározott idő/távolság alatt (ezt a műszaki szolgálat és a gyártó közösen határozza meg); vagy
c) a gyártó ajánlása szerint.
Az üzemanyag-fogyasztó motort automatikus beindulása után 10 másodpercen belül le kell állítani.
3.2.2.3. A jármű előkezelése
3.2.2.3.1. A vizsgálat előtt a járművet olyan helyiségben kell tartani, amelyben a hőmérséklet 293 és 303 K (20 °C és 30 °C) között viszonylag állandó. Ezt az előkezelést legalább hat órán keresztül kell folytatni mindaddig, amíg a motorolaj és a hűtőfolyadék (ha van) hőmérséklete el nem éri a helyiség hőmérsékletét ± 2 K értékhatáron belül, és az elektromosenergia-tároló eszköz teljesen fel nem töltődik a 3.2.2.3.2. pontban előírt feltöltés eredményeként.
3.2.2.3.2. Előkezelés közben az elektromosenergia-tároló eszközt fel kell feltölteni, a 2. alfüggelék 4.1.2. pontjában meghatározott normál éjszakai töltési eljárás alkalmazásával.
3.2.2.4. Vizsgálati eljárás
3.2.2.4.1. A járművet a vezető számára a normál használatra biztosított eszközökkel kell beindítani. Az első ciklus a jármű beindításakor kezdődik.
3.2.2.4.2. Vagy a 3.2.2.4.2.1., vagy a 3.2.2.4.2.2. pontban meghatározott vizsgálati eljárást lehet használni.
3.2.2.4.2.1. A mintavételt a jármű beindítása előtt vagy azzal egyidejűleg kell elkezdeni, befejezni (a mintavétel vége) pedig az alkalmazandó vizsgálati eljárás (1. vagy 1a. függelék) szerint kell.
3.2.2.4.2.2. A mintavételt a jármű beindítása előtt vagy azzal egyidejűleg kell elkezdeni, és több ismétlődő mérési cikluson keresztül folytatni kell. Befejezni az utolsó alapjárati szakaszt követően kell, amikor az elektromosenergia-tároló eszköz az alább meghatározott kritérium szerint elérte a minimális töltöttségi szintet (a mintavétel vége).
Az 1. alfüggelékben megadott eljárással mért Q töltési mérleget (Ah) annak meghatározására használják, hogy mikor érte el az elektromosenergia-tároló eszköz a minimális töltöttségi szintet.
Akkor tekinthető úgy, hogy az energiatároló eszköz az N mérési ciklusban elérte a minimális töltöttségi szintet, ha töltési mérlege az N + 1 mérési ciklus során legfeljebb 3 %-os lemerülést mutat, a maximális töltöttségi szintű energiatároló eszköz (Ah-ban megadott) névleges kapacitásának százalékában kifejezve.
A gyártó kérésére további mérési ciklusokat lehet végezni, amelyek eredményeit fel lehet használni a 3.2.2.4.5. és 3.2.2.4.6. pontban meghatározott számításokban, feltéve, hogy az energiatároló eszköz töltési mérlege minden további mérési ciklusban kisebb lemerülést mutat, mint a megelőző ciklusban.
Az egyes mérési ciklusok között egy-egy, legfeljebb 10 perces szünetet lehet tartani, amely alatt a motor nem hűl ki.
3.2.2.4.3. A járművet az alkalmazandó vizsgálati eljárás (1. vagy 1a. függelék) szerint kell vezetni.
3.2.2.4.4. A kipufogógázokat az alkalmazandó vizsgálati eljárás (1. vagy 1a. függelék) szerint kell elemezni.
3.2.2.4.5. Az A. feltétel szerinti kombinált ciklus eredményeit az m1 érték gyanánt kell feljegyezni. A 3.2.2.4.2.1. pont szerint végzett vizsgálat esetén az m1 egyszerűen az egyszeri mérési ciklus grammban kifejezett eredményeinek felel meg. A 3.2.2.4.2.2. pont szerinti vizsgálat esetén az m1 az N lefuttatott ciklus eredményeinek grammban kifejezett összege.

3.2.2.4.6. Az egyes szennyező anyagok g/km-ben megadott átlagos kibocsátott tömegét (M1) az A. feltétel mellett a következő módon kell kiszámítani:
M1 = m1/Dtest1
ahol a Dtest1 az A. feltétel szerint végzett vizsgálat során a járművel ténylegesen megtett össztávolság.
3.2.3. B. feltétel
3.2.3.1. Ha a jármű több hibrid üzemmódban (pl. sport, gazdaságos, városi, városon kívüli) képes üzemelni, a kapcsolót úgy kell beállítani, hogy a jármű a legnagyobb üzemanyag-fogyasztású hibrid üzemmódban működjön (lásd a 3.2.1.3. pont alatti 3. megjegyzést).
3.2.3.2. A jármű előkezelése
3.2.3.2.1. A jármű elektromosenergia-tároló eszközét le kell meríteni a 3.2.2.2. bekezdés szerint.
3.2.3.2.2. A vizsgálat előtt a járművet olyan helyiségben kell tartani, amelyben a hőmérséklet 293 és 303 K (20 °C és 30 °C) között viszonylag állandó. Az előkezelést legalább 6 órán keresztül kell folytatni mindaddig, amíg a motorolaj és a hűtőfolyadék (ha van) hőmérséklete el nem éri a helyiség hőmérsékletét ± 2 K értékhatáron belül.
3.2.3.3. Vizsgálati eljárás
3.2.3.3.1. A járművet a vezető számára a normál használatra biztosított eszközökkel kell beindítani. Az első ciklus a jármű beindításakor kezdődik.
3.2.3.3.2. A mintavételt a jármű beindítása előtt vagy azzal egyidejűleg kell elkezdeni, befejezni (a mintavétel vége) pedig az alkalmazandó vizsgálati eljárás (1. vagy 1a. függelék) szerint kell.
3.2.3.3.3. A járművet az alkalmazandó vizsgálati eljárás (1. vagy 1a. függelék) szerint kell vezetni.
3.2.3.3.4. A kipufogógázokat az alkalmazandó vizsgálati eljárás (1. vagy 1a. függelék) szerint kell elemezni.
3.2.3.3.5. A B. feltétel szerinti kombinált ciklus eredményeit az m2 érték gyanánt kell feljegyezni.
3.2.3.3.6. Az egyes szennyező anyagok g/km-ben megadott átlagos kibocsátott tömegét (M2) a B. feltétel mellett a következő módon kell kiszámítani:
M2 = m2/Dtest2
ahol a Dtest2 a B. feltétel szerint végzett vizsgálat során a járművel ténylegesen megtett össztávolság.
3.2.4. Vizsgálati eredmények
3.2.4.1. A 3.2.2.4.2.1. pont szerint végzett vizsgálat esetén a súlyozott értékeket a következőképpen kell kiszámolni:
M = (De · M1 + Dav · M2)/(De + Dav)
ahol:
M = a kibocsátott szennyező anyag g/km-ben megadott tömege
M1 = a kibocsátott szennyező anyag g/km-ben megadott átlagos tömege teljesen feltöltött elektromosenergia-tároló eszköz mellett
M2 = a kibocsátott szennyező anyag g/km-ben megadott átlagos tömege minimális töltöttségi szinten levő elektromosenergia-tároló eszköz (maximális lemerítés) mellett
De = a jármű hatósugara elektromos üzemmódban a 2. alfüggelékben leírt eljárás szerint
Dav
=
az a feltételezett, átlagos távolság, amelyet a B. feltétel szerint használt jármű az elektromosenergia-tároló eszköz két feltöltése között megtesz:
- 4 km az 1. kategóriájú motorkerékpárok esetén (motor-lökettérfogat < 150 cm3),
- 6 km a 2. kategóriájú motorkerékpárok esetén (motor-lökettérfogat ≥ 50 cm3, Vmax < 130 km/h),
- 10 km a 3. kategóriájú motorkerékpárok esetén (motor-lökettérfogat ≥ 150 cm3, Vmax < 130 km/h).
3.2.4.2. A 3.2.2.4.2.2. pont szerint végzett vizsgálat esetén a súlyozott értékeket a következőképpen kell kiszámolni:
M = (Dovc · M1 + Dav · M2)/(Dovc + Dav)
ahol:
M = a kibocsátott szennyező anyag g/km-ben megadott tömege
M1 = a kibocsátott szennyező anyag g/km-ben megadott, a 3.1.2.3.6. pont szerint kiszámított, átlagos tömege teljesen feltöltött elektromosenergia-tároló eszköz mellett,
M2 = a kibocsátott szennyező anyag g/km-ben megadott, a 3.2.3.3.6. pont szerint kiszámított, átlagos tömege minimális töltöttségi szinten levő elektromosenergia-tároló eszköz (maximális lemerítés) mellett
Dovc = a jármű külső feltöltésének hatósugara a 2. alfüggelékben leírt eljárás szerint
Dav
=
az a feltételezett, átlagos távolság, amelyet a B. feltétel szerint használt jármű az elektromosenergia-tároló eszköz két feltöltése között megtesz:
- 4 km az 1. kategóriájú motorkerékpárok esetén (motor-lökettérfogat < 150 cm3),
- 6 km a 2. kategóriájú motorkerékpárok esetén (motor-lökettérfogat ≥ 150 cm3, Vmax < 130 km/h),
- 10 km a 3. kategóriájú motorkerékpárok esetén (motor-lökettérfogat ≥ 150 cm3, Vmax < 130 km/h).
3.3. Nem külső feltöltésű hibrid elektromos járművek (NOVC HEV) üzemmódkapcsoló nélkül
3.3.1. A nem külső feltöltésű, üzemmódkapcsoló nélküli, hibrid elektromos járműveket (NOVC HEV) hibrid üzemmódban az 5. fejezet I. melléklete szerint kell vizsgálni.
3.3.2. A járművet az alkalmazandó vizsgálati eljárás (1. vagy 1a. függelék) szerint kell vezetni.
3.4. Nem külső feltöltésű hibrid elektromos járművek (NOVC HEV) üzemmódkapcsolóval
3.4.1. Azokat a nem külső feltöltésű, hibrid elektromos járműveket (NOVC HEV), amelyeknek van üzemmódkapcsolójuk, hibrid üzemmódban az 5. fejezet I. melléklete szerint kell vizsgálni. Ha a járműnek több hibrid üzemmódja van, a vizsgálatot abban az üzemmódban kell elvégezni, amelyik az indítókulcs elfordítása után automatikusan beáll (normál üzemmód). A gyártótól kapott tájékoztatás alapján a műszaki szolgálat megbizonyosodik arról, hogy a határértékek valamennyi hibrid üzemmódban teljesülnek-e.
3.4.2. A járművet az alkalmazandó vizsgálati eljárás (1. vagy 1a. függelék) szerint kell vezetni.
4. II. TÍPUSÚ VIZSGÁLATI MÓDSZEREK
4.1. A járműveket a 2. függelékben leírt vizsgálati eljárás szerint kell vizsgálni.
1. alfüggelék
A külső és nem külső feltöltésű hibrid elektromos járművek akkumulátora töltési mérlegének mérési módszere
1. Cél
1.1. Ezen alfüggelék célja, hogy leírja a külső feltöltésű hibrid elektromos járművek (OVC HEV) és nem külső feltöltésű hibrid elektromos járművek (NOVC HEV) töltési mérlegének mérési módszerét és a méréshez szükséges műszereket.
2. A méréshez szükséges felszerelés és műszerek
2.1. A 3.1-3.4. pontban leírt vizsgálatok során az akkumulátoráramot rögzíthető vagy zárt típusú áramátalakító használatával kell mérni. Az áramátalakító (azaz az áramérzékelő adatgyűjtő berendezés nélkül) minimális pontossága a mért érték 0,5 %-a vagy a skála legnagyobb értékének 0,1 %-a kell, hogy legyen.
Az eredeti gyártó diagnosztikai vizsgálókészülékei e vizsgálatra nem alkalmazhatók.
2.1.1. Az áramátalakítót az akkumulátorhoz közvetlenül kapcsolódó egyik vezetékre kell rögzíteni. Annak érdekében, hogy könnyen lehessen akkumulátoráramot mérni külső mérőberendezésekkel, a gyártóknak lehetőség szerint megfelelő, biztonságos és hozzáférhető csatlakozási pontokat kell a járműbe építeniük. Ha ez nem kivitelezhető, a gyártó köteles a műszaki szolgálatot azáltal támogatni, hogy biztosítja számára azokat az eszközöket, amelyekkel rögzíteni lehet az áramátalakítót a fent leírt módon az akkumulátorhoz kapcsolódó vezetékekhez.
2.1.2. Az áramátalakító kimeneti jelét 5 Hz-es minimális mintavételezési frekvenciával kell leolvasni. A mért áramot az idő szerint integrálni kell, és az így kapott, mért Q értéket amperórában (Ah) kell kifejezni.
2.1.3. Az érzékelő helyén meg kell mérni a hőmérsékletet, és azt az áraménak megfelelő mintavételi frekvenciával le kell olvasni, hogy ezt az értéket fel lehessen használni az áramátalakító mozgásának és - adott esetben az áramátalakító kimeneti jelének átalakítására használt - feszültségátalakító mozgásának esetleges kompenzálására.
2.2. A gyártó által annak megállapítására használt műszerek jegyzékét (gyártó, modellszám, sorozatszám), hogy az akkumulátor a 3.1. és a 3.2. pontban meghatározott vizsgálati eljárás során mikor érte el minimális töltöttségi szintjét, és adott esetben a műszerek legutóbbi kalibrálásának dátumait meg kell adni a műszaki szolgálatnak.
3. Mérési eljárás
3.1. Az akkumulátoráram mérése a vizsgálat kezdetekor indul, és azonnal véget ér, amint a jármű a teljes menetciklust megtette.
2. alfüggelék
A hibrid elektromos meghajtású járművek elektromos hatósugarának és külső feltöltésük hatósugarának mérési módszere
1. AZ ELEKTROMOS HATÓSUGÁR MÉRÉSE
Az ebben az alfüggelékben leírt vizsgálati módszer lehetővé teszi a külső feltöltésű, hibrid elektromos meghajtású járművek (OVC HEV) km-ben kifejezett, elektromos hatósugarának mérését.
2. PARAMÉTEREK, MÉRTÉKEGYSÉGEK ÉS A MÉRÉSEK PONTOSSÁGA
A következő paraméterek, mértékegységek és a mérési pontosságok alkalmazandók:
Paraméter | Mértékegység | Pontosság | Lépésköz |
Idő | s | +/– 0,1 s | 0,1 s |
Távolság | m | +/– 0,1 % | 1 m |
Hőmérséklet | °C | +/– 1 °C | 1 °C |
Sebesség | km/h | +/– 1 % | 0,2 km/h |
Tömeg | kg | +/– 0,5 % | 1 kg |
Töltési mérleg | Ah | +/– 0,5 % | 0,3 % |
3. VIZSGÁLATI FELTÉTELEK
3.1. A jármű állapota
3.1.1. A jármű gumiabroncsait arra a nyomásra kell felfújni, amelyet a jármű gyártója a környezeti hőmérséklet tekintetében meghatározott.
3.1.2. A mechanikus mozgó alkatrészek esetében az olaj viszkozitásának meg kell felelnie a jármű gyártója által meghatározott értékeknek.
3.1.3. A világító és fényjelző berendezéseket, valamint a segédberendezéseket - a jármű vizsgálatához és nappali üzemeléséhez szükséges berendezéseken kívül - ki kell kapcsolni.
3.1.4. Minden rendelkezésre álló energiatároló rendszert, amely nem a meghajtásra szolgál, fel kell tölteni a gyártó által meghatározott maximális értékre.
3.1.5. Ha az akkumulátorok üzemi hőmérséklete meghaladja a környezeti hőmérsékletet, az üzemeltető köteles az akkumulátor hőmérsékletét a jármű gyártójának ajánlásait követve a normál üzemi hőmérsékleti tartományon belül tartani.
A gyártó képviselőjének tudnia kell igazolni, hogy az akkumulátor hőmérséklet-szabályozó rendszere nincs kikapcsolt, illetve csökkentett üzemmódban.
3.1.6. A járműnek a vizsgálatot megelőző hét napban legalább 300 km távolságot meg kell tenni a vizsgált járműben elhelyezett akkumulátorokkal.
3.2. Környezeti viszonyok
Minden szabadban történő vizsgálatot 5 °C és 32 °C közötti környezeti hőmérsékleten kell végezni. Minden zárt helyen történő vizsgálatot 20 °C és 30 °C közötti hőmérsékleten kell végezni.
4. ÜZEMMÓDOK
A vizsgálati módszer a következő lépéseket tartalmazza:
a) az akkumulátor kezdeti feltöltése;
b) a ciklus végrehajtása és az elektromos üzemmód hatósugarának mérése.
Ha a járművet mozgatni kell az egyes lépések között, akkor azt tolva kell eljuttatni a következő vizsgálati területre (regeneratív újratöltés nélkül).
4.1. Az akkumulátor kezdeti feltöltése
Az akkumulátort az alábbiak szerint kell feltölteni:
Megjegyzés: Az "akkumulátor kezdeti feltöltése" kifejezés az akkumulátor első, a jármű átvételekor történő feltöltésére vonatkozik.
Több egymást követő, kombinált vizsgálat vagy mérés esetén az első töltés az "akkumulátor kezdeti feltöltése", a következőt pedig a (4.1.2.1. pontban leírt) "normál éjszakai töltési eljárásnak" megfelelően lehet végezni.
4.1.1. Az akkumulátor lemerítése
4.1.1.1. Az üzemmódkapcsoló nélküli, külső feltöltésű, hibrid elektromos járművek (OVC HEV) esetében a gyártónak biztosítania kell a tisztán elektromos üzemmódban vezetett járművel elvégzendő méréshez szükséges eszközöket. Az eljárás az elektromosenergia-tároló eszköz lemerítésével kezdődik, amit a jármű vezetésével kell elérni, a következő módon:
a) 50 km/h állandó sebességgel, míg a hibrid elektromos jármű üzemanyag-fogyasztó motorja be nem indul;
b) vagy ha a jármű nem tudja elérni az 50 km/h állandó sebességet az üzemanyag-fogyasztó motor beindulása nélkül, a sebességet csökkenteni kell, hogy a jármű olyan kisebb állandó sebességgel haladjon, amelynél az üzemanyag-fogyasztó motor nem indul be egy meghatározott idő/távolság alatt (ezt a műszaki szolgálat és a gyártó közösen határozza meg); vagy
c) a gyártó ajánlása szerint.
Az üzemanyag-fogyasztó motort automatikus beindulása után 10 másodpercen belül le kell állítani.
4.1.1.2. Üzemmódkapcsolóval ellátott, külső feltöltésű, hibrid elektromos járművek (OVC HEV) esetében:
4.1.1.2.1. Ha a jármű tisztán elektromos üzemmódban is üzemeltethető, az elektromosenergia-tároló eszköz lemerítését a járműnek az üzemmódkapcsoló tisztán elektromos üzemmódra való beállítása melletti vezetésével kell elérni, olyan állandó sebességgel, amely ± 5 % értékhatáron belül megfelel a gyártó által megadott, a jármű által 30 percen keresztül tartható maximális sebesség 70 %-ának. A lemerítés véget ér, ha az alábbi helyzetek valamelyike bekövetkezik:
a) a jármű nem képes a 30 percen keresztüli maximális sebesség 65 %-ának megfelelő sebességgel haladni; vagy
b) a vezető a szabványos fedélzeti műszerektől jelzést kap a jármű megállítására; vagy
c) 100 km távolság megtétele után.
4.1.1.2.2. Ha a jármű nem üzemeltethető tisztán elektromos üzemmódban, a gyártónak biztosítania kell a tisztán elektromos üzemmódban vezetett járművel elvégzendő méréshez szükséges eszközöket. Az elektromosenergia-tároló eszköz lemerítését a jármű vezetésével kell elérni, a következő módon:
a) 50 km/h állandó sebességgel, amíg a hibrid elektromos jármű üzemanyag-fogyasztó motorja be nem indul; vagy
b) ha a jármű nem tudja elérni az 50 km/h állandó sebességet az üzemanyag-fogyasztó motor beindulása nélkül, a sebességet csökkenteni kell, hogy a jármű olyan kisebb állandó sebességgel haladjon, amelynél az üzemanyag-fogyasztó motor nem indul be egy meghatározott idő/távolság alatt (ezt a műszaki szolgálat és a gyártó közösen határozza meg); vagy
c) a gyártó ajánlása szerint.
Az üzemanyag-fogyasztó motort automatikus beindulása után 10 másodpercen belül le kell állítani.
4.1.2. A normál éjszakai töltés elvégzése
A külső feltöltésű, hibrid elektromos járművek (OVC HEV) elektromosenergia-tároló eszközét az alábbi eljárással kell feltölteni.
4.1.2.1. A normál éjszakai töltési eljárás
A feltöltést az alábbiak szerint kell végezni:
a) a fedélzeti töltővel, ha van; vagy
b) a gyártó által javasolt külső töltővel, a normál töltésre előírt töltési eljárást alkalmazva;
c) 20 °C és 30 °C közötti környezeti hőmérsékleten.
Ez az eljárás kizár minden olyan különleges töltéstípust, amely automatikusan vagy kézzel indítható, mint például a kiegyenlítő töltés vagy a gyorstöltés. A gyártónak nyilatkoznia kell arról, hogy a vizsgálat alatt nem alkalmaztak különleges töltési eljárást.
4.1.2.2. A feltöltés vége
A töltés a 12 órás töltési idő után tekinthető befejezettnek, kivéve, ha a vezető a szabványos fedélzeti műszerektől jelzést kap arról, hogy az akkumulátor még nincs teljesen feltöltve.
Ebben az esetben a maximális idő = 3 × az akkumulátor névleges kapacitása (Wh)/hálózati teljesítmény (W).
4.2. A ciklus végrehajtása és a hatósugár mérése
4.2.1. A hibrid elektromos jármű elektromos hatósugarának meghatározása
4.2.1.1. Az 5. fejezet II. mellékletének 2. pontjában meghatározott vizsgálatsorozatot és a kapcsolódó sebességváltási előírásokat az 5. fejezet II. mellékletének 1. függelékében előírtak szerint beállított görgős fékpadon kell elvégezni, amíg a vizsgálat végére vonatkozó kritériumok nem teljesülnek.
4.2.1.2. Ha a jármű több mint 50 km/h sebességnél vagy a gyártó bejelentése szerinti maximális sebességnél nem éri el a mérési ciklushoz előírt gyorsulást vagy sebességet, a gázpedálnak teljesen nyitott fojtószelepállásban kell maradnia a referenciagörbe újbóli eléréséig.
4.2.1.3. Az elektromos üzemmód hatósugarának mérésekor a vizsgálat végét jelző kritériumok akkor tekinthetők elértnek, ha: a jármű legfeljebb 50 km/h sebességnél vagy a gyártó bejelentése szerinti, a tisztán elektromos üzemmódban elérhető maximális sebességnél nem tudja teljesíteni a célgörbét; vagy a vezető a szabványos fedélzeti műszerektől jelzést kap a jármű megállítására; vagy az elektromosenergia-tároló rendszer elérte a minimális töltöttségi szintet. Ekkor a járművet a gázpedál felengedésével, a fékpedál érintése nélkül 5 km/h sebességre kell lelassítani, majd fékezéssel meg kell állítani.
4.2.1.4. Az emberi szükségletekre tekintettel a vizsgálatsorozatban legfeljebb három szünet engedélyezett, amelyek együttes időtartama nem haladhatja meg a 15 percet.
4.2.1.5. Végül a km-ben mért, csak az elektromos motor használatával megtett De távolság adja a hibrid elektromos jármű elektromos hatósugarát. A kapott számot a legközelebbi egész számra kell kerekíteni.
Ha a jármű a vizsgálat alatt mind elektromos, mind hibrid üzemmódban üzemel, a csak elektromos üzemelés időszakait az injektorok vagy a gyújtás áramát megmérve kell meghatározni.
4.2.2. A hibrid elektromos jármű külső feltöltése hatósugarának meghatározása
4.2.2.1. Az 5. fejezet II. mellékletének 2. pontjában meghatározott vizsgálatsorozatot és a kapcsolódó sebességváltási előírásokat az 5. fejezet II. mellékletének 1. vagy 1a. függelékében előírtak szerint beállított görgős fékpadon kell elvégezni, amíg a vizsgálat végét jelző kritériumok nem teljesülnek.
4.2.2.2. A külső feltöltés hatósugarának mérésekor a vizsgálat végét jelző kritériumok akkor tekinthetők elértnek, ha az elektromosenergia-tároló rendszer az 1. alfüggelékben meghatározott kritériumok szerint elérte a minimális töltöttségi szintet. A vezetést a végső alapjárati szakasz eléréséig folytatni kell.
4.2.2.3. Az emberi szükségletekre tekintettel a vizsgálatsorozatban legfeljebb három szünet engedélyezett, amelyek együttes időtartama nem haladhatja meg a 15 percet.
4.2.2.4. Végül a km-ben megadott, a legközelebbi egész számra kerekített, összes megtett távolság adja a hibrid elektromos jármű külső feltöltésének hatósugarát (Dovc).
3. alfüggelék
Az elektromosenergia-tároló eszköz töltési szintjének (state of charge, SOC) profilja külső feltöltésű, hibrid elektromos járművek (OVC HEV) I. típusú vizsgálata során
I. típusú vizsgálat, A. feltétel

A. feltétel:
1. az elektromosenergia-tároló készülék kezdeti töltöttségi szintje
2. lemerítés a 3. függelék 3.1.2.1. és 3.2.2.2. pontja szerint
3. feltöltés az előkezelés alatt a 3. függelék 3.1.2.2.2. és 3.2.2.3.2 pontja szerint
4. vizsgálat a 3. függelék 3.1.3.2. és 3.2.2.4. pontja szerint
I. típusú vizsgálat, B. feltétel

B. feltétel:
1. kezdeti töltöttségi szint
2. lemerítés a 3. függelék 3.1.3.1.1. és 3.2.3.2.1. pontja szerint
3. előkezelés a 3. függelék 3.1.3.1.2. és 3.2.3.2.2. pontja szerint
4. vizsgálat a 3. függelék 3.1.3.2. és 3.2.3.3. pontja szerint
III. MELLÉKLET
KOMPRESSZIÓS GYÚJTÁSÚ MOTORRAL FELSZERELT MOTORKERÉKPÁROK ÉS SEGÉDMOTOROS KERÉKPÁROK ÁLTAL OKOZOTT LÁTHATÓ LÉGSZENNYEZÉS ELLENI INTÉZKEDÉSEKRE VONATKOZÓ ELŐÍRÁSOK
1. FOGALOMMEGHATÁROZÁSOK
Ennek a fejezetnek az alkalmazásában:
1.1. "járműtípus": olyan motoros járművek, amelyek lényegesen nem különböznek egymástól a jármű és a motor V. mellékletben meghatározott jellemzői tekintetében.
2. A VIZSGÁLATOK LEÍRÁSA
2.1. Általános előírások
Azokat az alkatrészeket, amelyek hatással lehetnek a látható szennyező anyagok kibocsátására, úgy kell megtervezni, legyártani és összeszerelni, hogy a jármű rendes üzemben, a rá ható rázkódások ellenére megfelelhessen e melléklet előírásainak.
2.2. A hidegindító berendezésre vonatkozó előírások
2.2.1. A hidegindító berendezést úgy kell megtervezni és legyártani, hogy ne működhessen tovább vagy ne legyen üzembe helyezhető, ha a motor rendesen működik.
2.2.2. A 2.2.1. pont rendelkezéseit nem kell alkalmazni, ha az alábbi feltételek közül egy vagy több teljesül:
2.2.2.1. A hidegindító berendezés működése alatt a motor által állandósult üzemben kibocsátott gázok 1. függelékben megadott eljárással mért fényelnyelési tényezőjének a 3. függelékben megadott határértékeken belül kell maradnia.
2.2.2.2. A hidegindító berendezés folytatólagos működtetése esetén a motor ésszerű időn belül leáll.
2.3. A látható szennyező anyagok kibocsátására vonatkozó előírások
2.3.1. A típusjóváhagyásra benyújtott járműtípus látható szennyező anyag-kibocsátásának mérésére az 1. és 2. függelékben leírt két módszer szolgál, amelyek leírják az állandósult üzemben, illetve a szabad gyorsulás során végzendő vizsgálatokat.
2.3.2. Az 1. függelékben leírt módszerrel mért látható szennyező anyag-kibocsátás nem haladhatja meg a 3. függelékben megadott határértékeket.
2.3.3. Turbófeltöltővel ellátott motorok esetében a semleges helyzetben lévő sebességváltó melletti gyorsulás során mért elnyelési tényező nem haladhatja meg a 3. függelékben arra a névleges áramlási értékre vonatkozó határértéket, amely megfelel az állandósult üzem vizsgálata során mért maximális elnyelési tényező plusz 0,5 m-1 értéknek.
2.3.4. Megengedhető egyenértékű mérőberendezés használata. A 4. függelékben leírt berendezéstől eltérő készülék használata esetén igazolni kell egyenértékűségét a szóban forgó motorra vonatkozóan.
3. A GYÁRTÁS AZONOSSÁGA
3.1. A gyártás azonosságának ellenőrzésére a 92/61/EGK irányelv VI. melléklete 1. pontjának rendelkezéseit kell alkalmazni.
3.2. A 3.1. pontban előírt azonosság igazolásához a járművet a sorozatgyártásból kell kivenni.
3.3. A járműnek a jóváhagyott típussal való azonosságát a jóváhagyási bizonyítványban szereplő leírással kell igazolni. Ezen felül igazoló vizsgálatokat kell végezni az alábbi feltételekkel:
3.3.1. Egy be nem járatott járművet kell a 2. függelékben leírt szabad gyorsulás alatti vizsgálatnak alávetni.
A járművet a jóváhagyott típussal megegyezőnek kell tekinteni, ha a meghatározott elnyelési tényező 0,5 m-1 -nél nem többel haladja meg az elnyelési tényezőnek a jóváhagyási bizonyítványban megadott helyesbített értékét. A gyártó kívánságára a referencia-tüzelőanyag helyett kereskedelemben kapható tüzelőanyag használható. Vita esetén referencia-tüzelőanyagot kell használni.
3.3.2. Ha a 3.3.1. pontban említett vizsgálat során nyert érték 0,5 m-1 -nél többel haladja meg a jóváhagyási bizonyítványban szereplő értéket, a jármű motorját az 1. függelékben előírt vizsgálatnak kell alávetni állandósult fordulatszámokon, az egész terhelési görbe mentén. A látható kibocsátási szintek nem haladhatják meg a 3. függelékben előírt határértékeket.
1. függelék
Állandósult üzemben végzett vizsgálat a teljes terhelési görbe mentén
1. BEVEZETÉS
1.1. Eljárás a látható szennyező anyag-kibocsátás meghatározására különböző állandósult üzemi feltételek mellett, a teljes terhelési görbe mentén.
1.2. A vizsgálatot vagy a motorral vagy a járművel kell végezni.
2. A MÉRÉS ALAPELVE
2.1. Az állandósult állapotban teljes terheléssel működő motor által termelt kipufogógázok átlátszatlanságát (opacitását) kell mérni.
2.2. Legalább hat, a maximális névleges fordulatszámtól a minimális névleges fordulatszámig terjedő mérést kell végezni. A két szélső mérési pont a fent meghatározott tartomány két szélső pontja, és egy-egy mérési pontnak egybe kell esnie a motor által kifejtett maximális teljesítményhez és a motor által kifejtett maximális nyomatékhoz tartozó fordulatszámmal.
3. A VIZSGÁLATI FELTÉTELEK
3.1. A gépjármű
3.1.1. A motort vagy a járművet jó mechanikai állapotban kell a vizsgálatra benyújtani. A motort előzőleg be kell járatni.
3.1.2. A motort az V. mellékletben leírt berendezéssel kell vizsgálni.
3.1.3. Egy motor vizsgálata során teljesítményét a maximális teljesítményre vonatkozó külön irányelv szerint kell mérni, figyelembe véve a 3.1.4. pontban megállapított tűréseket. Egy motor vizsgálata során ellenőrizni kell, hogy a tüzelőanyag-fogyasztás nem kevesebb-e a gyártó által megadott értéknél.
3.1.4. A lendítőtömeges görgős fékpadon a teljes terhelési görbe mentén állandósult üzemben mért motorteljesítményre vonatkozóan az alábbi tűrések engedhetők meg a gyártó által megadott teljesítményhez képest:
- maximális teljesítmény ± 2 %,
- a többi mérési pontban +6 % / -2 %.
3.1.5. A kipufogó-berendezésen nem lehet szivárgás, amely a motor által kibocsátott gáz felhígítását eredményezhetné. Ha egy motoron egynél több kipufogónyílás van, ezeket egyesíteni kell, és az átlátszatlanságot a közös csőnél kell mérni.
3.1.6. A motort a gyártó által rendes üzemre előírt módon kell beállítani. Különösképpen a hűtővíznek és az olajnak kell a gyártó által előírt rendes hőmérsékleten lennie.
3.2. A tüzelőanyag
A vizsgálathoz a IV. mellékletben előírt referencia dízel tüzelőolajat kell használni.
3.3. A vizsgáló laboratórium
3.3.1. A motor által beszívott levegő K-ben mért T abszolút hőmérsékletét ( 67 ) a levegőszűrőtől legfeljebb 15 cm-re, vagy ha nincs szűrő, a levegőbeszívó nyílástól legfeljebb 15 cm-re kell mérni. Ugyancsak meg kell mérni a kPa-ban kifejezett ps száraz légköri nyomást, és az "fa" légköri tényezőt az alábbiak szerint kell meghatározni:

ahol:
ps = pb - pμ
pb = a légköri nyomás
pμ = a vízgőz nyomása
3.3.2. A vizsgálat akkor tekinthető érvényesnek, ha "fa" értéke 0,98 < fa < 1,02.
3.4. A mintavevő- és mérőberendezés
A kipufogógázok fényelnyelési tényezőjét a 4. függelék előírásainak megfelelő és az 5. függelékben megadottak szerint felszerelt opaciméterrel kell mérni.
4. A FÉNYELNYELÉSI TÉNYEZŐ KIÉRTÉKELÉSE
4.1. Minden fordulatszámra, amelynél a 2.2. pont szerint a fényelnyelési tényezőt mérni kell, a névleges gázáramot az alábbi képletekkel kell mérni:
- kétütemű motorok:

- négyütemű motorok:

ahol:
G = a névleges gázáram liter/másodpercben kifejezve (l/s)
V = a hengertérfogat literekben kifejezve (l)
n = a fordulatszám l/min-ben kifejezve
4.2. Ha a névleges gázáram értéke nem egyezik meg a 3. függelék táblázatában megadott valamelyik értékkel, az alkalmazandó határértéket lineáris interpolációval kell meghatározni.
2. függelék
Vizsgálat szabad gyorsulás mellett
1. VIZSGÁLATI FELTÉTELEK
1.1. A vizsgálatokat lendítőtömeges fékpadra vagy járműbe szerelt motoron kell végezni.
1.1.1. Ha a motort lendítőtömeges görgős fékpadon vizsgálják, a vizsgálat után a lehető leghamarabb el kell végezni az átlátszatlansági vizsgálatot állandósult üzemi feltételek mellett, a teljes terhelési görbe mentén. Különösképpen a hűtővíznek és az olajnak kell a gyártó által előírt rendes hőmérsékleten lennie.
1.1.2. Ha a motort álló járművön vizsgálják, a motornak előbb rendes üzemi viszonyok között kell működnie vagy közúton közlekedve, vagy egy dinamikai vizsgálat során. A mérést a felmelegítési periódus után minél előbb el kell végezni.
1.2. Az égésteret nem szabad a vizsgálat előtt túl hosszú ideig tartó alapjárattal lehűteni.
1.3. Az 1. függelék 3.1., 3.2. és 3.3. pontjában leírt vizsgálati feltételek érvényesek.
1.4. Az 1. függelék 3.4. pontjában a mintavevő- és mérőberendezésre megadott feltételek érvényesek.
2. A VIZSGÁLATI ELJÁRÁS
2.1. Ha a vizsgálatot lendítőtömeges fékpadon végzik, a motort le kell kapcsolni a fékről, és ezt vagy a sebességváltó semleges állásában hajtott forgó alkatrészekkel, vagy e részek tömegével lényegében egyenértékű tömeggel kell helyettesíteni.
2.2. Ha a vizsgálatot a járművön végzik, a sebességváltó karjának semleges helyzetben kell állnia és a tengelykapcsolót be kell kapcsolni.
2.3. Amikor a motor alapjáraton jár, a gázadagolót gyorsan, de óvatosan kell működtetni, hogy a befecskendező szivattyú a maximális tüzelőanyag-áramot szolgáltassa. Ezt a helyzetet mindaddig fenn kell tartani, amíg a motor el nem éri a maximális fordulatszámot és a regulátor működésbe nem lép. E fordulatszám elérése után a gázadagolót el kell engedni, míg a motor újra alapjáraton nem jár, és az opaciméter ismét elvégzi a megfelelő regisztrációt.
2.4. A 2.3. pontban leírt műveletet legalább hatszor el kell végezni a kipufogó-rendszer megtisztítása, és ha kell, a mérőberendezés alaphelyzetbe állítása céljából. Minden, egymást követő gyorsítás során nyert maximális átlátszatlanságot fel kell jegyezni, amíg az érték nem állandósul. Az egyes gyorsítási időszakokat követő alapjárati periódusokban feljegyzett értékeket figyelmen kívül kell hagyni. Az értékek akkor tekinthetők állandósultaknak, ha négy egymás utáni érték 0,25 m-1-nél nem nagyobb tartományon belül van, és nem alkotnak csökkenő sorozatot. Az XM elnyelési tényező e négy érték számtani közepe.
2.5. A turbófeltöltővel ellátott motorokra, adott esetben, a következő sajátos feltételek vonatkoznak:
2.5.1. Olyan motoroknál, amelyeknél a turbófeltöltőt külön kapcsoló vagy mechanikusan maga a motor hajtja és a feltöltő lekapcsolható, két teljes mérési ciklust kell végezni előzetes gyorsítás mellett, egyet be-, egyet kikapcsolt kompresszorral; az elfogadott mérési eredmény a kettő közül a nagyobbik;
2.5.2. Ha a motoron egynél több kipufogónyílás van, a vizsgálatokat az összes nyílás egy megfelelő berendezésben való egyesítésével kell elvégezni, amely a gázokat összekeveri és egyetlen nyíláson át bocsátja ki; mindazonáltal a szabad gyorsulás alatti vizsgálatokat az egyes nyílásoknál külön is el lehet végezni, amely esetben a helyesbített elnyelési tényező kiszámítására szolgáló érték az egyes nyílásoknál feljegyzett értékek számtani középértéke, és a vizsgálat csak akkor tekinthető érvényesnek, ha a mért szélső értékek nem különböznek egymástól 0,15 m-1-nél többel.
3. AZ ELNYELÉSI TÉNYEZŐ HELYESBÍTETT ÉRTÉKÉNEK MEGHATÁROZÁSA
Ezek a rendelkezések akkor érvényesek, ha az állandósult üzem elnyelési tényezőjét ténylegesen ugyanazon a motortípuson mérték.
3.1. Jelölések
XM = az elnyelési tényező értéke semleges állásban lévő sebességváltó mellett, a 2.4. pont szerint mérve;
XL = a szabad gyorsulás mellett mért elnyelési tényező helyesbített értéke;
SM = az elnyelési tényező állandósult üzemben mért értéke (lásd az 1. függelék 2.1. pontját), amely a legközelebb van az ugyanezen névleges áramlásnak megfelelő határértékhez;
SL = az elnyelési tényezőnek az 1. függelék 4.2. pontja szerinti értéke az SM értéket adó mérési pontnak megfelelő névleges áramlásra.
3.2. Mivel az elnyelési tényező m-1-ben van kifejezve, az XL helyesbített érték az alábbi két kifejezésből számított értékek közül a kisebbik:

vagy
XL = XM + 0,5
3. függelék
Az állandósult üzemben végzett vizsgálatoknál alkalmazandó határértékek
Névleges áramlás, G liter/s | Elnyelési tényező, k m-1 |
< 42 | 2,26 |
45 | 2,19 |
50 | 2,08 |
55 | 1,985 |
60 | 1,90 |
65 | 1,84 |
70 | 1,775 |
75 | 1,72 |
80 | 1,665 |
85 | 1,62 |
90 | 1,575 |
95 | 1,535 |
100 | 1,495 |
105 | 1,465 |
110 | 1,425 |
115 | 1,395 |
120 | 1,37 |
125 | 1,345 |
130 | 1,32 |
135 | 1,30 |
140 | 1,27 |
145 | 1,25 |
150 | 1,225 |
155 | 1,205 |
160 | 1,19 |
165 | 1,17 |
170 | 1,155 |
175 | 1,14 |
180 | 1,125 |
185 | 1,11 |
190 | 1,095 |
195 | 1,08 |
> 200 | 1,065 |
Megjegyzés:
Noha a fenti értékek a legközelebbi 0,01-re vagy 0,005-re vannak kerekítve, ez nem jelenti azt, hogy a méréseket ilyen pontossággal kell végrehajtani.
4. függelék
Opaciméterek (átlátszatlanság-mérők) előírásai
1. ALKALMAZÁSI KÖR
Ez a függelék azokat a követelményeket határozza meg, amelyeket az 1. és 2. függelékben leírt vizsgálatoknál használt opacimétereknek teljesíteniük kell.
2. AZ OPACIMÉTEREKRE VONATKOZÓ ALAPVETŐ ELŐÍRÁSOK
2.1. A mérendő gázt tartalmazó kamra belső felülete nem lehet tükröző.
2.2. A fénysugaraknak a gázon át megtett tényleges útját a fényforrást és a fotocellát védő elemek esetleges hatását figyelembe véve kell meghatározni. Ezt az úthosszat fel kell tüntetni a készüléken.
2.3. Az opaciméter kijelzőjén két skálának kell lennie, amelyek közül az egyik a fényelnyelés abszolút egységeit mutatja 0-tól [Kép #58] -ig, (m-1), a másik pedig egy 1-től 100-ig terjedő lineáris skála; mindkét skálán a 0 a teljes fényt, a maximum a fény teljes hiányát jelzi.

Kép #58
3. GYÁRTÁSI ELŐÍRÁSOK
3.1. Általános előírások
Az opaciméternek olyannak kell lennie, hogy állandósult üzemi körülmények között a füstkamra egyenletes opacitású füsttel teljen meg.
3.2. A füstkamra és az opaciméter háza
3.2.1. Annak lehetőségét, hogy a fotocellára belső tükröződés vagy szóródás hatására nem kívánatos fény essen, minimálisra kell korlátozni (pl. a belső felületek matt feketére festése és célszerű kialakítása útján).
3.2.2. Az optikai jellemzőknek olyanoknak kell lenniük, hogy a szóródás és tükröződés együttes hatása ne legyen nagyobb a lineáris skála egy egységénél, ha a füstkamra 1,7 m-1 körüli elnyelési tényezőjű füsttel van tele.
3.3. A fényforrás
A fényforrásnak 2 800 K és 3 250 K közötti színhőmérsékletű izzólámpának kell lennie.
3.4. A vevő
3.4.1. A vevő egy fotocellából áll, amelynek színképi érzékenységi görbéje hasonló az emberi szem világosban-látási görbéjéhez (maximális érzékenység az 550/570 nm-es sávban; kevesebb, mint e maximális érzékenység 4 %-a 430 nm alatt és 680 nm fölött).
3.4.2. A kijelzőt is tartalmazó villamos áramkört úgy kell kialakítani, hogy a fotocella kimenő árama a fotocella üzemi hőmérsékleti tartományában a ráeső fény intenzitásának lineáris függvénye legyen.
3.5. A mérőskála
3.5.1. A k fényelnyelési tényezőt a Φ = Φo · e-KL képletből kell kiszámítani, ahol L a fénysugaraknak a mérendő gázon keresztül megtett tényleges útja, Φo a belépő fényáram és Φ a kilépő fényáram. Ha egy opaciméter-típus tényleges L hosszúságát nem lehet geometriája alapján közvetlenül meghatározni, a tényleges távolságot
- vagy a 4. pontban leírt módszerrel, vagy
- egy ismert tényleges hosszúsággal rendelkező opaciméterrel való összehasonlítás útján lehet meghatározni.
3.5.2. A 0-tól 100-ig terjedő lineáris skála és a k fényelnyelési tényező közötti összefüggést az alábbi képlet adja meg:

ahol N a leolvasási érték a lineáris skálán és k a megfelelő fényelnyelési tényező értéke.
3.5.3. Az opaciméter kijelzőjének lehetővé kell tennie az 1,7 m-1 fényelnyelési tényező 0,025 m-1 pontosságú leolvasását.
3.6. A mérőberendezés beállítása és ellenőrzése
3.6.1. A fotocellának és a kijelző áramkörének lehetővé kell tennie a mutató 0-ra állítását, ha a fényáram tiszta levegővel töltött füstkamrán vagy hasonló jellemzőkkel bíró kamrán halad át.
3.6.2. Kikapcsolt lámpa és kikapcsolt vagy rövidre zárt mérőáramkör mellett a fényelnyelési tényező skáláján leolvasható értéknek ∞-nek kell lennie, és működő mérőáramkör mellett az értéknek ∞-nek kell maradnia.
3.6.3. Közbenső ellenőrzést kell végezni egy olyan gázt modellező szűrőnek a füstkamrába helyezésével, amelynek a 3.5.1. pont szerint mért k fényelnyelési tényezője 1,6 m-1 és 1,8 m-1 között ismert. A k értékét legalább 0,025 m-1 pontossággal kell ismerni. Az ellenőrzés annak biztosítására szolgál, hogy az érték ne különbözzön 0,05 m-1-nél többel a kijelzőn mutatott értéktől, ha a szűrőt a fényforrás és a fotocella közé helyezik.
3.7. Az opaciméter válaszideje
3.7.1. A villamos mérőáramkör válaszidejének, amely az az idő, amelyre a kijelzőnek szüksége van a teljes skála 90 %-ának megfelelő kitéréshez, ha egy, a fotocellát teljesen elsötétítő ernyőt helyeznek be, 0,9 és 1,1 másodperc között kell lennie.
3.7.2. A villamos mérőáramkör csillapításának olyannak kell lennie, hogy a bemenő érték (pl. az ellenőrző szűrő) bármilyen pillanatnyi változása után a végső stabil értéken való kezdeti túllendülés ne legyen több, mint ennek az értéknek a 4 %-a, a lineáris skála egységeiben leolvasva.
3.7.3. Az opaciméternek a gázkamrában bekövetkező fizikai eseményekre való válaszideje, amely a gáznak a mérőberendezésbe való belépése és a füstkamra gázzal való teljes kitöltése közötti idő, nem lehet 0,4 másodpercnél több.
3.7.4. Ezek a rendelkezések csak a szabad gyorsulás alatti átlátszatlanság mérésére szolgáló opaciméterekre vonatkoznak.
3.8. A mérendő gáz nyomása és az öblítőlevegő
3.8.1. A füstkamrában lévő gáz nyomása nem térhet el 0,75 kPa-nál többel a környezet légköri nyomásától.
3.8.2. A mérendő gáz nyomásváltozásai és az öblítőlevegő egy 1,7 m-1 fényelnyelési tényezőnek megfelelő gáz esetében nem okozhatják a fényelnyelési tényező 0,05 m-1-nél nagyobb mértékű megváltozását.
3.8.3. Az opacimétert el kell látni a füstkamra nyomásának mérésére alkalmas készülékkel.
3.8.4. A készülék gyártójának meg kell adnia a gáz és az öblítőlevegő füstkamrában történő nyomásváltozásainak határértékeit.
3.9. A mérendő gázok hőmérséklete
3.9.1. A gáz hőmérsékletének a mérés idején az egész füstkamrában 70 °C és egy, az opaciméter gyártója által megadott maximális hőmérséklet között kell lennie úgy, hogy ebben a hőmérséklet-tartományban a leolvasások ne változzanak 0,1 m-1-nél többel, ha a kamra 1,7 m-1 fényelnyelési tényezőjű gázzal van tele.
3.9.2. Az opacimétert el kell látni a füstkamra hőmérsékletének mérésére alkalmas készülékkel.
4. AZ OPACIMÉTER TÉNYLEGES "L" MÉRETE
4.1. Általános előírások
4.1.1. Egyes opaciméter-típusoknál a fényforrás és a fotocella, vagy a fényforrást és a fotocellát védő átlátszó elemek között a gáz átlátszatlansága (opacitása) nem állandó. Ezekben az esetekben a tényleges L annak az egyenletes opacitású gázoszlopnak a hossza, amely ugyanolyan fényelnyelést eredményez, mint amely akkor figyelhető meg, ha a gáz rendesen áramlik át az opaciméteren.
4.1.2. A fénysugarak útjának tényleges hossza a rendesen működő opaciméteren leolvasott N értéknek egy olyan módosított opaciméteren leolvasott No értékkel való összehasonlításából kapható meg, amelynél a próbagáz egy pontosan meghatározott Lo távolságot tölt ki.
4.1.3. Az összehasonlító leolvasásokat gyors egymásutánban kell végezni a zérus pontos helyének megállapítása érdekében.
4.2. Az L kiértékelésének módszere
4.2.1. A próbagázok állandó opacitású kipufogógázok vagy nagyságrendileg a kipufogógázokéval azonos sűrűségű fényelnyelő gázok.
4.2.2. Pontosan meg kell határozni a próbagázokkal egyenletesen megtöltött opaciméterre egy Lo oszlopot, amelynek alapjai többé-kevésbé merőlegesek a fénysugarak irányára. Az Lo hosszúságnak közel kell állnia az opaciméter feltételezett tényleges hosszúságához.
4.2.3. Meg kell mérni a füstkamrában lévő próbagázok átlagos hőmérsékletét.
4.2.4. Ha szükséges a lüktetések megszűntetése céljából a mintavevő vezetékbe be lehet iktatni egy megfelelő térfogatú, zárt formájú tágulási tartályt, a lehető legközelebb a szondához. Ugyancsak beépíthető egy hűtőberendezés. A tágulási tartály és a hűtőberendezés beiktatása nem befolyásolhatja a kipufogógázok összetételét.
4.2.5. A tényleges hossz megállapítására szolgáló vizsgálat abból áll, hogy próbagázt engedünk át felváltva a rendesen működő opaciméteren és a 4.1.2. pont szerint módosított ugyanezen készüléken.
4.2.5.1. Az opaciméter által szolgáltatott adatokat a vizsgálat alatt folyamatosan regisztrálni kell egy olyan regisztráló készülékkel, amelynek válaszideje a lehető legközelebb áll az opaciméteréhez.
4.2.5.2. A rendesen működő opaciméternél a lineáris skálán leolvasott érték N és a gázok kelvinben kifejezett átlaghőmérséklete T.
4.2.5.3. Az ismert Lo hosszúsággal, ugyanazon gázzal töltve, a lineáris skálán leolvasott érték No és a gázok kelvinben kifejezett átlaghőmérséklete To.
4.2.6. A tényleges hosszúság:

4.2.7. A vizsgálatot meg kell ismételni legalább négy próbagázzal, amelyek egyenletesen elosztott leolvasási értékeket adnak a lineáris skálán a 20-80 egységnyi tartományban.
4.2.8. Az opaciméter tényleges L hossza az egyes próbagázokkal a 4.2.6. pont szerint meghatározott tényleges hosszak számtani középértéke.
5. függelék
Az opaciméter felszerelése és használata
1. ALKALMAZÁSI KÖR
Ez a függelék az 1. és 2. függelékben leírt vizsgálatokhoz használandó opaciméterek felszerelésére és használatára vonatkozó előírásokat tartalmazza.
2. MINTAVEVŐ OPACIMÉTER
2.1. Felszerelés állandósult állapotban való vizsgálathoz
2.1.1. A szonda keresztmetszetének a kipufogócsőéhez viszonyított arányának legalább 0,05-nek kell lennie. A szonda helyén a kipufogócsőben mért ellennyomás nem lehet nagyobb 0,75 kPa-nál.
2.1.2. A szonda egy, a kipufogócső, vagy ha van, a toldat tengelyében nyitott oldalával előre fordított cső. Olyan szakaszban kell elhelyezni, ahol a gáz eloszlása jó közelítéssel egyenletes. Ennek érdekében a szondát a kipufogócsőnek vagy toldatnak a motortól lehető legtávolabb eső szakaszában kell elhelyezni úgy, hogy ha D a kipufogócső végének átmérője, a szonda szája a cső egy olyan szakaszában legyen, amely legalább 6D hosszon egyenes a mintavevő pont előtt és 3D hosszon utána. Toldócső használata esetén a csatlakozásnál nem kerülhet be levegő.
2.1.3. A kipufogócső nyomásának és a mintavevő vezetékben létrejövő nyomásesés jellegének olyannak kell lennie, hogy a szonda által begyűjtött minta gyakorlatilag egyenértékű legyen azzal, ami izokinetikus mintavétel esetén lenne elérhető.
2.1.4. Ha szükséges, a lüktetések megszüntetése céljából a mintavevő vezetékbe be lehet iktatni egy megfelelő térfogatú, zárt formájú tágulási tartályt, a lehető legközelebb a szondához. Ugyancsak beépíthető egy hűtőberendezés. A tágulási tartály és a hűtőberendezés beiktatása nem befolyásolhatja a kipufogógázok összetételét.
2.1.5. Pillangószelepet vagy más, a mintavételi nyomást növelő eszközt lehet a kipufogócsőbe építeni, áramlásirányban legalább 3D távolságra a mintavevő-szonda mögött.
2.1.6. A szondának, a hűtőberendezének, az esetleges tágulási tartálynak és az opaciméter közötti csővezetékeknek a lehető legrövidebbeknek kell lenniük és teljesíteniük kell a 4. függelék 3.8. és 3.9. pontjában megadott nyomás- és hőmérséklet-követelményeket. A csöveknek a mintavevő ponttól az opaciméter felé kell emelkedniük, és nem lehetnek bennük éles kanyarok, ahol a korom lerakódhat. Ha az opaciméteren magán nincs, egy megkerülő szelepet kell az opaciméter előtt elhelyezni.
2.1.7. A vizsgálat alatt ellenőrzéseket kell végezni annak biztosítására, hogy a 4. függelék 3.8. pontjában a mérőkamra nyomására és 3.9. pontjában a kamra hőmérsékletére előírt követelmények teljesüljenek.
2.2. Felszerelés szabad gyorsulás során végzett vizsgálatokhoz
2.2.1. A szonda keresztmetszete kipufogócsőéhez viszonyított arányának legalább 0,05-nek kell lennie. A szonda helyén a kipufogócsőben mért ellennyomás nem lehet nagyobb 0,75 kPa-nál.
2.2.2. A szonda egy, a kipufogócső, vagy ha van, a toldat tengelyében nyitott oldalával előre fordított cső. Olyan szakaszban kell elhelyezni, ahol a gáz eloszlása jó közelítéssel egyenletes. Ennek érdekében a szondát a kipufogócsőnek vagy toldatnak a motortól lehető legtávolabb eső szakaszában kell elhelyezni úgy, hogy ha D a kipufogócső végének átmérője, a szonda szája a cső egy olyan szakaszában legyen, amely legalább 6D hosszon egyenes a mintavevő pont előtt és 3D hosszon utána. Toldócső használata esetén a csatlakozásnál nem kerülhet be levegő.
2.2.3. A mintavevő-rendszernek olyannak kell lennie, hogy a minta nyomása az opaciméterben minden motor-fordulatszámnál a 4. függelék 3.8.2. pontjában megadott határokon belül legyen. Ez a minta alapjáratnál és terhelés nélküli maximális fordulatszámnál előálló nyomásának feljegyzésével ellenőrizhető. Az opaciméter típusától függően a minta nyomása a kipufogócsőben vagy a toldatban elhelyezett pillangószeleppel vagy szűkítő gallérral szabályozható. Az alkalmazott módszertől függetlenül, a kipufogócső ellennyomása a szonda helyén nem lehet nagyobb 0,75 kPa-nál.
2.2.4. Az opaciméterhez csatlakozó csővezetékeknek a lehető legrövidebbeknek kell lenniük. A csöveknek a mintavevő-ponttól az opaciméter felé kell emelkedniük, és nem lehetnek bennük éles kanyarok, ahol a korom lerakódhat. Az opaciméter elé megkerülő szelepet lehet beépíteni a kipufogógázok elterelésére azokban az időszakokban, amikor nem folyik mérés.
3. TELJES ÁTFOLYÁSÚ OPACIMÉTER
Az állandósult állapotban és a szabad gyorsulás során végzett vizsgálatok alatt betartandó általános rendszabályok a következők:
3.1. A kipufogó-rendszert és az opacimétert összekötő csöveken keresztül nem léphet be külső levegő.
3.2. Az opaciméterhez csatlakozó csővezetékeknek, ugyanúgy mint a mintavevő opaciméternél, a lehető legrövidebbeknek kell lenniük. A csöveknek a kipufogócsőtől az opaciméter felé kell emelkedniük, és nem lehetnek bennük éles kanyarok, ahol a korom lerakódhat. Az opaciméter elé megkerülő szelepet lehet beépíteni a kipufogógázáram elterelésére azokban az időszakokban, amikor nem folyik mérés.
3.3. Ugyancsak szükséges lehet, hogy az opaciméter előtt hűtőrendszert építsenek be.
IV. MELLÉKLET
A REFERENCIA-TÜZELŐANYAGOK ELŐÍRÁSAI
A benzin (E5) és dízel (B5) referencia-tüzelőanyagokat a 692/2008/EK bizottsági rendelet ( 68 ) IX. melléklete A. szakaszának megfelelően kell meghatározni.
V. MELLÉKLET

VI. MELLÉKLET

VII. MELLÉKLET
A CSEREKATALIZÁTORNAK MINT ÖNÁLLÓ MŰSZAKI EGYSÉGNEK A TÍPUSJÓVÁHAGYÁSA MOTORKERÉKPÁROKHOZ ÉS SEGÉDMOTOROS KERÉKPÁROKHOZ
Ez a melléklet az olyan katalizátorok típusjóváhagyására vonatkozik, amelyeket a 2002/24/EK irányelv 2. cikkének (5) bekezdése alkalmazásában önálló műszaki egységnek kell tekinteni, és cserealkatrészként fel kell szerelni motorkerékpárok és segédmotoros kerékpárok egy vagy több típusára.
1. FOGALOMMEGHATÁROZÁSOK
E melléklet alkalmazásában:
1.1. eredeti katalizátor: olyan katalizátor, vagy katalizátorokból álló szerelvény, amelyre a gépjárműhöz szállított típusjóváhagyás vonatkozik;
1.2. "cserekatalizátor": olyan katalizátor, vagy katalizátorokból álló szerelvény, amelyet egy eredeti katalizátor lecserélésére szántak a jelen irányelv 5. fejezete szerinti típusjóváhagyással rendelkező gépjárművön, és amelynek a típusjóváhagyását önálló műszaki egységként lehet elvégezni, ahogy azt a 2002/24/EK irányelv 2. cikkének (5) bekezdése meghatározza;
1.3. "eredeti cserekatalizátor": olyan katalizátor, vagy katalizátorokból álló szerelvény, amelynek típusa megtalálható a VI. melléklet 4a. pontjában, de a piacon önálló műszaki egységként kínálja a gépjármű típusjóváhagyásának a tulajdonosa;
1.4. "katalizátortípus": olyan katalizátorok, amelyek nem különböznek egymástól a következő lényeges vonatkozások tekintetében:
1.4.1. bevont szubsztrátumok száma, szerkezet és anyag;
1.4.2. katalitikus aktivitás típusa (oxidáló, háromutas stb.);
1.4.3. térfogat, a frontális terület aránya és a szubsztrátum hosszúsága;
1.4.4. katalitikus anyag tartalma;
1.4.5. katalitikus anyag aránya;
1.4.6. cellasűrűség;
1.4.7. méretek és alak;
1.4.8. hővédelem;
1.5. "járműtípus a motorból származó gáznemű szennyező anyagok kibocsátása szempontjából": olyan motorkerékpárok és segédmotoros kerékpárok, amelyek nem különböznek lényegesen egymástól olyan alapvető szempontok tekintetében, mint:
1.5.1. az I. melléklet vagy a II. melléklet 1. függelékének 5.2. pontja szerint a referenciatömeghez viszonyítva meghatározott egyenértékű inercia (a jármű típusától függően);
1.5.2. a motor és a motorkerékpár vagy segédmotoros kerékpár V. mellékletben meghatározott jellemzői;
1.6. "gáznemű szennyező anyagok": szén-monoxid, szénhidrogének és nitrogén-dioxid (NO2) egyenértékben kifejezett nitrogén-oxidok.
2. TÍPUS-JÓVÁHAGYÁSI KÉRELEM
2.1. A cserekatalizátor - mint különálló műszaki egység - típusának típusjóváhagyása érdekében a rendszer gyártójának vagy meghatalmazott képviselőjének kérelmet kell benyújtania.
2.2. Az információs dokumentum mintája e melléklet 1. függelékében található.
2.3. Minden olyan katalizátortípusra, amelyre jóváhagyást kérnek, a típus-jóváhagyási kérelemhez csatolni kell három példányban a következő dokumentumokat, valamint a következő részletes felvilágosításokat:
2.3.1. a jármű típusa, illetve típusai, amihez a készüléket szánják, az I. melléklet vagy a II. melléklet 1.1. szakasza szerinti jellemzők tekintetében (a jármű típusától függően);
2.3.2. a motor és a jármű típusára jellemző számokat és/vagy szimbólumokat meg kell adni;
2.3.3. a cserekatalizátor leírása, amely közli minden egyes alkatrész viszonylagos helyzetét, a szerelési utasításokkal együtt;
2.3.4. minden egyes alkatrész rajza az elhelyezés és az azonosítás lehetővé tételéhez, és nyilatkozat a felhasznált anyagokról. Ezeknek a rajzoknak jelezniük kell azt is, hogy hol szándékoznak feltüntetni a kötelező típus-jóváhagyási számot.
2.4. A következőket kell benyújtatni a típus-jóváhagyási tesztért felelős műszaki szolgálatnak:
2.4.1. A jelen irányelv 5. fejezetének megfelelően jóváhagyott típusú jármű (járművek), amelyet (amelyeket) egy új eredeti katalizátorral szereltek fel. Ezt a járművet, illetve ezeket a járműveket a kérelem benyújtójának kell kiválasztania a műszaki szolgálat beleegyezésével. Meg kell felelnie, illetve meg kell felelniük az I., II. vagy III. melléklet 1. függelékének 3. szakasza követelményeinek (a jármű típusától függően).
A próbajárműnek (próbajárműveknek) nem lehetnek a kibocsátásszabályozó rendszerrel kapcsolatos hibái; minden túlságosan kopott vagy hibásan működő kibocsátással kapcsolatos eredeti alkatrészt meg kell javítani, vagy ki kell cserélni. A próbajárművet (próbajárműveket) megfelelően be kell szabályozni, és be kell állítani a gyártó előírásai szerint a kibocsátási próbát megelőzően.
2.4.2. A cserekatalizátor-típus egy mintapéldánya. Ezt a mintapéldányt egyértelműen és kitörölhetetlenül meg kell jelölni a kérelem benyújtójának márkanevével vagy védjegyével és kereskedelmi megnevezésével.
3. A TÍPUSJÓVÁHAGYÁS MEGADÁSA
3.1. Az e mellékletben ismertetett próbák elvégzését követően az illetékes hatóság kiadja a 2. függelékben közölt mintán alapuló bizonyítványt.
3.2. A 2002/24/EK irányelv V. melléklete szerinti jóváhagyási számot kell kiadni minden egyes jóváhagyott cserekatalizátor-típushoz. Ugyanaz a tagállam nem adhatja ki ugyanazt a számot egy másik cserekatalizátor-típushoz. Ugyanaz a típus-jóváhagyási szám vonatkozhat különböző járműtípusoknál használt ugyanolyan cserekatalizátor-típusra.
4. JELÖLÉSI KÖVETELMÉNY
4.1. Minden olyan cserekatalizátoron, amely megfelel az ezen irányelv szerint - a szerelési anyagok és a csövek kivételével - önálló műszaki egységként jóváhagyott típusnak, egy típus-jóváhagyási jelet kell alkalmazni, melynek kialakítása megfelel a 2002/24/EK irányelv 8. cikke követelményeinek, kiegészítve a jelen melléklet 4.2. szakaszban hivatkozott további információkkal. A típus-jóváhagyási jelet úgy kell elhelyezni, hogy olvasható, kitörölhetetlen, ugyanakkor látható legyen (ahol lehetséges) azon a helyen, ahova fel kell erősíteni.
Az "a" méretének legalább 3 mm-nek kell lennie.
4.2. A típus-jóváhagyási jelben közölt további információk
4.2.1. Minden cserekatalizátoron - a szerelési anyagok és a csövek kivételével - a típus-jóváhagyási jelben fel kell tüntetni annak a fejezetnek, illetve azoknak a fejezeteknek a számát, aminek alapján a típusjóváhagyást megkapta.
4.2.1.1. Cserekatalizátor, amely mind a katalizátort, mind a kipufogórendszert (hangtompítót) magában foglaló egyetlen részből áll.
A 4.1. pontban említett típus-jóváhagyási jelet egy bekarikázott 5-ös és egy bekarikázott 9-es számnak kell követnie.
4.2.1.2. A kipufogórendszertől (hangtompítótól) elkülönített cserekatalizátor.
A cserekatalizátoron elhelyezett, a 4.1. pontban említett típus-jóváhagyási jelet egy bekarikázott 5-ös számnak kell követnie.
A típus-jóváhagyási jelölésekre a 3. függelékben találhatók példák.
5. KÖVETELMÉNYEK
5.1. Általános követelmények
A cserekatalizátor kialakításának, konstrukciójának és felszerelésének olyannak kell lennie, hogy megfeleljen a következőknek:
5.1.1. a jármű rendes használati feltételek mellett megfelel a melléklet követelményeinek, különösen fontos, hogy akkor is, ha bármilyen rezgésnek van kitéve;
5.1.2. a cserekatalizátor ésszerű ellenállást mutat a korróziós jelenséggel szemben, ha ennek ki van téve, a jármű rendes használati körülményeinek megfelelő figyelembevételével;
5.1.3. az eredeti katalizátor alatt rendelkezésre álló szabad magasság és a jármű borulási szöge nem csökken;
5.1.4. a felület nem ér el túlságosan magas hőmérsékleteket;
5.1.5. a körvonalon nincsenek kiszögellések vagy éles szélek;
5.1.6. a lengéscsillapítók és a felfüggesztés között elegendő hézag van;
5.1.7. a csöveknek megfelelő biztonsági hézaga van;
5.1.8. ütésálló, de egyúttal megfelel a világosan megfogalmazott karbantartási és felszerelési követelményeknek is;
5.1.9. ha az eredeti katalizátor hővédelemmel rendelkezik, akkor a cserekatalizátornak is rendelkeznie kell egyenértékű védelemmel;
5.1.10. ha az oxigénszondát (oxigénszondákat) és más érzékelőket eredetileg a kipufogóvezetékre szerelték fel, akkor a cserekatalizátort pontosan az eredeti katalizátor helyére kell felszerelni, és az oxigénszonda, illetve oxigénszondák és más érzékelők helyzetét a kipufogóvezetéken nem szabad megváltoztatni.
5.2. A kibocsátásokkal kapcsolatos követelmények
5.2.1. A 2.4.1. szakaszban hivatkozott, a kérelmezett típusjóváhagyásnak megfelelő típusú cserekatalizátorral felszerelt járművet az I., II. vagy III. melléklet 1. és 2. függelékében megállapított próbáknak kell alávetni (a jármű típusjóváhagyásának megfelelően) ( 69 ).
5.2.1.1. Cserekatalizátorral felszerelt járművek szennyezőanyag-kibocsátásának értékelése
A kibocsátásokkal kapcsolatos követelményeket teljesítettnek kell tekinteni, ha a cserekatalizátorral felszerelt próbajármű megfelel az I., II. vagy III. melléklet szerinti határértékeknek (a jármű típusjóváhagyásának megfelelően) (69) .
Ha a típusjóváhagyást ugyanazon gyártótól származó különböző típusú járművekre alkalmazzák, valamint ezek a különböző típusú járművek ugyanolyan típusú eredeti katalizátorral vannak felszerelve, akkor az I. típusú próbát legalább két járműre lehet korlátozni, amelyet a jóváhagyásért felelős műszaki szolgálattal történt megállapodást követően választottak ki.
5.2.2. A megengedhető zajszinttel kapcsolatos követelmények A 2.4.1. szakaszban említett, típusjóváhagyásra szánt típusú cserekatalizátorral felszerelt járműnek meg kell felelnie az ezen irányelv 9. fejezete II., III. vagy IV. mellékletének 3. szakaszában szereplő követelményeknek (a jármű típusjóváhagyásának megfelelően). A mozgó és az álló járműre vonatkozó vizsgálati eredményt a vizsgálati jelentésben kell megemlíteni.
5.3. A jármű teljesítményének próbája
5.3.1. A cserekatalizátornak olyannak kell lennie, hogy biztosítsa, hogy az eredeti katalizátorral elért teljesítménnyel összevethető teljesítményt érjen el a jármű.
5.3.2. A cserekatalizátort össze kell hasonlítani egy szintén új állapotban lévő eredeti katalizátorral, amelyet a 2.4.1. szakaszban hivatkozott járműre felszerelnek.
5.3.3. Ezt a próbát a motor teljesítménygörbéjének mérésével végzik el. A cserekatalizátorral mért nettó maximális teljesítménynek és csúcssebességnek nem szabad eltérnie ± 5 %-nál nagyobb mértékben az ugyanolyan feltételek mellett az eredeti katalizátorral mért nettó maximális teljesítménytől és csúcssebességtől.
6. GYÁRTÁSMEGFELELŐSÉG
A 2002/24/EK irányelv VI. mellékletének rendelkezései a gyártásmegfelelőség ellenőrzésére vonatkoznak.
Ahhoz, hogy a megfelelőséget a fentieknek megfelelően vizsgálni lehessen, egy minta-cserekatalizátort vesznek ki a típusjóváhagyással rendelkező termék gyártósoráról e melléklet szerint.
A gyártás az e melléklet rendelkezéseinek megfelelőnek tekintendő, ha az 5.2. szakasz (A kibocsátásokkal kapcsolatos követelmények) és az 5.3. szakasz (A jármű teljesítményének próbája) követelményei teljesülnek.
7. DOKUMENTÁCIÓ
7.1. Minden új cserekatalizátorhoz mellékelni kell a következő információkat:
7.1.1. a katalizátor gyártójának neve vagy védjegye;
7.1.2. azok a járművek (a gyártás évével együtt), amelyekhez a cserekatalizátort jóváhagyták, a következőkkel együtt, ha ez lehetséges:
7.1.3. felszerelési utasítások, ahol szükséges.
7.2. Ezeket az információkat a következőképpen kell biztosítani:
- vagy a cserekatalizátort kísérő adatlapként, vagy
- azon a csomagoláson feltüntetve, amelyben a cserekatalizátort eladták, vagy
- bármilyen más megfelelő módon.
1. függelék
Információs dokumentum cserekatalizátor - mint önálló műszaki egység - tekintetében, motorkerékpár-típushoz vagy segédmotoros kerékpártípushoz
Megrendelés száma (a kérelmező adja meg) ...
A motorkerékpár-típushoz vagy segédmotoroskerékpár-típushoz való cserekatalizátor típusjóváhagyás iránti kérelmének tartalmaznia kell a következő részleteket:
1. A készülék gyártmánya: ...
2. A készülék típusa: ...
3. A készülék gyártójának neve és címe: ...
...
4. Adott esetben: a készülék gyártója meghatalmazott képviselőjének neve és címe: ...
...
5. A jármű(vek) gyártmánya(i) és típusa(i) és esetleges változata(i) vagy verzió(i) amely(ek)hez a készüléket tervezték ( 70 ):
6. A cserekatalizátor rajzai, amelyek azonosítják a 97/24/EK irányelvhez mellékletként csatolt, az 5. fejezethez tartozó VII. melléklet 1.4. szakaszában hivatkozott összes jellemzőt: ...
...
7. Leírás és rajzok, amelyek megmutatják a cserekatalizátor helyzetét a motor kipufogócsövéhez (csöveihez) és az oxigénérzékelőhöz viszonyítva (ha van): ...
8. A használattal kapcsolatos esetleges korlátozások és a felszerelési utasítások: ...
9. A 2002/24/EK irányelv II. mellékletében, az 1. rész (A) bekezdésében, a következő szakaszokban felsorolt részletek:
0.1.,
0.2.,
0.5.,
0.6.,
2.1.,
3.,
3.0.,
3.1.,
3.1.1.,
3.2.1.7.,
3.2.12.,
4. -től 4.4.2.-ig,
4.5.,
4.6.,
5.2. 2. függelék
Motorkerékpár-típushoz vagy segédmotoroskerékpár-típushoz való cserekatalizátorra vonatkozó alkatrész-típusjóváhagyási bizonyítvány
Hatóság neve
Jelentés száma: ... műszaki szolgálat: ... Dátum: ...
Típusjóváhagyás száma: ... Kiterjesztés száma: ...
1. A készülék gyártmánya: ...
2. A készülék típusa: ...
3. A készülék gyártójának neve és címe: ...
...
4. Adott esetben: a készülék gyártója meghatalmazott képviselőjének neve és címe: ...
...
5. A jármű(vek) gyártmánya(i) és típusa(i) és esetleges változata(i) vagy verzió(i) amely(ek)hez a készüléket tervezték: ...
...
6. A készülék vizsgálatra történő benyújtásának dátuma: ...
7. Típusjóváhagyás megadva/visszautasítva ( 71 ):
8. Hely: ...
9. Dátum: ...
10. Aláírás: ...
3. függelék
Példák a típusjóváhagyás jelölésére

A fent bemutatott típus-jóváhagyási jelet Németország adta ki [e1] az 1230 szám alatt egy olyan cserekatalizátorhoz, amely egyetlen részből áll, és magában foglalja mind a katalizátort, mind pedig a kipufogórendszert (hangtompítót).

A fent bemutatott típus-jóváhagyási jelet Németország adta ki [e1] az 1230 szám alatt egy olyan cserekatalizátorhoz, amely nincs beépítve a kipufogórendszerbe (a katalizátor és a hangtompító nem egyetlen integrált alkotóelem).

A fent bemutatott típus-jóváhagyási jelet Németország adta ki [e1] az 1230 szám alatt egy olyan nem eredeti hangtompítóhoz, amely nem tartalmaz beépített katalizátort (a katalizátor és a hangtompító nem egyetlen integrált alkotóelem, vagy a jármű nincs felszerelve katalizátorral) (lásd a 9. fejezetet).
6. FEJEZET
MOTORKERÉKPÁR VAGY SEGÉDMOTOROS KERÉKPÁR TÜZELŐANYAG-TARTÁLYAI
A MELLÉKLETEK JEGYZÉKE
I. MELLÉKLET | Gyártási követelmények |
1. függelék | A vizsgáló berendezés |
2. függelék | Egy motorkerékpárhoz vagy segédmotoros kerékpárhoz való tüzelőanyagtartály-típus adatközlő lapja |
3. függelék | Egy motorkerékpárhoz vagy segédmotoros kerékpárhoz való tüzelőanyagtartály-típus alkatrész-típusjóváhagyási bizonyítványa |
II. MELLÉKLET | Tüzelőanyag-tartályok és tüzelőanyagellátó-rendszerek motorkerékpárra vagy segédmotoros kerékpárra való felszerelésére vonatkozó előírások |
1. függelék | Tüzelőanyag-tartálynak vagy -tartályoknak egy motorkerékpár- vagy segédmotoroskerékpár-típusra való felszerelésére vonatkozó adatközlő lap |
2. függelék | Tüzelőanyag-tartálynak vagy -tartályoknak egy motorkerékpár- vagy segédmotoroskerékpár-típusra való felszerelésére vonatkozó jármű-típusbizonyítvány |
I. MELLÉKLET
GYÁRTÁSI KÖVETELMÉNYEK
1. ÁLTALÁNOS ELŐÍRÁSOK
1.0. Ennek a fejezetnek az alkalmazásában a "tüzelőanyagtartály-típus" olyan tüzelőanyag-tartályok, amelyeket ugyanaz a gyártó készített, és amelyeknek kialakítása, gyártása és anyagai semmilyen lényeges szempontból nem különböznek egymástól.
1.1. A tüzelőanyag-tartályokat olyan anyagokból kell készíteni, amelyeknek hőtani, mechanikai és kémiai tulajdonságai a tervezett alkalmazási körülmények között tartósan megfelelőek maradnak.
1.2. A tüzelőanyag-tartályokat és a közelükben lévő alkatrészeket úgy kell kialakítani, hogy semmiképpen se hozzanak létre elektrosztatikus töltést, amely szikrázást okozhatna a tartály és a jármű szerkezete között és meggyújthatná a tüzelőanyag/levegő keveréket.
1.3. A tüzelőanyag-tartályokat korrózióálló kivitelben kell készíteni. Ki kell állniuk egy, a relatív üzemi nyomásuk kétszeresének megfelelő, de legalább 130 kPa abszolút nyomással végzett szivárgásmentességi próbát. Minden túlnyomást vagy az üzemi nyomást meghaladó mértékű nyomást megfelelő berendezések (fojtónyílások, biztonsági szelepek, stb.) útján automatikusan meg kell szüntetni. A szellőzőnyílásokat úgy kell kialakítani, hogy a meggyulladás veszélye kizárt legyen. A tüzelőanyagnak nem szabad kifolynia a töltőnyíláson vagy a túlnyomás megszüntetésére szolgáló bármilyen berendezésen még akkor sem, ha a tartályt teljesen felfordítják; a még elfogadható csepegés maximum 30 g/min.
2. A VIZSGÁLATOK
Azokat a tüzelőanyag-tartályokat, amelyek bármilyen nem-fémes anyagból készülnek, a megadott sorrendben az alábbi vizsgálatoknak kell alávetni:
2.1. Áteresztőképességi vizsgálat
2.1.1. A vizsgálati módszer
A tüzelőanyag-tartályt 313 K ± 2 K hőmérsékleten kell vizsgálni. A használandó próbaüzemanyag az a referencia-tüzelőanyag, amely a motorkerékpárok vagy segédmotoros kerékpárok által okozott légszennyezés elleni intézkedésekre vonatkozó 5. fejezetben van meghatározva.
A tartályt a névleges térfogata 50 %-áig kell a referencia-tüzelőanyaggal feltölteni és 313 K ± 2 K környezeti hőmérsékleten kell pihentetni addig, amíg állandó súlycsökkenés nem következik be. Ennek az időszaknak legalább négy hétnek kell lennie (előtárolási időszak). Ez után a tartályt ki kell üríteni és ismét feltölteni a névleges térfogata 50 %-áig a viszgálati tüzelőanyaggal.
Ez után a tartályt stabil körülmények között 313 K ± 2 K hőmérsékleten kell tartani, amíg tartalma el nem éri a vizsgálati hőmérsékletet. Ekkor a tartályt le kell zárni. A vizsgálat alatt a tartály nyomásemelkedése kiegyenlíthető. A diffúzió miatt bekövetkező súlyveszteséget egy nyolchetes vizsgálat során kell meghatározni. E vizsgálat alatt 24 óránként átlagosan maximum 20 g tüzelőanyag szökhet meg. Ha a diffúziós veszteségek nagyobbak, az üzemanyag-veszteséget 296 K ± 2 K hőmérsékleten is meg kell állapítani, minden egyéb feltétel fenntartása mellett (előtárolás 313 K ± 2 K hőmérsékleten). Az e hőmérsékletnél bekövetkező veszteség nem lehet több 10 g/24 h-nál.
Ha a vizsgálatot nyomáskiegyenlítés mellett végzik, amit a vizsgálati jegyzőkönyvben fel kell tüntetni, a nyomáskiegyenlítés következtében előálló tüzelőanyag-veszteséget a diffúziós veszteség megállapításánál figyelembe kell venni.
2.2. Ütésállósági vizsgálat
2.2.1. A vizsgálati módszer
A tüzelőanyag-tartályt meg kell tölteni a névleges térfogatáig 50 % víz és etilénglikol vagy bármilyen más hűtőközeg keverékével, amely nem támadja meg a tüzelőanyag-tartály anyagát, és amelynek fagypontja 243 K ± 2 K alatt van.
A vizsgálat alatt a tartályban lévő közeg hőmérsékletének 253 K ± 5 K-nek kell lennie. A tartályt megfelelő környezeti hőmérsékleten kell lehűteni. Fel lehet tölteni a tartályt megfelelően lehűtött folyadékkal is, feltéve, hogy a tüzelőanyag-tartály legalább egy órán át a vizsgálati hőmérsékleten áll.
A vizsgálathoz egy ingát kell használni. Az ütőfejnek egy egyenlő oldalú háromszög alapú gúlának kell lennie, amelynek csúcsa és élei 3,0 mm-es görbületi sugárral le vannak kerekítve. A 15 kg tömegű inga energiája nem lehet 30,0 J-nál kevesebb.
A tüzelőanyag-tartálynak azokat a pontjait kell vizsgálni, amelyekről feltételezhető, hogy a tartály felszerelése és a járművön elfoglalt helyzete következtében kockázatnak vannak kitéve. E pontok egyikére mért egyetlen ütés után nem következhet be folyadékszivárgás.
2.3. Mechanikai szilárdság
2.3.1. A vizsgálati módszer
A tüzelőanyag-tartályt névleges térfogatáig meg kell tölteni 326 K ± 2 K hőmérsékletű vízzel. A relatív belső nyomás nem lehet 30 kPa-nál kevesebb. Ha a tüzelőanyag-tartályt 15 kPa-nál nagyobb relatív belső üzemi nyomásra tervezték, a relatív próbanyomásnak a tervezett üzemi tartálynyomás kétszeresének kell lennie. A tartályt 5 órán át lezárva kell tartani.
Nem következhet be olyan deformáció, amely a tüzelőanyag-tartályt használhatatlanná tenné. (Például a tartály nem lyukadhat ki.) A tartály deformációjának megállapításakor figyelembe kell venni a sajátos felszerelési körülményeket is.
2.4. A tüzelőanyaggal szembeni ellenállóképesség vizsgálata
2.4.1. A vizsgálati módszer
Hat darab, körülbelül egyforma vastagságú szakító-próbatestet kell kivenni a sík felületekből. A próbatestek szakítószilárdságát és rugalmassági határát 296 K ± 2 K hőmérsékleten kell meghatározni 50 mm/min nyújtási sebesség mellett. Az így nyert értékeket össze kell hasonlítani olyan tartályból kivett próbatestek hasonló vizsgálatok során nyert szakítószilárdsági és nyúlási eredményeivel, amely már átesett az előtárolási időszakon. Az anyag elfogadhatónak tekinthető, ha a szakítószilárdság különbsége nem nagyobb 25 %-nál.
2.5. A tűzzel szembeni ellenállóképesség vizsgálata
2.5.1. A vizsgálati módszer
Az 1. függelékben leírt vizsgálat során a tartály anyaga nem éghet 0,64 mm/s-nál nagyobb lángterjedési sebességgel.
2.6. Magas hőmérsékleten végzett vizsgálat
2.6.1. A vizsgálati módszer
A névleges térfogatának 50 %-áig 293 K ± 2 K hőmérsékletű vízzel megtöltött üzemanyagtartály egy órán át 343 K ± 2 K környezeti hőmérsékleten tartva nem mutathat képlékeny alakváltozást vagy szivárgást. A vizsgálat után a tartálynak mindig teljes mértékben használhatónak kell maradnia. A vizsgáló berendezés kialakításánál figyelembe kell venni a tartály felszerelési körülményeit.
1. függelék
1. A VIZSGÁLÓ BERENDEZÉS
1.1. A próbakamra
Teljesen zárt laboratóriumi füstelszívó ernyő, hőálló megfigyelő ablakkal. Bizonyos vizsgálóburák esetében tükröt lehet alkalmazni a minta hátsó oldalának megfigyeléséhez.
A vizsgálat során le kell állítani a füstelszívó ventillátort, de a vizsgálat után azonnal el kell indítani, mindennemű mérgező égéstermék eltávolítása céljából.
A vizsgálatot egy, a füstelszívó ernyő alatt elhelyezett fémdobozban is el lehet végezni, működő elszívó ventillátor mellett.
A doboz alján és tetején szellőzőnyílásokat kell kiképezni, amelyek elegendő égési levegőt engednek át akkor is, ha az égő minta nincs mesterséges légáramban.
1.2. Megfogás
Laboratóriumi megfogó állvány két befogó-pofával, amelyek csuklók útján bármilyen helyzetbe beállíthatók.
1.3. Az égő
Gázzal működő Bunsen- (vagy Tirill-) égő 10 mm-es fúvókával.
A fúvókát nem szabad járulékos berendezésekkel ellátni.
1.4. A fémháló
A 100 × 100 mm-es négyzet alakú háló szemmérete 20 mm.
1.5. Az ellenőrző óra
Ellenőrző óra vagy más hasonló készülék 1 másodpercnél nem nagyobb beosztással.
1.6. Vízfürdő
1.7. A vonalzó
Vonalzó mm-es beosztással.
2. A MINTADARABOK
2.1. Legalább 10 db, egyenként 125 ±5 mm hosszú és 12,5 ± 0,2 mm széles próbatestet kell közvetlenül kivenni egy tipikus tüzelőnyag-tartályból.
Ha ezt a tüzelőanyag-tartály alakja nem teszi lehetővé, a tartály egy részét akkora területű 3 mm vastag lemezzé kell önteni, amelyből a szükséges minták kivehetők.
2.2. Ha más előírás nincs, a próbatesteket rendes körülmények között a típusjóváhagyásra benyújtott állapotukban kell vizsgálni.
2.3. Minden próbatestbe két vonalat kell karcolni, egyiket 25 mm-re, a másikat 100 mm-re a próbatest egyik végétől.
2.4. A próbatestek éleinek határozottaknak kell lenniük. A fűrészeléssel előállított éleket finom csiszolópapírral le kell simítani.
3. A VIZSGÁLATI MÓDSZER
3.1. A próbatestet a megfogó állvány egyik befogó-pofájába kell erősíteni annál a végénél fogva, amelyik közelebb van a 100 mm-es jelhez, hossztengelyének vízszintesnek kell lennie, keresztirányú tengelyének pedig 45°-ot kell bezárnia a vízszintessel. A próbatest alatt, annak éle alatt 10 mm-rel egy (nagyjából 100 × 100 mm-es) szövött fémhálót kell vízszintesen elhelyezni úgy, hogy a próbatest vége kb. 13 mm-rel túlérjen a hálón (lásd az 1. ábrát). A fémhálón maradt anyagot minden egyes próba előtt el kell égetni, vagy a hálót ki kell cserélni.
A füstelszívó ernyő alatti asztalon egy vízzel teli edényt kell elhelyezni úgy, hogy a vizsgálat alatt esetleg lehulló izzó részecskék beleessenek.
3.2. Az égő levegőellátását úgy kell beszabályozni, hogy egy körülbelül 25 mm hosszú kék láng keletkezzék.
3.3. Az égőt úgy kell elhelyezni, hogy a láng a próbatest külső végét érje, az 1. ábrán látható módon, és egyidejűleg az időmérőt is el kell indítani.
A lángot 30 másodpercig kell a próbatesthez érinteni, és ha a próbatest deformálódik, megolvad vagy összezsugorodik, a lángot arrébb kell mozdítani, hogy továbbra is kapcsolatban álljon a próbatesttel.
A próbatest vizsgálat alatti jelentős mértékű deformációja érvénytelenné teheti az eredményt. 30 másodperc múlva, vagy ha a lángfront eléri a 25 mm-es jelet, az égőt el kell venni. Ha a lángfront 30 másodpercnél hamarabb éri el a jelet, az égőt legalább 450 mm-nyire el kell távolítani a próbatesttől, és le kell zárni a füstelszívó ernyőt.
3.4. Azt az időmérőn másodpercekben leolvasott időt, amely alatt a lángfront elérte a 25 mm-es jelet, t1 időnek kell nevezni és fel kell jegyezni.
3.5. Az időmérőt meg kell állítani, ha az égés (lánggal vagy anélkül) leáll, vagy eléri a szabad oldaltól mért 100 mm-es jelet.
3.6. Ezt a másodpercekben leolvasott időt t időként kell feljegyezni.
3.7. Ha az égés nem éri el a 100 mm-es jelet, a 100 mm-es jeltől kezdve a próbatest alsó élén meg kell mérni az elégetlen szakasz hosszát, és ki kell kerekíteni a legközelebbi kisebb vagy nagyobb mm-re.
Az elégett hossz: 100 mm mínusz a mm-ekben kifejezett elégetlen szakasz hossza.
3.8. Ha a próbatest a 100 mm-es jelig vagy azon is túl elégett, az égési sebességnek

3.9. A vizsgálatot (3.1.-3.8.) addig kell ismételni, amíg három minta el nem égett a 100 mm-es jelig vagy azon túl, vagy pedig mind a tíz próbatestet meg nem vizsgálták.
Ha a tízből egy próbatest is elég a 100 mm-es jelig vagy azon túl, a vizsgálatot (3.1.-3.8.) meg kell ismételni tíz új próbatesten.
4. AZ EREDMÉNYEK KIÉRTÉKELÉSE
4.1. Ha legalább két próbatest elégett a 100 mm-es jelig, a megállapítandó átlagos égési sebesség (mm/s-ban) mindazon próbatestek égési sebességének átlaga, amelyek a jelig elégtek.
4.2. Az átlagos égési időt és az átlagos elégett hosszat akkor kell megállapítani, ha a tízből egy próbatest sem, vagy a húszból csak egy próbatest égett el a 100 mm-es jelig.
4.2.1. Az átlagos égési idő (ÁÉI) másodpercekben:

ahol n a próbatestek száma.
Az ÁÉI értékét 5 másodperc legközelebbi többszörösére kell felfelé vagy lefelé kerekíteni: így ha a próbatest az égő elvétele után kevesebb, mint 3 másodpercig ég, az ÁÉI-re "kevesebb, mint 5 másodperc" értéket kell megállapítani.
Az ÁÉI-re semmiképpen sem adható meg 0.
4.2.2. Az átlagos égési hosszúság (ÁÉH) mm-ben:

ahol n a próbatestek száma.
Az ÁÉH értékét 5 mm legközelebbi többszörösére kell felfelé vagy lefelé kerekíteni: így ha az égési hosszak kisebbek, mint 3 mm, az ÁÉH-ra "kevesebb, mint 5 mm" értéket kell megállapítani.
Az ÁÉH-ra semmiképpen sem adható meg 0.
Ahol egyetlen próbadarab a jelig elég, az égési hosszat 100 mm-rel kell számítani.
4.3. A teljes eredménykimutatásnak az alábbi információkat kell tartalmaznia:
4.3.1. A próbadarab azonosítása, beleértve az előkészítés és tárolás módját is.
4.3.2. Átlagos próbadarab-vastagság.
4.3.3. A vizsgált próbatestek száma.
4.3.4. Az égésiidő-értékek szórása.
4.3.5. Az égési hosszak szórása.
4.3.6. Ha a próbatest nem égett el a jelig, mert lecsepegett, lefolyt vagy égő részecskékre töredezett, ezt meg kell jegyezni.
4.3.7. Ha egy próbatest a fémszövetre lerakódott égő anyagoktól ismét meggyulladt, ezt meg kell jegyezni.

1. ábra
A vizsgáló berendezés
2. függelék

3. függelék

II. MELLÉKLET
TÜZELŐANYAG-TARTÁLYOK ÉS TÜZELŐANYAGELLÁTÓ-RENDSZEREK MOTORKERÉKPÁROKRA VAGY SEGÉDMOTOROS KERÉKPÁROKRA VALÓ FELSZERELÉSÉRE VONATKOZÓ ELŐÍRÁSOK
1. A TÜZELŐANYAG-TARTÁLY
A tartályrögzítő-rendszereket úgy kell kialakítani, legyártani és felszerelni, hogy bármilyen közlekedési helyzetben teljesítsék feladatukat.
2. A TÜZELŐANYAGELLÁTÓ-RENDSZER
A motor tüzelőanyagellátó-rendszereinek alkatrészeit a jármű keretének vagy karosszériájának kialakításával megfelelően védeni kell, hogy ne ütődhessenek neki a talajon lévő akadályoknak. Nincs szükség ilyen védelemre, ha a jármű alsó részén lévő szóban forgó alkatrészek távolabb vannak a talajtól, mint a járműkeret vagy karosszéria közvetlenül előttük elhelyezkedő része.
A tüzelőanyagellátó-rendszereket úgy kell kialakítani, legyártani és felszerelni, hogy ellenálljanak minden belső és külső korróziós hatásnak, amelynek ki lehetnek téve. A jármű szerkezetének, motorjának vagy erőátviteli láncának semmilyen elcsavarodása, behajlása vagy rezgése sem okozhat rendellenes súrlódást vagy feszültséget a tüzelőanyag-rendszer alkatrészeiben.
1. függelék
Tüzelőanyag-tartálynak vagy tartályoknak egy motorkerékpár- vagy segédmotoroskerékpár-típusra való felszerelésére vonatkozó adatközlő lap

2. függelék

7. FEJEZET
SZAKSZERŰTLEN BEAVATKOZÁSOK ELLENI INTÉZKEDÉSEK KÉTKEREKŰ MOPEDEK ÉS MOTORKERÉKPÁROK ESETÉBEN
MELLÉKLET
1. FOGALOMMEGHATÁROZÁSOK
Ennek a fejezetnek az alkalmazásában:
1.1. "szakszerűtlen beavatkozások elleni intézkedések kétkerekű mopedek és motorkerékpárok esetében": egy sor olyan műszaki előírás és követelmény, amelyek célja a lehetőségekhez képest megakadályozni a biztonságot, különösen a jármű teljesítményének növelése útján hátrányosan befolyásoló és a környezetet károsító illetéktelen módosításokat;
1.2. "jármű teljesítőképessége": a mopedek maximális sebessége és a motorkerékpárok motorteljesítménye;
1.3. "járműkategória": az alábbi kategóriákba sorolt járművek:
1.3.1. A. kategóriájú járművek - mopedek;
1.3.2. B. kategóriájú járművek - 125 cm3-nél nem nagyobb hengerűrtartalmú és 11 kW-ot meg nem haladó teljesítményű motorkerékpárok;
1.3.3. C. kategóriájú járművek - 25 kW-ot meg nem haladó teljesítményű és 0,16 kW/kg teljesítmény/tömeg arányú motorkerékpárok, amelyek üzemkész állapotban mért tömege a 92/61/EGK irányelv II. melléklete (d) megjegyzésének 2. pontjában van meghatározva;
1.3.4. D. kategóriájú járművek - a nem a B. vagy C. kategóriába tartozó motorkerékpárok;
1.4. "illetéktelen módosítás": olyan módosítás, amelyet ez a fejezet nem enged meg;
1.5. "alkatrészek felcserélhetősége": nem azonos alkatrészek felcserélhetősége;
1.6. "szívóvezeték": a szívócsatorna és a szívócső együttese;
1.7. "szívócsatorna": a beszívott levegő hengeren, hengerfejen vagy forgattyúházon át vezető útja;
1.8. "szívócső": a porlasztót vagy a levegőszabályozó-rendszert a hengerrel, a hengerfejjel vagy a forgattyúházzal összekötő alkatrész;
1.9. "szívórendszer": a szívóvezeték és a szívászaj-csökkentő együttese;
1.10. "kipufogórendszer": a kipufogócső, a hőtágulási szakasz, a hangtompító és a katalizátor (ha van) együttese.
1.11. "különleges szerszámok": olyan szerszámok, amelyek csak a jármű gyártója által felhatalmazott márkaszerviznek állnak rendelkezésére és amelyekhez a nagyközönség nem jut hozzá.
2. ÁLTALÁNOS ELŐÍRÁSOK
2.1. Nem azonos alkatrészek felcserélhetősége alkatrész-típusjóváhagyással rendelkező járművek esetében:
2.1.1. Bármilyen A. vagy B. kategóriájú járműnél az alábbi alkatrészek vagy alkatrész-csoportok:
a) kétütemű járműveknél: henger/dugattyú együttes, karburátor, szívócső, kipufogó-rendszer;
b) négyütemű járműveknél: hengerfej, vezérműtengely, henger/dugattyú együttes, karburátor, szívócső, kipufogó-rendszer,
felcserélhetősége a jármű és bármely más, ugyanazon gyártó által előállított másik jármű között tilos, ha ez a felcserélhetőség az A. kategóriájú járművek esetében a jármű maximális névleges sebességének 5 km/h-nál nagyobb növekedését, vagy B. kategóriájú járművek esetében a jármű teljesítményének 10 %-nál nagyobb növekedését idézi elő. Egyetlen esetben sem szabad túllépni az adott kategóriára előírt maximális tervezett sebességet vagy a hasznos teljesítményt.
Külön kell megjegyzni, hogy a 92/61/EGK irányelv I. mellékletének megjegyzésében említett kisteljesítményű mopedeknél a tervezett maximális sebesség 25 km/h.
2.1.1.1. Bármely B. kategóriájú járműre, amelynél a 92/61/EGK irányelv 2. cikke értelmében a maximális sebesség vagy a maximális hasznos teljesítmény tekintetében egymástól különböző változatok léteznek, a tagállamok által a vezetői engedélyekről szóló, 1991. július 29-i 91/439/EGK tanácsi irányelv ( 72 ) 3. cikkének (5) bekezdése alapján bevezetett kiegészítő korlátozások eredményeképpen a 2.1.1.a) és b) pont követelményei nem vonatkoznak az alkatrészek cserélhetőségére, hacsak ez nem eredményezi a jármű teljesítményének 11 kW-ot meghaladó növekedését.
2.1.2. Az alkatrészek felcserélhetőségét lehetővé tévő esetekben a gyártónak gondoskodnia kell arról, hogy az illetékes hatóságok megkapják a szükséges információkat és adott esetben a szükséges járműveket, amelyek alapján módjuk nyílik az e fejezetben előírt követelmények teljesítésének ellenőrzésére.
2.2. A gyártónak ki kell jelentenie, hogy az alábbi jellemzők nem fogják 10 %-nál többel megnövelni a B. kategóriájú motorkerékpár teljesítményét vagy 5 km/h-nál többel megnövelni a moped sebességét, és semmi esetre sem következhet be az adott kategóriára meghatározott maximális tervezett sebesség vagy maximális hasznos motorteljesítmény túllépése: gyújtás (előgyújtás, stb.), tüzelőanyag-rendszer.
2.3. A B. kategóriájú motorkerékpároknak teljesíteniük kell a 2.3.1. vagy 2.3.2. vagy 2.3.3. és a 2.3.4. és 2.3.5. pont követelményeit.
2.3.1. Egy eltávolíthatatlan hüvelyt kell a szívóvezetékben elhelyezni. Ha ez a hüvely a szívócsőben van elhelyezve, ez utóbbit nyírócsavarokkal vagy csak különleges szerszámok segítségével eltávolítható csavarokkal kell a motorblokkhoz erősíteni.
A hüvely keménységének legalább 60 HRC-nek kell lennie. Fala a szűkített keresztmetszetben nem lehet 4 mm-nél vastagabb.
A hüvely eltávolítására vagy módosítására irányuló valamennyi próbálkozásnak vagy a hüvely és környezete tönkremeneteléhez, vagy a motor teljes és tartós működésképtelenségéhez kell vezetnie, amely mindaddig fennáll, amíg vissza nem állítják a jóváhagyásnak megfelelő állapotot.
Az 1.3. pontban meghatározott járműkategóriát vagy -kategóriákat feltüntető jelölésnek olvashatónak kell lennie a hüvely felületén vagy annak közelében.
2.3.2. Minden szívócsövet nyírócsavarokkal vagy csak különleges szerszámok segítségével eltávolítható csavarokkal kell felerősíteni. A csöveken belül egy, a külső felületen megjelölt szűkített keresztmetszetnek kell lennie; ezen a helyen a falvastagságnak 4 mm-nél, vagy rugalmas anyag, mint például gumi alkalmazása esetén 5 mm-nél vékonyabbnak kell lennie.
A szűkített keresztmetszet módosítására irányuló valamennyi próbálkozásnak vagy a csövek tönkremeneteléhez, vagy a motor teljes és tartós működésképtelenségéhez kell vezetnie, amely mindaddig fennáll, amíg vissza nem állítják a jóváhagyásnak megfelelő állapotot.
Az 1.3. pontban meghatározott járműkategóriát vagy -kategóriákat feltüntető jelölésnek olvashatónak kell lennie a csöveken.
2.3.3. A szívóvezeték hengerfejben lévő részén egy szűkített szakasznak kell lennie. Ennél szűkebb rész a szívócsatorna mentén (a szelepülések környezete kivételével) sehol sem lehet.
A szívóvezetéken végzett, a szűkített keresztmetszet módosítására irányuló valamennyi próbálkozásnak vagy a cső tönkremeneteléhez, vagy a motor teljes és tartós működésképtelenségéhez kell vezetnie, amely mindaddig fennáll, amíg vissza nem állítják a jóváhagyásnak megfelelő állapotot.
Az 1.3. pontban meghatározott járműkategóriát feltüntető jelölésnek olvashatónak kell lennie a hengerfejen.
2.3.4. A 2.3.1, 2.3.2. és 2.3.3. pontban említett szűkített keresztmetszet átmérője a szóban forgó motorkerékpártól függően változik.
2.3.5. A gyártónak meg kell adnia a szűkített keresztmetszet átmérőjét és az illetékes hatóságok előtt bizonyítania kell, hogy ez a szűkített keresztmetszet a gázok áramlása szempontjából a legkritikusabb szakasz, valamint, hogy nincs olyan más keresztmetszet, amelynek módosítása 10 %-nál többel növelhetné meg a jármű teljesítőképességét.
Ennek az irányelvnek a hatálybalépése után négy évvel a különböző motorkerékpár-típusok szűkített keresztmetszeteinek maximális átmérőjét a 6. cikkben megadott eljárást követően, a gyártók által megadott szűkített átmérők alapján számszerűen meg kell határozni.
2.4. A levegőszűrő eltávolítása nem növelheti meg egy moped tervezett maximális sebességét 10 %-nál többel.
3. AZ A. ÉS B. KATEGÓRIÁJÚ JÁRMŰVEKRE VONATKOZÓ KÜLÖNLEGES ELŐÍRÁSOK
E szakasz előírásai nem kötelező jellegűek, hacsak nem szükséges egy előírás vagy több előírás együttes alkalmazása olyan szakszerűtlen beavatkozás megakadályozására, amely A. kategóriájú járművek esetében a jármű maximális tervezett sebességének 5 km/h-nál nagyobb növekedését, vagy B. kategóriájú járművek esetében a jármű maximális hasznos teljesítményének 10 %-nál nagyobb növekedését eredményezné. Azonban az adott kategóriára vonatkozóan semmilyen esetben sem haladható meg a maximális tervezett sebesség vagy a maximális hasznos teljesítmény.
3.1. Hengerfej-tömítés: ha van hengerfej-tömítés, annak beszerelés utáni maximális vastagsága nem lehet több, mint
- 1,3 mm mopedeknél és,
- 1,6 mm motorkerékpároknál.
3.2. Kétütemű motorok henger/forgattyúház-tömítése: ha a henger alapja és a forgattyúház között bármilyen tömítés van, annak beszerelés utáni maximális vastagsága nem lehet több, mint 0,5 mm.
3.3. Kétütemű motorok dugattyúja: a felső holtponti helyzetben lévő dugattyú nem takarhatja el a szívónyílást. Ez az előírás nem vonatkozik az átömlő csatorna szívónyílással egybeeső részeire, lemezrugós (hörgő-) szelepe(ke)t tartalmazó szívási rendszerű motorral ellátott járművek esetében.
3.4. Kétütemű motorok esetében a dugattyú 180°-kal történő elfordítása nem növelheti meg a motor teljesítőképességét.
3.5. A 2.3. pont rendelkezéseinek sérelme nélkül, a kipufogó-rendszerben nem engedhető meg mesterséges szűkítés. A négyütemű motorok szelepvezetőit nem kell mesterséges szűkítésnek tekinteni.
3.6. A kipufogó-rendszer hangtompító(ko)n belül elhelyezett, a kipufogócső tényleges hosszát meghatározó részét (részeit) kiszerelhetetlen módon kell a kipufogó-hangtompító(k)hoz vagy a kipufogó-doboz(ok)hoz rögzíteni.
3.7. Tilos a motor teljes terhelhetőségét korlátozó bármilyen (mechanikus, elektromos, szerkezeti, stb.) berendezést (pl. fojtószelep-ütközőt vagy forgó-fogantyú [gázadagoló] ütközőt) alkalmazni.
3.8. Ha egy A. kategóriájú jármű elektromos/elektronikus sebességkorlátozó berendezéssel van ellátva, a gyártónak adatokat és igazolást kell szolgáltatnia a vizsgálatot végző hatóságoknak annak bizonyítására, hogy a berendezésnek vagy vezetékrendszerének módosítása vagy kiiktatása nem növeli meg 10 %-nál többel a moped maximális sebességét.
Tilos a szikragyújtást kikapcsoló és/vagy gátló elektromos/elektronikus készülékek használata, ha működésük növeli az üzemanyag-fogyasztást vagy az elégetlen szénhidrogének kibocsátását.
Az előgyújtást szabályozó elektromos/elektronikus készülékeket úgy kell megtervezni, hogy a működő készülék mellett mért motorteljesítmény ne különbözzön 10 %-nál többel a kikapcsolt készülék és a maximális utazási sebességhez beállított előgyújtás mellett mért teljesítménytől.
A maximális utazási sebességet a maximális teljesítmény kifejtésére megállapított értékhez képest ± 5 -re beállított előgyújtás mellett kell elérni.
3.9. Ha egy motor lemezrugós (hörgő-) szeleppel van ellátva, ezt vagy a szeleptest újrafelhasználását megakadályozó nyírócsavarokkal vagy kizárólag különleges szerszámokkal oldható csavarokkal kell felerősíteni.
3.10. Egy járműmotor azonosítására vonatkozó előírások
3.10.1. Az eredeti alkatrészek megjelölése:
3.10.1.1. Az alább felsorolt alkatrészeken vagy a jármű, vagy ezen alkatrészek gyártójának tartósan és eltávolíthatatlan módon fel kell tüntetnie a kódszámo(ka)t és az azonosítás céljára szolgáló jelzéseket. Ez a megjelölés címke formájában történhet, feltéve, hogy rendes használat közben olvasható marad, és nem távolítható el anélkül, hogy tönkremenne.
Általában e jelölésnek láthatónak kell lennie anélkül, hogy a szóban forgó alkatrészt vagy a jármű más alkatrészeit ki kellene szerelni. Mindazonáltal, ha a jármű karosszériája vagy más része eltakarja a jelölést, a jármű gyártójának tájékoztatnia kell az illetékes hatóságokat a szóban forgó alkatrészek hozzáférhetőségéről vagy kiszereléséről és a jelölések helyéről.
3.10.1.2. A használt betűknek, számoknak vagy jeleknek legalább 2,5 mm magasaknak és jól olvashatóknak kell lenniük. Azonban a 3.10.1.3.7. és 3.10.1.3.8. pontban megnevezett alkatrészek megjelölésének minimális magasságát a 9. fejezetben kell megadni.
3.10.1.3. A 3.10.1.1. pontban említett alkatrészek a következők:
3.10.1.3.1. szívászaj-csökkentő (levegőszűrő)
3.10.1.3.2. karburátor vagy hasonló berendezés
3.10.1.3.3. szívócső (ha nincs egybeöntve a karburátorral vagy hengerrel vagy forgattyúházzal)
3.10.1.3.4. henger
3.10.1.3.5. hengerfej
3.10.1.3.6. forgattyúház
3.10.1.3.7. kipufogócső (csövek) (ha nincsenek a hangtompítóval egybeépítve)
3.10.1.3.7a. katalizátor(ok) (csak ha nincsenek beépítve a hangtompítóba)
3.10.1.3.8. hangtompító(k)
3.10.1.3.9. az erőátvitel hajtó része (első lánckerék vagy szíjtárcsa)
3.10.1.3.10. az erőátvitel hajtott része (hátsó lánckerék vagy szíjtárcsa)
3.10.1.3.11. a motorszabályozó-rendszer bármely elektromos/elektronikus berendezése (gyújtás, befecskendezés, stb.) és minden olyan elektronikus áramköri kártya, amely felnyitható berendezésben van elhelyezve.
3.10.1.3.12. szűkítő szakasz (hüvely vagy egyéb)
3.10.2. A szakszerűtlen beavatkozást nehezítő tábla
3.10.2.1. Minden járművön, jól hozzáférhető helyen egy legalább 60 mm × 40 mm nagyságú táblát kell tartósan elhelyezni (lehet ragasztva is, de nem lehet eltávolítható anélkül, hogy megsérülne).
Ezen a táblán a gyártónak az alábbiakat kell feltüntetnie:
3.10.2.1.1. a gyártó neve és kereskedelmi jele;
3.10.2.1.2. a jármű kategóriáját jelző betű;
3.10.2.1.3. az erőátviteli rendszer hajtó és hajtott elemeire vonatkozóan a fogak száma (lánckerekek esetén) vagy az átmérő (mm-ben) (szíjtárcsák esetén);
3.10.2.1.4. A 3.10.1. pont szerint megjelölt alkatrészeket azonosító kódszám(ok) vagy jel(ek).
3.10.2.2. A betűknek, számoknak vagy jeleknek legalább 2,5 mm magasaknak és jól olvashatóknak kell lenniük. Az 1. ábrán az alkatrészek és a kódszámaik vagy jeleik közötti kapcsolatot bemutató egyszerű rajz látható.
3.10.3. A nem eredeti alkatrészek jelölése
3.10.3.1. Ennek a fejezetnek megfelelően a járműhöz alkatrész-típusjóváhagyással rendelkező és a jármű gyártója által eladott, a 3.10.1.3. pontban felsorolt alkatrészek helyett használható cserealkatrészek kódszámát vagy jelölését vagy a 3.10.2. pont szerinti táblán, vagy egy, az alkatrésszel együtt szállított (rendes használat közben olvasható állapotban maradó és tönkretétel nélkül nem eltávolítható) matricán kell feltüntetni, amelyet a tábla mellé kell felragasztani.
3.10.3.2. Nem eredeti gyártású csere-kipufogó-hangtompítók esetében az ilyen önálló szerelési egységek kódszámát vagy jelölését egy, az alkatrésszel együtt szállított (rendes használat közben olvasható állapotban maradó és tönkretétel nélkül nem eltávolítható) matricán kell feltüntetni, amelyet a tábla mellé kell felragasztani.
3.10.3.3. Ha a 3.10.3.1. és 3.10.3.2. pont értelmében nem eredeti alkatrészeket kell megjelölni, a jelöléseknek meg kell felelniük a 3.10.1.1.-3.10.2.2. pont rendelkezéseinek.

1. függelék
Egy kétkerekű moped- vagy motorkerékpár-típussal kapcsolatos szakszerűtlen beavatkozások elleni intézkedések adatközlő lapja

2. függelék

8. FEJEZET
MOTORKERÉKPÁROK VAGY SEGÉDMOTOROS KERÉKPÁROK, VALAMINT ELEKTROMOS ÉSELEKTRONIKUS ÖNÁLLÓ SZERELÉSI EGYSÉGEK ELEKTROMÁGNESES ZAVARVÉDELME
A MELLÉKLETEK JEGYZÉKE
I. MELLÉKLET | Járművekre, valamint elektromos vagy elektronikus önálló szerelési egységekre vonatkozó követelmények |
II. MELLÉKLET | Járművek szélessávú elektromágneses sugárzásának mérési módszere |
III. MELLÉKLET | Járművek keskenysávú elektromágneses sugárzásának mérési módszere |
IV. MELLÉKLET | Járművek elektromágneses sugárzástűrésének vizsgálati módszerei |
V. MELLÉKLET | Önálló szerelési egységek (ÖSZE-k) szélessávú elektromágneses sugárzásának mérési módszerei |
VI. MELLÉKLET | Önálló szerelési egységek (ÖSZE-k) keskenysávú elektromágneses sugárzásának mérési módszere |
VII. MELLÉKLET | Önálló szerelési egységek (ÖSZE-k) elektromágneses sugárzástűrésének vizsgálati módszerei |
VIII. MELLÉKLET | Adatközlő lap (1. függelék) és alkatrész-típusjóváhagyási bizonyítvány (2. függelék) mintái |
IX. MELLÉKLET | Egy önálló szerelési egység (ÖSZE)-típusra vonatkozó adatközlő lap (1. függelék) és alkatrész-típusjóváhagyási bizonyítvány (2. függelék) mintái |
I. MELLÉKLET
JÁRMŰVEKRE, VALAMINT ELEKTROMOS VAGY ELEKTRONIKUS ÖNÁLLÓ SZERELÉSI EGYSÉGEKRE VONATKOZÓ KÖVETELMÉNYEK
1. FOGALOMMEGHATÁROZÁSOK
Ennek a fejezetnek az alkalmazásában:
1.1. "elektromágneses összeférhetőség": a járműnek vagy a jármű valamelyik elektromos/elektronikus rendszerének az a képessége, hogy elektromágneses környezetében megfelelően működjék anélkül, hogy az e környezetben lévő bármilyen berendezés számára tűrhetetlen elektromágneses zavart okozna.
Az olyan, nem kizárólag motorkerékpárok vagy segédmotoros kerékpárokhoz tervezett összetett alkatrészeknek és részegységeknek (villamos motorok, termosztátok, elektronikus áramköri kártyák, stb.), amelyeket közvetlenül a végfelhasználónak adnak el, vagy ennek az irányelvnek, vagy az elektromágneses összeférhetőségre vonatkozó tagállami jogszabályok közelítéséről szóló, 1989. május 3-i 89/336/EGK tanácsi irányelv rendelkezéseinek kell megfelelniük.
1.2. "elektromágneses zavar": bármely olyan elektromágneses jelenség, amely a jármű vagy a jármű valamelyik elektromos/elektronikus rendszere teljesítőképességének romlását okozhatja. Egy elektromágneses zavar lehet elektromágneses zaj, egy nem kívánatos jel vagy magának az átviteli közegnek a megváltozása;
1.3. "elektromágneses zavartűrés": a járműnek vagy a jármű valamelyik elektromos/ elektronikus rendszerének az a képessége, hogy bizonyos elektromágneses zavarok jelenlétében is a minőség romlása nélkül teljesíti feladatát;
1.4. "elektromágneses környezet": az adott helyzetben fennálló összes elektromágneses jelenség;
1.5. "referenciahatár": az a névleges szint, amelyre mind a járműtípus alkatrész-típusjóváhagyása, mind a gyártásazonossági határérték utal;
1.6. "referenciaantenna": a mért frekvenciára hangolt kiegyenlített félhullámú dipólus;
1.7. "szélessávú sugárzás": mindazok a sugárzások, amelyek sávszélessége nagyobb, mint egy bizonyos vevő vagy mérőeszköz sávszélessége;
1.8. "keskenysávú sugárzás": mindazok a sugárzások, amelyek sávszélessége kisebb, mint egy bizonyos vevő vagy mérőeszköz sávszélessége;
1.9. "elektromos/elektronikus önálló szerelési egység (ÖSZE)": járműbe való szerelésre szánt elektronikus és/vagy elektromos alkatrész vagy alkatrészcsoport, villamos csatlakozóival és a különböző meghatározott funkciók végrehajtásához szükséges vezetékeivel együtt.
1.10. "ÖSZE-vizsgálat": egy vagy több meghatározott ÖSZE-n végzett vizsgálat;
1.11. "járműtípus az elektromágneses összeférhetőség szempontjából", feltéve, hogy az egyes járművek között nincs alapvető különbség, többek között az alábbiak azonossága:
1.11.1. az elektronikus és/vagy elektromos alkatrészek általános elrendezése,
1.11.2. a motorfelszerelés főméretei, elrendezése és alakja és, adott esetben, a nagyfeszültségű vezetékek elrendezése,
1.11.3. a jármű-alváz és karosszéria nyersanyagai (pl. az alváz vagy a karosszéria üvegszálból, alumíniumból vagy acélból készül-e);
1.12. "ÖSZE típusa az elektromágneses összeférhetőség szempontjából": olyan önálló szerelési egységek, amelyek nem különböznek egymástól lényeges szempontokból, pl.:
1.12.1. az ÖSZE funkciója,
1.12.2. az elektronikus és/vagy elektromos alkatrészek általános elrendezése;
1.13. "közvetlen járművezérlés": a vezetőnek a kormányra, a fékekre és a gázadagoló berendezésre kifejtett közvetlen vezérlőtevékenysége.
2. ALKATRÉSZ-TÍPUSJÓVÁHAGYÁSI KÉRELEM BENYÚJTÁSA
2.1. Egy járműtípus elektromágneses összeférhetőségre vonatkozó alkatrész-típusjóváhagyási kérelméhez nem csak a VIII. melléklet 1. függelékében előírt információkat kell mellékelni, hanem a következőket is:
2.1.1. egy, az elektromos/elektronikus rendszerek vagy ÖSZE-k összes sajátos kombinációi, az alkatrész-típusjóváhagyásra benyújtott jármű típusa, kivitelei és változatai. Az elektromos/elektronikus rendszerek és ÖSZE-k akkor tekinthetők sajátosnak, ha számottevő széles- és keskenysávú sugárzási szintek kibocsátására képesek és/vagy hatással lehetnek a jármű közvetlen vezérlésére (lásd e melléklet 5.4.2.2. pontját);
2.1.2. egy, a sorozatgyártási céllal tervezett elektromos/elektronikus rendszerek különböző kombinációiból kiválasztott, a zavarvédelmi vizsgálat szempontjából jellemző ÖSZE.
2.2. Egy ÖSZE-típus elektromágneses összeférhetőség szempontjából történő alkatrész-típusjóváhagyási kérelméhez, a IX. melléklet 1. függelékében előírt adatokon kívül, mellékelni kell:
2.2.1. az ÖSZE műszaki jellemzőit leíró dokumentációt;
2.2.2. egy, a típusra jellemző ÖSZE-t. Ha az illetékes hatóság szükségesnek találja, további mintadarabokat is kérhet.
3. JELÖLÉS
3.1. Minden ÖSZE-hez, eltekintve a kábelektől (hacsak azok nem gyújtáskábelek), az alábbi információkat kell mellékelni:
3.1.1. az ÖSZE és annak alkatrészei gyártmánya vagy a gyártó neve;
3.1.2. kereskedelmi leírás.
3.2. Ezeknek a jelöléseknek eltávolíthatatlanoknak és jól olvashatóaknak kell lenniük.
4. EGY JÁRMŰTÍPUS ALKATRÉSZ-TÍPUSJÓVÁHAGYÁSA
4.1. Ha a vizsgálatra benyújtott jármű megfelel e fejezet előírásainak, meg kell adni az alkatrész-típusjóváhagyást, és annak érvényesnek kell lennie a 2.1.1. pontban említett összes sajátos kombinációra.
4.2. Mindazonáltal az alkatrész-típusjóváhagyásért felelős testületek csak abban az esetben mondhatnak le egy elektromos vagy elektronikus berendezésekkel felszerelt járműnek az 5.4. pontban említett zavartűrési vizsgálatáról, ha az ilyen berendezések meghibásodása esetén a fékezés, fényjelzés, hangjelzés és kormányzás biztonsági funkciói nem károsodnak. Az ilyen kivételeket, kellő indoklás mellett, kifejezetten meg kell említeni a vizsgálati jegyzőkönyvben.
4.3. A jármű alkatrész-típusjóváhagyása
A jármű alkatrész-típusjóváhagyására az alábbi lehetőségek állnak rendelkezésre:
4.3.1. A jármű teljes berendezésének alkatrész-típusjóváhagyása
Közvetlenül megadható az alkatrész-típusjóváhagyás egy járműre szerelt egész berendezésre, ha az megfelel az 5. pontban előírt határértékeknek és eljárásoknak megfelelően elvégzett vizsgálaton. Ha a jármű gyártója ezt a megoldást választja, nincs szükség külön ÖSZE-vizsgálatra.
4.3.2. Egy járműtípus alkatrész-típusjóváhagyása egyedi ÖSZE-vizsgálatok útján
A járműgyártó megkaphatja a járműre az alkatrész-típusjóváhagyást, ha a jóváhagyást végző hatóság előtt bebizonyítja, hogy az összes szóba jövő ÖSZE-t (lásd a 2.1.1. pontot) e fejezetnek megfelelően egyedileg jóváhagyták, és azokat minden vonatkozó feltétel figyelembevételével szerelték össze.
4.4. Egy ÖSZE alkatrész-típusjóváhagyása Megadható az alkatrész-típusjóváhagyás egy ÖSZE-re, ha az megfelel az 5. pontban előírt határértékeknek és eljárásoknak megfelelően elvégzett vizsgálatokon. A jóváhagyást meg lehet adni bármely járműtípuson, egy bizonyos járműtípuson vagy a gyártó által kért típusokon való használatra.
5. KÖVETELMÉNYEK
5.1. Általános követelmények
Minden járművet és ÖSZE-t úgy kell megtervezni és legyártani, hogy rendes üzemeltetési körülmények között teljesítsék ennek a fejezetnek a feltételeit.
Mindazonáltal a járművek és ÖSZE-k elektromágneses sugárzással szembeni zavartűrésének ellenőrzésére szolgáló, a IV., illetve VII. mellékletben leírt mérési módszereket nem kell alkalmazni az e fejezet hatálybalépését követő három éven belül.
5.2. A járművek szélessávú sugárzására vonatkozó követelmények
5.2.1. A mérési módszer
A vizsgálatra benyújtott járműtípus által keltett elektromágneses sugárzást a II. mellékletben leírt módszerrel kell mérni.
5.2.2. A jármű referencia-határértékei (szélessávú)
5.2.2.1. Ha a mérést a II. mellékletben a 10,0 ± 0,2 méteres jármű-antenna távolságra előírt módszerrel végzik, a sugárzási referencia-határérték 34 dB (50 μV/m) lesz a 30-75 MHz frekvenciasávban és 34-45 dB (50-180 μV/m) a 75-400 MHz frekvenciasávban. Amint e melléklet 1. függelékében látható, 75 MHz fölötti frekvenciákra a határérték a frekvencia logaritmusa szerint növekszik. A 400-1 000 MHz frekvenciasávban a határérték állandó 45 dB (180 μV/m).
5.2.2.2. Ha a mérést a II. mellékletben a 3,0 ± 0,05 méteres jármű-antenna távolságra előírt módszerrel végzik, a sugárzási referencia-határérték 44 dB (160 μV/m) lesz a 30-75 MHz frekvenciasávban és 44-55 dB (160-546 μV/m) a 75-400 MHz frekvenciasávban. Amint e melléklet 2. függelékében látható, 75 MHz fölötti frekvenciákra a határérték a frekvencia logaritmusa szerint növekszik. A 400-1 000 MHz frekvenciasávban a határérték állandó 55 dB (546 μV/m).
5.2.2.3. A vizsgálatra benyújtott jármű dB-ben (μV/m-ben) kifejezett mért értékeinek legalább 2,0 dB-lel a referencia-határérték alatt kell lenniük.
5.3. A járművek keskenysávú sugárzására vonatkozó követelmények
5.3.1. A mérési módszer
A vizsgálatra benyújtott járműtípus által keltett elektromágneses sugárzást a III. mellékletben leírt módszerrel kell mérni.
5.3.2. A jármű referencia-határértékei a jármű keskenysávú sugárzása esetére
5.3.2.1. Ha a mérést a III. mellékletben a 10,0 ± 0,2 méteres jármű-antenna távolságra előírt módszerrel végzik, a sugárzási referencia-határérték 24 dB (16 μV/m) lesz a 30-75 MHz frekvenciasávban és 24-35 dB (16-56 μV/m) a 75-400 MHz frekvenciasávban. Amint e melléklet 3. függelékében látható, 75 MHz fölötti frekvenciákra a határérték a frekvencia logaritmusa szerint növekszik. A 400-1 000 MHz frekvenciasávban a határérték állandó 35 dB (56 μV/m).
5.3.2.2. Ha a mérést a III. mellékletben a 3,0 ± 0,05 méteres jármű-antenna távolságra előírt módszerrel végzik, a sugárzási referencia-határérték 34 dB (50 μV/m) lesz a 30-75 MHz frekvenciasávban és 34-45 dB (50-180 μV/m) a 75-400 MHz frekvenciasávban. Amint e melléklet 4. függelékében látható, 75 MHz fölötti frekvenciákra a határérték a frekvencia logaritmusa szerint növekszik. A 400-1 000 MHz frekvenciasávban a határérték állandó 45 dB (180 μV/m).
5.3.2.3. A vizsgálatra benyújtott jármű dB-ben (μV/m-ben) kifejezett mért értékeinek legalább 2,0 dB-lel a referencia-határérték alatt kell lenniük.
5.4. A jármű elektromágneses sugárzással szembeni zavartűrésére vonatkozó követelmények
5.4.1. A mérési módszer
Egy járműtípus elektromágneses sugárzással szembeni zavartűrésének meghatározására szolgáló vizsgálatokat a IV. mellékletben leírt módszerrel kell elvégezni.
5.4.2. A jármű zavartűrésének referencia-határértékei
5.4.2.1. Amikor a mérést a IV. mellékletben leírt módszerrel végzik, a térerő-referenciaszint négyzetes középértékének 24 V/m-nek kell lennie a 20 MHz-1 000 MHz frekvenciasáv 90 %-án és 20 V/m-nek az egész 20 MHz-1 000 MHz frekvenciasávban.
5.4.2.2. A vizsgálatra benyújtott típust képviselő jármű nem mutathatja a közvetlen vezérlésnek a jármű vezetője vagy a közlekedés más résztvevője által észrevehető romlását, ha a szóban forgó jármű a IV. melléklet 4. pontjában meghatározott állapotban van, és ha a referenciaszintet 25 %-kal meghaladó V/m-ben kifejezett térerősség hatása alatt áll.
5.5. Az ÖSZE-k szélessávú sugárzására vonatkozó követelmények
5.5.1. A mérési módszer
Az alkatrész-típusjóváhagyásra benyújtott ÖSZE által keltett elektromágneses sugárzást az V. mellékletben leírt módszerrel kell mérni.
5.5.2. Az ÖSZE szélessávú referencia-határértékei
5.5.2.1. Ha a mérést az V. mellékletben leírt módszerrel végzik, a sugárzási referencia-határérték 64-54 dB (μV/m) lesz a 30-75 MHz frekvenciasávban, amely határérték a frekvencia logaritmusa szerint csökken, és 54-65 dB (μV/m) lesz a 75-400 MHz frekvenciasávban, amely határérték a frekvencia logaritmusa szerint növekszik, amint e melléklet 5. függelékében látható. A 400-1 000 MHz frekvenciasávban a határérték állandó 65 dB (1 800μV/m).
5.5.2.2. A vizsgálatra benyújtott ÖSZE dB-ben (μV/m-ben) kifejezett mért értékeinek legalább 2,0 dB-lel a referencia-határértékek alatt kell lenniük.
5.6. Az ÖSZE-k keskenysávú sugárzására vonatkozó követelmények
5.6.1. A mérési módszer
Az alkatrész-típusjóváhagyásra benyújtott ÖSZE által keltett elektromágneses sugárzást az VI. mellékletben leírt módszerrel kell mérni.
5.6.2. Az ÖSZE keskenysávú referencia-határértékei
5.6.2.1. Ha a mérést az VI. mellékletben leírt módszerrel végzik, a sugárzási referencia-határérték 54-44 dB (μV/m) lesz a 30-75 MHz frekvenciasávban, amely határérték a frekvencia logaritmusa szerint csökken, és 44-55 dB (μV/m) lesz a 75-400 MHz frekvenciasávban, amely határérték a frekvencia logaritmusa szerint növekszik, amint e melléklet 6. függelékében látható. A 400-1 000 MHz frekvenciasávban a határérték állandó 55 dB (560 μV/m).
5.6.2.2. A vizsgálatra benyújtott ÖSZE dB-ben (μV/m-ben) kifejezett mért értékeinek legalább 2,0 dB-lel a referencia-határértékek alatt kell lenniük.
5.7. Az ÖSZE elektromágneses sugárzással szembeni zavartűrésére vonatkozó követelmények
5.7.1. A mérési módszer
Az alkatrész-típusjóváhagyásra benyújtott ÖSZE elektromágneses sugárzással szembeni zavartűrését a VII. mellékletben leírt módszerek egyikével kell vizsgálni.
5.7.2. Az ÖSZE zavartűrésének referencia-határértékei
5.7.2.1. Ha a méréseket a VII. mellékletben leírt módszerekkel végzik, a zavartűrési vizsgálat referenciaszintje 48 V/m lesz a 150 mm-es vezetőlemez vizsgálati módszerrel, 12 V/m a 800 mm-es vezetőlemez vizsgálati módszerrel, 60 V/m a transzverzális elektromágneses hullám cella vizsgálati módszerrel, 48 mA a térfogati áram injekciós vizsgálati módszerrel és 24 V/m a szabad tér vizsgálati módszerrel.
5.7.2.2. A vizsgálatra benyújtott típust képviselő ÖSZE nem mutathat olyan működési hibát, amely a közvetlen vezérlésnek a jármű vezetője vagy a közlekedés más résztvevője által észrevehető romlását okozhatja, ha a szóban forgó jármű a IV. melléklet 4. pontjában meghatározott állapotban van, és a referenciaszintet 25 %-kal meghaladó, megfelelő lineáris egységekben kifejezett térerősség vagy áram hatása alatt áll.
6. A GYÁRTÁS AZONOSSÁGA
6.1. A gyártás azonosságát biztosító intézkedéseket a 92/61/EGK irányelv 4. cikkében foglalt rendelkezéseknek megfelelően kell foganatosítani.
6.2. A jármű, alkatrész vagy önálló szerelési egység gyártási azonosságát az elektromágneses összeférhetőség szempontjából az ezen irányelv (adott esetben alkalmazható) VIII. és/vagy IX. melléklete szerinti típusbizonyítvány(ok)ban foglalt adatok alapján kell ellenőrizni.
6.3. Ha a hatóság nincs megelégedve a gyártó ellenőrzési eljárásával, akkor a 92/61/EGK irányelv VI. mellékletének 1.2.2. és 1.2.3. pontját és az alábbi 6.3.1. és 6.3.2. pontot kell alkalmazni.
6.3.1. Ha egy sorozatgyártásból kivett jármű, alkatrész vagy ÖSZE azonosságát kell igazolni, a gyártás akkor tekinthető olyannak, mint amely megfelel az ezen irányelv szélessávú és keskenysávú sugárzásokra vonatkozó követelményeinek, ha a mért szintek 2 dB-nél (25 %) nem haladják meg többel az 5.2.2.1., 5.2.2.2., 5.3.2.1. és 5.3.2.2. pontban előírt (adott esetben alkalmazható) referencia-határértékeket.
6.3.2. Ha egy sorozatgyártásból kivett jármű, alkatrész vagy ÖSZE azonosságát kell igazolni, a gyártás akkor tekinthető olyannak, mint amely megfelel az ezen irányelv elektromágneses sugárzásokkal szembeni zavartűrésre vonatkozó követelményeinek, ha a jármű, alkatrész vagy ÖSZE nem mutatja a közvetlen járművezérlésnek a jármű vezetője vagy a közlekedés más résztvevője által észrevehető romlását, ha a jármű a IV. melléklet 4. pontjában meghatározott állapotban van, és az 5.4.2.1. pontban előírt referenciaszint 80 %-át kitevő V/m-ben kifejezett térerősség hatása alatt áll.
7. KIVÉTELEK
7.1. A kompressziós gyújtású motorokkal ellátott járművek olyannak tekinthetők, mint amelyek megfelelnek az 5.2.2. pont előírásainak.
7.2. Azokat a járműveket vagy elektromos/elektronikus ÖSZE-ket, amelyek nem tartalmaznak 9 kHz-nél nagyobb üzemi frekvenciájú elektronikus oszcillátort, úgy kell tekinteni, mint amelyek megfelelnek az 5.3.2. pont és a III. melléklet követelményeinek.
7.3. Azoknál a járműveknél, amelyekben nincsenek érzékeny elektronikus berendezések, nem kell elvégezni a IV. mellékletben előírt vizsgálatokat.
7.4. Semmiféle zavartűrési vizsgálatot sem szükséges elvégezni olyan ÖSZE-ken, amelyek funkciói nem tekinthetők fontosnak a jármű közvetlen vezérlése szempontjából.
1. függelék

Frekvencia - megahertz - logaritmikus
(lásd az 5.2.2.1. pontot)
2. függelék

Frekvencia - megahertz - logaritmikus
(lásd az 5.2.2.2. pontot)
3. függelék

Frekvencia - megahertz - logaritmikus
(lásd az 5.3.2.1. pontot)
4. függelék

Frekvencia - megahertz - logaritmikus
(lásd az 5.3.2.2. pontot)
5. függelék

Frekvencia - megahertz - logaritmikus
(lásd az 5.5.2.1. pontot)
6. függelék

Frekvencia - megahertz - logaritmikus
(lásd az 5.6.2.1. pontot)
II. MELLÉKLET
JÁRMŰVEK SZÉLESSÁVÚ ELEKTROMÁGNESES SUGÁRZÁSÁNAK MÉRÉSI MÓDSZERE
1. ÁLTALÁNOS ELŐÍRÁSOK
1.1. A mérőberendezés
A mérőberendezésnek meg kell felelnie a Rádióinterferencia Nemzetközi Különleges Bizottság (Comité International Spécial des Perturbations Radio-électriques) (CISPR) 16. sz. kiadványa 2. kiadásában meghatározott feltételeknek.
A szélessávú elektromágneses sugárzás méréséhez egy kvázi-csúcs detektort kell használni.
1.2. A vizsgálati módszer
A vizsgálat célja szikragyújtásos rendszerek és folyamatos üzemű villamos motorok (pl. villamos hajtómotorok, fűtési/páramentesítő rendszerek motorjai és tüzelőanyag-szivattyúk) szélessávú sugárzásának mérése.
A referenciaantenna kiválasztását illetően a gyártóknak és a vizsgálatot végző testületeknek kell közös megállapodásra jutniuk, a járműtől való távolság 3 m vagy 10 m lehet. Az alábbi 3. pont feltételeit mindkét esetben teljesíteni kell.
2. AZ EREDMÉNYEK BEMUTATÁSA
A mérési eredményeket 120 kHz-es sávszélességekre dB-ben (μV/m) kell megadni. Ha a mérőberendezés (kHz-ben kifejezett) B tényleges sávszélessége nem felel meg pontosan 120 kHz-nek, az adatokat át kell alakítani 120 kHz-es sávszélességre 20 log (120/B) hozzáadásával, ahol B-nek 120 kHz-nél kevesebbnek kell lennie.
3. A VIZSGÁLATI FELTÉTELEK
3.1. A felületnek, amelyen a vizsgálat folyik, vízszintes, akadályoktól és elektromágneses visszaverő felületektől mentesnek kell lennie legalább egy, a jármű és az antenna közötti távolság felezőpontja köré húzott 30 méteres sugarú körön belül (lásd az 1. függelék 1. ábráját). Alternatívaként próbafelület lehet bármely hely, amely teljesíti az 1. függelék 2. ábráján látható feltételeket.
3.2. Mind a mérőberendezést, mind a próbafülkét vagy a járművet, amelyben a mérőberendezés el van helyezve, a próbafelületnek az 1. függelék 1. ábráján látható részén kell elhelyezni. Ha a próbafelület az 1. függelék 2. ábráján látható feltételeknek felel meg, a mérőberendezést a 2. ábrán látható részen kívül kell elhelyezni.
3.3. Zárt berendezések használhatók a vizsgálatokhoz, ha bizonyítható, hogy korreláció áll fenn e berendezések és a külső próbafelület között.
Az ilyen berendezéseknek nem kell megfelelniük az 1. függelék 1. és 2. ábráján bemutatott méretviszonyoknak, kivéve a jármű és az antenna közötti távolságot és ez utóbbi magasságát.
3.4. Annak biztosítására, hogy ne legyen jelen semmiféle olyan zaj vagy külső jel, amely hatással lehetne a mérési eredményekre, a fő vizsgálat előtt és után méréseket kell végezni. Ha e mérések alatt a jármű is ott van, biztosítani kell, hogy a jármű ne bocsásson ki olyan sugárzást, amely észrevehető mértékben befolyásolná a mérést (pl. ki kell venni a gyújtáskulcsot, vagy le kell kötni az akkumulátort, amikor a járművet eltávolítják a próbafelületről). Mindkét fajta mérés esetében a zajnak vagy a külső jelnek legalább 10 dB-lel az I. mellékletben (5.2.2.1. vagy 5.2.2.2. pont) megadott határértékek alatt kell lennie, hacsak nem szándékosan előidézett keskenysávú környezeti sugárzásokról van szó.
4. A JÁRMŰ ÁLLAPOTA A VIZSGÁLAT ALATT
4.1. A motor
A motornak rendes üzemi hőmérsékleten kell működnie, és ha van sebességváltó, azt semleges helyzetbe kell állítani. Ha ez gyakorlati okokból nem valósítható meg, alternatív megoldásokat kell keresni a gyártó és a vizsgálatok elvégzéséért felelős hatóságok közötti megállapodás útján. Gondoskodni kell arról, hogy a sebességváltó mechanizmus semmilyen mértékben se befolyásolja a jármű által kibocsátott elektromágneses sugárzást. Az egyes mérések alatt a motornak az alábbiak szerint kell működnie:
Motortípus | Mérési módszerek |
Szikragyújtás | Kvázi-csúcs |
Egy henger | 2 500 ± 10 % 1/min fordulatszám |
Egynél több henger | 1 500 ± 10 % 1/min fordulatszám |
Villamos motorok | a gyártó által megadott maximális üzemi teljesítmény 3/4-e |
4.2. A vezető által vezérelt berendezések
A vezető által vezérelt, folyamatos 100 %-os üzemre tervezett berendezéseket (beleértve az olyan készülékeket, mint a fűtőventillátor és a légkondicionálás motorjai, de kihagyva olyanokat, mint pl. az ülésállító motorok vagy az ablaktörlők), úgy kell működtetni, hogy maximális áramot vegyenek fel.
4.3. A vizsgálatot nem szabad esőben és az eső elállása utáni 10 percen belül végezni.
4.4. A vezetőnek a számára kijelölt vezetési helyzetet kell elfoglalnia, ha a vizsgáló testület véleménye szerint ez képezi a legkedvezőtlenebb állapotot.
5. AZ ANTENNA TÍPUSA, HELYZETE ÉS IRÁNYÍTÁSA
5.1. Az antenna típusa
Minden lineárisan polarizált antenna használata megengedett, feltéve, hogy hitelesíthető a referenciaantennával.
5.2. Mérési magasság és távolság
5.2.1. Magasság
5.2.1.1. 10 méteren végzett vizsgálat
Az antenna fázisközéppontjának 3,0 ± 0,05 méterre kell lennie a jármű síkja fölött.
5.2.1.2. 3 méteren végzett vizsgálat
Az antenna fázisközéppontjának 1,8 ± 0,05 méterre kell lennie a jármű síkja fölött.
5.2.1.3. Az antenna vevőalkatrészeinek egyike sem lehet 0,25 m-nél közelebb a jármű síkjához.
5.2.2. A mérési távolság
5.2.2.1. 10 méteren végzett vizsgálat
Az antenna fázisközéppontja vízszintes távolságának a jármű külső felületétől 10,0 ± 0,2 m-nek kell lennie.
5.2.2.2. 3 méteren végzett vizsgálat
Az antenna fázisközéppontja vízszintes távolságának a jármű külső felületétől 3,0 ± 0,05 m-nek kell lennie.
5.2.2.3. Ha a vizsgálatot zárt berendezésben végzik, azzal a céllal, hogy elektromágneses ernyőt hozzanak létre a rádiófrekvenciákkal szemben, az antenna vevőalkatrészei sehol sem lehetnek 0,5 m-nél közelebb bármely rádiófrekvencia-elnyelő anyaghoz, vagy 1,5 m-nél közelebb a zárt berendezéshez. A vevőantenna és a vizsgálat alatt álló jármű között nem lehet sugárzáselnyelő anyag.
5.3. Az antenna helyzete a járműhöz képest
Az antennát egymás után, a jármű mindkét oldalán el kell helyezni, a jármű hossztengelyére állított függőleges síkkal párhuzamosan és egy vonalban a motor középpontjával (lásd az 1. függelék 3. ábráját).
5.4. Az antenna helyzete
Minden mérési pontban leolvasást kell végezni, először függőlegesen polarizált, azután vízszintesen polarizált antennával (lásd az 1. függelék 3. ábráját).
5.5. Mérések
Az egyes frekvenciákra az 5.3. és 5.4. pontnak megfelelően elvégzett mérések során nyert maximális értékeket kell az e frekvenciára jellemző mérési eredménynek tekinteni.
6. FREKVENCIÁK
6.1. Mérések
A méréseket a 30-1 000 MHz frekvenciatartományban kell elvégezni. Egy jármű akkor tekinthető úgy, hogy a teljes frekvenciatartományban megfelel a megkívánt határértékeknek, ha az alábbi 11 frekvencián teljesíti a megadott határértékeket: 45, 65, 90, 150, 180, 220, 300, 450, 600, 750 és 900 MHz. Ha a vizsgálat során mért érték meghaladja a határértéket, meg kell bizonyosodni arról, hogy ezt a jármű és nem a környezeti sugárzás okozza.
6.2. Tűrések
Egyes frekvenciák (MHz) | Tűrés (MHz) |
45, 65, 90, 150, 180 és 220 | ± 5 |
300, 450, 600, 750 és 900 | ± 20 |
A fenti frekvenciatűrések célja a mérések során a névleges frekvenciákon vagy azok közelében működő átvitelekkel való interferencia elkerülése.
1. függelék

1. ábra
Járműpróba-felület

2. ábra
Járműpróba-felület

3. ábra
Az antenna helyzete a járműhöz képest
III. MELLÉKLET
JÁRMŰVEK KESKENYSÁVÚ ELEKTROMÁGNESES SUGÁRZÁSÁNAK MÉRÉSI MÓDSZERE
1. ÁLTALÁNOS ELŐÍRÁSOK
1.1. A mérőberendezés
A mérőberendezésnek meg kell felelnie a Rádióinterferencia Nemzetközi Különleges Bizottság (CISPR) 16. sz. kiadványa 2. kiadásában meghatározott feltételeknek.
A keskenysávú elektromágneses sugárzás méréséhez egy középérték-detektort kell használni.
1.2. A vizsgálati módszer
A vizsgálat célja olyan keskenysávú elektromágneses sugárzások mérése, mint amilyent egy mikroprocesszor-alapú rendszer vagy más keskenysávú sugárforrás hoz létre.
A referenciaantenna kiválasztását illetően a gyártónak és a vizsgálatot végző testületnek kell közös megállapodásra jutnia; a járműtől való távolság 3 m vagy 10 m lehet. Az alábbi 3. pont feltételeit mindkét esetben be kell tartani. A kezdeti szakaszban (2-3 percig) az antenna helyének és polarizációjának megválasztásával lehetőség van a 6.1. pontban felsorolt frekvenciatartománynak egy spektrumanalizátor vagy automatikus vevő segítségével való letapogatására, a maximális átviteli frekvenciák kijelölése céljából. Ez hasznos lehet az egyes sávokban vizsgálandó frekvenciák kiválasztása során (lásd a 6. pontot).
2. AZ EREDMÉNYEK BEMUTATÁSA
A mérési eredményeket dB-ben (μV/m) kell megadni.
3. A VIZSGÁLATI FELTÉTELEK
3.1. A felületnek, amelyen a vizsgálat folyik, vízszintesnek, akadályoktól és elektromágneses visszaverő felületektől mentesnek kell lennie, legalább egy, a jármű és az antenna közötti távolság felezőpontja köré húzott 30 méteres sugarú körön belül (lásd a II. melléklet 1. függelékének 1. ábráját). Alternatívaként próbafelület lehet bármely hely, amely teljesíti a II. melléklet 1. függelékének 2. ábráján látható feltételeket.
3.2. Mind a mérőberendezést, mind a próbafülkét vagy járművet, amelyben a mérőberendezés el van helyezve, a próbafelületen kell elhelyezni, annak a II. melléklet 1. függeléke 1. ábráján látható részén. Ha a próbafelület a II. melléklet 1. függeléke 2. ábráján látható feltételeknek felel meg, a mérőberendezést az ábrán látható részen kívül kell elhelyezni.
3.3. Zárt berendezések használhatók a vizsgálatokhoz, ha bizonyítható, hogy korreláció áll fenn e berendezések és a külső próbafelület között. Az ilyen berendezéseknek nem kell megfelelniük a II. melléklet 1. függeléke 1. és 2. ábráján bemutatott méretviszonyoknak, kivéve a jármű és az antenna közötti távolságot és ez utóbbi magasságát.
3.4. Annak biztosítására, hogy nincs jelen semmiféle olyan zaj vagy külső jel, amely hatással lehetne a mérési eredményekre, a fő vizsgálat előtt és után méréseket kell végezni. Biztosítani kell, hogy a jármű ne bocsásson ki olyan sugárzást, amely észrevehető mértékben befolyásolná a mérést (pl. ki kell venni a gyújtáskulcsot, vagy le kell kötni az akkumulátort/akkumulátorokat, amikor a járművet eltávolítják a próbafelületről). Mindkét fajta mérés esetében a zajnak vagy a külső jelnek legalább 10 dB-lel az I. mellékletben (5.3.2.1. vagy 5.3.2.2. pont, a jármű és az antenna közötti távolságtól függően) megadott referencia-határértékek alatt kell lennie, hacsak nem szándékosan előidézett keskenysávú környezeti sugárzásokról van szó.
4. A JÁRMŰ ÁLLAPOTA A VIZSGÁLAT ALATT
4.1. A jármű elektronikus rendszereinek rendes üzemi állapotban kell lenniük, és a járműnek állnia kell.
4.2. A gyújtást be kell kapcsolni. A motor nem járhat.
4.3. A vizsgálatot nem szabad esőben és az eső elállása utáni 10 percen belül végezni.
5. AZ ANTENNA TÍPUSA, HELYZETE ÉS IRÁNYÍTÁSA
5.1. Az antenna típusa
Minden lineárisan polarizált antenna használata megengedett, feltéve, hogy hitelesíthető a referenciaantennával.
5.2. Mérési magasság és távolság
5.2.1. Magasság
5.2.1.1. 10 méteren végzett vizsgálat
Az antenna fázisközéppontjának 3,0 ± 0,05 méterre kell lennie a jármű síkja fölött.
5.2.1.2. 3 méteren végzett vizsgálat
Az antenna fázisközéppontjának 1,8 ± 0,05 méterre kell lennie a jármű síkja fölött.
5.2.1.3. Az antenna vevőalkatrészeinek egyike sem lehet 0,25 m-nél közelebb a jármű síkjához.
5.2.2. A mérési távolság
5.2.2.1. 10 méteren végzett vizsgálat
Az antenna fázisközéppontja vízszintes távolságának a jármű külső felületétől 10,0 ± 0,2 m-nek kell lennie.
5.2.2.2. 3 méteren végzett vizsgálat
Az antenna fázisközéppontja vízszintes távolságának a jármű külső felületétől 3,0 ± 0,05 m-nek kell lennie.
5.2.2.3. Ha a vizsgálatot zárt berendezésben végzik, azzal a céllal, hogy elektromágneses ernyőt hozzanak létre a rádiófrekvenciákkal szemben, az antenna vevőalkatrészei sehol sem lehetnek 0,5 m-nél közelebb bármely rádiófrekvencia-elnyelő anyaghoz, vagy 1,5 m-nél közelebb a szóban forgó berendezés falához. A vevőantenna és a vizsgálat alatt álló jármű között nem lehet elnyelő anyag.
5.3. Az antenna helyzete a járműhöz képest
Az antennát egymás után, a jármű mindkét oldalán el kell helyezni, a jármű hossztengelyére állított függőleges síkkal párhuzamosan és egy vonalban a motor középpontjával (lásd a II. melléklet 1. függelékének 1., 2. és 3. ábráját).
5.4. Az antenna helyzete
Minden mérési pontban leolvasást kell végezni, mind függőlegesen, mind vízszintesen polarizált antennával (lásd a II. melléklet 1. függelékének 3. ábráját).
5.5. Mérések
Az egyes frekvenciákra az 5.3. és 5.4. pontnak megfelelően elvégzett mérések során nyert maximális értékeket kell az e frekvenciára jellemző mérési eredménynek tekinteni.
6. FREKVENCIÁK
6.1. Mérés
A méréseket a 30-1 000 MHz frekvenciatartományban kell elvégezni. Ez a tartomány 11 sávra van felosztva. Minden sávban a legnagyobb értéket mutató frekvencián kell a vizsgálatot elvégezni annak ellenőrzésére, hogy az még a megkívánt határértéken belül van-e. Egy jármű akkor tekinthető úgy, hogy a teljes frekvenciatartományban megfelel a megkívánt határértékeknek, ha mind a 11 alábbi frekvenciasávban teljesíti a kiválasztott frekvenciákra megadott határértékeket: 30-45, 45-80, 80-130, 130-170, 170-225, 225-300, 300-400, 400-525, 525-700, 700-850, 850-1 000 MHz.
6.2. Ha az 1.2. pontban leírt vizsgálati módszerrel végzett első vizsgálat során a 6.1. pontban meghatározott sávok bármelyikében a keskenysávú sugárzás legalább 10 dB-lel kisebb a referenciaértéknél, a járművet úgy kell tekinteni, mint amely a szóban forgó frekvenciasávra teljesíti az e mellékletben meghatározott feltételeket. Ebben az esetben nem kell elvégezni a teljes vizsgálatot.
IV. MELLÉKLET
JÁRMŰVEK ELEKTROMÁGNESES SUGÁRZÁSTŰRÉSÉNEK VIZSGÁLATI MÓDSZEREI
1. ÁLTALÁNOS ELŐÍRÁSOK
1.1. A vizsgálati módszerek
E vizsgálatok célja annak bizonyítása, hogy a jármű érzéketlen minden olyan hatással szemben, amely megváltoztathatná közvetlen vezérlése minőségét. A járművet az e mellékletben leírt elektromágneses terek hatásának kell kitenni és a vizsgálat alatt meg kell figyelni a viselkedését.
2. AZ EREDMÉNYEK BEMUTATÁSA
A térerőt az e mellékletben leírt összes vizsgálat esetében V/m mértékegységben kell kifejezni.
3. A VIZSGÁLATI FELTÉTELEK
A vizsgáló berendezésnek alkalmasnak kell lennie az e mellékletben meghatározott frekvenciatartományon belül a megfelelő térerősségek létrehozására, és meg kell felelnie az elektromágneses jelekre vonatkozó (nemzeti) törvényi követelményeknek. A vezérlő és megfigyelő berendezés nem lehet érzékeny olyan sugárterekre, amelyek a vizsgálatot érvénytelenné tehetnék.
4. A JÁRMŰ ÁLLAPOTA A VIZSGÁLATOK ALATT
4.1. A jármű tömegének meg kell felelnie az üzemképes állapotnak.
4.1.1. A motornak a vizsgálatot végző hatóság által a gyártóval egyetértésben előre meghatározott állandó fordulatszámmal kell forgatnia a hajtó kerekeket. A járművet megfelelően terhelt lendítőtömeges fékpadra kell helyezni, vagy ha ez nem áll rendelkezésre, elektronikai szempontból szigetelt tengelytámaszon kell állnia, a lehető legközelebb a talajhoz.
4.1.2. Be kell kapcsolni a tompított fényszórót.
4.1.3. Be kell kapcsolni a bal vagy jobb oldali irányjelzőket.
4.1.4. A jármű minden más rendszerének rendesen kell működnie.
4.1.5. A jármű és a próbafelület között nem lehet villamos kapcsolat, és nem lehet kapcsolat a jármű és a berendezés között, kivéve ha a 4.1.1. vagy 4.2. pont ezt írja elő. A kerekek és a próbafelület érintkezése nem tekinthető villamos kapcsolatnak.
4.2. Ha a jármű közvetlen vezérlésében ÖSZE-k is szerepet játszanak, és ha ezek a rendszerek a 4.1.1. pontban leírt körülmények között nem üzemelnek, a vizsgálatot végző hatóság a jármű gyártójával egyetértésben meghatározott feltételek mellett külön vizsgálhatja a szóban forgó rendszereket.
4.3. A járművön végzett vizsgálatok során csak interferenciát nem gerjesztő berendezést szabad használni (lásd a 8.pontot).
4.4. Rendes körülmények között a járműnek szemben kell állnia az antennával.
5. A TÉRGENERÁTOR TÍPUSA, HELYZETE ÉS IRÁNYA
5.1. A térgenerátor típusa
5.1.1. A térgenerátor kiválasztásának kritériuma az, hogy képes legyen az előírt térerő kifejtésére a referenciapontban (lásd az 5.4. pontot) és a megfelelő frekvenciákon.
5.1.2. Térerőgerjesztő készülék(ek)ként vagy az antenna/antennák, vagy egy átvitelivonal-rendszer (ÁVR) használható.
5.1.3. A térgenerátor kialakításának és irányításának olyannak kell lennie, hogy 20 és 1 000 MHz frekvencia között a tér mind vízszintesen, mind függőlegesen polarizálva legyen.
5.2. Mérési magasság és távolság
5.2.1. Magasság
5.2.1.1. Az antennák fázisközéppontjának legalább 1,5 méterrel a jármű síkja felett kell lennie.
5.2.1.2. Az antenna egyetlen sugárzó része sem lehet 0,25 m-nél közelebb a jármű síkjához.
5.2.2. A mérési távolság
5.2.2.1. A tér homogénebb lesz, ha a térgenerátor olyan távol van elhelyezve a járműtől, amennyire csak műszakilag lehetséges. Rendes körülmények között ez a távolság 1 m és 5 m között van.
5.2.2.2. Ha a vizsgálatot zárt berendezésben végzik, a térgenerátor sugárzó alkatrészei sehol sem lehetnek 0,5 m-nél közelebb bármely rádiófrekvencia-elnyelő anyaghoz, vagy 1,5 m-nél közelebb a szóban forgó berendezés falához. Az adóantenna és a vizsgálat alatt álló jármű között nem lehet elnyelő anyag.
5.3. Az antenna helyzete a járműhöz képest
5.3.1. A térgenerátort a jármű hosszanti középsíkjában kell elhelyezni.
5.3.2. A jármű síkján kívül az ÁVR egyetlen része sem lehet 0,5 m-nél közelebb a jármű bármely részéhez.
5.3.3. Minden, a jármű felett elhelyezett térgenerátornak legalább a jármű hosszának 75 %-át le kell fednie.
5.4. Referenciapont
5.4.1. A referenciapont az alábbiak szerint meghatározott pont, amelyben a térerősségeket megállapítják:
5.4.1.1. vízszintesen legalább két méterre van az antenna fázisközéppontjától vagy, függőlegesen, legalább egy méterre az ÁVR sugárzó elemektől;
5.4.1.2. a jármű hosszanti középsíkjában van;
5.4.1.3. 1,0 ± 0,05 méterre van a jármű síkja fölött;
5.4.1.4. vagy:
triciklik esetén 1,0 ± 0,2 méterre van a jármű mellső kerekének függőleges középvonala mögött (az 1. függelék C. pontja),
vagy:
motorkerékpárok esetén 0,2 ± 0,2 méterre van a jármű mellső kerekének függőleges középvonala mögött (a 2. függelék D. pontja).
5.5. Ha a vizsgálatot végző hatóság a jármű hátsó részét kívánja sugárzásnak kitenni, a referenciapontot az 5.4. pont szerint kell megállapítani. Ebben az esetben a járművet háttal kell állítani az antennának, mintha középpontja körül 180°-kal elfordították volna. Az antenna és a jármű külső felületének legközelebbi pontja közötti távolságnak ugyanannak kell maradnia (lásd a 3. függeléket).
6. MEGKÖVETELT VIZSGÁLATI KÖRÜLMÉNYEK
6.1. A frekvenciatartomány, a vizsgálatok időtartama, polarizáció
A járművet a 20-1 000 MHz frekvenciatartományban kell elektromágneses sugárzásnak kitenni.
6.1.1. A vizsgálatokat a következő 12 frekvencián kell elvégezni: 27, 45, 65, 90, 150, 180, 220, 300, 450, 600, 750 és 900 MHz ± 10 %, 2 ± 10 % másodperc ideig minden frekvencián.
6.1.2. Az 5.1.3. pontban leírt polarizációs módok egyikét kell kiválasztani a gyártó és a vizsgálatot végző testület közötti megállapodás alapján.
6.1.3. A többi vizsgálati paraméternek meg kell felelnie e melléklet követelményeinek.
6.2. A közvetlen vezérlés romlásának vizsgálata
6.2.1. A jármű akkor tekinthető olyannak, mint amely teljesíti a megkövetelt zavartűrési feltételeket, ha az e melléklet által előírt módon végrehajtott vizsgálatok során nem következik be rendellenes változás a hajtott kerekek fordulatszámában, nincs jele olyan működési hibának, amely félrevezethetné a közlekedés többi résztvevőjét, és nem észlelhető más olyan jelenség sem, amely a jármű közvetlen vezérlésének romlását eredményezné.
6.2.2. A jármű megfigyelésére csak a 8. pontban leírt megfigyelő berendezés használható.
6.2.3. Ha a jármű nem teljesíti a 6.2. pontban meghatározott vizsgálatok követelményeit, meg kell bizonyosodni arról, hogy a hiba rendes körülmények között következett be és nem tulajdonítható zavaró tereknek.
7. A MEGKÖVETELT TÉRERŐSSÉG GENERÁLÁSA
7.1. A vizsgálati módszer
7.1.1. A tér vizsgálati feltételeinek létrehozásához a "helyettesítő módszert" kell alkalmazni.
7.1.2. A helyettesítő módszer Az előírt valamennyi frekvenciára a térgenerátor rádiófrekvenciás teljesítményszintjét úgy kell beállítani, hogy a próbaterület referenciapontjában megkívánt vizsgálati térerőt a jármű jelenléte nélkül hozza létre. Ezt a rádiófrekvenciás teljesítményszintet, valamint a térgenerátor más lényeges beállítási értékeit fel kell jegyezni a vizsgálati jegyzőkönyvben (kalibrációs görbe). A feljegyzett információkat a típusjóváhagyás céljaira kell felhasználni. Ha a berendezésen a próba helyén bármilyen módosítást végeznek, a helyettesítő módszert meg kell ismételni.
7.1.3. Ekkor a járművet be kell állítani a próbaterületre és az 5. pontban megadott feltételeknek megfelelően kell elhelyezni. Ez után a 7.1.2. pont szerinti teljesítményt kell alkalmazni a térgenerátornál, a 6.1.1. pontban megadott minden egyes frekvencián.
7.1.4. A 7.1.2. pontban megadott feltételeknek megfelelően kiválasztott térmeghatározó paramétert kell használni a térerő meghatározása céljából az egész vizsgálat során.
7.1.5. E próba végrehajtásához ugyanazt a térgeneráló berendezést és ugyanazt a berendezés-konfigurációt kell használni, mint a 7.1.2. pont értelmében végzett műveletekhez.
7.1.6. A térerőmérő berendezés A helyettesítő módszerben a kalibrálás során előálló térerősségek mérésére szolgáló berendezésnek vagy egy kompakt térerőmérő izotropikus szondának, vagy egy kalibrált vevőantennának kell lennie.
7.1.7. A helyettesítő módszer kalibrálási fázisában a térerőmérő-berendezés fázisközéppontjának egybe kell esnie a referenciaponttal.
7.1.8. Ha térerőmérő berendezésként kalibrált vevőantennát használnak, a leolvasásokat három, egymásra merőleges irányban kell végezni. Térerőnek az e méréseknek megfelelő egyenértékű izotropikus értéket kell tekinteni.
7.1.9. A járműgeometria különbségeinek figyelembevételére az aktuális próbaberendezésben több referenciapontot kell felvenni.
7.2. A térerő kontúrja
7.2.1. A kalibrálási fázisban (mielőtt még a járművet elhelyeznék a próbafelületen) a térerő nem lehet kisebb a névleges érték 50 %-ánál az alábbi helyeken:
i. minden térgeneráló berendezésre 1,0 ± 0,02 m a referenciapont mindkét oldalán, egy, az e ponton átmenő és a jármű hossztengelyére állított függőleges síkra merőleges egyenesen;
ii. ÁVR esetében 1,5 ± 0,02 m a referenciaponton átmenő, a jármű hossztengelyére állított függőleges síkban fekvő egyenesen.
7.3. A generált vizsgálójel jellemzői
7.3.1. A modulált próbatérerő csúcsértéke
A modulált próbatérerő csúcsértékének meg kell egyeznie a modulálatlan próbatérerő csúcsértékével, amelynek V/m mértékegységben kifejezett tényleges értéke az I. melléklet 5.4.2. pontjában van meghatározva.
7.3.2. A próbajel hullámformája
A próbajelnek egy 1 kHz-es szinuszos hullámmal 0,8 ± 0,04 m modulációs sebességgel amplitúdó-modulált rádiófrekvenciás szinuszos jelnek kell lennie.
7.3.3. A modulációs index
A modulációs index meghatározása az alábbi:

A burkológörbét az oszcillográfon látható modulált vivőfrekvencia szélei alkotta görbe írja le.
8. ELLENŐRZŐ ÉS MEGFIGYELŐ BERENDEZÉS
8.1. A jármű külsejének és utasterének a megfigyelésére és annak megállapítására, hogy teljesülnek-e a 6.2. pontban megadott feltételek, videokamerát vagy -kamerákat kell használni.
1. függelék

2. függelék

3. függelék

V. MELLÉKLET
ÖNÁLLÓ SZERELÉSI EGYSÉGEK (ÖSZE-K) SZÉLESSÁVÚ ELEKTROMÁGNESES SUGÁRZÁSÁNAK MÉRÉSI MÓDSZERE
1. ÁLTALÁNOS ELŐÍRÁSOK
1.1. A mérőberendezés
A mérőberendezésnek meg kell felelnie a Rádióinterferencia Nemzetközi Különleges Bizottság (CISPR) 16. sz. kiadványa 2. kiadásában meghatározott feltételeknek.
A szélessávú elektromágneses sugárzás méréséhez egy kvázi-csúcs detektort kell használni.
1.2. A mérési módszer
A vizsgálat célja szikragyújtásos rendszerek vagy folyamatos üzemű villamos motorok (pl. villamos vontatómotorok, fűtési/páramentesítő rendszerek motorjai, tüzelőanyag-szivattyúk, stb.) szélessávú sugárzásának mérése.
2. AZ EREDMÉNYEK BEMUTATÁSA
A mérési eredményeket 120 kHz-es sávszélességekre dB-ben (μV/m) kell megadni. Ha a mérőberendezés (kHz-ben kifejezett) B tényleges sávszélessége nem felel meg pontosan 120 kHz-nek, az adatokat át kell alakítani 120 kHz-es sávszélességre 20 log (120/B) hozzáadásával, ahol B-nek 120 kHz-nél kevesebbnek kell lennie.
3. A VIZSGÁLATI FELTÉTELEK
3.1. A próbafelületnek meg kell felelnie a Rádióinterferencia Nemzetközi Különleges Bizottság (CISPR) 16. sz. kiadványa 2. kiadásában meghatározott feltételeknek. (Lásd e melléklet 1. függelékének 1. ábráját.)
3.2. A mérőberendezést és a próbafülkét vagy járművet, amelyben a mérőberendezés van, az e melléklet 1. függelékének 1. ábráján látható területen kívül kell elhelyezni.
3.3. Zárt berendezések használhatók a vizsgálatokhoz, ha bizonyítható, hogy korreláció áll fenn az így nyert eredmények és azok között, amelyeket a vizsgálatokhoz jóváhagyott külső próbafelületen kaptak. A zárt próbaberendezésnek az az előnye, hogy a vizsgálatok bármilyen időjárás mellett, szabályozott környezetben végezhetők el, és a stabilabb villamos jellemzőknek köszönhetően javul a mérések megismételhetősége. Az ilyen zárt berendezésnek nem kell megfelelnie az e melléklet 1. függelékének 1. ábráján látható méretkövetelményeknek, kivéve az ÖSZE és az antenna közötti távolságot és ez utóbbi magasságát.
3.4. Annak bizonyítására, hogy nem áll fenn olyan nagyságrendű zaj vagy külső jel, amely hatással lehetne a mérési eredményekre, a fő vizsgálat előtt és után meg kell mérni a háttérsugárzást. Mindkét fajta mérés esetében a zajnak vagy a külső jelnek legalább 10 dB-lel az I. melléklet 5.5.2.1. pontjában megadott határértékek alatt kell lennie, hacsak nem szándékosan előidézett keskenysávú környezeti sugárzásokról van szó.
4. AZ ÖSZE ÁLLAPOTA A VIZSGÁLAT ALATT
4.1. Az ÖSZE-nek rendes üzemi állapotban kell lennie.
4.2. A méréseket nem szabad esőben és az eső elállása utáni 10 percen belül végezni.
4.3. Az ÖSZE-t és kábelkötegeit szigetelt állványra kell helyezni 50 +10/-0 mm-rel a földelőlemez felett. Azonban, ha az ÖSZE valamelyik része elektromosan kapcsolódik a jármű fém karosszériájához, ezt a részt a földelőlemezre kell helyezni és elektromosan össze kell vele kötni.
A földelőlemeznek egy legalább 0,25 mm vastag fémlemeznek kell lennie. A földelőlemez minimális méretei az ÖSZE méretétől függenek, de elegendően nagynak kell lennie ahhoz, hogy rajta a kábelköteg és a jármű megfelelő rendszerének alkatrészei elhelyezhetők legyenek. A földelőlemezt földelő vezetékhez kell kötni és a talaj felett 1,0 ± 0,1 m-re, azzal párhuzamosan kell elhelyezni.
Az ÖSZE-nek üzemkész állapotban kell lennie és a megadott feltételeknek megfelelően kell csatlakoztatni. Az áramelosztó kábelkötegnek párhuzamosan kell haladnia a földelőlemez szélével és nem lehet a lemez antennához legközelebb eső szélétől 100 mm-nél messzebb.
Az ÖSZE-t a gyártó előírásainak megfelelően kell földelni: kiegészítő földcsatlakozást nem szabad használni.
Az ÖSZE és minden egyéb elektromos vezető szerkezet, mint pl. a védett terület falai közötti minimális távolságnak legalább 1,0 m-nek kell lennie. (Ez azonban nem vonatkozik a próbadarab alatti alaplemezre.)
4.4. Az ÖSZE számára egy 50 μH-s, a földelőlemezzel elektromosan összekötött vonalimpedancia-stabilizáló hálózat szolgáltatja az áramot. A tápfeszültséget a rendszer névleges üzemi feszültségéhez képest ± 10 %-on belül kell tartani. A brummfeszültségek nem lehetnek nagyobbak a rendszer névleges üzemi feszültsége 1,5 %-ánál, a vonalimpedancia-stabilizáló hálózat ellenőrzési pontján mérve.
4.5. Ha az ÖSZE több egységből áll, a leghelyesebb azzal a kábellel összekötni azokat, amellyel a járműhöz is csatlakoznak. Az alkalmazott kábelkötegnek, amennyire lehet, a gyakorlatban használt kábelt kell másolnia, és lehetőleg a tényleges terhelésekre és működtető elemekre kell rákötni. Ha az egység rendelkezéseknek megfelelő működtetéséhez olyan egyéb berendezésre is szükség van, amelyet nem kell mérni, a teljes mérés során mért sugárzás-kibocsátást arányosan kell figyelembe venni.
5. AZ ANTENNA TÍPUSA, HELYZETE ÉS IRÁNYÍTÁSA
5.1. Az antenna típusa
Minden lineárisan polarizált antenna használata megengedett, feltéve, hogy hitelesíthető a referenciaantennával.
5.2. Mérési magasság és távolság
5.2.1. Magasság
Az antenna fázisközéppontjának 0,5 ± 0,05 méterre kell lennie a földelőlemez fölött.
5.2.2. A mérési távolság
Az antenna fázisközéppontja vízszintes távolságának a földelőlemez szélétől 1,0 ± 0,05 m-nek kell lennie. Az antenna egyetlen pontja sem lehet 0,5 méternél közelebb a földelőlemezhez.
Az antennát egy, a földelőlemezre merőleges síkkal párhuzamosan kell elhelyezni, és annak a lemezszélnek a mentén kell elhelyezkednie, amely mellett a kábelköteg nagyobb része is fut.
5.2.3. Ha a vizsgálatot zárt berendezésben végzik, azzal a céllal, hogy elektromágneses ernyőt hozzanak létre a rádiófrekvenciákkal szemben, az antenna vevőalkatrészei sehol sem lehetnek 0,5 m nél közelebb bármely rádiófrekvencia-elnyelő anyaghoz, vagy 1,5 m-nél közelebb a zárt berendezés falához. A vevőantenna és a vizsgálat alatt álló ÖSZE között nem lehet elnyelő anyag.
5.3. Az antenna irányítása és polarizációja
A mérési pontban először vízszintesen, majd függőlegesen polarizált antennával kell leolvasást végezni.
5.4. Mérések
Az egyes frekvenciákra az 5.3. pont szerinti két mérés során nyert nagyobbik értéket kell az e frekvenciára jellemző mérési eredménynek tekinteni.
6. FREKVENCIÁK
6.1. Mérések
A méréseket a 30-1 000 MHz frekvenciatartományban kell elvégezni. Egy ÖSZE akkor tekinthető úgy, hogy a teljes frekvenciatartományban megfelel a megkívánt határértékeknek, ha az alábbi 11 frekvencián teljesíti a megadott határértékeket: 45, 65, 90, 150, 180, 220, 300, 450, 600, 750 és 900 MHz. Ha a vizsgálat során mért érték meghaladja a határértéket, meg kell bizonyosodni arról, hogy ezt az ÖSZE és nem a környezeti sugárzás okozza.
6.2. Tűrések
Egyes frekvenciák (MHz) | Tűrés (MHz) |
45, 65, 90, 150, 180 és 220 | ± 5 |
300, 450, 600, 750 és 900 | ± 20 |
A fenti frekvenciatűrések célja a mérések során a névleges frekvenciákon vagy azok közelében működő átvitelekkel való interferencia elkerülése.
1. függelék

1. ábra
A próbafelület határai
VI. MELLÉKLET
ÖNÁLLÓ SZERELÉSI EGYSÉGEK (ÖSZE-K) KESKENYSÁVÚ ELEKTROMÁGNESES SUGÁRZÁSÁNAK MÉRÉSI MÓDSZERE
1. ÁLTALÁNOS ELŐÍRÁSOK
1.1. A mérőberendezés
A mérőberendezésnek meg kell felelnie a Rádióinterferencia Nemzetközi Különleges Bizottság (CISPR) 16. sz. kiadványa 2. kiadásában meghatározott feltételeknek.
A keskenysávú elektromágneses sugárzás méréséhez egy középérték-detektort kell használni.
1.2. A vizsgálati módszer
A vizsgálat célja olyan keskenysávú elektromágneses sugárzások mérése, mint amilyent pl. egy mikroprocesszor-alapú rendszer hoz létre. A kezdeti szakaszban (2-3 percig) az antenna polarizációjának megválasztása után lehetőség van a 6.1. pontban meghatározott frekvenciatartománynak egy spektrumanalizátor segítségével való letapogatására, a maximális átviteli frekvenciák meghatározása céljából. Ez megkönnyítheti az egyes sávokban vizsgálandó frekvenciák kiválasztását (lásd a 6. pontot).
2. AZ EREDMÉNYEK BEMUTATÁSA
A mérési eredményeket dB-ben (μV/m) kell megadni.
3. A VIZSGÁLATI FELTÉTELEK
3.1. A próbafelületnek meg kell felelnie a Rádióinterferencia Nemzetközi Különleges Bizottság (CISPR) 16. sz. kiadványa 2. kiadásában meghatározott feltételeknek. (Lásd az V. melléklet 1. függelékének 1. ábráját.)
3.2. A mérőberendezést és a próbafülkét vagy járművet, amelyben a mérőberendezés van, az V. melléklet 1. függelékének 1. ábráján látható próbaterületen kívül kell elhelyezni.
3.3. Zárt berendezések használhatók a vizsgálatokhoz, ha bizonyítható, hogy korreláció áll fenn e berendezések és a külső próbafelület között. A zárt próbaberendezésnek az az előnye, hogy valamennyi mérőberendezés mindig szabályozott környezetben működik, és a stabilabb villamos jellemzőknek köszönhetően javul a mérések megismételhetősége. Az ilyen zárt berendezésnek nem kell megfelelnie az V. melléklet 1. függelékének 1. ábráján látható méretkövetelményeknek, kivéve az ÖSZE és az antenna közötti távolságot és ez utóbbi magasságát.
3.4. Annak biztosítására, hogy nem áll fenn olyan nagyságrendű zaj vagy külső jel, amely hatással lehetne a mérési eredményekre, a fő vizsgálat előtt és után meg kell mérni a háttérsugárzást. Mindkét fajta mérés esetében a zajnak vagy a külső jelnek legalább 10 dB-lel az I. melléklet 5.6.2.1. pontjában megadott határérték alatt kell lennie, hacsak nem szándékosan előidézett keskenysávú sugárzásokról van szó.
4. AZ ÖSZE ÁLLAPOTA A VIZSGÁLAT ALATT
4.1. Az ÖSZE-nek rendes üzemi állapotban kell lennie.
4.2. A méréseket nem szabad olyankor végezni, ha az ÖSZE-re eső hull, valamint 10 percen belül az eső elállása után.
4.3. Az ÖSZE-t és kábelkötegeit szigetelt állványra kell helyezni 50+10/-0 mm-rel a földelőlemez felett. Azonban, ha az ÖSZE valamelyik része elektromosan kapcsolódik a jármű fém karosszériájához, ezt a részt a földelőlemezre kell helyezni és elektromosan össze kell vele kötni.
A földelőlemeznek egy legalább 0,25 mm vastag fémlemeznek kell lennie. A földelőlemez minimális méretei az ÖSZE méretétől függenek, de a lemeznek elegendően nagynak kell lennie ahhoz, hogy rajta a jármű megfelelő rendszerének alkatrészei és a kábelköteg elhelyezhetők legyenek. A földelőlemezt földelő vezetékhez kell kötni és a talaj felett 1,0 ± 0,1 m-re, azzal párhuzamosan kell elhelyezni.
Az ÖSZE-nek üzemkész állapotban kell lennie és az előírásoknak megfelelően kell csatlakoztatni. Az áramelosztó kábeleknek párhuzamosan kell haladniuk a földelőlemez szélével és nem lehetnek a lemez antennához legközelebb eső szélétől 100 mm-nél messzebb.
Az ÖSZE-t a gyártó előírásainak megfelelően kell földelni: kiegészítő földcsatlakozást nem szabad használni.
Az ÖSZE és minden egyéb elektromos vezető szerkezet, mint pl. a védett terület falai közötti távolságnak legalább 1,0 m-nek kell lennie. (Ez azonban nem vonatkozik a próbadarab alatti alaplemezre.)
4.4. Az ÖSZE számára egy 50 μH-s, a földelőlemezzel elektromosan összekötött vonalimpedancia-stabilizáló hálózat szolgáltatja az áramot. A tápfeszültséget a rendszer névleges üzemi feszültségéhez képest ± 10 %-on belül kell tartani. A brummfeszültségek nem lehetnek nagyobbak a rendszer névleges üzemi feszültsége 1,5 %-ánál, a vonalimpedancia-stabilizáló hálózat ellenőrzési pontján mérve.
4.5. Ha az ÖSZE több egységből áll, a leghelyesebb azzal a kábellel összekötni azokat, amellyel a járműhöz is csatlakoznak. Az alkalmazott kábelkötegnek, amennyire lehet, a gyakorlatban használt kábelt kell másolnia, és lehetőleg a tényleges terhelésekre és működtető elemekre kell rákötni. Ha az egység rendelkezéseknek megfelelő működtetéséhez olyan egyéb berendezésre is szükség van, amelyet nem kell mérni, a teljes mérés során mért sugárzás-kibocsátást arányosan kell figyelembe venni.
5. AZ ANTENNA TÍPUSA, HELYZETE ÉS IRÁNYÍTÁSA
5.1. Az antenna típusa
Minden lineárisan polarizált antenna használata megengedett, feltéve, hogy hitelesíthető a referenciaantennával.
5.2. Mérési magasság és távolság
5.2.1. Magasság
Az antenna fázisközéppontjának 0,5 ± 0,05 méterre kell lennie a földelőlemez fölött.
5.2.2. A mérési távolság
Az antenna fázisközéppontja vízszintes távolságának a földelőlemeztől 1,00 ± 0,05 m-nek kell lennie. Az antenna egyetlen pontja sem lehet 0,5 méternél közelebb a földelőlemezhez.
Az antennát egy, a földelőlemezre merőleges síkkal párhuzamosan kell elhelyezni, és annak a lemezszélnek a mentén kell elhelyezkednie, amely mellett a kábelköteg nagyobb része is fut.
5.2.3. Ha a vizsgálatot zárt berendezésben végzik, azzal a céllal, hogy ernyőt hozzanak létre a rádiófrekvenciákkal szemben, az antenna vevőalkatrészei sehol sem lehetnek 0,5 m-nél közelebb bármely rádiófrekvencia-elnyelő anyaghoz, vagy 1,5 m-nél közelebb a szóban forgó ernyő falához. A vevőantenna és a vizsgálat alatt álló ÖSZE között nem lehet elnyelő anyag.
5.3. Az antenna irányítása és polarizációja
A mérési pontban először vízszintesen, majd függőlegesen polarizált antennával kell leolvasást végezni.
5.4. Mérések
Az egyes frekvenciákra az 5.3. pont szerinti két mérés során nyert nagyobbik értéket kell az e frekvenciára jellemző mérési eredménynek tekinteni.
6. FREKVENCIÁK
6.1. Mérések
A méréseket a 30-1 000 MHz frekvenciatartományban kell elvégezni. Ez a tartomány 11 sávra van felosztva. Minden sávban a legnagyobb értéket mutató frekvencián kell a vizsgálatot elvégezni annak ellenőrzésére, hogy az még a megkívánt határértéken belül van-e. Egy ÖSZE akkor tekinthető úgy, hogy a teljes frekvenciatartományban megfelel a megkívánt határértékeknek, ha mind a 11 alábbi frekvenciasávban teljesíti a kiválasztott frekvenciákra megadott határértékeket: 30-45, 45-80, 80-130, 130-170, 170-225, 225-300, 300-400, 400-525, 525-700, 700-850, 850-1 000 MHz.
6.2. Ha az 1.2. pontban leírt vizsgálati módszerrel végzett első vizsgálat során a 6.1. pontban meghatározott sávok bármelyikében a keskenysávú sugárzás legalább 10 dB-lel kisebb a referenciaértéknél, az ÖSZE-t úgy kell tekinteni, mint amely a szóban forgó frekvenciasávra teljesíti az e mellékletben meghatározott feltételeket. Ebben az esetben nem kell elvégezni a teljes vizsgálatot.
VII. MELLÉKLET
ÖNÁLLÓ SZERELÉSI EGYSÉGEK ELEKTROMÁGNESES SUGÁRZÁSTŰRÉSÉNEK VIZSGÁLATI MÓDSZEREI
1. ÁLTALÁNOS ELŐÍRÁSOK
1.1. Vizsgálati módszerek
Egy ÖSZE-nek meg kell felelnie a gyártó tetszése szerint kiválasztott alábbi vizsgálati módszerek valamelyikével mért határértékeknek (lásd az I. melléklet 5.7.2.1. pontját), a 20-1 000 MHz tartományban:
- 150 mm-es vezetőlemez-vizsgálat: lásd az 1. függelék 1. ábráját,
- 800 mm-es vezetőlemez-vizsgálat: lásd az 1. függelék 2. és 3. ábráját,
- térfogati áram injekciós vizsgálat: lásd a 2. függelék 1. és 2. ábráját,
- transzverzális elektromágneses hullám cella (TEM-cella) vizsgálat: lásd a 3. függelék 1. ábráját,
- szabad térben végzett ÖSZE zavartűrési vizsgálat: lásd a 4. függelék 1. ábráját.
Megjegyzés: Az elektromágneses terek sugárzásának elkerülésére a vizsgálatokat árnyékolással ellátott területen kell végezni.
2. AZ EREDMÉNYEK BEMUTATÁSA
Az e mellékletben leírt összes vizsgálat esetében a térerőt V/m-ben, az injektált áramot pedig mA-ben kell megadni.
3. A VIZSGÁLATI FELTÉTELEK
3.1. A vizsgáló berendezésnek alkalmasnak kell lennie az e mellékletben meghatározott frekvenciatartományokban megkívánt vizsgálójelek generálására. A vizsgálatok helyét úgy kell megválasztani, hogy az teljesítse az elektromágneses jelek kibocsátására vonatkozó (nemzeti) törvényi követelményeket.
3.2. A vezérlő és megfigyelő berendezésre nem hathatnak olyan sugárterek, amelyek a vizsgálatot érvénytelenné tehetnék.
4. AZ ÖSZE ÁLLAPOTA A VIZSGÁLAT ALATT
4.1. Az ÖSZE-nek rendes üzemi állapotban kell lennie. Hacsak egy különleges egyedi vizsgálati módszer mást nem ír elő, az ÖSZE-t e melléklet szerint kell elhelyezni.
4.2. Az ÖSZE-t és kábelkötegeit szigetelt állványra kell helyezni 50 +10/-0 mm-rel a földelőlemez felett. Azonban ha az ÖSZE valamelyik része elektromosan kapcsolódik a jármű fém karosszériájához, ezt a részt a földelőlemezre kell helyezni és elektromosan össze kell vele kötni.
A földelőlemeznek egy legalább 0,25 mm vastag fémlemeznek kell lennie, kivéve ahol TEM-cellát alkalmaznak. A földelőlemez minimális méretei az ÖSZE méretétől függenek, de elegendően nagynak kell lennie ahhoz, hogy rajta az ÖSZE alkatrészei és kábelkötegei elhelyezhetők legyenek. A földelőlemezt földelő vezetékhez kell kötni és a talaj felett 1,0 ± 0,1 m-re, azzal párhuzamosan kell elhelyezni.
Az ÖSZE és minden egyéb elektromos vezető szerkezet, pl. az árnyékolt terület falai közötti távolságnak legalább 1,0 m-nek kell lennie (ez azonban nem vonatkozik a próbadarab alatti földelőlemezre), kivéve a TEM-cellás vizsgálat esetét.
4.3. Az ÖSZE számára egy 50 μH-s, a földelőlemezzel elektromosan összekötött vonalimpedancia-stabilizáló hálózat szolgáltatja az áramot. A tápfeszültséget állandó értéken kell tartani. Az állandó tápfeszültség eltérése az ÖSZE névleges üzemi feszültségétől nem lehet több az ÖSZE névleges üzemi feszültségének ± 10 %-ánál. A tápfeszültségben megjelenő brummfeszültségek a tápfeszültség ellenőrzési pontján mérve nem lehetnek nagyobbak az ÖSZE névleges üzemi feszültsége 1,5 %-ánál.
4.4. A kalibrálási fázisban minden, az ÖSZE működtetéséhez szükséges külső berendezésnek a helyén kell lennie. A kalibrálás alatt annak legalább 1 méterre kell lennie a referenciaponttól.
4.5. Reprodukálható eredmények elérése érdekében a vizsgálatokat és a méréseket meg kell ismételni. A vizsgálójelet generáló berendezésnek és a konfigurációnak ugyanolyan jellemzőkkel kell rendelkeznie, mint amilyeneket az egyes kalibrációs fázisok alatt használtak (e melléklet 7.2., 8.2. és 10.3. pontja).
5. MÉRÉSI FREKVENCIÁK, A VIZSGÁLATOK IDŐTARTAMA
5.1. A méréseket a 20-1 000 MHz frekvenciatartományban kell végezni.
5.2. A vizsgálatokat a következő 12 frekvencián kell elvégezni: 27 MHz, 45 MHz, 65 MHz, 90 MHz, 150 MHz, 180 MHz, 220 MHz, 300 MHz, 450 MHz, 600 MHz, 750 MHz, 900 MHz ± 10 %, 2 ± 10 % másodperc ideig minden frekvencián.
6. A GENERÁLANDÓ VIZSGÁLÓJEL JELLEMZŐI
6.1. A modulált próbatérerő csúcsértéke
A modulált próbatérerő csúcsértékének meg kell egyeznie a modulálatlan próbatérerő csúcsértékével, amelynek tényleges értéke az I. melléklet 5.7.2. pontjában van meghatározva.
6.2. A próbajel hullámformája
A próbajelnek egy 1 kHz-es szinuszos hullámmal 0,8 ± 0,04 m modulációs sebességgel amplitúdó-modulált rádiófrekvenciás szinuszos jelnek kell lennie.
6.3. A modulációs index
Az m modulációs index meghatározása az alábbi:

A burkológörbét az oszcillográfon látható modulált vivőfrekvencia szélei alkotta görbe írja le.
7. VEZETŐLEMEZ-VIZSGÁLAT
7.1. A vizsgálati módszer
Ez a vizsgálati módszer abból áll, hogy egy ÖSZE elemeit összekötő kábelkötegeket meghatározott térerőhatásoknak tesznek ki.
A vizsgálati módszer lehetővé teszi homogén terek generálását egy aktív vezető (a vezetőlemez) és a földelőlemez (a szerelőasztal vezető felülete) között, amelyek között elhelyezhető a kábelköteg megfelelő része.
7.2. Térerőmérés a vezetőlemezben
Minden előírt frekvencián megfelelő szintű rádiófrekvenciás teljesítményt táplálnak be a vezetőlemezbe, kezdetben az ÖSZE jelenléte nélkül, a vizsgálati területen megkívánt térerősség létrehozása céljából. A rádiófrekvenciás teljesítményt és a rádiófrekvenciás teljesítmény-generátor minden lényeges beállítási értékét fel kell jegyezni a vizsgálati jegyzőkönyvben (kalibrálási görbe).
A feljegyzett információkat a típusjóváhagyás céljaira kell felhasználni. Ha a berendezésen a próba helyén bármilyen módosítást végeznek, a vezetőlemez kalibrálását meg kell ismételni.
7.3. Az ÖSZE felszerelése
7.3.1. Az ÖSZE elektronikus vezérlőberendezését a földelőlemezre kell szerelni, de a vezetőlemezen kívül, egyik szélének párhuzamosnak kell lennie a vezetőlemez aktív vezetőjével. 200 ± 10 mm-re kell lennie a földelőlemeznek attól az egyenesétől, amely közvetlenül az aktív vezető széle alatt van.
Az aktív vezető minden szélének legalább 200 mm-re kell lennie bármely perifériális mérőeszköztől.
Az ÖSZE kábelkötegét vízszintesen kell elhelyezni az aktív vezető és a földelőlemez között.
7.3.1.1. A kábelköteg minimális hosszának, amelyet a vezetőlemez alatt el kell helyezni, és amely az elektronikus vezérlőegység tápvezetékeit is tartalmazni fogja, 1,5 méternek kell lennie, hacsak a járműben alkalmazott kábelköteg nem rövidebb 1,5 méternél. Ebben az esetben a kábelköteg hosszának a járműbe szereléshez alkalmazott leghosszabb kábelkötegével kell egyenlőnek lennie. Minden esetleges kábelköteg-leágazásnak merőlegesnek kell lennie a vezeték hossztengelyére.
7.3.1.2. Alternatívaként a kábelköteg teljesen kinyújtott hosszának, beleértve a leghosszabb leágazást is, 1,5 m-nek kell lennie.
8. ALTERNATÍV VIZSGÁLAT 800 MM-ES VEZETŐLEMEZ ALKALMAZÁSÁVAL
8.1. A vizsgálati módszer
A vezetőlemez két, egymástól 800 mm-re elhelyezett párhuzamos fémlemezből áll. A vizsgálandó berendezést a lemezek között középen kell elhelyezni és kitenni az elektromágneses tér hatásának (lásd e melléklet 1. függelékének 2. és 3. ábráját).
Ezzel a módszerrel egész elektronikus rendszerek vizsgálhatók, beleértve az érzékelő- és működtetőelemeket, valamint a vezérlőkészülékeket és vezetékkötegeket. Olyan készülékekhez alkalmas, amelyeknek legnagyobb mérete nem haladja meg a lemezek egymástól való távolságának 1/3-át.
8.2. A vezetőlemez elhelyezése
A vezetőlemezt árnyékolt helyiségben kell elhelyezni (külső sugárzások elkerülése érdekében) és 2 méterre kell lennie a falaktól, és minden fémes körülzárástól, az elektromágneses visszaverődések elkerülése érdekében. Rádiófrekvenciás elnyelő anyagot lehet használni ezeknek a visszaverődéseknek a csillapítására. A vezetőlemezt nem-vezető állványra kell helyezni, legalább 0,4 méterre a padló fölött.
8.3. A vezetőlemez kalibrálása
Egy térerőmérő szondát kell elhelyezni a párhuzamos síkok közötti tér középső hosszirányú, függőleges irányú és keresztirányú harmadában, amikor a vizsgálandó rendszer nincs behelyezve. A hozzá kapcsolt mérőberendezésnek az árnyékolt helyiségen kívül kell lennie.
Minden megkívánt vizsgálati frekvencián akkora teljesítményt kell a vezetőlemezzel közölni, hogy az antennán az előírt térerő jöjjön létre. Ezt a térerő meghatározásához szükséges teljesítményt vagy a teljesítménnyel közvetlenül kapcsolatos más paramétert meg kell mérni és az eredményt fel kell jegyezni. Ezeket az eredményeket a típusjóváhagyási vizsgálatokhoz fogják használni, hacsak nem következnek be a berendezésben olyan változások, amelyek szükségessé tennék az eljárás megismétlését.
8.4. Az ÖSZE elhelyezése a vizsgálat során
A fő vezérlőegységet nem-vezető állványra kell helyezni a párhuzamos síkok közötti tér középső hosszirányú, függőleges irányú és keresztirányú harmadában.
8.5. A fő vezetékköteg és az érzékelő/működtetőelem-kábelek
A fő vezetékkötegnek és az érzékelő/működtetőelem-kábeleknek függőlegesen kell emelkedniük a vezérlőegységtől a felső alaplemezre (ez segít az elektromágneses térrel való kapcsolat maximalizálásában). Innen követik a lemez alsó oldalát az egyik szabad széléig, ahol átfordulnak és az alaplemez felső oldalán haladnak tovább a vezetőlemez tápcsatlakozójáig. Innen a kábelek továbbhaladnak a csatlakozó berendezéshez, amelynek az elektromágneses tér hatókörén kívül kell elhelyezkednie, pl.: az árnyékolt helyiség padlóján, hosszirányban 1 méterre a vezetőlemeztől.
9. TÉRFOGATI ÁRAM INJEKCIÓS VIZSGÁLAT
9.1. A vizsgálati módszer
Ez egy zavartűrési vizsgálati módszer, amelynél egy áraminjektáló szondát használnak áramoknak közvetlenül a kábelkötegbe való indukálására. A szonda egy bilincsből áll, amely körülfogja az ÖSZE kábeleit. A zavartűrési vizsgálat tehát az indukált jelek frekvenciájának változtatásával végezhető el. Az ÖSZE-t egy 4.2. pont szerinti földelt lemezre lehet szerelni vagy a járműbe, a jármű kialakításának megfelelően.
9.2. A térfogati áram injekciós szonda kalibrálása
Az injekciós szondát az e melléklet 2. függelékének 2. ábráján látható kalibrációs készülékhez csatlakoztatják, és a vizsgálati frekvenciatartományt lépcsőkben pásztázzák végig. A bemenő rádiófrekvenciás teljesítményt minden vizsgálati frekvencián addig növelik, amíg a zárt próbakörben indukált áram el nem éri az I. mellékletben megadott értéket. Az ehhez szükséges rádiófrekvenciás teljesítményszintet fel kell jegyezni a vizsgálati jegyzőkönyvben (kalibrációs görbe). Ezzel a módszerrel a térgenerátor megkívánt rádiófrekvenciás teljesítményét egy kalibrált áramkörben indukált vizsgálati rádiózavarra alkalmazzák. Az ÖSZE rádiózavarokkal szembeni zavartűrési vizsgálata alatt a kalibrálási eljárás során meghatározott, frekvenciafüggő rádiófrekvenciás teljesítmény képezi az injekciós szonda bemenő jeleit az egyes frekvenciákon.
9.3. Az ÖSZE felszerelése
Ha a rendszer a 4.2. pontban leírt földelőlemezre van szerelve, minden kábelköteget olyan valósághűen kell kialakítani, amennyire csak lehetséges, és lehetőleg a valóságos terheléseket és működtető elemeket kell hozzájuk csatlakoztatni. Mind a járműbe, mind a földelőlemezre szerelt rendszerek esetében az áraminjektáló szondát a kábelköteg összes vezetéke köré kell tekerni 100 ± 1 mm-re az ÖSZE elektronikus vezérlőegységeinek, műszerezési egységeinek vagy aktív érzékelőinek a csatlakozóitól, a 2. függelék 2. ábráján látható módon.
9.4. Erőátviteli, jeltovábbító és vezérlő vezetékek
Ha egy ÖSZE a 4.2. pontban leírt módon egy földelőlemezre van szerelve, egy kábelköteg fogja összekötni a vonalimpedancia-stabilizáló hálózatot a fő elektronikus vezérlőegységgel. Ennek a kábelkötegnek a földelőlemez szélével párhuzamosan, attól 100 ± 10 mm-re kell haladnia.
Ez a kábelköteg tartalmazza az elektronikus vezérlőegységet az akkumulátorral összekötő pozitív vezetéket és, ha a vizsgálat a járművön történik, a negatív vezetéket is.
Az elektronikus vezérlőegység és a vonalimpedancia-stabilizáló hálózat közötti távolságnak 1,5 ± 0,1 m-nek kell lennie, vagy ha ez ismert, egyenlő lehet az elektronikus vezérlőegység és az akkumulátor között a járművön mért kábelköteg-hosszal, attól függően, hogy melyik a rövidebb. A jármű kábelkötegének használata esetén minden belőle leágazó vezetéket a földelőlemez mentén kell lefektetni, de a szélére merőlegesen. Különben az e szakaszon lévő ÖSZE vezetékeknek a vonalimpedancia-stabilizáló hálózatnál kell elágazniuk.
10. TRANSZVERZÁLIS ELEKTROMÁGNESES HULLÁM CELLA (TEM-CELLA) VIZSGÁLAT
10.1. A vizsgálati módszer
A TEM(transzverzális elektromágneses hullám)-cella homogén teret létesít a belső vezető (elválasztó lemez) és a ház (földelőlemez) között. Az ÖSZE-k vizsgálatára szolgál.
10.2. Térerőmérés a TEM-cellában
A térerő-érzékelőt a TEM-cella felső felébe kell helyezni. A TEM-cella e részében az elektronikus vezérlőegység(ek)nek csak csekély hatása van a vizsgálati mezőre. Ennek az érzékelőnek a kimeneti teljesítménye határozza meg a térerőt. Alternatívaként az alábbi képlet használható az elektromos tér meghatározására:

E = az elektromos tér intenzitása (V/m);
P = a cella bemenő teljesítménye (W);
Z = a cella impedanciája (50 Ω);
d = a felső fal és a lemez (elválasztó) közötti távolság méterben.
10.3. A TEM-cella méretei
Annak érdekében, hogy a TEM-cellában homogén mezőt lehessen fenntartani, és hogy megismételhető mérési eredmények szülessenek, az ÖSZE magassága nem lehet nagyobb a cella belső magasságának 1/3-ánál.
10.4. Erőátviteli, jeltovábbító és vezérlő vezetékek
A TEM-cellát egy koaxiális aljazattal és egy megfelelő számú tüskével rendelkező dugaszolóval ellátott táblához kell csatlakoztatni. A dugaszolótól a cella falán haladó erőátviteli és jeltovábbító vezetékek közvetlenül csatlakoznak a próbadarabra.
A külső alkatrészeket, mint pl. az érzékelők, villamos tápegységek és vezérlőegységek, az alábbiak szerint kell bekötni:
i. árnyékolt perifériális egységek útján;
ii. a TEM-cella mellett álló jármű útján;
iii. közvetlenül az árnyékolt csatlakozóaljazat-táblához.
A TEM-cellának a perifériális egységekhez vagy a járműhöz való csatlakoztatásához árnyékolt kábelt kell használni.
11. "SZABAD TÉRBEN VÉGZETT" VIZSGÁLAT
11.1. Ez a vizsgálat abból áll, hogy a egész ÖSZE-t elektromágneses sugárzásnak teszik ki.
11.2. A térgenerátor típusa, helyzete és irányítása
11.2.1. A térgenerátor típusa
11.2.1.1. A választott generátornak alkalmasnak kell lennie arra, hogy a referenciapontban létrehozza a kívánt térerősséget a megfelelő frekvenciákon.
11.2.1.2. A térgeneráló készülék egy vagy több antenna vagy egy lemezantenna lehet.
11.2.1.3. A térgenerátor kialakításának és irányításának olyannak kell lennie, hogy a tér 20 és 1 000 MHz frekvencia között mind vízszintesen, mind függőlegesen polarizálva legyen.
11.2.2. Mérési magasság és távolság
11.2.2.1. Magasság
11.2.2.1.1. Az antenna fázisközéppontjának legalább 0,5 m-rel kell lennie a fölött a földelőlemez fölött, amelyen az ÖSZE van.
11.2.2.1.2. Az antenna egyetlen sugárzó része sem lehet 0,25 m-nél közelebb az ÖSZE alaplemez alapjához.
11.2.2.2. Mérési távolság
11.2.2.2.1. Homogénebb mező érhető el, ha a térgenerátor olyan távol van az ÖSZE-től, amennyire az még műszakilag lehetséges. Rendes körülmények között ez a távolság 1 és 5 méter között van.
11.2.2.2.2. Ha a vizsgálatot zárt berendezésben végzik, az antenna sugárzó alkatrészei nem lehetnek 0,5 m-nél közelebb semmilyen rádióhullám-elnyelő anyaghoz és 1,5 m-nél közelebb a berendezés falához. Az adóantenna és az ÖSZE között semmilyen elnyelő anyag sem lehet.
11.2.3. Az antenna helyzete az ÖSZE-hez képest
11.2.3.1. A térgenerátor nem lehet 0,5 m-nél közelebb a földelőlemez széléhez.
11.2.3.2. A térgenerátor fázisközéppontjának olyan síkban kell lennie, amely:
i. merőleges a földelőlemezre;
ii. merőleges a földelőlemeznek arra a szélére, amelynek mentén a kábelköteg törzse fut;
és
iii. a földelőlemez szélét a kábelköteg törzse középpontjánál metszi ketté.
Az antennát azzal a síkkal párhuzamosan kell elhelyezni, amely merőleges a földelőlemez szélére, és amelynek mentén a kábelköteg törzse fut, s azzal egybe is esik.
11.2.3.3. Minden térgenerátornak, amely a földelőlemez vagy az ÖSZE felett van elhelyezve, teljesen le kell fednie az ÖSZE-t.
11.2.4. A referenciapont
11.2.4.1. A referenciapont az a pont, amelyben a térerősséget mérni kell. A pont meghatározása a következő:
11.2.4.1.1. Vízszintesen legalább 2 méternyire az antenna fázisközéppontjától vagy függőlegesen legalább 1 méterre a lemezantenna sugárzó alkatrészeitől.
11.2.4.1.2. Olyan síkban, amely:
i. merőleges a földelőlemezre;
ii. merőleges a földelőlemeznek arra a szélére, amelynek mentén a kábelköteg törzse fut;
és
iii. a földelőlemez szélét a kábelköteg törzse középpontjánál metszi ketté.
11.2.4.1.3. A referenciapontnak egybe kell esnie a földelőlemez antennához közelebb eső széle mentén, afölött 100 ± 10 mm-rel futó kábelköteg-törzs középpontjával.
11.3. A megkívánt térerő generálása
11.3.1. A módszer
11.3.1.1. A térerősségi feltételek meglétének ellenőrzésére a "helyettesítő módszert" kell alkalmazni.
11.3.1.2. A helyettesítő módszer
Minden kívánt frekvenciára a térgenerátor rádiófrekvenciás teljesítményszintjét úgy kell beállítani, hogy a próbaterület referenciapontjában megkívánt vizsgálati térerőt az ÖSZE jelenléte nélkül hozza létre. Ezt a rádiófrekvenciás teljesítményszintet, valamint a térgenerátor más lényeges beállítási értékeit fel kell jegyezni a vizsgálati jegyzőkönyvben (kalibrációs görbe). A feljegyzett információkat a típusjóváhagyás céljaira kell felhasználni. Ha a berendezésen a vizsgálat helyén bármilyen módosítást végeznek, a helyettesítő módszert meg kell ismételni.
11.3.1.3. Tehát az ÖSZE-t, amely egy kiegészítő földelőlemezt is tartalmazhat, be kell helyezni a vizsgáló berendezésbe a 11. pontban megadott feltételeknek megfelelően. Ha egy második földelőlemezt is alkalmaznak, az nem lehet 5 mm-nél távolabb a próbapad földelőlemezétől és elektromos kapcsolatban kell vele állnia. Ez után a 11.3.1.2. pont szerint meghatározott teljesítményt kell alkalmazni a térgenerátorra az 5. pontban megadott minden egyes frekvencián.
11.3.1.4. A kalibrálás alatt az idegen berendezéseknek legalább 1 méternyire kell lenniük a referenciaponttól.
11.3.1.5. A 11.3.1.2. pont szerinti tér előállításánál választott paramétert kell használni a kívánt térerő létrehozása céljából az egész vizsgálat során.
11.3.1.6. A térerőmérő-berendezés
A helyettesítő módszer alatt a kalibrálás során előálló térerősségek mérésére szolgáló berendezésnek egy kompakt izotropikus térerőmérő-szondának kell lennie.
11.3.1.7. A térerőmérő-berendezés fázisközéppontjának egybe kell esnie a referenciaponttal.
11.3.2. A térerő kontúrja
11.3.2.1. A helyettesítő módszer kalibrálási fázisában (mielőtt még az ÖSZE-t elhelyeznék a próbaterületen) a térerő nem lehet kisebb a névleges térerő 50 %-ánál 1,0 ± 0,05 méterre a referenciapont mindkét oldalán, egy, az e ponton átmenő és a földelőlemez szélével párhuzamos egyenesen.
1. függelék

1. ábra
Vezetőlemez-vizsgálat

2. ábra
800 mm-es vezetőlemez vizsgálata

3. ábra
800 mm-es vezetőlemez méretei
2. függelék

1. ábra
Térfogati áram injekciós vizsgálat

2. ábra
Szondakalibráló áramkör kalibrációs elrendezése
3. függelék

1. ábra
TEM-cella vizsgálat
4. függelék

1. ábra
VIII. MELLÉKLET
1. függelék
Egy motorkerékpár- vagy segédmotoroskerékpár-típus elektromágneses összeférhetőségére vonatkozó adatközlő lap

2. függelék

IX. MELLÉKLET
1. függelék
Egy önálló szerelési egység típusának elektromágneses összeférhetőségére vonatkozó adatközlő lap

2. függelék

9. FEJEZET
MOTORKERÉKPÁROK VAGY SEGÉDMOTOROS KERÉKPÁROK MEGENGEDHETŐ ZAJSZINTJE ÉS KIPUFOGÓRENDSZERE
A MELLÉKLETEK JEGYZÉKE
I. MELLÉKLET | Egy motorkerékpár- vagy segédmotoroskerékpár-típus megengedhető zajszintjére vonatkozó alkatrész-típusjóváhagyás zajszint-határértékei dB(A)-ban és azok hatálybalépésének időpontjai |
II. MELLÉKLET | Kétkerekű mopedekre vonatkozó előírások |
1.Fogalommeghatározások | |
2.Egy kétkerekűmoped-típus zajszintjére és eredeti kipufogórendszerére mint önálló szerelési egységre vonatkozó alkatrész-típusjóváhagyás | |
3.Kétkerekű mopedek nem eredeti kipufogórendszerére vagy annak elemeire mint önálló szerelési egységekre vonatkozó alkatrész-típusjóváhagyás | |
1A. függelék | Egy kétkerekűmoped-típus megengedhető zajszintjére és eredeti kipufogórendszerére vonatkozó adatközlő lap |
1B. függelék | Egy kétkerekűmoped-típus megengedhető zajszintjére és eredeti kipufogórendszerére (-rendszereire) vonatkozó alkatrész-típusjóváhagyási bizonyítvány |
2A. függelék | Egy kétkerekűmoped-típus nem eredeti kipufogórendszerére vagy annak elemeire mint önálló szerelési egység(ek)re vonatkozó adatközlő lap |
2B. függelék | Egy kétkerekűmoped-típus nem eredeti kipufogórendszerére vonatkozó alkatrész-típusjóváhagyási bizonyítvány |
III. MELLÉKLET | Motorkerékpárokra vonatkozó előírások |
1.Fogalommeghatározások | |
2.Egy motorkerékpár-típus zajszintjére és eredeti kipufogórendszerére mint önálló szerelési egységre vonatkozó alkatrész-típusjóváhagyás | |
3.Egy motorkerékpár-típus nem eredeti kipufogórendszerére vagy annak elemeire mint önálló szerelési egységekre vonatkozó alkatrész-típusjóváhagyás | |
1A. függelék | Egy motorkerékpár-típus megengedhető zajszintjére és eredeti kipufogórendszerére vonatkozó adatközlő lap |
1B. függelék | Egy motorkerékpár-típus megengedhető zajszintjére és eredeti kipufogórendszerére (rendszereire) vonatkozó alkatrész-típusjóváhagyási bizonyítvány |
2A. függelék | Egy motorkerékpár-típus nem eredeti kipufogórendszerére vagy annak elemeire mint önálló szerelési egység(ek)re vonatkozó adatközlő lap |
2B. függelék | Egy motorkerékpár-típus nem eredeti kipufogórendszerére vonatkozó alkatrész-típusjóváhagyási bizonyítvány |
IV. MELLÉKLET | Háromkerekű mopedekre és triciklikre vonatkozó követelmények |
1.Fogalommeghatározások | |
2.Egy háromkerekűmoped- vagy triciklitípus zajszintjére és eredeti kipufogórendszerére mint önálló szerelési egységre vonatkozó alkatrész-típusjóváhagyás | |
3.Egy háromkerekűmoped- vagy triciklitípus nem eredeti kipufogórendszerére vagy annak elemeire mint önálló szerelési egységekre vonatkozó alkatrész-típusjóváhagyás | |
1A. függelék | Egy háromkerekűmoped- vagy triciklitípus megengedhető zajszintjére és eredeti kipufogórendszerére vonatkozó adatközlő lap |
1B. függelék | Egy háromkerekűmoped- vagy triciklitípus megengedhető zajszintjére és eredeti kipufogórendszerére (rendszereire) vonatkozó alkatrész-típusjóváhagyási bizonyítvány |
2A. függelék | Egy háromkerekűmoped- vagy triciklitípus nem eredeti kipufogórendszerére vagy annak elemeire mint önálló szerelési egység(ek)re vonatkozó adatközlő lap |
2B. függelék | Egy háromkerekűmoped- vagy triciklitípus nem eredeti kipufogórendszerére vonatkozó alkatrész-típusjóváhagyási bizonyítvány |
V. MELLÉKLET | Gyártásazonossági előírások |
VI. MELLÉKLET | Jelölési követelmények |
Függelék | Példák típus-jóváhagyási jelre |
VII. MELLÉKLET | A próbapályákra vonatkozó előírások |
I. MELLÉKLET
EGY MOTORKERÉKPÁR- VAGY SEGÉDMOTOROSKERÉKPÁR-TÍPUS MEGENGEDHETŐ ZAJSZINTJÉRE VONATKOZÓ ALKATRÉSZ-TÍPUSJÓVÁHAGYÁS ZAJSZINT-HATÁRÉRTÉKEI dB(A)-BAN ÉS HATÁLYBALÉPÉSI IDŐPONTJAI
Járművek | Zajszint-határértékek az ezen irányelv elfogadásától számított 24 hónap után kezdődő hatállyal |
1.Kétkerekű mopedek | |
≤ 25 km/h | 66 |
> 25 km/h | 71 |
háromkerekű mopedek | 76 |
2.Motorkerékpárok | |
≤ 80 cm3 | 75 |
> 80 ≤ 175 cm3 | 77 |
> 175 cm3 | 80 |
3.Triciklik | 80 |
II. MELLÉKLET
KÉTKEREKŰ MOPEDEKRE VONATKOZÓ ELŐÍRÁSOK
1. FOGALOMMEGHATÁROZÁSOK
Ennek a fejezetnek az alkalmazásában:
1.1. "kétkerekűmoped-típus a zajszint és a kipufogórendszer tekintetében": olyan mopedek, amelyek nem különböznek egymástól az alábbi lényeges szempontokból:
1.1.1. a motor típusa (két- vagy négyütemű, dugattyús vagy forgódugattyús motor, a hengerek száma és űrtartalma, a porlasztók vagy befecskendező-rendszerek száma és típusa, a szelepek elrendezése, a maximális hasznos teljesítmény és a hozzá tartozó fordulatszám).
A forgódugattyús motorok űrtartalmának a kamratérfogat kétszeresét kell tekinteni;
1.1.2. az erőátviteli rendszer, különösen a sebességfokozatok száma és áttételi viszonyszáma;
1.1.3. a kipufogórendszerek száma, típusa és elrendezése.
1.2. "kipufogórendszer" vagy "hangtompító": az elemek olyan egész együttese, amelyek egy moped motorja és kipufogója által keltett zaj mérsékléséhez szükségesek.
1.2.1. "eredeti kipufogórendszer vagy hangtompító": olyan típusú rendszer, amellyel a jármű a típusjóváhagyás vagy a típusjóváhagyás kiterjesztése idején volt felszerelve. Ez lehet az, amelyet kezdetben szereltek fel vagy egy, már kicserélt elem.
1.2.2. "nem eredeti kipufogórendszer vagy hangtompító": olyan típusú rendszer, amely eltér attól, mint amivel a jármű a típusjóváhagyás vagy a típusjóváhagyás kiterjesztése idején volt felszerelve. Csak csere-kipufogórendszerként vagy csere-hangtompítóként használható.
1.3. "eltérő típusú kipufogórendszerek": olyan rendszerek, amelyek az alábbi szempontok valamelyike szerint lényegesen különböznek egymástól:
1.3.1. eltérő gyári vagy kereskedelmi védjegyű alkatrészeket tartalmazó rendszerek;
1.3.2. olyan rendszerek, amelyek más jellemzőkkel rendelkező anyagokból készült bármely alkatrészt, vagy más alakú vagy méretű elemeket tartalmaznak;
1.3.3. olyan rendszerek, amelyekben legalább egy alkatrész működési elve más;
1.3.4. az alkatrészeket más kombinációkban alkalmazó rendszerek.
1.4. "egy kipufogórendszer alkatrésze": olyan egyedi alkatrészek egyike, amelyek együttesen a kipufogórendszert (mint pl. a kipufogócső-rendszer, maga a hangtompító) és adott esetben, a levegőszívó-rendszert (pl. a levegőszűrő) alkotják.
Ha a motort annak érdekében, hogy a maximálisan megengedhető zajszinteknek megfeleljen, levegőszívó-rendszerrel (levegőszűrő és/vagy a szívászajcsökkentő) is el kell látni, a szűrőt és/vagy a szívászajcsökkentőt ugyanolyan fontosságú alkatrésznek kell tekinteni, mint a kipufogórendszert.
2. EGY KÉTKEREKŰMOPED-TÍPUS ZAJSZINTJÉRE ÉS EREDETI KIPUFOGÓRENDSZERÉRE MINT ÖNÁLLÓ SZERELÉSI EGYSÉGRE VONATKOZÓ ALKATRÉSZ-TÍPUSJÓVÁHAGYÁS
2.1. A mozgó kétkerekű moped zaja (a jármű alkatrész-típusjóváhagyása során alkalmazott mérési körülmények és a vizsgálati módszer).
2.1.1. Határértékek: lásd az I. mellékletet.
2.1.2. A mérőberendezések
2.1.2.1. Akusztikai mérések
A zajszint mérésére használt berendezésnek egy precíziós zajszintmérőnek kell lennie, amely megfelel a Nemzetközi Elektrotechnikai Bizottság (Commission électronique internationale, CEI) "Precíziós zajszintmérők" című 179. sz. kiadványa második kiadásának. A méréseket az ugyancsak e kiadványban leírt "gyors" reagálás alkalmazásával és "A" kiértékelésű módszer szerint kell végezni.
Minden méréssorozat előtt és után a zajszintmérőt a gyártó utasításai szerint kalibrálni kell egy megfelelő zajforrás (pl. dugattyúmembrán) alkalmazásával.
2.1.2.2. Sebességmérések
A motor fordulatszámát és a moped sebességét a próbapályán ± 3 %-os pontossággal kell meghatározni.
2.1.3. A mérési körülmények
2.1.3.1. A moped állapota
A vezető és a vizsgáló berendezés mopedet terhelő együttes tömege nem lehet 90 kg-nál több és 70 kg-nál kevesebb. Ha szükséges, súlyokat kell rakni a mopedre, hogy az együttes terhelés elérje a 70 kg-ot.
A mérések alatt a mopednek üzemkész állapotban kell lennie (beleértve a hűtőközeget, olajakat, tüzelőanyagot, szerszámokat, pótkereket és a vezetőt).
A mérések megkezdése előtt a mopedet rendes üzemi hőmérsékletére kell felmelegíteni.
Ha a moped automatikus működtető-berendezéssel ellátott ventillátorokkal van felszerelve, e rendszer működését a zajmérések során nem szabad akadályozni. Ha egy mopednek egynél több hajtott kereke van, csak a rendes országúti üzemmódban működő kereket szabad használni. Ha a moped oldalkocsival van felszerelve, a vizsgálatok idejére az oldalkocsit el kell távolítani.
2.1.3.2. A próbaterep
A próbaterepnek egy alapjában véve sík próbaterülettel körülvett középső gyorsító szakaszból kell állnia. A gyorsító szakasznak síknak kell lennie; felületének száraznak és felületi zajának kicsinek.
A próbaterepen a szabad hangtér változásai a gyorsítási szakasz közepén lévő hangforrás és a mikrofon között nem haladhatják meg az 1 dB-t. Ez a feltétel teljesítettnek tekinthető, ha a gyorsítási szakasz közepétől mért 50 méteren belül nincsenek nagy hangvisszaverő tárgyak, mint pl. kerítések, sziklák, hidak vagy épületek. A próbaterep útburkolatának meg kell felelnie a VII. melléklet előírásainak.
A mikrofont semmi sem takarhatja el, ami a hangteret befolyásolhatná, és senki sem állhat a mikrofon és hangforrás közé. A méréseket végző személynek úgy kell elhelyezkednie, hogy ne legyen hatással a mérőberendezésről leolvasható értékekre.
2.1.3.3. Vegyes rendelkezések
A méréseket nem szabad rossz légköri viszonyok között végezni. Ügyelni kell arra, hogy a méréseket széllökések ne befolyásolják.
A mérések során a vizsgálandó járművön kívüli hangforrásból és a széltől származó A-kiértékelésű zajszinteknek legalább 10 dB(A)-val a jármű által keltett zajszint alatt kell lenniük. Alkalmas szélfogót lehet a mikrofonnál elhelyezni, feltéve, hogy figyelembe veszik annak a mikrofon érzékenységére és irányjellemzőire gyakorolt hatását.
Ha a környezeti zaj és a mért zaj különbsége 10 és 16 dB(A) között van, a vizsgálati eredmények számításához megfelelő korrekciós értéket kell levonni a zajszintmérőn leolvasott értékből az alábbi ábra szerint:

2.1.4. A mérési módszer
2.1.4.1. A mérések fajtái és száma
Az A-kiértékelésű decibelben (dB[A]) kifejezett maximális zajszintet kell megmérni miközben a moped áthalad az AA′ és BB′ vonal között (1. ábra). A mérés érvénytelen, ha rendellenes eltérés mutatkozik a csúcsérték és az általános zajszint között. A moped mindkét oldalán legalább két-két mérést kell végezni.
2.1.4.2. A mikrofon elhelyezése
A mikrofont 7,5 ± 0,2 m távolságra kell elhelyezni a pálya CC′ referenciavonalától (1. ábra) és 1,2 ± 0,1 m-re a talajszint fölött.
2.1.4.3. A működési feltételek
A mopednek az AA′ vonalat a 2.1.4.3.1. vagy 2.1.4.3.2. pontban megadott állandó kezdeti sebességgel kell megközelítenie. Amikor a moped eleje eléri az AA′ vonalat, a lehető leggyorsabb módon teljes gázt kell adni, és azt fenn kell tartani addig, amíg a moped hátsó vége el nem éri a BB′ vonalat; ekkor a gázadagolót a lehető leggyorsabb módon vissza kell venni alapjáratra.
A mopedet minden mérés alatt egyenes vonalban kell átvezetni a gyorsító szakaszon, a moped hossztengelyére állított függőleges síkját a lehető legközelebb tartva a CC′ vonalhoz.
2.1.4.3.1. A megközelítési sebesség
A mopednek 30 km/h állandó sebességgel kell megközelítenie az AA′ vonalat, vagy a csúcssebességével, ha az 30 km/h-nál kisebb.
2.1.4.3.2. A sebességfokozat megválasztása
- Ha a moped kézi sebességváltóval van felszerelve, azt a sebességfokozatot kell választani, amely lehetővé teszi, hogy a jármű legalább a teljes teljesítménynek megfelelő fordulatszám felével haladjon át az AA′ vonalon,
- Ha a moped automata sebességváltóval van felszerelve, a 2.1.4.3.1. pontban megadott sebességgel kell vezetni.
2.1.5. Az eredmények (vizsgálati jegyzőkönyv)
2.1.5.1. Az 1B. függelékben említett dokumentum kiadásának céljából felvett vizsgálati jegyzőkönyvben a mérések eredményeit befolyásoló valamennyi körülményt és hatást rögzíteni kell.
2.1.5.2. A feljegyzett értékeket a legközebbi decibelre kell kerekíteni.
Ha a tizedespontot követő szám 0 és 4 közé esik, az összeget lefelé, ha 5 és 9 közé esik, felfelé kell kerekíteni.
Az 1B. függelékben említett dokumentum kiadásához csak olyan méréseket lehet felhasználni, amelyeknek a moped azonos oldalán végzett két egymás utáni próba során kapott különbsége nem nagyobb 2 dB(A)-nál.
2.1.5.3. A mérések pontatlanságának figyelembevétele érdekében az egyes mérések eredményét a 2.1.5.2. pont szerint megkapott értékből 1 dB(A)-t levonva kell megállapítani.
2.1.5.4. Ha a négy mérési eredmény átlaga nem haladja meg a vizsgált moped kategóriájára megengedhető maximális szintet, úgy kell tekinteni, hogy a 2.1.1. pontban megadott határértékeket betartották.
A vizsgálat eredményét ez az átlagérték képezi.

1. ábra
A mozgó jármű vizsgálata

2. ábra
Az álló jármű vizsgálata
2.2. Az álló moped zaja (használatban lévő jármű mérési feltételei és vizsgálati módszere)
2.2.1. Hangnyomásszint a moped közvetlen közelében
Használatban lévő mopedeken végzendő későbbi zajvizsgálatok elősegítése érdekében a hangnyomásszintet az alábbi követelményekkel összhangban a kipufogórendszer kivezetésének (hangtompító) közvetlen közelében is meg kell mérni, és a mérések eredményét fel kell tüntetni az 1B. függelékben említett dokumentum kiadása céljából felvett vizsgálati jegyzőkönyvben.
2.2.2. A mérőberendezések
Egy, a 2.1.2.1. pont szerinti precíziós zajszintmérőt kell használni.
2.2.3. A mérési körülmények
2.2.3.1. A moped állapota
A mérések megkezdése előtt a moped motorját rendes üzemi hőmérsékletére kell felmelegíteni. Ha a moped automatikus működtető-berendezéssel ellátott ventillátorokkal van felszerelve, e rendszer működését a zajmérések során nem szabad akadályozni.
A mérések alatt a sebességváltónak semleges helyzetben kell lennie. Ha a sebességváltót nem lehet lekapcsolni, a moped hajtókerekét hagyni kell szabadon forogni, például úgy, hogy a járművet a középső kitámasztóra állítják.
2.2.3.2. A próbaterep (2. ábra)
Próbaterepként bármely terület használható, amely számottevő akusztikai zavaroktól mentes. Megfelelnek a nagy visszaverőképességű, betonnal, aszfalttal vagy más kemény anyaggal burkolt lapos felületek; ledöngölt földfelületet nem szabad használni. A próbaterepnek egy négyszögnek kell lennie, amelynek oldalai legalább 3 méterre vannak a moped külső széleitől (a kormányszarvakat nem számítva). A területen nem lehetnek számottevő akadályok, így például a vezetőn és a mérést végző személyen kívül más nem tartózkodhat a négyszögön belül.
A mopedet úgy kell elhelyezni az említett négyszögön belül, hogy a méréshez használt mikrofon legalább 1 méterre legyen a járdaszegélyektől.
2.2.3.3. Vegyes rendelkezések
A külső zajokból és a széltől származó, mérőberendezésen leolvasott értékeknek legalább 10 dB(A)-val a mérendő zajszintek alatt kell lenniük. Alkalmas szélfogót lehet a mikrofonnál elhelyezni, feltéve, hogy figyelembe veszik annak a mikrofon érzékenységére gyakorolt hatását.
2.2.4. A mérési módszer
2.2.4.1. A mérések fajtái és száma
Az A-kiértékelésű decibelben (dB [A]) kifejezett maximális zajszintet kell megmérni a 2.2.4.3. pontban meghatározott működési periódus alatt.
Minden mérési pontban legalább három mérést kell végezni.
2.2.4.2. A mikrofon elhelyezése (2. ábra)
A mikrofont a kipufogócső végének a szintjén kell elhelyezni, semmilyen esetben sem lehet a pálya talaja fölött 0,2 méternél alacsonyabban. A mikrofon membránjának a kipufogócső vége felé kell néznie és attól 0,5 méterre kell lennie. A mikrofon maximális érzékenysége tengelyének párhuzamosnak kell lennie a pálya felületével és a kipufogógázok kilépési irányának függőleges síkjával 45° ± 10°-os szöget kell bezárnia.
E függőleges síkhoz képest a mikrofont azon az oldalon kell elhelyezni, ahol a mikrofon és a moped körvonala közötti távolság a legnagyobb lehet (a kormányszarvakat nem számítva).
Ha a kipufogórendszernek egynél több, egymástól kevesebb, mint 0,3 méterre lévő középpontú kipufogócső-vége van, a mikrofont a mopedhez legközelebb lévő kivezetés felé kell fordítani (a kormányszarvakat nem számítva), vagy a felé a kivezetés felé, amely a legmagasabban van a pályaszint felett. Ha a kivezetések 0,3 méternél távolabb vannak egymástól, mindegyiket külön kell mérni, és a legnagyobb észlelt értéket kell a vizsgálat eredményének tekinteni.
2.2.4.3. A működési feltételek
A motor fordulatszámát állandónak kell tartani az alábbi értékek egyikén:
-

ha F nagyobb, mint 5 000 1/min,
-

ha F nem nagyobb, mint 5 000 1/min,
ahol "F" az 1A. függelék 3.2.1.7. pontjában említett fordulatszám.
Az állandó motorfordulatszám elérése után a gázadagolót gyorsan alapjáratra kell állítani. A zajszintet egy rövid idejű állandó fordulatszámú periódusból és a teljes lassulási periódusból álló ciklus alatt kell mérni, vizsgálati eredménynek a mért maximális zajszintet kell tekinteni.
2.2.5. Az eredmények (vizsgálati jegyzőkönyv)
2.2.5.1. Az 1B. függelékben említett dokumentum kiadása céljából felvett vizsgálati jegyzőkönyvben minden lényeges adatot fel kell jegyezni, de különösen azokat, amelyeket az álló moped zajmérésénél használtak.
2.2.5.2. A mérőberendezésről leolvasott értékeket a legközelebbi decibelre kell kerekíteni.
Csak olyan mérési értékeket szabad használni, amelyek három egymást követő vizsgálat során nem különböztek egymástól 2 dB(A)-nál többel.
2.2.5.3. A három érték közül a legnagyobbat kell a mérés eredményének tekinteni.
2.3. Eredeti kipufogórendszer (hangtompító)
2.3.1. Elnyelő tulajdonságú rostos anyagokat tartalmazó hangtompítókra vonatkozó előírások
2.3.1.1. Az elnyelő tulajdonságú rostos anyagnak azbesztmentesnek kell lennie, és azt csak akkor szabad hangtompítók gyártásához használni, ha a hangtompító teljes élettartamára biztosan rögzíthető a helyén és teljesíti a 2.3.1.2., 2.3.1.3. vagy 2.3.1.4. pont valamelyikének előírásait.
2.3.1.2. A rostos anyag eltávolítása után a zajszintnek meg kell felelnie a 2.1.1. pont előírásainak.
2.3.1.3. A rostos elnyelő anyag nem lehet a hangtompító olyan részében, amelyen a kipufogógázok áthaladnak, és meg kell felelnie az alábbi feltételeknek:
2.3.1.3.1. az anyagot négy órán át kemencében kell hevíteni 650 ± 5 °C hőmérsékleten anélkül, hogy a szálak átlagos hossza, átmérője vagy testsűrűsége csökkenne;
2.3.1.3.2. egy órán át, kemencében, 650 ± 5 °C-on történt hevítést követően legalább az anyag 98 %-ának fenn kell maradnia egy, a 3310/1 ISO szabványnak megfelelő 250 μm névleges nyílásméretű szitán, a 2599 ISO szabvány szerint elvégzett vizsgálat után;
2.3.1.3.3. Az anyag súlyvesztesége nem lehet több 10,5 %-nál, miután 24 órán át 90 ± 5 °C hőmérsékleten ázott az alábbi összetételű szintetikus párlatban:
- 1 N bróm-hidrogénsav (HBr): 10 ml,
- 1 N kénsav (H2SO4) ): 10 ml,
- desztillált vízzel 1 000 ml-re kiegészítve.
Az anyagot mérlegelés előtt desztillált vízben ki kell mosni és egy órán át 105 °C hőmérsékleten kell szárítani.
2.3.1.4. A rendszert a 2.1. pont szerinti vizsgálata előtt rendes üzemi állapotra kell hozni az alábbi módszerek valamelyikével:
2.3.1.4.1. Állandó kísérleti feltételek előállítása (kondicionálás) folyamatos közlekedés során;
2.3.1.4.1.1. A kondicionálás során megteendő minimális út 2 000 km.
2.3.1.4.1.2. E kondicionáló ciklusnak 50 ± 10 %-át városban kell megtenni és a maradékot hosszú utakon; a folyamatos országúti ciklus egy megfelelő próbapálya-programmal helyettesíthető.
2.3.1.4.1.3. A kétféle sebességi üzemmódot legalább hatszor kell váltogatni.
2.3.1.4.1.4. A teljes próbaprogramba legalább 10, egyenként legalább 3 órán át tartó szünetet kell beiktatni a lehűlés és kondenzáció hatásainak reprodukálására.
2.3.1.4.2. Kondicionálás pulzálással
2.3.1.4.2.1. A kipufogórendszert vagy annak alkatrészeit a mopedre vagy a motorra kell szerelni.
Az első esetben a mopedet egy lendítőtömeges görgős fékpadra kell szerelni. A második esetben a motort próbapadra kell erősíteni.
A 3. ábrán részletesen bemutatott vizsgáló berendezést a kipufogórendszer kimenetére kell szerelni. Más, azonos eredményt adó berendezés is elfogadható.
2.3.1.4.2.2. A vizsgáló berendezést úgy kell beállítani, hogy egy gyorsműködésű szelep váltogatva 2 500 alkalommal szakítsa meg és állítsa ismét helyre a kipufogógázok áramlását.
2.3.1.4.2.3. A szelepnek akkor kell nyitnia, amikor a kipufogógáz ellennyomása a csatlakozó peremtől áramlásirányban legalább 100 mm-re mérve eléri a 0,35 és 0,40 bar közötti értéket. Ha ez az érték a motor jellemzői miatt nem érhető el, a szelepnek akkor kell nyitnia, amikor a gáz ellennyomása eléri a motor leállása előtt mérhető maximális érték 90 %-át. A szelepnek akkor kell zárnia, amikor a nyomás 10 %-nál nem többel tér el a nyitott szelep mellett mérhető stabilizálódott értéktől.
2.3.1.4.2.4. Az időrelét a 2.3.1.4.2.3. pont előírásai alapján számított időtartamra kell beállítani.
2.3.1.4.2.5. A motor fordulatszámának annak az (F) fordulatszámnak a 75 %-ának kell lennie, amelynél a motor a maximális teljesítményét fejti ki.
2.3.1.4.2.6. A lendítőtömeges fékpad által jelzett teljesítménynek az (F) motorfordulatszám 75 %-ánál mért teljes töltés mellett kifejtett teljesítmény 50 %-ának kell lennie.
2.3.1.4.2.7. A vizsgálat alatt minden leeresztőnyílást le kell zárni.
2.3.1.4.2.8. Az egész vizsgálatot 48 órán belül le kell folytatni. Ha szükséges, minden órában beiktatható egy hűtési időszak.
2.3.1.4.3. Kondicionálás a próbapadon
2.3.1.4.3.1. A kipufogórendszert egy olyan motorra kell szerelni, amely jellemző arra a mopeden használt típusra, amelyre a rendszert szánják, és az egységet a próbapadra kell erősíteni.
2.3.1.4.3.2. A kondicionálás három próbapadi ciklusból áll.
2.3.1.4.3.3. Minden próbapadi ciklust egy legalább 6 órás szünetnek kell követnie a lehűlési és kondenzációs hatások reprodukálása céljából.
2.3.1.4.3.4. Minden próbapadi ciklus hat fázisból áll. Az egyes fázisokban a motor állapotai és az időtartamok a következők:
Fázis | Feltételek | A fázis időtartama (perc) |
1 | Alapjárat | 6 |
2 | 25 % terhelés 75 % F-nél | 40 |
3 | 50 % terhelés 75 % F-nél | 40 |
4 | 100 % terhelés 75 % F-nél | 30 |
5 | 50 % terhelés 100 % F-nél | 12 |
6 | 25 % terhelés 100 % F-nél | 22 |
Összidő: | 2 h 30 min |
2.3.1.4.3.5. E kondicionáló eljárás alatt a gyártó kívánságára a motor és a hangtompító hűthető annak érdekében, hogy a kipufogógáz-kivezetéstől 100 mm-nél nem messzebb lévő pontban mért hőmérséklet ne legyen magasabb annál, mint amely akkor mérhető, amikor a moped a legmagasabb sebességváltó-fokozatban 75 % F fordulatszámon jár. A motor és/vagy a moped fordulatszámát, illetve sebességét ± 3 % pontossággal kell meghatározni.

3. ábra
Vizsgáló berendezés pulzáló kondicionáláshoz
2.3.2. Ábra és jelölések
2.3.2.1. Az 1A. függelékben említett dokumentumhoz a kipufogórendszer méreteit feltüntető ábrát és metszetrajzot kell mellékelni.
2.3.2.2. Az eredeti hangtompítókon fel kell tüntetni legalább:
- az "e" jelzést, majd ezt követően a típusjóváhagyást megadó ország azonosítóját,
- a jármű gyártójának nevét vagy védjegyét,
- a gyártmányt és az alkatrész-azonosító számot.
A jelölés jól olvasható, kitörölhetetlen és az alkatrész beszerelési helyzetében látható legyen.
2.3.2.3. Az eredeti hangtompítórendszerek csomagolásán olvashatóan fel kell tüntetni az "eredeti alkatrész" szavakat, valamint az "e" jelhez kapcsolódó gyártmány- és típusmegjelöléseket, a származási országra utaló jelzéssel együtt.
2.3.3. A szívászajcsökkentő Ha a motort a megengedhető zajszintre vonatkozó előírások teljesítése érdekében levegőszűrővel és/vagy szívászajcsökkentővel kell ellátni, a szűrőt és/vagy szívászajcsökkentőt a hangtompító-rendszer részének kell tekinteni, és azokra is vonatkoznak a 2.3. pont előírásai.
3. KÉTKEREKŰ MOPEDEK NEM EREDETI KIPUFOGÓRENDSZERÉRE VAGY ANNAK ELEMEIRE MINT ÖNÁLLÓ SZERELÉSI EGYSÉGEKRE VONATKOZÓ ALKATRÉSZ-TÍPUSJÓVÁHAGYÁS
Ez a pont egy vagy több meghatározott mopedtípusra nem eredeti cserealkatrészként felszerelhető kipufogórendszereknek vagy azok alkatrészeinek mint önálló szerelési egységeknek az alkatrész-típusjóváhagyására vonatkozik.
3.1. Fogalommeghatározás
3.1.1. A "nem eredeti csere-kipufogórendszer vagy annak alkatrésze": az 1.2. pontban meghatározott bármely olyan kipufogórendszer-alkatrész, amelyet azon típus helyett kívánnak egy mopedre szerelni, amellyel az az 1B. függelékben említett dokumentum kiadása idején volt felszerelve.
3.2. Az alkatrész-típusjóváhagyás kérelmezése
3.2.1. A csere-kipufogórendszerekre vagy azok alkatrészeire mint önálló szerelési egységekre vonatkozó alkatrész-típusjóváhagyási kérelmet a rendszer gyártójának vagy meghatalmazott képviselőjének kell benyújtania.
3.2.2. Minden jóváhagyatni kívánt cserekipufogórendszer-típusra vagy annak alkatrészeire vonatkozóan az alkatrész-típusjóváhagyási kérelemhez három példányos dokumentációt, valamint részletes információkat kell mellékelni az alábbiak szerint:
3.2.2.1. - annak (azoknak) a mopedtípusnak (-típusoknak) az 1.1. pontban említett jellemzők szempontjából való leírása, amely(ek)nél a rendszer(eke)t vagy alkatrész(eke)t alkalmazni kívánják,
- Meg kell adni a motor- és a mopedtípusra jellemző számokat és/vagy jeleket;
3.2.2.2. - a csere-kipufogórendszer leírása minden alkatrésze relatív helyzetének és a szerelési előírásoknak a megadásával;
3.2.2.3. - az egyes alkatrészek helyét és azonosítását lehetővé tévő rajzok és a felhasznált anyagok ismertetése. A rajzokon a kötelező alkatrész-típusjóváhagyási szám részére fenntartott helyet is fel kell tüntetni.
3.2.3. A kérelmezőnek a műszaki szolgálat kívánságára be kell nyújtania a következőket:
3.2.3.1. - az alkatrész-típusjóváhagyásra benyújtott rendszer két mintapéldánya;
3.2.3.2. - a mopedre az 1B. függelékben említett dokumentum kiadásakor felszerelttel azonos kipufogórendszer egy példánya;
3.2.3.3. - egy olyan típust képviselő moped, amelyre a csere-kipufogórendszert kívánják szerelni, olyan állapotban, hogy amennyiben azzal a hangtompítórendszerrel látják el, amellyel eredetileg volt felszerelve, teljesíti az alábbi két pont valamelyike feltételeit:
3.2.3.3.1. ha a 3.2.3.3. pontban említett moped olyan típusú, amelyre a típusjóváhagyást e fejezet rendelkezéseinek megfelelően adták meg:
- a mozgásban végzett vizsgálat alatt 1 dB(A)-nál nem többel lépi túl a 2.1.1. pontban megadott határértéket,
- álló helyzetben végzett vizsgálat alatt 3 dB(A)-nál nem többel lépi túl a moped típusjóváhagyásakor feljegyzett és a gyártó adattábláján feltüntetett értéket;
3.2.3.3.2. ha a 3.2.3.3. pontban említett moped nem olyan típusú, amelyre a típusjóváhagyást e fejezet rendelkezéseinek megfelelően adták meg, 1 dB(A)-nál nem többel lépi túl az adott mopedtípusra az annak első üzembe helyezése idején érvényes határértéket;
3.2.3.4. - egy, a fent említett mopedre szerelttel azonos külön motor, ha azt az illetékes hatóságok szükségesnek tartják.
3.3. Jelölések és feliratok
3.3.1. A nem eredeti kipufogórendszereket és azok alkatrészeit a VI. melléklet előírásainak megfelelően kell megjelölni.
3.4. Alkatrész-típusjóváhagyás
3.4.1. Az e fejezetben előírt vizsgálatok befejeztével az illetékes hatóság kiadja a bizonyítványt, a 2B. függelékben bemutatott minta alapján. A alkatrész-típusjóváhagyási szám előtt egy "e" betűt körülvevő négyszögnek kell állnia, amelyet az alkatrész-típusjóváhagyást megadó vagy megtagadó tagállam megkülönböztető számának vagy betűinek kell követniük. Az alkatrész-típusjóváhagyást elnyert kipufogórendszert olyannak kell tekinteni, mint amely megfelel a 7. fejezet előírásainak.
3.5. Előírások
3.5.1. Általános előírások
A hangtompítórendszer kialakításának, szerkezetének és felszerelésének olyannak kell lennie, hogy:
3.5.1.1. - rendes üzemeltetési körülmények között a moped megfelel e fejezet követelményeinek, különös tekintettel azokra a rázkódásokra, amelyeknek ki lehet téve;
3.5.1.2. - jól áll ellen a korróziós hatásoknak, amelyeknek ki van téve, figyelembe véve a moped rendes üzemeltetési körülményeit;
3.5.1.3. - a földtől való távolság, amely az eredetileg felszerelt hangtompító alatt volt, valamint a jármű bedönthetősége nem csökken;
3.5.1.4. - a hangtompító felülete nem melegszik fel megengedhetetlen mértékben;
3.5.1.5. - külsején nincsenek kiálló részek vagy éles peremek;
3.5.1.6. - a lengéscsillapítók és a felfüggesztő elemek számára elegendő hely áll rendelkezésre;
3.5.1.7. - a csövek számára biztonságosan elegendő hely áll rendelkezésre;
3.5.1.8. - ütésálló olyan módon, amely összeegyeztethető a világosan megfogalmazott karbantartási és felszerelési előírásokkal.
3.5.2. Zajszint-előírások
3.5.2.1. A csere-kipufogórendszerek vagy alkatrészeik akusztikai hatékonyságát a 2.1.2., 2.1.3., 2.1.4. és 2.1.5. pontban leírt módszerekkel kell vizsgálni.
A 3.2.3.3. pontban említett mopedre szerelt csere-kipufogórendszerekkel vagy alkatrészeikkel kapott zajszinteknek az alábbi feltételeket kell teljesíteniük:
3.5.2.1.1. nem léphetik túl az ugyanazon a mopeden az eredeti hangtompítórendszerrel a 3.2.3.3. pont szerint mért értékeket, sem a mozgó, sem az álló járművel végzett vizsgálat során.
3.5.3. A moped teljesítőképességének vizsgálata
3.5.3.1. A csere-kipufogórendszernek biztosítania kell, hogy a moped teljesítőképessége összevethető legyen azzal, amelyet az az eredeti hangtompítórendszerrel vagy annak alkatrészeivel elért.
3.5.3.2. A csere-hangtompítót össze kell hasonlítani egy eredetileg felszerelt hangtompítóval, és új állapotúval is, a kettőt egymást követően felszerelve a 3.2.3.3. pontban említett mopedre.
3.5.3.3. Ezt a vizsgálatot a motor teljesítménygörbéjének kimérésével kell elvégezni. A csere-hangtompítóval mért maximális hasznos teljesítmény és legnagyobb fordulatszám, ugyanolyan körülmények között mérve, nem térhet el ± 5 %-nál többel az eredeti hangtompítóval mért maximális hasznos teljesítménytől és legnagyobb fordulatszámtól.
3.5.4. Kiegészítő rendelkezések szálas anyagot tartalmazó hangtompítókra mint önálló szerkezeti egységekre.
Ezekben a hangtompítókban csak olyan szálas anyagot szabad használni, amelyek teljesítik a 2.3.1. pont követelményeit.
3.5.5. A csere hangtompító rendszerrel felszerelt járművek szennyezőanyag-kibocsátásának értékelése
A 3.2.3.3 pontban említett, típusjóváhagyásra szánt típusú, hangtompítóval felszerelt járművet alá kell vetni az I. típusú és II. típusú vizsgálatnak ezen irányelv vonatkozó mellékletének 5. fejezetében leírt feltételek szerint, a jármű típusjóváhagyásának megfelelően.
A kibocsátásokra vonatkozó követelményeket teljesítettnek kell tekinteni, amennyiben az eredmények megfelelnek a jármű típusjóváhagyása szerinti határértékeknek.
1A. függelék

1B. függelék

2A. függelék

2B. függelék

III. MELLÉKLET
MOTORKERÉKPÁROKRA VONATKOZÓ ELŐÍRÁSOK
1. FOGALOMMEGHATÁROZÁSOK
Ennek a fejezetnek az alkalmazásában:
1.1. "motorkerékpár-típus a zajszint és a kipufogórendszer tekintetében": olyan motorkerékpárok, amelyek nem különböznek egymástól az alábbi lényeges szempontokból:
1.1.1. a motor típusa (két- vagy négyütemű, dugattyús vagy forgódugattyús motor, a hengerek száma és űrtartalma, a porlasztók vagy befecskendező-rendszerek száma és típusa, a szelepek elrendezése, a maximális hasznos teljesítmény és az ahhoz tartozó fordulatszám).
A forgódugattyús motorok űrtartalmának a kamratérfogat kétszeresét kell tekinteni;
1.1.2. az erőátviteli rendszer, különösen a sebességfokozatok száma és áttételi viszonyszáma;
1.1.3. a kipufogórendszerek száma, típusa és elrendezése.
1.2. "kipufogórendszer" vagy "hangtompító": az elemek olyan egész együttese, amelyek egy motorkerékpár motorja és kipufogója által keltett zaj mérsékléséhez szükségesek.
1.2.1. "eredeti kipufogórendszer vagy hangtompító": olyan típusú rendszer, amellyel a jármű a típusjóváhagyás vagy a típusjóváhagyás kiterjesztése idején volt felszerelve. Ez lehet az, amelyet kezdetben szereltek fel, vagy egy már kicserélt elem.
1.2.2. "nem eredeti kipufogórendszer vagy hangtompító": olyan típusú rendszer, amely eltér attól, mint amellyel a jármű a típusjóváhagyás vagy a típusjóváhagyás kiterjesztése idején volt felszerelve. Csak csere-kipufogórendszerként vagy hangtompítóként használható.
1.3. "eltérő típusú kipufogórendszerek": olyan rendszerek, amelyek az alábbi szempontok valamelyike szerint lényegesen különböznek egymástól:
1.3.1. eltérő gyártmányú vagy védjegyű alkatrészeket tartalmazó rendszerek;
1.3.2. olyan rendszerek, amelyek más jellemzőkkel rendelkező anyagokból készült bármely alkatrészt, vagy más alakú vagy méretű elemeket tartalmaznak;
1.3.3. olyan rendszerek, amelyekben legalább egy alkatrész működési elve más;
1.3.4. az alkatrészeket más kombinációkban alkalmazó rendszerek.
1.4. "egy kipufogórendszer alkatrésze": olyan egyedi alkatrészek egyike, amelyek együttesen a kipufogórendszert (mint pl. a kipufogócső-rendszer, maga a hangtompító) és adott esetben, a levegőszívó-rendszert (pl. a levegőszűrő) alkotják.
Ha a motort annak érdekében, hogy a maximálisan megengedhető zajszinteknek megfeleljen, levegőszívó-rendszerrel (levegőszűrő és/vagy a szívászajcsökkentő) is el kell látni, a szűrőt és/vagy a szívászajcsökkentőt ugyanolyan fontosságú alkatrésznek kell tekinteni, mint a kipufogórendszert.
1.5. "hibrid elektromos jármű (HEV)": olyan jármű, amely a mechanikus hajtáshoz a járműben lévő következő két tárolt energiaforrásból kap energiát:
a) fogyó üzemanyag;
b) elektromosenergia-tároló eszköz (pl. akkumulátor, kondenzátor, lendkerék/generátor stb.).
2. EGY MOTORKERÉKPÁR ZAJSZINTJÉRE ÉS EREDETI KIPUFOGÓRENDSZERÉRE MINT ÖNÁLLÓ SZERELÉSI EGYSÉGRE VONATKOZÓ ALKATRÉSZ-TÍPUSJÓVÁHAGYÁS
2.1. A mozgó motorkerékpár zaja (a jármű alkatrész-típusjóváhagyása során alkalmazott mérési körülmények és a vizsgálati módszer).
2.1.1. Határértékek: lásd az I. mellékletet.
2.1.2. A mérőberendezések
2.1.2.1. Akusztikai mérések
A zajszint mérésére használt berendezésnek egy precíziós zajszintmérőnek kell lennie, amely megfelel a Nemzetközi Elektrotechnikai Bizottság (Commission électrotechnique internationale, CEI) "Precíziós zajszintmérők" című 179. sz. kiadványa második kiadásának. A méréseket az ugyancsak e kiadványban leírt "gyors" reagálás alkalmazásával, és "A" kiértékelésű módszer szerint kell végezni.
Minden méréssorozat előtt és után a zajszintmérőt a gyártó utasításai szerint kalibrálni kell egy megfelelő zajforrás (pl. dugattyúmembrán) alkalmazásával.
2.1.2.2. Sebességmérések
A motor fordulatszámát és a motorkerékpár sebességét a próbapályán ± 3 %-os pontossággal kell meghatározni.
2.1.3. A mérési körülmények
2.1.3.1. A motorkerékpár állapota
A mérések alatt a motorkerékpárnak üzemkész állapotban kell lennie (beleértve a hűtőközeget, olajokat, tüzelőanyagot, szerszámokat, pótkereket és a vezetőt).
A mérések megkezdése előtt a motorkerékpárt rendes üzemi hőmérsékletére kell felmelegíteni. Ha a motorkerékpár automatikus működtető-berendezéssel ellátott ventillátorokkal van felszerelve, e rendszer működését a zajmérések során nem szabad akadályozni. Ha egy motorkerékpárnak egynél több hajtott kereke van, csak a rendes országúti üzemmódban működő kereket szabad használni. Ha a motorkerékpár oldalkocsival van felszerelve, a vizsgálatok idejére az oldalkocsit el kell távolítani.
2.1.3.2. A próbaterep
A próbaterepnek egy alapjában véve sík próbaterülettel körülvett középső gyorsító szakaszból kell állnia. A gyorsító szakasznak síknak kell lennie; felületének száraznak és felületi zajának kicsinek.
A próbaterepen a szabad hangtér változásai a gyorsítási szakasz közepén lévő hangforrás és a mikrofon között nem haladhatják meg az 1 dB-t. Ez a feltétel teljesítettnek tekinthető, ha a gyorsítási szakasz közepétől mért 50 méteren belül nincsenek nagy hangvisszaverő tárgyak, mint pl. kerítések, sziklák, hidak vagy épületek. A próbaterep útburkolatának meg kell felelnie a VII. melléklet előírásainak.
A mikrofont semmi sem takarhatja el, ami a hangteret befolyásolhatná, és senki sem állhat a mikrofon és hangforrás közé. A méréseket végző személynek úgy kell elhelyezkednie, hogy ne legyen hatással a mérőberendezésről leolvasható értékekre.
2.1.3.3. Vegyes rendelkezések
A méréseket nem szabad rossz légköri viszonyok között végezni. Ügyelni kell arra, hogy a méréseket széllökések ne befolyásolják.
A mérések során a vizsgálandó járművön kívüli hangforrásból és a széltől származó A-kiértékelésű zajszinteknek legalább 10 dB(A)-val a jármű által keltett zajszint alatt kell lenniük. Alkalmas szélfogót lehet a mikrofonnál elhelyezni, feltéve, hogy figyelembe veszik annak a mikrofon érzékenységére és irányjellemzőire gyakorolt hatását.
Ha a környezeti zaj és a mért zaj különbsége 10 és 16 dB(A) között van, a vizsgálati eredmények számításához megfelelő korrekciós értéket kell levonni a zajszintmérőn leolvasott értékből az alábbi ábra szerint:

2.1.4. A mérési módszer
2.1.4.1. A mérések fajtái és száma
Az A-kiértékelésű decibelben (dB[A]) kifejezett maximális zajszintet kell megmérni, miközben a motorkerékpár áthalad az AA′ és BB′ vonal között (1. ábra). A mérés érvénytelen, ha rendellenes eltérés mutatkozik a csúcsérték és az általános zajszint között.
A motorkerékpár mindkét oldalán legalább két-két mérést kell végezni.
2.1.4.2. A mikrofon elhelyezése
A mikrofont 7,5 ± 0,2 m távolságra kell elhelyezni a pálya CC′ referenciavonalától (1. ábra) és 1,2 ± 0,1 m-re a talajszint fölött.
2.1.4.3. A működési feltételek
A motorkerékpárnak az AA′ vonalat a 2.1.4.3.1. és 2.1.4.3.2. pontban megadott állandó kezdeti sebességgel kell megközelítenie. Amikor a motorkerékpár eleje eléri az AA′ vonalat, a lehető leggyorsabb módon teljes gázt kell adni, és ezt fenn kell tartani addig, amíg a motorkerékpár hátsó vége el nem éri a BB′ vonalat; ekkor a gázadagolót a lehető leggyorsabb módon vissza kell venni alapjáratra.
A motorkerékpárt minden mérés alatt egyenes vonalban kell átvezetni a gyorsító szakaszon, a motorkerékpár hosszanti középsíkját a lehető legközelebb tartva a CC′ vonalhoz.
2.1.4.3.1. Nem-automata sebességváltóval ellátott motorkerékpárok
2.1.4.3.1.1. A megközelítési sebesség
A motorkerékpárnak
- 50 km/h,
- vagy
- az 1A. függelék 3.2.1.7. pontjában említett motorfordulatszám 75 %-ának megfelelő
állandó sebességgel kell megközelítenie az AA′ vonalat.
A kettő közül a kisebbik sebességet kell választani.
2.1.4.3.1.2. A sebességfokozat megválasztása
2.1.4.3.1.2.1. A legfeljebb négy sebességfokozatú sebességváltóval felszerelt motorkerékpárokat, hengerűrtartalmuktól függetlenül, csak a második sebességfokozatban szabad vizsgálni.
2.1.4.3.1.2.2. A legfeljebb 175 cm3 hengerűrtartalmú és öt vagy több sebességfokozatú sebességváltóval felszerelt motorkerékpárokat csak a harmadik sebességfokozatban szabad vizsgálni.
2.1.4.3.1.2.3. A 175 cm3-nél nagyobb hengerűrtartalmú és öt vagy több sebességfokozatú sebességváltóval felszerelt motorkerékpárokat egyszer a második és egyszer a harmadik sebességfokozatban kell vizsgálni. A felhasznált eredmény a két vizsgálat átlaga.
2.1.4.3.1.2.4. Ha a második sebességfokozattal végrehajtott vizsgálat során (lásd a 2.1.4.3.1.2.1. és 2.1.4.3.1.2.3. pontot) a vizsgálati szakasz végét jelző vonal megközelítésekor a motor fordulatszáma meghaladja az 1A. függelék 3.2.1.7. pontjában említett fordulatszám 100 %-át, a vizsgálatot a harmadik sebességfokozatban kell végrehajtani, és egyedül ezt a mért zajszintet kell a vizsgálat eredményének tekinteni.
2.1.4.3.2. Automata sebességváltóval ellátott motorkerékpárok
2.1.4.3.2.1. Kézi kapcsoló nélküli motorkerékpárok
2.1.4.3.2.1.1. A megközelítési sebesség
A motorkerékpárnak az AA′ vonalat 30, 40 és 50 km/h vagy, ha ez a kisebb, a maximális utazási sebesség 75 %-át kitevő állandó sebességgel kell megközelítenie. A legmagasabb zajszintet adó feltételt kell választani.
2.1.4.3.2.2. X előremeneti helyzettel bíró kézi kapcsolóval ellátott motorkerékpárok
2.1.4.3.2.2.1. A megközelítési sebesség
A motorkerékpárnak a következő állandó sebességgel kell megközelítenie az AA′ vonalat:
- 50 km/h-nál kisebb sebességgel, miközben a motor fordulatszáma egyenlő az 1A. függelék 3.2.1.7. pontjában említett motorfordulatszám 75 %-ával,
- vagy
- 50 km/h sebességgel, miközben a motor fordulatszáma kisebb az 1A. függelék 3.2.1.7. pontjában említett motorfordulatszám 75 %-ánál.
Ha 50 km/h állandó sebességgel végzett vizsgálat esetén a sebességváltó visszavált az egyes fokozatba, a visszaváltás elkerülése érdekében a motorkerékpár megközelítési sebessége maximum 60 km/h-ra növelhető.
2.1.4.3.2.2.2. A kézi kapcsoló helyzete
Ha a motorkerékpár X előremeneti helyzettel rendelkező kézi kapcsolóval van ellátva, a vizsgálatot a legmagasabb állásba kapcsolt kapcsolókar mellett kell elvégezni; a visszakapcsolást önkényesen akadályozó szerkezetet (pl. a visszakapcsolásgátló-szerkezetet [kickdown]) nem szabad használni. Ha az AA′ vonal keresztezése után automatikus visszaváltás következik be, a vizsgálatot újra kell kezdeni a második, vagy ha kell, a harmadik legmagasabb állásban, hogy megtalálható legyen a kapcsolókarnak az a legmagasabb állása, amelynél a vizsgálat automatikus visszaváltás nélkül elvégezhető (kickdown használata nélkül).
2.1.4.4. Hibrid járművek esetén a vizsgálatokat kétszer kell elvégezni:
a) A. feltétel: az akkumulátornak maximális töltöttségi szinten kell lennie; ha a jármű több hibrid módban is üzemeltethető, a vizsgálatot a legnagyobb elektromosenergia-fogyasztású hibrid üzemmódban kell végezni;
b) B. feltétel: az akkumulátornak minimális töltöttségi szinten kell lennie; ha a jármű több hibrid módban is üzemeltethető, a vizsgálatot a legnagyobb üzemanyag-fogyasztású hibrid üzemmódban kell végezni.
2.1.5. Az eredmények (vizsgálati jegyzőkönyv)
2.1.5.1. Az 1B. függelékben említett dokumentum kiadása céljából felvett vizsgálati jegyzőkönyvben a mérések eredményeit befolyásoló valamennyi körülményt és hatást fel kell jegyezni.
2.1.5.2. A feljegyzett értékeket a legközelebbi decibelre kell kerekíteni.
Ha a tizedespontot követő szám 0 és 4 közé esik, az összeget lefelé, ha 5 és 9 közé esik, felfelé kell kerekíteni.
Az 1B. függelékben említett dokumentum kiadásához csak olyan méréseket lehet felhasználni, amelyeknek a motorkerékpár azonos oldalán végzett két egymás utáni próba során kapott különbsége nem nagyobb 2 dB(A)-nál.
2.1.5.3. A mérések pontatlanságának figyelembevételére az egyes mérések eredményét a 2.1.5.2. pont szerint megkapott értékből 1 dB(A)-t levonva kell megállapítani.
2.1.5.4. Ha a négy mérési eredmény átlaga nem haladja meg a vizsgált jármű kategóriájára megengedhető maximális szintet, úgy kell tekinteni, hogy a 2.1.1. pontban megadott határértékeket betartották. A vizsgálat eredményét ez az átlagérték képezi.
2.1.5.5. Ha az A. feltétel szerinti négy mérési eredmény átlaga és a B. feltétel szerinti négy mérési eredmény átlaga nem haladja meg a vizsgált jármű kategóriájára megengedhető maximális szintet, úgy kell tekinteni, hogy a 2.1.1. pontban megadott határértékeket betartották.
A vizsgálat eredményét a legmagasabb átlagérték képezi.
2.2. Az álló motorkerékpár zaja (használatban lévő jármű mérési feltételei és vizsgálati módszere)
2.2.1. Hangnyomás-szint a motorkerékpár közvetlen közelében
Használatban lévő motorkerékpárokon végzett későbbi zajvizsgálatok elősegítése érdekében a hangnyomás-szintet az alábbi követelményekkel összhangban a kipufogórendszer kivezetésének (hangtompító) közvetlen közelében is meg kell mérni, és a mérések eredményét fel kell tüntetni az 1B függelékben említett dokumentum kiadásának céljából felvett vizsgálati jegyzőkönyvben.
2.2.2. A mérőberendezések
Egy a 2.1.2.1 pont szerinti precíziós zajszintmérőt kell használni.
2.2.3. A mérési körülmények
2.2.3.1. A motorkerékpár állapota
A mérések megkezdése előtt a motorkerékpár motorját rendes üzemi hőmérsékletére kell felmelegíteni. Ha a motorkerékpár automatikus működtető-berendezéssel ellátott ventillátorokkal van felszerelve, e rendszer működését a zajmérések során nem szabad akadályozni.
A mérések alatt a sebességváltónak semleges helyzetben kell lennie. Ha a sebességváltót nem lehet lekapcsolni, a motorkerékpár hajtókerekét hagyni kell szabadon forogni, például úgy, hogy a járművet a középső kitámasztóra állítják.
2.2.3.2. A próbaterep (2. ábra)
Próbaterepként bármely terület használható, amely mentes a számottevő akusztikai zavaroktól. Megfelelnek a nagy visszaverő-képességű, betonnal, aszfalttal vagy más kemény anyaggal burkolt lapos felületek; ledöngölt földfelületet nem szabad használni. A próbaterepnek egy négyszögnek kell lennie, amelynek oldalai legalább 3 méterre vannak a motorkerékpár külső széleitől (a kormányszarvakat nem számítva). A területen nem lehetnek számottevő akadályok, így például a vezetőn és a mérést végző személyen kívül más nem tartózkodhat a négyszögön belül.
A motorkerékpárt úgy kell elhelyezni a mondott négyszögön belül, hogy a méréshez használt mikrofon legalább 1 méterre legyen a járdaszegélyektől.
2.2.3.3. Vegyes rendelkezések
A külső zajokból és a széltől származó, mérőberendezésen leolvasott értékeknek legalább 10 dB(A)-val a mérendő zajszintek alatt kell lenniük. Alkalmas szélfogót lehet a mikrofonnál elhelyezni, feltéve, hogy figyelembe veszik annak a mikrofon érzékenységére gyakorolt hatását.
2.2.4. A mérési módszer
2.2.4.1. A mérések fajtái és száma
Az A-kiértékelésű decibelben (dB[A])kifejezett maximális zajszintet kell megmérni a 2.2.4.3. pontban meghatározott működési periódus alatt.
Minden mérési pontban legalább három mérést kell végezni.
2.2.4.2. A mikrofon elhelyezése (2. ábra)
A mikrofont a kipufogócső végének a szintjén kell elhelyezni, semmilyen esetben sem lehet a pálya talaja fölött 0,2 méternél alacsonyabban. A mikrofon membránjának a kipufogócső vége felé kell néznie és attól 0,5 méterre kell lennie. A mikrofon maximális érzékenysége tengelyének párhuzamosnak kell lennie a pálya felületével és a kipufogógázok kilépési irányának függőleges síkjával 45 ± 10°-os szöget kell bezárnia.
E függőleges sík tekintetében a mikrofont azon az oldalon kell elhelyezni, ahol a mikrofon és a motorkerékpár körvonala közötti távolság a legnagyobb lehet (a kormányszarvakat nem számítva).
Ha a kipufogórendszernek egynél több, egymástól kevesebb, mint 0,3 méterre lévő középpontú kipufogócső-vége van, a mikrofont a motorkerékpárhoz legközelebb lévő kivezetés felé kell fordítani (a kormányszarvakat nem számítva), vagy a felé a kivezetés felé, amely a legmagasabban van a pályaszint felett. Ha a kivezetések 0,3 méternél távolabb vannak egymástól, mindegyiket külön kell mérni és a legnagyobb észlelt értéket kell a vizsgálat eredményének tekinteni.
2.2.4.3. A működési feltételek
A motor fordulatszámát állandónak kell tartani az alábbi értékek egyikén:
-

ha F nagyobb, mint 5 000 1/min,
-

ha F nem nagyobb, mint 5 000 1/min,
ahol "F" az 1A. függelék 3.2.1.7. pontjában említett fordulatszám.
Az állandó motorfordulatszám elérése után a gázadagolót gyorsan alapjáratra kell állítani. A zajszintet egy rövid idejű állandó fordulatszámú periódusból és a teljes lassulási periódusból álló ciklus alatt kell mérni, vizsgálati eredménynek a mért maximális zajszintet kell tekinteni.
2.2.5. Az eredmények (vizsgálati jegyzőkönyv)
2.2.5.1. Az 1B. függelékben említett dokumentum kiadásának céljából felvett vizsgálati jegyzőkönyvben minden lényeges adatot fel kell jegyezni, de különösen azokat, amelyeket az álló motorkerékpár zajmérésénél használtak.
2.2.5.2. A mérőberendezésről leolvasott értékeket a legközelebbi decibelre kell kerekíteni.
Ha a tizedespontot követő szám 0 és 4 közé esik, az összeget lefelé, ha 5 és 9 közé esik, felfelé kell kerekíteni.
Csak olyan mérési értékeket szabad használni, amelyek három egymást követő vizsgálat során nem különböztek egymástól 2 dB(A)-nál többel.
2.2.5.3. A három érték közül a legnagyobbat kell a mérés eredményének tekinteni.

1. ábra
A mozgó jármű vizsgálata

2. ábra
Az álló jármű vizsgálata
2.3. Eredeti kipufogórendszer (hangtompító)
2.3.1. Elnyelő tulajdonságú rostos anyagokat tartalmazó hangtompítókkal szembeni követelmények
2.3.1.1. Az elnyelő tulajdonságú rostos anyagnak azbesztmentesnek kell lennie és csak akkor szabad hangtompítók gyártásához használni, ha a hangtompító teljes élettartamára biztosan rögzíthető a helyén és teljesíti a 2.3.1.2., 2.3.1.3. vagy 2.3.1.4. pont valamelyikének az előírásait.
2.3.1.2. A rostos anyag eltávolítása után a zajszintnek meg kell felelnie a 2.1.1. pont előírásainak.
2.3.1.3. A rostos elnyelő anyag nem lehet a hangtompító olyan részében, amelyen a kipufogógázok áthaladnak, és meg kell felelnie az alábbi követelményeknek:
2.3.1.3.1. Az anyagot négy órán át kemencében kell hevíteni 650 ± 5 °C hőmérsékleten, anélkül, hogy a szálak átlagos hossza, átmérője vagy testsűrűsége csökkenne;
2.3.1.3.2. Egy órán át, kemencében, 650 ± 5 °C-on történt hevítést követően legalább az anyag 98 %-ának fenn kell maradnia egy, a 3310/1 ISO szabványnak megfelelő 250 μm névleges nyílásméretű szitán, a 2599 ISO szabvány szerint elvégzett vizsgálat után;
2.3.1.3.3. Az anyag súlyvesztesége nem lehet több 10,5 %-nál, miután 24 órán át 90 ± 5 °C hőmérsékleten ázott az alábbi összetételű szintetikus párlatban:
- 1 N bróm-hidrogénsav (HBr): 10 ml,
- 1 N kénsav (H2SO4): 10 ml,
- desztillált vízzel 1 000 ml-re kiegészítve.
Megjegyzés: Az anyagot mérlegelés előtt desztillált vízben ki kell mosni és egy órán át 105 °C hőmérsékleten kell szárítani.
2.3.1.4. A rendszert a 2.1. pont szerinti vizsgálata előtt rendes üzemi állapotra kell hozni az alábbi módszerek valamelyikével:
2.3.1.4.1. Állandó kísérleti feltételek előállítása (kondicionálás) folyamatos közlekedés során
2.3.1.4.1.1. A kondicionálás során az egyes motorkerékpár-kategóriákkal megteendő minimális út az alábbi táblázatban látható:
A motorkerékpár hengerűrtartalom szerinti kategóriája (cm3) | Távolság (km) |
1.≤ 80 | 4 000 |
2.> 80 ≤ 175 | 6 000 |
3.> 175 | 8 000 |
2.3.1.4.1.2. E kondicionáló ciklusnak 50 ± 10 %-át városban kell megtenni és a maradékot hosszú utakon, nagy sebességgel; a folyamatos országúti ciklus egy megfelelő próbapályaprogrammal helyettesíthető.
2.3.1.4.1.3. A kétféle sebességi üzemmódot legalább hatszor kell váltogatni.
2.3.1.4.1.4. A teljes próbaprogramba legalább 10, egyenként legalább 3 órán át tartó szünetet kell beiktatni a lehűlés és kondenzáció hatásainak reprodukálása érdekében.
2.3.1.4.2. Kondicionálás pulzálással
2.3.1.4.2.1. A kipufogórendszert vagy annak alkatrészeit a motorkerékpárra vagy a motorra kell szerelni.
Az első esetben a motorkerékpárt egy lendítőtömeges görgős fékpadra kell szerelni. A második esetben a motort próbapadra kell erősíteni.
A 3. ábrán részletesen bemutatott vizsgáló berendezést a kipufogórendszer kimenetére kell szerelni. Más, azonos eredményt adó berendezés is elfogadható.
2.3.1.4.2.2. A vizsgáló berendezést úgy kell beállítani, hogy egy gyorsműködésű szelep váltogatva 2 500 alkalommal szakítsa meg és állítsa ismét helyre a kipufogógázok áramlását.
2.3.1.4.2.3. A szelepnek akkor kell nyitnia, amikor a kipufogógáz ellennyomása a csatlakozó peremtől áramlásirányban legalább 100 mm-re mérve eléri a 0,35 és 0,40 bar közötti értéket. Ha ez az érték a motor jellemzői miatt nem érhető el, a szelepnek akkor kell nyitnia, amikor a gáz ellennyomása eléri a motor leállása előtt mérhető maximális érték 90 %-át. A szelepnek akkor kell zárnia, amikor a nyomás 10 %-nál nem többel tér el a nyitott szelep mellett mérhető stabilizálódott értéktől.
2.3.1.4.2.4. Az időrelét a 2.3.1.4.2.3. pont előírásai alapján számított időtartamra kell beállítani
2.3.1.4.2.5. A motor fordulatszámának azon (F) fordulatszám 75 %-ának kell lennie, amelynél a motor a maximális teljesítményét fejti ki.
2.3.1.4.2.6. A lendítőtömeges fékpad által jelzett teljesítménynek az (F) motorfordulatszám 75 %-ánál mért teljes töltés mellett kifejtett teljesítmény 50 %-ának kell lennie.
2.3.1.4.2.7. A vizsgálat alatt minden leeresztőnyílást le kell zárni.
2.3.1.4.2.8. Az egész vizsgálatot 48 órán belül le kell folytatni. Ha szükséges, minden órában beiktatható egy hűtési időszak.
2.3.1.4.3. Kondicionálás a próbapadon
2.3.1.4.3.1. A kipufogórendszert egy olyan motorra kell szerelni, amely jellemző az azon a motorkerékpáron használt típusra, amelyre a rendszert szánják, és az egységet a próbapadra kell erősíteni.
2.3.1.4.3.2. A kondicionálás meghatározott számú próbapadi ciklusból áll, annak a motorkerékpárnak a kategóriájától függően, amelyre a kipufogórendszert tervezték. Az egyes motorkerékpár-kategóriákra érvényes ciklusszám a táblázatban látható.
A motorkerékpár hengerűrtartalom szerinti kategóriája (cm3) | A ciklusok száma |
1.≤ 80 | 6 |
2.> 80 ≤ 175 | 9 |
3.> 175 | 12 |
2.3.1.4.3.3. Minden próbapadi ciklust egy legalább 6 órás szünetnek kell követnie a lehűlési és kondenzációs hatások reprodukálása céljából.
2.3.1.4.3.4. Minden próbapadi ciklus hat fázisból áll. Az egyes fázisokban a motor állapota és az időtartamok a következők:
Fázis | Feltételek | A fázis időtartama(perc) | |
175 cm3-nél kisebb motorok | 175 cm3-es és nagyobb motorok | ||
1 | Alapjárat | 6 | 6 |
2 | 25 % terhelés 75 % F-nél | 40 | 50 |
3 | 50 % terhelés 75 % F-nél | 40 | 50 |
4 | 100 % terhelés 75 % F-nél | 30 | 10 |
5 | 50 % terhelés 100 % F-nél | 12 | 12 |
6 | 25 % terhelés 100 % F-nél | 22 | 22 |
Összidő: | 2 h 30 min | 2 h 30 min |
2.3.1.4.3.5. E kondicionáló eljárás alatt a gyártó kívánságára a motor és a hangtompító hűthető annak érdekében, hogy a kipufogógáz-kivezetéstől 100 mm-nél nem messzebb lévő pontban mért hőmérséklet ne legyen magasabb annál, mint amely akkor mérhető, amikor a motorkerékpár a legmagasabb sebességváltó-fokozatban 110 km/h sebességgel vagy 75 % F fordulatszámon jár. A motor és/vagy a motorkerékpár fordulatszámát, illetve sebességét ± 3 % pontossággal kell meghatározni.

3. ábra
Vizsgáló berendezés pulzáló kondicionáláshoz
2.3.2. Ábra és jelölések
2.3.2.1. Az 1A. függelékben említett dokumentumhoz a kipufogórendszer méreteit feltüntető ábrát és metszetrajzot kell mellékelni.
2.3.2.2. Az eredeti hangtompítókon fel kell tüntetni legalább:
- az "e" jelzést, majd ezt követően a típusjóváhagyást megadó ország azonosítóját,
- a jármű gyártójának nevét vagy védjegyét,
- a gyártmányt és az alkatrész-azonosító számot.
A jelölés jól olvasható, kitörölhetetlen és az alkatrész beszerelési helyzetében látható legyen.
2.3.2.3. Az eredeti hangtompítórendszerek csomagolásán olvashatóan fel kell tüntetni az "eredeti alkatrész" szavakat, valamint az "e" jelhez kapcsolódó gyártmány- és típusmegjelöléseket, a származási országra utaló jelzéssel együtt.
2.3.3. A szívászajcsökkentő
Ha a motort a megengedhető zajszintre vonatkozó előírások teljesítése érdekében levegőszűrővel és/vagy szívászajcsökkentővel kell ellátni, a szűrőt és/vagy szívászajcsökkentőt a hangtompítórendszer részének kell tekinteni és azokra is vonatkoznak a 2.3. pont előírásai.
3. EGY MOTORKERÉKPÁR-TÍPUS NEM EREDETI KIPUFOGÓRENDSZERÉRE VAGY ANNAK ELEMEIRE MINT ÖNÁLLÓ SZERELÉSI EGYSÉGEKRE VONATKOZÓ ALKATRÉSZ-TÍPUSJÓVÁHAGYÁS
E pont egy vagy több meghatározott motorkerékpár-típusra nem eredeti cserealkatrészként felszerelhető kipufogórendszereknek vagy azok alkatrészeinek mint önálló szerelési egységeknek az alkatrész-típusjóváhagyására vonatkozik.
3.1. Meghatározás
3.1.1. A "nem eredeti csere-kipufogórendszer vagy annak alkatrésze" az 1.2. pontban meghatározott bármely olyan kipufogórendszer-alkatrész, amelyet azon típus helyett kívánnak egy motorkerékpárra szerelni, amellyel az az 1B. függelékben említett dokumentum kiadása idején volt felszerelve.
3.2. Az alkatrész-típusjóváhagyás kérelmezése
3.2.1. A csere-kipufogórendszerekre vagy azok alkatrészeire mint önálló szerelési egységekre vonatkozó alkatrész-típusjóváhagyási kérelmet a rendszer gyártójának vagy meghatalmazott képviselőjének kell benyújtania.
3.2.2. Minden jóváhagyatni kívánt cserekipufogórendszer-típusra vagy annak alkatrészeire vonatkozóan az alkatrész-típusjóváhagyási kérelemhez három példányos dokumentációt, valamint részletes információt kell mellékelni az alábbiak szerint:
3.2.2.1. - annak (azoknak) a motorkerékpár-típusnak (-típusoknak) az e melléklet 1.1. pontjában említett jellemzők szempontjából való leírása, amely(ek)nél a rendszer(eke)t vagy alkatrész(eke)t alkalmazni kívánják,
- meg kell adni a motor- és a motorkerékpár-típusra jellemző számokat és/vagy jeleket;
3.2.2.2. - a csere-kipufogórendszer leírása minden alkatrész relatív helyzetének és a szerelési előírásoknak a megadásával;
3.2.2.3. - az egyes alkatrészek helyét és azonosítását lehetővé tévő rajzok és a felhasznált anyagok ismertetése. A rajzokon az alkatrész-típusjóváhagyási szám részére kötelezően fenntartott helyet is fel kell tüntetni.
3.2.3. A kérelmezőnek a műszaki hatóság kívánságára be kell nyújtania a következőket:
3.2.3.1. - az alkatrész-típusjóváhagyásra benyújtott rendszer két mintapéldánya;
3.2.3.2. - a motorkerékpárra az 1B. függelékben említett dokumentum kiadásakor felszerelttel azonos kipufogórendszer egy példánya;
3.2.3.3. - egy olyan típust képviselő motorkerékpár, amelyre a csere-kipufogórendszert kívánják szerelni, olyan állapotban, hogy amennyiben azzal a hangtompítórendszerrel látják el, amellyel eredetileg volt felszerelve, teljesíti az alábbi két pont valamelyikének követelményeit:
3.2.3.3.1. ha a 3.2.3.3. pontban említett motorkerékpár olyan típusú, amelyre a típusjóváhagyást e fejezet előírásainak megfelelően adták meg:
- a mozgásban végzett vizsgálat alatt 1 dB(A)-nál nem többel lépi túl a 2.1.1. pontban megadott határértéket,
- álló helyzetben végzett vizsgálat alatt 3 dB(A)-nál nem többel lépi túl a motorkerékpár-típusjóváhagyásakor feljegyzett és a gyártó adattábláján feltüntetett értéket;
3.2.3.3.2. ha a 3.2.3.3. pontban említett motorkerékpár nem olyan típusú, amelyre a típusjóváhagyást e rendelet előírásainak megfelelően adták meg, 1 dB(A)-nál nem többel lépi túl az adott motorkerékpár-típusra az annak első üzembe helyezése idején érvényben volt határértéket;
3.2.3.4. - egy, a fent említett motorkerékpárra szerelttel azonos külön motor, ha ezt az illetékes hatóságok szükségesnek tartják.
3.3. Jelölések és feliratok
3.3.1. A nem eredeti kipufogórendszereket és azok alkatrészeit a VI. melléklet előírásainak megfelelően kell megjelölni.
3.4. Alkatrész-típusjóváhagyás
3.4.1. Az e fejezetben előírt vizsgálatok befejeztével az illetékes hatóság kiad egy, a 2B. függelékben bemutatott mintának megfelelő bizonyítványt. Az alkatrész-típusjóváhagyási szám előtt egy "e" betűt körülvevő négyszögnek kell állnia, amelyet az alkatrész-típusjóváhagyást megadó vagy megtagadó tagállam megkülönböztető számának vagy betűinek kell követniük. Az alkatrész-típusjóváhagyást elnyert kipufogórendszert olyannak kell tekinteni, mint amely megfelel a 7. fejezet előírásainak.
3.5. Előírások
3.5.1. Általános előírások
A hangtompítórendszer kialakításának, szerkezetének és felszerelésének olyannak kell lennie, hogy:
3.5.1.1. - rendes üzemeltetési körülmények között a motorkerékpár megfeleljen e fejezet előírásainak, különös tekintettel azokra a rázkódásokra, amelyeknek ki lehet téve;
3.5.1.2. - jól ellenálljon a korróziós hatásoknak, amelyeknek ki van téve, figyelembe véve a motorkerékpár rendes üzemeltetési körülményeit;
3.5.1.3. - a földtől való távolság, amely az eredetileg felszerelt hangtompító alatt megvolt, és a jármű bedönthetősége ne csökkenjen;
3.5.1.4. - a hangtompító felülete ne melegedjék fel megengedhetetlen mértékben;
3.5.1.5. - külsején ne legyenek kiálló részek vagy éles peremek;
3.5.1.6. - a lengéscsillapítók és a felfüggesztő elemek számára elegendő hely álljon rendelkezésre;
3.5.1.7. - a csövek számára biztonságosan elegendő hely álljon rendelkezésre;
3.5.1.8. - ütésálló legyen olyan módon, amely összeegyeztethető a világosan megfogalmazott karbantartási és felszerelési előírásokkal.
3.5.2. Zajszintelőírások
3.5.2.1. A csere-kipufogórendszerek vagy alkatrészeik akusztikai hatékonyságát a 2.1.2., 2.1.3., 2.1.4. és 2.1.5. pontban leírt módszerekkel kell vizsgálni.
A 3.2.3.3. pontban említett motorkerékpárra szerelt csere-kipufogórendszerekkel vagy alkatrészeikkel kapott zajszinteknek az alábbi feltételeket kell teljesíteniük:
3.5.2.1.1. Nem léphetik túl az ugyanazon a motorkerékpáron az eredeti hangtompítórendszerrel a 3.2.3.3. pont szerint mért értékeket, sem a mozgó, sem az álló járművel végzett vizsgálat során.
3.5.3. A motorkerékpár teljesítőképességének vizsgálata
3.5.3.1. A csere-kipufogórendszernek biztosítania kell, hogy a motorkerékpár teljesítőképessége összevethető legyen azzal, amelyet az az eredeti hangtompítórendszerrel vagy annak alkatrészeivel elért.
3.5.3.2. A csere-hangtompítót össze kell hasonlítani egy eredetileg felszerelt hangtompítóval, új állapotban is, egymást követően felszerelve a 3.2.3.3. pontban említett motorkerékpárra.
3.5.3.3. Ezt a vizsgálatot a motor teljesítménygörbéjének kimérésével kell elvégezni. A csere-hangtompítóval mért maximális hasznos teljesítmény és legnagyobb fordulatszám, ugyanolyan körülmények között mérve, nem térhet el ± 5 %-nál többel az eredeti hangtompítóval mért maximális hasznos teljesítménytől és legnagyobb fordulatszámtól.
3.5.4. Kiegészítő rendelkezések szálas anyagot tartalmazó hangtompítókra mint önálló szerkezeti egységekre.
Ezekben a hangtompítókban csak olyan szálas anyagot szabad használni, amelyek teljesítik a 2.3.1. pont követelményeit.
3.5.5. A csere hangtompító rendszerrel felszerelt járművek szennyezőanyag-kibocsátásának értékelése
A 3.2.3.3 pontban említett, típusjóváhagyásra szánt típusú, hangtompítóval felszerelt járművet alá kell vetni az I. típusú és II. típusú vizsgálatnak ezen irányelv vonatkozó mellékletének 5. fejezetében leírt feltételek szerint, a jármű típusjóváhagyásának megfelelően.
A kibocsátásokra vonatkozó követelményeket teljesítettnek kell tekinteni, amennyiben az eredmények megfelelnek a jármű típusjóváhagyása szerinti határértékeknek.
1A. függelék

1B. függelék
Egy motorkerékpár-típus megengedhető zajszintjére és eredeti kipufogórendszerére (rendszereire) vonatkozó alkatrész-típusbizonyítvány

2A. függelék

2B. függelék

IV. MELLÉKLET
HÁROMKEREKŰ MOPEDEKRE ÉS TRICIKLIKRE VONATKOZÓ ELŐÍRÁSOK
1. FOGALOMMEGHATÁROZÁSOK
Ennek a fejezetnek az alkalmazásában:
1.1. "háromkerekűmoped- vagy triciklitípus a zajszint és a kipufogórendszer tekintetében": olyan háromkerekű mopedek vagy triciklik, amelyek nem különböznek egymástól az alábbi lényeges szempontokból:
1.1.1. a karosszéria alakja vagy anyagai (különösen a motorház és annak zajszigetelése);
1.1.2. a jármű hossza és szélessége;
1.1.3. a motor típusa (szikra- vagy kompressziós gyújtás, két- vagy négyütemű, dugattyús vagy forgódugattyús motor, a hengerek száma és űrtartalma, a porlasztók vagy befecskendező-rendszerek száma és típusa, a szelepek elrendezése, a maximális hasznos teljesítmény és a hozzá tartozó fordulatszám).
A forgódugattyús motorok űrtartalmának a kamratérfogat kétszeresét kell tekinteni;
1.1.4. az erőátviteli rendszer, különösen a sebességfokozatok száma és áttételi viszonyszáma;
1.1.5. a kipufogórendszerek száma, típusa és elrendezése.
1.2. "kipufogórendszer" vagy "hangtompító": olyan elemek egész együttese, amelyek egy háromkerekű moped vagy tricikli motorja és kipufogója által keltett zaj mérsékléséhez szükségesek;
1.2.1. "eredeti kipufogórendszer vagy hangtompító": olyan típusú rendszer, amellyel a jármű a típusjóváhagyás vagy a típusjóváhagyás kiterjesztése idején volt felszerelve. Ez lehet az, amelyet kezdetben szereltek fel, vagy egy már kicserélt elem.
1.2.2. "nem eredeti kipufogórendszer vagy hangtompító": olyan típusú rendszer, amely eltér attól, mint amellyel a jármű a típusjóváhagyás vagy a típusjóváhagyás kiterjesztése idején volt felszerelve. Csak csere-kipufogórendszerként vagy hangtompítóként használható;
1.3. "eltérő típusú kipufogórendszerek": olyan rendszerek, amelyek az alábbi szempontok valamelyike szerint lényegesen különböznek egymástól:
1.3.1. eltérő gyártmányú vagy védjegyű alkatrészeket tartalmazó rendszerek;
1.3.2. olyan rendszerek, amelyek más jellemzőkkel rendelkező anyagokból készült bármely alkatrészt, vagy más alakú vagy méretű elemeket tartalmaznak;
1.3.3. olyan rendszerek, amelyekben legalább egy alkatrész működési elve más;
1.3.4. az alkatrészeket más kombinációkban alkalmazó rendszerek.
1.4. "egy kipufogórendszer alkatrésze": olyan egyedi alkatrészek egyike, amelyek együttesen a kipufogórendszert (mint pl. a kipufogócső-rendszer, maga a hangtompító) és adott esetben, a levegőszívó-rendszert (pl. a levegőszűrő) alkotják.
Ha a motort annak érdekében, hogy a maximálisan megengedhető zajszinteknek megfeleljen, levegőszívó-rendszerrel (levegőszűrő és/vagy a szívászajcsökkentő) is el kell látni, a szűrőt és/vagy a szívászajcsökkentőt ugyanolyan fontosságú alkatrésznek kell tekinteni, mint a kipufogórendszert.
1.5. "hibrid elektromos jármű (HEV)": olyan jármű, amely a mechanikus hajtáshoz a járműben lévő következő két tárolt energiaforrásból kap energiát:
a) fogyó üzemanyag;
b) elektromosenergia-tároló eszköz (pl. akkumulátor, kondenzátor, lendkerék/generátor stb.).
2. EGY HÁROMKEREKŰMOPED- VAGY TRICIKLITÍPUS ZAJSZINTJÉRE ÉS EREDETI KIPUFOGÓRENDSZERÉRE MINT ÖNÁLLÓ SZERELÉSI EGYSÉGRE VONATKOZÓ ALKATRÉSZ-TÍPUSJÓVÁHAGYÁS
2.1. A háromkerekű moped vagy tricikli zaja (a jármű alkatrész-típusjóváhagyása során alkalmazott mérési körülmények és a vizsgálati módszer).
2.1.1. A járművet, motorját és kipufogórendszerét úgy kell megtervezni, legyártani és összeszerelni, hogy a jármű rendes üzemi viszonyok között megfeleljen e fejezet előírásainak, függetlenül azoktól a rázkódásoktól, amelyeknek ki lehet téve.
2.1.2. A kipufogórendszert úgy kell megtervezni, legyártani és összeszerelni, hogy ellenálljon azoknak a korróziós hatásoknak, amelyeknek ki van téve.
2.2. Zajszintelőírások
2.2.1. Határértékek: lásd az I. mellékletet.
2.2.2. A mérőberendezések
2.2.2.1. A zajszint mérésére használt berendezésnek egy precíziós zajszintmérőnek kell lennie, amely megfelel a Commission Internationale Electrotechnique (CIE, Nemzetközi Elektrotechnikai Bizottság) "Precíziós zajszintmérők" című 179. sz. kiadványa második kiadásának. A méréseket az ugyancsak az e kiadványban leírt "gyors" reagálás alkalmazásával és "A" kiértékelésű módszer szerint kell végezni.
Minden méréssorozat előtt és után a zajszintmérőt a gyártó utasításai szerint kalibrálni kell egy megfelelő zajforrás (pl. dugattyúmembrán) alkalmazása segítségével.
2.2.2.2. Sebességmérések
A motor fordulatszámát és a jármű sebességét a próbapályán ± 3 %-os pontossággal kell meghatározni.
2.2.3. A mérési körülmények
2.2.3.1. A jármű állapota
A mérések alatt a járműnek üzemkész állapotban kell lennie (beleértve a hűtőközeget, olajakat, üzemanyagot, szerszámokat, pótkereket és a vezetőt). A mérések megkezdése előtt a motorkerékpárt rendes üzemi hőmérsékletére kell felmelegíteni.
2.2.3.1.1. A méréseket terheletlen járművel és pótkocsi vagy félpótkocsi nélkül kell végrehajtani.
2.2.3.2. A próbaterep
A próbaterepnek egy alapjában véve sík próbaterülettel körülvett középső gyorsító szakaszból kell állnia. A gyorsító szakasznak síknak kell lennie; felületének száraznak és felületi zajának kicsinek.
A próbaterepen a szabad hangtér változásai a gyorsítási szakasz közepén lévő hangforrás és a mikrofon között nem haladhatják meg a ± 1 dB-t. Ez a feltétel teljesítettnek tekinthető, ha a gyorsítási szakasz közepétől mért 50 méteren belül nincsenek nagy hangvisszaverő tárgyak, mint pl. kerítések, sziklák, hidak vagy épületek. A próbaterep útburkolatának meg kell felelnie a VII. melléklet előírásainak.
A mikrofont semmi sem takarhatja el, ami a hangteret befolyásolhatná, és senki sem állhat a mikrofon és hangforrás közé. A méréseket végző személynek úgy kell elhelyezkednie, hogy ne legyen hatással a mérőberendezésről leolvasható értékekre.
2.2.3.3. Vegyes rendelkezések
A méréseket nem szabad rossz légköri viszonyok között végezni. Ügyelni kell arra, hogy a méréseket széllökések ne befolyásolják.
A mérések során a vizsgálandó járművön kívüli hangforrásból és a széltől származó A-kiértékelésű zajszinteknek legalább 10 dB(A)-val a jármű által keltett zajszint alatt kell lenniük. Alkalmas szélfogót lehet a mikrofonnál elhelyezni, feltéve, hogy figyelembe veszik annak a mikrofon érzékenységére és irányjellemzőire gyakorolt hatását.
Ha a környezeti zaj és a mért zaj különbsége 10 és 16 dB(A) között van, a vizsgálati eredmények számításához megfelelő korrekciós értéket kell levonni a zajszintmérőn leolvasott értékből az alábbi ábra szerint:

2.2.4. A mérési módszer
2.2.4.1. A mérések fajtái és száma
Az A-kiértékelésű decibelben (dB[A]) kifejezett maximális zajszintet kell megmérni, miközben a jármű áthalad az AA′ és BB′ vonal között (1. ábra). A mérés érvénytelen, ha rendellenes eltérés mutatkozik a csúcsérték és az általános zajszint között.
A jármű mindkét oldalán legalább két-két mérést kell végezni.
2.2.4.2. A mikrofon elhelyezése
A mikrofont 7,5 ± 0,2 m távolságra kell elhelyezni a pálya CC′ referenciavonalától (1. ábra) és 1,2 ± 0,1 m-re a talajszint fölött.
2.2.4.3. A működési feltételek
A járműnek az AA′ vonalat a 2.2.4.4. pontban megadott állandó kezdeti sebességgel kell megközelítenie. Amikor a háromkerekű moped vagy tricikli eleje eléri az AA′ vonalat, a lehető leggyorsabb módon teljes gázt kell adni, és azt fenn kell tartani addig, amíg a háromkerekű moped vagy tricikli hátsó vége el nem éri a BB′ vonalat; ekkor a gázadagolót a lehető leggyorsabb módon vissza kell venni alapjáratra.
A járművet minden mérés alatt egyenes vonalban kell átvezetni a gyorsító szakaszon, a háromkerekű moped vagy tricikli hosszanti középsíkját a lehető legközelebb tartva a CC′ vonalhoz.
2.2.4.3.1. Két szétválaszthatatlan részből álló, csuklósan összekapcsolt, egy járműnek tekinthető járművek esetében a félpótkocsit nem szabad a BB′ vonalon való áthaladás szempontjából figyelembe venni.
2.2.4.4. Az alkalmazandó állandó sebesség meghatározása
2.2.4.4.1. Sebességváltó nélküli jármű
A jármű állandó sebességének, amellyel meg kell közelítenie az AA′ vonalat, vagy a motor maximális teljesítményéhez tartozó fordulatszám háromnegyedének vagy a regulátor által megengedett maximális motorfordulatszám háromnegyedének kell megfelelnie, vagy 50 km/h-nak kell lennie, amelyik ezek közül a legkisebb.
2.2.4.4.2. Kézi sebességváltóval felszerelt jármű
Ha a jármű két-, három- vagy négyfokozatú sebességváltóval van felszerelve, a második fokozatot kell használni. Négynél több fokozatú sebességváltó esetén a harmadik fokozatot kell használni. Ha ekkor a motor a maximális névleges teljesítményéhez tartozónál nagyobb fordulatszámot ér el, a második vagy harmadik fokozat helyett a következő magasabb fokozatot kell bekapcsolni, hogy a próbapálya BB′ vonalát e teljesítmény túllépése nélkül lehessen elérni. Gyorsító fokozatot ("overdrive") nem szabad használni. Ha a jármű kettős áttételű végfokozattal rendelkezik, a választott áttételnek annak kell lennie, amely a jármű maximális sebességének felel meg. A jármű állandó sebességének, amellyel meg kell közelítenie az AA′ vonalat, vagy a motor maximális teljesítményéhez tartozó fordulatszám háromnegyedének vagy a regulátor által megengedett maximális motorfordulatszám háromnegyedének kell megfelelnie, vagy 50 km/h-nak kell lennie, amelyik ezek közül a kisebb.
2.2.4.4.3. Automata sebességváltóval felszerelt jármű
A járműnek 50 km/h vagy maximális sebessége háromnegyedének megfelelő állandó sebességgel kell megközelítenie az AA′ vonalat, attól függően, hogy melyik kisebb. Ha több előremeneti kapcsolókarhelyzet áll rendelkezésre, azt kell választani, amelyik a legnagyobb átlagos gyorsulást eredményezi az AA′ és BB′ vonal között. A csak fékezéshez, manőverezéshez vagy hasonló lassú mozgásokhoz használt kapcsolókarállást nem szabad használni.
2.2.4.5. Hibrid járművek esetén a vizsgálatokat kétszer kell elvégezni:
a) A. feltétel: az akkumulátornak maximális töltöttségi szinten kell lennie; ha a jármű több hibrid módban is üzemeltethető, a vizsgálatot a legnagyobb elektromosenergia-fogyasztású hibrid üzemmódban kell végezni;
b) B. feltétel: az akkumulátornak minimális töltöttségi szinten kell lennie; ha a jármű több hibrid módban is üzemeltethető, a vizsgálatot a legnagyobb üzemanyag-fogyasztású hibrid üzemmódban kell végezni.
2.2.5. Az eredmények (vizsgálati jegyzőkönyv)
2.2.5.1. Az 1B. függelékben említett dokumentum kiadásának céljából felvett vizsgálati jegyzőkönyvben a mérések eredményeit befolyásoló valamennyi körülményt és hatást fel kell jegyezni.
2.2.5.2. A feljegyzett értékeket a legközelebbi decibelre kell kerekíteni.
Ha a tizedespontot követő szám 0 és 4 közé esik, az összeget lefelé, ha 5 és 9 közé esik, felfelé kell kerekíteni.
Az 1B. függelékben említett dokumentum kiadásához csak olyan méréseket lehet felhasználni, amelyeknek a jármű azonos oldalán végzett két egymás utáni vizsgálat során kapott különbsége nem nagyobb 2 dB(A)-nál.
2.2.5.3. A mérések pontatlanságának figyelembevételére az egyes mérések eredményét a 2.2.5.2. pont szerint megkapott értékből 1 dB(A)-t levonva kell megállapítani.
2.2.5.4. Ha a négy mérési eredmény átlaga nem haladja meg a vizsgált jármű kategóriájára megengedhető maximális szintet, úgy kell tekinteni, hogy a 2.1.1. pontban megadott határértékeket betartották. A vizsgálat eredményét ez az átlagérték képezi.
2.2.5.5. Ha az A. feltétel szerinti négy mérési eredmény átlaga és a B. feltétel szerinti négy mérési eredmény átlaga nem haladja meg a vizsgált jármű kategóriájára megengedhető maximális szintet, úgy kell tekinteni, hogy a 2.2.1. pontban megadott határértékeket betartották.
A vizsgálat eredményét a legmagasabb átlagérték képezi.
2.3. Az álló jármű zajmérése (használatban lévő jármű vizsgálata)
2.3.1. Hangnyomásszint a jármű közvetlen közelében
Használatban lévő járműveken végzendő későbbi zajvizsgálatok elősegítése érdekében a hangnyomásszintet az alábbi követelményekkel összhangban a kipufogórendszer kivezetésének (hangtompító) közvetlen közelében is meg kell mérni, és a mérések eredményét fel kell tüntetni az 1B. függelékben említett dokumentum kiadása céljából felvett vizsgálati jegyzőkönyvben.
2.3.2. A mérőberendezések Egy, a 2.2.2.1. pontnak megfelelő pontosságú precíziós zajszintmérőt kell használni.
2.3.3. A mérési körülmények
2.3.3.1. A jármű állapota
A mérések megkezdése előtt a jármű motorját a rendes üzemi hőmérsékletére kell felmelegíteni. Ha a jármű automatikus működtetőberendezéssel ellátott ventillátorokkal van felszerelve, e rendszer működését a zajmérések során nem szabad akadályozni.
A mérések alatt a sebességváltónak semleges helyzetben kell lennie. Ha a sebességváltót nem lehet lekapcsolni, a moped hajtókerekét hagyni kell szabadon forogni, például úgy, hogy a járművet a középső kitámasztóra állítják.
2.3.3.2. A próbaterep (2. ábra)
Próbaterepként bármely terület használható, amely mentes számottevő akusztikai zavaroktól. Megfelelnek a nagy visszaverő-képességű, betonnal, aszfalttal vagy más kemény anyaggal burkolt lapos felületek; ledöngölt földfelületet nem szabad használni. A próbaterepnek egy négyszögnek kell lennie, amelynek oldalai legalább 3 méterre vannak a jármű külső széleitől (a kormányszarvakat nem számítva). A területen nem lehetnek számottevő akadályok, így például a vezetőn és a mérést végző személyen kívül más nem tartózkodhat a négyszögön belül.
A járművet úgy kell elhelyezni az említett négyszögön belül, hogy a méréshez használt mikrofon legalább 1 méterre legyen a járdaszegélyektől.
2.3.3.3. Vegyes rendelkezések
A külső zajokból és a széltől származó, mérőberendezésen leolvasott értékeknek legalább 10 dB(A)-val a mérendő zajszintek alatt kell lenniük. Alkalmas szélfogót lehet a mikrofonnál elhelyezni, feltéve, hogy figyelembe veszik annak a mikrofon érzékenységére gyakorolt hatását.
2.3.4. A mérési módszer
2.3.4.1. A mérések fajtái és száma
Az A-kiértékelésű decibelben (dB[A]) kifejezett maximális zajszintet kell megmérni a 2.3.4.3. pontban meghatározott működési periódus alatt.
Minden mérési pontban legalább három mérést kell végezni.
2.3.4.2. A mikrofon elhelyezése (2. ábra)
A mikrofont a kipufogócső végének a szintjén kell elhelyezni, semmilyen esetben sem lehet a pálya talaja fölött 0,2 méternél alacsonyabban. A mikrofon membránjának a kipufogócső vége felé kell néznie és attól 0,5 méterre kell lennie. A mikrofon maximális érzékenysége tengelyének párhuzamosnak kell lennie a pálya felületével és a kipufogógázok kilépési irányának függőleges síkjával 45 ± 10°-os szöget kell bezárnia.
E függőleges síkhoz képest a mikrofont azon az oldalon kell elhelyezni, ahol a mikrofon és a moped körvonala közötti távolság a legnagyobb lehet (a kormányszarvakat nem számítva).
Ha a kipufogórendszernek egynél több, egymástól kevesebb, mint 0,3 méterre lévő középpontú kipufogócső-vége van, a mikrofont a mopedhez legközelebb lévő kivezetés felé kell fordítani (a kormányszarvakat nem számítva), vagy a felé a kivezetés felé, amely a legmagasabban van a pályaszint felett. Ha a kivezetések 0,3 méternél távolabb vannak egymástól, mindegyiket külön kell mérni, és a legnagyobb észlelt értéket kell a vizsgálat eredményének tekinteni.
2.3.4.3. A működési feltételek
A motor fordulatszámát állandónak kell tartani az alábbi értékek egyikén:
-

ha F nagyobb, mint 5 000 1/min,
-

ha F nem nagyobb, mint 5 000 1/min,
ahol "F" az 1A. függelék 3.2.1.7. pontjában említett fordulatszám.
Az állandó motorfordulatszám elérése után a gázadagolót gyorsan alapjáratra kell állítani. A zajszintet egy rövid idejű állandó fordulatszámú periódusból és a teljes lassulási periódusból álló ciklus alatt kell mérni, vizsgálati eredménynek a mért maximális zajszintet kell tekinteni.
2.3.5. Az eredmények (vizsgálati jegyzőkönyv)
2.3.5.1. Az 1B. függelékben említett dokumentum kiadásának céljából felvett vizsgálati jegyzőkönyvben minden lényeges adatot fel kell jegyezni, de különösen azokat, amelyeket az álló jármű zajmérésénél használtak.
2.3.5.2. A mérőberendezésről leolvasott értékeket a legközelebbi decibelre kell kerekíteni.
Ha a tizedespontot követő szám 0 és 4 közé esik, az összeget lefelé, ha 5 és 9 közé esik, felfelé kell kerekíteni.
Csak olyan mérési értékeket szabad használni, amelyek három egymást követő vizsgálat során nem különböztek egymástól 2 dB(A)-nál többel.
2.3.5.3. A három érték közül a legnagyobbat kell a mérés eredményének tekinteni.

1. ábra
Helyzetek a mozgó jármű vizsgálatához

2. ábra
Helyzetek az álló jármű vizsgálatához
2.4. Eredeti kipufogórendszer (hangtompító)
2.4.1. Elnyelő tulajdonságú rostos anyagokat tartalmazó hangtompítókkal szembeni követelmények
2.4.1.1. Az elnyelő tulajdonságú rostos anyagnak azbesztmentesnek kell lennie és csak akkor szabad hangtompítók gyártásához használni, ha a hangtompító teljes élettartamára biztosan rögzíthető a helyén és teljesíti a 2.4.1.2., 2.4.1.3. vagy 2.4.1.4. pont valamelyikének az előírásait.
2.4.1.2. A rostos anyag eltávolítása után a zajszintnek meg kell felelnie a 2.1.1. pont előírásainak.
2.4.1.3. A rostos elnyelő anyag nem lehet a hangtompítónak olyan részében, amelyen a kipufogógázok áthaladnak, és meg kell felelnie az alábbi követelményeknek:
2.4.1.3.1. az anyagot négy órán át kemencében kell hevíteni 650 ± 5 °C hőmérsékleten anélkül, hogy a szálak átlagos hossza, átmérője vagy testsűrűsége csökkenne;
2.4.1.3.2. egy órán át, kemencében, 650 ± 5 °C-on történt hevítést követően legalább az anyag 98 %-ának fenn kell maradnia egy, a 3310/1 ISO szabványnak megfelelő 250 μm névleges nyílásméretű szitán, a 2599 ISO szabvány szerint elvégzett vizsgálat után;
2.4.1.3.3. az anyag súlyvesztesége nem lehet több 10,5 %-nál, miután 24 órán át 90 ± 5 °C hőmérsékleten ázott az alábbi összetételű szintetikus párlatban:
- 1 N bróm-hidrogénsav (HBr): 10 ml
- 1 N kénsav (H2SO4) ): 10 ml
- desztillált vízzel 1 000 ml-re kiegészítve.
Megjegyzés: Az anyagot mérlegelés előtt desztillált vízben ki kell mosni és egy órán át 105 °C hőmérsékleten kell szárítani.
2.4.1.4. A rendszert a 2.1. pont szerinti vizsgálata előtt rendes üzemi állapotra kell hozni az alábbi módszerek valamelyikével:
2.4.1.4.1. Állandó kísérleti feltételek előállítása (kondicionálás) folyamatos közlekedés során
2.4.1.4.1.1. A kondicionálás során az egyes jármű-kategóriákkal megteendő minimális út az alábbi táblázatban látható:
A jármű hengerűrtartalom szerinti kategóriája (cm3) | Távolság (km) |
1.≤ 250 | 4 000 |
2.> 250 ≤ 500 | 6 000 |
3.> 500 | 8 000 |
2.4.1.4.1.2. E kondicionáló ciklusnak 50 ± 10 %-át városban kell megtenni és a maradékot hosszú utakon, nagy sebességgel; a folyamatos országúti ciklus egy megfelelő próbapályaprogrammal helyettesíthető.
2.4.1.4.1.3. A kétféle sebességi üzemmódot legalább hatszor kell váltogatni.
2.4.1.4.1.4. A teljes próbaprogramba legalább 10, egyenként legalább 3 órán át tartó szünetet kell beiktatni a lehűlés és kondenzáció hatásainak reprodukálása érdekében.
2.4.1.4.2. Kondicionálás pulzálással
2.4.1.4.2.1. A kipufogórendszert vagy annak alkatrészeit a járműre vagy a motorra kell szerelni.
Az első esetben a motorkerékpárt egy lendítőtömeges görgős fékpadra kell szerelni. A második esetben a motort próbapadra kell erősíteni.
A 3. ábrán részletesen bemutatott vizsgáló berendezést a kipufogórendszer kimenetére kell szerelni. Más, azonos eredményt adó berendezés is elfogadható.
2.4.1.4.2.2. A vizsgáló berendezést úgy kell beállítani, hogy egy gyorsműködésű szelep váltogatva 2 500 alkalommal szakítsa meg és állítsa ismét helyre a kipufogógázok áramlását.
2.4.1.4.2.3. A szelepnek akkor kell nyitnia, amikor a kipufogógáz ellennyomása a csatlakozó peremtől áramlásirányban legalább 100 mm-re mérve eléri a 0,35 és 0,40 bar közötti értéket. Ha ez az érték a motor jellemzői miatt nem érhető el, a szelepnek akkor kell nyitnia, amikor a gáz ellennyomása eléri a motor leállása előtt mérhető maximális érték 90 %-át. A szelepnek akkor kell zárnia, amikor a nyomás 10 %-nál nem többel tér el a nyitott szelep mellett mérhető stabilizálódott értéktől.
2.4.1.4.2.4. Az időrelét a 2.4.1.4.2.3. pont előírásai alapján számított időtartamra kell beállítani.
2.4.1.4.2.5. A motor fordulatszámának azon (F) fordulatszám 75 %-ának kell lennie, amelynél a motor a maximális teljesítményét fejti ki.
2.4.1.4.2.6. A lendítőtömeges fékpad által jelzett teljesítménynek az (F) motorfordulatszám 75 %-ánál mért teljes töltés mellett kifejtett teljesítmény 50 %-ának kell lennie.
2.4.1.4.2.7. A vizsgálat alatt minden leeresztőnyílást le kell zárni.
2.4.1.4.2.8. Az egész vizsgálatot 48 órán belül le kell folytatni. Ha szükséges, minden órában beiktatható egy hűtési időszak.
2.4.1.4.3. Kondicionálás a próbapadon
2.4.1.4.3.1. A kipufogórendszert egy olyan motorra kell szerelni, amely jellemző arra a járművön használt típusra, amelyre a rendszert szánják, és az egységet a próbapadra kell erősíteni.
2.4.1.4.3.2. A kondicionálás meghatározott számú próbapadi ciklusból áll, annak a járműnek a kategóriájától függően, amelyre a kipufogórendszert tervezték. Az egyes jármű-kategóriákra érvényes ciklusszám a táblázatban látható.
A jármű hengerűrtartalom szerinti kategóriája (cm3) | A ciklusok száma |
1.≤ 250 | 6 |
2.> 250 ≤ 500 | 9 |
3.> 500 | 12 |
2.4.1.4.3.3. Minden próbapadi ciklust egy legalább 6 órás szünetnek kell követnie a lehűlési és kondenzációs hatások reprodukálása céljából.
2.4.1.4.3.4. Minden próbapadi ciklus hat fázisból áll. Az egyes fázisokban a motor állapota és az időtartamok a következők:
Fázis | Feltételek | A fázis időtartama (perc) | |
250 cm3-nél kisebb motorok | 250 cm3-es és nagyobb motorok | ||
1 | Alapjárat | 6 | 6 |
2 | 25 % terhelés 75 % F-nél | 40 | 50 |
3 | 50 % terhelés 75 % F-nél | 40 | 50 |
4 | 100 % terhelés 75 % F-nél | 30 | 10 |
5 | 50 % terhelés 100 % F-nél | 12 | 12 |
6 | 25 % terhelés 100 % F-nél | 22 | 22 |
Összidő: | 2 h 30 min | 2 h 30 min |
2.4.1.4.3.5. E kondicionáló eljárás alatt a gyártó kívánságára a motor és a hangtompító hűthető annak érdekében, hogy a kipufogógáz-kivezetéstől 100 mm-nél nem messzebb lévő pontban mért hőmérséklet ne legyen magasabb annál, mint amely akkor mérhető, amikor a jármű a legmagasabb sebességváltó-fokozatban 110 km/h sebességgel vagy 75 % F fordulatszámon jár. A motor és/vagy a háromkerekű moped vagy tricikli fordulatszámát, illetve sebességét ± 3 % pontossággal kell meghatározni.

3. ábra
Vizsgáló berendezés pulzáló kondicionáláshoz
2.4.2. Ábra és jelölések
2.4.2.1. Az 1A. függelékben említett dokumentumhoz a kipufogórendszer méreteit feltüntető ábrát és metszetrajzot kell mellékelni.
2.4.2.2. Az eredeti hangtompítókon fel kell tüntetni legalább:
- az "e" jelzést, majd ezt követően a típusjóváhagyást megadó ország azonosítóját,
- a jármű gyártójának nevét vagy védjegyét,
- a gyártmányt és az alkatrész-azonosító számot.
A jelölés jól olvasható, kitörölhetetlen és az alkatrész beszerelési helyzetében látható legyen.
2.4.2.3. Az eredeti hangtompítórendszerek csomagolásán olvashatóan fel kell tüntetni az "eredeti alkatrész" szavakat, valamint az "e" jelhez kapcsolódó gyártmány- és típusmegjelöléseket, a származási országra utaló jelzéssel együtt.
2.4.3. A szívászajcsökkentő
Ha a motort a megengedhető zajszintre vonatkozó előírások teljesítése érdekében levegőszűrővel és/vagy szívászajcsökkentővel kell ellátni, a szűrőt és/vagy szívászajcsökkentőt a hangtompítórendszer részének kell tekinteni és azokra is vonatkoznak a 2.4. pont előírásai.
3. EGY HÁROMKEREKŰMOPED-TÍPUS VAGY TRICIKLITÍPUS NEM EREDETI KIPUFOGÓRENDSZERÉRE VAGY ANNAK ELEMEIRE MINT ÖNÁLLÓ SZERELÉSI EGYSÉGEKRE VONATKOZÓ ALKATRÉSZ-TÍPUSJÓVÁHAGYÁS
Ez a pont egy vagy több, meghatározott háromkerekűmoped-típusra vagy triciklitípusra nem eredeti cserealkatrészként felszerelhető kipufogórendszereknek vagy azok alkatrészeinek mint önálló szerelési egységeknek az alkatrész-típusjóváhagyására vonatkozik.
3.1. Fogalommeghatározás
3.1.1. A "nem eredeti csere-kipufogórendszer vagy annak alkatrésze": az 1.2. pontban meghatározott bármely olyan kipufogórendszer-alkatrész, amelyet azon típus helyett kívánnak egy háromkerekű mopedre vagy triciklire szerelni, amellyel az az 1B. függelékben említett dokumentum kiadása idején volt felszerelve.
3.2. Az alkatrész-típusjóváhagyás kérelmezése
3.2.1. A csere-kipufogórendszerekre vagy azok alkatrészeire mint önálló szerelési egységekre vonatkozó alkatrész-típusjóváhagyási kérelmet a rendszer gyártójának vagy meghatalmazott képviselőjének kell benyújtania.
3.2.2. Minden jóváhagyatni kívánt cserekipufogórendszer-típusra vagy annak alkatrészeire vonatkozóan az alkatrész-típusjóváhagyási kérelemhez három példányos dokumentációt, valamint részletes információt kell mellékelni az alábbiak szerint:
3.2.2.1. - annak (azoknak) a járműtípusnak (-típusoknak) az e melléklet 1.1. pontjában említett jellemzők szempontjából való leírása, amely(ek)nél a rendszer(eke)t vagy alkatrész(eke)t alkalmazni kívánják,
- meg kell adni a motor- és járműtípusra jellemző számokat és/vagy jeleket;
3.2.2.2. - a csere-kipufogórendszer leírása minden alkatrész relatív helyzetének és a szerelési előírásoknak a megadásával;
3.2.2.3. - az egyes alkatrészek helyét és azonosítását lehetővé tévő rajzok és a felhasznált anyagok ismertetése. A rajzokon a kötelező alkatrész-típusjóváhagyási szám részére fenntartott helyet is fel kell tüntetni.
3.2.3. A kérelmezőnek a műszaki szolgálat kívánságára be kell nyújtania a következőket:
3.2.3.1. - az alkatrész-típusjóváhagyásra benyújtott rendszer két mintapéldánya;
3.2.3.2. - a járműre az 1B. függelékben említett dokumentum kiadásakor felszerelttel azonos kipufogórendszer egy példánya;
3.2.3.3. - egy olyan típust képviselő jármű, amelyre a csere-kipufogórendszert kívánják szerelni, olyan állapotban, hogy amennyiben azzal a hangtompítórendszerrel látják el, amellyel eredetileg volt felszerelve, teljesíti a következő két alpont valamelyikének előírásait:
3.2.3.3.1. ha a 3.2.3.3. pontban említett jármű olyan típusú, amelyre a típusjóváhagyást e fejezet rendelkezéseinek megfelelően adták meg:
- a mozgásban végzett vizsgálat során 1 dB(A)-nál nem többel lépi túl a 2.2.1.3. pontban megadott határértéket,
- álló helyzetben végzett vizsgálat során 3 dB(A)-nál nem többel lépi túl a gyártó adattábláján feltüntetett értéket;
3.2.3.3.2. ha a 3.2.3.3. pontban említett jármű nem olyan típusú, amelyre a típusjóváhagyást e rendelet rendelkezéseinek megfelelően adták meg, 1 dB(A)-nál nem többel lépi túl az adott járműtípusra annak első üzembe helyezése idején érvényben volt határértéket;
3.2.3.4. - egy, a fent említett háromkerekű mopedre vagy triciklire szerelttel azonos külön motor, ha azt az illetékes hatóságok szükségesnek tartják.
3.3. Jelölések és feliratok
3.3.1. A nem eredeti kipufogórendszereket és azok alkatrészeit a VI. melléklet előírásainak megfelelően kell megjelölni.
3.4. Alkatrész-típusjóváhagyás
3.4.1. Az e fejezetben előírt vizsgálatok befejeztével az illetékes hatóság kiad egy, a 2B. függelékben bemutatott mintának megfelelő bizonyítványt. Az alkatrész-típusjóváhagyási szám előtt egy "e" betűt körülvevő négyszögnek kell állnia, amelyet az alkatrész-típusjóváhagyást megadó vagy megtagadó tagállam megkülönböztető számának vagy betűinek kell követniük.
3.5. Előírások
3.5.1. Általános előírások
A hangtompítórendszer kialakításának, szerkezetének és felszerelésének olyannak kell lennie, hogy:
3.5.1.1. - rendes üzemeltetési körülmények között a jármű feleljen meg e fejezet előírásainak, különös tekintettel azokra a rázkódásokra, amelyeknek ki lehet téve;
3.5.1.2. - jól ellen kell állnia a korróziós hatásoknak, amelyeknek ki van téve, figyelembe véve a jármű rendes üzemeltetési körülményeit;
3.5.1.3. - a földtől való távolság, amely az eredetileg felszerelt hangtompító alatt megvolt, és a jármű bedönthetősége nem csökkenhet;
3.5.1.4. - a hangtompító felülete nem melegedhet fel megengedhetetlen mértékben;
3.5.1.5. - külsején nem lehetnek kiálló részek vagy éles peremek;
3.5.1.6. - a lengéscsillapítók és a felfüggesztő elemek számára elegendő helynek kell rendelkezésre állnia;
3.5.1.7. - a csövek számára biztonságosan elegendő helynek kell rendelkezésre állnia;
3.5.1.8. - ütésállónak kell lennie olyan módon, amely összeegyeztethető a világosan megfogalmazott karbantartási és felszerelési követelményekkel.
3.5.2. Zajszintelőírások
3.5.2.1. A csere-kipufogórendszerek vagy alkatrészeik akusztikai hatékonyságát a 2.3., 2.4., 2.5. és 2.6. pontban leírt módszerekkel kell vizsgálni.
Az e melléklet 3.2.3.3. pontjában említett járműre szerelt csere-kipufogórendszerekkel vagy alkatrészeikkel kapott zajszinteknek az alábbi feltételeket kell teljesíteniük:
3.5.2.1.1. nem léphetik túl az ugyanazon a járművön az eredeti hangtompítórendszerrel a 3.2.3.3. pont szerint mért értékeket, sem a mozgó, sem az álló járművel végzett vizsgálat során.
3.5.3. A jármű teljesítőképességének vizsgálata
3.5.3.1. A csere-kipufogórendszernek biztosítania kell, hogy a jármű teljesítőképessége összevethető legyen azzal, amelyet az az eredeti hangtompítórendszerrel vagy annak alkatrészeivel elért.
3.5.3.2. A csere-hangtompítót össze kell hasonlítani egy eredetileg felszerelt hangtompítóval, új állapotban is, egymást követően felszerelve a 3.2.3.3. pontban említett járműre.
3.5.3.3. Ezt a vizsgálatot a motor teljesítménygörbéjének kimérésével kell elvégezni. A csere-hangtompítóval mért maximális hasznos teljesítmény és legnagyobb fordulatszám, ugyanolyan körülmények között mérve, nem térhet el ± 5 %-nál többel az eredeti hangtompítóval mért maximális hasznos teljesítménytől és legnagyobb fordulatszámtól.
3.5.4. Kiegészítő rendelkezések szálas anyagot tartalmazó hangtompítókra mint önálló szerkezeti egységekre.
Ezekben a hangtompítókban csak olyan szálas anyagot szabad használni, amelyek teljesítik a 2.4.1. pont követelményeit.
3.5.5. A csere hangtompító rendszerrel felszerelt járművek szennyezőanyag-kibocsátásának értékelése
A 3.2.3.3 pontban említett, típusjóváhagyásra szánt típusú, hangtompítóval felszerelt járművet alá kell vetni az I. típusú és II. típusú vizsgálatnak ezen irányelv vonatkozó mellékletének 5. fejezetében leírt feltételek szerint, a jármű típusjóváhagyásának megfelelően.
A kibocsátásokra vonatkozó követelményeket teljesítettnek kell tekinteni, amennyiben az eredmények megfelelnek a jármű típusjóváhagyása szerinti határértékeknek.
1A. függelék

1B. függelék

2A. függelék

2B. függelék

V. MELLÉKLET
GYÁRTÁSAZONOSSÁGI KÖVETELMÉNYEK
1. A JÁRMŰ AZONOSSÁGA
Minden legyártott járműnek meg kell egyeznie egy, az e fejezet értelmében jóváhagyott járműtípussal, azzal a hangtompítóval kell ellátottnak lennie, amellyel a típust jóváhagyták és teljesítenie kell a szóban forgó járműtípusra vonatkozó melléklet 2. pontjának követelményeit.
A fenti előírás szerinti azonosság vizsgálata érdekében egy mintajárművet vesznek le az e fejezet értelmében jóváhagyott típus gyártósoráról. A gyártás akkor tekinthető olyannak, mint amely megfelel e fejezet rendelkezéseinek, ha az egyes mellékletek 2.1. pontjában leírt módszerrel megmért zajszint 3 dB(A)-nál nem többel lépi csak túl a típusjóváhagyás alkalmával mért értéket és 1 dB(A)-nál nem többel az e fejezetben előírt határértékeket.
2. A NEM EREDETI CSERE-KIPUFOGÓRENDSZER AZONOSSÁGA
Minden legyártott kipufogórendszernek meg kell egyeznie egy, az e fejezet értelmében jóváhagyott típussal és teljesítenie kell az azon járműtípusra vonatkozó melléklet 3. pontjának követelményeit, amelyen a rendszert használni kívánják.
A fenti előírás szerinti azonosság vizsgálata érdekében egy minta-kipufogórendszert vesznek le az e fejezet értelmében jóváhagyott típus gyártósoráról.
A gyártás akkor tekinthető olyannak, mint amely megfelel e fejezet rendelkezéseinek, ha teljesítik az egyes mellékletek 3.5.2. és 3.5.3. pontjának követelményeit, és ha az egyes mellékletek 2.1. pontjában leírt módszerrel megmért zajszint 3 dB(A)-nál nem többel lépi csak túl a típusjóváhagyás alkalmával mért értéket és 1 dB(A)-nál nem többel az e fejezetben előírt határértékeket.
VI. MELLÉKLET
JELÖLÉSI KÖVETELMÉNYEK
1. A nem eredeti kipufogórendszereken vagy alkatrészeiken (a szerelési anyagok és csövek kivételével) az alábbiakat kell feltüntetni:
1.1. a kipufogórendszer és alkatrészei gyártójának márka- vagy kereskedelmi neve,
1.2. a gyártó által adott márkanév,
1.3. a 2002/24/EK irányelv 8. cikke követelményeinek megfelelően kialakított és elhelyezett típus-jóváhagyási jel, amely a jelen melléklet 6. szakaszában hivatkozott további információkkal egészül ki. Az "a" méretnek legalább 3 mm-nek kell lennie.
2. Az 1.1. és 1.3. pontban említett jelöléseknek és az 1.2. pontban említett névnek eltávolíthatatlannak és jól olvashatónak kell lennie még a kipufogórendszer járműre erősített állapotában is.
3. Egy alkatrészen több típusjóváhagyási szám is lehet, ha több csere-kipufogórendszer alkatrészeként is jóváhagyták.
4. A csere-kipufogórendszert csomagolással vagy címkével kell ellátni, amely az alábbiakról tájékoztat:
4.1. - a csere-kipufogórendszer és alkatrészei gyártójának márka- vagy kereskedelmi neve,
4.2. - a gyártónak vagy a gyártó meghatalmazott képviselőjének a címe,
4.3. - azoknak a motorkerékpár-modelleknek a jegyzéke, amelyekre a csere-hangtompító felszerelhető.
5. A gyártónak az alábbiakat kell szolgáltatnia:
5.1. - a motorkerékpárra szerelés helyes módját leíró részletes tájékoztató,
5.2. - a hangtompító karbantartására vonatkozó tájékoztató,
5.3. - az alkatrészek jegyzéke a megfelelő alkatrész-számokkal együtt, a szerelési anyagok kivételével.
6. A TÍPUS-JÓVÁHAGYÁSI JELBEN SZEREPLŐ TOVÁBBI INFORMÁCIÓK
6.1. A nem eredeti kipufogórendszereken vagy alkatrészeiken - a szerelési anyagok és a csövek kivételével - a típus-jóváhagyási jelben fel kell tüntetni annak a fejezetnek vagy azoknak a fejezeteknek a számát, amelyek alapján a típusjóváhagyást megadták, a 6.1.3. szakaszban leírtak kivételével.
6.1.1. Nem eredeti kipufogórendszer, amely mind a hangtompítót, mind a katalizátort magában foglaló egyetlen részből áll
Az 1.3. szakaszban említett típus-jóváhagyási jelet egy bekarikázott 5-ös és egy bekarikázott 9-es számnak kell követnie.
6.1.2. A katalizátortól elkülönített nem eredeti kipufogórendszer
A hangtompítón elhelyezett, az 1.3. szakaszban említett típus-jóváhagyási jelet egy bekarikázott 9-es számnak kell követnie.
6.1.3. Egyetlen részből (hangtompítóból) álló nem eredeti kipufogórendszer olyan járművekhez, amelyek nem rendelkeznek az 5. fejezet szerinti típusjóváhagyással
Az 1.3. szakaszban említett, hangtompítóra erősített típus-jóváhagyási jelet nem követhetik más információk.
Típus-jóváhagyási jelekre példák a függelékben találhatók.
Függelék
Példák típusjóváhagyás jelölésére

A fent bemutatott típus-jóváhagyási jelet Franciaország adta ki [e2] a 6789 szám alatt egy olyan nem eredeti kipufogórendszerhez, amely egyetlen részből áll, és magában foglalja mind a hangtompítót, mind pedig a katalizátort.

A fent bemutatott típus-jóváhagyási jelet Franciaország adta ki [e2] a 6789 szám alatt egy olyan nem eredeti kipufogórendszerhez, amely nem tartalmaz beépített katalizátort (a katalizátor és a hangtompító nem egyetlen integrált alkotóelem, vagy a jármű nincs felszerelve katalizátorral).

A fent bemutatott típus-jóváhagyási jelet Franciaország adta ki [e2] a 6789 szám alatt egy olyan cserekatalizátorhoz, amely nincs beépítve a kipufogórendszerbe (a katalizátor és a hangtompító nem egyetlen integrált alkotóelem) (lásd az 5. fejezetet).

A fent bemutatott típus-jóváhagyási jelet Franciaország adta ki [e2] a 6789 szám alatt egy olyan nem eredeti kipufogórendszerhez, amely egyetlen részből (hangtompítóból) áll, és olyan járművekre történő felszerelésre szánták, amelyek nem rendelkeznek az 5. fejezet szerinti típusjóváhagyással.
VII. MELLÉKLET
A PRÓBAPÁLYÁKRA VONATKOZÓ ELŐÍRÁSOK
Ez a melléklet előírásokat tartalmaz az útburkolatok fizikai jellemzőire és a próbapálya burkolatának kialakítására vonatkozóan.
1. AZ ELŐÍRT FELÜLETI JELLEMZŐK
Az útfelület akkor tekinthető úgy, mint amely megfelel ennek az irányelvnek, ha textúráját és hézagtartalmát vagy hangelnyelési tényezőjét megmérték és úgy találták, hogy azok teljesítik az 1.1.-1.4. pontban megadott követelményeket, valamint ha a kialakításra vonatkozó követelményeket (2.2. pont) is teljesítették.
1.1. A maradék hézagtartalom
A próbapálya burkolatát alkotó keverék Vc maradék hézagtartalma nem lehet 8 %-nál nagyobb. A mérési eljárást lásd a 3.1. pontban.
1.2. A hangelnyelési tényező
Ha a felület nem teljesíti a maradék hézagtartalomra vonatkozó követelményeket, a felület csak akkor fogadható el, ha hangelnyelési tényezője α ≤ 0,10. A mérési eljárást lásd a 3.2. pontban.
Az 1.1. és 1.2. pont követelményeit akkor is teljesítettnek kell tekinteni, ha csak a hangelnyelést mérték meg és az α ≤ 0,10 volt.
1.3. A textúra mélysége
A textúra mélységének (TD) volumetrikus módszerrel mérve (lásd a 3.3. pontot) TD ≥ 0,4 mm-nek kell lennie.
TD ≥ 0,4 mm-nek kell lennie.
1.4. A felület homogenitása
Mindent el kell követni annak biztosítására, hogy a felület a próbaterületen a lehető leghomogénebb legyen. Ez vonatkozik a textúrára és a hézagtartalomra, de arra is ügyelni kell, hogy ha a gördülési folyamat az egyik helyen simább, mint a másikon, a textúra különbözhet, vagy zökkenőket okozó egyenetlenségek is előfordulhatnak.
1.5. A vizsgálati időszak
Annak ellenőrzésére, hogy a felület később is megfelel-e textúrájában és hézagtartalmában vagy a hangelnyelési követelmények tekintetében az e szabványban előírt követelményeknek, a felületet az alábbi időközönként rendszeresen ellenőrizni kell:
a) maradék hézagtartalom és hangelnyelés szempontjából:
- amikor a felület új,
- ha a felület új korában megfelel a követelményeknek, további időszakos ellenőrzésre nincs szükség;
b) a textúra mélysége (TD) szempontjából:
- amikor a felület új,
- a zajvizsgálat kezdetén (megjegyzés: legkorábban a lerakás után négy héttel),
- ez után 12 hónaponként.
2. A PRÓBAFELÜLET KIALAKÍTÁSA
2.1. A terület
A próbapálya megtervezése során, minimumkövetelményként, fontos annak biztosítása, hogy az a terület, amelyet a vizsgálati szakaszon áthaladó járművek használnak, a megadott anyaggal legyen burkolva, olyan terjedelemben, amely lehetővé teszi a biztonságos és gyakorlati követelményeknek megfelelő vezetést. Ehhez az szükséges, hogy a pálya legalább 3 méter széles legyen, és hossza az AA és BB vonalon túl legalább 10-10 méter legyen. Az 1. ábra egy megfelelő próbaterület-elrendezést mutat be és feltünteti az a minimális terület, amelyet gépi úton kell burkolni és tömöríteni, a megadott próbafelület-anyaggal.

1. ábra
A próbaterületre vonatkozó minimumkövetelmények
2.2. A felület tervezési követelményei
A próbafelületnek az alábbi tervezési követelményeket kell teljesítenie:
1. tömör aszfaltbetonnak kell lennie;
2. a maximális szemcsenagyság 8 mm lehet (a tűrés 6,3 mm és 10 mm között lehet);
3. a kopóréteg vastagságának ≥ 30 mm-nek kell lennie;
4. a kötőanyagnak (binder) közvetlen behatolású módosítatlan bitumennek kell lennie.
A próbafelület tervezőjének útmutatást nyújthat a 2. ábrán látható, a kívánt jellemzőket biztosító adalékanyag-osztályozási görbe. Emellett a 3. táblázat néhány iránymutatást tartalmaz, amelyek figyelembevétele lehetővé teszi a kívánt textúra és tartósság elérését. Az osztályozási görbe az alábbi képletnek felel meg:
P (%) = 100 (d/dmax)1/2
ahol
d = négyzetes szitaszemméret, mm-ben
dmax = 8 mm a főgörbénél
dmax = 10 mm az alsó tűrésérték-görbénél
dmax = 6,3 mm az felső tűrésérték-görbénél
A fentieken kívül még a következők ajánlottak:
- a homoktartalomnak (0,063 mm < négyzetes szitaszemméret < 2 mm) 55 %-nál nem több természetes homokból és legalább 45 % zúzott homokból kell állnia,
- az alapnak és az alap alatti rétegnek stabilnak és simának kell lennie, a legjobb útépítési gyakorlatnak megfelelően,
- a zúzaléknak aprítottnak kell lennie (100 %-os zúzott felület) és nehezen zúzható anyagból kell készülnie,
- a keverékben használt zúzalékot meg kell mosni,
- a felülethez nem szabad külön zúzalékot adni,
- a kötőanyag PEN-értékben kifejezett keménységének 40-60-nak, 60-80-nak vagy akár 80-100-nak kell lennie, az adott ország időjárási viszonyaitól függően. Alapszabályként mondható ki, hogy a lehető legkeményebb kötőanyagot kell használni, amennyiben ez a szokásos gyakorlatnak megfelel,
- a keverék felhengerlés előtti hőmérsékletét úgy kell megválasztani, hogy a rákövetkező hengerlés során elérhető legyen a kívánt hézagtartalom. Az 1.1.-1.4. pont előírásai betartásának esélyének növelése érdekében a megfelelő tömörséget nem csak a keverési hőmérséklet helyes beállításával kell előmozdítani, hanem az áthaladások számának helyes megválasztásával és a tömörítő jármű kiválasztásával is.

2. ábra
3. táblázat
Tervezési irányvonalak
Célzott értékek | Tűrések | ||
A keverék teljes tömegéhez viszonyítva | A töltőanyag tömegéhez viszonyítva | ||
Kőtömeg, szitaméret (SM) > 2 mm | 47,6 % | 50,5 % | ± 5 |
Homoktömeg 0,063 < SM < 2 mm | 38,0 % | 40,2 % | ± 5 |
Hézagkiöntő anyag tömege SM < 0,063 mm | 8,8 % | 9,3 % | ± 2 |
Kötőanyag tömege (bitumen) | 5,8 % | nincs | ± 0,5 |
Zúzalék maximális mérete | 8 mm | 6,3-10 | |
Kötőanyag keménysége | (lásd alább) | ||
Csiszolódási érték (PSV-érték) | > 50 | ||
Tömörség a Marshall tömörséghez viszonyítva | 98 % |
3. VIZSGÁLATI MÓDSZEREK
3.1. A szabadhézag-tartalom mérése
E mérések céljára fúrómagot kell kivenni a pályából legalább négy helyről, amelyek egyenletesen oszlanak meg az AA és BB vonal közötti területen (lásd az 1. ábrát). A keréknyomvonal inhomogenitásának és egyenetlenségének elkerülése érdekében a magokat nem magukból a keréknyomvonalakból kell kivenni, de azok közeléből. (Legalább) két magot kell kivenni a keréknyomvonalak közvetlen közeléből és (legalább) egy-egy magot a keréknyomvonalak és a mikrofonhelyek közötti távolság közepe tájáról.
Ha fennáll a gyanú, hogy a homogenitás feltételei nem teljesülnek (lásd az 1.4. pontot), a próbaterület több részéről kell magokat kivenni.
Minden fúrómagra meg kell határozni a maradék hézagtartalmat. Ez után ki kell számítani az összes mag átlagértékét és azt össze kell vetni az 1.1. pont követelményeivel. Ezenfelül egyik mag hézagértéke sem lehet 10 %-nál nagyobb.
A próbafelület tervezőjét emlékeztetni kell arra a problémára, amely akkor merül fel, ha a próbaterületet csövekkel vagy villamos vezetékekkel fűtik, és e területből fúrómagot kell kivenni. Az ilyen berendezéseket gondosan kell megtervezni, figyelembe véve a későbbi fúrási helyeket. Ajánlatos néhány, kb. 200 × 300 mm-es helyet elkerülni a csövekkel vagy villamos vezetékekkel, vagy ezeket olyan mélyre helyezni, ahol a felületi rétegből történő magkivétel során nem sérülhetnek meg.
3.2. A hangelnyelési tényező
A hangelnyelési tényezőt (rendes beesés) az impedanciacső-módszerrel kell mérni az ISO/DIN 10534 "Akusztika - A hangelnyelési tényező és impedancia meghatározása egy csöves módszerrel" című szabványban megadott eljárás szerint.
A próbadarabok tekintetében ugyanazok a követelmények érvényesek, mint amelyek a maradék hézagtartalomra vonatkoznak (lásd a 3.1. pontot).
A hangelnyelést a 400-800 Hz és a 800-1 600 Hz tartományban kell mérni (legalább a harmadik oktávsávok középfrekvenciáinál), és mindkét frekvenciatartományban meg kell határozni a maximális értékeket. Az összes próbamagra meghatározott értékeket átlagolni kell és ez adja a végeredményt.
3.3. A volumetrikus makrotextúra mérése
Ennek a szabványnak az alkalmazásában legalább 10 helyen, egyenletesen elosztva a próbaszakasz keréknyomvonalai mentén, textúramélység-méréseket kell végezni, és az átlagértéket kell a megadott minimális textúramélységgel összevetni. Az eljárásra vonatkozóan lásd az ISO/DIN 10844 szabványtervezet F mellékletét.
4. IDŐÁLLÓSÁG ÉS KARBANTARTÁS
4.1. Az öregedés hatása
Számos más felülethez hasonlóan várható, hogy a próbafelületen mért gumiabroncs/út zajszintek az építés utáni első 6-12 hónap során némileg emelkednek.
A felület csak négy héttel a megépítés után éri el a kívánt jellemzőket.
Az időbeni stabilitást főleg a felületen közlekedő járművek csiszoló és tömörítő hatása határozza meg. E stabilitást az 1.5. pontban meghatározott módon rendszeres időszakonként ellenőrizni kell.
4.2. A felület karbantartása
A laza törmelékeket és port, amelyek jelentős mértékben csökkenthetik a textúra tényleges mélységét, el kell távolítani a felületről. Egyes országokban télen sót használnak a jégtelenítéshez. A só időlegesen vagy akár tartósan is megváltoztathatja a felületet úgy, hogy a zajszint megnövekszik. Ezért a sózás nem javasolt.
4.3. A próbaterület újraburkolása
Ha szükségesnek mutatkozik a próbapálya újraburkolása, általában fölösleges többet újra burkolni, mint azt a vizsgálati szakaszt, amelyen a járművek végighaladnak (az 1. ábrán látható 3 m szélességben), feltéve, hogy az e szakaszon kívüli próbaterület a mérések során megfelelt a maradék hézagtartalomra és a hangelnyelésre vonatkozó követelményeknek.
5. A FELÜLET ÉS A RAJTA VÉGZETT VIZSGÁLATOK DOKUMENTÁLÁSA
5.1. A próbafelület dokumentálása
A felületet leíró dokumentációban az alábbi adatokat kell megadni:
a) a próbapálya helye;
b) a kötőanyag fajtája, keménysége, a töltőanyag fajtája, a beton maximális elméleti sűrűsége ("DR") és a próbapályából kivett magfuratok alapján megállapított kopóréteg-vastagság és -osztályozási görbe;
c) a tömörítés módja (pl. a henger típusa, tömege, az áthaladások száma);
d) a keverék hőmérséklete, a környező levegő hőmérséklete és a szélsebesség a felület lerakása idején;
e) a felület lerakásának időpontja és a vállalkozó neve;
f) az összes, de legalább az utolsó vizsgálat eredménye, az alábbi adatokkal:
i. az egyes fúrómagok maradék hézagtartalma;
ii. a próbaterület pontjai, amelyeken a hézagtartalom méréséhez a magokat kivették;
iii. az egyes magok hangelnyelési tényezője (ha megmérték). Meg kell adni a valamennyi magra és valamennyi frekvenciára mért eredményt, valamint ezek teljes átlagát;
iv. a próbaterület pontjai, amelyeken az elnyelés méréséhez a magokat kivették;
v. a textúra mélysége, beleértve a vizsgálatok számát és a szabványos szórást;
vi. az i. és iii. vizsgálatot végző intézmény és a használt berendezés típusa;
vii. a vizsgálat(ok) időpontja és a magfuratok pályából történő kivételének időpontja.
5.2. A felületen végzett jármű-zajvizsgálat dokumentációja
A jármű-zajvizsgálato(ka)t leíró dokumentációban meg kell adni, hogy minden követelmény teljesült-e. Utalni kell az 5.1. pont szerinti dokumentációra.
10. FEJEZET
MOTORKERÉKPÁROK VAGY SEGÉDMOTOROS KERÉKPÁROK PÓTKOCSICSATLAKOZÓ-BERENDEZÉSEI
A MELLÉKLETEK JEGYZÉKE
I. MELLÉKLET | Motorkerékpárok vagy segédmotoros kerékpárok pótkocsicsatlakozó-berendezései |
1. függelék | Motorkerékpárok vagy segédmotoros kerékpárok csatlakozógömbje |
2. függelék | |
3. függelék | |
4. függelék | Motorkerékpár- vagy segédmotoroskerékpár-típussal vontatott pótkocsik csatlakozóberendezéseire vonatkozó adatközlő lap |
5. függelék | Motorkerékpár- vagy segédmotoroskerékpár-típussal vontatott pótkocsik csatlakozóberendezéseire vonatkozó alkatrész-típusbizonyítvány |
I. MELLÉKLET
MOTORKERÉKPÁROK VAGY SEGÉDMOTOROS KERÉKPÁROK PÓTKOCSICSATLAKOZÓ-BERENDEZÉSEI
1. HATÁLY
1.1. Ez az I. melléklet motorkerékpárok vagy segédmotoros kerékpárok csatlakozóberendezéseire és azoknak a járművekre való erősítésére vonatkozik.
1.2. Ez az I. melléklet a motorkerékpárok vagy segédmotoros kerékpárok csatlakozóberendezései által teljesítendő követelményeket azzal a céllal állapítja meg, hogy
- biztosítsa a kompatibilitást motoros járműveknek különböző típusú pótkocsikkal való társítása esetén,
- biztosítsa a járművek biztonságos összekapcsolását bármely üzemi viszonyok között,
- biztosítsa az össze- és szétkapcsolási eljárás biztonságos elvégzését.
2. FOGALOMMEGHATÁROZÁSOK
2.1. "Csatlakozóberendezések motoros járművek számára": az összes olyan, a vontató és vontatott jármű összekapcsolására szolgáló alkatrész és berendezés, amelyek a karosszéria vagy alváz keretéhez vagy teherbíró részeihez vannak rögzítve.
Ide tartoznak a fent említett csatlakozóberendezések csatlakoztatására, beállítására és működtetésére szolgáló rögzített vagy leszerelhető alkatrészek is.
2.1.1. "Csatlakozógömbök és vontatókengyelek": a motoros járművön gömb alakú elemet és kengyeleket tartalmazó, a pótkocsihoz való kapcsolódáshoz csatlakozófejet alkalmazó csatlakozóberendezések.
2.1.2. A 2.1.1. pontban említett csatlakozófejek a pótkocsi vonórúdjára szerelt mechanikus berendezések, és csatlakozógömbökkel kapcsolódnak a motoros járművekhez.
3. ÁLTALÁNOS ELŐÍRÁSOK
3.1. A motorkerékpárok vagy segédmotoros kerékpárok csatlakozóberendezéseit a jó mérnöki gyakorlatnak megfelelően kell elkészíteni és felszerelni, és azoknak biztonságosan kell üzemelniük.
3.2. A csatlakozóberendezéseket úgy kell megtervezni és elkészíteni, hogy rendes használat esetén, a megfelelő karbantartás és a kopó alkatrészek kellő időben történő cseréje mellett, tartósan megfelelően működjenek.
3.3. Minden csatlakozóberendezéshez szerelési és használati utasítást kell mellékelni, amely hozzáértő személy számára elegendő információt ad a járműre való felszereléshez és a helyes üzemeltetéshez. Az utasítást azon tagállam hivatalos nyelvén vagy nyelvein kell megfogalmazni, amelyben a csatlakozóberendezést eladásra kínálják.
3.4. A csatlakozóberendezéshez csak olyan anyagok használhatók, amelyeknek az alkalmazás szempontjából lényeges tulajdonságai szabványban szerepelnek, vagy olyanok, amelyek tulajdonságait megadták a jóváhagyást kérelmező dokumentációban.
3.5. A csatlakozóberendezések minden olyan alkatrészét, amelyek meghibásodása a két jármű szétválását eredményezheti, acélból kell készíteni.
Más anyagok is használhatók, feltéve, hogy a gyártó a műszaki szolgálat számára elfogadható módon bizonyítja azok egyenértékűségét.
3.6. Minden csatlakozóberendezést kényszerkapcsolat formájában kell kialakítani, és zárt állapotban legalább egy mechanikus kényszerkapcsolattal kell biztosítani.
3.7. A motorkerékpárokon vagy segédmotoros kerékpárokon általában az 1. függelék 1. ábráján bemutatott csatlakozógömböket kell használni. Különösen tricikliknél kell úgy megválasztani és elhelyezni a csatlakozó típusát, hogy az maximális kompatibilitást biztosítson egy sor pótkocsitípussal. A csatlakozógömböktől eltérő berendezéseket is lehet használni, feltéve, hogy teljesítik a 3.8. pont előírásait, és a pótkocsik kompatibilitása vagy felcserélhetősége nem szükséges, és nem is lehetséges (adott célra rendelt járműegyüttesek).
3.8. A csatlakozóberendezéseket úgy kell kialakítani, hogy működés, elhelyezés, mozgékonyság és szilárdság szempontjából megfeleljenek a 3.9., 3.10., 3.11., 4., 5. és 6. pont előírásainak.
3.9. A csatlakozóberendezéseket a maximális biztonság érdekében a jó mérnöki gyakorlatnak megfelelően kell kialakítani és felszerelni; ez a csatlakozó üzemeltetésére is vonatkozik.
3.10. A járművek biztonságos össze- és szétkapcsolásának egy személy által, szerszámok használata nélkül is végrehajthatónak kell lennie.
3.11. A leszerelhető csatlakozóberendezések működtetésének kézzel könnyen, szerszámok használata nélkül végrehajthatónak kell lennie.
4. AZ ELHELYEZÉSRE VONATKOZÓ ELŐÍRÁSOK
4.1. A járművekre erősített csatlakozóberendezéseknek akadálytalanul és biztonságosan kell működniük.
4.2. A járművekre rögzített csatlakozógömböknek meg kell felelniük az 1. függelék 2. ábráján látható geometriai előírásoknak.
4.3. Egy, a csatlakozógömbtől különböző csatlakozóberendezés csatlakozási pontjának ± 35 mm határon belül egy magasságban kell lennie a pótkocsi vonórúdja csatlakozási pontjával, feltéve, hogy a pótkocsi vízszintes helyzetben van.
4.4. A vontatókengyelek alakjának és méreteinek meg kell felelniük a járműgyártó előírásainak, a rögzítési pontokat és bármely szükséges kiegészítő szerelvényeket illetően.
4.5. A jármű gyártójának a csatlakozóberendezés típusára, a pótkocsi megengedhető tömegére és a csatlakozási pontra ható megengedhető statikus terhelés nagyságára vonatkozó előírásait be kell tartani.
4.6. A felszerelt csatlakozóberendezés nem takarhatja el a hátsó rendszámtáblát. Ilyen esetben különleges szerszám nélkül leszerelhető csatlakozóberendezést kell használni.
5. A CSUKLÓMOZGÁSRA VONATKOZÓ KÖVETELMÉNYEK
5.1. A csatlakozóberendezésnek, amikor még nem szerelték a járműre, az alábbi mozgásokat kell lehetővé tennie:
5.1.1. 20°-os szabad függőleges elfordulási szög a vízszintes középvonal felett és alatt, a berendezés hossztengelyének mindkét oldalán vízszintes síkban történő, legalább 90°-os tartományon belüli bármekkora szögű elfordítás mellett;
5.1.2. a berendezés hossztengelyének mindkét oldalán vízszintes síkban történő, legalább 90°-os tartományon belüli bármekkora szögű elfordítás mellett a függőleges középvonalhoz képest tricikliknél 25°-os, kétkerekű motorkerékpároknál és segédmotoros kerékpároknál 40°-os szabad oldalirányú bedőlési szöget kell biztosítani.
5.2. Bármely vízszintes elfordulási szög mellett a csuklómozgások alábbi kombinációinak kell lehetségesnek lenniük:
kétkerekű motorkerékpároknál és segédmotoros kerékpároknál, kivéve azt az esetet, amikor a berendezést a kétkerekű motorkerékpárral vagy segédmotoros kerékpárral együtt billenő egykerekű pótkocsival használják:
- ± 15°-os függőleges elfordulási szög ± 40°-os tengelyirányú bedőlés mellett,
- ± 30°-os tengelyirányú bedőlés ± 20°-os függőleges elfordulási szög mellett;
három- és négykerekű motorkerékpárok és segédmotoros kerékpárok esetében:
- ± 15°-os függőleges elfordulási szög ± 25°-os tengelyirányú bedőlés mellett,
- ± 10°-os tengelyirányú bedőlés ± 20°-os függőleges elfordulási szög mellett.
5.3. Lehetségesnek kell lenni a gömbcsatlakozók össze- és szétkapcsolásának, ha a gömbcsatlakozó hosszirányú tengelye a csatlakozógömb és a szerelvény középvonalához képest
- vízszintes síkban β = 60°-os szögben jobbra vagy balra van fordítva,
- függőleges síkban α = 10°-os szögben felfelé vagy lefelé van fordítva,
- tengelye körül 10°-os szögben jobbra vagy balra van fordítva.
6. SZILÁRDSÁGI KÖVETELMÉNYEK
6.1. Dinamikus szilárdsági vizsgálatot (fárasztóvizsgálatot) kell végezni.
6.1.1. A fárasztóvizsgálatot váltakozó, közelítőleg szinuszos terheléssel kell végezni, a terhelési ciklusok száma az anyagtól függ. A vizsgálat során nem következhet be repedés vagy törés vagy más látható külső sérülés, vagy olyan túlzott maradó alakváltozás, amely a berendezés kielégítő működését hátrányosan befolyásolná.
6.1.2. A dinamikus próba során a terhelés alapját az alábbi D érték képezi. A statikus függőleges terhelést a vizsgálati terhelésnek a vízszintes síkhoz viszonyított irányában kell figyelembe venni, amely a csatlakozási pont helyzetétől és a csatlakozási ponton megengedett statikus függőleges terheléstől függ.

ahol
T = a vontató jármű műszakilag megengedhető maximális tömege tonnákban
R = a pótkocsi műszakilag megengedhető maximális tömege tonnákban
g = a nehézségi gyorsulás (g = 9,81 m/s2)
6.1.3. A vizsgálat alapját képező D és S jellemző értékek a gyártó EK-típusjóváhagyási kérelmében vannak megadva, ahol S a csatlakozási ponton megengedhető maximális statikus függőleges terhelés kg-ban.
6.2. A vizsgálati eljárások
6.2.1. A dinamikus vizsgálat céljából a próbadarabot megfelelő befogó szerkezetben kell elhelyezni, és a terhelést úgy kell alkalmazni, hogy a megadott próbaterhelésen kívül más erő vagy nyomaték ne hasson rá. Váltakozó igénybevételű vizsgálatok alkalmával az erőkifejtés iránya nem térhet el ± 1°-nál többel a megadott iránytól. Annak érdekében, hogy a próbadarabra ne hassanak meghatározatlan erők és nyomatékok, szükség lehet egy csuklós kapcsolatra az erőkifejtés helyén és egy másikra, ettől megfelelő távolságban.
6.2.2. A vizsgálati frekvencia nem haladhatja meg a 35 Hz értéket. A választott frekvenciának jól el kell különülnie a próbaberendezés rezonáns frekvenciáitól, beleértve a vizsgálat alatt álló berendezéset is. Acélból készült csatlakozóberendezések esetében a terhelési ciklusok számának 2 × 106-nak kell lennie. Más anyagokból készült csatlakozóberendezések esetén nagyobb ciklusszám is előírható. A repedésvizsgálatot általában festékbehatolásos módszerrel kell végezni; egyéb egyenértékű eljárások is megengedhetők.
6.2.3. A csatlakozóberendezéseket rendes körülmények között a lehető legmerevebben kell a vizsgálati befogószerkezetre erősíteni olyan helyzetben, amilyenben a járművön is használják. A rögzítő szerkezetnek annak kell lennie, amelyet a gyártó vagy a kérelmező meghatároz és amelyet a járműre való rögzítéshez is használnak és/vagy azzal azonos mechanikai jellemzőinek kell lennie.
6.2.4. A csatlakozókat lehetőleg abban az eredeti állapotukban kell vizsgálni, amelyben a közlekedésben is használják őket. A gyártó megítélésétől függően és a műszaki szolgálattal történő megállapodás alapján a rugalmas alkatrészeket semlegesíteni lehet, ha erre a vizsgálati eljáráshoz szükség van és ha nem kell tartani attól, hogy ez meghamisítja a vizsgálati eredményeket.
A gyorsított vizsgálati eljárás következtében nyilvánvalóan túlmelegedett rugalmas elemeket a vizsgálat alatt ki lehet cserélni.
A próbaterheléseket különleges hézagmentes berendezések útján lehet alkalmazni.
A vizsgálatra beküldött berendezésekre minden olyan tervezési részletet meg kell adni, amelynek hatása lehet a szilárdsági kritériumokra (például a villamos dugaszoló aljzatot tartó lemezek, jelölések, stb.). A vizsgálat határa a rögzítési vagy felszerelési pontoknál van. A jármű gyártójának meg kell adnia a csatlakozógömb geometriai helyzetét és a csatlakozó berendezés rögzítési pontjait a referenciaegyeneshez viszonyítva, és ezeket a vizsgálati jegyzőkönyvben is fel kell tüntetni.
A felerősítési pontok referenciaegyeneshez viszonyított minden relatív helyzetét, amint az a 2. függelékben látható, és amelyre nézve a vontató jármű gyártójának minden információt meg kell adnia a vontatóberendezés gyártója számára, meg kell ismételni a próbapadon.
6.3. A csatlakozógömbök és vontatókengyelek vizsgálata
6.3.1. A próbapadra szerelt részegységet egy váltakozó húzó-nyomó feszültséget előállító gépen (pl. egy rezonancia-impulzusgenerátoron) dinamikus vizsgálatnak kell alávetni.
A próbaterhelésnek váltakozó erőnek kell lennie és a 2. függelék 3. és 4. ábráján látható módon 15 ± 1°-os szög alatt kell a csatlakozógömbre hatnia. Ha a gömb középpontja a 2. függelék 5. ábráján látható referenciaegyenessel párhuzamos, a legmagasabban elhelyezkedő legközelebbi rögzítési ponton átmenő vonal felett van, a vizsgálatot α = -15 ± 1 -os szög alatt kell elvégezni (2. függelék, 3. ábra). Ha a gömb középpontja a 2. függelék 5. ábráján látható referenciaegyenessel párhuzamos, a legmagasabban elhelyezkedő legközelebbi rögzítési ponton átmenő vonal alatt van, a vizsgálatot α = +15 ± 1 -os szög alatt kell elvégezni (2. függelék, 4. ábra). Ezt a szöget a függőleges irányú statikus és dinamikus erők figyelembevétele céljából kell választani. Ez a vizsgálati módszer csak

-nél nem nagyobb megengedett statikus terhelés esetén alkalmazható.
Ha

-nél nagyobb statikus terhelésre van szükség,
a vizsgálati szöget 20°-ra kell növelni.
A dinamikus vizsgálatot az alábbi vizsgálóerővel kell végezni:
Fres = ± 0,6 D
6.3.2. Az egy darabból készült csatlakozógömböket, beleértve a nem cserélhető leszerelhető gömbökkel ellátott berendezéseket is, valamint a cserélhető gömbökkel ellátott leszerelhető vontatókengyeleket (a járművel egybeépített konzolon elhelyezett gömbök kivételével) a 6.3.1. pont szerint kell vizsgálni.
6.3.3. A különböző gömbökkel használható vontatókengyel vizsgálatát a 94/20/EK irányelv (HL L 195., 1994.7.29., 1. o.) VI. mellékletének 4.1.6. pontja szerint kell végezni.
6.4. A 6.3.1. pontban szereplő vizsgálati előírásokat a csatlakozógömböktől különböző csatlakozóberendezésekre is alkalmazni kell.
7. CSATLAKOZÓFEJEK
7.1. Az alapvizsgálat egy váltakozó vizsgálóerővel végzett kifáradási vizsgálat és egy minden mintapéldányon elvégzett statikus vizsgálat (emelési vizsgálat).
7.2. A dinamikus vizsgálatot megfelelő szilárdságú alkalmas csatlakozógömbbel kell elvégezni. A vizsgáló berendezésen a gyártó utasításai szerint, a járműhöz való rögzítésnek megfelelő módon kell a csatlakozófejet és a gömbcsatlakozót elhelyezni. A vizsgáló erőn kívül más erő semmiképpen sem hathat a próbadarabra.
A vizsgáló erőt egy, a gömb középpontján áthaladó és hátrafelé 15° alatt hajló egyenes irányában kell alkalmazni (lásd a 3. függelék 6. ábráját). A kifáradási vizsgálatot a mintadarabon az alábbi erővel kell végezni:
Fres = ± 0,6 D
7.3. Statikus emelési vizsgálatot kell végezni (lásd a 3. függelék 7. ábráját). A vizsgálathoz használt csatlakozógömb átmérőjének
49 - 0 +0,13 mm-nek
kell lennie abból a célból, hogy egy kopott gömböt képviseljen. Az FA emelőerőt egyenletesen és gyorsan kell növelni az alábbi értékig:

és 10 másodpercig kell fenntartani, ahol
C = a pótkocsi tömege (a maximális megengedhető terhet hordó pótkocsi tengelyterheléseinek összege) tonnákban.
7.4. A gömbcsatlakozótól eltérő csatlakozóberendezés használata esetén a csatlakozófejet, amennyiben lehetséges, a 94/20/EK irányelv vonatkozó előírásainak megfelelően kell vizsgálni.
8. JELÖLÉS
A csatlakozóberendezéseket a 94/20/EK irányelv vonatkozó előírásainak megfelelően kell megjelölni.
1. függelék
Motorkerékpárok és segédmotoros kerékpárok gömbcsatlakozója
A gömbcsatlakozós rendszer pótkocsikon való használata nem zárja ki más rendszerek alkalmazását (például kardáncsatlakozókét); mindazonáltal gömbcsatlakozós rendszer használata esetén a rendszernek az 1. ábrán megadott műszaki jellemzőkkel kell rendelkeznie.

1. ábra
(1) A gömb és a nyak közötti lekerekítési sugárnak érintőlegesen kell illeszkednie mind a nyakhoz, mind a csatlakozógömb alsó vízszintes felületéhez.
(2) Lásd az ISO/R 468 és az ISO 1302 szabványt; az N9 érdességi szám 6,3 μm Ra érdességi értékre utal.

2. ábra
Csatlakozógömbök körüli szabad hely
2. függelék
A vizsgálat iránya egy vontatókengyellel ellátott csatlakozógömb példáján bemutatva. (Hasonló módon más csatlakozórendszerekre is alkalmazható)

3. függelék

6. ábra

7. ábra
4. függelék

5. függelék

11. FEJEZET
HÁROMKEREKŰ MOPEDEK, TRICIKLIK ÉS NÉGYKEREKŰ MOTORBICIKLIK BIZTONSÁGIÖV-RÖGZÍTÉSI PONTJAI ÉS BIZTONSÁGI ÖVEI
A MELLÉKLETEK JEGYZÉKE
I. MELLÉKLET | Fogalomeghatározások |
II. MELLÉKLET | Tényleges rögzítési pontok csatlakozási területei |
III. MELLÉKLET | A H pont helyzetének és a háttámla valódi dőlésszögének meghatározására, és azoknak az R pont helyzetéhez és a tervezett háttámla-állásszöghöz való viszonyának ellenőrzésére szolgáló eljárás |
Függelék | A háromdimenziós próbabábu alkatrészei |
IV. MELLÉKLET | Húzókészülék |
V. MELLÉKLET | |
1. függelék | Egy karosszériával ellátott háromkerekűmoped-típusnál vagy tricikli- vagy négykerekűmotorbicikli-típusnál alkalmazandó biztonságiöv-rögzítési pontokra vonatkozó adatközlő lap |
2. függelék | Egy karosszériával ellátott háromkerekűmoped-típus vagy tricikli- vagy négykerekűmotorbicikli-típus biztonságiöv-rögzítési pontjaira vonatkozó alkatrész-típusbizonyítvány |
VI. MELLÉKLET | Biztonsági övekre vonatkozó előírások |
1. függelék | Karosszériával ellátott háromkerekű mopedekre vagy triciklikre vagy négykerekű motorbiciklikre szánt biztonságiöv-típusra vonatkozó adatközlő lap |
2. függelék | Karosszériával ellátott háromkerekű mopedekre vagy triciklikre vagy négykerekű motorbiciklikre szánt biztonságiöv-típusra vonatkozó alkatrész-típusbizonyítvány |
3. függelék | Biztonsági öveknek egy karosszériával ellátott háromkerekűmoped-típusra vagy tricikli- vagy négykerekű motorbicikli-típusra való felszerelésére vonatkozó adatközlő lap |
4. függelék | Biztonsági öveknek egy karosszériával ellátott háromkerekűmoped-típusra vagy tricikli- vagy négykerekű motorbicikli-típusra való felszerelésére vonatkozó alkatrész-típusbizonyítvány |
I. MELLÉKLET
1. FOGALOMMEGHATÁROZÁSOK
Ennek a fejezetnek az alkalmazásában:
1.1. "járműtípus a biztonságiöv-rögzítési pontok szempontjából": olyan gépjárművek, amelyek nem különböznek egymástól olyan lényeges szempontokból, mint: a jármű vagy ülés olyan szerkezeti elemeinek a méretei, alakja és anyagai, amelyek a biztonsági öv felerősítésére szolgálnak;
1.2. "biztonságiöv-rögzítési pontok": a jármű, az ülés vagy más járműrészek olyan szerkezeti elemei, amelyekhez a biztonsági övet rögzíteni kell;
1.3. "hevederterelő": olyan készülék, amely a biztonsági öv viselőjével kapcsolatban megváltoztatja a heveder helyzetét;
1.4. "tényleges rögzítési pont": az a pont, amelynek segítségével szokásos módon, a 4. pontnak megfelelően, meghatározható a biztonsági öv minden egyes részének a viselőjéhez képest elfoglalt szöghelyzete, azaz az a pont, amelyhez a hevedert erősíteni kellene ahhoz, hogy a használatban lévő öv tervezett helyzetével azonos helyzetet foglaljon el, és amely egybeeshet vagy nem eshet egybe a valódi rögzítési ponttal, az öv rögzítőszerelvényeinek azon a helyen kialakított elrendezésétől függően, ahol az a rögzítési ponthoz kapcsolódik;
1.4.1. például:
1.4.1.1. ha a biztonsági öv tartalmaz egy merev alkatrészt, amely az álló vagy szabadon elforduló alsó rögzítési ponthoz van erősítve, a tényleges rögzítési pont valamennyi ülés-beállítási helyzetre az a pont, ahol a heveder a merev alkatrészhez kapcsolódik;
1.4.1.2. ha a jármű vagy az ülés szerkezetéhez egy irányterelő van erősítve, tényleges rögzítési pontnak azt a pontot kell tekinteni, ahol a heveder az irányterelőt az öv viselője felé eső oldalán elhagyja; a hevedernek egyenes vonalat kell képeznie a tényleges rögzítési pont és az öv viselője között;
1.4.1.3. ha az öv közvetlenül, közbenső irányterelő nélkül kapcsolja össze viselőjét egy, a jármű vagy az ülés szerkezetéhez erősített tehetetlenségi zárral, tényleges rögzítési pontnak az öv tehetetlenségi zárorsója tengelyének az orsón lévő heveder középvonalán átmenő síkkal való metszéspontját kell tekinteni;
1.5. "padló": a jármű karosszériájának e jármű oldalfalait összekötő alsó része. Ebbe az értelmezésbe beletartoznak a bordák, kiemelkedő sajtolt merevítők és minden egyéb merevítés, még ha azok a padló alatt helyezkednek is el, mint pl. a fő- és oldaltartók;
1.6. "ülés": olyan szerkezet, amely, függetlenül attól, hogy a járműszerkezet és/vagy belső burkolata szerves részét képezi vagy sem, egy felnőtt ember számára ülő helyzet elfoglalását teszi lehetővé; a fogalom mind az egyedi ülést, mind a pad egy ülő helyzetnek megfelelő részét jelöli. A nyereg a 2.1. pont szempontjából nem minősül ülésnek;
1.6a. "nyereg": olyan ülés, amelyen a vezető vagy az utas lovaglóülésben ül.
1.7. "üléscsoport": vagy egy padjellegű ülés vagy egymás mellé szerelt egyedi ülések (azaz úgy, hogy egy ülés első rögzítési pontjai egy másik ülés hátsó rögzítési pontjaival egy vonalban vagy azok előtt, vagy ugyanazon másik ülés mellső rögzítési pontjaival egy vonalban vagy azok mögött vannak), amelyek egy vagy több, felnőttek számára alkalmas ülőhelyet képeznek;
1.8. "pad": egy olyan összetett szerkezet a burkolatával együtt, amely legalább két felnőtt ember számára alkalmas ülőhelyet képez;
1.9. "felhajtható ülés": olyan alkalmi használatra szolgáló pótülés, amely általában fel van billentve;
1.10. "üléstípus": olyan, egymástól olyan szempontokból lényegesen nem különböző ülések kategóriája, mint:
1.10.1. az ülésszerkezet alakja és méretei és az anyag, amelyből készültek;
1.10.2. a beállító és reteszelő rendszerek típusa és méretei;
1.10.3. az ülésen lévő övrögzítő pontoknak, az ülések rögzítési pontjainak és a járműszerkezet ide tartozó részeinek típusa és méretei;
1.11. "ülés rögzítése": az a rendszer, amely az ülést mint egészet a jármű szerkezetéhez rögzíti, beleértve ebbe a jármű szerkezetének megfelelő részeit is;
1.12. "beállító rendszer": az a készülék, amely lehetővé teszi az ülés részeinek beállítását az ülésben helyet foglaló személy alakjának megfelelő ülő helyzet kialakítása céljából. Ez a készülék lehetővé tesz:
1.12.1. hosszirányú beállítást;
1.12.2. magassági beállítást;
1.12.3. szögbeállítást;
1.13. "védett tér": olyan tér, amelyen belül a védelmi térbe eső árnyékoló területek összevont területe legalább 800 cm2;
1.14. "védelmi tér": egy ülés előtti tér, amelynek határai:
- két vízszintes sík, amelyek egyike az 1.17. pontban meghatározott H ponton halad át, a másik pedig e fölött 400 mm-rel helyezkedik el,
- két egymástól 400 mm-re lévő, a H pontra szimmetrikusan elhelyezkedő függőleges hosszirányú sík,
- a H pont előtt 1,30 m-re lévő függőleges keresztirányú sík.
Bármely keresztirányú függőleges síknak egy olyan összefüggő területe, amelyre a terület bármely pontján és a gömb középpontján áthaladó egyenes mentén vízszintes hosszirányban egy 165 mm átmérőjű gömböt vetítve a védelmi téren belül nincs olyan nyílása, amelyen a gömb áthaladhatna, "árnyékoló terület" a neve;
1.15. "mozgó rendszer": olyan berendezés, amely lehetővé teszi egy ülés vagy annak egy része közbenső rögzített helyzet nélküli elmozdítását vagy elfordítását annak érdekében, hogy megkönnyítse a szóban forgó ülés mögötti térbe való bejutást;
1.16. "reteszelő rendszer": olyan berendezés, amely az ülést és annak részeit bármilyen használatra alkalmas helyzetben megtartja, és amely reteszelő mechanizmust foglal magában az ülés háttámlájának az üléshez viszonyított és az ülésnek a járműhöz viszonyított helyzetének rögzítéséhez;
1.17. "H pont": egy, a III. melléklet 1.1. pontjában leírt referenciapont, amelyet az említett mellékletben leírt eljárással lehet meghatározni;
1.18. "H1 pont": az 1.17. pontban meghatározott H pontnak megfelelő referenciapont és amelyet az ülés minden, rendes használatra alkalmas helyzetére meghatároznak;
1.19. "R pont": egy ülésnek a III. melléklet 1.2. pontjában meghatározott referenciapontja;
1.20. "referenciaegyenes": egy, a III. melléklet 3.4. pontjában meghatározott egyenes;
1.21. "L1 és L2 pont": a tényleges alsó rögzítési pontok;
1.22. "C pont": az R pont felett függőlegesen 450 mm-re lévő pont. Azonban, ha az 1.24. pontban meghatározott S távolság legalább 280 mm, és ha a gyártó a 4.3.3. pontban megadott másik, BR = 260 mm + 0,8 S alkalmazható képletet fogadja el, a C és az R közötti függőleges távolságnak 500 mm-nek kell lennie;
1.23. "α1 és α2": egy vízszintes sík, valamint a jármű hosszanti középsíkjára merőleges és a H1 ponton és az L1 és L2 pontokon átmenő síkok közötti szögek;
1.24. "S": a tényleges felső rögzítési pont és egy, a jármű hossztengelyére állított függőleges síkkal párhuzamos P referenciasík közötti távolság mm-ben. P meghatározása a következő:
1.24.1. ha az ülési helyzetet az ülés alakja jól meghatározza, a P sík az ülés középsíkja;
1.24.2. ha az ülési helyzet nincs jól meghatározva:
1.24.2.1. a P sík a vezetőhöz viszonyítva a jármű hosszanti középsíkjával párhuzamos sík, amely függőlegesen átmegy a kormánykerék vagy a középhelyzetbe állított kormány közepén, ha az állítható, és úgy kell tekinteni, mint amely benne van a kormánykerék-koszorú síkjában;
1.24.2.2. az elöl oldalt ülő utas P síkja szimmetrikus a vezető P síkjára;
1.24.2.3. a hátsó oldalsó ülőhelyek P síkja az, amelyet a gyártó megad, feltéve, hogy a jármű hossztengelyére állított függőleges síkja és a P sík közötti távolságra vonatkozó alábbi "A" határértéket betartották:
- "A" nem kevesebb, mint 200 mm, ha a pad csak két utas számára van kialakítva,
- "A" nem kevesebb, mint 300 mm, ha a pad kettőnél több utas számára van kialakítva.
2. ÁLTALÁNOS KÖVETELMÉNYEK
2.1. A biztonsági övek rögzítési pontjainak meg kell felelniük e fejezet előírásainak.
2.1.1. A háromkerekű mopedek, a triciklik, a könnyű négykerekű motorbiciklik és a négykerekű motorbiciklik valamennyi ülését el kell látni biztonságiöv-rögzítési pontokkal.
2.1.1.1. Hárompontos biztonsági öv elhelyezését lehetővé tévő rögzítési pontokat kell felszerelni minden olyan üléshez, amely mindkét következő feltételt kielégíti:
- az ülés rendelkezik támlával vagy olyan támasszal, amely segít a próbabábu háta nyugalmi szögének meghatározásában és üléstámlának tekinthető;
- a H pont mögött, a H ponton átmenő függőleges síkhoz képest 450 mm-nél magasabban helyezkedik el, oldal- vagy keresztirányú szerkezeti elem.
2.1.1.2. Minden más ülés esetén elfogadható a kétpontos biztonsági öv elhelyezését lehetővé tévő rögzítési pontok alkalmazása.
2.1.2. Nem kötelező biztonságiöv-rögzítési pontokat felszerelni a legfeljebb 250 kg tömegű háromkerekű mopedekre és négykerekű motorbiciklikre.
3. A BIZTONSÁGIÖV-RÖGZÍTÉSI PONTOK MINIMÁLIS SZÁMA
3.1. Az első üléseknél két alsó és egy felső rögzítési pontról kell gondoskodni. Azonban az első középső üléseknél, ha vannak ilyenek, elegendő a két alsó rögzítési pont, ha még további első ülések is vannak és a szélvédő a 74/60/EGK irányelv II. mellékletében meghatározott referenciazónán kívül helyezkedik el. A szélvédő akkor tekinthető a rögzítési pontok referenciazónája részének, ha a szélvédő statikus érintkezésbe kerül a motoros járművek belső szerelvényeire vonatkozó 74/60/EGK irányelv ( 73 ) II. mellékletében leírt módszerrel végzett vizsgálat céljára szolgáló berendezéssel.
3.2. A külső ülésekhez két alsó rögzítési pontot és egy felső rögzítési pontot kell biztosítani.
3.3. A felbillenthető ülések kivételével, amelyeknél nem szükséges rögzítési pont, minden más előre néző ülésnél legalább a két alsó rögzítési pontról kell gondoskodni.
3.4. Ha a jármű a felbillenthető ülések számára is el van látva rögzítési pontokkal, a rögzítési pontoknak meg kell felelniük e fejezet rendelkezéseinek.
4. A BIZTONSÁGI ÖVEK ELHELYEZÉSE - (lásd a II. melléklet 1. ábráját)
4.1. Általános rendelkezések
4.1.1. Bármely biztonsági öv rögzítési pontjai a jármű vagy az ülés szerkezetén vagy a jármű bármely más részén lehetnek, vagy szét lehetnek osztva e különböző pontok között.
4.1.2. Ugyanahhoz a rögzítési ponthoz két szomszédos öv végeit is hozzá lehet erősíteni, feltéve, hogy a vizsgálatra vonatkozó előírásokat teljesítik.
4.2. Az alsó tényleges rögzítési pontok helyzete
4.2.1. Az ülés minden rendes üzemi helyzetében az α1 és α2 szögeknek 30° és 80° között kell lenniük.
4.2.2. Ha a hátsó üléspadok és az állítható ülések az 1.12. pontban meghatározott beállító rendszerrel vannak ellátva és háttámla-szögük 20°-nál kisebb (lásd a II. melléklet 1. ábráját), az α1 és α2 szögek kisebbek lehetnek a 4.2.1. pontban megadott minimális értékeknél, feltéve, hogy ezek az ülés egyetlen rendes üzemi helyzetében sem kisebbek 20°-nál.
4.2.3. A jármű hossztengelyére állított függőleges síkkal párhuzamos és az ugyanazon övhöz tartozó L1 és L2 alsó tényleges rögzítési pontokon átmenő két függőleges sík közötti távolság nem lehet kisebb 350 mm-nél. Az ülés hosszanti középsíkjának az L1 és L2 pontok mellett e pontoktól legalább 120 mm-re kell elhaladnia.
4.3. A felső tényleges rögzítési pontok helyzete
(lásd a II. melléklet 2. ábráját)
4.3.1. Ha a tényleges felső rögzítési pontok helyét befolyásoló hevedervezetőt vagy hasonló készüléket alkalmaznak, ezt a helyet, szokásos módon, a rögzítési pont olyan helyzetének figyelembevételével kell meghatározni, ha a heveder hosszanti középvonala áthalad a J1 ponton. A J1 pont az R pontból kiindulva az alábbi három szakasz egymás utáni meghatározásával érhető el:
- RZ: a referenciaegyenes szakasza az R ponttól felfelé 530 mm hosszon mérve,
- ZX: a jármű hosszanti középsíkjára merőleges szakasz a Z ponttól a rögzítési pont irányába mérve, 120 mm hosszon,
- XJ1: az RZ és ZX szakasz által meghatározott síkra merőleges szakasz az X ponttól előre mérve 60 mm hosszon;
A J2 pont a J1 pontra szimmetrikusan helyezkedik el a megfelelő ülésben lévő próbabábú referenciaegyenesét (meghatározása az 1.20. pontban) függőlegesen keresztező hosszirányú síkhoz képest.
4.3.2. A felső tényleges rögzítési pontnak az ülés hosszanti középsíkjára merőleges és a referenciaegyenessel 65°-os szöget bezáró FN sík alatt kell lennie. A hátsó üléseknél ez a szög 60°-ra csökkenthető. Az FN síknak úgy kell elhelyezkednie, hogy a referenciaegyenest abban a D pontban metssze, amelyre fennáll a DR = 315 mm + 1,8 S összefüggés.
Mindazonáltal, ha S nem nagyobb, mint 200 mm, DR = 675 mm.
4.3.3. Az öv felső tényleges rögzítési pontjának az ülés hosszanti középsíkjára merőleges és a referenciaegyenest 120°-os szög alatt abban a B pontban metsző FK sík mögött kell lennie, amely pontra érvényes a BR = 260 mm + S összefüggés. Ha S nem kisebb 280 mm-nél, a gyártó alkalmazhatja a BR = 260 mm + 0,8 S összefüggést is.
4.3.4. Az S értéke 140 mm-nél kisebb nem lehet.
4.3.5. Az öv felső tényleges rögzítési pontjának a jármű hossztengelyére állított függőleges síkra merőleges és az R ponton a II. melléklet ábráján látható módon átmenő függőleges sík mögött kell lennie.
4.3.6. Az öv felső tényleges rögzítési pontjának az 1.22. pontban meghatározott C ponton áthaladó vízszintes sík fölött kell lennie.
4.3.7. A 4.3.1. pontban említett felső rögzítési ponton kívül más felső tényleges rögzítési pontok is felszerelhetők az alábbi feltételek valamelyikének teljesülése esetén:
4.3.7.1. a kiegészítő rögzítési pontok megfelelnek a 4.3.1.-4.3.6. pont előírásainak;
4.3.7.2. a felső rögzítési pontokat szerszámok segítsége nélkül lehet használni, megfelelnek a 4.3.5. és 4.3.6. pont előírásainak és belül esnek a II. melléklet 1. ábráján lehatárolt terület függőleges irányban 80 mm-rel felfelé vagy lefelé mozdításával meghatározott valamelyik területen;
4.3.7.3. a rögzítési pont(ok) hevedertípusú övhöz készül(nek), és ha a referenciaegyenesen áthaladó keresztirányú sík előtt van(nak), akkor megfelel(nek) a 4.3.6. pont előírásainak, és
4.3.7.3.1. egy rögzítési pont esetén annak a két lapszögnek a közös területén van, amelyeket a 4.3.1. pontban meghatározott J1 és J2 ponton átmenő függőleges határol és amelyek vízszintes metszete a II. melléklet 2. ábráján látható;
4.3.7.3.2. ha két rögzítési pont van, a két lapszög bármelyikében való elhelyezés megfelel, feltéve, hogy egyik rögzítési pont sincs 50 mm-nél messzebb a másik rögzítési ponttal szemben elhelyezett, a szóban forgó ülés (1.24. pontban meghatározott) P síkjához képest szimmetrikus üléstől.
5. A RÖGZÍTÉSI PONTOK SZILÁRDSÁGA
5.1. Minden rögzítési pontnak ki kell állnia a 6.3. és 6.4. pontban előírt vizsgálatokat. Állandó deformáció, beleértve egy rögzítési pont vagy környező területének részleges berepedését is, nem jelent hibát, feltéve, hogy a megkívánt erőt az előírt ideig kibírta. A vizsgálat során a 4.2.3. pontban az alsó tényleges rögzítési pontokra előírt minimális távolságokat és a felső tényleges rögzítési pontokra a 4.3.6. és 4.3.7. pontban megadott követelményeket be kell tartani.
5.2. Azokban a járművekben, amelyekben ezeket a berendezéseket használják, a bármely üléseken helyet foglaló személyek járműből való kiszállását lehetővé tévő mozgató és reteszelő rendszereknek kézi erővel működtethetőknek kell maradniuk akkor is, miután a húzóerő megszűnt.
5.3. A rögzítési pontok menetes furatainak méretei A rögzítési pontok menetes furatainak 7/16-20 UNF 2 B típusúaknak kell lenniük az ISO TR 1417 szabványnak megfelelően.
5.4. Ha a gyártó olyan biztonsági övekkel látta el a járművet, amelyek az adott ülésnél megkívánt összes rögzítési ponthoz hozzá vannak erősítve, nem szükséges, hogy ezek a rögzítési pontok megfeleljenek az 5.3. pont előírásainak, feltéve, hogy e fejezet többi követelményét teljesítik. Továbbá az 5.3. pont előírásai nem érvényesek a 4.3.7.3. pont követelményeit teljesítő kiegészítő rögzítési pontokra.
5.5. A biztonsági övet úgy kell tudni leszerelni a rögzítési pontról, hogy az ne sérüljön ezáltal.
6. A VIZSGÁLATOK
6.1. Általános előírások
6.1.1. A 6.2. pont alkalmazására is figyelemmel és a gyártó kívánságainak megfelelően,
6.1.1.1. a vizsgálat vagy egy járműszerkezetre vagy egy teljesen felszerelt járműre vonatkozhat;
6.1.1.2. az ablakok és ajtók fel lehetnek szerelve vagy nem, zárva lehetnek vagy nem;
6.1.1.3. fel lehet szerelni minden, rendes körülmények között használatos alkatrészt, amely hozzájárulhat a szerkezet szilárdságához,
6.1.2. Az üléseket a vezetési helyzetbe vagy a használatuknak megfelelő helyzetbe kell felszerelni és beállítani, az alkatrész-típusjóváhagyási vizsgálat elvégzéséért felelős vizsgáló szervezet választása szerint, mint a rendszer szilárdsága szempontjából legkedvezőtlenebb helyzetbe.
A vizsgálati jegyzőkönyvben fel kell tüntetni az ülések helyzetét. Ha a háttámla dőlésszöge változtatható, azt a gyártó utasításainak megfelelő helyzetben kell rögzíteni, vagy ilyen utasítás hiányában a 15°-hoz, illetve négykerekű motorbiciklik esetében 25°-hoz lehető legközelebb eső tényleges ülésszögben.
6.2. A jármű rögzítése
6.2.1. A jármű vizsgálat alatti rögzítési módszere nem eredményezheti a rögzítési pontok vagy azok környezetének megerősítését és nem csökkentheti a szerkezet rendes deformációját.
6.2.2. Egy rögzítőberendezés akkor tekinthető megfelelőnek, ha hatása nem terjed ki a szerkezet teljes szélességére, és ha a jármű vagy szerkezet elöl, a vizsgálandó rögzítési ponttól legalább 500 mm-re van rögzítve vagy megfogva, hátul pedig ettől a rögzítési ponttól legalább 300 mm-re.
6.2.3. Ajánlatos, hogy a szerkezet közvetlenül a tengelyek alatt, vagy ha ez nem lehetséges, közvetlenül a felfüggesztési pontok alatt legyen alátámasztva.
6.3. Általános előírások
6.3.1. Az azonos üléscsoporthoz tartozó összes rögzítési pontot egyidejűleg kell vizsgálni.
6.3.2. A húzóerőt a jármű hossztengelyére állított függőleges síkkal párhuzamosan, előre, a vízszintes fölött 10 ± 5°-os szög alatt kell alkalmazni.
6.3.3. A terhelést a lehető leggyorsabban kell megkezdeni. A rögzítési pontoknak legalább 0,2 másodpercig bírniuk kell a megadott próbaterhelést.
6.3.4. A 6.4. pontban leírt vizsgálatokhoz a VI. mellékletben látható húzókészülékeket kell használni.
6.3.5. A felső rögzítési pontokkal ellátott ülések rögzítési pontjait az alábbi feltételek mellett kell vizsgálni:
6.3.5.1. Külső első ülések:
A rögzítési pontokat a 6.4.1. pontban előírt vizsgálatnak kell alávetni, amelyben az erők kifejtése olyan készüléken keresztül történik, amely egy tehetetlenségi zárral és az övet a felső rögzítési ponthoz vezető irányterelővel ellátott hárompontos biztonsági öv geometriáját képezi le.
Továbbá, ahol a 3. pontban előírtnál több rögzítési pont van, ezeket a rögzítési pontokat a 6.4.5. pontban előírt vizsgálatoknak kell alávetni, amelyek során az erőket olyan készüléken keresztül kell kifejteni, amely az e rögzítési pontokhoz csatlakozó biztonságiöv-típus geometriáját képezi le.
6.3.5.1.1. Ha a tehetetlenségi zár nincs felszerelve az alsó oldalsó rögzítési ponton lévő helyére, vagy ha a tehetetlenségi zár a felső rögzítési pontra van erősítve, az alsó rögzítési pontokat a 6.4.3. pontban előírt vizsgálatnak kell alávetni.
6.3.5.1.2. A fenti esetben a gyártó kívánságára a 6.4.1. és a 6.4.3. pontban előírt vizsgálatokat két különböző szerkezeten lehet elvégezni.
6.3.5.2. Hátsó külső ülések és/vagy középső ülések:
A rögzítési pontokat a 6.4.2. pontban előírt vizsgálatnak kell alávetni, amelynél az erőket egy hárompontos biztonsági öv geometriáját leképező készülékkel kell átvinni rájuk, valamint a 6.4.3. pontban előírt vizsgálatnak, amelynél az alsó rögzítési pontokra egy kétpontos biztonsági övet utánzó készülékkel kell átadni az erőket. A gyártó kérésére a két vizsgálatot két különböző szerkezeten lehet elvégezni.
6.3.5.3. A 6.3.5.1. és 6.3.5.2. ponttól eltérően, ha a gyártó a járművet a tehetetlenségi zárat is magukban foglaló biztonsági övekkel felszerelve szállítja, a megfelelő rögzítési pontokat olyan vizsgálatnak kell alávetni, amelyben az erőket olyan öv(ek) geometriáját leképező készülékkel viszik át rájuk, amely öv(ek)re a rögzítési pontok alkatrész-típusjóváhagyását el kell végezni.
6.3.6. Ha a külső ülések és a középső ülések számára nincsenek felső rögzítési pontok, az alsó rögzítési pontokat a 6.4.3. pontban előírt vizsgálatoknak kell alávetni, amelyek során az erőket egy kétpontos biztonsági öv geometriáját leképező készülék útján kell átvinni rájuk.
6.3.7. Ha a járművön olyan berendezések is helyet kapnak, amelyek nem teszik lehetővé, hogy a hevederek közvetlenül, közbenső görgők, stb. alkalmazása nélkül legyenek a rögzítési pontokhoz erősítve, vagy amelyeknél a 3. pontban említetteken kívül további rögzítési pontokra is szükség van, az övet vagy a biztonságiöv-rendszert alkotó kábelek, görgők stb. részegységeit ilyen berendezések útján kell a jármű rögzítési pontjaihoz csatlakoztatni, és a rögzítési pontokat a 6.4. pont vonatkozó előírásainak megfelelően kell vizsgálni.
6.3.8. A 6.3. pont előírásaitól eltérő vizsgálati módszer is alkalmazható, de az egyenértékűséget bizonyítani kell.
6.4. Terhelés nélkül 400 kg-nál ( 74 ) (vagy áruszállításra szolgáló járművek esetében 550 kg-nál) nem nagyobb tömegű járműveken elvégzendő vizsgálatokra vonatkozó egyedi előírások.
6.4.1. Vizsgálat tehetetlenségi zárat és a felső rögzítési ponthoz erősített irányterelőt tartalmazó hárompontosöv-konfigurációban.
6.4.1.1. A kábel vagy heveder számára egy, az erőnek a húzókészülékről való átvitelére alkalmas jellemzőkkel bíró sajátos irányterelőt vagy a gyártó által szállított irányterelőt kell a felső rögzítési pontokhoz erősíteni.
6.4.1.2. Az öv felső átlós hevederének geometriáját leképező készülék útján 675 ± 20 daN próbaterhelést kell az öv rögzítési pontjaihoz erősített húzókészüléken (lásd a IV. melléklet 2. ábráját) alkalmazni.
6.4.1.3. Ugyanakkor 675 ± 20 daN húzóerőt kell egy, a két alsó rögzítési ponthoz erősített húzókészülékre (lásd a IV. melléklet 1. ábráját) kifejteni.
6.4.2. Vizsgálat tehetetlenségi zárat nem vagy azt a felső rögzítési pontnál tartalmazó hárompontosöv-konfigurációban.
6.4.2.1. A felső rögzítési ponthoz erősített húzókészüléken (lásd a IV. melléklet 2. ábráját) és ugyanazon öv átellenes alsó rögzítési pontján 675 ± 20 daN próbaterhelést kell alkalmazni egy, a felső rögzítési ponthoz erősített visszahúzó szerkezet útján, ha ilyet a gyártó szállít.
6.4.2.2. Ugyanakkor 675 ± 20 daN húzóerőt kell egy, az alsó rögzítési pontokhoz erősített húzókészülékre (lásd a IV. melléklet 1. ábráját) kifejteni.
6.4.3. Vizsgálat kétpontosöv-konfigurációban.
6.4.3.1. A két alsó rögzítési ponthoz erősített húzókészüléken (lásd a IV. melléklet 1. ábráját) 1 110± 20 daN próbaterhelést kell alkalmazni.
6.4.4. Rögzítési pont vizsgálata olyan esetben, amikor vagy az összes rögzítési pont az ülés szerkezetén van, vagy amikor el vannak osztva az ülés és a jármű szerkezete között.
6.4.4.1. Az eset jellegétől függően a 6.4.1., 6.4.2. és 6.4.3. pontban leírt vizsgálatokat kell elvégezni, minden üléshez és minden üléscsoporthoz hozzáadva még az alábbi járulékos erőket.
6.4.4.2. A 6.4.1., 6.4.2. és 6.4.3. pontban említett erőn kívül egy, az egész ülés súlyának tízszeresét kitevő hosszirányú és vízszintes erőt kell az ülés súlypontjában alkalmazni.
6.4.5. Vizsgálat különleges típusú övkonfigurációban.
6.4.5.1. Az öv felső átlós hevederének vagy hevedereinek geometriáját leképező készülék útján 675 ± 20daN próbaterhelést kell az ilyen típusú biztonsági öv rögzítési pontjaihoz erősített húzókészüléken (lásd a IV. melléklet 2. ábráját) alkalmazni.
6.4.5.2. Ugyanakkor 675 ± 20 daN húzóerőt kell egy, az alsó rögzítési pontokhoz erősített húzókészülékre (lásd a IV. melléklet 3. ábráját) kifejteni.
6.5. Terhelés nélkül 400 kg-nál (vagy áruszállításra szolgáló járművek esetében 550 kgnál) nagyobb tömegű járműveken elvégzendő vizsgálatokra vonatkozó egyedi előírások.
A gépjárművek biztonsági öveinek bekötési pontjaira vonatkozó 76/115/EGK irányelv ( 75 ) I. mellékletében szereplő sajátos vizsgálati módszerekre vonatkozó előírásokat kell alkalmazni az M1 kategóriájú gépjárművekre.
7. A VIZSGÁLATOK UTÁNI ELLENŐRZÉS
A vizsgálatok után fel kell jegyezni a rögzítési pontoknak és az azokat hordozó szerkezeteknek a vizsgálatok során bekövetkezett mindennemű károsodását.
II. MELLÉKLET

1. ábra
Tényleges rögzítésipont-csatlakozási területek

2. ábra
Tényleges felső rögzítési pontok az I. melléklet 4.3.7.3. pontjának megfelelően
III. MELLÉKLET
A H PONT HELYZETÉNEK ÉS A HÁTTÁMLA VALÓDI DŐLÉSSZÖGÉNEK MEGHATÁROZÁSÁRA, ÉS EZEKNEK AZ R PONT HELYZETÉHEZ ÉS A TERVEZETT HÁTTÁMLA-ÁLLÁSSZÖGHÖZ VALÓ VISZONYÁNAK ELLENŐRZÉSÉRE SZOLGÁLÓ ELJÁRÁS
1. FOGALOMMEGHATÁROZÁSOK
1.1. Az utastérben ülő személy helyzetét jellemző "H" pont az emberi test lábai és törzse közötti elméleti forgástengelyének egy függőleges hosszanti síkkal való metszéspontja, amint az az alábbi 3. pontban leírt próbabábun látható.
1.2. "R pont" vagy az "ülőhelyzeti referenciapont": egy, a gyártó által meghatározott pont, amely:
1.2.1. a jármű szerkezetéhez képest meghatározott koordinátákkal rendelkezik;
1.2.2. a törzs/láb forgáspont ("H" pont) elméleti helyzetének felel meg a legalsó és leghátsó rendes vezetési helyzetben vagy üléshasználati helyzetben, amelyet minden általa meghatározott ülőhelyre a jármű gyártója ad meg.
1.3. "háttámla-dőlésszög": a háttámla hajlásszöge a függőlegeshez képest.
1.4. "valódi háttámla-dőlésszög": a H ponton áthaladó függőleges egyenes és az emberi test törzsének az alábbi 3. pontban bemutatott próbabábu által képviselt referenciaegyenese közötti szög.
1.5. "tervezett háttámla-dőlésszög": egy, a gyártó által meghatározott szög, amely:
1.5.1. meghatározza a háttámla dőlésszögét a legalsó és leghátsó rendes vezetési helyzetben vagy üléshasználati helyzetben, amelyet minden általa meghatározott ülőhelyre a jármű gyártója ad meg;
1.5.2. az R pontnál a függőleges egyenes és a törzs referenciavonala között mérhető;
1.5.3. elméletileg megegyezik a valódi dőlésszöggel.
2. A H PONTOK ÉS A VALÓDI HÁTTÁMLA-DŐLÉSSZÖGEK MEGHATÁROZÁSA
2.1. A H pontot és a valódi háttámla-dőlésszöget a gyártó által szállított valamennyi ülésre meg kell határozni. Ahol az ugyanazon sorban lévő ülések hasonlónak tekinthetők (pad, azonos kivitelű ülések, stb.), csak egy H pontot és egy valódi háttámla-dőlésszöget kell meghatározni minden üléssorra, az alábbi 3. pontban leírt próbabábut egy, a sorra nézve jellemzőnek tekintett ülésben helyezve el. Ez a hely:
2.1.1. első ülések esetében a vezető ülése;
2.1.2. hátsó üléssor (vagy sorok) esetében az egyik külső ülés.
2.2. A H pont és a valódi háttámla-dőlésszög meghatározásakor a kérdéses ülést a gyártó által megadott, vezetésre vagy utazásra még alkalmas leghátsó rendes helyzetbe kell állítani és a háttámlát, ha állítható, a gyártó által megadott helyzetben kell rögzíteni, vagy ha ilyen előírás nincs, akkor úgy, hogy a valódi dőlésszög 25° és 15° között legyen.
3. A PRÓBABÁBU JELLEMZŐI
3.1. Egy átlagos méretű felnőtt körvonalainak és tömegének megfelelő háromdimenziós próbabábut kell alkalmazni. E melléklet függelékének 1. és 2. ábráján látható a próbabábu vázlata.
3.2. A próbabábu az alábbiakat foglalja magában:
3.2.1. két rész, amelyek egyike a hátat, másika a medencét szimulálja, egy, a törzs és a combok forgástengelyét képviselő tengely mentén összekapcsolva. Ennek a tengelynek a nyompontja a próbabábu lágyéki részén a bábu H pontja;
3.2.2. két, a lábakat szimuláló alkatrész, a medencét szimuláló részhez illesztve;
3.2.3. két, a lábfejeket szimuláló alkatrész, a lábakhoz a bokát szimuláló kötéssel illesztve;
3.2.4. a medencét szimuláló alkatrész oldaldőlésének ellenőrzését lehetővé tévő vízmértékkel is el van látva.
3.3. A megfelelő súlypontokat megtestesítő adott helyeken az egyes testrészek súlyát képviselő tömegek vannak elhelyezve, hogy a próbabábu teljes tömege kb. 75,6 kg legyen. A különböző nehezékek részletes értékei a függelék 2. ábráján láthatók.
3.4. A próbabábu törzsének referenciavonala egy egyenes, amely áthalad a láb és a medence kapcsolódási vonalán, valamint a nyak és a mellkas elméleti kapcsolódási pontján (lásd a függelék 1. ábráját).
4. A PRÓBABÁBU ELHELYEZÉSE
A háromdimenziós próbabábut az alábbiak szerint kell elhelyezni:
4.1. a járművet vízszintes síkon kell elhelyezni, és az üléseket a 2.2. pontban leírtak szerint kell beállítani;
4.2. a vizsgálandó ülést egy, a próbabábu megfelelő elhelyezését elősegítő szövettel kell letakarni;
4.3. a próbabábut a vizsgálatnak megfelelő helyzetben kell leültetni, forgástengelyének a jármű hosszanti középső szimmetriasíkjára derékszögben kell állnia;
4.4. a próbabábu lábfejeit az alábbiak szerint kell elhelyezni:
4.4.1. ha a próbabábu az első ülésen ül, úgy kell elhelyezni, hogy az ülés keresztirányú dőlésének ellenőrzését lehetővé tevő vízmérték vízszintest mutasson;
4.4.2. ha a próbabábu egy hátsó ülésen ül, lábait úgy kell elhelyezni, hogy amennyire csak lehetséges, azok érintkezzenek az első ülésekkel. Ha ekkor a lábak a padló nem egyforma magasságú részein nyugszanak, az a láb, amelyik először kerül érintkezésbe az első üléssel, referenciaként szolgál, és a másik lábat úgy kell elrendezni, hogy az ülés keresztirányú dőlésének ellenőrzését lehetővé tevő vízmérték vízszintest mutasson;
4.4.3. ha a H pont meghatározása egy középső ülésen történik, a lábakat az alagút két oldalán kell elhelyezni;
4.5. a nehezékeket el kell helyezni a combrészeken, az ülés keresztirányú dőlését ellenőrző vízmértéket vízszintesbe kell állítani és a nehezékeket el kell helyezni a próbabábu ülepét képviselő alkatrészen;
4.6. a próbabábut el kell húzni az ülés háttámlájától a térd tengelyrúdjánál fogva és a hátrészét előre kell billenteni. A próbabábut vissza kell helyezni az ülésbe, üleprészét érezhető ellenállásig hátratolva, majd hátát hátrahajtva úgy, hogy az a háttámlán támaszkodjék;
4.7. ekkor két ízben kb. 10 ± 1 daN nagyságú vízszintes erőt kell alkalmazni a próbabábun. Az erő irányát és alkalmazásának helyét a függelék 2. ábráján fekete nyíl mutatja;
4.8. ez után el kell helyezni a nehezékeket a jobb és bal oldali ágyékrészen, majd fel kell rakni a mellkasi nehezékeket. A próbabábu keresztirányú helyzetének vízszintesnek kell maradnia;
4.9. miközben a próbabábu keresztirányú vízmértéke vízszintes marad, a bábu hátát előre kell hajtani, hogy a mellrész nehezékei a H pont fölé kerüljenek úgy, hogy semmiféle érintkezés ne álljon fenn az ülés háttámlájával;
4.10. ekkor a hátrészt óvatosan hátrafelé kell mozdítani az elhelyezési művelet befejezése céljából. A próbabábu keresztirányú vízmértékének vízszintesnek kell lennie, ellenkező esetben a fenti eljárást meg kell ismételni.
5. AZ EREDMÉNYEK
5.1. Ha a próbabábut a 4. pontnak megfelelően elhelyezték, meg kell határozni a szóban forgó H pontot és a valódi háttámla-dőlésszöget a H pont és a próbabábu törzsének referenciavonala alapján.
5.2. A H pont koordinátáit három, a valódi háttámla-dőlésszögre merőleges síkhoz viszonyítva kell megmérni a jármű gyártója által szolgáltatott adatokkal való összevetés céljából.
6. AZ R ÉS H PONTHOZ VISZONYÍTOTT HELYZET, VALAMINT A HÁTTÁMLA TERVEZETT DŐLÉSSZÖGE ÉS A VALÓDI HÁTTÁMLA-DŐLÉSSZÖG KÖZÖTTI VISZONY ELLENŐRZÉSE
6.1. A H pont és a valódi háttámla-dőlésszög 5.2. pont szerint elvégzett méréseinek eredményeit össze kell hasonlítani az R pont koordinátáival és a jármű gyártója által megadott tervezett háttámla-dőlésszöggel.
6.2. A H és R pont relatív helyzete, valamint a tervezett háttámla-dőlésszög és a valódi háttámla-dőlésszög viszonya akkor tekinthető megfelelőnek a szóban forgó üléshelyzetre nézve, ha a koordinátáival meghatározott H pont egy R középpontú 50 mm-es négyszögön belül helyezkedik el, és ha a valódi háttámla-dőlésszög nem tér el 5°-nál többel a tervezett háttámla-dőlésszögtől.
6.2.1. Ha ezek a feltételek teljesülnek, az R pontot és a tervezett dőlésszöget lehet a vizsgálathoz használni és, ha szükséges, a próbabábut úgy lehet beállítani, hogy a H pont egybeessék az R ponttal és a valódi háttámla-dőlésszög a tervezett háttámla-dőlésszöggel.
6.3. Ha a H pont és a valódi háttámla-dőlésszög nem felel meg a 6.2. pont feltételeinek, a H pontot és a valódi háttámla-dőlésszöget még kétszer (összesen tehát háromszor) meg kell határozni. Ha e három műveletből két alkalommal kapott eredmények megfelelnek az előírásoknak, az eredményt megfelelőnek kell tekinteni.
6.4. Ha a három műveletből legalább két alkalommal kapott eredmények nem felelnek meg a 6.2. pont előírásainak, a vizsgálat eredményei nem tekinthetők megfelelőnek.
6.5. Ha a 6.4. pontban leírt helyzet áll elő, vagy ha az ellenőrzést azért nem lehet elvégezni, mert a gyártó nem adott információt az R pont helyzetére vagy a tervezett háttámla-dőlésszögre nézve, a három meghatározás eredményének átlagát lehet használni és minden olyan esetben alkalmazni, amikor ebben a fejezetben az R pontról vagy a tervezett háttámla-dőlésszögről történik említés.
Függelék

1. ábra
A háromdimenziós próbabábu alkatrészei

2. ábra
A próbabábu méretei és tömege
IV. MELLÉKLET
HÚZÓKÉSZÜLÉK

(méretek mm-ben)
1. ábra

2. ábra

3. ábra
V. MELLÉKLET
1. függelék

2. függelék

VI. MELLÉKLET
BIZTONSÁGI ÖVEKRE VONATKOZÓ ELŐÍRÁSOK
1. A 77/541/EGK irányelv ( 76 ) mellékleteiben szereplő M1 kategóriájú járművekre vonatkozó előírások érvényesek.
2. Azonban az említtett irányelv I. melléklete 3. pontjában szereplő beszerelési előírásoktól eltérve, a terhelés nélkül 400 kg-nál (vagy áruszállításra szolgáló járművek esetében 500 kg-nál) nem nagyobb tömegű járműveken az alábbi összeállítású biztonsági övek is használhatók:
2.1. a külső üléseknél kétpontos és átlós övek tehetetlenségi zárral vagy anélkül,
2.2. a középső üléseknél kétpontos vagy kétpontos és átlós övek tehetetlenségi zárral vagy anélkül.
1. függelék

2. függelék

3. függelék

4. függelék

12. FEJEZET
KAROSSZÉRIÁVAL ELLÁTOTT HÁROMKEREKŰ MOPEDEK, TRICIKLIK- ÉS NÉGYKEREKŰMOTORBICIKLIK ÜVEGEZÉSE, SZÉLVÉDŐTÖRLŐI, -MOSÓI, JÉG- ÉS PÁRAMENTESÍTŐI
A MELLÉKLETEK JEGYZÉKE
I. MELLÉKLET | Üvegezés |
1. függelék | Karosszériával ellátott háromkerekű mopedek vagy triciklik vagy négykerekű motorbiciklik egy üvegezési típusára vonatkozó adatközlő lap |
2. függelék | Karosszériával ellátott háromkerekű mopedek vagy triciklik vagy négykerekű motorbiciklik egy üvegezési típusára vonatkozó alkatrész-típusbizonyítvány |
3. függelék | Egy karosszériával ellátott háromkerekűmoped- vagy tricikli- vagy négykerekűmotorbicikli-típus üvegezés-beszerelésére vonatkozó adatközlő lap |
4. függelék | Egy karosszériával ellátott háromkerekűmoped- vagy tricikli- vagy négykerekűmotorbicikli-típus üvegezés-beszerelésére vonatkozó alkatrész-típusbizonyítvány |
II. MELLÉKLET | Karosszériával ellátott háromkerekű mopedek vagy triciklik vagy négykerekű motorbiciklik szélvédőtörlői és -mosói, jég- és páramentesítői |
1. függelék | Karosszériával ellátott háromkerekű mopedek vagy triciklik vagy négykerekű motorbiciklik szélvédői V ponthoz viszonyított látóterének meghatározása céljából követendő eljárás |
2. függelék | A szélvédőtörlők és -mosók vizsgálatára szolgáló keverék |
3. függelék | Egy karosszériával ellátott háromkerekűmoped- vagy tricikli- vagy négykerekűmotorbicikli-típus szélvédőtörlőjére vonatkozó adatközlő lap |
4. függelék | Egy karosszériával ellátott háromkerekűmoped- vagy tricikli- vagy négykerekűmotorbicikli-típus szélvédőtörlőjére vonatkozó alkatrész-típusbizonyítvány |
5. függelék | Egy karosszériával ellátott háromkerekűmoped- vagy tricikli- vagy négykerekűmotorbicikli-típus szélvédőmosójára vonatkozó adatközlő lap |
6. függelék | Egy karosszériával ellátott háromkerekűmoped- vagy tricikli- vagy négykerekűmotorbicikli-típus szélvédőmosójára vonatkozó alkatrész-típusbizonyítvány |
7. függelék | Egy karosszériával ellátott háromkerekűmoped- vagy tricikli- vagy négykerekűmotorbicikli-típus jég- és páramentesítő berendezésére vonatkozó adatközlő lap |
8. függelék | Egy karosszériával ellátott háromkerekűmoped- vagy tricikli- vagy négykerekűmotorbicikli-típus jég- és páramentesítő berendezésére vonatkozó alkatrész-típusbizonyítvány |
I. MELLÉKLET
ÜVEGEZÉS
E fejezet alkalmazásában "karosszériával ellátott jármű" minden olyan jármű, amelyben az utasteret a következő elemek közül legalább négy határolja: szélvédő, padló, tetőzet, oldalfalak, hátfalak, ajtók.
1. TERVEZÉSI ELŐÍRÁSOK
1.1. Az e fejezet által érintett, 45 km/h-nál nagyobb maximális sebességre tervezett járművekre a gépjárművek és pótkocsijaik biztonsági üvegezéséről és az üvegezésre használt anyagokról szóló 92/22/EGK ( 77 ) irányelvben szereplő tervezési és beépítési előírások érvényesek.
1.2. Az e fejezet által érintett, 45 km/h-nál nem nagyobb maximális sebességre tervezett járművekre a 92/22/EGK irányelvben vagy a kerekes mezőgazdasági vagy az erdészeti traktorok egyes alkatrészeire és jellemzőire vonatkozó 89/173/EGK ( 78 ) irányelv III. mellékletében szereplő előírások érvényesek. Azonban:
1.2.1. a 89/173/EGK irányelv III-A. melléklete 10. pontja helyébe a következő szöveg lép: "Évi két ellenőrzés engedélyezett".
1.2.2. a 89/173/EGK irányelv III-B. és III-P. mellékletét az 1.-4. függelék váltja fel.
2. AZ 1.2. PONTBAN EMLÍTETT JÁRMŰVEK SZÉLVÉDŐINEK ÉS MÁS ÜVEGEINEK FELSZERELÉSÉRE VONATKOZÓ ELŐÍRÁSOK
2.1. A gyártó tetszése szerint a karosszériával ellátott járművek felszerelhetők:
2.1.1. a 89/173/EGK irányelv III-A. melléklete előírásainak megfelelő "szélvédőkkel" és "üvegekkel, amelyek nem szélvédők";
2.1.2. vagy a 89/173/EGK irányelv III-A. melléklete szerint az "üvegekre, amelyek nem szélvédők" érvényes előírásokat teljesítő szélvédőkkel, de olyan üvegek kivételével, amelyekre az említett irányelv III-C. mellékletének 9.1.4.2. pontja vonatkozik (üvegezés, amelynek szabályos fényátbocsátási tényezője 70 %-nál kisebb lehet).
1. függelék

2. függelék

3. függelék

4. függelék

II. MELLÉKLET
KAROSSZÉRIÁVAL ELLÁTOTT HÁROMKEREKŰ MOPEDEK VAGY TRICIKLIK VAGY NÉGYKEREKŰ MOTORKERÉKPÁROK SZÉLVÉDŐTÖRLŐI ÉS -MOSÓI, JÉG- ÉS PÁRAMENTESÍTŐI
1. FOGALOMMEGHATÁROZÁSOK
Ennek az irányelvnek az alkalmazásában:
1.1. "járműtípus a szélvédőtörlők, -mosók, jég- és páramentesítők szempontjából": olyan járművek, amelyek nem különböznek egymástól olyan lényeges szempontokból, mint:
1.1.1. a külső és belső formák és szerelvények, amelyek az 1. függelék 1. pontjában meghatározott területen belül befolyásolhatják a kilátást;
1.1.2. a szélvédőnek és felszerelésének alakja, méretei és jellemzői;
1.1.3. a szélvédőtörlők, -mosók és a fülkefűtés rendszerének jellemzői;
1.2. "V pontok": azok a pontok, amelyeknek a fülkén belüli helyzetét a legkülső elöl lévő üléshelyek közepén áthaladó függőleges hosszirányú síkok határozzák meg, és amelyek az R ponthoz és a tervezett háttámla-dőlésszöghöz képest elfoglalt helyzetük alapján a látómezőkre vonatkozó követelmények teljesítésének ellenőrzésére szolgálnak (lásd az 1. függeléket);
1.3. "R pont vagy üléshelyzet-referenciapont és a H pont": a biztonsági övek rögzítési pontjaira és biztonsági övekre vonatkozó 11. fejezet meghatározásai érvényesek;
1.4. "szélvédő-referenciapontok": a V pontokból kisugárzó egyeneseknek a szélvédő külső felületével alkotott metszéspontjai;
1.5. "szélvédő átlátszó területe": a felületnek az a része, amelynek a felületre merőlegesen mért fényátbocsátási tényezője legalább 70 %,
1.6. "szélvédőtörlő": egy részegység, amely a szélvédő külső felületét törlő eszközből és annak elindításához és megállításához szükséges tartozékokból és vezérlőelemekből áll,
1.7. "szélvédőtörlő-mező": a nedves szélvédőnek az a külső felülete, amelyet a szélvédőtörlő végigsöpör;
1.8. "szélvédőmosó": egy folyadék tárolására és a szélvédő külső felületére juttatásra szolgáló készülék a működtetéséhez és megállításához szükséges tartozékokkal és vezérléssel együtt;
1.9. "szélvédőmosó vezérlése": egy, a szélvédőmosó-berendezés elindítására és megállítására szolgáló egység vagy tartozék. Az indítás és megállítás összehangolható a szélvédőtörlő működésével, de lehet attól teljesen független is;
1.10. "szélvédőmosó-szivattyú": olyan készülék, amelynek az a feladata, hogy a szélvédőmosó-folyadékot a tartályból a szélvédő felületére juttassa;
1.11. "fúvóka": olyan állítható készülék, amely a szélvédőmosó-folyadékot a szélvédőre irányítja;
1.12. "szélvédőmosó működése": a szélvédőmosó-berendezésnek az a képessége, hogy a folyadékot a szélvédő célterületére irányítja anélkül, hogy a berendezés rendes használata során szivárgás állna elő vagy a szélvédőmosó-cső leválna;
1.13. "jégmentesítő berendezés": olyan készülék, amelynek feladata a dér vagy jég leolvasztása a szélvédő felületéről és ezáltal a kilátás helyreállítása;
1.14. "jégmentesítés": a dér- vagy jégréteg eltávolítása az üvegezett felületekről a jégmentesítő és szélvédőtörlő-berendezések segítségével;
1.15. "jégmentesített terület": az üvegezett felületnek az a területe, amely száraz, vagy kívülről a szélvédőtörlővel eltakarítható megolvadt vagy részben megolvadt (nedves) jéggel van borítva, de ebbe nem tartozik bele a szélvédő száraz fagyott réteggel borított területe;
1.16. "páramentesítő berendezés": olyan készülék, amelynek feladata a páraréteg eltávolítása a szélvédő belső felületéről és ezáltal a kilátás helyreállítása;
1.17. "páraréteg": páralecsapódás az üvegezett felületek belső oldalán,
1.18. "páramentesítés": az üvegezett felületeket borító párarétegnek a páramentesítő berendezés segítségével történő eltávolítása.
2. ELŐÍRÁSOK
2.1. A szélvédőtörlő
2.1.1. Minden járművet el kell látni legalább egy automatikus működésű szélvédőtörlő-berendezéssel, azaz olyannal, amely ha a jármű motorja jár, a berendezés be- és kikapcsolásától eltekintve, a vezető közreműködése nélkül tud üzemelni.
2.1.1.1. A szélvédőtörlő-berendezésnek legalább az 1. függelék 2.2. pontjában meghatározott A. látómező 90 %-át le kell fednie.
2.1.2. A szélvédőtörlőnek legalább 40 ciklus/min törlési frekvenciával kell működnie; a ciklus a szélvédőtörlő egy előre- és egy visszamozgásából áll.
2.1.3. A 2.1.2. pontban említett frekvenciá(ka)t a 3.1.1.-3.1.8. pontban jelzettek szerint kell elérni.
2.1.4. A szélvédőtörlő-kart úgy kell felszerelni, hogy a szélvédő kézi tisztításának lehetővé tétele céljából vissza lehessen hajtani a szélvédőről.
2.1.5. A szélvédőtörlő-karnak a 3.1.9. pont előírásainak megfelelően legalább két percig kell tudnia száraz szélvédőn működni.
2.1.6. A rendszernek el kell viselnie egyhuzamban történő 15 másodperces megállítást, függőleges helyzetében rögzített szélvédőtörlő-kar és maximális törlési frekvenciára állított vezérlőberendezés mellett.
2.2. A szélvédőmosó
2.2.1. Minden járművet el kell látni szélvédőmosó-berendezéssel, amely kibírja az eltömődött fúvókák miatt bekövetkező terheléseket, ha a rendszert a 3.2.1. pontban leírt módszerrel működésbe hozzák.
2.2.2. A szélvédőmosó- és szélvédőtörlő-berendezések működését nem ronthatja a 3.2.2. és 3.2.3. pontban előírt hőmérsékleti ciklusok hatása.
2.2.3. A szélvédőmosó-berendezésnek elegendő folyadékot kell szállítania ahhoz, hogy képes legyen az 1. függelék 2.2. pontjában meghatározott terület 60 %-ának megtisztítására a 3.2.4. pontban megadott feltételek mellett.
2.2.4. A folyadéktartály térfogatának legalább 1 liternek kell lennie.
2.3. A jég- és páramentesítő
2.3.1. Minden járművet el kell látni szélvédő-jégmentesítővel és -páramentesítővel, amely képes eltávolítani bármilyen jeget vagy deret a szélvédő külső, és bármilyen párát annak belső felületéről.
Mindazonáltal ez a berendezés nem szükséges olyan karosszériával ellátott háromkerekű mopedekben, amelyek motorteljesítménye legfeljebb 4 kW, valamint olyan járművekben, amelyekben a szélvédőhöz nem kapcsolódik a szélvédő mögött hátrafelé 100 mm-nél nagyobb mértékben kinyúló támaszelem, egyéb szerkezeti elem vagy kiegészítő elem. El kell látni ugyanakkor ezzel a berendezéssel minden olyan járművet, amely rögzített, leszerelhető vagy hátrahúzható tetőzettel rendelkezik.
2.3.2. A 2.3.1. pontban előírt feltételek teljesítettnek tekinthetők, ha a jármű olyan megfelelő utastérfűtő-rendszerrel van ellátva, amely teljesíti a gépjárművek utastereinek fűtésrendszereire vonatkozó 78/548/EGK ( 79 ) irányelvben meghatározott feltételeket, az I. melléklet 2.4.1.1. és 2.4.1.2. pontját kiegészítve a következőkkel: "ellenben egyértelműen bizonyítani kell, hogy semmiféle szivárgás nem juthat az utastérbe".
2.3.3. A 2.3.2. ponttól eltérve, a gépjárművek üvegeinek jég- és páramentesítő rendszereire vonatkozó 78/317/EGK ( 80 ) irányelv követelményei 15 kW-nál nagyobb teljesítményű járművekre érvényesek.
3. A VIZSGÁLATI ELJÁRÁS
3.1. A szélvédőtörlő
3.1.1. Eltérő rendelkezés hiányában, az alábbiakban leírt vizsgálatokat a következő feltételek mellett kell elvégezni:
3.1.2. A környezeti hőmérséklet nem lehet 10 °C-nál alacsonyabb és 40 °C-nál magasabb.
3.1.3. A szélvédőt állandóan nedvesen kell tartani.
3.1.4. Ha a szélvédőtörlő villamos működtetésű, még a következő kiegészítő feltételeket is tejesíteni kell:
3.1.4.1. az akkumulátort teljesen fel kell tölteni;
3.1.4.2. a motornak a maximális teljesítményhez tartozó fordulatszám 30 ± 10 %-ának megfelelő fordulatszámon kell járnia;
3.1.4.3. a tompított fényszóróknak égniük kell;
3.1.4.4. az esetleges fűtő- és/vagy szellőzőberendezéseknek, ha villamos működtetésűek, a maximális teljesítményfelvételt eredményező viszonyok mellett kell működniük;
3.1.4.5. az esetleges jégmentesítő- és páramentesítő-berendezéseknek, ha villamos működtetésűek, a maximális teljesítményfelvételt eredményező viszonyok mellett kell működniük.
3.1.5. A sűrített levegővel vagy vákuummal működő szélvédőtörlőknek a motor fordulatszámától vagy terhelésétől függetlenül folyamatosan kell működniük a megkívánt frekvencián.
3.1.6. A szélvédőtörlők törlési frekvenciáinak nedves felületen végzett 20 percnyi előzetes működés után teljesíteniük kell a 2.1.2. pontban megadott feltételeket.
3.1.7. A szélvédő külső felületét metil-alkohollal vagy más egyenértékű zsírtalanító szerrel alaposan zsírtalanítani kell.
Száradás után legalább 3 %-os, de legfeljebb 10 %-os ammóniaoldattal kell az üveget lemosni és hagyni kell megszáradni. Ez után át kell törölni egy száraz pamutruhával.
3.1.8. Ezt követően egyenletes rétegben vizsgálókeveréket kell a szélvédő külső felületére felvinni (lásd a 2. függeléket) és hagyni megszáradni.
3.1.9. A 2.1.5. pont előírásait a 3.1.4. pontban megadott feltételek mellett kell teljesíteni.
3.2. A szélvédőmosó
Vizsgálati feltételek
3.2.1.
1. sz. vizsgálat
3.2.1.1. A szélvédőmosót fel kell tölteni vízzel, és a rendszert teljesen légteleníteni kell. Ez után legalább 4 órán keresztül 20 ± 5 °C környezeti hőmérsékleten kell tartani. Minden fúvókát le kell zárni, és a vezérlő berendezést egy percen belül hat ízben kell működtetni, minden alkalommal legalább 3 másodpercen át. Ha a készüléket a vezető izomenergiája működteti, a szükséges erőnek az alábbi táblázat szerintinek kell lennie:
A szivattyú típusa | Kívánt működtető erő |
kézi működtetés | 11-13,5 daN |
lábműködtetés | 40-44,5 daN |
3.2.1.2. A villamos üzemű szivattyúknál a vizsgálatnál használt feszültség nem lehet a névleges feszültségnél kevesebb, de nem is lépheti ezt túl 2 V-nál többel.
3.2.1.3. A vizsgálat befejeztével a szélvédőmosónak az 1.12. pontban előírt módon kell működnie.
3.2.2.
2. sz. vizsgálat (alacsony hőmérsékleten végzett vizsgálat)
3.2.2.1. A szélvédőmosót fel kell tölteni vízzel, és a rendszert teljesen légteleníteni kell. Ez után legalább 4 órán keresztül -18 ± 3 °C környezeti hőmérsékleten kell tartani, biztosítva, hogy a berendezésben lévő összes víz megfagyjon. Ezt követően a készüléket 20 ± 2 °C környezeti hőmérsékleten kell tartani, amíg minden jég el nem olvad. Ekkor ellenőrizni kell a berendezés működését és működtetni kell a 3.2.1. pont követelményeinek megfelelően.
3.2.3.
3. sz. vizsgálat (magas hőmérsékleten végzett vizsgálat)
3.2.3.1. A szélvédőmosót fel kell tölteni 60 ± 3 °C hőmérsékletű vízzel. Ez után a 3.2.1. pont szerint üzemeltetve ellenőrizni kell a berendezés működését.
3.2.4.
4. sz. vizsgálat (a 2.2.3. pont szerinti szélvédőmosó hatékonysági vizsgálata)
3.2.4.1. A szélvédőmosót fel kell tölteni vízzel, és a rendszert teljesen légteleníteni kell. Álló járművel és a számottevő szélhatás kiküszöbölése mellett be kell állítani a szélvédőmosó-fúvóká(ka)t, hogy a szélvédő külső felületének célterületére irányuljanak. Ha a berendezést a vezető izomereje működteti, az alkalmazott erő nem lehet nagyobb a 3.2.1.1. pontban megadott értéknél. Ha a berendezést villamos hajtású szivattyú működteti, a 3.1.4. pont előírásai érvényesek.
3.2.4.2. A szélvédő külső felületét a 3.1.7. és 3.1.8. pontban leírtak szerint kell kezelni.
3.2.4.3. Ez után a szélvédőmosót a gyártó előírásainak megfelelően, a szélvédőtörlő maximális frekvenciájú tíz automatikus ciklusának idejéig kell működtetni, és az 1. függelék 2.2. pontjának megfelelően meg kell határozni a látómező így megtisztított felületének arányát.
3.3. A szélvédőmosó 3.2.1.-3.2.3. pontban leírt valamennyi vizsgálatát ugyanazon a berendezésen kell elvégezni.
1. függelék
A karosszériával ellátott háromkerekű mopedek vagy triciklik vagy négykerekű motorbiciklik szélvédői V ponthoz viszonyított látóterének meghatározása céljából követendő eljárás
1. A V PONTOK HELYEI
1.1. Az I. és II. táblázat megadja a V pontoknak az R pontokhoz viszonyított helyét az X, Y és Z koordináták útján, a háromdimenziós referenciarendszerben.
1.2. Az I. táblázat 25°-osra tervezett háttámla-dőlésszögre adja meg az alapkoordinátákat. A koordináták pozitív iránya az 1. ábrán látható.
I. TÁBLÁZAT
V pont | X | Y | Z |
V1 | 68 mm | - 5 mm | 665 mm |
V2 | 68 mm | - 5 mm | 589 mm |
1.3. 25°-ostól eltérőre tervezett háttámla-dőlésszög esetén végrehajtandó korrekció
1.3.1. A II. táblázat minden V pontra megadja az X koordináták ΔX korrekcióit, ha a tervezett háttámla-dőlésszög eltér 25°-tól. A koordináták pozitív iránya az 1. ábrán látható.
II. TÁBLÁZAT
Háttámla-dőlésszög (fokokban) | Vízszintes koordináták Δ X (mm-ben) |
5 | - 186 |
6 | - 177 |
7 | - 167 |
8 | - 157 |
9 | - 147 |
10 | - 137 |
11 | - 128 |
12 | - 118 |
13 | - 109 |
14 | - 99 |
15 | - 90 |
16 | - 81 |
17 | - 72 |
18 | - 62 |
19 | - 53 |
20 | - 44 |
21 | - 35 |
22 | - 26 |
23 | - 18 |
24 | - 9 |
25 | 0 |
26 | 9 |
27 | 17 |
28 | 26 |
29 | 34 |
30 | 43 |
31 | 51 |
32 | 59 |
33 | 67 |
34 | 76 |
35 | 84 |
36 | 92 |
37 | 100 |
38 | 108 |
39 | 115 |
40 | 123 |
2. A LÁTÓMEZŐK
2.1. A V pontokból két látómezőt kell meghatározni.
2.2. Az "A" látómező a szélvédő külső kidomborodó felületének a V pontokból előrenyúló következő négy sík által határolt területe (lásd az 1. ábrát):
- egy, a V1 és V2 ponton áthaladó függőleges sík, amely balra az X tengellyel 18°-os szöget zár be,
- egy, az Y tengellyel párhuzamos és a V1-en áthaladó sík, amely felfelé az X tengellyel 3°-os szöget zár be,
- egy, az Y tengellyel párhuzamos és a V2-en áthaladó sík, amely lefelé az X tengellyel 1°-os szöget zár be,
- egy, a V1 és V2 ponton áthaladó függőleges sík, amely jobbra az X tengellyel 20°-os szöget zár be.

1. ábra
Az "A" látómező
2. függelék
A szélvédőtörlők és -mosók vizsgálatára szolgáló keverék
A 3.1.8. és 3.2.4.2. pontban említett vizsgálókeverék 92,5 térfogatszázalék vizet (amelynek keménysége kisebb, mint 205 g/1 000 kg az elpárolgást követően), 5 térfogatszázalék tömény, vízben oldódó sót (konyhasót) és 2,5 tömegszázalék, az I. és II táblázatban megadott összetételű port tartalmaz.
I. TÁBLÁZAT
A vizsgálópor összetétele
Vegyület | Tömegszázalék |
SiO2 | 67-69 |
Fe2O3 | 3-5 |
Al2O3 | 15-17 |
CaO | 2-4 |
MgO | 0,5-1,5 |
Lúgok | 3-5 |
Izzítási maradékok | 2-3 |
II. TÁBLÁZAT
A durva por eloszlása a szemcsenagyságnak megfelelően
Szemcsenagyság (μm-ben) | Méret szerinti eloszlás (%-ban) |
0-5 | 12 ± 2 |
5- 10 | 12 ± 3 |
10-20 | 14 ± 3 |
20-40 | 23 ± 3 |
40-80 | 30 ± 3 |
80-200 | 9 ± 3 |
3. függelék

4. függelék

5. függelék

6. függelék

7. függelék

8. függelék

( 1 ) HL C 177., 1994.6.29., 1. o. és
HL C 21., 1996.1.25., 23. o.
( 2 ) HL C 195., 1994.7.18., 77. o.
( 3 ) Az Európai Parlament 1995. május 18-i véleménye (HL C 151., 1995.6.19., 184. o.), a Tanács 1995. november 23-i közös álláspontja (HL C 190., 1996.6.29., 1. o.) és az Európai Parlament 1996. június 19-i határozata (HL C 198., 1996.7.9., 23. o.). Az Európai Parlament 1997. április 24-i határozata; a Tanács 1997. május 12-i határozata.
( 4 ) HL L 225., 1992.8.10., 72. o.
( 5 ) E/ECE/TRANS/505/REV 1/ADD 29.
( 6 ) E/ECE/TRANS/505/Add.52/Amend.
( 7 ) E/ECE/TRANS/505/REV 1/ADD 63.
( 8 ) E/ECE/TRANS/505/REV 1/ADD 74.
( 9 ) E/ECE/TRANS/324/ADD 2.
( 10 ) E/ECE/TRANS/324/REV 1/ADD 18.
( 11 ) E/ECE/TRANS/324/REV 1/ADD 19.
( 12 ) E/ECE/TRANS/505/REV 1/ADD 36.
( 13 ) E/ECE/TRANS/324/REV 1/ADD 37.
( 14 ) E/ECE/TRANS/505/REV 1/ADD 49.
( 15 ) E/ECE/TRANS/505/REV 1/ADD52/Rev.2.
( 16 ) E/ECE/TRANS/505/REV 1/ADD 55.
( 17 ) E/ECE/TRANS/505/REV 1/ADD 56.
( 18 ) E/ECE/TRANS/505/REV 1/ADD 71.
( 19 ) E/ECE/TRANS/505/REV 1/ADD73/Rev.2/Amend.1.
( 20 ) E/ECE/TRANS/505/REV 1/ADD 81.
( 21 ) E/ECE/TRANS/505/REV 1/ADD 80.
( 22 ) E/ECE/TRANS/505/REV 1/ADD 15.
( 23 ) E/ECE/TRANS/505/Rev.1/Add.40/Rev.2.
( 24 ) HL L 42., 1970.2.23., 1. o. A legutóbb a 96/27/EK irányelvvel (HL L 169., 1996.7.8., 1. o.) módosított irányelv.
( 25 ) HL L 229., 1980.8.30., 49. o. A legutóbb a 80/1272/EGK irányelvvel (HL L 375., 1980.12.31., 73. o.) módosított irányelv.
( 26 ) HL L 349., 1978.12.13., 21. o. A legutóbb a 89/235/EGK irányelvvel (HL L 98., 1989.4.11., 1. o.) módosított irányelv.
( 27 ) HL L 139., 1989.5.23., 19. o. A legutóbb a 93/97/EGK irányelvvel (HL L 290., 1993.11.24., 1. o.) módosított irányelv.
( 28 ) Lásd az 1. függelék ábráját.
( 29 ) Lásd az 1. függelék ábráját.
( 30 ) Lásd az 1. függelék ábráját.
( 31 ) A felfújási nyomásokat az alábbiak szerint is meg lehet határozni:
Gumiabroncs-változat | Sebességkategória-jel | Nyomás | ||
bar | kPa | |||
MOPEDEK | ||||
szabványos | B | 2,25 | 225 | |
megerősített | B | 2,80 | 280 | |
MOTORKERÉKPÁROK | F, G, J, K, L, M, N, P, Q, R, S | 2,25 | 225 | |
szabványos | T, U, H, V, W | 2,80 | 280 | |
megerősített | F-től P-ig | |||
Q, R, S, T, U, H | 3,30 | 330 | ||
MOTORKERÉKPÁR-SZÁRMAZÉKOK | 4PR | F-től M-ig | 3,50 | 350 |
6PR | 4,00 | 400 | ||
8PR | 4,50 | 450 | ||
A többi gumiabroncs-változatot a gyártó által megadott nyomásra kell felfújni. |
( 32 ) A III-B, III-C. és III-D. mellékletben szereplő fényszórók.
( 33 ) A bal oldali közlekedéshez szolgáló mérőernyőnek az e mellékletben látható ábra v-v vonalára szimmetrikusnak kell lennie.
( 34 ) Az izzólámpákra vonatkozó műszaki követelményeket lásd a IV. mellékletben.
( 35 ) Egy fényszóró akkor tekinthető olyannak, mint amely teljesíti e bekezdés követelményeit, ha az izzót könnyen lehet a fényszóróba helyezni és a helyzetét meghatározó fülek még sötétben is helyesen csatlakoztathatók a megfelelő nyílásokba.
( 36 ) Ez a rendelkezés nem vonatkozik a lámpa kapcsolójára.
( 37 ) A próbaernyőnek elég szélesnek kell lennie ahhoz, hogy lehetővé tegye a világos-sötét határvonal vizsgálatát a v-v vonal mindkét oldalán legalább 5°-os szögben.
( 38 ) Olyan esetben, amikor egy fényszórót úgy alakítanak ki, hogy ezen irányelv követelményeit csak a tompított fény tekintetében teljesítse, és a fókusztengely észrevehetően eltér a fénysugár alapvető irányától, vagy bármilyen fényszóró (csak tompított fény vagy kombinált tompított és távolsági fény) esetében, ha a sugár nem képez világos töréspontú világos-sötét határvonalat, olyan oldalirányú beállítást kell alkalmazni, amely a leginkább teljesíti a 75 R és 50 R pontra előírt megvilágítási követelményeket jobb oldali, és a 75 L és 50 L pontra előírt követelményeket bal oldali közlekedés esetében.
( 39 ) Egy tompított fény kibocsátására tervezett fényszóró tartalmazhat olyan távolsági fényt, amely nem felel meg ennek az előírásnak.
( 40 ) Az 1°-os jobb vagy bal oldali beállítási határ nem összeegyeztethetetlen a függőlegesen felfelé vagy lefelé való állítással. Ez utóbbit csak a 3.3. pontban megadott követelmények korlátozzák; mindazonáltal a világos-sötét határvonal vízszintes része nem mehet túl a h-h vonalon (a 3.3. pont rendelkezései nem érvényesek azokra a fényszórókra, amelyek e mellékletnek csak a tompított fényre vonatkozó követelményeit teljesítik).
( 41 ) Ha a vizsgált fényszóró össze van vonva és/vagy kölcsönösen egyesítve van jelzőlámpákkal, ez utóbbit a vizsgálat alatt működtetni kell. Az irányjelző lámpát villogó üzemmódban kell járatni, amikor is a be/ki arány körülbelül 1:1.
( 42 ) Ha a fényszóró villogtatása alkalmával egyidejűleg két vagy több izzószál ég, azt nem kell az izzószál rendes egyidejű használatának tekinteni.
( 43 ) A NaCMC a karboxi-metil-cellulóz nátriumsója, amelyet közönségesen CMC-ként emlegetnek. A szennyező keverékben használt NaCMC-nek 0,6-0,7 helyettesítési fokkal (DS) és 2 %-os oldatban 20 °C-on 200-300 cP viszkozitással kell rendelkeznie.
( 44 ) 50 V a 25 méterre lévő ernyőn 375 mm-rel van a HV alatt, a v-v függőleges egyenesen.
( 45 ) Az L2-re 80 mm körüli fókusztávolság javasolt.
( 46 ) A referenciatengely merőleges a referenciasíkra és a 45 mm-es lámpafej-átmérő közepén halad át.
( 47 ) A kibocsátott fénynek fehérnek kell lennie.
( 48 ) Ha a lámpa a járműben rendes üzemi helyzetében van, a lámpafej egyetlen része sem vethet magasra semmiféle szórt sugarat a tompított-fény izzóspirál által kibocsátott fény visszaverése által.
( 49 ) A mérendő pontok azok, amelyeknél a lámpafejhez legközelebbi vagy a lámpafejtől legtávolabbi utolsó menet külseje metszi az izzóspirál tengelyét.
( 50 ) A lámpatestet ezekbe az irányokba kell nyomni.
( 51 ) Lásd a H2/1 lapot.
( 52 ) Az izzóspirál vége a H2/3 lapon van meghatározva.
( 53 ) A rajz nem kötelező jellegű az ernyő kialakítása szempontjából.
( 54 ) A rajz nem kötelező jellegű az ernyő kialakítása szempontjából.
( 55 ) A gyártók más, két egymásra merőleges nézetirányt is választhatnak. A vizsgálatot végző laboratóriumnak az izzóspirál méretének és helyzetének ellenőrzésekor a gyártó által megadott nézetirányokat kell alkalmaznia.
( 56 ) A gyártók más, két egymásra merőleges nézetirányt is választhatnak. A vizsgálatot végző laboratóriumnak az izzóspirál méretének és helyzetének ellenőrzésekor a gyártó által megadott nézetirányokat kell alkalmaznia.
( 57 ) HL L 266., 1974.10.2., 4. o.
( 58 ) A meghatározások az 50 (45) CIE-kiadványból származnak, nemzetközi elektrotechnikai szótár, 45. csoport, világítás.
( 59 ) Rövidített táblázat. Az (



( 60 )


ahol xi az n mintával kapott egyedi eredmények bármelyike, és


( 61 ) 400 mm átmérőjű egyetlen görgőre.
( 62 ) Ezek a kiegészítő tömegek adott esetben elektronikus berendezéssel helyettesíthetők, feltéve, hogy az eredmények egyenértékűsége igazolható.
( 63 ) ENSZ/EGB 2. számú világszintű műszaki szabályozása: "Mérési eljárás a külső vagy sűrítéses gyújtású motorkerékpárokra, tekintettel a gáz-halmazállapotú szennyezőanyag-kibocsátásra, a szén-dioxid-kibocsátásra és üzemanyag-fogyasztásra". (ECE/TRANS/180/Add2, 2005. augusztus 30.)
( 64 ) Ezek a kiegészítő tömegek adott esetben elektronikus berendezéssel helyettesíthetők, feltéve, hogy az eredmények egyenértékűsége igazolható.
( 65 ) Ezek kiegészítő tömegek, amelyek adott esetben elektronikus készülékkel helyettesíthetők, feltéve hogy az eredmény egyenértékűsége bizonyított.
( 66 ) HL L 242., 1991.8.30., 1. o.
( 67 ) A vizsgálat egy szabályozott légköri viszonyokat biztosító légkondicionált vizsgálati kamrában végezhető.
( 68 ) HL L 199., 2008.7.28., 1. o.
( 69 ) Az irányelv azon változata szerint, amelyet a jármű típusjóváhagyására kellett alkalmazni.
( 70 ) A nem kívánt rész törlendő.
( 71 ) A nem kívánt rész törlendő.
( 72 ) HL L 237., 1991.8.24., 1. o.
( 73 ) HL L 38., 1974.2.11., 2. o.
( 74 ) Villamos hajtású járművek esetén a hajtás célját szolgáló akkumulátor tömege nem számít bele a terheletlen tömegbe.
( 75 ) HL L 24., 1976.1.30., 6. o.
( 76 ) HL L 220., 1977.8.29., 95. o.
( 77 ) HL L 129., 1992.5.14., 11. o.
( 78 ) HL L 67., 1989.3.10., 1. o.
( 79 ) HL L 168., 1978.6.26., 40. o.
( 80 ) HL L 81., 1978.3.28., 27. o.
Lábjegyzetek:
[1] A dokumentum eredetije megtekinthető CELEX: 31997L0024 - https://eur-lex.europa.eu/legal-content/HU/ALL/?uri=CELEX:31997L0024&locale=hu Utolsó elérhető, magyar nyelvű konszolidált változat CELEX: 01997L0024-20131211 - https://eur-lex.europa.eu/legal-content/HU/ALL/?uri=CELEX:01997L0024-20131211&locale=hu