32014R1302[1]
A Bizottság 1302/2014/EU rendelete ( 2014. november 18. ) az Európai Unió vasúti rendszerének "járművek - mozdonyok és személyszállító járművek" alrendszerére vonatkozó átjárhatósági műszaki előírásról
A BIZOTTSÁG 1302/2014/EU RENDELETE
(2014. november 18.)
az Európai Unió vasúti rendszerének "járművek - mozdonyok és személyszállító járművek" alrendszerére vonatkozó átjárhatósági műszaki előírásról
(EGT-vonatkozású szöveg)
1. cikk
A Bizottság elfogadja a mellékletben előírt, az Európai Unió teljes vasúti rendszerének "járművek - mozdonyok és személyszállító járművek" alrendszerére vonatkozó átjárhatósági műszaki előírást (ÁME).
2. cikk
(1) Az ÁME az (EU) 2016/797 európai parlamenti és tanácsi irányelv ( 1 ) II. mellékletének 2.7. pontjában ismertetett, a melléklet 1.2. pontjában meghatározott vasúti hálózaton jelenleg üzemeltetett vagy üzemeltetni tervezett következő típusok valamelyikébe tartozó vasútijármű-alrendszerekre vonatkozik:
a) önjáró belsőégésű vagy villamos vonatok;
b) belsőégésű vagy villamos vontatójárművek;
c) személyszállító kocsik;
d) speciális járművek, köztük vasúti munkagépek.
(2) Az ÁME-t az (1) bekezdésben említett olyan vasúti járművekre kell alkalmazni, amelyeket a melléklet 2.3.2. pontjában meghatározottak szerint 1 435 mm, 1 520 mm, 1 524 mm, 1 600 mm és 1 668 mm névleges nyomtávval rendelkező vágányok valamelyikén kívánnak üzemeltetni.
3. cikk
(1) A 8. és 9. cikke, valamint a melléklet 7.1.1. pontjának sérelme nélkül, az ÁME az Unió vasúti rendszerén 2015. január 1-jétől üzembe helyezett, a 2. cikk (1) bekezdésében meghatározott valamennyi új vasúti járműre alkalmazandó.
(2) Az ÁME nem vonatkozik az uniós vasúti rendszer azon meglévő járműveire, amelyek 2015. január 1-jén valamely tagállam teljes hálózatán vagy annak egy részén már üzemeltek, kivéve, ha
a) azok e rendelet mellékletének 7.1.2. pontja szerinti felújítás vagy korszerűsítés alatt állnak; vagy
b) ha a felhasználási terület az (EU) 2016/797 irányelv 54. cikkének (3) bekezdésével összhangban kiterjesztésre kerül, amely esetben az e rendelet mellékletének 7.1.4. pontjában foglalt rendelkezéseket kell alkalmazni.
(3) E rendelet műszaki alkalmazási körét és földrajzi hatályát a melléklet 1.1. és 1.2. pontja határozza meg.
(4) A melléklet 4.2.8.2.8 pontjában meghatározott fedélzeti villamosenergiafogyasztás-mérő rendszerrel való ellátás kötelező azon új, korszerűsített és felújított járművek esetében, amelyeket olyan hálózaton kívánnak üzemeltetni, amelyek az 1301/2014/EU bizottsági rendelet ( 2 ) (energiaellátására vonatkozó ÁME) 4.2.17. pontja szerinti pályamenti energiafogyasztási adatgyűjtő rendszerrel (DCS) vannak felszerelve.
4. cikk
(1) A melléklet I. függelékében nyitott kérdésként meghatározott szempontok tekintetében az (EU) 2016/797 irányelv III. melléklete szerinti alapvető követelményeknek való megfelelés hitelesítése kapcsán teljesítendő feltételek azon tagállamok hatályban lévő nemzeti szabályai által meghatározott feltételek, amelyek részét alkotják a járművek e rendelet szerinti felhasználási területének.
(2) E rendelet hatálybalépését követő hat hónapon belül valamennyi tagállam megküldi a többi tagállamnak és a Bizottságnak a következő információkat, amennyiben azokat a 2008/232/EK vagy a 2011/291/EU határozat hatálya alatt még nem küldték meg:
a) az (1) bekezdésben említett nemzeti szabályok;
b) az (1) bekezdésben említett nemzeti szabályok alkalmazása érdekében elvégzendő megfelelőségértékelési és hitelesítési eljárások;
c) a nyitott kérdések tekintetében a megfelelőségértékelési és hitelesítési eljárások elvégzésére kijelölt szervezetek.
5. cikk
(1) A melléklet 7.3. pontjában meghatározott különleges esetek tekintetében az (EU) 2016/797 irányelv III. melléklete szerinti alapvető követelményeknek való megfelelés hitelesítése kapcsán teljesítendő feltételek a melléklet 7.3. pontjában meghatározott, vagy azon tagállamok hatályban lévő nemzeti szabályai által meghatározott feltételek, amelyek részét alkotják a járművek e rendelet szerinti felhasználási területének.
(2) E rendelet hatálybalépését követő hat hónapon belül valamennyi tagállam értesíti a többi tagállamot és a Bizottságot a következőkről:
a) az (1) bekezdésben említett nemzeti szabályok;
b) az (1) bekezdésben említett nemzeti szabályok alkalmazása érdekében elvégzendő megfelelőségértékelési és hitelesítési eljárások;
c) a melléklet 7.3. pontjában meghatározott különleges esetek tekintetében a megfelelőségértékelési és hitelesítési eljárások elvégzésére kijelölt szervezetek.
6. cikk
(1) Azon megállapodások sérelme nélkül, amelyek értesítésére a 2008/232/EK bizottsági határozat szerint már sor került, és amelyekről nem kell ismételten értesítést küldeni, az e rendelet hatálybalépését követő hat hónapon belül a tagállamok értesítik a Bizottságot minden olyan meglévő nemzeti, kétoldalú, többoldalú és nemzetközi megállapodásról, amelyek alapján az e rendelet hatálya alá tartozó vasúti járműveket üzemeltetik.
(2) A tagállamok haladéktalanul értesítik a Bizottságot minden jövőbeli megállapodásról és a meglévő megállapodások módosításairól.
7. cikk
A 2008/57/EK irányelv 9. cikkének (3) bekezdésével összhangban az e rendelet hatálybalépését követő egy éven belül az egyes tagállamok megküldik a Bizottságnak a területükön megvalósítás alatt álló, előrehaladott állapotban lévő projektek listáját.
9. cikk
Az (EU) 2016/797 irányelv 13-15. cikkében. cikkében említett alrendszerek olyan hitelesítési nyilatkozatát és/vagy az új járműtípusok (EU) 2016/797 irányelv 24. cikkében említett megfelelőségi nyilatkozatát, amelyet a 2008/232/EK határozattal vagy a 2011/291/EU határozattal összhangban állítottak ki, mindaddig érvényesnek kell tekinteni, amíg a tagállam nem dönt az említett határozatokban előírt módon történő megújításukról.
10. cikk
(1) Ahhoz, hogy a műszaki fejlődéssel lépést lehessen tartani, olyan innovatív megoldásokra lehet szükség, amelyek nem felelnek meg a melléklet előírásainak, és/vagy amelyek esetében nem alkalmazhatóak a mellékletben előirányzott értékelési módszerek. Ebben az esetben új előírásokat és/vagy új értékelési módszereket kell kifejleszteni az ilyen innovatív megoldásokhoz kapcsolódóan.
(2) Az innovatív megoldások kapcsolódhatnak a vasútijármű-alrendszerhez, annak részeihez és kölcsönös átjárhatóságot lehetővé tevő rendszerelemeihez.
(3) Amennyiben innovatív megoldásra tesznek javaslatot, a gyártó vagy annak az Unióban székhellyel rendelkező felhatalmazott képviselője nyilatkozik arról, hogy az adott megoldás mennyiben tér el az ÁME vonatkozó rendelkezéseitől, illetve miként egészíti ki az, és az eltéréseket be kell nyújtania a Bizottsághoz értékelésre. A Bizottság kikérheti az Európai Vasúti Ügynökség (a továbbiakban: az ügynökség) véleményét a javasolt innovatív megoldásról.
(4) A Bizottság véleményt nyilvánít a javasolt innovatív megoldásról. Ha a vélemény kedvező, az innovatív megoldás alkalmazása érdekben ki kell alakítani az ÁME-be felveendő, a rendszerelemek működésére és kapcsolódási pontjaira vonatkozó megfelelő előírásokat, valamint az értékelési módszert, és azt a későbbiekben, az (EU) 2016/797 irányelv 5. cikke szerinti felülvizsgálati folyamat során be kell építeni az ÁME-be. Ha a vélemény kedvezőtlen, a javasolt innovatív megoldást nem lehet alkalmazni.
(5) Az ÁME felülvizsgálatáig a Bizottság kedvező véleményét az (EU) 2016/797 irányelv alapvető követelményeinek való megfelelés igazolására elfogadható eszköznek kell tekinteni, és ezért azt fel lehet használni az alrendszer értékeléséhez.
11. cikk
(1) A 2008/232/EK és a 2011/291/EU bizottsági határozat 2015. január 1-jétől hatályát veszti.
Továbbra is alkalmazni kell őket azonban a következők tekintetében:
a) az említett határozatoknak megfelelően engedélyezett alrendszerek;
b) az e rendelet 9. cikkében említett esetek.
(4) A tagállamok csak kellően indokolt esetben engedélyezhetik a kérelmezőknek, hogy az (EU) 2016/797 irányelv 7. cikke (1) bekezdése a) pontjának értelmében ne alkalmazzák e rendelet valamely részét vagy egészét olyan projektek esetében, amelyeknél a melléklet 7.1.1.2. vagy 7.1.3.1. pontja alkalmazásának lehetősége fennáll vagy megszűnt. A melléklet 7.1.1.2. vagy 7.1.3.1. szakaszának alkalmazása nem teszi szükségessé az (EU) 2016/797 irányelv 7. cikke (1) bekezdése a) pontjának alkalmazását.
12. cikk
Ez a rendelet az Európai Unió Hivatalos Lapjában való kihirdetését követő huszadik napon lép hatályba.
Ezt a rendeletet 2015. január 1-jétől kell alkalmazni. Üzembehelyezési engedély azonban már 2015. január 1-je előtt is kiadható az e rendelet mellékletében meghatározott ÁME alapján.
Ez a rendelet teljes egészében kötelező és közvetlenül alkalmazandó valamennyi tagállamban.
MELLÉKLET
1. BEVEZETÉS
Az átjárhatósági műszaki előírás (a továbbiakban: ÁME) olyan előírás, amely az (EU) 2016/797 európai parlamenti és tanácsi irányelv ( 3 ) 2. cikkének 11. pontjában meghatározottak szerint egy alrendszert, vagy annak valamely részét szabályozza.
1.1. Műszaki hatály
Az ebben a dokumentumban szereplő átjárhatósági műszaki előírás (ÁME) olyan előírás, amely az (EU) 2016/797 irányelv 1. cikkében ismertetett alapvető követelmények teljesítése, valamint az uniós vasúti rendszer kölcsönös átjárhatóságának a biztosítása érdekében egy adott alrendszerre vonatkozik.
A szóban forgó alrendszer az uniós vasúti rendszer (EU) 2016/797 irányelv II. mellékletének 2.7. pontjában említett vasútijármű-alrendszere.
Ez az ÁME azon vasúti járművekre vonatkozik,
- amelyeket az ÁME 1.2. pontjában ("Földrajzi hatály") meghatározott vasúti hálózaton üzemeltetnek vagy kívánnak üzemeltetni;
és
- amelyek az alábbi típusok valamelyikébe tartoznak ( az (EU) 2016/797 irányelv I. mellékletének 2. pontjában meghatározottak szerint):
- önjáró belsőégésű vagy villamos vonatok,
- belsőégésű vagy villamos vontatójárművek,
- személyszállító kocsik,
- a vasúti infrastruktúra építését és karbantartását szolgáló mobil berendezések.
Az (EU) 2016/797 irányelv 1. cikkének (3) és (4) bekezdésében említett alábbi járműtípusok nem tartoznak ezen ÁME hatálya alá:
- metrók, villamosok és más városi és helyiérdekű vasúti járművek,
- a vasúti rendszer többi részétől működésükben különálló hálózatokon a helyi, városi vagy elővárosi személyszállítás üzemeltetésére szolgáló járművek,
- a kizárólag az olyan, magántulajdonban álló vasúti infrastruktúrán használt járművek, amelyeket csak a tulajdonos használ saját teheráru-fuvarozási tevékenységei ellátására,
- a szigorúan helyi, történelmi vagy turisztikai célból használt járművek.
Az ezen ÁME hatálya alá tartozó vasúti járművekről a 2. fejezet tartalmaz bővebb információkat.
1.2. Földrajzi hatály
Ez az ÁME az uniós vasúti rendszerre vonatkozik.
1.3. Az ÁME tartalma
Az (EU) 2016/797 irányelv 4. cikke (3) bekezdésének megfelelően ez az ÁME a "járművek - mozdonyok és személyszállító járművek" alrendszert szabályozza.
2. A VASÚTIJÁRMŰ-ALRENDSZER ÉS FUNKCIÓI
2.1. A járművek alrendszer mint az uniós vasúti rendszer része
Az uniós vasúti rendszer az (EU) 2016/797 irányelv II. mellékletében meghatározott alrendszerekre oszlik.
A mozdonyok és személyszállító járművek alrendszere több tekintetben is kapcsolódik az uniós vasúti rendszer más alrendszereihez. Ezeket a kapcsolódási pontokat az összes vonatkozó ÁME-nak megfelelő integrált rendszernek kell tekinteni.
Más ÁME-k a vasúti rendszer sajátos szempontjait írják le és több alrendszert is érintenek a járművek alrendszerén kívül.
A járművek alrendszer tekintetében az 1300/2014/EU bizottsági rendeletben ( 4 ) (mozgáskorlátozott személyekre vonatkozó ÁME) és az 1304/2014/EU bizottsági rendeletben ( 5 ) (zajra vonatkozó ÁME) megjelenő követelményeket ez az ÁME nem ismétli meg. Az említett ÁME-k hatályuk és végrehajtási szabályaik szerint a "mozdonyok és személyszállító járművek" alrendszerre is vonatkoznak.
2.2. A vasúti járművekre vonatkozó fogalommeghatározások
Ezen ÁME alkalmazásában az alábbi fogalommeghatározásokat kell alkalmazni:
2.2.1. Vonat-összeállítás:
a) Egység: az ezen ÁME alkalmazási hatálya alá tartozó és emiatt EK-hitelesítéshez kötött vasúti járművek megjelölésére használt általános kifejezés.
b) Az egység az (EU) 2016/797 irányelv 2. cikkének 3. pontjában meghatározott több járműből állhat; ezen ÁME a "jármű" kifejezést az 1. fejezetben meghatározott módon, a vasútijármű-alrendszerre vonatkozóan használja.
c) Vonat: egy vagy több egységből álló üzemi összeállítás.
d) Személyszállító vonat: utasok számára rendelkezésre álló üzemi összeállítás (a személyszállító vasúti járművekből álló, de utasok által igénybe nem vehető vonat nem minősül személyszállító vonatnak).
e) Fix összeállítás: olyan vonat-összeállítás, amelynek módosítása csak műhelyi környezetben lehetséges.
f) Előre meghatározott összeállítás(ok): több összekapcsolt egységből álló vonat-összeállítás(ok), mely(ek)et a tervezési szakaszban határoztak meg, és amely(ek) üzem közben módosítható(ak).
g) Többes üzem: egynél több egységből álló üzemi összeállítás, beleértve a következőket:
- vonatszerelvények, amelyeket úgy terveztek, hogy belőlük (az értékelt típusból) több is összekapcsolható legyen egymással abból a célból, hogy egyetlen, 1 vezetőfülkéből irányított vonatként üzemeljenek;
- mozdonyok, amelyeket úgy terveztek, hogy belőlük (az értékelt típusból) több is beilleszthető legyen egyetlen, egy vezetőfülkéből irányított vonatba.
h) Általános üzem: az egységet általános üzemre tervezték, ha azt a tervezési szakaszban meg nem határozott vonat-összeállításban történő üzemelés céljából más egységgel (egységekkel) való összekapcsolásra szánják.
2.2.2. Vasúti jármű:
A fogalommeghatározások az alábbiakban az (EU) 2016/797 irányelv I. mellékletének 2. pontjában meghatározottak szerint három csoportba sorolhatók.
A) Mozdonyok és személyszállító járművek, köztük belsőégésű vagy villamos vontatójárművek, önjáró belsőégésű vagy villamos személyvonatok és személyszállító kocsik
(1) Belsőégésű vagy villamos vontató járművek
Mozdony: nem hasznos teher szállítására tervezett vontatójármű (vagy több jármű kombinációja), amely normál üzemben leválasztható a vonatról és önálló működésre is képes.
Tolatómozdony: csak rendező pályaudvarokon, állomásokon és járműszínekben való használatra szánt vontatójármű.
A vonat vonóerejét vezetőfülkével ellátott vagy anélküli, normál üzem közben nem lekapcsolható hajtott jármű is adhatja. Az ilyen jármű megnevezése általánosságban hajtott egység (vagy hajtott kocsi), illetve vonófej, amennyiben a szerelvény egyik végén található és vezetőfülkével van ellátva.
(2) Szerelvény: olyan fix összeállítás, amely vonatként üzemeltethető; jellegéből adódóan csak műhelyi körülmények között lehet átkonfigurálni. Állhat egyaránt csak motoros, illetve motoros és motorral nem rendelkező járművekből.
Villamos és/vagy dízel többrészes egység: olyan szerelvény, amelynek valamennyi járműve alkalmas szállítmány (utasok vagy poggyász/postai küldemények vagy teheráru) szállítására.
Motorkocsi: olyan jármű, amely képes önálló működésre és alkalmas szállítmány (utasok vagy poggyász/postai küldemények vagy teheráru) szállítására.
Vasút-villamos: olyan jármű, amelyet a helyiérdekű vasúti infrastruktúrán és a nagyvasúti infrastruktúrán való kombinált használatra terveztek;
(3) Személykocsik és más kapcsolódó kocsik
Kocsi: olyan nem vontatójármű fix vagy változtatható összeállításban, amely utasok szállítására alkalmas (az ebben az ÁME-ben a kocsira meghatározott követelményeket kiterjesztett értelmezéssel az étkezőkocsikra, hálókocsikra, fekvőhelyes kocsikra stb. is alkalmazni kell).
Poggyászkocsi: olyan nem vontatójármű, amely nem személyek, hanem más hasznos teher, például poggyász vagy postai küldemények szállítására szolgál, és amelyet a személyszállításra szánt fix vagy változtatható összeállításba való beillesztésre terveztek.
Vezethető kocsi: vezetőfülkével ellátott, nem vontatásra szolgáló jármű.
A kocsi lehet vezetőfülkével felszerelt; ilyen esetben a neve motorvonat.
A poggyászkocsi is ellátható vezetőfülkével, ebben az esetben a kocsit poggyászteres motorkocsinak nevezzük.
Személygépjármű-szállító kocsi: utasok nélküli személygépjárművek szállítására alkalmas, nem vontatásra szolgáló jármű, amelyet személyszállító vonatba történő beillesztésre terveztek.
Fix egységként működő kocsicsoport: több, "félig állandó jelleggel" összekapcsolt kocsikból álló, illetve csak üzemen kívül módosítható összeállítás.
Személyzeti kocsi: olyan egység, amely személyek szállításra alkalmas, de nem személyszállításra tervezték.
B) Teherkocsik, ideértve a teljes vasúti hálózatra tervezett süllyesztett rakfelületű járműveket és a tehergépkocsik szállítására tervezett járműveket.
Ezek a járművek nem tartoznak ezen ÁME hatálya alá. A szóban forgó járművekre a 321/2013/EU bizottsági rendelet ( 6 ) vonatkozik (teherkocsikra vonatkozó ÁME).
C) Speciális járművek
A speciális járművek, köztük a vasúti munkagépek kategóriáit az (EU) 2018/1614 bizottsági végrehajtási határozat ( 7 ) tartalmazza. Az említett járművek a következő alkategóriák szerint csoportosíthatók:
i. A vasúti munkagépek kifejezetten a vágányok és az infrastruktúra építésére és karbantartására tervezett járművek.
ii. Az infrastruktúra-ellenőrző járműveket az infrastruktúra állapotának figyelemmel kísérésére használják.
iii. A környezeti hatásokat elhárító járművek a vasúti pálya környezeti körülményektől való megtisztítására tervezett járművek; ilyen például a hóeltakarító gép.
iv. A sürgősségi járműveket konkrét vészhelyzetekben, például evakuálás, tűzoltás vagy a vonatok elvontatása céljából való használatra tervezték (ide tartoznak a bontódaruk is).
v. A közúti-vasúti járművek olyan önjáró gépek, amelyek képesek sínen és szárazföldi úton is közlekedni.
A speciális járműveket az alábbi egy vagy több üzemmódban lehet használni: munkavégzési üzemmódban, közlekedési üzemmódban és nem üzemképes állapotban vontatott üzemmódban, önjáró vagy vontatott járműként.
2.3. Az ÁME hatálya alá tartozó vasúti járművek
2.3.1. A vasúti járművek típusai
Ezen ÁME alkalmazási köre az (EU) 2016/797 irányelv I. mellékletének 1.2. pontjában meghatározott, három csoportba besorolt járművekre vonatkozóan a következő:
A) Mozdonyok és személyszállító járművek, köztük belsőégésű vagy villamos vontatójárművek, önjáró belsőégésű vagy villamos személyvonatok és személyszállító kocsik
(1) Belsőégésű vagy villamos vontató járművek
Ebbe a típusba tartoznak azok a vontatójárművek, amelyek nem képesek rakomány szállítására, vagyis a belsőégésű vagy villamos mozdonyok, illetve hajtott egységek.
Az érintett vontatójárművek teheráru- és/vagy utasszállítási célokat szolgálnak.
Kizárás az ÁME hatálya alól:
A (2.2. pontban meghatározott) tolatómozdonyok nem tartoznak ezen ÁME hatálya alá. Amennyiben ezeket az uniós vasúti hálózaton (rendező pályaudvarok, állomások és járműszínek közötti mozgásra) kívánják üzemeltetni, az (EU) 2016/797 irányelv 1. cikke (4) bekezdésének b) pontja alkalmazandó.
(2) Önjáró belsőégésű vagy villamos személyvonatok
Ebbe a típusba tartozik minden - személyszállító és/vagy nem személyszállító - fix vagy előre meghatározott összeállítású vonat.
A vonat egyes járműveibe belsőégésű vagy villamos hajtómű van építve, és a vonat vezetőfülkével rendelkezik.
Kizárás az ÁME hatálya alól:
Az (EU) 2016/797 irányelv 1. cikkének (3) bekezdésével, (4) bekezdésének d) pontjával és (5) bekezdésével összhangban a következő járművek nem tartoznak az ÁME hatálya alá:
- A vasúti rendszer többi részétől a működés szempontjából különálló, helyi, városi vagy elővárosi hálózatokon való működésre szánt járművek.
- Elsősorban könnyű vasúti infrastruktúrán alkalmazott járművek, amelyeket bizonyos nehéz vasúti összetevővel szereltek fel annak érdekében, hogy azok kizárólag összeköttetési célból képesek legyenek áthaladni a nehéz vasúti infrastruktúrának egy jól körülhatárolt, korlátozott szakaszán.
- Vasút-villamos.
(3) Személykocsik és más kapcsolódó kocsik
Személykocsik
Ebbe a típusba tartoznak az utasokat szállító nem vontatójárművek (a 2.2. pontban meghatározott kocsik), amelyeket a vontatási funkció ellátása céljából a fent meghatározott "belsőégésű vagy villamos vontatójárművekkel" változó összeállításban üzemeltetnek.
Személyszállító vonatba épített nem személyszállító vasúti járművek:
Ebbe a típusba tartoznak a személyszállító vonatba épített nem vontatójárművek (például poggyász- vagy postakocsik, személygépjármű-szállító kocsik, szolgálati járművek stb.); ezek személyszállító kocsikként ezen ÁME hatálya alá esnek.
Nem személyszállítási szolgáltatásokat nyújtó vonatba beépített, személyzetet szállító (nem személyszállító) járművek:
Ebbe a típusba tartoznak azok a nyilvánosság számára nem hozzáférhető nem vontatójárművek, amelyeket elsősorban személyzet (pl. katonai kísérő személyzet, tűzoltók, a pályahálózat-működtető vagy a vasúti társaság személyzete) szállítására használnak, és amelyeket jellemzően a nyilvánosság számára nem hozzáférhető és nem személyszállításra szolgáló vonatokba kívánnak beépíteni; ezek személyzeti kocsiként ezen ÁME hatálya alá tartoznak, és forgalomba hozataluk adott felhasználási területre nem korlátozva engedélyezhető a 7.1.1.6. pontban foglalt feltételek mellett.
B) A teherkocsik, ideértve a teljes vasúti hálózatra tervezett süllyesztett rakfelületű járműveket és a tehergépkocsik szállítására tervezett járműveket, nem tartoznak ezen ÁME hatálya; ezekre a teherkocsikra vonatkozó ÁME az irányadó abban az esetben is, ha személyszállító vonatba illesztik őket (a vonat összeállítása ilyen esetben üzemeltetési kérdés).
A közúti gépjárművek szállítására tervezett járművek nem tartoznak ezen ÁME hatálya alá még abban az esetben sem, ha a szállított közúti járművekben személyek tartózkodnak.
C) Speciális jármű
A speciális járművek ezen ÁME hatálya alá tartoznak, és ezen ÁME követelményeinek való megfelelésüket igazolni kell, amennyiben nem üzemképes állapotban vontatott üzemmódban használják őket, és ha:
1. a sínen saját kerekeiken üzemelnek (nem üzemképes állapotban vontatott, önjáró vagy vontatott üzemben), és
2. úgy tervezték meg és arra szánták őket, hogy jelenlétüket a forgalomirányítási célokból a sínbe épített vonatérzékelő rendszer érzékelje.
A 4. pontban és a C. függelékben a vasúti munkagépekre meghatározott különleges követelmények vonatkoznak az infrastruktúra-ellenőrző járművekre is, kivéve, ha azokat fix összeállítású személyszállító vonatba való besorolásra tervezték; Ebben az esetben az A) (3) pontban meghatározottak szerinti nem személyszállító vasúti járműnek minősülnek.
A közúti-vasúti járművek nem tartoznak ezen ÁME hatálya alá.
2.3.2. Nyomtáv
Az ÁME-t olyan vasúti járművekre kell alkalmazni, amelyeket 1 435 mm nyomtávú hálózatokon vagy az 1 520 mm-es, 1 524 mm-es, 1 600 mm-es és 1 668 mm-es névleges nyomtávok valamelyikén kívánnak üzemeltetni.
2.3.3. Legnagyobb sebesség
Mivel az integrált vasúti rendszer több alrendszerből (különösen helyhez kötött berendezésekből) áll (lásd a 2.1. pontot), a vasúti járművek legnagyobb tervezési sebessége legfeljebb 350 km/h lehet.
Ezeket a műszaki előírásokat a 350 km/h feletti legnagyobb tervezési sebesség esetében is alkalmazni kell, de azokat ki kell egészíteni a 10. cikkben az innovatív megoldásokra ismertetett eljárás alkalmazásával a 350 km/h feletti sebességtartomány (vagy ha a 4.2. pont vonatkozó pontjában meghatározták, akkor egy adott paraméterhez kötött legnagyobb sebesség) vonatkozásában.
3. ALAPVETŐ KÖVETELMÉNYEK
3.1. A járművek alrendszer alapvető követelményeknek megfelelő elemei
Az alapvető követelményeket az (EU) 2016/797 irányelv III. mellékletének meghatározása és számozása szerint, valamint a 4. pontban meghatározott követelmények figyelembevételével a következő táblázat tartalmazza.
Az alapvető követelményeknek megfelelő járműelemek
Megjegyzés: a 4.2. pontból csak a követelményeket tartalmazó alpontok kerülnek felsorolásra.
| Hivatkozott pont | A járművek alrendszer eleme | Biztonság | Megbízhatóság – rendelkezésre állás | Egészségvédelem | Környezetvédelem | Műszaki összeegyeztethetőség | Akadálymentesítés |
| 4.2.2.2.2. | Belső kapcsolókészülék | 1.1.3. 2.4.1. | |||||
| 4.2.2.2.3. | A vonat végén lévő kapcsolókészülék | 1.1.3. 2.4.1. | |||||
| 4.2.2.2.4. | Mentésre szolgáló kapcsolókészülék | 2.4.2. | 2.5.3. | ||||
| 4.2.2.2.5. | A személyzet hozzáférése össze- és szétkapcsolást biztosító berendezésekhez | 1.1.5. | 2.5.1. | 2.5.3. | |||
| 4.2.2.3. | Közlekedők | 1.1.5. | |||||
| 4.2.2.4. | A jármű szerkezetének szilárdsága | 1.1.3. 2.4.1. | |||||
| 4.2.2.5. | Passzív biztonság | 2.4.1. | |||||
| 4.2.2.6. | Emelés és felbakolás | 2.5.3. | |||||
| 4.2.2.7. | Berendezések rögzítése a kocsiszekrényhez | 1.1.3. | |||||
| 4.2.2.8. | Peronajtók a személyzet és a rakomány számára | 1.1.5. 2.4.1. | |||||
| 4.2.2.9. | Üvegek mechanikai jellemzői | 2.4.1. | |||||
| 4.2.2.10. | Terhelési körülmények és mérlegelt tömeg | 1.1.3. | |||||
| 4.2.3.1. | Méretezés | 2.4.3. | |||||
| 4.2.3.2.1. | Tengelyterhelési paraméter | 2.4.3. | |||||
| 4.2.3.2.2. | Kerékterhelés | 1.1.3. | |||||
| 4.2.3.3.1. | A vasúti járművek jellemzői a vonatérzékelő rendszerekkel való kompatibilitás tekintetében | 1.1.1. | 2.4.3. 2.3.2. | ||||
| 4.2.3.3.2. | Tengelycsapágy állapotának figyelemmel kísérése | 1.1.1. | 1.2. | ||||
| 4.2.3.4.1. | Kisiklással szembeni biztonság elcsavarodott vágányon való áthaladáskor | 1.1.1. 1.1.2. | 2.4.3. | ||||
| 4.2.3.4.2. | Menetdinamikai viselkedés | 1.1.1. 1.1.2. | 2.4.3. 2.3.2. | ||||
| 4.2.3.4.2.1. | Futásbiztonsági határértékek | 1.1.1. 1.1.2. | 2.4.3. | ||||
| 4.2.3.4.2.2. | Vágányterhelési határértékek | 2.4.3. | |||||
| 4.2.3.4.3. | Egyenértékű kúposság | 1.1.1. 1.1.2. | 2.4.3. | ||||
| 4.2.3.4.3.1. | Új kerékprofilok tervezési értékei | 1.1.1. 1.1.2. | 2.4.3. | ||||
| 4.2.3.4.3.2. | A vasúti kerékpár egyenértékű kúposságának üzemi értékei | 1.1.2. | 1.2. | 2.4.3. | |||
| 4.2.3.5.1. | A forgóvázkeret szerkezeti kialakítása | 1.1.1. 1.1.2. | |||||
| 4.2.3.5.2.1. | A vasúti kerékpárok mechanikai és geometriai jellemzői | 1.1.1. 1.1.2. | 2.4.3. | ||||
| 4.2.3.5.2.2. | A kerekek mechanikai és geometriai jellemzői | 1.1.1. 1.1.2. | |||||
| 4.2.3.5.3. | Automatikusan változtatható nyomtávú rendszerek | 1.1.1. 1.1.2., 1.1.3. | 1.2. | 1.5. | |||
| 4.2.3.6. | Legkisebb ívsugár | 1.1.1. 1.1.2. | 2.4.3. | ||||
| 4.2.3.7. | Pályakotró | 1.1.1. | |||||
| 4.2.4.2.1. | Fékezésre vonatkozó funkcionális követelmények | 1.1.1. 2.4.1. | 2.4.2. | 1.5. | |||
| 4.2.4.2.2. | Fékezésre vonatkozó biztonsági követelmények | 1.1.1. | 1.2. 2.4.2. | ||||
| 4.2.4.3. | A fékrendszer típusa | 2.4.3. 2.3.2. | |||||
| 4.2.4.4.1. | Vészfékezés vezérlése | 2.4.1. | 2.4.3. 2.3.2. | ||||
| 4.2.4.4.2. | Üzemi fékezés vezérlése | 2.4.3. 2.3.2. | |||||
| 4.2.4.4.3. | Közvetlen fékezés vezérlése | 2.4.3. | |||||
| 4.2.4.4.4. | Dinamikus fékezés vezérlése | 1.1.3. | 2.3.2. | ||||
| 4.2.4.4.5. | Rögzítőfékezés vezérlése | 2.4.3. | |||||
| 4.2.4.5.1. | Fékhatásosságra vonatkozó általános követelmények | 1.1.1. 2.4.1. | 2.4.2. | 1.5. | |||
| 4.2.4.5.2. | Vészfékezés | 1.1.2. 2.4.1. | 2.4.3. 2.3.2. | ||||
| 4.2.4.5.3. | Üzemi fékezés | 2.4.3. 2.3.2. | |||||
| 4.2.4.5.4. | Hőtechnikai számítások | 2.4.1. | 2.4.3. | ||||
| 4.2.4.5.5. | Rögzítőfék | 2.4.1. | 2.4.3. | ||||
| 4.2.4.6.1. | A kerék és sín közötti tapadási határ | 2.4.1. | 1.2. 2.4.2. | ||||
| 4.2.4.6.2. | Csúszásgátló rendszer | 2.4.1. | 1.2. 2.4.2. | ||||
| 4.2.4.7. | Dinamikus fék – hajtásrendszerhez kapcsolódó fékrendszerek | 2.4.1. | 1.2. 2.4.2. | ||||
| 4.2.4.8.1. | A tapadási feltételektől független fékrendszerekre vonatkozó általános előírások | 2.4.1. | 1.2. 2.4.2. | ||||
| 4.2.4.8.2. | Mágneses sínfék | 2.4.3. 2.3.2. | |||||
| 4.2.4.8.3. | Örvényáramú sínfék | 2.4.3. 2.3.2. | |||||
| 4.2.4.9. | Fékállapot- és fékhibajelzés | 1.1.1. | 1.2. 2.4.2. | ||||
| 4.2.4.10. | Mentési célú fékkövetelmények | 2.4.2. | |||||
| 4.2.5.1. | Egészségügyi rendszerek | 1.4.1. | |||||
| 4.2.5.2. | Hallható kommunikációs rendszer | 2.4.1. | |||||
| 4.2.5.3. | Utastéri vészjelző | 2.4.1. | |||||
| 4.2.5.4. | Utasok által használható kommunikációs eszközök | 2.4.1. | |||||
| 4.2.5.5. | Külső ajtók: a vasúti jármű be- és kijáratai | 2.4.1. | 2.3.2. | ||||
| 4.2.5.6. | Külső ajtók: rendszer-kialakítás | 1.1.3. 2.4.1. | |||||
| 4.2.5.7. | Egységeket összekötő ajtók | 1.1.5. | |||||
| 4.2.5.8. | A belső levegő minősége | 1.3.2. | |||||
| 4.2.5.9. | A vasúti jármű oldalablakai | 1.1.5. | |||||
| 4.2.6.1. | Környezeti feltételek | 2.4.2. | |||||
| 4.2.6.2.1. | Az elhaladó vonatok miatt a peronon tartózkodó utasokat és a vágány mentén dolgozókat érő légörvényhatás | 1.1.1. | 1.3.1. | ||||
| 4.2.6.2.2. | Légnyomásimpulzus | 2.4.3. | |||||
| 4.2.6.2.3. | Maximális nyomásingadozás alagutakban | 2.4.3. | |||||
| 4.2.6.2.4. | Oldalszél | 1.1.1. | |||||
| 4.2.6.2.5. | Ágyazatos vágányokat érő aerodinamikai hatás | 1.1.1. | 2.4.3. | ||||
| 4.2.7.1.1. | Fényszórók | 2.4.3. 2.3.2. | |||||
| 4.2.7.1.2. | Helyzetjelző lámpák | 1.1.1. | 2.4.3. | ||||
| 4.2.7.1.3. | Zárjelző lámpák | 1.1.1. | 2.4.3. | ||||
| 4.2.7.1.4. | A lámpák vezérlőszervei | 2.4.3. | |||||
| 4.2.7.2.1. | A kürtre vonatkozó általános előírások | 1.1.1. | 2.4.3. 2.6.3. | ||||
| 4.2.7.2.2. | A jelzőkürt hangnyomásszintjei | 1.1.1. | 1.3.1. | ||||
| 4.2.7.2.3. | Védelem | 2.4.3. | |||||
| 4.2.7.2.4. | A kürt vezérlőszerve | 1.1.1. | 2.4.3. | ||||
| 4.2.8.1. | Vontatási teljesítmény | 2.4.3. 2.6.3. 2.3.2. | |||||
| 4.2.8.2. 4.2.8.2.1. – 4.2.8.2.9. | Energiaellátás | 1.5. 2.4.3. 2.3.2. | |||||
| 4.2.8.2.10. | A vonat elektromos védelme | 2.4.1. | |||||
| 4.2.8.4. | Elektromos veszélyekkel szembeni védelem | 2.4.1. | |||||
| 4.2.9.1.1. | A vezetőfülkére vonatkozó általános követelmények | — | — | — | — | — | |
| 4.2.9.1.2. | Fel- és leszállás | 1.1.5. | 2.4.3. | ||||
| 4.2.9.1.3. | Kilátás | 1.1.1. | 2.4.3. 2.3.2. | ||||
| 4.2.9.1.4. | Belső elrendezés | 1.1.5. | |||||
| 4.2.9.1.5. | Vezetőülés | 1.3.1. | |||||
| 4.2.9.1.6. | A vezetőasztal ergonómiai kialakítása | 1.1.5. | 1.3.1. | 2.3.2. | |||
| 4.2.9.1.7. | Klíma szabályozása és levegőminőség | 1.3.1. | |||||
| 4.2.9.1.8. | Belső világítás | 2.6.3. | |||||
| 4.2.9.2.1. | A szélvédő mechanikai jellemzői | 2.4.1. | |||||
| 4.2.9.2.2. | A szélvédő optikai jellemzői | 2.4.3. 2.3.2. | |||||
| 4.2.9.2.3. | A szélvédőhöz tartozó berendezések | 2.4.3. | |||||
| 4.2.9.3.1. | A mozdonyvezető aktivitását ellenőrző funkció | 1.1.1. | 2.6.3. | ||||
| 4.2.9.3.2. | Sebesség kijelzése | 1.1.5. | |||||
| 4.2.9.3.3. | A vezetőállás kijelzői és képernyői | 1.1.5. | |||||
| 4.2.9.3.4. | Kezelőszervek és jelzőműszerek | 1.1.5. | |||||
| 4.2.9.3.5. | Feliratozás | 2.6.3. | |||||
| 4.2.9.3.6. | Személyzet által, távirányítással irányított tolatási műveletek | 1.1.1. | 2.3.2. | ||||
| 4.2.9.3.7. | Kisiklásérzékelő és -megelőző jelek feldolgozása | 1.1.1. 1.1.2. | |||||
| 4.2.9.3.7a. | Fedélzeti kisiklásérzékelő és -megelőző funkció | 1.1.1. 1.1.2. | |||||
| 4.2.9.3.8. | Az ETCS-üzemmódok kezelésére vonatkozó követelmények | 1.1.1. | 1.5. 2.3.2. | ||||
| 4.2.9.3.9. | Vontatási állapot | 2.3.2. | |||||
| 4.2.9.4. | Fedélzeti eszközök és hordozható berendezések | 2.4.1. | 2.4.3. 2.6.3. | ||||
| 4.2.9.5. | A személyzet számára rendelkezésre álló tárolóhelyek | — | — | — | — | — | |
| 4.2.9.6. | Adatrögzítő berendezés | 2.4.4. 2.3.2. | |||||
| 4.2.10.2. | Tűzbiztonság – Tűzmegelőzési intézkedések | 1.1.4. | 1.3.2. | 1.4.2. | |||
| 4.2.10.3. | Tűzérzékelésre/tűzoltásra vonatkozó intézkedések | 1.1.4. | |||||
| 4.2.10.4. | Vészhelyzetekkel kapcsolatos követelmények | 2.4.1. | 2.3.2. | ||||
| 4.2.10.5. | Az evakuálással kapcsolatos követelmények | 2.4.1. | |||||
| 4.2.11.2. | A vonat külső tisztítása | 1.5. | |||||
| 4.2.11.3. | Illemhelyürítő rendszer csatlakozása | 1.5. | |||||
| 4.2.11.5. | Vízfeltöltő csatlakozás | 1.5. | |||||
| 4.2.11.6. | A vonatok tárolására vonatkozó külön követelmények | 1.5. | |||||
| 4.2.11.7. | Üzemanyagtöltő berendezés | 1.5. | |||||
| 4.2.11.8. | A vonatok belső takarításához szükséges energiaellátás | 2.5.3. | |||||
| 4.2.12.2. | Általános dokumentáció | 1.5. | |||||
| 4.2.12.3. | Karbantartási dokumentáció | 1.1.1. | 2.5.1. 2.5.2. 2.6.1. 2.6.2. | ||||
| 4.2.12.4. | Üzemi dokumentáció | 1.1.1. | 2.4.2. 2.6.1. 2.6.2. | ||||
| 4.2.12.5. | Emelési diagram és utasítások | 2.5.3. | |||||
| 4.2.12.6. | Mentési dokumentáció | 2.4.2. | 2.5.3. | ||||
| 4.2.13. | Automatikus vonatüzemeltetéssel való kapcsolódásra vonatkozó követelmények | 1.5. 2.3.2. 2.4.3. |
3.2. Az ezen ÁME hatálya alá nem tartozó alapvető követelmények
Az (EU) 2016/797 irányelv III. mellékletében "általános követelményként" vagy "egyes alrendszerekre vonatkozó követelményként" besorolt alapvető követelmények közül azok, amelyek hatást gyakorolnak a vasútijármű-alrendszerre, korlátozott módon tartoznak ezen ÁME hatálya alá.
4. A VASÚTIJÁRMŰ-ALRENDSZER JELLEMZÉSE
4.1. Bevezetés
4.1.1. Általános előírások
(1) Az (EU) 2016/797 irányelv tárgyát képező uniós vasúti rendszer, amelynek része a vasútijármű-alrendszer, olyan integrált rendszer, amelynek egységességét igazolni kell. Ezt az egységességet különösen a vasútijármű-alrendszer műszaki előírásai, az uniós vasúti rendszer más alrendszereihez való kapcsolódási pontjai és az üzemeltetési és karbantartási szabályok szempontjából kell ellenőrizni.
(2) A vasútijármű-alrendszer alapvető paramétereit ezen ÁME 4. fejezete határozza meg.
(3) Az alrendszer funkcionális és műszaki előírásai, valamint kapcsolódási pontjai, amelyek leírása a 4.2. és a 4.3. pontban található, nem teszik kötelezővé meghatározott technológiák vagy műszaki megoldások alkalmazását, kivéve, ha ez az uniós vasúti rendszer átjárhatóságához mindenképpen szükséges.
(4) A 7.1.2. pont (lásd: 17a. táblázat) a vasúti járművek néhány olyan jellemzőjét ismerteti, amelyeket fel kell tüntetni (a vonatkozó bizottsági határozat szerint) az engedélyezett járműtípusok európai nyilvántartásában. Ezeket a jellemzőket a vasúti járművek 4.2.12. pontban ismertetett műszaki dokumentációjában is meg kell adni.
4.1.2. Az ÁME alkalmazási körébe tartozó vasúti járművek leírása
(1) Az ÁME alkalmazási körébe tartozó (az ÁME-vel összefüggésben egységként megjelölt) vasúti járműveket az EK hitelesítési tanúsítványban a következő jellemzők egyikével kell leírni:
- fix összeállítású vonatszerelvény, és szükség esetén a többes üzem vonatkozásában értékelt típusba tartozó több vonatból álló szerelvény előre meghatározott összeállítása(i),
- egyetlen jármű vagy előre meghatározott összeállítás(ok)ra szánt járművek fix egysége,
- egyetlen jármű vagy általános üzemre szánt járművek fix egysége, és szükség esetén a többes üzem tekintetében értékelt típusba tartozó több jármű (mozdony) előre meghatározott összeállítása(i).
Megjegyzés: Az értékelt típus más típusú vasúti járművel megvalósuló többes üzeme nem tartozik ezen ÁME hatálya alá.
(2) A vonat-összeállításhoz és az egységhez kapcsolódó fogalommeghatározások az ÁME 2.2. pontjában találhatók.
(3) Amennyiben fix vagy előre meghatározott összeállítás(ok)ra szánt egység értékelésére kerül sor, az értékelést kérő félnek meg kell adnia az értékelés tárgyát képező összeállítás(oka)t, amelyeket fel kell tüntetnie az EK hitelesítési nyilatkozatban. Az egyes összeállítások meghatározásának tartalmaznia kell az egyes járművek (vagy csuklós fix összeállítások esetében a kocsik és a kerékpárok) típusmegjelölését, és a járművek összeállításban elfoglalt helyét. További részletek a 6.2.8. és a 6.2.9. pontban találhatók.
(4) Az általános üzemre használni kívánt egység egyes jellemzéseihez vagy értékeléseihez vonat-összeállításokkal kapcsolatos, meghatározott határértékek alkalmazása szükséges. Ezeket a határértékeket a 4.2. és a 6.2.7. pont határozza meg.
4.1.3. A vasúti járművek ÁME-követelmények alkalmazása tekintetében történő fő kategóriákba sorolása
(1) Az adott egységre alkalmazandó követelmények meghatározásához a vasúti járművek műszaki kategóriába sorolási rendszere használatos az ÁME következő pontjaiban.
(2) Az értékelést kérő félnek kell megadnia azt a műszaki kategóriát (kategóriákat), amely jelentőséggel bír az ÁME tárgyát képező egység tekintetében. Az értékelést végző bejelentett szervezet ezt a kategorizálást használja az ÁME vonatkozó követelményeinek értékeléséhez, amelyet fel kell tüntetnie az EK hitelesítési nyilatkozatban.
(3) A vasúti járművek műszaki kategóriái a következők:
- utasok szállítására szolgáló egység,
- utasok tárgyainak (poggyász, autók stb.) szállítására tervezett egység,
- önjáró vonatokban a rakomány (postai küldemények, teheráru stb.) szállítására tervezett egység,
- vezetőfülkével ellátott egység,
- vonóerő kifejtésére képes egység,
- villamos egység, amelynek energiaellátása az energiaellátásra vonatkozó ÁME-ben meghatározott villamosítási rendszerrel (rendszerekkel) történik,
- belsőégésű vontatójármű,
- tehervonati mozdony: teherszállító kocsik vontatására tervezett egység,
- személyvonati mozdony: személyszállító kocsik vontatására tervezett egység,
- speciális járművek (lásd a 2.2.2. C) pontot).
Az egységeket a fenti kategóriák közül egy vagy több jellemezheti.
(4) A 4.2. pont eltérő rendelkezésének hiányában az ebben az ÁME-ben meghatározott rendelkezések a vasúti járművek valamennyi fenti műszaki kategóriájára vonatkoznak.
(5) Értékeléskor figyelembe kell venni az egység üzemi összeállítását, és meg kell különböztetni a következőket:
- vonatként üzemeltethető egységek,
- önmagukban nem üzemeltethető egységek, amelyeket a vonatként történő üzemeltetéshez más egységgel (egységekkel) kell összekapcsolni (lásd még a 4.1.2., 6.2.7. és 6.2.8. pontot).
(6) Az értékelést kérő félnek meg kell adnia az ÁME tárgyát képező egység legnagyobb tervezési sebességét; a 60 km/h-nál nagyobb megadott sebességnek 5 km/h-val oszthatónak kell lennie (lásd még a 4.2.8.1.2. pontot); az értékelést végző bejelentett szervezet ezt használja az ÁME követelményeinek értékeléséhez, amelyet fel kell tüntetnie az EK hitelesítési tanúsítványban.
4.1.4. A vasúti járművek tűzbiztonsági kategóriákba sorolása
(1) Tűzbiztonsági követelmények tekintetében a vasúti alagutak biztonságára vonatkozó ÁME négy vasútijármű-kategóriát határoz meg és ismertet.
- A. kategóriájú személyszállító vasúti járművek (beleértve a személyvonati mozdonyt),
- B. kategóriájú személyszállító vasúti járművek (beleértve a személyvonati mozdonyt),
- tehervonati mozdony és a személyektől eltérő rakomány (postai küldemények, teheráru, infrastruktúra-ellenőrző járművek stb.) szállítására tervezett önjáró egységek,
- vasúti munkagépek.
(2) Az egységek kategóriái közötti kompatibilitással és azok alagutakban való üzemeltetésével a vasúti alagutak biztonságára vonatkozó ÁME foglalkozik.
(3) A személyek szállítására vagy személyszállító kocsik vontatására szolgáló és ezen ÁME alkalmazási körébe tartozó egységek tekintetében az értékelést kérő félnek legalább az A. kategóriát kell választania; a B. kategória választására vonatkozó szempontokat a vasúti alagutak biztonságára vonatkozó ÁME tartalmazza.
(4) Az értékelést végző bejelentett szervezet ezt a kategorizálási módot használja ezen ÁME 4.2.10. pontja követelményeinek értékeléséhez, amelyet fel kell tüntetnie az EK hitelesítési nyilatkozatban.
4.2. Az alrendszer működési és műszaki előírásai
4.2.1. Általános előírások
4.2.1.1. Részletezés
(1) A vasútijármű-alrendszer funkcionális és műszaki jellemzőit e pont alábbi pontjai szerint csoportosították és osztályozták:
- szerkezetek és mechanikus részek,
- a jármű-vágány kölcsönhatás és a méretezés,
- fékezés,
- személyszállítási elemek,
- környezeti feltételek,
- külső világítás és figyelmeztető hang- és fényjelző eszközök,
- vontatási és elektromos berendezések,
- vezetőfülke és a mozdonyvezető-gép közötti kapcsolódási pont,
- tűzbiztonság és evakuálás,
- szervizelés,
- üzemeltetési és karbantartási dokumentáció.
(2) A 4., 5. és 6. pontban meghatározott működési és műszaki előírások - az (EU) 2016/797 irányelv 4. cikkének (8) bekezdésében megengedettek szerint - adott műszaki szempontok kapcsán EN-szabvány vagy más műszaki dokumentum pontjára hivatkoznak; ezeket a hivatkozásokat ezen ÁME J. függeléke tartalmazza.
(3) A vonaton szolgálatot teljesítő személyzet számára a vonat üzemi állapotának (átlagos állapot, üzemen kívüli berendezés, meghibásodás stb.) ismerete tekintetében szükséges tájékoztatást az adott funkciót ismertető pont, valamint a 4.2.12. pont ("Üzemeltetési és karbantartási dokumentáció") tartalmazza.
4.2.1.2. Nyitott kérdések
Az (EU) 2016/797 irányelv 4. cikkének (6) bekezdése szerinti nyitott kérdések listája az I. függelékben található.
4.2.1.3. Biztonsági szempontok
(1) A biztonsági szempontból alapvető funkciókat ezen ÁME 3.1. pontja ismerteti, bemutatva, hogyan kapcsolódnak e funkciók az alapvető biztonsági követelményekhez.
(2) Az e funkciókkal kapcsolatos biztonsági követelményeket a 4.2. pont vonatkozó rendelkezései tárgyalják (például passzív biztonság, kerekek).
(3) Amennyiben ezeket a műszaki előírásokat ki kell egészíteni a biztonságra vonatkozó követelményekkel (súlyossági szint), azokat a 4.2. pont megfelelő rendelkezése is ismerteti.
(4) Az alapvető biztonsággal kapcsolatos funkciók végzésére használt elektronikus eszközök és szoftverek fejlesztését és értékelését a biztonsággal kapcsolatos elektronikus eszközökre és szoftverekre alkalmazandó módszer szerint kell elvégezni.
4.2.2. Szerkezet és mechanikus részek
4.2.2.1. Általános előírások
(1) Ez a rész a jármű szerkezeti felépítményére (a jármű szerkezetének szilárdsága), valamint a járművek vagy egységek közötti mechanikus csatlakozásokra (mechanikus kapcsolódási pontok) vonatkozó követelményeket ismerteti.
(2) E követelmények többségének célja a vonat épségének üzem és mentési műveletek közbeni biztosítása, valamint az utas- és személyzeti terek ütközés vagy kisiklás esetén történő védelme.
4.2.2.2. Mechanikai kapcsolódási pontok
4.2.2.2.1. Általános követelmények és fogalommeghatározások
A (2.2. pontban meghatározott) vonat kialakításához a járműveket olyan módon kapcsolják össze, hogy együttesen üzemeltethetők legyenek. A kapcsolókészülék az ezt lehetővé tevő mechanikai kapcsolódási pont. A kapcsolókészülékeknek több típusa létezik:
(1) Belső kapcsolókészülék ("köztes" kapcsolókészülék) : a több járműből álló egység (például fix egységként működő kocsicsoport vagy vonatszerelvény) összekapcsolására szolgáló, a járművek között található ütköző-vonó készülék.
(2) Kapcsolókészülék az egység végén ("külső" kapcsolókészülék) : a két (vagy több) egység vonat kialakítása céljából történő összekapcsolására használt ütköző-vonó készülék. Az egység végén lévő kapcsolókészülék lehet "automata", "félautomata" vagy "kézi". A kapcsolókészülék használható mentési célokra (lásd a 4.2.2.2.4. pontot). Ezen ÁME alapján a kézi kapcsolókészülék a vonat végén lévő olyan kapcsolórendszer, amely az egységek mechanikus kapcsolásának elvégzése érdekében (egy vagy több) személy jelenlétét igényli az össze- vagy szétkapcsolandó egységek között.
(3) Mentésre szolgáló kapcsolókészülék : olyan kapcsolókészülék, amely lehetővé teszi az egységnek 4.2.2.2.3. pont szerinti szabványos kézi kapcsolókészülékkel felszerelt hajtott egységgel való mentését, ha a mentésre szoruló egységet másféle kapcsolórendszerrel szerelték fel, illetve nem látták el kapcsolórendszerrel.
4.2.2.2.2. Belső kapcsolókészülék
(1) Az egység különböző (teljes mértékben saját kerekeikre támaszkodó) járművei közötti belső kapcsolókészülék olyan egységet tartalmaz, amely képes ellenállni a rendeltetésszerű üzemi körülmények által keltett erőknek.
(2) Amennyiben a járművek közötti belső kapcsolórendszer hosszirányú szilárdsága kisebb, mint az egység végén lévő kapcsolókészüléké, a belső kapcsolókészülék meghibásodása esetére rendelkezéseket kell előírni az egység mentése céljából. Ezeket a rendelkezéseket a 4.2.12.6. pontban előírt dokumentációban kell ismertetni.
(3) Csuklós egységek esetében az azonos futóművön osztozó két jármű közötti csatlakozásnak meg kell felelnie a J-1. függelék 1. hivatkozásában említett előírásoknak.
4.2.2.2.3. Kapcsolókészülék a vonat végén
a) Általános előírások
a-1) A vonat végén lévő kapcsolókészülék jellemzőire vonatkozó előírások
(1) Ha az egység bármelyik végén rendelkezik kapcsolókészülékkel, valamennyi típusú (automata, félautomata vagy kézi) kapcsolókészüléknek meg kell felelnie a következő követelményeknek:
- Olyan rugalmas kapcsolórendszert kell tartalmaznia, amely képes ellenállni a rendeltetésszerű üzemi körülmények által keltett erőknek.
- A mechanikus kapcsolókészülék típusát a húzó- és nyomóerőknek való ellenállás legnagyobb névleges tervezési értékeivel és a középvonalnak a sín szintjétől számított magasságával együtt (menetkész egység új kerekekkel) fel kell tüntetni a 4.2.12. pontban meghatározott műszaki dokumentációban.
(2) Amennyiben az egység egyik végén sincs kapcsolókészülék, az ilyen végekre olyan eszközt kell felszerelni, amely lehetővé teszi a mentésre szolgáló kapcsolókészülék felhelyezését.
a-2) A vonat végén lévő kapcsolókészülék típusára vonatkozó előírások
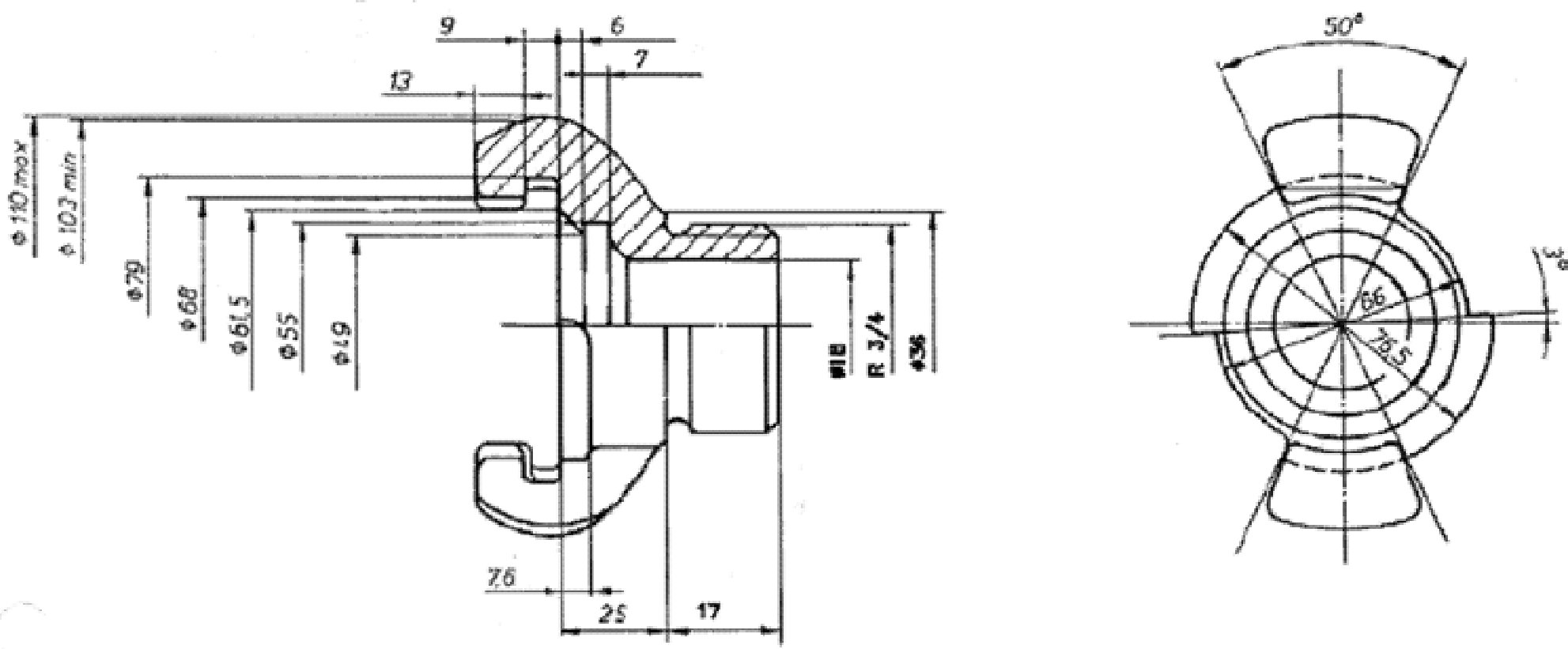
(1) A legalább 250 km/h-s legnagyobb tervezési sebességű fix vagy előre meghatározott összeállításban értékelt egységeket az összeállítás mindkét végén fel kell szerelni olyan automatikus középső ütközős kapcsolókészülékkel, amely geometrikusan és funkcionálisan kompatibilis a (5.3.1. pontban meghatározott) "10-es típusú reteszes rendszerű automatikus középső ütközős kapcsolókészülékkel"; a készülék középvonalának a sín szintjétől számított magassága 1 025 mm + 15/- 5 mm ("tervezési tömeg menetkész állapotban" terhelési körülmények közt, új kerekekkel mérve).
(2) Az általános üzemre tervezett és értékelt egységeket, és a kizárólag 1 520 mm-es rendszeren való üzemeltetésre tervezett egységeket olyan középső ütközős kapcsolókészülékkel kell felszerelni, amely geometrikusan és funkcionálisan kompatibilis az "SA3 típusú automatikus kapcsolókészülékkel"; a készülék középvonalának a sín szintjétől számított magassága 980-1 080 mm (minden kerékállapot és terhelés esetében).
b) Kézi kapcsolórendszerre vonatkozó előírások
B-1) Az egységekre vonatkozó rendelkezések
(1) A következő rendelkezések specifikusan a kézi kapcsolórendszerrel felszerelt egységekre vonatkoznak:
- A kapcsolórendszert olyan módon kell kialakítani, hogy az összekapcsolandó/lekapcsolandó egységek mozgása közben se legyen szükség emberi jelenlétre.
- Az általános üzemre vagy előre meghatározott összeállításban tervezett és értékelt, kézi kapcsolórendszerrel felszerelt egységek esetében a kapcsolórendszernek (az 5.3.2. pontban meghatározott) UIC típusú rendszernek kell lennie.
(2) Ezeknek az egységeknek meg kell felelniük a b-2) pont további előírásainak is.
B-2) Az egységek közötti kompatibilitás
Az (5.3.2. pontban ismertetett) UIC típusú kézi kapcsolórendszerrel és az UIC típussal kompatibilis (4.2.4.3. pontban ismertetett) fékrendszerrel felszerelt egységekre a következő előírások vonatkoznak:
(1) Az ütközőket és a csavaros kapcsolórendszert a J-1. függelék 2. hivatkozásában említett előírásnak megfelelően kell beépíteni.
(2) A fékvezetékek és a féktömlők, valamint a kapcsolókészülékek és a csapok méreteit és elrendezését ugyanazon előírás követelményeinek megfelelően kell kialakítani.
4.2.2.2.4. Mentésre szolgáló kapcsolókészülék
(1) Előírásokat kell kidolgozni annak érdekében, hogy meghibásodás esetén a vonal a mentésre szoruló egység vontatása vagy meghajtása révén felszabadítható legyen.
(2) Amennyiben a mentésre szoruló egység végén van kapcsolókészülék, a mentés végrehajtható azonos típusú (ideértve a középvonala sín feletti magasságának kompatibilitását is) kapcsolórendszerrel felszerelt hajtott egységgel.
(3) A mentésnek minden egység esetében végrehajthatónak kell lennie vontatóegységgel, azaz olyan hajtott egységgel, amely ahhoz, hogy mentésre alkalmas legyen, mindkét végén a következő jellemzőkkel rendelkezik:
a) az 1 435 mm-es, 1 524 mm-es, 1 600 mm-es vagy 1 668 mm-es rendszerek esetében:
- az (4.2.2.2.3. és 5.3.2. pontban ismertetett) UIC típusú kézi kapcsolórendszer és az UIC típussal kompatibilis (4.2.4.3. pontban ismertetett) fékrendszer megléte,
- a J-1. függelék 2. hivatkozásában említett előírások szerinti oldalsó elhelyezkedésű fékcsövek és csapok megléte,
- a horog középvonala felett 395 mm szabad hely, amely lehetővé teszi a mentőadapter alábbiakban ismertetett felszerelését;
b) az 1 520 mm-es rendszer esetében:
- olyan középső ütközős kapcsolókészülék megléte, amely geometrikusan és funkcionálisan kompatibilis az "SA3 típusú automatikus kapcsolókészülékkel"; a készülék középvonalának a sín szintjétől számított magassága 980-1 080 mm (minden kerékállapot és terhelés esetében).
Ez állandó jelleggel felszerelt kompatibilis kapcsolórendszerrel vagy (mentőadapternek is nevezett) mentésre szolgáló kapcsolókészülékkel valósítható meg. Utóbbi esetben az ezen ÁME szerint értékelendő egységet úgy kell kialakítani, hogy a mentésre szolgáló kapcsolókészülék az egység fedélzetén szállítható legyen.
(4) Az (5.3.3. pontban meghatározott) mentésre szolgáló kapcsolókészüléknek a következő követelményeknek kell megfelelnie:
- kialakításának köszönhetően alkalmasnak kell lennie a legalább 30 km/h sebesség mellett történő mentésre,
- a vontatóegységre való felszerelését követően olyan módon kell rögzíteni, hogy ne váljon le a mentési művelet közben,
- ellen kell állnia a végezni kívánt mentési művelet során fellépő erőknek,
- kialakításának olyannak kell lennie, hogy a vontató és a mentésre szoruló egységek egyikének mozgása közben se legyen szükség emberi jelenlétre,
- sem a mentésre szolgáló kapcsolókészülék, sem a féktömlők nem gátolhatják a vontatóegységre szerelt horog oldalirányú mozgását.
(5) A mentési céllal alkalmazott járművek fékjeivel kapcsolatos követelményre ezen ÁME 4.2.4.10. pontjának követelményei vonatkoznak.
4.2.2.2.5. A személyzet hozzáférése össze- és szétkapcsolást biztosító berendezésekhez
(1) Az egységeket és a vonat végén lévő kapcsolórendszereket úgy kell kialakítani, hogy a személyzet ne legyen kitéve indokolatlan kockázatnak az össze- és szétkapcsolás vagy a mentési műveletek során.
(2) E követelmény teljesítése érdekében a 4.2.2.2.3. b) pont szerinti UIC típusú kézi kapcsolórendszerrel felszerelt egységeknek a következő követelményeknek kell megfelelniük (a "berni négyszög"):
- Csavaros kapcsolókészülékekkel és oldalütközőkkel felszerelt egységeken a személyzeti műveletek helyének összhangban kell lennie a J-1. függelék 2. hivatkozásában említett előírásokkal.
- Amennyiben kombinált automatikus és csavaros kapcsolókészülék van felszerelve, megengedhető, hogy az automatikus készülék feje a bal oldali berni négyszögön belül legyen vontatáskor és a csavaros kapcsolókészülék használata közben.
Valamennyi ütköző alján kapaszkodónak kell lennie. A kapaszkodónak legalább 1,5 kN erővel kell terhelhetőnek lennie.
(3) A 4.2.12.4. és 4.2.12.6. pontban meghatározott üzemeltetési és mentési dokumentációnak ismertetnie kell az előírás teljesítéséhez szükséges intézkedéseket. E követelménynek teljesítését a tagállamok is előírhatják.
4.2.2.3. Közlekedők
(1) Az utasok kocsik vagy vonatszerelvények közötti átjárásának lehetővé tételéhez biztosított közlekedőknek a járművek normál üzeme során előforduló összes elmozduláshoz igazodniuk kell, anélkül, hogy az utasok indokolatlan kockázatnak lennének kitéve.
(2) Ha csatlakoztatott közlekedők nélküli üzem is lehetséges, akkor ügyelni kell arra, hogy az utasok közlekedőre való kijutása megakadályozható legyen.
(3) A használaton kívüli közlekedők ajtajaival kapcsolatos követelményeket a 4.2.5.7. pont ("Személyszállítási elemek - Egységeket összekötő ajtók") tartalmazza.
(4) A további követelményeket a mozgáskorlátozott személyekre vonatkozó ÁME írja elő.
(5) Ennek a pontnak a követelményei nem vonatkoznak a járművek végére, amennyiben ezek nem utasok általi rendszeres használatra szolgálnak.
4.2.2.4. A jármű szerkezetének szilárdsága
(1) Ez a pont a vasúti munkagépek kivételével valamennyi egységre vonatkozik.
(2) A vasúti munkagépek tekintetében az e pontban meghatározott követelmények helyett a statikus terhelés, kategória és gyorsulás tekintetében a C. függelék C.1. pontjában meghatározott követelmények irányadók.
(3) A járművek statikus és dinamikus szilárdsága (fáradás) az abban tartózkodók számára szükséges biztonság garantálása, valamint a vontatási és tolatási műveletekben részt vevő jármű szerkezeti épsége tekintetében bír jelentőséggel. Ezért minden jármű szerkezetét a J-1. függelék 1. hivatkozásában említett előírásokban meghatározott követelményeknek megfelelően kell kialakítani, ahol mozdonyok és vonófejek esetében az L kategóriának, az ezen ÁME hatálya alá tartozó minden más járműtípus esetében a PI. vagy PII. kategóriának megfelelő vasútijármű-kategóriát kell figyelembe venni.
(4) A kocsiszekrény szerkezetének szilárdsága számítással és/vagy vizsgálattal igazolható a J-1. függelék 1. hivatkozásában említett előírásokban meghatározott feltételek szerint.
(5) Amennyiben az egységet a J-1. függelék 1. hivatkozásában említett előírásokban (a (3) pontban minimumként előírt) kategóriákra meghatározottnál nagyobb nyomóerőre tervezték, ez az előírás nem tér ki a javasolt műszaki megoldásra; ilyen esetben megengedett a más, nyilvánosan elérhető normatív dokumentumokban szereplő nyomóerő alkalmazása.
Ebben az esetben a bejelentett szervezetnek ellenőriznie kell, hogy a normatív dokumentum a járműszerkezet tervezésére, kialakítására és tesztelésére alkalmazandó, műszakilag egységes szabálycsomag részét alkotja-e.
A nyomóerő értékének szerepelnie kell a 4.2.12. pontban meghatározott műszaki dokumentációban.
(6) A vizsgálandó terhelési körülményeknek összhangban kell állniuk az ezen ÁME 4.2.2.10. pontjában meghatározott körülményekkel.
(7) Az aerodinamikai terhelésre vonatkozó feltételeket ezen ÁME 4.2.6.2.2. pontja tartalmazza (két vonat elhaladása egymás mellett).
(8) A fenti követelmények kiterjednek a kapcsolási technikákra is. Hitelesítési eljárást kell meghatározni a gyártási szakaszban annak biztosítása érdekében, hogy a szerkezet mechanikai jellemzőit gyengítő hibák elháruljanak.
4.2.2.5. Passzív biztonság
(1) Az ebben a pontban meghatározott előírások minden egységre vonatkoznak az üzem közben nem utasok vagy személyzet szállítására szolgáló egységek és a vasúti munkagépek kivételével.
(2) Az 1 520 mm-es rendszeren való üzemre tervezett egységek tekintetében az ebben a pontban a passzív biztonsággal kapcsolatban ismertetett előírások alkalmazása önkéntes. Ha a jóváhagyást kérő az ebben a pontban a passzív biztonsággal kapcsolatban ismertetett előírások alkalmazását választja, a tagállamoknak ezt el kell ismerniük. A tagállamok elő is írhatják ezen előírások alkalmazását.
(3) Az 1 524 mm-es rendszeren való üzemre tervezett mozdonyok tekintetében az ebben a pontban a passzív biztonsággal kapcsolatban ismertetett előírások alkalmazása önkéntes. Ha a jóváhagyást kérő az ebben a pontban a passzív biztonsággal kapcsolatban ismertetett előírások alkalmazását választja, a tagállamoknak ezt el kell ismerniük.
(4) Az alábbi ütközési esetekben meghatározott ütközési sebességre nem felgyorsítható egységek mentesülnek az adott ütközési esetre vonatkozó rendelkezések alól.
(5) A passzív biztonság célja az aktív biztonság kiegészítése olyan esetekben, amikor minden más intézkedés kudarcot vallott. Ezért ütközés esetén a járművek mechanikai szerkezetének védelmet kell nyújtania a járműben tartózkodók számára a következők révén:
- a lassulás mérséklése,
- a tartózkodási területek túlélési terének és szerkezeti integritásának fenntartása,
- a járművek egymásra futási kockázatának csökkentése,
- a kisiklás kockázatának csökkentése,
- a vágányon lévő akadállyal való ütközés következményeinek mérséklése.
E funkcionális követelmények teljesítéséhez az egységeknek meg kell felelniük a J-1. függelék 3. hivatkozásában említett előírásokban a C-I törésbiztonsági tervezési kategóriára meghatározott részletes követelményeknek.
A következő négy ütközési referenciaesetet kell vizsgálni:
- 1. forgatókönyv: frontális ütközés két azonos egység között,
- 2. forgatókönyv: frontális ütközés teherkocsival,
- 3. forgatókönyv: teherautóval való ütközés szintbeli vasúti átjáróban,
- 4. forgatókönyv: az egység alacsony akadályba ütközése (pl. szintbeli vasúti átjáróban autóval, állattal, kőtömbbel stb.).
(6) Az (5) pontban említett forgatókönyveket a J-1. függelék 3. hivatkozásában említett előírás ismerteti.
(7) A J-1. függelék 3. hivatkozásában említett előírás követelményeit kell a fent megadott ütközési referenciaesetekkel kapcsolatban alkalmazni.
(8) A vágányon lévő akadállyal való ütközés következményeinek mérséklése érdekében a mozdonyok, vonófejek, vezérlőkocsik és vonatszerelvények menetirány szerinti elejét terelőlappal kell felszerelni. A terelőlap által teljesítendő követelményeket a J-1. függelék 3. hivatkozásában szereplő előírás határozza meg.
4.2.2.6. Emelés
(1) Ez a pont valamennyi egységre vonatkozik.
(2) A vasúti munkagépek emelésére vonatkozó további rendelkezéseket a C. függelék C.2. pontja határozza meg.
(3) Biztosítani kell az egységet alkotó valamennyi jármű vontatási (kisiklás, baleset vagy váratlan esemény után) és karbantartási célból történő biztonságos emelését. E célra megfelelő kocsiszekrény-kapcsolódási (emelési) pontokat kell kialakítani, amelyek lehetővé teszik a függőleges vagy csaknem függőleges erőhatások kifejtését. A jármű tervezésekor biztosítani kell a teljes, futóművel együtt történő emelést (például a forgóvázak kocsiszekrényhez rögzítésével). A jármű egyik végénél fogva (akár a futóműnél is) történő emelését úgy kell végrehajtani, hogy a jármű másik vége a többi futóművön (futóműveken) maradjon.
(4) Az emelési pontokat ajánlott olyan módon megtervezni, hogy azokat a jármű alvázához rögzített összes futóművel együtt való emeléshez is használni lehessen.
(5) Az emelési pontoknak úgy kell elhelyezkedniük, hogy azok lehetővé tegyék a jármű biztos és biztonságos emelését. Megfelelő helyet kell hagyni minden emelési pont mellett és alatt a mentőberendezések egyszerű felszerelhetősége érdekében. Az emelési pontokat olyan módon kell kialakítani, hogy a személyzet normál üzemben vagy a mentőberendezés használatakor ne legyen indokolatlan kockázatnak kitéve.
(6) Amennyiben a kocsiszekrény alsó szerkezete nem teszi lehetővé állandóan beépített emelési pontok kialakítását, a szerkezetet olyan szerelvényekkel kell felszerelni, amelyek lehetővé teszik a sínre való visszahelyezés közben a változtatható helyű emelési pontok rögzítését.
(7) Az emelési pontok geometriáját a J-1. függelék 4. hivatkozásában említett előírásnak megfelelően kell kialakítani.
(8) Az emelési pontok jelölését a J-1. függelék 5. hivatkozásában említett előírásnak megfelelő jelzésekkel kell megoldani.
(9) A mechanikai szerkezetet a J-1. függelék 1. hivatkozásában említett előírásban meghatározott terhelések figyelembevételével kell kialakítani; a járműszekrény szerkezetének szilárdsága számítással vagy vizsgálattal igazolható az említett előírásban meghatározott feltételek szerint.
A fenti 4.2.2.4. pontban meghatározott feltételek teljesítése mellett felhasználhatók nyilvánosan elérhető más normatív dokumentumok.
(10) Az egység minden járműve tekintetében emelési diagramot és megfelelő utasításokat kell mellékelni az ÁME 4.2.12.5. és 4.2.12.6. pontjában ismertetett műszaki dokumentációban. Az utasításokat lehetőség szerint piktogramokkal kell szemléltetni.
4.2.2.7. Berendezések rögzítése a kocsiszekrényhez
(1) Ez a pont a vasúti munkagépek kivételével valamennyi egységre vonatkozik.
(2) A vasúti munkagépek szerkezeti szilárdságára vonatkozó rendelkezéseket a C. függelék C.1. pontja határozza meg.
(3) A rögzített berendezéseket - az utastérben is - oly módon kell a kocsiszekrényhez rögzíteni, hogy a kocsiszekrény megakadályozza a rögzített berendezések meglazulását, ami az utasok számára sérülési kockázattal járhat, illetve kisikláshoz vezethet. A szóban forgó berendezéseket ezért a J-1. függelék 1. hivatkozásában meghatározott előírás szerint kell kialakítani, a mozdonyok tekintetében az L. kategória, a személyszállító vasúti járművek tekintetében a P-I vagy P-II kategória figyelembevételével.
A 4.2.2.4. pontban meghatározott feltételek teljesítésével felhasználhatók alternatív normatív dokumentumok.
4.2.2.8. Peronajtók a személyzet és a rakomány számára
(1) Az utasok által használt ajtókra ezen ÁME 4.2.5.pontja ("Személyszállítási elemek") vonatkozik. A vezetőfülke ajtajaival ezen ÁME 4.2.9. pontja foglalkozik. Ez a pont a rakományhoz használt ajtókkal, és a vezetőfülke ajtajai kivételével a vonat személyzete által használt ajtókkal foglalkozik.
(2) A vonat személyzete vagy a rakomány számára fenntartott térrel ellátott járműveket fel kell szerelni az ajtók becsukására és bezárására szolgáló eszközzel. Az ajtóknak mindaddig zárt állapotban kell maradniuk, amíg azokat a vonat személyzete szándékosan ki nem nyitja.
4.2.2.9. (Nem szélvédő) üvegek mechanikai jellemzői
(1) Amennyiben az üvegezéshez üveget használnak (ideértve a tükröket is), a minőség és a felhasználási terület szempontjából nyilvánosan elérhető, a vonatkozó szabványoknak megfelelő, vasúti felhasználásra alkalmas rétegelt vagy edzett üveg használatával a lehető legkisebbre kell csökkenteni annak kockázatát, hogy az utasokat és a személyzetet üvegtörés miatt sérülés érje.
4.2.2.10. Terhelési körülmények és mérlegelt tömeg
(1) A J-1. függelék 6. hivatkozásában említett előírásban meghatározott következő terhelési körülményeket kell megállapítani:
i. tervezési tömeg rendkívüli hasznos teher mellett,
ii. tervezési tömeg átlagos hasznos teher mellett,
iii. tervezési tömeg menetkész állapotban,
iv. üzemi tömeg átlagos hasznos teher mellett,
v. üzemi tömeg menetkész állapotban.
(2) A fent meghatározott terhelési körülményekhez szükséges feltételezéseket a 4.2.12.2. pontban ismertetett általános dokumentációban kell indokolni és dokumentálni.
Ezeket a feltételezéseket a J-1. függelék 6. hivatkozásában említett előírásoknak megfelelően a vasúti jármű kategóriákba sorolására (nagysebességű és helyközi vonat, egyéb) és a rakomány megnevezésére (utasok, egy négyzetméterre jutó rakomány az állótérben és szolgálati térben) kell alapozni; a különböző paraméterek értékei indokolt esetben eltérhetnek ettől az előírástól.
(3) A szerelvényen található választható berendezések figyelembevétele érdekében a vasúti munkagépek esetében eltérő terhelési körülmények (minimum tömeg, maximum tömeg) használhatók.
(4) A megfelelőségértékelési eljárást ezen ÁME 6.2.3.1. pontja ismerteti.
(5) A fent meghatározott terhelési feltételek mindegyike tekintetében a következő információkat kell megadni a 4.2.12. pontban ismertetett műszaki dokumentációban:
- teljes járműtömeg (az egység minden járművére),
- tengelyterhelés (mindegyik tengelyre),
- kerékterhelés (mindegyik kerékre).
Megjegyzés: Az önállóan forgó kerekekkel felszerelt egységek esetében a "tengely" kifejezést geometriai fogalomként, nem pedig fizikai részegységként kell értelmezni; ez eltérő rendelkezés hiányában a teljes ÁME-re érvényes.
4.2.3. A jármű-vágány kölcsönhatás és a méretezés
4.2.3.1. Méretezés
(1) Ez a pont az egy vagy több infrastruktúrán akadály nélkül üzemeltethető vasúti járművek méretezését szolgáló számítások és ellenőrzések szabályaival foglalkozik.
A nem 1 520 mm-es nyomtávú rendszere(ke)n történő üzemre tervezett egységek esetében:
(2) A kérelmező választja ki a kívánt referenciaprofilt, többek között a hordmű referenciaprofilját is. A referenciaprofilt fel kell tüntetni a 4.2.12. pontban ismertetett műszaki dokumentációban.
(3) A J-1. függelék 7. hivatkozásában említett előírásban meghatározott módszerek egyikével kell meghatározni, hogy az egység megfelel-e a kívánt referenciaprofilnak.
(4) Amennyiben az egységet a G1., GA., GB., GC. vagy DE3. referenciaprofilok közül egynek vagy többnek megfelelőnek nyilvánítják, beleértve a GI1, GI2 vagy GI3 hordműhöz kapcsolódó profilokat is, a J-1. függelék 7. hivatkozásában említett előírásokban meghatározottak szerint, a megfelelést a J-1. függelék 7. hivatkozásában említett előírásokban meghatározottak szerinti kinematikus módszerrel kell megállapítani.
Fel kell tüntetni a 4.2.12. pontjában ismertetett műszaki dokumentációban, hogy az egység megfelel-e az említett referenciaprofil(ok)nak.
(5) Villamos egységek esetében az áramszedő űrszelvényét számítással kell ellenőrizni a J-1. függelék 7. hivatkozásában említett előírások szerint annak érdekében, hogy az áramszedő szerkesztési szelvénye megfeleljen az 1301/2014/EU bizottsági rendelet ( 8 ) (energia alrendszerre vonatkozó ÁME) D. függelékében meghatározott mechanikai kinematikus szelvény paramétereinek, amely függ az áramszedőfej választott geometriájától: a két választható lehetőséget a 4.2.8.2.9.2. pont ismerteti.
Az áramszedő és a helyhez kötött berendezések közötti megfelelő szigetelési távolságok biztosítása érdekében az infrastruktúra-szelvény kialakításakor figyelembe veszik az energiaellátás feszültségét.
(6) Az energia alrendszerre vonatkozó ÁME 4.2.10. pontjában meghatározott és a mechanikai kinematikus szelvényszámításhoz használt áramszedőlengést a J-1. függelék 7. hivatkozásában említett előírásokban meghatározott számításokkal vagy mérésekkel kell igazolni.
Az 1 520 mm-es nyomtávú rendszeren történő üzemre tervezett egységek:
(7) A jármű statikus profiljának az egységes "T" szelvényen belül kell lennie; az infrastruktúra referenciaprofilja megegyezik az "S" szelvénnyel. Ezt a profilt a B. függelék határozza meg.
(8) Villamos egységek esetében az áramszedő űrszelvényét számítással kell ellenőrizni annak érdekében, hogy az áramszedő szerkesztési szelvénye megfeleljen az energia alrendszerre vonatkozó ÁME D. függelékében meghatározott mechanikai statikus szelvény paramétereinek; az áramszedőfej választott geometriáját figyelembe kell venni: a választható lehetőségeket a 4.2.8.2.9.2. pont ismerteti.
4.2.3.2. Tengelyterhelés és kerékterhelés
4.2.3.2.1. Tengelyterhelési paraméter
(1) A tengelyterhelés a tengelytávval, az egység hosszával és az egység vizsgált vonalon megengedett legnagyobb sebességével együtt alkotja az egység és az infrastruktúra közötti kapcsolódási paramétert.
Az 1299/2014/EU bizottsági rendelet ( 9 ) (infrastruktúrára vonatkozó ÁME) 4.2.1. pontjában meghatározott infrastrukturális célrendszer tekintetében a tengelyterhelés egy teljesítményparaméter, amely függ a vonal forgalomtípuskódjától.
(2) Az infrastruktúra kapcsolódási pontjaként használatos következő jellemzőket kell használni az egység értékelésekor készített és a 4.2.12.2. pontban ismertetett általános dokumentációban:
- az egy tengelyre jutó terhelés (mindegyik tengelyre) minden terhelési állapotra (a 4.2.2.10. pontban meghatározottak szerint, amely előírja ezen adatok dokumentációba történő felvételét),
- a tengelyek helyzete az egységen belül (tengelytáv),
- az egység hossza,
- a legnagyobb tervezési sebesség (amelynek dokumentációba való felvételét a 4.2.8.1.2. pont írja elő),
- Az egység J-1. függelék 10. hivatkozásában említett előírások szerinti besorolásának eredményeként kapott EN-vonalkategória.
(2a) Önjáró belsőégésű vagy villamos személyszállító vonatok, valamint személyszállító kocsik és más vasúti kocsik esetében az EN-vonalkategóriát mindig dokumentálni kell, feltüntetve az állóhelyeken érvényes hasznos teher standard értékét kg/m2-ben, a J-1. függelék 10. hivatkozásában említett előírásokban meghatározottak szerint.
(2b) Ha a "tervezési tömeg rendkívüli hasznos teher mellett" terhelési körülmény 4.2.2.10. (1) és 4.2.2.10. (2) pont szerinti meghatározása az állóhelyekre vonatkozó hasznos teher meghatározott értéke alapján történik, akkor az állóhelyekre vonatkozó hasznos teher adott értékének felhasználásával egy második EN-vonalkategóriát kell dokumentálni.
(2c) Az említett összes egység esetében az EN-vonalkategóriát az állóhelyekre vonatkozó hasznos teher feltüntetésével kell dokumentálni, a J-1. függelék 10. hivatkozásában említett előírásokban ismertetett módon.
(3) A tengelyterhelési adatokat üzemeltetési szinten kell használni a vasúti jármű és az infrastruktúra kompatibilitásának (ezen ÁME hatályán kívül eső) ellenőrzéséhez:
Az egység egyes tengelyeinek az infrastruktúrához való kapcsolódási paraméterként használandó tengelyterhelését a vasúti társaságnak kell meghatároznia az (EU) 2019/773 bizottsági végrehajtási rendelet ( 10 ) (forgalomüzemeltetés és -irányítás alrendszerére vonatkozó ÁME) 4.2.2.5. pontjában előírtak szerint, figyelemmel a végezni kívánt szolgáltatással járó várható terhelésre (ezt az egység értékelésekor nem határozzák meg). A "tervezési tömeg rendkívüli hasznos teher mellett" terhelési körülmény melletti tengelyterhelés a fent említett tengelyterhelés legmagasabb lehetséges értéke. A fékrendszer tervezésekor alkalmazott, a 4.2.4.5.2. pontban meghatározott legnagyobb terhelést is figyelembe kell venni.
4.2.3.2.2. Kerékterhelés
(1) A Δqj = (Ql - Qr)/(Ql + Qr) tengelyenkénti kerékterhelési eltérés arányát a "tervezési tömeg menetkész állapotban" terhelési körülmények figyelembevételével kerékterhelés-méréssel kell értékelni. A tengelyterhelés 5 %-ánál nagyobb kerékterhelés-eltérés csak akkor megengedett az ellenőrzött kerekeken, ha a biztonság elfogadható mértékét igazolják azok a vizsgálatok, amelyek az ÁME 4.2.3.4.1. pontjában meghatározott, a vágánykivetődésen való áthaladáskor való kisiklással szembeni biztonságra vonatkoznak.
(2) A megfelelőségértékelési eljárást ezen ÁME 6.2.3.2. pontja ismerteti.
(3) Azon egységek esetében, amelyek a "tervezési tömeg átlagos hasznos teher mellett" terhelési körülmények melletti tengelyterhelése legfeljebb 22,5 tonna és a használt kerék átmérője legalább 470 mm, a kerékátmérőhöz viszonyított kerékterhelés (Q/D) legfeljebb 0,15 kN/mm lehet, a legkisebb használt kerékátmérő és a "tervezési tömeg átlagos hasznos teher mellett" terhelési körülmény mellett.
4.2.3.3. A vasúti járművek földi vonatfigyelő rendszereket befolyásoló paraméterei
4.2.3.3.1. A járművek jellemzői a vonatérzékelő rendszerekkel való kompatibilitás tekintetében
(1) A vonatérzékelő célrendszerekkel való kompatibilitást befolyásoló járműjellemzők a 4.2.3.3.1.1., 4.2.3.3.1.2. és 4.2.3.3.1.3. pontban szerepelnek.
Figyelembe kell venni a J-2. függelék A. hivatkozásában (és a vasúti ellenőrző-irányító és jelző alrendszerre vonatkozó ÁME ( 11 ) A. függeléke A.2. táblázatának 77. hivatkozásában is) említett előírás pontjait. Az ide tartozó különleges eseteket az ellenőrző-irányító és jelző alrendszerre vonatkozó ÁME 7.7. pontja határozza meg.
(2) A 4.2.12. pontban meghatározott műszaki dokumentációban fel kell tüntetni azon jellemzőket, amelyekkel a jármű kompatibilis.
4.2.3.3.1.1. A járművek jellemzői a sínáramkörös vonatérzékelő rendszerrel való kompatibilitás tekintetében
A következőkre vonatkozó jellemzőket a J-2. függelék A. hivatkozásában említett előírás határozza meg:
i. A jármű geometriája
(1) Egymást követő tengelyek közötti legnagyobb távolság;
(2) A vonat eleje/vége és első/utolsó tengelye közötti legnagyobb távolság;
(3) Az első és az utolsó tengely közötti legkisebb távolság;
ii. Járműkonstrukció
(4) A legkisebb tengelyterhelés minden terhelési körülményre vonatkozóan;
(5) Az egy tengelyen lévő kerekek futófelületei közötti elektromos ellenállás értéke és mérési módszere;
(6) Áramszedővel felszerelt villamos egységek esetében a jármű legkisebb impedanciája;
(7) Tolatást segítő eszközök alkalmazása;
iii. A kibocsátás izolálása
(8) Homokoló berendezés alkalmazása;
Ha az egységen automatikus homokoló funkció található, a jármű vezetője megszakíthatja funkció alkalmazását a pálya azon pontjain, amelyeken az üzemeltetési szabályok szerint a homokoló alkalmazása nem megengedett;
(9) Kompozit féktuskók használata;
(10) Nyomkarimakenő berendezéssel felszerelt jármű esetében a berendezésre vonatkozó követelmények;
iv. Elektromágneses összeférhetőség
(11) A vezetett interferenciával kapcsolatos követelmények.
4.2.3.3.1.2. A járművek jellemzői a tengelyszámlálón alapuló vonatérzékelő rendszerrel való kompatibilitás tekintetében
A következőkre vonatkozó jellemzőket a J-2. függelék A. hivatkozásában említett előírás határozza meg:
i. A jármű geometriája
(1) Egymást követő tengelyek közötti legnagyobb távolság;
(2) Egymást követő tengelyek közötti legkisebb távolság;
(3) Az összekapcsolni kívánt egység végén a vonat eleje/vége és az első/utolsó tengely közötti legkisebb távolság (a meghatározott érték fele);
(4) A vonat eleje/vége és első/utolsó tengelye közötti legnagyobb távolság;
ii. A kerék geometriája
(5) A kerék geometriai adatai;
iii. Járműkonstrukció
(6) A kerekek közötti fém- és induktívkomponens-mentes tér;
(7) A kerék anyagának jellemzői;
iv. Elektromágneses összeférhetőség
(8) Az elektromágneses mezőkkel kapcsolatos követelmények;
(9) A mágneses vagy örvényáramú sínfékek használata.
4.2.3.3.1.3. A jármű hurokberendezésen alapuló vonatérzékelési rendszerrel való kompatibilitási jellemzői
A következőkre vonatkozó jellemzőket a J-2. függelék A. hivatkozásában említett előírás határozza meg:
Járműkonstrukció
(1) A jármű fémszerkezetének felépítése.
4.2.3.3.2. A tengelycsapágy állapotának figyelemmel kísérése
(1) A tengelycsapágy állapotának figyelemmel kísérése azt a célt szolgálja, hogy a hibás kerékcsapágyak felfedezhetők legyenek.
(2) A legalább 250 km/h legnagyobb tervezési sebességű egységeket fel kell szerelni fedélzeti érzékelőberendezéssel.
(3) A legfeljebb 250 km/h legnagyobb tervezési sebességű, nem 1 520 mm-es rendszeren való üzemre tervezett egységek esetében a tengelycsapágy állapotának figyelemmel kíséréséről (a 4.2.3.3.2.1. pont előírásainak megfelelő) fedélzeti berendezéssel vagy (a 4.2.3.3.2.2. pont előírásainak megfelelő) pálya menti berendezéssel kell gondoskodni.
(4) A fedélzeti rendszer beszerelését és/vagy az egységnek a pálya menti berendezéssel való kompatibilitását fel kell tüntetni az ÁME 4.2.12. pontjában meghatározott műszaki dokumentációban.
4.2.3.3.2.1. A fedélzeti érzékelőberendezésre vonatkozó követelmények
(1) Ennek a berendezésnek ki kell tudnia mutatni az egység bármely tengelycsapágyának meghibásodását.
(2) A csapágy állapotát a hőmérsékletének vagy a dinamikus frekvenciájának, illetve más alkalmas csapágyjellemző tulajdonságnak a figyelemmel kísérésével kell értékelni.
(3) Az érzékelőrendszert teljes mértékben az egység fedélzetén kell elhelyezni, és diagnosztikai üzeneteinek a fedélzeten kell megjelenniük.
(4) A diagnosztikai üzeneteket a 4.2.12.4. pont szerinti üzemi dokumentációban és a 4.2.12.3. pont szerinti karbantartási dokumentációban kell ismertetni és feltüntetni.
4.2.3.3.2.2. A vasúti jármű vágány mellett elhelyezett berendezéssel való kompatibilitására vonatkozó követelmények
(1) Az 1 435 mm-es rendszeren történő üzemre tervezett egységek esetében a vasúti jármű vágány mellett elhelyezett berendezése által látható résznek a J-1. függelék 8. hivatkozásában említett előírásban meghatározott területnek kell lennie.
(2) Az 1 435 mm-estől vagy 1 668 mm-estől eltérő nyomtávon történő üzemre tervezett egységeknél adott esetben a konkrét esetet kell feltüntetni (az érintett hálózatra vonatkozó harmonizált szabály).
(2a) Az 1 668 mm-es rendszeren történő üzemre tervezett egységek esetében a vasúti jármű vágány mellett elhelyezett berendezése által látható résznek a J-1. függelék 8. hivatkozása szerinti előírás paramétereire vonatkozó 1. táblázatban meghatározott területnek kell lennie.
1. táblázat
Az 1 668 mm-es hálózatokon üzemeltetni kívánt egységekre vonatkozó célzóna és tiltott zóna
| Nyomtáv [mm] | YCÉL [mm] | WCÉL [mm] | LCÉL [mm] | YTILTOTT [mm] | WTILTOTT [mm] | LTILTOTT [mm] |
| 1 668 | 1 176 ± 10 | ≥ 55 | ≥ 100 | 1 176 ± 10 | ≥ 110 | ≥ 500 |
4.2.3.4. A vasúti járművek dinamikai viselkedése
4.2.3.4.1. Kisiklással szembeni biztonság vágánykivetődésen való áthaladáskor
(1) Az egységet úgy kell megtervezni, hogy a vágánykivetődésen való áthaladáskor is menetbiztos legyen, figyelembe véve különösen a döntött és vízszintes vágány közötti átmeneti szakaszt és a keresztezések szintbeli eltéréseit.
(2) A megfelelőségértékelési eljárást ezen ÁME 6.2.3.3. pontja ismerteti.
Ez a megfelelőségértékelési eljárás vonatkozik a vasúti infrastruktúrára vonatkozó ÁME 4.2.1. pontjában és a J-1. függelék 9. hivatkozásában említett tengelyterhelés-tartományokra.
Nem vonatkozik a magasabb tengelyterhelésre tervezett járművekre, ezekre az esetekre a nemzeti szabályok vagy az ezen ÁME 10. cikkében és 6. fejezetében ismertetett, az innovatív megoldásra vonatkozó eljárás alkalmazható.
4.2.3.4.2. Menetdinamikai viselkedés
(1) Ez a pont a vasúti munkagépek kivételével, melyek követelményeit a C. függelék C.3. pontja tartalmazza, illetve az 1 520 mm-es nyomtávon történő üzemre tervezett egységek kivételével, melyek esetében a vonatkozó követelmények nyitott kérdésnek tekintendők, a 60 km/h-t meghaladó tervezési sebességű egységekre vonatkozik.
(2) A jármű dinamikai viselkedése jelentős hatással van a futásbiztonságra és a vágányterhelésre. Ez a funkció lényeges az ebben a pontban szereplő követelmények tárgyát képező biztonság szempontjából.
a) Műszaki követelmények
(1) Az egységnek biztonságosan kell üzemelnie, és csak elfogadható mértékű vágányterhelést okozhat, amikor a sebesség és túlemelés-hiány együttese által meghatározott határértékeken belül olyan feltételek mellett üzemeltetik, amelyeket a J-1. függelék 9. hivatkozása szerinti előírás meghatároz.
Ez a 4.2.3.4.2.1. és 4.2.3.4.2.2. pontban megadott határértékek betartásának ellenőrzésével értékelhető; A megfelelőségértékelési eljárást a 6.2.3.4. pont határozza meg.
(2) A (3) pontban említett határértékek és megfelelőségértékelés vonatkozik a vasúti infrastruktúrára vonatkozó ÁME 4.2.1. pontjában és a J-1. függelék 9. hivatkozásában említett tengelyterhelés-tartományokra.
Nem vonatkozik a magasabb tengelyterhelésre tervezett járművekre, mivel nincs meghatározott harmonizált vágányterhelési határérték; ezekre az esetekre a nemzeti szabályok vagy a 10. cikkben és a 6. pontban ismertetett, az innovatív megoldásra vonatkozó eljárás alkalmazható.
(3) A menetdinamikai viselkedésre (köztük a használati határértékekre és a vágányparaméterekre) vonatkozó vizsgálati jegyzőkönyvet fel kell tüntetni a 4.2.12. pontban meghatározott műszaki dokumentációban.
A feljegyzendő vágányterhelési paramétereket (beleértve adott esetben az Ymax, Bmax és Bqst további paramétert) a J-1. függelék 9. hivatkozásában említett előírásban határozzák meg.
b) További követelmények aktív rendszer használata esetén
(6) Aktív (szoftveren vagy programozható szabályozóval vezérelt működtető berendezésen alapuló) rendszerek használata során funkcionális meghibásodás esetén tipikusan fennáll a halálos kimenetelű baleset lehetősége mindkét alábbi esetben:
1. az aktív rendszernek a futásbiztonság (4.2.3.4.2.1. és 4.2.3.4.2.2. pontnak megfelelően meghatározott) határértékeinek be nem tartása miatti meghibásodása;
2. az aktív rendszer olyan meghibásodása, amely miatt a jármű kitér a kocsiszekrény és az áramszedő kinematikus referenciaprofiljából, a 4.2.3.1. pontban meghatározott tervezési értékeknek nem megfelelő billenési szög (kilengés) következtében.
Tekintve e meghibásodás következményeinek súlyosságát, igazolni kell, hogy a kockázatot megfelelő szintre korlátozták.
E megfelelőség igazolását (a megfelelőségértékelési eljárást) ezen ÁME 6.2.3.5. pontja ismerteti.
c) További követelmények (opcionális) instabilitásjelző rendszer beszerelése esetén
(7) Az instabilitásjelző rendszer, amelyet a műszaki dokumentációban ismertetni kell, az operatív intézkedések (így a sebesség csökkentése) szükségességéről ad tájékoztatást. Az operatív intézkedéseket az ÁME 4.2.12.4. pontjában előírt műszaki dokumentációban kell ismertetni.
d) További követelmények az egységes európai vonatbefolyásoló rendszer (ETCS) fedélzeti kapcsolódási pontjaira vonatkozóan
(8) Az egységeken a fedélzeti ETCS kapcsolódási pontokra és telepített ETCS esetén a vonat "billenőszekrény állapota" interfész funkciójára vonatkozó követelményeket a J-2. függelék B. hivatkozásában említett előírás határozza meg.
4.2.3.4.2.1. Futásbiztonsági határértékek
(1) Az egység által teljesítendő futásbiztonsági határértékeket a J-1. függelék 9. hivatkozásában említett előírások határozzák meg.
4.2.3.4.2.2. Vágányterhelési határértékek
(1) Az egység által teljesítendő vágányterhelési határértékeket (a szokásos módszerrel történő értékeléskor) a J-1. függelék 9. hivatkozásában említett előírások határozzák meg.
(2) Ha a becsült értékek túllépik a fent ismertetett határértékeket, a vasúti jármű üzemi feltételei (például legnagyobb sebesség, túlemelés-hiány) módosíthatók a vágányjellemzők (például ívsugár, a sín keresztmetszete, keresztaljak távolsága, pályakarbantartási időköz) figyelembevételével.
4.2.3.4.3. Egyenértékű kúposság
4.2.3.4.3.1. Új kerékprofilok tervezési értékei
(1) A 4.2.3.4.3. pont valamennyi egységre vonatkozik az 1 520 mm-es vagy 1 600 mm-es nyomtávon történő üzemre tervezett egységek kivételével, amelyek tekintetében ezek a követelmények nyitott kérdésnek minősülnek.
(2) Ellenőrizni kell az új kerékprofilt és a kerekek aktív felületének távolságát az egyenértékű kúposság célértéke szempontjából az ezen ÁME 6.2.3.6. pontja szerinti számítási forgatókönyvek alapján annak igazolása érdekében, hogy a javasolt új kerékprofil a vasúti infrastruktúrára vonatkozó ÁME-nek megfelelően összeegyeztethető legyen az infrastruktúrával.
(3) Az önállóan forgó kerekekkel felszerelt egységek mentesülnek e követelmények alól.
4.2.3.4.3.2. A kerékpár egyenértékű kúposságának üzemi értékei
(1) Az üzemi feltételek tekintetében meg kell határozni a jármű kombinált, a 6.2.3.4. pontban meghatározott menetdinamikai viselkedési megfelelőség igazolásával ellenőrzött tervezési egyenértékű kúposságát a 4.2.12.3.2. pontban megadott karbantartási dokumentációban, a kerekek és sínprofilok közrehatásának figyelembevételével.
(2) Ha menet közben instabilitást jelentenek, a vasúttársaság és a pályahálózat-működtető közös vizsgálattal megállapítja a vonalszakasz helyét.
(3) A vasúttársaság leméri a szóban forgó kerékpárok kerékprofiljait és az előoldalak közötti távolságot (az aktív felületek távolságát). Az egyenértékű kúposságot a 6.2.3.6. pontban megadott számítási forgatókönyvek használatával kell kiszámítani annak ellenőrzése érdekében, hogy betartották-e azt a legnagyobb egyenértékű kúposságot, amelyre a járművet tervezték. Ha az egyenértékű kúposság nem megfelelő, korrigálni kell a kerékprofilokat.
(4) Ha a kerékpár kúpossága megfelel annak a legnagyobb egyenértékű kúposságnak, amelyre a járművet tervezték, a vasúttársaság és a pályahálózat-működtető közös vizsgálatot végez az instabilitást okozó jellemzők megállapítására.
(5) Az önállóan forgó kerekekkel felszerelt egységek mentesülnek e követelmények alól.
4.2.3.5. Futómű
4.2.3.5.1. A forgóvázkeret szerkezeti kialakítása
(1) A forgóvázas egységek vonatkozásában a forgóváz, a forgóváz kerete, a tengelycsapágyház és minden ezekhez csatlakozó berendezés sértetlenségét a J-1. függelék 11. hivatkozásában említett előírásban meghatározott módszerek alapján kell igazolni.
(2) A forgóvázat és a kocsiszekrényt összekapcsoló szerkezetnek meg kell felelnie a J-1. függelék 1. hivatkozásában említett előírásoknak.
(3) A forgóváz mozgásából eredő terhelés értékeléséhez a J-1. függelék 11. hivatkozásában említett előírásnak megfelelően tett feltevéseket (képleteket és együtthatókat) indokolni és dokumentálni kell az ezen ÁME 4.2.12. pontjában ismertetett műszaki dokumentációban.
4.2.3.5.2. Kerékpárok
(1) Ezen ÁME alkalmazásában a kerékpárok meghatározásában ismertetni kell a vágánnyal való mechanikus kapcsolódást biztosító fő alkatrészeket (kerekek és összekötő elemek, például kerékpártengely és független keréktengely) és a kiegészítő alkatrészeket (tengelycsapágyak, tengelyágyak, hajtóművek és féktárcsák).
(2) A kerékpárt az ezen ÁME 4.2.2.10. pontjában meghatározott terhelési körülményeknek megfelelő terhelési eseteket használva következetes módszertan alapján kell megtervezni és előállítani.
4.2.3.5.2.1. A kerékpárok mechanikai és geometriai jellemzői
A kerékpárok mechanikai viselkedése
(1) A kerékpárok mechanikai viselkedésének biztosítania kell a jármű biztonságos mozgását.
A mechanikai jellemzők körébe a következők tartoznak:
- a jármű felépítése,
- mechanikai ellenállás és fáradási jellemzők.
A megfelelőségértékelési eljárást ezen ÁME 6.2.3.7. pontja ismerteti.
A tengelyek mechanikai viselkedése
(2) A tengelyek jellemzői biztosítják az erő- és nyomaték-átvitelt.
A megfelelőségértékelési eljárást ezen ÁME 6.2.3.7. pontja ismerteti.
Az önállóan forgó kerekekkel felszerelt egységek esete
(3) A tengelyvégek (a kerék és a futómű kapcsolódása) jellemzői biztosítják az erő- és nyomaték-átvitelt.
A megfelelőségértékelési eljárást a 6.2.3.7. (7) pont szerint kell lefolytatni.
A tengelyágyak mechanikai viselkedése
(4) A tengelyágyat a mechanikai ellenállási és kifáradási jellemzők figyelembevételével kell megtervezni.
A megfelelőségértékelési eljárást ezen ÁME 6.2.3.7. pontja ismerteti.
(5) A hőmérsékleti határértékeket vizsgálati úton kell meghatározni, és azokat fel kell tüntetni az ÁME 4.2.12. pontjában ismertetett műszaki dokumentációban.
A tengelycsapágy állapotának figyelemmel kísérését az ÁME 4.2.3.3.2. pontja határozza meg.
A kerékpárok geometriai méretei
(6) A kerékpárok (1. ábrán meghatározott) geometriai méreteinek meg kell felelniük az 1. táblázat vonatkozó nyomtávra meghatározott határértékeinek.
Ezeket a határértékeket kell tervezési értéknek (új kerékpár esetében) és (karbantartási célokra használatos) üzemi határértéknek tekinteni (lásd még ezen ÁME 4.5. pontját).
1. táblázat
A kerékpárok geometriai méreteinek üzemi határértékei
| Megnevezés | Kerékátmérő D [mm] | Legkisebb érték [mm] | Legnagyobb érték [mm] | |
| 1 435 mm | Futófelületek közötti távolság (SR) SR = AR + Sd,bal + Sd, jobb | 330 ≤ D ≤ 760 | 1 415 | 1 426 |
| 760 < D ≤ 840 | 1 412 | |||
| D > 840 | 1 410 | |||
| A két hátoldal közötti távolság (AR) | 330 ≤ D ≤ 760 | 1 359 | 1 363 | |
| 760 < D ≤ 840 | 1 358 | |||
| D > 840 | 1 357 | |||
| 1 524 mm | Futófelületek közötti távolság (SR) SR = AR + Sd,bal + Sd, jobb | 400 ≤ D < 725 | 1 506 | 1 509 |
| D ≥ 725 | 1 487 | 1 514 | ||
| A két hátoldal közötti távolság (AR) | 400 ≤ D < 725 | 1 444 | 1 446 | |
| D ≥ 725 | 1 442 | 1 448 | ||
| 1 520 mm | Futófelületek közötti távolság (SR) SR = AR + Sd,bal + Sd, jobb | 400 ≤ D ≤ 1 220 | 1 487 | 1 509 |
| A két hátoldal közötti távolság (AR) | 400 ≤ D ≤ 1 220 | 1 437 | 1 443 | |
| 1 600 mm | Futófelületek közötti távolság (SR) SR = AR + Sd,bal + Sd, jobb | 690 ≤ D ≤ 1 016 | 1 573 | 1 592 |
| A két hátoldal közötti távolság (AR) | 690 ≤ D ≤ 1 016 | 1 521 | 1 526 | |
| 1 668 mm | Futófelületek közötti távolság (SR) SR = AR + Sd,bal + Sd, jobb | 330 ≤ D < 840 | 1 648 | 1 659 |
| 840 ≤ D ≤ 1 250 | 1 643 | 1 659 | ||
| A két hátoldal közötti távolság (AR) | 330 ≤ D < 840 | 1 592 | 1 596 | |
| 840 ≤ D ≤ 1 250 | 1 590 | 1 596 | ||
Az AR méretet a sínkoronán kell mérni. A megrakodott és üres vonatnak is meg kell felelnie az AR és az SR értéknek. A gyártó a karbantartási dokumentációban az üzemi értékek tekintetében a fenti értékeken belüli kisebb tűrést is meghatározhat. Az SR méreteket (a 2. ábra szerinti módon) a futófelület alapsíkja felett 10 mm-rel kell mérni.
1. ábra A kerékpárok jelölései [Kép #1]

Kép #1
4.2.3.5.2.2. A kerekek mechanikai és geometriai jellemzői
A kerekek mechanikai viselkedése
(1) A kerekek jellemzői biztosítják a vasúti jármű biztonságos mozgását, és hozzájárulnak a jármű irányításához.
A megfelelőségértékelési eljárást ezen ÁME 6.1.3.1. pontja ismerteti.
A kerekek geometriai méretei
(2) A kerékpárok (2. ábrán meghatározott) geometriai méreteinek meg kell felelniük az 2. táblázat vonatkozó nyomtávra meghatározott határértékeinek. Ezeket a határértékeket kell tervezési értéknek (új kerék esetében) és (karbantartási célokra használatos) üzemi határértéknek tekinteni (lásd még a 4.5. pontot).
2. táblázat
A kerekek geometriai méreteinek üzemi határértékei
| Megnevezés | D kerékátmérő (mm) | Legkisebb érték (mm) | Legnagyobb érték (mm) |
| A kerékkoszorú szélessége (BR + sorja) | D ≥ 330 | 133 | 145 |
| A nyomkarima vastagsága (Sd) | D > 840 | 22 | 33 |
| 760 < D ≤ 840 | 25 | ||
| 330 ≤ D ≤ 760 | 27,5 | ||
| A nyomkarima magassága (Sh) | D > 760 | 27,5 | 36 |
| 630 < D ≤ 760 | 29,5 | ||
| 330 ≤ D ≤ 630 | 31,5 | ||
| A nyomkarima felülete (qR) | ≥ 330 | 6,5 |
2. ábra A kerekek jelölései [Kép #2]

Kép #2
(3) Az önállóan forgó kerekekkel felszerelt egységeknek ezen, kerekekkel kapcsolatos pont követelményein túl meg kell felelniük az ÁME 4.2.3.5.2.1. pontjában meghatározott követelményeknek, amelyek a kerékpárok mechanikai jellemzőire vonatkoznak.
4.2.3.5.3. Automatikusan változtatható nyomtávú rendszerek
(1) Ez a követelmény olyan egységekre vonatkozik, amelyek a kívánt tengelyállást biztosító nyomtávszabályzó mechanizmussal rendelkező, automatikusan változtatható nyomtávú rendszerrel vannak felszerelve, ami lehetővé teszi, hogy az egység kompatibilis legyen az ezen ÁME hatálya alá tartozó 1 435 mm-es nyomtávval és egyéb nyomtávokkal azáltal, hogy áthalad egy nyomtávszabályozó berendezésen.
(2) A kerékpár nyomtávszabályzó mechanizmusának biztosítania kell a kerék kívánt helyes tengelyállásban való biztonságos rögzítését.
(3) A nyomtávszabályozó berendezésen való áthaladás után el kell végezni a zárórendszer (zárt vagy nyitott) állásának és a kerekek helyzetének ellenőrzését az alábbi módszerek közül egy vagy több alkalmazásával: szemrevételezés, fedélzeti ellenőrző rendszer vagy infrastruktúra/létesítmény-ellenőrző rendszer. Fedélzeti ellenőrző rendszer alkalmazása esetén lehetővé kell tenni a folyamatos figyelemmel kísérést.
(4) Ha a futómű olyan fékberendezéssel van felszerelve, amelynek helyzete változik a nyomtávváltás közben, az automatikusan változtatható nyomtávú rendszernek - a kerekekével egyidejűleg - biztosítania kell a szóban forgó fékberendezés helyzetét és a helyes helyzetben való biztonságos zárását.
(5) A kerekek és - adott esetben - a fékberendezés helyes helyzetben való zárásának üzem közbeni hibája esetén tipikusan fennáll a (több halálos áldozattal járó) katasztrofális kimenetelű baleset közvetlen veszélye; tekintettel a meghibásodás következményeinek súlyosságára, igazolni kell, hogy a kockázatot megfelelő szintre korlátozták.
(6) Az automatikusan változtatható nyomtávú rendszer kölcsönös átjárhatóságot lehetővé tevő rendszerelem (5.3.4b. pont). A megfelelőségértékelési eljárást ezen ÁME 6.1.3.1a. pontja (a kölcsönös átjárhatóságot lehetővé tevő rendszerelem szintje), 6.2.3.5. pontja (biztonsági követelmény) és 6.2.3.7b. pontja (az alrendszer szintje) határozza meg.
(7) Az egységgel kompatibilis nyomtávot fel kell tüntetni a műszaki dokumentációban. A rendes üzemmódban történő nyomtávszabályozás leírásának, beleértve az egységgel kompatibilis nyomtávszabályozó berendezés(ek) típusát (típusait) is, a műszaki dokumentáció részét kell képeznie (lásd még ezen ÁME 4.2.12.4. (1) pontját).
(8) Az ezen ÁME más pontjaiban előírt követelmények és megfelelőségértékelések független módon alkalmazandók a kerekek adott nyomtávnak megfelelő helyzeteire, és ennek megfelelően kell dokumentálni őket.
4.2.3.6. Legkisebb ívsugár
(1) A vizsgálandó legkisebb ívsugár minden egység tekintetében 150 m.
4.2.3.7. Pályakotró
(1) Ez a követelmény vezetőfülkével rendelkező egységekre vonatkozik.
(2) A kerekeket a vonat menetirány szerinti első tengelye elé szerelt pályakotróval óvni kell a sínen fekvő kisebb tárgyak okozta sérülésektől.
(3) A pályakotrónak meg kell felelnie a J-1. függelék 3. hivatkozásában említett előírás követelményeinek.
4.2.4. Fékezés
4.2.4.1. Általános előírások
(1) A vonatfékező rendszer célja, hogy a vonat sebessége lejtőn csökkenthető vagy fenntartható legyen, illetve a vonat a megengedett legnagyobb fékúton belül megállítható legyen. A fékezés biztosítja a vonat állvatartását is.
(2) A fékhatásosságot befolyásoló elsődleges tényezők a fékerő (fékerő előállítása), a vonat tömege, a vonat gördülési ellenállása, a sebesség és a tapadóerő.
(3) A különböző vonat-összeállításokban üzemeltetett egységek egyéni teljesítményét úgy határozzák meg, hogy abból származtatható legyen a vonat összesített fékhatásossága.
(4) A fékhatásosság meghatározására lassulási profilok alkalmazásával (lassulás = F(sebesség) és a megfelelő fékkésedelmi idő) kerül sor.
A fékutat, a fékerőarányt (ami "lambda" vagy "féksúlyszázalék" néven is ismert), valamint a fékezett tömeget is használják, amelyek a lassulási profilokból (közvetlenül vagy a fékúton keresztül) számítással levezethetők.
A fékhatásosság a vonat vagy jármű tömegétől függően változó lehet.
(5) A vonat adott vonalon kívánt sebességgel történő üzemeltetéséhez szükséges legkisebb fékhatásosság, amely az infrastruktúra jellemzője, függ a vonal jellemzőitől (jelzőrendszer, legnagyobb sebesség, lejtési szögek, a vonal biztonsági tűrése).
A vonat vagy jármű fékhatásosságra jellemző fő adatait az ÁME 4.2.4.5. pontja határozza meg.
4.2.4.2. Fő funkcionális és biztonsági követelmények
4.2.4.2.1. Funkcionális követelmények
Az alábbi követelmények valamennyi egységre vonatkoznak.
Az egységeket fel kell szerelni a következőkkel:
(1) üzem közben üzemi fékezésre és vészfékezésre használt fő fékfunkció;
(2) a vonat leállított helyzetében használt rögzítőfék, amely határozatlan ideig és bármiféle hálózati energia nélkül teszi lehetővé fékerő kifejtését.
A vonat fő fékfunkciója:
(3) folytonos: a fékezési jelet a központi vezérlőből vezérlővezeték továbbítja a teljes vonat számára;
(4) automata: a vezérlővezeték véletlen zavara (sérülése, ha a vonal energiaellátása megszakad stb.) a vonat összes járművén működésbe hozza a fékeket.
(5) A fő fékfunkciót kiegészíthetik a 4.2.4.7. (dinamikus fék - hajtásrendszerhez kapcsolódó fékrendszerek) és/vagy a 4.2.4.8. (tapadási feltételektől független fékezési rendszerek) pontban ismertetett további fékrendszerek.
(6) A fékezési energia disszipációját figyelembe kell venni a fékrendszer tervezésekor, amely normál üzemi körülmények között nem okozhat semmilyen károsodást a fékrendszer alkatrészeiben. Ezt az ÁME 4.2.4.5.4. pontjában meghatározott számítással kell igazolni.
A vasúti jármű tervezésekor figyelembe kell venni a fék alkatrészei körül elért hőmérsékletet is.
(7) A fékrendszer tervezése során figyelembe kell venni az ÁME 4.2.4.9. pontjában meghatározott ellenőrző eszközöket és vizsgálatokat.
A 4.2.4.2.1. pont alábbi követelményei vonatszinten alkalmazandók azon egységek esetében, amelyek üzemi összeállítását már a tervezési szakaszban meghatározták (azaz a fix összeállításban értékelt egységek, előre meghatározott összeállítás(ok)ban értékelt egységek, önmagában üzemeltetett mozdony).
(8) A fékhatásosságnak összhangban kell állnia a 4.2.4.2.2. pontban kifejtett biztonsági követelményekkel a vezérlővezeték véletlen zavara, a fékenergia-ellátás megszakadása, az energiaellátás megszakadása vagy az energiaforrás más zavara esetén is.
(9) A szükséges fékerő biztosítása érdekében elegendő fékezési energiának kell rendelkezésre állnia (tárolt energia) a fékrendszer kialakításának megfelelően a vonat teljes hosszán elosztva.
(10) A fékrendszer tervezésekor figyelembe kell venni a fék egymás utáni működtetését és oldását is (kimeríthetetlenség).
(11) A vonat véletlen szétválása esetén a vonat mindkét részének meg kell állnia, de a vonat két részében a fékhatásosságnak nem kell megegyeznie a normál üzemi fékhatásossággal.
(12) A fékenergia-ellátás vagy az energiaellátás megszakadása esetén a (4.2.4.5.2. pontban meghatározott) legnagyobb fékezési terheléssel terhelt vonat fő fékrendszerének súrlódásos fékberendezése legalább két órán keresztül álló helyzetben kell, hogy tartsa a 40 ‰-os lejtőn álló egységet.
(13) Az egység fékvezérlő rendszerének három vezérlési módozattal kell rendelkeznie:
- Vészfékezés : előre meghatározott fékerő kifejtése előre meghatározott legnagyobb reakcióidő alatt, aminek célja a vonat meghatározott fékhatásosságszint mellett történő megállítása.
- Üzemi fékezés : változtatható fékerő alkalmazása a vonat sebességének szabályozására, ideértve a megállást és az ideiglenes leállítást.
- Rögzítőfék : fékerő alkalmazása a vonat (vagy jármű) tartósan leállított állapotban történő megtartására a vonaton rendelkezésre álló energia felhasználása nélkül.
(14) A fékezésre vonatkozó utasításnaknak - aktív oldási utasítás esetén is - vezérlési módtól függetlenül kell vezérelnie a fékrendszert. E követelményt nem kell betartani abban az esetben, ha a mozdonyvezető (például utastéri vészjelző hatástalanítása, szétkapcsolás céljából stb.) szándékosan felülbírálja a fékezési utasítást.
(15) Az 5 km/h-nél nagyobb sebességgel haladó jármű fékezés miatti legnagyobb hirtelen rángatása nem érheti el a 4 m/s3-t. A rángatás mértéke levezethető számítással és a (6.2.3.8. és a 6.2.3.9. pontban ismertetett) fékpróbák során mért lassulási ütem értékeléséből is.
4.2.4.2.2. Biztonsági követelmények
(1) A fékrendszer a vonat megállításának eszköze, ezért hozzájárul a vasúti rendszer biztonsági szintjéhez.
A 4.2.4.2.1. pontban ismertetett funkcionális követelmények hozzájárulnak a fékrendszer biztonságos működéséhez, ennek ellenére mivel a fékrendszer számos alkatrészből áll, a fékhatásosság értékeléséhez kockázatalapú elemzést kell elvégezni.
(2) A 3. táblázat a vizsgált veszélyes esetek tekintetében teljesítendő megfelelő biztonsági követelményeket ismerteti.
Ahol a táblázatban szerepel a hiba súlyossága, igazolni kell, hogy a vonatkozó kockázatot megfelelő szintre korlátozták, figyelembe véve, hogy funkcionális meghibásodás esetén mennyire valós a táblázatban megjelölt súlyosságú következmény eshetősége.
3. táblázat
A fékrendszerre vonatkozó biztonsági követelmények
| A teljesítendő biztonsági előírás | |||
| Funkcionális meghibásodás a hozzá tartozó veszélyes esettel együtt | Társított súlyosság/megelőzendő következmény | A hibakombinációk legkisebb megengedhető száma | |
| 1. sz. | |||
| Vezetőfülkével rendelkező egységek esetében (fékvezérlés) | |||
| A vészfékezési utasítás kiadásakor a vonat nem lassul a fékrendszer meghibásodása (a fékerő teljes és tartós kiesése) miatt. Megjegyzés: Vizsgálni kell az utasítás mozdonyvezető vagy ellenőrző-irányító és jelző rendszer általi végrehajtását. Az utasok általi aktiválás (riasztás) ebben az esetben nem bír jelentőséggel. | Halálos kimenetelű baleset | 2 (hiba egyáltalán nem elfogadható) | |
| 2. sz. | |||
| Vonóerő kifejtésére képes egységek esetében | |||
| A vészfékezési utasítás kiadásakor a vonat nem lassul a vontatórendszer meghibásodása (a fékerő teljes és tartós kiesése) miatt. | Halálos kimenetelű baleset | 2 (hiba egyáltalán nem elfogadható) | |
| 3. sz. | |||
| Minden egységre vonatkozik | |||
| A vészfékezési utasítás kiadásakor a fékút a fékrendszer meghibásodása miatt hosszabb a normál fékútnál. Megjegyzés: A normál üzemi teljesítményt a 4.2.4.5.2. pont határozza meg. | N/A | Meg kell határozni az(oka)t az egyes hibá(ka)t, amely(ek) a leghosszabb számított fékutat eredményezik, és meg kell határozni, hogy a fékút a normál (meghibásodás nélküli) üzemmódhoz képest mennyivel nő. | |
| 4. sz. | |||
| Minden egységre vonatkozik | |||
| A rögzítőfék aktiválása után nincs rögzítőfékerő (a rögzítőfékerő teljes és tartós kiesése). | N/A | 2 (hiba egyáltalán nem elfogadható) | |
A biztonsági vizsgálat során további fékrendszerek is vizsgálhatók a 4.2.4.7. és 4.2.4.8. pontban meghatározott feltételek szerint.
E megfelelőség igazolását (a megfelelőségértékelési eljárást) ezen ÁME 6.2.3.5. pontja ismerteti.
4.2.4.3. A fékrendszer típusa
(1) Az általános üzemre (különböző eredetű járművek különféle összeállításai; a tervezési fázisban a vonat-összeállítás nem kerül meghatározásra) és nem 1 520 mm-es nyomtávú rendszerre tervezett és értékelt egységeket az UIC-fékrendszerrel kompatibilis fékcsövekkel ellátott fékrendszerrel kell felszerelni. Ebből a célból az alkalmazandó elveket a J-1. függelék 12. hivatkozásában említett előírás határozza meg.
E követelmény meghatározásának célja a vonat különböző eredetű járművei közötti fékfunkció műszaki kompatibilitásának biztosítása.
(2) Nincs követelmény a fix vagy előre meghatározott összeállításban értékelt egységek (vonatszerelvények vagy járművek) fékrendszerének típusa tekintetében.
(3) Az egységeken a fedélzeti ETCS kapcsolódási pontokra és telepített ETCS esetén a vonat "féknyomás" interfész funkciójára vonatkozó követelményeket a J-2. függelék B. hivatkozásában említett előírás határozza meg.
(4) Az egységeken a fedélzeti ETCS kapcsolódási pontokra és telepített ETCS esetén a vonat "Speciális fék állapota - Elektro-pneumatikus fék" interfész funkciójára vonatkozó követelményeket a J-2. függelék B. hivatkozásában említett előírás határozza meg.
4.2.4.4. Fékvezérlés
4.2.4.4.1. Vészfékezési utasítás
(1) Ez a pont vezetőfülkével rendelkező egységekre vonatkozik.
(2) Legalább két független vészfékezési utasítást végrehajtó eszköznek kell rendelkezésre állnia, amelyek segítségével a mozdonyvezető a vészféket egyszerűen és egy mozdulattal üzemeltetheti kézi vezérléssel a szokásos vezetési helyzetben.
E két eszköz egymást követő működtetése figyelembe vehető a 4.2.4.2.2. pontban található 3. táblázat 1. biztonsági követelményének való megfelelőség igazolása tekintetében.
Az eszközök egyikének vörös nyomógombnak kell lennie (gomba alakú nyomógomb).
Ha a két eszköz aktivált állapotban van, vészfékezési pozíciójuknak mechanikus eszközzel önzárónak kell lennie, amelynek kioldására csak szándékosan kerülhet sor.
(3) Az egységeken a fedélzeti ETCS kapcsolódási pontokra és telepített ETCS esetén a vonat "vészfékezési utasítás" interfész funkciójára vonatkozó követelményeket a J-2. függelék B. hivatkozásában említett előírás határozza meg.
(4) A vezérlés visszavonásának hiányában a vészfék működtetésének tartósan, automatikusan a következőt kell eredményeznie:
- a vészfékezési utasítás a fékvezérlő vezetéken keresztül való továbbítása a vonat teljes hosszán,
- az összes vonóerő 2 másodpercnél rövidebb időn belüli kiiktatása; a vonóerő mindaddig nem állhat vissza, ameddig a mozdonyvezető ki nem kapcsolja a vontatásvezérlést,
- valamennyi fékoldási utasítás vagy művelet letiltása.
4.2.4.4.2. Üzemifék-vezérlés
(1) Ez a pont vezetőfülkével rendelkező egységekre vonatkozik.
(2) Az üzemifék-funkciónak a vonat sebességének (működtetéssel vagy oldással történő) irányítása érdekében legalább hét fokozattal kell rendelkeznie a fékerő legkisebb és legnagyobb fékerő-tartományában (beleértve a teljes fékkioldást és a legnagyobb fékerő kifejtését).
(3) A vonatban az üzemifék-vezérlés csak egy helyen lehet aktív. E követelmény teljesítéséhez lehetővé kell tenni, hogy az üzemi fékfunkció leválasztható legyen a fix és előre meghatározott vonat-összeállítás egységeinek más üzemifék-vezérléséről (vezérléseiről).
(4) Amennyiben a vonat sebessége 15 km/h-nál nagyobb, az üzemi fék működtetésének automatikusan az összes vonóerő kiiktatását kell eredményeznie; a vonóerő mindaddig nem állhat vissza, ameddig a mozdonyvezető ki nem kapcsolja a vontatásvezérlést.
(5) Az egységeken a fedélzeti ETCS kapcsolódási pontokra és telepített ETCS esetén a vonat "üzemifék-vezérlés" interfész funkciójára vonatkozó követelményeket a J-2. függelék B. hivatkozásában említett előírás határozza meg.
Megjegyzések:
- Amennyiben az üzemi féket és a vontatást automatikus sebességszabályozó vezérli, nem követelmény, hogy a vonóerőt a mozdonyvezető kapcsolja le.
- A súrlódásos fékberendezés 15 km/h sebesség felett használható vontatás közben is speciális célokra (jégmentesítés, a fékalkatrészek tisztítása stb.). E sajátos funkciók használata a vészfék és az üzemi fék működtetése közben nem lehet lehetséges.
4.2.4.4.3. Direkt fék vezérlése
(1) Az általános üzemre értékelt mozdonyokat (áruszállító vagy személyszállító kocsik vontatására tervezett egységeket) direkt fékkel kell felszerelni.
(2) A direkt fék lehetővé teszi, hogy a fék a fő fékezési utasítástól függetlenül csak az érintett egység(ek)ben működjön, miközben a többi egységben található fék nem lép működésbe.
4.2.4.4.4. Dinamikus fékezés vezérlése
Ha az egységet dinamikus fékrendszerrel szerelték fel:
(1) Ki kell tudni iktatni a visszatápláló fékeket a villamos egységeken úgy, hogy ne történjen energia-visszatáplálás a munkavezetékbe olyan vonalon, amelyen az nem megengedett.
A visszatápláló fékről a 4.2.8.2.3. pontban találhatók további információk.
(2) Megengedett, hogy a dinamikus fék használatára más fékrendszerektől függetlenül vagy azokkal együttesen (vegyesen) kerüljön sor.
(3) Azokon a mozdonyokon, amelyeken más fékrendszerektől függetlenül dinamikus féket használnak, lehetővé kell tenni a dinamikus fékerő és a fékerőváltozás maximális szintjének előre meghatározott értékekre való korlátozását.
Megjegyzés: ez a korlátozás a vágányra ható erőkre vonatkozik olyan esetben, amikor a vonatba mozdony(oka)t illesztettek be. Üzemi szempontból a korlátozás az adott vonallal (pl. nagy lejtésszögű szakasz vagy kis sugarú ív) való kompatibilitáshoz szükséges értékek meghatározásával alkalmazható.
(4) Az egységeken a fedélzeti ETCS kapcsolódási pontokra és telepített ETCS esetén a vonat "Speciális fékezés letiltása - Pálya menti utasítások: visszatápláló fék" interfész funkciójára vonatkozó követelményeket a J-2. függelék B. hivatkozásában említett előírás határozza meg. A visszatápláló fék egység általi tiltására vonatkozó utasítások kiadása utólagosan történhet automatikusan vagy a vezető beavatkozásával manuálisan. A vasúti jármű automatikus vagy manuális vezérlés szerinti beállítását fel kell tüntetni a 4.2.12.2. pontban meghatározott műszaki dokumentációban.
(5) Az egységeken a fedélzeti ETCS kapcsolódási pontokra és telepített ETCS esetén a vonat "Speciális fékezés letiltása - STM-utasítások: visszatápláló fék" interfész funkciójára vonatkozó követelményeket a J-2. függelék B. hivatkozásában említett előírás határozza meg. A visszatápláló fék egység általi tiltására vonatkozó utasítások kiadása utólagosan történhet automatikusan vagy a vezető beavatkozásával manuálisan. A vasúti jármű automatikus vagy manuális vezérlés szerinti beállítását fel kell tüntetni a 4.2.12.2. pontban meghatározott műszaki dokumentációban.
4.2.4.4.5. Rögzítőfék vezérlése
(1) Ez a pont valamennyi egységre vonatkozik.
(2) A rögzítőfék vezérlésének a meghatározott fékerő határozatlan ideig történő kifejtését kell eredményeznie, amely idő alatt előfordulhat, hogy a vonat energiaellátása szünetel.
(3) Többek között mentési célokból ki kell tudni oldani manuálisan a rögzítőféket, miközben a vonat áll.
(4) Fix vagy előre meghatározott összeállításban értékelt egységek és általános üzemre értékelt mozdonyok esetében a rögzítőféknek az egység lekapcsolásakor automatikusan működésbe kell lépnie. Más egységek esetében a rögzítőfék működtethető manuálisan, vagy az egység kikapcsolásakor automatikusan is működésbe léphet.
Megjegyzés: A rögzítőfék használata függhet a fő fékfunkciótól; abban az esetben is működnie kell, ha nincs fedélzeti energia az üzemi fékezéshez, illetve az (az egység beindítását vagy leállítását követően) növekedni vagy csökkeni fog.
4.2.4.5. Fékhatásosság
4.2.4.5.1. Általános előírások
(1) Az egység (vonatszerelvény vagy jármű) fékhatásosságát (lassulás = F(sebesség) a megfelelő fékkésedelmi idővel) a J-1. függelék 13. vagy 14. hivatkozásában említett előírásban meghatározottak szerint, vízszintes vágány figyelembevételével kell kiszámítani.
Minden számítást az új, a félig kopott és a kopott kerekek kerékátmérőjére vonatkozóan is el kell végezni, és a számításoknak ki kell térniük a szükséges síntapadási szintre (lásd a 4.2.4.6.1. pontot) is.
(2) Indokolni kell a súrlódásos fékberendezés által használt és a számításokhoz figyelembe vett súrlódási együtthatót (lásd a J-1. függelék 13. hivatkozásában említett előírást).
(3) A fékhatásosságot mind a vészfékre, mind az üzemi fékezés maximumára ki kell számolni.
(4) A fékhatásosság kiszámítását tervezési szakaszban kell elvégezni, és azt a 6.2.3.8. és 6.2.3.9. pont által előírt fizikai vizsgálatok után a vizsgálati eredményekkel való konzisztencia érdekében felül kell vizsgálni (paraméterkorrekció).
A végleges (vizsgálati eredményekkel konzisztens) fékhatásosság kiszámítása a 4.2.12. pontban ismertetett műszaki dokumentáció részét képezi.
(5) Az összes fék használatával (beleértve a kerék és a sín tapadásától független fékeket is) elért átlagos legnagyobb lassulásnak 2,5 m/s2 alatt kell lennie, ez a követelmény a vágány hosszirányú ellenállásához kapcsolódik.
4.2.4.5.2. Vészfékezés
Fékkésedelmi idő:
(1) Fix vagy előre meghatározott összeállítás(ok)ban értékelt egységek esetében a vészfékezési utasítás kiadásakor kifejtett teljes vészfékezési erő szempontjából értékelt megfelelő fékkésedelmi időnek és a késleltetési időnek a következő értékeknél alacsonyabbnak kell lenniük:
- megfelelő fékkésedelmi idő:
- 3 másodperc azon egységek esetében, amelyek legnagyobb tervezési sebessége legalább 250 km/h
- 5 másodperc más egységek esetében
- késleltetési idő: 2 másodperc
A "megfelelő fékkésedelmi idő" és a "késleltetési idő" értékelését a teljes fékerő alapján, vagy - pneumatikus fékrendszer esetén - a fékhengerekben lévő nyomás alapján kell elvégezni, a J-1. függelék 13. hivatkozásában említett előírás meghatározása szerint.
(2) Általános üzemre értékelt egységek esetében a fékkésedelmi időnek az UIC-fékrendszerek esetében meghatározott időnek kell lennie (lásd még a 4.2.4.3. pontot: a fékrendszernek kompatibilisnek kell lennie az UIC-fékrendszerrel).
A lassulás kiszámítása:
(3) A vészfékhatásosság kiszámítását a J-1. függelék 13. vagy 14. hivatkozásában említett előírásnak megfelelően kell végezni minden egységre vonatkozóan; a lassulási profilt és a megállási távolságot a következő induló sebességekről kell meghatározni (ha az az egység legnagyobb tervezési sebességénél alacsonyabb): 30 km/h, 100 km/h, 120 km/h, 140 km/h, 160 km/h, 200 km/h, 230 km/h, 300 km/h, az egység legnagyobb tervezési sebessége.
(4) Az általános üzemre tervezett és értékelt egységek esetében meg kell határozni a fékerőarányt (lambda) is.
A J-1. függelék 65. hivatkozásában említett előírás határozza meg, hogy a többi paraméter (fékerőarány [lambda], lefékezett tömeg) miként vezethető le a lassulás számításából vagy az egység fékútjából.
(5) A vészfékhatásosság kiszámítását a korlátozott mód figyelembevételével a fékrendszer két vezérlési módjára vonatkozóan kell elvégezni:
- Normál üzemmód: a fékrendszer nem hibás, és a súrlódásos fékberendezés a névleges (száraz viszonyoknak megfelelő) súrlódási együtthatót használja. Ez a számítás a fékhatásosságot a normál üzemre nézve határozza meg.
- Korlátozott mód: megfelel a fékrendszerek 4.2.4.2.2. pontban említett 3. sz. veszély esetében tárgyalt meghibásodásának és a súrlódásos fékberendezés névleges súrlódási együtthatóját használja. A korlátozott mód lehetséges egyedi hibákat vesz figyelembe. Ebből a célból a vészfékhatásosságot a leghosszabb fékutat eredményező egyes hibákra vonatkozóan kell meghatározni, és egyértelműen azonosítani kell a szóban forgó hibát (az érintett összetevővel és a hibamóddal, valamint ha rendelkezésre áll, a hibaaránnyal együtt).
- Korlátozott körülmények: a vészfékhatásosságot ezenkívül csökkentett súrlódási együtthatókkal kell kiszámolni, figyelembe véve a hőmérséklet és páratartalom környezeti (külső befolyásoló tényező) határértékeit (lásd a J-1. függelék 67. vagy 68. hivatkozásában említett előírást).
Megjegyzés: ezeket a különböző módokat és feltételeket különösen akkor kell figyelembe venni, ha a vasúti rendszer optimalizálása céljából fejlett ellenőrző-irányító és jelző rendszereket (például ETCS) építenek ki.
(6) A vészfékhatásosságot a következő három terhelési körülményre vonatkozóan kell kiszámítani:
- legkisebb terhelés: "tervezési tömeg menetkész állapotban" (a 4.2.2.10. pontban ismertetettek szerint),
- Átlagos terhelés: "tervezési tömeg átlagos hasznos teher mellett" (a 4.2.2.10. pontban ismertetettek szerint),
- legnagyobb fékezési terhelés: "tervezési tömeg rendkívüli hasznos teher mellett" (a 4.2.2.10. pontban ismertetettek szerint).
Amennyiben ez a terhelési körülmény alacsonyabb, mint a "tervezési tömeg rendkívüli hasznos teher mellett", ezt a 4.2.12.2. pontban ismertetett általános dokumentációban kell indokolni és dokumentálni.
(7) Vizsgálatokat kell végezni a vészfékszámítás ellenőrzésére a 6.2.3.8. pontban meghatározott megfelelőségértékelési eljárás szerint.
(8) Minden egyes terhelési körülmény esetében a 4.2.12.2. pontban meghatározott műszaki dokumentációban fel kell tüntetni a (fentebb előírt vizsgálatok eredményének megfelelően módosított) legnagyobb tervezési sebességen végzett normál vészfékhatásosságra vonatkozó számítások legalacsonyabb (azaz leghosszabb fékutat eredményező) eredményét.
(9) A fix vagy előre meghatározott összeállításban értékelt, legalább 250 km/h-s legnagyobb tervezési sebességű egységek fékútja normál vészfékhatásosság esetében emellett nem haladhatja meg a következő értékeket az "átlagos terhelés" terhelési körülmény tekintetében:
- 5 360 m 350 km/h-ról (ha a legnagyobb tervezési sebesség legalább ennyi),
- 3 650 m 300 km/h-ról (ha a legnagyobb tervezési sebesség legalább ennyi),
- 2 430 m 250 km/h-ról,
- 1 500 m 200 km/h-ról.
4.2.4.5.3. Üzemi fékezés
A lassulás kiszámítása:
(1) A legnagyobb üzemi fékhatásosság kiszámítását minden egységre vonatkozóan a J-1. függelék 13. vagy 14. hivatkozásában említett előírásnak megfelelően kell végezni a fékrendszer normál üzemmódjában, a súrlódásos fékberendezés által a "tervezési tömeg átlagos hasznos teher mellett" terhelési körülményre nézve a legnagyobb tervezési sebességen használt súrlódási együttható névleges értéke mellett.
(2) A 6.2.3.9. pontban meghatározott megfelelőségértékelési eljárás szerinti vizsgálatokat kell végezni az üzemi fék legnagyobb üzemi fékhatásosságára vonatkozó számítási érték ellenőrzésére.
A legnagyobb üzemi fékhatásosság:
(3) Amennyiben az üzemi fékezés tervezési teljesítménykapacitása meghaladja a vészfékezését, (a fékvezérlő berendezés kialakításával vagy karbantartási tevékenység során) be kell tudni állítani a legnagyobb üzemi fékhatásosság értékét a vészfékezési teljesítmény szintje alatti teljesítményre.
Megjegyzés: A tagállamok kérhetik, hogy a vészfékhatásosság biztonsági okokból a legnagyobb üzemi fékhatásosságnál magasabb szintű legyen, de az semmi esetre nem gátolhatja meg a vasúttársaságot magasabb üzemi fékhatásosság használatában, kivéve, ha az adott tagállam igazolni tudja, hogy az veszélyezteti a nemzeti biztonsági szintet.
4.2.4.5.4. Hőtechnikai számítások
(1) Ez a pont valamennyi egységre vonatkozik.
(2) Vasúti munkagépek tekintetében ez a követelmény igazolható kerekeken és fékberendezésen történő hőmérsékletméréssel.
(3) A fékenergia-kapacitás kiszámított értékének igazolnia kell, hogy a fékrendszer kialakításának köszönhetően normál üzemmódban ellenáll a fékezési energia disszipációjának. Az ebben a számításban az energia elnyelésére szolgáló fékrendszer alkatrészei tekintetében használt referenciaértékeket hővizsgálattal vagy korábbi tapasztalatokkal kell igazolni.
Ennek a számításnak magában kell foglalnia azt az esetet, amelyben a vonatot a "legnagyobb fékezési terhelés" terhelési körülmények közt vízszintes vágányon a legnagyobb sebességről egymást követő két alkalommal vészfékezéssel állítják le (a két vészfékezés közötti idő a vonat legnagyobb sebességre történő felgyorsításához szükséges idő).
Az önmagukban vonatként nem üzemeltethető egységek esetében a két egymást követő vészfékezés közötti időközt jegyzőkönyvezni kell.
(4) A "legnagyobb fékezési terhelés" terhelési körülménynek - a vonat állandó üzemi sebességének üzemi fékezéssel való fenntartása mellett - a kiszámításával kell meghatározni azt a legnagyobb vonallejtést, a kapcsolódó hosszúságot és az üzemi sebességet, amelyre a fékrendszert a termikus fékenergia-kapacitáshoz viszonyítva tervezték.
Az eredményt (a legnagyobb vonallejtést, a kapcsolódó hosszúságot és az üzemi sebességet) fel kell tüntetni az ÁME 4.2.12. pontjában meghatározott vasútijármű-dokumentációban.
Javasolt egy 80 km/h-s egyenletes sebességgel, 46 km-en keresztül, 21 ‰-os állandó lejtési szögű lejtőn mozgó jármű referenciaesetét figyelembe venni. A referenciaeset használatakor a dokumentációban csak az ennek való megfelelést kell megemlíteni.
(5) A legalább 250 km/h-s legnagyobb tervezési sebességű fix vagy előre meghatározott összeállításban értékelt egységeket ezenkívül olyan fékrendszerrel kell ellátni, amelyek normál üzemben és a "legnagyobb fékezési terhelés" terhelési körülmény mellett a legnagyobb tervezési sebesség 90 %-ával haladva 10 km-es, legfeljebb 25 ‰-os lejtőn, illetve 6 km-es, legfeljebb 35 ‰-os lejtőn biztonságosan megállíthatók.
4.2.4.5.5. Rögzítőfék
Fékhatásosság:
(1) Álló helyzetben kell maradnia a 40 ‰-os lejtőn tartósan megállított, a "tervezési tömeg menetkész állapotban" terhelési körülmény melletti és energiaellátás nélküli egységnek (vonatnak vagy járműnek).
(2) Az álló helyzetet rögzítőfékkel és kiegészítő eszközökkel (például féksarukkal) kell fenntartani olyan esetben, ha a rögzítőfék önmagában nem képes erre a teljesítményre. A szükséges további eszközöknek a vonaton kell rendelkezésre állniuk.
Számítás:
(3) Az egység (vonat vagy jármű) rögzítőfékének fékhatásosságát a J-1. függelék 13. hivatkozásában említett előírásban meghatározott módon kell kiszámítani. Az eredményt (azt a lejtési szöget, amelyen a jármű kizárólag a rögzítő fék használatával marad álló helyzetben) fel kell tüntetni az ÁME 4.2.12. pontjában említett műszaki dokumentációban.
4.2.4.6. A kerék és a sín közötti tapadás profilja - csúszásgátló rendszer
4.2.4.6.1. Kerék és sín közötti tapadási határ
(1) Az egység fékrendszerét úgy kell megtervezni, hogy a vészfékhatásosság (a dinamikus fékkel együtt, ha az a fékhatásossághoz hozzájárul) és az üzemi fékhatásosság (a dinamikus fékezés nélkül) egyik kerékpár esetében se haladja meg a kerék és a sín közötti tapadás 0,15 értékét a 30 km/h feletti és 250 km/h alatti sebességtartományban, a következő kivételekkel:
- a fix vagy előre meghatározott összeállítás(ok)ban értékelt és legfeljebb 7 tengellyel rendelkező egységek esetében a kerék és a sín közötti tapadás nem haladhatja meg a 0,13-at,
- a fix vagy előre meghatározott összeállítás(ok)ban értékelt, és legalább 20 tengellyel rendelkező egységek esetében "legkisebb terhelés" terhelési körülményre nézve a kerék és a sín közötti tapadás meghaladhatja a 0,15 értéket, de nem lehet magasabb 0,17-nél.
Megjegyzés: Az "átlagos terhelés" terhelési körülmény esetében nem érvényesül kivétel, a 0,15 határértéket kell alkalmazni.
A tengelyek legkisebb száma 16-ra csökkenthető, ha a 4.2.4.6.2. pontban a WSP-rendszer hatásosságára előírt vizsgálatokat "legkisebb terhelés" terhelési körülménnyel rendelkező vonaton végzik el, és azok pozitív eredménnyel zárulnak.
A 250 km/h-s feletti és legfeljebb 350 km/h sebességtartományban a fenti határértékeket egyenes arányban kell csökkenteni annak érdekében, hogy azok 350 km/h-nál 0,05-tel csökkenjenek.
(2) A fenti követelményt kell alkalmazni a 4.2.4.4.3. pontban ismertetett direkt fék vezérlésére is.
(3) Az egység tervezése során figyelembe kell venni, hogy a kerék és a sín közötti tapadás nem lehet nagyobb, mint 0,12 a rögzítőfék fékhatásosságának kiszámításakor.
(4) A kerék és a sín közötti tapadás e határértékeit számítással kell ellenőrizni a legkisebb kerékátmérő és a 4.2.4.5.2. pontban ismertetett három terhelési körülmény figyelembevételével.
Valamennyi tapadási értéket két tizedesre kell kerekíteni.
4.2.4.6.2. Kerékcsúszás elleni védelmi (WSP) rendszer
(1) A csúszásgátló rendszer (WSP) a fékerő irányított csökkentése és helyreállítása révén a lehető legoptimálisabban használja ki az egység tapadását, hogy a kerékpárok blokkolásának és irányíthatatlan csúszásának megakadályozásával a lehető legkisebb mértékben növekedjen a fékút és a kerekek károsodásának mértéke.
A WSP-rendszerre és használatára vonatkozó követelmények:
(2) A 150 km/h feletti legnagyobb tervezési sebességű egységeket fel kell szerelni csúszásgátló rendszerrel.
(3) Azokat az egységeket, amelyeken futófelületi fékek találhatók, és 30 km/h feletti sebességtartományban 0,12-nél magasabb a kerék és a sín közötti tapadás mértéke, fel kell szerelni csúszásgátló rendszerrel.
Azokat az egységeket, amelyeken nem futófelületi fékek találhatók, és 30 km/h feletti sebességtartományban 0,11-nél magasabb a kerék és a sín közötti tapadás mértéke, fel kell szerelni csúszásgátló rendszerrel.
(4) A csúszásgátló rendszerre vonatkozó fenti követelmények két fékezési módra vonatkoznak: a vészfékezésre és az üzemi fékezésre.
Ezeket az üzemi fékrendszer és esetlegesen a vészfék részét alkotó dinamikus fékrendszerre is alkalmazni kell (lásd a 4.2.4.7. pontot).
A WSP-rendszer teljesítményére vonatkozó követelmények:
(5) Dinamikus fékrendszerrel felszerelt egységek esetében a WSP-rendszer (a fenti pont szerinti esetben) szabályozza a dinamikus fékerőt; ha a WSP-rendszer nem elérhető, a dinamikus fékerőt le kell tiltani vagy korlátozni kell, hogy ne eredményezzen 0,15 határértéket a kerék és a sín közötti tapadást illetően.
(6) A csúszásgátló rendszert a J-1. függelék 15. hivatkozásában említett előírás szerint kell megtervezni; a megfelelőségértékelési eljárást a 6.1.3.2. pont határozza meg.
(7) Egységszintű fékhatásossági követelmények:
Ha az egység rendelkezik WSP-rendszerrel, vizsgálatot kell végezni a WSP-rendszer hatékonyságának ellenőrzése céljából (a fékút legnagyobb növekedése a száraz síneken mért fékúthoz képest) az egységbe történő beszerelésével egy időben. a megfelelőségértékelési eljárást a 6.2.3.10. pont határozza meg.
A vészfékezési funkció 4.2.4.2.2. pontban előírt biztonsági értékelésekor figyelembe kell venni a csúszásgátló rendszer vonatkozó alkatrészeit.
(8) Kerékforgás-figyelő rendszer (WRM):
A legalább 250 km/h legnagyobb tervezési sebességű egységeket kerékforgás-figyelő rendszerrel kell felszerelni, amely tájékoztatja a mozdonyvezetőt arról, ha egy tengely megszorul; a kerékforgás-figyelő rendszert a J-1. függelék 15. hivatkozásában említett előírás szerint kell megtervezni.
4.2.4.7. Dinamikus fék - hajtásrendszerhez kapcsolódó fékrendszer
Ha a hajtásrendszerhez kapcsolódó dinamikus fék vagy a fékrendszer teljesítménye része a 4.2.4.5.2. pontban meghatározott normál üzem vészfékhatásosságának, a dinamikus féket vagy vontatóhoz kapcsolt fékrendszert:
1. a fő fékrendszer vezérlővezetékének kell vezérelnie (lásd a 4.2.4.2.1. pontot),
2. alá kell vetni a "vészfékezési utasítás kiadásakor a dinamikus fékerő teljes és tartós kiesése" veszélyre kiterjedő biztonsági értékelésnek.
Ezt a biztonsági értékelést figyelembe kell venni a 4.2.4.2.2. pontban meghatározott 3. biztonsági követelményhez szükséges, a vészfékezési funkcióra vonatkozó biztonsági értékelésben.
Villamos egységek esetében - amennyiben az egység fedélzetén a dinamikus fék működtetésének feltétele a munkavezetékről érkező feszültség, a biztonsági értékelésnek ki kell terjednie azokra a meghibásodásokra, amelyek e fedélzeti feszültség megszűnését eredményezik.
Ha ez a veszély nem került ellenőrzés alá a vasúti jármű szintjén (a külső energiaellátás kiesése), a dinamikus fék vagy a hajtásrendszerhez kapcsolódó fékrendszer fékhatásosságát nem szabad figyelembe venni a 4.2.4.5.2. pontban meghatározott normál üzemű vészfékezési fékhatásosságot illetően.
4.2.4.8. A tapadási feltételektől független fékrendszerek
4.2.4.8.1. Általános előírások
(1) Azok a fékrendszerek, amelyek a kerék és a sín közötti tapadási viszonytól függetlenül képesek fékerőt kifejteni a sínekre, hozzájárulnak a fékhatásossághoz, ha a várt fékhatásosság nagyobb a rendelkezésre álló kerék/sín tapadási határérték megfelelő teljesítményénél (lásd a 4.2.4.6. pontot).
(2) A kerék és a sín közötti tapadásától független fékek is alkalmazhatók a 4.2.4.5. pontban meghatározott normál üzemű vészfékhatásosság biztosítása érdekében. Ilyen esetben a tapadási feltételektől független fékrendszert:
a) a fő fékrendszer vezérlővezetékének kell vezérelnie (lásd a 4.2.4.2.1. pontot),
b) értékelni kell a "vészfékezési utasítás kiadásakor a kerék és a sín közötti tapadástól független fékerő tartós kiesése" veszélyre kiterjedő biztonsági értékelésben.
Ezt a biztonsági értékelést figyelembe kell venni a 4.2.4.2.2. pontban meghatározott 3. biztonsági követelményhez szükséges, a vészfékezési funkcióra vonatkozó biztonsági értékelésben.
4.2.4.8.2. Mágneses sínfék
(1) A mágneses sínfékek tengelyszámlálón alapuló vonatérzékelő rendszerrel való kompatibilitás tekintetében meghatározott követelményeire a 4.2.3.3.1.2. (9) pont hivatkozik.
(2) A mágneses sínfék használható vészfékként a vasúti infrastruktúrára vonatkozó ÁME 4.2.6.2.2. pontjában említett előírások szerint.
(3) A vágánnyal érintkező mágnes záróelemeinek geometriai jellemzői azonosak kell hogy legyenek a J-1. függelék 16. hivatkozásában említett előírásban ismertetett típusok egyikével. A J-1. függelék 16. hivatkozásában ismertetettől eltérő geometriájú mágnes-záróelemek abban az esetben használhatók, ha azok váltókkal és vasúti átjárókkal való kompatibilitása a K. függelékben említett eljárás szerint bizonyítást nyer.
(4) A mágneses sínfék 280 km/h sebesség felett nem használható.
(5) Az egység 4.2.4.5.2. pont szerinti fékhatásosságát mágneses sínfék használatával és anélkül egyaránt meg kell határozni.
(6) Az egységeken a fedélzeti ETCS kapcsolódási pontokra és telepített ETCS esetén a vonat "Speciális fékezés letiltása - Pálya menti utasítások: mágneses sínfék" interfész funkciójára vonatkozó követelményeket a J-2. függelék B. hivatkozásában említett előírás határozza meg. A mágneses sínfék egység általi tiltására vonatkozó utasítások kiadása utólagosan történhet automatikusan vagy a vezető beavatkozásával manuálisan. A vasúti jármű automatikus vagy manuális vezérlés szerinti beállítását fel kell tüntetni a 4.2.12.2. pontban meghatározott műszaki dokumentációban.
(7) Az egységeken a fedélzeti ETCS kapcsolódási pontokra és telepített ETCS esetén a vonat "Speciális fékezés letiltása - STM-utasítások: mágneses sínfék" interfész funkciójára vonatkozó követelményeket a J-2. függelék B. hivatkozásában említett előírás határozza meg. A mágneses sínfék egység általi tiltására vonatkozó utasítások kiadása utólagosan történhet automatikusan vagy a vezető beavatkozásával manuálisan. A vasúti jármű automatikus vagy manuális vezérlés szerinti beállítását fel kell tüntetni a 4.2.12.2. pontban meghatározott műszaki dokumentációban.
4.2.4.8.3. Örvényáramú sínfék
(1) Ez a pont csak az egység és a sín között fékerőt keltő örvényáramú sínfékekre vonatkozik.
(2) Az örvényáramú fék tengelyszámlálón, sínáramkörökön, kerékdetektorokon és induktív hurokberendezésen alapuló vonatérzékelő rendszerrel való kompatibilitás tekintetében meghatározott követelményeire a 4.2.3.3.1.2. (9) pont hivatkozik.
(3) Ha az örvényáramú fékek működtetése közben szükség van a mágnesek helyzetének megváltoztatására, az ilyen mágnesek "fékoldás" és "fékaktiválás" pozíciók közötti akadálytalan mozgását számítással kell igazolni a J-1. függelék 7. hivatkozásában említett előírásnak megfelelően.
(4) Az örvényáramú fék és a vágány közötti legnagyobb távolságot "fékoldás" pozícióban a 4.2.12. pontban ismertetett műszaki dokumentációban kell rögzíteni.
(5) Egy meghatározott sebességküszöb alatt az örvényáramú sínfék nem működtethető.
(6) Az örvényáramú sínfék használatának feltételei a vágánnyal való műszaki kompatibilitás tekintetében nincsenek harmonizálva (azok sínmelegedésre gyakorolt hatását és a függőleges irányú erőket illetően) és nyitott kérdést képeznek.
(7) Az infrastruktúra-nyilvántartás pályaszakaszonként jelzi, hogy használatuk megengedett-e, és amennyiben igen, ismerteti a használatukra vonatkozó feltételeket:
- A fenti (4) pontban említett, az örvényáramú fék és a vágány közötti legnagyobb távolság "fékoldás" pozícióban;
- A fenti (5) pontban említett meghatározott sebességküszöb;
- Függőleges erő a vonat sebessége függvényében, az örvényáramú fék korlátozás nélküli alkalmazása (vészfékezés) és az örvényáramú fék korlátozott alkalmazása esetén (üzemi fékezés);
- Fékerő a vonat sebessége függvényében, az örvényáramú fék korlátozás nélküli alkalmazása (vészfékezés) és az örvényáramú fék korlátozott alkalmazása esetén (üzemi fékezés).
(8) Az egység 4.2.4.5.2. és 4.2.4.5.3. pont szerinti fékhatásosságát örvényáramú fék használatával és anélkül egyaránt meg kell határozni.
(9) Az egységeken a fedélzeti ETCS kapcsolódási pontokra és telepített ETCS esetén a vonat "Speciális fékezés letiltása - Pálya menti utasítások: örvényáramú sínfék" interfész funkciójára vonatkozó követelményeket a J-2. függelék B. hivatkozásában említett előírás határozza meg. Az örvényáramú sínfék egység általi tiltására vonatkozó utasítások kiadása utólagosan történhet automatikusan vagy a vezető beavatkozásával manuálisan. A vasúti jármű automatikus vagy manuális vezérlés szerinti beállítását fel kell tüntetni a 4.2.12.2. pontban meghatározott műszaki dokumentációban.
(10) Az egységeken a fedélzeti ETCS kapcsolódási pontokra és telepített ETCS esetén a vonat "Speciális fékezés letiltása - STM-utasítások: örvényáramú sínfék" interfész funkciójára vonatkozó követelményeket a J-2. függelék B. hivatkozásában említett előírás határozza meg. Az örvényáramú sínfék egység általi tiltására vonatkozó utasítások kiadása utólagosan történhet automatikusan vagy a vezető beavatkozásával manuálisan. A vasúti jármű automatikus vagy manuális vezérlés szerinti beállítását fel kell tüntetni a 4.2.12.2. pontban meghatározott műszaki dokumentációban.
4.2.4.9. Fékállapot- és fékhibajelzés
(1) A vonat személyzetének a jelzett információk alapján fel kell tudnia ismerni a fékrendszer állapotát. A vonat személyzetének ezért ebből a célból az üzemeltetés egyes szakaszaiban meg kell tudnia állapítani a vasúti jármű fő fékrendszerének (vészfék- és üzemifék-rendszer), valamint rögzítőfék-rendszerének (működtetett, kioldott vagy leválasztott) állapotát, illetve a rendszer függetlenül irányítható és/vagy leválasztható részeinek (működtetőegységeinek) állapotát.
(2) Ha a rögzítőfék közvetlenül függ a fő fékrendszer állapotától, nem szükséges további vagy külön jelzést alkalmazni a rögzítőfék-rendszerre vonatkozóan.
(3) Üzem közben az álló és a haladási szakaszt kell figyelembe venni.
(4) Álló helyzetben a vonat személyzetének a vonatból és/vagy a vonaton kívülről le kell tudnia ellenőrizni:
- a vonat fékvezérlőutasítás-továbbító vezetékének épségét,
- a vonat teljes hosszán a fékenergia-ellátás rendelkezésre állását,
- a fő és rögzítőfék-rendszerek állapotát, valamint az e rendszerektől függetlenül irányítható és/vagy leválasztható (az e pont első bekezdésében leírtak szerinti) részeinek állapotát (ideértve egy vagy több működtetőegységet), a dinamikus fék és a hajtásrendszerekhez kapcsolt fékrendszer kivételével.
(5) Haladás közben a mozdonyvezetőnek tudnia kell ellenőrizni a vezetőfülkében vezetés közben elfoglalt helyéről a következőket:
- a vonat fékvezérlőutasítás-továbbító vezetékének állapotát,
- a fék energiaellátásának állapotát,
- a normál üzemi fékhatásosság teljesítményét befolyásoló, a hajtásrendszerhez kapcsolódó dinamikus fék és fékrendszer állapotát,
- a fő fékrendszer legalább egy, függetlenül működtetett részének (működtetőegység) bekapcsolt vagy kioldott állapotát (például aktív vezetőfülkével rendelkező jármű részének állapotát).
(6) A fent leírt információkat a vonat személyzete felé továbbító funkció lényeges a biztonság szempontjából, mivel ezeket az információkat a vonat személyzete a vonat fékhatásosságának értékelésére használja.
Amennyiben a jelzőműszerek helyi adatokról nyújtanak tájékoztatást, harmonizált jelzőműszerek használata biztosítja a szükséges biztonsági szintet.
Ha a vonat személyzete központi vezérlőrendszer használatával, egy helyszínről (például vezetőfülkéből) végezheti el az összes ellenőrzést, a rendszerelemek hibamódjának, a redundanciáknak, az időszaki vizsgálatoknak és más rendelkezéseknek a figyelembevételével megbízhatósági tanulmányt kell készíteni a rendszerről; e tanulmány alapján meg kell határozni a központi vezérlőrendszer üzemi feltételeit és azokat a 4.2.12.4. pontban ismertetett üzemeltetési dokumentációban fel kell tüntetni.
(7) Az általános üzemre szánt egységekre való alkalmazhatóság:
Csak azokat a funkciókat (például vezetőfülke meglétét stb.) kell figyelembe venni, amelyek az egység tervezési tulajdonságai tekintetében jelentőséggel bírnak.
A funkcionális változások figyelembevételével dokumentálni kell az egység és a vonathoz kapcsolt más egység(ek) között szükséges jeltovábbítást (ha van) a vonatszinten elérhető, fékrendszerre vonatkozó információk tekintetében.
Ez az ÁME nem ír elő semmilyen műszaki megoldást az egységek közötti fizikai kapcsolódási pontokra vonatkozóan.
4.2.4.10. Mentési célú fékkövetelmények
(1) Valamennyi féket (vész-, üzemi, rögzítőfék) fel kell szerelni a kioldásukat és leválasztásukat lehetővé tevő eszközökkel. Ezeknek az eszközöknek hozzáférhetőnek és működőképesnek kell lenniük, függetlenül attól, hogy a jármű vagy vonat hajtott-e vagy sem, vagy fedélzeti energiaellátás nélkül egy helyben áll.
(2) A nem 1 520 mm-es rendszeren való üzemre tervezett egységek esetében a vonatnak az üzemi meghibásodást követően menthetőnek kell lennie fedélzeti energia nélkül olyan hajtott vontatóegység használatával, amelyet UIC-fékrendszerrel kompatibilis (fékvezérlőutasítás-továbbító vezeték helyett fékcsöves) pneumatikus fékrendszerrel szereltek fel.
Megjegyzés: A vontatóegységhez való mechanikus és pneumatikus kapcsolódási pontokat lásd ezen ÁME 4.2.2.2.4. pontjában.
(3) A mentés során lehetővé kell tenni, hogy a vonat fékrendszerének egy részét csatlakoztatott eszközzel vezéreljék. E követelmény teljesítése érdekében a mentés alatt álló vonaton igénybe vehető alacsony feszültségű akkumulátor a vezérlőáramkör ellátása céljából.
(4) A mentett vonat e speciális üzemi körülmények között kifejtett fékhatásosságát számítással kell értékelni, azonban ennek nem kell megegyeznie a 4.2.4.5.2. pontban ismertetett fékhatásossággal. A kiszámított fékhatásosságnak és a mentési üzemi feltételeknek szerepelniük kell a 4.2.12. pontban ismertetett műszaki dokumentációban.
(5) A 4.2.4.10. (4) pontban előírt követelmény nem vonatkozik azon egységekre, amelyek ("tervezési tömeg menetkész állapotban" terhelési körülmény mellett) 200 tonna alatti vonat-összeállításban üzemelnek.
4.2.5. Személyszállítási elemek
Kizárólag tájékoztatási célokból a következő nem teljes körű lista ad áttekintést a mozgáskorlátozott személyekre vonatkozó ÁME hatálya alá tartozó azon alapvető paraméterekről, amelyek az utasok szállítására szánt vasúti egységekre alkalmazandók:
- ülések, ideértve a megkülönböztetett üléseket,
- kerekesszékek számára kialakított helyek,
- külső ajtók, ideértve a méreteket, kezelőszervek az utasok számára,
- belső ajtók, ideértve a méreteket, kezelőszervek az utasok számára,
- mosdók,
- közlekedők,
- világítás,
- utastájékoztatás,
- a padlózat magasságának változásai,
- kapaszkodók,
- kerekesszékkel elérhető hálófülkék,
- a lépcső pozíciója a járműre való fel- és leszálláshoz, beleértve a lépcsőket és a fel- és leszállást segítő eszközöket.
A további követelményeket ez a pont írja elő.
4.2.5.1. Egészségügyi rendszerek
(1) Az egészségügyi rendszerekhez szükséges víz fedélzeti tárolására és elosztására szolgáló anyagoknak (pl. tartály, szivattyú, vízcsap és tömítések anyaga és minősége) meg kell felelniük az emberi fogyasztásra szánt vízre vonatkozó, az (EU) 2020/2184 európai parlamenti és tanácsi irányelv ( 12 ) szerinti követelményeknek.
(2) Az egészségügyi rendszerek (illemhelyek, mosdók, büfé/étterem) nem bocsáthatnak ki az emberi egészségre vagy a környezetre káros szennyvizet. A kibocsátott anyagoknak (azaz a kezelt víznek, a közvetlenül a lefolyóból kibocsátott szappanos víz kivételével) meg kell felelniük az alábbi irányelveknek:
- az egészségügyi rendszerekből kiengedett szennyvíz baktériumtartalma soha nem haladhatja meg a fürdővizek minőségéről szóló 2006/7/EK európai parlamenti és tanácsi irányelvben ( 13 ) a béltraktusból származó Enterococcus és Escherichia coli baktérium tekintetében a belvizekre vonatkozóan "jó"-ként meghatározott szintet,
- a kezelési eljárások során nem adható a vízhez az Unió vízi környezetébe bocsátott egyes veszélyes anyagok által okozott szennyezésről szóló 2006/11/EK európai parlamenti és tanácsi irányelv ( 14 ) I. mellékletében meghatározott anyag.
(3) A kiengedett folyadék pálya menti szétszóródásának korlátozása érdekében kifolyó anyag bármely forrásból csak lefelé, a járműszekrény alá, a jármű hossztengelyétől legfeljebb 0,7 méterre kerülhet.
(4) A 4.2.12. pontban ismertetett műszaki dokumentációnak a következőket kell tartalmaznia:
- az egységben illemhely megléte és annak típusa,
- az öblítéshez használt anyag jellemzői, amennyiben az nem tiszta víz,
- a kiengedett víz kezelési rendszerének jellege és azok a szabványok, amelyekhez képest a megfelelőséget ellenőrizték.
4.2.5.2. Hallható kommunikációs rendszer
(1) Ez a pont utasok szállítására tervezett, illetve személyvonatok vontatására tervezett minden egységre vonatkozik.
(2) A vonatokat legalább hallható kommunikációs eszközzel fel kell szerelni:
- a vonaton tartózkodó utasoknak szóló, a vonat személyzete által bemondott közlemények érdekében,
- a vonat személyzetének tagjai közötti, különösen a mozdonyvezető és adott esetben az utastérben tartózkodó személyzet közötti belső kapcsolattartás érdekében.
(3) A berendezésnek legalább három órán keresztül alkalmasnak kell lennie a fő energiaellátástól független készenléti állapot fenntartására. A készenléti idő alatt a berendezésnek véletlenszerű időközönként és időtartamon át összesen 30 percig működtethetőnek kell lennie.
(4) A kommunikációs rendszert olyan módon kell megtervezni, hogy a hangszórók legalább fele tovább működjön (a vonat egészén elosztva), ha az egyik továbbító eleme meghibásodik, vagy más eszköznek kell elérhetőnek lennie az utasok tájékoztatására, ha meghibásodás lép fel.
(5) Az utasok és a vonat személyzete közötti kapcsolattartásra vonatkozó rendelkezések az utastéri vészjelzőről szóló 4.2.5.3. pontban és az utasok által használható kommunikációs eszközökről szóló 4.2.5.4. pontban találhatók.
(6) Az általános üzemre szánt egységekre való alkalmazhatóság:
Csak az egység tervezési tulajdonságai tekintetében jelentőséggel bíró funkciókat (például vezetőfülke, a személyzettel való kapcsolatfelvételre szolgáló rendszer, stb.) kell figyelembe venni.
Dokumentálni kell az egység és a vonatban lévő más összekapcsolt egység(ek) közötti, a kommunikációs rendszer vonatszintű rendelkezésre állásához szükséges jeltovábbítást, figyelembe véve a funkcionális szempontokat.
Ez az ÁME nem ír elő semmilyen műszaki megoldást az egységek közötti fizikai kapcsolódási pontokra vonatkozóan.
4.2.5.3. Utastéri vészjelző
4.2.5.3.1. Általános előírások
(1) Ez a pont utasok szállítására tervezett, illetve személyvonatok vontatására tervezett minden egységre vonatkozik.
(2) Az utastéri vészjelző lehetővé teszi, hogy a vonat utasai tájékoztassák a vezetőt a potenciális veszélyről. A riasztó működtetése üzemi következményekkel jár (például ha a mozdonyvezető nem reagál, aktiválja a féket); erre a biztonsági funkcióra vonatkozó követelményeket és biztonsági szempontokat ez a pont tartalmazza.
4.2.5.3.2. A tájékoztatási kapcsolódási pontokra vonatkozó követelmények
(1) A mozdonyvezető potenciális veszély esetén történő értesítése érdekében a mosdók és a közlekedők kivételével minden fülkét, minden bejárati előteret és minden más, utasoknak szánt elkülönített teret el kell látni legalább egy jól látható és megjelölt riasztóberendezéssel.
(2) A riasztóberendezést úgy kell kialakítani, hogy azt az utasok az aktiválása után ne kapcsolhassák ki.
(3) Az utastéri vészjelző aktiválásakor fényjelzésnek és hangjelzésnek egyaránt jeleznie kell a mozdonyvezető számára azt, hogy egy vagy több, utastéri vészjelzőt bekapcsoltak.
(4) A vezetőfülkében elhelyezett eszköz használatával a mozdonyvezetőnek tudnia kell jelezni a riasztás tudomásulvételét. A mozdonyvezető általi visszaigazolásnak észlelhetőnek kell lennie az utastéri vészjelző aktiválásának helyén, és le kell állítania a vezetőfülkében a hangjelzést.
(4a) Több vészjelző bekapcsolása esetén az első utastéri vészjelzés mozdonyvezető általi tudomásul vételét követően minden további aktivált vészjelzés, az aktivált vészjelzők alaphelyzetbe történő visszaállításáig automatikusan megerősítésre kerül.
(5) A mozdonyvezető kezdeményezésére a rendszernek lehetővé kell tennie a vezetőfülke és a riasztó(k) aktiválásának helye közötti kommunikációs kapcsolat létrehozását a (mozdonyvezetőtől eltérő) személyzet jelenléte nélküli üzemre tervezett egységeken. A (mozdonyvezetőtől eltérő) személyzettel történő üzemre tervezett egységek tekintetében megengedett kommunikációs kapcsolat létrehozása a vezetőfülke és a személyzet között.
A rendszernek lehetővé kell tennie, hogy a mozdonyvezető saját kezdeményezésére letilthassa ezt a kommunikációs kapcsolatot.
(6) A berendezésnek lehetővé kell tennie a kísérőszemélyzet számára az utastéri vészjelző alaphelyzetbe való visszaállítását.
4.2.5.3.3. Az utastéri vészjelző általi fékaktiválásra vonatkozó követelmények
(1) Amennyiben a vonat peronnál áll vagy onnan indul, az utastéri vészjelző aktiválásának ki kell váltania az üzemi fék vagy a vészfék közvetlen aktiválását, amelynek következtében a vonat teljesen megáll. Ebben az esetben a mozdonyvezető csak a vonat teljes megállása után tilthatja le az utastéri vészjelző által kiváltott automatikus fékezést a rendszerben.
(2) Más helyzetekben az utasok által működésbe hozható (első) riasztó aktiválása után 10 +/- 1 másodperccel automatikusan működésbe kell lépnie legalább az üzemi féknek, amennyiben a mozdonyvezető ezen az időn belül nem igazolja vissza az utastéri vészjelző jelzését. Ennek a rendszernek lehetővé kell tennie a mozdonyvezető számára, hogy bármikor hatástalanítsa az utastéri vészjelző által kiváltott fékezést.
4.2.5.3.4. A perontól induló vonatra vonatkozó kritériumok
(1) A jármű az ajtók nyitott állásból csukott és zárt állásba történő átváltásának pillanata és azon pillanat között minősül induló vonatnak, amikor már részben elhagyta a peront.
(2) Ezt a pillanatot a rendszernek érzékelnie kell (olyan funkció révén, amely lehetővé teszi a peron fizikai észlelését, vagy a sebességen, a távolságon vagy más alternatív kritériumokon alapul).
(3) Pálya menti ellenőrző-irányító és jelző ETCS rendszerrel (ideértve az ellenőrző-irányító és jelző rendszerre vonatkozó ÁME A. mellékletének 7. hivatkozásában említett, "utasajtó"-ra vonatkozó információkat) ellátott vonalakon való közlekedésre szánt egységek esetében ennek a fedélzeti berendezésnek alkalmasnak kell lennie a peronadatok ETCS rendszertől való fogadására.
4.2.5.3.5. Biztonsági követelmények
(1) Ha az utastéri vészjelzőrendszer meghibásodása következtében az utas nem tudja működésbe hozni a féket a peronról induló vonat megállítása érdekében, akkor igazolni kell, hogy a kockázatot elfogadható szintre mérsékelték, tekintve, hogy feltételezhető, hogy a működési hiba közvetlenül halálos kimenetelű balesetet és/vagy súlyos sérülést okozhat.
(2) Ha az utastéri vészjelzőrendszer meghibásodása következtében a mozdonyvezető nem értesül arról, hogy az utasok által működtetett riasztót működésbe hozták, akkor igazolni kell, hogy a kockázatot elfogadható szintre mérsékelték, tekintve, hogy feltételezhető, hogy a működési hiba közvetlenül halálos kimenetelű balesetet és/vagy súlyos sérülést okozhat.
(3) E megfelelőség igazolását (a megfelelőségértékelési eljárást) ezen ÁME 6.2.3.5. pontja ismerteti.
4.2.5.3.6. Korlátozott üzem
(1) A vezetőfülkével rendelkező egységeket fel kell szerelni olyan eszközzel, amely lehetővé teszi az erre felhatalmazott személyzet számára az utastéri vészjelző leválasztását.
(2) Ha az utastéri vészjelző nem működik a személyzet szándékos beavatkozása, műszaki hiba vagy az egység nem kompatibilis egységhez való csatlakoztatása miatt, erről a mozdonyvezető számára folyamatosan visszajelzést kell adni a vezetőfülkében, és az utastéri vészjelző aktiválásának a fékek közvetlen működtetését kell eredményeznie.
(3) A leválasztott, utastéri vészjelzővel rendelkező vonat nem felel meg ezen ÁME biztonsági és kölcsönös átjárhatósági minimumkövetelményeinek, ezért azt korlátozott üzeműnek kell tekinteni.
4.2.5.3.7. Az általános üzemre szánt egységekre való alkalmazhatóság
(1) Csak az egység tervezési tulajdonságai tekintetében jelentőséggel bíró funkciókat (például vezetőfülke, a személyzettel való kapcsolatfelvételre szolgáló rendszer stb.) kell figyelembe venni.
(2) Dokumentálni kell az egység és a vonatban lévő más összekapcsolt egység(ek) közötti, az utastéri vészjelzőrendszer vonatszintű rendelkezésre állásához szükséges jeltovábbítást, figyelembe véve az ebben a pontban fentebb ismertetett funkcionális szempontokat.
(3) Ez az ÁME nem ír elő semmilyen műszaki megoldást az egységek közötti fizikai kapcsolódási pontokra vonatkozóan.
4.2.5.4. Utasok által használható kommunikációs eszközök
(1) Ez a pont utasok szállítására tervezett, illetve személyvonatok vontatására tervezett minden egységre vonatkozik.
(2) A (mozdonyvezetőtől eltérő) személyzet jelenléte nélküli üzemre tervezett egységeket fel kell szerelni utasok által használható kommunikációs eszközzel, hogy az utasok értesíthessék az illetékes személyt.
(3) A kommunikációs eszköz elhelyezésére vonatkozó követelmények megegyeznek az utastéri vészjelzőre vonatkozóan a 4.2.5.3. pontban meghatározott követelményekkel.
(4) A rendszernek lehetővé kell tennie, hogy az utasok kezdeményezésére kommunikációs kapcsolat jöjjön létre a járművön. A rendszernek azt is lehetővé kell tennie, hogy a tájékoztatott személy (például a mozdonyvezető) saját kezdeményezésére letilthassa ezt a kommunikációs kapcsolatot.
(5) Az utasoknak szánt kommunikációs eszköz felületének, amelyet harmonizált jellel kell feltüntetni, vizuális és kitapintható jelzéseket is tartalmaznia kell, valamint a működését jelző fény- és hangjelzést kell kibocsátania. Ezeknek az elemeknek összhangban kell állniuk a mozgáskorlátozott személyekre vonatkozó ÁME-vel.
(6) Az általános üzemre szánt egységekre való alkalmazhatóság:
Csak az egység tervezési tulajdonságai tekintetében jelentőséggel bíró funkciókat (például vezetőfülke, a személyzettel való kapcsolatfelvételre szolgáló rendszer stb.) kell figyelembe venni.
Dokumentálni kell az egység és a vonatban lévő más összekapcsolt egység(ek) közötti, a kommunikációs rendszer vonatszintű rendelkezésre állásához szükséges jeltovábbítást, figyelembe véve a funkcionális szempontokat.
Ez az ÁME nem ír elő semmilyen műszaki megoldást az egységek közötti fizikai kapcsolódási pontokra vonatkozóan.
(7) A 4.2.12.2. pontban meghatározott műszaki dokumentációban fel kell tüntetni, hogy a vonaton találhatóak-e kommunikációs eszközök vagy sem.
4.2.5.5. Külső ajtók: a vasúti jármű be- és kijáratai
4.2.5.5.1. Általános előírások
(1) Ez a pont utasok szállítására tervezett, illetve személyvonatok vontatására tervezett minden egységre vonatkozik.
(2) A személyzet és a rakomány számára fenntartott ajtókkal az ÁME 4.2.2.8. és 4.2.9.1.2. pontja foglalkozik.
(3) Az utasok által használandó peronajtók vezérlése biztonság szempontjából lényeges funkció. Az e pontban meghatározott funkcionális és biztonsági követelmények szükségesek az előírt biztonsági szint biztosításához.
4.2.5.5.2. Használt szakkifejezések
(1) E pont alkalmazásában "ajtó" : az utasok által használandó (egy- vagy többszárnyú) külső ajtó, amelynek elsődleges rendeltetése az utasok vonatra/vonatról történő fel- és leszállásának a biztosítása.
(2) "Zárt ajtó" : fizikai ajtózáró eszközzel zárva tartott ajtó.
(3) "Használaton kívüli zárt ajtó" : zárt helyzetben levő ajtó, amelyet manuálisan működtetett mechanikus záróeszközzel tettek működésképtelenné.
(4) "Kioldott ajtó" : az egységen elérhető (adott esetben) helyi vagy központi ajtónyitó aktiválásával nyitható ajtó.
(5) E pont alkalmazásában "álló jármű" : az a vonat, melynek sebessége 3 km/h-ra vagy annál kisebb sebességre csökkent.
(6) E pont alkalmazásában "a vonat személyzete" : a személyzet egy vagy több tagja, aki(k)nek feladata az ajtórendszerrel kapcsolatos ellenőrzések elvégzése; lehet a mozdonyvezető vagy a személyzet más tagja is.
4.2.5.5.3. Az ajtók becsukása és bezárása
(1) Az ajtóvezérlő berendezés lehetővé teszi, hogy a vonat személyzete a vonat indulása előtt becsukja és bezárja az ajtókat.
(2) Ha mozgatható lépcsőt kell visszahúzni, a zárási műveletnek része a lépcső visszahúzott állásba történő mozgatása.
(3) Ha a központi ajtózár aktiválását a személyzet az egyik ajtó melletti irányítógombbal végzi, akkor ez az ajtó nyitva maradhat, amikor a többi ajtó becsukódik és bezáródik. Az ajtóvezérlő rendszer lehetővé teszi, hogy a vonat személyzete a vonat indulása előtt becsukja és bezárja az ajtókat.
(4) Az ajtóknak mindaddig csukott és zárt állapotban kell maradniuk, amíg azokat a 4.2.5.5.6. pontnak megfelelően ki nem oldják. Az ajtóműködtetés áramellátásának kiesése esetén az ajtókat a zárószerkezettel kell zárva tartani.
Megjegyzés: Az ajtó záródására figyelmeztető jelzésről a mozgáskorlátozott személyekre vonatkozó ÁME 4.2.2.3.2. pontjában olvasható bővebb információ.
Ajtóakadály-érzékelő:
(5) Az utasok fel- és leszállására szolgáló külső ajtókra olyan berendezést kell szerelni, amely érzékeli, ha az ajtó záródását valami (például egy utas) akadályozza. Ha a berendezés akadályt érzékel, az ajtónak automatikusan le kell állnia, és korlátozott ideig nyitva kell maradnia, vagy újból ki kell nyílnia. A rendszernek olyan érzékenynek kell lennie, hogy a J-1. függelék 17. hivatkozásában említett előírással összhangban alkalmas legyen akadály érzékelésére, és az akadályra legfeljebb a J-1. függelék 17. hivatkozásában említett előírás szerinti legnagyobb erőt fejtse ki.
4.2.5.5.4. Használaton kívüli ajtó bezárása
(1) Az ajtóhoz kézi vezérlésű mechanikus záróeszközt kell biztosítani a használaton kívüli ajtók (vonat személyzete vagy a karbantartók általi) bezárása céljából.
(2) A záróeszköz a következő feladatokat látja el:
- leválasztja az ajtót a nyitási utasításról,
- az ajtót mechanikusan zárva tartja,
- jelzi a leválasztóeszköz állapotát,
- lehetővé teszi, hogy az ajtót az ajtózárást ellenőrző eszköz ne ellenőrizze.
4.2.5.5.5. A vonat személyzetének rendelkezésére álló információk
(1) Megfelelő ajtózárást ellenőrző eszköz használatával a vonat személyzete bármikor ellenőrizheti, hogy valamennyi ajtó csukva és zárt állapotban van-e.
(2) Ha egy vagy több ajtó nincs bezárva, arról folyamatosan visszajelzést kell adni a vonat személyzete számára.
(3) Jelzést kell adni a vonat személyzetének, ha az ajtócsukási és/vagy -zárási műveletek során bármilyen meghibásodás lép fel.
(4) Hang- és fényjelzésnek kell jeleznie a vonat személyzete számára egy vagy több ajtó vésznyitását.
(5) Lehetővé kell tenni, hogy a használaton kívüli zárt ajtót az ajtózárást ellenőrző eszköz ne ellenőrizze.
4.2.5.5.6. Az ajtónyitás
(1) A vonatot olyan ajtókioldó vezérlőkkel kell felszerelni, amelyek segítségével a személyzet vagy a peronnál való megálláshoz kapcsolt automata eszköz mindkét oldalon külön-külön kioldhatja az ajtókat. A vezérlőknek lehetővé kell tenniük, hogy az ajtók a vonat álló helyzetében nyithatók legyenek az utasok által vagy adott esetben a központi nyitási utasítás alkalmazásával.
(2) Az egységeken a fedélzeti ETCS kapcsolódási pontokra és telepített ETCS esetén a vonat "állomásperon" interfész funkciójára vonatkozó követelményeket a J-2. függelék B. hivatkozásában említett előírás határozza meg.
(3) Minden egyes ajtónál helyi nyitásvezérlőnek vagy nyitószerkezetnek kell az utasok számára elérhetőnek lennie, mind a jármű külseje, mind annak belseje felől.
(4) Ha mozgatható lépcsőt kell kiengedni, a nyitási műveletnek része a lépcső kiengedett állásba történő mozgatása.
Megjegyzés: Az ajtó nyitására figyelmeztető jelzésről a mozgáskorlátozott személyekre vonatkozó ÁME 4.2.2.4.2. pontjában olvashatók bővebb információk.
4.2.5.5.7. Ajtóvontatás során alkalmazandó biztonsági retesz
(1) Vonóerő alkalmazására csak akkor kerülhet sor, ha valamennyi ajtó csukott és zárt állapotban van. Ezt ajtóvontatás során alkalmazandó automata biztonsági reteszelő rendszerrel kell biztosítani. Az ajtóvontatás során alkalmazandó biztonsági reteszelő rendszernek meg kell akadályoznia a vonóerő kifejtését, ha nincs az összes ajtó csukva és zárt állapotban.
(2) Az ajtóvontatás során alkalmazandó automata biztonsági reteszelő rendszert manuális kioldóval kell felszerelni, hogy rendkívüli helyzetekben vonóerő alkalmazása céljából a mozdonyvezető aktiválhassa a rendszert akkor is, ha nincs csukva és zárva az összes ajtó.
4.2.5.5.8. A 4.2.5.5.2-4.2.5.5.7. pontra vonatkozó biztonsági követelmények
(1) Ha egy ajtó nincs bezárva (és a vonat személyzete az ajtó állapotáról nem rendelkezik helytálló információkkal), vagy nem megfelelő területen (például a vonat nem megfelelő oldalán) vagy helyzetben (például a vonat mozog) az ajtó kioldott vagy kinyílt, igazolni kell, hogy a kockázatot elfogadható szintre mérsékelték, tekintve, hogy feltételezhető, hogy a működési hiba közvetlenül az alábbiakat okozhatja:
- halálos kimenetelű balesetet és/vagy súlyos sérülést azon egységek esetében, amelyekben az utasok nem állhatnak az ajtó környékén (távolsági vonatok), vagy
- halálos kimenetelű balesetet és/vagy súlyos sérülést azon egységek esetében, amelyekben néhány utas állhat az ajtó környékén a normál üzem során.
(2) Ha több ajtó nincs bezárva (és a vonat személyzete az ajtók állapotáról nem rendelkezik helytálló információkkal), vagy nem megfelelő területen (például a vonat nem megfelelő oldalán) vagy helyzetben (például a vonat mozog) az ajtók kioldottak vagy kinyíltak, igazolni kell, hogy a kockázatot elfogadható szintre mérsékelték, tekintve, hogy feltételezhető, hogy a működési hiba közvetlenül az alábbiakat okozhatja:
- több személyt érintő halálos kimenetelű balesetet és/vagy súlyos sérülést azon egységek esetében, amelyekben az utasok nem állhatnak az ajtó környékén (távolsági vonatok), vagy
- több személyt érintő halálos kimenetelű balesetet és/vagy súlyos sérülést azon egységek esetében, amelyekben néhány utas állhat az ajtó környékén a normál üzem során.
(3) E megfelelőség igazolását (a megfelelőségértékelési eljárást) ezen ÁME 6.2.3.5. pontja ismerteti.
4.2.5.5.9. Vészhelyzeti ajtónyitás
Vészhelyzeti ajtónyitás belülről:
(1) Minden ajtót fel kell szerelni egyedi belső vésznyitó berendezéssel, amelyhez az utasok hozzáférhetnek, és amely lehetővé teszi az ajtó kinyitását; a berendezésnek 10 km/h sebesség alatt kell működőképesnek lennie.
(2) Megengedett, hogy a berendezés bármely sebességnél (a sebességjelzéstől függetlenül) működőképes legyen; ilyen esetben a berendezést legalább két egymást követő művelettel lehet működésbe hozni.
(3) Nem előírás, hogy a berendezés "használaton kívüli zárt ajtó" esetében is működjön. Ilyenkor sor kerülhet az ajtó előzetes kioldására.
Biztonsági követelmény:
(4) Ha az (ezen ÁME 4.2.10.5. pontjában meghatározott) átjárón található szomszédos ajtókon a belső vésznyitó rendszer meghibásodik, azonban a többi ajtó vésznyitó rendszere továbbra is rendelkezésre áll, igazolni kell, hogy a kockázatot elfogadható szintre mérsékelték, tekintve, hogy feltételezhető, hogy a működési hiba közvetlenül halálos kimenetelű balesetet és/vagy súlyos sérülést okozhat.
E megfelelőség igazolását (a megfelelőségértékelési eljárást) ezen ÁME 6.2.3.5. pontja ismerteti.
Vészhelyzeti ajtónyitás kívülről:
(5) Minden ajtót fel kell szerelni a mentő személyzet számára elérhető, egyedi külső vésznyitó berendezéssel, amely lehetővé teszi az ajtó vészhelyzetben történő kinyitását. Nem elvárás, hogy használaton kívüli zárt ajtón működjön. Ilyen esetben sor kerülhet az ajtó előzetes kioldására.
Az ajtó nyitásához szükséges kézi erő:
(6) Az ajtó kézi nyitásához kifejtendő erőnek a J-1. függelék 17. hivatkozásában említett előírásnak kell megfelelnie.
4.2.5.5.10. Az általános üzemre szánt egységekre való alkalmazhatóság
(1) Csak az egység tervezési tulajdonságai tekintetében jelentőséggel bíró funkciókat (például vezetőfülke, a személyzet által irányítható ajtóvezérlő felület megléte stb.) kell figyelembe venni.
(2) Dokumentálni kell az egység és a vonatban lévő más összekapcsolt egység(ek) közötti, az ajtórendszer vonatszintű rendelkezésre állásához szükséges jeltovábbítást, figyelembe véve a funkcionális szempontokat.
(3) Ez az ÁME nem ír elő semmilyen műszaki megoldást az egységek közötti fizikai kapcsolódási pontokra vonatkozóan.
4.2.5.6. Külsőajtó-rendszer kialakítása
(1) Ha az egységet felszerelték az utasok fel- és leszállására szolgáló ajtóval, a következő rendelkezéseket kell alkalmazni:
(2) Az ajtókat átlátszó ablakokkal kell felszerelni, amelyek láthatóvá teszik az utasok számára, hogy a vonat peron mellett áll-e.
(3) A személykocsik külső felületét olyan módon kell kialakítani, hogy az ajtók csukott és zárt állapota esetén ne legyen lehetséges az ajtóba kapaszkodva a vonaton kívül utazni.
(4) A vonaton kívül, az ajtóba kapaszkodva történő utazás megakadályozása érdekében kerülni kell kézi kapaszkodók elhelyezését az ajtó külső felületén, vagy azokat úgy kell kialakítani, hogy az ajtók zárt állapotában ne lehessen megfogni a kapaszkodókat.
(5) A kapaszkodókat úgy kell rögzíteni, hogy azok alkalmasak legyenek az üzem közben kifejtett erőknek ellenállni.
4.2.5.7. Egységeket összekötő ajtók
(1) Ez a pont utasok szállítására tervezett minden egységre vonatkozik.
(2) Amennyiben a kocsikon vagy az egységek végén egységeket összekötő ajtók találhatók, olyan eszközt kell az ajtókra szerelni, amelyekkel lezárhatók (például arra az esetre, ha az ajtóhoz nem csatlakozik a szomszédos kocsiba vagy egységbe tartó utasok számára átjáró stb.).
4.2.5.8. A belső levegő minősége
(1) A járművek azon területein, ahol utasok és/vagy a személyzet tagjai tartózkodhatnak, a levegő mennyiségének és minőségének olyannak kell lennie, hogy az az utasok vagy a személyzet számára a külső környezeti levegőminőséghez képest ne jelentsen további egészségi kockázatot. Ezt az alábbiakban meghatározott követelmények teljesítésével lehet elérni.
Szellőztető berendezéssel kell fenntartani az üzemi feltételek mellett elfogadható belső CO2-szintet.
(2) A CO2-szint - az alábbi két eset kivételével - nem haladhatja meg az 5 000 ppm-et:
- A szellőztetés fő áramforrás kiesése vagy a rendszer meghibásodása miatti leállása esetén vészhelyzeti rendelkezéssel kell lehetővé tenni az utasok és személyzet által használt összes terület külső levegővel való ellátását.
Ha ezt a vészhelyzeti megoldást akkumulátoros (gépi) szellőztetéssel biztosítják, meg kell határozni, hogy a CO2-szint meddig maradjon 10 000 ppm alatt a "tervezési tömeg átlagos hasznos teher mellett" terhelési körülmény alapján meghatározott utaslétszámot feltételezve.
A megfelelőségértékelési eljárást ezen ÁME 6.2.3.12. pontja határozza meg.
Ez az időtartam nem lehet 30 percnél rövidebb.
Az időtartamot fel kell tüntetni az ÁME 4.2.12. pontjában ismertetett műszaki dokumentációban.
- Az összes külső szellőztető eszköz kikapcsolása vagy lezárása, illetve a légkondicionáló berendezés kikapcsolása esetén, azt megelőzendő, hogy az utasok lehetséges környezeti füstnek legyenek kitéve - különösen alagutakban, és tűz esetén a 4.2.10.4.2. pontban meghatározottak szerint.
4.2.5.9. A vasúti jármű oldalablakai
(1) Amennyiben a vasúti jármű oldalablakai az utasok által nyithatók, és azokat a vonat személyzete nem tudja lezárni, a nyílás mérete csak akkora lehet, hogy azon 10 cm átmérőjű gömb alakú tárgy ne férhessen át.
4.2.6. Környezeti feltételek és aerodinamikai hatások
4.2.6.1. Környezeti feltételekre vonatkozó általános előírások
(1) A környezeti feltételek a termékre kívülről hatást gyakorló fizikai, vegyi vagy biológiai feltételek.
(2) Azok a környezeti feltételek, amelyeknek a vasúti jármű ki van téve, befolyásolják a jármű, illetve alkatrészeinek szerkezetét.
(3) A környezeti paraméterek bemutatására az alábbi pontokban kerül sor. Minden környezeti paraméter esetében meghatározzuk az Európában leggyakrabban használt névleges tartományokat, amelyek a kölcsönösen átjárható vasúti járművek paramétereinek alapjait képezik.
(4) Egyes környezeti paraméterek tekintetében a névleges tartományon kívül más tartományok meghatározására is sor kerül. Ilyen esetekben a vasúti jármű megtervezése céljából ki kell választani a tartományt.
Az alábbi pontokban ismertetett funkciók tekintetében a műszaki dokumentációban kell ismertetni azokat a tervezési és/vagy vizsgálati rendelkezéseket, amelyek alapján biztosítani kell, hogy a vasúti jármű megfeleljen az adott tartományba tartozó ÁME követelményeinek.
(5) A kiválasztott tartomány(ok)at az ÁME 4.2.12. pontjában meghatározott műszaki dokumentációban a vasúti jármű tulajdonságaként kell feltüntetni.
(6) A kiválasztott tartományoktól és a (műszaki dokumentációban ismertetett) intézkedésektől függően szükség esetén üzemeltetési szabályokkal kell biztosítani, hogy a jármű és a környezeti feltételek közötti műszaki kompatibilitás betartható legyen a hálózat részein.
Ha olyan vonalon üzemeltetnek névleges tartományra tervezett vasúti járművet, amelyen az értékek az év egyes szakaszaiban a névleges tartományon kívül esnek, akkor szükség van üzemeltetési szabályokra.
(7) A földrajzi területhez vagy éghajlati viszonyokhoz kapcsolódó megszorító üzemeltetési szabályok elkerülése érdekében kiválasztandó, névlegestől eltérő tartományokat a tagállamoknak kell meghatározniuk. Ezek a tartományok ezen ÁME 7.4. pontjában találhatók.
4.2.6.1.1. Hőmérséklet
(1) A vasúti járműveknek meg kell felelniük a J-1. függelék 18. hivatkozásában említett előírásban meghatározott T1 (- 25 °C és + 40 °C közötti névleges), T2 (- 40 °C és + 35 °C közötti) vagy T3 (- 25 °C és + 45 °C közötti) hőmérsékleti tartományok közül legalább az egyiknek.
(2) A kiválasztott hőmérsékleti tartomány(oka)t fel kell tüntetni az ÁME 4.2.12. pontjában ismertetett műszaki dokumentációban.
(3) A vasúti járművek alkatrészeinek tervezésekor figyelembe kell venni a hőmérséklet beépített alkatrészekre gyakorolt hatását.
4.2.6.1.2. Hó, jég és jégeső
(1) A vasúti járműnek meg kell felelnie ezen ÁME J-1. függelékének 18. hivatkozásában említett előírásban meghatározottak szerinti hó, jég és jégeső esetén fennálló viszonyokra vonatkozó követelményeknek.
(2) A vasúti járművek alkatrészeinek tervezésekor figyelembe kell venni a havazás, jegesedés és jégeső beépített alkatrészekre gyakorolt hatását.
(3) Ha több szélsőséges, havazás, jegesedés és jégeső esetén fennálló körülmény kiválasztására kerül sor, a vasúti járműveknek és az alrendszer alkatrészeinek meg kell felelniük az ÁME követelményeinek a következő eseteket figyelembe véve:
- hófúvás (gyenge havazás alacsony víztartalommal), amely a pályát a sín szintje fölött legfeljebb 80 cm-re folyamatosan befedi,
- porhó, nagy mennyiségben leeső, alacsony vízegyenérték-tartalmú hó,
- egyetlen üzem során jellemző hőmérséklet gradiens, valamint hőmérséklet- és páratartalom-változás, ami a vasúti járművön jegesedést okoz,
- a 4.2.6.1.1. pontban meghatározott hőmérséklet-tartományoknak megfelelő, alacsony hőmérséklettel együttes hatás.
(4) Az ÁME 4.2.6.1.1. pontjával (T2-es hőmérséklet-tartomány) és 4.2.6.1.2. pontjával (havazás, jegesedés és jégeső esetén fennálló szélsőséges viszonyok) kapcsolatban rendelkezéseket, különösen a következő ÁME-követelmények tekintetében szükséges tervezési és/vagy vizsgálati rendelkezéseket, kell meghatározni és igazolni:
- A 4.2.2.5. pontban meghatározott terelőlap: ezen túlmenően a vonat előtti hó elkotrására való képesség.
A havat terelőlap által eltávolítandó akadálynak kell tekinteni; a következő követelményeket a 4.2.2.5. pont határozza meg (a J-1. függelék 3. hivatkozásában említett előírásra hivatkozással):
"A terelőlapnak megfelelő méretűnek kell lennie a forgóváz útjában lévő akadályok eltávolításához. Szerkezetének folytonosnak kell lennie és úgy kell kialakítani, hogy az akadályokat ne felfelé vagy lefelé terelje. Normál üzemi feltételek mellett a terelőlap alsó szélének a jármű mozgása és a járműszelvény vonala által megengedhető legalacsonyabb helyzetben kell lennie.
A terelőlapnak felülnézetből »V« alakot kell formáznia, és az általa bezárt szög legfeljebb 160°-os lehet. Hóekeként való használatra alkalmas formára is kialakítható."
Az ÁME 4.2.2.5. pontjában meghatározott erők a hó eltakarításához elegendő mértékűnek minősülnek.
- Az ÁME 4.2.3.5. pontjában meghatározott futóművet a hó- és jéglerakódás, valamint azok menetstabilitásra és fékezési funkcióra gyakorolt lehetséges hatását figyelembe véve kell kialakítani.
- Az ÁME 4.2.4. pontjában meghatározott fékezési funkció és fékerőellátás.
- A vonat jelenlétének az ÁME 4.2.7.3. pontjában meghatározottak szerint történő jelzése.
- Az ÁME 4.2.7.3.1.1. (fényszórókról szóló) és 4.2.9.1.3.1. (előre kilátásról szóló) pontjában meghatározottak alapján előrefelé való kilátás biztosítása a 4.2.9.2. pontban meghatározott, működő szélvédőtisztító berendezés segítségével.
- A mozdonyvezető számára elfogadható, az ÁME 4.2.9.1.7. pontjában meghatározott munkavégzési körülmények biztosítása.
(5) A (névleges vagy súlyos) havazás, jegesedés vagy jégeső esetén alkalmazandó kiválasztott tartományt és az elfogadott rendelkezést dokumentálni kell az ÁME 4.2.12.2. pontjában ismertetett műszaki dokumentációban.
4.2.6.2. Aerodinamikai hatások
(1) Az e pontban foglalt követelmények valamennyi járműre vonatkoznak. Az 1 520 mm-es és 1 600 mm-es nyomtávú rendszereken működtetett járművekre a 4.2.6.2.1-4.2.6.2.5. pontban meghatározott határértékeket meghaladó legnagyobb sebesség esetén az innovatív megoldásokra vonatkozó eljárást kell alkalmazni.
(2) Az elhaladó vonat változó nyomású és áramlássebességű mozgó légáramot kelt. Az átmeneti nyomás és áramlássebesség hat a pálya mentén lévő személyekre, tárgyakra és épületekre, illetve hatással van a vasúti járművekre is (például a jármű szerkezetének aerodinamikai terhelése, a berendezések rázkódása), és azokat a jármű kialakításakor figyelembe kell venni.
(3) A vonat és a levegő sebességének együttes hatása aerodinamikai gördülőnyomatékot kelt, ami befolyásolhatja a járművek stabilitását.
4.2.6.2.1. Az elhaladó vonatok miatt a peronon tartózkodó utasokat és a vágány mentén dolgozókat érő légörvényhatás
(1) A Vtr,ref referenciasebességen nyílt terepen haladó, Vtr,max > 160 km/h legnagyobb tervezési sebességű egységek elhaladása következtében a levegő sebessége a J-1. függelék 49. hivatkozásában említett előírásban meghatározott egyetlen mérési ponton sem haladhatja meg az említett előírásban meghatározott U95 %,max értéket.
(2) Az 1 524 mm és 1 668 mm nyomtávú hálózaton történő üzemre tervezett egységek esetében a J-1. függelék 49. hivatkozásában említett előírás szerinti paraméterekre vonatkozó alábbi 4. táblázatban megadott megfelelő értékek alkalmazandók:
4. táblázat
Határértékekre vonatkozó kritériumok
| Nyomtáv (mm) | Legnagyobb tervezési sebesség, vtr,max (km/h) | Mérési pont | A levegő megengedett legnagyobb sebessége (az u95 %,max határértékei (m/s)) | Referenciasebesség, vtr,ref (km/h) | |
| A mérés helyének sínkorona feletti magassága | A mérés helyének vágánytengelytől való távolsága | ||||
| 1 524 | 160 < vtr,max < 250 | 0,2 m | 3,0 m | 22,5 | Legnagyobb tervezési sebesség |
| 1,4 m | 3,0 m | 18 | 200 km/h vagy a legnagyobb tervezési sebesség, ha az alacsonyabb | ||
| 1 668 | 160 < vtr,max < 250 | 0,2 m | 3,1 m | 20 | Legnagyobb tervezési sebesség |
| 1,4 m | 3,1 m | 15,5 | 200 km/h vagy a legnagyobb tervezési sebesség, ha az alacsonyabb | ||
| 250 ≤ vtr,max | 0,2 m | 3,1 m | 22 | 300 km/h vagy a legnagyobb tervezési sebesség, ha az alacsonyabb | |
| 1,4 m | 3,1 m | 15,5 | 200 km/h | ||
(3) A J-1. függelék 49. hivatkozásában említett előírás határozza meg a következőket:
- a vizsgálandó referenciavonatot fix/előre meghatározott összeállításokra, illetve az általános üzemre alkalmasként értékelt egységeket;
- a vizsgálandó összeállítást a vezetőállással felszerelt egyetlen egységekre.
(4) A megfelelőségértékelési eljárást ezen ÁME 6.2.3.13. pontja ismerteti.
4.2.6.2.2. Légnyomásimpulzus
(1) Két vonat egymás melletti elhaladása mindkét vonatra nézve aerodinamikai terheléssel jár. A nyílt terepi légörvényhatásra vonatkozó alábbi követelmény lehetővé teszi a két vonat nyílt pályán történő elhaladása közben fellépő aerodinamikai terhelés határértékének meghatározását, figyelembe véve azon pálya vágánytengelyei közötti távolságot, amelyen a vonatot üzemeltetni fogják.
A vágánytengelyek közötti távolság a vonal sebességétől és nyomtávjától függ. A vágánytengelyek közötti, sebességtől és nyomtávtól függő távolság minimumértékeit a vasúti infrastruktúrára vonatkozó ÁME határozza meg.
(2) A Vtr,ref referenciasebességen, 1 435 mm nyomtávon, nyílt terepen haladó, 160 km/h-t meghaladó legnagyobb tervezési sebességű egységek elhaladása következtében a két csúcsérték közötti legnagyobb nyomásváltozás nem haladhatja meg a J-1. függelék 49. hivatkozásában említett előírásban meghatározott legnagyobb megengedett nyomásváltozást a szóban forgó előírásban meghatározott mérési pozíciókban.
(3) Az 1 524 mm és 1 668 mm nyomtávú hálózaton történő üzemre tervezett egységek esetében a J-1. függelék 49. hivatkozásában említett előírás szerinti paraméterekre vonatkozó alábbi 4a. táblázatban megadott megfelelő értékek alkalmazandók:
4a. táblázat
Határértékekre vonatkozó kritériumok
| Nyomtáv | Legnagyobb tervezési sebesség, vtr,max (km/h) | Mérési pont | Megengedett nyomásváltozás, (Δp95 %,max) | Referenciasebesség, vtr,ref (km/h) | |
| A mérés helyének sínkorona feletti magassága | A mérés helyének vágánytengelytől való távolsága | ||||
| 1 524 mm | 160 < vtr,max < 250 | 1,5 m és 3,0 m között | 2,5 m | 1 600 Pa | Legnagyobb tervezési sebesség |
| 1 668 mm | 160 < vtr,max < 250 | 1,5 m és 3,0 m között | 2,6 m | 800 Pa | Legnagyobb tervezési sebesség |
| 250 ≤ vtr,max | 1,5 m és 3,0 m között | 2,6 m | 800 Pa | 250 km/h | |
(4) Az alábbiakban a különféle vasútijármű-típusok tekintetében ellenőrizendő összeállítás meghatározására kerül sor:
- fix vagy előre meghatározott összeállításban értékelt egység,
- a fix összeállítás egyetlen egysége vagy az előre meghatározott összeállítás bármely formája,
- az általános üzemre értékelt egységek tekintetében (a vonat-összeállítás a tervezési szakaszban nincs meghatározva),
- a vezetőfülkével rendelkező egységeket külön kell értékelni,
- más egységek esetében a követelmény nem alkalmazandó.
(5) A megfelelőségértékelési eljárást ezen ÁME 6.2.3.14. pontja ismerteti.
4.2.6.2.3. Maximális nyomásingadozás alagutakban
(1) A legalább 200 km/h legnagyobb tervezési sebességű egységeket úgy kell aerodinamikailag megtervezni, hogy a vonatsebesség és az alagút-keresztmetszet adott kombinációja (referenciaeset) esetében a jellemző nyomásingadozásra vonatkozó követelmények egyszerű, vízszintes, csőszerű (akna stb. nélküli) alagútban egyedül közlekedő vonatra vonatkozóan teljesüljenek a J-1. függelék 50. hivatkozásában meghatározottak szerint.
(2) A különféle járműtípusok tekintetében vizsgálattal ellenőrizendő referenciavonatok az alábbiak:
i. fix vagy előre meghatározott összeállításban értékelt egység tekintetében: az értékelést a J-1. függelék 50. hivatkozásában említett előírással összhangban kell elvégezni;
ii. az általános üzemre értékelt és vezetőfülkével rendelkező egységek tekintetében (a vonat-összeállítás a tervezési fázisban nincs meghatározva): az értékelést a J-1. függelék 50. hivatkozásában említett előírással összhangban kell elvégezni;
iii. más egységek (általános üzemre szánt kocsik): az értékelést a J-1. függelék 50. hivatkozásában említett előírással összhangban kell elvégezni;
(3) A megfelelőségértékelési eljárást a 6.2.3.15. pont ismerteti.
4.2.6.2.4. Oldalszél
(1) Ez a követelmény a 140 km/h feletti legnagyobb tervezési sebességű egységekre vonatkozik.
(2) A 250 km/h-nál alacsonyabb legnagyobb tervezési sebességű egységek esetében a legérzékenyebb jármű jellemző szélgörbéjét (CWC) a J-1. függelék 19. hivatkozásában említett előírásnak megfelelően kell meghatározni.
(3) A 250 km/h vagy azt meghaladó legnagyobb tervezési sebességű egységeknél meg kell határozni az oldalszél hatását és annak meg kell felelnie a J-1. függelék 19. hivatkozásában említett előírásnak.
(4) Az értékelt egység legérzékenyebb járművének kiszámított jellemző szélgörbéjét fel kell tüntetni a 4.2.12. pontban említett műszaki dokumentációban.
4.2.6.2.5. Zúzottkő-ágyazatú vágányokat érő aerodinamikai hatás
(1) Ez a követelmény a 250 km/h feletti legnagyobb tervezési sebességű egységekre vonatkozik.
(2) A vonatoknak a zúzottkő-ágyazatú vágányokra gyakorolt aerodinamikai hatásával kapcsolatos követelmény, mely a zúzott kő felverődéséből adódó kockázatok korlátok közé szorítására hivatott, nyitott kérdés.
4.2.7. Külső világítás, valamint fény- és hangjelző eszközök
4.2.7.1. Külső világítás
(1) Külső fény vagy megvilágítás céljából zöld színű fény nem használható a rögzített jelzésekkel való összetévesztés megelőzése érdekében.
(2) Ez a követelmény nem vonatkozik az utasajtók vezérlésére szolgáló (nem folyamatosan világító) nyomógombok 100 cd alatti fényerejű jelzőlámpáira.
4.2.7.1.1. Fényszórók
(1) Ez a pont vezetőfülkével rendelkező egységekre vonatkozik.
(2) A vonat elejét két fehér fényű fényszóróval kell ellátni, amely megfelelő látási viszonyokat biztosít a mozdonyvezető számára.
(3) A fényszórókat a következő módon kell elhelyezni:
- a sín szintje felett azonos, középpontjukkal a sín fölött 1 500 és 2 000 mm közötti magasságban,
- a vágány középvonalára szimmetrikusan és középpontjuk között legalább 1 000 mm-es távolságra.
(4) A fényszórók színének összhangban kell lennie a J-1. függelék 20. hivatkozásában említett előírásban megadott értékekkel.
(5) A fényszóróknak "tompított fényszóró" és "távolsági fényszóró" üzemű fényerősséggel kell működniük.
A tompított fényszóró optikai tengelye mentén mért fényerősségnek mindkét üzemben meg kell felelnie a J-1. függelék 20. hivatkozásában említett előírásban meghatározott értékeknek.
(6) Amennyiben a fényszórók beszerelésére a J-1. függelék 20. hivatkozásában említett előírás szerint kerül sor, a fényszórókat úgy kell beépíteni, hogy karbantartás során optikai tengelyük állítható legyen.
(7) További fényszórók is felszerelhetőek (például felső fényszórók). Ezeknek meg kell felelniük az e pontban korábban meghatározott követelményeknek a fényszórók színére vonatkozóan.
Megjegyzés: Nem kötelező további fényszórókat beszerelni; azok használatára üzemi szintű korlátozások vonatkozhatnak.
4.2.7.1.2. Helyzetjelző lámpák
(1) Ez a pont vezetőfülkével rendelkező egységekre vonatkozik.
(2) A vonat elején három fehér helyzetjelző lámpát kell elhelyezni a vonat láthatóságának biztosítása érdekében.
(3) A két alsó helyzetjelző lámpát a következő módon kell elhelyezni:
- a sín szintje felett azonos, középpontjukkal a sín fölött 1 500 és 2 000 mm közötti magasságban,
- a vágány középvonalára szimmetrikusan és középpontjuk között legalább 1 000 mm-es távolságra.
(4) A harmadik helyzetjelző lámpát a két alsó lámpa fölött középen, középvonaluk közötti legalább 600 mm függőleges térközzel kell elhelyezni.
(5) Fényszóróként és helyzetjelzőként beépíthető ugyanaz a típusú alkatrész.
(6) A J-1. függelék 20. hivatkozásában említett előírás határozza meg a következő jellemzőket:
a) a helyzetjelző lámpák színe;
b) a helyzetjelző lámpákból kiszűrődő fény spektrális sugáreloszlása;
c) a helyzetjelző lámpák fényerőssége.
(7) Amennyiben a helyzetjelző lámpák beszerelésére a J-1. függelék 20. hivatkozásában említett előírás szerint kerül sor, a helyzetjelző lámpákat úgy kell beépíteni, hogy karbantartás során optikai tengelyük állítható legyen.
4.2.7.1.3. Zárjelző lámpák
(1) A vonatok végén üzemeltetni kívánt egységen két vörös fényű zárjelző lámpát kell elhelyezni a vonat láthatóságának biztosítása érdekében.
(2) Az általános üzemre értékelt, vezetőfülke nélküli egységek esetében a lámpák lehetnek hordozható lámpák. Ebben az esetben a hordozható lámpának meg kell felelnie a teheráru-szállító kocsikra vonatkozó ÁME E. függelékének, és a funkciót alkatrészszinten ("hordozható zárjelző lámpa" kölcsönös átjárhatóságot biztosító rendszerelem) konstrukciós és típusvizsgálattal kell igazolni; ugyanakkor nem szükséges hordozható lámpákat biztosítani.
(3) A zárjelző lámpákat a következő módon kell elhelyezni:
- a sín szintje felett azonos, középpontjukkal a sín fölött 1 500 és 2 000 mm közötti magasságban,
- a vágány középvonalára szimmetrikusan és középpontjuk között legalább 1 000 mm-es távolságra.
(4) A J-1. függelék 20. hivatkozásában említett előírás határozza meg a következő jellemzőket:
a) a zárjelző lámpák színe;
b) a zárjelző lámpák fényerőssége.
(5) A zárjelző lámpák fényerősségének összhangban kell lennie a J-1. függelék 40. hivatkozásában említett előírás 5.5.4. pontjának 8. táblázatában megadott előírásokkal.
4.2.7.1.4. A lámpák vezérlőszervei
(1) Ez a pont a vezetőfülkével felszerelt egységekre vonatkozik.
(2) A mozdonyvezetőnek el kell tudnia végezni a következő műveleteket:
- a fényszórók és a helyzetjelző lámpák szokásos vezetési helyzetből történő vezérlése,
- a zárjelző lámpák vezetőfülkéből történő vezérlése.
A vezérlés történhet egyetlen utasítással vagy több utasítás kombinációjával.
(3) A 7.3.2.8.a. pontban említett egy vagy több hálózaton történő üzemre szánt egységeken biztosítani kell, hogy a mozdonyvezető a fényszórókat automatikus villogó/felvillanó üzemmódban használhassa, valamint hogy a funkciót le tudja tiltani. A villogó/felvillanó üzemmód jellemzői nem köthetők feltételként a hálózathoz való hozzáféréshez.
(4) A fényszórók villogó/felvillanó üzemmódjának bekapcsolására és letiltására szolgáló vezérlőszerveket fel kell tüntetni a 4.2.12.2. pontban meghatározott műszaki dokumentációban.
4.2.7.2. Kürt (hangjelző eszköz)
4.2.7.2.1. Általános előírások
(1) Ez a pont vezetőfülkével rendelkező egységekre vonatkozik.
(2) A vonatokat hallhatóságuk érdekében kürttel kell felszerelni.
(3) A jelzőkürtök hangjának jellegéből adódóan felismerhetően a vonatból kell származnia, és nem hasonlíthat a közúti közlekedésben, gyárakban használt jelzőeszközök vagy más általános jelzőeszközök hangjára. A jelzőkürtök működtetésekor az alábbiak közül legalább az egyik típusú jelzőhangnak megkülönböztethető módon hallhatónak kell lennie:
- 1. hangjelzés : a megszólaltatott dallam alapfrekvenciája 660 Hz ± 30 Hz (magas dallam),
- 2. hangjelzés : a megszólaltatott dallam alapfrekvenciája 370 Hz ± 20 Hz (mély dallam).
(4) Ha a fentieken kívül igény szerint további (külön vagy kombinált) jelzőhangot biztosítanak a vonaton, azok hangnyomásszintje nem haladhatja meg a 4.2.7.2.2. pontban meghatározott értéket.
Megjegyzés: Használatukra üzemeltetési szintű korlátozások vonatkozhatnak.
4.2.7.2.2. A jelzőkürt hangnyomásszintjei
(1) Az egységbe beépített külön vagy együtt (ha úgy tervezték, hogy hangzatban együtt szólaljon meg) megszólaltatott kürtök által keltett C súlyozott hangnyomásszintnek meg kell egyeznie a J-1. függelék 21. hivatkozásában említett előírásban meghatározott értékkel.
(2) A megfelelőségértékelési eljárást a 6.2.3.17. pont határozza meg.
4.2.7.2.3. Védelem
(1) A jelzőkürtöket és azok vezérlőrendszereit úgy kell kialakítani vagy védeni, hogy a levegőben szálló objektumok, például törmelék, por, hó, jégeső vagy madarak által okozott ütések vagy elzáródás ellenére működőképesek legyenek.
4.2.7.2.4. A kürt vezérlőszerve
(1) A mozdonyvezetőnek az ÁME 4.2.9. pontjában meghatározott valamennyi vezetési helyzetből tudnia kell üzemeltetni a hangjelző eszközt.
4.2.8. Vontatási és elektromos berendezések
4.2.8.1. Vontatási teljesítmény
4.2.8.1.1. Általános előírások
(1) A vonat vontatórendszere biztosítja, hogy a vonat a legnagyobb sebességéig terjedő különféle sebességeken üzemeltethető legyen. A vontatási teljesítményt befolyásoló elsődleges tényezők: a vonóerő, a vonat összeállítása és tömege, a tapadás, a vágány lejtési szöge és a vonat menetellenállása.
(2) A különböző vonat-összeállításokban üzemeltetett és vonóerő kifejtésére képes egységek egyéni teljesítményét úgy kell meghatározni, hogy abból származtatható legyen a vonat összesített vontatási teljesítménye.
(3) A vontatási teljesítményt a legnagyobb üzemi sebesség és a vonóerőprofil (a nyomkarimára ható erő = F(sebesség)) jellemzi.
(4) Az egységet menetellenállása és tömege jellemzi.
(5) A legnagyobb üzemi sebesség, a vonóerőprofil és a menetellenállás szükséges az adott vonal általános forgalmához összeállított, a vonat forgalomba helyezését lehetővé tevő menetrend meghatározásához, és ezek a jellemzők az egység ezen ÁME 4.2.12.2. pontjában ismertetett műszaki dokumentációjának részét képezik.
4.2.8.1.2. Teljesítménykövetelmények
(1) Ez a pont saját gépészeti berendezése révén vonóerő kifejtésre alkalmas egységekre vonatkozik.
(2) Az egység vonóerőprofiljait (a nyomkarimára ható erő = F(sebesség)) számítással kell meghatározni; az egység menetellenállását a 4.2.2.10. pontban meghatározott "tervezési tömeg átlagos hasznos teher mellett" terhelési körülményre vonatkozó számítással kell meghatározni.
(3) Az egység vonóerőprofiljait és menetellenállását fel kell tüntetni a műszaki dokumentációban (lásd a 4.2.12.2. pontot).
(4) A legnagyobb tervezési sebességet a "tervezési tömeg átlagos hasznos teher mellett" terhelési körülmény esetében vízszintes vágányra kell meghatározni; a 60 km/h-t meghaladó legnagyobb tervezési sebességnek 5 km/h-val oszthatónak kell lennie.
(5) A fix vagy előre meghatározott összeállításban, legnagyobb tervezési sebességen és vízszintes vágányon értékelt egységek esetében az egységnek a "tervezési tömeg átlagos hasznos teher mellett" terhelési körülmény mellett továbbra is legalább 0,05 m/s2 értékkel kell gyorsulnia. Ez a követelmény, melyet számítással vagy vizsgálattal (gyorsulásméréssel) lehet igazolni, a 350 km/h legnagyobb tervezési sebességig alkalmazható.
(6) A fékezés esetén szükséges vonóerő kiiktatásra vonatkozó követelményeket a 4.2.4. pont határozza meg.
(7) A vontatási funkció fedélzeti tűz esetén való rendelkezésre állására vonatkozó követelményeket a 4.2.10.4.4. pont határozza meg.
(8) Az egységeken a fedélzeti ETCS kapcsolódási pontokra és telepített ETCS esetén a vonat "vonóerő kiiktatása" interfész funkciójára vonatkozó követelményeket a J-2. függelék B. hivatkozásában említett előírás határozza meg.
További követelmények azon fix vagy előre meghatározott összeállításban értékelt egységek esetében, amelyek legnagyobb tervezési sebessége legalább 250 km/h:
(9) Az átlagos gyorsulásnak vízszintes vágányon "tervezési tömeg átlagos hasznos teher mellett" terhelési körülmény esetében legalább a következőnek kell lennie:
- 0,40 m/s2 0 km/h-ról 40 km/h sebességre,
- 0,32 m/s2 0 km/h-ról 120 km/h sebességre,
- 0,17 m/s2 0 km/h-ról 160 km/h sebességre.
Ezt a követelményt csak számítással vagy számítással kombinált vizsgálattal (gyorsulásmérés) lehet igazolni.
(10) A vontatórendszer tervezésekor legfeljebb a következő értékek alkalmazhatók a kerék és a sín közötti tapadásra vonatkozóan:
- 0,30 induláskor és igen alacsony sebességnél,
- 0,275 100 km/h sebességnél,
- 0,19 200 km/h sebességnél,
- 0,10 300 km/h sebességnél.
(11) A meghajtóberendezés vontatási képességet érintő egyszeri meghibásodása az egység vontatóerejét legfeljebb az értéke 50 %-ával csökkentheti.
4.2.8.2. Energiaellátás
4.2.8.2.1. Általános előírások
(1) Ez a pont a járművekre vonatkozó követelményekkel és az energiaellátási alrendszer kapcsolódási pontjaira vonatkozó követelményekkel foglalkozik, ennélfogva villamos egységekre alkalmazandó.
(2) Az energiaellátási alrendszerre vonatkozó ÁME a következő energiarendszereket határozza meg: 25 kV-os 50 Hz-es váltakozó áramú rendszer, 15 kV-os 16,7 Hz-es váltakozó áramú rendszer, valamint 3 kV-os és 1,5 kV-os egyenáramú rendszer. Az alábbiakban meghatározott követelmények és a szabványokra való hivatkozások ezért csak erre a négy rendszerre vonatkoznak.
4.2.8.2.2. Feszültség- és frekvenciatartományon belüli üzem
(1) A villamos egységeknek alkalmasnak kell lenniük az energia alrendszerre vonatkozó ÁME 4.2.3. pontjában és a J-1. függelék 69. hivatkozásában meghatározott feszültség- és frekvenciatartományok legalább egyikén üzemelő rendszerben való működésre.
(2) A vonal tényleges feszültségértékének rendelkezésre kell állnia a vezetésre előkészített vezetőfülkében.
(3) A vasúti jármű tervezési rendszerfeszültségét és -frekvenciáját fel kell tüntetni az ÁME 4.2.12.2. pontjában meghatározott műszaki dokumentációban.
4.2.8.2.3. A felsővezetékbe energia visszatáplálására alkalmas visszatápláló fék
(1) A felsővezetékbe villamos energiát visszatápláló fékezési üzemű villamos egységeknek meg kell felelniük a J-1. függelék 22. hivatkozásában említett előírásoknak.
4.2.8.2.4. A felsővezetékről felvehető legnagyobb teljesítmény és áramerősség
(1) A 2 MW-os teljesítmény feletti villamos egységeket (beleértve a fix vagy előre meghatározott összeállításokat is) fel kell szerelni energia- vagy áramkorlátozó funkcióval. A többes üzemben való használatra szánt egységekre vonatkozóan a követelmény akkor alkalmazandó, ha egyetlen vonat - maximális számú egység csatlakoztatása mellett - 2 MW-nál nagyobb összteljesítménnyel rendelkezik.
(2) A villamos egységeket a feszültség függvényében működő automatikus szabályozóval kell ellátni, amely lehetővé teszi az áramerősségnek a J-1. függelék 22. hivatkozásában említett előírásban meghatározott "feszültséghez viszonyított legnagyobb áramerősség vagy teljesítmény" értékre történő korlátozását.
Kevésbé megszorító korlátozás (az "a" együttható alacsonyabb értéke) használható egy adott hálózat vagy vonal üzemeltetési szintjén a pályahálózat-működtetővel való megállapodás alapján.
(3) A fentiekben értékelt legnagyobb áramerősséget (a névleges áramerősséget) fel kell tüntetni a 4.2.12.2. pontban meghatározott műszaki dokumentációban.
(4) Az egységeken a fedélzeti ETCS kapcsolódási pontokra és telepített ETCS esetén a vonat "megengedett áramfelvétel módosítása" interfész funkciójára vonatkozó követelményeket a J-2. függelék B. hivatkozásában említett előírás határozza meg. A megengedett áramfelvételre vonatkozó információ beérkezésekor:
- a teljesítmény- vagy áramerősség-korlátozó funkcióval felszerelt egységeknél a berendezés automatikusan módosítja az energiafogyasztást;
- a teljesítmény- vagy áramerősség-korlátozó funkcióval nem rendelkező egységeknél a fedélzeti kijelzőn meg kell jeleníteni a megengedett áramfelvételre vonatkozó információkat annak érdekében, hogy a mozdonyvezető beavatkozhasson a műveletekbe.
A vasúti jármű automatikus vagy manuális vezérlés szerinti beállítását fel kell tüntetni a 4.2.12.2. pontban meghatározott műszaki dokumentációban.
4.2.8.2.5. Legnagyobb áramfelvétel álló helyzetben
(1) Az egyenáramú és váltakozó áramú rendszerek esetében az álló vonat áramszedői által felvett legnagyobb teljesítményértékeket a J-1. függelék 24. hivatkozásában említett előírás határozza meg.
(2) Egyenáramú rendszerek esetében ki kell számítani az álló jármű áramszedői által felvett legnagyobb teljesítményértékeket, amelyeket méréssel kell ellenőrizni a 6.1.3.7. pontban foglaltaknak megfelelően. Váltakozó áramú rendszerek esetében az álló helyzetben felvett teljesítményértéket nem szükséges ellenőrizni, mivel az áramfelvétel alacsonyabb és a munkavezeték melegedése szempontjából nem kritikus mértékű.
(3) Vontatás céljából elektromosenergia-tárolóval felszerelt vonatok esetében:
- Egyenáramú rendszerek esetében az álló jármű áramszedői által felvett legnagyobb teljesítményértéket csak a vontatásra szolgáló elektromosenergia-tároló feltöltése érdekében, engedélyezett helyszíneken és a vasúti infrastruktúra-nyilvántartásban meghatározott egyedi feltételek mellett lehet túllépni. Kizárólag ebben az esetben lehet az egység számára lehetővé tenni, hogy egyenáramú rendszerek esetében az álló helyzetben felvett legnagyobb teljesítményhez képest nagyobb kapacitást aktiváljon.
- Az értékelési módszer, beleértve a mérési feltételeket is, nyitott kérdés.
(4) Egyenáramú rendszerek esetében a munkavezeték anyagára vonatkozó mért értéket és mérési feltételeket, valamint - vontatás céljából elektromosenergia-tárolóval felszerelt vonatok esetében - az elektromosenergia-tároló üzemeltetési dokumentációját fel kell tüntetni a 4.2.12.2. pontban meghatározott műszaki dokumentációban.
4.2.8.2.6. Teljesítménytényező
(1) A vonat teljesítménytényező-tervezési adatait (több egységnek a 2.2. pontban meghatározott többes üzemére vonatkozóan is) számítással kell igazolni a J-1. függelék 22. hivatkozásában említett előírásban meghatározott elfogadási kritériumok ellenőrzése érdekében.
4.2.8.2.7. Felharmonikus és dinamikus hatások váltakozó áramú rendszerek esetében
(1) A villamos egységnek meg kell felelnie a J-1. függelék 22. hivatkozásában említett előírás követelményeinek.
(2) A figyelembe vett feltételezéseket és adatokat fel kell tüntetni a műszaki dokumentációban (lásd a 4.2.12.2. pontot).
4.2.8.2.8. Fedélzeti villamosenergiafogyasztás-mérő rendszer
4.2.8.2.8.1. Általános előírások
(1) A fedélzeti villamosenergiafogyasztás-mérő rendszer (EMS) minden, a villamos egység által a felsővezetékből felvett vagy abba (visszatápláló fékezés során) visszavezetett villamos energia - hatásos és meddő teljesítmény - mérésére szolgál.
(2) Az EMS-nek legalább az alábbi funkciókat kell tartalmaznia: Villamosenergiafogyasztás-mérési funkció (EMF) a 4.2.8.2.8.2. pontban meghatározottak szerint és adatkezelő rendszer (DHS) a 4.2.8.2.8.3. pontban meghatározottak szerint.
(3) Az összesített energiafogyasztás-számlázási adatkészleteket (CEBD) egy megfelelő kommunikációs rendszer továbbítja egy pálya menti adatgyűjtő rendszerhez (DCS). Az EMS és DCS közötti interfészprotokolloknak, valamint a továbbított adatok formátumának meg kell felelnie a 4.2.8.2.8.4. pontban meghatározott követelményeknek.
(4) A fedélzeti villamosenergiafogyasztás-mérő rendszer alkalmas számlázási célokra; az e rendszer által rögzített, a 4.2.8.2.8.3. (4) pontban meghatározott adatkészleteket valamennyi tagállamban el kell fogadni számlázási célokból.
(5) A villamosenergiafogyasztás-mérő névleges teljesítményének és feszültségének meg kell felelnie a villamos egység névleges teljesítményének és feszültségének; több vontatási energiaellátó rendszer közötti váltáskor továbbra is helyesen kell működnie.
(6) Az EMS-ben tárolt adatokat védeni kell az áramellátás megszűnésével szemben, és az EMS-t védeni kell a nem engedélyezett hozzáféréstől.
(7) A DHS-nek külső forrásból származó helyadatokat továbbító fedélzeti helymeghatározó funkciót kell biztosítani azokban a hálózatokban, ahol ez a funkció számlázási célból szükséges. Az EMS-rendszernek minden esetben alkalmasnak kell lennie egy kompatibilis helymeghatározó funkció ellátására. A helymeghatározó funkció biztosítása esetén, annak meg kell felelnie a J-1. függelék 55. hivatkozásában említett előírásban meghatározott követelményeknek.
(8) Az EMS beszerelését és annak fedélzeti helyzetmeghatározó funkcióját, a fedélzet-föld közötti kommunikáció és a metrológiai ellenőrzés - beleértve az EMF pontossági osztályát is - ismertetését fel kell tüntetni a 4.2.12.2. pontban említett műszaki dokumentációban.
(9) A 4.2.12.3. pontban ismertetett karbantartási dokumentációnak része az időszaki hitelesítési eljárás, amely biztosítja az EMS szükséges pontosságát a rendszer teljes élettartama során.
4.2.8.2.8.2. Energiafogyasztás-mérési funkció (EMF)
(1) Az EMF biztosítja a feszültség és az áramerősség mérését, a fogyasztás kiszámítását és a fogyasztásra vonatkozó adatok létrehozását.
(2) A villamosenergiafogyasztás-mérő funkció által generált energiaadatoknak egyezményes koordinált világidő (UTC) szerint meghatározott 5 perces időreferencia-időszakkal kell rendelkezniük minden egyes referencia-időszak végén, a 00:00:00 időbélyegzéstől kezdődően. Megengedett rövidebb mérési időszak használata, ha az adatok a járművön 5 perces referencia-időszakra összesíthetők.
(3) A hatásos villamosenergiafogyasztás-mérő funkciónak a J-1. függelék 56. hivatkozásában említett előírásban foglaltak szerinti pontossággal kell rendelkeznie.
(4) Minden olyan eszközön, amely egy vagy több villamosenergiafogyasztás-mérő funkciót tartalmaz, fel kell tüntetni: a metrológiai ellenőrzést, valamint a pontossági osztályát a J-1. függelék 56. hivatkozásában említett előírásban meghatározott besorolás szerint.
(5) A pontosságra vonatkozó megfelelőségértékelést a 6.2.3.19a. pont határozza meg.
(6) Abban az esetben, ha:
- meglévő járműre terveznek EMS-t beszerelni, vagy
- meglévő EMS-t (vagy annak egy részét) terveznek korszerűbbre cserélni,
valamint, ha az EMF részeként egy jármű meglévő elemeit használják, az (1)-(5) pontban említett követelményeket az áram- és feszültségmérésekre vonatkozóan csak a névleges hőmérsékleten érvényes hőhatás-tényező tekintetében kell alkalmazni, és elegendő csak a 20-120 %-os névleges teljesítménytartományra nézve ellenőrizni. A 4.2.12.2. pontban említett műszaki dokumentációban fel kell tüntetni:
- a fedélzeti villamosenergiafogyasztás-mérő rendszert alkotó elemek e korlátozott követelményrendszernek való megfelelésének jellemzőit, valamint
- az említett elemek használatára vonatkozó feltételeket.
4.2.8.2.8.3. Adatkezelő rendszer (DHS)
(1) A DHS a villamosenergiafogyasztás-mérési funkcióból származó adatoknak az időadatokkal és szükség esetén a földrajzi helyre vonatkozó adatokkal való összesítése és a kommunikációs rendszer által a pálya menti DCS-nek továbbítandó adatok tárolása révén biztosítja az összesített energiafogyasztás-számlázási adatok előállítását.
(2) Az adatkezelő rendszer összeállítja az adatokat azok torzítása nélkül, és legalább 60 napnyi folyamatos működés során összegyűjtött adatok tárolásához szükséges memóriakapacitással rendelkező adattárolási funkciót foglal magában. Az időreferencia megegyezik az EMF által használttal.
(3) A DHS-nek rendelkeznie kell helyben, a járművön történő lekérdezés lehetőségével ellenőrzés vagy az adatok visszaállítása céljából.
(4) A DHS összesített energiafogyasztás-számlázási adatkészleteket (CEBD) állít elő a következő adatok minden egyes referencia-időszakra történő összesítése révén:
- a J-1. függelék 57. hivatkozásában említett előírásokban meghatározott egyedi EMS fogyasztásipont-azonosító (CPId),
- az egyes időszakok záró időpontjai, év/hónap/nap/óra/perc/másodperc bontásban,
- helymeghatározó adatok minden egyes mérési időszak végén,
- az elfogyasztott/visszatáplált hatásos (és adott esetben meddő) energia mindegyik időszakaszban wattóra (hatásos energia) és var-óra (meddő energia) mértékegységben vagy azok decimális többszöröseiben.
(5) A DHS által előállított adatok összeállításának és kezelésének megfelelőségértékelését a 6.2.3.19a. pont határozza meg.
4.2.8.2.8.4. Az EMS és DCS közötti interfészprotokollok és a továbbított adatok formátuma
Az EMS és DCS közötti adatcserének a J-1. függelék 58. hivatkozásában említett előírásban meghatározott követelményeknek kell megfelelnie a következő jellemzők tekintetében:
(1) az EMS alkalmazási szolgáltatásai (szolgáltatási szint),
(2) ezen alkalmazási szolgáltatások felhasználói jogosultságai,
(3) ezen alkalmazási szolgáltatások felépítése (adatszint), amelyet a meghatározott XML-sémának megfelelően kell kialakítani,
(4) az ezen alkalmazási szolgáltatásokat támogató üzenetküldési mechanizmus (üzenetküldési szint), amelyet a meghatározott módszereknek és XML-sémának megfelelően kell kialakítani,
(5) az üzenetküldési mechanizmusokat támogató alkalmazási protokollok.
(6) kommunikációs architektúrák: az EMS-nek legalább az egyiket kell használnia.
4.2.8.2.9. Az áramszedőre vonatkozó követelmények
4.2.8.2.9.1. Működési tartomány az áramszedő magasságában
4.2.8.2.9.1.1. A munkavezetékekkel való érintkezési magasság (a vasúti jármű szintjén)
A villamos egységre felszerelt áramszedőnek az alábbi magasságok közötti munkavezetékek legalább egyikével mechanikailag érintkeznie kell:
(1) GC űrszelvény szerint tervezett vágányok esetében a sínkorona-szint felett 4 800 mm-re és 6 500 mm-re található munkavezetékek;
(2) GA/GB űrszelvény szerint tervezett vágányok esetében a sínkorona-szint felett 4 500 mm-re és 6 500 mm-re található munkavezetékek;
(3) T űrszelvény (1 520 mm-es nyomtávrendszer) szerint tervezett vágányok esetében a sínkorona-szint felett 5 550 mm-re és 6 800 mm-re található munkavezetékek;
(4) FIN1 űrszelvény (1 524 mm-es nyomtávrendszer) szerint tervezett vágányok esetében a sínkorona-szint felett 5 600 mm-re és 6 600 mm-re található munkavezetékek.
(5) IRL űrszelvény (1 600 mm-es nyomtávrendszer) szerint, az 1 500 V-os egyenáramú rendszeren való közlekedésre tervezett villamos egységek esetében a sínkorona-szint felett 4 190 mm-re és 5 700 mm-re található munkavezetékek.
Megjegyzés: Az áramszedés ellenőrzése - a vizsgálathoz a munkavezeték-magasságot is meghatározva - ezen ÁME 6.1.3.7. és 6.2.3.21. pontja szerint történik. Feltételezhető azonban, hogy alacsony sebességnél a vonat áramszedője a fent meghatározott bármely magasságú munkavezetékről képes áramot gyűjteni.
4.2.8.2.9.1.2. Működési tartomány az áramszedő magasságában (kölcsönös átjárhatóságot lehetővé tevő rendszerelem szinten)
(1) Az áramszedőknek legalább 2 000 mm-es üzemi tartománnyal kell rendelkezniük.
(2) Az ellenőrizendő jellemzőknek meg kell felelniük a J-1. függelék 23. hivatkozásában említett előírásoknak.
4.2.8.2.9.2. Az áramszedőfej geometriája (kölcsönös átjárhatóságot lehetővé tevő rendszerelem szinten)
(1) A nem 1 520 mm-es vagy 1 600 mm-es rendszeren való üzemre tervezett villamos egységre felszerelendő áramszedő(k) legalább egyikének a 4.2.8.2.9.2.1. és a 4.2.8.2.9.2.2. pontban megadott áramszedőfej-geometriának megfelelő geometriatípussal kell rendelkeznie.
(2) A kizárólag 1 520 mm-es rendszeren való üzemre tervezett villamos egységre felszerelendő áramszedő(k) legalább egyikének a 4.2.8.2.9.2.1., a 4.2.8.2.9.2.2. és a 4.2.8.2.9.2.3. pontban megadott háromféle áramszedőfej-geometria egyikének megfelelő geometriatípussal kell rendelkeznie.
(2a) A kizárólag 1 600 mm-es rendszeren való üzemre tervezett villamos egységre felszerelendő áramszedők legalább egyikének a 4.2.8.9.2.3a. pontban megadott áramszedőfej-geometriának megfelelő geometriatípussal kell rendelkeznie.
(3) A villamos egységre felszerelt áramszedőfej-geometriai típus(oka)t fel kell tüntetni az ÁME 4.2.12.2. pontjában meghatározott műszaki dokumentációban.
(4) Az áramszedőfej szélessége nem haladhatja meg a 0,65 métert.
(5) A független felfüggesztéssel rendelkező csúszóbetétekkel felszerelt áramszedőfejeknek meg kell felelniük a J-1. függelék 24. hivatkozásában említett előírásoknak.
(6) A munkavezeték és az áramszedőfej közötti érintkezés a csúszóbetéteken kívül és a teljes áramvezetési tartományon belül is megengedett korlátozott vonalszakaszokon és kedvezőtlen körülmények között, például ha erős szélben kibillen a jármű.
Az áramszedőfej-vezetési tartomány és a csúszóbetét minimális hossza az alábbiakban az áramszedőfej geometriájának a részeként kerül meghatározásra.
4.2.8.2.9.2.1. 1 600 mm hosszúságú áramszedőfej geometriája
(1) Az áramszedőfej geometriáját a J-1. függelék 24. hivatkozásában említett előírásokban kell ábrázolni.
4.2.8.2.9.2.2. 1 950 mm hosszúságú áramszedőfej geometriája
(1) Az áramszedőfej geometriáját a J-1. függelék 24. hivatkozásában említett előírásokban kell ábrázolni.
(2) Az áramszedő szarvai készülhetnek szigetelt és nem szigetelt anyagokból is.
4.2.8.2.9.2.3. 2 000 /2 260 mm hosszúságú áramszedőfej geometriája
(1) Az áramszedőfej profiljának meg kell felelnie az alábbi ábrán meghatározott profilnak:

4.2.8.2.9.3. 1 800 mm hosszúságú áramszedőfej geometriája
(1) Az áramszedőfej profiljának meg kell felelnie az alábbi ábrán meghatározott profilnak:

4.2.8.2.9. 3a Az áramszedő áramterhelhetősége (kölcsönös átjárhatóságot lehetővé tevő rendszerelem szinten)
(1) Az áramszedőket úgy kell megtervezni, hogy le tudják adni a (4.2.8.2.4. pontban meghatározott) névleges teljesítményt a villamos egységnek.
(2) Elemzéssel kell igazolni, hogy az áramszedő alkalmas a névleges teljesítmény leadására; az elemzésnek ki kell térnie a J-1. függelék 23. hivatkozásában említett előírás követelményeinek ellenőrzésére is.
(3) Az áramszedőket az álló helyzetben felvett legnagyobb áramerősségre kell tervezni a 4.2.8.2.5. pontban meghatározottak szerint.
4.2.8.2.9.4. Csúszóbetétek (kölcsönös átjárhatóságot lehetővé tevő rendszerelem szinten)
(1) A csúszóbetétek az áramszedőfej azon cserélhető részei, amelyek közvetlenül érintkeznek a munkavezetékkel.
4.2.8.2.9.4.1. A csúszóbetét geometriája
(1) A csúszóbetétek geometriájának illeszkednie kell a 4.2.8.2.9.2. pontban meghatározott áramszedőfej-geometriák egyikéhez.
4.2.8.2.9.4.2. A csúszóbetét anyaga
(1) A csúszóbetétekhez használt anyagnak a megfelelő áramfelvétel érdekében, és hogy így elkerülhető legyen a munkavezetékek felületének túlzott mértékű kopása, és ezáltal a minimumra csökkenjen mind a munkavezetékek, mind a csúszóbetétek kopása, mechanikailag és elektronikusan kompatibilisnek kell lennie a munkavezeték anyagával (amelyet a nagysebességű vasút energiaellátására vonatkozó ÁME 4.2.14. pontja határoz meg).
(2) A csúszóbetétek anyaga tiszta szén vagy adalékanyaggal átitatott szén lehet.
Fémes adalékanyag használata esetén a szén csúszóbetét fémtartalma réz vagy rézötvözet lehet, amelynek mennyisége váltóáramú vonalak esetében nem haladhatja meg a 35 tömegszázalékot, egyenáramú vonalak esetében pedig a 40 tömegszázalékot.
Az ezen ÁME szerint értékelt áramszedőket a fent említett anyagú csúszóbetétekkel kell felszerelni.
(3) Más anyagból készült vagy magasabb fémtartalmú, illetve rézzel burkolt impregnált szén csúszóbetétek is megengedettek (ha az infrastruktúra-nyilvántartásban megengedett), feltéve, hogy:
- azok és az esetleges korlátozásaik fel vannak tüntetve elismert szabványokban, vagy
- alkalmazhatósági vizsgálatot végeztek rajtuk (lásd a 6.1.3.8. pontot).
4.2.8.2.9.5. Az áramszedő statikus sarunyomása (kölcsönös átjárhatóságot lehetővé tevő rendszerelem szinten)
(1) A statikus sarunyomás az álló jármű áramszedőfeje által az áramszedőfej megemelt állapotában felfelé gyakorolt és az áramszedő-emelő berendezés által okozott függőleges sarunyomás.
(2) Az áramszedő munkavezetékre gyakorolt, az előbbiekben ismertetett statikus sarunyomásának (az áramszedő felhasználási területének megfelelően) állíthatónak kell lennie a következő tartományokon belül:
- 60-90 N váltakozó áramú rendszerek esetében,
- 90-120 N, 3 kV-os egyenáramú rendszerek esetében,
- 70-140 N, 1,5 kV-os egyenáramú rendszerek esetében.
4.2.8.2.9.6. Az áramszedő sarunyomása és dinamikai jellemzői
(1) Az Fm átlagos sarunyomás az áramszedő sarunyomásának statisztikai átlagértéke, amely a sarunyomás statikus és aerodinamikus összetevőiből, dinamikus korrekcióval számítható ki.
(2) Az átlagos sarunyomást befolyásoló tényezők: maga az áramszedő, amelynek vonatbeli pozíciója az áramszedő adott függőleges kinyúlásától függ, valamint a vasúti jármű, amelyre az áramszedőt felszerelték.
(3) A járművet és a járműre szerelt áramszedőt úgy kell kialakítani, hogy a kifejtett Fm átlagos sarunyomás az energia alrendszerre vonatkozó ÁME 4.2.11. pontjában meghatározott tartományba essen, és ily módon ívhúzás nélkül és a csúszóbetétek kopásának és sérülésének elkerülése érdekében biztosítsa az áramfelvétel szintjét. A sarunyomás kiigazítására a dinamikus vizsgálatok elvégzésekor kerül sor.
(3a) A jármű és a járműre szerelt áramszedő esetében nem léphető túl az emelés mértékére vonatkozó S0 határérték, illetve vagy a σmax standard eltérés vagy az ívhúzás százalékos aránya, az energia alrendszerre vonatkozó ÁME 4.2.12. pontjában meghatározottaknak megfelelően.
(4) A kölcsönös átjárhatóságot biztosító rendszerelem szintjén történő ellenőrzés validálja az áramszedő dinamikus viselkedését, valamint annak az ÁME-nak megfelelő felsővezetékből való áramfelvételi képességét; a megfelelőségértékelési eljárást a 6.1.3.7. pont határozza meg.
(5) A (vasúti járműbe integrált) vasútijármű-alrendszer szintjén történő ellenőrzésnek a vasúti jármű által keltett aerodinamikai hatásoknak és az áramszedő fix vagy előre meghatározott összeállítású egységeken való helyzetének figyelembevételével lehetővé kell tennie a sarunyomás kiigazítását; a megfelelőségértékelési eljárást a 6.2.3.20. pont határozza meg.
4.2.8.2.9.7. Az áramszedők elrendezése (a vasúti jármű szintjén)
(1) Egyidejűleg egynél több áramszedő érintkezhet a felsővezetékkel.
(2) Az áramszedők számát és azok egymástól való távolságát az áramszedési teljesítményre vonatkozó követelmények figyelembevételével kell megválasztani (a 4.2.8.2.9.6. pontban meghatározott előírások szerint).
(3) Amennyiben fix vagy előre meghatározott összeállításban értékelt egységek esetében az egymás melletti áramszedők közötti távolság kisebb, mint az energia alrendszerre vonatkozó ÁME 4.2.13. pontjában meghatározott, a kiválasztott felsővezetékek közötti távolságra vonatkozó térköztípus, illetve ha egyidejűleg kettőnél több áramszedő érintkezik a felsővezetékkel, vizsgálattal kell igazolni, hogy a 4.2.8.2.9.6. pontban meghatározott dinamikai jellemzők teljesülnek.
(4) Az egymás melletti áramszedők közötti távolságot, amelyet a jármű ellenőrzésekor alkalmaztak, fel kell tüntetni a műszaki dokumentációban (lásd a 4.2.12.2. pontot).
4.2.8.2.9.8. Fázis- vagy rendszerhatáron történő üzem (a vasúti jármű szintjén)
(1) A vonatokat úgy kell megtervezni, hogy alkalmasak legyenek egyik áramellátó rendszerről vagy fázisszakaszról a szomszédosra átváltani (az energia alrendszerre vonatkozó ÁME 4.2.15. és 4.2.16. pontjában ismertetettek szerint) anélkül, hogy áthidalnák bármelyik rendszert vagy fázishatárt.
(2) A többféle energiaellátó rendszerre tervezett villamos egységeknek rendszerhatárokon való áthaladáskor automatikusan fel kell ismerniük az áramszedőnél az energiaellátó rendszer feszültségét.
(3) Fázis- vagy rendszerhatáron való áthaladáskor lehetővé kell tenni, hogy a felsővezeték és az egység között az áramfelvétel nullára csökkenthető legyen. Az infrastruktúra-nyilvántartás ad tájékoztatást a rendszer vagy fázishatárokon történő áthaladáskor megengedett áramszedőhelyzetekről: ez lehet leengedett vagy felengedett (a megengedett áramszedő-elrendezés mellett).
(4) A legalább 250 km/h legnagyobb tervezési sebességű villamos egységeknek alkalmasnak kell lenniük a határ helye szerinti, talajról érkező adatok fogadására, és arra, hogy az ezt követő, az áramszedő és a főmegszakító vezérlésére vonatkozó utasításokat az egység automatikusan, a mozdonyvezető beavatkozása nélkül előállítsa.
(5) Az egységeken a fedélzeti ETCS kapcsolódási pontokra és telepített ETCS esetén a vonat "Vontatórendszer váltása, Teljesítményfelvétel nélküli szakasz leengedett áramszedővel - Pálya menti utasítások, Teljesítményfelvétel nélküli szakasz kikapcsolt főkapcsolóval - Pálya menti utasítások" interfész funkciójára vonatkozó követelményeket a J-2. függelék B. hivatkozásában említett előírás határozza meg, a 250 km/h alatti legnagyobb tervezési sebességű egységek esetében a rendszernek ezt követően nem kell automatikus utasításokat előállítania. A vasúti jármű automatikus vagy manuális vezérlés szerinti beállítását fel kell tüntetni a 4.2.12.2. pontban meghatározott műszaki dokumentációban.
(6) Az egységeken a fedélzeti ETCS kapcsolódási pontokra és telepített ETCS esetén a vonat "Főkapcsoló - STM-utasítások", "Áramszedő - STM-utasítások" interfész funkciójára vonatkozó követelményeket a J-2. függelék B. hivatkozásában említett előírás határozza meg. A 250 km/h alatti legnagyobb tervezési sebességű egységek esetében a rendszernek ezt követően nem kell automatikus utasításokat előállítania. A vasúti jármű automatikus vagy manuális vezérlés szerinti beállítását fel kell tüntetni a 4.2.12.2. pontban meghatározott műszaki dokumentációban.
4.2.8.2.9.9. Az áramszedő és a jármű közötti szigetelés (a vasúti jármű szintjén)
(1) Az áramszedőket úgy kell felszerelni a villamos egységre, hogy az áramszedőfejből a jármű berendezésébe jutó áram útja szigetelt legyen. A szigetelésnek valamennyi olyan rendszerfeszültség esetében megfelelőnek kell lennie, amelyre az egységet tervezték.
4.2.8.2.9.10. Az áramszedő leengedése (a vasúti jármű szintjén)
(1) A villamos egységnek a mozdonyvezető kezdeményezésére vagy az ellenőrző-irányító jelekre (ideértve a CCS-funkciót) adott válaszként le kell engednie az áramszedőt a J-1. függelék 23. hivatkozásában említett előírás követelményeinek megfelelő idő alatt (3 másodperc) és a J-1. függelék 26. hivatkozásában említett előírás szerinti dinamikus szigetelési távolságonként.
(2) Az áramszedőnek kevesebb mint 10 másodperc alatt kell leengedett állapotba kerülnie.
Az áramszedő leengedésekor a főmegszakítónak előzőleg automatikusan ki kell oldania.
(3) Ha a villamos egység olyan automatikus leengedő készülékkel van felszerelve, amely az áramszedőfej meghibásodása esetén leengedi az áramszedőt, akkor a leengedő készüléknek meg kell felelnie a J-1. függelék 23. hivatkozásában említett előírás követelményeinek.
(4) A 160 km/h feletti legnagyobb tervezési sebességű villamos egységeket fel kell szerelni automatikus leengedő készülékkel.
(5) A 120 km/h feletti legnagyobb tervezési sebességű villamos egységeket, amelyek működéséhez több áramszedőnek kell felemelt állásban lennie, fel kell szerelni automatikus leengedő készülékkel.
(6) Automatikus leengedő készülék más villamos egységek esetében is megengedett.
4.2.8.2.10. A vonat elektromos védelme
(1) A villamos egységeket védeni kell a belső (az egység belsejéből kiinduló) rövidzárlattól.
(2) A főmegszakítónak olyan helyen kell lennie, hogy védje a fedélzeti nagyfeszültségű áramköröket, ideértve a járművek közötti nagyfeszültségű csatlakozásokat. Az áramszedőnek, a főmegszakítónak és a közöttük lévő nagyfeszültségű csatlakozásnak ugyanazon a járművön kell lennie.
(3) A villamos egységeket saját védelemmel kell ellátni a rövid ideig tartó túlfeszültség, az ideiglenes túlfeszültség és a legnagyobb földzárlati hibaáram ellen. E követelmény teljesítése érdekében az elektromos védelem kialakításának meg kell felelnie a J-1. függelék 22. hivatkozásában említett előírásban meghatározott követelményeknek.
4.2.8.3. Szándékosan üresen hagyva
4.2.8.4. Elektromos veszélyekkel szembeni védelem
(1) A vasúti járművet és az áram alá helyezett alkatrészeit úgy kell kialakítani, hogy normál üzemben és a berendezés meghibásodása esetén a vonat személyzete és az utasok ne kerülhessenek közvetlen vagy közvetett érintkezésbe ezekkel az alkatrészekkel. E követelmény teljesítéséhez a J-1. függelék 27. hivatkozásában említett előírásban előírt rendelkezéseket kell alkalmazni.
4.2.9. A vezetőfülke és a mozdonyvezető-gép közötti kapcsolódási pont (driver-machine interface)
(1) Az e pontban meghatározott követelmények vezetőfülkével rendelkező egységekre vonatkoznak.
4.2.9.1. Vezetőfülke
4.2.9.1.1. Általános előírások
(1) A vezetőfülkét úgy kell kialakítani, hogy alkalmas legyen a vonat mozdonyvezető általi működtetésére.
(2) A vezetőfülkében megengedhető legmagasabb zajszintet a zajra vonatkozó ÁME határozza meg.
4.2.9.1.2. Fel- és leszállás
4.2.9.1.2.1. Fel- és leszállás üzemi körülmények között
(1) A vezetőfülkének a sínkorona alatt 200 mm-ről a vonat mindkét oldaláról megközelíthetőnek kell lennie.
(2) A vezetőfülke kívülről, a külső ajtaján át, illetve a hátsó részén lévő területen keresztül is megközelíthető. Ez utóbbi esetben az ebben a pontban meghatározott követelmények vonatkoznak a vezetőfülke kívülről, a vonat bármely oldaláról történő megközelítésére.
(3) A vonat személyzete vezetőfülkébe való be- és kiszállására szolgáló eszközöknek - például a lépcsőknek, a kapaszkodóknak vagy az ajtónyitó kézikaroknak - az elismert szabványokra hivatkozással értékelendő méretüknél (dőlésszögüknél, szélességüknél, térközüknél, alakjuknál) fogva lehetővé kell tenniük a biztonságos és egyszerű használatot, tervezésükkor figyelembe kell venni a használatukhoz kapcsolódó ergonómiai kritériumokat. A lépcsők szegélyei nem lehetnek olyan élesek, hogy beleakadjanak a vonat személyzetének lábbelijébe.
(4) A külső gyalogjárókkal felszerelt vasúti járműveket kapaszkodókkal és lábrácsokkal kell felszerelni a vezetőfülkébe ki- és beszálló mozdonyvezető biztonsága érdekében.
(5) A vezetőfülke külső ajtajainak nyíláskor az (ezen ÁME 4.2.3.1. pontjában meghatározott) referenciaprofilon belül kell maradniuk (az egység álló helyzetében).
(6) A vezetőfülke külső ajtajainál levő hozzáférési területnek lépcsőről történő megközelítéskor legalább 1 675 × 500 mm, szintbeli megközelítéskor pedig 1 750 × 500 mm méretűnek kell lennie.
(7) A vezetőfülke belső ajtajainál levő, a vonat személyzete által megközelíthető hozzáférési területnek legalább 1 700 × 430 mm méretűnek kell lennie.
(8) Ha a jármű külső és belső ajtajai a jármű oldalára merőlegesen vagy a jármű oldala mentén kerültek elhelyezésre, a felső részen található szabad tér (a külső-felső oldal szögében) a járműszelvény miatt csökkenthető. A méretcsökkenést szigorúan a felső rész szelvényére kell korlátozni, és nem eredményezheti, hogy az ajtó felső részén található szabad tér 280 mm-nél alacsonyabban legyen.
(9) A vezetőfülkét és annak megközelítését úgy kell kialakítani, hogy a vonat személyzete megakadályozhassa illetéktelenek bejutását, függetlenül attól, hogy a mozdonyvezető a vezetőfülkében tartózkodik-e, illetve hogy az ott tartózkodó személy bármilyen szerszám vagy kulcs használata nélkül elhagyhassa a vezetőfülkét.
(10) A vezetőfülke megközelítésének a fedélzeti energiaellátás kiesése esetén is elérhetőnek kell lennie. A vezetőfülke ajtaja nem nyílhat ki véletlenül.
4.2.9.1.2.2. A vezetőfülke vészkijárata
(1) Vészhelyzetben a vonat vezetőfülkében levő személyzete evakuálható kell legyen, és a mentőszolgálatoknak meg kell tudniuk közelíteni a vezetőfülke belsejét a fülke mindkét oldaláról a következő vészkijáratok egyikén keresztül: a vezetőfülke külső ajtajain (a 4.2.9.1.2.1. pontban meghatározottak szerint közvetlenül kívülről), oldalablakokon vagy vészhelyzet esetén használható nyílásokon keresztül.
(2) A vészkijáratoknak minden esetben legalább 2 000 cm2 szabad területet kell biztosítaniuk, és legalább 400 mm belső átmérővel kell rendelkezniük a vonatban rekedt személyek evakuálása érdekében.
(3) Az elülső vezetőfülkéknek legalább egy belső kijárattal kell rendelkezniük, a kijáratnak legalább 2 m hosszú, a 4.2.9.1.2.1. pont (7) és (8) alpontjában meghatározott térre kell nyílnia, és ezen a területen (a vonat padlózatát is beleértve) nem lehet a vezető menekülését gátló akadály. A területnek az egység fedélzetén kell lennie, amely lehet a vonat belső területe vagy kültérre nyíló terület is.
4.2.9.1.3. Kilátás
4.2.9.1.3.1. Kilátás előre
(1) A vezetőfülkét úgy kell kialakítani, hogy a mozdonyvezető ülő helyzetből tisztán és akadálymentesen láthasson ki az egyenes vágány és a legalább 300 m sugarú pályaív bal és jobb oldalán elhelyezett rögzített jelzések F. függelékben meghatározott feltételek mellett történő megkülönböztetéséhez.
(2) A fenti követelménynek az F. függelékben meghatározott feltételek mellett - mozdonyokon és vezérlőkocsikon - álló vezetési helyzetből is teljesülnie kell, mivel előfordulhat, hogy a mozdonyvezetőnek állva kell vezetnie a járműveket.
(3) Középső vezetőfülkével rendelkező mozdonyok és vasúti munkagépek esetében az alacsonyan elhelyezett jelzések észlelhetőségének biztosítása érdekében megengedett, hogy a mozdonyvezető a vezetőfülkében több különböző helyzetben is tartózkodjon. A mozdonyvezetőnek nem kell ülve teljesítenie ezt a feltételt.
4.2.9.1.3.2. Kilátás hátra és oldalra
(1) A vezetőfülkét úgy kell kialakítani, hogy a mozdonyvezető az álló vonatból kilásson hátra a vonat mindkét oldalára. Ez a követelmény a következő eszközök valamelyikének használatával teljesíthető: a vezetőfülke mindkét oldalára felszerelt nyíló oldalablakok vagy panel, külső tükrök vagy kamerarendszer.
(2) Amennyiben az (1) pontban szereplő követelmény teljesítéséhez nyíló oldalablakokat vagy panelt használnak, a nyílásnak elég nagynak ahhoz kell lennie, hogy a mozdonyvezető feje átférjen rajta; mozdonyok és a mozdonnyal való vonat-összeállításban történő használatra tervezett vezérlőkocsik esetében ezenkívül a konstrukciónak lehetővé kell tennie, hogy a mozdonyvezető egyidejűleg a vészféket is működtethesse.
4.2.9.1.4. Belső elrendezés
(1) A vezetőfülke belső elrendezésének figyelembe kell vennie a mozdonyvezető E. függelék szerinti testméreteit.
(2) A vezetőfülke belső terében tartózkodó személyzet mozgásának útjában nem lehetnek akadályok.
(3) A mozdonyvezető munkaterének padlózatán nem lehet lépcső elhelyezve (a vezetőfülke bejáratának és a lábtartónak a kivételével).
(4) A belső elrendezésnek lehetővé kell tennie a mozdonyok és a vezérlőkocsik esetében az ülő és álló helyzetben történő vezetést is, amennyiben a mozdonyvezető a kialakításuknak köszönhetően állva is üzemeltetheti a kocsikat.
(5) A vezetőfülkébe legalább egy vezetőülést (lásd a 4.2.9.1.5. pontot), valamint a kísérőszemélyzet számára egy nem vezetőülésnek minősülő ülést kell elhelyezni.
4.2.9.1.5. Vezetőülés
Rendszerelem-szintű követelmények:
(1) A vezetőülést úgy kell kialakítani, hogy lehetővé tegye a mozdonyvezető számára az összes szokásos vezetési művelet ülő helyzetben történő elvégzését, figyelemmel a mozdonyvezető E. függelék szerinti testméreteire. Az ülésnek alkalmasnak kell lennie arra, hogy a mozdonyvezető fiziológiai szempontból helyes testtartásban üljön.
(2) A 4.2.9.1.3.1. pontban meghatározott előírásoknak megfelelően a vezetőülésnek állíthatónak kell lennie a kilátás érdekében alkalmazandó referencia-látószög biztosítása céljából.
(3) Az ülés kialakítása során figyelembe kell venni az ergonómiai, egészségügyi, valamint használati szempontokat.
A vezetőfülkébe történő beépítésre vonatkozó követelmények:
(1) Az ülést olyan módon kell beszerelni a vezetőfülkébe, hogy a (rendszerelem szintű) állíthatósági tartományát kihasználva megfeleljen a 4.2.9.1.3.1. pontban ismertetett, kilátásra vonatkozó követelményeknek. Ez nem befolyásolhatja az üléssel kapcsolatos ergonómiai, egészségügyi és használati szempontokat.
(2) Az ülést úgy kell elhelyezni, hogy vészhelyzetben ne képezzen akadályt a mozdonyvezető menekülési útvonalán.
(3) Állítható vezetőülést kell beszerelni a mozdonyok és vezérlőkocsik vezetőfülkéjébe - amennyiben ezeket a kocsikat úgy tervezték, hogy azokat a mozdonyvezető állva is üzemeltethesse - amely alkalmas az álló vezetési helyzethez szükséges szabad terület biztosítására.
4.2.9.1.6. A vezetőasztal ergonómiai kialakítása
(1) Figyelembe véve a mozdonyvezető E. függelék szerinti testméreteit, a vezetőfülkét és annak kezelő- és vezérlőszerveit úgy kell elrendezni, hogy a mozdonyvezető normál testtartással üzemeltethesse a vonatot a leggyakrabban használt vezetési helyzetben.
(2) A vezetőülés előtt legalább 30 cm × 21 cm nagyságú olvasóterületnek kell rendelkezésre állnia a vezetés közben szükséges papíralapú okmányok elhelyezése érdekében.
(3) A kezelő- és vezérlőszerveket egyértelmű jelöléssel kell ellátni, hogy azok a mozdonyvezető számára azonosíthatók legyenek.
(4) Ha a vonó- és/vagy fékerő állítása (kombinált vagy külön) karral történik, a vonóerőt a kar előrefelé történő mozgatásával, a fékerőt pedig a kar mozdonyvezető irányába történő mozgatásával kell növelni.
(5) Az egységeken a fedélzeti ETCS kapcsolódási pontokra és telepített ETCS esetén a vonat "irányvezérlő" interfész funkciójára vonatkozó követelményeket a J-2. függelék B. hivatkozásában említett előírás határozza meg.
(6) Az egységeken a fedélzeti ETCS kapcsolódási pontokra és telepített ETCS esetén a vonat "vezetőfülke állapota" interfész funkciójára vonatkozó követelményeket a J-2. függelék B. hivatkozásában említett előírás határozza meg.
Ha a kar külön vészfékezésre alkalmas állással rendelkezik, akkor ezt a kar többi állásától egyértelműen megkülönböztethető jelzéssel (például bemetszéssel) kell jelezni.
4.2.9.1.7. Klíma szabályozása és levegőminőség
(1) A vezetőfülke levegőjét cserélni kell az ÁME 4.2.5.8. pontjában meghatározott CO2-koncentráció fenntartása érdekében.
(2) (A 4.2.9.1.3. pontban meghatározott) ülő vezetési helyzetben a mozdonyvezető fejénél és vállánál nem lehet a megfelelő munkavégzési feltételekhez meghatározott határértéknél nagyobb sebességű légáramot okozó szellőztető berendezés.
4.2.9.1.8. Belső világítás
(1) A vezetőfülkében a mozdonyvezető utasítására működtetett általános megvilágításnak (a lekapcsolást is ideértve) a vasúti jármű összes normál üzemében rendelkezésre kell állnia. Az olvasófelület és a kezelőpult szintjén a megvilágítás fényerejének 75 luxnál nagyobbnak kell lennie a vasúti munkagépek kivételével, amelyek esetében ennek az értéknek 60 luxnál kell nagyobbnak lennie.
(2) Az olvasófelület független megvilágításának a mozdonyvezető utasítására be kell kapcsolnia, és 150 lux feletti értékig állíthatónak kell lennie.
(3) A megvilágításnak az általános megvilágítástól függetlennek és állíthatónak kell lennie.
(4) A külső üzemi fényjelzésekkel való összetéveszthetőség miatt kialakuló veszélyhelyzet elkerülése érdekében a vezetőfülke megvilágítására nem kerülhet sor zöld színű fénnyel a meglévő B osztályú jelzések kivételével (a vasúti ellenőrző-irányító és jelző rendszerre vonatkozó ÁME-ben meghatározottak szerint).
4.2.9.2. Szélvédő
4.2.9.2.1. Mechanikai jellemzők
(1) Az ablakok mérete, elhelyezkedése, alakja és burkolata (a karbantartási célt szolgáló ablakokat is beleértve) nem akadályozhatják a mozdonyvezető (4.2.9.1.3.1. pontban meghatározott) kilátását, és alkalmasnak kell lenniük a rendeltetésszerű használatra.
(2) A vezetőfülke szélvédőjének ellenállónak kell lennie a J-1. függelék 28. hivatkozásában említett előírásban meghatározott repülő testek okozta ütésekkel és lepattogzással szemben.
4.2.9.2.2. Optikai jellemzők
(1) A szélvédő optikai jellemzői nem változtathatják meg a jelzések láthatóságát (alakját és színét) egyik üzemi feltétel (például a szélvédő-párásodás és -lefagyás megelőzésére szolgáló fűtés) alkalmazása esetén sem.
(2) A szélvédőnek meg kell felelnie a J-1. függelék 28. hivatkozásában említett előírásban meghatározott követelményeknek a következő jellemzők tekintetében:
a) az elsődleges és a másodlagos képek által bezárt szög beépített állapotban,
b) a megengedett optikai képtorzítások,
c) homályosság,
d) fényáteresztés,
e) színérték.
4.2.9.3. Vezető-gép közötti kapcsolódási pont
4.2.9.3.1. A mozdonyvezető aktivitását ellenőrző funkció
(1) A vezetőfülkét fel kell szerelni a mozdonyvezető aktivitásának ellenőrzésére szolgáló eszközökkel, amelyeknek a mozdonyvezető aktivitásának hiányában a vonatot automatikusan le kell állítaniuk. A vasúttársaság ezáltal képes a vasút üzemeltetésére vonatkozó ÁME 4.2.2.9. pontjában előírt követelmény teljesítésére.
(2) A vezető aktivitásának ellenőrzését (és az aktivitáshiány kimutatását) szolgáló eszközökre vonatkozó előírások:
A mozdonyvezető aktivitásának hiányát a vonat vezetésre előkészített állapotában és haladása közben ellenőrizni kell (a mozgás érzékelésének kritériuma az alacsony sebességhatár). A mozdonyvezető aktivitásának ellenőrzését a vezetés során általánosan használt kapcsolódási pontoknak (például pedálok, nyomógombok, érzékelők stb.), valamint a vonat irányító- és ellenőrző rendszere általánosan használt kapcsolódási pontjainak ellenőrzésével kell elvégezni.
Amennyiben X másodpercnél hosszabb ideig semmilyen tevékenység nem figyelhető a mozdony üzemeltetése során általánosan használt egyik kapcsolódási ponton sem, a rendszer ezt a mozdonyvezető aktivitásának hiányaként értékeli.
Az aktivitás nélkül eltelt X időtartamnak 5-60 másodperces időskálán változtathatónak kell lennie (műhelyben végzett, karbantartási tevékenység során).
Amennyiben a rendszer ugyanazt tevékenységet észleli több alkalommal, kevesebb mint 60 másodperces időtartamokban anélkül, hogy az általánosan használt vezetői kapcsolódási ponton további tevékenységre kerülne sor, a rendszer ezt a mozdonyvezető aktivitásának hiányaként értékeli.
Az aktivitás hiányának jelzése előtt figyelmeztetni kell a mozdonyvezetőt annak érdekében, hogy legyen ideje reagálni, és a rendszert alaphelyzetbe visszaállítani.
A rendszernek más rendszereknek (például rádiórendszernek) történő továbbítás céljából tárolnia kell a mozdonyvezető aktivitásának hiányára vonatkozó információkat.
(3) További követelmény:
A mozdonyvezető aktivitásának hiányát észlelő funkcióról a rendszerelemek hibamódja, a redundanciák, a szoftverek, az időszaki ellenőrzések és más rendelkezések tekintetében megbízhatósági tanulmányt kell készíteni, és a 4.2.12. pontban ismertetett műszaki dokumentációban fel kell tüntetni a funkció becsült hibaarányát (a vezetői aktivitás hiányának nem jelzett eseteit).
(4) A mozdonyvezető aktivitása hiányának észlelésekor vonatszinten kiváltott intézkedések meghatározása:
Az aktivitás hiányának a vonat vezetésre előkészített állapotában és haladása közben (a mozgás érzékelésének kritériuma az alacsony sebességhatár) ki kell váltania a vonat teljes üzemi fékezését, vagy aktiválnia kell a vészféket.
Teljes üzemi fékezés esetén a fékezés hatékony alkalmazását automatikusan kell irányítani, azonban ha az nem hatékony, a vészféknek kell működésbe lépnie.
(5) Megjegyzések:
- Megengedett, hogy az e pontban ismertetett funkciót az ellenőrző-irányító és jelző alrendszer lássa el.
- Az X idő értékét a vasúttársaságnak kell meghatároznia és indokolnia (a vasút üzemeltetésére vonatkozó ÁME és a kockázatelemzési és -értékelési rendelet alkalmazása, és a megfelelési gyakorlatokra vagy eszközökre vonatkozó aktuális szabályok figyelembevételével; ezen ÁME alkalmazási körén kívül).
- Átmeneti intézkedésként a rendszer állandó X időértékre történő beállítására is van lehetőség (átállítási lehetőség nélkül), ha ez az állandó idő 5-60 másodperc között van, és a vasúttársaság meg tudja indokolni a (fentiekben ismertetettek szerinti) állandó idő alkalmazását.
- A tagállamok a területükön működő vasúttársaságok számára előírhatják, hogy járműveiken beállítsák az X idő maximális értékét, amennyiben a tagállamok bizonyítani tudják, hogy erre szükség van a nemzeti biztonsági szint eléréséhez. Minden egyéb esetben a tagállamok az (előírt időtartamon belüli) hosszabb Z időt alkalmazó vasúttársaságoktól nem tagadhatják meg a hálózathoz való hozzáférést.
4.2.9.3.2. Sebesség kijelzése
(1) Ezt a funkciót és a vonatkozó megfelelőségértékelést az ellenőrző-irányító és jelző alrendszerre vonatkozó ÁME határozza meg.
4.2.9.3.3. A vezetőállás kijelzői és képernyői
(1) A vezetőfülkében rendelkezésre álló információkra és utasításokra vonatkozó funkcionális követelményeket az adott funkcióra vonatkozó más követelményekkel együtt a funkciót ismertető pont határozza meg. Ugyanez vonatkozik a kijelzőkön és képernyőkön továbbítható információkra és utasításokra is.
Az ERTMS rendszerből származó információkat és utasításokat (ideértve a kijelzőn megjelenőket is) az ellenőrző-irányító és jelző alrendszerre vonatkozó ÁME határozza meg.
(2) Az ezen ÁME hatálya alá tartozó funkciók tekintetében a mozdonyvezető által a vonat irányítására használandó és kijelzőkön vagy képernyőkön rendelkezésre álló információkat és utasításokat úgy kell kialakítani, hogy azokat a mozdonyvezető megfelelően használhassa és azokra megfelelően reagálhasson.
4.2.9.3.4. Vezérlőszervek és jelzőműszerek
(1) A funkcionális követelményeket az adott funkcióra vonatkozó más követelményekkel együtt a funkciót ismertető pont határozza meg.
(2) Valamennyi jelzőfényt úgy kell kialakítani, hogy azokat természetes vagy mesterséges fényviszonyok (ideértve a véletlen megvilágítást) között is megfelelően le lehessen olvasni.
(3) A megvilágított jelzőműszerek és gombok vezetőfülke ablakán való esetleges tükröződése nem zavarhatja a mozdonyvezető látóterét szokásos vezetési pozíciójában.
(4) A külső üzemi fényjelzésekkel való összetéveszthetőség elkerülése érdekében a meglévő B osztályú jelzések kivételével nem lehet zöld színű fény vagy megvilágítás a vezetőfülkében (az ellenőrző-irányító és jelző alrendszerre vonatkozó ÁME-nek megfelelően).
(5) A vezetőfülke fedélzeti berendezései által generált hallható információk hangerejének legalább 6 dB(A) értékkel meg kell haladnia a vezetőfülke átlagos zajszintjét (a zajra vonatkozó ÁME-ben meghatározott körülmények között mért e zajszintet referenciának tekintve).
4.2.9.3.5. Feliratozás
(1) A vezetőfülkében a következő információknak kell megjelenniük:
- a legnagyobb sebesség (Vmax),
- a vasúti jármű azonosító száma (a vontatójármű száma),
- a hordozható berendezések (például az önmentő eszközök, a jelzések) helye,
- a vészkijárat.
(2) A vezérlőszervek és jelzőműszerek jelölésére harmonizált piktogramokat kell használni.
4.2.9.3.6. Személyzet által, rádiótávirányítással irányított tolatási műveletek
(1) Ha a személyzetnek van lehetősége rádiótávirányítással irányított tolatási műveletek végzésére, akkor a távirányítási funkciót úgy kell kialakítani, hogy a mozdonyvezető biztonságosan irányíthassa a vonatot, és kizárhatók legyenek a használat közbeni hibák.
(2) A távirányító eszközt használó személy a távirányító eszköz használata közben feltételezhetően képes a vonat mozgásának vizuális érzékelésére.
(3) A távirányítási funkció kialakítását - a biztonsági szempontokat is ideértve - elismert szabványok szerint kell értékelni.
(4) Az egységeken a fedélzeti ETCS kapcsolódási pontokra és telepített ETCS esetén a vonat "tolatás távirányítással" interfész funkciójára vonatkozó követelményeket a J-2. függelék B. hivatkozásában említett előírás határozza meg.
4.2.9.3.7. Kisiklásérzékelő és -megelőző jelek feldolgozása
(1) Ez a pont a teherkocsik által kiadott jelek feldolgozására szolgáló mozdonyokra vonatkozik, amennyiben rendelkeznek a teherkocsikra vonatkozó ÁME 4.2.3.5.3. pontjában meghatározott kisiklásmegelőző (DPF) vagy kisiklásérzékelő (DDF) funkcióval.
(2) Az említett mozdonyokat olyan eszközökkel kell felszerelni, amelyek segítségével képesek fogadni a vonatot alkotó, kisiklásmegelőző- és érzékelő funkcióval felszerelt teherkocsik felől érkező jeleket a következő információkról:
- kisiklás kockázatáról a DPF esetében a teherkocsikra vonatkozó ÁME 4.2.3.5.3.2. pontja szerint, és
- kisiklásról a DDF esetében a teherkocsikra vonatkozó ÁME 4.2.3.5.3.3. pontja szerint.
(3) A fent említett jel fogadásakor a vezetőfülkében látható és hallható figyelmeztető jelzésnek kell működésbe lépnie, amely arra figyelmeztet, hogy a vonat:
- előfordulhat, hogy kisiklik, amennyiben a figyelmeztetést a DPF adta ki, vagy
- kisiklott, amennyiben a figyelmeztetést a DDF adta ki.
(4) A fenti figyelmeztetés visszaigazolására alkalmas eszközt kell biztosítani a vezetőfülkében.
(5) Amennyiben a figyelmeztető jelzésre a vezetőfülkéből nem érkezik válasz 10 +/-1 másodpercen belül, a teljes üzemi fékezésnek vagy vészfékezésnek automatikusan aktiválódnia kell.
(6) Gondoskodni kell arról, hogy a 4.2.9.3.7. (5) pontban meghatározott automatikus fékezés a vezetőfülkéből felülírható legyen.
(7) Gondoskodni kell arról, hogy a 4.2.9.3.7 (5) pontban meghatározott automatikus fékezés a vezetőfülkéből kikapcsolható legyen.
(8) A kisiklásérzékelő jelének feldolgozására szolgáló funkció mozdonyban való elérhetőségét, valamint a funkció vonat egészére vonatkozó felhasználási feltételeit fel kell tüntetni a 4.2.12. pontban meghatározott műszaki dokumentációban.
4.2.9.3.7a. Fedélzeti kisiklásérzékelő és -megelőző funkció
(1) Ez a pont a mozdony által húzott teherkocsik kisiklását vagy kisiklásának veszélyét érzékelni képes mozdonyokra vonatkozik.
(2) Az említett funkcióra szolgáló berendezést teljes egészében a mozdony fedélzetén kell elhelyezni.
(3) Kisiklás vagy kisiklás veszélyének érzékelésekor látható és hallható figyelmeztető jelzésnek kell a vezetőfülkében működésbe lépnie.
(4) A fenti figyelmeztetés visszaigazolására alkalmas eszközt kell biztosítani a vezetőfülkében.
(5) Amennyiben a figyelmeztető jelzésre a vezetőfülkéből nem érkezik válasz 10 +/-1 másodpercen belül, a teljes üzemi fékezésnek vagy vészfékezésnek automatikusan aktiválódnia kell.
(6) Gondoskodni kell arról, hogy a 4.2.9.3.7a. (5) pontban meghatározott automatikus fékezés a vezetőfülkéből felülírható legyen.
(7) Gondoskodni kell arról, hogy a 4.2.9.3.7a. (5) pontban meghatározott automatikus fékezés a vezetőfülkéből kikapcsolható legyen.
(8) A fedélzeti kisiklásérzékelő funkció mozdonyban való elérhetőségét, valamint a funkció vonat egészére vonatkozó felhasználási feltételeit fel kell tüntetni a 4.2.12. pontban meghatározott műszaki dokumentációban.
4.2.9.3.8. Az ETCS-üzemmódok kezelésére vonatkozó követelmények
4.2.9.3.8.1. Alvó üzemmód
(1) Az egységeken a fedélzeti ETCS kapcsolódási pontokra és telepített ETCS esetén a vonat "alvó üzemmód" interfész funkciójára vonatkozó követelményeket a J-2. függelék B. hivatkozásában említett előírás határozza meg.
4.2.9.3.8.2. Passzív tolatás
(1) A mozdonyokon és vonatszerelvényeken a fedélzeti ETCS kapcsolódási pontokra és a vonat "passzív tolatás" interfész funkciójára vonatkozó követelményeket a J-2. függelék B. hivatkozásában említett előírás határozza meg.
4.2.9.3.8.3. Nem vezérelt üzemmód
(1) A mozdonyokon és vonatszerelvényeken a fedélzeti ETCS kapcsolódási pontokra és telepített ETCS esetén a vonat "nem vezérelt üzemmód" interfész funkciójára vonatkozó követelményeket a J-2. függelék B. hivatkozásában említett előírás határozza meg.
4.2.9.3.9. Vontatási állapot
(1) Az egységeken a fedélzeti ETCS kapcsolódási pontokra és telepített ETCS esetén a vonat "vontatási állapot" interfész funkciójára vonatkozó követelményeket a J-2. függelék B. hivatkozásában említett előírás határozza meg.
4.2.9.4. Fedélzeti eszközök és hordozható berendezések
(1) A vezetőfülkében vagy mellette helyet kell biztosítani a következő berendezések tárolására, hogy vészhelyzet esetén használhatók legyenek:
- vörös és fehér fényű kézi lámpa,
- vágányáramkör-megszakító berendezés,
- féksaruk, ha a rögzítőfék fékhatásossága a vágány lejtési szögétől függően nem megfelelő (lásd a 4.2.4.5.5. pontot),
- tűzoltókészülék (a vezetőfülkében elhelyezve; lásd még a 4.2.10.3.1. pontot),
- teheráru-szállító vonatok kézi vezérlésű vontatóegységein: önmentő eszköz, az 1303/2014/EU bizottsági rendelet ( 15 ) (vasúti alagutak biztonságára vonatkozó ÁME) 4.7.1. pontja szerint.
4.2.9.5. A személyzet számára rendelkezésre álló tárolóhelyek
(1) Minden vezetőfülkét fel kell szerelni a következőkkel:
- két ruhaakasztó vagy fülke a ruházat felakasztására szolgáló rúddal,
- 300 mm × 400 mm × 400 mm méretű bőrönd vagy táska tárolására alkalmas szabad tárolóhely.
4.2.9.6. Adatrögzítő berendezés
(1) A rögzítendő információk listáját a vasút üzemeltetésére vonatkozó ÁME 4.2.3.5. pontja határozza meg.
(2) Az egységet az ilyen információk rögzítésére szolgáló olyan eszközökkel kell felszerelni, amelyek megfelelnek a J-1. függelék 29. hivatkozásában említett előírásban meghatározott következő követelményeknek:
a) a funkcionális követelményeknek teljesülniük kell,
b) az adatrögzítési teljesítménynek meg kell felelnie az R1 osztálynak,
c) a rögzített és kinyert adatok integritásának (következetességének, helytállóságának) teljesülnie kell,
d) gondoskodni kell az adatintegritás védelméről,
e) a védelemmel ellátott tárolóeszköz védelmi szintjének "A"-nak kell lennie,
f) dátum és időpont.
(3) A 4.2.9.6. (2) pontban előírt követelmények vizsgálatait a J-1. függelék 72. hivatkozásában említett előírás követelményeinek megfelelően kell elvégezni.
4.2.10. Tűzbiztonság és evakuálás
4.2.10.1. Általános előírások és osztályozás
(1) Ez a pont valamennyi egységre vonatkozik.
(2) A vasúti járműveket úgy kell kialakítani, hogy azok fedélzeti tűz veszélye esetén védelmet nyújtsanak az utasoknak és a vonat személyzetének, és vészhelyzetben eredményes evakuálást és mentést tegyenek lehetővé. Ez a feltétel ezen ÁME követelményeinek betartása esetén teljesített feltételnek minősül.
(3) Az egység tervezésekor figyelembe vett, ezen ÁME 4.1.4. pontjában meghatározott tűzvédelmi kategóriát fel kell tüntetni az ÁME 4.2.12. pontjában ismertetett műszaki dokumentációban.
4.2.10.2. Tűzmegelőzési intézkedések
4.2.10.2.1. Az anyagokra vonatkozó követelmények
(1) Az anyagok és összetevők kiválasztásánál figyelembe kell venni azok tűzállósági tulajdonságait, például a gyúlékonyságukat, a füstopacitást és a toxicitásukat.
(2) A vasúti járműegység építéséhez használt anyagoknak meg kell felelniük a J-1. függelék 30. hivatkozásában említett, az alábbi üzemeltetési kategóriákra vonatkozó előírásoknak:
- 2. üzemeltetési kategória: az A. kategóriájú személyszállító vasúti járművek tekintetében (beleértve a személyszállító vonatok mozdonyát is),
- 3. üzemeltetési kategória: a B. kategóriájú személyszállító vasúti járművek tekintetében (beleértve a személyszállító vonatok mozdonyát is),
- 2. üzemeltetési kategória: teherszállító vonatok mozdonya és más rakomány (postai küldemények, teheráru stb.) szállítására tervezett önjáró egységek tekintetében,
- 1. üzemeltetési kategória: a vasúti munkagépek tekintetében, szállítási (üzemeltetett) összeállításban az egységen a személyzet által elérhető területekre korlátozott követelményekkel (lásd a 2.3. pontot).
(3) A termékjellemzők és a gyártási folyamat állandóságának biztosítása érdekében:
- kötelező az anyag szabványnak való megfelelését igazoló és az anyag bevizsgálása után azonnal kiállított vizsgálati jelentés ötévente történő felülvizsgálata,
- amennyiben nem történt a termékjellemzőket és a gyártási folyamatot, valamint a vonatkozó előírásokat (ÁME) érintő változás, nem szükséges az anyag újbóli bevizsgálása, el kell fogadni a lejárt vizsgálati jelentéseket, amennyiben a jelentésekhez az eredeti berendezés gyártója által a termék forgalomba hozatalakor kiadott nyilatkozatot csatolnak, amely szerint a termék jellemzőit és gyártási folyamatát érintően - a teljes szállítói láncot figyelembe véve - nem történt semmilyen változás a termék tűzállósági tulajdonságainak bevizsgálása óta. Ezt a nyilatkozatot az első vizsgálati jelentés lejártát követően legkésőbb 6 hónapon belül biztosítani kell. Ezt a nyilatkozatot ötévente meg kell újítani.
4.2.10.2.2. Gyúlékony folyadékokkal kapcsolatos különleges intézkedések
(1) A vasúti járműveken olyan intézkedéseket kell bevezetni, amelyek alkalmazásával megelőzhetők a gyúlékony folyadékok és gázok miatt kialakuló tűzesetek.
(2) A tehervonati mozdonyok magasfeszültségű berendezéseiben hűtésre használt gyúlékony folyadékoknak meg kell felelniük a J-1. függelék 30. hivatkozásában említett előírás R14. követelményének.
4.2.10.2.3. A tengelyágy túlhevülésének érzékelése
A követelményeket ezen ÁME 4.2.3.3.2. pontja határozza meg.
4.2.10.3. Tűzérzékelés/tűzoltás
4.2.10.3.1. Hordozható tűzoltókészülékek
(1) Ez a pont utasok és/vagy személyzet szállítására tervezett minden egységre vonatkozik.
(2) Az egységet megfelelő és elegendő számú hordozható tűzoltókészülékkel kell felszerelni az utasok és/vagy a személyzet által használt területeken.
(3) A vizet és adalékanyagot tartalmazó tűzoltókészülék-típusok megfelelőnek tekinthetők a vasúti járművek fedélzetén történő használatra.
4.2.10.3.2. Tűzérzékelő rendszerek
(1) A vasúti jármű valós tűzkockázatot jelentő berendezéseit és területeit a tűz korai jelzésére szolgáló rendszerrel kell felszerelni.
(2) Tűz érzékelésekor értesíteni kell a mozdonyvezetőt, és megfelelő rutinintézkedéseket kell végrehajtani annak érdekében, hogy az utasok és a vonat személyzete a lehető legkevesebb későbbi kockázatnak legyen kitéve.
(3) Hálókocsik esetében a tűz érzékelésének aktiválnia kell a helyi hang- és fényjelzést az érintett területen. A hangjelzésnek megfelelőnek kell lennie az utasok felébresztéséhez. A fényjelzésnek tisztán láthatónak kell lennie, és azt nem takarhatják ki akadályok.
4.2.10.3.3. Dízel teherszállító egységek automatikus tűzoltó rendszere
(1) Ez a pont dízelüzemű tehervonati mozdonyokra és önjáró dízelüzemű teherszállító egységekre vonatkozik.
(2) Ezeket az egységeket olyan automatikus rendszerrel kell felszerelni, amely képes a dízelüzemanyag meggyulladásának jelzésére, és az összes érintett berendezés lekapcsolására, valamint az üzemanyag-ellátás megszakítására.
4.2.10.3.4. Személyszállító vasúti járműveken használandó tűzgátló és tűzoltó rendszerek
(1) Ez a pont valamennyi B kategóriájú személyszállító vasúti járműre vonatkozik.
(2) A hőből és a tűzből származó anyagoknak a vonat többi részére történő átterjedésének megakadályozása érdekében megfelelő intézkedéseket kell előírni az egységre vonatkozóan.
(3) Ez a követelmény teljesítettnek tekinthető a következő követelmények teljesítésének igazolásával:
- Minden egységet legfeljebb 30 méterenként teljes keresztmetszetű, a szerkezeti követelményeknek megfelelően legalább 15 percig tűzálló válaszfalakkal, illetve más tűzgátló és tűzoltó rendszerekkel kell felszerelni a jármű utasok/személyzet által használt területein (feltételezve, hogy a tűz a válaszfal bármelyik oldalán keletkezhet).
- Az egységet a szerkezeti és hőszigetelési követelményeknek megfelelően legalább 15 percig tűzálló tűzvédelmi gátakkal kell felszerelni a következő (az érintett egységben adott esetben rendelkezésre álló) helyeken:
- a vezetőfülke és a mögötte lévő fülke között (feltételezve, hogy a tűz a hátsó fülkében keletkezik),
- a belső égésű motor és a mellette lévő, utasok/személyzet által használt területeken (feltételezve, hogy a tűz a belső égésű motorban keletkezik),
- az elektromos tápvezetéket és/vagy a főáramköri berendezést tartalmazó szekrények és az utasok/személyzet által használt területek között (feltételezve, hogy a tűz az elektromos tápvezetékben és/vagy a főáramköri berendezésben keletkezik).
- A vizsgálatokat a J-1. függelék 31. hivatkozásában említett előírásoknak megfelelően kell elvégezni.
(4) Ha a teljes keresztmetszetű válaszfalak helyett más tűzgátló és tűzoltó rendszereket alkalmaznak, a következő követelményeket kell alkalmazni:
- azokat az egység utasok és személyzet szállítására szolgáló minden járművén fel kell szerelni,
- ügyelni kell arra, hogy a tűz és a füst a tűz keletkezésétől számított legalább 15 percig ne terjedjen veszélyes koncentrációban az utasok/személyzet által használt térben 30 méternél hosszabb területen.
E paraméter értékelése nyitott kérdés.
(5) Ha más tűzgátló és tűzoltó rendszereket alkalmaznak, és azok rendszerek, rendszerelemek vagy funkciók megbízhatóságán vagy elérhetőségén alapulnak, megbízhatósági tanulmányt kell készíteni a rendszerelemek hibamódja, a redundanciák, a szoftverek, az időszaki ellenőrzések és más rendelkezések tekintetében, és a 4.2.12. pontban ismertetett műszaki dokumentációban fel kell tüntetni a funkció becsült hibaarányát (a hőnek és a tűzből származó anyagoknak a vonat többi részére történő átterjedését megakadályozó intézkedések hiánya).
E vizsgálat alapján kell meghatározni a más tűzgátló és tűzoltó rendszerek üzemeltetési és karbantartási feltételeit, és azokat meg kell adni a 4.2.12.3. és 4.2.12.4. pontban ismertetett karbantartási és üzemeltetési dokumentációban.
4.2.10.3.5. Tehervonati mozdonyokra és dízelüzemű teherszállító egységekre vonatkozó tűzvédelmi intézkedések
(1) Ez a pont a tehervonati mozdonyokra és az önjáró teherszállító egységekre vonatkozik.
(2) Ezeknek az egységeknek vezetőfülkét védő tűzvédelmi gáttal kell rendelkezniük.
(3) A tűzvédelmi gátaknak a szerkezeti és a hőszigetelési követelményeknek megfelelően legalább 15 percig tűzállónak kell lenniük; és a J-1. függelék 31. hivatkozásában említett előírásoknak megfelelően végrehajtott vizsgálatok tárgyát kell képezniük.
4.2.10.4. Vészhelyzettel kapcsolatos követelmények
4.2.10.4.1. Vészvilágítás
(1) A vonatokat vészhelyzet esetére a fedélzeti védelem és biztonság érdekében vészhelyzeti világítási rendszerrel kell felszerelni. Ennek a rendszernek megfelelő világítást kell biztosítania az utasok által használt és szolgálati területeken, a következő előírásoknak megfelelően:
(2) a legalább 250 km/h legnagyobb tervezési sebességű egységek esetében a fő energiaellátás kiesése után legalább háromórás üzemidőre;
(3) a 250 km/h alatti legnagyobb tervezési sebességű egységek esetében a fő energiaellátás kiesése után legalább 90 perces üzemidőre.
(4) A megvilágításnak a padlózat szintjén legalább 5 lux fényerejűnek kell lennie.
(5) A konkrét területek megvilágítására vonatkozó értékeket és a megfelelőségértékelési módszereket a J-1. függelék 32. hivatkozásában említett előírás határozza meg.
(6) Tűz esetén a vészhelyzeti világítási rendszernek a vészhelyzeti világítás legalább 50 %-át legalább 20 percig meg kell tartania a tűzzel nem érintett járművekben. Ez a követelmény teljesítettnek minősül, ha a hibamódelemzés megfelelő eredménnyel zárul.
4.2.10.4.2. Füst elleni védelem
(1) Ez a pont minden egységre vonatkozik. Tűz esetén a füst utasok és/vagy személyzet által használt területekre történő átterjedését a következő követelmények alkalmazásával kell a lehető legkisebb mértékűre szorítani:
(2) A külső füst egységbe való bejutásának megelőzése érdekében le kell tudni állítani és zárni minden külső szellőzőberendezést.
Ezt a követelményt a vasútijármű-alrendszer egységeinek szintjén kell ellenőrizni.
(3) Az adott esetben a járműben levő füst terjedésének megakadályozása érdekében ki kell tudni kapcsolni a jármű szellőzését és levegő-visszaáramoltatását. Ez a szellőztetés kikapcsolásával érhető el.
(4) Megengedett ezen intézkedéseknek a személyzet általi kézi vagy távirányítással történő végrehajtása. Az intézkedés lehet vonat- vagy járműszintű.
(5) Az egységeken a fedélzeti ETCS kapcsolódási pontokra és telepített ETCS esetén a vonat "Légmentesen záró terület - Pálya menti utasítások" interfész funkciójára vonatkozó követelményeket a J-2. függelék B. hivatkozásában említett előírás határozza meg. A valamennyi külső szellőzőeszköz lezárására vonatkozó utasítások kiadása utólagosan történhet automatikusan vagy a vezető beavatkozásával manuálisan. A vasúti jármű automatikus vagy manuális vezérlés szerinti beállítását fel kell tüntetni a 4.2.12.2. pontban meghatározott műszaki dokumentációban.
(6) Az egységeken a fedélzeti ETCS kapcsolódási pontokra és telepített ETCS esetén a vonat "Légmentes zárás - STM-utasítások" interfész funkciójára vonatkozó követelményeket a J-2. függelék B. hivatkozásában említett előírás határozza meg. A valamennyi külső szellőzőeszköz lezárására vonatkozó utasítások kiadása utólagosan történhet automatikusan vagy a vezető beavatkozásával manuálisan. A vasúti jármű automatikus vagy manuális vezérlés szerinti beállítását fel kell tüntetni a 4.2.12.2. pontban meghatározott műszaki dokumentációban.
4.2.10.4.3. Utastéri vészjelző és utaskommunikációs eszközök
A követelményeket ezen ÁME 4.2.5.2., 4.2.5.3. és 4.2.5.4. pontja határozza meg.
4.2.10.4.4. Működőképesség
(1) Ez a pont valamennyi A és B kategóriájú személyszállító vasúti járműre vonatkozik (beleértve a személyvonati mozdonyokat is).
(2) Az egységet úgy kell kialakítani, hogy fedélzeti tűz esetén a vonat működőképessége lehetővé tegye a vonat biztonságos, tűzoltási pontra való eljutását.
(3) A megfelelés igazolható a J-1. függelék 33. hivatkozásában említett előírás alkalmazásával, amelyben a 2-es típusú tűz által érintett rendszerfunkciókra a következőknek kell vonatkozniuk:
- a tűzbiztonsági kategóriába tartozó vasúti járművek fékhatásosságát 4 perces időtartamon át kell értékelni;
- a B tűzbiztonsági kategóriába tartozó vasúti járművek fékhatásosságát 15 perces időtartamon át, legalább 80 km/h sebességnél kell értékelni.
4.2.10.5. Evakuálással kapcsolatos követelmények
4.2.10.5.1. Utasok által használandó vészkijáratok
(1) Ez a pont az utasok szállítására tervezett valamennyi egységre vonatkozik.
Fogalommeghatározások és pontosítások
(2) Vészkijárat: a vonatba épített, a vonatban tartózkodók veszélyhelyzetben való menekülését lehetővé tevő eszköz. A vonat külső ajtaja például jellemző vészkijárat-típus.
(3) Átjáró: olyan, vonaton keresztülvezető útvonal, amelynek megközelítése és elhagyása két különböző oldalról lehetséges, és amely lehetővé teszi az utasok és a személyzet vonat hosszanti tengelye mentén történő akadálytalan mozgását. Azok az átjáróban található belső ajtók, amelyek a normál üzem során utasok által használhatók, és amelyeket áramkimaradás esetén is ki lehet nyitni, nem minősülnek az utasok és a személyzet mozgását gátló akadálynak.
(4) Utastér: az utasok által külön engedély nélkül használható terület.
(5) Fülke: utastér vagy a személyzet által használt terület, amelyet az utasok, illetve a személyzet nem használhat átjáróként.
Követelmények
(6) A vészkijáratokat megfelelő mennyiségben kell elhelyezni az átjáró(k) mentén az egység mindkét oldalán. A vészkijáratokat meg kell jelölni. A vészkijáratoknak hozzáférhetőnek kell lenniük, és méretüknél fogva megfelelőnek kell lenniük személyek áthaladására.
(7) A vészkijáratoknak belülről nyithatónak kell lenniük.
(8) Minden külső utasajtót fel kell szerelni vésznyitóval, hogy azok vészkijáratként is használhatóak legyenek (lásd a 4.2.5.5.9. pontot).
(9) A legfeljebb 40 utasnak kialakított férőhellyel rendelkező járművekben legalább két vészkijáratnak kell lennie.
(10) A legalább 40 utasnak kialakított férőhellyel rendelkező járművekben legalább három vészkijáratnak kell lennie.
(11) Az utasszállításra szolgáló járművek mindkét oldalán legalább egy vészkijáratnak kell lennie.
(12) Az ajtók számának és méretének lehetővé kell tennie az utasok csomagok nélküli, három percen belüli teljes evakuálását. Megengedett annak figyelembevétele az evakuálás során, hogy a mozgáskorlátozott utasoknak más utasok vagy a személyzet segítséget nyújtanak, és hogy a kerekesszéket használókat a kerekesszék nélkül evakuálják.
E követelmény értékelését vagy normál üzemi körülmények között végzett fizikai vizsgálattal, vagy számítógépes szimulációval kell végezni.
A követelmény számítógépes szimulációval történő ellenőrzése esetén a szimulációról szóló jelentésnek a következőket kell tartalmaznia:
- a szimuláció (eszköz és modellek) ellenőrzésének és validálásának összefoglalása,
- a szimuláció alapfeltevése és paraméterei,
- statisztikailag megalapozott megállapításhoz elegendő számú szimulációs próba elvégzésének eredményei.
4.2.10.5.2. A vezetőfülke vészkijáratai
A követelményeket ezen ÁME 4.2.9.1.2.2. pontja határozza meg.
4.2.11. Szervizelés
4.2.11.1. Általános előírások
(1) A biztonságos üzemhez szükséges, karbantartások közötti szervizelést és kisebb javításokat el kell tudni végezni akkor is, ha a vonat nem a szokásos szervizelési honállomásán áll.
(2) Ez a rész a vonatok üzem közbeni vagy a hálózat valamely részén történő állása közbeni szervizelésére vonatkozó rendelkezéseket tartalmazza. E követelmények többségének célja, hogy a vasúti jármű rendelkezzen az ezen ÁME más szakaszaiban és az infrastruktúrára vonatkozó ÁME-ben előírt rendelkezések betartásához szükséges berendezésekkel.
(3) A vonatnak akkor is képesnek kell állva maradnia, ha nem tartózkodik rajta személyzet, a világítás, légkondicionálás, hűtött kocsik stb. energiaellátását pedig a a munkavezetékből érkező vagy tartalék áramforrásnak kell biztosítania.
4.2.11.2. A vonat külső tisztítása
4.2.11.2.1. Vezetőfülke szélvédőjének tisztítása
(1) Ez a pont valamennyi, vezetőfülkével ellátott egységre vonatkozik.
(2) Lehetővé kell tenni a vezetőfülke első ablakainak a vonaton kívüli, alkatrész vagy fedőlap leszerelése nélküli tisztítását.
4.2.11.2.2. Külső tisztítás mosóberendezéssel
(1) Ez a pont a vonóerő kifejtésére képes olyan egységekre vonatkozik, amelyeket kívülről, mosóberendezéssel történő megtisztításra terveztek.
(2) Lehetővé kell tenni, hogy a kívülről, mosóberendezéssel megtisztítandó vonat vízszintes vágányon 2 km/h és 5 km/h közötti sebességgel közlekedjen. E követelmény célja a mosóberendezésekkel való kompatibilitás biztosítása.
4.2.11.3. Illemhelyürítő rendszer csatlakozása
(1) Ez a pont minden olyan zárt gyűjtőrendszerrel felszerelt (tiszta vagy visszaforgatott vizet használó) egységre vonatkozik, amelyet kellő időközönként ütemezetten, az arra kijelölt kocsiszínekben üríteni kell.
(2) Az egység illemhelyürítő rendszerhez való alábbi csatlakozásainak a következő követelményeknek kell megfelelniük:
i. 3 hüvelykes ürítőszelep (belső rész): lásd a G. függelék G-1. ábráját.
ii. az illemhelytartály öblítőcsatlakozása (belső rész), amelynek használata nem kötelező: lásd a G. függelék G-2. ábráját.
4.2.11.4. Nincs használatban
4.2.11.5. Vízfeltöltő csatlakozás
(1) Ez a pont a 4.2.5.1. pont alá tartozó, az egészségügyi rendszereket vízzel ellátó víztartállyal felszerelt egységekre vonatkozik.
(2) A víztartályok beömlőcsatlakozójának meg kell felelnie a J-1. függelék 34. hivatkozásában említett előírásnak.
4.2.11.6. A vonatok tárolására vonatkozó külön követelmények
(1) Ez a pont azokra az egységekre vonatkozik, amelyek álló helyzetben is energiaellátást igényelnek.
(2) Az egységnek kompatibilisnek kell lennie a következő külső energiaellátó rendszerek közül legalább eggyel, és azt (adott esetben) fel kell szerelni az adott energiaellátó rendszerekhez való megfelelő külső csatlakozóval (dugasszal):
- tápvezeték (lásd az energiaellátásról szóló 4.2.8.2. pontot);
- egypólusú tápvezeték (1 kV-os váltakozó áramú, 1,5 kV-os váltakozó és egyenáramú, 3 kV-os egyenáramú rendszer) a J-1. függelék 52. hivatkozásában említett előírással összhangban;
- 400 V-os helyi külső kiegészítő energiaellátás, amely a J-1. függelék 35. hivatkozásában említett előírás szerint háromfázisú földelt aljzathoz csatlakoztatható.
4.2.11.7. Üzemanyagtöltő berendezés
(1) Ez a pont az üzemanyagtöltő rendszerrel felszerelt egységekre vonatkozik.
(2) A 2009/30/EK európai parlamenti és tanácsi irányelv ( 16 ) II. melléklete szerinti, dízelüzemanyagot használó vonatokat üzemanyagtöltő csatlakozással kell felszerelni a jármű mindkét oldalán, a sín szintjétől számított legfeljebb 1 500 mm-es magasságban; a csatlakozás alakjának legalább 70 mm átmérőjű körnek kell lennie.
(3) A más típusú dízelüzemanyagot használó vonatokat üzembiztos nyílással és üzemanyagtartállyal kell felszerelni annak megakadályozására, hogy ne a megfelelő üzemanyaggal töltsék fel.
(4) Az üzemanyagtöltő-csatlakozás típusát fel kell tüntetni a műszaki dokumentációban.
4.2.11.8. A vonatok belső takarítása - energiaellátás
(1) A legalább 250 km/h legnagyobb tervezési sebességű egységek esetében az egységen belül 230 V-os 3 000 VA-es, 50 Hz-es tápcsatlakozókat kell biztosítani; ezeket úgy kell elhelyezni, hogy a jármű egyetlen takarítandó része se legyen 12 méternél távolabb az aljzatok egyikétől sem.
4.2.12. Üzemeltetési és karbantartási dokumentáció
(1) A 4.2.12. pontban meghatározott követelmények valamennyi egységre vonatkoznak.
4.2.12.1. Általános előírások
(1) Az ÁME 4.2.12. pontja ismerteti az (EU) 2016/797 irányelv IV. mellékletének 2.4. a) pontjában ("Műszaki dokumentáció") előírt dokumentációt: "a tervezéshez kapcsolódó műszaki jellemzők, beleértve az érintett alrendszerre vonatkozó, a kivitelezéssel megegyező általános és részletes tervrajzok, elektromos kapcsolási rajzok és a hidraulikus rendszer rajzai, vezérlőáramköri ábrák, adatfeldolgozó és automatikus rendszerek leírása, üzemeltetési és karbantartási dokumentáció stb."
(2) Ez a dokumentáció része a kérelmező által összeállított műszaki dokumentációnak és csatolni kell az EK hitelesítési nyilatkozathoz. A dokumentációt a kérelmezőnek az alrendszer teljes élettartama alatt meg kell őriznie.
(3) A kérelmező vagy a kérelmező által felhatalmazott valamely szervezet (pl. kocsi-üzembentartó) átadja e dokumentációnak a karbantartási dokumentáció - (EU) 2016/798 európai parlamenti és tanácsi irányelv ( 17 ) 14. cikke (3) bekezdésének b) pontja szerinti - kezeléséhez szükséges részét a karbantartásért felelős szervezetnek, amint azt az egység karbantartására kijelölik.
(4) A dokumentáció magában foglalja a biztonsági szempontból kritikus alkatrészek jegyzékét is. A biztonsági szempontból kritikus alkatrészek olyan alkatrészek, amelyek esetében feltételezhető, hogy egyetlen hiba közvetlenül az (EU) 2016/798 irányelv 3. cikkének 12. pontjában meghatározott súlyos balesetet okozhat.
(5) A dokumentáció tartalmát az alábbi pontok ismertetik.
4.2.12.2. Általános dokumentáció
A következő információkat tartalmazó dokumentációt kell megadni a járművekre vonatkozóan; az információknál hivatkozás szerepel ezen ÁME azon pontjára, amely a dokumentációban való feltüntetést előírja:
(1) általános tervrajzok;
(2) elektromos, pneumatikus és hidraulikus rendszerek ábrái, valamint vezérlőáramköri ábrák, amelyek az érintett alrendszerek funkciójának és működésének ismertetéséhez szükségesek;
(3) a számítógépes fedélzeti rendszerek leírása, beleértve a funkciók ismertetését, illetve a kapcsolódási pontok, az adatfeldolgozás és a protokollok műszaki adatait;
(3a) az általános üzemre tervezett és értékelt egységek esetében ez tartalmazza az egységek és a kommunikációs protokollok közötti elektromos kapcsolódási pontok leírását, hivatkozással az alkalmazott szabványokra vagy egyéb normatív dokumentumokra.
(4) referenciaprofil, és a kölcsönös átjárhatóságot lehetővé tevő G1., GA., GB., GC. vagy DE3. referenciaprofiloknak való megfelelés, a 4.2.3.1. pontban előírtak szerint;
(5) súlykiegyenlítés a figyelembe vett terhelési körülményekre vonatkozó feltételezett adatokkal, a 4.2.2.10. pontban előírtak szerint;
(6) tengelyterhelés, tengelytáv és EN-vonalkategória, a 4.2.3.2.1. pontban előírtak szerint;
(7) menetdinamikai viselkedésre vonatkozó vizsgálati jelentés, ideértve a tesztvágány minőségének és a vágányterhelési paramétereknek a feljegyzését, kitérve az esetleges használati korlátozásokra, ha a jármű vizsgálata csak a vizsgálati feltételek egy részére terjed ki, a 4.2.3.4.2. pontban előírtak szerint;
(8) a forgóváz működése miatti terhelés értékeléséhez megadott feltételezett adatok a 4.2.3.5.1. pontban, a kerékpárokra pedig a 6.2.3.7. pontban előírtak szerint;
(9) fékhatásosság, beleértve az üzemhibára (korlátozott üzemre) vonatkozó elemzést, a 4.2.4.5. pontban előírtak szerint;
(9a) az örvényáramú fék és a vágány közötti legnagyobb távolság "fékoldás" pozícióban, a meghatározott sebességküszöb, a függőleges erő és a fékerő a vonat sebessége függvényében az örvényáramú fék korlátozás nélküli alkalmazása (vészfékezés) és az örvényáramú fék korlátozott alkalmazása esetén (üzemi fékezés), a 4.2.4.8.3. pontban előírtak szerint;
(10) az egységben felszerelt mosdók és azok típusa, az öblítéshez használt anyag jellemzői, ha az nem tiszta víz, a kiengedett vízhez használt kezelési módszer és megfelelőség-ellenőrzés elvégzése során figyelembe vett szabványok, a 4.2.5.1. pontban előírtak szerint;
(11) a környezeti paraméterek névleges tartománytól eltérő választott tartományával kapcsolatban végrehajtott intézkedések, a 4.2.6.1. pontban előírtak szerint;
(12) jellemző szélgörbe, a 4.2.6.2.4. pontban előírtak szerint;
(13) vontatási teljesítmény, a 4.2.8.1.1. pontban előírtak szerint;
(14) fedélzeti villamosenergiafogyasztás-mérő rendszer beszerelése és annak fedélzeti helyzetmeghatározó funkciója (opcionális), a 4.2.8.2.8. pontban előírtak szerint. A fedélzet-föld közötti kommunikáció és a metrológiai ellenőrzés leírása - beleértve a feszültségmérés, az áramerősség-mérés és az energiakiszámítás pontossági osztályához kapcsolódó funkciókat is.
A 4.2.8.2.8.2. (6) pont alkalmazása esetén a fedélzeti villamosenergiafogyasztás-mérő rendszer elemeinek a korlátozott követelményrendszer tekintetében való megfelelésére vonatkozó jellemzők;
(15) a figyelembe vett feltevések és adatok, a 4.2.8.2.7. pontban előírtak szerint;
(16) a felsővezetékkel egyidejűleg érintkező áramszedők száma, azok távolsága és a munkavezeték-értékelési vizsgálatokhoz használt térköz típusa (A, B vagy C), a 4.2.8.2.9.7. pontban előírtak szerint;
(17) a (mozdonyvezetőn kívüli) személyzet jelenléte nélküli üzemre tervezett egységeken elhelyezett kommunikációs eszközök, a 4.2.5.4. pontban előírtak szerint;
(18) a 4.2.9.3.7. és a 4.2.9.3.7a. pontban említett egy vagy több funkció rendelkezésre állása és azok vonatszintű felhasználási feltételei;
(19) a villamos egységre felszerelt áramszedőfej geometriai típusa(i), a 4.2.8.2.9.2. pontban előírtak szerint;
(20) az értékelt legnagyobb áramerősség (névleges áramerősség), a 4.2.8.2.4. pontban előírtak szerint;
(21) egyenáramú rendszerek esetében: az elektromosenergia-tároló üzemeltetési dokumentációja, az álló helyzetben felvett legnagyobb áramerősség mért értéke, és a munkavezeték anyagára vonatkozó mérési feltételek, a 4.2.8.2.5. pontban előírtak szerint;
(22) a fényszórók villogó/felvillanó üzemmódjának bekapcsolására és letiltására szolgáló beszerelt vezérlőszervek, a 4.2.7.1.4. pontban előírtak szerint;
(23) a vonat interfész funkcióinak leírása, beleértve a kapcsolódási pontok és protokollok műszaki adatait, általános rajzokat, valamint a kapcsolódási pont működésének és üzemeltetésének ismertetéséhez szükséges vezérlőáramköri kapcsolási rajzokat;
(24) az alábbi információkkal kapcsolatos dokumentáció:
- az ellenőrző-irányító és jelző alrendszerre vonatkozó ÁME-ban meghatározott fedélzeti ETCS-berendezések (pl. ETCS-szekrény, DMI, antennák, odometriai funkciók, stb.) telepítésére rendelkezésre álló tér, és
- az ETCS-berendezések beszerelési feltételei (pl. mechanikai, elektromos, stb.).
(25) az utasítások automatikus vagy manuális végrehajtására beállított járműösszeállítás, a 4.2.4.4.4., a 4.2.4.8.2., a 4.2.4.8.3., a 4.2.8.2.4., a 4.2.8.2.9.8. és a 4.2.10.4.2. pontban említettek szerint. Az ETCS telepítésekor ezt az információt kérésre meg kell adni;
(26) a 7.1.1.5. pontban meghatározott feltételeknek megfelelő egységek esetében a következő jellemzőket kell megadni:
i. az egypólusú tápvezetéken alkalmazandó feszültség a 4.2.11.6. (2) pontban foglaltak szerint,
ii. az egység által álló helyzetben, egypólusú tápvezetéken keresztül felhasznált legnagyobb áramfogyasztás (A), az egypólusú tápvezetéken alkalmazott minden feszültség tekintetében,
iii. a J-2. függelék A. hivatkozásában említett előírásban és adott esetben az ellenőrző-irányító és jelző alrendszerre vonatkozó ÁME 13. cikkében említett egyedi esetekben vagy műszaki dokumentumokban meghatározott egyes frekvenciasávok szabályozására vonatkozóan:
1. legnagyobb interferenciaáram (A) és az alkalmazandó összesítési szabály,
2. legnagyobb mágneses mező (dBμA/m) az elektromágneses mező és a visszavezetett áram okozta mágneses mező esetében egyaránt, valamint az alkalmazandó összesítési szabály,
3. a jármű legkisebb impedanciája (Ohm),
iv. adott esetben az ellenőrző-irányító és jelző alrendszerre vonatkozó ÁME 13. cikkében említett egyedi esetekben és műszaki dokumentumokban meghatározott összehasonlítható paraméterek.
(27) a 7.1.1.5.1. pontban meghatározott feltételeket alkalmazó egységek esetében meg kell adni az egységnek a 7.1.1.5.1. pont (19)-(22) pontja szerinti követelményeknek való megfelelését/meg nem felelését.
(28) a 7.1.1.6. pontban meghatározott feltételeket alkalmazó egységek esetében meg kell adni az egységnek a 7.1.1.6.1. pont (13), (15), (26) és (27) pontja szerinti követelményeknek való megfelelését/meg nem felelését.
4.2.12.3. Karbantartási dokumentáció
(1) A karbantartási tevékenységek célja a funkcionális egység állapotának az előírt funkciójának ellátásához szükséges megőrzése vagy visszaállítása, biztosítva a funkcionális egység biztonsági rendszerekkel való folyamatos integritását és a vonatkozó szabványoknak való megfelelését.
A következő információkat meg kell adni a vasúti járművek karbantartásának elvégzéséhez:
(2) A karbantartás tervezését igazoló dokumentáció: ismerteti, miként kerülnek meghatározásra és megtervezésre a karbantartási tevékenységek annak érdekében, hogy a jármű jellemzői élettartama alatt az elfogadható használati határértékeken belül maradjanak.
A karbantartás tervezését igazoló dokumentációban az ellenőrzési kritériumok és a karbantartási időközök meghatározása céljából szerepelnie kell a kiindulási adatoknak.
(3) A karbantartást ismertető dokumentáció: ismerteti, miként ajánlott elvégezni a karbantartási tevékenységeket.
4.2.12.3.1. A karbantartás tervezését igazoló dokumentáció
A karbantartás tervezését igazoló dokumentációnak a következőket kell tartalmaznia:
(1) az egység karbantartásának tervezésénél alkalmazott előzmények, elvek és módszerek;
(1a) A biztonsági szempontból kritikus rendszerelemek, valamint azok konkrét üzemeltetési, szervizelési, karbantartási és nyomonkövethetőségi követelményei beazonosításánál alkalmazott előzmények, elvek és módszerek.
(2) használati profil: a jármű normál használatához megadott határértékek (például km/hónap, éghajlati határértékek, tervezett rakománytípusok stb.);
(3) a karbantartás tervezésénél alkalmazott megfelelő adatok és azok forrása (tapasztalati visszajelzés);
(4) a karbantartás tervezésekor elvégzett tesztek, vizsgálatok és számítások;
a karbantartáshoz szükséges többi eszközt (létesítmények, szerszámok stb.) a 4.2.12.3.2. pont ("A karbantartást ismertető dokumentáció") ismerteti.
4.2.12.3.2. A karbantartást ismertető dokumentáció
(1) A karbantartást ismertető dokumentáció leírja a karbantartás végrehajtásának módját.
(2) A karbantartás körébe tartozik az összes szükséges tevékenység, úgymint az ellenőrzések, a figyelemmel kísérés, a vizsgálatok, a mérések, a cserék, a beállítások és a javítások.
(3) A karbantartási tevékenységek az alábbiakra oszthatóak:
- megelőző, ütemezett és ellenőrzött karbantartás,
- korrekciós karbantartás.
A karbantartást ismertető dokumentáció a következőket tartalmazza:
(4) Az egység felépítése és működésének leírása: a vasúti járművet alkotó alkatrészek részegységeinek felsorolásával és az egyes szintekhez megfelelő számok hozzárendelésével meghatározza a vasúti jármű határait. A hierarchia legalacsonyabb szintű elemeit a cserélhető egységek alkotják.
(5) Sematikus kapcsolási rajzok, csatlakoztatási rajzok és huzalozási rajzok.
(6) Alkatrészlista: az alkatrészlista a tartalék alkatrészek (cserélhető elemek) műszaki és funkcionális leírását tartalmazza.
A listának tartalmaznia kell az állapottól függően cserélendő alkatrészek listáját, illetve azok listáját, amelyeket elektromos vagy mechanikus meghibásodást követően kell cserélni, illetve amelyek cseréje véletlen károsodás következtében várhatóan szükséges (például szélvédő).
A kölcsönös átjárhatóságot lehetővé tevő rendszerelemeket fel kell tüntetni, és hivatkozni kell a vonatkozó megfelelőségi nyilatkozatra.
(6a) A biztonsági szempontból kritikus alkatrészek listája: A biztonsági szempontból kritikus alkatrészek listájának tartalmaznia kell a konkrét szervizelési, karbantartási és szervizelés/karbantartás-nyomonkövethetőségi követelményeket.
(7) Fel kell tüntetni azokat a határértékeket, amelyeket a rendszerelemek üzem közben nem léphetnek át, és megengedett a korlátozott módbeli üzemeltetési korlátozások (határérték elérése esetén) megadása.
(8) Európai jogi kötelezettségek: fel kell sorolni azokat az európai jogi kötelezettségeket, amelyek adott esetben a részegységekre vagy rendszerekre vonatkoznak.
(9) A feladatok rendezett felsorolása, amelybe beletartoznak a kérelmező által a karbantartás elvégzésére javasolt tevékenységek, eljárások és eszközök.
(10) A karbantartási tevékenységek ismertetése.
A következő szempontokat kell dokumentálni (amennyiben az alkalmazásra jellemzők):
- szét- és összeszerelési utasítások, a cserélhető alkatrészek helyes szét- és összeszereléséhez szükséges rajzokkal,
- karbantartási kritériumok,
- ellenőrzések és vizsgálatok,
- a feladat elvégzéséhez szükséges eszközök és anyagok (különleges szerszámok),
- a feladat elvégzéséhez szükséges fogyóeszközök,
- személyi biztonsági rendelkezések és (különleges) védőfelszerelések.
(11) A vasúti jármű egyes karbantartási műveletek utáni ismételt üzembe helyezése előtt elvégzendő, szükséges vizsgálatok és eljárások.
(12) Hibakeresési (hibadiagnosztikai) kézikönyv minden ésszerűen előre látható meghibásodás esetére, amely tartalmazza a rendszerek funkcionális és sematikus ábráit; illetve számítógépes hibakereső rendszerek.
4.2.12.4. Üzemi dokumentáció
Az egység üzemeltetéséhez szükséges üzemi dokumentáció a következőkből áll:
(1) A normál üzemmód leírása, ideértve az egység üzemeltetési jellemzőit és korlátozásait (pl. a jármű rakszelvénye, tervezett legnagyobb sebessége, tengelyterhelése, fékteljesítménye, az egységgel kompatibilis nyomtávszabályozó berendezés(ek) típusa(i) és működése).
(2) Az ÁME-ben bemutatott berendezések vagy funkciók biztonsági szempontból jelentőséggel bíró meghibásodása esetén az ésszerűen előrelátható különböző korlátozott módok, valamint a kapcsolódó elfogadható határértékeknek és az egység esetlegesen előforduló üzemi feltételeinek ismertetése.
(3) Az ÁME-ben bemutatott berendezések vagy funkciók (például a fékezési funkcióhoz kapcsolódó 4.2.4.9. pont) biztonsági szempontból jelentőséggel bíró meghibásodásának azonosítását lehetővé tevő irányító- és ellenőrző rendszerek ismertetése.
(3a) A biztonsági szempontból kritikus alkatrészek listája: A biztonsági szempontból kritikus alkatrészek listája tartalmazza a konkrét üzemeltetési és nyomonkövethetőségi követelményeket.
(4) Ez a műszaki üzemi dokumentáció a műszaki dokumentáció része.
4.2.12.5. Emelési diagram és utasítások
A dokumentációnak tartalmaznia kell:
(1) az emelési eljárások leírása és a kapcsolódó utasítások;
(2) az emelési kapcsolódási pontok leírása.
4.2.12.6. Mentési dokumentáció
A dokumentációnak tartalmaznia kell:
(1) például a vészkijáratok használatára, a vasúti járműbe mentési céllal való belépésre, a fékek leválasztására, az elektromos földelésre, a vontatásra vonatkozó vészhelyzeti intézkedések alkalmazási eljárásainak és a szükséges óvintézkedéseknek a leírása;
(2) a bemutatott vészhelyzeti intézkedések hatásának, például a fékek leválasztását követően a fékhatásosság csökkenésének a leírása.
4.2.13. Az automatikus vonatüzemeltetés fedélzeti kapcsolódási pontjára vonatkozó követelmények
(1) Ez az alapvető paraméter a fedélzeti ETCS-rendszerrel ellátott és a legfeljebb 2. automatizáltsági fokú automatikus vonatüzemeltetési rendszerrel (ATO) felszerelendő egységek kapcsolódási pontjára vonatkozó követelményeket ismerteti. A követelmények a legfeljebb 2. automatizáltsági fokú vonatok üzemeltetéséhez szükséges funkciókkal kapcsolatosak, az ellenőrző-irányító és jelző alrendszerre vonatkozó ÁME-ban foglaltak szerint.
(2) Az egységeken a fedélzeti ETCS kapcsolódási pontokra és telepített ATO esetén a vonat "automatizált vezetés" interfész funkciójára vonatkozó követelményeket a J-2. függelék B. hivatkozásában említett előírás határozza meg.
(3) Amennyiben a fedélzeti ATO GoA1/2 funkciót újonnan kialakított járműkonstrukcióra szerelik fel, az ellenőrző-irányító és jelző alrendszerre vonatkozó ÁME A. függelékének 84. és 88. hivatkozása alkalmazandó.
(4) Amennyiben a fedélzeti ATO GoA1/2 funkciót meglévő járműtípusra vagy üzemben lévő járműre szerelik fel, a 84. hivatkozás kötelező, míg a 88. hivatkozás önkéntes alapon alkalmazható.
4.3. A kapcsolódási pontokra vonatkozó funkcionális és műszaki előírások
4.3.1. Kapcsolódási pontok az energia alrendszerrel
6. táblázat
Kapcsolódási pontok az energia alrendszerrel
| Megfeleltetés a mozdonyokra és személyszállító vasúti járművekre vonatkozó ÁME-val | Megfeleltetés az energiaellátásra vonatkozó ÁME-val | ||
| Paraméter | Pont | Paraméter | Pont |
| Méretezés | 4.2.3.1. | Az áramszedő szelvénye | 4.2.10. |
| Az áramszedőfej geometriája | 4.2.8.2.9.2. | D. függelék | |
| Feszültség- és frekvenciatartományon belüli üzem | 4.2.8.2.2. | Feszültség és frekvencia | 4.2.3. |
| A felsővezetékből engedélyezett legnagyobb áramerősség | 4.2.8.2.4. | Vontatási energiaellátási teljesítmény | 4.2.4. |
| Teljesítménytényező | 4.2.8.2.6. | Vontatási energiaellátási teljesítmény | 4.2.4. |
| Legnagyobb áramfelvétel álló helyzetben | 4.2.8.2.5. | Áramerősség a jármű álló helyzetében | 4.2.5. |
| Visszatápláló fékezés a felsővezetékbe történő energia-visszatáplálással | 4.2.8.2.3. | Visszatápláló fékezés | 4.2.6. |
| Energiafogyasztás-mérési funkció | 4.2.8.2.8. | Pálya menti energiafogyasztási adatgyűjtő rendszer | 4.2.17. |
| Az áramszedő magassága | 4.2.8.2.9.1. | A felsővezeték geometriai jellemzői | 4.2.9. |
| Az áramszedőfej geometriája | 4.2.8.2.9.2. | ||
| A csúszóbetét anyaga | 4.2.8.2.9.4. | A munkavezeték anyaga | 4.2.14. |
| Az áramszedő statikus sarunyomása | 4.2.8.2.9.5. | Átlagos sarunyomás | 4.2.11. |
| Az áramszedő sarunyomása és dinamikai jellemzői | 4.2.8.2.9.6. | Dinamikai jellemzők és az áramfelvétel minősége | 4.2.12. |
| Az áramszedők elrendezése | 4.2.8.2.9.7. | Áramszedők közötti távolság | 4.2.13. |
| Fázis- vagy rendszerhatáron való áthaladás | 4.2.8.2.9.8. | Fázis- és rendszerhatárok: | |
| — fázis | 4.2.15. | ||
| — rendszer | 4.2.16. | ||
| A vonat elektromos védelme | 4.2.8.2.10. | Az elektromos védelem összehangolásával kapcsolatos intézkedések | 4.2.7. |
| Felharmonikus és dinamikus hatások váltakozó áramú rendszerek esetében | 4.2.8.2.7. | Váltakozó áramú vontatási rendszerekre vonatkozó felharmonikus és dinamikus hatások | 4.2.8. |
4.3.2. Kapcsolódási pontok az infrastruktúra alrendszerrel
7. táblázat
Kapcsolódási pontok az infrastruktúra alrendszerrel
| Megfeleltetés a mozdonyokra és személyszállító vasúti járművekre vonatkozó ÁME-val | Megfeleltetés az infrastruktúrára vonatkozó ÁME-val | ||
| Paraméter | Pont | Paraméter | Pont |
| A vasúti jármű kinematikus szelvénye | 4.2.3.1. | Szerkesztési szelvény | 4.2.3.1. |
| Vágánytengely-távolság | 4.2.3.2. | ||
| Legkisebb függőleges ívsugár | 4.2.3.5. | ||
| Tengelyterhelési paraméter | 4.2.3.2.1. | A vágány függőleges terheléssel szembeni ellenállása | 4.2.6.1. |
| A vágány keresztirányú erőkkel szembeni ellenállása Az új hidak forgalmi terheléssel szembeni ellenállása | 4.2.6.3. 4.2.7.1. | ||
| Új alépítmények egyenértékű függőleges irányú terhelése és talajnyomásbeli hatások | 4.2.7.2. | ||
| Meglévő hidak és alépítmények forgalmi terheléssel szembeni ellenállása | 4.2.7.4. | ||
| Menetdinamikai viselkedés | 4.2.3.4.2. | Túlemeléshiány | 4.2.4.3. |
| Menetdinamikai vágányterhelési határértékek | 4.2.3.4.2.2. | A vágány függőleges terheléssel szembeni ellenállása | 4.2.6.1. |
| A vágány keresztirányú erőkkel szembeni ellenállása | 4.2.6.3. | ||
| Egyenértékű kúposság | 4.2.3.4.3. | Egyenértékű kúposság | 4.2.4.5. |
| A kerékpár geometriai jellemzői | 4.2.3.5.2.1. | Névleges nyomtáv | 4.2.4.1. |
| A kerekek geometriai jellemzői | 4.2.3.5.2.2. | Nyíltvonali sínfejprofil | 4.2.4.6. |
| Automatikusan változtatható nyomtávú rendszerek | 4.2.3.5.3. | Váltók és kitérők üzem közbeni geometriája | 4.2.5.3. |
| Legkisebb ívsugár | 4.2.3.6. | Legkisebb vízszintes ívsugár | 4.2.3.4. |
| Legnagyobb átlagos lassulás | 4.2.4.5.1. | A vágány hosszirányú erőkkel szembeni ellenállása | 4.2.6.2. |
| A vontatás és a fékezés miatti hatások | 4.2.7.1.5. | ||
| Légörvényhatás | 4.2.6.2.1. | Vágányok feletti vagy melletti új műtárgyak ellenállása | 4.2.7.3. |
| Légnyomásimpulzus | 4.2.6.2.2. | Maximális nyomásingadozás alagutakban | 4.2.10.1. |
| Maximális nyomásingadozás alagutakban | 4.2.6.2.3. | Vágánytengely-távolság | 4.2.3.2. |
| Oldalszél | 4.2.6.2.4. | Az oldalszél hatása | 4.2.10.2. |
| Ágyazatos vágányokat érő aerodinamikai hatás | 4.2.6.2.5. | Zúzottkő-felverődés | 4.2.10.3. |
| Illemhelyürítő rendszer | 4.2.11.3. | Illemhelyürítés | 4.2.12.2. |
| Külső tisztítás mosóberendezéssel | 4.2.11.2.2. | A szerelvény külső tisztítására szolgáló eszközök | 4.2.12.3. |
| Vízfeltöltő csatlakozás | 4.2.11.5. | Vízfeltöltés | 4.2.12.4. |
| Üzemanyagtöltő berendezés | 4.2.11.7. | Üzemanyag-feltöltés | 4.2.12.5. |
| A vonatok tárolására vonatkozó külön követelmények | 4.2.11.6. | Pálya menti áramellátás | 4.2.12.6. |
4.3.3. Kapcsolódási pontok az üzemeltetés alrendszerrel
8. táblázat
Kapcsolódási pontok az üzemeltetés alrendszerrel
| Megfeleltetés a mozdonyokra és személyszállító vasúti járművekre vonatkozó ÁME-val | Megfeleltetés a forgalmi szolgálatra és forgalomirányításra vonatkozó ÁME-val | ||
| Paraméter | Pont | Paraméter | Pont |
| Mentésre szolgáló kapcsolókészülék | 4.2.2.2.4. | Üzemmenet folytonosságát visszaállító intézkedések | 4.2.3.6.3. |
| Tengelyterhelési paraméter | 4.2.3.2. | A vonatok összeállítása | 4.2.2.5. |
| Fékhatásosság | 4.2.4.5. | A vonat fékezése | 4.2.2.6. |
| Külső elülső és hátsó lámpák | 4.2.7.1. | A vonat láthatósága | 4.2.2.1. |
| Kürt | 4.2.7.2. | A vonat hallhatósága | 4.2.2.2. |
| Kilátás | 4.2.9.1.3. | A vonal menti jelek és jelzések láthatóságára vonatkozó követelmények | 4.2.2.8. |
| A szélvédő optikai jellemzői | 4.2.9.2.2. | ||
| Belső világítás | 4.2.9.1.8. | ||
| A mozdonyvezető aktivitását ellenőrző funkció | 4.2.9.3.1. | A vezetői éberséget figyelemmel kísérő berendezés | 4.2.2.9. |
| Adatrögzítő berendezés | 4.2.9.6. | Vonatfedélzeti nyomonkövetési adatok rögzítése | 4.2.3.5. I. függelék |
4.3.4. Kapcsolódási pontok az ellenőrző-irányító és jelző alrendszerrel
9. táblázat
Kapcsolódási pontok az ellenőrző-irányító és jelző alrendszerrel
| Megfeleltetés a mozdonyokra és személyszállító vasúti járművekre vonatkozó ÁME-val | Megfeleltetés az ellenőrző-irányító és jelző alrendszerre vonatkozó ÁME-val | ||
| Paraméter | Pont | Paraméter | Pont |
| Méretezés | 4.2.3.1. | Fedélzeti ellenőrző-irányító és jelző berendezés antennájának helye | 4.2.2. |
| A járművek jellemzői a sínáramkörös vonatérzékelő rendszerekkel való kompatibilitás tekintetében | 4.2.3.3.1.1. | Kompatibilitás a pálya menti vonatérzékelő rendszerekkel: járműkonstrukció | 4.2.10. |
| Elektromágneses összeegyeztethetőség a járművek és a pálya menti ellenőrző-irányító és jelző berendezések között | 4.2.11. | ||
| A jármű tengelyszámlálón alapuló vonatérzékelő rendszerrel való kompatibilitási jellemzői | 4.2.3.3.1.2. | Kompatibilitás a pálya menti vonatérzékelő rendszerekkel: járműkonstrukció | 4.2.10. |
| Elektromágneses összeegyeztethetőség a járművek és a pálya menti ellenőrző-irányító és jelző berendezések között | 4.2.11. | ||
| A jármű hurokberendezéssel való kompatibilitási jellemzői | 4.2.3.3.1.3. | Kompatibilitás a pálya menti vonatérzékelő rendszerekkel: járműkonstrukció | 4.2.10. |
| Menetdinamikai viselkedés | 4.2.3.4.2. | Fedélzeti ETCS: információk, illetve utasítások továbbítása és a járművektől érkező állapotadatok fogadása | 4.2.2. |
| A fékrendszer típusa | 4.2.4.3. | ||
| Vészfékezés vezérlése | 4.2.4.4.1. | ||
| Üzemi fékezés vezérlése | 4.2.4.4.2. | ||
| Dinamikus fékezés vezérlése | 4.2.4.4.4. | ||
| Mágneses sínfék | 4.2.4.8.2. | ||
| Örvényáramú sínfék | 4.2.4.8.3. | ||
| Ajtónyitás | 4.2.5.5.6. | ||
| Teljesítménykövetelmények | 4.2.8.1.2. | ||
| A felsővezetékről felvehető legnagyobb teljesítmény és áramerősség | 4.2.8.2.4. | ||
| Fázis- és rendszerhatárok | 4.2.8.2.9. 8. | ||
| Vezetőasztal – ergonómiai kialakítás | 4.2.9.1.6. | ||
| Személyzet által, rádiótávirányítással irányított tolatási műveletek | 4.2.9.3.6. | ||
| Az ETCS-üzemmódok kezelésére vonatkozó követelmények | 4.2.9.3.8. | ||
| Vontatási állapot | 4.2.9.3.9. | ||
| Füstvédelem | 4.2.10.4.2. | ||
| Vészfékhatásosság | 4.2.4.5.2. | A vonat garantált fékhatásossága és jellemzői | 4.2.2. |
| Üzemi fékhatásosság | 4.2.4.5.3. | ||
| Fényszórók | 4.2.7.1.1. | A pálya menti ellenőrző-irányító és jelző tárgyak | 4.2.15. |
| Kilátás | 4.2.9.1.3. | A pálya menti ellenőrző-irányító és jelző tárgyak láthatósága | 4.2.15. |
| Optikai jellemzők | 4.2.9.2.2. | ||
| Adatrögzítő berendezés | 4.2.9.6. | Kapcsolódási pont a szabályozási célú adatrögzítéshez | 4.2.14. |
| Dinamikus fékezés irányítása (visszatápláló fék irányítása) | 4.2.4.4.4. | Az ETCS DMI beállítása | 4.2.12. |
| Mágneses sínfék (irányítás) | 4.2.4.8.2. | ||
| Örvényáramú sínfék (irányítás) | 4.2.4.8.3. | ||
| Fázis- és rendszerhatárok | 4.2.8.2.9.8. | ||
| Füstvédelem | 4.2.10.4.2. | ||
| Automatikus vonatüzemeltetéssel való kapcsolódásra vonatkozó követelmények | 4.2.13. | Fedélzeti ATO funkció | 4.2.18. |
| Rendszerkövetelmény-előírás | Az ellenőrző-irányító és jelző alrendszerre vonatkozó ÁME A. függeléke A.2. táblázatának 84. hivatkozásában említett előírás | ||
| ATO-OB / JÁRMŰ FFFIS | Az ellenőrző-irányító és jelző alrendszerre vonatkozó ÁME A. függeléke A.2. táblázatának 88. hivatkozásában említett előírás | ||
| Fedélzeti ETCS: információk, illetve utasítások továbbítása és a járművektől érkező állapotadatok fogadása | 4.2.2. | ||
4.3.5. Kapcsolódási pontok a telematikai alkalmazások alrendszerrel
10. táblázat
Kapcsolódási pontok a telematikai alkalmazások alrendszerrel
| Megfeleltetés a mozdonyokra és személyszállító vasúti járművekre vonatkozó ÁME-val | Megfeleltetés a személyszállítási telematikai alkalmazások alrendszerre vonatkozó ÁME-val | ||
| Paraméter | Pont | Paraméter | Pont |
| Ügyfél-tájékoztatás (mozgáskorlátozott személyek) | 4.2.5. | A fedélzeti rendszer kijelzője | 4.2.13.1. |
| Utastájékoztató rendszer | 4.2.5.2. | Automatikus hangosbemondó és tájékoztató rendszer | 4.2.13.2. |
| Ügyfél-tájékoztatás (mozgáskorlátozott személyek) | 4.2.5. | ||
4.4. Üzemeltetési szabályok
(1) Figyelembe véve a 3. pontban említett alapvető követelményeket, a vasúti járművek üzemeltetésére ezen ÁME hatálya alá tartozó rendelkezéseket a következő pontok ismertetik:
- a 4.3.3. pont ("Kapcsolódási pontok az üzemeltetési alrendszerrel"), amely ezen ÁME 4.2. pontjának vonatkozó pontjaira hivatkozik.
- a 4.2.12. pont ("Üzemeltetési és karbantartási dokumentáció").
(2) Az üzemeltetési szabályok kialakítására a vasúttársaság biztonsági irányítási rendszerének keretében, e rendelkezések figyelembevételével kerül sor.
(3) Különösen az ezen ÁME 4.2.4.2.1. és 4.2.4.5.5. pontjában (fékezésre vonatkozó követelmények) meghatározott módon lejtőn megállított vonat mozdulatlanságát biztosító üzemeltetési szabályok szükségesek.
A hangosbemondó rendszer, az utastéri vészjelző és a vészkijáratok használatára, valamint a fel- és leszállásra szolgáló ajtók működtetésére vonatkozó szabályok kidolgozásakor figyelembe kell venni ezen ÁME és az üzemeltetési dokumentáció vonatkozó rendelkezéseit.
(3a) A biztonsági szempontból kritikus alkatrészek esetében a konkrét üzemeltetési és üzemeltetés-nyomonkövethetőségi követelmények kidolgozása a tervezési fázisban a tervezők/gyártók által, a járművek üzembe helyezése után pedig a tervezők/gyártók és az érintett vasúttársaságok közötti együttműködés keretében történik.
(4) A 4.2.12.4. pontban ismertetett műszaki üzemeltetési dokumentáció tartalmazza a vasúti járművek korlátozott módban történő üzemeltetésére vonatkozó szabályok meghatározásakor figyelembe veendő jellemzőket.
(5) Meg kell határozni az emelési eljárásokat (ideértve a kisiklott vagy normál haladásra képtelen vonat mentési módszereit és eszközeit) figyelemmel a következő szabályokra:
- az ezen ÁME 4.2.2.6. és 4.2.12.5. pontjában leírt emelési szabályok,
- az ezen ÁME 4.2.4.10. és 4.2.12.6. pontjában ismertetett mentési célú fékhasználatra vonatkozó rendelkezések.
(6) A helyhez kötött berendezésekért felelős szervezetnek a vágány mellett dolgozókra vagy ott tartózkodó utasokra vonatkozó biztonsági szabályokat az ÁME és a műszaki dokumentáció vonatkozó rendelkezéseire (például a sebesség hatása) figyelemmel kell kidolgoznia.
4.5. Karbantartási szabályok
(1) Figyelemmel a 3. pontban említett alapvető követelményekre, a vasúti járművek karbantartására ezen ÁME hatálya alá tartozó rendelkezések a következők:
- 4.2.11. Pont: "Szervizelés";
- 4.2.12. pont: "Üzemeltetési és karbantartási dokumentáció".
(2) A 4.2. pont egyéb rendelkezései (4.2.3.4. és 4.2.3.5. pont) határozzák meg bizonyos jellemzők tekintetében a karbantartási tevékenységek során ellenőrizendő határértékeket.
(2a) A biztonsági szempontból kritikus alkatrészeknek és azok konkrét szervizelési, karbantartási és karbantartás-nyomonkövethetőségi követelményeinek beazonosítása a tervezési fázisban a tervezők/gyártók által, a járművek üzembe helyezése után pedig a tervezők/gyártók és a karbantartásért felelős érintett szervezetek közötti együttműködés keretében történik.
(3) A fent említett és a 4.2. pontban megadott információkból a karbantartásért kizárólagos felelősséget viselő szervezetek karbantartás-üzemeltetési szinten (az ezen ÁME hatálya alá tartozó értékelés körén kívül) határozzák meg a vasúti jármű élettartama alatt az alapvető követelményeknek való megfelelés biztosításához megfelelő tűréseket és időközöket; a következők képezik e tevékenység részét:
- Az üzemi értékek meghatározása, ha azok ezen ÁME-ben nem kerültek meghatározásra, illetve ha az üzemi feltételek lehetővé teszik az ÁME-ben meghatározottaktól eltérő üzemi határértékek használatát.
- Az üzemi értékek indokolása, a 4.2.12.3.1. pontban (A karbantartás tervezését igazoló dokumentáció) előírtakkal egyenértékű információk megadásával.
(4) Az e pontban fentebb említett információk alapján a karbantartási tervet a karbantartásért kizárólagos felelősséget viselő szervezetek üzemi szinten határozzák meg (az ezen ÁME hatálya alá tartozó értékelés körén kívül); a terv a karbantartási feladatok rendezett felsorolásából áll, ideértve a karbantartási tevékenységeket, eljárásokat és eszközöket, a karbantartási kritériumokat, a gyakoriságot és a karbantartás elvégzéséhez szükséges munkaidőt.
(5) A fedélzeti szofvereket illetően a tervező/gyártó a fedélzeti szofverek módosításai esetére meghatározza az összes karbantartási követelményt és eljárást (ideértve a berendezések állapotának felügyeletét, az események diagnosztizálását, a tesztelési módszereket és eszközöket, valamint a szükséges szakmai alkalmasságot), amelyek az ezen ÁME alapkövetelményeiben említett elengedhetetlen követelmények és értékek eléréséhez szükségesek a teljes életciklus során (felszerelés, rendes üzemeltetés, hibák, javítási munkálatok, ellenőrzés és karbantartás, leszerelés stb.).
4.6. Szakmai alkalmasság
(1) A vasúti járművek ezen ÁME hatálya alatti üzemeltetéséhez szükséges személyzet szakképesítését nem ez az ÁME határozza meg.
(2) Ezeket részben a vasút üzemeltetésére vonatkozó ÁME és a 2007/59/EK európai parlamenti és tanácsi irányelv ( 18 ) szabályozza.
4.7. Egészségvédelmi és biztonsági feltételek
(1) A vasúti járművek ezen ÁME hatálya alatti üzemeltetéséhez és karbantartásához szükséges személyzet egészségére és biztonságára vonatkozó rendelkezéseket ( az (EU) 2016/797 irányelv számozása szerint) az 1.1., 1.3., 2.5.1., 2.6.1. pontban foglalt alapvető követelmények határozzák meg. A 3.2. pontban szereplő táblázat tünteti fel ezen ÁME azon műszaki pontjait, amelyek az alapvető követelményekhez kapcsolódnak.
(2) Különösen a 4.2. pont következő rendelkezései foglalkoznak a személyzet egészségvédelmével és biztonságával:
- 4.2.2.2.5. pont: A személyzet hozzáférése össze- és szétkapcsolást biztosító berendezésekhez.
- 4.2.2.5. pont: Passzív biztonság.
- 4.2.2.8. pont: Peronajtók a személyzet és a rakomány számára.
- 4.2.6.2.1. pont: Az elhaladó vonatok miatt a vágány mentén dolgozókat érő légörvényhatás.
- 4.2.7.2.2. pont: A jelzőkürt hangnyomásszintjei.
- 4.2.8.4. pont: Elektromos veszélyekkel szembeni védelem.
- 4.2.9. pont: Vezetőfülke.
- 4.2.10. pont: Tűzbiztonság és evakuálás.
4.8. Az engedélyezett járműtípusok európai nyilvántartása
(1) Az engedélyezett járműtípusok európai nyilvántartásáról szóló, 2011. október 4-i 2011/665/EU bizottsági végrehajtási határozat ( 19 ) sorolja fel a járművek azon jellemzőit, amelyeket fel kell tüntetni az engedélyezett vasúti járműtípusok európai nyilvántartásában.
(2) Az európai nyilvántartásról szóló e határozat II. mellékletének és az (EU) 2016/797 irányelv 48. cikke (3) bekezdésének a) pontjával összhangban a vasúti jármű műszaki jellemzőihez kapcsolódó paraméterek tekintetében feltüntetendő értékek a típusvizsgálati tanúsítványt kísérő műszaki dokumentációban megadott értékek. Ezért ez az ÁME előírja, hogy a vonatkozó jellemzőket fel kell jegyezni az ÁME 4.2.12. pontjában ismertetett műszaki dokumentációban.
(3) Az (1) bekezdésben említett határozat 5. cikkének megfelelően a nyilvántartás alkalmazási útmutatója minden paraméter esetében tartalmazza azon átjárhatósági műszaki előírások megfelelő pontjára való hivatkozást, amely az adott paraméterre vonatkozó követelményeket tartalmazza.
4.9. Az útvonallal való összeegyeztethetőség ellenőrzése az engedélyezett járművek használata előtt
A vasúti társaság által az útvonallal való összeegyeztethetőség ellenőrzése céljából használandó, "járművek - mozdonyok és személyszállító járművek" alrendszerre vonatkozó paraméterek az üzemeltetés alrendszerre vonatkozó ÁME D1. függelékében kerülnek leírásra.
5. A KÖLCSÖNÖS ÁTJÁRHATÓSÁGOT LEHETŐVÉ TEVŐ RENDSZERELEMEK
5.1. Meghatározás
(1) Az (EU) 2016/797 irányelv 2. cikkének (7) bekezdése szerint a kölcsönös átjárhatóságot lehetővé tevő rendszerelemek "a berendezések olyan elemi rendszerelemei, rendszerelem-csoportjai, szerkezeti részegységei vagy egésze, amelyeket beszereltek vagy beszerelni terveznek a hagyományos transzeurópai vasúti rendszer kölcsönös átjárhatóságát közvetlenül vagy közvetve meghatározó valamely alrendszerbe".
(2) A "rendszerelem" fogalma materiális és immateriális javakat - úgymint szoftvert - egyaránt magában foglal.
(3) Az 5.3. pontban ismertetett, kölcsönös átjárhatóságot lehetővé tevő rendszerelemek az alábbi rendszerelemek:
- Amelyekre vonatkozó előírások az ezen ÁME 4.2. pontjában meghatározott követelményre vonatkoznak. Az 5.3. pont tartalmazza a 4.2. pont megfelelő pontjára való hivatkozást és meghatározza azt, hogy a vasúti rendszer kölcsönös átjárhatósága miként függ egy adott rendszerelemtől.
Amennyiben az 5.3. pont valamely követelményt kölcsönös átjárhatóságot lehetővé tevő rendszerelem szinten értékeltként jelöl meg, az ugyanezen követelményre vonatkozó alrendszer-szintű értékelésre nincs szükség.
- Amelyek előírásaihoz esetlegesen további, például kapcsolódási pontra vonatkozó követelmények szükségesek; ezeket a további követelményeket az 5.3. pont határozza meg.
- Amelyek értékelési eljárását a kapcsolódó alrendszertől függetlenül a 6.1. pont ismerteti.
(4) A kölcsönös átjárhatóságot lehetővé tevő rendszerelem felhasználási területét meg kell adni és igazolni kell, az 5.3. pontban mindegyikük tekintetében ismertetett módon.
5.2. Innovatív megoldások
(5) Ezen ÁME 10. cikkében ismertettek szerint az innovatív megoldásokhoz új előírások és/vagy új értékelési módszerek lehetnek szükségesek. Ezeket az előírásokat és értékelési módszereket a 6.1.5. pontban leírt módszerrel kell kidolgozni mindazon esetekben, ha az innovatív megoldás kölcsönös átjárhatóságot lehetővé tevő rendszerelemet érint.
5.3. A kölcsönös átjárhatóságot lehetővé tevő rendszerelemre vonatkozó előírások
A kölcsönös átjárhatóságot lehetővé tevő rendszerelemek felsorolása és részletes meghatározása a következő:
5.3.1. Automatikus középső ütközős kapcsolókészülék
Az automatikus kapcsolókészüléket az alábbiak nyomán meghatározott felhasználási terület tekintetében kell értékelni és megtervezni:
(1) A vonat végén lévő kapcsolókészülék típusa (a fej mechanikus és pneumatikus csatlakozása).
A 10-es típusú reteszes rendszerű automatikus középső ütközős kapcsolókészüléknek meg kell felelnie a J-1. függelék 36. hivatkozásában említett előírásoknak.
Megjegyzés: A 10-es típusútól eltérő automatikus kapcsolókészülékek nem minősülnek kölcsönös átjárhatóságot lehetővé tevő rendszerelemnek (a leírás nem nyilvánosan elérhető).
(2) Azon húzó- és nyomóerők, amelyeknek a kapcsolókészülék képes ellenállni.
(3) Ezeket a jellemzőket kölcsönös átjárhatóságot lehetővé tevő rendszerelem szinten kell értékelni.
5.3.2. Kézi kapcsolókészülék a vonat végén
A kézi kapcsolókészüléket meghatározott felhasználási terület vonatkozásában kell kialakítani és értékelni, az alábbi jellemzők meghatározásával:
(1) A vonat végén lévő kapcsolókészülék típusa (mechanikus csatlakozás).
Az "UIC típus" a J-1. függelék 37. és 38. hivatkozásában említett előírás személyszállító kocsikhoz kapcsolódó követelményeinek megfelelő ütközőből, vonóberendezésből és csavaros kapcsolórendszerből áll; a kocsiktól eltérő, kézi kapcsolórendszerrel felszerelt egységeket a J-1. függelék 37. és 38. hivatkozásában található vonatkozó részeknek megfelelő ütközővel, vonóberendezéssel és csavaros kapcsolókészülékkel kell felszerelni.
Megjegyzés: A kézi kapcsolókészülék más típusai nem minősülnek kölcsönös átjárhatóságot lehetővé tevő rendszerelemnek (a leírás nyilvánosan nem elérhető).
(2) Azon húzó és nyomóerők, amelyeknek a kapcsolókészülék képes ellenállni.
(3) Ezeket a jellemzőket kölcsönös átjárhatóságot lehetővé tevő rendszerelem szinten kell értékelni.
5.3.3. Mentésre szolgáló kapcsolókészülékek
A mentésre szolgáló kapcsolókészüléket meghatározott felhasználási terület vonatkozásában kell kialakítani és értékelni, az alábbi jellemzők meghatározásával:
(1) Azon vonatvégi kapcsolókészülék típusa, amelyhez az egység csatlakoztatható.
A 10-es típusú reteszes rendszerű automatikus középső ütközős kapcsolókészülékkel csatlakoztatható, mentésre szolgáló kapcsolónak meg kell felelnie a J-1. függelék 39. hivatkozásában említett előírásoknak.
Megjegyzés: A mentésre szolgáló kapcsolókészülék más típusai nem minősülnek kölcsönös átjárhatóságot lehetővé tevő rendszerelemnek (a leírás nem nyilvánosan elérhető).
(2) Azon húzó és nyomóerők, amelyeknek a kapcsolókészülék képes ellenállni.
(3) A mentőegységre való felszerelés kívánt módja.
(4) Ezeket a jellemzőket és az ezen ÁME 4.2.2.2.4. pontjában kifejezett követelményeket kölcsönös átjárhatóságot lehetővé tevő rendszerelem szinten kell értékelni.
5.3.4. Kerekek
A kerekeket meghatározott felhasználási terület vonatkozásában kell kialakítani és értékelni, az alábbi jellemzők meghatározásával:
(1) Geometriai jellemzők: névleges futófelület-átmérő.
(2) Mechanikai jellemzők: a legnagyobb statikus függőleges irányú erő és a legnagyobb sebesség.
(3) Termomechanikai jellemzők: legnagyobb fékezési energia.
(4) A keréknek meg kell felelnie a 4.2.3.5.2.2. pontban meghatározott geometriai, mechanikai és termomechanikai jellemzőknek. Ezeket a követelményeket kölcsönös átjárhatóságot lehetővé tevő rendszerelem szinten kell értékelni.
5.3.4a. Automatikusan változtatható nyomtávú rendszerek
(1) Az "automatikusan változtatható nyomtávú rendszer" kölcsönös átjárhatóságot lehetővé tevő rendszerelemet az alábbiakkal meghatározott felhasználási terület tekintetében kell értékelni és megtervezni:
- A nyomtávok, amelyekre a rendszert tervezték.
- A legnagyobb statikus tengelyterhelések tartománya (az átlagos hasznos teher melletti tervezési tömeg az ezen ÁME 4.2.2.10. pontjában meghatározottak szerint).
- A névleges futófelület-átmérők tartománya.
- Az egység legnagyobb tervezési sebessége.
- A nyomtávszabályozó berendezés(ek) azon típusai, amelyekre a rendszert tervezték, ideértve a nyomtávszabályozó berendezés(ek) által lehetővé tett névleges sebességet és az automatikus nyomtávváltás közben fellépő legnagyobb tengelyirányú erőket.
(2) Az automatikusan változtatható nyomtávú rendszernek meg kell felelnie a 4.2.3.5.3. pontban meghatározott követelményeknek; ezeket a követelményeket a kölcsönös átjárhatóságot lehetővé tevő rendszerelem 6.1.3.1a. pontban meghatározott szintjén kell értékelni.
5.3.5. Csúszásgátló rendszer
A kölcsönös átjárhatóságot lehetővé tevő rendszerelemnek minősülő csúszásgátló rendszert meghatározott felhasználási terület vonatkozásában kell kialakítani és értékelni, az alábbi jellemzők meghatározásával:
(1) Pneumatikus fékrendszertípus.
Megjegyzés: Más típusú - hidraulikus, dinamikus és vegyes - fékrendszerek tekintetében a csúszásgátló rendszer nem minősül kölcsönös átjárhatóságot lehetővé tevő rendszerelemnek, és ezt a pontot ezekre az esetekre nem kell alkalmazni.
(2) A legnagyobb üzemi sebesség.
(3) A csúszásgátló rendszernek meg kell felelnie az ezen ÁME 4.2.4.6.2. pontjában ismertetett teljesítményre vonatkozó követelményeknek.
Kerékforgás-figyelő rendszer opcionálisan beszerelhető.
5.3.6. Fényszórók
(1) A fényszórók kialakítását és értékelését felhasználási területükre vonatkozó korlátozás nélkül kell végezni.
(2) A fényszóróknak meg kell felelniük a 4.2.7.1.1. pontban meghatározott, színre és fényerősségre vonatkozó követelményeknek. Ezeket a követelményeket a kölcsönös átjárhatóságot lehetővé tevő rendszerelem szintjén kell értékelni.
5.3.7. Jelzőlámpák
(1) A jelzőlámpa kialakítását és értékelését felhasználási területükre vonatkozó korlátozás nélkül kell végezni.
(2) A jelzőlámpáknak meg kell felelniük a 4.2.7.1.2. pontban meghatározott, színre és fényerősségre vonatkozó követelményeknek. Ezeket a követelményeket a kölcsönös átjárhatóságot lehetővé tevő rendszerelem szintjén kell értékelni.
5.3.8. Zárjelző lámpák
(1) A zárjelző lámpát: rögzített lámpa vagy hordozható lámpa felhasználási terület vonatkozásában kell kialakítani és értékelni.
(2) A zárjelző lámpáknak meg kell felelniük a 4.2.7.1.3. pontban meghatározott, színre és fényerősségre vonatkozó követelményeknek. Ezeket a követelményeket a kölcsönös átjárhatóságot lehetővé tevő rendszerelem szintjén kell értékelni.
(3) Hordozható zárjelző lámpák esetében a járműre való rögzítés csatlakozásának meg kell felelnie a teherkocsikra vonatkozó ÁME E. függelékének.
5.3.9. Kürtök
(1) A kürtöt a referenciajárműre (vagy referenciabeépítésre) gyakorolt hangnyomásszintje által meghatározott felhasználási terület vonatkozásában kell kialakítani és értékelni; ezt a jellemzőt befolyásolhatja, hogy a kürtöt milyen járműbe építik be.
(2) A kürtöknek meg kell felelniük a 4.2.7.2.1. pontban meghatározott, a hangjelzésekre vonatkozó követelményeknek. Ezeket a követelményeket a kölcsönös átjárhatóságot lehetővé tevő rendszerelem szintjén kell értékelni.
5.3.10. Áramszedő
Az áramszedőt meghatározott felhasználási terület vonatkozásában kell kialakítani és értékelni, az alábbi jellemzők meghatározásával:
1. a feszültségrendszer(ek) típusa a 4.2.8.2.1. pontban meghatározottak szerint;
Amennyiben az áramszedőket többféle feszültségrendszerre tervezik, többféle követelményrendszert kell figyelembe venni;
2. a 4.2.8.2.9.2. pontban meghatározott háromféle áramszedőfej-geometria egyike;
3. a 4.2.8.2.4. pontban meghatározott áramterhelhetőség;
4. az álló helyzetben felvett legnagyobb áramerősség váltakozó áramú és egyenáramú rendszerek esetében a 4.2.8.2.5. pontban meghatározottak szerint. Az 1,5 kV-s egyenáramú energiaellátó rendszerek esetében a munkavezeték anyagát figyelembe kell venni;
5. a legnagyobb üzemi sebesség: a legnagyobb üzemi sebesség értékelését a 4.2.8.2.9.6. pontban meghatározottak szerint kell elvégezni;
6. magasságtartomány a dinamikus viselkedés szempontjából: szabványos, és/vagy az 1 520 mm-es vagy 1 524 mm-es nyomtávrendszer.
7. A fent felsorolt követelményeket a kölcsönös átjárhatóságot lehetővé tevő rendszerelem szintjén kell értékelni.
8. Kölcsönös átjárhatóságot lehetővé tevő rendszerelem szintjén kell értékelni a következőket is: az áramszedő magasságában megadott, 4.2.8.2.9.1.2. pontban meghatározott működési tartománya, az áramszedőfej 4.2.8.2.9.2. pontban meghatározott geometriája, az áramszedő 4.2.8.2.9.3. pontban meghatározott áramterhelhetősége, az áramszedő 4.2.8.2.9.5. pontban meghatározott statikus sarunyomása és magának az áramszedőnek a 4.2.8.2.9.6. pontban meghatározott dinamikus viselkedése.
5.3.11. Csúszóbetétek
A csúszóbetétek az áramszedőfej cserélhető, a munkavezetékkel közvetlenül érintkező részei. A csúszóbetéteket meghatározott felhasználási terület vonatkozásában kell kialakítani és értékelni, az alábbi jellemzők meghatározásával:
1. a 4.2.8.2.9.4.1. pontban meghatározottak szerinti geometriájuk;
2. a 4.2.8.2.9.4.2. pontban meghatározottak szerinti anyaguk;
3. a feszültségrendszer(ek) típusa a 4.2.8.2.1. pontban meghatározottak szerint;
4. a 4.2.8.2.4. pontban meghatározott áramterhelhetőség;
5. az álló helyzetben felvett legnagyobb áramerősség, a 4.2.8.2.5. pontban meghatározottak szerint.
6. A fent felsorolt követelményeket a kölcsönös átjárhatóságot lehetővé tevő rendszerelem szintjén kell értékelni.
5.3.12. Főmegszakító
A főmegszakítót meghatározott felhasználási terület vonatkozásában kell kialakítani és értékelni, az alábbi jellemzők meghatározásával:
1. a feszültségrendszer(ek) típusa a 4.2.8.2.1. pontban meghatározottak szerint;
2. a 4.2.8.2.4. pontban meghatározottak szerinti áramterhelhetőség (legnagyobb áramerősség).
3. A fent felsorolt követelményeket a kölcsönös átjárhatóságot lehetővé tevő rendszerelem szintjén kell értékelni.
4. A megszakításnak a J-1. függelék 22. hivatkozásában említett előírásnak kell megfelelnie (lásd a 4.2.8.2.10. pontot); ezt a kölcsönös átjárhatóságot lehetővé tevő rendszerelem szintjén kell értékelni.
5.3.13. Vezetőülés
(1) A vezetőülést meghatározott felhasználási terület vonatkozásában kell kialakítani és értékelni a magassága és hosszanti helyzete állíthatósági tartományának figyelembevételével.
(2) A vezetőülés alkatrészeinek meg kell felelniük a 4.2.9.1.5. pontban meghatározott követelményeknek. Ezeket a követelményeket a kölcsönös átjárhatóságot lehetővé tevő rendszerelem szintjén kell értékelni.
5.3.14. Illemhelyürítés csatlakozása
(1) Az illemhelyürítés csatlakozásának kialakítását és értékelését felhasználási területükre vonatkozó korlátozás nélkül kell végezni.
(2) Az illemhelyürítés csatlakozásának a méreteket illetően meg kell felelnie a 4.2.11.3. pontban meghatározott követelményeknek. Ezeket a követelményeket a kölcsönös átjárhatóságot lehetővé tevő rendszerelem szintjén kell értékelni.
5.3.15. Víztartályok beömlőcsatlakozója
(1) A víztartályok beömlő csatlakozóját felhasználási területükre vonatkozó korlátozás nélkül kell kialakítani és értékelni.
(2) A víztartályok beömlőcsatlakozójának a méreteket illetően meg kell felelnie a 4.2.11.5. pontban meghatározott követelményeknek. Ezeket a követelményeket a kölcsönös átjárhatóságot lehetővé tevő rendszerelem szintjén kell értékelni.
6. A MEGFELELŐSÉG VAGY ALKALMAZHATÓSÁG ÉRTÉKELÉSE ÉS EK-HITELESÍTÉS
(1) A megfelelőség és alkalmazhatóság értékelésére és az EK-hitelesítésre vonatkozó eljárási modulokat a 2010/713/EU bizottsági határozat ( 20 ) ismerteti.
6.1. A kölcsönös átjárhatóságot lehetővé tevő rendszerelemek
6.1.1. Megfelelőségértékelés
(1) A gyártó vagy az Unió területén letelepedett meghatalmazott képviselője az (EU) 2016/797 irányelv 10. cikkével összhangban álló EK megfelelőségi nyilatkozatot vagy alkalmazhatósági nyilatkozatot köteles kiállítani a kölcsönös átjárhatóságot lehetővé tevő valamely rendszerelem forgalmazásának megkezdése előtt.
(2) A kölcsönös átjárhatóságot lehetővé tevő rendszerelem megfelelőségének vagy alkalmazhatóságának értékelését az adott rendszerelem tekintetében az ezen ÁME 6.1.2. pontjában meghatározott modul(ok) szerint kell elvégezni.
(3) Az 5.3. pontban kölcsönös átjárhatóságot lehetővé tevő rendszerelemként meghatározott alkatrészekre alkalmazandó különleges esetben a megfelelő követelmény csak abban az esetben képezheti a kölcsönös átjárhatóságot lehetővé tevő rendszerelem szintjén való ellenőrzés részét, ha az alkatrész továbbra is megfelel a 4. és 5. pontnak, és ha a különleges eset nem hivatkozik nemzeti szabályra.
Egyéb esetekben az ellenőrzést az alrendszer szintjén kell elvégezni; amennyiben nemzeti szabály vonatkozik egy alkatrészre, az érintett tagállam meghatározhatja a releváns alkalmazandó megfelelőségértékelési eljárásokat.
6.1.2. Modulok alkalmazása
Modulok a kölcsönös átjárhatóságot lehetővé tevő rendszerelem EK-megfelelőségi nyilatkozatához:
| CA. modul | Belső gyártásellenőrzés |
| CA1. modul | Belső gyártásellenőrzés és termékellenőrzés egyedi vizsgálattal |
| CA2. modul | Belső gyártásellenőrzés és véletlenszerű időközönként végzett termékellenőrzés |
| CB. modul | EK-típusvizsgálat |
| CC. modul | Típusmegfelelőség belső gyártásellenőrzés alapján |
| CD. modul | Típusmegfelelőség a gyártási eljárás minőségirányítási rendszere alapján |
| CF. modul | Termékellenőrzésen alapuló típusmegfelelőség |
| CH. modul | Megfelelőség a teljes minőségirányítási rendszer alapján |
| CH1. modul | A teljes minőségirányítási rendszeren és tervvizsgálaton alapuló megfelelőség |
| CV. modul | Típushitelesítés üzemi tapasztalatok alapján (használatra való alkalmasság) |
(1) A gyártónak vagy az Európai Unió területén székhellyel rendelkező meghatalmazott képviselőjének az értékelendő rendszerelemnek megfelelően ki kell választania a következő táblázatban feltüntetett modulok egyikét vagy azok kombinációit:
| ÁME pont | Értékelendő rendszerelemek | Modul | ||||||
| CA | CA1 vagy CA2 | CB + CC | CB + CD | CB + CF | CH | CH1 | ||
| 5.3.1. | Automatikus középső ütközős kapcsolókészülék | X (1) | X | X | X (1) | X | ||
| 5.3.2. | Vonat végén lévő kézi kapcsolókészülék | X (1) | X | X | X (1) | X | ||
| 5.3.3. | Mentésre szolgáló vontatókapcsoló | X (1) | X | X | X (1) | X | ||
| 5.3.4. | Kerék | X (1) | X | X | X (1) | X | ||
| 5.3.4a | Automatikusan változtatható nyomtávú rendszerek | X (1) | X | X | X (1) | X | ||
| 5.3.5. | Csúszásgátló rendszer | X (1) | X | X | X (1) | X | ||
| 5.3.6. | Fényszóró | X (1) | X | X | X (1) | X | ||
| 5.3.7. | Jelzőlámpa | X (1) | X | X | X (1) | X | ||
| 5.3.8. | Zárjelző lámpa | X (1) | X | X | X (1) | X | ||
| 5.3.9. | Kürtök | X (1) | X | X | X (1) | X | ||
| 5.3.10. | Áramszedő | X (1) | X | X | X (1) | X | ||
| 5.3.11. | Az áramszedő csúszóbetétje | X (1) | X | X | X (1) | X | ||
| 5.3.12. | Főmegszakító | X (1) | X | X | X (1) | X | ||
| 5.3.13. | Vezetőülés | X (1) | X | X | X (1) | X | ||
| 5.3.14. | Illemhelyürítés csatlakozása | X | X | X | ||||
| 5.3.15. | Víztartályok beömlőcsatlakozója | X | X | X | ||||
| (1) A CA1., CA2. vagy CH. modult csak azon termékek esetében lehet használni, amelyeket az ezen ÁME hatálybalépése előtt kialakított tervek szerint gyártottak és a termékekre vonatkozó ÁME hatálybalépése előtt használtak a termék forgalombahozatala céljából, feltéve, hogy a gyártó igazolja a bejelentett szervezet előtt, hogy a konstrukciós vizsgálatokat és a hitelesítést a korábbi kérelmek esetében hasonló körülmények között végezték el, és azok megfelelnek ezen ÁME követelményeinek. Ennek igazolását dokumentálni kell, és az igazolás ugyanolyan szintű bizonyító adatnak minősül, mint a CB. modul vagy a CH1. modul szerint végzett konstrukcióvizsgálat. | ||||||||
(2) Amennyiben a 4.2. pontban meghatározott követelményeken túl az értékeléshez egy adott eljárást kell használni, ezt a 6.1.3. pont részletezi.
6.1.3. A kölcsönös átjárhatóságot lehetővé tevő rendszerelemek sajátos értékelési eljárásai
6.1.3.1. Kerekek (5.3.4. pont)
(1) A kerék mechanikai jellemzőit mechanikai szilárdsági számításokkal, a következő három terhelési eset figyelembevételével kell igazolni: a J-1. függelék 40. hivatkozásában említett előírásban meghatározott egyenes vágány (a kerékpár középponti helyzetben van), kanyar (a nyomkarima a sínnek nyomódik), egyes pontokon és kereszteződéseken való áthaladás (a nyomkarima belső felülete a sínnel érintkezik).
(2) Kovácsolt és hengerelt kerekek esetében a döntési kritériumokat a J-1. függelék 40. hivatkozásában említett előírás határozza meg. Ha a számítások a döntési kritériumokat meghaladó értékeket mutatnak, a megfelelőség igazolásához az ugyanezen előírás szerinti mérőpados vizsgálatot kell elvégezni.
(3) Másféle keréktípusok a nemzeti használatra korlátozott járművek esetében engedélyezettek. Ilyen esetben a döntési kritériumokat és a kifáradási feltételeket nemzeti szabályokban kell meghatározni. Ezeket a nemzeti szabályokat a tagállamoknak be kell jelenteniük.
(4) A legnagyobb statikus függőleges irányú erő tekintetében a terhelési körülmények feltételezett értékét egyértelműen fel kell tüntetni a 4.2.12. pontban meghatározott műszaki dokumentációban.
Termomechanikai viselkedés:
(5) Ha a kereket futófelületi fékekkel felszerelt egység fékezésére használják, a kereket a legnagyobb várható fékezési energia figyelembevételével ellenőrizni kell termomechanikai szempontból. A keréken megfelelőségértékelést kell végezni a J-1. függelék 40. hivatkozásában említett előírásnak megfelelően annak ellenőrzése érdekében, hogy a nyomkarima fékezés közbeni oldalirányú elmozdulása és a maradékfeszültség a meghatározott döntési kritériumok felhasználásával megadott tűréshatárokon belül maradjon.
A kerekek ellenőrzése:
(6) Hitelesítési eljárást kell életbe léptetni a gyártási szakaszban annak biztosítására, hogy a kerekek mechanikai jellemzőiben bekövetkező változásokból fakadó hibák ne befolyásolhassák hátrányosan a biztonságot.
Ellenőrizni kell a kerék anyagának szakítószilárdságát, a futófelület keménységét, törésszilárdságát, ütésállóságát, anyagjellemzőit és anyagtisztaságát.
A hitelesítési eljárásnak meg kell határoznia az egyes ellenőrizendő jellemzőkre használt mintavételi eljárást.
(7) A kerekekre más megfelelőségértékelési eljárások is vonatkozhatnak a kerékpárokra előírt azonos feltételek mellett; ezeket a feltételeket a 6.2.3.7. pont ismerteti.
(8) Olyan innovatív konstrukció esetében, amellyel kapcsolatban a gyártónak nincs elegendő tapasztalati visszajelzése, a kereket alkalmazhatósági értékelésnek kell alávetni (CV. modul; lásd még a 6.1.6. pontot).
6.1.3. 1a Automatikusan változtatható nyomtávú rendszerek (5.3.4a. pont)
(1) Az értékelési eljárás a 4.2.3.5.3. és 5.3.4a. pontban említett valamennyi szempontra kiterjedő hitelesítési terven alapul.
(2) A hitelesítési tervnek összhangban kell lennie a 4.2.3.5.3. pontban előírt biztonsági elemzéssel, és meg kell határoznia a szükséges értékelést az alábbi különböző szakaszokban:
- tervezési felülvizsgálat,
- statikai tesztek (próbapadon végzett és a futóműbe/egységbe való integrációt vizsgáló tesztek),
- a nyomtávszabályozó berendezések üzem közbeni körülmények tekintetében reprezentatív vizsgálata,
- pályán végzett, üzem közbeni körülmények tekintetében reprezentatív vizsgálatok.
(3) A 4.2.3.5.3. (5) pontnak való megfelelés bizonyítására való tekintettel egyértelműen dokumentálni kell az azon jármű biztonsági elemzése során és felhasználási célja szempontjából figyelembe vett feltételezéseket, amelybe a rendszert integrálni tervezik.
(4) Az automatikusan változtatható nyomtávú rendszer esetében értékelhető a használatra való alkalmasság (CV. modul; lásd még a 6.1.6. pontot).
(5) A megfelelőségértékelésért felelős bejelentett szervezet által kiadott tanúsítványnak tartalmaznia kell mind az 5.3.4a. pont szerinti felhasználási feltételeket, mind azon nyomtávszabályozó berendezés(ek) típusát (típusait) és működési feltételeit, amely(ek) tekintetében az automatikusan változtatható nyomtávú rendszer értékelésre került.
6.1.3.2. Csúszásgátló rendszer (5.3.5. pont)
(1) A csúszásgátló rendszert a J-1. függelék 15. hivatkozásában említett előírásban meghatározott módszer szerint kell ellenőrizni.
(2) Olyan innovatív konstrukció esetében, amellyel kapcsolatban a gyártónak nincs elegendő tapasztalati visszajelzése, a csúszásgátló rendszert alkalmazhatósági értékelésnek kell alávetni (CV. modul; lásd még a 6.1.6. pontot).
6.1.3.3. Fényszórók (5.3.6. pont)
(1) A fényszórók színét és fényerősségét a J-1. függelék 20. hivatkozásában említett előírással összhangban kell vizsgálni.
6.1.3.4. Jelzőlámpák (5.3.7. pont)
(1) A jelzőlámpák színét és fényerősségét, valamint a jelzőlámpafények spektrális sugáreloszlását a J-1. függelék 20. hivatkozásában említett előírással összhangban kell vizsgálni.
6.1.3.5. Zárjelző lámpák (5.3.8. pont)
(1) A zárjelző lámpák színét és fényerősségét a J-1. függelék 20. hivatkozásában említett előírással összhangban kell vizsgálni.
6.1.3.6. Kürt (5.3.9. pont)
(1) A jelzőkürtök hangzását és hangnyomását a J-1. függelék 21. hivatkozásában említett előírással összhangban kell mérni és ellenőrizni.
6.1.3.7. Áramszedő (5.3.10. pont)
(1) Egyenáramú rendszerekhez való áramszedők esetében az álló helyzetben felvett legnagyobb áramerősséget a 4.2.8.2.5. pontban meghatározott határértékekig a következő feltételek mellett kell ellenőrizni:
- az áramszedőnek 2 db., egyenként 100 mm2 keresztmetszetű sima réz munkavezetékkel vagy ezüsttel bevont réz munkavezetékkel kell érintkeznie 1,5 kV-os energiaellátó rendszer esetében,
- az áramszedőnek 1 db. 100 mm2 keresztmetszetű réz munkavezetékkel kell érintkeznie 3 kV-os energiaellátó rendszer esetében.
(1a) Egyenáramú rendszerekhez való áramszedők esetében az álló helyzetben felvett áramerősséggel töltött munkavezeték hőmérsékletét a J-1. függelék 24. hivatkozásában említett előírással összhangban végzett mérésekkel kell értékelni.
(2) Minden áramszedő statikus sarunyomását a J-1. függelék 23. hivatkozásában említett előírással összhangban kell ellenőrizni.
(3) Az áramszedő áramfelvétel tekintetében tanúsított dinamikai viselkedését a J-1. függelék 41. hivatkozásában említett előírás szerinti szimulációval kell értékelni.
A szimulációkat legalább két különböző típusú felsővezeték használatával kell elvégezni; a szimulációhoz használt adatoknak meg kell felelniük a megfelelő sebesség és az energiaellátó rendszer tekintetében az infrastruktúra-nyilvántartásban szereplő, az ÁME előírásainak megfelelő vonalszakaszoknak (EK-megfelelőségi nyilatkozat vagy a 2014/881/EU bizottsági ajánlás ( 21 ) szerinti nyilatkozat) az áramszedő mint kölcsönös átjárhatóságot lehetővé tevő rendszerelem legnagyobb tervezési sebességéig.
A szimuláció elvégzése megengedett olyan munkavezeték-típusok használatával is, amelyek kölcsönös átjárhatóságot lehetővé tevő rendszerelemként történő tanúsítása vagy a 2011/622/EU ajánlás ( 22 ) szerinti nyilatkozatkiadási eljárása folyamatban van, feltéve, hogy ezek a munkavezetékek megfelelnek a vasút energiaellátására vonatkozó ÁME többi követelményének. A szimulált áramfelvétel szintjének minden felsővezeték esetében meg kell egyeznie a 4.2.8.2.9.6. pont szerinti értékkel az emelés, a közepes sarunyomás és a szórás tekintetében.
Ha a szimuláció eredményei elfogadhatóak, helyszíni dinamikai vizsgálatot kell végezni egy vagy két, a szimulációban használt felsővezeték reprezentatív szakaszán.
A kölcsönhatási jellemzőket a J-1. függelék 42. hivatkozásában említett előírással összhangban kell mérni. Az emelés mérését illetően, az emelést legalább két tartókar tekintetében kell mérni.
A vizsgált áramszedőket a 4.2.8.2.9.6. pontban az áramszedő tervezési sebessége esetében előírt alsó és felső értékek között átlagos sarunyomást kifejtő vasúti járműre kell felszerelni. A vizsgálatokat mindkét haladási irányban el kell végezni.
Az 1 435 mm-es és 1 668 mm-es nyomtávú rendszereken történő üzemre szánt áramszedők esetében a vizsgálatoknak alacsony (a meghatározás szerint 5,0-5,3 m közötti) és magas (a meghatározás szerint 5,5-5,75 m közötti) munkavezeték-magasságú vágányszakaszokra is ki kell terjedniük.
Az 1 520 mm-es és 1 524 mm-es nyomtávú rendszereken történő üzemre szánt áramszedők esetében a vizsgálatoknak 6,0-6,3 m munkavezeték-magasságú vágányszakaszokra is ki kell terjedniük.
A járművet a vizsgált áramszedő tervezési sebességéig legalább három sebességértékre felgyorsítva kell vizsgálni.
Az egymást követő vizsgálatok közötti sebességkülönbség legfeljebb 50 km/h lehet.
A mért áramfelvétel-minőségnek minden áramszedő esetében a 4.2.8.2.9.6. pontban megadott határértékek között kell maradnia az emelés, az átlagos sarunyomás és a szórás, illetve az ívhúzás százalékos mértékét illetően.
Ha az összes fent említett mérés sikeres, a vizsgált áramszedőtípust az áramfelvétel tekintetében az ÁME-nak megfelelőnek kell tekinteni.
Az EK-hitelesítési nyilatkozattal rendelkező áramszedők különböző konstrukciójú vasúti járműveken való használatához a vasúti járművek szintjén az áramszedés minősége tekintetében szükséges további vizsgálatokat a 6.2.3.20. pont határozza meg.
6.1.3.8. Csúszóbetétek (5.3.11. pont)
(1) A csúszóbetéteket a J-1. függelék 43. hivatkozásában említett előírásban meghatározottak szerint kell ellenőrizni.
(2) A csúszóbetéteknek, mint az áramszedőfej cserélhető alkatrészeinek áramfelvételi szintjét egyszer, az áramszedővel egyidejűleg kell ellenőrizni (lásd a 6.1.3.7. pontot).
(3) Olyan anyag használata esetén, amellyel kapcsolatban a gyártónak nincs elegendő tapasztalati visszajelzése, a csúszóbetétet alkalmazhatósági értékelésnek kell alávetni (CV. modul;. lásd még a 6.1.6. pontot).
6.1.4. Értékelendő projektszakaszok
(1) A H. függelék pontosan meghatározza, hogy a projekt mely szakaszaiban kell értékelést végezni a kölcsönös átjárhatóságot lehetővé tevő rendszerelemre vonatkozó követelmények tekintetében:
a) Tervezési és fejlesztési fázis:
i. a tervezés felülvizsgálata és/vagy konstrukcióvizsgálat,
ii. típusvizsgálat: a tervezés ellenőrzését szolgáló vizsgálat, a 4.2. pontban adott esetben meghatározottak szerint;
b) Gyártási fázis: a gyártásmegfelelőség ellenőrzését szolgáló rutinvizsgálat.
A rutinvizsgálatok elvégzéséért felelős szerv meghatározása a választott értékelési modul szerint történik.
(2) A H. függelék a 4.2. pontnak megfelelően épül fel. A kölcsönös átjárhatóságot lehetővé tevő rendszerelemekre vonatkozó követelményeket és az értékelésüket az 5.3. pont a 4.2. pont egyes pontjaira hivatkozással állapítja meg, adott esetben pedig megadja a 6.1.3. pont alpontjára vonatkozó hivatkozást is.
6.1.5. Innovatív megoldások
(1) Ha egy kölcsönös átjárhatóságot lehetővé tevő rendszerelemhez javasolt megoldás innovatív (a 10. cikkben meghatározottak szerint), a gyártó vagy az Európai Unióban székhellyel rendelkező meghatalmazott képviselője a 10. cikkben leírt eljárást alkalmazza.
6.1.6. Az alkalmazhatóság értékelése
(1) Az alkalmazhatóságnak üzem közbeni tapasztalati eljárás alapján történő típushitelesítése (CV. modul) az értékelési eljárás része lehet a kölcsönös átjárhatóságot lehetővé tevő következő rendszerelemek esetében:
- kerekek (lásd a 6.1.3.1. pontot),
- automatikusan változtatható nyomtávú rendszerek (lásd a 6.1.3.1a. pontot),
- csúszásgátló rendszer (lásd a 6.1.3.2. pontot),
- csúszóbetétek (lásd a 6.1.3.8. pontot).
(2) Az üzem közbeni vizsgálatok megkezdése előtt megfelelő modul (CB. vagy CH1.) használatával kell hitelesíteni a rendszerelem konstrukcióját.
(3) Az üzemi teszteket a gyártó javaslatára kell megszervezni, miután az beszerezte a vasúti társaság ilyen értékeléshez való hozzájárulását.
6.2. Vasútijármű-alrendszer
6.2.1. EK-hitelesítés (általános előírások)
(1) A járművekre alkalmazandó EK-hitelesítési eljárásokat az (EU) 2016/797 irányelv 15. cikke és IV. melléklete ismerteti.
(2) A vasúti járművek EK-hitelesítési eljárását az ezen ÁME 6.2.2. pontjában meghatározott modulok egyike alapján kell elvégezni,
(3) Amennyiben a kérelmező a tervezési, illetve a tervezési és gyártási szakaszra kiterjedően első értékelési lépést kér, a bejelentett szervezet választása szerint közbenső hitelesítési nyilatkozatot ad ki, és sor kerül az alrendszer közbenső EK megfelelőségi nyilatkozatának kiállítására.
6.2.2. Modulok alkalmazása
Az alrendszerek EK-hitelesítésére szolgáló modulok:
| SB. modul | EK-típusvizsgálat |
| SD. modul | EK-hitelesítés a gyártási eljárás minőségirányítási rendszere alapján |
| SF. modul | Termék-ellenőrzésen alapuló EK-hitelesítés |
| SH1. modul | EK-hitelesítés a teljes minőségirányítási rendszer vizsgálata és a konstrukcióvizsgálat alapján |
(1) A kérelmező a következő modulkombinációk egyikét választhatja:
(SB+SD) vagy (SB+SF) vagy (SH1) minden egyes érintett alrendszer (vagy rész-alrendszer) tekintetében.
Az értékelést ezt követően a választott modulkombináció alapján kell elvégezni.
(2) Amennyiben több EK-hitelesítés (például az ugyanazzal az alrendszerrel foglalkozó több ÁME szerint) igényel ugyanazon a gyártásértékelésen (SD. vagy SF. modul) alapuló hitelesítést, megengedett több SB. modul szerinti értékelésnek egy gyártásmodul értékeléssel (SD vagy SF) való párosítása. Ebben az esetben a közbenső hitelesítési nyilatkozatot az SB. modul szerint kell kiállítani a tervezési és fejlesztési szakaszt illetően.
(3) A típusvizsgálati vagy konstrukcióvizsgálati tanúsítvány érvényességét ezen ÁME 7.1.3. pontjának ("Az EK-hitelesítésre vonatkozó szabályok") B. alpontjára vonatkozó rendelkezéseinek megfelelően kell megadni.
(4) Amennyiben az ezen ÁME 4.2. pontjában meghatározott követelményeken túl az értékeléshez meghatározott eljárást kell használni, ezt a 6.2.3. pont részletezi.
6.2.3. Az alrendszerek sajátos értékelési eljárásai
6.2.3.1. Terhelési körülmények és mérlegelt tömeg (4.2.2.10. pont)
(1) A mérlegelt tömeget a "tervezési tömeg menetkész állapotban" terhelési körülmény mellett kell megmérni, a fogyóeszközök kivételével, amelyekre nincs előírás (például holttömeg elfogadható).
(2) A többi terhelési körülmény számítással történő levezetése megengedett.
(3) Amennyiben egy adott járművet egy adott típusnak megfelelőnek minősítenek (a 6.2.2. és 7.1.3. pont szerint):
- a teljes jármű mért tömege a "tervezési tömeg menetkész állapotban" terhelési körülmény esetében legfeljebb 3 %-kal térhet el az EK-hitelesítés típus- vagy konstrukcióvizsgálati tanúsítványában és a 4.2.12. pontban említett műszaki dokumentációban feltüntetett teljes járműtömegtől;
- a legalább 250 km/h legnagyobb tervezési sebességű járművek esetében ezenkívül a tengelyenkénti terhelés a "tervezési tömeg átlagos hasznos teher mellett" és a "üzemi tömeg átlagos hasznos teher mellett" terhelési körülmény esetében nem haladhatja meg 4 %-nál nagyobb mértékben az ugyanezen terhelési körülményre megadott tengelyenkénti tömeget.
6.2.3.2. Kerékterhelés (4.2.3.2.2. pont)
(1) A kerékterhelést a "tervezési tömeg menetkész állapotban" terhelési körülmény figyelembevételével kell mérni (a fenti 6.2.3.1. pontban megadott kivétellel).
6.2.3.3. Kisiklással szembeni biztonság vágánykivetődésen való áthaladáskor (4.2.3.4.1. pont)
(1) A megfelelőség igazolását a J-1. függelék 9. hivatkozásában említett előírásban megadott módszerek egyikével kell elvégezni.
(2) Az 1 520 mm-es rendszeren üzemeltetni kívánt egységek esetében a megfelelőségértékelés más módjai is megengedettek.
6.2.3.4. Menetdinamikai viselkedés - műszaki követelmények (4.2.3.4.2a. pont)
(1) Az 1 435 mm-es vagy 1 524 mm-es vagy 1 668 mm-es rendszereken üzemeltetni kívánt egységek esetében a megfelelőség igazolását a J-1. függelék 9. hivatkozásában említett előírással összhangban kell elvégezni.
A 4.2.3.4.2.1. és 4.2.3.4.2.2. pontban bemutatott paramétereket a J-1. függelék 9. hivatkozásában említett előírásban meghatározott kritériumok használatával kell értékelni.
6.2.3.5. Megfelelőségértékelés a biztonsági követelmények vonatkozásában
A 4.2. pontban megadott biztonsági követelményeknek való megfelelés igazolását az alábbiak szerint kell végezni:
(1) Ezen értékelés alkalmazási körének szigorúan a vasútijármű-konstrukcióra kell korlátozódnia, mivel az üzemeltetés, a vizsgálat és a karbantartás a kérelmező által meghatározott (a műszaki dokumentumban leírt) szabályok szerint zajlik.
Megjegyzések:
- A vizsgálati és karbantartási követelmények meghatározásakor a kérelmezőnek a teljesítendő biztonsági szintet kell figyelembe vennie (egységesség); a megfelelés igazolása kiterjed a vizsgálati és karbantartási követelményekre is.
- Más alrendszereket és emberi tényezőket (hibákat) nem kell figyelembe venni.
(2) A célprofil szempontjából figyelembe vett összes feltételezést egyértelműen dokumentálni kell az igazolás során.
(3) A 4.2.3.4.2., 4.2.3.5.3., 4.2.4.2.2., 4.2.5.3.5., 4.2.5.5.8. és 4.2.5.5.9. pontban a veszélyes esetekhez tartozó súlyossági szint/következmények tekintetében meghatározott biztonsági követelményeknek való megfelelést az alábbi két módszer egyikével kell igazolni:
1. A 4.2. pontban meghatározott súlyossághoz (például "halálos kimenetelű baleset" a vészfékezés tekintetében) társított harmonizált kockázatelfogadási kritérium alkalmazása.
A kérelmező akkor választhatja ezt a módszert, ha van a kockázatértékelésre vonatkozó közös biztonsági módszerben meghatározott harmonizált kockázatelfogadási kritérium.
A kérelmezőnek a harmonizált kritériumnak való megfelelést a kockázatértékelésre vonatkozó közös biztonsági módszer I-3. mellékletének alkalmazásával kell igazolnia. Az igazoláshoz a következő elvek használhatók (kombinálva is): hivatkozási rendszerrel (rendszerekkel) való hasonlóság; eljárási szabályzat alkalmazása; egyértelmű kockázatbecslés (például valószínűségi megközelítés) alkalmazása.
A kérelmezőnek ki kell jelölnie a megfelelőség igazolását értékelő szervezetet: ez lehet a járműalrendszerre választott bejelentett szervezet vagy a kockázatértékelésre vonatkozó közös biztonsági módszerben meghatározott értékelő szervezet.
Az igazolást valamennyi tagállamban el kell ismerni; vagy
2. Kockázatelemzés és értékelés alkalmazása a kockázatértékelésre vonatkozó közös biztonsági módszernek megfelelően az alkalmazandó kockázatelfogadási kritérium meghatározása és az annak való megfelelés igazolása érdekében.
A kérelmező bármely esetben választhatja ezt a módszert.
A kérelmezőnek a kockázatértékelésre vonatkozó közös biztonsági módszernek megfelelően kell kijelölnie a megfelelőség igazolását értékelő szervezetet.
A biztonságértékelési jelentést a kockázatértékelésre vonatkozó közös biztonsági módszerben és annak módosításaiban meghatározott követelmények szerint kell megadni.
Az engedélyező szerv figyelembe veszi a biztonságértékelési jelentést a kockázatértékelésre vonatkozó közös biztonsági módszer I. melléklete 2.5.6. pontjának és 15. cikke (2) bekezdésének megfelelően.
(4) A fenti (3) pontban felsorolt ÁME-k tekintetében az EK-hitelesítési nyilatkozatot kísérő, vonatkozó dokumentumoknak (például a bejelentett szervezet által kiállított EK-tanúsítványnak vagy biztonságértékelési jelentésnek) egyértelműen fel kell tüntetnie az alkalmazott módszert ("1." vagy "2."); a "2." módszer esetében meg kell említeni az alkalmazott kockázatelfogadási kritériumot is.
6.2.3.6. Új kerékprofilok tervezési értékei (4.2.3.4.3.1. pont)
(1) Az 1 435 mm-es nyomtávú rendszereken történő üzemre tervezett egységek esetében a kerékprofilokat és a kerekek aktív felületei közötti távolságot (az 1. ábra szerinti SR méretet, 4.2.3.5.2.1. pont) úgy kell kiválasztani, hogy az egyenértékű kúposság ne lépje túl a 11. táblázatban az egyenértékű kúposságra vonatkozóan megállapított tervezési határértékeket, ha a tervezett kerékpárt a 12. táblázatban meghatározott vágányparaméterek mintáinak mindegyikével kombinálják.
Az egyenértékű kúposság értékelését a J-1. függelék 9. hivatkozásában említett előírás határozza meg.
11. táblázat
Az egyenértékű kúposság tervezési határértékei
| A jármű legnagyobb üzemi sebessége (km/h) | Az egyenértékű kúposság határértékei | Vizsgálati feltételek (lásd a 12. táblázatot) |
| ≤ 60 | Nem alkalmazható | Nem alkalmazható |
| > 60 és < 190 | 0,30 | összes |
| ≥ 190 és ≤ 230 | 0,25 | 1,2,3,4,5 és 6 |
| > 230 és ≤ 280 | 0,20 | 1,2,3,4,5 és 6 |
| > 280 és ≤ 300 | 0,10 | 1,3,5 és 6 |
| > 300 | 0,10 | 1 és 3 |
12. táblázat
| Vizsgálati feltétel sz. | Sínfejprofil | Sínlejtés | Nyomtáv |
| 1 | 60 E 1 sínmetszet | 1:20 | 1 435 mm |
| 2 | 60 E 1 sínmetszet | 1:40 | 1 435 mm |
| 3 | 60 E 1 sínmetszet | 1:20 | 1 437 mm |
| 4 | 60 E 1 sínmetszet | 1:40 | 1 437 mm |
| 5 | 60 E 2 sínmetszet | 1:40 | 1 435 mm |
| 6 | 60 E 2 sínmetszet | 1:40 | 1 437 mm |
| 7 | 54 E1 sínmetszet | 1:20 | 1 435 mm |
| 8 | 54 E1 sínmetszet | 1:40 | 1 435 mm |
| 9 | 54 E1 sínmetszet | 1:20 | 1 437 mm |
| 10 | 54 E1 sínmetszet | 1:40 | 1 437 mm |
A J-1. függelék 45. hivatkozásában említett előírás meghatározása szerint az aktív felületek között 1 420 és 1 426 mm közötti hézaggal rendelkező, le nem kopott S1002 vagy GV 1/40 kerékprofilokkal rendelkező kerékpárok megfelelnek e pont követelményeinek.
(2) Az 1 524 mm-es nyomtávú rendszereken történő üzemre tervezett egységek esetében a kerékprofilt és a kerekek aktív felületei közötti távolságot a következő adatok alapján kell megválasztani:
13. táblázat
Az egyenértékű kúposság tervezési határértékei
| A jármű legnagyobb üzemi sebessége (km/h) | Az egyenértékű kúposság határértékei | Vizsgálati feltételek (lásd a 14. táblázatot) |
| ≤ 60 | Nem alkalmazható | Nem alkalmazható |
| > 60 és ≤ 190 | 0,30 | 1, 2, 3, 4, 5 és 6 |
| > 190 és ≤ 230 | 0,25 | 1, 2, 3 és 4 |
| > 230 és ≤ 280 | 0,20 | 1, 2, 3 és 4 |
| > 280 és ≤ 300 | 0,10 | 3, 4, 7 és 8 |
| > 300 | 0,10 | 7 és 8 |
14. táblázat
| Vizsgálati feltétel sz. | Sínfejprofil | Sínlejtés | Nyomtáv |
| 1 | 60 E 1 sínmetszet | 1:40 | 1 524 mm |
| 2 | 60 E 1 sínmetszet | 1:40 | 1 526 mm |
| 3 | 60 E 2 sínmetszet | 1:40 | 1 524 mm |
| 4 | 60 E 2 sínmetszet | 1:40 | 1 526 mm |
| 5 | 54 E1 sínmetszet | 1:40 | 1 524 mm |
| 6 | 54 E1 sínmetszet | 1:40 | 1 526 mm |
| 7 | 60 E 1 sínmetszet | 1:20 | 1 524 mm |
| 8 | 60 E 1 sínmetszet | 1:20 | 1 526 mm |
A J-1. függelék 45. hivatkozásában említett előírás szerint az aktív felületek között 1 510 mm közötti hézaggal rendelkező, le nem kopott S1002 vagy GV 1/40 kerékprofilokkal rendelkező kerékpárok megfelelnek e pont követelményeinek.
(3) Az 1 668 mm-es nyomtávú rendszeren való használatra szánt egységek esetében a 15. táblázatban meghatározott egyenértékűkúposság-határértékeket nem szabad túllépni, ha a tervezett kerékpár a modellezés során áthalad a vágány 16. táblázatban meghatározott vágányvizsgálati feltételek reprezentatív mintáján.
15. táblázat
Az egyenértékű kúposság tervezési határértékei
| A jármű legnagyobb üzemi sebessége (km/h) | Az egyenértékű kúposság határértékei | Vizsgálati feltételek (lásd a 16. táblázatot) |
| ≤ 60 | Nem alkalmazható | Nem alkalmazható |
| > 60 és < 190 | 0,30 | összes |
| ≥ 190 és ≤ 230 | 0,25 | 1 és 2 |
| > 230 és ≤ 280 | 0,20 | 1 és 2 |
| > 280 és ≤ 300 | 0,10 | 1 és 2 |
| > 300 | 0,10 | 1 és 2 |
16. táblázat
| Vizsgálati feltétel sz. | Sínfejprofil | Sínlejtés | Nyomtáv |
| 1 | 60 E 1 sínmetszet | 1:20 | 1 668 mm |
| 2 | 60 E 1 sínmetszet | 1:20 | 1 670 mm |
| 3 | 54 E1 sínmetszet | 1:20 | 1 668 mm |
| 4 | 54 E1 sínmetszet | 1:20 | 1 670 mm |
A J-1. függelék 45. hivatkozásában említett előírás meghatározása szerint az aktív felületek között 1 653 és 1 659 mm közötti hézaggal rendelkező, le nem kopott S1002 vagy GV 1/40 kerékprofilokkal rendelkező kerékpárok megfelelnek e pont követelményeinek.
6.2.3.7. A kerékpárok mechanikai és geometriai jellemzői (4.2.3.5.2.1. pont)
Kerékpár:
(1) Az összeállítás megfelelőségi igazolásának a J-1. függelék 46. hivatkozásában említett előíráson kell alapulnia, amelynek pontjai a tengelyre ható erők határértékeit, illetve a kapcsolódó ellenőrző vizsgálatokat határozzák meg.
Tengelyek:
(2) A tengely mechanikai ellenállási és kifáradási jellemzőire vonatkozó megfelelőség igazolásnak összhangban kell lennie a J-1. függelék 47. hivatkozásában említett előírással.
A megengedett igénybevételre vonatkozó döntési kritériumokat a J-1. függelék 47. hivatkozásában említett előírás határozza meg.
(3) A számításokhoz a terhelési körülmények feltétezett értékeit egyértelműen fel kell tüntetni az ezen ÁME 4.2.12. pontjában meghatározott műszaki dokumentációban.
A tengelyek ellenőrzése:
(4) Hitelesítési eljárást kell bevezetni a gyártási szakaszban annak érdekében, hogy a tengelyek mechanikai jellemzőiben bekövetkező változásokból fakadó hibák ne befolyásolhassák hátrányosan a biztonságot.
(5) Ellenőrizni kell a tengely anyagának szakítószilárdságát, ütésállóságát, felszíni épségét, anyagjellemzőit és anyagtisztaságát.
A hitelesítési eljárásnak meg kell határoznia az egyes ellenőrizendő jellemzők esetében használt mintavételi eljárást.
Tengelyágyak/csapágyak:
(6) A görgőscsapágy mechanikai ellenállási és kifáradási jellemzőire vonatkozó megfelelőség igazolásnak összhangban kell lennie a J-1. függelék 48. hivatkozásában említett előírással.
(7) Amennyiben az EN-szabványok nem terjednek ki a javasolt műszaki megoldásra, a kerékpárokra, tengelyekre és kerekekre más megfelelőségértékelési módszerek vonatkoznak:
Megengedett más szabványok használata, amennyiben az EN-szabványok nem terjednek ki a javasolt műszaki megoldásra; ebben az esetben a bejelentett szervezet ellenőrzi, hogy az alternatív szabványok a kerékpárok tervezésére, kialakítására és vizsgálatára műszakilag egységes, a kerékpárokra, a kerekekre, a tengelyekre és a tengelycsapágy-házakra vonatkozóan konkrét követelményeket is tartalmazó szabványokból áll-e a következőkre tekintettel:
- a kerékpár összeszerelése,
- mechanikai ellenállás,
- fáradási jellemzők,
- megengedett igénybevételi határértékek,
- termomechanikai jellemzők.
A fent előírt igazolás teljesítéséhez csak nyilvánosan elérhető szabványokra lehet hivatkozni.
A bejelentett szervezet által végzett ellenőrzésnek biztosítania kell az alternatív szabványok módszertana, a kérelmező által elfogadott feltevések, a tervezett műszaki megoldás és a tervezett felhasználási terület közötti összhangot.
(8) Meglévő tervek szerint gyártott kerékpárok, tengelyek, tengelycsapágyak és tengelycsapágy-házak különleges esete:
Azon termékek esetében, amelyeket az ezen ÁME hatálybalépése előtt kialakított tervek szerint gyártottak és a termékekre vonatkozó ÁME hatálybalépése előtt használtak a termék forgalombahozatala céljából, a kérelmező eltérhet a fent meghatározott megfelelőségértékelési eljárástól és az ezen ÁME követelményeinek való megfelelés igazolása érdekében utalhat a hasonló körülmények között korábbi kérelmek esetében elvégzett konstrukciós és típusvizsgálatokra. Ennek igazolását dokumentálni kell, és az igazolás ugyanolyan szintű bizonyító adatnak minősül, mint a SB. modul vagy a SH1. modul szerint végzett konstrukcióvizsgálat.
6.2.3. 7A. Automatikusan változtatható nyomtávú rendszer
(1) A 4.2.3.5.3. (5) pontban előírt és a kölcsönös átjárhatóságot lehetővé tevő rendszerelem szintjén végzett biztonsági elemzést az egység (jármű) szintjén konszolidálni kell; felülvizsgálatra szorulhatnak különösen a 6.1.3.1a. (3) pontnak megfelelő feltevések a jármű és annak felhasználási célja figyelembevétele érdekében.
(2) A kölcsönös átjárhatóságot lehetővé tevő rendszerelem futóművön/egységen belüli integrációjának és a nyomtávszabályozó berendezéssel való műszaki kompatibilitásnak az értékelése a következőkből áll:
- az 5.3.4a. (1) bekezdésben meghatározott felhasználási területnek való megfelelés ellenőrzése;
- a kölcsönös átjárhatóságot lehetővé tevő rendszerelem megfelelő futóművön/egységen belüli integrációjának ellenőrzése, beleértve a fedélzeti irányító és ellenőrző rendszer helyes működését (adott esetben); és
- tesztpályán végzett vizsgálatok, többek között a nyomtávszabályozó berendezés(ek) üzem közbeni körülmények tekintetében reprezentatív vizsgálata.
6.2.3.8. Vészfékezés (4.2.4.5.2. pont)
(1) A vizsgálat tárgyát képező fékhatásosság a J-1. függelék 66. hivatkozásában említett előírásban meghatározott fékút. A jármű lassulását a fékútból kell kiszámítani.
(2) Vizsgálatokat kell végezni száraz síneken a következő sebességértékeken (ha ezek a legnagyobb tervezési sebességnél alacsonyabbak): 30 km/h; 100 km/h; 120 km/h; 140 km/h; 160 km/h; 200 km/h; 200 km/h-ról az egység legnagyobb tervezési sebességéig legfeljebb 40 km/h-s fokozatokban.
(3) Vizsgálatokat kell végezni az egység (4.2.2.10. és 4.2.4.5.2. pontban meghatározott) "tervezési tömeg menetkész állapotban", "tervezési tömeg átlagos hasznos teher mellett" és "legnagyobb fékezési terhelés" tervezési állapota esetében.
(4) Amennyiben a terhelési körülmények közül kettő hasonló fékpróbafeltételeket eredményez a vonatkozó EN-szabványok vagy normatív dokumentumok szerint, megengedett a vizsgálatok számának 3-ról 2-re csökkentése. A vizsgálati eredményeket a következő szempontokat figyelembe vevő módszerrel kell értékelni:
- a nyers adatok korrekciója,
- a vizsgálat megismételhetősége: a vizsgálati eredmények validálása érdekében a vizsgálatot többször meg kell ismételni; értékelni kell az eredmények abszolút eltérését és a szórást.
6.2.3.9. Üzemi fékezés (4.2.4.5.3. pont)
(1) A vizsgálat tárgyát képező legnagyobb üzemi fékhatásosság a J-1. függelék 66. hivatkozásában említett előírásban meghatározott fékút. A jármű lassulását a fékútból kell kiszámítani.
(2) A vizsgálatokat száraz sínen kell végezni az egység legnagyobb tervezési sebességének megfelelő kezdősebességről; a terhelési körülménynek a 4.2.4.5.2. pontban meghatározott körülmények egyikének kell lennie.
(3) A vizsgálati eredményeket a következő szempontokat figyelembe vevő módszertannal kell értékelni:
- a nyers adatok korrekciója,
- a vizsgálat megismételhetősége: a vizsgálati eredmények validálása érdekében a vizsgálatot többször meg kell ismételni; értékelni kell az eredmények abszolút eltérését és a szórást.
6.2.3.10. Csúszásgátló rendszer (4.2.4.6.2. pont)
(1) Ha az egységet csúszásgátló rendszerrel szerelték fel, el kell végezni a J-1. függelék 15. hivatkozásában említett előírásban szereplő alacsony tapadási viszonyok melletti vizsgálatot a csúszásgátló rendszer hatékonyságának ellenőrzése érdekében (a fékút legnagyobb növekedése a száraz sínen való fékúthoz képest) az egységbe beszereléskor.
6.2.3.11. Egészségügyi rendszerek (4.2.5.1. pont)
(1) Ha az egészségügyi rendszer lehetővé teszi folyadékok környezetbe (azaz a vágányokra) történő kiengedését, a megfelelőségértékelés alapulhat korábbi üzemi vizsgálatokon, amennyiben a következő feltételek teljesülnek:
- az üzemi vizsgálat eredményei azonos módszerrel kezelt berendezéstípusok alapján születtek,
- a vizsgálat feltételei hasonlóak az értékelt egység esetében feltételezett adatokhoz a terhelés mértéke, a környezeti feltételek és minden más olyan feltétel tekintetében, amely befolyásolja a kezelési eljárás hatékonyságát és eredményességét.
Ha nincsenek meg a szükséges üzemi feltételek, típusvizsgálatokat kell végezni.
6.2.3.12. A belső levegő minősége (4.2.5.8. és 4.2.9.1.7. pont)
(1) Megengedett, hogy a CO2-szintek megfelelőségértékelésének megállapítására a frisslevegő-szellőzés mértékének számítása alapján kerüljön sor, feltételezve, hogy a külső levegő minőség 400 ppm CO2-értékkel jellemezhető, és az utasok óránként 32 gramm CO2-t bocsátanak ki. A számításba veendő utaslétszámot a "tervezési tömeg átlagos hasznos teher mellett" terhelési állapotból kell levezetni az ezen ÁME 4.2.2.10. pontjában előírtak szerint.
6.2.3.13. Az elhaladó vonatok miatt a peronon tartózkodó utasokat és a vágány mentén dolgozókat érő légörvényhatás (4.2.6.2.1. pont)
(1) A 4.2.6.2.1. pontban meghatározott, a levegő megengedett legnagyobb pálya menti sebességére vonatkozó határértékeknek való megfelelést egyenes pályán elvégzett teljes körű vizsgálatokkal kell igazolni a J-1. függelék 49. hivatkozásában említett előírásnak megfelelően.
(2) A fent leírt teljes körű értékelés helyett megengedett egyszerűsített értékelést végezni az azokhoz hasonló konstrukciójú járművek esetében, amelyek tekintetében teljes körűen elvégezték az ezen ÁME-ban meghatározott értékelést. Ilyen esetekben a J-1. függelék 49. hivatkozásában említett előírásban meghatározott egyszerűsített megfelelőségértékelés alkalmazható, amennyiben a konstrukciós eltérések az ugyanezen előírás szerinti határokon belül maradnak.
6.2.3.14. Légnyomásimpulzus (4.2.6.2.2. pont)
(1) A megfelelőség értékelése eredeti méretekkel és a J-1. függelék 49. hivatkozásában említett előírásban meghatározott feltételekkel történik. A megfelelőségértékelés ehelyett az említett előírásban meghatározott validált numerikus áramlástani szimulációkkal vagy kiegészítő mozgó modellvizsgálatokkal is elvégezhető.
(2) A fent leírt teljes körű értékelés helyett megengedett egyszerűsített értékelést végezni az azokhoz hasonló konstrukciójú járművek esetében, amelyek tekintetében teljes körűen elvégezték az ezen ÁME-ban meghatározott értékelést. Ilyen esetekben a J-1. függelék 49. hivatkozásában említett előírásban meghatározott egyszerűsített megfelelőségértékelés alkalmazható, amennyiben a konstrukciós eltérések az ugyanezen előírás szerinti határokon belül maradnak.
6.2.3.15. Maximális nyomásingadozás alagutakban (4.2.6.2.3. pont)
A megfelelőségértékelési eljárás ismertetését a J-1. függelék 50. hivatkozásában említett előírás tartalmazza.
6.2.3.16. Oldalszél (4.2.6.2.4. pont)
(1) A megfelelőségértékelést a 4.2.6.2.4. pont teljes körűen meghatározza.
6.2.3.17. A jelzőkürt hangnyomásszintjei (4.2.7.2.2. pont)
(1) A jelzőkürt hangnyomásszintjeit a J-1. függelék 21. hivatkozásában említett előírással összhangban kell mérni és ellenőrizni.
6.2.3.18. A felsővezetékről felvehető megengedett legnagyobb teljesítmény és áramerősség (4.2.8.2.4. pont)
(1) A megfelelőségértékelést a J-1. függelék 22. hivatkozásában említett előírással összhangban kell elvégezni.
6.2.3.19. Teljesítménytényező (4.2.8.2.6. pont)
(1) A megfelelőségértékelést a J-1. függelék 22. hivatkozásában említett előírással összhangban kell elvégezni.
6.2.3.19a. Fedélzeti villamosenergiafogyasztás-mérő rendszer (4.2.8.2.8. pont)
(1) Energiafogyasztás-mérési funkció (EMF)
Az egy vagy több villamosenergiafogyasztás-mérési funkciót tartalmazó készülékek pontosságát az egyes funkciók vizsgálatával, referenciafeltételekkel kell értékelni, a J-1. függelék 56. hivatkozásában említett előírásban ismertetett vonatkozó módszer szerint. A vizsgálat során a bemeneti mennyiségi és teljesítménytényező tartományának meg kell felelnie a fent említett előírásban meghatározott értékeknek.
A hőmérséklet által az egy vagy több villamosenergiafogyasztás-mérési funkciót tartalmazó készülékek pontosságára gyakorolt hatást az egyes funkciók vizsgálatával, referenciafeltételekkel kell értékelni (a hőmérséklet kivételével) a J-1. függelék 56. hivatkozásában említett előírásban ismertetett vonatkozó módszer szerint.
Az egy vagy több villamosenergiafogyasztás-mérési funkciót tartalmazó készülék átlagos hőmérsékleti együtthatóját az egyes funkciók vizsgálatával, referenciafeltételekkel kell értékelni (a hőmérséklet kivételével) a J-1. függelék 56. hivatkozásában említett előírásban ismertetett vonatkozó módszer szerint.
Azokban az esetekben, amikor a 4.2.8.2.8.2. (6) pont alkalmazandó, a meglévő rendszerelemek említett pontban foglaltaknak való megfelelését lehet a J-1. függelék 56. hivatkozásában említett előírástól eltérő szabvány, vagy az említett előírás egy korábbi változata szerint is értékelni.
(2) Adatkezelő rendszer (DHS)
Az adatkezelő rendszeren belüli adatok összeállítását és kezelését vizsgálattal kell értékelni a J-1. függelék 55. hivatkozásában említett előírásban ismertetett módszer használatával.
(3) Fedélzeti villamosenergiafogyasztás-mérő rendszer (EMS)
Az EMS-t a J-1. függelék 59. hivatkozásában említett előírásban ismertetett vizsgálattal kell értékelni.
6.2.3.20. Az áramfelvétel dinamikai jellemzői (4.2.8.2.9.6. pont)
(1) Amennyiben a kölcsönös átjárhatóságot lehetővé tevő rendszerelemként történő használatra EK-megfelelőségi nyilatkozattal vagy EK alkalmazhatósági nyilatkozattal rendelkező áramszedők kerülnek a 4.2.8.2.9.6. pont szerint értékelt vasútijármű-egységbe, dinamikai vizsgálatokat kell végezni az emelés, illetve a sarunyomás, a szórás és az ívhúzás mérése érdekében, a J-1. függelék 42. hivatkozásában említett előírásnak megfelelően, az egység tervezési sebességéig.
(2) Az 1 435 mm-es és 1 668 mm-es nyomtávú rendszereken történő üzemre tervezett egységek esetében a vizsgálatokat minden egyes beszerelt áramszedő esetében mindkét haladási irányba el kell végezni, és azoknak alacsony (a meghatározás szerint 5,0-5,3 m közötti) és magas (a meghatározás szerint 5,5-5,75 m közötti) munkavezeték-magasságú vágányszakaszokra is ki kell terjedniük.
Az 1 520 mm-es és 1 524 mm-es nyomtávú rendszereken történő üzemre tervezett egységek esetében a vizsgálatoknak 6,0-6,3 m közötti munkavezeték-magasságú vágányszakaszokra is ki kell terjedniük.
(3) A járművet az egység legnagyobb tervezési sebességéig legalább három sebességértékre felgyorsítva kell vizsgálni. Az egymást követő vizsgálatok közötti sebességkülönbség legfeljebb 50 km/h lehet.
(4) A vizsgálatok során a statikus sarunyomást minden konkrét energiaellátási rendszerre be kell állítani, a 4.2.8.2.9.5. pontban megadottak szerint.
(5) A mért eredményeknek a 4.2.8.2.9.6. pontban megadott határértékek között kell maradniuk az emelést, az átlagos sarunyomást és a szórást, illetve az ívhúzás százalékos mértékét illetően. Az emelés mérését illetően, az emelést legalább két tartókar tekintetében kell mérni.
6.2.3.21. Az áramszedők elrendezése (4.2.8.2.9.7. pont)
(1) Az áramfelvétel dinamikai jellemzőihez kapcsolódó értékeket a 6.2.3.20. pontban meghatározottak szerint kell értékelni.
(2) A legrosszabbul teljesítő áramszedők esetében a legnagyobb emelés és a legnagyobb szórás vagy ívhúzás tekintetében vizsgálatokat kell végezni. A legrosszabbul teljesítő áramszedőket tartalmazó elrendezéseket a J-1. függelék 41. és 42. hivatkozásában említett szimulációval vagy méréssel kell meghatározni.
6.2.3.22. Szélvédő (4.2.9.2. pont)
(1) A szélvédő jellemzőit a J-1. függelék 28. hivatkozásában említett előírásban meghatározottak szerint kell ellenőrizni.
6.2.3.23. Tűzérzékelő rendszerek (4.2.10.3.2. pont)
(1) A 4.2.10.3.2. (1) pont teljesített feltételnek minősül, ha igazolt, hogy a vasúti járművet a következő területeken tűzérzékelő berendezéssel szerelték fel:
- elektromos tápvezetéket és/vagy villamos vonóberendezést tartalmazó zárt vagy nem zárt műszaki rekesz vagy szekrény,
- a belső égésű motor elhelyezésére szolgáló műszaki terület,
- hálókocsik és hálófülkék, ideértve a személyzeti fülkéket és a hozzájuk kapcsolódó közlekedőket, valamint a mellettük lévő belső égésű fűtőberendezéseket.
6.2.4. Értékelendő projektszakaszok
(1) Ezen ÁME H. függeléke részletezi, hogy a projekt mely szakaszában kell értékelést végezni:
- Tervezési és fejlesztési szakasz:
- a tervezés felülvizsgálata és/vagy konstrukcióvizsgálat,
- típusvizsgálat: a 4.2. pontban meghatározottak szerinti típusvizsgálat (esetleg a konstrukció ellenőrzését szolgáló tesztek).
- Gyártási szakasz: a gyártásmegfelelőség ellenőrzését szolgáló rutinvizsgálat.
A rutinvizsgálatok elvégzéséért felelős szerv meghatározása a választott értékelési modul szerint történik.
(2) A H. függelék a 4.2. pontnak megfelelően tagolódik, amely meghatározza a vasútijármű-alrendszerre vonatkozó követelményeket, és ismerteti a 6.2.2.2. pont alpontjára vonatkozó hivatkozást is.
Ha a H. függelékben kifejezetten típusvizsgálat van meghatározva, a 4.2. pontot kell figyelembe venni a vizsgálatra vonatkozó feltételek és követelmények tekintetében.
(3) Amennyiben több EK-hitelesítés (például az ugyanazzal az alrendszerrel foglalkozó több ÁME szerint) igényel ugyanazon a gyártásértékelésen (SD. vagy SF. modul) alapuló hitelesítést, megengedett több SB. modul szerinti értékelésnek egy gyártásmodul értékeléssel (SD vagy SF) való párosítása. Ebben az esetben a közbenső hitelesítési nyilatkozatot az SB. modul szerint kell kiállítani a tervezési és fejlesztési szakaszt illetően.
(4) Ha SB. modul használatára kerül sor, a közbenső alrendszer EK megfelelőségi nyilatkozatának érvényességét ezen ÁME 7.1.3. pontja ("Az EK-hitelesítésre vonatkozó szabályok") B. alpontjában szereplő vonatkozó rendelkezéseknek megfelelően kell megadni.
6.2.5. Innovatív megoldások
(1) Amennyiben a vasútijármű-alrendszer tekintetében (a 10. cikkben meghatározott) innovatív megoldásra tesznek javaslatot, a kérelmező a 10. cikkben leírt eljárást alkalmazza.
6.2.6. Az üzemeltetés és karbantartás tekintetében kért dokumentáció értékelése
Az (EU) 2016/797 irányelv 15. cikkének (4) bekezdése alapján a kérelmező felel az üzemeltetés és a karbantartás tekintetében kért dokumentációt is tartalmazó műszaki dokumentum összeállításáért.
6.2.7. Általános üzemre használni kívánt egységek értékelése
(1) Amennyiben általános üzemre használni kívánt új, korszerűsített vagy felújított járműveket értékelnek ezen ÁME szerint (a 4.1.2. pont szerint), egyes ÁME-követelmények értékeléséhez referenciavonatra van szükség. Erről a 4.2. pont megfelelő rendelkezései tesznek említést. Hasonlóképpen a vonatszintű ÁME-követelmények egy része sem értékelhető egységszinten. Ezek az esetek a 4.2. pont vonatkozó követelményeivel kapcsolatosan kerülnek ismertetésre.
(2) A bejelentett szervezet nem ellenőrzi a felhasználási területet, vagyis azt a járműtípust, amely az értékelendő egységgel együtt biztosítja, hogy a vonat megfeleljen az ÁME-nak.
(3) Miután a megfelelő egység forgalombahelyezési engedélyt kapott, az üzemeltetés alrendszerre vonatkozó ÁME 4.2.2.5. pontjában (vonat-összeállítás) meghatározott szabályok szerint annak vonatszerelvényben történő használata (függetlenül attól, hogy az ÁME-nak megfelelő-e vagy sem) a vasúti társaság felelőssége.
6.2.8. Előre meghatározott összeállítás(ok)ban használni kívánt egységek értékelése
(1) Amennyiben előre meghatározott összeállítás(ok)ban használni kívánt új, korszerűsített vagy felújított egységek értékelésére kerül sor (a 4.1.2. ponttal összhangban), az EK-hitelesítési tanúsítványnak meg kell határoznia azokat az összeállításokat, amelyekre az értékelés érvényes: az értékelendő egységgel összekapcsolt járművek típusa, az összeállítás(ok)ban szereplő járművek száma, a járművek összeállításon belüli elrendezése, amely biztosítani fogja, hogy a vonat-összeállítás megfeleljen ezen ÁME-nek.
(2) A vonatszintű ÁME-követelményeket adott esetben az ebben az ÁME-ban meghatározott referenciavonat-összeállítás használatával kell értékelni.
(3) Miután az egység forgalombahelyezési engedélyt kapott, az EK-hitelesítési tanúsítványban meghatározott összeállításokban összekapcsolható más egységekkel.
6.2.9. Különleges eset: meglévő fix összeállításban használni kívánt egységek értékelése
6.2.9.1. Háttér
(1) Az értékelés e különleges esete egy, már üzembe helyezett fix összeállítás valamely alkatrészének cseréje esetén alkalmazandó.
Az alábbiakban a fix összeállítás ÁME-helyzetétől függően két eset ismertetésére kerül sor.
A fix összeállítás értékelt részére a szöveg az alábbiakban egységként hivatkozik.
6.2.9.2. Az ÁME-nek megfelelő fix összeállítás esete
(1) Amennyiben fix összeállítás(ok)ban használni kívánt új, korszerűsített vagy felújított egységek értékelésére kerül sor ezen ÁME alapján, és a meglévő fix összeállítás tekintetében érvényes EK hitelesítési tanúsítvány áll rendelkezésre, a meglévő fix összeállítás tanúsítványának aktualizálása érdekében csak a fix összeállítás új egységét kell az ÁME alapján értékelni, és a tanúsítványt megújítottnak kell tekinteni (lásd még a 7.1.2.2. pontot).
6.2.9.3. Az ÁME-nek nem megfelelő fix összeállítás esete
(1) Amennyiben fix összeállítás(ok)ban használni kívánt új, korszerűsített vagy felújított egységek értékelésére kerül sor ezen ÁME alapján, és a meglévő fix összeállítás tekintetében nem áll rendelkezésre érvényes EK hitelesítési tanúsítvány, a meglévő fix összeállítás tanúsítványában fel kell tüntetni, hogy az értékelés nem terjed ki fix összeállításra alkalmazandó ÁME követelményeire, csak az értékelt egységre.
6.2.10. EK-hitelesítés fedélzeti ETCS-sel felszerelt jármű/járműtípus esetén
(1) Ez az eset arra vonatkozik, amikor fedélzeti ETCS-t telepítenek:
- újonnan kialakított járműkonstrukcióra, amely az (EU) 2018/545 bizottsági végrehajtási rendelet ( 23 ) 14. cikkében meghatározottak szerint első engedélyt igényel,
- bármilyen más járműtípusra és üzemben lévő járműre.
A járműnek az ellenőrző-irányító és jelző alrendszerre vonatkozó ÁME A. függeléke A.2. táblázatának 7. hivatkozásában említett alapvető interfészfunkció-paramétereket érintő követelményeknek (lásd a 9. táblázat 1. és 2. oszlopát) való megfelelését csak telepített ETCS esetén lehet értékelni.
(2) Az ETCS járműbe történő telepítéséhez szükséges interfészfunkciók értékelése a fedélzeti ellenőrző-irányító és jelző alrendszer EK-hitelesítésének részét képezi az ellenőrző-irányító és jelző alrendszerre vonatkozó ÁME 6.3.3. pontjának megfelelően.
Megjegyzés: Az ezen ÁME járművekre vonatkozóan meghatározott egyéb követelményei a jármű alrendszer EK-hitelesítésének a részét képezik.
6.2.11. EK-hitelesítés fedélzeti ATO-val felszerelt jármű/járműtípus esetén
(1) Ez a pont a fedélzeti ETCS-rendszerrel ellátott és a legfeljebb 2. automatizáltsági fokú automatikus vonatüzemeltetési rendszerrel (ATO) felszerelni kívánt egységekre vonatkozik.
(2) A járműnek az ellenőrző-irányító és jelző alrendszerre vonatkozó ÁME A. függeléke A.2. táblázatának 84. és 88. hivatkozásában meghatározott interfész-követelményeknek való megfelelését csak telepített ATO esetén lehet értékelni.
(3) A fedélzeti ATO járműbe történő telepítéséhez szükséges interfész-követelmények értékelése a fedélzeti ellenőrző-irányító és jelző alrendszer EK-hitelesítésének részét képezi az ellenőrző-irányító és jelző alrendszerre vonatkozó ÁME 6.3.3. pontjának megfelelően.
6.3. Kölcsönös átjárhatóságot lehetővé tevő, EK-nyilatkozattal nem rendelkező rendszerelemeket tartalmazó alrendszerek karbantartása
(1) Az EK-hitelesítési tanúsítvánnyal rendelkező és EU-megfelelőségi nyilatkozattal vagy alkalmazhatósági nyilatkozattal nem rendelkező átjárhatóságot lehetővé tevő rendszerelemeket tartalmazó alrendszerek esetében megengedett, hogy az EK-megfelelőségi nyilatkozattal vagy alkalmazhatósági nyilatkozattal nem rendelkező, és azonos típusú átjárhatóságot lehetővé tevő rendszerelemeket karbantartás során cserealkatrészként (pótalkatrészként) használják, a karbantartásért felelős szervezet felelőssége mellett.
(2) A karbantartásért felelős szervezetnek mindenesetre biztosítania kell, hogy a karbantartás során kicserélt alkatrészek rendeltetésüknek megfeleljenek, saját felhasználási területükön kerüljenek felhasználásra, valamint biztosítsák a vasúti rendszer kölcsönös átjárhatóságát, és egyidejűleg megfeleljenek az alapvető követelményeknek. Az ilyen rendszerelemeknek visszakereshetőnek és a nemzeti vagy nemzetközi szabályoknak vagy a vasúti területen széles körben elismert bármilyen gyakorlati szabályzatnak megfelelően tanúsított elemeknek kell lenniük.
(3) A fenti (1) és (2) pont mindaddig alkalmazandó, amíg a kérdéses rendszerelemek az alrendszer 7.1.2. pont szerinti korszerűsítésének vagy felújításának részét képezik.
7. VÉGREHAJTÁS
7.1. A végrehajtás általános szabályai
7.1.1. Általános előírások
7.1.1.1. Alkalmazás újonnan épült vasúti járművekre
(1) Ez az ÁME az alkalmazási körébe tartozó és az ezen ÁME alkalmazásának 12. cikkben előírt kezdőnapja után forgalomba hozott vasúti járművek minden egységére vonatkozik, kivéve, amennyiben a 7.1.1.2. pont ("Alkalmazás folyamatban lévő projektekre") vagy a 7.1.1.3. pont ("Alkalmazás speciális járművekre, például vasúti munkagépekre") alkalmazandó.
(2) Az e melléklet 2023. szeptember 28. előtt alkalmazandó változatának való megfelelés az ezen ÁME-nak való megfeleléssel egyenértékűnek tekintendő, kivéve az L. függelékben felsorolt módosítások tekintetében.
7.1.1.2. Alkalmazás folyamatban lévő projektekre
(1) Ezen ÁME 2023. szeptember 28-tól alkalmazandó változatának alkalmazása nem kötelező azon projektek esetében, amelyek kidolgozása az adott időpontban a korábbi ÁME (azaz az (EU) 2020/387 bizottsági végrehajtási rendelettel ( 24 ) módosított e rendelet) 7.1.3.1. pontjában meghatározottak szerinti A. vagy B. fázisban tart.
(2) Az L. függelék L.2. táblázatának sérelme nélkül a 4., 5. és 6. pont követelményeinek alkalmazása az (1) pontban említett projektekre történhet önkéntes alapon.
(3) Ha a kérelmező úgy dönt, hogy az ÁME ezen változatát nem alkalmazza valamely folyamatban lévő projektre, ennek az ÁME-nak az 1. pontban említett A. fázis elején alkalmazandó változata marad alkalmazandó.
7.1.1.3. Alkalmazás speciális járművekre
(1) Ezen ÁME és a zajra vonatkozó ÁME (2.2. és 2.3. pontban meghatározott) nem üzemképes állapotban vontatott üzemmódban használt speciális járművekre történő alkalmazása kötelező, ha a felhasználási terület több tagállamra terjed ki.
(2) Ezen ÁME és a zajra vonatkozó ÁME alkalmazása az (1) pontban említettektől eltérő nem üzemképes állapotban vontatott üzemmódban használt speciális járművekre nem kötelező.
a) Amennyiben nincs olyan nemzeti szabály, amely eltér az ezen ÁME-ban vagy a zajra vonatkozó ÁME-ban foglaltaktól, a kérelmezőnek a 6.2.1. pontban leírt megfelelőségértékelési eljárást kell alkalmaznia annak érdekében, hogy kiállítsák az ezen ÁME szerinti EK-hitelesítési nyilatkozatot; ezt az EK-hitelesítési nyilatkozatot a tagállamoknak ilyen nyilatkozatként el kell ismerniük.
b) Amennyiben a nemzeti szabályok eltérnek az ezen ÁME-ban vagy a zajra vonatkozó ÁME-ban foglaltaktól és a kérelmező az ÁME-k alkalmazásának mellőzését választja az említett ÁME-k vonatkozó alapvető paramétereit illetően, a speciális jármű az (EU) 2016/797 irányelv 21. cikkének megfelelően a kiválasztott alapvető paramétereket érintően a nemzeti szabályok szerint engedélyezhető.
(3) A 2. b) pont alkalmazása esetén a vezetőfülke belső zajszintjének értékelése (lásd a zajra vonatkozó ÁME 4.2.4. pontját) valamennyi speciális jármű tekintetében kötelező.
7.1.1.4. A tűzbiztonsági követelményre vonatkozó átmeneti intézkedés
A 2026. január 1-jéig tartó átmeneti időszakban megengedett, hogy a 4.2.10.2.1. pontban az anyagokra vonatkozóan meghatározott követelmények alkalmazása helyett az anyag tűzbiztonsági követelmények szerinti megfelelőségének ellenőrzését alkalmazzák az EN 45545-2:2013+A1:2015 szabvány alapján vett megfelelő üzemi kategória segítségével.
7.1.1.5. A személykocsik adott felhasználási területre nem korlátozódó típusengedélyének és/vagy forgalombahozatali engedélyének beszerzésére vonatkozó feltételek
(1) Ez a pont a 2.2.2. (A) (3) pontban meghatározott személykocsikra és más kapcsolódó kocsikra vonatkozik, a vezetőfülkével felszerelt ilyen kocsik kivételével.
(2) Az adott felhasználási területre nem korlátozódó járműtípus-engedély és/vagy forgalombahozatali engedély beszerzésére vonatkozó feltételeket a 7.1.1.5.1. és 7.1.1.5.2. pont a jármű alrendszer EK-hitelesítése során figyelembe veendő kiegészítő követelményként határozza meg. E feltételek ezen ÁME, a mozgáskorlátozott személyekre vonatkozó ÁME és a zajra vonatkozó ÁME követelményeit kiegészítő követelményeknek tekintendők, amelyeknek hiánytalanul eleget kell tenni.
(3) A 7.1.1.5.1. pontban meghatározott feltételeknek való megfelelés kötelező. Az említett pont az előre meghatározott vonatösszeállításokban való használatra szánt kocsik esetében alkalmazandó feltételeket sorolja fel.
(4) A 7.1.1.5.2. pontban meghatározott feltételeknek való megfelelés nem kötelező. Ez a pont az általános üzemre használni kívánt kocsikra vonatkozó további követelményeket sorolja fel.
7.1.1.5.1. Előre meghatározott vonatösszeállításokban való használatra szánt kocsik esetében alkalmazandó feltételek
(1) A jármű kizárólag telepített fedélzeti ellenőrző-irányító és jelző rendszerrel nem rendelkező jármű alrendszerből álló (ezen ÁME-ban meghatározott) egység lehet.
(2) Az egység nem rendelkezik vontató eszközzel.
(3) Az egységet a következő nyomtávú rendszerek legalább egyikén való üzemre tervezték:
a) 1 435 mm,
b) 1 668 mm.
(4) Az egység a 6.1.3.1. pont szerint értékelt kovácsolt és hengerelt kerekekkel rendelkezik.
(5) Az egység minimum 760 mm-nál nagyobb átmérőjű kerekekkel rendelkezik.
(6) Az egység kompatibilis a következő síndőlésekkel: 1/20, 1/30 és 1/40. Kizárja a felhasználási terület érintett hálózatán való használatot, ha az egység egy vagy több síndőléssel nem kompatibilis.
(7) Az egységet a következő referenciaprofilok egyikének megfelelőnek nyilvánították: G1, GA, GB, GC vagy DE3, beleértve a GI1, GI2 vagy GI3 hordműhöz kapcsolódó profilokat is.
(8) Az egység legnagyobb sebessége nem érheti el a 250 km/h-t.
(9) A 4.1.4. pontban említett B. kategóriájú egységeket teljes keresztmetszetű válaszfalakkal kell felszerelni a 4.2.10.3.4. (3) pontnak megfelelően, kivéve a hálókocsikat, amelyeket a 4.2.10.3.4. (4) pontnak megfelelően más tűzgátló és tűzoltó rendszerekkel kell ellátni.
(10) A nyomkarimakenő berendezéssel felszerelt egységeknél lehetőséget kell biztosítani az említett berendezések be- és kikapcsolására a J-2. függelék A. hivatkozásában említett előírásban foglaltak szerint.
(11) Az örvényáramú sínfékkel felszerelt egységeknél lehetőséget kell biztosítani az említett sínfékek be- és kikapcsolására a J-2. függelék A. hivatkozásában említett előírásban foglaltak szerint.
(12) A mágneses sínfékkel felszerelt egységeknél lehetőséget kell biztosítani az említett sínfékek be- és kikapcsolására a J-2. függelék A. hivatkozásában említett előírásban foglaltak szerint.
(13) Az EN-UIC fékrendszerrel ellátott egységeket a J-1. függelék 71. hivatkozásában említett előírással összhangban kell vizsgálni.
(14) Ha az egységet vegyes forgalmú alagutakban való üzemelésre szánják, nagyobb aerodinamikai terhelést kell figyelembe venni a J-1. függelék 50. hivatkozásában említett előírás szerint.
(15) Az egységet a J-2. függelék A. hivatkozásában említett előírásnak megfelelően kell kialakítani.
(16) A 4.2.12.2. (26) pontban ismertetett műszaki dokumentációnak a következő egységjellemzőket kell tartalmaznia:
a) az egypólusú tápvezetéken alkalmazandó feszültség a 4.2.11.6. (2) pontban foglaltak szerint,
b) az egység által álló helyzetben, egypólusú tápvezetéken keresztül felhasznált legnagyobb áramfogyasztás (A), az egypólusú tápvezetéken alkalmazott minden feszültség tekintetében,
c) a J-2. függelék A. hivatkozásában említett előírásban és adott esetben az ellenőrző-irányító és jelző alrendszerre vonatkozó ÁME 13. cikkében említett egyedi esetekben vagy műszaki dokumentumokban meghatározott egyes frekvenciasávok szabályozására vonatkozóan. Az ellenőrző-irányító és jelző alrendszerre vonatkozó ÁME 13. cikkében említett különleges esetekről szóló bejelentésig továbbra is a bejelentett nemzeti szabályok alkalmazandók:
i. legnagyobb interferenciaáram (A) és az alkalmazandó összesítési szabály,
ii. legnagyobb mágneses mező (dBμA/m) az elektromágneses mező és a visszavezetett áram okozta mágneses mező esetében egyaránt, valamint az alkalmazandó összesítési szabály,
iii. a jármű legkisebb impedanciája (Ohm),
d) adott esetben az ellenőrző-irányító és jelző alrendszerre vonatkozó ÁME 13. cikkében említett egyedi esetekben és műszaki dokumentumokban meghatározott összehasonlítható paraméterek.
A c) és d) alpontban felsorolt jellemzőket az egységen végzett vizsgálattal kell meghatározni. Az a) és b) alpontban említett paraméterek szimulációval, számítással vagy vizsgálattal határozhatók meg.
(17) Az egységek és a kommunikációs protokollok közötti elektromos kapcsolódási pontok leírását, hivatkozással az alkalmazott szabványokra vagy egyéb normatív dokumentumokra, meg kell adni az ezen ÁME 4.2.12.2. (3a) pontjában ismertetett általános dokumentációban.
(18) A kommunikációs hálózatoknak meg kell felelniük a J-1. függelék 53. hivatkozásában említett előírásnak.
(19) A lépcsők járműre való fel- és leszálláshoz alkalmas pozíciója tekintetében a mozgáskorlátozott személyekre vonatkozó ÁME 7.3.2.6. pontjában meghatározott különleges esetnek való megfelelést, illetve meg nem felelést fel kell tüntetni a műszaki dokumentumban. A Németországban való üzemeltetésre szánt egységek esetében a különleges eseteknek való megfelelést, illetve meg nem felelést a J-1. függelék: 74. hivatkozásában említett előírásnak a mozgáskorlátozott személyekre vonatkozó ÁME 20. és 21. táblázatára történő alkalmazásával kell dokumentálni.
(20) Az 1 435 mm-es nyomtávú rendszereken történő üzemre tervezett egységek esetében a következő különleges eseteket is figyelembe kell venni:
a) A 7.3.2.8. pontban az aerodinamikai hatásokra vonatkozóan meghatározott követelményeknek való megfelelést, illetve meg nem felelést fel kell tüntetni a műszaki dokumentumban. A követelményeknek való meg nem felelés esetén Olaszország nem lehet a felhasználási terület része.
b) A 7.3.2.20. pontban a tűzbiztonságra és evakuálásra vonatkozóan meghatározott követelményeknek való megfelelést, illetve meg nem felelést fel kell tüntetni a műszaki dokumentumban. A követelményeknek való meg nem felelés esetén Olaszország nem lehet a felhasználási terület része.
c) A 7.3.2.21. pontban a működőképességre, valamint a tűzgátló és tűzoltó rendszerekre vonatkozóan meghatározott követelményeknek való megfelelést, illetve meg nem felelést fel kell tüntetni a műszaki dokumentumban. A követelményeknek való meg nem felelés esetén a Csatorna-alagút nem lehet a felhasználási terület része.
d) A 7.3.2.3. pontban a tengelycsapágyak állapotának pálya menti berendezéssel történő figyelemmel kísérésére vonatkozóan meghatározott követelményeknek való megfelelést, illetve meg nem felelést fel kell tüntetni a műszaki dokumentumban. A követelményeknek való meg nem felelés esetén a Franciaország és/vagy Svédország nem lehet a felhasználási terület része.
e) A Németországban való üzemeltetésre szánt egységek esetében az egység jellemző szélgörbéjének (CWC) a J-2. függelék C. hivatkozásában említett dokumentumban meghatározott határértékeknek való megfelelését, illetve meg nem felelését fel kell tüntetni a műszaki dokumentumban. A követelményeknek való meg nem felelés esetén Németország nem lehet a felhasználási terület része.
f) A Németországban 40 ‰-nál nagyobb lejtésszögű szakaszokon történő üzemeltetésre szánt egységek esetében a J-2. függelék D. hivatkozásában említett dokumentumban meghatározott követelményeknek való megfelelést, illetve meg nem felelést fel kell tüntetni a műszaki dokumentumban. Az említett követelményeknek való meg nem felelés nem zárja ki, hogy az egység a nemzeti hálózatot használhassa.
g) A Németországban való üzemeltetésre szánt egységek esetében a vészkijáratoknak a J-2. függelék E. hivatkozásában említett dokumentumban foglaltaknak való megfelelését, illetve meg nem felelését fel kell tüntetni a műszaki dokumentumban. A követelményeknek való meg nem felelés esetén Németország nem lehet a felhasználási terület része.
h) Az Ausztriában történő üzemeltetésre szánt egységek esetében a kerék és a sín közötti érintkezési felület geometriájára vonatkozó követelmények ellenőrzése során a 4.2.3.4.3. pontban említettek mellett a következő hálózati jellemzőket kell figyelembe venni:
- V ≤ 160 km/h: 0,7 ≤ tan γe < 0,8
- 160 km/h < V ≤ 200 km/h: 0,5 ≤ tan γe < 0,6
- V > 200 km/h: 0,3 ≤ tan γe < 0,4
A követelményeknek való megfelelést, illetve meg nem felelést fel kell tüntetni a műszaki dokumentumban. A követelményeknek való meg nem felelés a jármű sebességének korlátozását eredményezi.
i) A Németországban történő üzemeltetésre szánt egységek esetében a kerék és a sín közötti érintkezési felület geometriájára vonatkozó követelmények ellenőrzése során a 4.2.3.4.3. pontban említettek mellett a következő hálózati jellemzőket kell figyelembe venni:
- V ≤ 160 km/h: tan γe ≤ 0,8;
- 160 < V ≤ 230 km/h: tan γe ≤ 0,5;
- V > 230 km/h: tan γe ≤ 0,3.
A követelményeknek való megfelelést, illetve meg nem felelést fel kell tüntetni a műszaki dokumentumban. A követelményeknek való meg nem felelés a jármű sebességének korlátozását eredményezi.
(21) Az 1 668 mm-es nyomtávú rendszereken történő üzemre tervezett egységek esetében a 7.3.2.5. és a 7.3.2.6. pontban meghatározott követelményeknek való megfelelés kötelező, és a következő különleges eseteket kell figyelembe venni:
a) A 7.3.2.5a. pontban az 1 668 mm-es rendszereken történő üzemre tervezett forgóvázak tekintetében meghatározott különleges esetnek való megfelelést, illetve meg nem felelést fel kell tüntetni a műszaki dokumentumban. Meg nem felelés esetén Spanyolország 1 668 mm-es nyomtávú hálózata nem lehet a felhasználási terület része.
b) A lépcsők járműre való fel- és leszálláshoz alkalmas pozíciója tekintetében a mozgáskorlátozott személyekre vonatkozó ÁME 7.3.2.6. pontjában meghatározott különleges esetnek való megfelelést, illetve meg nem felelést fel kell tüntetni a műszaki dokumentumban. Az 1 435 mm-es nyomtávú rendszereken történő üzemre tervezett és a különleges esetnek meg nem felelő egységek esetén a mozgáskorlátozott személyekre vonatkozó ÁME 7.3.2.7. pontja alkalmazandó.
(22) A 7.4. pontban meghatározott különleges környezeti feltételek bármelyikének való meg nem felelés a különleges feltétel által érintett hálózat használatának korlátozását vonja maga után, de nem eredményezi az adott hálózat kizárását a felhasználási területből.
(23) Az egységet a J-1. függelék 5. hivatkozásában említett előírással összhangban kell jelölni.
7.1.1.5.2. Az általános üzemre használni kívánt kocsikra vonatkozó további opcionális követelmények
(1) A (2)-(12) pontban meghatározott alábbi feltételeknek való megfelelés opcionális, és a tervezési fázisban nem meghatározott vonatösszeállításokban használni kívánt, vagyis az általános műveletekre szánt egységek cseréjének megkönnyítésére irányul. E rendelkezések betartása nem biztosítja az egységek teljes helyettesíthetőségét, és nem mentesíti a vasúti társaságot ezen egységeknek a vonat-összeállításban való használatára vonatkozó, 6.2.7. pontban meghatározott felelőssége alól. Amennyiben a kérelmező ezt az opciót választja, a teljesítést egy bejelentett szervezetnek kell értékelnie az EK-hitelesítési eljárás keretében. Ezt fel kell tüntetni a tanúsítványban és a műszaki dokumentációban.
(2) Az egységet a 4.2.2.2.3. b) és 5.3.2. pontban meghatározott kézi kapcsolórendszerrel kell felszerelni.
(3) Az egységet a J-1. függelék 12. és 70. hivatkozásában említett előírásban meghatározott EN-UIC fékrendszerrel kell felszerelni. A fékrendszert a J-1. függelék 71. hivatkozásában említett előírással összhangban kell vizsgálni.
(4) Az egységnek meg kell felelnie ezen ÁME követelményeinek legalább a T1 hőmérséklet-tartományban (- 25 °C és + 40 °C között; névleges értékek) a 4.2.6.1. pontban és a J-1. függelék 18. hivatkozásában említett előírásban meghatározottak szerint.
(5) A 4.2.7.1. pontban előírt zárjelző lámpákat beszerelt zárjelző lámpákkal kell biztosítani.
(6) Ha az egység közlekedővel van ellátva, annak meg kell felelnie a J-1. függelék 54. hivatkozásában említett előírásnak.
(7) Az egypólusú tápvezetéknek meg kell felelnie a 4.2.11.6. (2) pontban foglaltaknak.
(8) Az egységek közötti, jeltovábbítást szolgáló fizikai kapcsolódási pontnak biztosítania kell, hogy a legalább egy vonal kábele és dugasza kompatibilis legyen a J-1. függelék 61. hivatkozásában említett előírás 2. ábráján meghatározott 18-vezetékes kábellel.
(9) A 4.2.5.5.3. pontban meghatározott ajtóvezérlő berendezésnek összhangban kell lennie a J-1. függelék 17. hivatkozásában említett előírásokkal.
7.1.1.6. A személyzeti kocsik adott felhasználási területre nem korlátozódó típusengedélyének és/vagy forgalombahozatali engedélyének beszerzésére vonatkozó feltételek
(1) A 7.1.1.6. pont a 2.2.2. (A) (3) pontban meghatározott személyzeti kocsikra vonatkozik a 2.3.1. (A) (3) pontban meghatározott feltételek mellett.
(2) Az adott felhasználási területre nem korlátozódó járműtípus-engedély és/vagy forgalombahozatali engedély beszerzésére vonatkozó feltételeket a 7.1.1.6.1., a 7.1.1.6.2. és a 7.1.1.6.3. pont a jármű alrendszer EK-hitelesítése során figyelembe veendő kiegészítő követelményként határozza meg. Ezek a feltételek az ezen ÁME követelményeit kiegészítő követelményeknek tekintendők, amelyeknek hiánytalanul eleget kell tenni.
(3) A 7.1.1.5. pont nem alkalmazandó.
(4) Az 1304/2014/EU bizottsági rendelet alkalmazásának az állóhelyzeti zajra és az elhaladási zajra vonatkozó követelményekre kell korlátozódnia, amelyeket az 1304/2014/EU bizottsági rendelet melléklete 4.2.1. pontjának 2. táblázatában meghatározott, a dízel motorvonatokra (DMU-k) vonatkozó határértékek alapján kell értékelni.
(5) A 7.1.1.6.1. pont szerinti feltételeknek való megfelelés kötelező.
(6) A 7.1.1.6.2. pont feltételeinek való megfelelés nem kötelező, és csak abban az esetben válik kötelezővé, ha a személyzeti kocsit általános üzemre kívánják használni.
(7) A 7.1.1.6.3. pont feltételeinek való megfelelés csak abban az esetben válik kötelezővé, ha az általános üzemre használt személyzeti kocsit személyszállító vonatokba való beépítésre szánják.
7.1.1.6.1. Előre meghatározott vonat-összeállításokban használni kívánt személyzeti kocsik esetében alkalmazandó feltételek
(1) A jármű kizárólag telepített fedélzeti ellenőrző-irányító és jelző rendszerrel nem rendelkező jármű alrendszerből álló (ezen ÁME-ban meghatározott) egység lehet.
(2) Az egység nem rendelkezik vontató eszközzel.
(3) Az egységet a következő nyomtávú rendszerek legalább egyikén való üzemre tervezték:
a) 1 435 mm,
b) 1 668 mm,
c) 1 520 mm, 1 524 mm és 1 600 mm. Amennyiben a 7.1.1.6.1. pontban fel nem sorolt, a 7. fejezetnek megfelelő különleges esetek vagy az I. függelékben foglalt nyitott kérdések szerinti nemzeti szabályok alkalmazandók, az egységekre nem használható fel az olyan engedély, amely nem korlátozódik egy adott felhasználási területre.
(4) Az egységnek a P-I jármű-kategória mellett az F-I kategóriának is meg kell felelnie a J-1. függelék 1. hivatkozásában említett előírásnak megfelelően minden hosszanti irányú terhelési körülmény esetén. Emellett a futásbiztonság hosszanti irányú nyomóerők hatása közben történő ellenőrzését a J-1. függelék 75. hivatkozásában említett előírással összhangban kell végezni.
(5) Az egység a 6.1.3.1. pont szerint értékelt kovácsolt és hengerelt kerekekkel rendelkezik.
(6) Az egység minimum 760 mm-nél nagyobb átmérőjű kerekekkel rendelkezik.
(7) Az egység kompatibilis a következő síndőlésekkel: 1/20, 1/30 és 1/40. Kizárja a felhasználási terület érintett hálózatán való használatot, ha az egység egy vagy több síndőléssel nem kompatibilis.
(8) Az egységet a következő referenciaprofilok egyikének megfelelőnek nyilvánították: G1, GA, GB, GC vagy DE3, beleértve a GI1, GI2 vagy GI3 hordműhöz kapcsolódó profilokat is.
(9) Az egység legnagyobb tengelyterhelése 22,5 tonna.
(10) Az egység legnagyobb sebessége legfeljebb 140 km/h.
(11) Az egységnek a 4.1.4. pontban említett kategóriák közül legalább A. kategóriájúnak kell lennie.
(12) Az egységet a fedélzeten tartózkodó valamennyi személy számára fel kell szerelni az 1303/2014/EU rendelet 4.7.1. pontjában foglalt előírásoknak megfelelő önmentő eszközökkel.
(13) Az egységet nem kötelező felszerelni a 4.2.5.2. pontban meghatározott hallható kommunikációs rendszerrel. Ebben az esetben operatív eszközöket kell rendelkezésre bocsátani a kommunikáció biztosítására. A 4.2.5.2. pontnak való megfelelést, illetve meg nem felelést fel kell tüntetni a 4.2.12.2. pontban ismertetett műszaki dokumentációban.
(14) Az egységnek meg kell felelnie a 4.2.5.3. pontnak, a következő pontok kivételével:
- A 4.2.5.3.2. (3)-4.2.5.3.2. (5) pont nem alkalmazandó.
- A 4.2.5.3.3. (1) pont nem alkalmazandó.
- A 4.2.5.3.3 (2) pont akkor alkalmazandó, ha az egység az utastéri vészjelző aktiválásának jelzését fogadni képes mozdonyhoz kapcsolódik. Abban az esetben, ha az egység nem közvetlenül a mozdonyhoz kapcsolódik, a vészfék automatikusan működésbe lép, amikor a vészjelzőt aktiválják.
- A 4.2.5.3.4. pont nem alkalmazandó.
- A 4.2.5.3.5. pont nem alkalmazandó.
- A 4.2.5.3.6. pont nem alkalmazandó. Ehelyett, ha az utastéri vészjelző rendszer nem működik, akár amiatt, hogy a személyzet szándékosan leválasztotta, akár műszaki hiba miatt, ezt a körülményt folyamatosan jelezni kell az egységben szállított személyzet számára.
(15) Az egységet nem kötelező felszerelni a 4.2.5.4. pontban meghatározott, utasok által használható kommunikációs eszközökkel. Ebben az esetben operatív eszközöket kell rendelkezésre bocsátani a kommunikáció biztosítására. A 4.2.5.4. pontnak való megfelelést, illetve meg nem felelést fel kell tüntetni a 4.2.12.2. pontban ismertetett műszaki dokumentációban.
(16) Az egységnek meg kell felelnie a 4.2.5.5. pontnak, a következő pontok kivételével:
- A 4.2.5.5.2. (6) pont helyébe a következő szöveg lép: »E pont alkalmazásában 'a vonat személyzete': a fedélzeti személyzet vagy a szállított személyzet egy tagja, akinek feladata az ajtórendszerrel kapcsolatos ellenőrzések elvégzése.«
- A 4.2.5.5.7. pont nem alkalmazandó.
- A 4.2.5.5.9. (1) pont a berendezésre vonatkozó sebességkorlátozás nélkül alkalmazandó. A berendezés mindig működőképes.
(17) A nyomkarimakenő berendezéssel felszerelt egységeknél lehetőséget kell biztosítani az említett berendezések be- és kikapcsolására a J-2. függelék A. hivatkozásában említett előírásban foglaltak szerint.
(18) Az örvényáramú sínfékkel felszerelt egységeknél lehetőséget kell biztosítani az említett sínfékek be- és kikapcsolására a J-2. függelék A. hivatkozásában említett előírásban foglaltak szerint.
(19) A mágneses sínfékkel felszerelt egységeknél lehetőséget kell biztosítani az említett sínfékek be- és kikapcsolására a J-2. függelék A. hivatkozásában említett előírásban foglaltak szerint.
(20) Az EN-UIC fékrendszerrel ellátott egységeket a J-1. függelék 71. hivatkozásában említett előírással összhangban kell vizsgálni.
(21) Az egységet a J-2. függelék A. hivatkozásában említett előírásnak megfelelően kell kialakítani.
(22) Az egység jellemzőinek meg kell felelniük a J-2. függelék F. hivatkozásában említett előírásnak.
(23) Az egységek és a kommunikációs protokollok közötti elektromos kapcsolódási pontok leírását, hivatkozással az alkalmazott szabványokra vagy egyéb normatív dokumentumokra, meg kell adni a 4.2.12.2. (3a) pontban ismertetett általános dokumentációban.
(24) A vonat-összeállítással csökkenteni kell annak kockázatát, hogy az elektromos fedélzeti berendezések zavarják a pálya menti vonatérzékelő rendszereket. Ha a kocsi és a mozdony között elektromos kapcsolat van, a legfeljebb egy mozdony által hajtott vonatban használt egységek közül legfeljebb kettő tekintetében feltételezhető a megfelelőség, amennyiben a vonat-összeállítás többi része nincs ellátva villamos energiával.
(25) A kommunikációs hálózatoknak meg kell felelniük a J-1. függelék 53. hivatkozásában említett előírásnak.
(26) Az 1 435 mm-es nyomtávú rendszereken történő üzemre tervezett egységek esetében a következő különleges eseteket is figyelembe kell venni:
a) A 7.3.2.3. pontban a tengelycsapágyak állapotának pálya menti berendezéssel történő figyelemmel kísérésére vonatkozóan meghatározott követelményeknek való megfelelést, illetve meg nem felelést fel kell tüntetni a 4.2.12.2. pontban ismertetett műszaki dokumentációban. A követelményeknek való meg nem felelés esetén Franciaország és/vagy Svédország nem lehet a felhasználási terület része.
b) A Németországban 40 ‰-nél nagyobb lejtésszögű szakaszokon történő üzemeltetésre szánt egységek esetében a J-2. függelék D. hivatkozásában említett dokumentumban meghatározott követelményeknek való megfelelést, illetve meg nem felelést fel kell tüntetni a 4.2.12.2. pontban ismertetett műszaki dokumentációban. Az említett követelményeknek való meg nem felelés nem zárja ki, hogy az egység a nemzeti hálózatot használhassa.
c) Az Ausztriában a J-2. függelék G. hivatkozásában említett dokumentumban meghatározott szakaszokon való üzemeltetésre szánt egységek esetében az említett szakaszokon való biztonságos üzemelés érdekében a fékrendszer hőkapacitását a következő referenciaeset alapján kell ellenőrizni: Tauern Süd-kritériumok: 25 km-es távolságon és 100/110 km/h-s legnagyobb sebességgel 28 % állandó lejtési szögű lejtőn. Az említett követelményeknek való meg nem felelés nem zárja ki, hogy az egység a nemzeti hálózatot használhassa, viszont korlátozza a szóban forgó szakaszokhoz való hozzáférést.
d) Az Ausztriában történő üzemeltetésre szánt egységek esetében a kerék és a sín közötti érintkezési felület geometriájára vonatkozó követelmények ellenőrzése során a 4.2.3.4.3. pontban említettek mellett a következő hálózati jellemzőket kell figyelembe venni:
[V ≤ 160 km/h: 0,7 ≤ tan γe < 0,8].
A követelményeknek való megfelelést, illetve meg nem felelést fel kell tüntetni a 4.2.12.2. pontban ismertetett műszaki dokumentációban. A követelményeknek való meg nem felelés a jármű sebességének korlátozását eredményezi.
e) A Németországban történő üzemeltetésre szánt egységek esetében a kerék és a sín közötti érintkezési felület geometriájára vonatkozó követelmények ellenőrzése során a 4.2.3.4.3. pontban említettek mellett a következő hálózati jellemzőket kell figyelembe venni:
[V ≤ 160 km/h: tan γe ≤ 0,8].
A követelményeknek való megfelelést, illetve meg nem felelést fel kell tüntetni a 4.2.12.2. pontban ismertetett műszaki dokumentációban. A követelményeknek való meg nem felelés a jármű sebességének korlátozását eredményezi.
f) Az Ausztriában történő üzemeltetésre szánt egységek esetében a 250 m-nél kisebb pályaívsugarú vágányokon a futásbiztonságot a J-1. függelék 9. hivatkozásában említett előírásnak megfelelően kell ellenőrizni. A követelményeknek való megfelelést, illetve meg nem felelést fel kell tüntetni a 4.2.12.2. pontban ismertetett műszaki dokumentációban. Az említett követelményeknek való meg nem felelés a J-2. függelék G. hivatkozásában említett dokumentumban meghatározott útvonalakhoz való hozzáférés korlátozását eredményezi.
(27) Az 1 668 mm-es nyomtávú rendszereken történő üzemre tervezett egységek esetében a 7.3.2.5. és a 7.3.2.6. pontban meghatározott követelményeknek való megfelelés kötelező, és a következő különleges eseteket kell figyelembe venni:
a) A 7.3.2.5a. pontban az 1 668 mm-es rendszereken történő üzemre tervezett forgóvázak tekintetében meghatározott különleges esetnek való megfelelést, illetve meg nem felelést fel kell tüntetni a 4.2.12.2. pontban ismertetett műszaki dokumentációban. Meg nem felelés esetén Spanyolország 1 668 mm-es nyomtávú hálózata nem lehet a felhasználási terület része.
(28) A 7.4. pontban meghatározott különleges környezeti feltételek bármelyikének való meg nem felelés a különleges feltétel által érintett hálózat használatának korlátozását vonja maga után, de nem eredményezi az adott hálózat kizárását a felhasználási területből.
(29) Az egységet a J-1. függelék 5. hivatkozásában említett előírással összhangban kell jelölni.
(30) Személyzeti kocsik esetében a tűz érzékelésének az egész kocsiban aktiválnia kell a hang- és fényjelzést. A hangjelzésnek megfelelőnek kell lennie a szállított személyzet felébresztéséhez. A jelzésnek jól láthatónak és hallhatónak kell lennie azon a területen, amelynek riasztására tervezték.
7.1.1.6.2. Az általános üzemre használni kívánt személyzeti kocsikra vonatkozó további opcionális feltételek
(1) Ezek a feltételek a 7.1.1.6.1. pontban foglaltakon felül alkalmazandók.
(2) A (2)-(10) pontban meghatározott alábbi feltételeknek való megfelelés opcionális, és a tervezési fázisban meg nem határozott vonat-összeállításokban használni kívánt, vagyis az általános műveletekre szánt egységek cseréjének megkönnyítésére irányul. E rendelkezések betartása nem biztosítja az egységek teljes helyettesíthetőségét, és nem mentesíti a vasúti társaságot ezen egységeknek a vonat-összeállításban való használatára vonatkozóan a 6.2.7. pontban meghatározott feladatai alól. Amennyiben a kérelmező ezt az opciót választja, a teljesítést egy bejelentett szervezetnek kell értékelnie az EK-hitelesítési eljárás keretében. Ezt fel kell tüntetni a tanúsítványban és a műszaki dokumentációban.
(3) Az egységet a 4.2.2.2.3. b) és 5.3.2. pontban meghatározott kézi kapcsolórendszerrel kell felszerelni.
(4) Az egységet a J-1. függelék 12. és 70. hivatkozásában említett előírásban meghatározott EN-UIC fékrendszerrel kell felszerelni. A fékrendszert a J-1. függelék 71. hivatkozásában említett előírással összhangban kell vizsgálni.
(5) Az egységnek meg kell felelnie ezen ÁME követelményeinek legalább a T1 hőmérséklet-tartományban (-25 °C és +40 °C között; névleges értékek) a 4.2.6.1. pontban és a J-1. függelék 18. hivatkozásában említett előírásban meghatározottak szerint.
(6) A 4.2.7.1. pontban előírt zárjelző lámpákat beszerelt zárjelző lámpákkal kell biztosítani.
(7) Ha az egység közlekedővel van ellátva, annak meg kell felelnie a J-1. függelék 54. hivatkozásában említett előírásnak.
(8) Az egypólusú tápvezetéknek meg kell felelnie a 4.2.11.6. (2) pontban foglaltaknak.
(9) Az egységek közötti, jeltovábbítást szolgáló fizikai kapcsolódási pontnak biztosítania kell, hogy a legalább egy vonal kábele és dugasza kompatibilis legyen a J-1. függelék 61. hivatkozásában említett előírás 2. ábráján meghatározott 18-vezetékes kábellel.
(10) A 4.2.5.5.3. pontban meghatározott ajtóvezérlő berendezésnek összhangban kell lennie a J-1. függelék 17. hivatkozásában említett előírásokkal.
7.1.1.6.3. Személyszállító vonatokba való beépítésre szánt személyzeti kocsikra vonatkozó feltételek
(1) Ezek a feltételek a 7.1.1.6.1. és a 7.1.1.6.2. pontban foglaltakon felül alkalmazandók azokra az egységekre, amelyek személyszállító vonatokba is beépíthetők abban az esetben, ha nem utazik rajtuk senki.
(2) A megfelelőség feltételezhető arról a vonat-összeállításról, amelyben a személyzeti kocsi a vonat végén található, és nincs ellátva villamos energiával.
(3) Az egységnek A vagy B kategóriájúnak kell lennie. A B kategóriájú egységeket teljes keresztmetszetű válaszfalakkal kell felszerelni a 4.2.10.3.4. (3) pontnak megfelelően.
7.1.2. Változás a már üzemben lévő járművekben vagy a meglévő járműtípusokban
7.1.2.1. Bevezetés
(1) A 7.1.2. pont a változást kezelő és az engedélyező szervek által alkalmazandó elveket határozza meg, összhangban az (EU) 2016/797 irányelv 15. cikkének (9) bekezdésében, 21. cikkének (12) bekezdésében és IV. mellékletében leírt EK-hitelesítési eljárással. Ezt az eljárást az (EU) 2018/545 végrehajtási rendelet 13., 15. és 16. cikke, valamint a 2010/713/EU határozat tovább finomítja.
(2) A 7.1.2. pont egy már üzemben lévő jármű vagy meglévő járműtípus változása(i) esetén alkalmazandó, beleértve a felújítást vagy korszerűsítést is. Nem alkalmazandó olyan változások esetén, amelyek:
- az alrendszerek tekintetében az EK-hitelesítési nyilatkozatot (ha van) kísérő műszaki dokumentációkhoz képest nem eredményeznek eltérést; és
- hatóköre nem befolyásolja az EK-nyilatkozatban (ha van) nem szereplő alapvető paramétereket.
A járműtípus-engedély jogosultja észszerű feltételek mellett a változást kezelő szerv rendelkezésre bocsátja az értékeléséhez szükséges információkat.
7.1.2.2. A járműben és járműtípusban egyaránt bekövetkező változások kezelésére vonatkozó szabályok
(1) A járművek változás(ok) által nem érintett alkatrészei és alapvető paraméterei mentesülnek az ezen ÁME rendelkezései szerinti megfelelőségértékelés alól.
(2) A 7.1.2.2a. és a 7.1.3. pont sérelme nélkül, ezen ÁME, a zajra vonatkozó ÁME (lásd az említett ÁME 7.2. pontját) és a mozgáskorlátozott személyekre vonatkozó ÁME (lásd az említett ÁME 7.2.3. pontját) követelményeinek való megfelelés csak az ezen ÁME-ban meghatározott azon alapvető paraméterek tekintetében szükséges, amelyeket a változás(ok) érinthet(nek).
(3) Az (EU) 2018/545 végrehajtási rendelet 15. és 16. cikkével és a 2010/713/EU határozattal összhangban, az EK-hitelesítésre szolgáló SB, SD/SF vagy SH1 modulok alkalmazásával, valamint adott esetben az (EU) 2016/797 irányelv 15. cikke (5) bekezdésének megfelelően a változást kezelő szerv értesíti a bejelentett szervezetet az alrendszernek a vonatkozó ÁME(k) követelményeivel való megfelelőségét befolyásoló minden olyan változásról, amely a bejelentett szervezet által végzendő új ellenőrzéseket tesz szükségessé. Ezeket az információkat a változást kezelő szerv megfelelő hivatkozásokkal ellátva csatolja a meglévő EK-típusvizsgálati vagy -konstrukcióvizsgálati tanúsítványra vonatkozó műszaki dokumentációhoz.
(4) Az (EU) 2016/797 irányelv 21. cikke (12) bekezdésének b) pontja szerinti, általános biztonsági szintre vonatkozó megállapítás sérelme nélkül, olyan változások esetén, amelyek szükségessé teszik a 4.2.3.4.2, 4.2.3.5.3, 4.2.4.2.2, 4.2.5.3.5, 4.2.5.5.8 és 4.2.5.5.9. pontban meghatározott biztonsági követelmények átértékelését, a 6.2.3.5. pontban meghatározott eljárás alkalmazandó. A 17. táblázat meghatározza, mikor van szükség új engedélyre.
17. táblázat
A járművek eredeti értékelésének alapja
| A 6.2.3.5. (3) pont szerinti első módszer | A 6.2.3.5. (3) pont szerinti második módszer | Nem alkalmaztak kockázatértékelésre vonatkozó közös biztonsági módszert | ||
| A változás értékelésének alapja | A 6.2.3.5. (3) pont szerinti első módszer | Új engedély nem szükséges | Ellenőrizendő (1) | Új engedély nem szükséges |
| A 6.2.3.5. (3) pont szerinti második módszer | Ellenőrizendő (1) | Ellenőrizendő (1) | Ellenőrizendő (1) | |
| Nem alkalmaztak kockázatértékelésre vonatkozó közös biztonsági módszert | Nem lehetséges | Nem lehetséges | Nem lehetséges | |
| (1) Az „ellenőrizendő” szó arra utal, hogy a kérelmező a kockázatértékelésre vonatkozó közös biztonsági módszer I. mellékletét fogja alkalmazni annak igazolására, hogy a módosított jármű azonos vagy magasabb szintű biztonságot nyújt. Ezt az igazolást a kockázatértékelésre vonatkozó közös biztonsági módszer meghatározása szerinti értékelő szervezet független értékelésnek veti alá. Amennyiben a szervezet úgy látja, hogy az új biztonsági értékelés alacsonyabb biztonsági szintet állapít meg, vagy az eredmény nem egyértelmű, a kérelmezőnek forgalombahozatali engedélyt kell kérnie. | ||||
(4a) Az (EU) 2016/797 irányelv 21. cikke (12) bekezdésének b) pontja szerinti, általános biztonsági szintre vonatkozó megállapítás sérelme nélkül, olyan változások esetén, amelyek kihatással vannak a 4.2.4.9., 4.2.9.3.1. és 4.2.10.3.4. pontban meghatározott követelményekre, ami új megbízhatósági tanulmány elkészítését teszi szükségessé, új forgalombahozatali engedély szükséges, kivéve, ha a bejelentett szervezet megállapítja, hogy a megbízhatósági tanulmányban vizsgált biztonsági követelmények javításra vagy megtartásra kerültek. A bejelentett szervezet az ítéletében szükség esetén figyelembe veszi a módosított karbantartási és üzemeltetési dokumentációt.
(5) A többi ÁME (például a helyhez kötött berendezésekre vonatkozó ÁME) alkalmazására való nemzeti átállási stratégiákat figyelembe kell venni annak meghatározásakor, hogy a járművekre vonatkozó ÁME-kat milyen mértékig kell alkalmazni.
(6) A jármű alapvető konstrukciós jellemzőit az alábbi 17a. és 17b. táblázat határozza meg. E táblázatok és az (EU) 2016/797 irányelv 21. cikke (12) bekezdésének b) pontja szerinti, általános biztonsági szintre vonatkozó megállapítás alapján a változásokat a következőképpen kell besorolni:
a) az (EU) 2018/545 végrehajtási rendelet 15. cikke (1) bekezdésének c) pontjában meghatározottak szerint, amennyiben a változások meghaladják a 3. oszlopban megállapított értékhatárokat, de nem érik el a 4. oszlopban megállapított értékhatárokat, kivéve, ha az (EU) 2016/797 irányelv 21. cikke (12) bekezdésének b) pontja szerinti, biztonsági szintre vonatkozó megállapítás alapján az (EU) 2018/545 végrehajtási rendelet 15. cikke (1) bekezdésének d) pontja szerint besorolandók, vagy
b) az (EU) 2018/545 végrehajtási rendelet 15. cikke (1) bekezdésének d) pontjában meghatározottak szerint, amennyiben a változások meghaladják a 4. oszlopban megállapított értékhatárokat, vagy ha az (EU) 2016/797 irányelv 21. cikke (12) bekezdésének b) pontja szerinti, biztonsági szintre vonatkozó megállapítás alapján az (EU) 2018/545 végrehajtási rendelet 15. cikke (1) bekezdésének d) pontja szerint sorolandók be.
Annak meghatározása, hogy a változások meghaladják-e vagy esetleg nem érik-e el az első bekezdésben említett határértékeket, a jármű vagy a járműtípus utolsó engedélyezésének időpontjában érvényes paraméter-értékek alapján történik.
(7) A fenti 7.1.2.2. (6) pontban nem említett változásokat úgy kell tekinteni, hogy azok nem befolyásolják az alapvető konstrukciós jellemzőket, és az (EU) 2018/545 végrehajtási rendelet 15. cikke (1) bekezdésének a) vagy b) pontja szerint besorolhatók, kivéve, ha az (EU) 2016/797 irányelv 21. cikke (12) bekezdésének b) pontja szerinti, biztonsági szintre vonatkozó megállapítás alapján az (EU) 2018/545 végrehajtási rendelet 15. cikke (1) bekezdésének d) pontja szerint sorolandók be.
(8) Az (EU) 2016/797 irányelv 21. cikke (12) bekezdésének b) pontja szerinti, biztonsági szintre vonatkozó megállapításnak vonatkoznia kell a 3.1. pont táblázatában foglalt alapvető - az összes alapvető követelményhez, különösen a "biztonság" és "műszaki összeegyeztethetőség" követelményhez kapcsolódó - paramétereket érintő változásokra.
(9) A 7.1.2.2a. pont sérelme nélkül, valamennyi változásnak meg kell felelnie az alkalmazandó ÁME-knak, függetlenül e változások besorolásától.
(10) A fix összeállítás egy vagy több járművének súlyos károsodást követő cseréje nem igényel ezen ÁME szerinti megfelelőségértékelést, amennyiben az egység vagy jármű(vek) műszaki paraméterei és funkciói nem változnak a lecserélt egységéhez vagy járműv(ek)éhez képest. Az ilyen egységnek visszakereshetőnek és a nemzeti vagy nemzetközi szabályoknak vagy a vasúti területen széles körben elismert bármilyen gyakorlati szabályzatnak megfelelően tanúsított egységnek kell lennie.
17a. táblázat
Az ezen ÁME-ban meghatározott alapvető paraméterekhez kapcsolódó alapvető konstrukciós jellemzők
| ÁME pont | Az érintett alapvető konstrukciós jellemző(k) | Az alapvető konstrukciós jellemzőket befolyásoló, de nem az (EU) 2016/797 irányelv 21. cikke (12) bekezdésének a) pontja szerinti mértékű változások | Az alapvető konstrukciós jellemzőket befolyásoló és az (EU) 2016/797 irányelv 21. cikke (12) bekezdésének a) pontja szerinti mértékű változások |
| 4.2.2.2.3. A vonat végén lévő kapcsolókészülék | A vonat végén lévő kapcsolókészülék típusa | A vonat végén lévő kapcsolókészülék típusának cseréje | n.a. |
| 4.2.2.10. Terhelési körülmények és mérlegelt tömeg 4.2.3.2.1. Tengelyterhelési paraméter | Tervezési tömeg menetkész állapotban | A megfelelő alapvető konstrukciós jellemzők bármelyikének megváltozása, ami azon EN-vonalkategória (vonalkategóriák) megváltozását eredményezi, amellyel (amelyekkel) a kocsi kompatibilis | n.a. |
| Tervezési tömeg normál hasznos teher mellett | |||
| Tervezési tömeg rendkívüli hasznos teher mellett | |||
| Üzemi tömeg menetkész állapotban | |||
| Üzemi tömeg átlagos hasznos teher mellett | |||
| Legnagyobb tervezési sebesség (km/h) | |||
| Statikus tengelyterhelés menetkész állapotban | |||
| Statikus tengelyterhelés rendkívüli hasznos teher mellett | |||
| Járműhossz | |||
| Statikus tengelyterhelés normál hasznos teher mellett | |||
| A tengelyek helyzete az egységben (tengelytáv) | |||
| EN-vonalkategória (vonalkategóriák) | |||
| Teljes járműtömeg (az egység minden járművére) | A megfelelő alapvető konstrukciós jellemzők bármelyikének megváltozása, ami azon EN-vonalkategória (vonalkategóriák) megváltozását eredményezi, amellyel (amelyekkel) a kocsi kompatibilis | Több mint ± 10 %-os változás | |
| Kerekenkénti tömeg | A megfelelő alapvető konstrukciós jellemzők bármelyikének megváltozása, ami azon EN-vonalkategória (vonalkategóriák) megváltozását eredményezi, amellyel (amelyekkel) a kocsi kompatibilis, vagy Több mint ± 10 %-os változás | n.a. | |
| 4.2.3.1. Méretezés | Referenciaprofil | n.a. | Azon referenciaprofil megváltozása, amelynek a jármű megfelel |
| Legkisebb bejárható függőleges konvex ívsugár | Azon legkisebb bejárható függőleges konvex ívsugár megváltozása, amellyel a jármű 10 %-nál nagyobb mértékben kompatibilis | n.a. | |
| Legkisebb bejárható függőleges konkáv ívsugár | Azon legkisebb bejárható függőleges konkáv ívsugár megváltozása, amellyel a jármű 10 %-nál nagyobb mértékben kompatibilis | n.a. | |
| 4.2.3.3.1. A járművek jellemzői a vonatérzékelő rendszerekkel való kompatibilitás tekintetében | Vonatérzékelő rendszerekkel való kompatibilitás | n.a. | A bejelentett kompatibilitás változása a következő három vonatérzékelő rendszer közül eggyel vagy többel: — Sínáramkörök — Tengelyszámlálók — Hurokberendezés |
| Nyomkarimakenés | Nyomkarimakenés funkció telepítése/eltávolítása | n.a. | |
| Nyomkarimakenés használatának blokkolására szolgáló lehetőség | n.a. | Nyomkarimakenés használatának blokkolására szolgáló vezérlő telepítése/eltávolítása | |
| 4.2.3.3.2. Tengelycsapágy állapotának figyelemmel kísérése | Fedélzeti érzékelő rendszer | Fedélzeti érzékelő rendszer telepítése | Bejelentett fedélzeti érzékelő rendszer eltávolítása |
| 4.2.3.4. A jármű dinamikai viselkedése | A legnagyobb sebesség és a legnagyobb túlemeléshiány kombinációja, amely tekintetében a járművet értékelték | n.a. | A legnagyobb sebesség több mint 15 km/h-val történő növekedése, illetve a megengedett legnagyobb túlemeléshiány több mint ± 10 %-kal történő változása |
| Síndőlés | n.a. | Azon síndőlés(ek) megváltozása, amely(ek)nek a jármű megfelel (1) | |
| 4.2.3.5.2.1. A kerékpárok mechanikai és geometriai jellemzői | Kerékpárnyomtáv | n.a. | Azon nyomtávolság megváltozása, amellyel a kerékpár kompatibilis |
| 4.2.3.5.2.2. Kerekek jellemzői | Minimálisan előírt üzemi kerékátmérő | A minimális előírt üzemi átmérő több mint ± 10 mm-rel történő megváltozása | n.a. |
| 4.2.3.5.2.3. Automatikusan változtatható nyomtávú rendszerek | Kerékpárnyomtáv-szabályozó berendezés | A járműveknek azon nyomtávszabályozó berendezés(ek) megváltozásához vezető megváltozása, amellyel (amelyekkel) a kerékpár kompatibilis | Azon nyomtávolság(ok) megváltozása, amellyel (amelyekkel) a kerékpár kompatibilis |
| 4.2.3.6. Legkisebb ívsugár | Legkisebb bejárható vízszintes ívsugár | A legkisebb vízszintes ívsugár 5 m-t meghaladó növelése | n.a. |
| 4.2.4.5.1. Fékhatásosságra vonatkozó általános követelmények | Legnagyobb átlagos lassulás | A fékekkel való legnagyobb átlagos lassulás több mint ± 10 %-kal történő megváltozása | n.a. |
| 4.2.4.5.2. Fékhatásosság – Vészfékezés | Fékút és lassulási profil az egyes terhelési körülmények mellett a legnagyobb tervezési sebességen. | A fékút több mint ± 10 %-kal történő megváltozása Megjegyzés: A fékerőarányt (ami „lambda” vagy „féksúlyszázalék” néven is ismert), valamint a fékezett tömeget is használják, amelyek a lassulási profilokból (közvetlenül vagy a fékúton keresztül) számítással levezethetők. A megengedett változás ugyanaz (± 10 %) | n.a. |
| 4.2.4.5.3. Fékhatásosság – Üzemi fékezés | Fékút és maximális lassulás a „tervezési tömeg átlagos hasznos teher mellett” terhelési körülmény esetében a legnagyobb tervezési sebességen | A fékút több mint ± 10 %-kal történő megváltozása | n.a. |
| 4.2.4.5.4. Fékhatásosság – Termikus kapacitás | Maximális termikus fékenergia-kapacitás | n.a. | A maximális termikus fékenergia-kapacitás változása >= 10 % |
| vagy | |||
| Termikus kapacitás a legnagyobb vonallejtés, a kapcsolódó hosszúság és az üzemi sebesség tekintetében | Azon legnagyobb vonallejtés, kapcsolódó hosszúság és üzemi sebesség megváltozása, amelyre a fékrendszert a termikus fékenergia-kapacitás tekintetében tervezték | ||
| 4.2.4.5.5. Fékhatásosság – Rögzítőfék | Maximális lejtési szög, amelynél az egység csak a rögzítőfék használatával álló helyzetben marad (ha a jármű rögzítőfékkel van felszerelve) | A bejelentett maximális lejtési szög több mint ± 10 %-kal történő megváltozása | n.a. |
| 4.2.4.6.2. Csúszásgátló rendszer | Csúszásgátló rendszer | n.a. | WSP-funkció telepítése/eltávolítása |
| 4.2.4.8.2. Mágneses sínfék | Mágneses sínfék | n.a. | Mágneses sínfék funkció telepítése/eltávolítása |
| Lehetőség a mágneses sínfék használatának blokkolására | n.a. | A mágneses sínfék aktiválását/deaktiválását lehetővé tevő fékvezérlés telepítése/eltávolítása | |
| 4.2.4.8.3. Örvényáramú sínfék | Örvényáramú sínfék | n.a. | Örvényáramú fék funkció telepítése/eltávolítása |
| Lehetőség az örvényáramú fék használatának blokkolására | n.a. | Az örvényáramú fék aktiválását/deaktiválását lehetővé tevő fékvezérlés telepítése/eltávolítása | |
| 4.2.6.1.1. Hőmérséklet | Hőmérséklet-tartomány | Hőmérséklet-tartomány változása (T1, T2, T3) | n.a. |
| 4.2.6.1.2. Hó, jég és jégeső | Hó-, jég- és jégesőviszonyok | A kiválasztott hó-, jég- és jégesőtartomány (névleges vagy súlyos) változása | n.a. |
| 4.2.8.2.2. Feszültség- és frekvenciatartományon belüli üzem | Energiaellátó rendszer (feszültség és frekvencia) | n.a. | Az energiaellátó rendszer feszültségének (feszültségeinek) vagy frekvenciájának (frekvenciáinak) megváltoztatása (25kV–50 Hz váltakozó áram, 15kV–16,7 Hz váltakozó áram, 3kV egyenáram, 1,5kV egyenáram, 750 V egyenáram, harmadik sín, egyéb) |
| 4.2.8.2.3. A felsővezetékbe energia visszatáplálására alkalmas visszatápláló fék | Visszatápláló fék | n.a. | Visszatápláló fék funkció telepítése/eltávolítása |
| Lehetőség a visszatápláló fék használatának blokkolására (ha van ilyen fék) | A visszatápláló fék használatának blokkolására szolgáló lehetőség telepítése/eltávolítása | n.a. | |
| 4.2.8.2.4. A felsővezetékről felvehető legnagyobb teljesítmény és áramerősség | Csak a 2 MW-os teljesítmény feletti villamos egységekre alkalmazandó: Teljesítmény- vagy áramkorlátozó funkció | Teljesítmény- vagy áramkorlátozó funkció telepítése/eltávolítása | n.a. |
| 4.2.8.2.5. Legnagyobb áramfelvétel álló helyzetben | Álló helyzetben az áramszedőnként felvett legnagyobb áramerősség, a járműbe beszerelt minden egyenáramú rendszer esetében | A legnagyobb áramerősség értékének 50 A-rel történő változása az ezen ÁME-ban meghatározott határérték túllépése nélkül | n.a. |
| Vontatás célú elektromosenergia-tároló kapacitással, valamint álló helyzetben felsővezetékkel való töltési funkcióval felszerelt jármű | A funkció telepítése vagy eltávolítása | n.a. | |
| 4.2.8.2.9.1.1. A munkavezetékekkel való érintkezési magasság (a vasúti jármű szintjén) | Az áramszedő és a munkavezetékek (a sínkorona felső élétől) érintkezési magassága | Az érintkezési magasságnak a mechanikus érintkezést a munkavezetékek egyikével lehetővé tevő/ellehetetlenítő változása a sín szintje feletti alábbi magasságértékek között: 4 800 mm és 6 500 mm 4 500 mm és 6 500 mm 5 550 mm és 6 800 mm 5 600 mm és 6 600 mm | n.a. |
| 4.2.8.2.9.2. Az áramszedőfej geometriája (a kölcsönös átjárhatóságot lehetővé tevő rendszerelem szintjén) | Az áramszedőfej geometriája | n.a. | Az áramszedőfej geometriájának változása a 4.2.8.2.9.2.1., 4.2.8.2.9.2.2. vagy 4.2.8.2.9.2.3. pontban meghatározott típusok egyikéről vagy egyikére |
| 4.2.8.2.9.4.2. A csúszóbetét anyaga | A csúszóbetét anyaga | Új csúszóbetét a 4.2.8.2.9.4.2. (3) pont szerint | n.a. |
| 4.2.8.2.9.6. Az áramszedő sarunyomása és dinamikai jellemzői | Átlagos sarunyomás görbéje | Az áramszedő dinamikai viselkedésének új értékelését szükségessé tevő változás | n.a. |
| 4.2.8.2.9.7. Az áramszedők elrendezése (a vasúti jármű szintjén) | Az áramszedő száma és a két áramszedő közötti legrövidebb távolság | n.a. | Ha az értékelt egység fix vagy előre meghatározott összeállításában két egymást követő áramszedő távolságát az egyik jármű eltávolításával csökkentik |
| 4.2.8.2.9.10. Az áramszedő leengedése (a vasúti jármű szintjén) | Automatikus leengedő készülék | Automatikus leengedő készülék funkció telepítése/eltávolítása | n.a. |
| 4.2.9.3.7. Kisiklásérzékelő és -megelőző jelek feldolgozása | Kisiklásérzékelő és -megelőző jelek feldolgozására szolgáló kapacitás megléte | Kisiklásérzékelő/-megelőző funkció telepítése/eltávolítása | n.a. |
| 4.2.9.3.7a. Fedélzeti kisiklásérzékelő és -megelőző funkció | Kisiklásérzékelő és -megelőző funkció megléte | Kisiklásérzékelő/-megelőző funkció telepítése/eltávolítása | n.a. |
| 4.2.10.1. Általános előírások és osztályozás | Tűzvédelmi kategória | n.a. | Tűzvédelmi kategória változása |
| 4.2.12.2. Általános dokumentáció – Egységek száma többes üzemben | Többes üzemben egymáshoz kapcsolt szerelvények vagy mozdonyok maximális száma | n.a. | Többes üzemben egymáshoz kapcsolt szerelvények vagy mozdonyok megengedett maximális számának változása |
| 4.2.12.2. Általános dokumentáció – Járművek száma az egységben | Csak fix összeállítások esetében: A fix összeállítást alkotó járművek | n.a. | A fix összeállítást alkotó járművek számának változása |
| (1) Az alábbi feltételek egyikének megfelelő járművet minden síndőléssel összeegyeztethetőnek kell tekinteni: — A J-1. függelék 9. vagy 73. hivatkozásában említett előírással összhangban értékelt jármű — A J-1. függelék 63. hivatkozásában említett (ERA/TD/2012-17/INT által módosított vagy nem módosított) előírással vagy a J-1. függelék 64. hivatkozásában említett előírással összhangban értékelt jármű, amely esetében nem írtak elő egyetlen síndőlésre való korlátozást — A J-1. függelék 63. hivatkozásában említett (ERA/TD/2012–17/INT által módosított vagy nem módosított) előírással vagy a J-1. függelék 64. hivatkozásában említett előírással összhangban értékelt jármű, amely esetében egyetlen síndőlésre való korlátozást írtak elő, és a kerék–sín érintkezésre vonatkozó vizsgálati feltételeknek a valós kerék- és sínprofilokon, valamint mért nyomtávon alapuló új értékelése megfelelést mutat a J-1. függelék 9. hivatkozásában említett előírás kerék–sín érintkezésre vonatkozó feltételekkel kapcsolatos követelményeivel. | |||
17b. táblázat
A mozgáskorlátozott személyekre vonatkozó ÁME-ban meghatározott alapvető paraméterekhez kapcsolódó alapvető konstrukciós jellemzők
| ÁME pont | Az érintett alapvető konstrukciós jellemző(k) | Az alapvető konstrukciós jellemzőket befolyásoló, de nem az (EU) 2016/797 irányelv 21. cikke (12) bekezdésének a) pontja szerinti mértékű változások | Az alapvető konstrukciós jellemzőket befolyásoló és az (EU) 2016/797 irányelv 21. cikke (12) bekezdésének a) pontja szerinti mértékű változások |
| 2.2.11. A lépcső pozíciója a járműre való fel- és leszálláshoz | A jármű tervezésénél figyelembe vett peronmagasság | n.a. | Azon peronmagasság megváltozása, amellyel a jármű kompatibilis |
(11) Az EK-típusvizsgálati vagy -konstrukcióvizsgálati tanúsítvány kiállítása érdekében a változást kezelő szerv által kiválasztott bejelentett szervezet hivatkozhat a következőkre:
- a konstrukció változatlan alkatrészeinek, vagy változó, de az alrendszer megfelelőségét nem befolyásoló alkatrészeinek eredeti EK-típusvizsgálati vagy -konstrukcióvizsgálati tanúsítványa, amennyiben az még érvényes;
- az (eredeti tanúsítványt módosító) további EK-típusvizsgálati vagy -konstrukcióvizsgálati tanúsítvány a konstrukció olyan módosított alkatrészei tekintetében, amelyek befolyásolják az alrendszernek a 7.1.3.1.1. pontban meghatározott tanúsítási keretben említett ÁME-knak való megfelelőségét.
Amennyiben az EK-típusvizsgálati vagy -konstrukcióvizsgálati tanúsítvány érvényességi ideje az eredeti típus tekintetében 7 évre korlátozódik (a korábbi A/B fázis koncepciójának alkalmazása miatt), az EK-típusvizsgálati vagy -konstrukcióvizsgálati tanúsítvány érvényességi ideje a módosított típus, a típusváltozat és a típuskivitel tekintetében 14 évre korlátozódik attól az időponttól számítva, amikor a kérelmező kijelöli a bejelentett szervezetet a kezdeti járműtípus hitelesítésére (az eredeti EK-típusvizsgálati vagy -konstrukcióvizsgálati tanúsítvány A. fázisának kezdete).
(12) A változást kezelő szervnek minden esetben biztosítania kell, hogy az EK-típusvizsgálati vagy -konstrukcióvizsgálati tanúsítványra vonatkozó műszaki dokumentációt ennek megfelelően frissítsék.
(13) Az EK-típusvizsgálati vagy -konstrukcióvizsgálati tanúsítványra vonatkozó frissített műszaki dokumentációra a műszaki dokumentum hivatkozik, amely a módosított típus tekintetében megfelelőnek nyilvánított járműre vonatkozóan a változást kezelő szerv által kiadott EK-hitelesítési nyilatkozatot kíséri.
7.1.2.2a. A 2015. január 1-je előtt első üzembehelyezési engedéllyel rendelkező, EK-hitelesítési nyilatkozat hatálya alá nem tartozó üzemben lévő járművekre vonatkozó külön szabályok
A 2015. január 1-je előtt első üzembehelyezési engedéllyel üzemben lévő járművekre a 7.1.2.2. pont mellett az alábbi szabályokat is alkalmazni kell, amennyiben a változás hatóköre befolyásolja az EK-nyilatkozatban nem szereplő alapvető paramétereket (adott esetben):
1. Az ezen ÁME műszaki követelményeinek való megfelelés akkor minősül teljesítettnek, ha az alapvető paraméterek az ÁME-ban meghatározott teljesítmény irányába javultak, és a változást kezelő szerv bizonyítja, hogy a vonatkozó alapvető követelmények teljesülnek, a biztonsági szint pedig fennmaradt vagy - amennyiben ez észszerűen megvalósítható - javult. A változást kezelő szerv ebben az esetben megindokolja, hogy miért nem sikerült elérni az ÁME-ban meghatározott teljesítményt, figyelembe véve a 7.1.2.2. (5) pontot. Az indokolást a jármű műszaki dokumentumához (ha van) vagy eredeti műszaki dokumentációjához kell csatolni.
2. A (1) pont szerinti szabály nem alkalmazandó az alapvető paraméterek azon változásaira, amelyek az (EU) 2016/797 irányelv 21. cikke (12) bekezdésének a) pontja szerint kerültek besorolásra, a 17c. és 17d. táblázatnak megfelelően. A szóban forgó változások esetében az ÁME követelményeinek való megfelelés kötelező.
17c. táblázat
Azon alapvető paraméterek változásai, amelyek esetében kötelező az ÁME-követelményeknek való megfelelés az EK-típus- vagy -konstrukcióvizsgálati tanúsítvánnyal nem rendelkező jármű számára
| ÁME pont | Az érintett alapvető konstrukciós jellemző(k) | Az alapvető konstrukciós jellemzőket befolyásoló és az (EU) 2016/797 irányelv 21. cikke (12) bekezdésének a) pontja szerinti mértékű változások |
| 4.2.3.1. Méretezés | Referenciaprofil | Azon referenciaprofil megváltozása, amelynek a jármű megfelel |
| 4.2.3.3.1. A járművek jellemzői a vonatérzékelő rendszerekkel való kompatibilitás tekintetében | Vonatérzékelő rendszerekkel való kompatibilitás | A bejelentett kompatibilitás változása a következő három vonatérzékelő rendszer közül eggyel vagy többel: — Sínáramkörök — Tengelyszámlálók — Hurokberendezés |
| 4.2.3.3.2. Tengelycsapágy állapotának figyelemmel kísérése | Fedélzeti érzékelő rendszer | Bejelentett fedélzeti érzékelő rendszer telepítése/eltávolítása |
| 4.2.3.5.2.1. A kerékpárok mechanikai és geometriai jellemzői | Kerékpárnyomtáv | Azon nyomtávolság megváltozása, amellyel a kerékpár kompatibilis |
| 4.2.3.5.2.3. Automatikusan változtatható nyomtávú rendszerek | Kerékpárnyomtáv-szabályozó berendezés | Azon nyomtávolság(ok) megváltozása, amellyel (amelyekkel) a kerékpár kompatibilis |
| 4.2.8.2.3. A felsővezetékbe energia visszatáplálására alkalmas visszatápláló fék | Visszatápláló fék | Visszatápláló fék funkció telepítése/eltávolítása |
17d. táblázat
A mozgáskorlátozott személyekre vonatkozó ÁME azon alapvető paramétereinek változásai, amelyek esetében kötelező az ÁME-követelményeknek való megfelelés az EK-típus- vagy -konstrukcióvizsgálati tanúsítvánnyal nem rendelkező jármű számára
| ÁME pont | Az érintett alapvető konstrukciós jellemző(k) | Az alapvető konstrukciós jellemzőket befolyásoló és az (EU) 2016/797 irányelv 21. cikke (12) bekezdésének a) pontja szerinti mértékű változások |
| 4.2.2.11. A lépcső pozíciója a járműre való fel- és leszálláshoz | A jármű tervezésénél figyelembe vett peronmagasság | Azon peronmagasság megváltozása, amellyel a jármű kompatibilis |
7.1.2.2b. Technológiai innovációk teljesítményének vagy megbízhatóságának vizsgálata céljából korlátozott ideig módosított járművekre vonatkozó egyedi szabályok
(1) A 7.1.2.2. pont mellett a következő szabályokat kell alkalmazni az engedéllyel rendelkező egyedi járművek legfeljebb 1 éves határozott időszakra történő módosítása esetén, melyet technológiai innovációk teljesítményének és megbízhatóságának vizsgálata céljából végeznek. A szabályok nem alkalmazandók, ha ugyanazt a módosítást több járművön is elvégzik.
(2) Az ezen ÁME műszaki követelményeinek való megfelelés akkor minősül teljesítettnek, ha az alapvető paraméterek változatlanok maradtak vagy az ÁME-ban meghatározott teljesítmény irányába javultak, és a változást kezelő szerv bizonyítja, hogy a vonatkozó alapvető követelmények teljesülnek, a biztonsági szint pedig fennmaradt vagy - amennyiben ez észszerűen megvalósítható - javult.
7.1.3. Az EK-típusvizsgálati vagy -konstrukcióvizsgálati tanúsítványokra vonatkozó szabályok
7.1.3.1. Jármű alrendszer
7.1.3.1.1. Fogalommeghatározások
(1) Kezdeti értékelési keret
A kezdeti értékelési keret azon ÁME-k csoportját jelenti (ezen ÁME, a zajra vonatkozó ÁME és a mozgáskorlátozott személyekre vonatkozó ÁME), amelyek a tervezési fázis elején alkalmazandók, amikor a kérelmező szerződést köt a bejelentett szervezettel.
(2) Tanúsítási keret
A tanúsítási keret azon ÁME-k csoportját jelenti (ezen ÁME, a zajra vonatkozó ÁME és a mozgáskorlátozott személyekre vonatkozó ÁME), amelyek az EK-típusvizsgálati vagy -konstrukcióvizsgálati tanúsítvány kiadásakor alkalmazandók. Ez gyakorlatilag a tervezési fázisban hatályba lépett ÁME-k felülvizsgálataival módosított kezdeti értékelési keret.
(3) Tervezési fázis
A tervezési fázis az az időszak, ami akkor kezdődik, amikor a kérelmező szerződést köt az EK-hitelesítésért felelős bejelentett szervezettel, és akkor végződik, amikor az EK-típusvizsgálati vagy -konstrukcióvizsgálati tanúsítványt kiadják.
A tervezési fázis kiterjedhet egy típusra, valamint egy vagy több típusváltozatra és típuskivitelre. Minden típusváltozat és típuskivitel esetében a tervezési fázis a főtípussal egy időben kezdődik.
(4) Gyártási fázis
A gyártási fázis az az időszak, amely során érvényes EK-típusvizsgálati vagy -konstrukcióvizsgálati tanúsítványra hivatkozó EK-hitelesítési nyilatkozat alapján jármű alrendszerek hozhatók forgalomba.
(5) Üzemben lévő jármű:
Jármű akkor tekintendő üzemben lévőnek, amikor a 2007/756/EK határozattal összhangban a nemzeti járműnyilvántartásban vagy az (EU) 2018/1614 végrehajtási határozattal összhangban az európai járműnyilvántartásban "Érvényes" nyilvántartási státuszban, "00" kóddal bejegyezésre kerül, és az (EU) 2019/779 bizottsági végrehajtási rendelettel ( 25 ) összhangban biztonságos üzemeltetési állapotban tartják.
7.1.3.1.2. Az EK-típusvizsgálati vagy -konstrukcióvizsgálati tanúsítványra vonatkozó szabályok
(1) A bejelentett szervezet a tanúsítási keretre hivatkozva adja ki az EK-típusvizsgálati vagy -konstrukcióvizsgálati tanúsítványt
(2) Ha a tervezési fázisban ezen ÁME vagy a zajra vonatkozó ÁME vagy a mozgáskorlátozott személyekre vonatkozó ÁME felülvizsgált változata hatályba lép, a bejelentett szervezet a következő szabályok szerint kiállítja az EK-típusvizsgálati vagy -konstrukcióvizsgálati tanúsítványt:
- Az L. függelékben nem hivatkozott ÁME-kat érintő módosítások esetében a kezdeti értékelési keretnek való megfelelés a tanúsítási keretnek való megfelelést is jelenti. A bejelentett szervezet a tanúsítási keretre hivatkozva, további értékelés nélkül kiállítja az EK-típusvizsgálati vagy -konstrukcióvizsgálati tanúsítványt.
- Az L. függelékben hivatkozott ÁME-kat érintő módosítások esetében azok alkalmazása a függelékben meghatározott átmeneti szabályok szerint kötelező. A bejelentett szervezet a meghatározott átmeneti időszak alatt a tanúsítási keretre hivatkozva, további értékelés nélkül kiállíthatja az EK-típusvizsgálati vagy -konstrukcióvizsgálati tanúsítványt. A bejelentett szervezet meghatározza az EK-típusvizsgálati vagy -konstrukcióvizsgálati tanúsítványban a kezdeti értékelési keret szerint értékelt valamennyi pontot.
(3) Amennyiben a tervezési fázisban ezen ÁME vagy a zajra vonatkozó ÁME vagy a mozgáskorlátozott személyekre vonatkozó ÁME több felülvizsgált változata is hatályba lép, a (2) pont valamennyi felülvizsgált változatra alkalmazandó.
(4) Minden esetben megengedett (de nem kötelező) bármelyik ÁME egy korábbi változatának - teljes egészében vagy egyes pontok tekintetében történő - használata, kivéve, ha a szóban forgó ÁME-k felülvizsgált változata erről kifejezetten másként rendelkezik. Az egyes pontokra korlátozott alkalmazás esetében a kérelmezőnek igazolnia és dokumentálnia kell, hogy az alkalmazandó követelmények változatlanul teljesülnek, és ezt a bejelentett szervezetnek jóvá kell hagynia.
7.1.3.1.3. Az EK-típusvizsgálati vagy -konstrukcióvizsgálati tanúsítvány érvényessége
(1) Ezen ÁME vagy a zajra vonatkozó ÁME vagy a mozgáskorlátozott személyekre vonatkozó ÁME felülvizsgált változatának hatályba lépése esetén az alrendszer EK-típusvizsgálati vagy -konstrukcióvizsgálati tanúsítványa érvényben marad, kivéve, ha azt valamelyik ÁME módosításának különleges átmeneti szabályai szerint felül kell vizsgálni.
(2) Csak különleges átmeneti szabályokkal együtt járó ÁME-változások alkalmazhatók gyártási fázisban lévő járműre vagy üzemben lévő járműre.
7.1.3.2. Kölcsönös átjárhatóságot lehetővé tevő rendszerelemek
(1) Ez a pont a típus- vagy konstrukcióvizsgálat vagy alkalmazhatósági vizsgálat körébe tartozó, kölcsönös átjárhatóságot lehetővé tevő rendszerelemekre vonatkozik.
(2) A típus- vagy konstrukcióvizsgálat vagy az alkalmazhatósági vizsgálat akkor is érvényes marad, ha ezen ÁME vagy a zajra vonatkozó ÁME vagy a mozgáskorlátozott személyekre vonatkozó ÁME felülvizsgálata hatályba lép, kivéve, ha az említett ÁME-k felülvizsgálata kifejezetten másként rendelkezik.
Ezen időszak alatt az ugyanazon típusba tartozó új rendszerelemek újabb típusvizsgálat nélkül forgalomba hozhatók.
7.1.4. A 2008/57/EK irányelvvel összhangban engedélyezett vagy 2010. július 19. előtt már üzemelő járművek felhasználási területének kiterjesztésére vonatkozó szabályok
(1) Az ezen ÁME-nak való teljes körű megfelelés hiányában a 2. pont azokra a járművekre vonatkozik, amelyek a felhasználási területük kiterjesztésének az (EU) 2016/797 irányelv 21. cikke (13) bekezdése szerinti kérelmezésekor megfelelnek a következő feltételeknek:
a) a 2008/57/EK irányelvvel összhangban engedélyezték őket vagy 2010. július 19. előtt kerültek üzembe helyezésre;
b) a 2007/756/EK határozattal összhangban a nemzeti járműnyilvántartásban vagy az (EU) 2018/1614 végrehajtási határozattal összhangban az európai járműnyilvántartásban "Érvényes" nyilvántartási státuszban, "00" kóddal vannak bejegyezve, és az (EU) 2019/779 végrehajtási rendelettel összhangban biztonságos üzemeltetési állapotban tartják őket.
A felhasználási terület kiterjesztésére vonatkozó alábbi rendelkezések az (EU) 2018/545 végrehajtási rendelet 14. cikke (3) bekezdésének a) pontjában meghatározott új engedéllyel együtt is alkalmazandók.
(2) Az 1. pontban említett járművek kiterjesztett felhasználási területének engedélyezése adott esetben a meglévő engedélyen, valamint az (EU) 2016/797 irányelv 21. cikke (3) bekezdésének d) pontja értelmében a jármű és a hálózat közötti műszaki összeegyeztethetőségen és a 17a. és 17b. táblázatban szereplő alapvető konstrukciós jellemzőknek való megfelelésen alapul, figyelembe véve az esetleges megszorításokat és korlátozásokat.
A kérelmezőnek EK-hitelesítési nyilatkozatot kell benyújtania, amelyhez mellékelnie kell az ezen ÁME-ban meghatározott követelményeknek vagy az ezen ÁME 17a. és 17b. táblázatának 1. oszlopában említett minden egyes alapvető paraméterre vonatkozóan az említett követelményekkel azonos hatású rendelkezéseknek vagy az ezen ÁME következő pontjainak való megfelelést igazoló műszaki dokumentumot:
- 4.2.4.2.2., 4.2.5.5.8., 4.2.5.5.9., 4.2.6.2.3., 4.2.6.2.4., 4.2.6.2.5., 4.2.8.2.7., 4.2.8.2.9.8. (fázis- vagy rendszerhatáron való áthaladáskor az irányítás automatikus), 4.2.9.3.1., 4.2.9.6., 4.2.12. és 4.2.12.6.,
- 4.2.5.3. Olaszország esetében,
- 4.2.5.3.5. és 4.2.9.2.1. Németország esetében
a következők egyikének vagy azok kombinációjának megjelölésével:
a) az ezen ÁME-ban meghatározott követelményeknek való megfelelés;
b) egy korábbi ÁME-ban meghatározott vonatkozó követelményeknek való megfelelés;
c) azonos hatásúnak tekintett alternatív előírásoknak való megfelelés;
d) annak igazolása, hogy a kiterjesztett felhasználási terület hálózattal való műszaki összeegyeztethetőségére vonatkozó követelmények egyenértékűek az azzal a hálózattal való műszaki összeegyeztethetőségre vonatkozó követelményekkel, amely tekintetében a jármű engedélyezése vagy üzembe helyezése már megtörtént. Ezt az igazolást a kérelmezőnek kell benyújtania, és az igazolás a vasúti infrastruktúra-nyilvántartásban szereplő információkon is alapulhat.
(3) Az alternatív előírások ezen ÁME követelményeivel egyenértékű hatását (2. c) pont) és a hálózattal való műszaki összeegyeztethetőség követelményeinek egyenértékűségét (2. d) pont) a kérelmezőnek a 402/2013/EU rendelet I. mellékletében meghatározott kockázatkezelési eljárást alkalmazva kell indokolnia, illetve dokumentumokkal alátámasztania. Az indokolást egy értékelést végző szervnek (CSM RA) ki kell értékelnie és meg kell erősítenie.
(4) A fenti 2. pontban említett követelményeken túlmenően és adott esetben a kérelmezőnek EK-hitelesítési nyilatkozatot kell benyújtania, amelyhez mellékelnie kell a következőknek való megfelelést igazoló műszaki dokumentumot:
a) a kiterjesztett felhasználási terület ezen ÁME-ban, a zajra vonatkozó ÁME-ban, a mozgáskorlátozott személyekre vonatkozó ÁME-ban és az ellenőrző-irányító és jelző alrendszerre vonatkozó ÁME-ban felsorolt bármely részéhez kapcsolódó különleges esetek;
b) az (EU) 2016/797 irányelv 13. cikke (2) bekezdésének a), c) és d) pontjában említett, a szóban forgó irányelv 14. cikkének megfelelően bejelentett nemzeti szabályok.
(5) Az engedélyező szerv az Ügynökség honlapján nyilvánosan hozzáférhetővé teszi a 2. c) pontban említett alternatív előírások részleteit, valamint a 2. d) pontban említett hálózattal való műszaki összeegyeztethetőségre vonatkozó követelményeket, amelyek alapján a kiterjesztett felhasználási területre engedélyt adott.
(6) Amennyiben egy engedélyezett jármű a 2008/57/EK irányelv 9. cikke alapján mentesült az ÁME-k vagy azok egy részének alkalmazása alól, a kérelmezőnek az (EU) 2016/797 irányelv 7. cikkével összhangban eltérés(eke)t kell kérnie a kiterjesztett felhasználási terület szerinti tagállamokban.
(7) Az (EU) 2016/797 irányelv 54. cikkének (2) bekezdésével összhangban a Regolamento Internazionale Carrozze (RIC) alapján üzemben lévő személykocsikat engedélyezettnek kell tekinteni azokkal a feltételekkel összhangban, amelyek mellett üzembe helyezésük megtörtént, beleértve azt a felhasználási területet, ahol üzemelnek. Olyan mértékű átalakítást követően, amely az (EU) 2016/797 irányelv 21. cikkének (12) bekezdésével összhangban új forgalombahozatali járműengedélyt tesz szükségessé, a legutóbbi RIV-megállapodás alapján elfogadott személykocsiknak a változatlan részek további ellenőrzése nélkül meg kell őrizniük azt a felhasználási területet, amelyen üzemeltek.
7.1.5. Új járműkonstrukciók előzetes felszerelésére vonatkozó követelmények, amennyiben ETCS még nem került telepítésre
(1) Ez az eset az újonnan kialakított, fedélzeti ETCS-sel még nem rendelkező járműkonstrukciókra vonatkozik, beleértve a mozdonyokra és személyszállító vasúti járművekre vonatkozó ÁME 7.1.1.3. (1) pontjának alkalmazása esetén az ellenőrző-irányító és jelző alrendszerre vonatkozó ÁME 7.4.3.2. pontjában említett speciális járműveket is, abból a célból, hogy a jármű alrendszer az ETCS telepítésére készen álljon.
(2) A következő követelmények azokra az újonnan kialakított járműkonstrukciókra vonatkozik, amelyek az (EU) 2018/545 végrehajtási rendelet 14. cikkében meghatározottak szerint első engedélyt igényelnek:
a) Az alapvető paraméterekben említett vonatinterfész funkciókkal kapcsolatos követelményeknek való megfelelés az ellenőrző-irányító és jelző alrendszerre vonatkozó ÁME A. függeléke A.2. táblázatának 7. hivatkozásával történő megfeleltetéssel (lásd a mozdonyokra és személyszállító vasúti járművekre vonatkozó ÁME 9. táblázatának 1. és 2. oszlopát).
b) A telepített vonatinterfész funkciók leírását, a kapcsolódási pontok és kommunikációs protokollok műszaki adataival együtt meg kell adni a 4.2.12.2. (23) pontban ismertetett műszaki dokumentációban.
c) Helyet kell biztosítani az ellenőrző-irányító és jelző alrendszerre vonatkozó ÁME-ban meghatározott fedélzeti ETCS-berendezések (pl. ETCS DMI, antennák, stb.) telepítésére. A 4.2.12.2. (24) pontban ismertetett műszaki dokumentációnak tartalmaznia kell a berendezések telepítési feltételeit.
(3) A jármű alrendszer EK-hitelesítéséért felelős bejelentett szervezetnek ellenőriznie kell, hogy a 4.2.12.2. (23) és 4.2.12.2. (24) pontban kért dokumentáció rendelkezésre áll-e.
(4) A fedélzeti ETCS telepítésekor a vonatinterfész funkciók járműbe történő beépítésének értékelése a fedélzeti ellenőrző-irányító és jelző alrendszer EK-hitelesítésének részét képezi az ellenőrző-irányító és jelző alrendszerre vonatkozó ÁME 6.3.3. pontjának megfelelően.
7.2. Kompatibilitás más alrendszerekkel
(1) Ezen ÁME kidolgozása a vonatkozó ÁME-knek megfelelő más alrendszerek figyelembevételével zajlott. Ezért a helyhez kötött berendezésekből álló infrastruktúrával, az energiaellátással, valamint az ellenőrző-irányító és jelző alrendszerrel való kapcsolódási pontok ismertetésére az infrastruktúrára vonatkozó ÁME-nek, az energiaellátására vonatkozó ÁME-nek és az ellenőrző-irányító és jelző rendszerre vonatkozó ÁME-nek megfelelő alrendszerek tekintetében került sor.
(2) Ezt követően a vasúti járművekre vonatkozó végrehajtási módszerek és azok szakaszai az infrastruktúrára vonatkozó ÁME, az energiaellátásra vonatkozó ÁME és az ellenőrző-irányító és jelző rendszerre vonatkozó ÁME végrehajtásának előrehaladásától függenek.
(3) A helyhez kötött berendezésekről szóló ÁME többféle műszaki jellemzőt tesz lehetővé (például "forgalmi szabályzat" az infrastruktúrára vonatkozó ÁME-ben, "energiaellátó rendszer" az energiaellátásra vonatkozó ÁME-ben).
(4) A vasúti járművekre vonatkozó megfelelő műszaki jellemzők az engedélyezett járműtípusok európai nyilvántartásában vannak feltüntetve az (EU) 2016/797 irányelv 48. cikkében és az engedélyezett vasútijármű-típusok európai nyilvántartásáról szóló, 2011. október 4-i 2011/665/EU bizottsági végrehajtási határozattal összhangban (lásd még ezen ÁME 4.8. pontját).
(5) A helyhez kötött berendezések tekintetében ezek a változatok az (EU) 2016/797 irányelv 48. cikke és az (EU) 2019/777 bizottsági végrehajtási rendelet (infrastruktúra-nyilvántartás) ( 26 ) szerinti infrastruktúra-nyilvántartásban feltüntetett fő jellemzők részét képezik.
7.3. Különleges esetek
7.3.1. Általános előírások
(1) A következő pontban felsorolt különleges esetek az egyes tagállamok adott hálózatain szükséges és engedélyezett egyedi rendelkezéseket ismertetik.
(2) Az ilyen különleges esetek a következő osztályokba sorolhatók:
- "P" esetek: állandó ("permanent") esetek,
- "T0" esetek: határozatlan idejű ideiglenes ("temporary") esetek, amelyek tekintetében a célrendszert egy még meghatározandó időpontig kell elérni.
- "T1" esetek: ideiglenes ("temporary") esetek, amelyek tekintetében a célrendszert 2025. december 31-ig kell elérni.
- "T2" esetek: ideiglenes ("temporary") esetek, amelyek tekintetében a célrendszert 2035. december 31-ig kell elérni.
Az ÁME jövőbeni felülvizsgálatai során minden különleges esetet (a vonatkozó dátumokkal együtt) újra meg kell vizsgálni a biztonságra, az interoperabilitásra, a határokon átnyúló szolgáltatásokra, a TEN-T folyosókra gyakorolt befolyásuk, valamint az ezek megőrzésével vagy felszámolásával összefüggő gyakorlati és gazdasági hatásuk értékelése alapján abból a célból, hogy a szóban forgó esetek műszaki és földrajzi alkalmazási körét korlátozni lehessen. Különös figyelmet kell fordítani az uniós finanszírozás elérhetőségére.
A különleges eseteknek azon útvonalra vagy hálózatra kell korlátozódniuk, ahol alkalmazásuk feltétlenül szükséges; a különleges eseteket figyelembe kell venni az útvonal-kompatibilitási eljárásokban.
(3) Az ÁME hatálya alá tartozó vasúti járművekre vonatkozó különleges esetekkel ebben az ÁME-ben kell foglalkozni.
(4) Egyes különleges esetek más ÁME-khez kapcsolódnak. Amennyiben ezen ÁME valamely pontja egy másik olyan ÁME-re hivatkozik, amelyre a különleges eset vonatkozik, illetve amennyiben valamely különleges eset amiatt vonatkozik a vasúti járművekre, mert az egy másik ÁME-ben szerepel, ezek az esetek ebben az ÁME-ben is szerepelnek.
(5) Egyes különleges esetek ezenkívül nem zárják ki, hogy az ÁME-nek megfelelő vasúti járművek a nemzeti hálózat vonalain közlekedjenek. Ilyen esetben ez kifejezetten szerepel a 7.3.2. pont érintett szakaszában.
(6) Az ezen ÁME 5.3. pontjában kölcsönös átjárhatóságot lehetővé tevő rendszerelemként meghatározott alkatrészekre alkalmazandó különleges esetben a megfelelőségértékelést a 6.1.1. (3) pontnak megfelelően kell elvégezni.
7.3.2. Különleges esetek
7.3.2.1. Mechanikai kapcsolódási pontok (4.2.2.2. pont)
Írország és az Egyesült Királyság különleges esete Észak-Írország tekintetében ("P")
Vonat végén lévő kapcsolókészülék, sínkorona feletti magasság (4.2.2.2.3. pont)
A.1. Ütközők
Az ütközők középvonalának a sín szintjétől számított 1 090 mm (+ 5/- 80 mm) magasságban kell lennie minden terhelési és kopási körülmény esetén.
A.2. Csavarkapocs
A vonóhorog középvonalának a sín szintjétől számított 1 070 mm (+ 25/- 80 mm) magasságban kell lennie minden terhelési és kopási körülmény esetén.
7.3.2.2. Méretezés (4.2.3.1. pont)
Írország és az Egyesült Királyság különleges esete Észak-Írország tekintetében ("P")
Megengedett, hogy az egység referenciaprofiljának felső és alsó részét az e célra bejelentett nemzeti műszaki szabályoknak megfelelően alakítsák ki.
7.3.2.3. A jármű vágány mellett elhelyezett berendezéssel való kompatibilitására vonatkozó követelmények (4.2.3.3.2.2.)
Finnország különleges esete ("P")
Azon vasúti járművek esetében, amelyeket a finn hálózaton (1 524 mm-es nyomtávon) való használatra terveztek, és a tengelycsapágy állapotának figyelemmel kísérése szempontjából pálya menti berendezést igényelnek, a tengelyágy alsó részén lévő azon célterületnek, amelynek akadálymentesnek kell lennie, hogy lehetővé tegye a pálya melletti hőnfutásjelző általi megfigyelést, az EN 15437-1:2009 szabványban meghatározott méreteknek kell megfelelniük; az ott megadott értékeket azonban az alábbiakkal kell felváltani:
Pálya menti berendezésen alapuló rendszer:
Az EN 15437-1:2009 szabvány 5.1. és 5.2. pontjában szereplő méretek helyébe a következő méretek lépnek. Két eltérő célterület (I. és II.) van, ideértve azok meghatározott tiltott és mérési övezeteit is:
Az I. célterület méretei:
- WTA, legalább 50 mm
- LTA, legalább 200 mm
- YTA, 1 045 mm és 1 115 mm közötti
- WPZ, legalább 140 mm
- LPZ, legalább 500 mm
- YPZ, 1 080 mm ± 5 mm
A II. célterület méretei:
- WTA, legalább 14 mm
- LTA, legalább 200 mm
- YTA, 892 mm és 896 mm közötti
- WPZ, legalább 28 mm
- LPZ, legalább 500 mm
- YPZ, 894 mm ± 2 mm
Franciaország különleges esete ("P")
Ez a különleges eset minden olyan egységre vonatkozik, amely nem rendelkezik a tengelycsapágy állapotának figyelemmel kísérésére szolgáló berendezéssel.
Az EN 15437-1 szabvány 5.1. és 5.2. pontja a következő konkrét méretek mellett alkalmazandó. A jelölések megegyeznek a szabvány 3. ábráján találhatókkal.
- WTA = 70 mm
- YTA = 1 092,5 mm
- LTA = Vmax x 0,56 (ahol Vmax a km/h-ban kifejezett legnagyobb pályasebesség a HABC berendezés szintjén).
Írország és az Egyesült Királyság különleges esete Észak-Írország tekintetében ("P")
Azon vasúti járműveknek, amelyek a tengelycsapágy állapotának figyelemmel kísérése szempontjából pálya menti berendezést igényelnek, meg kell felelniük a tengelyágy alsó részén lévő, alábbi akadálymentes célterületnek (a méreteket az EN 15437-1:2009 szabvány határozza meg):
18. táblázat
Célterület
| YTA [mm] | WTA [mm] | LTA [mm] | YPZ [mm] | WPZ [mm] | LPZ [mm] | |
| 1 600 mm | 1 110 ± 2 | ≥ 70 | ≥ 180 | 1 110 ± 2 | ≥ 125 | ≥ 500 |
Svédország különleges esete ("T2")
Ez a különleges eset minden olyan egységre vonatkozik, amely nem rendelkezik a tengelycsapágy állapotának figyelemmel kísérésére szolgáló berendezéssel, és amelyet nem korszerűsített tengelycsapágy-jelzőkkel felszerelt vonalakon kívánnak üzemeltetni. Az infrastruktúra-nyilvántartás ezeket a vonalakat e tekintetben az ÁME-nak nem megfelelőnek tünteti fel.
Az EN 15437-1:2009 szabvány paraméterein alapuló alábbi táblázatban meghatározott, tengelyágy/tengelyvégcsap alatti két zónának szabadnak kell lennie a pálya menti tengelyágy-érzékelő rendszer általi függőleges megfigyelés céljából.
19. táblázat
A Svédországban üzemeltetni kívánt egységekre vonatkozó célzóna és tiltott zóna
| YTA [mm] | WTA [mm] | LTA [mm] | YPZ [mm] | WPZ [mm] | LPZ [mm] |
| 905 ± 20 | ≥ 40 | teljes | 905 | ≥ 100 | ≥ 500 |
Az e rendszerekkel való kompatibilitást a jármű műszaki dokumentumában kell meghatározni.
7.3.2.4. A belső levegő minősége (4.2.5.8. pont)
A Csatorna-alagút különleges esete ("P")
Személyszállító járművek: a személyszállító vonatoknak olyan szellőzést biztosító rendszerrel kell rendelkezniük, amely a vontató rendszerek meghibásodása esetén képesek legalább 90 percig 10 000 ppm alatt tartani a CO2-szintet.
7.3.2.5. Menetdinamikai viselkedés (4.2.3.4.2., 6.2.3.4. pont)
Finnország különleges esete ("P")
Az ÁME menetdinamikai viselkedésre vonatkozó pontjai a következő módosításokkal alkalmazandók a kizárólag az 1 524 mm-es finn hálózaton üzemeltetendő járművek esetében:
- a menetdinamikai vizsgálatnál a 4. vizsgálati övezetet nem kell alkalmazni,
- a 3. vizsgálati övezetben található összes vágányszakasz ívsugarának középértéke 550 ± 50 méter a menetdinamikai vizsgálat esetében,
- a menetdinamikai vizsgálat során a vágány minőségi paramétereinek a RATO 13 (Vágányvizsgálat) szerint kell alakulnia,
- a mérési módszerek az EN 13848-1:2019 szabvány szerinti módszerek.
Írország és az Egyesült Királyság különleges esete Észak-Írország tekintetében ("P")
A meglévő hálózattal való műszaki kompatibilitás érdekében megengedett, hogy az e célra bejelentett nemzeti műszaki szabályokat alkalmazzák.
Spanyolország különleges esete ("P")
Az 1 668 mm-es nyomtávon való használatra szánt vasúti járművek esetében a Yqst sínre gyakorolt kvázi statikus vezetőerő határértékeit legalább a következő ívsugárértékek tekintetében kell értékelni: 250 m ≤ Rm < 400 m.
A kívánt határérték a következő: (Yqst)lim = 66 kN.
Az EN 14363:2016 szabvány 7.6.3.2.6. (2) pontja szerinti Rm = 350 becsült sugárérték normalizálása érdekében a Ya,nf,qst = Ya,f,qst - (10 500 m/Rm - 30) kN képletet fel kell váltani a következővel: Ya,nf,qst = Ya,f,qst - (11 550 m/Rm - 33) kN.
A túlemeléshiány értékei az 1 668 mm-es nyomtávhoz a megfelelő 1 435 mm-es paraméterértékek következő átváltási tényezővel történő szorzása révén igazítható: 1733/1500.
7.3.2.5a. A forgóvázkeret szerkezeti kialakítása (4.2.3.5.1.)
Spanyolország különleges esete ("P")
Az 1 668 mm-es nyomtávon való használatra tervezett forgóvázak esetében az alfa (α) és béta (β) paraméterek értéke 0,15, illetve 0,35, a J-1. függelék 11. hivatkozásában említett előírással összhangban [az EN 13749 szabvány F. melléklete].
7.3.2.6. A kerékpár és a kerék mechanikai és geometriai jellemzői (4.2.3.5.2.1. és 4.2.3.5.2.2. pont)
Észtország, Lettország, Litvánia és Lengyelország különleges esete az 1 520 mm-es rendszer tekintetében ("P")
A kerekek 2. ábrán meghatározott geometriai méreteinek meg kell felelnie a 20. táblázatban meghatározott határértékeknek.
20. táblázat
A kerekek geometriai méreteinek üzemi határértékei
| Megnevezés | D kerékátmérő (mm) | Legkisebb érték (mm) | Legnagyobb érték (mm) |
| A kerékpánt szélessége (BR + sorja) | 400 ≤ D ≤ 1 220 | 130 | 146 |
| Nyomkarima vastagsága (Sd) | 25 (1) | 33 | |
| Nyomkarima magassága (Sh) | 28 | 37 | |
| (1) Háromtengelyes forgóvázak belső kerekei esetében megengedett a 21 mm-es méret. | |||
A legfeljebb 200 km/h legnagyobb sebességű mozdonyok és szerelvények új kerékprofilját az alábbi 3. ábra határozza meg:
3. ábra
A legfeljebb 200 km/h legnagyobb sebességű mozdonyok és szerelvények új kerékprofilja

A legfeljebb 130 km/h legnagyobb sebességű szerelvények új kerékprofilját az alábbi 4. ábra határozza meg.
4. ábra
A legfeljebb 130 km/h legnagyobb sebességű szerelvények új kerékprofilja

Finnország különleges esete ("P")
A legkisebb kerékátmérőt 400 mm-ben kell meghatározni.
Az 1 524 -es nyomtávú finn hálózat és harmadik ország 1 520 -as hálózata közötti forgalomban használatos járművek esetében megengedett a nyomtávkülönbség áthidalására tervezett egyedi kerékpárok használata.
Írország különleges esete ("P")
A kerekek (2. ábrán meghatározott) geometriai méreteinek meg kell felelniük a 21. táblázatban meghatározott határértékeknek:
21. táblázat
A kerekek geometriai méreteinek üzemi határértékei
| Megnevezés | D kerékátmérő (mm) | Legkisebb érték (mm) | Legnagyobb érték (mm) | |
| 1 600 mm | Kerékpánt szélessége (BR) (legfeljebb 5 mm-es sorjával) | 690 ≤ D ≤ 1 016 | 137 | 139 |
| Nyomkarima vastagsága (Sd) | 690 ≤ D ≤ 1 016 | 26 | 33 | |
| Nyomkarima magassága (Sh) | 690 ≤ D ≤ 1 016 | 28 | 38 | |
| Nyomkarima felülete (qR) | 690 ≤ D ≤ 1 016 | 6,5 | — |
Az Egyesült Királyság különleges esete Észak-Írország tekintetében ("P")
A kerékpárok és kerekek (az 1. és 2. ábrán meghatározott) geometriai méreteinek meg kell felelniük a 22. táblázatban meghatározott határértékeknek:
22. táblázat
A kerékpárok és a kerekek geometriai méreteinek üzemi határértékei
| Megnevezés | D kerékátmérő (mm) | Legkisebb érték (mm) | Legnagyobb érték (mm) | |
| 1 600 mm | Futófelületek közötti távolság (SR) SR = AR+Sd,bal+Sd, jobb | 690 ≤ D ≤ 1 016 | 1 573 | 1 593,3 |
| Hátoldalak közötti távolság (AR) | 690 ≤ D ≤ 1 016 | 1 521 | 1 527,3 | |
| A kerékpánt szélessége (BR) (legfeljebb 5 mm-es sorjával) | 690 ≤ D ≤ 1 016 | 127 | 139 | |
| Nyomkarima vastagsága (Sd) | 690 ≤ D ≤ 1 016 | 24 | 33 | |
| Nyomkarima magassága (Sh) | 690 ≤ D ≤ 1 016 | 28 | 38 | |
| Nyomkarima felülete (qR) | 690 ≤ D ≤ 1 016 | 6,5 | — |
Spanyolország különleges esete az 1 668 mm-es nyomtáv tekintetében ("P")
A D ≥ 840 mm kerékátmérő nyomkarima-vastagságának (Sd) minimumértékét 25 mm-ben kell meghatározni.
A 330 mm ≤ D < 840 mm közötti kerékátmérő esetében 27,5 mm-es minimumértéket kell meghatározni.
A Cseh Köztársaság különleges esete ("T0")
Az irányításban nem érintett háromtengelyes forgóvázak belső kerekei esetében a kerekek geometriai méretének határértékei lehetnek alacsonyabbak az 1. és 2. táblázatban előírtaknál a nyomkarima-vastagság (Sd) és a futófelületek közötti távolság (SR) tekintetében.
7.3.2.6a. Legkisebb ívsugár (4.2.3.6.)
Írország különleges esete ("P")
Az 1 600 mm-es nyomtávú rendszer esetében a vizsgálandó legkisebb ívsugár minden egység esetében 105 m.
7.3.2.7. Nincs használatban
7.3.2.8. Aerodinamikai hatások (4.2.6.2. pont)
Olaszország különleges esete ("P")
Maximális nyomásingadozás alagutakban (4.2.6.2.3. pont):
A meglévő vonalakon való korlátozásmentes üzemhez, figyelembe véve számos, 250 km/h-s áthaladási sebességre tervezett 54 m2 keresztmetszetű, valamint 300 km/h-s áthaladási sebességre tervezett 82,5 m2 keresztmetszetű alagutat, a legalább 190 km/h-s legnagyobb tervezési sebességű egységeknek meg kell felelniük a 23. táblázatban megállapított követelményeknek.
23. táblázat
Az egyszerű, vízszintes, csőszerű alagútban egyedül közlekedő kölcsönösen átjárható vonatokra vonatkozó követelmények
| Méretezés | Referenciaeset | A referenciaeset kritériumai | Megengedett legnagyobb sebesség [km/h] | ||||
| Vtr [km/h] | Atu [m2] | ΔpN [Pa] | ΔpN + ΔpFr [Pa] | ΔpN + ΔpFr + ΔpT [Pa] | |||
| Vtr,max < 250 km/h | GA vagy kisebb | 200 | 53,6 | ≤ 1 750 | ≤ 3 000 | ≤ 3 700 | ≤ 210 |
| GB | 200 | 53,6 | ≤ 1 750 | ≤ 3 000 | ≤ 3 700 | ≤ 210 | |
| GC | 200 | 53,6 | ≤ 1 750 | ≤ 3 000 | ≤ 3 700 | ≤ 210 | |
| Vtr,max < 250 km/h | GA vagy kisebb | 200 | 53,6 | ≤ 1 195 | ≤ 2 145 | ≤ 3 105 | < 250 |
| GB | 200 | 53,6 | ≤ 1 285 | ≤ 2 310 | ≤ 3 340 | < 250 | |
| GC | 200 | 53,6 | ≤ 1 350 | ≤ 2 530 | ≤ 3 455 | < 250 | |
| Vtr,max ≥ 250 km/h | GA vagy kisebb | 250 | 53,6 | ≤ 1 870 | ≤ 3 355 | ≤ 4 865 | 250 |
| Vtr,max ≥ 250 km/h | GA vagy kisebb | 250 | 63,0 | ≤ 1 460 | ≤ 2 620 | ≤ 3 800 | > 250 |
| GB | 250 | 63,0 | ≤ 1 550 | ≤ 2 780 | ≤ 4 020 | > 250 | |
| GC | 250 | 63,0 | ≤ 1 600 | ≤ 3 000 | ≤ 4 100 | > 250 | |
Ha a jármű nem felel meg a fenti táblázatban megadott értékeknek (például ÁME-nak nem megfelelő jármű), üzemeltetési szabályok (például sebességkorlátozás) alkalmazására kerülhet sor.
7.3.2.8. a. Lámpák vezérlőszervei (4.2.7.1.4. pont)
Franciaország, Luxemburg, Belgium, Spanyolország, Svédország és Lengyelország különleges esete ("T0")
Biztosítani kell, hogy a mozdonyvezető vészhelyzet jelzése érdekében villogó/felvillanó üzemmódra kapcsolhassa a fényszórókat.
7.3.2.9. Nincs használatban
7.3.2.10. Nincs használatban
7.3.2.11. Feszültség- és frekvenciatartományon belüli üzem (4.2.8.2.2. pont)
Észtország különleges esete ("T1")
A 3,0 kV-os egyenáramú rendszereken történő üzemre tervezett villamos egységeknek alkalmasnak kell lenniük az energia alrendszerre vonatkozó ÁME 7.4.2.1.1. pontjában megadott feszültség- és frekvenciatartományokon belüli üzemre.
Franciaország különleges esete ("T2")
A használatra vonatkozó korlátozások elkerülése érdekében az 1,5 kV-os egyenáramú vagy 25 kV-os váltakozó áramú rendszereken történő üzemre tervezett villamos egységeknek meg kell felelniük a jármű-nyilvántartásban ismertetett jellemzőknek (1.1.1.2.2.1.3. paraméterek) A meglévő vonalakon az álló helyzetben levő áramszedőkön (4.2.8.2.5. pont) felvett legnagyobb áram mértéke áramszedőnként 1,5 kV-os egyenáramú rendszereken alacsonyabb lehet az energia alrendszerről szóló ÁME 4.2.5. pontjában meghatározott határértékeknél; az áramszedőnként felvett legnagyobb áramot megfelelően kell korlátozni az e vonalakon történő üzemre tervezett villamos egységek esetében.
Lettország különleges esete ("T1")
A 3,0 kV-os egyenáramú rendszereken történő üzemre tervezett villamos egységeknek alkalmasnak kell lenniük az energia alrendszerre vonatkozó ÁME 7.4.2.4.1. pontjában megadott feszültség- és frekvenciatartományokon belüli üzemre.
7.3.2.12. Visszatápláló fékek használata (4.2.8.2.3. pont)
Belgium különleges esete ("T2")
A meglévő rendszerrel való műszaki kompatibilitás érdekében a felsővezetéken visszatáplált legnagyobb feszültség (az Umax2 az EN 50388-1:2022 szabvány 12.2.1. pontja szerint) 3 kV-os hálózaton nem haladhatja meg a 3,8 kV-ot.
A Cseh Köztársaság különleges esete ("T2")
A meglévő rendszerrel való műszaki kompatibilitás érdekében a felsővezetéken visszatáplált legnagyobb feszültség (az Umax2 az EN 50388-1:2022 szabvány 12.2.1. pontja szerint) 3 kV-os hálózaton nem haladhatja meg a 3,55 kV-ot.
Svédország különleges esete ("T2")
A meglévő rendszerrel való műszaki kompatibilitás érdekében a felsővezetéken visszatáplált legnagyobb feszültség (az Umax2 az EN 50388-1:2022 szabvány 12.2.1. pontja szerint) 15 kV-os hálózaton nem haladhatja meg a 17,5 kV-ot.
7.3.2.13. A munkavezetékkel való érintkezési magasság (vasúti járművek szintjén) (4.2.8.2.9.1.1. pont)
Hollandia különleges esete ("T0")
Az 1 500 V-os egyenáramú hálózat korlátozásmentes eléréséhez az áramszedő legnagyobb magassága legfeljebb 5 860 mm.
7.3.2.14. Az áramszedőfej geometriája (4.2.8.2.9.2. pont)
Horvátország különleges esete ("T1")
A 3 kV-os meglévő egyenáramú rendszeren való üzem céljából megengedett, hogy a villamos egységeket az EN 50367:2020+A1:2022 szabvány B.3. mellékletének B1. ábráján meghatározott 1 450 mm-es hosszúságú fejgeometriával rendelkező áramszedővel szereljék fel (a 4.2.8.2.9.2. pont szerinti követelmény helyett).
Finnország különleges esete ("T1")
A meglévő rendszerrel való műszaki kompatibilitás érdekében az áramszedőfej szélessége nem haladhatja meg a 0,422 métert.
Franciaország különleges esete ("T2")
A meglévő egyenáramú hálózaton - különösen a csak keskeny áramszedővel kompatibilis munkavezeték-rendszerrel rendelkező vonalakon -, valamint a Franciaországban és Svájcban való üzem céljából megengedett, hogy a villamos egységeket az EN 50367:2020+A1:2022 szabvány B.3. mellékletének B.1. ábráján meghatározott 1 450 mm-es hosszúságú fejgeometriával rendelkező áramszedővel szereljék fel (a 4.2.8.2.9.2. pont szerinti követelmény helyett).
Olaszország különleges esete ("T0")
A meglévő 3 kV-os egyenáramú és 25 kV-os váltakozó áramú nagysebességű rendszereken (valamint a svájci 15 kV-os váltakozó áramú rendszeren) való üzem céljából megengedett, hogy a villamos egységeket az EN 50367: 2020+A1:2022 szabvány B.3. mellékletének B.1. ábráján meghatározott 1 450 mm-es hosszúságú fejgeometriával rendelkező áramszedővel szereljék fel (a 4.2.8.2.9.2. pont szerinti követelmény helyett).
Portugália különleges esete ("T0")
A 25 kV-os 50 Hz-es meglévő rendszeren való üzem céljából megengedett, hogy a villamos egységeket az EN 50367:2020+A1:2022 szabvány B.3. mellékletének B.1. ábráján meghatározott 1 450 mm-es hosszúságú fejgeometriával rendelkező áramszedővel szereljék fel (a 4.2.8.2.9.2. pont szerinti követelmény helyett).
Az 1,5 kV-os meglévő egyenáramú rendszeren való üzem céljára megengedett, hogy a villamos egységeket 2 180 mm-es hosszúságú fejgeometriával rendelkező, az e célra bejelentett nemzeti szabályban ábrázolt áramszedővel szereljék fel (a 4.2.8.2.9.2. pont szerinti követelmény helyett).
Szlovénia különleges esete ("T0")
A 3 kV-os meglévő egyenáramú rendszeren való üzem céljából megengedett, hogy a villamos egységeket az EN 50367:2020+A1:2022 szabvány B.3. mellékletének B.1. ábráján meghatározott 1 450 mm-es hosszúságú fejgeometriával rendelkező áramszedővel szereljék fel (a 4.2.8.2.9.2. pont szerinti követelmény helyett).
Svédország különleges esete ("T0")
A meglévő rendszeren való üzem céljából megengedett, hogy a villamos egységeket az EN 50367:2020+A1:2022 szabvány B.3. mellékletének B.5. ábráján meghatározott 1 800 mm-es hosszúságú fejgeometriával rendelkező áramszedővel szereljék fel (a 4.2.8.2.9.2. pont szerinti követelmény helyett).
7.3.2.15. A csúszóbetét anyaga (4.2.8.2.9.4.2. pont)
Franciaország különleges esete ("P")
A szén csúszóbetét fémtartalma súlyszázalékban kifejezve 60 %-ra emelhető az 1 500 V-os egyenáramú rendszereken történő használatkor.
7.3.2.16. Az áramszedő sarunyomása és dinamikai viselkedése (4.2.8.2.9.6. pont)
Franciaország különleges esete ("T2")
A meglévő hálózattal való műszaki kompatibilitás érdekében az 1,5 kV-os egyenáramú vonalakon történő üzemre szánt villamos egységeket a 4.2.8.2.9.6. pont követelményein túlmenően validálni kell a következő átlagos sarunyomás-tartomány figyelembevételével:
70 N < Fm< 0,00178 * v2 + 110 N, 140 N értékkel álló helyzetben.
A megfelelőségértékelési eljárásnak (szimuláció és/vagy vizsgálat a 6.1.3.7. és a 6.2.3.20. pont szerint) figyelembe kell vennie a következő környezeti feltételeket:
| nyári feltételek | : | környezeti hőmérséklet ≥ 35 °C; a csúszóbetét hőmérséklete > 50 °C a szimulációhoz; |
| téli feltételek | : | környezeti hőmérséklet ≥ 0 °C; a csúszóbetét hőmérséklete 0 °C a szimulációhoz. |
Svédország különleges esete ("T2")
A svédországi meglévő hálózattal való műszaki kompatibilitás érdekében az áramszedő statikus sarunyomásának meg kell felelnie az EN 50367:2020+A1:2022 szabvány B. melléklete B3. táblázata SE. oszlopának (55 N). Az e követelményekkel való kompatibilitást a jármű műszaki dokumentumában kell meghatározni.
A Csatorna-alagút különleges esete ("P")
A meglévő vonalakkal való műszaki kompatibilitás érdekében a kölcsönös átjárhatóságot biztosító rendszerelem szintjén történő ellenőrzés (5.3.10. és 6.1.3.7. pont) igazolja az áramszedő azon képességét, hogy áramot tud felvenni az 5 920 mm és 6 020 mm közötti további munkavezeték-magasság tartományában is.
7.3.2.17. Nincs használatban
7.3.2.18. Nincs használatban
7.3.2.19. Nincs használatban
7.3.2.20. Tűzbiztonság és evakuálás (4.2.10. pont)
Olaszország különleges esete ("T0")
Az alábbiakban részletesen szerepelnek a meglévő olaszországi alagutakban üzemeltetni kívánt egységekre vonatkozó további előírások.
Tűzérzékelő rendszerek (4.2.10.3.2. és 6.2.3.23. pont)
A 6.2.3.23. pontban meghatározott területeken kívül tűzérzékelő rendszereket kell telepíteni az utasok és a vonat személyzete által használt valamennyi területre.
Személyszállító vasúti járműveken használandó tűzgátló és tűzoltó rendszerek (4.2.10.3.4. pont)
A 4.2.10.3.4. pont követelményein kívül az A. és B. kategóriájú személyszállító vasúti járműveket fel kell szerelni aktív tűzgátló és tűzoltó rendszerekkel is.
A tűzgátló és tűzoltó rendszereket az automatikus tűzoltó rendszerekre vonatkozóan bejelentett nemzeti szabályok szerint kell értékelni.
A 4.2.10.3.4. pont követelményein kívül az A. és B. kategóriájú személyszállító vasúti járművek valamennyi műszaki területét is fel kell szerelni automatikus tűzgátló és tűzoltó rendszerekkel.
Tehervonati mozdonyok és önjáró teherszállító egységek: tűzvédelmi intézkedések (4.2.10.3.5. pont) és működőképesség (4.2.10.4.4. pont)
A 4.2.10.3.5. pont követelményein kívül a tehervonati mozdonyok és az önjáró teherszállító egységek valamennyi műszaki területét is fel kell szerelni automatikus tűzgátló és tűzoltó rendszerekkel.
A 4.2.10.4.4. pont követelményein kívül a tehervonati mozdonyok és az önjáró teherszállító egységek működőképességének meg kell egyeznie a B. kategóriájú személyszállító vasúti járművek működőképességével.
Felülvizsgálatra vonatkozó rendelkezés:
Legkésőbb 2025. július 31-ig a tagállam jelentést nyújt be a Bizottságnak a fenti kiegészítő előírások lehetséges alternatíváiról annak érdekében, hogy megszüntesse vagy jelentősen csökkentse azokat a korlátokat, amelyek az alagutaknak az ÁME-kkal való meg nem felelése miatt a járművekre vonatkoznak.
7.3.2.21. Működőképesség (4.2.10.4.4. pont), valamint tűzgátló és tűzoltó rendszerek (4.2.10.3.4.)
A Csatorna-alagút különleges esete ("P")
A Csatorna-alagútban üzemeltetni kívánt személyszállító járműveknek az alagút hosszát figyelembe véve a B. kategóriába kell tartozniuk.
A biztonságos területtel rendelkező tűzoltási pontok hiánya miatt (lásd a vasúti alagutak biztonságára vonatkozó ÁME 4.2.1.7. pontját) ezen ÁME alábbi pontjai a következőképpen módosulnak:
4.2.10.4.4. (3) pont:
A Csatorna-alagútban üzemeltetni kívánt személyszállító vasúti járművek működőképességét a J-1. függelék 33. hivatkozásában említett előírás alkalmazásával kell igazolni, amelyben a 2. típusú tűzzel érintett rendszerfunkció a fékezés és a vontatás; ezeket a funkciókat a következő körülmények között kell értékelni:
- 30 perces időtartamon át legalább 100 km/h sebességnél, vagy
- 15 perces időtartamon át legalább 80 km/h sebességnél (a 4.2.10.4.4. pont szerint) a Csatorna-alagút biztonsági hatósága által e célra bejelentett nemzeti szabályban meghatározott feltétellel.
4.2.10.3.4. (3) és 4.2.10.3.4. (4) pont:
Amennyiben a működőképességet a fenti pont szerinti 30 perces időtartamra határozzák meg, a vezetőfülke és a mögötte lévő fülke közötti tűzvédelmi gátnak (feltételezve, hogy a tűz a hátsó fülkében keletkezik) legalább 30 percig (15 perc helyett) meg kell felelnie a szerkezeti követelményeknek.
Amennyiben a működőképességet a fenti pont szerinti 30 perces időtartamra határozzák meg, valamint olyan személyszállító kocsi esetében, amelynek végein nincs kijárat (utasok által használt vészkijárat), a hőnek és a tűzből származó anyagoknak a vonat többi részére történő átterjedését megakadályozó intézkedéseket (teljes keresztmetszetű válaszfalak vagy más tűzgátló és tűzoltó rendszerek, a belső égésű motor/elektromos tápvezeték/hajtómű és az utasok/személyzet által használt területek közötti tűzvédelmi gátak) úgy kell megtervezni, hogy legalább 30 percig (15 perc helyett) védelmet nyújtsanak a tűz ellen.
7.3.2.22. Az illemhelyürítő rendszer kapcsolódási pontja (4.2.11.3. pont)
Finnország különleges esete ("P")
A 4.2.11.3. pontban meghatározottak helyett vagy mellett megengedett az illemhelyürítő és az egészségügyi hulladéktartály öblítésére szolgáló rendszerben a finn hálózat pálya menti építményeivel az AI1. ábra szerint kompatibilis csatlakozások elhelyezése.
AI1. ábra
Illemhelytartály ürítőcsatlakozója

SFS 4428 gyorscsatlakozó, A csatlakozóméret, DN80-as méret
Anyag: saválló rozsdamentes acél
Tömítés az ellencsatlakozó oldalán
Külön meghatározás az SFS 4428 szabványban
7.3.2.23. Vízfeltöltő csatlakozás (4.2.11.5. pont)
Finnország különleges esete ("P")
A 4.2.11.5. pontban meghatározottak helyett vagy mellett megengedett a finn hálózat pálya menti építményeivel az AII1. ábra szerint kompatibilis vízfeltöltő csatlakozások elhelyezése.
AII1. ábra:
Vízfeltöltő illesztő csatlakozások

Típus: C csatlakozó NCU1 tűzoltáshoz
Anyag: sárgaréz vagy alumínium
Külön meghatározás az SFS 3802 szabványban (a tömítést az egyes csatlakozógyártók határozzák meg).
Írország és az Egyesült Királyság különleges esete Észak-Írország tekintetében ("P")
Az ÁME 4.2.11.5. pontjában meghatározottak helyett vagy mellett megengedett fúvókás típusú vízfeltöltő csatlakozás felszerelése. A fúvókás típusú vízfeltöltő csatlakozásnak meg kell felelnie az e célra bejelentett nemzeti műszaki szabályok követelményeinek.
7.3.2.24. A vonatok tárolására vonatkozó külön követelmények (4.2.11.6. pont)
Írország és az Egyesült Királyság különleges esete Észak-Írország tekintetében ("P")
Az álló vonatok pálya menti áramellátásának meg kell felelnie az e célra bejelentett nemzeti műszaki szabályok követelményeinek.
7.3.2.25. Üzemanyagtöltő berendezés (4.2.11.7. pont)
Finnország különleges esete ("P")
A finn hálózaton való üzemanyagtöltéshez a dízel üzemanyagtöltő csatlakozással ellátott egységek üzemanyagtartályát fel kell szerelni az SFS 5684 és SFS 5685 szabvány szerinti túlfolyás-szabályozóval.
Írország és az Egyesült Királyság különleges esete Észak-Írország tekintetében ("P")
Az üzemanyagtöltő berendezés kapcsolódási pontjának meg kell felelnie az e célra bejelentett nemzeti műszaki szabályok követelményeinek.
7.3.2.26. Harmadik országból érkező járművek (általános előírások)
Finnország különleges esete ("P")
A Finnország és harmadik országok között az 1 520 mm-es hálózaton zajló forgalomban a finn 1 524 mm-es hálózaton használatos, harmadik országbeli vasúti járművek tekintetében megengedett az ezen ÁME-ban rögzített követelmények helyett nemzeti műszaki szabályok alkalmazása.
7.3.2.27. Nincs használatban
7.4. Különleges környezeti feltételek
Ausztriára vonatkozó különleges feltételek
Téli időjárási körülmények között Ausztriába a következő feltételek teljesítésével lehet korlátozásmentesen belépni:
- biztosítani kell, hogy a 4.2.6.1.2. pontban szélsőséges havazás, jegesedés vagy jégeső esetén meghatározottak szerint a terelőlap nagyobb teljesítményre legyen képes a hó eltávolítása érdekében,
- a mozdonyokat és vonófejeket homokszóró eszközökkel kell felszerelni.
Bulgáriára vonatkozó különleges feltételek
Téli időjárási körülmények között Bulgáriába a következő feltételek teljesítésével lehet korlátozásmentesen belépni:
- a mozdonyokat és vasúti motorkocsikat homokszóró eszközökkel kell felszerelni.
Horvátországra vonatkozó különleges feltételek
Téli időjárási körülmények között Horvátországba a következő feltételek teljesítésével lehet korlátozásmentesen belépni:
- a vontatójárműveket és vezetőfülkével rendelkező járműveket homokszóró eszközökkel kell felszerelni.
Észtországra, Lettországra és Litvániára vonatkozó különleges feltételek
Az észt, lett és litván hálózat vasúti járműveinek téli időjárási körülmények közötti korlátozásmentes használatához igazolni kell, hogy a járművek megfelelnek a következő követelményeknek:
- a 4.2.6.1.1. pontban meghatározott T2-es hőmérsékleti övezetet kell választani,
- a 4.2.6.1.2. pontban meghatározott, havazás, jegesedés és jégeső esetén fennálló szélsőséges viszonyokat kell kiválasztani a "hófúvás" esetének kizárásával.
Finnországra vonatkozó különleges feltételek
A finn hálózat vasúti járműveinek téli időjárási körülmények közötti korlátozásmentes használatához igazolni kell, hogy a járművek megfelelnek a következő követelményeknek:
- a 4.2.6.1.1. pontban meghatározott T2-es hőmérsékleti övezetet kell választani,
- a 4.2.6.1.2. pontban meghatározott, havazás, jegesedés és jégeső esetén fennálló szélsőséges viszonyokat kell kiválasztani a "hófúvás" esetének kizárásával.
- a fékrendszert illetően, téli időjárási körülmények között Finnországba a következő feltételek teljesítésével lehet korlátozásmentesen belépni:
- a 140 km/h-t meghaladó névleges sebességű vonatszerelvény vagy személykocsi forgóvázainak legalább felét mágneses sínfékkel szerelték fel,
- a 180 km/h-t meghaladó névleges sebességű vonatszerelvény vagy személykocsi összes forgóvázát mágneses sínfékkel szerelték fel.
Franciaországra vonatkozó különleges feltételek
Téli időjárási körülmények között Franciaországba a következő feltételek teljesítésével lehet korlátozásmentesen belépni:
- a mozdonyokat és vonófejeket homokszóró eszközökkel kell felszerelni.
Németországra vonatkozó különleges feltételek
Téli időjárási körülmények között Németországba a következő feltételek teljesítésével lehet korlátozásmentesen belépni:
- a mozdonyokat és vonófejeket homokszóró eszközökkel kell felszerelni.
Görögországra vonatkozó különleges feltételek
Nyári időjárási körülmények között a görög hálózat korlátozásmentes használatához a 4.2.6.1.1. pontban meghatározott T3-as hőmérsékleti övezetet kell választani.
Téli időjárási körülmények között Görögországba a következő feltételek teljesítésével lehet korlátozásmentesen belépni:
- a vontatójárműveket homokszóró eszközökkel kell felszerelni.
Portugáliára vonatkozó különleges feltételek
A portugál hálózat korlátozásmentes használatához:
a) nyári időjárási körülmények között a 4.2.6.1.1. pontban meghatározott T3-as hőmérsékleti övezetet kell választani,
b) téli időjárási körülmények között a mozdonyokat homokszóró eszközökkel kell felszerelni.
Spanyolországra vonatkozó különleges feltételek
Nyári időjárási körülmények között a spanyol hálózat korlátozásmentes használatához a 4.2.6.1.1. pontban meghatározott T3-as hőmérsékleti övezetet kell választani.
Svédországra vonatkozó különleges feltételek
A svéd hálózat vasúti járműveinek téli időjárási körülmények közötti korlátozásmentes használatához igazolni kell, hogy a járművek megfelelnek a következő követelményeknek:
- a 4.2.6.1.1. pontban meghatározott T2-es hőmérsékleti övezetet kell választani,
- a 4.2.6.1.2. pontban meghatározott, havazás, jegesedés és jégeső esetén fennálló szélsőséges viszonyokat kell választani.
7.5. A felülvizsgálatkor vagy az ügynökség más tevékenységei során figyelembe veendő szempontok
Az ezen ÁME készítése során végzett elemzés nyomán az EU vasúti rendszerének jövőbeni fejlesztése szempontjából fontos, sajátos szempontokat határoztak meg.
Ezek a szempontok 3 csoportba sorolhatóak:
1. amelyekre az ÁME felülvizsgálatakor a megfelelő előírások esetleges fejlesztésének lehetőségével már ebben az ÁME-ban alapvető paraméter vonatkozik;
2. amelyeket a jelenlegi technikai feltételek mellett nem tekintenek alapvető paraméternek, de amelyek kutatási projektek tárgyát képezik;
3. amelyek az EU vasúti rendszeréhez kapcsolódó, folyamatban lévő vizsgálatok szempontjából lényegesek, és nem tartoznak ÁME-k alkalmazási körébe.
Az ÁME 4.2. pontjának tagolása szerint felépülő szempontok meghatározására az alábbiakban kerül sor.
7.5.1. Ezen ÁME alapvető paramétereihez kapcsolódó szempontok
7.5.1.1. Tengelyterhelési paraméter (4.2.3.2.1. pont)
Ez az alapvető paraméter az infrastruktúra és a vasúti járművek között a függőleges terhelés tekintetében meglévő kapcsolódási pontra vonatkozik.
További fejlesztésekre van szükség az útvonallal való összeegyeztethetőség ellenőrzéséhez a járművek statikus és dinamikus kompatibilitása tekintetében.
Ami a dinamikus kompatibilitást illeti, a járművekre vonatkozóan még nem áll rendelkezésre harmonizált osztályozási módszer, ideértve a nagysebességű terhelési modell (HSLM) kompatibilitására vonatkozó követelményeket is:
- a mozdonyokra és személyszállító járművekre vonatkozó ÁME követelményeit tovább kell fejleszteni a CEN keretében elért eredmények alapján, az EN1991-2 szabvány E. mellékletének a dinamikus kompatibilitásra vonatkozó követelményekkel való megerősítésével, ideértve a HSLM-kompatibilis szerkezetekkel való kompatibilitást is,
- a járműkonstrukciónak a nagysebességű terhelési modellel (HSLM) való megfelelőségére vonatkozóan új alapvető tervezési jellemzőket kell létrehozni,
- a vasúti infrastruktúra-nyilvántartás (RINF) és az engedélyezett járműtípusok európai nyilvántartása (ERATV) alapján az üzemeltetésre vonatkozó ÁME D.1. függelékében ennek megfelelően harmonizált útvonal-összeegyeztethetőségi ellenőrzési eljárást kell figyelembe venni,
- a vasúti infrastruktúra-nyilvántartás (RINF) 1.1.1.1.2.4.4. paraméterénél előírt dokumentumokat az automatikus útvonal-összeegyeztethetőségi ellenőrzések megkönnyítése érdekében a lehető legnagyobb mértékben harmonizálni kell.
7.5.1.2. Nincs használatban
7.5.1.3. Zúzottkő-ágyazatú vágányokat érő aerodinamikai hatás (4.2.6.2.5. pont)
A zúzottkő-ágyazatú vágányokat érő aerodinamikai hatásokra vonatkozó követelményeket a 250 km/h-t meghaladó legnagyobb tervezési sebességű egységekre határozták meg.
Mivel a technika jelenlegi állása nem teszi lehetővé harmonizált követelmény vagy értékelési módszer előírását, az ÁME lehetővé teszi a nemzeti szabályok alkalmazását.
Ezt felül kell majd vizsgálni annak érdekében, hogy figyelembe lehessen venni a következőket:
- az ágyazatfelkapási események és azok biztonságra gyakorolt hatásának (ha van) vizsgálata;
- az EU-ban alkalmazandó harmonizált, költséghatékony módszertan kidolgozása.
7.5.2. Az ÁME alapvető paramétereihez nem kapcsolódó, de kutatási projektek tárgyát képező szempontok
7.5.2.1. Nincs használatban
7.5.2.2. Az adott felhasználási területre nem korlátozódó típusengedély és/vagy forgalombahozatali engedély beszerzésére vonatkozó feltételekkel kapcsolatos további tevékenységek
A mozdonyok és személykocsik szabad mozgásának megkönnyítése érdekében a 7.1.1.5. pontban kidolgozásra kerültek az adott hálózatra nem korlátozódó forgalombahozatali engedéllyel kapcsolatos feltételek.
Ezeket a rendelkezéseket ki kell egészíteni az interferenciaáramok és mágneses mezők egységszintű harmonizált határértékeivel, akár a befolyásoló egységre meghatározott érték százalékában, akár abszolút határértékként. A harmonizált határértékek az ellenőrző-irányító és jelző alrendszerre vonatkozó ÁME 13. cikkében és a várhatóan 2024-ben közzéteendő EN 50728 szabványban említett különleges esetek vagy műszaki dokumentumok alapján kerülnek meghatározásra.
A 7.1.1.5.2. pontban pontosítani kell az általános üzemre szánt kocsik kapcsolódási pontjainak műszaki leírását, amely megkönnyíti az említett (új és meglévő) kocsik helyettesíthetőségét.
7.5.2.3. A járművek kerékpár-szállításra szolgáló helyekkel való felszerelése - Az utasok jogairól szóló rendelet hatása
Az (EU) 2021/782 európai parlamenti és tanácsi rendelet ( 27 ) 6. cikkének (4) bekezdése meghatározza a járművek kerékpárhelyekkel való felszerelésére vonatkozó követelményeket.
Kerékpárhelyeket a következő esetekben kell biztosítani:
- az utastér elrendezését és berendezését érintő jelentős átalakításkor, és
- amennyiben a meglévő járművek fent említett korszerűsítése új forgalombahozatali járműengedélyt tesz szükségessé.
A 7.1.2.2. (1) pontban meghatározott elv szerint az utastér elrendezésén és berendezésén kívüli egyéb részeket és alapvető paramétereket érintő jelentősebb korszerűsítések nem vonhatják maguk után a jármű kerékpárhelyekkel való felszerelését.
FÜGGELÉKEK
A. függelék: Nincs használatban
B. függelék: 1 520 mm-es nyomtávú rendszer ("T")
C. függelék: Vasúti munkagépekre vonatkozó különleges rendelkezések
D. függelék: Nincs használatban
E. függelék: A mozdonyvezető testméretei
F. függelék: Kilátás előre
G. függelék: Szervizelés
H. függelék: A jármű-alrendszer értékelése
I. függelék: Műszaki előírással nem szabályozott szempontok (nyitott kérdések)
J. függelék: Az ebben az ÁME-ban említett műszaki előírások
J-1. függelék: Szabványok és normatív dokumentumok
J-2. függelék: Műszaki dokumentumok
K. függelék: A mágneses sínfék új záróelemeinek ellenőrzési eljárása
L. függelék: A követelményeket és az átmeneti rendszereket érintő módosítások
A. Függelék
Szándékosan törölve
B. Függelék
1 520 mm-es nyomtávú rendszer ("T")
A vasúti járművek felső részének 1 520 mm-es nyomtávú ("T") referenciaprofilja

Az alsóbb részek referenciaprofilja

Megjegyzés: Az 1 520 mm-es vágányon történő használatra szánt vasúti járművek esetében a sínfékekkel felszerelt gurítódombokon történő áthaladás kivételével.
Az alsóbb részek referenciaprofilja

Megjegyzés: Az 1 520 mm-es vágányon történő használatra, a sínfékeken és a gurítódombokon történő áthaladásra szánt vasúti járművek esetében.
C. FÜGGELÉK - Vasúti munkagépekre vonatkozó különleges rendelkezések
C. 1. A jármű szerkezetének szilárdsága
A 4.2.2.4. pontban előírt követelmények a következőkkel egészülnek ki:
A gép vázának ellen kell állnia a J-1. függelék 1. hivatkozásában említett előírásban vagy a J-1. függelék 51. hivatkozásában említett előírásban meghatározott statikus erőknek az előírásokban megadott megengedett értékek túllépése nélkül.
A J-1. függelék 51. hivatkozásában említett előírás megfelelő strukturális kategóriája a következő:
- az olyan gépek esetében, amelyeknek szalasztásos vagy gurítódombos tolatása nem megengedett: F-II;
- az összes többi gép esetében: F-I.
A J-1. függelék 1. hivatkozásának 13. táblázatában vagy a J-1. függelék 51. hivatkozásának 10. táblázatában említett előírás szerint az x irányban történő gyorsulás ± 3 g.
C. 2. Emelés és felbakolás
A gép felépítményén emelési pontok találhatók, amelyeknél fogva az egész gép biztonságosan emelhető. Meg kell határozni az emelési pontok helyét.
A javítás vagy karbantartás, illetve a vágányra helyezés során végzett munka elősegítése érdekében a gépeket mindkét hosszanti oldalukon legalább két emelési ponttal kell ellátni, amelyeknél fogva a gép üres vagy terhelt állapotban felemelhető.
Az emelőeszközök pozicionálásának lehetővé tétele érdekében az emelési pontok alatt szabad helyet kell hagyni, amelyet a jármű el nem távolítható alkatrészei nem takarhatnak ki. A terhelési körülményeknek meg kell felelniük a C.1. függelékben választott állapotoknak, és azoknak a szerelőműhelyi és szervizelési körülmények közötti emelésre is alkalmazandónak kell lenniük.
C. 3. Menetdinamikai viselkedés
A menetjellemzők meghatározhatók üzemi tesztekkel, vagy az ezen ÁME 4.2.3.4.2. pontjában ismertetett hasonló, jóváhagyott típusú gépre történő hivatkozással, illetve szimulációval. A menetviselkedés igazolható a J-1. függelék 9. hivatkozásában említett előírásban leírt tesztek szimulálásával (az alább meghatározott kivétellel), amennyiben rendelkezésre áll a reprezentatív vágány és a gép üzemi feltételei tekintetében validált modell.
A következő további eltérések alkalmazandók:
i. Az ilyen típusú gépekre előírt egyszerűsített módszert mindig el kell fogadni.
ii. Ha a szükséges tesztsebesség elérésére maga a gép nem képes, a gépet a vizsgálatokhoz vontatni kell.
A menetjellemzők szimulációjához a gépmodellt a modell eredményeinek az ugyanolyan vágányjellemzőkkel végzett üzemi vizsgálatok eredményeivel való összehasonlítása útján kell validálni.
A validált modell a felfüggesztést megfelelően terhelő tényleges üzemi teszttel ellenőrzött szimulációs modell, amely esetében szoros összefüggés van az üzemi teszt eredményei, valamint az ugyanazon tesztvágányra vonatkozó szimulációs modellből eredő előrejelzések között.
C. 4. Gyorsulás legnagyobb sebességen
Speciális járművek esetében a 4.2.8.1.2. (5) pont szerinti maradék gyorsulásra vonatkozó követelmény nem alkalmazandó.
D. FÜGGELÉK
Nincs használatban
E. FÜGGELÉK
A mozdonyvezető testméretei
Az alábbi adatok a legkorszerűbb ismereteken alapulnak, és ezeket kell használni.
- A legalacsonyabb és a legmagasabb vonatvezetők alapvető testméretei:
A J-1. függelék 62. hivatkozásában említett előírásban megadott méreteket kell figyelembe venni.
F. FÜGGELÉK
Kilátás előre
F.1. Általános előírások
A vezetőfülkét úgy kell kialakítani, hogy segítse a mozdonyvezetőt a vezetési feladatok részét képező összes külső információ észlelésében, és hogy védje a külső zavaró vizuális forrásoktól. Ez a következőket foglalja magában:
- mérsékelni kell a szélvédő alsó szélének csillogását, amely a mozdonyvezető fáradását okozhatja,
- védelmet kell biztosítani a mozdonyvezető számára a nap fényének és a szembejövő vonatok fényszórójának vakítása ellen anélkül, hogy ez a külső jelek, jelzések és más vizuális információk észlelésének rovására menne,
- a vezetőfülke berendezéseit úgy kell elhelyezni, hogy azok ne takarhassák el a külső információkat a mozdonyvezető elől, illetve ne torzíthassák el őket,
- az ablakok mérete, elhelyezkedése, alakja és felülete (a karbantartást is beleértve) nem akadályozhatja a mozdonyvezetőt a kilátásban; ezeket úgy kell kialakítani, hogy támogassák a mozdonyvezetői feladat végzését,
- a szélvédőmosó és -tisztító eszközök helyzetükből, típusukból és minőségükből adódóan biztosítják a megfelelő kilátást a legtöbb időjárási és üzemi feltétel esetén; ezeket úgy kell kialakítani, hogy ne akadályozzák a mozdonyvezető szabad kilátását.
- A vezetőfülkét úgy kell kialakítani, hogy a mozdonyvezető vezetés közben a menetiránynak megfelelően helyezkedjen el.
- A vezetőfülkét úgy kell kialakítani, hogy a vezető álló és/vagy ülő helyzetből tisztán és akadálymentesen láthasson ki az egyenes vágány és a pálya mindkét oldalán elhelyezett rögzített jelzéseknek a J-1. függelék 62. hivatkozásában említett előírásban meghatározottak szerint történő észleléséhez.
A fenti függelékben ismertetett szabályok egyenes vágányon és legalább 300 m sugarú íven minden irányba történő kilátási feltételekre vonatkoznak. Ezek a mozdonyvezető helyzetére alkalmazandók.
Megjegyzések:
A két vezetőüléssel felszerelt vezetőfülkék (két vezetőállással ellátott változat) esetében ezek az előírások két ülőhelyzetre vonatkoznak.
A középső vezetőfülkével rendelkező mozdonyok és speciális járművek esetében az ÁME 4.2.9.1.3.1. pontja határozza meg a különleges feltételeket.
F.2. A jármű vágányhoz viszonyított referenciahelyzete:
A J-1. függelék 62. hivatkozásában említett előírás alkalmazandó.
A tartozékokat és hasznos terhet a J-1. függelék 6. hivatkozásában említett előírásban és a 4.2.2.10. pontban meghatározottak szerint kell figyelembe venni.
F.3. Referenciahelyzet a kísérőszemélyzet kilátásához
A J-1. függelék 62. hivatkozásában említett előírás alkalmazandó.
Ülő helyzetben a mozdonyvezető szeme és a szélvédő közötti távolságnak legalább 500 mm-nek kell lennie.
F.4. Kilátási feltételek
A J-1. függelék 62. hivatkozásában említett előírás alkalmazandó.
G. Függelék
Szervizelés
A vasúti jármű illemhelyürítő rendszerének csatlakozásai
G1 ábra
3 hüvelykes ürítőszelep (belső rész)

Általános tűrés: +/- 0,1
Anyaga: rozsdamentes acél
G2. Ábra
1 hüvelykes opcionális öblítőcsatlakozás az illemhely tartályához (belső rész)

Általános tűrés: +/- 0,1
Anyaga: rozsdamentes acél
H. Függelék
A vasúti jármű alrendszer értékelése
H.1. Alkalmazási kör
Ez a függelék a vasúti jármű alrendszer megfelelőségének értékelését ismerteti.
H.2. Jellemzők és modulok
A tervezés, a fejlesztés és a gyártás különböző szakaszaiban vizsgálandó alrendszer-jellemzők a H.1. táblázatban X-szel vannak jelölve. A H1. táblázat 4. oszlopában szereplő X jelzés azt mutatja, hogy a vonatkozó jellemzőket az alrendszerek egyenkénti vizsgálatával kell hitelesíteni.
H.1. táblázat
A vasútijármű-alrendszer értékelése
| 1 | 2 | 3 | 4 | 5 | |
| Értékelendő jellemzők az ÁME 4.2. pontjában meghatározottak szerint | Tervezési és fejlesztési szakasz | Gyártási szakasz | Vonatkozó értékelési eljárás | ||
| Terv felülvizsgálata | Típusvizsgálat | Rutin-vizsgálat | |||
| A vasútijármű-alrendszer elemei | Pont | Pont | |||
| Szerkezet és mechanikus részek | 4.2.2. | ||||
| Belső kapcsolókészülék | 4.2.2.2.2. | X | n.a. | n.a. | — |
| A vonat végén lévő kapcsolókészülék | 4.2.2.2.3. | X | n.a. | n.a. | — |
| Kölcsönös átjárhatóságot lehetővé tevő rendszerelemhez tartozó automatikus középső ütközős kapcsolókészülék | 5.3.1. | X | X | X | — |
| Kölcsönös átjárhatóságot lehetővé tevő rendszerelemhez tartozó kézi kapcsolókészülék a vonat végén | 5.3.2. | X | X | X | — |
| Mentésre szolgáló kapcsolókészülék | 4.2.2.2.4. | X | X | n.a. | — |
| Kölcsönös átjárhatóságot lehetővé tevő rendszerelemhez tartozó, mentésre szolgáló kapcsolókészülék | 5.3.3. | X | X | X | |
| A személyzet hozzáférése össze- és szétkapcsolást biztosító berendezésekhez | 4.2.2.2.5. | X | X | n.a. | — |
| Közlekedők | 4.2.2.3. | X | X | n.a. | — |
| A jármű szerkezetének szilárdsága | 4.2.2.4. | X | X | n.a. | — |
| Passzív biztonság | 4.2.2.5. | X | X | n.a. | — |
| Emelés | 4.2.2.6. | X | X | n.a. | — |
| Berendezések rögzítése a kocsiszekrényhez | 4.2.2.7. | X | n.a. | n.a. | — |
| Peronajtók a személyzet és a rakomány számára | 4.2.2.8. | X | X | n.a. | — |
| Üvegek mechanikai jellemzői | 4.2.2.9. | X | n.a. | n.a. | — |
| Terhelési körülmények és mérlegelt tömeg | 4.2.2.10. | X | X | X | 6.2.3.1. |
| A jármű–vágány kölcsönhatás és a méretezés | 4.2.3. | ||||
| Méretezés | 4.2.3.1. | X | n.a. | n.a. | — |
| Kerékterhelés | 4.2.3.2.2. | X | X | n.a. | 6.2.3.2. |
| A vasúti járművek jellemzői a vonatérzékelő rendszerekkel való kompatibilitás tekintetében | 4.2.3.3.1. | X | X | X | — |
| A tengelycsapágy állapotának figyelemmel kísérése | 4.2.3.3.2. | X | X | n.a. | — |
| Kisiklással szembeni biztonság vágánykivetődésen való áthaladáskor | 4.2.3.4.1. | X | X | n.a. | 6.2.3.3. |
| Menetdinamikai viselkedésre vonatkozó követelmények | 4.2.3.4.2. a) | X | X | n.a. | 6.2.3.4. |
| Aktív rendszerek – biztonsági követelmények | 4.2.3.4.2. b) | X | n.a. | n.a. | 6.2.3.5. |
| Futásbiztonsági határértékek | 4.2.3.4.2.1. | X | X | n.a. | 6.2.3.4. |
| Vágányterhelési határértékek | 4.2.3.4.2.2. | X | X | n.a. | 6.2.3.4. |
| Egyenértékű kúposság | 4.2.3.4.3. | X | n.a. | n.a. | — |
| Új kerékprofilok tervezési értékei | 4.2.3.4.3.1. | X | n.a. | n.a. | 6.2.3.6. |
| A kerékpár egyenértékű kúposságának üzemi értékei | 4.2.3.4.3.2. | X | — | ||
| A forgóvázkeret szerkezeti kialakítása | 4.2.3.5.1. | X | X | n.a. | — |
| A kerékpárok mechanikai és geometriai jellemzői | 4.2.3.5.2.1. | X | X | X | 6.2.3.7. |
| A kerekek mechanikai és geometriai jellemzői | 4.2.3.5.2.2. | X | X | X | — |
| Kerekek (kölcsönös átjárhatóságot lehetővé tevő rendszerelem) | 5.3.2. | X | X | X | 6.1.3.1. |
| Automatikusan változtatható nyomtávú rendszerek | 4.2.3.5.3. | X | X | X | 6.2.3.7a. |
| Automatikusan változtatható nyomtávú rendszerek (kölcsönös átjárhatóságot lehetővé tevő rendszerelem) | 5.3.4a. | X | X | X | 6.1.3.1a. |
| Legkisebb ívsugár | 4.2.3.6. | X | n.a. | n.a. | — |
| Pályakotró | 4.2.3.7. | X | n.a. | n.a. | — |
| Fékezés | 4.2.4. | ||||
| Funkcionális követelmények | 4.2.4.2.1. | X | X | n.a. | — |
| Biztonsági követelmények | 4.2.4.2.2. | X | n.a. | n.a. | 6.2.3.5. |
| A fékrendszer típusa | 4.2.4.3. | X | X | n.a. | — |
| Fékvezérlés | 4.2.4.4. | ||||
| Vészfékezés | 4.2.4.4.1. | X | X | X | — |
| Üzemi fékezés | 4.2.4.4.2. | X | X | X | — |
| Direkt fék vezérlése | 4.2.4.4.3. | X | X | X | — |
| Dinamikus fékezés vezérlése | 4.2.4.4.4. | X | X | n.a. | — |
| Rögzítőfék vezérlése | 4.2.4.4.5. | X | X | X | — |
| Fékhatásosság | 4.2.4.5. | ||||
| Általános követelmények | 4.2.4.5.1. | X | n.a. | n.a. | — |
| Vészfékezés | 4.2.4.5.2. | X | X | X | 6.2.3.8. |
| Üzemi fékezés | 4.2.4.5.3. | X | X | X | 6.2.3.9. |
| Hőtechnikai számítások | 4.2.4.5.4. | X | n.a. | n.a. | — |
| Rögzítőfék | 4.2.4.5.5. | X | n.a. | n.a. | — |
| Kerék és sín közötti tapadási határ | 4.2.4.6.1. | X | n.a. | n.a. | — |
| Csúszásgátló rendszer | 4.2.4.6.2. | X | X | n.a. | 6.2.3.10. |
| Csúszásgátló rendszer (kölcsönös átjárhatóságot lehetővé tevő rendszerelem) | 5.3.5. | X | X | X | 6.1.3.2. |
| Kapcsolódási pont a vontatással – hajtásrendszerhez kapcsolódó fékrendszerek (elektromos, hidrodinamikus) | 4.2.4.7. | X | X | X | — |
| A tapadási feltételektől független fékrendszerek | 4.2.4.8. | ||||
| Általános előírások | 4.2.4.8.1. | X | n.a. | n.a. | — |
| Mágneses sínfék | 4.2.4.8.2. | X | X | n.a. | — |
| Örvényáramú fék | 4.2.4.8.3. | X | X | n.a. | — |
| Fékállapot- és fékhibajelzés | 4.2.4.9. | X | X | X | — |
| Mentési célú fékkövetelmények | 4.2.4.10. | X | X | n.a. | — |
| Személyszállítási elemek | 4.2.5. | ||||
| Egészségügyi rendszerek | 4.2.5.1. | X | n.a. | n.a. | 6.2.3.11. |
| Hallható kommunikációs rendszer | 4.2.5.2. | X | X | X | — |
| Utastéri vészjelző | 4.2.5.3. | X | X | X | — |
| Az utastéri vészjelzőre vonatkozó biztonsági követelmények | 4.2.5.3. | X | n.a. | n.a. | 6.2.3.5. |
| Utasok által használható kommunikációs eszközök | 4.2.5.4. | X | X | X | — |
| Külső ajtók: a vasúti jármű be- és kijáratai | 4.2.5.5. | X | X | X | — |
| Külső ajtókra vonatkozó biztonsági követelmények | 4.2.5.5. | X | n.a. | n.a. | 6.2.3.5. |
| Külsőajtó-rendszer kialakítása | 4.2.5.6. | X | n.a. | n.a. | — |
| Egységeket összekötő ajtók | 4.2.5.7. | X | X | n.a. | — |
| A belső levegő minősége | 4.2.5.8. | X | n.a. | n.a. | 6.2.3.12. |
| A vasúti jármű oldalablakai | 4.2.5.9. | X | — | ||
| Környezeti feltételek és aerodinamikai hatások | 4.2.6. | ||||
| Környezeti feltételek | 4.2.6.1. | ||||
| Hőmérséklet | 4.2.6.1.1. | X | n.a. X (1) | n.a. | — |
| Hó, jég és jégeső | 4.2.6.1.2. | X | n.a. X (1) | n.a. | — |
| (1) Típusvizsgálat a kérelmező meghatározása szerint. | |||||
| Aerodinamikai hatások | 4.2.6.2. | ||||
| Az elhaladó vonatok miatt a peronon tartózkodó utasokat és a vágány mentén dolgozókat érő légörvényhatás | 4.2.6.2.1. | X | X | n.a. | 6.2.3.13. |
| Légnyomásimpulzus | 4.2.6.2.2. | X | X | n.a. | 6.2.3.14. |
| Maximális nyomásingadozás alagutakban | 4.2.6.2.3. | X | X | n.a. | 6.2.3.15. |
| Oldalszél | 4.2.6.2.4. | X | n.a. | n.a. | 6.2.3.16. |
| Külső világítás, valamint fény- és hangjelző eszközök | 4.2.7. | ||||
| Külső elülső és hátsó lámpák | 4.2.7.1. | ||||
| Fényszórók kölcsönös átjárhatóságot lehetővé tevő rendszerelem | 4.2.7.1.1. 5.3.6. | X | X | n.a. | – 6.1.3.3. |
| Helyzetjelző lámpák kölcsönös átjárhatóságot lehetővé tevő rendszerelem | 4.2.7.1.2. 5.3.7. | X | X | n.a. | – 6.1. 3.4. |
| Zárjelző lámpák kölcsönös átjárhatóságot lehetővé tevő rendszerelem | 4.2.7.1.3. 5.3.8. | X | X | n.a. | – 6.1.3.5. |
| A lámpák vezérlőszervei | 4.2.7.1.4. | X | X | n.a. | — |
| Kürt | 4.2.7.2. | ||||
| Általános – jelzőhang kölcsönös átjárhatóságot lehetővé tevő rendszerelem | 4.2.7.2.1. 5.3.9. | X | X | n.a. | – 6.1.3.6. |
| A jelzőkürt hangnyomásszintjei | 4.2.7.2.2. 5.3.9. | X | X | n.a. | 6.2.3.17. 6.1.3.6. |
| Védelem | 4.2.7.2.3. | X | n.a. | n.a. | — |
| Ellenőrzés | 4.2.7.2.4. | X | X | n.a. | — |
| Vontatási és elektromos berendezések | 4.2.8. | ||||
| Vontatási teljesítmény | 4.2.8.1. | ||||
| Általános előírások | 4.2.8.1.1. | ||||
| Teljesítménykövetelmények | 4.2.8.1.2. | X | n.a. | n.a. | — |
| Energiaellátás | 4.2.8.2. | ||||
| Általános előírások | 4.2.8.2.1. | X | n.a. | n.a. | — |
| Feszültség- és frekvenciatartományon belüli üzem | 4.2.8.2.2. | X | X | n.a. | — |
| A munkavezetékbe energia visszatáplálására alkalmas visszatápláló fék | 4.2.8.2.3. | X | X | n.a. | — |
| A munkavezetékről felvehető legnagyobb teljesítmény és áramerősség | 4.2.8.2.4. | X | X | n.a. | 6.2.3.18. |
| Legnagyobb áramfelvétel álló helyzetben | 4.2.8.2.5. | X | X (csak egyenáramú rendszerek esetében) | n.a. | — |
| Teljesítménytényező | 4.2.8.2.6. | X | X | n.a. | 6.2.3.19. |
| Felharmonikus és dinamikus hatások váltakozó áramú rendszerek esetében | 4.2.8.2.7. | X | X | n.a. | — |
| Energiafogyasztás-mérési funkció | 4.2.8.2.8. | X | X | n.a. | — |
| Az áramszedőre vonatkozó követelmények | 4.2.8.2.9. | X | X | n.a. | 6.2.3.20. és 6.2.3.21. |
| Áramszedő (kölcsönös átjárhatóságot lehetővé tevő rendszerelem) | 5.3.10. | X | X | X | 6.1.3.7. |
| Csúszóbetétek (kölcsönös átjárhatóságot lehetővé tevő rendszerelem) | 5.3.11. | X | X | X | 6.1.3.8. |
| A vonat elektromos védelme A kölcsönös átjárhatóságot lehetővé tevő rendszerelemhez kapcsolódó főmegszakító | 4.2.8.2.10. 5.3.12. | X | X | n.a. | — |
| Elektromos veszélyekkel szembeni védelem | 4.2.8.4. | X | X | n.a. | — |
| Vezetőfülke és üzemeltetés | 4.2.9. | ||||
| Vezetőfülke | 4.2.9.1. | X | n.a. | n.a. | — |
| Általános előírások | 4.2.9.1.1. | X | n.a. | n.a. | — |
| Fel- és leszállás | 4.2.9.1.2. | X | n.a. | n.a. | — |
| Fel- és leszállás üzemi körülmények között | 4.2.9.1.2.1. | X | n.a. | n.a. | — |
| A vezetőfülke vészkijárata | 4.2.9.1.2.2. | X | n.a. | n.a. | — |
| Kilátás | 4.2.9.1.3. | X | n.a. | n.a. | — |
| Kilátás előre | 4.2.9.1.3.1. | X | n.a. | n.a. | — |
| Kilátás hátra és oldalra | 4.2.9.1.3.2. | X | n.a. | n.a. | — |
| Belső elrendezés | 4.2.9.1.4. | X | n.a. | n.a. | — |
| Vezetőülés kölcsönös átjárhatóságot lehetővé tevő rendszerelem | 4.2.9.1.5. 5.3.13. | X X | n.a. X | n.a. X | — |
| A vezetőasztal ergonómiai kialakítása | 4.2.9.1.6. | X | n.a. | n.a. | — |
| Klíma szabályozása és levegőminőség | 4.2.9.1.7. | X | X | n.a. | 6.2.3.12. |
| Belső világítás | 4.2.9.1.8. | X | X | n.a. | — |
| A szélvédő mechanikai jellemzői | 4.2.9.2.1. | X | X | n.a. | 6.2.3.22. |
| A szélvédő optikai jellemzői | 4.2.9.2.2. | X | X | n.a. | 6.2.3.22. |
| A szélvédő berendezései | 4.2.9.2.3. | X | X | n.a. | — |
| Vezető–gép közötti kapcsolódási pont | 4.2.9.3. | ||||
| A mozdonyvezető aktivitását ellenőrző funkció | 4.2.9.3.1. | X | X | X | — |
| Sebesség kijelzése | 4.2.9.3.2. | — | — | — | — |
| A vezetőállás kijelzői és képernyői | 4.2.9.3.3. | X | X | n.a. | — |
| Vezérlőszervek és jelzőműszerek | 4.2.9.3.4. | X | X | n.a. | — |
| Feliratozás | 4.2.9.3.5. | X | n.a. | n.a. | — |
| Személyzet által, távirányítással irányított tolatási műveletek | 4.2.9.3.6. | X | X | n.a. | — |
| Fedélzeti eszközök és hordozható berendezések | 4.2.9.4. | X | n.a. | n.a. | — |
| A személyzet számára rendelkezésre álló tárolóhelyek | 4.2.9.5. | X | n.a. | n.a. | — |
| Adatrögzítő berendezés | 4.2.9.6. | X | X | X | — |
| Tűzbiztonság és evakuálás | 4.2.10. | ||||
| Általános előírások és osztályozás | 4.2.10.1. | X | n.a. | n.a. | — |
| Tűzmegelőzési intézkedések | 4.2.10.2. | X | X | n.a. | — |
| Tűzérzékelés/tűzoltás | 4.2.10.3. | X | X | n.a. | — |
| Vészhelyzettel kapcsolatos követelmények | 4.2.10.4. | X | X | n.a. | — |
| Evakuálással kapcsolatos követelmények | 4.2.10.5. | X | X | n.a. | — |
| Szervizelés | 4.2.11. | ||||
| Vezetőfülke szélvédőjének tisztítása | 4.2.11.2. | X | X | n.a. | — |
| Illemhelyürítő rendszer csatlakozása kölcsönös átjárhatóságot lehetővé tevő rendszerelem | 4.2.11.3. 5.3.14. | X | n.a. | n.a. | — |
| Vízfeltöltő csatlakozás kölcsönös átjárhatóságot lehetővé tevő rendszerelem | 4.2.11.5. 5.3.15. | X | n.a. | n.a. | — |
| A vonatok tárolására vonatkozó külön követelmények | 4.2.11.6. | X | X | n.a. | — |
| Üzemanyagtöltő berendezés | 4.2.11.7. | X | n.a. | n.a. | — |
| A vonatok belső takarításához szükséges energiaellátás | 4.2.11.8. | X | n.a. | n.a. | — |
| Üzemeltetési és karbantartási dokumentáció | 4.2.12. | ||||
| Általános előírások | 4.2.12.1. | X | n.a. | n.a. | — |
| Általános dokumentáció | 4.2.12.2. | X | n.a. | n.a. | — |
| Karbantartási dokumentáció | 4.2.12.3. | X | n.a. | n.a. | — |
| A karbantartás tervezését igazoló dokumentáció | 4.2.12.3.1. | X | n.a. | n.a. | — |
| A karbantartást ismertető dokumentáció | 4.2.12.3.2. | X | n.a. | n.a. | — |
| Üzemi dokumentáció | 4.2.12.4. | X | n.a. | n.a. | — |
| Emelési diagram és utasítások | 4.2.12.4. | X | n.a. | n.a. | — |
| Mentési dokumentáció | 4.2.12.5. | X | n.a. | n.a. | — |
I. Függelék
Műszaki előírással nem szabályozott szempontok
(nyitott kérdések)
A jármű és az adott hálózat között műszaki kompatibilitáshoz kapcsolódó nyitott kérdések:
| A jármű-alrendszer elemei | Ezen ÁME pontja | Az ezen ÁME hatálya alá nem tartozó műszaki szempontok | Megjegyzések |
| Vonatérzékelő rendszerekkel való kompatibilitás | 4.2.3.3.1. | Lásd a J-2. függelék A. hivatkozásában említett előírást | A vasúti ellenőrző-irányító és jelző rendszerre vonatkozó ÁME-ban is szereplő nyitott kérdések |
| Menetdinamikai viselkedés 1 520 mm-es nyomtávú rendszeren | 4.2.3.4.2. 4.2.3.4.3. | Menetdinamikai viselkedés Egyenértékű kúposság | Az ÁME-ban említett normatív dokumentumok az 1 435 mm-es rendszeren szerzett tapasztalatokon alapulnak |
| Egyenértékű kúposság az 1 600 mm-es nyomtávú rendszer esetében | 4.2.3.4.3. | Menetdinamikai viselkedés Egyenértékű kúposság | Az ÁME-ban említett normatív dokumentumok az 1 435 mm-es rendszeren szerzett tapasztalatokon alapulnak |
| A tapadási feltételektől független fékrendszer | 4.2.4.8.3. | Örvényáramú sínfék | Az örvényáramú sínfék használatának feltételei a vágánnyal való műszaki kompatibilitás tekintetében nincsenek harmonizálva |
| Zúzottkő-ágyazatú vágányokat érő aerodinamikai hatás > 250 km/h legnagyobb tervezési sebességű járművek esetében | 4.2.6.2.5. | A zúzott kő felverődéséből adódó kockázatok korlátok közé szorítására és megfelelőségértékelés | Folyamatban lévő munka a CEN keretében Nyitott kérdés a vasúti infrastruktúrára vonatkozó ÁME-ban is |
A jármű és a hálózat műszaki kompatibilitásához nem kapcsolódó nyitott kérdések:
| A jármű-alrendszer elemei | Ezen ÁME pontja | Az ezen ÁME hatálya alá nem tartozó műszaki szempontok | Megjegyzések |
| Tűzgátló és tűzoltó rendszerek | 4.2.10.3.4. | A tűzgátló és tűzoltó rendszerek megfelelőségértékelése a nem teljes válaszfalak kivételével | A tűzoltás és a füst elleni védelem hatékonyságának értékelési eljárása a CEN szerint, az ERA szabványkiadási kérelmére |
J. Függelék
Az ebben az ÁME-ban említett műszaki előírások
J-1 Szabványok és normatív dokumentumok
| Hivatkozás | Vizsgálandó jellemzők | ÁME pont | Szabványok kötelező pontjai |
| 1. | EN 12663-1:2010+A1:2014 Vasúti alkalmazások – Vasúti járművek kocsiszekrényeinek szerkezeti követelményei – 1. rész: Mozdonyok és személykocsik (és a teherkocsik alternatív módszere) | ||
| 1.1. | Belső kapcsolókészülék csuklós egységekhez | 4.2.2.2.2. (3) | 6.5.3., 6.7.5. |
| 1.2. | A jármű szerkezetének szilárdsága – általános előírás | 4.2.2.4. (3) | 5.1., 5.2., 5.3., 5.4., 5.6. |
| 1.3. | A jármű szerkezetének szilárdsága – ellenőrzési módszer | 4.2.2.4. (4) | 9.2., 9.3. |
| 1.4. | A jármű szerkezetének szilárdsága – vasúti munkagépekre vonatkozó alternatív követelmények | C. függelék C.1. pont | 6.1–6.5. |
| 1.5. | Emelés és felbakolás – szerkezeti kialakítás terhelései | 4.2.2.6. (9) | 6.3.2., 6.3.3. |
| 1.6. | Emelés és felbakolás – teherbírás igazolása | 4.2.2.6. (9) | 9.2., 9.3. |
| 1.7. | Berendezések rögzítése a kocsiszekrényhez | 4.2.2.7. (3) | 6.5.2., 6.7.3. |
| 1.8. | A forgóvázkeret szerkezeti kialakítása – a forgóvázat a kocsiszekrénnyel összekapcsoló szerkezet | 4.2.3.5.1. (2) | 6.5.1., 6.7.2. |
| 1.9. | Szerkezeti szilárdság | 7.1.1.6.1. (4) | 5.2. |
| 2. | EN 16839:2022 Vasúti alkalmazások – Vasúti jármű – Mellgerenda kialakítása | ||
| 2.1. | A személyzet hozzáférése össze- és szétkapcsolást biztosító berendezésekhez – a tolatószemélyzet műveleti helye | 4.2.2.2.5. (2) | 4. |
| 2.2. | Kapcsolókészülék a vonat végén – az egységek közötti kompatibilitás – kézi, UIC típus Ütközők és csavaros kapcsolórendszer | 4.2.2.2.3. (b) (b-2) (1) | 5., 6. |
| 2.3. | A fékvezetékek és a féktömlők, valamint a kapcsolókészülékek és a csapok méretei és elrendezése | 4.2.2.2.3. (b) (b-2) (2) | 7., 8. |
| 2.4. | Mentésre szolgáló kapcsolókészülék – kapcsolódási pont a vontatóegységgel | 4.2.2.2.4. (3) (a) | 7. |
| 3. | EN 15227:2020 Vasúti alkalmazások – A vasúti járművek ütközésbiztonsági követelményei | ||
| 3.1. | Passzív biztonság – általános előírás | 4.2.2.5. | 4., 5., 6., 7. és B., C., D. melléklet (kivéve A. melléklet) |
| 3.2. | Passzív biztonság – osztályozás | 4.2.2.5. (5) | 5.1., 1. táblázat |
| 3.3. | Passzív biztonság – forgatókönyvek | 4.2.2.5. (6) | 5.2., 5.3., 5.4. (kivéve A. melléklet) |
| 3.4. | Passzív biztonság – követelmények | 4.2.2.5. (7) | 6.1., 6.2., 6.3., 6.4. (kivéve A. melléklet) |
| 3.5. | Passzív biztonság – terelőlap | 4.2.2.5. (8) | 6.5.1. |
| 3.6. | Pályakotró | 4.2.3.7. | 6.6.1. |
| 3.7. | Környezeti feltételek – terelőlap | 4.2.6.1.2. (4) | 6.5.1. |
| 4. | EN 16404:2016 Vasúti alkalmazások – Vasúti járművek sínre visszahelyezésének és helyreállításának követelményei | ||
| 4.1. | Emelés és felbakolás – állandó helyű pontok geometriai elhelyezkedése | 4.2.2.6. (7) | 5.2., 5.3. |
| 4.2. | Emelés és felbakolás – változtatható helyű pontok geometriai elhelyezkedése | 4.2.2.6. (7) | 5.2., 5.3. |
| 5. | EN 15877-2:2013 Vasúti alkalmazások – Vasúti járművek megjelölése – 2. rész: Külső jelölések a személykocsikon, a motorkocsikon, a mozdonyokon és a pályaépítő gépeken | ||
| 5.1. | Emelés és felbakolás – jelölés | 4.2.2.6. (8) | 4.5.19. |
| 5.2. | Általános üzemre használni kívánt vasúti kocsik Előre meghatározott összeállításban használni kívánt személyzeti kocsik | 7.1.1.5.1. (23) 7.1.1.6.1. (29) | 4.4. |
| 6. | EN 15663:2017+A1:2018 Vasúti alkalmazások – Járművek referenciatömege | ||
| 6.1. | Terhelési körülmények és mérlegelt tömeg – terhelési körülmények | 4.2.2.10. (1) | 4.5. |
| 6.2. | Terhelési körülmények és mérlegelt tömeg – terhelési körülményekre vonatkozó hipotézis | 4.2.2.10. (2) | 4.1., 4.2., 4.3., 4.4., 4.5., 5., 6., 7.1., 7.2., 7.3. (tervezési körülmények) |
| 7. | EN 15273-2:2013+A1:2016 Vasúti alkalmazások – Űrszelvények – 2. rész: A jármű űrszelvénye | ||
| 7.1. | Méretezés – módszer, referenciaprofil | 4.2.3.1. (3), 4.2.3.1. (4) | 5. és a profiltól függően: A. (G1), B. (GA,GB,GC), C. (GB1,GB2), D. (GI3), E. (G2), F. (FIN1), G. (FR3,3), H. (BE1,BE2,BE3), I. (PTb,PTb+,PTc), J. (SEa,Sec), K. (OSJD), L. (DE1 DE2 DE3), M. (NL1NL2), P. (GHE16….) melléklet |
| 7.2. | Méretezés – módszer, referenciaprofil Áramszedő szelvényének ellenőrzése | 4.2.3.1. (5) | A.3.12. |
| 7.3. | Méretezés – módszer, referenciaprofil Örvényáramú fék ellenőrzése | 4.2.4.8.3. (3) | 5. és a profiltól függően: A. (G1), B. (GA,GB,GC), C. (GB1,GB2), D. (GI3), E. (G2), F. (FIN1), G. (FR3,3), H. (BE1,BE2,BE3), I. (PTb,PTb+,PTc), J. (SEa,Sec), K. (OSJD), L. (DE1 DE2 DE3), M. (NL1NL2), P. (GHE16….) melléklet |
| 8. | EN 15437-1:2009 Vasúti alkalmazások – Tengelyágyak állapotának ellenőrzése – Illesztési és tervezési követelmények – 1. rész: Vágányoldali berendezések és a jármű tengelyágyai | ||
| 8.1. | A tengelycsapágy állapotának figyelemmel kísérése – a pálya menti berendezés számára látható övezet | 4.2.3.3.2.2. (1), 4.2.3.3.2.2. (2a) 7.3.2.3. | 5.1., 5.2. |
| 9. | EN 14363:2016+A2:2022 Vasúti alkalmazások – Vizsgálatok és szimuláció a vasúti járművek futási tulajdonságainak jóváhagyási eljárásához – Menettulajdonságok vizsgálata és állóhelyi vizsgálatok | ||
| 9.1. | Tengelyterhelési tartomány | 4.2.3.4.1., 4.2.3.4.2. (4) | 1.1., 5.3.2. |
| 9.2. | A sebesség és a túlemeléshiány együttese | 4.2.3.4.2. (3) | 1.4., 7.3.1. |
| 9.3. | Vágányterhelési paraméterek | 4.2.3.4.2. (5) | 7.5.1., 7.5.3. |
| 9.4. | Menetdinamikai viselkedés – futásbiztonsági határértékek | 4.2.3.4.2.1. | 7.5.1., 7.5.2. |
| 9.5. | Menetdinamikai viselkedés – vágányterhelési határértékek | 4.2.3.4.2.2. (1) | 7.5.1., 7.5.3. |
| 9.6. | Kisiklással szembeni biztonság elcsavarodott vágányon való áthaladáskor | 6.2.3.3. (1) | 4., 5., 6.1. |
| 9.7. | Menetdinamikai viselkedés – ellenőrzési módszer | 6.2.3.4. (1) | 7. |
| 9.8. | Menetdinamikai viselkedés – értékelési kritériumok | 6.2.3.4. (1) | 4., 5. |
| 9.9. | Új kerékprofilok tervezési értékei – egyenértékű kúposság értékelése | 6.2.3.6. (1) | O. és P. melléklet |
| 9.10. | A járművek síndőlésnek való megfelelősége | 7.1.2. 17a. táblázat megjegyzése (1) | 4., 5., 6. és 7. |
| 9.11. | Speciális járművekre vonatkozó rendelkezések: vizsgálatok szimulálása | C. függelék C.3. pont | T. melléklet |
| 9.12. | Menetdinamikai viselkedés 250 m-nél kisebb pályaívsugár esetében | 7.1.1.6.1.(26)(f) | 4., 5., 7. |
| 10. | EN 15528:2021 Vasúti alkalmazások – Vonalkategóriák a jármű terhelhetősége és az infrastruktúra közötti kapcsolat (interfész) kezeléséhez | ||
| 10.1. | Az egység besorolás eredményeként kapott EN-vonalkategóriája | 4.2.3.2.1. (2) | 6.1., 6.3., 6.4. |
| 10.2. | Állóhelyeken érvényes hasznos teher standard értéke | 4.2.3.2.1. (2a) | 4. táblázat 2. oszlopa |
| 10.3. | Állóhelyekre vonatkozó hasznos teher dokumentálása | 4.2.3.2.1. (2c) | 6.4.1. |
| 11. | EN 13749:2021 Vasúti alkalmazások – Kerékpárok és futóművek – A forgóvázkeretek szilárdsági követelményeinek előírásmódjai | ||
| 11.1. | A forgóvázkeret szerkezeti kialakítása | 4.2.3.5.1. (1) 4.2.3.5.1. (3) | 6.2. |
| 12. | EN 14198:2016+A1:2018+A2:2021 Vasúti alkalmazások – Fékezés – Mozdonnyal vontatott vonatszerelvény fékrendszerének követelményei | ||
| 12.1. | Fékezés – a fékrendszer típusa, UIC fékrendszer | 4.2.4.3. | 5.4. |
| 12.2. | Általános üzemre használni kívánt vasúti kocsik Általános üzemre használni kívánt személyzeti kocsik | 7.1.1.5.2.(3) 7.1.1.6.2.(4) | 5.3.2.6., 5.4. |
| 13. | EN 14531-1:2015+A1:2018 Vasúti alkalmazások – A fékút, a lassulási távolság és a rögzítőfékezés számítási módszerei – 1. rész: Általános algoritmusok | ||
| 13.1. | Fékhatásosság – számítás – általános követelmények | 4.2.4.5.1. (1) | 4. |
| 13.2. | Vészfékhatásosság – számítás | 4.2.4.5.2. (3) | 4. |
| 13.3. | Üzemi fékhatásosság – számítás | 4.2.4.5.3. (1) | 4. |
| 13.4. | Rögzítőfék fékhatásossága – számítás | 4.2.4.5.5. (3) | 5. |
| 13.5. | Fékhatásosság – súrlódási együttható | 4.2.4.5.1. (2) | 4.4.6. |
| 13.6. | Vészfékhatásosság – reakcióidő/késleltetési idő | 4.2.4.5.2. (1) | 4.4.8.2.1., 4.4.8.3. |
| 14. | EN 14531-2:2015 Vasúti alkalmazások – A fékút, a lassulási távolság és a rögzítőfékezés számítási módszerei – 2. rész: Vonatszerelvények és egyedi járművek számítása lépésről lépésre | ||
| 14.1. | Fékhatásosság – számítás – általános követelmények | 4.2.4.5.1. (1) | 4., 5. |
| 14.2. | Vészfékhatásosság – számítás | 4.2.4.5.2. (3) | 4., 5. |
| 14.3. | Üzemi fékhatásosság – számítás | 4.2.4.5.3. (1) | 4., 5. |
| 15. | EN 15595:2018+AC:2021 Vasúti alkalmazások – Fékezés – Kerékcsúszás-védelem | ||
| 15.1. | Csúszásgátló rendszer – tervezés | 4.2.4.6.2. (6) | 5,1., 5,2., 5,4. |
| 15.2. | Csúszásgátló rendszer – ellenőrzési módszer és tesztprogram | 6.1.3.2. (1) | 6.1.1., 6.2., 6.5., 7. |
| 15.3. | Csúszásgátló rendszer – kerékforgás-figyelő rendszer | 4.2.4.6.2. (8) | 5.1.7. |
| 15.4. | Csúszásgátlás – teljesítményellenőrzési módszer | 6.2.3.10. (1) | 6.3., 7. |
| 16. | EN 16207:2014+A1:2019 Vasúti alkalmazások – Fékezés – Mágneses sínfékrendszerek funkcionális és teljesítménybeli kritériuma a vasúti járműveknél | ||
| 16.1. | Mágneses sínfék | 4.2.4.8.2. (3) K. függelék | C. melléklet |
| 17. | EN 14752:2019+A1:2021 Vasúti alkalmazások – Vasúti járművek oldalsó utasajtajai és feljárószerkezetei | ||
| 17.1. | Ajtóakadály-érzékelő – érzékenység | 4.2.5.5.3. (5) | 5.2.1.4.1. |
| 17.2. | Ajtóakadály-érzékelő – legnagyobb erő | 4.2.5.5.3. (5) | 5.2.1.4.2.2. |
| 17.3. | Az ajtók vésznyitása – az ajtó nyitásához szükséges kézi erő | 4.2.5.5.9. (6) | 5.5.1.5. |
| 17.4. | Általános üzemre használni kívánt vasúti kocsik – ajtóvezérlő berendezés Általános üzemre használni kívánt személyzeti kocsik – ajtóvezérlő berendezés | 7.1.1.5.2.(9) 7.1.1.6.2.(10) | 5.1.1., 5.1.2., 5.1.5., 5.1.6. |
| 18. | EN 50125-1:2014 Vasúti alkalmazások – A berendezések környezeti feltételei – 1. rész: Jármű és fedélzeti berendezések | ||
| 18.1. | Környezeti feltételek – hőmérséklet | 4.2.6.1.1. (1) | 4.3. |
| 18.2. | Környezeti feltételek – hó-, jég- és jégesőviszonyok | 4.2.6.1.2. (1) | 4.7. |
| 18.3. | Környezeti feltételek – hőmérséklet | 7.1.1.5.2.(4) 7.1.1.6.2.(5) | 4.3. |
| 19. | EN 14067-6:2018 Vasúti alkalmazások – Aerodinamikai menettulajdonságok – 6. rész: Követelmények és vizsgálati módszerek az oldalszél hatásának értékeléséhez | ||
| 19.1. | Aerodinamikai hatások – oldalszél, ellenőrzési módszer | 4.2.6.2.4. (2) | 5. |
| 19.2. | Aerodinamikai hatások – oldalszél a legalább 250 km/h legnagyobb tervezési sebességű egységek esetében | 4.2.6.2.4. (3) | 5. |
| 20. | EN 15153-1:2020 Vasúti alkalmazások – A vonatok külső fény- és hangjelző berendezései – 1. rész: Fényszórók, jelzőlámpák és zárójelző lámpák | ||
| 20.1. | Fényszórók – szín | 4.2.7.1.1. (4) | 5.3.3. |
| 20.2. | Fényszórók – a távolsági és tompított fényszóró fényerőssége | 4.2.7.1.1. (5) | 5.3.3., 5.3.4., a 2. táblázat első sora |
| 20.3. | Fényszórók – állíthatóság módja | 4.2.7.1.1. (6) | 5.3.3., 5.3.5. |
| 20.4. | Helyzetjelző lámpák – szín | 4.2.7.1.2. (6) (a) | 5.4.3.1., 4. táblázat |
| 20.5. | Helyzetjelző lámpák – spektrális sugáreloszlás | 4.2.7.1.2. (6) (b) | 5.4.3.2. |
| 20.6. | Helyzetjelző lámpák –fényerősség | 4.2.7.1.2. (6) (c) | 5.4.4. 6. táblázat |
| 20.7. | Zárjelző lámpák – szín | 4.2.7.1.3. (4) (a) | 5.5.3. 7. táblázat |
| 20.8. | Zárjelző lámpák – fényerősség | 4.2.7.1.3. (4) (b) | 5.5.4. 8. táblázat |
| 20.9. | Fényszórók – szín | 6.1.3.3. (1) | 5.3.3., 6.3. |
| 20.10. | Fényszórók – fényerősség | 6.1.3.3. (1) | 5.3.3., 6.4. |
| 20.11. | Helyzetjelző lámpák – szín | 6.1.3.4. (1) | 6.3. |
| 20.12. | Helyzetjelző lámpák –fényerősség | 6.1.3.4. (1) | 6.4. |
| 20.13. | Zárjelző lámpák – szín | 6.1.3.5. (1) | 6.3. |
| 20.14. | Zárjelző lámpák –fényerősség | 6.1.3.5. (1) | 6.4. |
| 20.15. | Helyzetjelző lámpák – állíthatóság módja | 4.2.7.1.2. (7) | 5.4.5. |
| 21. | EN 15153-2:2020 Vasúti alkalmazások – A vonatok külső fény- és hangjelző berendezései – 2. rész: Nehézvasutak jelzőkürtjei | ||
| 21.1. | A jelzőkürt hangnyomásszintjei | 4.2.7.2.2. (1) | 5.2.2. |
| 21.2. | Kürt hangzása | 6.1.3.6. (1) | 6. |
| 21.3. | A kürt hangnyomásszintje | 6.1.3.6. (1) | 6. |
| 21.4. | A kürt hangnyomásszintje | 6.2.3.17. (1) | 6. |
| 22. | EN 50388-1:2022 Vasúti alkalmazások – Telepített berendezések és jármű – A villamos vontatás energiaellátó rendszere és a jármű közötti koordináció műszaki ismérvei – 1. rész: Általános előírások | ||
| 22.1. | A felsővezetékbe energia visszatáplálására alkalmas visszatápláló fék | 4.2.8.2.3. (1) | 12.2.1. |
| 22.2. | A munkavezetékről felvehető legnagyobb teljesítmény és áramerősség – az áramerősség automatikus szabályozása | 4.2.8.2.4. (2) | 7.3. |
| 22.3. | Teljesítménytényező – ellenőrzési módszer | 4.2.8.2.6. (1) | 6. |
| 22.4. | Felharmonikus és dinamikus hatások váltakozó áramú rendszerek esetében – | 4.2.8.2.7. (1) | 10. (kivéve10.2.) |
| 22.5. | A vonat elektromos védelme – a védelem összehangolása | 4.2.8.2.10. (3) | 11. |
| 22.6. | Főmegszakító – a védelem összehangolása | 5.3.12. (4) | 11.2., 11.3. |
| 22.7. | A munkavezetékről felvehető megengedett legnagyobb teljesítmény és áramerősség – ellenőrzési módszer | 6.2.3.18. (1) | 15.3.1. |
| 22.8. | Teljesítménytényező – ellenőrzési módszer | 6.2.3.19. (1) | 15.2. |
| 23. | EN 50206-1:2010 Vasúti alkalmazások – Jármű – Áramszedők: Jellemzők és vizsgálatok – 1. rész: Fővonalon közlekedő járművek áramszedői | ||
| 23,1. | Működési tartomány az áramszedő magasságában (kölcsönös átjárhatóságot lehetővé tevő rendszerelem szinten) – jellemzők | 4.2.8.2.9.1.2. (2) | 4.2., 6.2.3. |
| 23.2. | Az áramszedő áramterhelhetősége (a kölcsönös átjárhatóságot lehetővé tevő rendszerelem szintjén) | 4.2.8.2.9.3a. (2) | 6.13.2. |
| 23.3. | Az áramszedő leengedése (a vasúti járművek szintjén) – az áramszedő leengedéséhez szükséges idő | 4.2.8.2.9.10. (1) | 4.7. |
| 23.4. | Az áramszedő leengedése (a vasúti járművek szintjén) – automatikus leengedő készülék | 4.2.8.2.9.10. (3) | 4.8. |
| 23.5. | Áramszedő – ellenőrzési módszer | 6.1.3.7. (2) | 6.3.1. |
| 24. | EN 50367:2020+A1:2022 Vasúti alkalmazások – Helyhez kötött berendezések és gördülőállomány. Az áramszedők és a felsővezeték közötti műszaki összeférhetőség elérésének ismérvei | ||
| 24.1. | Legnagyobb áramfelvétel álló helyzetben | 4.2.8.2.5. (1) | 7.2., 5. táblázat |
| 24.2. | Az áramszedőfej geometriája | 4.2.8.2.9.2. (5) | 5.3.2.3. |
| 24.3. | 1 600 mm hosszúságú áramszedőfej geometriája | 4.2.8.2.9.2.1. (1) | A.2. melléklet, A.6. ábra |
| 24.4. | 1 950 mm hosszúságú áramszedőfej geometriája | 4.2.8.2.9.2.2. (1) | A.2. melléklet, A.7. ábra |
| 24.5. | Áramszedő – munkavezeték hőmérséklete | 6.1.3.7. (1a) | 7.2. |
| 25. | Nincs használatban | ||
| 26. | EN 50119:2020 Vasúti alkalmazások – Telepített berendezések – Villamos vontatási felsővezeték | ||
| 26.1. | Az áramszedő leengedése (a vasúti járművek szintjén) – dinamikus szigetelési távolság | 4.2.8.2.9.10. (1) | 2. táblázat |
| 27. | EN 50153:2014-05/A1:2017-08/A2:2020-01 Vasúti alkalmazások – Jármű – Elektromos veszélyekkel szembeni védelmi intézkedések | ||
| 27.1. | Elektromos veszélyekkel szembeni védelem | 4.2.8.4. (1) | 5., 6., 7., 8. |
| 28. | EN 15152:2019 Vasúti alkalmazások – A mozdonyvezető-állások szélvédői | ||
| 28.1. | Szélvédő – repülő testek okozta ütésekkel szembeni védelem | 4.2.9.2.1. (2) | 6.1. |
| 28.2. | Szélvédő – lepattogzással szembeni védelem | 4.2.9.2.1. (2) | 6.1. |
| 28.3. | Szélvédő – másodlagos kép különválása | 4.2.9.2.2. (2) (a) | 5.2.1. |
| 28.4. | Szélvédő – optikai torzítás | 4.2.9.2.2. (2) (b) | 5.2.2. |
| 28.5. | Szélvédő – homályosság | 4.2.9.2.2. (2) (c) | 5.2.3. |
| 28.6. | Szélvédő – fényáteresztés | 4.2.9.2.2. (2) (d) | 5.2.4. |
| 28.7. | Szélvédő – színérték | 4.2.9.2.2. (2) (e) | 5.2.5. |
| 28.8. | Szélvédő – jellemzők | 6.2.3.22. (1) | 5.2.1–5.2.5. 6.1. |
| 29. | EN/IEC 62625-1:2013+A11:2017 Elektronikus vasúti berendezések – Fedélzeti vezetési adatrögzítő rendszer – 1. rész: Rendszerleírás | ||
| 29.1. | Adatrögzítő berendezés – funkcionális követelmények | 4.2.9.6. (2) (a) | 4.2.1., 4.2.2., 4.2.3., 4.2.4. |
| 29.2. | Adatrögzítő berendezés – rögzítési teljesítmény | 4.2.9.6. (2) (b) | 4.3.1.2.2. |
| 29.3. | Adatrögzítő berendezés – integritás | 4.2.9.6. (2) (c) | 4.3.1.4. |
| 29.4. | Adatrögzítő berendezés – adatintegritás-biztosíték | 4.2.9.6. (2) (d) | 4.3.1.5. |
| 29.5. | Adatrögzítő berendezés – védelem szintje | 4.2.9.6. (2) (e) | 4.3.1.7. |
| 29.6. | Adatrögzítő berendezés – dátum és idő | 4.2.9.6. (2) (f) | 4.3.1.8. |
| 30. | EN 45545-2:2020 Vasúti alkalmazások – Vasúti járművek tűz elleni védelme – 2. rész: Anyagok és részegységek tűzállósági követelményei | ||
| 30.1. | Tűzmegelőzési intézkedések – anyagokra vonatkozó követelmények | 4.2.10.2.1. (2) | 4., 5., 6. |
| 30.2. | Gyúlékony folyadékokkal kapcsolatos különleges intézkedések | 4.2.10.2.2. (2) | 5. táblázat |
| 31. | EN 1363-1:2020 Tűzállósági vizsgálatok – 1. rész: Általános követelmények | ||
| 31.1. | Személyszállító vasúti járműveken használandó tűzvédelmi gátak – válaszfalvizsgálat | 4.2.10.3.4. (3) | 4–12. |
| 31.2. | Személyszállító vasúti járműveken használandó tűzvédelmi gátak – válaszfalvizsgálat | 4.2.10.3.5. (3) | 4–12. |
| 32. | EN 13272-1:2019 Vasúti alkalmazások – A tömegközlekedési vasúti járművek belső villamos világítása – 1. rész: Nagyvasúti járművek | ||
| 32.1. | Vészvilágítási rendszer – fényerősség | 4.2.10.4.1. (5) | 4.3., 5.3. |
| 33. | EN 50553:2012/A2:2020 Vasúti alkalmazások – Működőképességre vonatkozó követelmények a jármű fedélzetén keletkezett tűz esetén | ||
| 33.1. | Működőképesség | 4.2.10.4.4. (3) | 5., 6. |
| 34. | EN 16362:2013 Vasúti alkalmazások – Helyhez kötött szolgáltatások – A jármű vízfeltöltő berendezése | ||
| 34.1. | Vízfeltöltő csatlakozás | 4.2.11.5. (2) | 4.1.2. 1. ábra |
| 35. | EN/IEC 60309-2:1999/A11:2004, A1: 2007 és A2:2012 Csatlakozódugók, csatlakozóaljzatok és csatlakozóeszközök ipari célokra – 2. rész: Csapos és érintkezőhüvelyes csatlakozók méret-csereszabatossági követelményei | ||
| 35.1. | A vonatok tárolására vonatkozó külön követelmények – helyi külső kiegészítő energiaellátás | 4.2.11.6. (2) | 8. |
| 36. | EN 16019:2014 Vasúti alkalmazások – Automatikus kapcsolókészülék – Teljesítménykövetelmények, kapcsolódási pontok egyedi geometriája és vizsgálati módszer | ||
| 36.1. | Automatikus középső ütközős kapcsolókészülék – 10-es típus A vonat végén lévő kapcsolókészülék típusa (a fej mechanikus és pneumatikus csatlakozása) | 5.3.1. (1) | 4. |
| 37. | EN 15551:2022 Vasúti alkalmazások – Vasúti jármű – Ütközők | ||
| 37.1. | UIC típusú kézi kapcsolókészülék a vonat végén | 5.3.2. (1) | 6.2.2., A. melléklet |
| 38. | EN 15566:2022 Vasúti alkalmazások – Vasúti jármű – Vonókészülék és csavaros kapcsolókészülék | ||
| 38.1. | UIC típusú kézi kapcsolókészülék a vonat végén | 5.3.2. (1) | B., C., D. melléklet, kivéve az „a” méretet a B. melléklet B.1. ábráján, amely tájékoztató jellegű |
| 39. | EN 15020:2022 Vasúti alkalmazások – Mentésre szolgáló kapcsolókészülék – Teljesítménykövetelmények, kapcsolódási pontok egyedi geometriája és vizsgálati módszerek | ||
| 39.1. | Mentésre szolgáló kapcsolókészülék – 10-es típusú csatlakozással ellátott mentésre szolgáló kapcsolókészülék | 5.3.3. (1) | 4.2.1., 4.2.2., 4.3., 4.5.1., 4.5.2., 4.6. és 5.1.2. |
| 40. | EN 13979-1:2020 Vasúti alkalmazások. Kerékpárok és forgóvázak. Monoblokk-kerekek – Műszaki jóváhagyási eljárás – 1. rész: Kovácsolt és hengerelt kerekek | ||
| 40.1. | Kerekek – mechanikai szilárdsági számítások | 6.1.3.1. (1) | 8. |
| 40.2. | Kerekek – kovácsolt és hengerelt kerekekre vonatkozó döntési kritériumok | 6.1.3.1. (2) | 8. |
| 40.3. | Kerekek – további ellenőrzési módszer leírása (próbapadon végzett vizsgálat) | 6.1.3.1. (2) | 8. |
| 40.4. | Kerekek – ellenőrzési módszer Termomechanikai viselkedés | 6.1.3.1. (5) | 7. |
| 41. | EN 50318:2018+A1:2022 Vasúti alkalmazások – Áramszedő rendszerek – Az áramszedő és a felsővezeték közötti dinamikus kölcsönhatás szimulációs eljárásának validálása | ||
| 41.1. | Az áramszedő dinamikus viselkedése | 6.1.3.7. (3) | 5., 6., 7., 8., 9., 10., 11. |
| 41,2. | Áramszedő – áramszedők elrendezése | 6.2.3.21. (2) | 5., 6., 7., 8., 9., 10., 11. |
| 42. | EN 50317:2012/AC:2012+A1:2022 Vasúti alkalmazások – Áramszedő-rendszerek – Az áramszedő és a felsővezeték közötti dinamikus kölcsönhatás méréseinek követelményei és validálása | ||
| 42.1. | Az áramszedőre vonatkozó kölcsönhatás-jellemzők | 6.1.3.7. (3) | 3., 4., 5., 6., 7., 8., 9. |
| 42.2. | Az áramszedők dinamikus viselkedésére vonatkozó dinamikus vizsgálatok | 6.2.3.20. (1) | 3., 4., 5., 6., 7., 8., 9. |
| 42.3. | Az áramszedők elrendezése | 6.2.3.21. (2) | 3., 4., 5., 6., 7., 8., 9. |
| 43. | EN 50405:2015+A1:2016 Vasúti alkalmazások – Áramszedő-rendszerek – Áramszedők, csúszóbetétek vizsgálati módszerei | ||
| 43.1. | A csúszóbetétekre vonatkozó ellenőrzési módszer | 6.1.3.8. (1) | 7.2., 7.3. 7.4., 7.6. 7.7. |
| 44. | EN 13674-1:2011+A1:2017 Vasúti alkalmazások – Vágányfektetés – Sín – 1. rész: Legalább 46 kg/m-es nagyvasúti sín | ||
| 44.1. | Egyenértékű kúposság – sínmetszet-meghatározások | 6.2.3.6., 12., 14. és 16. táblázat | A.15., A.23. és A.24. ábra |
| 45. | EN 13715:2020 Vasúti alkalmazások – Kerékpárok és forgóvázak – Kerekek – Kerékprofilok | ||
| 45.1. | Egyenértékű kúposság – kerékprofil-meghatározások | 6.2.3.6. (1), (2) és (3) | B. és C. melléklet |
| 46. | EN 13260:2020 Vasúti alkalmazások – Kerékpárok és forgóvázak – Kerékpárok – Termékkövetelmények | ||
| 46.1. | A kerékpárra vonatkozó összeszerelési előírások | 6.2.3.7. (1) | 4.2.1. |
| 47. | EN 13103-1:2017 Vasúti alkalmazások – Kerékpárok és forgóvázak – 1. rész: Tervezési útmutató a külső kerékpártengelyre | ||
| 47.1. | Kerékpár – Hajtott és nem hajtott tengelyek, ellenőrzési módszer | 6.2.3.7. (2) | 5., 6., 7. |
| 47.2. | Kerékpár – Hajtott és nem hajtott tengelyek, döntési kritériumok | 6.2.3.7. (2) | 8. |
| 48. | EN 12082:2017+A1:2021 Vasúti alkalmazások – Tengelyágyak – Teljesítményvizsgálat | ||
| 48.1. | Tengelyágyak/csapágyak | 6.2.3.7. (6) | 7. |
| 49. | EN 14067-4:2013+A1:2018 Vasúti alkalmazások – Aerodinamikai menettulajdonságok – 4. rész: Aerodinamikai követelmények és vizsgálati módszerek nyílt pályán | ||
| 49.1. | Légörvényhatás – teljes körű vizsgálatok | 6.2.3.13. (1) | 6.2.2.1. |
| 49.2. | Légörvényhatás – egyszerűsített értékelés | 6.2.3.13. (2) | 4.2.4. és határértékek a 7. táblázatban |
| 49.3. | Légnyomásimpulzus – ellenőrzési módszer | 6.2.3.14. (1) | 6.1.2.1. |
| 49.4. | Légnyomásimpulzus – numerikus áramlástani szimuláció | 6.2.3.14. (1) | 6.1.2.4. |
| 49.5. | Légnyomásimpulzus – mozgó modell | 6.2.3.14. (1) | 6.1.2.2. |
| 49.6. | Légnyomásimpulzus – egyszerűsített értékelési módszer | 6.2.3.14. (2) | 4.1.4. és határértékek a 4. táblázatban |
| 49.7. | Légörvényhatás – mérési pontok meghatározása | 4.2.6.2.1. (1) | 4.2.2.1., 5. táblázat |
| 49.8. | Referenciavonat fix/előre meghatározott összeállításokra | 4.2.6.2.1. (3) | 4.2.2.2. |
| 49.9. | Összeállítás vezetőállással felszerelt egyetlen egységekre | 4.2.6.2.1. (3) | 4.2.2.3. |
| 49.10. | Referenciavonat általános üzemre szánt egységekre | 4.2.6.2.1. (3) | 4.2.2.4. |
| 49.11. | Légnyomásimpulzus – két csúcsérték között fellépő legnagyobb nyomás | 4.2.6.2.2. (2) | 2. táblázat |
| 49.12. | Légnyomásimpulzus – mérési pozíciók | 4.2.6.2.2. (2) | 4.1.2. |
| 50. | EN 14067-5:2021/AC:2023 Vasúti alkalmazások – Aerodinamikai menettulajdonságok – 5. rész: Aerodinamikai követelmények és vizsgálati módszerek alagutakban | ||
| 50.1. | Nyomásingadozás az alagutakban: általános előírások | 4.2.6.2.3. (1) | 5.1. |
| 50.2. | Fix vagy előre meghatározott összeállításban értékelt egység | 4.2.6.2.3. (2) | 5.1.2.2. |
| 50.3. | Általános üzemre és vezetőfülkével ellátott összeállításban értékelt egység | 4.2.6.2.3. (2) | 5.1.2.3. |
| 50.4. | általános üzemre szánt kocsik | 4.2.6.2.3. (2) | 5.1.2.4. |
| 50.5. | megfelelőségértékelési eljárás | 6.2.3.15. | 5.1.4., 7.2.2., 7.2.3., 7.3. |
| 50.6. | Egyedi engedély – alagutakban vegyes forgalomban való használatra szánt kocsik – aerodinamikai terhelések | 7.1.1.5.1. (14) | 6.3.9. |
| 51. | EN 12663-2:2010 Vasúti alkalmazások – Vasúti járművek kocsiszekrényeinek szerkezeti követelményei – 2. rész: Teherkocsik | ||
| 51.1. | Szerkezeti szilárdság | C. függelék C.1. pont | 5.2.1–5.2.4. |
| 52. | CLC/TS 50534:2010 Vasúti alkalmazások – Általános rendszerarchitektúrák a fedélzeti elektromos segédenergia-rendszerekhez | ||
| 52.1. | Egypólusú tápvezeték | 4.2.11.6. (2) | A. melléklet |
| 53. | IEC 61375-1:2012 Elektronikus vasúti berendezések – Vonatkommunikációs hálózat (TCN) – 1. rész: Általános architektúra | ||
| 53.1. | Kommunikációs hálózatok | 7.1.1.5.1.(18) 7.1.1.6.1.(25) | 5., 6. |
| 53.2. | Általános üzemre használni kívánt vasúti kocsik – kommunikációs hálózatok | 7.1.1.5.2. (12) | 5., 6. |
| 54. | EN 16286-1:2013 Vasúti alkalmazások – Átjárók a járművek között – 1. rész: Elsődleges alkalmazások | ||
| 54.1. | Közlekedő–nyomkarima összekötők | 7.1.1.5.2.(6) 7.1.1.6.2.(7) | A. és B. melléklet |
| 55. | EN 50463-3:2017 Vasúti alkalmazások – Fogyasztásmérés vasúti járműveken – 3. rész: Adatkezelés | ||
| 55.1. | Fedélzeti helyzetmeghatározó funkció – követelmények | 4.2.8.2.8.1. (7) | 4.4. |
| 55.2. | Az adatkezelő rendszeren belüli adatok összeállítása és kezelése – értékelési módszertan | 6.2.3.19a. (2) | 5.4.8.3., 5.4.8.5. és 5.4.8.6. |
| 56. | EN 50463-2:2017/AC:2018-10 Vasúti alkalmazások – Fogyasztásmérés vasúti járműveken – 2. rész: Fogyasztásmérés | ||
| 56.1. | Energiafogyasztás-mérési funkció – a hatásos energiafogyasztás-mérés pontossága | 4.2.8.2.8.2. (3) | 4.2.3.1–4.2.3.4. |
| 56.2. | Energiafogyasztás-mérési funkció – osztálybesorolások | 4.2.8.2.8.2. (4) | 4.3.3.4., 4.3.4.3. és 4.4.4.2. |
| 56.3. | Energiafogyasztás-mérési funkció – készülékek pontosságának értékelése | 6.2.3.19a. (1) | 5.4.3.4.1., 5.4.3.4.2., 5.4.4.3.1. |
| 56.4. | Energiafogyasztás-mérési funkció – a bemeneti mennyiség és a teljesítménytényező-tartomány értékei | 6.2.3.19a. (1) | 3. táblázat |
| 56.5. | Energiafogyasztás-mérési funkció – a hőmérséklet hatása a pontosságra | 6.2.3.19a. (1) | 5.4.3.4.3.1. és 5.4.4.3.2.1. |
| 56.6. | Energiafogyasztás-mérési funkció: az egyes készülékek átlagos hőmérsékleti együtthatója – értékelési módszertan | 6.2.3.19a. (1) | 5.4.3.4.3.2. és 5.4.4.3.2.2. |
| 57. | EN 50463-1:2017 Vasúti alkalmazások – Fogyasztásmérés vasúti járműveken – 1. rész: Általános előírások | ||
| 57.1. | Energiafogyasztás-mérési funkció: fogyasztásipont-azonosító – meghatározás | 4.2.8.2.8.3. (4) | 4.2.5.2. |
| 58. | EN 50463-4:2017 Vasúti alkalmazások – Fogyasztásmérés vasúti járműveken – 4. rész: Kommunikáció | ||
| 58.1. | Adatcsere az EMS és a DCS között – az EMS alkalmazásszolgáltatásai (szolgáltatási szint) | 4.2.8.2.8.4. (1) | 4.3.3.1., |
| 58.2. | Adatcsere az EMS és a DCS között – felhasználók hozzáférési jogosultsága | 4.2.8.2.8.4. (2) | 4.3.3.3. |
| 58.3. | Adatcsere az EMS és a DCS között – XML rendszerű struktúra (adat szint) | 4.2.8.2.8.4. (3) | 4.3.4. |
| 58.4. | Adatcsere az EMS és a DCS között – üzenetküldési mechanizmusokat támogató módszerek és XML rendszer (üzenetküldési szint) | 4.2.8.2.8.4. (4) | 4.3.5. |
| 58.5. | Adatcsere az EMS és a DCS között – üzenetküldési mechanizmusokat támogató alkalmazási protokollok | 4.2.8.2.8.4. (5) | 4.3.6. |
| 58.6. | Adatcsere az EMS és a DCS között – EMS kommunikációs architektúra | 4.2.8.2.8.4. (6) | 4.3.7. |
| 59. | EN 50463-5:2017 Vasúti alkalmazások – Fogyasztásmérés vasúti járműveken – 5. rész: Megfelelőségértékelés | ||
| 59.1. | Fedélzeti fogyasztásmérő rendszer – vizsgálatok | 6.2.3.19a. (3) | 5.3.3. és 5.5.4. |
| 60. | Fenntartva | ||
| 61. | IRS UIC 50558:2017 Vasúti alkalmazás – Jármű – Távirányítás és adatkábelek kapcsolódási pontjai – Szabványos műszaki funkciók | ||
| 61.1. | Egységek közötti, jeltovábbítást szolgáló fizikai kapcsolódási pont | 7.1.1.5.2.(8) 7.1.1.6.2.(9) | 7.1.1. |
| 62. | EN 16186-1:2014+A1:2018 Vasúti alkalmazások – Vezetőfülke – 1. rész: Testméretek és láthatóság | ||
| 62,1. | A mozdonyvezető testméretei | E. függelék | 4. |
| 62.2. | Kilátás előre | F.1 | A. melléklet |
| 62.3. | Kilátás előre | F.2, F.3, F.4 | 5.2.1. |
| 63. | EN 14363:2005 Vasúti alkalmazások – A vasúti járművek üzemelési tulajdonságainak jóváhagyási vizsgálata – Menettulajdonságok és álló helyzeti jellemzők vizsgálata | ||
| 63.1. | A járművek síndőlésnek való megfelelősége | 7.1.2., a 17a. táblázat megjegyzése (1) | 5. |
| 64. | UIC 518:2009 Vasúti járművek vizsgálata és jóváhagyása dinamikai viselkedésük szempontjából – Biztonság – Pályafáradás – Menetviselkedés | ||
| 64.1. | A járművek síndőlésnek való megfelelősége | 7.1.2., a 17a. táblázat (1) megjegyzése | 5–11. |
| 65. | EN 16834:2019 Vasúti alkalmazások – Fékezés – Fékhatásosság | ||
| 65.1. | Fékezett súly számított százaléka | 4.2.4.5.2. (4) | 8.1. |
| 66. | EN 14478:2017 Vasúti alkalmazások – Fékezés – Általános fogalmak | ||
| 66.1. | Vészfékhatásosság | 6.2.3.8. (1) | 4.6.3. |
| 66.2. | Üzemi fékhatásosság | 6.2.3.9. (1) | 4.6.3. |
| 67. | EN 15328:2020 Vasúti alkalmazások – Fékezés – Tárcsafékbetétek | ||
| 67.1. | Vészfékhatásosság – súrlódási együttható | 4.2.4.5.2. (5) | 5.2. |
| 68. | EN 16452:2015+A1:2019 Vasúti alkalmazások – Fékezés – Féktuskók | ||
| 68.1. | Vészfékhatásosság – súrlódási együttható | 4.2.4.5.2. (5) | 5.3.1., 5.3.3. |
| 69. | EN 50163:2004+A1:2007+A2:2020+A3:2022 Vasúti alkalmazások – A vontatási rendszerek tápfeszültségei | ||
| 69.1. | Feszültség- és frekvenciatartományon belüli üzem | 4.2.8.2.2. (1) | 4. |
| 70. | UIC 541-6:2010-10 Fékek – Vontatott járműveken használt elektro-pneumatikus fék és utas-vészjelzőberendezés | ||
| 70.1. | Általános üzemre használni kívánt vasúti kocsik Általános üzemre használni kívánt személyzeti kocsik | 7.1.1.5.2.(3) 7.1.1.6.2.(4) | 3., 7. |
| 71. | EN 17065:2018 Vasúti alkalmazások – Fékezés – Személyszállító kocsik vizsgálati eljárása | ||
| 71.1. | Előre meghatározott összeállításban használni kívánt vasúti kocsik Előre meghatározott összeállításban használni kívánt személyzeti kocsik Általános üzemre használni kívánt személyzeti kocsik | 7.1.1.5.1.(13) 7.1.1.6.1.(20) 7.1.1.6.2.(4) | 5., 6. |
| 71.2. | Általános üzemre használni kívánt vasúti kocsik | 7.1.1.5.2. (3) | 5., 6. |
| 72. | EN/IEC 62625-2:2016 Elektronikus vasúti berendezések – Fedélzeti vezetési adatrögzítő rendszer – 2. rész: Megfelelőségi vizsgálat | ||
| 72.1. | Vizsgálatok | 4.2.9.6. (3) | 5., 6. |
| 73. | EN 14363:2016 Vasúti alkalmazások – A vasúti járművek üzemelési tulajdonságainak jóváhagyási szimulációja és vizsgálata – Menettulajdonságok és álló helyzeti jellemzők vizsgálata | ||
| 73.1. | A járművek síndőlésnek való megfelelősége | 7.1.2., 17a. táblázat megjegyzése (1) | 4., 5., 7. |
| 74. | EN 16586-1:2017 Vasúti alkalmazások – Tervezés mozgáskorlátozott személyek általi használatra – Mozgáskorlátozott személyek hozzáférése a vasúti járművekhez – 1. rész: Fel- és leszállásra szolgáló lépcsők | ||
| 74.1. | Előre meghatározott összeállításban használni kívánt vasúti kocsik | 7.1.1.5.1. (19) | A. melléklet |
| 75. | EN 15839:2024 Vasúti alkalmazások. Vizsgálatok és szimuláció a vasúti járművek futástechnikai tulajdonságainak jóváhagyásához. Menetbiztonság hosszirányú nyomóerő hatása alatt | ||
| 75.1. | A futásbiztonság ellenőrzése hosszanti nyomóerők hatása közben | 7.1.1.6.1.(4) | összes |
J-2 Műszaki dokumentumok (elérhetők az ERA weboldalán)
| Hivatkozás | Vizsgálandó jellemzők | ÁME pont | Kötelező műszaki dokumentum pontja |
| A. | ERA/ERTMS/033281 – V 5.0 A pálya menti ellenőrző-irányító-jelző rendszer és egyéb alrendszerek kapcsolódási pontjai Az ellenőrző-irányító és jelző alrendszerre vonatkozó ÁME, A. függelék, A.2. táblázat, 77. hivatkozás | ||
| Egyedi engedély feltételei Előre meghatározott összeállításban használni kívánt személyzeti kocsik esetében alkalmazandó feltételek | 7.1.1.5. 7.1.1.6. | ||
| A járművek jellemzői a sínáramkörös vonatérzékelő rendszerrel való kompatibilitás tekintetében | 4.2.3.3.1.1. | ||
| A.1. | Egymást követő tengelyek közötti legnagyobb távolság | 4.2.3.3.1.1. (1) | 3.1.2.1. (ai távolság az 1. ábrán) |
| A.2. | A vonat eleje/vége és az első/utolsó tengely közötti legnagyobb távolság | 4.2.3.3.1.1. (2) | 3.1.2.4. 3.1.2.5. (bx távolság az 1. ábrán) |
| A.3. | Az első és az utolsó tengely közötti legkisebb távolság | 4.2.3.3.1.1. (3) | 3.1.2.3. |
| A.4. | A legkisebb tengelyterhelés minden terhelési körülményre vonatkozóan | 4.2.3.3.1.1. (4) | 3.1.7.1. |
| A.5. | Az egy tengelyen lévő kerekek futófelületei közötti elektromos ellenállás értéke | 4.2.3.3.1.1. (5) | 3.1.9. |
| A.6. | Áramszedővel felszerelt villamos egységek esetében a jármű legkisebb impedanciája | 4.2.3.3.1.1. (6) | 3.2.2.1. |
| A.7. | tolatást segítő eszközök alkalmazása | 4.2.3.3.1.1. (7) | 3.1.8. |
| A.8. | homokoló berendezések alkalmazása | 4.2.3.3.1.1. (8) | 3.1.4. |
| A.9. | kompozit féktuskók használata | 4.2.3.3.1.1. (9) | 3.1.6. |
| A.10. | Nyomkarimakenő berendezésekre vonatkozó követelmények | 4.2.3.3.1.1. (10) | 3.1.5. |
| A.11. | A vezetett interferenciával kapcsolatos követelmények | 4.2.3.3.1.1. (11) | 3.2.2. |
| A járművek jellemzői a tengelyszámlálón alapuló vonatérzékelő rendszerrel való kompatibilitás tekintetében | 4.2.3.3.1.2. | ||
| A.12. | egymást követő tengelyek közötti legnagyobb távolság | 4.2.3.3.1.2. (1) | 3.1.2.1. (ai távolság az 1. ábrán) |
| A.13. | egymást követő tengelyek közötti legkisebb távolság | 4.2.3.3.1.2. (2) | 3.1.2.2. |
| A.14. | az összekapcsolni kívánt egység végén a vonat eleje/vége és az első/utolsó tengely közötti legkisebb távolság (a meghatározott érték fele) | 4.2.3.3.1.2. (3) | 3.1.2.2. |
| A.15. | a vonat eleje/vége és az első/utolsó tengely közötti legnagyobb távolság | 4.2.3.3.1.2. (4) | 3.1.2.4. 3.1.2.5. (bx távolság az 1. ábrán) |
| A.16. | a kerék geometriája | 4.2.3.3.1.2. (5) | 3.1.3.1–3.1.3.4. |
| A.17. | a kerekek közötti fém- és induktívkomponens-mentes tér | 4.2.3.3.1.2. (6) | 3.1.3.5. |
| A.18. | a kerék anyagának jellemzői | 4.2.3.3.1.2. (7) | 3.1.3.6. |
| A.19. | elektromágneses mezőkkel kapcsolatos követelmények | 4.2.3.3.1.2. (8) | 3.2.1. |
| A.20. | mágneses vagy örvényáramú sínfékek használata | 4.2.3.3.1.2. (9) | 3.2.3. |
| A jármű hurokberendezésen alapuló vonatérzékelési rendszerrel való kompatibilitási jellemzői | 4.2.3.3.1.3. | ||
| A.21. | a jármű fémszerkezetének felépítése | 4.2.3.3.1.3. (1) | 3.1.7.2. |
| Egyedi engedély feltételei | 7.1.1.5. | ||
| A.22. | Nyomkarimakenő berendezésekkel felszerelt egység | 7.1.1.5.(10) 7.1.1.6.1.(17) | 3.1.5. |
| A.23. | Örvényáramú sínfékkel felszerelt egység | 7.1.1.5.1.(11) 7.1.1.6.1.(18) | 3.2.3. |
| A.24. | Mágneses sínfékkel felszerelt egység | 7.1.1.5.1.(12) 7.1.1.6.1.(19) | 3.2.3. |
| A.25. | Az egység konstrukciója | 7.1.1.5.1.(15) 7.1.1.6.1.(21) | 3.1. |
| A.26. | Frekvenciasávok szabályozása | 7.1.1.5.1. (16) | 3.2. |
| B. | SUBSET-034 Vonatinterfész FIS Az ellenőrző-irányító és jelző alrendszerre vonatkozó ÁME, A. függelék, A.2. táblázat, 7. hivatkozás | ||
| B.1. | A billenőszekrény állapota | 4.2.3.4.2. | 2.6.2.4.3., 2.9. és 3. |
| B.2. | Féknyomás | 4.2.4.3. | 2.3.2., 2.9. és 3. |
| B.3. | Speciális fék állapota – Elektro-pneumatikus fék | 2.3.6., 2.9. és 3. | |
| B.4. | Vészfékezési utasítás | 4.2.4.4.1. | 2.3.3., 2.9. és 3. |
| B.5. | Üzemi fékezési utasítás | 4.2.4.4.2. | 2.3.1., 2.9. és 3. |
| B.6. | Speciális fékezés letiltása – Pálya menti utasítások: visszatápláló fék | 4.2.4.4.4. | 2.3.4., 2.9. és 3. |
| B.7. | Speciális fékezés letiltása – STM-utasítások: visszatápláló fék | 2.3.5., 2.9. és 3. | |
| B.8. | Speciális fék állapota: visszatápláló fék | 2.3.6., 2.9. és 3. | |
| B.9. | Speciális fékezés letiltása – Pálya menti utasítások: Mágneses sínfék | 4.2.4.8.2. | 2.3.4., 2.9. és 3. |
| B.10. | Speciális fékezés letiltása – STM-utasítások: Mágneses sínfék | 2.3.5., 2.9. és 3. | |
| B.11. | Speciális fék állapota: Mágneses sínfék | 2.3.6., 2.9. és 3. | |
| B.12. | Speciális fékezés letiltása – Pálya menti utasítások: Örvényáramú sínfék | 4.2.4.8.3. | 2.3.4., 2.9. és 3. |
| B.13. | Speciális fékezés letiltása – STM-utasítások: Örvényáramú sínfék | 2.3.5., 2.9. és 3. | |
| B.14. | Speciális fék állapota: Örvényáramú sínfék | 2.3.6., 2.9. és 3. | |
| B.15. | Állomásperon | 4.2.5.5.6. | 2.4.6., 2.9. és 3. |
| B.16. | Vonóerő kiiktatása | 4.2.8.1.2. | 2.4.9., 2.9. és 3. |
| B.1. | Megengedett áramfelvétel módosítása | 4.2.8.2.4. | 2.4.10., 2.9. és 3. |
| B.17. | Vontatórendszer váltása | 4.2.8.2.9.8. 4.2.8.2.9.8. | 2.4.1., 2.9. és 3. |
| B.18. | Teljesítményfelvétel nélküli szakasz leengedett áramszedővel – Pálya menti utasítások | 2.4.2., 2.9. és 3. | |
| B.19. | Teljesítményfelvétel nélküli szakasz kikapcsolt főkapcsolóval – Pálya menti utasítások | 2.4.7., 2.9. és 3. | |
| B.20. | Főkapcsoló – STM-utasítások | 2.4.8., 2.9. és 3. | |
| B.21. | Áramszedő – STM-utasítások | 2.4.3., 2.9. és 3. | |
| B.22. | Vezetőfülke állapota | 4.2.9.1.6. | 2.5.1., 2.9. és 3. |
| B.23. | Irányvezérlő | 2.5.2., 2.9. és 3. | |
| B.24. | Tolatás távirányítással | 4.2.9.3.6. | 2.5.5., 2.9. és 3. |
| B.25. | Alvó üzemmód | 4.2.9.3.7.1. | 2.2.1., 2.9. és 3. |
| B.26. | Passzív tolatás | 4.2.9.3.7.2. | 2.2.2., 2.9. és 3. |
| B.27. | Nem vezérelt üzemmód | 4.2.9.3.7.3. | 2.2.3., 2.9. és 3. |
| B.28. | Vontatási állapot | 4.2.9.3.8. | 2.5.4., 2.9. és 3. |
| B.29. | Légmentesen záró terület – Pálya menti utasítások | 4.2.10.4.2. | 2.4.4., 2.9. és 3. |
| B.30. | Légmentes zárás – STM-utasítások | 2.4.5., 2.9. és 3. | |
| B.31. | Fedélzeti ATO funkció | 4.2.13. | 2.2.5., 2.9. és 3. |
| C. | Leitfaden Sicherstellung der technischen Kompatibilität für Fahrzeuge mit Seitenwindnachweis nach TSI LOC&PAS zu Anforderungen der Ril 807.04: 2016-09 | ||
| C.1. | a Németországban való üzemeltetésre szánt egységek esetében az egység jellemző szélgörbéje (CWC) | 7.1.1.5.1. (20) f) | Vonatkozó pont |
| D. | Ergänzungsregelung Nr. B017 zur bremstechnischen Ausrüstung von Fahrzeugen zum Betrieb auf Steilstrecken: 2021-05 | ||
| D.1. | Németországban 40 ‰-nél nagyobb lejtésszögű szakaszokon történő üzemeltetésre szánt egységek | 7.1.1.5.1.(20) f) 7.1.1.6.1.(26) b) | Vonatkozó pont |
| E. | Verwaltungsvorschrift zur Prüfung von Notein- und Notausstiegfenstern (NEA) in Schienenfahrzeugen: 2007-02-26 | ||
| E.1. | a Németországban való üzemeltetésre szánt egységek vészkijáratai | 7.1.1.5.1. (20) h) | 3.2. |
| F. | A személyzeti kocsikra vonatkozó, az ERA/TD/2025-01/PECA v1.0 vonatérzékelő rendszerekkel való kompatibilitást biztosító követelmények | ||
| F.1. | A személyzeti kocsik vonatérzékelő rendszerekkel való kompatibilitása | 7.1.1.6.1.(22) | Összes |
| G. | Anforderungskatalog Triebfahrzeuge, Triebzüge und Reisezugwagen ÖBB-INFRA RW 50.02.01 (2024. június 27-i változat) | ||
| G.1. | Termális fékkapacitás | 7.1.1.6.1.(26) c) | 6.1.3. |
| G.2. | Futásbiztonság 250 m-nél kisebb pályaívsugár esetében | 7.1.1.6.1.(26) f) | 6.függelék |
K. Függelék
A mágneses sínfék új záróelemeinek ellenőrzési eljárása
A validálási eljárás célja a mágneses sínfék pályaelemekkel való kompatibilitásának ellenőrzése. Minden új záróelemet vagy geometriailag módosított záróelemet a következő paraméterekkel kell vizsgálni:
- A rögzített váltókitérők érintőinek a 0,034 és 0,056 közötti tartományban, valamint a 0,08 és 0,12 közötti tartományban kell lenniük (lásd az 1. táblázatot).
- A vizsgálat során a váltókon mind a négy lehetséges irányban háromszor át kell haladni bekapcsolt mágneses sínfék mellett, a következő állandó sebességgel (lásd az 1. táblázatot).
K.1. táblázat
Vizsgálati paraméterek
| Sebesség [km/h] iránya | ||||
| Váltó típusa | [Kép #3] | [Kép #4] | [Kép #5] | [Kép #6] |
| 0,08 – 0,12 | 15 | 15 | 15 | 15 |
| 0,08 – 0,12 | 120 | 40 | 120 | 40 |
| 0,034 – 0,056 | 15 | 15 | 15 | 15 |
| 0,034 – 0,056 | 120 | 80 – 100 | 120 | 80 – 100 |
| Megjegyzés: A vizsgálathoz szükség lehet a mágneses sínfék vezérlőrendszerének állítására. | ||||

Kép #3

Kép #4

Kép #5

Kép #6
- A vizsgálatot száraz körülmények között kell elvégezni.
- A vizsgálatot új és kopott állapotú pólussarukon és záróelemeken kell elvégezni.
- A kopott állapotban történő vizsgálatot a súrlódó felület vagy a pólussaru legnagyobb megengedett kopásvájata mellett kell végezni, az előírásban meghatározottak szerint (lásd az 1. ábrát).
K.1. ábra
Legnagyobb kopásvájat

Jelmagyarázat
X legnagyobb megengedett kopásvájat mm-ben
1. vizsgálat:
Ez a vizsgálat a J-1. függelék 16. hivatkozásában említett előírásban felsorolt záróelemek cseréje esetén alkalmazandó. Maximum 10 %-os eltérés engedhető meg legfeljebb 5 méret tekintetében.
A vizsgálat során optikai ellenőrzés céljából videófelvételt kell készíteni minden egyes záróelemről. A mágneses sínfék minden záróelemének és pólussarujának oldalára halvány festéket kell felhordani.
Elfogadási kritériumok:
- A mágneses sínfék egyik részén sincs mechanikai sérülés.
- Nincsenek a mágneses sínfék vágányról való tartós kivetődésére utaló jelek.
MEGJEGYZÉS: A fékezés során szikra keletkezhet; ez megengedett.
- Nincs érintkezésre utaló jel a mágneses sínfék oldalának a sín felső síkjától függőleges irányba számított 55 mm-en kívüli felületén.
2. vizsgálat:
Ez a vizsgálat az újfajta kialakítású záróelemek esetén alkalmazandó. Az 1. vizsgálat elvégzésén túlmenően meg kell mérni a mágneses sínfék és a forgóváz között fellépő oldalirányú és hosszanti erőket (lásd a 2. ábrát).
K.2. ábra
Az erőhatások áttekintése

Jelmagyarázat
1. az FBZ forgóváz kapcsolódási felületén ható erők
2. FHZ mágneses vonzerő
3. FB,x hosszanti erő
4. Fx fékerő
5. FQ oldalirányú erő
6. a sín felső síkja
7. kapcsolódási felületen ható erők
Elfogadási kritériumok:
Az 1. vizsgálat elfogadási kritériumai:
- Befelé ható FQ oldalirányú és FB,x hosszanti irányú erő váltókon és kitérőkön való áthaladáskor:
A mágneses erő 0,18-szorosának megfelelő mértékű befelé (a vágány középpontja felé) ható oldalirányú erő a záróelemek közelében és ezzel egyidejűleg a mágneses erő 0,2-szörösének megfelelő mértékű hosszanti irányú erőhatás megengedett.
- Kifelé ható FQ oldalirányú és FB,x hosszanti irányú erő váltókon és kitérőkön való áthaladáskor:
A mágneses erő 0,12-szeresénak megfelelő mértékű kifelé ható oldalirányú erő a záróelemek közelében és ezzel egyidejűleg a mágneses erő 0,2-szörösének megfelelő mértékű hosszanti irányú erőhatás megengedett.
- Befelé (a vágány középpontja felé) ható rendkívüli FQ oldalirányú erő váltókon és kitérőkön való áthaladáskor:
A járműveken eddig elvégzett mérések során a mágneses erő mintegy 0,35-szörösének megfelelő befelé ható erőket azonosítottak (amely nagymértékben függ a váltó és a kitérő kopottságától).
- Kifelé ható rendkívüli FQ oldalirányú erő váltókon és kitérőkön való áthaladáskor:
A járműveken eddig elvégzett mérések során a mágneses erő mintegy 0,23-szorosának megfelelő kifelé ható erőket azonosítottak (amely nagymértékben függ a váltó és a kitérő kopottságától).
3. vizsgálat:
Ez a vizsgálat az újfajta kialakítású záróelemek esetén alkalmazandó. A 2. vizsgálat után a 3. vizsgálatot akkor kell elvégezni, ha szükségessé válik a váltók elmozdulásának mérése. A 2. és a 3. vizsgálat elvégezhető egy vizsgálat keretében is.
A váltó elmozdulásának mérése:
A váltókon elhelyezett érzékelők mérik az alábbi 3. ábrán pirossal jelölt mozgó részek elmozdulását (váltóhegy).
Vizsgálati program:
A vizsgálati program keretében az A, B, C és D pozíciók mindegyike esetében 3-3 átfutást kell elvégezni állandó sebességgel. A vizsgálathoz a legnagyobb súrlódási együtthatót kiváltó sebességnek megfelelő sebességet kell alkalmazni (ez általában 15 km/h).
K.3. ábra
A váltó elmozdulásának mérése

Jelmagyarázat
1. Váltó csúcsa
2. Váltó gyöke
3. Érzékelőkkel felszerelt zóna
Elfogadási kritériumok:
- A váltó csúcsától a váltó gyök felé való A és B típus szerinti áthaladás esetén az elmozdulás nem haladhatja meg a 4,0 mm-t.
- A C és D pozíció szerinti áthaladás esetén a váltó gyökerétől a váltó hegye felé való elmozdulás nem haladhatja meg a 7,0 mm-t.
L. Függelék
A követelményeket és az átmeneti rendszereket érintő módosítások
Az L.1. és L.2. táblázatban fel nem sorolt ÁME-pontok esetében a korábbi ÁME-nak (vagyis az (EU) 2020/387 bizottsági végrehajtási rendelettel* módosított ezen rendeletnek) való megfelelés az ezen, 2023. szeptember 28-tól alkalmazandó ÁME-nak való megfelelést jelenti.
Módosítások a 7 éves általános átmeneti rendszer tekintetében
Az L.1. táblázatban felsorolt ÁME-pontok esetében a korábbi ÁME-nak való megfelelés nem jelenti az ezen ÁME 2023. szeptember 28-tól alkalmazandó változatának való megfelelést.
A 2023. szeptember 28-án már tervezési fázisban lévő projektek esetében ezen ÁME követelményeinek 2030. szeptember 28-tól kell megfelelni.
Az L.1. táblázatban felsorolt ÁME-követelmények nem érintik a gyártási fázisban lévő projekteket és az üzemben lévő járműveket.
L. 1. táblázat
7 éves átmeneti rendszer
| ÁME pont(ok) | ÁME pont(ok) a korábbi ÁME-ban | Az ÁME módosításának magyarázata |
| 4.2.2.5. (7) | 4.2.2.5. (7) | A J-1. függelék 3. hivatkozásában említett előírás változása |
| 4.2.2.10. (1) | 4.2.2.10. (1) | További követelmények |
| 4.2.3.2.1. (2) | 4.2.3.2.1. (2) | A követelmény változása |
| 4.2.3.7. | 4.2.3.7. | A követelmények változása |
| 4.2.4.3. 7.1.1.5.2. (3) | 4.2.4.3. 6.2.7a | A J-1. függelék 12. hivatkozásában említett előírás változása |
| 4.2.4.5.1. 4.2.4.5.2. 4.2.4.5.3. 4.2.4.5.5. | 4.2.4.5.1. 4.2.4.5.2. 4.2.4.5.3. 4.2.4.5.5. | A J-1. függelék 13. és 14. hivatkozásában említett előírás változása |
| 4.2.4.5.2. (4) | 4.2.4.5.2. (4) | A J-1. függelékben (65. hivatkozás) említett előírás változása |
| 4.2.4.5.2. (5) | 4.2.4.5.2. (5) | A J-1. függelékben (67. vagy 68. hivatkozás) említett előírás változása |
| 4.2.4.6.2. (6) 6.1.3.2. (1) 4.2.4.6.2. (8) 6.2.3.10. (1) | 4.2.4.6.2. (6) 6.1.3.2. (1) 4.2.4.6.2. (8) 6.2.3.10. (1) | A J-1. függelék 15. hivatkozásában említett előírás változása |
| 4.2.6.2.4. (3) | 4.2.6.2.4. (3) | A szabványra való hivatkozás módosítása – a 2008. évi nagy sebességű vasúti infrastruktúrára vonatkozó ÁME-ra való hivatkozás törlése |
| 4.2.5.3.2. (4a) | Nem követelmény | Új követelmény |
| 4.2.5.4. (7) | Nem követelmény | A kommunikációs eszközök meglétének vagy hiányának dokumentációban való feltüntetésére vonatkozó új követelmény |
| 4.2.7.1.4. (3) | 4.2.7.1.4. Megjegyzés | A fényszórók automatikus villogó/felvillanó üzemmódban való kötelező használatára vonatkozó követelmény pontosítása |
| 4.2.8.2.5. (1) | 4.2.8.2.5. (1) | Váltakozó áramú rendszerekre történő kiterjesztés |
| 4.2.8.2.9.6. (3a) és 6.2.3.20. | n.a. | Új követelmény |
| 4.2.8.2.9.7. (3), 4.2.8.2.9.7. (4) és 6.2.3.21. | 4.2.8.2.9.7. (3) és 4.2.8.2.9.7. (4) | Paraméter változása |
| 4.2.9.2.1. és 4.2.9.2.2. | 4.2.9.2.1. és 4.2.9.2.2. | A J-1. függelék 28. hivatkozásában említett előírás változása |
| 4.2.9.3.7. és 4.2.9.3.7a. | Nem követelmény | Új követelmény |
| 4.2.10.2.1. (2) és 4.2.10.2.2. (2) | 4.2.10.2.1. (2) és 4.2.10.2.2. (2) | A hivatkozott szabvány változása Lásd még a 7.1.1.4. pontot |
| 4.2.12.2. | 4.2.12.2. | A kötelező dokumentáció változása a követelmények változása függvényében |
| 7.1.1.3. (1) | 7.1.1.3. (1) | Új követelmény |
| 7.1.6. | Nem követelmény | Ez az eset az újonnan kialakított, fedélzeti ETCS-sel még nem rendelkező járműkonstrukciókra vonatkozik és célja, hogy a jármű alrendszer az ETCS telepítésére készen álljon. |
| A J-2. függelék A. hivatkozását említő pontok (a 3.2.2. pont kivételével) | A J-2. függelék 1. hivatkozását említő pontok | Az ERA/ERTMS/033281 5. változata lép az ERA/ERTMS/033281 4. változata helyébe; a főbb változások az interferenciaáram-határok frekvenciakezelését és a nyitott kérdések lezárását érintik. Az átmeneti rendszert az ellenőrző-irányító és jelző rendszerre vonatkozó ÁME B. függelékének B.1. táblázata határozza meg. |
Módosítások az egyedi átmeneti rendszer tekintetében
Az L.2. táblázatban felsorolt ÁME-pontok esetében a korábbi ÁME-nak való megfelelés nem jelenti az ezen, 2023. szeptember 28-tól alkalmazandó ÁME-nak való megfelelést.
A 2023. szeptember 28-án már tervezési fázisban lévő projektek, a gyártási fázisban lévő projektek, és az üzemeben lévő egységek esetében ezen ÁME követelményeinek az L.2. táblázatban meghatározott átmeneti rendszerek szerint 2023. szeptember 28-tól kezdődően kell megfelelni.
L. 2. táblázat
Egyedi átmeneti rendszer
| ÁME pont(ok) | ÁME pont(ok) a korábbi változatban | Az ÁME módosításának magyarázata | Átmeneti rendszer | |||
| A tervezési fázis nem kezdődött meg | A tervezési fázis megkezdődött | Gyártási fázis | üzemben lévő egységek | |||
| A J-2. függelék B. hivatkozásában említett előírásra hivatkozó pontok | 4.2.4.4.1., 4.2.5.3.4., 4.2.5.5.6., 4.2.8.2.9.8., 4.2.10.4.2. | A vonat fedélzeti ETCS rendszere és a jármű közötti kapcsolódási pontok funkciói teljeskörűen kerülnek meghatározásra, beleértve az EK-hitelesítésre vonatkozó rendelkezéseket is. | A 7. hivatkozásban említett új vonatinterfész funkciók esetében az átmeneti rendszereket az ellenőrző-irányító és jelző alrendszerre vonatkozó ÁME B. függelékében az ETCS-rendszer verziója című B.1. táblázat határozza meg. A 7. hivatkozásban nem módosított vonatinterfész funkciók esetében az átmeneti rendszereket az ellenőrző-irányító és jelző alrendszerre vonatkozó ÁME B. függelékében a részleges teljesítésről szóló B1. táblázat határozza meg. | |||
| 4.2.13. | Nincs követelmény | A fedélzeti ETCS-rendszerrel ellátott és a legfeljebb 2. automatizáltsági fokú automatikus vonatüzemeltetési rendszerrel (ATO) felszerelni kívánt egységek kapcsolódási pontjára vonatkozó követelmények. | A fedélzeti ATO beszerelésére vonatkozó átmeneti rendszereket az ellenőrző-irányító és jelző alrendszerre vonatkozó ÁME B. függelékében a fedélzeti ATO-rendszer beszereléséről szóló B1. táblázat határozza meg. | |||
| A J-2. függelék A. hivatkozásának 3.2.2. pontjára hivatkozó pontok | A J-2. függelék 1. hivatkozásának 3.2.2. pontjára hivatkozó pontok | Az ERA/ERTMS/033281 V5 az ERA/ERTMS/033281 V4 helyébe lép, a fő változások az interferenciaáram-határértékek frekvenciagazdálkodását és a nyitott kérdések lezárását érintik. | Az átmeneti rendszert az ellenőrző-irányító és jelző alrendszerre vonatkozó ÁME B. függelékének B.1. táblázata határozza meg. | |||
| 7.1.1.3. 2. a) pont | 7.1.1.3. | Kötelező EK-tanúsítvány speciális járművekhez | 6 hónap | na. | ||
( 1 ) Az Európai Parlament és a Tanács (EU) 2016/797 irányelve (2016. május 11.) a vasúti rendszer Európai Unión belüli kölcsönös átjárhatóságáról (HL L 138., 2016.5.26., 44. o.).
( 2 ) A Bizottság 2014. november 18-i 1301/2014/EU rendelete az Európai Unió vasúti rendszerének "energia" alrendszerére vonatkozó átjárhatósági műszaki előírásokról (Lásd e Hivatalos Lap 179. oldalát.).
( 3 ) Az Európai Parlament és a Tanács (EU) 2016/797 irányelve (2016. május 11.) a vasúti rendszer Európai Unión belüli kölcsönös átjárhatóságáról (HL L 138., 2016.5.26., 44. o.).
( 4 ) A Bizottság 1300/2014/EU rendelete (2014. november 18.) az uniós vasúti rendszernek a fogyatékossággal élő és a csökkent mozgásképességű személyek általi hozzáférhetőségével kapcsolatos átjárhatósági műszaki előírásokról (EGT-vonatkozású szöveg) (HL L 356., 2014.12.12., 110. o.).
( 5 ) A Bizottság 1304/2014/EU rendelete (2014. november 26.) a "járművek - zaj" alrendszerre vonatkozó átjárhatósági műszaki előírásról, a 2008/232/EK határozat módosításáról és a 2011/229/EU határozat hatályon kívül helyezéséről (EGT-vonatkozású szöveg) (HL L 356., 2014.12.12., 421. o.).
( 6 ) A Bizottság 321/2013/EU rendelete (2013. március 13.) az Európai Unió vasúti rendszere "járművek - teherkocsik" alrendszerére vonatkozó átjárhatósági műszaki előírásról és a 2006/861/EK határozat hatályon kívül helyezéséről (HL L 104., 2013.4.12., 1. o.).
( 7 ) A Bizottság (EU) 2018/1614 végrehajtási határozata (2018. október 25.) az (EU) 2016/797 európai parlamenti és tanácsi irányelv 47. cikkében említett járműnyilvántartásokra vonatkozó előírások megállapításáról, valamint a 2007/756/EK bizottsági határozat módosításáról és hatályon kívül helyezéséről, C/2018/6929 (HL L 268., 2018.10.26., 53. o.).
( 8 ) A Bizottság 1301/2014/EU rendelete (2014. november 18.) az Európai Unió vasúti rendszerének "energia" alrendszerére vonatkozó átjárhatósági műszaki előírásokról (HL L 356., 2014.12.12., 179. o.).
( 9 ) A Bizottság 1299/2014/EU rendelete (2014. november 18.) az Európai Unió vasúti rendszerének infrastruktúra alrendszerére vonatkozó átjárhatósági műszaki előírásokról (HL L 356., 2014.12.12., 1. o.).
( 10 ) A Bizottság (EU) 2019/773 végrehajtási rendelete (2019. május 16.) az Európai Unió vasúti rendszerének forgalmi szolgálat és forgalomirányítás alrendszerére vonatkozó átjárhatósági műszaki előírásokról és a 2012/757/EU határozat hatályon kívül helyezéséről (HL L 139I., 2019.5.27., 5. o.).
( 11 ) A Bizottság (EU) 2023/1695 végrehajtási rendelete (2023. augusztus 10.) az Európai Unió vasúti rendszerének ellenőrző-irányító és jelző alrendszerére vonatkozó kölcsönös átjárhatósági műszaki előírásról és az (EU) 2016/919 hatályon kívül helyezéséről (HL 222.., 2023.9.8., 380 o.).
( 12 ) Az Európai Parlament és a Tanács (EU) 2020/2184 irányelve (2020. december 16.) az emberi fogyasztásra szánt víz minőségéről (HL L 435., 2020.12.23., 1. o.).
( 13 ) Az Európai Parlament és a Tanács 2006/7/EK irányelve (2006. február 15.) a fürdővizek minőségéről és a 76/160/EGK irányelv hatályon kívül helyezéséről (HL L 64., 2006.3.4., 37. o.).
( 14 ) Az Európai Parlament és a Tanács 2006/11/EK irányelve (2006. február 15.) a Közösség vízi környezetébe bocsátott egyes veszélyes anyagok által okozott szennyezésről (HL L 64., 2006.3.4., 52. o.).
( 15 ) A Bizottság 1303/2014/EU rendelete (2014. november 18.) az Európai Unió vasúti rendszeréhez tartozó vasúti alagutak biztonságára vonatkozó átjárhatósági műszaki előírásokról, (HL L 356., 2014.12.12., 394. o.).
( 16 ) Az Európai Parlament és a Tanács 2009. április 23-i 2009/30/EK irányelve a benzinre, a dízelolajra és a gázolajra vonatkozó követelmények, illetőleg az üvegházhatású kibocsátott gázok mennyiségének nyomon követését és mérséklését célzó mechanizmus bevezetése tekintetében a 98/70/EK irányelv módosításáról, a belvízi hajókban felhasznált tüzelőanyagokra vonatkozó követelmények tekintetében az 1999/32/EK irányelv módosításáról, valamint a 93/12/EGK irányelv hatályon kívül helyezéséről (HL L 140., 2009.6.5., 88. o.).
( 17 ) Az Európai Parlament és a Tanács (EU) 2016/798 irányelve (2016. május 11.) a vasútbiztonságról (HL L 138., 2016.5.26., 102. o.)
( 18 ) Az Európai Parlament és a Tanács 2007. október 23-i 2007/59/EK irányelve a közösségi vasúti rendszereken mozdonyokat és vonatokat működtető mozdonyvezetők minősítéséről (HL L 315., 2007.12.3., 51. o.).
( 19 ) A Bizottság 2011. október 4-i 2011/665/EU végrehajtási határozata az engedélyezett vasútijármű-típusok európai nyilvántartásáról (HL L 264., 2011.10.8., 32. o.).
( 20 ) A Bizottság 2010. november 9-i 2010/713/EU határozata az Európai Parlament és a Tanács 2008/57/EK irányelve alapján elfogadott, az átjárhatósági műszaki előírások keretében alkalmazandó megfelelőségértékelési, alkalmazhatósági és EK-hitelesítési eljárások moduljairól (HL L 319., 2010.12.4., 1. o.).
( 21 ) A Bizottság 2014/881/EU ajánlása (2014. november 18.) a meglévő vasútvonalak és az átjárhatósági műszaki előírások alapvető paraméterei közötti megfelelés szintjének igazolására szolgáló eljárásról (HL L 356., 2014.12.12., 520. o.).
( 22 ) A Bizottság 2011/622/EU ajánlása (2011. szeptember 20.) a meglévő vasútvonalak és az átjárhatósági műszaki előírások alapvető paraméterei közötti megfelelés szintjének igazolására szolgáló eljárásról (HL L 243., 2011.9.21., 23. o.).
( 23 ) A Bizottság (EU) 2018/545 végrehajtási rendelete (2018. április 4.) az (EU) 2016/797 európai parlamenti és tanácsi irányelv alapján a vasúti járművek és a vasúti járműtípusok engedélyezési eljárására vonatkozó gyakorlati szabályok megállapításáról (HL L 90., 2018.4.6., 66. o.).
( 24 ) A Bizottság (EU) 2020/387 végrehajtási rendelete (2020. március 9.) a 321/2013/EU, az 1302/2014/EU és az (EU) 2016/919 rendeletnek a felhasználási terület kiterjesztése és az (HL L 73., 2020.3.10., 6. o.)
( 25 ) A Bizottság (EU) 2019/779 végrehajtási rendelete (2019. május 16.) az (EU) 2016/798 európai parlamenti és tanácsi irányelv alapján a járművek karbantartásáért felelős szervezetek tanúsítási rendszerére vonatkozó részletes rendelkezések megállapításáról, valamint a 445/2011/EU bizottsági rendelet hatályon kívül helyezéséről (HL L 139I., 2019.5.27., 360. o.).
( 26 ) A Bizottság (EU) 2019/777 végrehajtási rendelete (2019. május 16.) a vasúti infrastruktúra nyilvántartásának közös előírásairól és a 2014/880/EU végrehajtási határozat hatályon kívül helyezéséről (HL L 139 I., 2019.5.27., 312. o.).
( 27 ) Az Európai Parlament és a Tanács (EU) 2021/782 rendelete (2021. április 29.) a vasúti személyszállítást igénybe vevő utasok jogairól és kötelezettségeiről (átdolgozás), (HL L 172., 2021.5.17., 1. o.).
Lábjegyzetek:
[1] A dokumentum eredetije megtekinthető CELEX: 32014R1302 - https://eur-lex.europa.eu/legal-content/HU/ALL/?uri=CELEX:32014R1302&locale=hu Utolsó elérhető, magyar nyelvű konszolidált változat CELEX: 02014R1302-20250427 - https://eur-lex.europa.eu/legal-content/HU/ALL/?uri=CELEX:02014R1302-20250427&locale=hu